

















本発明は、無線通信など非接触手段により、必要な情報を読み取ることのできるICチップ(以下「無線チップ」ともいう。)を用いる半導体装置に関する。特に、ガラス、プラスチックなどの絶縁基板上に形成された無線チップとして用いる半導体装置に関する。 The present invention relates to a semiconductor device using an IC chip (hereinafter also referred to as “wireless chip”) that can read necessary information by non-contact means such as wireless communication. In particular, the present invention relates to a semiconductor device used as a wireless chip formed over an insulating substrate such as glass or plastic.
現代において、IT技術の発達によって、様々な情報の処理がおこなわれるようになった。人々の健康に対する情報管理などもその一つである。たとえば企業や学校などにおいては定期的に健康診断がおこなわれ、1年または半年に一度は個人に対してその人の健康状態が通知され、異常があった場合には該当者に通知がおこなわれ、病院などで処置がおこなわれるようなしくみが作られている。 In modern times, various information processing has been carried out with the development of IT technology. Information management for people's health is one of them. For example, at a company or school, a regular health checkup is performed, and once a year or half a year, the individual's health status is notified to the individual. If there is an abnormality, the relevant person is notified. , A mechanism has been created that allows treatments to be performed in hospitals.
また、家庭においても、簡単に健康状態の確認ができるように簡易的な健康状態の測定器具が開発されている。近年携帯用の測定器具も普及しつつあり、病気の早期発見に貢献している。 In addition, a simple health condition measuring instrument has been developed so that the health condition can be easily confirmed at home. In recent years, portable measuring instruments have also become widespread and contribute to the early detection of diseases.
このような健康状態測定器具の例として例えば特許文献1などがある。
特許文献1で示したのは、携帯型の血圧測定器であり、このような測定器の活用によって健康状態を簡単に知ることができる。
Patent Document 1 shows a portable blood pressure measuring device, and the health condition can be easily known by using such a measuring device.
以上に述べた、従来の健康測定器具は以下のような課題があった。健康測定器具が小さくなったといっても、ある程度の大きさはあり、どこにでも持っていけるというほど小さくなってはいないと言う課題がある。また、測定によって情報を得ても、それをすぐに専門医がみるわけではないので、体調に異変があってもそれを本人が気がつかず、病気が進行してしまうというような課題があった。 The conventional health measuring instruments described above have the following problems. There is a problem that even if the health measuring device has become smaller, it has a certain size and is not so small that it can be taken anywhere. Moreover, even if information is obtained by measurement, the specialist does not see it immediately, so there is a problem that even if there is a change in physical condition, the person does not notice it and the disease progresses.
そこで本発明は、無線チップを用いる半導体装置において、チップにセンサを内蔵または実装し、無線チップより情報を発信することによって、前述した課題を解決するものである。 Therefore, the present invention solves the above-described problems in a semiconductor device using a wireless chip by incorporating or mounting a sensor in the chip and transmitting information from the wireless chip.
本発明は、絶縁基板上に変調回路と、論理回路と、センサ回路と、アンテナ回路とを有し、
前記センサ回路は前記論理回路を介して前記変調回路に接続され、
前記変調回路は前記アンテナ回路に接続されることを特徴としている。The present invention has a modulation circuit, a logic circuit, a sensor circuit, and an antenna circuit on an insulating substrate,
The sensor circuit is connected to the modulation circuit via the logic circuit;
The modulation circuit is connected to the antenna circuit.
本発明は、絶縁基板上に変調回路と、論理回路と、センサ回路と、アンテナ回路、メモリ回路とを有し、
前記センサ回路はメモリ回路を介して前記論理回路に接続され、
前記論理回路は前記変調回路に接続され、
前記変調回路は前記アンテナ回路に接続されることを特徴としている。The present invention has a modulation circuit, a logic circuit, a sensor circuit, an antenna circuit, and a memory circuit on an insulating substrate,
The sensor circuit is connected to the logic circuit via a memory circuit;
The logic circuit is connected to the modulation circuit;
The modulation circuit is connected to the antenna circuit.
上記において、前記センサ回路は圧力センサであることを特徴としている。In the above, the sensor circuit is a pressure sensor.
上記において、前記センサ回路は音声センサであることを特徴としている。In the above, the sensor circuit is an audio sensor.
上記において、前記センサ回路は光センサであることを特徴としている。In the above, the sensor circuit is an optical sensor.
上記において、前記センサ回路は匂いセンサであることを特徴としている。In the above, the sensor circuit is an odor sensor.
上記において、前記アンテナ回路と、前記変調回路と、前記論理回路と、前記センサ回路とは、同一の絶縁基板上に設けられることを特徴としている。In the above, the antenna circuit, the modulation circuit, the logic circuit, and the sensor circuit are provided over the same insulating substrate.
上記において、前記変調回路と、前記論理回路と、前記センサ回路とは、同一の絶縁基板上に一体形成され、前記アンテナ回路は別の絶縁基板上に設けられることを特徴としている。In the above, the modulation circuit, the logic circuit, and the sensor circuit are integrally formed on the same insulating substrate, and the antenna circuit is provided on another insulating substrate.
上記において、前記変調回路と、前記論理回路とは、同一の絶縁基板上に一体形成され、前記センサ回路は別の絶縁基板上に設けられることを特徴としている。In the above, the modulation circuit and the logic circuit are integrally formed on the same insulating substrate, and the sensor circuit is provided on another insulating substrate.
上記において、前記絶縁基板はガラス基板であることを特徴としている。 In the above, the insulating substrate is a glass substrate.
上記において、前記絶縁基板はプラスチック基板であることを特徴としている。 In the above, the insulating substrate is a plastic substrate.
上記において、前記絶縁基板はフィルム状の絶縁体であることを特徴としている。 In the above, the insulating substrate is a film-like insulator.
上記において、前記アンテナ回路は、前記変調回路と、前記論理回路と、前記センサ回路とのうち少なくとも一つの上方に設けられることを特徴としている。 In the above, the antenna circuit is provided above at least one of the modulation circuit, the logic circuit, and the sensor circuit.
上記において、前記アンテナ回路に入力する信号は無線信号であることを特徴としている。 In the above, the signal input to the antenna circuit is a radio signal.
本発明は、上記の半導体装置を用いた健康情報収集システムである。 The present invention is a health information collection system using the semiconductor device described above.
本発明は、生体情報データを得るためのセンサ回路と、前記生体情報データを送信するためのアンテナ回路と、変調回路と、論理回路と、を少なくとも有する無線チップと、
前記無線チップに電磁波を送信する質問器と、
前記無線チップから送信された前記生体情報データを解析する情報システムと、を有し、
前記無線チップは、生物に貼り付けられもしくは埋め込まれ、
前記センサ回路および前記アンテナ回路はフレキシブル基板上に形成され、
前記アンテナ回路から入力された信号は前記変調回路で変調され、前記論理回路に入力されることを特徴とする健康情報収集システムである。The present invention is a wireless chip having at least a sensor circuit for obtaining biological information data, an antenna circuit for transmitting the biological information data, a modulation circuit, and a logic circuit,
An interrogator that transmits electromagnetic waves to the wireless chip;
An information system for analyzing the biological information data transmitted from the wireless chip,
The wireless chip is affixed or embedded in a living thing,
The sensor circuit and the antenna circuit are formed on a flexible substrate,
The health information collection system is characterized in that a signal input from the antenna circuit is modulated by the modulation circuit and input to the logic circuit.
本発明は、生体情報データを得るためのセンサ回路と、前記生体情報データを送信するためのアンテナ回路と、前記生体情報データを蓄積するメモリ回路と、変調回路と、論理回路と、を少なくとも有する無線チップと、
前記無線チップに電磁波を送信する質問器と、
前記無線チップから送信された前記生体情報データを解析する情報システムと、を有し、
前記無線チップは、生物に貼り付けられもしくは埋め込まれ、
前記センサ回路と、前記アンテナ回路と、前記メモリ回路はフレキシブル基板上に形成され、
前記センサ回路は前記メモリ回路を介して前記論理回路に接続され、
前記論理回路は前記変調回路に接続され、
前記アンテナ回路から入力された信号は前記変調回路で変調され、前記論理回路に入力されることを特徴とする健康情報収集システムである。The present invention includes at least a sensor circuit for obtaining biological information data, an antenna circuit for transmitting the biological information data, a memory circuit for storing the biological information data, a modulation circuit, and a logic circuit. A wireless chip;
An interrogator that transmits electromagnetic waves to the wireless chip;
An information system for analyzing the biological information data transmitted from the wireless chip,
The wireless chip is affixed or embedded in a living thing,
The sensor circuit, the antenna circuit, and the memory circuit are formed on a flexible substrate,
The sensor circuit is connected to the logic circuit via the memory circuit;
The logic circuit is connected to the modulation circuit;
The health information collection system is characterized in that a signal input from the antenna circuit is modulated by the modulation circuit and input to the logic circuit.
上記において、前記無線チップは少なくとも薄膜トランジスタを有することを特徴としている。 In the above, the wireless chip includes at least a thin film transistor.
上記において、前記生物は人間であることを特徴としている。
In the above, the living thing is a human being.
以上に述べたように、本発明の半導体装置を用いることによって、無線を通して得られた情報を発信することが可能である。すなわち、センサを通して得られた健康情報を無線に乗せて、発信させ、その情報をIT技術によって管理することで、病気の早期発見、治療などに役立てることが可能になる。 As described above, by using the semiconductor device of the present invention, information obtained through radio can be transmitted. In other words, health information obtained through the sensor is placed on the radio and transmitted, and the information is managed by IT technology, so that it can be used for early detection and treatment of diseases.
以下、本発明の実施の態様について、図面を参照して説明する。但し、本発明は多くの異なる態様で実施することが可能であり、本発明の趣旨及びその範囲から逸脱することなくその形態及び詳細を様々に変更し得ることは当業者であれば容易に理解される。従って、本実施の形態の記載内容に限定して解釈されるものではない。なお、以下に示す図面において、同一部分又は同様な機能を有する部分には同一の符号を付し、その繰り返しの説明は省略する。 Hereinafter, embodiments of the present invention will be described with reference to the drawings. However, the present invention can be implemented in many different modes, and those skilled in the art can easily understand that the modes and details can be variously changed without departing from the spirit and scope of the present invention. Is done. Therefore, the present invention is not construed as being limited to the description of this embodiment mode. Note that in the drawings described below, the same portions or portions having similar functions are denoted by the same reference numerals, and repetitive description thereof is omitted.
本発明の無線チップの技術としては図1に示すようなものがある。無線チップに用いる半導体装置100はアンテナ回路101、整流回路110、安定電源回路109、アンプ102、復調回路104、命令解析論理回路103、センサ回路108、論理回路107、アンプ106、変調回路105によって構成される。また、アンテナ回路101はアンテナコイル301、同調容量302によって構成される(図3(A))。また、整流回路110はダイオード303、304、平滑容量305によって構成される(図3(B))。 The wireless chip technology of the present invention is as shown in FIG. A
このような無線チップの動作を以下に説明する。アンテナ回路101で受信した交流信号はダイオード303、304によって半波整流され、平滑容量305によって平滑される。この平滑された電圧は多数のリップルを含んでいるため、安定電源回路109で安定化され、安定化された後の電圧を復調回路104、アンプ102、命令解析論理回路103、アンプ106、論理回路107、センサ回路108に供給する。一方、アンテナ回路101で受信された信号はアンプ102を介して、クロック信号として、命令解析論理回路103に入力される。また、アンテナから入力された信号は復調回路104で復調され、データとして命令解析論理回路103に入力される。 The operation of such a wireless chip will be described below. The AC signal received by the
命令解析論理回路103において、入力されたデータはデコードされる。質問器がデータを変形ミラー符号、NRZ−L符号などでエンコードして送信するため、それを命令解析論理回路103はデコードする。デコードされたデータは、論理回路107に送られ、それに従いセンサ回路108でセンシングされたデータが演算される。その結果はアンプ106を介して変調回路105で変調されアンテナ回路101より出力される。このフローを図7に示す。図7のフローは処理順序700を示している。処理順序700は、無線チップが信号を受信することで始まる(701)。まず、命令解析を行い(702)、次に、変調を行う(703)。その後、生体情報を含んだ信号を送信する(704)。本実施の形態において、アンテナ回路は半導体装置100上に構成されているが、これに限定されずアンテナ回路を半導体装置の外部に接続しても良い。センサは圧力センサ、光センサ、匂いセンサ、音声センサであっても良い。 In the instruction
無線チップを用いた健康情報収集システムの概要について図2を用いて説明する。図2は人間の健康情報を非接触で得ることを目的とした健康情報収集システムの概要を示す図である。無線チップ201は人の体に貼り付けられている、もしくは埋め込まれている。この無線チップに対して質問器(リーダライタともいう)202より電磁波が発信される。その電磁波を受けると無線チップ201はその無線チップが持っているセンサ回路で得られた情報を質問器202に対して送り返す。質問器は情報システム(図示せず)に接続され、無線チップの情報解析をおこなう。このようにして、人の健康情報や生体の情報、生物の情報などをわずらわしい測定器具を運搬することなく得ることが可能となる。また、情報が自動的に解析されるため、通知遅れによって病気が進行することを防ぐことができる。 An outline of a health information collection system using a wireless chip will be described with reference to FIG. FIG. 2 is a diagram showing an outline of a health information collecting system for the purpose of obtaining human health information without contact. The wireless chip 201 is attached to or embedded in a human body. An electromagnetic wave is transmitted from an interrogator (also referred to as a reader / writer) 202 to the wireless chip. When receiving the electromagnetic wave, the wireless chip 201 sends back information obtained by the sensor circuit included in the wireless chip to the interrogator 202. The interrogator is connected to an information system (not shown) and performs information analysis of the wireless chip. In this way, it is possible to obtain human health information, living body information, living body information, and the like without carrying a troublesome measuring instrument. Further, since the information is automatically analyzed, it is possible to prevent the disease from progressing due to the notification delay.
本発明の第2の実施形態を図4に示す。無線チップに用いる半導体装置400はアンテナ回路401、バッテリー409、アンプ402、復調回路404、命令解析論理回路403、センサ回路408、論理回路407、アンプ406、変調回路405、メモリ回路410によって構成される。また、アンテナ回路401は、前記図3(A)で示したアンテナ回路101と同様に、アンテナコイル、同調容量によって構成される。 A second embodiment of the present invention is shown in FIG. A
このような無線チップの動作を以下に説明する。本実施例では電源は内蔵したバッテリー409によって供給される。アンテナ回路401で受信された信号はアンプ402を介して、クロック信号として、命令解析論理回路403に入力される。また、アンテナから入力された信号は復調回路404で復調され、データとして命令解析論理回路403に入力される。 The operation of such a wireless chip will be described below. In this embodiment, power is supplied by a built-in battery 409. A signal received by the
命令解析論理回路403において、入力されたデータはデコードされる。質問器がデータを変形ミラー符号、NRZ−L符号などでエンコードして送信するため、それを命令解析論理回路403はデコードする。デコードされたデータは、論理回路407に送られ、それに従いメモリ回路410のデータが演算される。その結果はアンプ406を介して変調回路405で変調されアンテナ回路401より出力される。ここで、センサ回路408によって得られた生体情報収集データはメモリ回路410に蓄えられているものとする。本実施例ではバッテリーを有しているため、質問器が無い場所でもセンサ回路408、メモリ回路410は動作できる。このフローを図6に示す。図6のフローは処理順序600を示している。処理順序600は、無線チップが信号を受信することで始まる(601)。まず、命令解析を行い(602)、次に、メモリを読み出す(603)。そして、変調を行い(604)、その後、生体情報を含んだ信号を送信する(605)。
本実施の形態において、アンテナ回路401、バッテリー409は半導体装置400上に構成されているが、これに限定されずアンテナ回路401、バッテリー409を半導体装置400の外部に接続しても良い。質問器とのやり取りは前述したものと同じである。センサは圧力センサ、光センサ、匂いセンサ、音声センサであっても良い。In the instruction
In this embodiment, the
本発明の無線チップの実施例としては図5に示すようなものがある。人の脈拍情報や血圧情報を得るためには、心臓や血管付近に圧力センサを設け、その情報を得ることが考えられる。本実施例は無線チップに圧力センサを設けたものである。無線チップに用いる半導体装置500はアンテナ回路501、整流回路510、安定電源回路509、アンプ502、復調回路504、命令解析論理回路503、圧力センサ回路508、論理回路507、アンプ506、変調回路505によって構成される。また、アンテナ回路501は、前記図3(A)で示したアンテナ回路101と同様に、アンテナコイル、同調容量によって構成される。また、整流回路510は、前記図3(B)で示した整流回路110と同様に、ダイオード、平滑容量によって構成される。 An example of the wireless chip of the present invention is shown in FIG. In order to obtain human pulse information and blood pressure information, it is conceivable to provide a pressure sensor near the heart or blood vessel to obtain the information. In this embodiment, a pressure sensor is provided on a wireless chip. A
このような無線チップの動作を以下に説明する。アンテナ回路501で受信した交流信号はダイオード303、304によって半波整流され、平滑容量305によって平滑される。この平滑された電圧は多数のリップルを含んでいるため、安定電源回路509で安定化され、安定化された後の電圧を復調回路504、アンプ502、命令解析論理回路503、アンプ506、論理回路507、圧力センサ回路508に供給する。一方、アンテナ回路501で受信された信号はアンプ502を介して、クロック信号として、命令解析論理回路503に入力される。また、アンテナ回路501から入力された信号は復調回路504で復調され、データとして命令解析論理回路503に入力される。 The operation of such a wireless chip will be described below. The AC signal received by the
命令解析論理回路503において、入力されたデータはデコードされる。質問器がデータを変形ミラー符号、NRZ−L符号などでエンコードして送信するため、それを命令解析論理回路503はデコードする。デコードされたデータは、論理回路507に送られ、それに従い圧力センサ回路508でセンシングされたデータが演算される。その結果はアンプ506を介して変調回路505で変調されアンテナ回路501より出力される。本実施の形態において、アンテナ回路501は半導体装置500上に構成されているが、これに限定されずアンテナ回路501を半導体装置500の外部に接続しても良い。 In the instruction
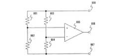
図8に示すものは圧力センサ回路の実施例である。本実施例の圧力センサ回路は半導体抵抗801〜804、差動アンプ805、電源端子806、807、出力端子808によって構成される。一般に半導体抵抗は応力を受けるとピエゾ効果によってその抵抗値が変化する。本実施例の圧力センサでは半導体抵抗801〜804をそれぞれ異なる位置に配置し、圧力が加わった場合にそれぞれの抵抗に異なる応力が発生するようにする。圧力が加わると差動アンプの2つの入力電圧が変化し、それを増幅することによって、圧力の有無を検出することが可能となる。この圧力センサを前述した無線チップに入れることによって、センサで得られた情報を無線で発信することができる。
尚本発明の圧力センサは本実施例の回路に限定されず、他の回路であっても良い。また、センサは圧力センサ、光センサ、匂いセンサ、音声センサであっても良い。FIG. 8 shows an embodiment of a pressure sensor circuit. The pressure sensor circuit of this embodiment is constituted by
The pressure sensor of the present invention is not limited to the circuit of this embodiment, and may be another circuit. The sensor may be a pressure sensor, an optical sensor, an odor sensor, or a voice sensor.
絶縁基板上に記憶素子、およびデコーダー、セレクタ、書き込み回路、読み出し回路などの論理回路部に用いる薄膜トランジスタ(以下、本明細書ではTFTという)を同時に作製する方法について図15を用いて説明する。なお、本実施例では半導体素子として、フローティングゲートを有するnチャネル型の記憶素子3101、nチャネル型TFT3103、pチャネル型TFT3104を例に挙げて示すが、本発明においてメモリ部3100および論理回路部3102に含まれる半導体素子はこれに限定されない。また、この作製方法は一例であって、絶縁基板上での作製方法を限定するものではない。 A method for simultaneously manufacturing a memory element and a thin film transistor (hereinafter referred to as a TFT in this specification) used for a logic circuit portion such as a decoder, a selector, a writing circuit, and a reading circuit over an insulating substrate is described with reference to FIGS. Note that in this embodiment, an n-channel memory element 3101 having a floating gate, an n-channel TFT 3103, and a p-channel TFT 3104 are shown as examples of semiconductor elements. However, in the present invention, the
まず、ガラス基板3000上に酸化シリコン膜、窒化シリコン膜または酸化窒化シリコン膜などの絶縁膜から成る下地膜3001及び3002を形成する。例えば、下地膜3001として酸化窒化シリコン膜を10〜200nm、下地膜3002として酸化窒化水素化シリコン膜を50〜200nmの厚さに順に積層形成する。 First,
島状半導体層3003〜3005は、非晶質構造を有する半導体膜を公知のレーザ結晶化法や熱結晶化法を用いて作製した結晶質半導体膜で形成する。この島状半導体層3003〜3005の厚さは25〜80nmの厚さで形成する。結晶質半導体膜の材料に限定はないが、好ましくはシリコンまたはシリコンゲルマニウム(SiGe)合金などで形成すると良い。 The island-shaped
ここで、記憶素子に用いるTFTの半導体層3003のソース領域またはドレイン領域の片側に電荷を引き抜くためのオーバーラップ領域を設ける為の処理を行ってもよい。 Here, treatment for providing an overlap region for extracting charge on one side of the source region or the drain region of the
次いで、島状半導体層3003〜3005を覆うゲート絶縁膜3006を形成する。ゲート絶縁膜3006はプラズマCVD法またはスパッタ法を用い、厚さを10〜80nmとしてシリコンを含む絶縁膜で形成する。特に、OTPタイプの不揮発性メモリではホットエレクトロン注入による書き込みと電荷保持が重要であるから、ゲート絶縁膜はトンネル電流の流れにくい40〜80nmとすることが好ましい。 Next, a
そして、ゲート絶縁膜3006上に第1の導電層3007〜3009を形成し、後にフローティングゲート電極となる領域とTFTのゲート電極となる領域を含む領域を除いて、エッチングにより除去する。 Then, first
次いで、第2のゲート絶縁膜3010を形成する。第2のゲート絶縁膜3010はプラズマCVD法またはスパッタ法を用い、厚さを10〜80nmとしてシリコンを含む絶縁膜で形成する。ゲート絶縁膜3006は、記憶素子の存在する領域を除いて、エッチングにより除去する。 Next, a second
続いて第2の導電層3011〜3013を形成し、積層された第1の導電層3007と第2のゲート絶縁膜3010と第2の導電層3011(記憶素子)あるいは、積層された第1の導電層3008と第2の導電層3012(TFT)および、積層された第1の導電層3009と第2の導電層3013(TFT)を一括でエッチングし、記憶素子のフローティングゲート電極、コントロールゲート電極、およびTFTのゲート電極を形成する。 Subsequently, second
本実施例では、第1の導電層3007〜3009を窒化タンタル(TaNx、x>0)で50〜100nmの厚さに形成し、第2の導電層3011〜3013をタングステン(W)で100〜300nmの厚さに形成したが、導電層の材料は特に限定されず、いずれもタンタル(Ta)、タングステン(W)、チタン(Ti)、モリブデン(Mo)、アルミニウム(Al)、銅(Cu)などから選ばれた元素、または前記元素を主成分とする合金材料もしくは化合物材料で形成しても良い。In this embodiment, the first
続いて、記憶素子に用いるTFTにn型を付与するドーピングを行い、第1の不純物領域3014、3015を形成する。次に論理回路部で用いるpチャネル型TFTにp型を付与するドーピングを行い、第2の不純物領域3016、3017を形成する。続いて論理回路部で用いるnチャネル型TFTのLDD領域を形成するために、n型を付与するドーピングを行い、第3の不純物領域3018、3019を形成する。その後、サイドウォール3020、3021を形成して、論理回路部で用いるnチャネル型TFTにn型を付与するドーピングを行い第4の不純物領域3022、3023を形成する。これらのドーピング方法はイオンドープ法もしくはイオン注入法で行えば良い。以上までの工程でそれぞれの島状半導体層に不純物領域が形成される。 Subsequently, doping which imparts n-type to the TFT used for the memory element is performed to form
次に、それぞれの島状半導体層に添加された不純物元素を活性化する工程を行う。この工程はファーネスアニール炉を用いる熱アニール法で行う。その他に、レーザアニール法、またはラピッドサーマルアニール法(RTA法)を適用することができる。さらに、3〜100vol%の水素を含む雰囲気中で、300〜450℃で1〜12時間の熱処理を行い、島状半導体層を水素化する工程を行う。水素化の他の手段として、プラズマ水素化(プラズマにより励起された水素を用いる)を行っても良い。 Next, a step of activating the impurity element added to each island-like semiconductor layer is performed. This step is performed by a thermal annealing method using a furnace annealing furnace. In addition, a laser annealing method or a rapid thermal annealing method (RTA method) can be applied. Further, a heat treatment is performed at 300 to 450 ° C. for 1 to 12 hours in an atmosphere containing 3 to 100 vol% hydrogen to perform a step of hydrogenating the island-shaped semiconductor layer. As another means of hydrogenation, plasma hydrogenation (using hydrogen excited by plasma) may be performed.
次いで、第1の層間絶縁膜3024を酸化窒化シリコン膜で形成する。第1の層間絶縁膜3024の膜厚は、ゲート絶縁膜と同程度の10〜80nmとする。続いてアクリルなどの有機絶縁物材料から成る第2の層間絶縁膜3025を形成する。また、第2の層間絶縁膜3025として有機絶縁物材料の代わりに無機材料を用いることもできる。無機材料としては無機SiO2やプラズマCVD法で作製したSiO2(PCVD‐SiO2)、SOG(Spin on Glass;塗布珪素酸化膜)等が用いられる。2つの層間絶縁膜を形成した後にコンタクトホールを形成するためのエッチング工程を行う。Next, a first
そして、メモリ部において島状半導体層のソース領域、ドレイン領域とコンタクトをとる電極3026、3027を形成する。また、論理回路部においても同様に、電極3028〜3030を形成する。 Then,
以上のようにして、フローティングゲートを有するnチャネル型の記憶素子を有するメモリ部と、LDD構造のnチャネル型TFTおよびシングルドレイン構造のpチャネル型TFTを有する論理回路部と、を同一の基板上に形成することができる(図15参照)。 As described above, a memory portion having an n-channel memory element having a floating gate and a logic circuit portion having an n-channel TFT having an LDD structure and a p-channel TFT having a single drain structure are formed on the same substrate. (See FIG. 15).
本実施例では、メモリ部および論理回路部を形成し、フレキシブル基板へ転写するまでの作製方法について図16、図17を用いて説明する。なお、本実施例では半導体素子として、フローティングゲートを有するnチャネル型の記憶素子3101、nチャネル型TFT3103、およびpチャネル型TFT3104を例に挙げて示すが、本発明においてメモリ部3100および論理回路部3102に含まれる半導体素子はこれに限定されない。また、この作製方法は一例であって、絶縁基板上での作製方法を限定するものではない。 In this embodiment, a manufacturing method from formation of a memory portion and a logic circuit portion to transfer to a flexible substrate will be described with reference to FIGS. Note that in this embodiment, an n-channel storage element 3101 having a floating gate, an n-channel TFT 3103, and a p-channel TFT 3104 are shown as semiconductor elements. However, in the present invention, the
絶縁基板3000上に剥離層4000を形成する。剥離層4000は、非晶質シリコン、多結晶シリコン、単結晶シリコン、微結晶シリコン(セミアモルファスシリコンを含む)等、シリコンを主成分とする層を用いることができる。剥離層4000は、スパッタ法、プラズマCVD法等を用いて形成することができる。本実施例では、膜厚500nm程度の非晶質シリコンをスパッタ法で形成し、剥離層4000として用いる。続いて実施例3に示した作業工程に従い、図15に示すようなメモリ部、論理回路部を形成する。 A
次に、第2の層間絶縁膜3025上に第3の層間絶縁膜4001を形成し、パッド4002〜4005を形成する。パッド4002〜4005は、Ag、Au、Cu、Pd、Cr、Mo、Ti、Ta、W、Alなどの金属、金属化合物を1つまたは複数有する導電材料を用いることができる。 Next, a third
そしてパッド4002〜4005を覆うように、第3の層間絶縁膜4001上に保護層4006を形成する。保護層4006は、後に剥離層4000をエッチングにより除去する際に、パッド4002〜4005を保護することができる材料を用いる。例えば、水またはアルコール類に可溶なエポキシ系、アクリレート系、シリコン系の樹脂を全面に塗布することで保護層4006を形成することができる(図16(A))。 Then, a
次に、剥離層4000を分離するための溝4007を形成する(図16(B)参照)。溝4007は、剥離層4000が露出する程度であれば良い。溝4007の形成は、エッチング、ダイシング、スクライビングなどを用いることができる。 Next, a
次に、剥離層4000をエッチングにより除去する(図17(A)参照)。本実施例では、エッチングガスとしてフッ化ハロゲンを用い、該ガスを溝4007から導入する。本実施例では、例えばClF3(三フッ化塩素)を用い、温度:350℃、流量:300sccm、気圧:6Torr、時間:3hの条件で行う。また、ClF3ガスに窒素を混ぜたガスを用いても良い。ClF3等のフッ化ハロゲンを用いることで、剥離層4000が選択的にエッチングされ、絶縁基板3000を剥離することができる。なおフッ化ハロゲンは、気体であっても液体であってもどちらでも良い。Next, the
次に、剥離されたメモリ部および論理回路部を、接着剤4008を用いて支持体4009に貼り合わせる(図17(B)参照)。接着剤4008は、支持体4009と下地膜3001とを貼り合わせることができる材料を用いる。接着剤4008は、例えば反応硬化型接着剤、熱硬化型接着剤、紫外線硬化型接着剤等の光硬化型接着剤、嫌気型接着剤などの各種硬化型接着剤を用いることができる。 Next, the peeled memory portion and logic circuit portion are attached to a
支持体4009として、フレキシブルな紙またはプラスチックなどの有機材料を用いることができる。または支持体4009として、フレキシブル無機材料を用いていても良い。支持体4009は集積回路において発生した熱を拡散させるために、2〜30W/mK程度の高い熱伝導率を有するのが望ましい。 As the
なおメモリ部および論理回路部の集積回路を絶縁基板3000から剥離する方法は、本実施例で示したように珪素膜のエッチングを用いる方法に限定されず、他の様々な方法を用いることができる。例えば、耐熱性の高い基板と集積回路の間に金属酸化膜を設け、該金属酸化膜を結晶化により脆弱化して集積回路を剥離することができる。また例えば、剥離層をレーザー光の照射により破壊し、集積回路を基板から剥離することもできる。また例えば、集積回路が形成された基板を機械的に削除または溶液やガスによるエッチングで除去することで、集積回路を基板から剥離することもできる。 Note that the method of peeling the integrated circuit of the memory portion and the logic circuit portion from the insulating
また対象物の表面が曲面を有しており、それにより該曲面貼り合わされたIDチップの支持体が、錐面、柱面など母線の移動によって描かれる曲面を有するように曲がってしまう場合、該母線の方向とTFTのキャリアが移動する方向とを揃えておくことが望ましい。上記構成により、支持体が曲がっても、それによってTFTの特性に影響が出るのを抑えることができる。また、島状の半導体膜が集積回路内において占める面積の割合を、1〜30%とすることで、支持体が曲がっても、それによってTFTの特性に影響が出るのをより抑えることができる。本実施例は、上記の実施の形態や他の実施例と組み合わせて用いることが可能である。 In addition, when the surface of the object has a curved surface, and the ID chip support bonded to the curved surface is bent so as to have a curved surface drawn by the movement of the generatrix such as a cone surface or a column surface, It is desirable to align the direction of the bus and the direction in which the TFT carrier moves. With the above configuration, even if the support is bent, it can be suppressed that the characteristics of the TFT are affected thereby. In addition, by setting the ratio of the area occupied by the island-shaped semiconductor film in the integrated circuit to 1 to 30%, it is possible to further suppress the influence of the TFT characteristics even if the support is bent. . This embodiment can be used in combination with the above embodiment mode and other embodiments.
剥離プロセスを用いて、フレキシブルな無線チップを構成する場合の例について図18を用いて説明する。無線チップはフレキシブル保護層2301、2303、および剥離プロセスを用いて形成された無線チップ2302より構成される。本実施例において、アンテナ2304は無線チップ2302上ではなく、フレキシブル保護層2303上に形成され、無線チップ2302に電気的に接続されている。図18(A)ではフレキシブル保護層2303上にのみ形成されているが、フレキシブル保護層2301上にもアンテナを形成しても良い。アンテナは銀、銅、またはそれらでメッキされた金属であることが望ましい。無線チップ2302とアンテナとの接続は異方性導電膜を用い、UV処理をおこない接続をおこなうが、接続方法はこれに限定されない。 An example in the case of forming a flexible wireless chip using a peeling process will be described with reference to FIGS. The wireless chip includes flexible
図18(B)は図18(A)の断面を示したものである。無線チップ2302の厚さは5μm以下であり、望ましくは0.1μm〜3μmの厚さを有する。またフレキシブル保護層2301、2303の厚さは、フレキシブル保護層2301、2303を重ねたときの厚さをdとしたとき、(d/2)±30μmとなっていることが望ましく、とくに(d/2)±10μmであれば最良である。フレキシブル保護層2301、2303の厚さは10μm〜200μmであることが望ましい。無線チップ2302の面積は5mm角以下であり、望ましくは0.3mm角〜4mm角の面積を有する。 FIG. 18B shows a cross section of FIG. The
フレキシブル保護層2301、2303は有機樹脂材料で形成され折り曲げに対して強い構造をもっている。剥離プロセスを用いた無線チップ2302自体も単結晶半導体に比べて、折り曲げに対して強いため、フレキシブル保護層2301、2303と密着させることが可能である。このようなフレキシブル保護層2301、2303で囲われた無線チップをさらに他の個体物の表面または内部に配置しても良い。また、紙の中に埋め込んでも良い。The flexible
無線チップを曲面にはる場合、つまり、無線チップが弧を描いている方向と垂直にTFTを配置した例について図9を用いて説明する。図9の曲面900中の無線チップが含むTFTは、電流が流れる方向(電流方向901)、すなわち、ドレイン電極902〜ゲート電極903〜ソース電極904の位置は直線上にあり、応力の影響が少なくなるような配置となっている。このような配置をおこなうことによって、TFT特性の変動を抑えることができる。また、TFTを構成する結晶は電流の流れる方向にそろっており、これらをCWLCなどで形成することによって、S値を0.35V/dec以下、(好ましくは0.09〜0.25V/dec)、移動度を100cm2/Vs以上にすることができる。
このようなTFTを用いて19段リングオシレータを構成した場合において、電源電圧3〜5Vにおいて、その発振周波数は1MH以上、好ましくは100MHz以上の特性を有する。電源電圧3〜5Vにおいて、インバータ1段あたりの遅延時間は26ns、好ましくは0.26ns以下を有する。In the case where the wireless chip is curved, that is, an example in which TFTs are arranged perpendicular to the direction in which the wireless chip draws an arc will be described with reference to FIG. In the TFT included in the wireless chip in the curved surface 900 in FIG. 9, the direction of current flow (current direction 901), that is, the positions of the drain electrode 902 to the gate electrode 903 to the source electrode 904 are on a straight line, and the influence of stress is small. It has become such an arrangement. By performing such an arrangement, variation in TFT characteristics can be suppressed. Further, the crystals constituting the TFT are aligned in the direction in which the current flows. By forming them with CWLC or the like, the S value is 0.35 V / dec or less (preferably 0.09 to 0.25 V / dec). The mobility can be 100 cm2 / Vs or higher.
When a 19-stage ring oscillator is configured using such TFTs, the oscillation frequency is 1 MHz or higher, preferably 100 MHz or higher, at a power supply voltage of 3 to 5 V. At a power supply voltage of 3 to 5 V, the delay time per inverter stage is 26 ns, preferably 0.26 ns or less.
また、応力に対して、TFTなどのアクティブ素子を破壊させないためには、TFTなどのアクティブ素子の活性領域(シリコンアイランド部分)の面積が全体の面積に占める割合は、5%〜50%であることが望ましい。
TFTなどのアクティブ素子の存在しない領域には下地絶縁材料、層間絶縁材料および配線材料が主として設けられている。TFTの活性領域以外の面積は全体の面積の60%以上であることが望ましい。
アクティブ素子の活性領域の厚さは20nm〜200nm、代表的には40〜170nm、好ましくは45〜55nm、145〜155nmを有する。Further, in order not to destroy active elements such as TFTs due to stress, the ratio of the area of the active region (silicon island portion) of the active elements such as TFTs to the entire area is 5% to 50%. It is desirable.
In a region where there is no active element such as a TFT, a base insulating material, an interlayer insulating material, and a wiring material are mainly provided. The area other than the active region of the TFT is desirably 60% or more of the entire area.
The active region has a thickness of 20 to 200 nm, typically 40 to 170 nm, preferably 45 to 55 nm, and 145 to 155 nm.
本実施例では本発明を用いた回路に外付けのアンテナをつけた例について図10、図11を用いて説明する。 In this embodiment, an example in which an external antenna is attached to a circuit using the present invention will be described with reference to FIGS.
図10(A)は回路の周りを一面のアンテナで覆ったものである。基板1000上にアンテナ1001を構成し、本発明を用いた回路1002を接続する。図面では回路1002の周りをアンテナ1001で覆う構成になっているが、全面をアンテナで覆い、その上に電極を構成した回路1002を貼り付けるような構造を取っても良い。 FIG. 10A shows the circuit covered with a single antenna. An antenna 1001 is formed over a substrate 1000, and a circuit 1002 using the present invention is connected. In the drawing, the periphery of the circuit 1002 is covered with the antenna 1001; however, a structure in which the entire surface is covered with the antenna and the circuit 1002 including the electrodes is attached thereon may be employed.
図10(B)は細いアンテナを回路の周りを回るように配置したものである。基板1003上にアンテナ1004を構成し、本発明を用いた回路1005を接続する。なお、アンテナの配線は一例であってこれに限定するものではない。 FIG. 10B shows a thin antenna arranged around the circuit. An antenna 1004 is formed over a substrate 1003 and a circuit 1005 using the present invention is connected. The wiring of the antenna is an example and is not limited to this.
図10(C)は高周波数のアンテナである。基板1006上にアンテナ1007を構成し、本発明を用いた回路1008を接続する。 FIG. 10C illustrates a high frequency antenna. An antenna 1007 is formed over a substrate 1006, and a circuit 1008 using the present invention is connected.
図10(D)は180度無指向性(どの方向からでも同じく受信可能)なアンテナである。基板1009上にアンテナ1010を構成し、本発明を用いた回路1011を接続する。 FIG. 10D illustrates an antenna that is 180 degrees omnidirectional (same reception is possible from any direction). An antenna 1010 is formed over a substrate 1009 and a
図10(E)は棒状に長く伸ばしたアンテナである。基板1012上にアンテナ1013を構成し、本発明を用いた回路1014を接続する。 FIG. 10E shows an antenna elongated in a rod shape. An antenna 1013 is formed over a substrate 1012, and a circuit 1014 using the present invention is connected.
本発明を用いた回路とこれらのアンテナへの接続は公知の方法で行うことができる。例えばアンテナと回路をワイヤボンディング接続やバンプ接続を用いて接続する、あるいはチップ化した回路の一面を電極にしてアンテナに貼り付けるという方法を取ってもよい。この方式ではACF(anisotropic conductive film;異方性導電性フィルム)を用いて貼り付けることができる。 The circuit using the present invention and connection to these antennas can be made by a known method. For example, the antenna and the circuit may be connected using wire bonding connection or bump connection, or one surface of the circuit formed as a chip may be attached to the antenna as an electrode. In this method, it can be attached using an ACF (anisotropy conductive film).
アンテナに必要な長さは受信に用いる周波数によって適正な長さが異なる。一般には波長の整数分の1の長さにすると良いとされる。例えば周波数が2.45GHzの場合は約60mm(1/2波長)、約30mm(1/4波長)とすれば良い。 The length required for the antenna differs depending on the frequency used for reception. In general, the length is preferably an integral number of a wavelength. For example, when the frequency is 2.45 GHz, it may be about 60 mm (1/2 wavelength) and about 30 mm (1/4 wavelength).
また、本発明の回路上に上部基板1100を取りつけ、さらにその上にアンテナを構成してもよい。図11(A)〜(C)にその一例として回路上に基板を取りつけ、らせん状のアンテナ配線1101を配置したものの上面図および断面図を示す。 Further, the
なお、本実施例に示した例はごく一例であり、アンテナの形状を限定するものではない。あらゆる形状のアンテナについて本発明は実施することが可能である。この実施例は実施形態および上記の実施例1〜6のどのような組み合わせからなる構成を用いても実現することができる。 Note that the example shown in this embodiment is just an example, and does not limit the shape of the antenna. The present invention can be implemented with any shape of antenna. This example can be realized by using a configuration including any combination of the embodiment and the above-described Examples 1 to 6.
本実施例では、図12〜14を参照して、TFTを含む薄膜集積回路装置の具体的な作製方法について説明する。ここでは、簡単のため、nチャネル型TFTとpチャネル型TFTを用いたCPUとメモリ部分の断面構造を示すことによって、その作製方法について説明する。 In this embodiment, a specific method for manufacturing a thin film integrated circuit device including a TFT will be described with reference to FIGS. Here, for the sake of simplicity, a manufacturing method will be described by showing a cross-sectional structure of a CPU and a memory portion using an n-channel TFT and a p-channel TFT.
まず、基板60上に、剥離層61を形成する(図12(A))。ここでは、ガラス基板(例えば、コーニング社製1737基板)上に、50nmの膜厚のa−Si膜(非晶質シリコン膜)を減圧CVD法により形成した。なお、基板としては、ガラス基板の他にも、石英基板、アルミナなど絶縁物質で形成される基板、シリコンウエハ基板、後工程の処理温度に耐え得る耐熱性を有するプラスチック基板等を用いることができる。 First, the separation layer 61 is formed over the substrate 60 (FIG. 12A). Here, an a-Si film (amorphous silicon film) having a thickness of 50 nm was formed on a glass substrate (for example, a 1737 substrate manufactured by Corning) by a low pressure CVD method. As the substrate, in addition to a glass substrate, a quartz substrate, a substrate formed of an insulating material such as alumina, a silicon wafer substrate, a plastic substrate having heat resistance that can withstand a processing temperature in a later process, or the like can be used. .
また、剥離層としては、非晶質シリコンの他に、多結晶シリコン、単結晶シリコン、SAS(セミアモルファスシリコン(微結晶シリコン、マイクロクリスタルシリコンともいう。))等、シリコンを主成分とする膜を用いることが望ましいが、これらに限定されるものではない。剥離層は、減圧CVD法の他にも、プラズマCVD法、スパッタ法等によって形成しても良い。また、リンなどの不純物をドープした膜を用いてもよい。また、剥離層の膜厚は、50〜60nmとするのが望ましい。SASに関しては、30〜50nmとしてもよい。 As the separation layer, a film containing silicon as a main component, such as polycrystalline silicon, single crystal silicon, and SAS (semi-amorphous silicon (also referred to as microcrystalline silicon or microcrystalline silicon)) in addition to amorphous silicon. Although it is desirable to use, it is not limited to these. The peeling layer may be formed by a plasma CVD method, a sputtering method, or the like in addition to the low pressure CVD method. Alternatively, a film doped with an impurity such as phosphorus may be used. Further, the thickness of the release layer is desirably 50 to 60 nm. Regarding SAS, it is good also as 30-50 nm.
次に、剥離層61上に、保護膜55(下地膜、下地絶縁膜と呼ぶこともある。)を形成する(図12(A))。ここでは、膜厚100nmのSiOxNy(x>y>0)膜と膜厚50nmのSiNxOy(x>y>0)膜と膜厚100nmのSiOxNy(x>y>0)膜の3層構造としたが、材質、膜厚、積層数は、これに限定されるものではない。例えば、下層のSiOxNy(x>y>0)膜に代えて、膜厚0.5〜3μmのシロキサン等の耐熱性樹脂をスピンコート法、スリットコーター法、液滴吐出法などによって形成しても良い。また、窒化珪素膜(SiNx(x>0)、Si3N4等)を用いてもよい。また、それぞれの膜厚は、0.05〜3μmとするのが望ましく、その範囲から自由に選択することができる。Next, a protective film 55 (also referred to as a base film or a base insulating film) is formed over the separation layer 61 (FIG. 12A). Here, a 100 nm thick SiOx Ny (x>y> 0) film, a 50 nm thick SiNx Oy (x>y> 0) film, and a 100 nm thick SiOx Ny (x>y>) are used. 0) Although the film has a three-layer structure, the material, film thickness, and number of layers are not limited to this. For example, instead of the lower SiOx Ny (x>y> 0) film, a heat-resistant resin such as siloxane having a film thickness of 0.5 to 3 μm is formed by a spin coat method, a slit coater method, a droplet discharge method, or the like. You may do it. Alternatively, a silicon nitride film (SiNx (x> 0), Si3 N4 or the like) may be used. Each film thickness is preferably 0.05 to 3 μm, and can be freely selected from the range.
ここで、酸化珪素膜は、SiH4とO2、TEOS(テトラエトキシシラン)とO2等の混合ガスを用い、熱CVD、プラズマCVD、常圧CVD、バイアスECRCVD等の方法によって形成することができる。また、窒化珪素膜は、代表的には、SiH4とNH3の混合ガスを用い、プラズマCVDによって形成することができる。また、SiOxNy(x>y>0)膜又はSiNxOy(x>y>0)膜は、代表的には、SiH4とN2Oの混合ガスを用い、プラズマCVDによって形成することができる。Here, the silicon oxide film can be formed by a method such as thermal CVD, plasma CVD, atmospheric pressure CVD, or bias ECRCVD using a mixed gas of SiH4 and O2 , TEOS (tetraethoxysilane) and O2, or the like. it can. The silicon nitride film can be typically formed by plasma CVD using a mixed gas of SiH4 and NH3 . In addition, the SiOx Ny (x>y> 0) film or the SiNx Oy (x>y> 0) film is typically formed by plasma CVD using a mixed gas of SiH4 and N2 O. can do.
なお、剥離層61及び後の島状半導体膜57として、a−Si等の珪素を主成分とする材料を用いる場合には、それらに接する保護膜としては、密着性確保の点から、SiOxNy(x>y>0)を用いてもよい。In the case where a material mainly composed of silicon such as a-Si is used for the peeling layer 61 and the subsequent island-like semiconductor film 57, the protective film in contact with them is made of SiOx from the viewpoint of ensuring adhesion. Ny (x>y> 0) may be used.
次に、保護膜55上に、薄膜集積回路装置のCPUやメモリを構成する薄膜トランジスタ(TFT)を形成する。なお、TFT以外にも、有機TFT、薄膜ダイオード等の薄膜能動素子を形成することもできる。 Next, a thin film transistor (TFT) constituting a CPU and a memory of the thin film integrated circuit device is formed on the protective film 55. In addition to TFTs, thin film active elements such as organic TFTs and thin film diodes can also be formed.
TFTの作製方法として、まず、保護膜55上に、島状半導体膜57を形成する(図12(B))。島状半導体膜57は、アモルファス半導体、結晶性半導体、又はセミアモルファス半導体で形成する。いずれも、シリコン、シリコン・ゲルマニウム(SiGe)等を主成分とする半導体膜を用いることができる。 As a method for manufacturing a TFT, first, an island-shaped semiconductor film 57 is formed over the protective film 55 (FIG. 12B). The island-shaped semiconductor film 57 is formed using an amorphous semiconductor, a crystalline semiconductor, or a semi-amorphous semiconductor. In any case, a semiconductor film containing silicon, silicon germanium (SiGe), or the like as a main component can be used.
ここでは、70nmの膜厚のアモルファスシリコンを形成し、さらにその表面をニッケルを含む溶液で処理した。さらに、500〜750℃の熱結晶化工程によって結晶質シリコン半導体膜を得、レーザー結晶化を行って結晶性の改善を施した。また、成膜方法としては、プラズマCVD法、スパッタ法、LPCVD法などを用いても良い。結晶化方法としては、レーザー結晶化法、熱結晶化法、他の触媒(Fe,Ru,Rh,Pd,Os,Ir,Pt,Cu,Au等)を用いた熱結晶化、あるいはそれらを交互に複数回行っても良い。 Here, amorphous silicon having a thickness of 70 nm was formed, and the surface thereof was further treated with a solution containing nickel. Further, a crystalline silicon semiconductor film was obtained by a thermal crystallization process at 500 to 750 ° C., and crystallinity was improved by laser crystallization. Further, as a film formation method, a plasma CVD method, a sputtering method, an LPCVD method, or the like may be used. As the crystallization method, laser crystallization method, thermal crystallization method, thermal crystallization using other catalysts (Fe, Ru, Rh, Pd, Os, Ir, Pt, Cu, Au, etc.), or alternating them You may go multiple times.
また、非晶質構造を有する半導体膜の結晶化処理としては、連続発振のレーザーを用いても良く、結晶化に際し大粒径の結晶を得るためには、連続発振が可能な固体レーザーを用い、基本波の第2高調波〜第4高調波を適用するのが好ましい(この場合の結晶化をCWLCという。)。代表的には、Nd:YVO4レーザー(基本波1064nm)の第2高調波(532nm)や第3高調波(355nm)を適用すればよい。連続発振のレーザーを用いる場合には、出力10Wの連続発振のYVO4レーザーから射出されたレーザー光を非線形光学素子により高調波に変換する。また、共振器の中にYVO4結晶又はGdVO4結晶と非線形光学素子を入れて、高調波を射出する方法もある。そして、好ましくは光学系により照射面にて矩形状または楕円形状のレーザー光に成形して、被処理体に照射する。このときのエネルギー密度は0.01〜100MW/cm2程度(好ましくは0.1〜10MW/cm2)が必要である。そして、10〜2000cm/s程度の速度でレーザー光に対して相対的に半導体膜を移動させて照射すればよい。In addition, a continuous wave laser may be used for the crystallization treatment of the semiconductor film having an amorphous structure, and a solid laser capable of continuous oscillation is used in order to obtain a crystal having a large particle size upon crystallization. It is preferable to apply the second to fourth harmonics of the fundamental wave (the crystallization in this case is referred to as CWLC). Typically, a second harmonic (532 nm) or a third harmonic (355 nm) of an Nd: YVO4 laser (fundamental wave 1064 nm) may be applied. In the case of using a continuous wave laser, laser light emitted from a continuous wave YVO4 laser having an output of 10 W is converted into a harmonic by a non-linear optical element. There is also a method in which a YVO4 crystal or GdVO4 crystal and a non-linear optical element are placed in a resonator to emit harmonics. Preferably, the laser beam is shaped into a rectangular or elliptical shape on the irradiation surface by an optical system, and the object to be processed is irradiated. At this time, the energy density of approximately 0.01 to 100 MW / cm2 (preferably 0.1 to 10 MW / cm2) is required. Then, irradiation may be performed by moving the semiconductor film relative to the laser light at a speed of about 10 to 2000 cm / s.
また、パルス発振のレーザーを用いる場合、通常、数十Hz〜数百Hzの周波数帯を用いるが、それよりも著しく高い10MHz以上の発振周波数を有するパルス発振レーザーを用いてもよい(この場合の結晶化をMHzLCという。)。パルス発振でレーザー光を半導体膜に照射してから半導体膜が完全に固化するまでの時間は数十nsec〜数百nsecと言われているため、上記高周波数帯を用いることで、半導体膜がレーザー光によって溶融してから固化するまでに、次のパルスのレーザー光を照射できる。よって、従来のパルス発振のレーザーを用いる場合と異なり、半導体膜中において固液界面を連続的に移動させることができるので、走査方向に向かって連続的に成長した結晶粒を有する半導体膜が形成される。具体的には、含まれる結晶粒の走査方向における幅が10〜30μm、走査方向に対して垂直な方向における幅が1〜5μm程度の結晶粒の集合を形成することができる。該走査方向に沿って長く延びた単結晶の結晶粒を形成することで、少なくともTFTのチャネル方向には結晶粒界のほとんど存在しない半導体膜の形成が可能となる。 In the case of using a pulsed laser, a frequency band of several tens Hz to several hundreds Hz is usually used, but a pulsed laser having an oscillation frequency of 10 MHz or higher that is significantly higher than that may be used (in this case) Crystallization is referred to as MHzLC). It is said that the time from when the semiconductor film is irradiated with laser light by pulse oscillation until the semiconductor film is completely solidified is said to be several tens of nanoseconds to several hundreds of nanoseconds. The laser light of the next pulse can be irradiated from the time of melting by the laser light until solidification. Therefore, unlike the case of using a conventional pulsed laser, the solid-liquid interface can be moved continuously in the semiconductor film, so that a semiconductor film having crystal grains continuously grown in the scanning direction is formed. Is done. Specifically, a set of crystal grains having a width of 10 to 30 μm in the scanning direction of the included crystal grains and a width of about 1 to 5 μm in a direction perpendicular to the scanning direction can be formed. By forming single crystal grains extending long along the scanning direction, it is possible to form a semiconductor film having almost no crystal grain boundaries in at least the channel direction of the TFT.
なお、保護膜55の一部に耐熱性有機樹脂であるシロキサンを用いた場合には、上記結晶化の際に、半導体膜中から熱が漏れることを防止することができ、効率よく結晶化を行うことができる。 Note that when siloxane which is a heat-resistant organic resin is used as a part of the protective film 55, heat can be prevented from leaking from the semiconductor film during the crystallization, and crystallization can be efficiently performed. It can be carried out.
上記の方法によって結晶性シリコン半導体膜を得る。なお、結晶は、ソース、チャネル、ドレイン方向にそろっていることが望ましい。また、結晶層の厚さは、20〜200nm(代表的には40〜170nm、さらに好ましくは、50〜150nm)となるようにするのがよい。その後、半導体膜上に酸化膜を介して、金属触媒をゲッタリングするためのアモルファスシリコン膜を成膜し、500〜750℃の熱処理によってゲッタリング処理を行った。さらに、TFT素子としての閾値を制御するために、結晶性シリコン半導体膜に対し、1013/cm2程度のドーズ量のホウ素イオンを注入した。その後、レジストをマスクとしてエッチングを行うことにより、島状半導体膜57を形成した。A crystalline silicon semiconductor film is obtained by the above method. Note that the crystals are preferably aligned in the source, channel, and drain directions. The thickness of the crystal layer is preferably 20 to 200 nm (typically 40 to 170 nm, more preferably 50 to 150 nm). Thereafter, an amorphous silicon film for gettering the metal catalyst was formed on the semiconductor film via an oxide film, and gettering treatment was performed by heat treatment at 500 to 750 ° C. Furthermore, in order to control the threshold value as a TFT element, boron ions having a dose of about 1013 / cm2 were implanted into the crystalline silicon semiconductor film. Thereafter, the island-shaped semiconductor film 57 was formed by etching using the resist as a mask.
なお、結晶性半導体膜を形成するにあたっては、ジシラン(Si2H6)とフッ化ゲルマニウム(GeF4)の原料ガスとして、LPCVD(減圧CVD)法によって、多結晶半導体膜を直接形成することによっても、結晶性半導体膜を得ることができる。ガス流量比は、Si2H6/GeF4=20/0.9、成膜温度は400〜500℃、キャリアガスとしてHe又はArを用いたが、これに限定されるものではない。In forming a crystalline semiconductor film, a polycrystalline semiconductor film is directly formed by LPCVD (low pressure CVD) as a source gas of disilane (Si2 H6 ) and germanium fluoride (GeF4 ). Also, a crystalline semiconductor film can be obtained. The gas flow ratio is Si2 H6 / GeF4 = 20 / 0.9, the film forming temperature is 400 to 500 ° C., and He or Ar is used as the carrier gas, but the present invention is not limited to this.
なお、TFT内の特にチャネル領域には、1×1019〜1×1022cm-3、好ましくは1×1019〜5×1020cm-3の水素又はハロゲンが添加されているのがよい。SASに関しては、1×1019〜2×1021cm-3とするのが望ましい。いずれにしても、ICチップに用いられる単結晶に含まれる水素又はハロゲンの含有量よりも多く含有させておくことが望ましい。これにより、TFT部に局部クラックが生じても、水素又はハロゲンによってターミネート(終端)されうる。Note that hydrogen or halogen of 1 × 1019 to 1 × 1022 cm−3 , preferably 1 × 1019 to 5 × 1020 cm−3 is preferably added to the channel region in the TFT. . Regarding SAS, it is desirable to set it as 1 * 10 <19 > -2 * 10 <21 > cm <-3 >. In any case, it is desirable to contain more than the content of hydrogen or halogen contained in the single crystal used for the IC chip. Thereby, even if a local crack occurs in the TFT portion, it can be terminated (terminated) by hydrogen or halogen.
次に、島状半導体膜57上にゲート絶縁膜58を形成する(図12(B))。ゲート絶縁膜はプラズマCVD法又はスパッタリング法などの薄膜形成法を用い、窒化珪素、酸化珪素、窒化酸化珪素又は酸化窒化珪素を含む膜を、単層で、又は積層させて形成することが好ましい。積層する場合には、例えば、基板側から酸化珪素膜、窒化珪素膜、酸化珪素膜の3層構造とするのがよい。 Next, a gate insulating film 58 is formed over the island-shaped semiconductor film 57 (FIG. 12B). The gate insulating film is preferably formed using a thin film formation method such as a plasma CVD method or a sputtering method, and a film containing silicon nitride, silicon oxide, silicon nitride oxide, or silicon oxynitride is formed as a single layer or a stacked layer. In the case of stacking, for example, a three-layer structure of a silicon oxide film, a silicon nitride film, and a silicon oxide film is preferable from the substrate side.
次に、ゲート電極56を形成する(図12(C))。ここでは、SiとW(タングステン)をスパッタ法により積層形成した後に、レジスト62をマスクとしてエッチングを行うことにより、ゲート電極56を形成した。勿論、ゲート電極56の材料、構造、作製方法は、これに限定されるものではなく、適宜選択することができる。例えば、n型不純物がドーピングされたシリコン(Si)とニッケルシリサイド(NiSix、x>0)との積層構造や、窒化タンタル(TaNx、x>0)とタングステン(W)の積層構造としてもよい。また、種々の導電材料を用いて単層で形成しても良い。Next, the gate electrode 56 is formed (FIG. 12C). Here, after the Si and W (tungsten) layers are formed by sputtering, the gate electrode 56 is formed by etching using the resist 62 as a mask. Of course, the material, structure, and manufacturing method of the gate electrode 56 are not limited to this, and can be selected as appropriate. For example, a laminated structure of silicon (Si) doped with n-type impurities and nickel silicide (NiSix , x> 0), or a laminated structure of tantalum nitride (TaNx , x> 0) and tungsten (W) Good. Alternatively, a single layer may be formed using various conductive materials.
また、レジストマスクの代わりに、SiOx(x>0)等のマスクを用いてもよい。この場合、SiOx(x>0)、SiOxNy(x>y>0)等のマスク(ハードマスクと呼ばれる。)の選択的形成工程が加わるが、エッチング時におけるマスクの膜減りがレジストよりも少ないため、所望の幅のゲート電極層を形成することができる。また、レジスト62を用いずに、液滴吐出法を用いて選択的にゲート電極56を形成しても良い。In place of the resist mask, a mask such as SiOx (x> 0) may be used. In this case, a selective process of forming a mask (called a hard mask) such as SiOx (x> 0), SiOx Ny (x>y> 0) is added, but the reduction of the thickness of the mask during etching is resist. Therefore, a gate electrode layer having a desired width can be formed. Alternatively, the gate electrode 56 may be selectively formed by using a droplet discharge method without using the resist 62.
導電材料としては、導電膜の機能に応じて種々の材料を選択することができる。また、ゲート電極とアンテナとを同時に形成する場合には、それらの機能を考慮して材料を選択すればよい。 As the conductive material, various materials can be selected depending on the function of the conductive film. In the case where the gate electrode and the antenna are formed at the same time, materials may be selected in consideration of their functions.
なお、ゲート電極をエッチング形成する際のエッチングガスとしては、CF4、Cl2、O2の混合ガスやCl2ガスを用いたが、これに限定されるものではない。Note that although a mixed gas of CF4 , Cl2 , and O2 or Cl2 gas is used as an etching gas for forming the gate electrode by etching, it is not limited to this.
次に、p型TFT70、72となる部分をレジスト63で覆い、ゲート電極をマスクとして、n型TFT69、71の島状半導体膜中に、n型を付与する不純物元素64(代表的にはP(リン)又はAs(砒素))を低濃度にドープする(第1のドーピング工程、図12(D))。第1のドーピング工程の条件は、ドーズ量:1×1013〜6×1013/cm2、加速電圧:50〜70keVとしたが、これに限定されるものではない。この第1のドーピング工程によって、ゲート絶縁膜58を介してドープがなされ、一対の低濃度不純物領域65が形成される。なお、第1のドーピング工程は、p型TFT領域をレジストで覆わずに、全面に行っても良い。Next, the portions to become the p-type TFTs 70 and 72 are covered with a resist 63, and the gate electrode is used as a mask, and the impurity element 64 (typically P-type) imparting n-type is formed in the island-shaped semiconductor films of the n-type TFTs 69 and 71. (Phosphorus) or As (arsenic)) is doped at a low concentration (first doping step, FIG. 12D). The conditions of the first doping step are a dose of 1 × 1013 to 6 × 1013 / cm2 and an acceleration voltage of 50 to 70 keV, but are not limited thereto. In this first doping step, doping is performed through the gate insulating film 58, and a pair of low-
次に、レジスト63をアッシング等により除去した後、n型TFT領域を覆うレジスト66を新たに形成し、ゲート電極をマスクとして、p型TFT70、72の島状半導体膜中に、p型を付与する不純物元素67(代表的にはB(ホウ素))を高濃度にドープする(第2のドーピング工程、図12(E))。第2のドーピング工程の条件は、ドーズ量:1×1016〜3×1016/cm2、加速電圧:20〜40keVとして行う。この第2のドーピング工程によって、ゲート絶縁膜58を介してドープがなされ、一対のp型の高濃度不純物領域68が形成される。Next, after removing the resist 63 by ashing or the like, a resist 66 covering the n-type TFT region is newly formed, and p-type is imparted to the island-like semiconductor films of the p-type TFTs 70 and 72 using the gate electrode as a mask. The
次に、レジスト66をアッシング等により除去した後、基板表面に、絶縁膜75を形成した(図13(F))。ここでは、膜厚100nmのSiO2膜をプラズマCVD法によって形成した。その後、基板全面をレジスト44で覆い、エッチバック法により、レジスト44、絶縁膜75、ゲート絶縁膜58をエッチング除去し、サイドウォール(側壁)76を自己整合的(セルフアライン)に形成した(図13(G))。エッチングガスとしては、CHF3とHeの混合ガスを用いた。なお、サイドウォールを形成する工程は、これらに限定されるものではない。Next, after the resist 66 was removed by ashing or the like, an insulating film 75 was formed on the substrate surface (FIG. 13F). Here, a SiO2 film having a thickness of 100 nm was formed by a plasma CVD method. Thereafter, the entire surface of the substrate is covered with a resist 44, and the resist 44, the insulating film 75, and the gate insulating film 58 are removed by etching by an etch back method to form a side wall (side wall) 76 in a self-aligned manner (see FIG. 13 (G)). As the etching gas, a mixed gas of CHF3 and He was used. Note that the step of forming the sidewall is not limited to these.
なお、絶縁膜75形成時に基板の裏面にも絶縁膜が形成された場合には、レジスト44をマスクとして、裏面の絶縁膜をエッチング除去する(裏面処理)。 If an insulating film is also formed on the back surface of the substrate when forming the insulating film 75, the insulating film on the back surface is removed by etching using the resist 44 as a mask (back surface processing).
なお、サイドウォール76の形成方法は上記に限定されるものではない。例えば、図14に示した方法を用いることができる。図14(A)は、絶縁膜75を二層又はそれ以上の積層構造とした例を示している。絶縁膜75としては、例えば、膜厚100nmのSiOxNy(x>y>0、酸窒化珪素)膜と、膜厚200nmのLTO膜(Low Temperature Oxide、低温酸化膜)の2層構造とした。ここでは、SiOxNy(x>y>0)膜は、プラズマCVD法で形成し、LTO膜としは、SiO2膜を減圧CVD法で形成した。その後、レジスト44をマスクとしてエッチバックを行うことにより、L字状と円弧状からなるサイドウォール76が形成される。The method for forming the sidewall 76 is not limited to the above. For example, the method shown in FIG. 14 can be used. FIG. 14A shows an example in which the insulating film 75 has a two-layer structure or more. As the insulating film 75, forexample, SiO x N y (x> y> 0, silicon oxynitride) film thickness 100nm and film, and the two-layer structure of the LTO film having a thickness of 200 nm (Low Temperature Oxide, low temperature oxide film) did. Here, the SiOx Ny (x>y> 0) film was formed by the plasma CVD method, and the SiO2 film was formed by the low pressure CVD method as the LTO film. Thereafter, etching back is performed using the resist 44 as a mask, thereby forming a sidewall 76 having an L shape and an arc shape.
また、図14(B)は、エッチバック時に、ゲート絶縁膜58を残すようにエッチングを行った例を示している。この場合の絶縁膜75は、単層構造でも積層構造でも良い。 FIG. 14B shows an example in which etching is performed so as to leave the gate insulating film 58 at the time of etch back. In this case, the insulating film 75 may have a single layer structure or a laminated structure.
上記サイドウォールは、後に高濃度のn型不純物をドーピングし、サイドウォール76の下部に低濃度不純物領域又はノンドープのオフセット領域を形成する際のマスクとして機能するものであるが、上述したサイドウォールのいずれの形成方法においても、形成したい低濃度不純物領域又はオフセット領域の幅によって、エッチバックの条件を適宜変更すればよい。 The sidewall functions as a mask when a high concentration n-type impurity is doped later to form a low concentration impurity region or a non-doped offset region below the sidewall 76. In any of the formation methods, the etch-back conditions may be appropriately changed depending on the width of the low-concentration impurity region or offset region to be formed.
次に、p型TFT領域を覆うレジスト77を新たに形成し、ゲート電極56及びサイドウォール76をマスクとして、n型を付与する不純物元素78(代表的にはP又はAs)を高濃度にドープする(第3のドーピング工程、図13(H))。第3のドーピング工程の条件は、ドーズ量:1×1013〜5×1015/cm2、加速電圧:60〜100keVとして行う。この第3のドーピング工程によって、ゲート絶縁膜58を介してドープがなされ、一対のn型の高濃度不純物領域79が形成される。Next, a resist 77 covering the p-type TFT region is newly formed, and an n-type impurity element 78 (typically P or As) is doped at a high concentration using the gate electrode 56 and the sidewall 76 as a mask. (Third doping step, FIG. 13H). The conditions of the third doping step are a dose amount: 1 × 1013 to 5 × 1015 / cm2 and an acceleration voltage: 60 to 100 keV. In the third doping step, doping is performed through the gate insulating film 58, and a pair of n-type high
なお、レジスト77をアッシング等により除去した後、不純物領域の熱活性化を行っても良い。例えば、50nmのSiOxNy(x>y>0)膜を成膜した後、550℃、4時間、窒素雰囲気下において、加熱処理を行えばよい。また、水素を含むSiNx(x>0)膜を、100nmの膜厚に形成した後、410℃、1時間、窒素雰囲気下において、加熱処理を行うことにより、結晶性半導体膜の欠陥を改善することができる。これは、例えば、結晶性シリコン中に存在するダングリングボンドを終端させるものであり、水素化処理工程などと呼ばれる。さらに、この後、TFTを保護するキャップ絶縁膜として、膜厚600nmのSiOxNy(x>y>0)膜を形成する。なお、水素化処理工程は、該SiOxNy(x>y>0)膜形成後に行っても良い。この場合、SiNx(x>0)膜とSiOxNy(x>y>0)膜は連続成膜することができる。このように、TFT上には、SiOxNy(x>y>0)とSiNx(x>0)とSiOxNy(x>y>0)の3層の絶縁膜が形成されることになるが、その構造や材料はこれらに限定されるものではない。また、これらの絶縁膜は、TFTを保護する機能をも有しているため、できるだけ形成しておくのが望ましい。Note that after removing the resist 77 by ashing or the like, the impurity region may be thermally activated. For example, after a 50 nm SiOx Ny (x>y> 0) film is formed, heat treatment may be performed at 550 ° C. for 4 hours in a nitrogen atmosphere. In addition, after forming a SiNx (x> 0) film containing hydrogen to a thickness of 100 nm, heat treatment is performed in a nitrogen atmosphere at 410 ° C. for 1 hour to improve defects in the crystalline semiconductor film can do. This terminates dangling bonds existing in, for example, crystalline silicon, and is called a hydrogenation process. Thereafter, a SiOx Ny (x>y> 0) film having a thickness of 600 nm is formed as a cap insulating film for protecting the TFT. Note that the hydrogenation process may be performed after the SiOx Ny (x>y> 0) film is formed. In this case, the SiNx (x> 0) film and the SiOx Ny (x>y> 0) film can be continuously formed. As described above, the three-layer insulating film of SiOx Ny (x>y> 0), SiNx (x> 0), and SiOx Ny (x>y> 0) is formed on the TFT. However, the structure and materials are not limited to these. These insulating films also have a function of protecting the TFT, so that it is desirable to form them as much as possible.
次に、TFT上に、層間膜53を形成する(図13(I))。層間膜53としては、ポリイミド、アクリル、ポリアミドや、シロキサン等の耐熱性有機樹脂を用いることができる。形成方法としては、その材料に応じて、スピンコート、ディップ、スプレー塗布、液滴吐出法(インクジェット法、スクリーン印刷、オフセット印刷等)、ドクターナイフ、ロールコーター、カーテンコーター、ナイフコーター等を採用することができる。また、無機材料を用いてもよく、その際には、酸化珪素、窒化珪素、酸窒化珪素、PSG(リンガラス)、BPSG(リンボロンガラス)、アルミナ膜等を用いることができる。なお、これらの絶縁膜を積層させて、層間膜53を形成しても良い。 Next, an interlayer film 53 is formed over the TFT (FIG. 13I). As the interlayer film 53, a heat-resistant organic resin such as polyimide, acrylic, polyamide, or siloxane can be used. As a forming method, a spin coat, dip, spray coating, droplet discharge method (ink jet method, screen printing, offset printing, etc.), doctor knife, roll coater, curtain coater, knife coater, etc. are adopted depending on the material. be able to. In addition, an inorganic material may be used. In that case, silicon oxide, silicon nitride, silicon oxynitride, PSG (phosphorus glass), BPSG (phosphorus boron glass), an alumina film, or the like can be used. Note that the interlayer film 53 may be formed by stacking these insulating films.
さらに、層間膜53上に、保護膜54を形成しても良い。保護膜54としては、DLC(ダイヤモンドライクカーボン)或いは窒化炭素(CN)等の炭素を有する膜、又は、酸化珪素膜、窒化珪素膜或いは窒化酸化珪素膜等を用いることができる。形成方法としては、プラズマCVD法や、大気圧プラズマ等を用いることができる。あるいは、ポリイミド、アクリル、ポリアミド、レジスト又はベンゾシクロブテン等の感光性又は非感光性の有機材料や、シロキサン等の耐熱性有機樹脂を用いてもよい。 Further, a protective film 54 may be formed on the interlayer film 53. As the protective film 54, a film containing carbon such as DLC (diamond-like carbon) or carbon nitride (CN), a silicon oxide film, a silicon nitride film, a silicon nitride oxide film, or the like can be used. As a formation method, a plasma CVD method, an atmospheric pressure plasma, or the like can be used. Alternatively, a photosensitive or non-photosensitive organic material such as polyimide, acrylic, polyamide, resist, or benzocyclobutene, or a heat-resistant organic resin such as siloxane may be used.
なお、層間膜53又は保護膜54と、後に形成される配線を構成する導電材料等との熱膨張率の差から生じる応力によって、これらの膜の膜剥がれや割れが生じるのを防ぐために、層間膜53又は保護膜54中にフィラーを混入させておいても良い。 In order to prevent the film from peeling or cracking of these films due to the stress caused by the difference in thermal expansion coefficient between the interlayer film 53 or the protective film 54 and a conductive material or the like constituting the wiring to be formed later, A filler may be mixed in the film 53 or the protective film 54.
次に、レジストを形成した後、エッチングによりコンタクトホールを開孔し、TFT同士を接続する配線51及び外部アンテナと接続するための接続配線21を形成する(図13(I))。コンタクトホール開孔時のエッチングに用いられるガスは、CHF3とHeの混合ガスを用いたが、これに限定されるものではない。また、配線51と接続配線21は同一材料を用いて同時に形成しても良いし、別々に形成しても良い。ここでは、TFTと接続される配線51は、TiとTiNx(x>0)とAl−SiとTiとTiNx(x>0)の5層構造とし、スパッタ法によって形成した後、選択的にエッチングした。Next, after forming a resist, a contact hole is opened by etching, and a wiring 51 for connecting TFTs and a connection wiring 21 for connecting to an external antenna are formed (FIG. 13I). A gas used for etching when opening the contact hole is a mixed gas of CHF3 and He, but is not limited to this. Moreover, the wiring 51 and the connection wiring 21 may be formed simultaneously using the same material, or may be formed separately. Here, the wiring 51 connected to the TFT has a five-layer structure of Ti, TiNx (x> 0), Al—Si, Ti, and TiNx (x> 0), and is selectively formed after being formed by sputtering. Etched into.
なお、Al層において、Siを混入させることにより、配線を選択的にエッチングする際のレジストベークにおけるヒロックの発生を防止することができる。また、Siの代わりに、0.5%程度のCuを混入させても良い。また、TiやTiNx(x>0)でAl−Si層を挟むことにより、耐ヒロック性がさらに向上する。なお、選択的にエッチングする時には、SiOxNy(x>y>0)等からなる上記ハードマスクを用いるのが望ましい。なお、配線の材料や、形成方法はこれらに限定されるものではなく、前述したゲート電極に用いられる材料を採用しても良い。In addition, by mixing Si in the Al layer, generation of hillocks in resist baking when the wiring is selectively etched can be prevented. Further, instead of Si, about 0.5% Cu may be mixed. Further, the hillock resistance is further improved by sandwiching the Al—Si layer with Ti or TiNx (x> 0). When selectively etching, it is desirable to use the hard mask made of SiOx Ny (x>y> 0) or the like. Note that the wiring material and the formation method are not limited to these, and the material used for the gate electrode described above may be employed.
なお、本実施例では、CPU73、メモリ74等を構成するTFT領域とアンテナと接続する端子部80のみを一体形成する場合について示したが、TFT領域とアンテナとを一体形成する場合にも、本実施例を適用できる。この場合には、層間膜53又は保護膜54上にアンテナを形成し、さらに、別の保護膜で覆うと良い。アンテナの導電材料としては、Ag、Au、Al、Cu、Zn、Sn、Ni、Cr、Fe、Co若しくはTi、又はそれらを含む合金を用いることができるが、これらに限定されるものではない。また、配線とアンテナで材料が異なっていても良い。なお、配線及びアンテナは、展性、延性に富む金属材料を有するように形成し、更に好ましくは膜厚を厚くして変形による応力に耐えるようにするのが望ましい。 In the present embodiment, the case where only the TFT region constituting the CPU 73, the memory 74, etc. and the terminal portion 80 connected to the antenna are integrally formed is shown. However, the present invention can also be applied to the case where the TFT region and the antenna are integrally formed. Embodiments can be applied. In this case, an antenna is preferably formed on the interlayer film 53 or the protective film 54 and further covered with another protective film. As the conductive material of the antenna, Ag, Au, Al, Cu, Zn, Sn, Ni, Cr, Fe, Co, or Ti, or an alloy containing them can be used, but is not limited thereto. Further, the material may be different between the wiring and the antenna. Note that the wiring and the antenna are preferably formed so as to have a metal material having excellent malleability and ductility, and more preferably, the wiring and the antenna are made thick to withstand stress due to deformation.
また、形成方法としては、スパッタ法によって全面成膜した後、レジストマスクを用いて選択的にエッチングを行ってもよいし、液滴吐出法によってノズルから選択的に形成しても良い。なお、ここでいう液滴吐出法には、インクジェット法のみならず、オフセット印刷法やスクリーン印刷等も含まれる。配線とアンテナは、同時に形成しても良いし、一方を先に形成した後に、他方が乗り上げるように形成しても良い。 As a formation method, after forming a film on the entire surface by a sputtering method, etching may be selectively performed using a resist mask, or may be selectively formed from a nozzle by a droplet discharge method. Note that the droplet discharge method here includes not only an inkjet method but also an offset printing method and a screen printing. The wiring and the antenna may be formed at the same time, or may be formed so that the other rides on after forming one first.
以上の工程を経て、TFTからなる薄膜集積回路装置が完成する。なお、本実施例では、トップゲート構造としたが、ボトムゲート構造(逆スタガ構造)としてもよい。なお、TFTのような薄膜能動素子部(アクティブエレメント)の存在しない領域には、下地絶縁膜材料、層間絶縁膜材料、配線材料が主として設けられているが、該領域は、薄膜集積回路装置全体の50%以上、好ましくは70〜95%を占めていることが望ましい。これにより、IDチップを曲げやすくし、IDラベル等の完成品の取り扱いが容易となる。この場合、TFT部を含むアクティブエレメントの島状半導体領域(アイランド)は、薄膜集積回路装置全体の1〜30%、好ましくは、5〜15%を占めているのがよい。 Through the above steps, a thin film integrated circuit device composed of TFTs is completed. Although the top gate structure is used in this embodiment, a bottom gate structure (reverse stagger structure) may be used. Note that a base insulating film material, an interlayer insulating film material, and a wiring material are mainly provided in a region where a thin film active element portion (active element) such as a TFT does not exist, and this region is the entire thin film integrated circuit device. It is desirable to occupy 50% or more, preferably 70 to 95%. This makes it easy to bend the ID chip and facilitates handling of finished products such as ID labels. In this case, the island-shaped semiconductor region (island) of the active element including the TFT portion occupies 1 to 30%, preferably 5 to 15% of the entire thin film integrated circuit device.
また、図13(I)に示すように、薄膜集積回路装置におけるTFTの半導体層から下部の保護層までの距離(tunder)と、半導体層から上部の層間膜(保護層が形成されている場合には該保護層)までの距離(tover)が、等しく又は概略等しくなるように、上下の保護層又は層間膜の厚さを調整するのが望ましい。このようにして、半導体層を薄膜集積回路装置の中央に配置せしめることで、半導体層への応力を緩和することができ、クラックの発生を防止することができる。Further, as shown in FIG.13I , the distance (tunder ) from the semiconductor layer of the TFT to the lower protective layer in the thin film integrated circuit device, and the upper interlayer film (protective layer is formed from the semiconductor layer). In some cases, it is desirable to adjust the thicknesses of the upper and lower protective layers or interlayer films so that the distance (tover ) to the protective layer is equal or approximately equal. In this manner, by placing the semiconductor layer in the center of the thin film integrated circuit device, the stress on the semiconductor layer can be relaxed and the occurrence of cracks can be prevented.
以上の様に、本発明の適用範囲は極めて広く、センシングされた情報を発信する無線チップとして適用することが可能である。また、本発明は実施形態、実施例1〜8のどのような組み合わせからなる構成を用いても実現することができる。 As described above, the applicable range of the present invention is extremely wide, and can be applied as a wireless chip that transmits sensed information. Moreover, this invention is realizable even if it uses the structure which consists of what combination of embodiment and Example 1-8.
21 接続配線
44 レジスト
51 配線
53 層間膜
54 保護膜
55 保護膜
56 ゲート電極
57 島状半導体膜
58 ゲート絶縁膜
60 基板
61 剥離層
62 レジスト
63 レジスト
64 不純物元素
65 低濃度不純物領域
66 レジスト
67 不純物元素
68 p型の高濃度不純物領域
69 n型TFT
70 p型TFT
71 n型TFT
72 p型TFT
73 CPU
74 メモリ
75 絶縁膜
76 サイドウォール
77 レジスト
78 不純物元素
79 n型の高濃度不純物領域
80 端子部
100 半導体装置
101 アンテナ回路
102 アンプ
103 命令解析論理回路
104 復調回路
105 変調回路
106 アンプ
107 論理回路
108 センサ回路
109 安定電源回路
110 整流回路
201 無線チップ
202 質問器
301 アンテナコイル
302 同調容量
303 ダイオード
304 ダイオード
305 平滑容量
400 半導体装置
401 アンテナ回路
402 アンプ
403 命令解析論理回路
404 復調回路
405 変調回路
406 アンプ
407 論理回路
408 センサ回路
409 バッテリー
410 メモリ回路
500 半導体装置
501 アンテナ回路
502 アンプ
503 命令解析論理回路
504 復調回路
505 変調回路
506 アンプ
507 論理回路
508 圧力センサ回路
509 安定電源回路
510 整流回路
600 処理順序
601 受信
602 命令解析
603 メモリ読み出し
604 変調
605 送信
700 処理順序
701 受信
702 命令解析
703 変調
704 送信
801 半導体抵抗
802 半導体抵抗
803 半導体抵抗
804 半導体抵抗
805 差動アンプ
806 電源端子
807 電源端子
808 出力端子
900 曲面
901 電流方向
902 ドレイン電極
903 ゲート電極
904 ソース電極
1000 基板
1001 アンテナ
1002 回路
1003 基板
1004 アンテナ
1005 回路
1006 基板
1007 アンテナ
1008 回路
1009 基板
1010 アンテナ
1011 回路
1012 基板
1013 アンテナ
1014 回路
1100 上部基板
1101 アンテナ配線
2301 フレキシブル保護層
2302 無線チップ
2303 フレキシブル保護層
2304 アンテナ
3000 基板
3001 下地膜
3002 下地膜
3003 半導体層
3004 半導体層
3005 半導体層
3006 ゲート絶縁膜
3007 第1の導電層
3008 第1の導電層
3009 第1の導電層
3010 第2のゲート絶縁膜
3011 第2の導電層
3012 第2の導電層
3013 第2の導電層
3014 第1の不純物領域
3015 第1の不純物領域
3016 第2の不純物領域
3017 第2の不純物領域
3018 第3の不純物領域
3019 第3の不純物領域
3020 サイドウォール
3021 サイドウォール
3022 第4の不純物領域
3023 第4の不純物領域
3024 第1の層間絶縁膜
3025 第2の層間絶縁膜
3026 電極
3027 電極
3028 電極
3029 電極
3030 電極
3100 メモリ部
3101 記憶素子
3102 論理回路部
3103 nチャネル型TFT
3104 pチャネル型TFT
4000 剥離層
4001 第3の層間絶縁膜
4002 パッド
4003 パッド
4004 パッド
4005 パッド
4006 保護層
4007 溝
4008 接着剤
4009 支持体
21 connection wiring 44 resist 51 wiring 53 interlayer film 54 protective film 55 protective film 56 gate electrode 57 island-like semiconductor film 58
70 p-type TFT
71 n-type TFT
72 p-type TFT
73 CPU
74 Memory 75 Insulating film 76 Side wall 77 Resist 78 Impurity element 79 n-type high-concentration impurity region 80 Terminal portion 100 Semiconductor device 101 Antenna circuit 102 Amplifier 103 Instruction analysis logic circuit 104 Demodulation circuit 105 Modulation circuit 106 Amplifier 107 Logic circuit 108 Sensor Circuit 109 Stable power supply circuit 110 Rectifier circuit 201 Wireless chip 202 Interrogator 301 Antenna coil 302 Tuning capacitor 303 Diode 304 Diode 305 Smoothing capacitor 400 Semiconductor device 401 Antenna circuit 402 Amplifier 403 Instruction analysis logic circuit 404 Demodulation circuit 405 Modulation circuit 406 Amplifier 407 Logic Circuit 408 Sensor circuit 409 Battery 410 Memory circuit 500 Semiconductor device 501 Antenna circuit 502 Amplifier 503 Instruction analysis logic circuit 504 Demodulation circuit 505 Change Circuit 506 Amplifier 507 Logic circuit 508 Pressure sensor circuit 509 Stable power supply circuit 510 Rectifier circuit 600 Processing order 601 Reception 602 Instruction analysis 603 Memory read 604 Modulation 605 Transmission 700 Processing order 701 Reception 702 Instruction analysis 703 Modulation 704 Transmission 801 Semiconductor resistance 802 Semiconductor resistance 803 Semiconductor resistor 804 Semiconductor resistor 805 Differential amplifier 806 Power terminal 807 Power terminal 808 Output terminal 900 Curved surface 901 Current direction 902 Drain electrode 903 Gate electrode 904 Source electrode 1000 Substrate 1001 Antenna 1002 Circuit 1003 Substrate 1004 Antenna 1005 Circuit 1006 Substrate 1007 Antenna 1008 Circuit 1009 Board 1010 Antenna 1011 Circuit 1012 Board 1013 Antenna 1014 Circuit 1100 Upper board 11 1 antenna wiring 2301 flexible protective layer 2302 wireless chip 2303 flexible protective layer 2304 antenna 3000 substrate 3001 base film 3002 base film 3003 semiconductor layer 3004 semiconductor layer 3005 semiconductor layer 3006 gate insulating film 3007 first conductive layer 3008 first conductive layer 3009 First conductive layer 3010 Second gate insulating film 3011 Second conductive layer 3012 Second conductive layer 3013 Second conductive layer 3014 First impurity region 3015 First impurity region 3016 Second impurity region 3017 Second impurity region 3018 Third impurity region 3019 Third impurity region 3020 Side wall 3021 Side wall 3022 Fourth impurity region 3023 Fourth impurity region 3024 First interlayer insulating film 3025 Second interlayer insulating film 302 Electrodes 3027 electrodes 3028 electrodes 3029 electrodes 3030 electrodes 3100 memory unit 3101 storage elements 3102 logic circuit portion 3103 n-channel type TFT
3104 p-channel TFT
4000
| Application Number | Priority Date | Filing Date | Title |
|---|---|---|---|
| JP2005254948AJP4801398B2 (en) | 2004-09-03 | 2005-09-02 | Health information collection system |
| Application Number | Priority Date | Filing Date | Title |
|---|---|---|---|
| JP2004257646 | 2004-09-03 | ||
| JP2004257646 | 2004-09-03 | ||
| JP2005254948AJP4801398B2 (en) | 2004-09-03 | 2005-09-02 | Health information collection system |
| Publication Number | Publication Date |
|---|---|
| JP2006099757Atrue JP2006099757A (en) | 2006-04-13 |
| JP2006099757A5 JP2006099757A5 (en) | 2008-08-07 |
| JP4801398B2 JP4801398B2 (en) | 2011-10-26 |
| Application Number | Title | Priority Date | Filing Date |
|---|---|---|---|
| JP2005254948AExpired - Fee RelatedJP4801398B2 (en) | 2004-09-03 | 2005-09-02 | Health information collection system |
| Country | Link |
|---|---|
| JP (1) | JP4801398B2 (en) |
| Publication number | Priority date | Publication date | Assignee | Title |
|---|---|---|---|---|
| JP2008109847A (en)* | 2006-09-28 | 2008-05-08 | Semiconductor Energy Lab Co Ltd | Wireless sensing device |
| JP2009535699A (en)* | 2006-04-25 | 2009-10-01 | ブリヂストン・フアイヤーストーン・ノース・アメリカン・タイヤ・エルエルシー | Elastomer articles with wireless micro / nano sensors |
| JP2009247493A (en)* | 2008-04-03 | 2009-10-29 | Olympus Medical Systems Corp | Receiving apparatus for capsule medical apparatus |
| JP2011512915A (en)* | 2008-02-28 | 2011-04-28 | ラウメディック アーゲー | Sensor device for patient data detection |
| US8286473B2 (en) | 2006-04-25 | 2012-10-16 | Bridgestone Americas Tire Operations, Llc | Air spring having wireless micro and nano sensors |
| Publication number | Priority date | Publication date | Assignee | Title |
|---|---|---|---|---|
| JPH08507698A (en)* | 1992-08-31 | 1996-08-20 | リポマトリクス インコーポレイテッド | Medical information transponders and implants |
| JP2000506410A (en)* | 1996-03-13 | 2000-05-30 | リポマトリクス インコーポレイテッド | Implantable biosensing transponder |
| Publication number | Priority date | Publication date | Assignee | Title |
|---|---|---|---|---|
| JPH08507698A (en)* | 1992-08-31 | 1996-08-20 | リポマトリクス インコーポレイテッド | Medical information transponders and implants |
| JP2000506410A (en)* | 1996-03-13 | 2000-05-30 | リポマトリクス インコーポレイテッド | Implantable biosensing transponder |
| Publication number | Priority date | Publication date | Assignee | Title |
|---|---|---|---|---|
| US8286473B2 (en) | 2006-04-25 | 2012-10-16 | Bridgestone Americas Tire Operations, Llc | Air spring having wireless micro and nano sensors |
| JP2009535699A (en)* | 2006-04-25 | 2009-10-01 | ブリヂストン・フアイヤーストーン・ノース・アメリカン・タイヤ・エルエルシー | Elastomer articles with wireless micro / nano sensors |
| US8508360B2 (en) | 2006-09-28 | 2013-08-13 | Semiconductor Energy Laboratory Co., Ltd. | Wireless sensor device |
| JP2018174697A (en)* | 2006-09-28 | 2018-11-08 | 株式会社半導体エネルギー研究所 | Wireless sensing device |
| US7965180B2 (en) | 2006-09-28 | 2011-06-21 | Semiconductor Energy Laboratory Co., Ltd. | Wireless sensor device |
| US8242903B2 (en) | 2006-09-28 | 2012-08-14 | Semiconductor Energy Laboratory Co., Ltd. | Wireless sensor device |
| JP2023099678A (en)* | 2006-09-28 | 2023-07-13 | 株式会社半導体エネルギー研究所 | Radio sensing device |
| JP2013042657A (en)* | 2006-09-28 | 2013-02-28 | Semiconductor Energy Lab Co Ltd | Radio sensing device |
| JP2008109847A (en)* | 2006-09-28 | 2008-05-08 | Semiconductor Energy Lab Co Ltd | Wireless sensing device |
| JP2016048559A (en)* | 2006-09-28 | 2016-04-07 | 株式会社半導体エネルギー研究所 | Wireless sensing device |
| US9485883B2 (en) | 2006-09-28 | 2016-11-01 | Semiconductor Energy Laboratory Co., Ltd. | Wireless sensor device |
| JP2017196423A (en)* | 2006-09-28 | 2017-11-02 | 株式会社半導体エネルギー研究所 | Radio sensing device |
| US11317806B2 (en) | 2006-09-28 | 2022-05-03 | Semiconductor Energy Laboratory Co., Ltd. | Wireless sensor device |
| US10148301B2 (en) | 2006-09-28 | 2018-12-04 | Semiconductor Energy Laboratory Co., Ltd. | Wireless sensor device |
| US10587297B2 (en) | 2006-09-28 | 2020-03-10 | Semiconductor Energy Laboratory Co., Ltd. | Wireless sensor device |
| US11006832B2 (en) | 2006-09-28 | 2021-05-18 | Semiconductor Energy Laboratory Co., Ltd. | Wireless sensor device |
| JP2011512915A (en)* | 2008-02-28 | 2011-04-28 | ラウメディック アーゲー | Sensor device for patient data detection |
| JP2009247493A (en)* | 2008-04-03 | 2009-10-29 | Olympus Medical Systems Corp | Receiving apparatus for capsule medical apparatus |
| Publication number | Publication date |
|---|---|
| JP4801398B2 (en) | 2011-10-26 |
| Publication | Publication Date | Title |
|---|---|---|
| US9450290B2 (en) | Health data collecting system and semiconductor device | |
| US11006832B2 (en) | Wireless sensor device | |
| US8362657B2 (en) | Wireless chip | |
| US8030132B2 (en) | Manufacturing method of semiconductor device including peeling step | |
| KR101416876B1 (en) | Semiconductor device and method for manufacturing the same | |
| TWI411062B (en) | Semiconductor device manufacturing method and semiconductor device and electronic device | |
| JP2005204493A (en) | Semiconductor device and driving method therefor | |
| JP4801398B2 (en) | Health information collection system | |
| JP5411456B2 (en) | Semiconductor device | |
| JP2006121060A (en) | Semiconductor device and its fabrication process, and electronic apparatus | |
| JP4912586B2 (en) | Method for manufacturing thin film integrated circuit device | |
| JP4749102B2 (en) | Method for manufacturing semiconductor device | |
| JP5008266B2 (en) | Method for manufacturing semiconductor device |
| Date | Code | Title | Description |
|---|---|---|---|
| A521 | Request for written amendment filed | Free format text:JAPANESE INTERMEDIATE CODE: A523 Effective date:20080625 | |
| A621 | Written request for application examination | Free format text:JAPANESE INTERMEDIATE CODE: A621 Effective date:20080625 | |
| A131 | Notification of reasons for refusal | Free format text:JAPANESE INTERMEDIATE CODE: A131 Effective date:20110517 | |
| A521 | Request for written amendment filed | Free format text:JAPANESE INTERMEDIATE CODE: A523 Effective date:20110616 | |
| TRDD | Decision of grant or rejection written | ||
| A01 | Written decision to grant a patent or to grant a registration (utility model) | Free format text:JAPANESE INTERMEDIATE CODE: A01 Effective date:20110802 | |
| A01 | Written decision to grant a patent or to grant a registration (utility model) | Free format text:JAPANESE INTERMEDIATE CODE: A01 | |
| A61 | First payment of annual fees (during grant procedure) | Free format text:JAPANESE INTERMEDIATE CODE: A61 Effective date:20110805 | |
| FPAY | Renewal fee payment (event date is renewal date of database) | Free format text:PAYMENT UNTIL: 20140812 Year of fee payment:3 | |
| R150 | Certificate of patent or registration of utility model | Free format text:JAPANESE INTERMEDIATE CODE: R150 | |
| FPAY | Renewal fee payment (event date is renewal date of database) | Free format text:PAYMENT UNTIL: 20140812 Year of fee payment:3 | |
| R250 | Receipt of annual fees | Free format text:JAPANESE INTERMEDIATE CODE: R250 | |
| R250 | Receipt of annual fees | Free format text:JAPANESE INTERMEDIATE CODE: R250 | |
| R250 | Receipt of annual fees | Free format text:JAPANESE INTERMEDIATE CODE: R250 | |
| R250 | Receipt of annual fees | Free format text:JAPANESE INTERMEDIATE CODE: R250 | |
| LAPS | Cancellation because of no payment of annual fees |