








本発明は、例えば液晶パネル用の電源等に使用され、入力直流電圧に基づいて任意の出力直流電圧に変換するDC−DCコンバータに関するものである。 The present invention relates to a DC-DC converter that is used in, for example, a power source for a liquid crystal panel and converts it into an arbitrary output DC voltage based on an input DC voltage.
従来、この種のDC−DCコンバータの例としては、チャージポンプ型のDC−DCコンバータが知られている(例えば、特許文献1参照)。
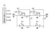
また、従来の他の1段チャージポンプ型のDC−DCコンバータの一例としては、図6に示すものが知られている。
このDC−DCコンバータは、図6に示すように、2種類のコンデンサC1、C2と、その間を繋ぐスイッチング用のMOSトランジスタSW1〜SW4と、レベルシフタLS1、LS2と、タイミング信号生成回路TG1とで構成される。Conventionally, a charge pump type DC-DC converter is known as an example of this type of DC-DC converter (see, for example, Patent Document 1).
Further, as an example of another conventional one-stage charge pump type DC-DC converter, the one shown in FIG. 6 is known.
As shown in FIG. 6, the DC-DC converter includes two types of capacitors C1 and C2, switching MOS transistors SW1 to SW4 connecting the capacitors, level shifters LS1 and LS2, and a timing signal generation circuit TG1. Is done.
コンデンサC1は電荷転送用コンデンサであり、コンデンサC2は平滑用コンデンサである。また、MOSトランジスタSW1,SW2,SW3はP型のMOSトランジスタからなり、MOSトランジスタSW4はN型のMOSトランジスタからなる。
このDC−DCコンバータは、タイミング信号生成回路TG1から出力される信号によって、MOSトランジスタSW1〜SW4をオンオフ制御する。そして、そのオンオフ制御により、コンデンサC1からコンデンサC2に電荷を転送して電圧変換し、入力電圧をVDDとすると、理想的には2VDDの出力電圧を得ることができる。The capacitor C1 is a charge transfer capacitor, and the capacitor C2 is a smoothing capacitor. The MOS transistors SW1, SW2, and SW3 are P-type MOS transistors, and the MOS transistor SW4 is an N-type MOS transistor.
This DC-DC converter controls the MOS transistors SW1 to SW4 on and off by a signal output from the timing signal generation circuit TG1. Then, by the on / off control, electric charge is transferred from the capacitor C1 to the capacitor C2, voltage conversion is performed, and when the input voltage is VDD, an output voltage of 2VDD can be ideally obtained.
MOSトランジスタSW3,SW4は、入力電圧VDDでオンオフ制御可能であり、入力電圧VDDの耐性がある低耐圧用MOSトランジスタを用いることが出来る。しかし、最大出力電圧2VDDが低耐圧用MOSトランジスタの耐性電圧よりも高くなる場合には、MOSトランジスタSW1,SW2は出力電圧の耐性がある高耐圧用MOSトランジスタを用いる必要がある。
また、MOSトランジスタSW1,SW2は、出力電圧VOUTによってオンオフ制御する必要があるため、タイミング信号生成回路TG1から出力された信号を、図7に示すような、レベルシフタLS1,LS2によって電圧をレベルシフトさせて制御する。The MOS transistors SW3 and SW4 can be controlled to be turned on / off by the input voltage VDD, and low-voltage MOS transistors having resistance to the input voltage VDD can be used. However, when the maximum output voltage 2VDD is higher than the withstand voltage of the low withstand voltage MOS transistor, the MOS transistors SW1 and SW2 need to use high withstand voltage MOS transistors with output voltage tolerance.
Since the MOS transistors SW1 and SW2 need to be turned on / off by the output voltage VOUT, the level of the signal output from the timing signal generation circuit TG1 is shifted by the level shifters LS1 and LS2 as shown in FIG. Control.
このレベルシフタは、図7に示すように、入力電圧VDDレベルの信号を出力電圧VOUTレベルの信号に変換するMOSトランジスタL1〜L4と、大きな出力電流を流せるようにするMOSトランジスタL5,L6とからなる。
ここで、MOSトランジスタL1,L3,L5はP型のMOSトランジスタからなり、MOSトランジスタL2,L4,L6はN型のMOSトランジスタからなる。また、MOSトランジスタL1〜L6は、出力電圧の耐性がある高耐圧用MOSトランジスタが用いられる。As shown in FIG. 7, the level shifter includes MOS transistors L1 to L4 that convert a signal at an input voltage VDD level to a signal at an output voltage VOUT level, and MOS transistors L5 and L6 that allow a large output current to flow. .
Here, the MOS transistors L1, L3, and L5 are P-type MOS transistors, and the MOS transistors L2, L4, and L6 are N-type MOS transistors. Further, as the MOS transistors L1 to L6, high voltage MOS transistors having output voltage tolerance are used.
次に、このような構成からなる従来のDC−DCコンバータの動作について、図6および図8などを参照して説明する。
図6に示すタイミング信号生成回路TG1は、コンデンサC2からコンデンサC1に向かって流れる逆電流を防止するために、ノーオーバーラップ・クロックであるタイミング信号Φ1、Φ2とそれを反転させたタイミング信号Φ1B、Φ2Bとを、それぞれ生成する。
タイミング信号Φ1は、MOSトランジスタSW4の制御信号(オンオフ制御信号)となる。さらに、タイミング信号Φ1、Φ1Bは、レベルシフタLS1に入力されて電圧がレベルシフトされて、MOSトランジスタSW1の制御信号ΦSW1となる。Next, the operation of the conventional DC-DC converter having such a configuration will be described with reference to FIGS.
The timing signal generation circuit TG1 shown in FIG. 6 includes timing signals Φ1 and Φ2 that are no overlap clocks and a timing signal Φ1B obtained by inverting the timing signals to prevent a reverse current flowing from the capacitor C2 toward the capacitor C1. Φ2B is generated respectively.
The timing signal Φ1 becomes a control signal (ON / OFF control signal) for the MOS transistor SW4. Further, the timing signals Φ1 and Φ1B are input to the level shifter LS1, and the voltage is level-shifted to become the control signal ΦSW1 of the MOS transistor SW1.
また、タイミング信号Φ2は、MOSトランジスタSW3の制御信号となる。さらに、タイミング信号Φ2、Φ2Bは、レベルシフタLS2に入力されて電圧がレベルシフトされて、MOSトランジスタSW2の制御信号ΦSW2となる。
このような各制御信号Φ1、Φ2、ΦSW1、ΦSW2は、各MOSトランジスタの各ゲートに供給され、これにより、各MOSトランジスタがオンオフ制御される。この各制御信号Φ1、Φ2、ΦSW1、ΦSW2の波形例は、図8に示すようになる。The timing signal Φ2 is a control signal for the MOS transistor SW3. Further, the timing signals Φ2 and Φ2B are input to the level shifter LS2 and the voltage is level-shifted to become the control signal ΦSW2 for the MOS transistor SW2.
Such control signals Φ1, Φ2, ΦSW1, and ΦSW2 are supplied to the gates of the MOS transistors, whereby the MOS transistors are turned on and off. A waveform example of each of the control signals Φ1, Φ2, ΦSW1, and ΦSW2 is as shown in FIG.
次に、制御信号Φ1、Φ2、ΦSW1、ΦSW2による、各MOSトランジスタのオンオフ制御動作の具体例について、図8を参照して説明する。
図8に示す期間T1’では、MOSトランジスタSW1,SW4がオンし、MOSトランジスタSW2,SW3がオフした状態になる。このとき、コンデンサC1は入力電圧VDDにより充電され、コンデンサC1の一端側の電位VC1+は図8(B)に示すようにVDDとなり、コンデンサC1の他端側の電位VC1−は図8(C)に示すようにVSSとなる。Next, a specific example of the on / off control operation of each MOS transistor by the control signals Φ1, Φ2, ΦSW1, and ΦSW2 will be described with reference to FIG.
In the period T1 ′ shown in FIG. 8, the MOS transistors SW1 and SW4 are turned on and the MOS transistors SW2 and SW3 are turned off. At this time, the capacitor C1 is charged by the input voltage VDD, the potential VC1 + on one end side of the capacitor C1 becomes VDD as shown in FIG. 8B, and the potential VC1- on the other end side of the capacitor C1 is shown in FIG. As shown in FIG.
出力電圧VOUTがコンデンサC1の一端側の電位VC1+に昇圧するまでの初期状態の場合には、MOSトランジスタSW2はP型のMOSトランジスタであるので、そのドレイン−ウェル間のPN接合が順バイアスになる。このため、出力電圧VOUTは、コンデンサC1の一端側の電位VC1+から、そのPN接合のダイオードの順方向電圧の分だけ降下した電位になる。出力電圧VOUTがコンデンサC1の一端側の電位VC1+のVDD以上に昇圧した後は、コンデンサC1とコンデンサC2の間で電荷の移動がなくなり、電圧は変化しない。 In the initial state until the output voltage VOUT is boosted to the potential VC1 + on one end side of the capacitor C1, since the MOS transistor SW2 is a P-type MOS transistor, the PN junction between its drain and well becomes a forward bias. . For this reason, the output voltage VOUT is a potential that is lowered from the potential VC1 + on one end side of the capacitor C1 by the forward voltage of the diode of the PN junction. After the output voltage VOUT is boosted above the VDD of the potential VC1 + on one end side of the capacitor C1, there is no charge movement between the capacitor C1 and the capacitor C2, and the voltage does not change.
一方、図8に示す期間T2’では、MOSトランジスタSW2,SW3がオンし、MOSトランジスタSW1,SW4がオフした状態になる。このとき、コンデンサC1の他端側の電位VC1−は、入力電圧VDDとなる。これに対して、コンデンサC1の一端側の電位VC1+は、コンデンサC1の充電電圧VDDと電位VC1−(VDD)との和の電圧2VDDとなる。これと同時に、コンデンサC1の電荷がコンデンサC2に移動し、出力電圧VOUTは、2VDDとなる。 On the other hand, in the period T2 'shown in FIG. 8, the MOS transistors SW2 and SW3 are turned on and the MOS transistors SW1 and SW4 are turned off. At this time, the potential VC1- on the other end side of the capacitor C1 becomes the input voltage VDD. On the other hand, the potential VC1 + on the one end side of the capacitor C1 is a voltage 2VDD which is the sum of the charging voltage VDD of the capacitor C1 and the potential VC1- (VDD). At the same time, the charge of the capacitor C1 moves to the capacitor C2, and the output voltage VOUT becomes 2VDD.
このように、期間T1’と期間T2’の動作を繰り返すことにより、MOSトランジスタ等の抵抗を無視すると、出力電圧VOUTは入力電圧VDDの2倍の電圧(2VDD)まで昇圧する。また、図8に示す期間T0’では、MOSトランジスタSW1〜SW4がオフした状態になり、コンデンサC1とコンデンサC2の間で電荷の移動がなくなる。そのため、期間T1’と期間T2’が切り替わる時には、コンデンサC2からコンデンサC1へ向かって逆電流が流れなくなり、電力変換効率は低下しない。 In this manner, by repeating the operations in the period T1 'and the period T2', the output voltage VOUT is boosted to a voltage (2VDD) that is twice the input voltage VDD when the resistance of the MOS transistor or the like is ignored. Further, in the period T0 'shown in FIG. 8, the MOS transistors SW1 to SW4 are turned off, and charge transfer between the capacitors C1 and C2 is eliminated. Therefore, when the period T1 'and the period T2' are switched, no reverse current flows from the capacitor C2 toward the capacitor C1, and the power conversion efficiency does not decrease.
次に、出力電圧が2VDDに昇圧した後について、出力に定電流IOUTが流れる場合の説明をする。
図8に示す期間T1では、期間T1’と同じ制御状態であり、また、出力電圧VOUTがVC1+の電位VDDよりも高いので、コンデンサC1とコンデンサC2との間で電荷の移動がなくなる。出力電圧VOUTは、出力電流としてコンデンサC2に蓄えられた電荷が減った分、2VDDから低下する(図8参照)。Next, the case where the constant current IOUT flows through the output after the output voltage has been boosted to 2VDD will be described.
In the period T1 shown in FIG. 8, since the control state is the same as that in the period T1 ′, and the output voltage VOUT is higher than the potential VDD of VC1 +, no charge is transferred between the capacitor C1 and the capacitor C2. The output voltage VOUT decreases from 2VDD due to the decrease in the charge stored in the capacitor C2 as the output current (see FIG. 8).
さらに、図8に示す期間T2では、期間T2’と同じ制御状態であり、コンデンサC1からコンデンサC2へ電荷が移動し、出力電圧は2VDDに昇圧する。これと同時に、出力電流として流れ出る電荷もコンデンサC1から移動する。
このような期間T1と期間T2の動作を繰り返し、出力電圧は2VDDから一定の電圧降下を繰り返したまま安定する。また、図8に示す期間T0では、スイッチMOS トランジスタSW1〜SW4がオフした状態になり、コンデンサC1とコンデンサC2の間で電荷の移動がなくなる。そのため、期間T1’と期間T2’が切り替わる時に、コンデンサC2からコンデンサC1へ向かって逆電流が流れなくなり、電力変換効率が低下しない。Further, in the period T2 shown in FIG. 8, the control state is the same as that in the period T2 ′, the charge moves from the capacitor C1 to the capacitor C2, and the output voltage is boosted to 2VDD. At the same time, the electric charge flowing out as the output current also moves from the capacitor C1.
Such operations in the period T1 and the period T2 are repeated, and the output voltage is stabilized with a constant voltage drop from 2VDD. Further, in the period T0 shown in FIG. 8, the switch MOS transistors SW1 to SW4 are turned off, and charge transfer between the capacitors C1 and C2 is eliminated. Therefore, when the period T1 ′ and the period T2 ′ are switched, no reverse current flows from the capacitor C2 toward the capacitor C1, and the power conversion efficiency does not decrease.
この回路の入力電流は、入力電圧VDDからの電流とタイミング信号生成回路から供給される電流であり、安定状態において出力電流IOUTが流れる場合、回路内に流れる電流について、図8、図9を参照して説明する。
期間T1では、寄生容量への充放電電流を無視すると、図9の実線矢印の方向に2IOUTの平均電流が流れ、コンデンサC1に電荷が充電される。これと同時に、コンデンサC2に蓄えられていた電荷が放電し、出力電流IOUTが流れる。The input current of this circuit is the current from the input voltage VDD and the current supplied from the timing signal generation circuit. When the output current IOUT flows in a stable state, refer to FIGS. 8 and 9 for the current flowing in the circuit. To explain.
In the period T1, if the charge / discharge current to the parasitic capacitance is ignored, an average current of 2IOUT flows in the direction of the solid line arrow in FIG. 9, and the capacitor C1 is charged. At the same time, the charge stored in the capacitor C2 is discharged, and the output current IOUT flows.
一方、期間T2では、寄生容量への充放電電流を無視すると、図9の破線矢印の方向に2IOUTの平均電流が流れ、そのうち、IOUTが出力電流として流れる。これと同時に、コンデンサC1から放電された残りの電荷がコンデンサC2に充電される。
また、期間T0では、コンデンサC1とコンデンサC2の間で電荷の移動がなく、コンデンサC2に蓄えられていた電荷が放電し、出力電流IOUTが流れる。On the other hand, in the period T2, if the charge / discharge current to the parasitic capacitance is ignored, an average current of 2IOUT flows in the direction of the broken line arrow in FIG. 9, and IOUT flows as an output current. At the same time, the remaining charge discharged from the capacitor C1 is charged into the capacitor C2.
In the period T0, there is no movement of charge between the capacitor C1 and the capacitor C2, the charge stored in the capacitor C2 is discharged, and the output current IOUT flows.
この全期間に、各スイッチ用のMOSトランジスタSW1〜SW4に流れる平均電流は全てIOUTとなり、寄生容量への充放電電流を無視すると、入力電流の平均電流は2IOUTとなる。
ここで、DC−DCコンバータの電力変換効率ηは、次の(1)式で定義される。
η=(出力電力/入力電力)×100・・・(1)
スイッチング用のMOSトランジスタSW1〜SW4等の寄生抵抗と寄生容量をそれぞれ無視すると、入力電力=2IOUT×VDD、出力電力=IOUT×2VDDとなり、電力変換効率η=100%となる。
Here, the power conversion efficiency η of the DC-DC converter is defined by the following equation (1).
η = (output power / input power) × 100 (1)
If the parasitic resistances and parasitic capacitances of the switching MOS transistors SW1 to SW4 and the like are ignored, input power = 2IOUT × VDD, output power = IOUT × 2VDD, and power conversion efficiency η = 100%.
ところが、この従来のDC−DCコンバータは、出力電流IOUTとコンデンサ間を繋ぐMOSトランジスタ等の抵抗によって電圧降下が生じ、電力変換効率が低下する。そのため、従来のDC−DCコンバータでは、スイッチング用のMOSトランジスタをオンさせるゲート−ソース間電圧を大きくすることによって、スイッチング用のMOSトランジスタの抵抗を小さくするように構成され、大きなゲート−ソース間電圧の耐性がある高耐圧用MOSトランジスタを用いるようにしている。 However, in this conventional DC-DC converter, a voltage drop occurs due to a resistance such as a MOS transistor connecting the output current IOUT and the capacitor, and the power conversion efficiency is lowered. Therefore, the conventional DC-DC converter is configured to reduce the resistance of the switching MOS transistor by increasing the gate-source voltage for turning on the switching MOS transistor, thereby increasing the gate-source voltage. A high voltage MOS transistor with high resistance is used.
一般的に、高耐圧用MOSトランジスタは各端子間の耐電圧を上げるため、ドレインとソースが特殊な構造になり、低耐圧MOSトランジスタに比べて設計面積が大きくなる。また、ゲート絶縁膜も厚い構造になり、最小ゲート長も長くなるため、同じトランジスタサイズでは低耐圧MOSトランジスタに比べて抵抗値が数倍大きい。
このため、従来のDC−DCコンバータでは、高耐圧用スイッチMOSトランジスタの設計面積が大きくなり、さらに、ゲート寄生容量も大きくなるため、電力変換効率が低下するというデメリットがある。
そこで、本発明の目的は、上記の点に鑑み、電力変換効率を向上させ、さらに設計面積を縮小することが実現できるDC−DCコンバータを提供することにある。Generally, a high breakdown voltage MOS transistor increases the withstand voltage between the terminals, so that the drain and source have a special structure, and the design area is larger than that of the low breakdown voltage MOS transistor. In addition, since the gate insulating film has a thick structure and the minimum gate length becomes long, the resistance value is several times larger than that of the low breakdown voltage MOS transistor at the same transistor size.
For this reason, the conventional DC-DC converter has a demerit that the design area of the high-breakdown-voltage switch MOS transistor is increased and the gate parasitic capacitance is also increased, so that the power conversion efficiency is lowered.
In view of the above, an object of the present invention is to provide a DC-DC converter capable of improving power conversion efficiency and further reducing the design area.
上記の課題を解決し本発明の目的を達成するために、請求項1〜請求項4に記載の各発明は、以下の構成した。
すなわち、請求項1に記載の発明は、複数のスイッチング用のMOSトランジスタと、コンデンサとを含み、前記複数のMOSトランジスタをオンオフ動作させて入力電圧で前記コンデンサを充電させ、この充電電圧を利用して所望の出力電圧を得るようにしたチャージポンプ型のDC−DCコンバータであって、前記複数のMOSトランジスタのうち所定のMOSトランジスタをオンオフ制御する制御信号を生成するレベルシフト回路を有し、該レベルシフト回路は、前記オンオフ制御される所定のMOSトランジスタのソース電圧によって駆動制御されるようになっている。In order to solve the above-described problems and achieve the object of the present invention, each invention described in
That is, the invention described in
請求項2に記載の発明は、請求項1に記載のDC−DCコンバータにおいて、前記レベルシフト回路は、所定のタイミング信号を前記オンオフ制御される所定のMOSトランジスタのソース電圧にレベル変換するレベル変換部と、このレベル変換部で変換されたタイミング信号のレベルを、前記ソース電圧に基づいて生成されるバイアス電圧に応じて出力制御する出力制御部と、を備えている。 According to a second aspect of the present invention, in the DC-DC converter according to the first aspect, the level shift circuit converts the level of a predetermined timing signal to a source voltage of the predetermined MOS transistor that is controlled to be turned on / off. And an output control unit that controls the output of the level of the timing signal converted by the level conversion unit in accordance with a bias voltage generated based on the source voltage.
請求項3に記載の発明は、チャージポンプ型のDC−DCコンバータであって、第1の端子と第2の端子とを有し、前記第1の端子と前記第2の端子とから交互に入力電圧が供給されるコンデンサと、前記コンデンサの第1の端子にソースが接続され、ドレインに入力電圧が入力され、第1の期間にオンする第1のMOSトランジスタと、前記コンデンサの第2の端子と接地との間に接続され、前記第1の期間にオンする第2のMOSトランジスタと、前記コンデンサの第2の端子にドレインが接続され、ソースに入力電圧が入力され、第2の期間にオンする第3のMOSトランジスタと、前記コンデンサの第1の端子にドレインが接続され、ソースが出力端子に接続され、前記第2の期間にオンする第4のMOSトランジスタと、前記第1のMOSトランジスタのゲートに供給するオンオフ制御信号を生成する第1のレベルシフト回路と、前記第4のMOSトランジスタのゲートに供給するオンオフ制御信号を生成する第2のレベルシフト回路と、を備え、前記第1のレベルシフト回路は、前記第1のMOSトランジスタのソース電圧に基づいて前記オンオフ制御信号を生成し、前記第2のレベルシフト回路は、前記第4のMOSトランジスタのソース電圧に基づいて前記オンオフ制御信号を生成するようになっている。 The invention according to claim 3 is a charge pump type DC-DC converter having a first terminal and a second terminal, and alternately from the first terminal and the second terminal. A capacitor to which an input voltage is supplied, a source connected to the first terminal of the capacitor, an input voltage to the drain, and a first MOS transistor that is turned on in a first period; a second of the capacitor; A second MOS transistor connected between the terminal and ground and turned on in the first period; a drain connected to the second terminal of the capacitor; an input voltage input to the source; and a second period A third MOS transistor that is turned on, a drain connected to the first terminal of the capacitor, a source connected to the output terminal, and a fourth MOS transistor that is turned on in the second period; A first level shift circuit that generates an on / off control signal supplied to the gate of the MOS transistor; and a second level shift circuit that generates an on / off control signal supplied to the gate of the fourth MOS transistor, The first level shift circuit generates the on / off control signal based on the source voltage of the first MOS transistor, and the second level shift circuit generates the above-described signal based on the source voltage of the fourth MOS transistor. An on / off control signal is generated.
請求項4に記載の発明は、請求項3に記載のDC−DCコンバータにおいて、前記第1のレベルシフト回路は、所定のタイミング信号を前記第1のMOSトランジスタのソース電圧にレベル変換するレベル変換部と、このレベル変換部で変換されたタイミング信号のレベルを、前記ソース電圧に基づいて生成されるバイアス電圧に応じて出力制御する出力制御部とを備え、前記第2のレベルシフト回路は、所定のタイミング信号を前記第4のMOSトランジスタのソース電圧にレベル変換するレベル変換部と、このレベル変換部で変換されたタイミング信号のレベルを、前記ソース電圧に基づいて生成されるバイアス電圧に応じて出力制御する出力制御部と、を備えている。 According to a fourth aspect of the present invention, in the DC-DC converter according to the third aspect, the first level shift circuit converts the level of a predetermined timing signal into a source voltage of the first MOS transistor. And an output control unit that controls the output of the level of the timing signal converted by the level conversion unit according to a bias voltage generated based on the source voltage, and the second level shift circuit includes: A level converter that converts a predetermined timing signal into a source voltage of the fourth MOS transistor, and a level of the timing signal converted by the level converter according to a bias voltage generated based on the source voltage And an output control unit that performs output control.
このように、本発明では、正負の高電圧を生成するDC−DCコンバータにおいて、スイッチング用のMOSトランジスタの変動するソース電位に合わせて、そのMOSトランジスタのゲートに供給するオンオフ制御電圧を、低耐圧用MOSトランジスタの耐性最大電位に制御するようにした。
このため、そのスイッチング用のMOSトランジスタに、高耐圧用MOSトランジスタより抵抗値が小さく、ゲート寄生容量も小さい低耐圧用MOSトランジスタを用いることが可能となる。
この結果、本発明によれば、電力変換効率を向上させることができ、さらに設計面積を縮小することが実現できる。As described above, according to the present invention, in the DC-DC converter that generates a positive and negative high voltage, the on / off control voltage supplied to the gate of the MOS transistor is set to a low withstand voltage in accordance with the varying source potential of the switching MOS transistor. The maximum potential of the MOS transistor is controlled.
Therefore, a low breakdown voltage MOS transistor having a smaller resistance value and a smaller gate parasitic capacitance than the high breakdown voltage MOS transistor can be used as the switching MOS transistor.
As a result, according to the present invention, it is possible to improve the power conversion efficiency and further reduce the design area.
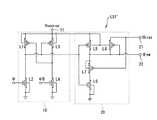
以下、本発明のDC−DCコンバータの実施形態について、図1〜図3を参照して説明する。
図1は、本発明の実施形態に係る1段チャージポンプ型のDC−DCコンバータの構成を示す回路図である。
この実施形態に係るDC−DCコンバータは、図1に示すように、2種類のコンデンサC1、C2と、その間を繋ぐスイッチング用のMOSトランジスタSW1〜SW4と、MOSトランジスタSW1〜SW4のオンオフ制御に係るタイミング信号を生成するタイミング信号生成回路TG1と、タイミング信号生成回路TG1からのタイミング信号を利用してMOSトランジスタSW1,SW2のオンオフ制御する信号を生成するレベルシフタ(レベルシフト回路)LS1’、LS2’と、入力電圧VDDを供給するための入力端子INと、出力電圧VOUTを取り出すための出力端子OUTと、を備えている。Hereinafter, embodiments of the DC-DC converter of the present invention will be described with reference to FIGS.
FIG. 1 is a circuit diagram showing a configuration of a single-stage charge pump type DC-DC converter according to an embodiment of the present invention.
As shown in FIG. 1, the DC-DC converter according to this embodiment relates to two types of capacitors C1 and C2, switching MOS transistors SW1 to SW4 connecting between them, and ON / OFF control of the MOS transistors SW1 to SW4. A timing signal generation circuit TG1 that generates a timing signal, and level shifters (level shift circuits) LS1 ′ and LS2 ′ that generate signals for controlling on / off of the MOS transistors SW1 and SW2 using the timing signal from the timing signal generation circuit TG1. , An input terminal IN for supplying the input voltage VDD, and an output terminal OUT for taking out the output voltage VOUT.
ここで、コンデンサC1は電荷転送用コンデンサであり、コンデンサC2は平滑用コンデンサである。また、MOSトランジスタSW1、SW2、SW3はP型のMOSトランジスタからなり、MOSトランジスタSW4はN型のMOSトランジスタからなる。
この実施形態では、タイミング信号生成回路TG1から出力される信号によって、MOSトランジスタSW1〜SW4をオンオフ制御し、コンデンサC1からコンデンサC2に電荷を転送することで電圧を変換し、入力電圧をVDDとすると、理想的には出力電圧VOUTとして2VDDを出力するようになっている。Here, the capacitor C1 is a charge transfer capacitor, and the capacitor C2 is a smoothing capacitor. The MOS transistors SW1, SW2, and SW3 are P-type MOS transistors, and the MOS transistor SW4 is an N-type MOS transistor.
In this embodiment, when the MOS transistors SW1 to SW4 are controlled to be turned on / off by a signal output from the timing signal generation circuit TG1, the voltage is converted by transferring charges from the capacitor C1 to the capacitor C2, and the input voltage is set to VDD. Ideally, 2VDD is output as the output voltage VOUT.
また、この実施形態では、後述のように、MOSトランジスタSW3、SW4は、入力電圧VDDで制御可能であり、入力電圧VDDの耐性がある低耐圧用MOSトランジスタを用いるようにしている。
さらに、この実施形態では、後述のように、MOSトランジスタSW1、SW2の各端子間電圧を、低耐圧用MOSトランジスタの耐性範囲内に制御することにしている。このため、最大出力電圧2VDDが低耐圧用MOSトランジスタの耐性電圧よりも高い場合においても、MOSトランジスタSW1、SW2に低耐圧用MOSトランジスタを用いるようにしている。In this embodiment, as will be described later, the MOS transistors SW3 and SW4 can be controlled by the input voltage VDD, and low-voltage MOS transistors having resistance to the input voltage VDD are used.
Further, in this embodiment, as will be described later, the voltage between the terminals of the MOS transistors SW1 and SW2 is controlled within the tolerance range of the low breakdown voltage MOS transistor. Therefore, even when the maximum output voltage 2VDD is higher than the withstand voltage of the low withstand voltage MOS transistor, the low withstand voltage MOS transistors are used for the MOS transistors SW1 and SW2.
次に、この実施形態の具体的な構成について、図1を参照して説明する。
図1に示すように、入力端子INと出力端子OUTとの間に、MOSトランジスタSW1およびMOSトランジスタSW2が直列に接続されている。すなわち、MOSトランジスタSW1のドレインが入力端子INに接続され、MOSトランジスタSW1のソースがMOSトランジスタSW2のドレインに接続され、MOSトランジスタSW2のソースが出力端子OUTに接続されている。Next, a specific configuration of this embodiment will be described with reference to FIG.
As shown in FIG. 1, a MOS transistor SW1 and a MOS transistor SW2 are connected in series between an input terminal IN and an output terminal OUT. That is, the drain of the MOS transistor SW1 is connected to the input terminal IN, the source of the MOS transistor SW1 is connected to the drain of the MOS transistor SW2, and the source of the MOS transistor SW2 is connected to the output terminal OUT.
また、入力端子INとアース(接地部)との間に、MOSトランジスタSW3およびMOSトランジスタSW4が直列に接続されている。すなわち、MOSトランジスタSW3のソースが入力端子INに接続され、MOSトランジスタSW3のドレインがMOSトランジスタSW4のドレインに接続され、MOSトランジスタSW4のソースがアースされている。 Further, the MOS transistor SW3 and the MOS transistor SW4 are connected in series between the input terminal IN and the ground (ground portion). That is, the source of the MOS transistor SW3 is connected to the input terminal IN, the drain of the MOS transistor SW3 is connected to the drain of the MOS transistor SW4, and the source of the MOS transistor SW4 is grounded.
コンデンサC1の一端側は、MOSトランジスタSW1のソースとMOSトランジスタSW2のドレインとが共通接続される共通接続部に接続されている。また、コンデンサC1の他端側は、MOSトランジスタSW3のドレインとMOSトランジスタSW4のドレインとが共通接続される共通接続部に接続されている。さらに、コンデンサC2は、その一端側が出力端子OUTに接続され、その他端側がアースに接続されている。 One end of the capacitor C1 is connected to a common connection where the source of the MOS transistor SW1 and the drain of the MOS transistor SW2 are connected in common. Further, the other end side of the capacitor C1 is connected to a common connection portion where the drain of the MOS transistor SW3 and the drain of the MOS transistor SW4 are commonly connected. Further, the capacitor C2 has one end connected to the output terminal OUT and the other end connected to the ground.
タイミング信号生成回路TG1は、コンデンサC2からコンデンサC1に向かって流れる逆電流を防止するために、ノーオーバーラップ・クロックであるタイミング信号Φ1、Φ2とその反転信号Φ1B、Φ2Bを生成するようになっている。
タイミング信号生成回路TG1からのタイミング信号Φ1は、MOSトランジスタSW4のゲートに供給され、MOSトランジスタSW4をオンオフ制御させるようになっている。また、タイミング信号生成回路TG1からのタイミング信号Φ2は、MOSトランジスタSW3のゲートに供給され、MOSトランジスタSW3をオンオフ制御させるようになっている。The timing signal generation circuit TG1 generates timing signals Φ1 and Φ2 that are no overlap clocks and their inverted signals Φ1B and Φ2B in order to prevent reverse current flowing from the capacitor C2 toward the capacitor C1. Yes.
The timing signal Φ1 from the timing signal generation circuit TG1 is supplied to the gate of the MOS transistor SW4, and the MOS transistor SW4 is controlled to be turned on / off. Further, the timing signal Φ2 from the timing signal generation circuit TG1 is supplied to the gate of the MOS transistor SW3, and the MOS transistor SW3 is controlled to be turned on / off.
なお、タイミング信号生成回路TG1から出力されるタイミング信号Φ1、Φ2とその反転信号Φ1B、Φ2Bの各レベルは、入力電圧VDDのレベル、すなわち0〔V〕〜VDD〔V〕の範囲である。
レベルシフタLS1’は、タイミング信号生成回路TG1で生成され入力電圧VDDのレベルからなるタイミング信号Φ1、Φ1Bを入力し、これをMOSトランジスタSW1のソース電圧Vsourceに変換し、制御信号ΦSW1として出力するようになっている。このため、レベルシフタLS1’には、MOSトランジスタSW1のソース電圧Vsourceが供給されるようになっている。そして、その制御信号ΦSW1は、MOSトランジスタSW1のゲートに供給され、これによりMOSトランジスタSW1がオンオフ制御されるようになっている。Note that the levels of the timing signals Φ1 and Φ2 and the inverted signals Φ1B and Φ2B output from the timing signal generation circuit TG1 are the level of the input voltage VDD, that is, the range of 0 [V] to VDD [V].
The level shifter LS1 ′ receives the timing signals Φ1 and Φ1B generated by the timing signal generation circuit TG1 and having the level of the input voltage VDD, converts them into the source voltage Vsource of the MOS transistor SW1, and outputs it as the control signal ΦSW1. It has become. Therefore, the source voltage Vsource of the MOS transistor SW1 is supplied to the level shifter LS1 ′. Then, the control signal ΦSW1 is supplied to the gate of the MOS transistor SW1, so that the MOS transistor SW1 is on / off controlled.
レベルシフタLS2’は、タイミング信号生成回路TG1で生成され入力電圧VDDのレベルからなるタイミング信号Φ2、Φ2Bを入力し、これをMOSトランジスタSW2のソース電圧Vsource(VOUT)に変換し、制御信号ΦSW2として出力するようになっている。このため、レベルシフタLS2’には、MOSトランジスタSW2のソース電圧Vsourceが供給されるようになっている。そして、その制御信号ΦSW2は、MOSトランジスタSW2のゲートに供給され、これによりMOSトランジスタSW2がオンオフ制御されるようになっている。 The level shifter LS2 ′ receives the timing signals Φ2 and Φ2B generated by the timing signal generation circuit TG1 and having the level of the input voltage VDD, converts them into the source voltage Vsource (VOUT) of the MOS transistor SW2, and outputs it as the control signal ΦSW2. It is supposed to be. For this reason, the source voltage Vsource of the MOS transistor SW2 is supplied to the level shifter LS2 '. Then, the control signal ΦSW2 is supplied to the gate of the MOS transistor SW2, whereby the MOS transistor SW2 is controlled to be turned on / off.
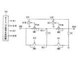
次に、レベルシフタLS1’LS2’の具体的な構成について、図2を参照して説明する。
レベルシフタLS1’とレベルシフタLS2’とは、上記のように入力信号と、その入力信号のレベル変換した出力信号の値とがそれぞれ異なるが、その構成は基本的に同じであるので、ここではレベルシフタLS1’の構成について説明する。
このレベルシフタLS1’は、図2に示すように、レベル変換部10と、出力制御部20とからなる。
レベル変換部10は、タイミング信号生成回路TG1で生成されるタイミング信号Φ1、Φ1Bを入力し、これをMOSトランジスタSW1のソース電圧Vsourceに変換するようになっている。Next, a specific configuration of the level shifter LS1′LS2 ′ will be described with reference to FIG.
As described above, the level shifter LS1 ′ and the level shifter LS2 ′ are different from each other in the input signal and the value of the output signal obtained by converting the level of the input signal. However, since the configurations are basically the same, the level shifter LS1 is here. The configuration of 'will be described.
The level shifter LS1 ′ includes a
The
出力部20は、レベル変換部10で変換されたタイミング信号のレベルの出力を、MOSトランジスタSW1のソース電圧Vsourceに基づいて後述のバイアス電圧生成回路30で生成されるバイアス電圧Vbiasに応じて制御し、この制御された信号が制御信号ΦSW1として出力端子22から出力されるようになっている。
レベル変換部10は、図2に示すように、MOSトランジスタL1〜L4からなる。そして、このMOSトランジスタL1〜L4は、MOSトランジスタSW2のソース電圧Vsourceが供給され、これにより動作するようになっている。The
As shown in FIG. 2, the
ここで、MOSトランジスタL1〜L4は、ソース電圧の耐性がある高耐圧用MOSトランジスタが使用される。
さらに詳述すると、電源端子11には、MOSトランジスタSW1のソース電圧Vsourceが供給されるようになっている。そして、電源端子11とアースとの間に、P型のMOSトランジスタL1およびN型のMOSトランジスタL2が直列に接続されている。また、電源端子11とアースとの間に、P型のMOSトランジスタL3およびN型のMOSトランジスタL4が直列に接続されている。Here, as the MOS transistors L1 to L4, high voltage MOS transistors having source voltage tolerance are used.
More specifically, the
さらに、MOSトランジスタL2のゲートには、タイミング信号生成回路TG1からのタイミング信号Φ1が供給され、MOSトランジスタL4のゲートには、タイミング信号生成回路TG1からのタイミング信号ΦB1が供給されるようになっている。また、MOSトランジスタL1とMOSトランジスタL2の共通接続部が、MOSトランジスタL3,L5,L6の各ゲートに接続されている。さらに、MOSトランジスタL3とMOSトランジスタL4の共通接続部が、MOSトランジスタL1のゲートに接続されている。 Further, the timing signal Φ1 from the timing signal generation circuit TG1 is supplied to the gate of the MOS transistor L2, and the timing signal ΦB1 from the timing signal generation circuit TG1 is supplied to the gate of the MOS transistor L4. Yes. In addition, a common connection portion between the MOS transistor L1 and the MOS transistor L2 is connected to the gates of the MOS transistors L3, L5, and L6. Furthermore, the common connection part of the MOS transistor L3 and the MOS transistor L4 is connected to the gate of the MOS transistor L1.
出力制御部20は、図2に示すように、MOSトランジスタL5〜L8と、図3に示すバイアス電圧生成回路30で生成されるバイアス電圧Vbiasを供給するためのバイアス供給端子21と、MOSトランジスタSW1のゲートに供給する制御信号ΦSW1を取り出すための出力端子22と、を備えている。
ここで、MOSトランジスタL5〜L8は、ソース電圧の耐性がある高耐圧用MOSトランジスタが使用される。As shown in FIG. 2, the
Here, as the MOS transistors L5 to L8, high breakdown voltage MOS transistors having source voltage tolerance are used.
さらに詳述すると、電源端子11とアースとの間に、P型のMOSトランジスタL5、P型のMOSトランジスタL7、およびN型のMOSトランジスタL6が直列に接続されている。また、バイアス供給端子21と出力端子22との間に、P型のMOSトランジスタL8が接続されている。
MOSトランジスタL5のゲートとMOSトランジスタL6のゲートとは共通接続され、この共通接続部にレベル変換部10の出力が供給されるようになっている。MOSトランジスタL7のゲートには、図3に示すバイアス生成回路30からのバイアス電圧Vbiasが供給されるようになっている。MOSトランジスタL5とMOSトランジスタL7の共通接続部、MOSトランジスタL8のドレイン、およびMOSトランジスタL8のゲートは出力端子22に接続されている。More specifically, a P-type MOS transistor L5, a P-type MOS transistor L7, and an N-type MOS transistor L6 are connected in series between the
The gate of the MOS transistor L5 and the gate of the MOS transistor L6 are connected in common, and the output of the
このような構成からなる出力制御部20では、MOSトランジスタL7のゲートに、バイアス電圧生成回路30でMOSトランジスタSW1のソース電圧に応じて生成された、バイアス電圧Vbiasが供給される。これにより、MOSトランジスタL7に流れる電流が制御され、出力端子22から出力される制御信号ΦSW1のレベルが変動する。すなわち、MOSトランジスタSW1のゲート電圧を、そのソース電圧に応じて低耐圧用MOSトランジスタの耐性最大電位に制御できる。 In the
次に、レベルシフタLS1’LS2’に供給するバイアス電圧Vbiasを生成するバイアス生成回路30の具体的な構成について、図3を参照して説明する。
このバイアス生成回路30は、図3に示すように、抵抗R1と、ダイオード接続されるP型のMOSトランジスタL9と、出力端子32と、定電流を生成する定電流回路33とを備え、これらが電源端子31とアースとの間に直列に接続されている。ここで、MOSトランジスタL9は、ソース電圧の耐性がある高耐圧用のMOSトランジスタが使用される。Next, a specific configuration of the
As shown in FIG. 3, the
さらに詳述すると、電源端子31には、MOSトランジスタSW1のソース電圧Vsource、またはMOSトランジスタSW2のソース電圧Vsource(VOUT)が供給されるようになっている。
出力端子32からはバイアス電圧Vbiasを取り出すようになっている。すなわち、電源端子31にMOSトランジスタSW1のソース電圧Vsourceが供給される場合には、出力端子32から取り出したバイアス電圧Vbiasは、レベルシフタLS1’に供給される。一方、電源端子31にMOSトランジスタSW2のソース電圧Vsource(VOUT)が供給される場合には、出力端子32から取り出したバイアス電圧Vbiasは、レベルシフタLS2’に供給される。More specifically, the source voltage Vsource of the MOS transistor SW1 or the source voltage Vsource (VOUT) of the MOS transistor SW2 is supplied to the
A bias voltage Vbias is taken out from the
定電流回路33は、図3に示すように、基準電圧発生回路VR1と、オペアンプOP1と、N型のMOSトランジスタL10と、抵抗R2とからなる。オペアンプOP1は、MOSトランジスタL10と抵抗R2との共通接続部の電位と、基準電圧発生回路VR1からの基準電圧との差に応じた誤差信号を生成するようになっている。その誤差信号は、MOSトランジスタL10のゲートに供給され、これによりMOSトランジスタL10に流れる電流が一定に制御されるようになっている。すなわち、所望の定電流を得ることができるようになっている。 As shown in FIG. 3, the constant current circuit 33 includes a reference voltage generating circuit VR1, an operational amplifier OP1, an N-type MOS transistor L10, and a resistor R2. The operational amplifier OP1 generates an error signal according to the difference between the potential of the common connection between the MOS transistor L10 and the resistor R2 and the reference voltage from the reference voltage generation circuit VR1. The error signal is supplied to the gate of the MOS transistor L10, whereby the current flowing through the MOS transistor L10 is controlled to be constant. That is, a desired constant current can be obtained.
なお、基準電圧発生回路VR1は、バンドギャップ等を用い、さらに抵抗分割をすることで所望な基準電圧を発生するようにしている。
このような構成からなるバイアス生成回路30では、定電流回路33により、抵抗R1とダイオード接続されるMOSトランジスタL9とに一定の電流が流れ、一定の電圧降下が発生する。このため、電源端子31に供給されるMOSトランジスタSW1またはSW2のソース電圧Vsourseに対して一定の電圧降下が発生し、所望のバイアス電圧Vbiasが得られる。The reference voltage generation circuit VR1 uses a band gap or the like and further generates a desired reference voltage by resistance division.
In the
図4に、そのソース電圧Vsourceとバイアス電圧Vbiasの関係を示し、その関係式を以下に説明する。
ここで、図2に示すMOSトランジスタL7のしきい値電圧をVthp、そのゲート電圧をVgateとする。また、MOSトランジスタSW1,SW2の最大耐性電圧Vmaxとすると、次の(2)式および(3)式が得られる。
Vgate=Vbias+Vthp・・・・(2)
Vmax=Vsource−Vthp・・・(3)
(2)式および(3)式から次の(4)式が得られる。
Vbias=Vsource−Vthp−Vmax・・・(4)FIG. 4 shows the relationship between the source voltage Vsource and the bias voltage Vbias, and the relational expression will be described below.
Here, the threshold voltage of the MOS transistor L7 shown in FIG. 2 is Vthp, and its gate voltage is Vgate. When the maximum withstand voltage Vmax of the MOS transistors SW1 and SW2 is assumed, the following equations (2) and (3) are obtained.
Vgate = Vbias + Vthp (2)
Vmax = Vsource−Vthp (3)
The following equation (4) is obtained from the equations (2) and (3).
Vbias = Vsource−Vthp−Vmax (4)
このよう構成からなる実施形態を動作周波数1000〔kHz〕で動作させ、出力電流IOUTを5〔mA〕とした時、MOSトランジスタSW1、SW2のサイズは、従来のような高耐圧用MOSトランジスタを用いた回路構成の場合には、チャネル幅Wとチャネル長さLは、W=20000〔μm〕,L=2. 5〔μm〕程度である。
これに対して、この実施形態のように、MOSトランジスタSW1、SW2に低耐圧用MOSトランジスタを使用した回路構成の場合、W=5000〔μm〕,L=0. 7〔μm〕程度であり、高耐圧用MOSトランジスタを用いる場合と比べて、トランジスタサイズは1/4以下になる。When the embodiment having such a configuration is operated at an operating frequency of 1000 [kHz] and the output current IOUT is set to 5 [mA], the MOS transistors SW1 and SW2 have the same size as that of the conventional high voltage MOS transistor. In the case of the conventional circuit configuration, the channel width W and the channel length L are about W = 20000 [μm] and L = 2.5 [μm].
On the other hand, in the case of the circuit configuration using the low breakdown voltage MOS transistors for the MOS transistors SW1 and SW2 as in this embodiment, W = 5000 [μm] and L = 0.7 [μm], Compared with the case of using a high voltage MOS transistor, the transistor size is ¼ or less.
次に、このような構成からなる実施形態の動作の一例について、図1および図5などを参照して説明する。
図1に示すタイミング信号生成回路TG1は、図5の(G)(F)に示すようなタイミング信号Φ1、Φ2と、その反転信号Φ1B、Φ2Bを生成する。そのタイミング信号Φ1は、MOSトランジスタSW4のゲートに供給され、MOSトランジスタSW4をオンオフ制御させる。また、そのタイミング信号Φ2は、MOSトランジスタSW3のゲートに供給され、MOSトランジスタSW3をオンオフ制御させる。Next, an example of the operation of the embodiment having such a configuration will be described with reference to FIGS.
The timing signal generation circuit TG1 shown in FIG. 1 generates timing signals Φ1 and Φ2 and their inverted signals Φ1B and Φ2B as shown in (G) and (F) of FIG. The timing signal Φ1 is supplied to the gate of the MOS transistor SW4, and the MOS transistor SW4 is controlled to be turned on / off. The timing signal Φ2 is supplied to the gate of the MOS transistor SW3, and the MOS transistor SW3 is controlled to be turned on / off.
レベルシフタLS1’は、タイミング信号生成回路TG1で生成され入力電圧VDDのレベルからなるタイミング信号Φ1、Φ1Bを入力し、これをMOSトランジスタSW1のソース電圧Vsourceに変換し、制御信号ΦSW1として出力する。その制御信号ΦSW1は、MOSトランジスタSW1のゲートに供給され、これによりMOSトランジスタSW1がオンオフ制御される。 The level shifter LS1 'receives the timing signals Φ1 and Φ1B generated by the timing signal generation circuit TG1 and having the level of the input voltage VDD, converts them into the source voltage Vsource of the MOS transistor SW1, and outputs it as the control signal ΦSW1. The control signal ΦSW1 is supplied to the gate of the MOS transistor SW1, whereby the MOS transistor SW1 is on / off controlled.
一方、レベルシフタLS2’は、タイミング信号生成回路TG1で生成され入力電圧VDDのレベルからなるタイミング信号Φ2、Φ2Bを入力し、これをMOSトランジスタSW2のソース電圧Vsource(VOUT)に変換し、制御信号ΦSW2として出力する。その制御信号ΦSW2は、MOSトランジスタSW2のゲートに供給され、これによりMOSトランジスタSW2がオンオフ制御される。 On the other hand, the level shifter LS2 ′ receives the timing signals Φ2 and Φ2B generated by the timing signal generation circuit TG1 and having the level of the input voltage VDD, converts this into the source voltage Vsource (VOUT) of the MOS transistor SW2, and the control signal ΦSW2 Output as. The control signal ΦSW2 is supplied to the gate of the MOS transistor SW2, whereby the MOS transistor SW2 is on / off controlled.
このような制御により、図5に示す期間T1’では、MOSトランジスタSW1,SW4がオンし、MOSトランジスタSW2,SW3がオフした状態になる。このとき、コンデンサC1は入力電圧VDDにより充電され、コンデンサC1の一端側の電位VC1+は図5(B)に示すようにVDDとなり、コンデンサC1の他端側の電位VC1−は図5(C)に示すようにVSSとなる。 By such control, in the period T1 'shown in FIG. 5, the MOS transistors SW1 and SW4 are turned on and the MOS transistors SW2 and SW3 are turned off. At this time, the capacitor C1 is charged by the input voltage VDD, the potential VC1 + on one end side of the capacitor C1 becomes VDD as shown in FIG. 5B, and the potential VC1- on the other end side of the capacitor C1 is shown in FIG. As shown in FIG.
出力電圧VOUTが、コンデンサC1の一端側の電位VC1に昇圧するまでの初期状態の場合には、MOSトランジスタSW2はP型のMOSトランジスタであるので、そのドレイン−ウェル間のPN接合が順バイアスになる。このため、出力電圧VOUTは、コンデンサC1の一端側の電位VC1+から、そのPN接合のダイオードの順方向電圧の分だけ降下した電位になる。出力電圧VOUTがコンデンサC1の一端側の電位VC1+以上に昇圧した後は、コンデンサC1とコンデンサC2の間で電荷の移動がなくなり、電圧は変化しない。 In the initial state until the output voltage VOUT is boosted to the potential VC1 on one end side of the capacitor C1, the MOS transistor SW2 is a P-type MOS transistor, so that the PN junction between its drain and well becomes a forward bias. Become. For this reason, the output voltage VOUT is a potential that is lowered from the potential VC1 + on one end side of the capacitor C1 by the forward voltage of the diode of the PN junction. After the output voltage VOUT is boosted to the potential VC1 + on one end side of the capacitor C1, there is no charge movement between the capacitor C1 and the capacitor C2, and the voltage does not change.
このとき、レベルシフタLS1’は、MOSトランジスタSW1のソース電圧(VC1+)と、このソース電圧に応じて図3のバイアス電圧生成回路30で生成されるバイアス電圧Vbias1とを用いて、MOSトランジスタSW1のゲートに供給する制御信号ΦSW1を生成する(図5(E)参照)。
すなわち、レベルシフタLS1’は、MOSトランジスタSW1のゲート電圧を、〔(VC1+)−(低耐圧用MOSトランジスタの最大耐性電位差)〕に制御し、MOSトランジスタSW1をオン状態にする。この結果、MOSトランジスタSW1の各端子間電圧は、低耐圧用MOSトランジスタの最大耐性電圧に制御される。At this time, the level shifter LS1 ′ uses the source voltage (VC1 +) of the MOS transistor SW1 and the bias voltage Vbias1 generated by the bias
That is, the level shifter LS1 ′ controls the gate voltage of the MOS transistor SW1 to [(VC1 +) − (maximum tolerance potential difference of the low breakdown voltage MOS transistor)] to turn on the MOS transistor SW1. As a result, the voltage between the terminals of the MOS transistor SW1 is controlled to the maximum withstand voltage of the low breakdown voltage MOS transistor.
また、レベルシフタLS2’は、MOSトランジスタSW2のソース電圧(VOUT)と、このソース電圧に応じて図3のバイアス電圧生成回路30で生成されるバイアス電圧とを用いて、MOSトランジスタSW2のゲートに供給する制御信号ΦSW2を生成する(図5(D)参照)。
すなわち、レベルシフタLS2’は、MOSトランジスタSW2のゲート電圧として、そのソース電圧(VOUT)を出力し、MOSトランジスタSW2をオフ状態とする。この結果、MOSトランジスタSW2のドレイン−ソース間の電圧はVDDとなるので、MOSトランジスタSW2の各端子間の電位差が、低耐圧用MOSトランジスタの耐性範囲内に制御される。Further, the level shifter LS2 ′ supplies the gate of the MOS transistor SW2 using the source voltage (VOUT) of the MOS transistor SW2 and the bias voltage generated by the bias
That is, the level shifter LS2 ′ outputs the source voltage (VOUT) as the gate voltage of the MOS transistor SW2, and turns off the MOS transistor SW2. As a result, the voltage between the drain and source of the MOS transistor SW2 becomes VDD, so that the potential difference between the terminals of the MOS transistor SW2 is controlled within the tolerance range of the low breakdown voltage MOS transistor.
一方、図5に示す期間T2’では、MOSトランジスタSW2,SW3がオンし、MOSトランジスタSW1,SW4がオフした状態になる。このとき、コンデンサC1の他端側の電位VC1−は、入力電圧VDDとなる。これに対して、コンデンサC1の一端側の電位VC1+は、コンデンサC1の充電電圧VDDと電位VC1−(VDD)との和の電圧2VDDとなる。これと同時に、コンデンサC1の電荷がコンデンサC2に移動し、出力電圧VOUOTは、2VDDとなる。 On the other hand, in the period T2 'shown in FIG. 5, the MOS transistors SW2 and SW3 are turned on and the MOS transistors SW1 and SW4 are turned off. At this time, the potential VC1- on the other end side of the capacitor C1 becomes the input voltage VDD. On the other hand, the potential VC1 + on the one end side of the capacitor C1 is a voltage 2VDD which is the sum of the charging voltage VDD of the capacitor C1 and the potential VC1- (VDD). At the same time, the electric charge of the capacitor C1 moves to the capacitor C2, and the output voltage VOUOT becomes 2VDD.
このとき、レベルシフタLS1’は、MOSトランジスタSW1のソース電圧(VC1+)と、このソース電圧に応じて図3のバイアス電圧生成回路30で生成されるバイアス電圧とを用いて、MOSトランジスタSW1のゲートに供給する制御信号ΦSW1を生成する(図5(E)参照)。
すなわち、レベルシフタLS1’は、MOSトランジスタSW1のゲート電圧として、そのソース電圧(VC1+)を出力し、MOSトランジスタSW1をオフ状態とする。この結果、MOSトランジスタSW1のドレイン−ソース間の電圧はVDDとなるので、MOSトランジスタSW1の各端子間の電位差が、低耐圧用MOSトランジスタの耐性範囲内に制御される。At this time, the level shifter LS1 ′ uses the source voltage (VC1 +) of the MOS transistor SW1 and the bias voltage generated by the bias
That is, the level shifter LS1 ′ outputs the source voltage (VC1 +) as the gate voltage of the MOS transistor SW1, and turns off the MOS transistor SW1. As a result, since the voltage between the drain and source of the MOS transistor SW1 becomes VDD, the potential difference between the terminals of the MOS transistor SW1 is controlled within the tolerance range of the low breakdown voltage MOS transistor.
また、レベルシフタLS2’は、MOSトランジスタSW2のソース電圧(VOUT)と、このソース電圧に応じて図3のバイアス電圧生成回路30で生成されるバイアス電圧Vbias2とを用いて、MOSトランジスタSW2のゲートに供給する制御信号ΦSW2を生成する(図5(D)参照)。
すなわち、レベルシフタLS2’は、MOSトランジスタSW2のゲート電圧を、〔(VOUT)−(低耐圧用MOSトランジスタの最大耐性電位差)〕に制御し、MOSトランジスタSW2をオン状態にする。この結果、MOSトランジスタSW2の各端子間電圧は、低耐圧用MOSトランジスタの最大耐性電圧に制御される。Further, the level shifter LS2 ′ uses the source voltage (VOUT) of the MOS transistor SW2 and the bias voltage Vbias2 generated by the bias
That is, the level shifter LS2 ′ controls the gate voltage of the MOS transistor SW2 to [(VOUT) − (maximum tolerance potential difference of the low breakdown voltage MOS transistor)] to turn on the MOS transistor SW2. As a result, the voltage between the terminals of the MOS transistor SW2 is controlled to the maximum withstand voltage of the low breakdown voltage MOS transistor.
このように、期間T1’と期間T2’の動作を繰り返すことにより、MOSトランジスタ等の抵抗を無視すると、出力電圧VOUTは入力電圧VDDの2倍の電圧(2VDD)まで昇圧する。また、図5に示す期間T0’では、MOSトランジスタSW1〜SW4がオフした状態になり、コンデンサC1とコンデンサC2の間で電荷の移動がなくなる。そのため、期間T1’と期間T2’が切り替わる時には、コンデンサC2からコンデンサC1へ向かって逆電流が流れなくなり、電力変換効率は低下しない。 In this manner, by repeating the operations in the period T1 'and the period T2', the output voltage VOUT is boosted to a voltage (2VDD) that is twice the input voltage VDD when the resistance of the MOS transistor or the like is ignored. Further, in the period T0 'shown in FIG. 5, the MOS transistors SW1 to SW4 are turned off, and charge transfer between the capacitors C1 and C2 is eliminated. Therefore, when the period T1 'and the period T2' are switched, no reverse current flows from the capacitor C2 toward the capacitor C1, and the power conversion efficiency does not decrease.
次に、出力電圧が2VDDに昇圧した後、出力に定電流IOUTが流れる場合について説明をする。
図5に示す期間T1では、期間T1’と同じ制御状態であるので、MOSトランジスタSW1の各端子間電圧は、低耐圧用MOSトランジスタの最大耐性電圧に制御され、MOSトランジスタSW2の各端子間電圧は、低耐圧用MOSトランジスタの耐性範囲内に制御される。また、出力電圧VOUTはVC1+の電位よりも高いので、コンデンサC1とコンデンサC2との間で電荷の移動がなく、出力電圧VOUTは、出力電流としてコンデンサC2に蓄えられた電荷が減った分だけ、2VDDから低下する。Next, the case where the constant current IOUT flows to the output after the output voltage has been boosted to 2VDD will be described.
In the period T1 shown in FIG. 5, since the control state is the same as that in the period T1 ′, the voltage between the terminals of the MOS transistor SW1 is controlled to the maximum withstand voltage of the low breakdown voltage MOS transistor, and the voltage between the terminals of the MOS transistor SW2. Is controlled within the tolerance range of the low breakdown voltage MOS transistor. In addition, since the output voltage VOUT is higher than the potential of VC1 +, there is no movement of charge between the capacitor C1 and the capacitor C2, and the output voltage VOUT is equivalent to the reduction of the charge stored in the capacitor C2 as the output current. Decreases from 2VDD.
さらに、図5に示す期間T2では、期間T2’と同じ制御状態であるので、MOSトランジスタSW1の各端子間電圧が、低耐圧用MOSトランジスタの耐性範囲内に制御され、MOSトランジスタSW2の各端子間電圧が、低耐圧用MOSトランジスタの最大耐性電圧に制御される。また、出力電圧VOUTは、コンデンサC1からコンデンサC2へ電荷が移動し2VDDに昇圧する。これと同時に、出力電流として流れ出る電荷もコンデンサC1から移動する。 Further, since the period T2 shown in FIG. 5 is in the same control state as the period T2 ′, the voltage between the terminals of the MOS transistor SW1 is controlled within the tolerance range of the low breakdown voltage MOS transistor, and each terminal of the MOS transistor SW2 is controlled. The inter-voltage is controlled to the maximum withstand voltage of the low breakdown voltage MOS transistor. Further, the output voltage VOUT is boosted to 2VDD as the charge moves from the capacitor C1 to the capacitor C2. At the same time, the electric charge flowing out as the output current also moves from the capacitor C1.
このような期間T1と期間T2の動作を繰り返し、出力電圧は2VDDから一定の電圧降下を繰り返したまま安定する。また、図5に示す期間T0では、MOSトランジスタSW1〜SW4がオフした状態になり、コンデンサC1とコンデンサC2の間で電荷の移動がなくなる。このため、期間T1と期間T2が切り替わる時に、コンデンサC2からコンデンサC1へ向かって逆電流が流れなくなり、電力変換効率が低下しない。 Such operations in the period T1 and the period T2 are repeated, and the output voltage is stabilized with a constant voltage drop from 2VDD. Further, in the period T0 shown in FIG. 5, the MOS transistors SW1 to SW4 are turned off, and charge transfer between the capacitors C1 and C2 is eliminated. For this reason, when the period T1 and the period T2 are switched, the reverse current does not flow from the capacitor C2 toward the capacitor C1, and the power conversion efficiency does not decrease.
このように、MOSトランジスタSW1、SW2の各端子間電圧は、電圧が安定するまでの昇圧期間も、安定したあとの期間においても同様に、低耐圧用MOSトランジスタの耐性範囲内に制御されている。
これにより、MOSトランジスタSW1、SW2は、高耐圧用MOSトランジスタより抵抗の小さい低耐圧用MOSトランジスタを使用可能となる。さらに、MOSトランジスタSW1、SW2は、そのゲート電圧をソース電圧に合わせて変動制御することによって、昇圧期間も安定期間も常にMOSトランジスタの抵抗を小さくすることが出来る。As described above, the voltage between the terminals of the MOS transistors SW1 and SW2 is controlled within the tolerance range of the low breakdown voltage MOS transistor in the boosting period until the voltage is stabilized and in the period after the stabilization. .
As a result, the MOS transistors SW1 and SW2 can use low withstand voltage MOS transistors having lower resistance than the high withstand voltage MOS transistors. Further, the MOS transistors SW1 and SW2 can always reduce the resistance of the MOS transistor in the boosting period and the stable period by controlling the fluctuation of the gate voltage according to the source voltage.
以上説明したように、この実施形態では、スイッチング用のMOSトランジスタの抵抗が小さくなり、電力変換効率が向上する。
また、この実施形態では、スイッチング用のMOSトランジスタのゲート寄生容量が小さくなることによって、ゲート寄生容量をCgate、ゲート電圧をVgate、動作周波数をfとすると、充放電する無駄な電流Igate=Cgate×Vgate×fが減る。この結果、次の(5)式で示す電力変換効率ηの低下を抑えることができる。
η=( 2VDD×IOUT)/( VDD×( 2IOUT+Igate))×100・・・・(5)
さらに、この実施形態では、同じトランジスタサイズでは抵抗値の小さい低耐圧用MOSトランジスタを用いることによって、電力変換効率を低下させずに設計面積を約1/2に縮小することが出来る。As described above, in this embodiment, the resistance of the switching MOS transistor is reduced, and the power conversion efficiency is improved.
Further, in this embodiment, when the gate parasitic capacitance of the switching MOS transistor is reduced, if the gate parasitic capacitance is Cgate, the gate voltage is Vgate, and the operating frequency is f, the wasteful current Igate = Cgate × Vgate × f decreases. As a result, it is possible to suppress a decrease in power conversion efficiency η represented by the following equation (5).
η = (2VDD × IOUT) / (VDD × (2IOUT + Igate)) × 100 (5)
Further, in this embodiment, by using a low-breakdown-voltage MOS transistor having a small resistance value with the same transistor size, the design area can be reduced to about ½ without reducing the power conversion efficiency.
なお、上記の実施形態では、1段チャージポンプ型のDC−DCコンバータについて説明したが、その段数は1段に限定されることはない。すなわち、入力電圧VDDに対して2倍の出力電圧を発生させるのみならず、3倍、4倍・・・などの出力電圧を発生させるものについても適用できる。
また、上記の実施例では、正電圧を発生する場合について説明したが、負電圧を発生する回路に置き換えることも可能である。さらに、チャージポンプ型のDC−DCコンバータに限らず、DC−DCコンバータに用いられる正負の高電圧生成回路において、ドレイン−ソース間電圧の最大電圧が低耐圧用MOSトランジスタの耐性範囲内であり、高耐圧用MOSトランジスタを用いた全ての回路に適用可能である。In the above embodiment, the single-stage charge pump type DC-DC converter has been described. However, the number of stages is not limited to one. That is, the present invention can be applied to not only generating an output voltage twice as large as the input voltage VDD but also generating an output voltage such as three times, four times,.
In the above embodiment, the case where a positive voltage is generated has been described. However, a circuit that generates a negative voltage may be used. Furthermore, not only in the charge pump type DC-DC converter, in the positive and negative high voltage generation circuit used in the DC-DC converter, the maximum voltage of the drain-source voltage is within the tolerance range of the low breakdown voltage MOS transistor, The present invention is applicable to all circuits using high voltage MOS transistors.
SW1〜SW4 スイッチング用のMOSトランジスタ
C1,C2 コンデンサ
TG1 タイミング信号生成回路
LS1’,LS2’レベルシフタ(レベルシフト回路)
IN 入力端子
OUT 出力端子
10 レベル変換部
20 出力制御部
30 バイアス電圧生成回路SW1-SW4 MOS transistors for switching C1, C2 capacitor TG1 Timing signal generation circuit LS1 ′, LS2 ′ level shifter (level shift circuit)
IN input terminal OUT
| Application Number | Priority Date | Filing Date | Title |
|---|---|---|---|
| JP2004005877AJP4459634B2 (en) | 2004-01-13 | 2004-01-13 | DC-DC converter |
| Application Number | Priority Date | Filing Date | Title |
|---|---|---|---|
| JP2004005877AJP4459634B2 (en) | 2004-01-13 | 2004-01-13 | DC-DC converter |
| Publication Number | Publication Date |
|---|---|
| JP2005204366Atrue JP2005204366A (en) | 2005-07-28 |
| JP4459634B2 JP4459634B2 (en) | 2010-04-28 |
| Application Number | Title | Priority Date | Filing Date |
|---|---|---|---|
| JP2004005877AExpired - Fee RelatedJP4459634B2 (en) | 2004-01-13 | 2004-01-13 | DC-DC converter |
| Country | Link |
|---|---|
| JP (1) | JP4459634B2 (en) |
| Publication number | Priority date | Publication date | Assignee | Title |
|---|---|---|---|---|
| JP2007330007A (en)* | 2006-06-07 | 2007-12-20 | Rohm Co Ltd | Power unit |
| CN100520904C (en)* | 2006-10-13 | 2009-07-29 | 友达光电股份有限公司 | Level shift circuit with capacitive coupling |
| JP2009232576A (en)* | 2008-03-24 | 2009-10-08 | Seiko Epson Corp | Smoothing circuit for dc-dc converter, dc-dc converter, drive circuit for electrophoretic display unit, electrophoretic display unit, and electronic apparatus |
| JP2011062006A (en)* | 2009-09-11 | 2011-03-24 | Murata Mfg Co Ltd | Step-up circuit |
| JP2015119634A (en)* | 2009-05-15 | 2015-06-25 | トタル マルケタン セルヴィス | Photovoltaic device and manufacturing method thereof |
| Publication number | Priority date | Publication date | Assignee | Title |
|---|---|---|---|---|
| JP2007330007A (en)* | 2006-06-07 | 2007-12-20 | Rohm Co Ltd | Power unit |
| CN100520904C (en)* | 2006-10-13 | 2009-07-29 | 友达光电股份有限公司 | Level shift circuit with capacitive coupling |
| JP2009232576A (en)* | 2008-03-24 | 2009-10-08 | Seiko Epson Corp | Smoothing circuit for dc-dc converter, dc-dc converter, drive circuit for electrophoretic display unit, electrophoretic display unit, and electronic apparatus |
| JP2015119634A (en)* | 2009-05-15 | 2015-06-25 | トタル マルケタン セルヴィス | Photovoltaic device and manufacturing method thereof |
| JP2011062006A (en)* | 2009-09-11 | 2011-03-24 | Murata Mfg Co Ltd | Step-up circuit |
| Publication number | Publication date |
|---|---|
| JP4459634B2 (en) | 2010-04-28 |
| Publication | Publication Date | Title |
|---|---|---|
| US20020130704A1 (en) | Charge pump circuit | |
| JP5169170B2 (en) | Step-down switching regulator | |
| US7116156B2 (en) | Charge pump circuit | |
| US9806616B2 (en) | Control circuit for multiple high side switches | |
| KR100429337B1 (en) | Charge pump circuit | |
| CN106655757B (en) | Capacitive charge pump | |
| US20090015318A1 (en) | Charge pump drive circuit | |
| JP2004140892A (en) | Set-up circuit | |
| US10312791B1 (en) | Negative high-voltage generation device with multi-stage selection | |
| JP6350009B2 (en) | Oscillator and power supply | |
| JP4459634B2 (en) | DC-DC converter | |
| US8072257B2 (en) | Charge pump-type voltage booster circuit and semiconductor integrated circuit device | |
| US7683699B2 (en) | Charge pump | |
| JP2003033006A (en) | Charge pump circuit | |
| US8076968B1 (en) | Low-input-voltage charge pump | |
| JP3475178B2 (en) | Charge pump circuit | |
| JP3548161B2 (en) | Charge pump circuit | |
| CN110912401A (en) | Voltage multiplying circuit | |
| CN205544931U (en) | System for substrate bias circuit, voltage multiplier and contain said voltage multiplier | |
| JP2007089242A (en) | Semiconductor device with charge pump booster circuit | |
| CN110677037B (en) | A switch control method for charge pump output switching | |
| JP2018196201A (en) | DC / DC converter | |
| JP2002233134A (en) | Charge pump circuit | |
| JP2005117830A (en) | Charge pump circuit | |
| JP7550529B2 (en) | Boost circuit |
| Date | Code | Title | Description |
|---|---|---|---|
| A621 | Written request for application examination | Free format text:JAPANESE INTERMEDIATE CODE: A621 Effective date:20061213 | |
| A521 | Written amendment | Free format text:JAPANESE INTERMEDIATE CODE: A821 Effective date:20070402 | |
| A711 | Notification of change in applicant | Free format text:JAPANESE INTERMEDIATE CODE: A712 Effective date:20070402 | |
| A977 | Report on retrieval | Free format text:JAPANESE INTERMEDIATE CODE: A971007 Effective date:20090925 | |
| A131 | Notification of reasons for refusal | Free format text:JAPANESE INTERMEDIATE CODE: A131 Effective date:20091013 | |
| A521 | Written amendment | Free format text:JAPANESE INTERMEDIATE CODE: A523 Effective date:20091130 | |
| TRDD | Decision of grant or rejection written | ||
| A01 | Written decision to grant a patent or to grant a registration (utility model) | Free format text:JAPANESE INTERMEDIATE CODE: A01 Effective date:20100202 | |
| A01 | Written decision to grant a patent or to grant a registration (utility model) | Free format text:JAPANESE INTERMEDIATE CODE: A01 | |
| A61 | First payment of annual fees (during grant procedure) | Free format text:JAPANESE INTERMEDIATE CODE: A61 Effective date:20100210 | |
| R150 | Certificate of patent or registration of utility model | Ref document number:4459634 Country of ref document:JP Free format text:JAPANESE INTERMEDIATE CODE: R150 Free format text:JAPANESE INTERMEDIATE CODE: R150 | |
| FPAY | Renewal fee payment (event date is renewal date of database) | Free format text:PAYMENT UNTIL: 20130219 Year of fee payment:3 | |
| FPAY | Renewal fee payment (event date is renewal date of database) | Free format text:PAYMENT UNTIL: 20140219 Year of fee payment:4 | |
| LAPS | Cancellation because of no payment of annual fees |