




【0001】
【発明の属する技術分野】
本発明は、発光効率が高く、発光寿命の長い新規なホスト化合物を含有する有機エレクトロルミネッセンス素子、該素子を用いた表示装置、照明装置に関する。
【0002】
【従来の技術】
CBPに代表されるカルバゾール誘導体を有機エレクトロルミネッセンス素子の発光材料に用いることは、特開2000−21572等において知られている(特許文献1)。
【0003】
また、カルバゾール誘導体をリン光性ドーパントと共に発光ホストとして用いることも知られている。
【0004】
例えば、特開2002−8860、また同2001−313179等にもリン光性ドーパントと共に用いることが記載されている(特許文献2、特許文献3)。
【0005】
しかしながら、青〜青緑色の燐光性化合物を発光ドーパントとして用いた場合に、前記CBP或いはカルバゾール誘導体をホスト化合物として使用しても、その外部取り出し量子効率が低く、不十分な結果であり(例えば、非特許文献1参照。)、更に改良の余地が残っている。また、長寿命化に関しても、燐光性化合物をドーパントとして用い、カルバゾール誘導体に加えて、特定の5配位の金属錯体を正孔阻止層に使用し長寿命化が達成されている(例えば、特許文献2参照。)。
【0006】
しかしながら、前記引用文献に記載のカルバゾール誘導体は、高輝度領域(高電流密度領域)での発光効率が不充分で、かつ、寿命についても更に改善の余地があり、未だ、実用化に耐えうる発光効率と寿命を有するまでには至っていない。今後の実用化に向けては、更に低消費電力で効率よく高輝度に発光する有機EL素子の開発が望まれている。
【0007】
【特許文献1】
特開2000−21572号公報
【0008】
【特許文献2】
特開2002−8860号公報
【0009】
【特許文献3】
特開2001−313179号公報
【0010】
【非特許文献1】
第62回応用物理学会学術講演会予稿集12−a−M8
【0011】
【発明が解決しようとする課題】
従って本発明の目的は、発光効率が高く、また発光寿命の長い有機エレクトロルミネッセンス素子を提供することにある。
【0012】
【課題を解決するための手段】
本発明の上記目的は、以下の手段によって達成される。
【0013】
1.前記一般式(1)で表される化合物を含有することを特徴とする有機エレクトロルミネッセンス素子。
【0014】
2.前記一般式(2)で表される化合物を含有することを特徴とする有機エレクトロルミネッセンス素子。
【0015】
3.前記一般式(1)で表される化合物及びリン光性ドーパントを発光層に含有することを特徴とする前記1に記載の有機エレクトロルミネッセンス素子。
【0016】
4.前記一般式(2)で表される化合物及びリン光性ドーパントを発光層に含有することを特徴とする前記2に記載の有機エレクトロルミネッセンス素子。
【0017】
5.一般式(1)または(2)で表される化合物を含有し、かつ発光が実質白色であることを特徴とする有機エレクトロルミネッセンス素子。
【0018】
6.前記1〜5のいずれか1項に記載の有機エレクトロルミネッセンス素子を具備してなることを特徴とする表示装置。
【0019】
7.前記1〜5のいずれか1項に記載の有機エレクトロルミネッセンス素子を具備してなることを特徴とする照明装置。
【0020】
以下、本発明を詳細に説明する。
本発明者等は、燐光発光用のホスト材料について鋭意検討を重ねた結果、フッ素を含有する置換基を有する特定のカルバゾール誘導体から構成される化合物が、光化学的、あるいは電気化学的な安定性、耐熱性に優れ、かつ比較的短波長に燐光発光を示すことを見出すとともに、本発明の化合物を用いて有機エレクトロルミネッセンスEL素子(有機EL素子ともいう)を作製した場合に、有機EL素子の発光輝度及び寿命が改善されることを見出し本発明に至ったものである。
【0021】
特に、青色発光において、発光輝度、発光効率の向上及び耐久性の両立を達成した有機EL素子、及びこれを用いた発光輝度の高い、耐久性の良好な表示装置を提供できることを見出した。
【0022】
本発明に係る前記一般式(1)で表されるカルバゾール誘導体化合物について説明する。
【0023】
前記一般式(1)において、R1は水素原子または置換基を表し、R2〜R9で表されるいずれかの1つ以上がフッ素含有アリール基であり、その他は水素原子または置換基を表す。
【0024】
R1で表される一価の置換基としては、代表的には、アルキル基(メチル基、エチル基、i−プロピル基、ヒドロキシエチル基、メトキシメチル基、トリフルオロメチル基、t−ブチル基、シクロペンチル基、シクロヘキシル基、ベンジル基等)、アリール基(置換フェニル基(トリル基、キシリル基、トリメチルフェニル基、テトラメチルフェニル基、ビフェニル基、ターフェニル基)、ナフチル基、p−トリル基、p−クロロフェニル基等)、アルケニル基(ビニル基、プロペニル基、スチリル基等)、アルキニル基(エチニル基等)、アルキルオキシ基(メトキシ基、エトキシ基、i−プロポキシ基、ブトキシ基等)、アリールオキシ基(フェノキシ基等)、アルキルチオ基(メチルチオ基、エチルチオ基、i−プロピルキオ基等)、アリールチオ基(フェニルチオ基等)、アミノ基、アルキルアミノ基(ジメチルアミノ基、ジエチルアミノ基、エチルメチルアミノ基等)、アリールアミノ基(アニリノ基、ジフェニルアミノ基等)、ハロゲン原子(フッ素原子、塩素原子、臭素原子、ヨウ素原子等)、シアノ基、ニトロ基、複素環基(ピロール基、ピロリジル基、ピラゾリル基、イミダゾリル基、ピリジル基、ベンズイミダゾリル基、ベンゾチアゾリル基、ベンゾオキサゾリル基等)、シリル基(トリメチルシリル基、t−ブチルジメチルシリル基、ジメチルフェニルシリル基、トリフェニルシリル基等)等が挙げられる。
【0025】
また。R2〜R9で表される基のいずれか1つ以上はフッ素含有アリール基であるが、アリール基としては、炭化水素環でも或いは複素環でもよく、例えばフェニル基、ナフチル基、フェナンスリル基等の炭化水素基、またヘテロアリール基、例えば、3−ピリジル基、2−ピリジル基、ピラジニル基、ピリミジニル基等、ピリダジニル基、トリアジニル基、また、ピロリル基、フラニル基、チエニル基、更には、イミダゾリル基、オキサゾリニル基、チアゾリル基等、トリアゾリル基、オキサジアゾリル基、チアジアゾリル基等、また、ベンズイミダゾリル基、ベンズオキサゾリル基、ベンズチアゾリル基等、ベンズトリアゾリル基等の基ををあらわし、これらに限定されないが、好ましくはフェニル基、ナフチル基等の炭化水素環であり、更に好ましくはフェニル基である。
【0026】
本発明に係わるフッ素含有アリール基としては、これらアリール基に、フッ素原子、又フッ素を含有する置換基が任意の位置で置換しているものである。フッ素を含有する置換基とは、例えば、モノフルオロメチル基、ジフルオロメチル基、トリフルオロメチル基、パーフルオロプロピル基、1,1,2,2−テトラフルオロエチル基、1,1,1−トリフルオロエチル基、また、1−クロル−1,2,2−トリフルオロエチル基等の基であり、フッ素含有アリール基としてはフッ素原子或いはこれらの基が少なくとも1つ置換したアリール基をさす。
【0027】
又、これらアリール基中には、フッ素以外の置換基があってもよく、前記のR1で表されるものと同様の一価の置換基で置換されていてもよい。
【0028】
これらフッ素含有アリール基の代表的な例を挙げると、p−フルオロフェニル基、2,4−フルオロフェニル基、ペンタフルオロフェニル基、p−トリフルオロメチルフェニル基、p−(1,1,1−トリフルオロエチル)フェニル基、4−フルオロ−α−ナフチル基等のフッ素含有アリール基、また、4−フルオロ−3−ピリジル基、4−フルオロ−2−ピリジル基、p−(2,2,2−トリフルオロエチル)フェニル基、5−トリフルオロメチル−1,3,4−オキサジアゾール−2−イル基、5−トリフルオロメチル−1,3,4−チアジアゾール−2−イル基、5−トリフルオロメチル−2−チエニル基等のフッ素含有ヘテロアリール基があげられる。
【0029】
R2〜R9で表されるその他は水素原子または置換基を表すが、ここにおいて置換基とは前記R1で表される置換基と同義である。これらの置換基はさらに置換されていてもよい。
【0030】
また、本発明に係わるフッ素含有アリール基を有するカルバゾール化合物のうち、前記置換基として、複数の(フッ素含有アリール基を有する)カルバゾール化合物が、任意の連結基によって、更に結合しているものでもよく、このような連結基として、炭素、ケイ素、窒素、ホウ素、酸素、硫黄、金属、金属イオン等で形成される連結基、また、炭素、ケイ素、窒素、ホウ素、酸素、硫黄、金属、金属イオン等を含有して形成される連結基、また、前記カルバゾール化合物が縮合多環基、複素単環基等からなる連結基があげられる。
【0031】
また、前記フッ素含有或いはフッ素を含有するアリール基を含有するカルバゾール化合物をポリマー(或いはオリゴマー)の成分として有する化合物も含まれる。
【0032】
次に、前記一般式(2)で表される化合物について説明する。
式中、R21はフッ素含有アリール基を表し、R22〜R29は水素原子または置換基を表すが、R21で表されるフッ素含有アリール基としては、一般式(1)における前記R2〜R9のいずれかで表されるフッ素含有アリール基と同じであり、R22〜R29で表される置換基についても前記一般式(1)におけるR1と同じである。
【0033】
これらについても前記の様な連結基で複数のカルバゾール環が結合しているものを含み、また、ポリマー(或いはオリゴマー)中の成分としてこれらを含有するものを含む。
【0034】
本発明に係る前記一般式(1)または(2)で表される化合物の分子量は350〜3000の範囲であることが好ましい。一般に、高性能な有機EL素子を作製するには真空蒸着法が可能で、かつ均一なアモルファスガラスを形成する材料を用いることが好ましい。化合物の構造によっても異なるが、分子量が350未満ではガラス転移点が低く耐熱性に乏しい有機EL素子しか作製できず、またガラス状態の安定性に欠けるため結晶化しやすいことから安定な有機EL素子が作製できない。一方、分子量が3000を超えると真空蒸発による製膜ができない傾向があり、高性能な有機EL素子を作製する上では問題となる。
【0035】
以下に、本発明に係わるフッ素を含有するカルバゾール誘導体の具体的化合物例を示すが、本発明においてはこれらに限定されるものではない。
【0036】
【化3】
【0037】
【化4】
【0038】
【化5】
【0039】
【化6】
【0040】
【化7】
【0041】
【化8】
【0042】
【化9】
【0043】
【化10】
【0044】
【化11】
【0045】
【化12】
【0046】
【化13】
【0047】
【化14】
【0048】
【化15】
【0049】
【化16】
【0050】
【化17】
【0051】
【化18】
【0052】
【化19】
【0053】
【化20】
【0054】
【化21】
【0055】
上記一般式(1)または(2)で表される化合物は、有機EL素子を構成する、下記に示すような何れかの層(例えば、正孔輸送層、発光層、正孔ブロック層、電子輸送層等)に含有していてもよいが、特に、後述するようにホスト化合物として発光層に含有する場合、または、発光層に隣接する層に含有する場合に、更に、高発光輝度、高発光効率を示し、かつ、耐久性が向上した有機EL素子が提供できることができる。
【0056】
本発明に係る一般式(1)または(2)で表される化合物の、有機EL素子を構成するいずれか1層中での含有量としては、50質量%以上であることが好ましく、更に好ましくは、80〜95質量%であり、特に好ましくは、90〜95質量%である。
【0057】
本発明に係る、一般式(1)または(2)で表されるフッ素を含有するアリール基を有するカルバゾール化合物は従来公知の方法によって製造が可能である。代表的には、J.Prakt.Chem.;317,1975,p284〜291、J.Chem.Res.Miniprint,FR,12,1981,p4237〜4252、Tetrahedron,EN,54,42,1998,p12707〜12714に開示された方法を参考に製造することができる。
【0058】
製造された各化合物は、NMR(核磁気共鳴スペクトル)及びマススペクトルにより同定することができる。
【0059】
《ホスト化合物》:発光層中の主成分
本発明に係るホスト化合物について説明する。
【0060】
ここで、「ホスト化合物」とは、2種以上の化合物で構成される発光層中にて混合比(質量)の最も多い化合物のことを意味し、それ以外の化合物については「ドーパント化合物」という。例えば、発光層を化合物a、化合物bという2種で構成し、その混合比がa:b=10:90であれば化合物Aがドーパント化合物であり、化合物Bがホスト化合物である。更に、発光層を化合物a、化合物b、化合物cの3種から構成し、その混合比がa:b:c=5:10:85であれば、化合物a、化合物bがドーパント化合物であり、化合物cがホスト化合物である。
【0061】
ここで、本発明に係るホスト化合物としては、前記一般式(1)または(2)で表される化合物、従来公知の蛍光性化合物、後述する蛍光性化合物等を用いることができる。
【0062】
《燐光性化合物》:発光層中のドーパント化合物の一種
本発明に係る、ドーパント化合物として用いられる燐光性化合物について説明する。
【0063】
「燐光性化合物」とは励起三重項からの発光が観測される化合物であり、燐光量子収率が、25℃において0.001以上の化合物である。燐光量子収率は好ましくは0.01以上、更に好ましくは0.1以上である。
【0064】
上記燐光量子収率は、第4版実験化学講座7の分光IIの398頁(1992年版、丸善)に記載の方法により測定できる。溶液中での燐光量子収率は種々の溶媒を用いて測定できるが、本発明に係る燐光性化合物は、任意の溶媒の何れかにおいて上記燐光量子収率が達成されることが好ましい。
【0065】
本発明に係る燐光性化合物としては、元素周期表で8〜10族の金属を含有する錯体系化合物が好ましく、更に好ましくは、イリジウム化合物、ロジウム化合物、ルテニウム化合物、オスミウム化合物または白金化合物(白金錯体系化合物)等が挙げられ、中でも最も好ましく用いられるのはイリジウム化合物である。
【0066】
ホスト化合物及びドーパント化合物として燐光性化合物を各々含有する発光層を有する本発明の有機EL素子において、有機EL素子を構成するいずれか1層には、前記一般式(1)または(2)で表される化合物を有し、発光極大波長が500nm以下であることが好ましい。
【0067】
本発明に用いられるホスト材料の最低励起三重項エネルギー準位は、発光材料の最低励起三重項エネルギー準位よりも高く、発光材料の最低励起三重項エネルギー準位の1.05〜1.38倍であることが好ましい。ホスト材料の最低励起三重項エネルギー準位は、68kcal/mol(284.9kJ/mol)〜90kcal/mol(377.1kJ/mol)であることが好ましい。
【0068】
本発明の有機EL素子において、発光層に隣接する層に含まれる有機材料の最低励起三重項エネルギー準位は、発光層を構成する材料の最低励起三重項エネルギー準位よりも高く、発光層を構成する材料の最低励起三重項エネルギー準位の1.05〜1.38倍であることが好ましい。本発明の有機EL素子において、発光層に隣接する層に含まれる有機材料の最低励起三重項エネルギー準位が、68kcal/mol(284.9kJ/mol)〜90kcal/mol(377.1kJ/mol)であることが好ましい。
【0069】
以下に、本発明に係る燐光性化合物の具体例を示すが、本発明はこれらに限定されない。また、これらの化合物は、例えば、Inorg.Chem.40巻、1704〜1711に記載の方法等により合成できる。
【0070】
【化22】
【0071】
【化23】
【0072】
【化24】
【0073】
以上のほか、下記に示す公開特許公報に記載されている化合物を使用することもできる。WO 00/70655、特開2002−280178、同2001−181616、同2002−280179、同2001−181617、同2002−280180、同2001−247859、同2002−299060、同2001−313178、同2002−302671、同2001−345183、同2002−324679、WO 02/15645、特開2002−332291、同2002−50484、同2002−332292、同2002−83684、特表2002−540572、特開2002−117978、同2002−338588、同2002−170684、同2002−352960、同WO 01/93642、同2002−50483、同2002−100476、同2002−173674、同2002−359082、同2002−175884、同2002−363552、同2002−184582、同2003−7469、特表2002−525808、特開2003−7471、特表2002−525833、特開2003−31366、同2002−226495、同2002−234894、同2002−235076、同2002−241751、同2001−319779、同2001−319780、同2002−62824、同2002−100474、同2002−203679、同2002−343572、同2002−203678等
《蛍光性化合物》
本発明に用いられる蛍光性化合物について説明する。
【0074】
本発明では、ホスト化合物と燐光性化合物の他に、蛍光性化合物を少なくとも1種含有してもよい。この場合、ホスト化合物または燐光性化合物からのエネルギー移動等で、有機EL素子としての電界発光は蛍光性化合物からの発光が得られる。蛍光性化合物として好ましいのは、溶液状態で蛍光量子収率が高いものである。ここで、蛍光量子収率は10%以上であることが好ましく、更に好ましくは、30%以上である。
【0075】
具体的な蛍光性化合物としては、クマリン系色素、ピラン系色素、シアニン系色素、クロコニウム系色素、スクアリウム系色素、オキソベンツアントラセン系色素、フルオレセイン系色素、ローダミン系色素、ピリリウム系色素、ペリレン系色素、スチルベン系色素、ポリチオフェン系色素、または、希土類錯体系蛍光体等が挙げられる。
【0076】
ここでの蛍光量子収率も、前記第4版実験化学講座7の分光IIの362頁(1992年版、丸善)に記載の方法により測定することができる。
【0077】
前記燐光性化合物は、前記のような燐光量子収率が、25℃において0.001以上であるほか、前記ホストの最低励起三重項エネルギーよりも低いそれを有するものであり、つまりより長波長なリン光極大波長を有するものである。燐光性化合物の燐光発光極大波長としては特に制限されるものではなく、原理的には、中心金属、配位子、配位子の置換基等を選択することで得られる発光波長を変化させることができる。
【0078】
本発明に用いられる蛍光性化合物が発光する色は、「新編色彩科学ハンドブック」(日本色彩学会編、東京大学出版会、1985)の108頁の図4.16において、分光放射輝度計CS−1000(ミノルタ製)で測定した結果をCIE色度座標に当てはめたときの色で決定される。
【0079】
《有機EL素子の層構成》
本発明に係る有機EL素子の層構成について説明する。
【0080】
本発明の有機EL素子は、一対の電極(陽極、陰極)の間に、少なくとも1層の発光層を挟持した構造を有する。ここで、発光層は、広義の意味では、陰極と陽極からなる電極に電流を流した際に発光する層のことであり、具体的には、陰極と陽極からなる電極に電流を流した際に発光する化合物を含有する層のことを指す。
【0081】
本発明の有機EL素子は、必要に応じ発光層の他に、正孔輸送層、電子輸送層、陽極バッファー層及び陰極バッファー層等を有し、陰極と陽極で挟持された構造をとる。具体的には以下に示される構造が挙げられる。
【0082】
(i)陽極/発光層/陰極
(ii)陽極/正孔輸送層/発光層/陰極
(iii)陽極/発光層/電子輸送層/陰極
(iv)陽極/正孔輸送層/発光層/電子輸送層/陰極
(v)陽極/陽極バッファー層/正孔輸送層/発光層/電子輸送層/陰極バッファー層/陰極
《発光層》
本発明に係る発光層について説明する。
【0083】
本発明では、上記一般式(1)または(2)で表される化合物を用いて発光層を形成することが好ましい。その形成方法としては、例えば、蒸着法、スピンコート法、キャスト法、LB法等の公知の方法により薄膜を形成することができるが、本発明では、特に分子堆積膜が好ましい。ここで、分子堆積膜とは、上記化合物の気相状態から沈着され形成された薄膜や、該化合物の溶融状態、または液相状態から固体化され形成された膜のことである。通常、分子堆積膜はLB法により形成された薄膜(分子累積膜)と、凝集構造、高次構造の相違やそれに起因する機能的な相違により区別することができる。
【0084】
また、この発光層は、特開昭57−51781号公報に記載されているように、樹脂等の結着材と共に発光材料として上記化合物を溶剤に溶かして溶液とした後、これをスピンコート法等により塗布して薄膜形成することにより得ることができる。
【0085】
(発光層の膜厚)
このようにして形成された発光層の膜厚については特に制限はなく、状況に応じて適宜選択することができるが、5nm〜5μmの範囲に膜厚調整することが好ましい。
【0086】
次に、正孔注入層、正孔輸送層、電子注入層、電子輸送層等、発光層と組み合わせて有機EL素子を構成するその他の層について説明する。
【0087】
《正孔注入層、正孔輸送層、電子注入層、電子輸送層》
本発明に用いられる、正孔注入層、正孔輸送層は、陽極より注入された正孔を発光層に伝達する機能を有し、この正孔注入層、正孔輸送層を陽極と発光層の間に介在させることにより、より低い電界で多くの正孔が発光層に注入され、その上、発光層に陰極、電子注入層、または電子輸送層より注入された電子は、発光層と正孔注入層もしくは正孔輸送層の界面に存在する電子の障壁により、発光層内の界面に累積され発光効率が向上する等発光性能の優れた素子となる。
【0088】
《正孔注入材料、正孔輸送材料》
この正孔注入層、正孔輸送層の材料(以下、正孔注入材料、正孔輸送材料という)については、前記の陽極より注入された正孔を発光層に伝達する機能を有する性質を有するものであれば特に制限はなく、従来、光導伝性材料において、正孔の電荷注入輸送材料として慣用されているものやEL素子の正孔注入層、正孔輸送層に使用される公知のものの中から任意のものを選択して用いることができる。
【0089】
上記正孔注入材料、正孔輸送材料は、正孔の注入もしくは輸送、電子の障壁性の何れかを有するものであり、有機物、無機物の何れであってもよい。この正孔注入材料、正孔輸送材料としては、例えばトリアゾール誘導体、オキサジアゾール誘導体、イミダゾール誘導体、ポリアリールアルカン誘導体、ピラゾリン誘導体及びピラゾロン誘導体、フェニレンジアミン誘導体、アリールアミン誘導体、アミノ置換カルコン誘導体、オキサゾール誘導体、スチリルアントラセン誘導体、フルオレノン誘導体、ヒドラゾン誘導体、スチルベン誘導体、シラザン誘導体、アニリン系共重合体、または、導電性高分子オリゴマー、特にチオフェンオリゴマー等が挙げられる。正孔注入材料、正孔輸送材料としては、上記のものを使用することができるが、ポルフィリン化合物、芳香族第三級アミン化合物及びスチリルアミン化合物、特に芳香族第三級アミン化合物を用いることが好ましい。
【0090】
上記芳香族第三級アミン化合物及びスチリルアミン化合物の代表例としては、N,N,N′,N′−テトラフェニル−4,4′−ジアミノフェニル;N,N′−ジフェニル−N,N′−ビス(3−メチルフェニル)−〔1,1′−ビフェニル〕−4,4′−ジアミン(TPD);2,2−ビス(4−ジ−p−トリルアミノフェニル)プロパン;1,1−ビス(4−ジ−p−トリルアミノフェニル)シクロヘキサン;N,N,N′,N′−テトラ−p−トリル−4,4′−ジアミノビフェニル;1,1−ビス(4−ジ−p−トリルアミノフェニル)−4−フェニルシクロヘキサン;ビス(4−ジメチルアミノ−2−メチルフェニル)フェニルメタン;ビス(4−ジ−p−トリルアミノフェニル)フェニルメタン;N,N′−ジフェニル−N,N′−ジ(4−メトキシフェニル)−4,4′−ジアミノビフェニル;N,N,N′,N′−テトラフェニル−4,4′−ジアミノジフェニルエーテル;4,4′−ビス(ジフェニルアミノ)クオードリフェニル;N,N,N−トリ(p−トリル)アミン;4−(ジ−p−トリルアミノ)−4′−〔4−(ジ−p−トリルアミノ)スチリル〕スチルベン;4−N,N−ジフェニルアミノ−(2−ジフェニルビニル)ベンゼン;3−メトキシ−4′−N,N−ジフェニルアミノスチルベンゼン;N−フェニルカルバゾール、更に、米国特許第5,061,569号明細書に記載されている2個の縮合芳香族環を分子内に有するもの、例えば、4,4′−ビス〔N−(1−ナフチル)−N−フェニルアミノ〕ビフェニル(α−NPD)、特開平4−308688号公報に記載されているトリフェニルアミンユニットが3つスターバースト型に連結された4,4′,4″−トリス〔N−(3−メチルフェニル)−N−フェニルアミノ〕トリフェニルアミン(MTDATA)等が挙げられる。
【0091】
更に、これらの材料を高分子鎖に導入した、または、これらの材料を高分子の主鎖とした高分子材料を用いることもできる。
【0092】
または、p型−Si、p型−SiC等の無機化合物も正孔注入材料、正孔輸送材料として使用することができる。この正孔注入層、正孔輸送層は、上記正孔注入材料、正孔輸送材料を、例えば真空蒸着法、スピンコート法、キャスト法、LB法等の公知の方法により、薄膜化することにより形成することができる。
【0093】
(正孔注入層の膜厚、正孔輸送層の膜厚)
正孔注入層、正孔輸送層の膜厚については特に制限はないが、5nm〜5μm程度での範囲に調整することが好ましい。この正孔注入層、正孔輸送層は、上記材料の一種または二種以上からなる一層構造であってもよく、同一組成または異種組成の複数層からなる積層構造であってもよい。
【0094】
《電子輸送層、電子輸送材料》
本発明に係る電子輸送層は、陰極より注入された電子を発光層に伝達する機能を有していればよく、その材料としては従来公知の化合物の中から任意のものを選択して用いることができる。
【0095】
この電子輸送層に用いられる材料(以下、電子輸送材料という)の例としては、ニトロ置換フルオレン誘導体、ジフェニルキノン誘導体、チオピランジオキシド誘導体、ナフタレンペリレン等の複素環テトラカルボン酸無水物、カルボジイミド、フレオレニリデンメタン誘導体、アントラキノジメタン及びアントロン誘導体、オキサジアゾール誘導体等が挙げられる。更に、上記オキサジアゾール誘導体において、オキサジアゾール環の酸素原子を硫黄原子に置換したチアジアゾール誘導体、電子吸引基として知られているキノキサリン環を有するキノキサリン誘導体も、電子輸送材料として用いることができる。
【0096】
更に、これらの材料を高分子鎖に導入した、またはこれらの材料を高分子の主鎖とした高分子材料を用いることもできる。
【0097】
または、8−キノリノール誘導体の金属錯体、例えばトリス(8−キノリノール)アルミニウム(Alq3)、トリス(5,7−ジクロロ−8−キノリノール)アルミニウム、トリス(5,7−ジブロモ−8−キノリノール)アルミニウム、トリス(2−メチル−8−キノリノール)アルミニウム、トリス(5−メチル−8−キノリノール)アルミニウム、ビス(8−キノリノール)亜鉛(Znq)等、及びこれらの金属錯体の中心金属がIn、Mg、Cu、Ca、Sn、GaまたはPbに置き替わった金属錯体も、電子輸送材料として用いることができる。
【0098】
その他、メタルフリーまたはメタルフタロシアニン、更には、それらの末端がアルキル基やスルホン酸基等で置換されているものも、電子輸送材料として好ましく用いることができる。または、発光層の材料として例示したジスチリルピラジン誘導体も、電子輸送材料として用いることができるし、正孔注入層、正孔輸送層と同様に、n型−Si、n型−SiC等の無機半導体も電子輸送材料として用いることができる。
【0099】
この電子輸送層は、上記化合物を、例えば真空蒸着法、スピンコート法、キャスト法、LB法等の公知の薄膜形成法により製膜して形成することができる。
【0100】
(電子輸送層の膜厚)
電子輸送層の膜厚は特に制限はないが、5nm〜5μmの範囲に調整することが好ましい。この電子輸送層は、これらの電子輸送材料一種または二種以上からなる一層構造であってもよいし、或いは、同一組成または異種組成の複数層からなる積層構造であってもよい。
【0101】
また、本発明においては、蛍光性化合物は発光層のみに限定することはなく、発光層に隣接した正孔輸送層、または電子輸送層に前記燐光性化合物のホスト化合物となる蛍光性化合物と同じ領域に蛍光極大波長を有する蛍光性化合物を少なくとも1種含有させてもよく、それにより更にEL素子の発光効率を高めることができる。これらの正孔輸送層や電子輸送層に含有される蛍光性化合物としては、発光層に含有されるものと同様に蛍光極大波長が330〜440nm、更に好ましくは360〜410nmの範囲にある蛍光性化合物が用いられる。
【0102】
または、本発明においては、発光効率、及び耐久性の点から一般式(1)で表される化合物を電子輸送層に含有することが好ましい。
【0103】
《基体(基板、基材、支持体等ともいう)》
本発明の有機EL素子に係る基体としては、ガラス、プラスチック等の種類には特に限定はなく、また、透明のものであれば特に制限はないが、好ましく用いられる基板としては例えばガラス、石英、光透過性樹脂フィルムを挙げることができる。特に好ましい基体は、有機EL素子にフレキシブル性を与えることが可能な樹脂フィルムである。
【0104】
樹脂フィルムとしては、特に限定はなく、具体的には、ポリエチレンテレフタレート、ポリエチレンナフタレート等のポリエステル、ポリエチレン、ポリプロピレン、セロファン、セルロースジアセテート、セルローストリアセテート、セルロースアセテートブチレート、セルロースアセテートプロピオネート、セルロースアセテートフタレート、セルロースナイトレート等のセルロースエステル類又はそれらの誘導体、ポリ塩化ビニリデン、ポリビニルアルコール、ポリエチレンビニルアルコール、シンジオタクティックポリスチレン、ポリカーボネート、ノルボルネン樹脂、ポリメチルペンテン、ポリエーテルケトン、ポリイミド、ポリエーテルスルホン、ポリスルホン類、ポリエーテルケトンイミド、ポリアミド、フッ素樹脂、ナイロン、ポリメチルメタクリレート、アクリル或いはポリアリレート類、アートン(商品名:JSR(株)製)或いはアペル(商品名:三井化学(株)製)といったノルボルネン系(またはシクロオレフィン系)樹脂、有機無機ハイブリッド樹脂等をあげることが出来る。有機無機ハイブリッド樹脂としては、有機樹脂とゾルゲル反応によって得られる無機高分子(例えばシリカ、アルミナ、チタニア、ジルコニア等)を組み合わせて得られるものが挙げられる。
【0105】
樹脂フィルムの表面には無機物もしくは有機物の被膜またはその両者のハイブリッド被膜が形成されていてもよい。
【0106】
被膜の具体例としてはゾル−ゲル法により形成されたシリカ層、ポリマーの塗布等により形成された有機層(たとえば重合性基を有する有機材料膜に紫外線照射や加熱等の手段で後処理を施した膜を含む)、DLC膜、金属酸化物膜または金属窒化物膜などが挙げられる。金属酸化物膜、金属窒化物膜を構成する金属酸化物、金属窒化物としては、酸化珪素、酸化チタン、酸化アルミニウムなどの金属酸化物、窒化珪素などの金属窒化物、酸窒化珪素、酸窒化チタンなどの金属酸窒化物が挙げられる。
【0107】
前記、表面に無機物もしくは有機物の被膜またはその両者のハイブリッド被膜が形成された樹脂フィルムの水蒸気透過率は、0.01g/m2・day・atm以下の高バリア性フィルムであることが好ましい。
【0108】
次に、有機EL素子を作製する好適な例を説明する。例として、前記の陽極/正孔注入層/正孔輸送層/発光層/電子輸送層/電子注入層/陰極からなるEL素子の作製法について説明する。
【0109】
まず適当な基板上に、所望の電極用物質、例えば陽極用物質からなる薄膜を、1μm以下、好ましくは10〜200nmの範囲の膜厚になるように、蒸着やスパッタリング等の方法により形成させて陽極を作製する。次に、この上に素子材料である正孔注入層、正孔輸送層、発光層、電子輸送層/電子注入層からなる薄膜を形成させる。
【0110】
更に、陽極と発光層または正孔注入層の間、及び、陰極と発光層または電子注入層との間にはバッファー層(電極界面層)を存在させてもよい。
【0111】
バッファー層とは、駆動電圧低下や発光効率向上のために電極と有機層間に設けられる層のことで、「有機EL素子とその工業化最前線(1998年11月30日エヌ・ティー・エス社発行)」の第2編第2章「電極材料」(123〜166頁)に詳細に記載されており、陽極バッファー層と陰極バッファー層とがある。
【0112】
陽極バッファー層は、特開平9−45479号公報、同9−260062号公報、同8−288069号公報等にもその詳細が記載されており、具体例として、銅フタロシアニンに代表されるフタロシアニンバッファー層、酸化バナジウムに代表される酸化物バッファー層、アモルファスカーボンバッファー層、ポリアニリン(エメラルディン)やポリチオフェン等の導電性高分子を用いた高分子バッファー層等が挙げられる。
【0113】
陰極バッファー層は、特開平6−325871号公報、同9−17574号公報、同10−74586号公報等にもその詳細が記載されており、具体的にはストロンチウムやアルミニウム等に代表される金属バッファー層、フッ化リチウムに代表されるアルカリ金属化合物バッファー層、フッ化マグネシウムに代表されるアルカリ土類金属化合物バッファー層、酸化アルミニウム、酸化リチウムに代表される酸化物バッファー層等が挙げられる。
【0114】
上記バッファー層はごく薄い膜であることが望ましく、素材にもよるが、その膜厚は0.1〜100nmの範囲が好ましい。
【0115】
更に上記基本構成層の他に必要に応じてその他の機能を有する層を積層してもよく、例えば特開平11−204258号公報、同11−204359号公報、及び「有機EL素子とその工業化最前線(1998年11月30日エヌ・ティー・エス社発行)」の第237頁等に記載されている正孔阻止(ホールブロック)層等のような機能層を有していてもよい。
【0116】
《電極》
次に有機EL素子の電極について説明する。有機EL素子の電極は、陰極と陽極からなる。この有機EL素子における陽極としては、仕事関数の大きい(4eV以上)金属、合金、電気伝導性化合物及びこれらの混合物を電極物質とするものが好ましく用いられる。このような電極物質の具体例としてはAu等の金属、CuI、インジウムチンオキシド(ITO)、SnO2、ZnO等の導電性透明材料が挙げられる。
【0117】
上記陽極は蒸着やスパッタリング等の方法によりこれらの電極物質の薄膜を形成させ、フォトリソグラフィー法で所望の形状のパターンを形成してもよく、或いはパターン精度をあまり必要としない場合(100μm以上程度)は、上記電極物質の蒸着やスパッタリング時に所望の形状のマスクを介してパターンを形成してもよい。この陽極より発光を取り出す場合には、透過率を10%より大きくすることが望ましく、または、陽極としてのシート抵抗は数百Ω/□以下が好ましい。更に膜厚は材料にもよるが、通常10nm〜1μm、好ましくは10nm〜200nmの範囲で選ばれる。
【0118】
一方、陰極としては、仕事関数の小さい(4eV以下)金属(電子注入性金属と称する)、合金、電気伝導性化合物及びこれらの混合物を電極物質とするものが好ましく用いられる。このような電極物質の具体例としては、ナトリウム、ナトリウム−カリウム合金、マグネシウム、リチウム、マグネシウム/銅混合物、マグネシウム/銀混合物、マグネシウム/アルミニウム混合物、マグネシウム/インジウム混合物、アルミニウム/酸化アルミニウム(Al2O3)混合物、インジウム、リチウム/アルミニウム混合物、希土類金属等が挙げられる。これらの中で、電子注入性及び酸化等に対する耐久性の点から、電子注入性金属とこれより仕事関数の値が大きく安定な金属である第二金属との混合物、例えばマグネシウム/銀混合物、マグネシウム/アルミニウム混合物、マグネシウム/インジウム混合物、アルミニウム/酸化アルミニウム(Al2O3)混合物、リチウム/アルミニウム混合物等が好適である。上記陰極は、これらの電極物質を蒸着やスパッタリング等の方法で薄膜を形成させることにより作製することができる。または、陰極としてのシート抵抗は数百Ω/□以下が好ましく、膜厚は通常10nm〜1μm、好ましくは50〜200nmの範囲で選ばれる。なお発光を透過させるため、有機EL素子の陽極または陰極の何れか一方が、透明または半透明であれば発光効率が向上するので好都合である。
【0119】
《有機EL素子の作製方法》
次に、有機EL素子の作製方法について説明する。
【0120】
薄膜化の方法としては、前記の如くスピンコート法、キャスト法、蒸着法等があるが、均質な膜が得られやすく、かつピンホールが生成しにくい等の点から、真空蒸着法が好ましい。薄膜化に真空蒸着法を採用する場合、その蒸着条件は、使用する化合物の種類、分子堆積膜の目的とする結晶構造、会合構造等により異なるが、一般にボート加熱温度50〜450℃、真空度10−6〜10−3Pa、蒸着速度0.01nm/秒〜50nm/秒、基板温度−50℃〜300℃、膜厚5nm〜5μmの範囲で適宜選ぶことが望ましい。
【0121】
前記の様に、適当な基板上に所望の電極用物質、例えば陽極用物質からなる薄膜を1μm以下、好ましくは10〜200nmの範囲の膜厚になるように、蒸着やスパッタリング等の方法により形成させて陽極を作製した後、該陽極上に前記の通り正孔注入層、正孔輸送層、発光層、電子輸送層/電子注入層からなる各層薄膜を形成させた後、その上に陰極用物質からなる薄膜を1μm以下、好ましくは50〜200nmの範囲の膜厚になるように、例えば蒸着やスパッタリング等の方法により形成させて陰極を設け、所望の有機EL素子が得られる。この有機EL素子の作製は、一回の真空引きで一貫してこの様に正孔注入層から陰極まで作製するのが好ましいが、作製順序を逆にして、陰極、電子注入層、発光層、正孔注入層、陽極の順に作製することも可能である。このようにして得られた有機EL素子に、直流電圧を印加する場合には、陽極を+、陰極を−の極性として電圧5〜40V程度を印加すると、発光が観測できる。または、逆の極性で電圧を印加しても電流は流れずに発光は全く生じない。更に、交流電圧を印加する場合には、陽極が+、陰極が−の状態になったときのみ発光する。なお印加する交流の波形は任意でよい。
【0122】
《表示装置》
本発明の有機EL素子は、照明用や露光光源のような一種のランプとして使用してもよいし、画像を投影するタイプのプロジェクション装置や、静止画像や動画像を直接視認するタイプの表示装置(ディスプレイ)として使用してもよい。動画再生用の表示装置として使用する場合の駆動方式は単純マトリクス(パッシブマトリクス)方式でもアクティブマトリクス方式でもどちらでもよい。または、異なる発光色を有する本発明の有機EL素子を2種以上使用することにより、フルカラー表示装置を作製することが可能である。
【0123】
【発明の実施の形態】
本発明の有機EL素子から構成される表示装置の一例を図面に基づいて以下に説明する。
【0124】
図1は、有機EL素子から構成される表示装置の一例を示した模式図である。有機EL素子の発光により画像情報の表示を行う、例えば、携帯電話等のディスプレイの模式図である。
【0125】
ディスプレイ1は、複数の画素を有する表示部A、画像情報に基づいて表示部Aの画像走査を行う制御部B等からなる。
【0126】
制御部Bは、表示部Aと電気的に接続され、複数の画素それぞれに外部からの画像情報に基づいて走査信号と画像データ信号を送り、走査信号により走査線毎の画素が画像データ信号に応じて順次発光して画像走査を行って画像情報を表示部Aに表示する。
【0127】
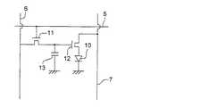
図2は、表示部Aの模式図である。
表示部Aは基板上に、複数の走査線5及びデータ線6を含む配線部と、複数の画素3等とを有する。表示部Aの主要な部材の説明を以下に行う。
【0128】
図においては、画素3の発光した光が、白矢印方向(下方向)へ取り出される場合を示している。
【0129】
配線部の走査線5及び複数のデータ線6は、それぞれ導電材料からなり、走査線5とデータ線6は格子状に直交して、直交する位置で画素3に接続している(詳細は図示せず)。
【0130】
画素3は、走査線5から走査信号が印加されると、データ線6から画像データ信号を受け取り、受け取った画像データに応じて発光する。発光の色が赤領域の画素、緑領域の画素、青領域の画素を、適宜、同一基板上に並置することによって、フルカラー表示が可能となる。
【0131】
次に、画素の発光プロセスを説明する。
図3は、画素を構成する駆動回路の等価回路図である。
【0132】
画素は、有機EL素子10、スイッチングトランジスタ11、駆動トランジスタ12、コンデンサ13等を備えている。複数の画素に有機EL素子10として、赤色、緑色、青色発光の有機EL素子を用い、これらを同一基板上に並置することでフルカラー表示を行うことができる。
【0133】
図3において、制御部Bからデータ線6を介してスイッチングトランジスタ11のドレインに画像データ信号が印加される。そして、制御部Bから走査線5を介してスイッチングトランジスタ11のゲートに走査信号が印加されると、スイッチングトランジスタ11の駆動がオンし、ドレインに印加された画像データ信号がコンデンサ13と駆動トランジスタ12のゲートに伝達される。
【0134】
画像データ信号の伝達により、コンデンサ13が画像データ信号の電位に応じて充電されるとともに、駆動トランジスタ12の駆動がオンする。駆動トランジスタ12は、ドレインが電源ライン7に接続され、ソースが有機EL素子10の電極に接続されており、ゲートに印加された画像データ信号の電位に応じて電源ライン7から有機EL素子10に電流が供給される。
【0135】
制御部Bの順次走査により走査信号が次の走査線5に移ると、スイッチングトランジスタ11の駆動がオフする。しかし、スイッチングトランジスタ11の駆動がオフしてもコンデンサ13は充電された画像データ信号の電位を保持するので、駆動トランジスタ12の駆動はオン状態が保たれて、次の走査信号の印加が行われるまで有機EL素子10の発光が継続する。順次走査により次に走査信号が印加されたとき、走査信号に同期した次の画像データ信号の電位に応じて駆動トランジスタ12が駆動して有機EL素子10が発光する。
【0136】
すなわち、有機EL素子10の発光は、複数の画素それぞれの有機EL素子10に対して、アクティブ素子であるスイッチングトランジスタ11と駆動トランジスタ12を設けて、複数の画素3それぞれの有機EL素子10の発光を行っている。このような発光方法をアクティブマトリクス方式と呼んでいる。
【0137】
ここで、有機EL素子10の発光は、複数の階調電位を持つ多値の画像データ信号による複数の階調の発光でもよいし、2値の画像データ信号による所定の発光量のオン、オフでもよい。
【0138】
また、コンデンサ13の電位の保持は、次の走査信号の印加まで継続して保持してもよいし、次の走査信号が印加される直前に放電させてもよい。
【0139】
本発明においては、上述したアクティブマトリクス方式に限らず、走査信号が走査されたときのみデータ信号に応じて有機EL素子を発光させるパッシブマトリクス方式の発光駆動でもよい。
【0140】
図4は、パッシブマトリクス方式による表示装置の模式図である。図4において、複数の走査線5と複数の画像データ線6が画素3を挟んで対向して格子状に設けられている。
【0141】
順次走査により走査線5の走査信号が印加されたとき、印加された走査線5に接続している画素3が画像データ信号に応じて発光する。
【0142】
パッシブマトリクス方式では画素3にアクティブ素子がなく、製造コストの低減が計れる。
【0143】
本発明に係わるカルバゾール誘導体化合物は、また、実質白色の発光を生じる有機エレクトロルミネッセンス素子に用いることが出来る。
【0144】
有機EL素子は現在のところ単一の発光材料で白色発光を示すものがないため、複数の発光材料により複数の発光色を同時に発光させて混色により白色発光を得ている。複数の発光色の組み合わせとしては、青色、緑色、青色の3原色の3つの発光極大波長を含有させたものでも良いし、青色と黄色、青緑と橙色等の補色の関係を利用した2つの発光極大波長を含有したものでも良い。
【0145】
また、複数の発光色を得るための発光材料の組み合わせは、複数の燐光または蛍光で発光する材料を、複数組み合わせたもの、蛍光または燐光で発光する発光材料と、発光材料からの光を励起光として発光する色素材料との組み合わせたもののいずれでも良い。
【0146】
例えば、本発明において、発光層の材料として、発光ホストとして、本発明に係わるカルバゾール誘導体をもちい、リン光性ドーパントとして、前記リン光性ドーパントのなかから、補色の関係にあるドーパントを混合して用いることにより、白色発光においても、高い発光効率を得ることができる。
【0147】
発光層にホスト材料としてこれまで知られている化合物を併用して用いることができるほか、正孔輸送層を設ける場合は、材料に特に制限はないが、陽極からの正孔を、発光する層に伝達する機能を有していれば良く、前記の、従来、光導電材料において、正孔の電荷注入材料として慣用されているものや、EL素子の正孔輸送層に用いられている公知のものの中から任意のものを選択して用いることができる。
【0148】
電子輸送層を設ける場合においても、特に制限がなく、カソード電極からの電子を発光する層に伝達する機能を有していれば、従来公知の材料の中から任意のものを選択して用いることができる。
【0149】
白色有機エレクトロルミネッセンス素子は、基本的には発光が補色の関係にあるドーパントを混合するだけでよく、発光部のパターニングのみで発光材料を得ることが出来る。従って、発光層もしくは正孔輸送層或いは電子輸送層等の形成時のみマスクにより塗り分ければよく、他層は共通であるのでマスク等のパターニングは不要であり、形成が容易であり、一面に蒸着法、キャスト法、スピンコート法、インクジェット法、印刷法等で例えば電極膜を形成でき、生産性も向上するる。この方法によれば、複数色の発光素子をアレー状に並列配置した白色有機EL装置と異なり、素子自体が発光白色である。
【0150】
このようにして得られた白色表示素子に、直流電圧を印加する場合には、陽極を+、陰極を−の極性として電圧2〜40V程度を印加すると、白色の発光が観測できる。また、逆の極性で電圧を印加しても電流は流れずに発光は全く生じない。さらに、交流電圧を印加する場合には、陽極が+、陰極が−の状態になったときのみ発光する。なお、印加する交流の波形は任意でよい。
【0151】
白色発光有機EL素子は、表示デバイス、ディスプレー、各種発光光源に用いることができるが、家庭用照明用、車内照明、また露光光源のような一種のランプとして、また液晶表示装置のバックライトとして表示装置にも有用に用いられる。
【0152】
その他、時計等のバックライト、看板広告、信号機、光記憶媒体等の光源、電子写真複写機の光源、光通信処理機の光源、光センサーの光源等、更には表示装置を必要とする一般の家庭用電気器具等広い範囲の用途が挙げられる。
【0153】
【実施例】
以下、実施例により本発明を説明するが、本発明はこれらに限定されない。
【0154】
実施例1
《有機EL素子OLED1−1の作製》
陽極としてガラス上にITOを150nm成膜したガラス基板(NHテクノグラス社製:NA−45)にパターニングを行った後、このITO透明電極を設けたガラス基板をiso−プロピルアルコールで超音波洗浄し、乾燥窒素ガスで乾燥し、UVオゾン洗浄を5分間行った。
【0155】
このガラス基板を、市販の真空蒸着装置の基板ホルダーに固定し、一方、5つのタンタル製抵抗加熱ボートに、α−NPD、CBP、Ir−1、BCP、Alq3をそれぞれ入れ、真空蒸着装置(第1真空槽)に取付けた。
【0156】
さらにタンタル製抵抗加熱ボートにフッ化リチウムを、タングステン製抵抗加熱ボートにアルミニウムをそれぞれ入れ、真空蒸着装置の第2真空槽に取り付けた。
【0157】
まず、第1の真空槽を4×10−4Paまで減圧した後、α−NPDの入った前記加熱ボートに通電して加熱し、蒸着速度0.1nm〜0.2nm/秒で透明支持基板に膜厚25nmの厚さになるように蒸着し、正孔注入/輸送層を設けた。
【0158】
さらに、CBPの入った前記加熱ボートとIr−1の入ったボートをそれぞれ独立に通電して発光ホストであるCBPと発光ドーパントであるIr−1の蒸着速度が100:7になるように調節し膜厚30nmの厚さになるように蒸着し、発光層を設けた。
【0159】
ついで、BCPの入った前記加熱ボートに通電して加熱し、蒸着速度0.1〜0.2nm/秒で厚さ10nmの電子輸送層を設けた。更に、Alq3の入った前記加熱ボートを通電して加熱し、蒸着速度0.1〜0.2nm/秒で膜厚40nmの電子注入層を設けた。
【0160】
次に、前記の如く電子注入層まで製膜した素子を真空のまま第2真空槽に移した後、電子注入層の上にステンレス鋼製の長方形穴あきマスクが配置されるように装置外部からリモートコントロールして設置した。
【0161】
第2真空槽を2×10−4Paまで減圧した後、フッ化リチウム入りのボートに通電して蒸着速度0.01〜0.02nm/秒で膜厚0.5nmの陰極バッファー層を設け、次いでアルミニウムの入ったボートに通電して蒸着速度1〜2nm/秒で膜厚150nmの陰極をつけた。
【0162】
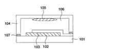
さらにこの有機EL素子を大気に接触させることなく窒素雰囲気下のグローブボックス(純度99.999%以上の高純度窒素ガスで置換したグローブボックス)へ移し、図5に示したような封止構造にして、OLED1−1を作製した。なお、補水剤である酸化バリウム105は、アルドリッチ社製の高純度酸化バリウム粉末を、粘着剤付きのフッ素樹脂系半透過膜(ミクロテックス S−NTF8031Q 日東電工製)でガラス製封止缶104に貼り付けたものを予め準備して使用した。封止缶と有機EL素子の接着には紫外線硬化型の接着剤107を用い、紫外線ランプを照射することで両者を接着し封止した封止構造を有する素子を作製した。図において101は透明電極を設けたガラス基板、102が前記正孔注入/輸送層、発光層、電子輸送層、電子注入層等からなる有機EL層、103は陰極を示す。
【0163】
《有機EL素子OLED1−2〜1−15の作製》
上記の有機EL素子OLED1−1の作製において、発光ホストを表1に記載の化合物にかえた以外は同様にして、有機EL素子OLED1−2〜1−15を各々作製した。
【0164】
【化25】
【0165】
【化26】
【0166】
得られた有機EL素子OLED1−1〜OLED1−15の各々について下記のような評価を行った。
【0167】
《発光寿命、外部取り出し量子効率》
有機EL素子OLED1−1〜1−15の各々の素子を温度23℃、乾燥窒素ガス雰囲気下で5.0mA/cm2の低電流条件下による連続点灯を行い、点灯開始直後の発光輝度(L)[cd/m2]および発光効率をみるため外部取り出し量子効率(η)を測定した。ここで、発光輝度[cd/m2]については、ミノルタ製CS−1000を用いて測定した。また、
外部取り出し量子効率(%)=有機EL素子外部に発光した光子数/有機EL素子に流した電子数×100
であり、外部取り出し量効率の測定法は、分光放射輝度計CS−1000により測定した発光スペクトルを各波長の光子のエネルギーから380〜780nmの光子数を求め、さらにランバーシアン仮定に基づき発光面から発光した光子数を求めた。また、電流量から電子数を求めた。
【0168】
また、発光寿命については、OLED1−1〜1−15の各々の素子を温度23℃、2.5mA/m2の低電流条件下による連続点灯を行ったときの、初期輝度が半分になるのに要する時間(τ1/2)を測定した。
【0169】
また、外部取り出し量子効率(発光効率)および発光寿命は、各々有機EL素子OLED1−1を100としたときの相対値で表した。得られた結果を表1に示す。尚、発光色はすべての素子で緑色であった。
【0170】
【表1】
【0171】
表1から、本発明に係わるカルバゾール誘導体をホスト化合物として用いたときに、発光効率が高く、又、発光寿命も長いことがわかる。
【0172】
実施例2
《有機EL素子OLED2−1の作製》
実施例1のOLED1−1の正孔注入/輸送層をα−NPDからm−MTDATXAに、発光層の作製に用いたCBPはそのままにして、発光ドーパント(Ir−1)をIr−12に変更した以外は実施例1と同様な方法で有機EL素子OLED2−1を得た。
【0173】
【化27】
【0174】
《有機EL素子OLED2−2〜2−11の作製》
上記の有機EL素子OLED2−1の発光層に用いた比較化合物CBPを表2に記載の化合物にかえ、有機EL素子OLED2−2〜2−11をそれぞれ作製した。
【0175】
得られた有機EL素子OLED2−1〜2−11の各々について下記のような評価を行った。
【0176】
《発光寿命》
有機EL素子OLED2−1〜2−11の各々の素子を、温度23℃、2.5mA/m2の低電流条件下による連続点灯を行い、初期輝度の半分の輝度になるのに要する時間(τ1/2)を測定した。また、点灯開始直後の発光輝度(L)[cd/m2]および外部取り出し量子効率(η)を測定した。輝度の測定にはミノルタ製CS−1000を用い、外部取り出し量子効率(η)を前記と同様に評価した。
【0177】
発光寿命、外部取り出し量子効率(η)(発光効率)は、それぞれ有機EL素子OLED2−1を100としたときの相対値で表し、得られた結果を表2に示す。尚、発光色はいずれも青色だった。
【0178】
【表2】
【0179】
表2から、発光ドーパントをかえた系においても、本発明に係わるカルバゾール誘導体をホスト化合物として用いると、発光効率が高く、又、発光寿命も長いことがわかる。
【0180】
実施例3
《フルカラー表示装置の作製》
〈青色発光素子〉
前記OLED2−10を青色発光素子として用いた。
【0181】
〈緑色発光素子〉
前記OLED1−6を緑色発光素子として用いた。
【0182】
〈赤色発光素子〉
上記の緑色発光素子OLED1−6の作製において、発光ドーパントをIr−1からIr−9に換えた以外は同様にして、赤色発光素子を作製した。
【0183】
上記で作製した、各々赤色、緑色、青色発光有機EL素子を同一基板上に並置し、図2に記載のような形態を有するアクティブマトリクス方式フルカラー表示装置を作製した。図2には、作製した前記表示装置の表示部Aの模式図のみを示した。即ち、同一基板上に、複数の走査線5及びデータ線6を含む配線部と、並置した複数の画素3(発光の色が赤領域の画素、緑領域の画素、青領域の画素等)とを有し、配線部の走査線5及び複数のデータ線6は、それぞれ導電材料からなり、走査線5とデータ線6は格子状に直交して、直交する位置で画素3に接続している(詳細は図示せず)。前記複数画素3は、それぞれの発光色に対応した有機EL素子、アクティブ素子であるスイッチングトランジスタと駆動トランジスタそれぞれが設けられたアクティブマトリクス方式で駆動されており、走査線5から走査信号が印加されると、データ線6から画像データ信号を受け取り、受け取った画像データに応じて発光する。この様に各赤、緑、青の画素を適宜、並置することによって、フルカラー表示が可能となる。
【0184】
該フルカラー表示装置を駆動することにより、輝度が高く、高耐久性を有し、かつ、鮮明なフルカラー動画表示が得られることが判った。
【0185】
実施例4
実施例1の透明電極基板の電極を20mm×20mmにパターニングし、その上に実施例1と同様に正孔注入/輸送層としてα−NPDを50nmの厚さで成膜し、更に本発明の化合物56の入った前記加熱ボートとIr−12の入ったボートおよびIr−9の入ったボートをそれぞれ独立に通電して発光ホストである化合物56と発光ドーパントであるIr−12およびIr−9の蒸着速度が100:5:0.6になるように調節し膜厚30nmの厚さになるように蒸着し発光層を設けた。
【0186】
次いで、BCPを10nm成膜して電子輸送層を設けた。更に、Alq3を40nmで成膜し電子注入層を設けた。
【0187】
次に、真空槽を開け、電子注入層の上にステンレス鋼製の透明電極とほぼ同じ形状の正方形穴あきマスクを設置し、陰極バッファー層として弗化リチウム0.5nmおよび陰極としてアルミニウム110nmを蒸着成膜した。
【0188】
この素子を実施例1と同様な方法および同様な構造の封止缶を用いて封止し平面ランプを作製した。
【0189】
この平面ランプに通電したところほぼ白色の光が得られ、照明装置として使用出来ることが判った。尚、発光ホストを本発明の他の化合物に置き換えても同様に白色の発光が得られることが判った。
【0190】
【発明の効果】
本発明により、高い発光効率を示し、かつ、半減寿命の短い有機エレクトロルミネッセンス素子および表示装置並びに照明装置を提供することが出来た。
【図面の簡単な説明】
【図1】有機EL素子から構成される表示装置の一例を示した模式図である。
【図2】表示部の模式図である。
【図3】画素を構成する駆動回路の等価回路図である。
【図4】パッシブマトリクス方式による表示装置の模式図である。
【図5】封止構造を有する有機EL装置の模式図である。
【符号の説明】
1 ディスプレイ
3 画素
5 走査線
6 データ線
7 電源ライン
10 有機EL素子
11 スイッチングトランジスタ
12 駆動トランジスタ
13 コンデンサ
A 表示部
B 制御部[0001]
BACKGROUND OF THE INVENTION
The present invention relates to an organic electroluminescence element containing a novel host compound having high emission efficiency and a long emission lifetime, a display device using the element, and an illumination apparatus.
[0002]
[Prior art]
The use of a carbazole derivative typified by CBP as a light-emitting material of an organic electroluminescence element is known in Japanese Patent Application Laid-Open No. 2000-21572 (Patent Document 1).
[0003]
It is also known to use a carbazole derivative as a light emitting host together with a phosphorescent dopant.
[0004]
For example, Japanese Patent Application Laid-Open No. 2002-8860 and 2001-313179 describe use with a phosphorescent dopant (Patent Documents 2 and 3).
[0005]
However, when a blue to blue-green phosphorescent compound is used as a light-emitting dopant, even if the CBP or carbazole derivative is used as a host compound, the external extraction quantum efficiency is low, which is an insufficient result (for example, (See Non-Patent Document 1.) There is still room for improvement. Further, with regard to extending the lifetime, a longer lifetime has been achieved by using a phosphorescent compound as a dopant and using a specific 5-coordinate metal complex in the hole blocking layer in addition to the carbazole derivative (for example, patents). Reference 2).
[0006]
However, the carbazole derivative described in the above cited document has insufficient luminous efficiency in a high luminance region (high current density region), and there is room for further improvement in the lifetime, and it is still capable of withstanding practical use. It has not yet reached efficiency and lifetime. For future practical use, it is desired to develop an organic EL element that emits light efficiently and with high luminance with low power consumption.
[0007]
[Patent Document 1]
JP 2000-21572 A
[0008]
[Patent Document 2]
Japanese Patent Laid-Open No. 2002-8860
[0009]
[Patent Document 3]
JP 2001-313179 A
[0010]
[Non-Patent Document 1]
62nd Japan Society of Applied Physics Academic Lecture Proceedings 12-a-M8
[0011]
[Problems to be solved by the invention]
Accordingly, an object of the present invention is to provide an organic electroluminescence device having a high light emission efficiency and a long light emission lifetime.
[0012]
[Means for Solving the Problems]
The above object of the present invention is achieved by the following means.
[0013]
1. An organic electroluminescence device comprising a compound represented by the general formula (1).
[0014]
2. An organic electroluminescence device comprising a compound represented by the general formula (2).
[0015]
3. 2. The organic electroluminescence device according to 1 above, wherein the light-emitting layer contains the compound represented by the general formula (1) and a phosphorescent dopant.
[0016]
4). 3. The organic electroluminescence device as described in 2 above, wherein the light-emitting layer contains the compound represented by the general formula (2) and a phosphorescent dopant.
[0017]
5. An organic electroluminescent device comprising a compound represented by the general formula (1) or (2) and emitting substantially white light.
[0018]
6). 6. A display device comprising the organic electroluminescence element according to any one of 1 to 5 above.
[0019]
7). 6. An illuminating device comprising the organic electroluminescence element according to any one of 1 to 5 above.
[0020]
Hereinafter, the present invention will be described in detail.
As a result of intensive studies on the host material for phosphorescence emission, the present inventors have found that a compound composed of a specific carbazole derivative having a fluorine-containing substituent is photochemically or electrochemically stable, In addition to finding excellent heat resistance and phosphorescence emission at a relatively short wavelength, when an organic electroluminescence EL element (also referred to as an organic EL element) is produced using the compound of the present invention, the light emission of the organic EL element The present inventors have found that the luminance and lifetime are improved, and have reached the present invention.
[0021]
In particular, it has been found that in blue light emission, an organic EL element that achieves both improvement in luminance and luminous efficiency and durability, and a display device having high luminance and high durability using the organic EL element can be provided.
[0022]
The carbazole derivative compound represented by the general formula (1) according to the present invention will be described.
[0023]
In the general formula (1), R1 Represents a hydrogen atom or a substituent, and R2 ~ R9 Any one or more of the above is a fluorine-containing aryl group, and the other represents a hydrogen atom or a substituent.
[0024]
R1 As the monovalent substituent represented by the formula, typically, an alkyl group (methyl group, ethyl group, i-propyl group, hydroxyethyl group, methoxymethyl group, trifluoromethyl group, t-butyl group, cyclopentyl group) Group, cyclohexyl group, benzyl group, etc.), aryl group (substituted phenyl group (tolyl group, xylyl group, trimethylphenyl group, tetramethylphenyl group, biphenyl group, terphenyl group), naphthyl group, p-tolyl group, p- Chlorophenyl group etc.), alkenyl group (vinyl group, propenyl group, styryl group etc.), alkynyl group (ethynyl group etc.), alkyloxy group (methoxy group, ethoxy group, i-propoxy group, butoxy group etc.), aryloxy group (Phenoxy group, etc.), alkylthio group (methylthio group, ethylthio group, i-propylchio group, etc.), ant Ruthio group (phenylthio group etc.), amino group, alkylamino group (dimethylamino group, diethylamino group, ethylmethylamino group etc.), arylamino group (anilino group, diphenylamino group etc.), halogen atom (fluorine atom, chlorine atom) , Bromine atom, iodine atom, etc.), cyano group, nitro group, heterocyclic group (pyrrole group, pyrrolidyl group, pyrazolyl group, imidazolyl group, pyridyl group, benzimidazolyl group, benzothiazolyl group, benzoxazolyl group, etc.), silyl Groups (trimethylsilyl group, t-butyldimethylsilyl group, dimethylphenylsilyl group, triphenylsilyl group, etc.) and the like.
[0025]
Also. R2 ~ R9 Any one or more of the groups represented by formula (1) is a fluorine-containing aryl group, the aryl group may be a hydrocarbon ring or a heterocyclic ring, for example, a hydrocarbon group such as a phenyl group, a naphthyl group, a phenanthryl group, Heteroaryl groups, such as 3-pyridyl group, 2-pyridyl group, pyrazinyl group, pyrimidinyl group, pyridazinyl group, triazinyl group, pyrrolyl group, furanyl group, thienyl group, imidazolyl group, oxazolinyl group, Represents a group such as a thiazolyl group, a triazolyl group, an oxadiazolyl group, a thiadiazolyl group, a benzimidazolyl group, a benzoxazolyl group, a benzthiazolyl group, a benztriazolyl group, and the like, but preferably A hydrocarbon ring such as a phenyl group or a naphthyl group, more preferably Is a Eniru group.
[0026]
As the fluorine-containing aryl group according to the present invention, these aryl groups are substituted with a fluorine atom or a fluorine-containing substituent at an arbitrary position. Examples of the substituent containing fluorine include a monofluoromethyl group, a difluoromethyl group, a trifluoromethyl group, a perfluoropropyl group, a 1,1,2,2-tetrafluoroethyl group, and a 1,1,1-trimethyl group. Fluoroethyl groups and groups such as 1-chloro-1,2,2-trifluoroethyl group, etc. The fluorine-containing aryl group refers to a fluorine atom or an aryl group substituted with at least one of these groups.
[0027]
In addition, these aryl groups may have a substituent other than fluorine.1 It may be substituted with a monovalent substituent similar to that represented by
[0028]
Typical examples of these fluorine-containing aryl groups are p-fluorophenyl group, 2,4-fluorophenyl group, pentafluorophenyl group, p-trifluoromethylphenyl group, p- (1,1,1- Fluoro-containing aryl groups such as trifluoroethyl) phenyl group and 4-fluoro-α-naphthyl group, 4-fluoro-3-pyridyl group, 4-fluoro-2-pyridyl group, p- (2,2,2) -Trifluoroethyl) phenyl group, 5-trifluoromethyl-1,3,4-oxadiazol-2-yl group, 5-trifluoromethyl-1,3,4-thiadiazol-2-yl group, 5- And fluorine-containing heteroaryl groups such as a trifluoromethyl-2-thienyl group.
[0029]
R2 ~ R9 Others represented by the above represent a hydrogen atom or a substituent, wherein the substituent is the above R1 It is synonymous with the substituent represented by these. These substituents may be further substituted.
[0030]
Of the carbazole compounds having a fluorine-containing aryl group according to the present invention, as the substituent, a plurality of carbazole compounds (having a fluorine-containing aryl group) may be further bonded by an arbitrary linking group. As such a linking group, a linking group formed of carbon, silicon, nitrogen, boron, oxygen, sulfur, metal, metal ion, etc., and also carbon, silicon, nitrogen, boron, oxygen, sulfur, metal, metal ion And a linking group formed from a condensed polycyclic group, a heterocyclic monocyclic group, and the like.
[0031]
Moreover, the compound which has the carbazole compound containing the said fluorine-containing or fluorine-containing aryl group as a polymer (or oligomer) component is also included.
[0032]
Next, the compound represented by the general formula (2) will be described.
Where R21 Represents a fluorine-containing aryl group, R22 ~ R29 Represents a hydrogen atom or a substituent, R21 As the fluorine-containing aryl group represented by the above-mentioned R in the general formula (1)2 ~ R9 And is the same as the fluorine-containing aryl group represented by22 ~ R29 In the general formula (1), the substituent represented by1 Is the same.
[0033]
These include those in which a plurality of carbazole rings are bonded through the above-described linking groups, and those containing these as components in the polymer (or oligomer).
[0034]
The molecular weight of the compound represented by the general formula (1) or (2) according to the present invention is preferably in the range of 350 to 3000. In general, in order to produce a high-performance organic EL element, it is preferable to use a material capable of vacuum deposition and forming uniform amorphous glass. Although it varies depending on the structure of the compound, if the molecular weight is less than 350, only an organic EL device having a low glass transition point and poor heat resistance can be produced. It cannot be made. On the other hand, if the molecular weight exceeds 3000, film formation by vacuum evaporation tends to be impossible, which is a problem in producing a high-performance organic EL device.
[0035]
Specific examples of the carbazole derivative containing fluorine according to the present invention are shown below, but the present invention is not limited thereto.
[0036]
[Chemical Formula 3]
[0037]
[Formula 4]
[0038]
[Chemical formula 5]
[0039]
[Chemical 6]
[0040]
[Chemical 7]
[0041]
[Chemical 8]
[0042]
[Chemical 9]
[0043]
[Chemical Formula 10]
[0044]
Embedded image
[0045]
Embedded image
[0046]
Embedded image
[0047]
Embedded image
[0048]
Embedded image
[0049]
Embedded image
[0050]
Embedded image
[0051]
Embedded image
[0052]
Embedded image
[0053]
Embedded image
[0054]
Embedded image
[0055]
The compound represented by the general formula (1) or (2) is one of the following layers constituting the organic EL device (for example, a hole transport layer, a light emitting layer, a hole blocking layer, an electron). May be contained in the transport layer, etc., and particularly when contained in the light emitting layer as a host compound, as described later, or when contained in a layer adjacent to the light emitting layer, further high emission luminance, high It is possible to provide an organic EL element that exhibits luminous efficiency and improved durability.
[0056]
The content of the compound represented by the general formula (1) or (2) according to the present invention in any one layer constituting the organic EL element is preferably 50% by mass or more, and more preferably. Is 80 to 95% by mass, particularly preferably 90 to 95% by mass.
[0057]
The carbazole compound having an aryl group containing fluorine represented by the general formula (1) or (2) according to the present invention can be produced by a conventionally known method. Typically, J.A. Prakt. Chem. 317, 1975, p. 284-291, J .; Chem. Res. It can be produced with reference to the method disclosed in Miniprint, FR, 12, 1981, p4237-4252, Tetrahedron, EN, 54, 42, 1998, p12707-12714.
[0058]
Each compound produced can be identified by NMR (nuclear magnetic resonance spectrum) and mass spectrum.
[0059]
<Host compound>: Main component in the light emitting layer
The host compound according to the present invention will be described.
[0060]
Here, the “host compound” means a compound having the largest mixing ratio (mass) in the light emitting layer composed of two or more kinds of compounds, and other compounds are referred to as “dopant compounds”. . For example, if the light emitting layer is composed of two types of compound a and compound b and the mixing ratio is a: b = 10: 90, compound A is a dopant compound and compound B is a host compound. Further, if the light emitting layer is composed of three types of compound a, compound b, and compound c and the mixing ratio is a: b: c = 5: 10: 85, compound a and compound b are dopant compounds, Compound c is a host compound.
[0061]
Here, as the host compound according to the present invention, a compound represented by the general formula (1) or (2), a conventionally known fluorescent compound, a fluorescent compound described later, and the like can be used.
[0062]
<Phosphorescent compound>: A kind of dopant compound in the light emitting layer
The phosphorescent compound used as a dopant compound according to the present invention will be described.
[0063]
A “phosphorescent compound” is a compound in which light emission from an excited triplet is observed, and is a compound having a phosphorescence quantum yield of 0.001 or more at 25 ° C. The phosphorescent quantum yield is preferably 0.01 or more, more preferably 0.1 or more.
[0064]
The phosphorescent quantum yield can be measured by the method described in Spectroscopic II, page 398 (1992 version, Maruzen) of Experimental Chemistry Course 4 of the 4th edition. Although the phosphorescent quantum yield in a solution can be measured using various solvents, it is preferable that the phosphorescent compound according to the present invention achieves the above phosphorescent quantum yield in any solvent.
[0065]
The phosphorescent compound according to the present invention is preferably a complex compound containing a group 8-10 metal in the periodic table, more preferably an iridium compound, a rhodium compound, a ruthenium compound, an osmium compound or a platinum compound (platinum complex). System compounds) and the like. Among them, the iridium compound is most preferably used.
[0066]
In the organic EL device of the present invention having a light emitting layer each containing a phosphorescent compound as a host compound and a dopant compound, any one layer constituting the organic EL device is represented by the general formula (1) or (2). It is preferable that the light emission maximum wavelength is 500 nm or less.
[0067]
The lowest excited triplet energy level of the host material used in the present invention is higher than the lowest excited triplet energy level of the light emitting material, and is 1.05 to 1.38 times the lowest excited triplet energy level of the light emitting material. It is preferable that The lowest excited triplet energy level of the host material is preferably 68 kcal / mol (284.9 kJ / mol) to 90 kcal / mol (377.1 kJ / mol).
[0068]
In the organic EL device of the present invention, the lowest excited triplet energy level of the organic material contained in the layer adjacent to the light emitting layer is higher than the lowest excited triplet energy level of the material constituting the light emitting layer. It is preferably 1.05 to 1.38 times the lowest excited triplet energy level of the constituent material. In the organic EL device of the present invention, the lowest excited triplet energy level of the organic material contained in the layer adjacent to the light emitting layer is 68 kcal / mol (284.9 kJ / mol) to 90 kcal / mol (377.1 kJ / mol). It is preferable that
[0069]
Specific examples of the phosphorescent compound according to the present invention are shown below, but the present invention is not limited thereto. These compounds are described in, for example, Inorg. Chem. 40, 1704-1711, and the like.
[0070]
Embedded image
[0071]
Embedded image
[0072]
Embedded image
[0073]
In addition to the above, the compounds described in the following published patent publications can also be used. WO 00/70655, JP 2002-280178, 2001-181616, 2002-280179, 2001-181617, 2002-280180, 2001-247859, 2002-299060, 2001-313178, 2002-302671 2001-345183, 2002-324679, WO 02/15645, JP-A 2002-332291, 2002-50484, 2002-332292, 2002-83684, JP 2002-540572, JP-A 2002-117978, 2002-338588, 2002-170684, 2002-352960, WO 01/93642, 2002-50483, 2002-1000047, 2002-17367 2002-359082, 2002-175842, 2002-363552, 2002-184582, 2003-7469, JP2002-525808, JP2003-7471, JP2002-525833, JP2003-31366, 2002-226495, 2002-234894, 2002-2335076, 2002-241715, 2001-31979, 2001-319780, 2002-62824, 2002-1000047, 2002-203679, 2002-343572, 2002-203678 etc.
<Fluorescent compound>
The fluorescent compound used in the present invention will be described.
[0074]
In the present invention, in addition to the host compound and the phosphorescent compound, at least one fluorescent compound may be contained. In this case, electroluminescence as an organic EL element can be emitted from the fluorescent compound by energy transfer from the host compound or phosphorescent compound. Preferred as the fluorescent compound is one having a high fluorescence quantum yield in a solution state. Here, the fluorescence quantum yield is preferably 10% or more, and more preferably 30% or more.
[0075]
Specific fluorescent compounds include coumarin dyes, pyran dyes, cyanine dyes, croconium dyes, squalium dyes, oxobenzanthracene dyes, fluorescein dyes, rhodamine dyes, pyrylium dyes, perylene dyes. Stilbene dyes, polythiophene dyes, rare earth complex phosphors, and the like.
[0076]
The fluorescence quantum yield here can also be measured by the method described in Spectra II, page 362 (1992 edition, Maruzen) of the Fourth Edition Experimental Chemistry Course 7.
[0077]
The phosphorescent compound has a phosphorescent quantum yield of not less than 0.001 at 25 ° C. and lower than the lowest excited triplet energy of the host, that is, a longer wavelength. It has a phosphorescent maximum wavelength. The phosphorescent maximum wavelength of the phosphorescent compound is not particularly limited, and in principle, the emission wavelength obtained by selecting the central metal, ligand, ligand substituent, etc., can be changed. Can do.
[0078]
The color emitted by the fluorescent compound used in the present invention is shown in FIG. 4.16 on page 108 of “New Color Science Handbook” (edited by the Japan Society for Color Science, University of Tokyo Press, 1985). It is determined by the color when the result measured by (Minolta) is applied to the CIE chromaticity coordinates.
[0079]
<< Layer structure of organic EL element >>
The layer structure of the organic EL element according to the present invention will be described.
[0080]
The organic EL device of the present invention has a structure in which at least one light emitting layer is sandwiched between a pair of electrodes (anode, cathode). Here, in a broad sense, the light emitting layer is a layer that emits light when an electric current is applied to an electrode composed of a cathode and an anode. This refers to a layer containing a compound that emits light.
[0081]
The organic EL device of the present invention has a hole transport layer, an electron transport layer, an anode buffer layer, a cathode buffer layer, and the like in addition to the light emitting layer as required, and has a structure sandwiched between a cathode and an anode. Specific examples include the structures shown below.
[0082]
(I) Anode / light emitting layer / cathode
(Ii) Anode / hole transport layer / light emitting layer / cathode
(Iii) Anode / light emitting layer / electron transport layer / cathode
(Iv) Anode / hole transport layer / light emitting layer / electron transport layer / cathode
(V) Anode / anode buffer layer / hole transport layer / light emitting layer / electron transport layer / cathode buffer layer / cathode
<Light emitting layer>
The light emitting layer according to the present invention will be described.
[0083]
In this invention, it is preferable to form a light emitting layer using the compound represented by the said General formula (1) or (2). As the formation method, for example, a thin film can be formed by a known method such as a vapor deposition method, a spin coating method, a casting method, or an LB method. In the present invention, a molecular deposition film is particularly preferable. Here, the molecular deposited film is a thin film formed by deposition from the vapor phase state of the compound, or a film formed by solidification from the molten state or liquid phase state of the compound. In general, a molecular deposited film can be distinguished from a thin film (molecular accumulated film) formed by the LB method by a difference in aggregated structure and higher order structure and a functional difference resulting therefrom.
[0084]
In addition, as described in JP-A-57-51781, this light-emitting layer is prepared by dissolving the above compound as a light-emitting material together with a binder such as a resin into a solvent, followed by spin coating. It can obtain by apply | coating by etc. and forming a thin film.
[0085]
(Film thickness of the light emitting layer)
There is no restriction | limiting in particular about the film thickness of the light emitting layer formed in this way, Although it can select suitably according to a condition, It is preferable to adjust film thickness in the range of 5 nm-5 micrometers.
[0086]
Next, other layers constituting the organic EL element in combination with the light emitting layer, such as a hole injection layer, a hole transport layer, an electron injection layer, and an electron transport layer, will be described.
[0087]
<< Hole injection layer, hole transport layer, electron injection layer, electron transport layer >>
The hole injection layer and hole transport layer used in the present invention have a function of transmitting holes injected from the anode to the light emitting layer, and the hole injection layer and hole transport layer serve as the anode and the light emitting layer. Therefore, many holes are injected into the light emitting layer with a lower electric field, and electrons injected from the cathode, the electron injection layer, or the electron transport layer into the light emitting layer are positively connected to the light emitting layer. Due to the barrier of electrons existing at the interface of the hole injection layer or the hole transport layer, the device has excellent light emitting performance such as accumulation at the interface in the light emitting layer and improvement in light emission efficiency.
[0088]
《Hole injection material, hole transport material》
The material of the hole injection layer and hole transport layer (hereinafter referred to as hole injection material and hole transport material) has the property of transmitting holes injected from the anode to the light emitting layer. If it is a thing, there will be no restriction | limiting in particular, In a photoconductive material, what is conventionally used as a charge injection transport material of a hole, and the well-known thing used for the hole injection layer of a EL element, a hole transport layer are used. Any one can be selected and used.
[0089]
The hole injection material and the hole transport material have any one of hole injection or transport and electron barrier properties, and may be either organic or inorganic. Examples of the hole injection material and hole transport material include triazole derivatives, oxadiazole derivatives, imidazole derivatives, polyarylalkane derivatives, pyrazoline derivatives and pyrazolone derivatives, phenylenediamine derivatives, arylamine derivatives, amino-substituted chalcone derivatives, oxazoles. Derivatives, styrylanthracene derivatives, fluorenone derivatives, hydrazone derivatives, stilbene derivatives, silazane derivatives, aniline copolymers, or conductive polymer oligomers, particularly thiophene oligomers. As the hole injecting material and the hole transporting material, those described above can be used, and porphyrin compounds, aromatic tertiary amine compounds, and styrylamine compounds, particularly aromatic tertiary amine compounds can be used. preferable.
[0090]
Representative examples of the aromatic tertiary amine compound and styrylamine compound include N, N, N ′, N′-tetraphenyl-4,4′-diaminophenyl; N, N′-diphenyl-N, N ′. -Bis (3-methylphenyl)-[1,1'-biphenyl] -4,4'-diamine (TPD); 2,2-bis (4-di-p-tolylaminophenyl) propane; Bis (4-di-p-tolylaminophenyl) cyclohexane; N, N, N ′, N′-tetra-p-tolyl-4,4′-diaminobiphenyl; 1,1-bis (4-di-p- Tolylaminophenyl) -4-phenylcyclohexane; bis (4-dimethylamino-2-methylphenyl) phenylmethane; bis (4-di-p-tolylaminophenyl) phenylmethane; N, N′-diphenyl-N, N -Di (4-methoxyphenyl) -4,4'-diaminobiphenyl; N, N, N ', N'-tetraphenyl-4,4'-diaminodiphenyl ether; 4,4'-bis (diphenylamino) quadri N; N, N-tri (p-tolyl) amine; 4- (di-p-tolylamino) -4 '-[4- (di-p-tolylamino) styryl] stilbene; 4-N, N-diphenyl Amino- (2-diphenylvinyl) benzene; 3-methoxy-4′-N, N-diphenylaminostilbenzene; N-phenylcarbazole, and 2 described in US Pat. No. 5,061,569. Having four condensed aromatic rings in the molecule, for example, 4,4'-bis [N- (1-naphthyl) -N-phenylamino] biphenyl (α-NPD), JP-A-4-3 4,4 ′, 4 ″ -tris [N- (3-methylphenyl) -N-phenylamino] triphenylamine in which three triphenylamine units described in Japanese Patent No. 08688 are linked in a starburst type ( MTDATA) and the like.
[0091]
Furthermore, a polymer material in which these materials are introduced into a polymer chain or these materials are used as a polymer main chain can also be used.
[0092]
Alternatively, inorganic compounds such as p-type-Si and p-type-SiC can also be used as the hole injection material and the hole transport material. The hole injection layer and the hole transport layer are formed by thinning the hole injection material and the hole transport material by a known method such as a vacuum deposition method, a spin coating method, a casting method, or an LB method. Can be formed.
[0093]
(Hole injection layer thickness, hole transport layer thickness)
Although there is no restriction | limiting in particular about the film thickness of a positive hole injection layer and a positive hole transport layer, It is preferable to adjust to the range about 5 nm-5 micrometers. The hole injection layer and hole transport layer may have a single layer structure composed of one or more of the above materials, or may have a laminated structure composed of a plurality of layers having the same composition or different compositions.
[0094]
<< Electron transport layer, electron transport material >>
The electron transport layer according to the present invention is only required to have a function of transmitting electrons injected from the cathode to the light emitting layer, and as the material thereof, any one of conventionally known compounds can be selected and used. Can do.
[0095]
Examples of materials used for this electron transport layer (hereinafter referred to as electron transport materials) include heterocyclic tetracarboxylic acid anhydrides such as nitro-substituted fluorene derivatives, diphenylquinone derivatives, thiopyran dioxide derivatives, naphthalene perylene, carbodiimides, Examples include fluorenylidenemethane derivatives, anthraquinodimethane and anthrone derivatives, and oxadiazole derivatives. Furthermore, in the above oxadiazole derivative, a thiadiazole derivative in which the oxygen atom of the oxadiazole ring is substituted with a sulfur atom, and a quinoxaline derivative having a quinoxaline ring known as an electron withdrawing group can also be used as an electron transport material.
[0096]
Furthermore, a polymer material in which these materials are introduced into a polymer chain or these materials are used as a polymer main chain can also be used.
[0097]
Or metal complexes of 8-quinolinol derivatives, such as tris (8-quinolinol) aluminum (Alq3), tris (5,7-dichloro-8-quinolinol) aluminum, tris (5,7-dibromo-8-quinolinol) aluminum, Tris (2-methyl-8-quinolinol) aluminum, tris (5-methyl-8-quinolinol) aluminum, bis (8-quinolinol) zinc (Znq), etc., and the central metals of these metal complexes are In, Mg, Cu , Ca, Sn, Ga, or Pb can also be used as an electron transport material.
[0098]
In addition, metal-free or metal phthalocyanine, and those having the terminal substituted with an alkyl group or a sulfonic acid group can be preferably used as the electron transporting material. Alternatively, the distyrylpyrazine derivative exemplified as the material for the light-emitting layer can also be used as an electron transport material, and, like the hole injection layer and the hole transport layer, inorganic such as n-type-Si and n-type-SiC A semiconductor can also be used as an electron transport material.
[0099]
The electron transport layer can be formed by forming the above compound by a known thin film forming method such as a vacuum deposition method, a spin coating method, a casting method, or an LB method.
[0100]
(Film thickness of electron transport layer)
Although the film thickness of an electron carrying layer does not have a restriction | limiting in particular, It is preferable to adjust to the range of 5 nm-5 micrometers. This electron transport layer may have a single layer structure composed of one or two or more of these electron transport materials, or may have a laminated structure composed of a plurality of layers having the same composition or different compositions.
[0101]
Further, in the present invention, the fluorescent compound is not limited to the light emitting layer, but is the same as the fluorescent compound that becomes the host compound of the phosphorescent compound in the hole transport layer adjacent to the light emitting layer or the electron transport layer. At least one fluorescent compound having a fluorescent maximum wavelength in the region may be contained, whereby the luminous efficiency of the EL element can be further increased. Fluorescent compounds contained in these hole transport layer and electron transport layer have the same fluorescence maximum wavelength as 330-440 nm, more preferably 360-410 nm, as in the light-emitting layer. A compound is used.
[0102]
Or in this invention, it is preferable to contain the compound represented by General formula (1) in an electron carrying layer from the point of luminous efficiency and durability.
[0103]
<< Substrate (also referred to as substrate, substrate, support, etc.) >>
The substrate of the organic EL device of the present invention is not particularly limited to the type of glass, plastic, etc., and is not particularly limited as long as it is transparent. Examples of substrates that are preferably used include glass, quartz, A light transmissive resin film can be mentioned. A particularly preferable substrate is a resin film that can give flexibility to the organic EL element.
[0104]
The resin film is not particularly limited, and specifically, polyesters such as polyethylene terephthalate and polyethylene naphthalate, polyethylene, polypropylene, cellophane, cellulose diacetate, cellulose triacetate, cellulose acetate butyrate, cellulose acetate propionate, and cellulose. Cellulose esters such as acetate phthalate and cellulose nitrate or their derivatives, polyvinylidene chloride, polyvinyl alcohol, polyethylene vinyl alcohol, syndiotactic polystyrene, polycarbonate, norbornene resin, polymethylpentene, polyether ketone, polyimide, polyether sulfone , Polysulfones, Polyetherketoneimide, Polyamide, Fluororesin, Niro , Polymethylmethacrylate, acrylic or polyarylates, norbornene (or cycloolefin) resins such as Arton (trade name: manufactured by JSR) or Apel (trade name: manufactured by Mitsui Chemicals), organic-inorganic hybrid resin Etc. Examples of the organic-inorganic hybrid resin include those obtained by combining an organic resin and an inorganic polymer (for example, silica, alumina, titania, zirconia, etc.) obtained by a sol-gel reaction.
[0105]
An inorganic or organic film or a hybrid film of both may be formed on the surface of the resin film.
[0106]
Specific examples of the coating include a silica layer formed by a sol-gel method, an organic layer formed by polymer application, etc. (for example, an organic material film having a polymerizable group is subjected to post-treatment by means such as ultraviolet irradiation or heating). A DLC film, a metal oxide film, a metal nitride film, or the like. The metal oxide film, metal oxide constituting the metal nitride film, and metal nitride include metal oxides such as silicon oxide, titanium oxide, and aluminum oxide, metal nitrides such as silicon nitride, silicon oxynitride, and oxynitride Examples thereof include metal oxynitrides such as titanium.
[0107]
The water vapor permeability of the resin film having a surface on which an inorganic or organic film or a hybrid film of both is formed is 0.01 g / m.2 -It is preferable that it is a high barrier property film of day * atm or less.
[0108]
Next, a suitable example for producing an organic EL element will be described. As an example, a method for manufacturing an EL element composed of the anode / hole injection layer / hole transport layer / light emitting layer / electron transport layer / electron injection layer / cathode will be described.
[0109]
First, a thin film made of a desired electrode material, for example, an anode material, is formed on a suitable substrate by a method such as vapor deposition or sputtering so as to have a film thickness of 1 μm or less, preferably 10 to 200 nm. An anode is produced. Next, a thin film comprising a hole injection layer, a hole transport layer, a light emitting layer, and an electron transport layer / electron injection layer, which is a device material, is formed thereon.
[0110]
Further, a buffer layer (electrode interface layer) may be present between the anode and the light emitting layer or hole injection layer and between the cathode and the light emitting layer or electron injection layer.
[0111]
The buffer layer is a layer provided between the electrode and the organic layer in order to lower the driving voltage and improve the luminous efficiency. “The organic EL element and its forefront of industrialization (published by NTS Corporation on November 30, 1998) 2), Chapter 2, “Electrode Materials” (pages 123 to 166) in detail, and includes an anode buffer layer and a cathode buffer layer.
[0112]
The details of the anode buffer layer are described in JP-A-9-45479, JP-A-9-260062, JP-A-8-288069, and the like. As a specific example, a phthalocyanine buffer layer represented by copper phthalocyanine And an oxide buffer layer typified by vanadium oxide, an amorphous carbon buffer layer, and a polymer buffer layer using a conductive polymer such as polyaniline (emeraldine) or polythiophene.
[0113]
The details of the cathode buffer layer are also described in JP-A-6-325871, JP-A-9-17574, JP-A-10-74586, and the like, specifically, metals represented by strontium, aluminum and the like. Examples include a buffer layer, an alkali metal compound buffer layer typified by lithium fluoride, an alkaline earth metal compound buffer layer typified by magnesium fluoride, an oxide buffer layer typified by aluminum oxide and lithium oxide, and the like.
[0114]
The buffer layer is preferably a very thin film, and depending on the material, the film thickness is preferably in the range of 0.1 to 100 nm.
[0115]
Further, in addition to the above basic constituent layers, layers having other functions may be laminated as required. For example, JP-A-11-204258, JP-A-11-204359, and “Organic EL devices and their industrialization It may have a functional layer such as a hole blocking layer described on page 237 of the front line (published on November 30, 1998 by NTT).
[0116]
"electrode"
Next, the electrode of the organic EL element will be described. The electrode of the organic EL element consists of a cathode and an anode. As the anode in the organic EL element, an electrode material made of a metal, an alloy, an electrically conductive compound, or a mixture thereof having a high work function (4 eV or more) is preferably used. Specific examples of such electrode materials include metals such as Au, CuI, indium tin oxide (ITO), SnO.2 And conductive transparent materials such as ZnO.
[0117]
The anode may be formed by depositing a thin film of these electrode materials by a method such as vapor deposition or sputtering, and a pattern having a desired shape may be formed by a photolithography method, or when pattern accuracy is not required so much (about 100 μm or more) May form a pattern through a mask having a desired shape at the time of vapor deposition or sputtering of the electrode material. When light emission is extracted from the anode, it is desirable that the transmittance is greater than 10%, or the sheet resistance as the anode is preferably several hundred Ω / □ or less. Further, although the film thickness depends on the material, it is usually selected in the range of 10 nm to 1 μm, preferably 10 nm to 200 nm.
[0118]
On the other hand, as the cathode, those using an electrode substance of a metal having a small work function (4 eV or less) (referred to as an electron injecting metal), an alloy, an electrically conductive compound and a mixture thereof are preferably used. Specific examples of such electrode materials include sodium, sodium-potassium alloy, magnesium, lithium, magnesium / copper mixture, magnesium / silver mixture, magnesium / aluminum mixture, magnesium / indium mixture, aluminum / aluminum oxide (Al2O3) mixture. , Indium, lithium / aluminum mixtures, rare earth metals and the like. Among these, a mixture of an electron injecting metal and a second metal which is a stable metal having a larger work function value than this, such as a magnesium / silver mixture, magnesium, from the viewpoint of electron injectability and durability against oxidation, etc. / Aluminum mixture, magnesium / indium mixture, aluminum / aluminum oxide (Al2 O3 ) Mixtures, lithium / aluminum mixtures and the like are preferred. The cathode can be produced by forming a thin film from these electrode materials by a method such as vapor deposition or sputtering. Alternatively, the sheet resistance as the cathode is preferably several hundred Ω / □ or less, and the film thickness is usually selected in the range of 10 nm to 1 μm, preferably 50 to 200 nm. In order to transmit light, if either one of the anode or the cathode of the organic EL element is transparent or translucent, the light emission efficiency is improved, which is convenient.
[0119]
<< Method for producing organic EL element >>
Next, a method for manufacturing an organic EL element will be described.
[0120]
As the thinning method, there are a spin coating method, a casting method, a vapor deposition method and the like as described above, but a vacuum vapor deposition method is preferable from the standpoint that a homogeneous film can be easily obtained and pinholes are hardly generated. When a vacuum deposition method is employed for thinning, the deposition conditions vary depending on the type of compound used, the target crystal structure of the molecular deposition film, the association structure, etc., but generally the boat heating temperature is 50 to 450 ° C., the degree of vacuum It is desirable to select appropriately within the range of 10 −6 to 10 −3 Pa, vapor deposition rate 0.01 nm / second to 50 nm / second, substrate temperature −50 ° C. to 300 ° C., and film thickness 5 nm to 5 μm.
[0121]
As described above, a thin film made of a desired electrode material, for example, an anode material, is formed on a suitable substrate by a method such as vapor deposition or sputtering so as to have a film thickness of 1 μm or less, preferably 10 to 200 nm. After preparing the anode, after forming each layer thin film consisting of the hole injection layer, the hole transport layer, the light emitting layer, the electron transport layer / electron injection layer on the anode as described above, for the cathode A desired organic EL device can be obtained by forming a thin film made of a material so as to have a thickness of 1 μm or less, preferably 50 to 200 nm, by a method such as vapor deposition or sputtering, and providing a cathode. The organic EL device is preferably produced from the hole injection layer to the cathode in this manner consistently by a single evacuation. However, the production order is reversed so that the cathode, the electron injection layer, the light emitting layer, It is also possible to produce the hole injection layer and the anode in this order. In the case of applying a DC voltage to the organic EL device thus obtained, light emission can be observed by applying a voltage of about 5 to 40 V with the positive polarity of the anode and the negative polarity of the cathode. Or even if a voltage is applied with the opposite polarity, no current flows and no light emission occurs. Further, when an AC voltage is applied, light is emitted only when the anode is in the + state and the cathode is in the-state. The applied AC waveform may be arbitrary.
[0122]
<Display device>
The organic EL device of the present invention may be used as a kind of lamp such as an illumination or exposure light source, a projection device that projects an image, or a display device that directly recognizes a still image or a moving image. (Display) may be used. When used as a display device for reproducing moving images, the driving method may be either a simple matrix (passive matrix) method or an active matrix method. Alternatively, a full-color display device can be manufactured by using two or more organic EL elements of the present invention having different emission colors.
[0123]
DETAILED DESCRIPTION OF THE INVENTION
An example of a display device composed of the organic EL element of the present invention will be described below with reference to the drawings.
[0124]
FIG. 1 is a schematic diagram illustrating an example of a display device including organic EL elements. It is a schematic diagram of a display such as a mobile phone that displays image information by light emission of an organic EL element.
[0125]
The display 1 includes a display unit A having a plurality of pixels, a control unit B that performs image scanning of the display unit A based on image information, and the like.
[0126]
The control unit B is electrically connected to the display unit A, and sends a scanning signal and an image data signal to each of the plurality of pixels based on image information from the outside. The pixels for each scanning line are converted into image data signals by the scanning signal. In response to this, light is sequentially emitted and image scanning is performed to display image information on the display unit A.
[0127]
FIG. 2 is a schematic diagram of the display unit A.
The display unit A includes a wiring unit including a plurality of scanning lines 5 and data lines 6, a plurality of pixels 3 and the like on a substrate. The main members of the display unit A will be described below.
[0128]
In the figure, the light emitted from the pixel 3 is extracted in the direction of the white arrow (downward).
[0129]
The scanning lines 5 and the plurality of data lines 6 in the wiring portion are each made of a conductive material, and the scanning lines 5 and the data lines 6 are orthogonal to each other in a lattice shape and are connected to the pixels 3 at the orthogonal positions (details are shown in FIG. Not shown).
[0130]
When a scanning signal is applied from the scanning line 5, the pixel 3 receives an image data signal from the data line 6 and emits light according to the received image data. Full color display is possible by appropriately arranging pixels in the red region, the green region, and the blue region that emit light on the same substrate.
[0131]
Next, the light emission process of the pixel will be described.
FIG. 3 is an equivalent circuit diagram of a drive circuit that constitutes a pixel.
[0132]
The pixel includes an
[0133]
In FIG. 3, an image data signal is applied from the control unit B to the drain of the switching
[0134]
By transmitting the image data signal, the
[0135]
When the scanning signal is moved to the next scanning line 5 by the sequential scanning of the control unit B, the driving of the switching
[0136]
That is, the
[0137]
Here, the light emission of the
[0138]
The potential of the
[0139]
In the present invention, not only the active matrix method described above, but also a passive matrix light emission drive in which the organic EL element emits light according to the data signal only when the scanning signal is scanned.
[0140]
FIG. 4 is a schematic view of a passive matrix display device. In FIG. 4, a plurality of scanning lines 5 and a plurality of image data lines 6 are provided in a lattice shape so as to face each other with the pixel 3 interposed therebetween.
[0141]
When the scanning signal of the scanning line 5 is applied by sequential scanning, the pixels 3 connected to the applied scanning line 5 emit light according to the image data signal.
[0142]
In the passive matrix system, the pixel 3 has no active element, and the manufacturing cost can be reduced.
[0143]
The carbazole derivative compound according to the present invention can also be used for an organic electroluminescence device that emits substantially white light.
[0144]
At present, there is no organic EL element that emits white light with a single light emitting material. Therefore, a plurality of light emitting colors are simultaneously emitted by a plurality of light emitting materials to obtain white light emission by color mixing. The combination of a plurality of emission colors may include three emission maximum wavelengths of the three primary colors of blue, green, and blue, or two using the relationship of complementary colors such as blue and yellow, blue green and orange, etc. The thing containing the light emission maximum wavelength may be used.
[0145]
In addition, a combination of light emitting materials for obtaining a plurality of emission colors is a combination of a plurality of phosphorescent or fluorescent light emitting materials, a light emitting material that emits fluorescence or phosphorescent light, and light from the light emitting material as excitation light. As a combination with a dye material that emits light as:
[0146]
For example, in the present invention, a carbazole derivative according to the present invention is used as a light emitting host as a material of a light emitting layer, and a dopant having a complementary color relationship is mixed as a phosphorescent dopant from among the phosphorescent dopants. By using it, high luminous efficiency can be obtained even in white light emission.
[0147]
In addition to being able to use a compound known so far as a host material in the light emitting layer, there is no particular limitation on the material when a hole transport layer is provided, but a layer that emits holes from the anode. In the conventional photoconductive materials, those conventionally used as charge injection materials for holes, and well-known materials used for hole transport layers of EL devices Any one can be selected and used.
[0148]
Even in the case of providing an electron transport layer, there is no particular limitation, and any known material can be selected and used as long as it has a function of transmitting electrons from the cathode electrode to the light emitting layer. Can do.
[0149]
The white organic electroluminescence element basically needs only to be mixed with a dopant whose light emission has a complementary color relationship, and a light emitting material can be obtained only by patterning the light emitting portion. Therefore, it is only necessary to coat with a mask only when forming a light-emitting layer, a hole transport layer, an electron transport layer, or the like. Since the other layers are common, patterning of the mask or the like is unnecessary, and formation is easy, and vapor deposition is performed on one surface. For example, an electrode film can be formed by a method, a casting method, a spin coating method, an ink jet method, a printing method, etc., and productivity is also improved. According to this method, unlike a white organic EL device in which light emitting elements of a plurality of colors are arranged in parallel in an array, the elements themselves are luminescent white.
[0150]
When a DC voltage is applied to the white display element thus obtained, white light emission can be observed by applying a voltage of about 2 to 40 V with the positive polarity of the anode and the negative polarity of the cathode. Further, even when a voltage is applied with the opposite polarity, no current flows and no light emission occurs. Further, when an AC voltage is applied, light is emitted only when the anode is in the + state and the cathode is in the-state. The alternating current waveform to be applied may be arbitrary.
[0151]
The white light-emitting organic EL element can be used for display devices, displays, and various light-emitting sources, but is used as a kind of lamp for home lighting, interior lighting, and exposure light source, and as a backlight for liquid crystal display devices. It is also useful for devices.
[0152]
Others such as backlights for watches, signboard advertisements, traffic lights, light sources for optical storage media, light sources for electrophotographic copying machines, light sources for optical communication processors, light sources for optical sensors, etc. There are a wide range of uses such as household appliances.
[0153]
【Example】
EXAMPLES Hereinafter, although an Example demonstrates this invention, this invention is not limited to these.
[0154]
Example 1
<< Production of Organic EL Element OLED1-1 >>
After patterning on a glass substrate (NH Techno Glass Co., Ltd .: NA-45) having a 150 nm ITO film formed on glass as an anode, the glass substrate provided with this ITO transparent electrode was ultrasonically cleaned with iso-propyl alcohol. Then, it was dried with dry nitrogen gas, and UV ozone cleaning was performed for 5 minutes.
[0155]
This glass substrate is fixed to a substrate holder of a commercially available vacuum vapor deposition apparatus, while α-NPD, CBP, Ir-1, BCP, Alq are attached to five tantalum resistance heating boats.3 Were attached to a vacuum deposition apparatus (first vacuum chamber).
[0156]
Further, lithium fluoride was placed in a tantalum resistance heating boat, and aluminum was placed in a tungsten resistance heating boat, and the tantalum resistance heating boat was attached to a second vacuum chamber of a vacuum deposition apparatus.
[0157]
First, the first vacuum chamber is 4 × 10-4 After reducing the pressure to Pa, the heating boat containing α-NPD is energized and heated, and deposited on the transparent support substrate to a thickness of 25 nm at a deposition rate of 0.1 nm to 0.2 nm / second. A hole injection / transport layer was provided.
[0158]
Further, the heating boat containing CBP and the boat containing Ir-1 are energized independently to adjust the deposition rate of CBP as a light emitting host and Ir-1 as a light emitting dopant to 100: 7. A light emitting layer was provided by vapor deposition so as to have a thickness of 30 nm.
[0159]
Subsequently, the heating boat containing BCP was heated by applying electricity, and an electron transport layer having a thickness of 10 nm was provided at a deposition rate of 0.1 to 0.2 nm / second. Furthermore, Alq3 The heating boat containing was energized and heated to provide an electron injection layer having a film thickness of 40 nm at a deposition rate of 0.1 to 0.2 nm / second.
[0160]
Next, after the element formed up to the electron injection layer as described above is transferred to the second vacuum chamber in a vacuum state, a stainless steel rectangular perforated mask is disposed on the electron injection layer from the outside of the apparatus. Installed with remote control.
[0161]
2 × 10 2nd vacuum chamber-4 After depressurizing to Pa, energize a boat containing lithium fluoride to provide a cathode buffer layer having a film thickness of 0.5 nm at a deposition rate of 0.01 to 0.02 nm / second, and then energize the boat containing aluminum. A cathode having a film thickness of 150 nm was attached at a deposition rate of 1 to 2 nm / second.
[0162]
Further, this organic EL element was transferred to a glove box under a nitrogen atmosphere (a glove box substituted with high purity nitrogen gas having a purity of 99.999% or more) without being brought into contact with the atmosphere, and a sealing structure as shown in FIG. 5 was obtained. Thus, OLED1-1 was produced.
[0163]
<< Production of Organic EL Elements OLED1-2 to 1-15 >>
In the production of the organic EL element OLED1-1, organic EL elements OLED1-2 to 1-15 were produced in the same manner except that the light-emitting host was changed to the compounds shown in Table 1.
[0164]
Embedded image
[0165]
Embedded image
[0166]
The following evaluation was performed about each of obtained organic EL element OLED1-1-OLED1-15.
[0167]
《Luminescence lifetime, external extraction quantum efficiency》
Each element of the organic EL elements OLED1-1 to 1-15 is 5.0 mA / cm at a temperature of 23 ° C. and a dry nitrogen gas atmosphere.2 Is continuously lit under low current conditions, and the light emission luminance (L) [cd / m immediately after the start of lighting]2 ] And the external extraction quantum efficiency (η) were measured to see the luminous efficiency. Here, the emission luminance [cd / m2 ] Was measured using Minolta CS-1000. Also,
External extraction quantum efficiency (%) = number of photons emitted to the outside of the organic EL element / number of electrons sent to the organic EL element × 100
The method of measuring the external extraction efficiency is to obtain the number of photons from 380 to 780 nm from the photon energy of each wavelength from the emission spectrum measured by the spectral radiance meter CS-1000, and from the emission surface based on the Lambertian assumption. The number of photons emitted was determined. In addition, the number of electrons was determined from the amount of current.
[0168]
As for the light emission lifetime, each element of OLED 1-1 to 1-15 was set at a temperature of 23 ° C. and 2.5 mA / m 2.2 The time required for the initial luminance to be halved when continuous lighting is performed under low current conditions (τ1/2 ) Was measured.
[0169]
Further, the external extraction quantum efficiency (luminous efficiency) and the light emission lifetime are expressed as relative values when the organic EL element OLED1-1 is 100. The obtained results are shown in Table 1. The emission color was green in all the elements.
[0170]
[Table 1]
[0171]
Table 1 shows that when the carbazole derivative according to the present invention is used as a host compound, the light emission efficiency is high and the light emission lifetime is also long.
[0172]
Example 2
<< Production of Organic EL Element OLED2-1 >>
The hole injection / transport layer of the OLED 1-1 of Example 1 was changed from α-NPD to m-MTDATXA, the CBP used for the preparation of the light emitting layer was left as it was, and the light emitting dopant (Ir-1) was changed to Ir-12. An organic EL element OLED2-1 was obtained in the same manner as in Example 1 except that.
[0173]
Embedded image
[0174]
<< Production of Organic EL Elements OLED2-2 to 2-11 >>
The comparative compound CBP used for the light emitting layer of the organic EL element OLED2-1 was changed to the compounds shown in Table 2, and organic EL elements OLED2-2 to 2-11 were produced.
[0175]
The following evaluation was performed about each of obtained organic EL element OLED2-1 to 2-11.
[0176]
<Luminescent life>
Each element of the organic EL elements OLED2-1 to 2-11 has a temperature of 23 ° C. and 2.5 mA / m.2 The time required to perform continuous lighting under low current conditions and achieve half the initial luminance (τ1/2 ) Was measured. In addition, light emission luminance (L) [cd / m immediately after the start of lighting]2 ] And external extraction quantum efficiency (η) were measured. Minolta CS-1000 was used for luminance measurement, and the external extraction quantum efficiency (η) was evaluated in the same manner as described above.
[0177]
The light emission lifetime and the external extraction quantum efficiency (η) (light emission efficiency) are expressed as relative values when the organic EL element OLED2-1 is set to 100, and the results obtained are shown in Table 2. The emission color was blue.
[0178]
[Table 2]
[0179]
From Table 2, it can be seen that even in a system in which the luminescent dopant is changed, when the carbazole derivative according to the present invention is used as a host compound, the emission efficiency is high and the emission lifetime is long.
[0180]
Example 3
<Production of full-color display device>
<Blue light emitting element>
The OLED 2-10 was used as a blue light emitting element.
[0181]
<Green light emitting element>
The OLED 1-6 was used as a green light emitting element.
[0182]
<Red light emitting element>
A red light emitting device was produced in the same manner as in the production of the green light emitting device OLED1-6 except that the light emitting dopant was changed from Ir-1 to Ir-9.
[0183]
The red, green, and blue light emitting organic EL elements produced above were juxtaposed on the same substrate to produce an active matrix type full color display device having a configuration as shown in FIG. In FIG. 2, only the schematic diagram of the display part A of the produced display device is shown. That is, a wiring portion including a plurality of scanning lines 5 and data lines 6 on the same substrate, and a plurality of juxtaposed pixels 3 (emission color is a red region pixel, a green region pixel, a blue region pixel, etc.) The scanning line 5 and the plurality of data lines 6 in the wiring portion are each made of a conductive material, and the scanning lines 5 and the data lines 6 are orthogonal to each other in a lattice shape and are connected to the pixels 3 at orthogonal positions. (Details not shown). The plurality of pixels 3 are driven by an active matrix system provided with an organic EL element corresponding to each emission color, a switching transistor as an active element, and a driving transistor, and a scanning signal is applied from a scanning line 5. Then, an image data signal is received from the data line 6 and light is emitted according to the received image data. In this way, full-color display is possible by appropriately juxtaposing the red, green, and blue pixels.
[0184]
It was found that by driving the full-color display device, a clear full-color moving image display with high luminance, high durability, and clearness can be obtained.
[0185]
Example 4
The electrode of the transparent electrode substrate of Example 1 was patterned to 20 mm × 20 mm, and α-NPD was formed as a hole injection / transport layer with a thickness of 50 nm thereon as in Example 1, and further according to the present invention. The heated boat containing Compound 56, the boat containing Ir-12, and the boat containing Ir-9 were energized independently, and the compound 56 serving as a light emitting host and Ir-12 and Ir-9 serving as light emitting dopants The deposition rate was adjusted to 100: 5: 0.6, and the light-emitting layer was provided by vapor deposition so that the film thickness was 30 nm.
[0186]
Next, BCP was deposited to a thickness of 10 nm to provide an electron transport layer. Furthermore, Alq3 Was deposited at 40 nm to provide an electron injection layer.
[0187]
Next, the vacuum chamber is opened, and a square perforated mask having the same shape as the stainless steel transparent electrode is set on the electron injection layer, and 0.5 nm of lithium fluoride is deposited as a cathode buffer layer and 110 nm of aluminum is deposited as a cathode. A film was formed.
[0188]
This element was sealed using a sealing can having the same method and structure as in Example 1 to produce a flat lamp.
[0189]
When this flat lamp was energized, almost white light was obtained, and it was found that it could be used as a lighting device. It has been found that even when the luminescent host is replaced with another compound of the present invention, white luminescence can be obtained similarly.
[0190]
【The invention's effect】
According to the present invention, an organic electroluminescence element, a display device, and a lighting device that exhibit high luminous efficiency and have a short half-life can be provided.
[Brief description of the drawings]
FIG. 1 is a schematic view showing an example of a display device composed of organic EL elements.
FIG. 2 is a schematic diagram of a display unit.
FIG. 3 is an equivalent circuit diagram of a drive circuit constituting a pixel.
FIG. 4 is a schematic diagram of a display device using a passive matrix method.
FIG. 5 is a schematic view of an organic EL device having a sealing structure.
[Explanation of symbols]
1 Display
3 pixels
5 scan lines
6 data lines
7 Power line
10 Organic EL elements
11 Switching transistor
12 Driving transistor
13 Capacitor
A display
B Control unit
| Application Number | Priority Date | Filing Date | Title |
|---|---|---|---|
| JP2003075512AJP4411851B2 (en) | 2003-03-19 | 2003-03-19 | Organic electroluminescence device |
| Application Number | Priority Date | Filing Date | Title |
|---|---|---|---|
| JP2003075512AJP4411851B2 (en) | 2003-03-19 | 2003-03-19 | Organic electroluminescence device |
| Publication Number | Publication Date |
|---|---|
| JP2004288381Atrue JP2004288381A (en) | 2004-10-14 |
| JP4411851B2 JP4411851B2 (en) | 2010-02-10 |
| Application Number | Title | Priority Date | Filing Date |
|---|---|---|---|
| JP2003075512AExpired - Fee RelatedJP4411851B2 (en) | 2003-03-19 | 2003-03-19 | Organic electroluminescence device |
| Country | Link |
|---|---|
| JP (1) | JP4411851B2 (en) |
| Publication number | Priority date | Publication date | Assignee | Title |
|---|---|---|---|---|
| JP2005154412A (en)* | 2003-09-05 | 2005-06-16 | Ricoh Co Ltd | 3,6-diphenylcarbazole derivative |
| JP2005183345A (en)* | 2003-12-24 | 2005-07-07 | Konica Minolta Holdings Inc | Organic electroluminescent element, display device, and lighting system |
| DE102007002714A1 (en) | 2007-01-18 | 2008-07-31 | Merck Patent Gmbh | New materials for organic electroluminescent devices |
| JP2009059767A (en)* | 2007-08-30 | 2009-03-19 | Konica Minolta Holdings Inc | Organic electroluminescence element, lighting device and display device |
| DE102008015526A1 (en) | 2008-03-25 | 2009-10-01 | Merck Patent Gmbh | metal complexes |
| DE102008027005A1 (en) | 2008-06-05 | 2009-12-10 | Merck Patent Gmbh | Organic electronic device containing metal complexes |
| EP1844947B1 (en)* | 2005-01-13 | 2010-02-10 | Nippon Paper Industries Co., Ltd. | Thermosensitive recording medium |
| DE102008036247A1 (en) | 2008-08-04 | 2010-02-11 | Merck Patent Gmbh | Electronic devices containing metal complexes |
| DE102008036982A1 (en) | 2008-08-08 | 2010-02-11 | Merck Patent Gmbh | Organic electroluminescent device |
| DE102008057051A1 (en) | 2008-11-13 | 2010-05-20 | Merck Patent Gmbh | Materials for organic electroluminescent devices |
| DE102008057050A1 (en) | 2008-11-13 | 2010-05-20 | Merck Patent Gmbh | Materials for organic electroluminescent devices |
| DE102008063490A1 (en) | 2008-12-17 | 2010-06-24 | Merck Patent Gmbh | Organic electroluminescent device |
| DE102008063470A1 (en) | 2008-12-17 | 2010-07-01 | Merck Patent Gmbh | Organic electroluminescent device |
| WO2010086089A1 (en) | 2009-02-02 | 2010-08-05 | Merck Patent Gmbh | Metal complexes |
| DE102009009277A1 (en) | 2009-02-17 | 2010-08-19 | Merck Patent Gmbh | Organic electronic device |
| WO2010099852A1 (en) | 2009-03-02 | 2010-09-10 | Merck Patent Gmbh | Metal complexes having azaborol ligands and electronic device having the same |
| DE102009012346A1 (en) | 2009-03-09 | 2010-09-16 | Merck Patent Gmbh | Organic electroluminescent device |
| DE102009013041A1 (en) | 2009-03-13 | 2010-09-16 | Merck Patent Gmbh | Materials for organic electroluminescent devices |
| WO2010115498A1 (en) | 2009-04-09 | 2010-10-14 | Merck Patent Gmbh | Organic electroluminescence device |
| KR20100118700A (en)* | 2009-04-29 | 2010-11-08 | 다우어드밴스드디스플레이머티리얼 유한회사 | Novel organic electroluminescent compounds and organic electroluminescent device using the same |
| DE102009023155A1 (en) | 2009-05-29 | 2010-12-02 | Merck Patent Gmbh | Materials for organic electroluminescent devices |
| WO2010149259A2 (en) | 2009-06-22 | 2010-12-29 | Merck Patent Gmbh | Conducting formulation |
| DE102009031021A1 (en) | 2009-06-30 | 2011-01-05 | Merck Patent Gmbh | Materials for organic electroluminescent devices |
| WO2011006574A1 (en) | 2009-07-14 | 2011-01-20 | Merck Patent Gmbh | Materials for organic electroluminescent devices |
| WO2011015265A2 (en) | 2009-08-04 | 2011-02-10 | Merck Patent Gmbh | Electronic devices comprising multi cyclic hydrocarbons |
| DE102009041414A1 (en) | 2009-09-16 | 2011-03-17 | Merck Patent Gmbh | metal complexes |
| DE102009041289A1 (en) | 2009-09-16 | 2011-03-17 | Merck Patent Gmbh | Organic electroluminescent device |
| DE102009042693A1 (en) | 2009-09-23 | 2011-03-24 | Merck Patent Gmbh | Materials for electronic devices |
| WO2011032686A1 (en) | 2009-09-16 | 2011-03-24 | Merck Patent Gmbh | Formulas for producing electronic devices |
| DE102009048791A1 (en) | 2009-10-08 | 2011-04-14 | Merck Patent Gmbh | Materials for organic electroluminescent devices |
| WO2011044988A1 (en) | 2009-10-16 | 2011-04-21 | Merck Patent Gmbh | Metal complexes |
| DE102009053382A1 (en) | 2009-11-14 | 2011-05-19 | Merck Patent Gmbh | Materials for electronic devices |
| DE102009053645A1 (en) | 2009-11-17 | 2011-05-19 | Merck Patent Gmbh | Materials for organic electroluminescent device |
| DE102009053644A1 (en) | 2009-11-17 | 2011-05-19 | Merck Patent Gmbh | Materials for organic electroluminescent devices |
| WO2011060867A1 (en) | 2009-11-18 | 2011-05-26 | Merck Patent Gmbh | Nitrogen-containing condensed heterocyclic compounds for oleds |
| WO2011066898A1 (en) | 2009-12-05 | 2011-06-09 | Merck Patent Gmbh | Electronic device containing metal complexes |
| DE102009023154A1 (en) | 2009-05-29 | 2011-06-16 | Merck Patent Gmbh | A composition comprising at least one emitter compound and at least one polymer having conjugation-interrupting units |
| WO2011076314A1 (en) | 2009-12-22 | 2011-06-30 | Merck Patent Gmbh | Electroluminescent formulations |
| WO2011076324A1 (en) | 2009-12-23 | 2011-06-30 | Merck Patent Gmbh | Compositions comprising organic semiconducting compounds |
| WO2011076323A1 (en) | 2009-12-22 | 2011-06-30 | Merck Patent Gmbh | Formulations comprising phase-separated functional materials |
| WO2011076325A1 (en) | 2009-12-23 | 2011-06-30 | Merck Patent Gmbh | Compositions comprising polymeric binders |
| WO2011076326A1 (en) | 2009-12-22 | 2011-06-30 | Merck Patent Gmbh | Electroluminescent functional surfactants |
| DE102010004803A1 (en) | 2010-01-16 | 2011-07-21 | Merck Patent GmbH, 64293 | Materials for organic electroluminescent devices |
| DE102010005697A1 (en) | 2010-01-25 | 2011-07-28 | Merck Patent GmbH, 64293 | Connections for electronic devices |
| WO2011091838A1 (en) | 2010-01-29 | 2011-08-04 | Merck Patent Gmbh | Styrene-based copolymers, in particular for use in optoelectronic components |
| DE102010009193A1 (en) | 2010-02-24 | 2011-08-25 | Merck Patent GmbH, 64293 | Fluorine-fluorine associates |
| DE102010010481A1 (en) | 2010-03-06 | 2011-09-08 | Merck Patent Gmbh | Organic electroluminescent device |
| DE102010009903A1 (en) | 2010-03-02 | 2011-09-08 | Merck Patent Gmbh | Connections for electronic devices |
| WO2011110277A1 (en) | 2010-03-11 | 2011-09-15 | Merck Patent Gmbh | Fibers in therapy and cosmetics |
| WO2011110275A2 (en) | 2010-03-11 | 2011-09-15 | Merck Patent Gmbh | Radiative fibers |
| WO2011116857A1 (en) | 2010-03-23 | 2011-09-29 | Merck Patent Gmbh | Materials for organic electroluminescent devices |
| DE102010013068A1 (en) | 2010-03-26 | 2011-09-29 | Merck Patent Gmbh | Connections for electronic devices |
| DE102010012738A1 (en) | 2010-03-25 | 2011-09-29 | Merck Patent Gmbh | Materials for organic electroluminescent devices |
| WO2011128035A1 (en) | 2010-04-12 | 2011-10-20 | Merck Patent Gmbh | Composition and method for preparation of organic electronic devices |
| DE102010014933A1 (en) | 2010-04-14 | 2011-10-20 | Merck Patent Gmbh | Materials for electronic devices |
| WO2011128034A1 (en) | 2010-04-12 | 2011-10-20 | Merck Patent Gmbh | Composition having improved performance |
| DE102010018321A1 (en) | 2010-04-27 | 2011-10-27 | Merck Patent Gmbh | Organic electroluminescent device |
| DE102010019306A1 (en) | 2010-05-04 | 2011-11-10 | Merck Patent Gmbh | Organic electroluminescent devices |
| WO2011137922A1 (en) | 2010-05-03 | 2011-11-10 | Merck Patent Gmbh | Formulations and electronic devices |
| WO2011141109A1 (en) | 2010-05-11 | 2011-11-17 | Merck Patent Gmbh | Organic electroluminescent devices |
| WO2011141120A1 (en) | 2010-05-14 | 2011-11-17 | Merck Patent Gmbh | Metal complexes |
| WO2011147522A1 (en) | 2010-05-27 | 2011-12-01 | Merck Patent Gmbh | Compositions comprising quantum dots |
| WO2011147523A1 (en) | 2010-05-27 | 2011-12-01 | Merck Patent Gmbh | Formulation and method for preparation of organic electronic devices |
| DE102009022858A1 (en) | 2009-05-27 | 2011-12-15 | Merck Patent Gmbh | Organic electroluminescent devices |
| DE102010024542A1 (en) | 2010-06-22 | 2011-12-22 | Merck Patent Gmbh | Materials for electronic devices |
| WO2011157346A1 (en) | 2010-06-18 | 2011-12-22 | Merck Patent Gmbh | Compounds for electronic devices |
| WO2011157339A1 (en) | 2010-06-15 | 2011-12-22 | Merck Patent Gmbh | Metal complexes |
| WO2011160758A1 (en) | 2010-06-24 | 2011-12-29 | Merck Patent Gmbh | Materials for organic electroluminescent devices |
| WO2012007103A1 (en) | 2010-07-15 | 2012-01-19 | Merck Patent Gmbh | Metal complexes with organic ligands and use thereof in oleds |
| DE102010027317A1 (en) | 2010-07-16 | 2012-01-19 | Merck Patent Gmbh | metal complexes |
| WO2012007087A1 (en) | 2010-07-16 | 2012-01-19 | Merck Patent Gmbh | Metal complexes |
| DE102010027320A1 (en) | 2010-07-16 | 2012-01-19 | Merck Patent Gmbh | Polymeric materials for organic electroluminescent devices |
| DE102010027319A1 (en) | 2010-07-16 | 2012-01-19 | Merck Patent Gmbh | metal complexes |
| WO2012013272A1 (en) | 2010-07-26 | 2012-02-02 | Merck Patent Gmbh | Quantum dots and hosts |
| WO2012013271A1 (en) | 2010-07-30 | 2012-02-02 | Merck Patent Gmbh | Organic electroluminescent device |
| WO2012013270A1 (en) | 2010-07-26 | 2012-02-02 | Merck Patent Gmbh | Nanocrystals in devices |
| WO2012016630A1 (en) | 2010-08-05 | 2012-02-09 | Merck Patent Gmbh | Materials for electronic devices |
| DE102010045405A1 (en) | 2010-09-15 | 2012-03-15 | Merck Patent Gmbh | Materials for organic electroluminescent devices |
| DE102010046412A1 (en) | 2010-09-23 | 2012-03-29 | Merck Patent Gmbh | Metal ligand coordination compounds |
| DE102010046512A1 (en) | 2010-09-24 | 2012-03-29 | Merck Patent Gmbh | Phosphorus-containing metal complexes |
| DE102010048074A1 (en) | 2010-10-09 | 2012-04-12 | Merck Patent Gmbh | Materials for electronic devices |
| WO2012048900A1 (en) | 2010-10-14 | 2012-04-19 | Fraunhofer-Gesellschaft Zur Förderung Der Angewandten Forschung E.V. . | Materials for organic electroluminescence devices |
| DE102010048607A1 (en) | 2010-10-15 | 2012-04-19 | Merck Patent Gmbh | Connections for electronic devices |
| DE102010048608A1 (en) | 2010-10-15 | 2012-04-19 | Merck Patent Gmbh | Materials for organic electroluminescent devices |
| DE102010054525A1 (en) | 2010-12-15 | 2012-04-26 | Merck Patent Gmbh | Organic electroluminescent device |
| WO2012069121A1 (en) | 2010-11-24 | 2012-05-31 | Merck Patent Gmbh | Materials for organic electroluminescent devices |
| DE102010054316A1 (en) | 2010-12-13 | 2012-06-14 | Merck Patent Gmbh | Substituted tetraarylbenzenes |
| WO2012079741A1 (en) | 2010-12-15 | 2012-06-21 | Merck Patent Gmbh | Metal complexes |
| DE102010055901A1 (en) | 2010-12-23 | 2012-06-28 | Merck Patent Gmbh | Organic electroluminescent device |
| WO2012084115A1 (en) | 2010-12-23 | 2012-06-28 | Merck Patent Gmbh | Organic electroluminescent device |
| WO2012095143A1 (en) | 2011-01-13 | 2012-07-19 | Merck Patent Gmbh | Compounds for organic electroluminescent devices |
| DE102012000064A1 (en) | 2011-01-21 | 2012-07-26 | Merck Patent Gmbh | New heterocyclic compound excluding 9,10-dioxa-4b-aza-9a-phospha-indeno(1,2-a)indene and 9,10-dioxa-4b-aza-indeno(1,2-a)indene, useful e.g. as matrix material for fluorescent or phosphorescent emitters of electronic devices |
| EP2482159A2 (en) | 2011-01-28 | 2012-08-01 | Honeywell International, Inc. | Methods and reconfigurable systems to optimize the performance of a condition based health maintenance system |
| DE102011010841A1 (en) | 2011-02-10 | 2012-08-16 | Merck Patent Gmbh | (1,3) -dioxane-5-one compounds |
| WO2012107163A1 (en) | 2011-02-12 | 2012-08-16 | Merck Patent Gmbh | Substituted dibenzonaphthacene |
| WO2012110182A1 (en) | 2011-02-17 | 2012-08-23 | Merck Patent Gmbh | Compounds for electronic devices |
| WO2012110178A1 (en) | 2011-02-14 | 2012-08-23 | Merck Patent Gmbh | Device and method for treatment of cells and cell tissue |
| WO2012126566A1 (en) | 2011-03-24 | 2012-09-27 | Merck Patent Gmbh | Organic ionic functional materials |
| WO2012136296A1 (en) | 2011-04-04 | 2012-10-11 | Merck Patent Gmbh | Metal complexes |
| WO2012136295A1 (en) | 2011-04-05 | 2012-10-11 | Merck Patent Gmbh | Organic electroluminescent device |
| WO2012139692A1 (en) | 2011-04-13 | 2012-10-18 | Merck Patent Gmbh | Materials for electronic devices |
| WO2012139693A1 (en) | 2011-04-13 | 2012-10-18 | Merck Patent Gmbh | Compounds for electronic devices |
| WO2012143079A1 (en) | 2011-04-18 | 2012-10-26 | Merck Patent Gmbh | Compounds for electronic devices |
| WO2012143080A2 (en) | 2011-04-18 | 2012-10-26 | Merck Patent Gmbh | Materials for organic electroluminescent devices |
| WO2012149992A1 (en) | 2011-05-04 | 2012-11-08 | Merck Patent Gmbh | Device for preserving fresh goods |
| WO2012150001A1 (en) | 2011-05-05 | 2012-11-08 | Merck Patent Gmbh | Compounds for electronic devices |
| WO2012149999A1 (en) | 2011-05-05 | 2012-11-08 | Merck Patent Gmbh | Compounds for electronic devices |
| WO2012152366A1 (en) | 2011-05-12 | 2012-11-15 | Merck Patent Gmbh | Organic ionic compounds, compositions and electronic devices |
| DE102012007810A1 (en) | 2011-05-16 | 2012-11-22 | Merck Patent Gmbh | Electronic device, preferably organic electroluminescent device comprises a transition metal compound exhibiting a transition metal-tin bond |
| DE102011102586A1 (en) | 2011-05-27 | 2012-11-29 | Merck Patent Gmbh | Organic electronic device |
| WO2012163465A1 (en) | 2011-06-03 | 2012-12-06 | Merck Patent Gmbh | Organic electroluminescence device |
| WO2012163471A1 (en) | 2011-06-03 | 2012-12-06 | Merck Patent Gmbh | Metal complexes |
| WO2013000531A1 (en) | 2011-06-28 | 2013-01-03 | Merck Patent Gmbh | Metal complexes |
| WO2013017189A1 (en) | 2011-07-29 | 2013-02-07 | Merck Patent Gmbh | Compounds for electronic devices |
| WO2013017192A1 (en) | 2011-08-03 | 2013-02-07 | Merck Patent Gmbh | Materials for electronic devices |
| WO2013020631A1 (en) | 2011-08-10 | 2013-02-14 | Merck Patent Gmbh | Metal complexes |
| DE102012016192A1 (en) | 2011-08-19 | 2013-02-21 | Merck Patent Gmbh | New compounds capable of forming hydrogen bonds are useful in electronic device, e.g. organic electroluminescent device, organic light-emitting transistor and organic light-emitting electrochemical cell |
| WO2013026515A1 (en) | 2011-08-22 | 2013-02-28 | Merck Patent Gmbh | Organic electroluminescence device |
| WO2013041176A1 (en) | 2011-09-21 | 2013-03-28 | Merck Patent Gmbh | Carbazole derivatives for organic electroluminescence devices |
| DE102011116165A1 (en) | 2011-10-14 | 2013-04-18 | Merck Patent Gmbh | Benzodioxepin-3-one compounds |
| WO2013056776A1 (en) | 2011-10-20 | 2013-04-25 | Merck Patent Gmbh | Materials for organic electroluminescent devices |
| WO2013060418A1 (en) | 2011-10-27 | 2013-05-02 | Merck Patent Gmbh | Materials for electronic devices |
| WO2013060411A1 (en) | 2011-10-28 | 2013-05-02 | Merck Patent Gmbh | Hyperbranched polymers, methods for producing same, and use of same in electronic devices |
| WO2013064206A1 (en) | 2011-11-01 | 2013-05-10 | Merck Patent Gmbh | Organic electroluminescent device |
| WO2013083216A1 (en) | 2011-11-17 | 2013-06-13 | Merck Patent Gmbh | Spiro dihydroacridine derivatives and the use thereof as materials for organic electroluminescence devices |
| WO2013087142A1 (en) | 2011-12-12 | 2013-06-20 | Merck Patent Gmbh | Compounds for electronic devices |
| DE102012022880A1 (en) | 2011-12-22 | 2013-06-27 | Merck Patent Gmbh | Electronic device e.g. organic integrated circuits, organic field-effect transistors, organic thin-film transistors, organic light emitting transistors, comprises an organic layer comprising substituted heteroaryl compounds |
| WO2013097920A1 (en) | 2011-12-27 | 2013-07-04 | Merck Patent Gmbh | Metal complexes comprising 1,2,3-triazoles |
| JP2013131767A (en)* | 2013-01-24 | 2013-07-04 | Konica Minolta Inc | Organic electroluminescent element |
| WO2013107487A1 (en) | 2012-01-16 | 2013-07-25 | Merck Patent Gmbh | Organic metal complexes |
| JP2013149880A (en)* | 2012-01-23 | 2013-08-01 | Konica Minolta Inc | Organic electroluminescent element, display device and luminaire |
| WO2013113349A1 (en) | 2012-01-30 | 2013-08-08 | Merck Patent Gmbh | Nanocrystals on fibers |
| WO2013120577A1 (en) | 2012-02-14 | 2013-08-22 | Merck Patent Gmbh | Spirobifluorene compounds for organic electroluminescent devices |
| WO2013135352A1 (en) | 2012-03-15 | 2013-09-19 | Merck Patent Gmbh | Electronic devices |
| WO2013139431A1 (en) | 2012-03-23 | 2013-09-26 | Merck Patent Gmbh | 9,9'-spirobixanthene derivatives for electroluminescent devices |
| WO2013174471A1 (en) | 2012-05-24 | 2013-11-28 | Merck Patent Gmbh | Metal complexes comprising condensed heteroaromatic rings |
| DE102012011335A1 (en) | 2012-06-06 | 2013-12-12 | Merck Patent Gmbh | Connections for Organic Electronic Devices |
| US8610110B2 (en) | 2008-03-11 | 2013-12-17 | Merck Patent Gmbh | Optoelectronic component comprising neutral transition metal complexes |
| US8618317B2 (en) | 2008-07-17 | 2013-12-31 | Merck Patent Gmbh | Organic electroluminescence device |
| WO2014008982A1 (en) | 2012-07-13 | 2014-01-16 | Merck Patent Gmbh | Metal complexes |
| WO2014008967A2 (en) | 2012-07-10 | 2014-01-16 | Merck Patent Gmbh | Materials for organic electroluminescent devices |
| US8637168B2 (en) | 2008-10-08 | 2014-01-28 | Merck Patent Gmbh | Materials for organic electroluminescence devices |
| WO2014015937A1 (en) | 2012-07-23 | 2014-01-30 | Merck Patent Gmbh | Compounds and organic electroluminescent devices |
| WO2014015938A1 (en) | 2012-07-23 | 2014-01-30 | Merck Patent Gmbh | Derivatives of 2-diarylaminofluorene and organic electronic compounds containing them |
| WO2014015935A2 (en) | 2012-07-23 | 2014-01-30 | Merck Patent Gmbh | Compounds and organic electronic devices |
| WO2014015931A1 (en) | 2012-07-23 | 2014-01-30 | Merck Patent Gmbh | Materials for organic electroluminescent devices |
| WO2014023377A2 (en) | 2012-08-07 | 2014-02-13 | Merck Patent Gmbh | Metal complexes |
| WO2014023388A1 (en) | 2012-08-10 | 2014-02-13 | Merck Patent Gmbh | Materials for organic electroluminescence devices |
| JP2014042071A (en)* | 2006-01-05 | 2014-03-06 | Konica Minolta Inc | Organic electroluminescent element |
| EP2712000A1 (en) | 2008-09-22 | 2014-03-26 | Merck Patent GmbH | Materials for Organic Electroluminescent Devices |
| WO2014044344A1 (en) | 2012-09-18 | 2014-03-27 | Merck Patent Gmbh | Materials for electronic devices |
| WO2014044347A1 (en) | 2012-09-20 | 2014-03-27 | Merck Patent Gmbh | Metal complexes |
| WO2014056567A1 (en) | 2012-10-11 | 2014-04-17 | Merck Patent Gmbh | Materials for organic electroluminescent devices |
| DE102012020167A1 (en) | 2012-10-13 | 2014-04-17 | Eberhard Karls Universität Tübingen | metal complexes |
| DE102012021650A1 (en) | 2012-11-03 | 2014-05-08 | Eberhard Karls Universität Tübingen | metal complexes |
| WO2014067614A1 (en) | 2012-10-31 | 2014-05-08 | Merck Patent Gmbh | Electronic device |
| JP2014082522A (en)* | 2014-01-14 | 2014-05-08 | Konica Minolta Inc | Organic electroluminescent element |
| WO2014079532A1 (en) | 2012-11-20 | 2014-05-30 | Merck Patent Gmbh | Formulation in high-purity solvent for producing electronic devices |
| WO2014082705A1 (en) | 2012-11-30 | 2014-06-05 | Merck Patent Gmbh | Electronic device |
| WO2014106524A2 (en) | 2013-01-03 | 2014-07-10 | Merck Patent Gmbh | Materials for electronic devices |
| WO2014106522A1 (en) | 2013-01-03 | 2014-07-10 | Merck Patent Gmbh | Materials for electronic devices |
| WO2014146752A1 (en) | 2013-03-22 | 2014-09-25 | Merck Patent Gmbh | Materials for electronic devices |
| US8865321B2 (en) | 2008-11-11 | 2014-10-21 | Merck Patent Gmbh | Organic electroluminescent devices |
| TWI460162B (en)* | 2006-12-13 | 2014-11-11 | Gen Electric | Bis-carbazole monomers and polymers |
| DE102013008189A1 (en) | 2013-05-14 | 2014-12-04 | Eberhard Karls Universität Tübingen | metal complexes |
| WO2015014427A1 (en) | 2013-07-29 | 2015-02-05 | Merck Patent Gmbh | Electro-optical device and the use thereof |
| JP2015043435A (en)* | 2010-01-28 | 2015-03-05 | ユー・ディー・シー アイルランド リミテッド | Organic electroluminescence device |
| WO2015082046A2 (en) | 2013-12-06 | 2015-06-11 | Merck Patent Gmbh | Substituted oxepines |
| WO2015082037A1 (en) | 2013-12-06 | 2015-06-11 | Merck Patent Gmbh | Compositions containing a polymeric binder which comprises acrylic and/or methacrylic acid ester units |
| WO2015086108A1 (en) | 2013-12-12 | 2015-06-18 | Merck Patent Gmbh | Materials for electronic devices |
| WO2015090504A2 (en) | 2013-12-19 | 2015-06-25 | Merck Patent Gmbh | Heterocyclic spiro compounds |
| EP2927221A1 (en) | 2014-03-31 | 2015-10-07 | Commonwealth Scientific and Industrial Research Organisation | Diamine compounds for phosphorescent diazaborole metal complexes and electroluminescent devices |
| EP2927300A1 (en) | 2014-03-31 | 2015-10-07 | Commonwealth Scientific and Industrial Research Organisation | Phenylenediamine compounds for phosphorescent diazaborole metal complexes |
| WO2015165563A1 (en) | 2014-04-30 | 2015-11-05 | Merck Patent Gmbh | Materials for electronic devices |
| WO2015169412A1 (en) | 2014-05-05 | 2015-11-12 | Merck Patent Gmbh | Materials for organic light emitting devices |
| DE102015006708A1 (en) | 2014-06-12 | 2015-12-17 | Merck Patent Gmbh | metal complexes |
| WO2015192941A1 (en) | 2014-06-18 | 2015-12-23 | Merck Patent Gmbh | Compositions for electronic devices |
| WO2015197156A1 (en) | 2014-06-25 | 2015-12-30 | Merck Patent Gmbh | Materials for organic electroluminescent devices |
| EP2960315A1 (en) | 2014-06-27 | 2015-12-30 | cynora GmbH | Organic electroluminescent device |
| EP2963044A1 (en) | 2014-06-30 | 2016-01-06 | cynora GmbH | Binuclear metal (I) complexes with tetradentate ligands for optoelectronic applications |
| DE102014012818A1 (en) | 2014-08-28 | 2016-03-03 | Eberhard Karls Universität Tübingen | metal complexes |
| WO2016034262A1 (en) | 2014-09-05 | 2016-03-10 | Merck Patent Gmbh | Formulations and electronic devices |
| WO2016055557A1 (en) | 2014-10-08 | 2016-04-14 | Cynora Gmbh | Metal complexes with tridentate ligands for optoelectronic applications |
| WO2016074755A1 (en) | 2014-11-11 | 2016-05-19 | Merck Patent Gmbh | Materials for organic electroluminescent devices |
| WO2016079097A1 (en) | 2014-11-18 | 2016-05-26 | Cynora Gmbh | Copper(i) complexes for optoelectronic applications |
| WO2016091353A1 (en) | 2014-12-12 | 2016-06-16 | Merck Patent Gmbh | Organic compounds with soluble groups |
| WO2016107663A1 (en) | 2014-12-30 | 2016-07-07 | Merck Patent Gmbh | Formulations and electronic devices |
| WO2016120007A1 (en) | 2015-01-30 | 2016-08-04 | Merck Patent Gmbh | Formulations with a low particle content |
| WO2016119992A1 (en) | 2015-01-30 | 2016-08-04 | Merck Patent Gmbh | Materials for electronic devices |
| WO2016124304A1 (en) | 2015-02-03 | 2016-08-11 | Merck Patent Gmbh | Metal complexes |
| WO2016155866A1 (en) | 2015-03-30 | 2016-10-06 | Merck Patent Gmbh | Formulation of an organic functional material comprising a siloxane solvent |
| WO2016198141A1 (en) | 2015-06-12 | 2016-12-15 | Merck Patent Gmbh | Esters containing non-aromatic cycles as solvents for oled formulations |
| WO2016198144A1 (en) | 2015-06-10 | 2016-12-15 | Merck Patent Gmbh | Materials for organic electroluminescent devices |
| WO2017008883A1 (en) | 2015-07-15 | 2017-01-19 | Merck Patent Gmbh | Composition comprising organic semiconducting compounds |
| WO2017012687A1 (en) | 2015-07-22 | 2017-01-26 | Merck Patent Gmbh | Materials for organic electroluminescent devices |
| WO2017012694A1 (en) | 2015-07-23 | 2017-01-26 | Merck Patent Gmbh | Phenyl derivatives substituted with at least two electron acceptors and at least two electron donors for use in organic electronic devices |
| WO2017016630A1 (en) | 2015-07-30 | 2017-02-02 | Merck Patent Gmbh | Materials for organic electroluminescent devices |
| WO2017025166A1 (en) | 2015-08-13 | 2017-02-16 | Merck Patent Gmbh | Hexamethylindanes |
| WO2017028940A1 (en) | 2015-08-14 | 2017-02-23 | Merck Patent Gmbh | Phenoxazine derivatives for organic electroluminescent devices |
| WO2017036572A1 (en) | 2015-08-28 | 2017-03-09 | Merck Patent Gmbh | Formulation of an organic functional material comprising an epoxy group containing solvent |
| WO2017036573A1 (en) | 2015-08-28 | 2017-03-09 | Merck Patent Gmbh | Compounds for electronic devices |
| DE102015013381A1 (en) | 2015-10-14 | 2017-04-20 | Eberhard Karls Universität Tübingen | metal complexes |
| WO2017071791A1 (en) | 2015-10-27 | 2017-05-04 | Merck Patent Gmbh | Materials for organic electroluminescent devices |
| DE102015016016A1 (en) | 2015-12-10 | 2017-06-14 | Eberhard Karls Universität Tübingen | metal complexes |
| WO2017097391A1 (en) | 2015-12-10 | 2017-06-15 | Merck Patent Gmbh | Formulations containing ketones comprising non-aromatic cycles |
| WO2017102049A1 (en) | 2015-12-16 | 2017-06-22 | Merck Patent Gmbh | Formulations containing a mixture of at least two different solvents |
| WO2017102048A1 (en) | 2015-12-15 | 2017-06-22 | Merck Patent Gmbh | Esters containing aromatic groups as solvents for organic electronic formulations |
| WO2017102052A1 (en) | 2015-12-16 | 2017-06-22 | Merck Patent Gmbh | Formulations containing a solid solvent |
| WO2017133829A1 (en) | 2016-02-05 | 2017-08-10 | Merck Patent Gmbh | Materials for electronic devices |
| WO2017140404A1 (en) | 2016-02-17 | 2017-08-24 | Merck Patent Gmbh | Formulation of an organic functional material |
| WO2017148564A1 (en) | 2016-03-03 | 2017-09-08 | Merck Patent Gmbh | Materials for organic electroluminescent devices |
| WO2017157783A1 (en) | 2016-03-15 | 2017-09-21 | Merck Patent Gmbh | Receptacle comprising a formulation containing at least one organic semiconductor |
| WO2017157983A1 (en) | 2016-03-17 | 2017-09-21 | Merck Patent Gmbh | Compounds with spirobifluorene-structures |
| WO2017178311A1 (en) | 2016-04-11 | 2017-10-19 | Merck Patent Gmbh | Heterocyclic compounds comprising dibenzofuran and/or dibenzothiophene structures |
| WO2017186760A1 (en) | 2016-04-29 | 2017-11-02 | Merck Patent Gmbh | Materials for organic electroluminescent devices |
| WO2017207596A1 (en) | 2016-06-03 | 2017-12-07 | Merck Patent Gmbh | Materials for organic electroluminescent devices |
| WO2017216128A1 (en) | 2016-06-17 | 2017-12-21 | Merck Patent Gmbh | Formulation of an organic functional material |
| WO2017216129A1 (en) | 2016-06-16 | 2017-12-21 | Merck Patent Gmbh | Formulation of an organic functional material |
| WO2018001928A1 (en) | 2016-06-28 | 2018-01-04 | Merck Patent Gmbh | Formulation of an organic functional material |
| WO2018001990A1 (en) | 2016-06-30 | 2018-01-04 | Merck Patent Gmbh | Method for the separation of enantiomeric mixtures from metal complexes |
| WO2018007421A1 (en) | 2016-07-08 | 2018-01-11 | Merck Patent Gmbh | Materials for organic electroluminescent devices |
| WO2018011186A1 (en) | 2016-07-14 | 2018-01-18 | Merck Patent Gmbh | Metal complexes |
| WO2018019687A1 (en) | 2016-07-25 | 2018-02-01 | Merck Patent Gmbh | Dinuclear and oligonuclear metal complexes containing tripodal bidentate part ligands and their use in electronic devices |
| WO2018019688A1 (en) | 2016-07-25 | 2018-02-01 | Merck Patent Gmbh | Metal complexes for use as emitters in organic electroluminescence devices |
| WO2018024719A1 (en) | 2016-08-04 | 2018-02-08 | Merck Patent Gmbh | Formulation of an organic functional material |
| WO2018041769A1 (en) | 2016-08-30 | 2018-03-08 | Merck Patent Gmbh | Binuclear and trinuclear metal complexes composed of two inter-linked tripodal hexadentate ligands for use in electroluminescent devices |
| WO2018050584A1 (en) | 2016-09-14 | 2018-03-22 | Merck Patent Gmbh | Compounds with spirobifluorene-structures |
| WO2018050583A1 (en) | 2016-09-14 | 2018-03-22 | Merck Patent Gmbh | Compounds with carbazole structures |
| WO2018054798A1 (en) | 2016-09-21 | 2018-03-29 | Merck Patent Gmbh | Binuclear metal complexes for use as emitters in organic electroluminescent devices |
| WO2018060307A1 (en) | 2016-09-30 | 2018-04-05 | Merck Patent Gmbh | Compounds with diazadibenzofurane or diazadibenzothiophene structures |
| WO2018060218A1 (en) | 2016-09-30 | 2018-04-05 | Merck Patent Gmbh | Carbazoles with diazadibenzofurane or diazadibenzothiophene structures |
| WO2018069167A1 (en) | 2016-10-10 | 2018-04-19 | Merck Patent Gmbh | Electronic device |
| DE102017008794A1 (en) | 2016-10-17 | 2018-04-19 | Merck Patent Gmbh | Materials for use in electronic devices |
| WO2018069196A1 (en) | 2016-10-12 | 2018-04-19 | Merck Patent Gmbh | Binuclear metal complexes and electronic devices, in particular organic electroluminescent devices containing said metal complexes |
| WO2018069197A1 (en) | 2016-10-12 | 2018-04-19 | Merck Patent Gmbh | Metal complexes |
| WO2018069273A1 (en) | 2016-10-13 | 2018-04-19 | Merck Patent Gmbh | Metal complexes |
| WO2018077660A1 (en) | 2016-10-31 | 2018-05-03 | Merck Patent Gmbh | Formulation of an organic functional material |
| WO2018077769A1 (en) | 2016-10-25 | 2018-05-03 | Merck Patent Gmbh | Metal complexes |
| WO2018077662A1 (en) | 2016-10-31 | 2018-05-03 | Merck Patent Gmbh | Formulation of an organic functional material |
| WO2018083053A1 (en) | 2016-11-02 | 2018-05-11 | Merck Patent Gmbh | Materials for electronic devices |
| WO2018087020A1 (en) | 2016-11-08 | 2018-05-17 | Merck Patent Gmbh | Compounds for electronic devices |
| WO2018087346A1 (en) | 2016-11-14 | 2018-05-17 | Merck Patent Gmbh | Compounds with an acceptor and a donor group |
| WO2018087022A1 (en) | 2016-11-09 | 2018-05-17 | Merck Patent Gmbh | Materials for organic electroluminescent devices |
| WO2018091435A1 (en) | 2016-11-17 | 2018-05-24 | Merck Patent Gmbh | Materials for organic electroluminescent devices |
| WO2018095839A1 (en) | 2016-11-22 | 2018-05-31 | Merck Patent Gmbh | Bridged triarylamines for electronic devices |
| WO2018099846A1 (en) | 2016-11-30 | 2018-06-07 | Merck Patent Gmbh | Compounds having valerolactam structures |
| WO2018104194A1 (en) | 2016-12-05 | 2018-06-14 | Merck Patent Gmbh | Materials for organic electroluminescent devices |
| WO2018104202A1 (en) | 2016-12-06 | 2018-06-14 | Merck Patent Gmbh | Preparation process for an electronic device |
| WO2018104193A1 (en) | 2016-12-05 | 2018-06-14 | Merck Patent Gmbh | Materials for organic electroluminescent devices |
| WO2018104195A1 (en) | 2016-12-05 | 2018-06-14 | Merck Patent Gmbh | Nitrogen-containing heterocycles for use in oleds |
| WO2018108760A1 (en) | 2016-12-13 | 2018-06-21 | Merck Patent Gmbh | Formulation of an organic functional material |
| WO2018114744A1 (en) | 2016-12-20 | 2018-06-28 | Merck Patent Gmbh | A white light emitting solid state light source |
| WO2018114882A1 (en) | 2016-12-22 | 2018-06-28 | Merck Patent Gmbh | Materials for electronic devices |
| WO2018114883A1 (en) | 2016-12-22 | 2018-06-28 | Merck Patent Gmbh | Mixtures comprising at least two organofunctional compounds |
| EP3345984A1 (en) | 2013-12-06 | 2018-07-11 | Merck Patent GmbH | Connections and organic electronic devices |
| WO2018127465A1 (en) | 2017-01-04 | 2018-07-12 | Merck Patent Gmbh | Materials for organic electroluminescent devices |
| WO2018138319A1 (en) | 2017-01-30 | 2018-08-02 | Merck Patent Gmbh | Method for forming an organic electroluminescence (el) element |
| WO2018138039A1 (en) | 2017-01-25 | 2018-08-02 | Merck Patent Gmbh | Carbazole derivatives |
| WO2018138306A1 (en) | 2017-01-30 | 2018-08-02 | Merck Patent Gmbh | Materials for organic electroluminescent devices |
| WO2018138318A1 (en) | 2017-01-30 | 2018-08-02 | Merck Patent Gmbh | Method for forming an organic element of an electronic device |
| WO2018141706A1 (en) | 2017-02-02 | 2018-08-09 | Merck Patent Gmbh | Materials for electronic devices |
| WO2018149769A1 (en) | 2017-02-14 | 2018-08-23 | Merck Patent Gmbh | Materials for organic electroluminescent devices |
| WO2018158232A1 (en) | 2017-03-01 | 2018-09-07 | Merck Patent Gmbh | Organic electroluminescent device |
| WO2018157981A1 (en) | 2017-03-02 | 2018-09-07 | Merck Patent Gmbh | Materials for organic electronic devices |
| WO2018166934A1 (en) | 2017-03-15 | 2018-09-20 | Merck Patent Gmbh | Materials for organic electroluminescent devices |
| WO2018166932A1 (en) | 2017-03-13 | 2018-09-20 | Merck Patent Gmbh | Compounds with arylamine structures |
| EP3378857A1 (en) | 2012-11-12 | 2018-09-26 | Merck Patent GmbH | Materials for electronic devices |
| WO2018178136A1 (en) | 2017-03-31 | 2018-10-04 | Merck Patent Gmbh | Printing method for an organic light emitting diode (oled) |
| WO2018177981A1 (en) | 2017-03-29 | 2018-10-04 | Merck Patent Gmbh | Aromatic compounds |
| WO2018189050A1 (en) | 2017-04-10 | 2018-10-18 | Merck Patent Gmbh | Formulation of an organic functional material |
| WO2018189134A1 (en) | 2017-04-13 | 2018-10-18 | Merck Patent Gmbh | Composition for organic electronic devices |
| WO2018197447A1 (en) | 2017-04-25 | 2018-11-01 | Merck Patent Gmbh | Compounds for electronic devices |
| WO2018202603A1 (en) | 2017-05-03 | 2018-11-08 | Merck Patent Gmbh | Formulation of an organic functional material |
| WO2018206526A1 (en) | 2017-05-11 | 2018-11-15 | Merck Patent Gmbh | Organoboron complexes for organic electroluminescent devices |
| WO2018206537A1 (en) | 2017-05-11 | 2018-11-15 | Merck Patent Gmbh | Carbazole-based bodipys for organic electroluminescent devices |
| WO2018215318A1 (en) | 2017-05-22 | 2018-11-29 | Merck Patent Gmbh | Hexacyclic heteroaromatic compounds for electronic devices |
| WO2018234220A1 (en) | 2017-06-21 | 2018-12-27 | Merck Patent Gmbh | MATERIALS FOR ELECTRONIC DEVICES |
| WO2018234346A1 (en) | 2017-06-23 | 2018-12-27 | Merck Patent Gmbh | MATERIALS FOR ORGANIC ELECTROLUMINESCENT DEVICES |
| WO2019002190A1 (en) | 2017-06-28 | 2019-01-03 | Merck Patent Gmbh | Materials for electronic devices |
| WO2019002198A1 (en) | 2017-06-26 | 2019-01-03 | Merck Patent Gmbh | Homogeneous mixtures |
| WO2019007866A1 (en) | 2017-07-05 | 2019-01-10 | Merck Patent Gmbh | COMPOSITION FOR ORGANIC ELECTRONIC DEVICES |
| WO2019007823A1 (en) | 2017-07-03 | 2019-01-10 | Merck Patent Gmbh | Formulations with a low content of phenol type impurities |
| WO2019007867A1 (en) | 2017-07-05 | 2019-01-10 | Merck Patent Gmbh | COMPOSITION FOR ORGANIC ELECTRONIC DEVICES |
| WO2019016184A1 (en) | 2017-07-18 | 2019-01-24 | Merck Patent Gmbh | Formulation of an organic functional material |
| WO2019020538A1 (en) | 2017-07-25 | 2019-01-31 | Merck Patent Gmbh | METALLIC COMPLEXES |
| WO2019020654A1 (en) | 2017-07-28 | 2019-01-31 | Merck Patent Gmbh | Spirobifluorene derivatives for use in electronic devices |
| WO2019048443A1 (en) | 2017-09-08 | 2019-03-14 | Merck Patent Gmbh | Materials for electronic devices |
| WO2019052933A1 (en) | 2017-09-12 | 2019-03-21 | Merck Patent Gmbh | MATERIALS FOR ORGANIC ELECTROLUMINESCENT DEVICES |
| WO2019068679A1 (en) | 2017-10-06 | 2019-04-11 | Merck Patent Gmbh | Materials for organic electroluminescent devices |
| WO2019076789A1 (en) | 2017-10-17 | 2019-04-25 | Merck Patent Gmbh | Materials for organic electroluminescent devices |
| WO2019081391A1 (en) | 2017-10-24 | 2019-05-02 | Merck Patent Gmbh | MATERIALS FOR ORGANIC ELECTROLUMINESCENT DEVICES |
| WO2019096717A2 (en) | 2017-11-14 | 2019-05-23 | Merck Patent Gmbh | Composition for organic electronic devices |
| WO2019101833A1 (en) | 2017-11-24 | 2019-05-31 | Merck Patent Gmbh | Materials for organic electroluminescent devices |
| WO2019101835A1 (en) | 2017-11-24 | 2019-05-31 | Merck Patent Gmbh | Materials for organic electroluminescent devices |
| WO2019101719A1 (en) | 2017-11-23 | 2019-05-31 | Merck Patent Gmbh | Materials for electronic devices |
| WO2019115423A1 (en) | 2017-12-13 | 2019-06-20 | Merck Patent Gmbh | Metal complexes |
| WO2019115573A1 (en) | 2017-12-15 | 2019-06-20 | Merck Patent Gmbh | Formulation of an organic functional material |
| WO2019115577A1 (en) | 2017-12-15 | 2019-06-20 | Merck Patent Gmbh | Substituted aromatic amines for use in organic electroluminescent devices |
| WO2019121483A1 (en) | 2017-12-20 | 2019-06-27 | Merck Patent Gmbh | Heteroaromatic compounds |
| WO2019121458A1 (en) | 2017-12-19 | 2019-06-27 | Merck Patent Gmbh | Heterocyclic compound for use in electronic devices |
| KR20190079571A (en)* | 2017-12-27 | 2019-07-05 | 주식회사 엘지화학 | Organic light emitting device |
| WO2019145316A1 (en) | 2018-01-25 | 2019-08-01 | Merck Patent Gmbh | Materials for organic electroluminescent devices |
| WO2019158453A1 (en) | 2018-02-13 | 2019-08-22 | Merck Patent Gmbh | Metal complexes |
| WO2019162483A1 (en) | 2018-02-26 | 2019-08-29 | Merck Patent Gmbh | Formulation of an organic functional material |
| WO2019170572A1 (en) | 2018-03-06 | 2019-09-12 | Merck Patent Gmbh | Materials for organic electroluminescent devices |
| WO2019170578A1 (en) | 2018-03-06 | 2019-09-12 | Merck Patent Gmbh | Materials for organic electroluminescent devices |
| WO2019175149A1 (en) | 2018-03-16 | 2019-09-19 | Merck Patent Gmbh | Materials for organic electroluminescent devices |
| WO2019179909A1 (en) | 2018-03-19 | 2019-09-26 | Merck Patent Gmbh | Metal complexes |
| WO2019229011A1 (en) | 2018-05-30 | 2019-12-05 | Merck Patent Gmbh | Composition for organic electronic devices |
| WO2019233904A1 (en) | 2018-06-07 | 2019-12-12 | Merck Patent Gmbh | Organic electroluminescence devices |
| WO2019238782A1 (en) | 2018-06-15 | 2019-12-19 | Merck Patent Gmbh | Formulation of an organic functional material |
| WO2020011686A1 (en) | 2018-07-09 | 2020-01-16 | Merck Patent Gmbh | Materials for organic electroluminescent devices |
| WO2020016264A1 (en) | 2018-07-20 | 2020-01-23 | Merck Patent Gmbh | Materials for organic electroluminescent devices |
| WO2020043657A1 (en) | 2018-08-28 | 2020-03-05 | Merck Patent Gmbh | Materials for organic electroluminescent devices |
| WO2020043646A1 (en) | 2018-08-28 | 2020-03-05 | Merck Patent Gmbh | Materials for organic electroluminescent devices |
| WO2020043640A1 (en) | 2018-08-28 | 2020-03-05 | Merck Patent Gmbh | Materials for organic electroluminescent devices |
| WO2020053315A1 (en) | 2018-09-12 | 2020-03-19 | Merck Patent Gmbh | Electroluminescent devices |
| WO2020053314A1 (en) | 2018-09-12 | 2020-03-19 | Merck Patent Gmbh | Electroluminescent devices |
| WO2020053150A1 (en) | 2018-09-12 | 2020-03-19 | Merck Patent Gmbh | Materials for organic electroluminescent devices |
| WO2020064666A1 (en) | 2018-09-27 | 2020-04-02 | Merck Patent Gmbh | Compounds that can be used in an organic electronic device as active compounds |
| WO2020064662A2 (en) | 2018-09-27 | 2020-04-02 | Merck Patent Gmbh | Method for producing sterically hindered, nitrogen-containing heteroaromatic compounds |
| WO2020064582A1 (en) | 2018-09-24 | 2020-04-02 | Merck Patent Gmbh | Method for the production of a granular material |
| EP3647393A1 (en) | 2013-07-30 | 2020-05-06 | Merck Patent GmbH | Materials for electronic devices |
| WO2020089138A1 (en) | 2018-10-31 | 2020-05-07 | Merck Patent Gmbh | Materials for organic electroluminescent devices |
| WO2020094542A1 (en) | 2018-11-06 | 2020-05-14 | Merck Patent Gmbh | 5,6-diphenyl-5,6-dihydro-dibenz[c,e][1,2]azaphosphorin and 6-phenyl-6h-dibenzo[c,e][1,2]thiazin-5,5-dioxide derivatives and similar compounds as organic electroluminescent materials for oleds |
| WO2020094539A1 (en) | 2018-11-05 | 2020-05-14 | Merck Patent Gmbh | Compounds that can be used in an organic electronic device |
| WO2020094538A1 (en) | 2018-11-06 | 2020-05-14 | Merck Patent Gmbh | Method for forming an organic element of an electronic device |
| WO2020099307A1 (en) | 2018-11-15 | 2020-05-22 | Merck Patent Gmbh | Materials for organic electroluminescent devices |
| WO2020099349A1 (en) | 2018-11-14 | 2020-05-22 | Merck Patent Gmbh | Compounds that can be used for producing an organic electronic device |
| WO2020127165A1 (en) | 2018-12-19 | 2020-06-25 | Merck Patent Gmbh | Materials for organic electroluminescent devices |
| WO2020148243A1 (en) | 2019-01-16 | 2020-07-23 | Merck Patent Gmbh | Materials for organic electroluminescent devices |
| WO2020165064A1 (en) | 2019-02-11 | 2020-08-20 | Merck Patent Gmbh | Mononuclear iridium complexes containing three ortho-metallated bidentate ligands and optical orientating anistrophy |
| WO2020169241A1 (en) | 2019-02-18 | 2020-08-27 | Merck Patent Gmbh | Composition for organic electronic devices |
| WO2020178230A1 (en) | 2019-03-04 | 2020-09-10 | Merck Patent Gmbh | Ligands for nano-sized materials |
| WO2020182779A1 (en) | 2019-03-12 | 2020-09-17 | Merck Patent Gmbh | Materials for organic electroluminescent devices |
| EP3712229A1 (en) | 2013-07-30 | 2020-09-23 | Merck Patent GmbH | Materials for electronic devices |
| WO2020187865A1 (en) | 2019-03-20 | 2020-09-24 | Merck Patent Gmbh | Materials for organic electroluminescent devices |
| WO2020193447A1 (en) | 2019-03-25 | 2020-10-01 | Merck Patent Gmbh | Materials for organic electroluminescent devices |
| WO2020208051A1 (en) | 2019-04-11 | 2020-10-15 | Merck Patent Gmbh | Materials for organic electroluminescent devices |
| WO2020212296A1 (en) | 2019-04-15 | 2020-10-22 | Merck Patent Gmbh | Metal complexes |
| WO2021037401A1 (en) | 2019-08-26 | 2021-03-04 | Merck Patent Gmbh | Materials for organic electroluminescent devices |
| WO2021043755A1 (en) | 2019-09-03 | 2021-03-11 | Merck Patent Gmbh | Materials for organic electroluminescent devices |
| WO2021043703A1 (en) | 2019-09-02 | 2021-03-11 | Merck Patent Gmbh | Materials for organic electroluminescent devices |
| WO2021052921A1 (en) | 2019-09-19 | 2021-03-25 | Merck Patent Gmbh | Mixture of two host materials, and organic electroluminescent device comprising same |
| WO2021052924A1 (en) | 2019-09-16 | 2021-03-25 | Merck Patent Gmbh | Materials for organic electroluminescent devices |
| WO2021053046A1 (en) | 2019-09-20 | 2021-03-25 | Merck Patent Gmbh | Peri-condensed heterocyclic compounds as materials for electronic devices |
| WO2021078710A1 (en) | 2019-10-22 | 2021-04-29 | Merck Patent Gmbh | Materials for organic electroluminescent devices |
| WO2021078831A1 (en) | 2019-10-25 | 2021-04-29 | Merck Patent Gmbh | Compounds that can be used in an organic electronic device |
| WO2021089450A1 (en) | 2019-11-04 | 2021-05-14 | Merck Patent Gmbh | Materials for organic electroluminescent devices |
| WO2021094269A1 (en) | 2019-11-12 | 2021-05-20 | Merck Patent Gmbh | Materials for organic electroluminescent devices |
| US11024808B2 (en) | 2015-12-29 | 2021-06-01 | Universal Display Corporation | Organic electroluminescent materials and devices |
| WO2021110720A1 (en) | 2019-12-04 | 2021-06-10 | Merck Patent Gmbh | Metal complexes |
| WO2021110741A1 (en) | 2019-12-04 | 2021-06-10 | Merck Patent Gmbh | Materials for organic electroluminescent devices |
| WO2021122538A1 (en) | 2019-12-18 | 2021-06-24 | Merck Patent Gmbh | Aromatic compounds for organic electroluminescent devices |
| WO2021122535A1 (en) | 2019-12-17 | 2021-06-24 | Merck Patent Gmbh | Materials for organic electroluminescent devices |
| WO2021122740A1 (en) | 2019-12-19 | 2021-06-24 | Merck Patent Gmbh | Polycyclic compounds for organic electroluminescent devices |
| WO2021151922A1 (en) | 2020-01-29 | 2021-08-05 | Merck Patent Gmbh | Benzimidazole derivatives |
| WO2021160898A2 (en) | 2020-05-27 | 2021-08-19 | Merck Patent Gmbh | Materials for electronic devices |
| WO2021170522A1 (en) | 2020-02-25 | 2021-09-02 | Merck Patent Gmbh | Use of heterocyclic compounds in an organic electronic device |
| WO2021175706A1 (en) | 2020-03-02 | 2021-09-10 | Merck Patent Gmbh | Use of sulfone compounds in an organic electronic device |
| WO2021185712A1 (en) | 2020-03-17 | 2021-09-23 | Merck Patent Gmbh | Heteroaromatic compounds for organic electroluminescent devices |
| WO2021185829A1 (en) | 2020-03-17 | 2021-09-23 | Merck Patent Gmbh | Heterocyclic compounds for organic electroluminescent devices |
| WO2021191058A1 (en) | 2020-03-23 | 2021-09-30 | Merck Patent Gmbh | Materials for organic electroluminescent devices |
| WO2021191117A1 (en) | 2020-03-24 | 2021-09-30 | Merck Patent Gmbh | Materials for electronic devices |
| WO2021191183A1 (en) | 2020-03-26 | 2021-09-30 | Merck Patent Gmbh | Cyclic compounds for organic electroluminescent devices |
| WO2021198213A1 (en) | 2020-04-02 | 2021-10-07 | Merck Patent Gmbh | Materials for organic electroluminescent devices |
| WO2021204646A1 (en) | 2020-04-06 | 2021-10-14 | Merck Patent Gmbh | Polycyclic compounds for organic electroluminescent devices |
| WO2021213917A1 (en) | 2020-04-21 | 2021-10-28 | Merck Patent Gmbh | Emulsions comprising organic functional materials |
| WO2021213918A1 (en) | 2020-04-21 | 2021-10-28 | Merck Patent Gmbh | Formulation of an organic functional material |
| EP3904361A2 (en) | 2013-10-02 | 2021-11-03 | Merck Patent GmbH | Boron containing compounds |
| CN113683555A (en)* | 2021-08-06 | 2021-11-23 | 常州大学 | A class of D2A-type violet organic light-emitting materials based on biphenyl derivative acceptor units and their applications |
| WO2021254984A1 (en) | 2020-06-18 | 2021-12-23 | Merck Patent Gmbh | Indenoazanaphthalenes |
| WO2021259824A1 (en) | 2020-06-23 | 2021-12-30 | Merck Patent Gmbh | Method for producing a mixture |
| WO2022002771A1 (en) | 2020-06-29 | 2022-01-06 | Merck Patent Gmbh | Heterocyclic compounds for organic electroluminescent devices |
| WO2022002772A1 (en) | 2020-06-29 | 2022-01-06 | Merck Patent Gmbh | Heteroaromatic compounds for organic electroluminescent devices |
| WO2022017997A1 (en) | 2020-07-22 | 2022-01-27 | Merck Patent Gmbh | Materials for organic electroluminescent devices |
| WO2022029096A1 (en) | 2020-08-06 | 2022-02-10 | Merck Patent Gmbh | Materials for organic electroluminescent devices |
| WO2022034046A1 (en) | 2020-08-13 | 2022-02-17 | Merck Patent Gmbh | Metal complexes |
| WO2022038066A1 (en) | 2020-08-19 | 2022-02-24 | Merck Patent Gmbh | Materials for organic electroluminescent devices |
| WO2022038065A1 (en) | 2020-08-18 | 2022-02-24 | Merck Patent Gmbh | Materials for organic electroluminescent devices |
| WO2022069421A1 (en) | 2020-09-30 | 2022-04-07 | Merck Patent Gmbh | Compounds that can be used for structuring functional layers of organic electroluminescent devices |
| WO2022069380A1 (en) | 2020-09-29 | 2022-04-07 | Merck Patent Gmbh | Mononuclear tripodal hexadentate iridium complexes for use in oleds |
| WO2022069422A1 (en) | 2020-09-30 | 2022-04-07 | Merck Patent Gmbh | Compounds for structuring functional layers of organic electroluminescent devices |
| WO2022079068A1 (en) | 2020-10-16 | 2022-04-21 | Merck Patent Gmbh | Heterocyclic compounds for organic electroluminescent devices |
| WO2022079067A1 (en) | 2020-10-16 | 2022-04-21 | Merck Patent Gmbh | Compounds comprising heteroatoms for organic electroluminescent devices |
| WO2022101171A1 (en) | 2020-11-10 | 2022-05-19 | Merck Patent Gmbh | Sulfurous compounds for organic electroluminescent devices |
| WO2022117473A1 (en) | 2020-12-02 | 2022-06-09 | Merck Patent Gmbh | Heterocyclic compounds for organic electroluminescent devices |
| WO2022122607A1 (en) | 2020-12-08 | 2022-06-16 | Merck Patent Gmbh | An ink system and a method for inkjet printing |
| WO2022122682A2 (en) | 2020-12-10 | 2022-06-16 | Merck Patent Gmbh | Materials for organic electroluminescent devices |
| WO2022129116A1 (en) | 2020-12-18 | 2022-06-23 | Merck Patent Gmbh | Indolo[3.2.1-jk]carbazole-6-carbonitrile derivatives as blue fluorescent emitters for use in oleds |
| WO2022129114A1 (en) | 2020-12-18 | 2022-06-23 | Merck Patent Gmbh | Nitrogenous compounds for organic electroluminescent devices |
| WO2022129113A1 (en) | 2020-12-18 | 2022-06-23 | Merck Patent Gmbh | Nitrogenous heteroaromatic compounds for organic electroluminescent devices |
| WO2022148717A1 (en) | 2021-01-05 | 2022-07-14 | Merck Patent Gmbh | Materials for organic electroluminescent devices |
| WO2022157343A1 (en) | 2021-01-25 | 2022-07-28 | Merck Patent Gmbh | Nitrogenous compounds for organic electroluminescent devices |
| EP4037000A1 (en) | 2014-07-21 | 2022-08-03 | Merck Patent GmbH | Materials for electronic devices |
| WO2022184601A1 (en) | 2021-03-02 | 2022-09-09 | Merck Patent Gmbh | Compounds for organic electroluminescent devices |
| WO2022194799A1 (en) | 2021-03-18 | 2022-09-22 | Merck Patent Gmbh | Heteroaromatic compounds for organic electroluminescent devices |
| WO2022200638A1 (en) | 2021-07-06 | 2022-09-29 | Merck Patent Gmbh | Materials for organic electroluminescent devices |
| EP4079742A1 (en) | 2021-04-14 | 2022-10-26 | Merck Patent GmbH | Metal complexes |
| WO2022223675A1 (en) | 2021-04-23 | 2022-10-27 | Merck Patent Gmbh | Formulation of an organic functional material |
| WO2022229126A1 (en) | 2021-04-29 | 2022-11-03 | Merck Patent Gmbh | Materials for organic electroluminescent devices |
| WO2022229234A1 (en) | 2021-04-30 | 2022-11-03 | Merck Patent Gmbh | Nitrogenous heterocyclic compounds for organic electroluminescent devices |
| WO2022229298A1 (en) | 2021-04-29 | 2022-11-03 | Merck Patent Gmbh | Materials for organic electroluminescent devices |
| WO2022243403A1 (en) | 2021-05-21 | 2022-11-24 | Merck Patent Gmbh | Method for the continuous purification of at least one functional material and device for the continuous purification of at least one functional material |
| WO2023012084A1 (en) | 2021-08-02 | 2023-02-09 | Merck Patent Gmbh | A printing method by combining inks |
| KR20230039445A (en)* | 2021-09-14 | 2023-03-21 | 엘티소재주식회사 | Heterocyclic compound, organic light emitting device comprising the same and composition for organic layer of organic light emitting device |
| WO2023041454A1 (en) | 2021-09-14 | 2023-03-23 | Merck Patent Gmbh | Boronic heterocyclic compounds for organic electroluminescent devices |
| WO2023052275A1 (en) | 2021-09-28 | 2023-04-06 | Merck Patent Gmbh | Materials for electronic devices |
| WO2023052313A1 (en) | 2021-09-28 | 2023-04-06 | Merck Patent Gmbh | Materials for electronic devices |
| WO2023052272A1 (en) | 2021-09-28 | 2023-04-06 | Merck Patent Gmbh | Materials for electronic devices |
| WO2023052314A1 (en) | 2021-09-28 | 2023-04-06 | Merck Patent Gmbh | Materials for electronic devices |
| WO2023057327A1 (en) | 2021-10-05 | 2023-04-13 | Merck Patent Gmbh | Method for forming an organic element of an electronic device |
| WO2023072799A1 (en) | 2021-10-27 | 2023-05-04 | Merck Patent Gmbh | Boronic and nitrogenous heterocyclic compounds for organic electroluminescent devices |
| WO2023094412A1 (en) | 2021-11-25 | 2023-06-01 | Merck Patent Gmbh | Materials for electronic devices |
| WO2023099543A1 (en) | 2021-11-30 | 2023-06-08 | Merck Patent Gmbh | Compounds having fluorene structures |
| WO2023110742A1 (en) | 2021-12-13 | 2023-06-22 | Merck Patent Gmbh | Materials for organic electroluminescent devices |
| WO2023117835A1 (en) | 2021-12-21 | 2023-06-29 | Merck Patent Gmbh | Electronic devices |
| WO2023117837A1 (en) | 2021-12-21 | 2023-06-29 | Merck Patent Gmbh | Process for preparing deuterated organic compounds |
| WO2023117836A1 (en) | 2021-12-21 | 2023-06-29 | Merck Patent Gmbh | Electronic devices |
| WO2023152346A1 (en) | 2022-02-14 | 2023-08-17 | Merck Patent Gmbh | Materials for electronic devices |
| WO2023152063A1 (en) | 2022-02-09 | 2023-08-17 | Merck Patent Gmbh | Materials for organic electroluminescent devices |
| EP4236652A2 (en) | 2015-07-29 | 2023-08-30 | Merck Patent GmbH | Materials for organic electroluminescent devices |
| WO2023161167A1 (en) | 2022-02-23 | 2023-08-31 | Merck Patent Gmbh | Nitrogenous heterocycles for organic electroluminescent devices |
| WO2023161168A1 (en) | 2022-02-23 | 2023-08-31 | Merck Patent Gmbh | Aromatic hetreocycles for organic electroluminescent devices |
| WO2023213837A1 (en) | 2022-05-06 | 2023-11-09 | Merck Patent Gmbh | Cyclic compounds for organic electroluminescent devices |
| WO2023222559A1 (en) | 2022-05-18 | 2023-11-23 | Merck Patent Gmbh | Process for preparing deuterated organic compounds |
| WO2023237458A1 (en) | 2022-06-07 | 2023-12-14 | Merck Patent Gmbh | Method of printing a functional layer of an electronic device by combining inks |
| WO2023247338A1 (en) | 2022-06-20 | 2023-12-28 | Merck Patent Gmbh | Organic heterocycles for photoelectric devices |
| WO2023247345A1 (en) | 2022-06-20 | 2023-12-28 | Merck Patent Gmbh | Heterocycles for photoelectric devices |
| WO2024013004A1 (en) | 2022-07-11 | 2024-01-18 | Merck Patent Gmbh | Materials for electronic devices |
| EP4311849A1 (en) | 2022-07-27 | 2024-01-31 | UDC Ireland Limited | Metal complexes |
| WO2024061948A1 (en) | 2022-09-22 | 2024-03-28 | Merck Patent Gmbh | Nitrogen-containing hetreocycles for organic electroluminescent devices |
| WO2024061942A1 (en) | 2022-09-22 | 2024-03-28 | Merck Patent Gmbh | Nitrogen-containing compounds for organic electroluminescent devices |
| WO2024094592A2 (en) | 2022-11-01 | 2024-05-10 | Merck Patent Gmbh | Nitrogenous heterocycles for organic electroluminescent devices |
| WO2024105066A1 (en) | 2022-11-17 | 2024-05-23 | Merck Patent Gmbh | Materials for organic electroluminescent devices |
| WO2024126635A1 (en) | 2022-12-16 | 2024-06-20 | Merck Patent Gmbh | Formulation of an organic functional material |
| WO2024132993A1 (en) | 2022-12-19 | 2024-06-27 | Merck Patent Gmbh | Materials for electronic devices |
| WO2024133048A1 (en) | 2022-12-20 | 2024-06-27 | Merck Patent Gmbh | Method for preparing deuterated aromatic compounds |
| WO2024149694A1 (en) | 2023-01-10 | 2024-07-18 | Merck Patent Gmbh | Nitrogenous heterocycles for organic electroluminescent devices |
| WO2024153568A1 (en) | 2023-01-17 | 2024-07-25 | Merck Patent Gmbh | Heterocycles for organic electroluminescent devices |
| WO2024170605A1 (en) | 2023-02-17 | 2024-08-22 | Merck Patent Gmbh | Materials for organic electroluminescent devices |
| WO2024184050A1 (en) | 2023-03-07 | 2024-09-12 | Merck Patent Gmbh | Cyclic nitrogen compounds for organic electroluminescent devices |
| WO2024194264A1 (en) | 2023-03-20 | 2024-09-26 | Merck Patent Gmbh | Materials for organic electroluminescent devices |
| WO2024218109A1 (en) | 2023-04-20 | 2024-10-24 | Merck Patent Gmbh | Materials for electronic devices |
| WO2024240725A1 (en) | 2023-05-25 | 2024-11-28 | Merck Patent Gmbh | Tris[1,2,4]triazolo[1,5-a:1',5'-c:1'',5''-e][1,3,5]triazine derivatives for use in organic electroluminescent devices |
| WO2024256357A1 (en) | 2023-06-12 | 2024-12-19 | Merck Patent Gmbh | Organic heterocycles for photoelectric devices |
| EP4486099A1 (en) | 2023-06-30 | 2025-01-01 | Merck Patent GmbH | Compounds for organic electroluminescent devices |
| WO2025003084A1 (en) | 2023-06-28 | 2025-01-02 | Merck Patent Gmbh | Dicyanoaryl compounds for organic electroluminescent devices |
| WO2025012253A1 (en) | 2023-07-12 | 2025-01-16 | Merck Patent Gmbh | Materials for electronic devices |
| WO2025021855A1 (en) | 2023-07-27 | 2025-01-30 | Merck Patent Gmbh | Materials for organic light-emitting devices and organic sensors |
| WO2025032039A1 (en) | 2023-08-07 | 2025-02-13 | Merck Patent Gmbh | Process for the preparation of an electronic device |
| WO2025045842A1 (en) | 2023-08-30 | 2025-03-06 | Merck Patent Gmbh | Materials for organic light-emitting devices |
| WO2025045851A1 (en) | 2023-08-30 | 2025-03-06 | Merck Patent Gmbh | Materials for organic light-emitting devices |
| WO2025045935A1 (en) | 2023-08-31 | 2025-03-06 | Merck Patent Gmbh | Cyano group-containing aromatic compounds for organic electroluminescent devices |
| WO2025045843A1 (en) | 2023-08-30 | 2025-03-06 | Merck Patent Gmbh | Materials for organic light-emitting devices |
| WO2025109056A1 (en) | 2023-11-24 | 2025-05-30 | Merck Patent Gmbh | Oxygen-containing heterocycles for organic electroluminescent devices |
| WO2025132551A1 (en) | 2023-12-22 | 2025-06-26 | Merck Patent Gmbh | Materials for electronic devices |
| WO2025132547A1 (en) | 2023-12-21 | 2025-06-26 | Merck Patent Gmbh | Mechanochemical method for deuterating organic compounds |
| WO2025181124A1 (en) | 2024-03-01 | 2025-09-04 | Merck Patent Gmbh | Materials for organic electroluminescent devices |
| WO2025181044A1 (en) | 2024-02-29 | 2025-09-04 | Merck Patent Gmbh | Nitrogen-containing compounds for organic electroluminescent devices |
| WO2025181097A1 (en) | 2024-02-29 | 2025-09-04 | Merck Patent Gmbh | Nitrogen-containing hetreocycles for organic electroluminescent devices |
| WO2025196145A1 (en) | 2024-03-22 | 2025-09-25 | Merck Patent Gmbh | Materials for organic light emitting devices |
| Publication number | Priority date | Publication date | Assignee | Title |
|---|---|---|---|---|
| JP2005154412A (en)* | 2003-09-05 | 2005-06-16 | Ricoh Co Ltd | 3,6-diphenylcarbazole derivative |
| JP2005183345A (en)* | 2003-12-24 | 2005-07-07 | Konica Minolta Holdings Inc | Organic electroluminescent element, display device, and lighting system |
| EP1844947B1 (en)* | 2005-01-13 | 2010-02-10 | Nippon Paper Industries Co., Ltd. | Thermosensitive recording medium |
| JP2014042071A (en)* | 2006-01-05 | 2014-03-06 | Konica Minolta Inc | Organic electroluminescent element |
| TWI460162B (en)* | 2006-12-13 | 2014-11-11 | Gen Electric | Bis-carbazole monomers and polymers |
| JP2010516637A (en)* | 2007-01-18 | 2010-05-20 | メルク パテント ゲーエムベーハー | Novel materials for organic electroluminescent devices |
| DE102007002714A1 (en) | 2007-01-18 | 2008-07-31 | Merck Patent Gmbh | New materials for organic electroluminescent devices |
| US8343637B2 (en) | 2007-01-18 | 2013-01-01 | Merck Patent Gmbh | Carbazole derivatives for organic electroluminescent devices |
| JP2009059767A (en)* | 2007-08-30 | 2009-03-19 | Konica Minolta Holdings Inc | Organic electroluminescence element, lighting device and display device |
| US8610110B2 (en) | 2008-03-11 | 2013-12-17 | Merck Patent Gmbh | Optoelectronic component comprising neutral transition metal complexes |
| DE102008015526B4 (en) | 2008-03-25 | 2021-11-11 | Merck Patent Gmbh | Metal complexes |
| DE102008015526A1 (en) | 2008-03-25 | 2009-10-01 | Merck Patent Gmbh | metal complexes |
| DE102008027005A1 (en) | 2008-06-05 | 2009-12-10 | Merck Patent Gmbh | Organic electronic device containing metal complexes |
| US10538698B2 (en) | 2008-06-05 | 2020-01-21 | Merck Patent Gmbh | Electronic device comprising metal complexes |
| US9481826B2 (en) | 2008-06-05 | 2016-11-01 | Merck Patent Gmbh | Electronic device comprising metal complexes |
| US8618317B2 (en) | 2008-07-17 | 2013-12-31 | Merck Patent Gmbh | Organic electroluminescence device |
| DE102008036247A1 (en) | 2008-08-04 | 2010-02-11 | Merck Patent Gmbh | Electronic devices containing metal complexes |
| US8691400B2 (en) | 2008-08-04 | 2014-04-08 | Merck Patent Gmbh | Electronic devices comprising metal complexes having isonitrile ligands |
| DE102008036982A1 (en) | 2008-08-08 | 2010-02-11 | Merck Patent Gmbh | Organic electroluminescent device |
| EP2712000A1 (en) | 2008-09-22 | 2014-03-26 | Merck Patent GmbH | Materials for Organic Electroluminescent Devices |
| US8835021B2 (en) | 2008-09-22 | 2014-09-16 | Merck Patent Gmbh | Materials for organic electroluminescence devices |
| EP2712001A1 (en) | 2008-09-22 | 2014-03-26 | Merck Patent GmbH | Materials for Organic Electroluminescent Devices |
| DE102008050841B4 (en) | 2008-10-08 | 2019-08-01 | Merck Patent Gmbh | New materials for organic electroluminescent devices |
| US8637168B2 (en) | 2008-10-08 | 2014-01-28 | Merck Patent Gmbh | Materials for organic electroluminescence devices |
| US8865321B2 (en) | 2008-11-11 | 2014-10-21 | Merck Patent Gmbh | Organic electroluminescent devices |
| DE102008057050A1 (en) | 2008-11-13 | 2010-05-20 | Merck Patent Gmbh | Materials for organic electroluminescent devices |
| DE102008057051A1 (en) | 2008-11-13 | 2010-05-20 | Merck Patent Gmbh | Materials for organic electroluminescent devices |
| US8597798B2 (en) | 2008-11-13 | 2013-12-03 | Merck Patent Gmbh | Materials for organic electroluminescent devices |
| DE102008063490A1 (en) | 2008-12-17 | 2010-06-24 | Merck Patent Gmbh | Organic electroluminescent device |
| DE102008063470A1 (en) | 2008-12-17 | 2010-07-01 | Merck Patent Gmbh | Organic electroluminescent device |
| DE102008063490B4 (en) | 2008-12-17 | 2023-06-15 | Merck Patent Gmbh | Organic electroluminescent device and method for adjusting the color locus of a white-emitting electroluminescent device |
| US9169282B2 (en) | 2009-02-02 | 2015-10-27 | Merck Patent Gmbh | Metal complexes |
| WO2010086089A1 (en) | 2009-02-02 | 2010-08-05 | Merck Patent Gmbh | Metal complexes |
| DE102009007038A1 (en) | 2009-02-02 | 2010-08-05 | Merck Patent Gmbh | metal complexes |
| DE102009009277B4 (en) | 2009-02-17 | 2023-12-07 | Merck Patent Gmbh | Organic electronic device, process for its production and use of compounds |
| WO2010094378A1 (en) | 2009-02-17 | 2010-08-26 | Merck Patent Gmbh | Organic electronic device |
| DE102009009277A1 (en) | 2009-02-17 | 2010-08-19 | Merck Patent Gmbh | Organic electronic device |
| US9066410B2 (en) | 2009-02-17 | 2015-06-23 | Merck Patent Gmbh | Organic electronic device |
| US9074128B2 (en) | 2009-03-02 | 2015-07-07 | Merck Patent Gmbh | Metal complexes having azaborol ligands and electronic device having the same |
| DE102009011223A1 (en) | 2009-03-02 | 2010-09-23 | Merck Patent Gmbh | metal complexes |
| WO2010099852A1 (en) | 2009-03-02 | 2010-09-10 | Merck Patent Gmbh | Metal complexes having azaborol ligands and electronic device having the same |
| DE102009012346B4 (en) | 2009-03-09 | 2024-02-15 | Merck Patent Gmbh | Organic electroluminescent device and method for producing the same |
| DE102009012346A1 (en) | 2009-03-09 | 2010-09-16 | Merck Patent Gmbh | Organic electroluminescent device |
| WO2010102706A1 (en) | 2009-03-09 | 2010-09-16 | Merck Patent Gmbh | Organic electroluminescence device |
| US9085579B2 (en) | 2009-03-13 | 2015-07-21 | Merck Patent Gmbh | Materials for organic electroluminescent devices |
| DE102009013041A1 (en) | 2009-03-13 | 2010-09-16 | Merck Patent Gmbh | Materials for organic electroluminescent devices |
| WO2010102709A1 (en) | 2009-03-13 | 2010-09-16 | Merck Patent Gmbh | Materials for organic electroluminescence devices |
| DE102009017064A1 (en) | 2009-04-09 | 2010-10-14 | Merck Patent Gmbh | Organic electroluminescent device |
| WO2010115498A1 (en) | 2009-04-09 | 2010-10-14 | Merck Patent Gmbh | Organic electroluminescence device |
| KR20100118700A (en)* | 2009-04-29 | 2010-11-08 | 다우어드밴스드디스플레이머티리얼 유한회사 | Novel organic electroluminescent compounds and organic electroluminescent device using the same |
| DE102009022858A1 (en) | 2009-05-27 | 2011-12-15 | Merck Patent Gmbh | Organic electroluminescent devices |
| DE102009023155A1 (en) | 2009-05-29 | 2010-12-02 | Merck Patent Gmbh | Materials for organic electroluminescent devices |
| DE102009023154A1 (en) | 2009-05-29 | 2011-06-16 | Merck Patent Gmbh | A composition comprising at least one emitter compound and at least one polymer having conjugation-interrupting units |
| WO2010149259A2 (en) | 2009-06-22 | 2010-12-29 | Merck Patent Gmbh | Conducting formulation |
| WO2011000455A1 (en) | 2009-06-30 | 2011-01-06 | Merck Patent Gmbh | Materials for organic electroluminescence devices |
| DE102009031021A1 (en) | 2009-06-30 | 2011-01-05 | Merck Patent Gmbh | Materials for organic electroluminescent devices |
| DE102009032922A1 (en) | 2009-07-14 | 2011-01-20 | Merck Patent Gmbh | Materials for organic electroluminescent devices |
| WO2011006574A1 (en) | 2009-07-14 | 2011-01-20 | Merck Patent Gmbh | Materials for organic electroluminescent devices |
| DE102009032922B4 (en) | 2009-07-14 | 2024-04-25 | Merck Patent Gmbh | Materials for organic electroluminescent devices, processes for their preparation, their use and electronic device |
| WO2011015265A2 (en) | 2009-08-04 | 2011-02-10 | Merck Patent Gmbh | Electronic devices comprising multi cyclic hydrocarbons |
| DE102009041414A1 (en) | 2009-09-16 | 2011-03-17 | Merck Patent Gmbh | metal complexes |
| DE102009041289A1 (en) | 2009-09-16 | 2011-03-17 | Merck Patent Gmbh | Organic electroluminescent device |
| WO2011032626A1 (en) | 2009-09-16 | 2011-03-24 | Merck Patent Gmbh | Metal complexes |
| WO2011032686A1 (en) | 2009-09-16 | 2011-03-24 | Merck Patent Gmbh | Formulas for producing electronic devices |
| WO2011032624A1 (en) | 2009-09-16 | 2011-03-24 | Merck Patent Gmbh | Organic electroluminescent device |
| DE102009042693A1 (en) | 2009-09-23 | 2011-03-24 | Merck Patent Gmbh | Materials for electronic devices |
| WO2011035836A1 (en) | 2009-09-23 | 2011-03-31 | Merck Patent Gmbh | Materials for electronic devices |
| WO2011042107A2 (en) | 2009-10-08 | 2011-04-14 | Merck Patent Gmbh | Materials for organic electroluminescent devices |
| DE102009048791A1 (en) | 2009-10-08 | 2011-04-14 | Merck Patent Gmbh | Materials for organic electroluminescent devices |
| WO2011044988A1 (en) | 2009-10-16 | 2011-04-21 | Merck Patent Gmbh | Metal complexes |
| DE102009049587A1 (en) | 2009-10-16 | 2011-04-21 | Merck Patent Gmbh | metal complexes |
| WO2011057706A2 (en) | 2009-11-14 | 2011-05-19 | Merck Patent Gmbh | Materials for electronic devices |
| US9334260B2 (en) | 2009-11-14 | 2016-05-10 | Merck Patent Gmbh | Materials for electronic devices |
| DE102009053382A1 (en) | 2009-11-14 | 2011-05-19 | Merck Patent Gmbh | Materials for electronic devices |
| JP2013510803A (en)* | 2009-11-14 | 2013-03-28 | メルク パテント ゲーエムベーハー | Materials for electronic devices |
| KR20170090513A (en)* | 2009-11-14 | 2017-08-07 | 메르크 파텐트 게엠베하 | Materials for electronic devices |
| KR101886593B1 (en)* | 2009-11-14 | 2018-08-07 | 메르크 파텐트 게엠베하 | Materials for electronic devices |
| WO2011057706A3 (en)* | 2009-11-14 | 2011-08-25 | Merck Patent Gmbh | Materials for electronic devices |
| CN102770427A (en)* | 2009-11-14 | 2012-11-07 | 默克专利有限公司 | Materials for electronic devices |
| DE102009053644A1 (en) | 2009-11-17 | 2011-05-19 | Merck Patent Gmbh | Materials for organic electroluminescent devices |
| DE102009053644B4 (en) | 2009-11-17 | 2019-07-04 | Merck Patent Gmbh | Materials for organic electroluminescent devices |
| DE102009053645A1 (en) | 2009-11-17 | 2011-05-19 | Merck Patent Gmbh | Materials for organic electroluminescent device |
| WO2011060877A2 (en) | 2009-11-17 | 2011-05-26 | Merck Patent Gmbh | Materials for organic light emitting devices |
| WO2011060859A1 (en) | 2009-11-17 | 2011-05-26 | Merck Patent Gmbh | Materials for organic electroluminescent devices |
| WO2011060867A1 (en) | 2009-11-18 | 2011-05-26 | Merck Patent Gmbh | Nitrogen-containing condensed heterocyclic compounds for oleds |
| DE102009053836A1 (en) | 2009-11-18 | 2011-05-26 | Merck Patent Gmbh | Materials for organic electroluminescent devices |
| WO2011066898A1 (en) | 2009-12-05 | 2011-06-09 | Merck Patent Gmbh | Electronic device containing metal complexes |
| DE102009057167A1 (en) | 2009-12-05 | 2011-06-09 | Merck Patent Gmbh | Electronic device containing metal complexes |
| WO2011076326A1 (en) | 2009-12-22 | 2011-06-30 | Merck Patent Gmbh | Electroluminescent functional surfactants |
| WO2011076314A1 (en) | 2009-12-22 | 2011-06-30 | Merck Patent Gmbh | Electroluminescent formulations |
| WO2011076323A1 (en) | 2009-12-22 | 2011-06-30 | Merck Patent Gmbh | Formulations comprising phase-separated functional materials |
| WO2011076324A1 (en) | 2009-12-23 | 2011-06-30 | Merck Patent Gmbh | Compositions comprising organic semiconducting compounds |
| WO2011076325A1 (en) | 2009-12-23 | 2011-06-30 | Merck Patent Gmbh | Compositions comprising polymeric binders |
| WO2011076380A1 (en) | 2009-12-23 | 2011-06-30 | Merck Patent Gmbh | Composition for the preparation of organic electronic (oe) devices |
| EP2725632A1 (en) | 2009-12-23 | 2014-04-30 | Merck Patent GmbH | Use of compositions comprising polymeric inert binders for the fabricaiton of light-emitting diode |
| DE102010004803A1 (en) | 2010-01-16 | 2011-07-21 | Merck Patent GmbH, 64293 | Materials for organic electroluminescent devices |
| WO2011085781A1 (en) | 2010-01-16 | 2011-07-21 | Merck Patent Gmbh | Materials for organic electroluminescent devices |
| DE102010005697A1 (en) | 2010-01-25 | 2011-07-28 | Merck Patent GmbH, 64293 | Connections for electronic devices |
| WO2011088877A1 (en) | 2010-01-25 | 2011-07-28 | Merck Patent Gmbh | Compounds for electronic devices |
| JP2015043435A (en)* | 2010-01-28 | 2015-03-05 | ユー・ディー・シー アイルランド リミテッド | Organic electroluminescence device |
| DE102010006377A1 (en) | 2010-01-29 | 2011-08-04 | Merck Patent GmbH, 64293 | Styrene-based copolymers, in particular for use in optoelectronic components |
| WO2011091838A1 (en) | 2010-01-29 | 2011-08-04 | Merck Patent Gmbh | Styrene-based copolymers, in particular for use in optoelectronic components |
| DE102010009193B4 (en) | 2010-02-24 | 2022-05-19 | MERCK Patent Gesellschaft mit beschränkter Haftung | Composition containing fluorine-fluorine associates, processes for their production, their use and organic electronic devices containing them |
| DE102010009193A1 (en) | 2010-02-24 | 2011-08-25 | Merck Patent GmbH, 64293 | Fluorine-fluorine associates |
| WO2011103953A1 (en) | 2010-02-24 | 2011-09-01 | Merck Patent Gmbh | Fluorine-fluorine associates |
| US9822299B2 (en) | 2010-02-24 | 2017-11-21 | Merck Patent Gmbh | Fluorine-fluorine associates |
| JP2013520537A (en)* | 2010-02-24 | 2013-06-06 | メルク パテント ゲーエムベーハー | Fluorine-fluorine aggregate |
| DE102010009903A1 (en) | 2010-03-02 | 2011-09-08 | Merck Patent Gmbh | Connections for electronic devices |
| WO2011107186A2 (en) | 2010-03-02 | 2011-09-09 | Merck Patent Gmbh | Compounds for electronic devices |
| DE102010010481A1 (en) | 2010-03-06 | 2011-09-08 | Merck Patent Gmbh | Organic electroluminescent device |
| WO2011110262A1 (en) | 2010-03-06 | 2011-09-15 | Merck Patent Gmbh | Organic electroluminescent device |
| WO2011110277A1 (en) | 2010-03-11 | 2011-09-15 | Merck Patent Gmbh | Fibers in therapy and cosmetics |
| WO2011110275A2 (en) | 2010-03-11 | 2011-09-15 | Merck Patent Gmbh | Radiative fibers |
| WO2011116857A1 (en) | 2010-03-23 | 2011-09-29 | Merck Patent Gmbh | Materials for organic electroluminescent devices |
| DE102010012738A1 (en) | 2010-03-25 | 2011-09-29 | Merck Patent Gmbh | Materials for organic electroluminescent devices |
| WO2011116865A1 (en) | 2010-03-25 | 2011-09-29 | Merck Patent Gmbh | Materials for organic electroluminescence devices |
| DE102010013068A1 (en) | 2010-03-26 | 2011-09-29 | Merck Patent Gmbh | Connections for electronic devices |
| WO2011116869A1 (en) | 2010-03-26 | 2011-09-29 | Merck Patent Gmbh | Compounds for electronic devices |
| WO2011128035A1 (en) | 2010-04-12 | 2011-10-20 | Merck Patent Gmbh | Composition and method for preparation of organic electronic devices |
| WO2011128034A1 (en) | 2010-04-12 | 2011-10-20 | Merck Patent Gmbh | Composition having improved performance |
| DE102010014933A1 (en) | 2010-04-14 | 2011-10-20 | Merck Patent Gmbh | Materials for electronic devices |
| WO2011128017A1 (en) | 2010-04-14 | 2011-10-20 | Merck Patent Gmbh | Bridged triarylamines and -phosphines as materials for electronic devices |
| DE102010018321A1 (en) | 2010-04-27 | 2011-10-27 | Merck Patent Gmbh | Organic electroluminescent device |
| WO2011134577A1 (en) | 2010-04-27 | 2011-11-03 | Merck Patent Gmbh | Organic electroluminescent device |
| WO2011137922A1 (en) | 2010-05-03 | 2011-11-10 | Merck Patent Gmbh | Formulations and electronic devices |
| DE102010019306A1 (en) | 2010-05-04 | 2011-11-10 | Merck Patent Gmbh | Organic electroluminescent devices |
| WO2011137951A1 (en) | 2010-05-04 | 2011-11-10 | Merck Patent Gmbh | Organic electroluminescence devices |
| DE102010020044A1 (en) | 2010-05-11 | 2011-11-17 | Merck Patent Gmbh | Organic electroluminescent device |
| WO2011141109A1 (en) | 2010-05-11 | 2011-11-17 | Merck Patent Gmbh | Organic electroluminescent devices |
| WO2011141120A1 (en) | 2010-05-14 | 2011-11-17 | Merck Patent Gmbh | Metal complexes |
| DE102010020567A1 (en) | 2010-05-14 | 2011-11-17 | Merck Patent Gmbh | metal complexes |
| WO2011147522A1 (en) | 2010-05-27 | 2011-12-01 | Merck Patent Gmbh | Compositions comprising quantum dots |
| EP3309236A1 (en) | 2010-05-27 | 2018-04-18 | Merck Patent GmbH | Compositions comprising quantum dots |
| WO2011147523A1 (en) | 2010-05-27 | 2011-12-01 | Merck Patent Gmbh | Formulation and method for preparation of organic electronic devices |
| WO2011157339A1 (en) | 2010-06-15 | 2011-12-22 | Merck Patent Gmbh | Metal complexes |
| DE102010024335A1 (en) | 2010-06-18 | 2011-12-22 | Merck Patent Gmbh | Connections for electronic devices |
| WO2011157346A1 (en) | 2010-06-18 | 2011-12-22 | Merck Patent Gmbh | Compounds for electronic devices |
| DE102010024542A1 (en) | 2010-06-22 | 2011-12-22 | Merck Patent Gmbh | Materials for electronic devices |
| WO2011160757A1 (en) | 2010-06-22 | 2011-12-29 | Merck Patent Gmbh | Materials for electronic devices |
| DE102010024897A1 (en) | 2010-06-24 | 2011-12-29 | Merck Patent Gmbh | Materials for organic electroluminescent devices |
| WO2011160758A1 (en) | 2010-06-24 | 2011-12-29 | Merck Patent Gmbh | Materials for organic electroluminescent devices |
| EP3121183A1 (en) | 2010-07-15 | 2017-01-25 | Merck Patent GmbH | Metals containing organic complexes |
| WO2012007103A1 (en) | 2010-07-15 | 2012-01-19 | Merck Patent Gmbh | Metal complexes with organic ligands and use thereof in oleds |
| DE102010027218A1 (en) | 2010-07-15 | 2012-01-19 | Merck Patent Gmbh | Organic complexes containing metals |
| EP2896627A1 (en) | 2010-07-15 | 2015-07-22 | Merck Patent GmbH | Metals containing organic complexes |
| WO2012007086A1 (en) | 2010-07-16 | 2012-01-19 | Merck Patent Gmbh | Metal complexes |
| DE102010027320A1 (en) | 2010-07-16 | 2012-01-19 | Merck Patent Gmbh | Polymeric materials for organic electroluminescent devices |
| DE102010027316A1 (en) | 2010-07-16 | 2012-01-19 | Merck Patent Gmbh | metal complexes |
| WO2012007087A1 (en) | 2010-07-16 | 2012-01-19 | Merck Patent Gmbh | Metal complexes |
| DE102010027317A1 (en) | 2010-07-16 | 2012-01-19 | Merck Patent Gmbh | metal complexes |
| DE102010027319A1 (en) | 2010-07-16 | 2012-01-19 | Merck Patent Gmbh | metal complexes |
| WO2012007088A1 (en) | 2010-07-16 | 2012-01-19 | Merck Patent Gmbh | Metal complexes |
| WO2012007102A1 (en) | 2010-07-16 | 2012-01-19 | Merck Patent Gmbh | Polymer materials for organic electroluminescent devices |
| WO2012013272A1 (en) | 2010-07-26 | 2012-02-02 | Merck Patent Gmbh | Quantum dots and hosts |
| WO2012013270A1 (en) | 2010-07-26 | 2012-02-02 | Merck Patent Gmbh | Nanocrystals in devices |
| WO2012013271A1 (en) | 2010-07-30 | 2012-02-02 | Merck Patent Gmbh | Organic electroluminescent device |
| WO2012016630A1 (en) | 2010-08-05 | 2012-02-09 | Merck Patent Gmbh | Materials for electronic devices |
| DE102010033548A1 (en) | 2010-08-05 | 2012-02-09 | Merck Patent Gmbh | Materials for electronic devices |
| DE102010045405A1 (en) | 2010-09-15 | 2012-03-15 | Merck Patent Gmbh | Materials for organic electroluminescent devices |
| WO2012034627A1 (en) | 2010-09-15 | 2012-03-22 | Merck Patent Gmbh | Materials for organic electroluminescent devices |
| DE102010046412B4 (en) | 2010-09-23 | 2022-01-13 | Merck Patent Gmbh | metal-ligand coordination compounds |
| DE102010046412A1 (en) | 2010-09-23 | 2012-03-29 | Merck Patent Gmbh | Metal ligand coordination compounds |
| DE102010046512A1 (en) | 2010-09-24 | 2012-03-29 | Merck Patent Gmbh | Phosphorus-containing metal complexes |
| WO2012038029A1 (en) | 2010-09-24 | 2012-03-29 | Merck Patent Gmbh | Phosphorus-containing metal complexes |
| WO2012045384A1 (en) | 2010-10-09 | 2012-04-12 | Merck Patent Gmbh | Materials for electronic devices |
| DE102010048074A1 (en) | 2010-10-09 | 2012-04-12 | Merck Patent Gmbh | Materials for electronic devices |
| EP2787053A1 (en) | 2010-10-14 | 2014-10-08 | Merck Patent GmbH | Polymeric materials |
| WO2012048900A1 (en) | 2010-10-14 | 2012-04-19 | Fraunhofer-Gesellschaft Zur Förderung Der Angewandten Forschung E.V. . | Materials for organic electroluminescence devices |
| DE102010048607A1 (en) | 2010-10-15 | 2012-04-19 | Merck Patent Gmbh | Connections for electronic devices |
| WO2012048780A1 (en) | 2010-10-15 | 2012-04-19 | Merck Patent Gmbh | Compounds for electronic devices |
| DE102010048608A1 (en) | 2010-10-15 | 2012-04-19 | Merck Patent Gmbh | Materials for organic electroluminescent devices |
| WO2012048781A1 (en) | 2010-10-15 | 2012-04-19 | Merck Patent Gmbh | Triphenylene-based materials for organic electroluminescent devices |
| WO2012069121A1 (en) | 2010-11-24 | 2012-05-31 | Merck Patent Gmbh | Materials for organic electroluminescent devices |
| DE102010054316A1 (en) | 2010-12-13 | 2012-06-14 | Merck Patent Gmbh | Substituted tetraarylbenzenes |
| WO2012079678A1 (en) | 2010-12-13 | 2012-06-21 | Merck Patent Gmbh | Substituted tetraarylbenzenes |
| WO2012079673A1 (en) | 2010-12-15 | 2012-06-21 | Merck Patent Gmbh | Organic electroluminescent device |
| DE102010054525A1 (en) | 2010-12-15 | 2012-04-26 | Merck Patent Gmbh | Organic electroluminescent device |
| WO2012079741A1 (en) | 2010-12-15 | 2012-06-21 | Merck Patent Gmbh | Metal complexes |
| WO2012084115A1 (en) | 2010-12-23 | 2012-06-28 | Merck Patent Gmbh | Organic electroluminescent device |
| DE102010055901A1 (en) | 2010-12-23 | 2012-06-28 | Merck Patent Gmbh | Organic electroluminescent device |
| WO2012084114A1 (en) | 2010-12-23 | 2012-06-28 | Merck Patent Gmbh | Organic electroluminescent device |
| DE102010055902A1 (en) | 2010-12-23 | 2012-06-28 | Merck Patent Gmbh | Organic electroluminescent device |
| WO2012095143A1 (en) | 2011-01-13 | 2012-07-19 | Merck Patent Gmbh | Compounds for organic electroluminescent devices |
| DE102012000064A1 (en) | 2011-01-21 | 2012-07-26 | Merck Patent Gmbh | New heterocyclic compound excluding 9,10-dioxa-4b-aza-9a-phospha-indeno(1,2-a)indene and 9,10-dioxa-4b-aza-indeno(1,2-a)indene, useful e.g. as matrix material for fluorescent or phosphorescent emitters of electronic devices |
| EP2482159A2 (en) | 2011-01-28 | 2012-08-01 | Honeywell International, Inc. | Methods and reconfigurable systems to optimize the performance of a condition based health maintenance system |
| DE102011010841A1 (en) | 2011-02-10 | 2012-08-16 | Merck Patent Gmbh | (1,3) -dioxane-5-one compounds |
| WO2012107158A1 (en) | 2011-02-10 | 2012-08-16 | Merck Patent Gmbh | 1,3-dioxan-5-one compounds |
| DE102011011104A1 (en) | 2011-02-12 | 2012-08-16 | Merck Patent Gmbh | Substituted dibenzonaphthacenes |
| WO2012107163A1 (en) | 2011-02-12 | 2012-08-16 | Merck Patent Gmbh | Substituted dibenzonaphthacene |
| WO2012110178A1 (en) | 2011-02-14 | 2012-08-23 | Merck Patent Gmbh | Device and method for treatment of cells and cell tissue |
| WO2012110182A1 (en) | 2011-02-17 | 2012-08-23 | Merck Patent Gmbh | Compounds for electronic devices |
| DE102011011539A1 (en) | 2011-02-17 | 2012-08-23 | Merck Patent Gmbh | Connections for electronic devices |
| WO2012126566A1 (en) | 2011-03-24 | 2012-09-27 | Merck Patent Gmbh | Organic ionic functional materials |
| WO2012136296A1 (en) | 2011-04-04 | 2012-10-11 | Merck Patent Gmbh | Metal complexes |
| WO2012136295A1 (en) | 2011-04-05 | 2012-10-11 | Merck Patent Gmbh | Organic electroluminescent device |
| WO2012139693A1 (en) | 2011-04-13 | 2012-10-18 | Merck Patent Gmbh | Compounds for electronic devices |
| WO2012139692A1 (en) | 2011-04-13 | 2012-10-18 | Merck Patent Gmbh | Materials for electronic devices |
| WO2012143080A2 (en) | 2011-04-18 | 2012-10-26 | Merck Patent Gmbh | Materials for organic electroluminescent devices |
| WO2012143079A1 (en) | 2011-04-18 | 2012-10-26 | Merck Patent Gmbh | Compounds for electronic devices |
| WO2012149992A1 (en) | 2011-05-04 | 2012-11-08 | Merck Patent Gmbh | Device for preserving fresh goods |
| WO2012150001A1 (en) | 2011-05-05 | 2012-11-08 | Merck Patent Gmbh | Compounds for electronic devices |
| WO2012149999A1 (en) | 2011-05-05 | 2012-11-08 | Merck Patent Gmbh | Compounds for electronic devices |
| WO2012152366A1 (en) | 2011-05-12 | 2012-11-15 | Merck Patent Gmbh | Organic ionic compounds, compositions and electronic devices |
| DE102012007810A1 (en) | 2011-05-16 | 2012-11-22 | Merck Patent Gmbh | Electronic device, preferably organic electroluminescent device comprises a transition metal compound exhibiting a transition metal-tin bond |
| DE102011102586A1 (en) | 2011-05-27 | 2012-11-29 | Merck Patent Gmbh | Organic electronic device |
| WO2012163480A1 (en) | 2011-05-27 | 2012-12-06 | Merck Patent Gmbh | Organic electronic device |
| WO2012163465A1 (en) | 2011-06-03 | 2012-12-06 | Merck Patent Gmbh | Organic electroluminescence device |
| WO2012163471A1 (en) | 2011-06-03 | 2012-12-06 | Merck Patent Gmbh | Metal complexes |
| WO2013000531A1 (en) | 2011-06-28 | 2013-01-03 | Merck Patent Gmbh | Metal complexes |
| WO2013017189A1 (en) | 2011-07-29 | 2013-02-07 | Merck Patent Gmbh | Compounds for electronic devices |
| EP3439065A1 (en) | 2011-08-03 | 2019-02-06 | Merck Patent GmbH | Materials for electronic devices |
| WO2013017192A1 (en) | 2011-08-03 | 2013-02-07 | Merck Patent Gmbh | Materials for electronic devices |
| WO2013020631A1 (en) | 2011-08-10 | 2013-02-14 | Merck Patent Gmbh | Metal complexes |
| DE102012016192A1 (en) | 2011-08-19 | 2013-02-21 | Merck Patent Gmbh | New compounds capable of forming hydrogen bonds are useful in electronic device, e.g. organic electroluminescent device, organic light-emitting transistor and organic light-emitting electrochemical cell |
| WO2013026515A1 (en) | 2011-08-22 | 2013-02-28 | Merck Patent Gmbh | Organic electroluminescence device |
| WO2013041176A1 (en) | 2011-09-21 | 2013-03-28 | Merck Patent Gmbh | Carbazole derivatives for organic electroluminescence devices |
| DE102011116165A1 (en) | 2011-10-14 | 2013-04-18 | Merck Patent Gmbh | Benzodioxepin-3-one compounds |
| WO2013056776A1 (en) | 2011-10-20 | 2013-04-25 | Merck Patent Gmbh | Materials for organic electroluminescent devices |
| WO2013060418A1 (en) | 2011-10-27 | 2013-05-02 | Merck Patent Gmbh | Materials for electronic devices |
| WO2013060411A1 (en) | 2011-10-28 | 2013-05-02 | Merck Patent Gmbh | Hyperbranched polymers, methods for producing same, and use of same in electronic devices |
| WO2013064206A1 (en) | 2011-11-01 | 2013-05-10 | Merck Patent Gmbh | Organic electroluminescent device |
| WO2013083216A1 (en) | 2011-11-17 | 2013-06-13 | Merck Patent Gmbh | Spiro dihydroacridine derivatives and the use thereof as materials for organic electroluminescence devices |
| WO2013087142A1 (en) | 2011-12-12 | 2013-06-20 | Merck Patent Gmbh | Compounds for electronic devices |
| DE102012022880A1 (en) | 2011-12-22 | 2013-06-27 | Merck Patent Gmbh | Electronic device e.g. organic integrated circuits, organic field-effect transistors, organic thin-film transistors, organic light emitting transistors, comprises an organic layer comprising substituted heteroaryl compounds |
| WO2013097920A1 (en) | 2011-12-27 | 2013-07-04 | Merck Patent Gmbh | Metal complexes comprising 1,2,3-triazoles |
| WO2013107487A1 (en) | 2012-01-16 | 2013-07-25 | Merck Patent Gmbh | Organic metal complexes |
| JP2013149880A (en)* | 2012-01-23 | 2013-08-01 | Konica Minolta Inc | Organic electroluminescent element, display device and luminaire |
| WO2013113349A1 (en) | 2012-01-30 | 2013-08-08 | Merck Patent Gmbh | Nanocrystals on fibers |
| EP3101088A1 (en) | 2012-02-14 | 2016-12-07 | Merck Patent GmbH | Materials for organic electroluminescent devices |
| EP3235892A1 (en) | 2012-02-14 | 2017-10-25 | Merck Patent GmbH | Materials for organic electroluminescent devices |
| WO2013120577A1 (en) | 2012-02-14 | 2013-08-22 | Merck Patent Gmbh | Spirobifluorene compounds for organic electroluminescent devices |
| EP3460864A1 (en) | 2012-03-15 | 2019-03-27 | Merck Patent GmbH | Electronic devices |
| WO2013135352A1 (en) | 2012-03-15 | 2013-09-19 | Merck Patent Gmbh | Electronic devices |
| EP4369378A2 (en) | 2012-03-15 | 2024-05-15 | Merck Patent GmbH | Electronic devices |
| WO2013139431A1 (en) | 2012-03-23 | 2013-09-26 | Merck Patent Gmbh | 9,9'-spirobixanthene derivatives for electroluminescent devices |
| WO2013174471A1 (en) | 2012-05-24 | 2013-11-28 | Merck Patent Gmbh | Metal complexes comprising condensed heteroaromatic rings |
| WO2013182263A1 (en) | 2012-06-06 | 2013-12-12 | Merck Patent Gmbh | Phenanthrene compounds for organic electronic devices |
| DE102012011335A1 (en) | 2012-06-06 | 2013-12-12 | Merck Patent Gmbh | Connections for Organic Electronic Devices |
| WO2014008967A2 (en) | 2012-07-10 | 2014-01-16 | Merck Patent Gmbh | Materials for organic electroluminescent devices |
| WO2014008982A1 (en) | 2012-07-13 | 2014-01-16 | Merck Patent Gmbh | Metal complexes |
| WO2014015937A1 (en) | 2012-07-23 | 2014-01-30 | Merck Patent Gmbh | Compounds and organic electroluminescent devices |
| DE202013012401U1 (en) | 2012-07-23 | 2016-10-12 | Merck Patent Gmbh | Connections and Organic Electronic Devices |
| EP3424907A2 (en) | 2012-07-23 | 2019-01-09 | Merck Patent GmbH | Connections and organic electronic devices |
| WO2014015931A1 (en) | 2012-07-23 | 2014-01-30 | Merck Patent Gmbh | Materials for organic electroluminescent devices |
| WO2014015938A1 (en) | 2012-07-23 | 2014-01-30 | Merck Patent Gmbh | Derivatives of 2-diarylaminofluorene and organic electronic compounds containing them |
| WO2014015935A2 (en) | 2012-07-23 | 2014-01-30 | Merck Patent Gmbh | Compounds and organic electronic devices |
| WO2014023377A2 (en) | 2012-08-07 | 2014-02-13 | Merck Patent Gmbh | Metal complexes |
| EP3424936A1 (en) | 2012-08-07 | 2019-01-09 | Merck Patent GmbH | Metal complexes |
| WO2014023388A1 (en) | 2012-08-10 | 2014-02-13 | Merck Patent Gmbh | Materials for organic electroluminescence devices |
| WO2014044344A1 (en) | 2012-09-18 | 2014-03-27 | Merck Patent Gmbh | Materials for electronic devices |
| WO2014044347A1 (en) | 2012-09-20 | 2014-03-27 | Merck Patent Gmbh | Metal complexes |
| WO2014056567A1 (en) | 2012-10-11 | 2014-04-17 | Merck Patent Gmbh | Materials for organic electroluminescent devices |
| DE102012020167A1 (en) | 2012-10-13 | 2014-04-17 | Eberhard Karls Universität Tübingen | metal complexes |
| EP3806176A1 (en) | 2012-10-31 | 2021-04-14 | Merck Patent GmbH | Electronic device |
| WO2014067614A1 (en) | 2012-10-31 | 2014-05-08 | Merck Patent Gmbh | Electronic device |
| DE102012021650A1 (en) | 2012-11-03 | 2014-05-08 | Eberhard Karls Universität Tübingen | metal complexes |
| EP3378857A1 (en) | 2012-11-12 | 2018-09-26 | Merck Patent GmbH | Materials for electronic devices |
| WO2014079532A1 (en) | 2012-11-20 | 2014-05-30 | Merck Patent Gmbh | Formulation in high-purity solvent for producing electronic devices |
| WO2014082705A1 (en) | 2012-11-30 | 2014-06-05 | Merck Patent Gmbh | Electronic device |
| WO2014106524A2 (en) | 2013-01-03 | 2014-07-10 | Merck Patent Gmbh | Materials for electronic devices |
| WO2014106522A1 (en) | 2013-01-03 | 2014-07-10 | Merck Patent Gmbh | Materials for electronic devices |
| JP2013131767A (en)* | 2013-01-24 | 2013-07-04 | Konica Minolta Inc | Organic electroluminescent element |
| JP2016516085A (en)* | 2013-03-22 | 2016-06-02 | メルク パテント ゲーエムベーハー | Materials for electronic devices |
| CN105051014B (en)* | 2013-03-22 | 2017-12-19 | 默克专利有限公司 | Materials for Electronic Devices |
| JP2018184404A (en)* | 2013-03-22 | 2018-11-22 | メルク パテント ゲーエムベーハー | Materials for electronic devices |
| EP3375785A1 (en) | 2013-03-22 | 2018-09-19 | Merck Patent GmbH | Materials for electronic devices |
| CN105051014A (en)* | 2013-03-22 | 2015-11-11 | 默克专利有限公司 | Materials for Electronic Devices |
| US10193079B2 (en) | 2013-03-22 | 2019-01-29 | Merck Patent Gmbh | Materials for electronic devices |
| WO2014146752A1 (en) | 2013-03-22 | 2014-09-25 | Merck Patent Gmbh | Materials for electronic devices |
| DE102013008189A1 (en) | 2013-05-14 | 2014-12-04 | Eberhard Karls Universität Tübingen | metal complexes |
| WO2015014427A1 (en) | 2013-07-29 | 2015-02-05 | Merck Patent Gmbh | Electro-optical device and the use thereof |
| EP3712229A1 (en) | 2013-07-30 | 2020-09-23 | Merck Patent GmbH | Materials for electronic devices |
| EP3647393A1 (en) | 2013-07-30 | 2020-05-06 | Merck Patent GmbH | Materials for electronic devices |
| EP3904361A2 (en) | 2013-10-02 | 2021-11-03 | Merck Patent GmbH | Boron containing compounds |
| EP3693437A1 (en) | 2013-12-06 | 2020-08-12 | Merck Patent GmbH | Compounds and organic electronic devices |
| WO2015082037A1 (en) | 2013-12-06 | 2015-06-11 | Merck Patent Gmbh | Compositions containing a polymeric binder which comprises acrylic and/or methacrylic acid ester units |
| WO2015082046A2 (en) | 2013-12-06 | 2015-06-11 | Merck Patent Gmbh | Substituted oxepines |
| EP3345984A1 (en) | 2013-12-06 | 2018-07-11 | Merck Patent GmbH | Connections and organic electronic devices |
| WO2015086108A1 (en) | 2013-12-12 | 2015-06-18 | Merck Patent Gmbh | Materials for electronic devices |
| EP3708634A1 (en) | 2013-12-19 | 2020-09-16 | Merck Patent GmbH | Heterocyclic spiro compounds |
| WO2015090504A2 (en) | 2013-12-19 | 2015-06-25 | Merck Patent Gmbh | Heterocyclic spiro compounds |
| EP4438693A2 (en) | 2013-12-19 | 2024-10-02 | Merck Patent GmbH | Heterocyclic spiro compounds |
| JP2014082522A (en)* | 2014-01-14 | 2014-05-08 | Konica Minolta Inc | Organic electroluminescent element |
| EP2927221A1 (en) | 2014-03-31 | 2015-10-07 | Commonwealth Scientific and Industrial Research Organisation | Diamine compounds for phosphorescent diazaborole metal complexes and electroluminescent devices |
| US9768397B2 (en) | 2014-03-31 | 2017-09-19 | Commonwealth Scientific And Industrial Research Organisation | Phenylenediamine compounds for phosphorescent diazaborole metal complexes |
| EP2927300A1 (en) | 2014-03-31 | 2015-10-07 | Commonwealth Scientific and Industrial Research Organisation | Phenylenediamine compounds for phosphorescent diazaborole metal complexes |
| US9859504B2 (en) | 2014-03-31 | 2018-01-02 | Commonwealth Scientific And Industrial Research Organisation | Diamine compounds for phosphorescent diazaborole metal complexes and electroluminescent devices |
| WO2015165563A1 (en) | 2014-04-30 | 2015-11-05 | Merck Patent Gmbh | Materials for electronic devices |
| EP3533794A2 (en) | 2014-04-30 | 2019-09-04 | Merck Patent GmbH | Materials for electronic devices |
| WO2015169412A1 (en) | 2014-05-05 | 2015-11-12 | Merck Patent Gmbh | Materials for organic light emitting devices |
| DE102015006708A1 (en) | 2014-06-12 | 2015-12-17 | Merck Patent Gmbh | metal complexes |
| WO2015192941A1 (en) | 2014-06-18 | 2015-12-23 | Merck Patent Gmbh | Compositions for electronic devices |
| DE102014008722A1 (en) | 2014-06-18 | 2015-12-24 | Merck Patent Gmbh | Compositions for electronic devices |
| DE102014008722B4 (en) | 2014-06-18 | 2024-08-22 | Merck Patent Gmbh | Compositions for electronic devices, formulation containing them, use of the composition, use of the formulation and organic electronic device containing the composition |
| WO2015197156A1 (en) | 2014-06-25 | 2015-12-30 | Merck Patent Gmbh | Materials for organic electroluminescent devices |
| EP2960315A1 (en) | 2014-06-27 | 2015-12-30 | cynora GmbH | Organic electroluminescent device |
| WO2016001064A1 (en) | 2014-06-30 | 2016-01-07 | Cynora Gmbh | Dinuclear metal(i) complexes having tetradentate ligands for optoelectronic applications |
| EP2963044A1 (en) | 2014-06-30 | 2016-01-06 | cynora GmbH | Binuclear metal (I) complexes with tetradentate ligands for optoelectronic applications |
| EP4037000A1 (en) | 2014-07-21 | 2022-08-03 | Merck Patent GmbH | Materials for electronic devices |
| DE102014012818A1 (en) | 2014-08-28 | 2016-03-03 | Eberhard Karls Universität Tübingen | metal complexes |
| WO2016034262A1 (en) | 2014-09-05 | 2016-03-10 | Merck Patent Gmbh | Formulations and electronic devices |
| WO2016055557A1 (en) | 2014-10-08 | 2016-04-14 | Cynora Gmbh | Metal complexes with tridentate ligands for optoelectronic applications |
| WO2016074755A1 (en) | 2014-11-11 | 2016-05-19 | Merck Patent Gmbh | Materials for organic electroluminescent devices |
| WO2016079097A1 (en) | 2014-11-18 | 2016-05-26 | Cynora Gmbh | Copper(i) complexes for optoelectronic applications |
| WO2016091353A1 (en) | 2014-12-12 | 2016-06-16 | Merck Patent Gmbh | Organic compounds with soluble groups |
| WO2016107663A1 (en) | 2014-12-30 | 2016-07-07 | Merck Patent Gmbh | Formulations and electronic devices |
| WO2016120007A1 (en) | 2015-01-30 | 2016-08-04 | Merck Patent Gmbh | Formulations with a low particle content |
| WO2016119992A1 (en) | 2015-01-30 | 2016-08-04 | Merck Patent Gmbh | Materials for electronic devices |
| WO2016124304A1 (en) | 2015-02-03 | 2016-08-11 | Merck Patent Gmbh | Metal complexes |
| WO2016155866A1 (en) | 2015-03-30 | 2016-10-06 | Merck Patent Gmbh | Formulation of an organic functional material comprising a siloxane solvent |
| WO2016198144A1 (en) | 2015-06-10 | 2016-12-15 | Merck Patent Gmbh | Materials for organic electroluminescent devices |
| EP3581633A1 (en) | 2015-06-12 | 2019-12-18 | Merck Patent GmbH | Esters containing non-aromatic cycles as solvents for oled formulations |
| WO2016198141A1 (en) | 2015-06-12 | 2016-12-15 | Merck Patent Gmbh | Esters containing non-aromatic cycles as solvents for oled formulations |
| WO2017008883A1 (en) | 2015-07-15 | 2017-01-19 | Merck Patent Gmbh | Composition comprising organic semiconducting compounds |
| WO2017012687A1 (en) | 2015-07-22 | 2017-01-26 | Merck Patent Gmbh | Materials for organic electroluminescent devices |
| WO2017012694A1 (en) | 2015-07-23 | 2017-01-26 | Merck Patent Gmbh | Phenyl derivatives substituted with at least two electron acceptors and at least two electron donors for use in organic electronic devices |
| EP4236652A2 (en) | 2015-07-29 | 2023-08-30 | Merck Patent GmbH | Materials for organic electroluminescent devices |
| EP4301110A2 (en) | 2015-07-30 | 2024-01-03 | Merck Patent GmbH | Materials for organic electroluminescent devices |
| WO2017016630A1 (en) | 2015-07-30 | 2017-02-02 | Merck Patent Gmbh | Materials for organic electroluminescent devices |
| WO2017025166A1 (en) | 2015-08-13 | 2017-02-16 | Merck Patent Gmbh | Hexamethylindanes |
| WO2017028940A1 (en) | 2015-08-14 | 2017-02-23 | Merck Patent Gmbh | Phenoxazine derivatives for organic electroluminescent devices |
| WO2017036572A1 (en) | 2015-08-28 | 2017-03-09 | Merck Patent Gmbh | Formulation of an organic functional material comprising an epoxy group containing solvent |
| WO2017036573A1 (en) | 2015-08-28 | 2017-03-09 | Merck Patent Gmbh | Compounds for electronic devices |
| DE102015013381A1 (en) | 2015-10-14 | 2017-04-20 | Eberhard Karls Universität Tübingen | metal complexes |
| WO2017071791A1 (en) | 2015-10-27 | 2017-05-04 | Merck Patent Gmbh | Materials for organic electroluminescent devices |
| DE102015016016A1 (en) | 2015-12-10 | 2017-06-14 | Eberhard Karls Universität Tübingen | metal complexes |
| WO2017097391A1 (en) | 2015-12-10 | 2017-06-15 | Merck Patent Gmbh | Formulations containing ketones comprising non-aromatic cycles |
| WO2017097397A1 (en) | 2015-12-10 | 2017-06-15 | Merck Patent Gmbh | Metal complexes |
| WO2017102048A1 (en) | 2015-12-15 | 2017-06-22 | Merck Patent Gmbh | Esters containing aromatic groups as solvents for organic electronic formulations |
| EP4084109A1 (en) | 2015-12-15 | 2022-11-02 | Merck Patent GmbH | Esters containing aromatic groups as solvents for organic electronic formulations |
| WO2017102049A1 (en) | 2015-12-16 | 2017-06-22 | Merck Patent Gmbh | Formulations containing a mixture of at least two different solvents |
| WO2017102052A1 (en) | 2015-12-16 | 2017-06-22 | Merck Patent Gmbh | Formulations containing a solid solvent |
| US11818948B2 (en) | 2015-12-29 | 2023-11-14 | Universal Display Corporation | Organic electroluminescent materials and devices |
| US11024808B2 (en) | 2015-12-29 | 2021-06-01 | Universal Display Corporation | Organic electroluminescent materials and devices |
| US20210249608A1 (en)* | 2015-12-29 | 2021-08-12 | Universal Display Corporation | Organic Electroluminescent Materials and Devices |
| WO2017133829A1 (en) | 2016-02-05 | 2017-08-10 | Merck Patent Gmbh | Materials for electronic devices |
| WO2017140404A1 (en) | 2016-02-17 | 2017-08-24 | Merck Patent Gmbh | Formulation of an organic functional material |
| WO2017148564A1 (en) | 2016-03-03 | 2017-09-08 | Merck Patent Gmbh | Materials for organic electroluminescent devices |
| WO2017148565A1 (en) | 2016-03-03 | 2017-09-08 | Merck Patent Gmbh | Materials for organic electroluminescence devices |
| WO2017157783A1 (en) | 2016-03-15 | 2017-09-21 | Merck Patent Gmbh | Receptacle comprising a formulation containing at least one organic semiconductor |
| DE102016003104A1 (en) | 2016-03-15 | 2017-09-21 | Merck Patent Gmbh | Container comprising a formulation containing at least one organic semiconductor |
| WO2017157983A1 (en) | 2016-03-17 | 2017-09-21 | Merck Patent Gmbh | Compounds with spirobifluorene-structures |
| WO2017178311A1 (en) | 2016-04-11 | 2017-10-19 | Merck Patent Gmbh | Heterocyclic compounds comprising dibenzofuran and/or dibenzothiophene structures |
| WO2017186760A1 (en) | 2016-04-29 | 2017-11-02 | Merck Patent Gmbh | Materials for organic electroluminescent devices |
| WO2017207596A1 (en) | 2016-06-03 | 2017-12-07 | Merck Patent Gmbh | Materials for organic electroluminescent devices |
| EP3978477A2 (en) | 2016-06-03 | 2022-04-06 | Merck Patent GmbH | Materials for organic electroluminescent devices |
| WO2017216129A1 (en) | 2016-06-16 | 2017-12-21 | Merck Patent Gmbh | Formulation of an organic functional material |
| WO2017216128A1 (en) | 2016-06-17 | 2017-12-21 | Merck Patent Gmbh | Formulation of an organic functional material |
| WO2018001928A1 (en) | 2016-06-28 | 2018-01-04 | Merck Patent Gmbh | Formulation of an organic functional material |
| WO2018001990A1 (en) | 2016-06-30 | 2018-01-04 | Merck Patent Gmbh | Method for the separation of enantiomeric mixtures from metal complexes |
| EP3792235A1 (en) | 2016-07-08 | 2021-03-17 | Merck Patent GmbH | Materials for organic electroluminescent devices |
| WO2018007421A1 (en) | 2016-07-08 | 2018-01-11 | Merck Patent Gmbh | Materials for organic electroluminescent devices |
| WO2018011186A1 (en) | 2016-07-14 | 2018-01-18 | Merck Patent Gmbh | Metal complexes |
| WO2018019687A1 (en) | 2016-07-25 | 2018-02-01 | Merck Patent Gmbh | Dinuclear and oligonuclear metal complexes containing tripodal bidentate part ligands and their use in electronic devices |
| WO2018019688A1 (en) | 2016-07-25 | 2018-02-01 | Merck Patent Gmbh | Metal complexes for use as emitters in organic electroluminescence devices |
| WO2018024719A1 (en) | 2016-08-04 | 2018-02-08 | Merck Patent Gmbh | Formulation of an organic functional material |
| WO2018041769A1 (en) | 2016-08-30 | 2018-03-08 | Merck Patent Gmbh | Binuclear and trinuclear metal complexes composed of two inter-linked tripodal hexadentate ligands for use in electroluminescent devices |
| WO2018050583A1 (en) | 2016-09-14 | 2018-03-22 | Merck Patent Gmbh | Compounds with carbazole structures |
| WO2018050584A1 (en) | 2016-09-14 | 2018-03-22 | Merck Patent Gmbh | Compounds with spirobifluorene-structures |
| WO2018054798A1 (en) | 2016-09-21 | 2018-03-29 | Merck Patent Gmbh | Binuclear metal complexes for use as emitters in organic electroluminescent devices |
| WO2018060307A1 (en) | 2016-09-30 | 2018-04-05 | Merck Patent Gmbh | Compounds with diazadibenzofurane or diazadibenzothiophene structures |
| WO2018060218A1 (en) | 2016-09-30 | 2018-04-05 | Merck Patent Gmbh | Carbazoles with diazadibenzofurane or diazadibenzothiophene structures |
| WO2018069167A1 (en) | 2016-10-10 | 2018-04-19 | Merck Patent Gmbh | Electronic device |
| EP4113643A1 (en) | 2016-10-10 | 2023-01-04 | Merck Patent GmbH | Electronic device |
| EP4255151A2 (en) | 2016-10-10 | 2023-10-04 | Merck Patent GmbH | Spiro[fluorene-9,9'-(thio)xanthene] compounds |
| WO2018069197A1 (en) | 2016-10-12 | 2018-04-19 | Merck Patent Gmbh | Metal complexes |
| WO2018069196A1 (en) | 2016-10-12 | 2018-04-19 | Merck Patent Gmbh | Binuclear metal complexes and electronic devices, in particular organic electroluminescent devices containing said metal complexes |
| WO2018069273A1 (en) | 2016-10-13 | 2018-04-19 | Merck Patent Gmbh | Metal complexes |
| DE102017008794A1 (en) | 2016-10-17 | 2018-04-19 | Merck Patent Gmbh | Materials for use in electronic devices |
| WO2018077769A1 (en) | 2016-10-25 | 2018-05-03 | Merck Patent Gmbh | Metal complexes |
| WO2018077660A1 (en) | 2016-10-31 | 2018-05-03 | Merck Patent Gmbh | Formulation of an organic functional material |
| WO2018077662A1 (en) | 2016-10-31 | 2018-05-03 | Merck Patent Gmbh | Formulation of an organic functional material |
| WO2018083053A1 (en) | 2016-11-02 | 2018-05-11 | Merck Patent Gmbh | Materials for electronic devices |
| WO2018087020A1 (en) | 2016-11-08 | 2018-05-17 | Merck Patent Gmbh | Compounds for electronic devices |
| WO2018087022A1 (en) | 2016-11-09 | 2018-05-17 | Merck Patent Gmbh | Materials for organic electroluminescent devices |
| WO2018087346A1 (en) | 2016-11-14 | 2018-05-17 | Merck Patent Gmbh | Compounds with an acceptor and a donor group |
| EP4271163A2 (en) | 2016-11-14 | 2023-11-01 | Merck Patent GmbH | Compounds with an acceptor and a donor group |
| WO2018091435A1 (en) | 2016-11-17 | 2018-05-24 | Merck Patent Gmbh | Materials for organic electroluminescent devices |
| WO2018095839A1 (en) | 2016-11-22 | 2018-05-31 | Merck Patent Gmbh | Bridged triarylamines for electronic devices |
| WO2018099846A1 (en) | 2016-11-30 | 2018-06-07 | Merck Patent Gmbh | Compounds having valerolactam structures |
| WO2018104195A1 (en) | 2016-12-05 | 2018-06-14 | Merck Patent Gmbh | Nitrogen-containing heterocycles for use in oleds |
| WO2018104193A1 (en) | 2016-12-05 | 2018-06-14 | Merck Patent Gmbh | Materials for organic electroluminescent devices |
| WO2018104194A1 (en) | 2016-12-05 | 2018-06-14 | Merck Patent Gmbh | Materials for organic electroluminescent devices |
| EP3978491A1 (en) | 2016-12-05 | 2022-04-06 | Merck Patent GmbH | Nitrogen-containing heterocycles for use in oleds |
| WO2018104202A1 (en) | 2016-12-06 | 2018-06-14 | Merck Patent Gmbh | Preparation process for an electronic device |
| WO2018108760A1 (en) | 2016-12-13 | 2018-06-21 | Merck Patent Gmbh | Formulation of an organic functional material |
| WO2018114744A1 (en) | 2016-12-20 | 2018-06-28 | Merck Patent Gmbh | A white light emitting solid state light source |
| WO2018114882A1 (en) | 2016-12-22 | 2018-06-28 | Merck Patent Gmbh | Materials for electronic devices |
| WO2018114883A1 (en) | 2016-12-22 | 2018-06-28 | Merck Patent Gmbh | Mixtures comprising at least two organofunctional compounds |
| WO2018127465A1 (en) | 2017-01-04 | 2018-07-12 | Merck Patent Gmbh | Materials for organic electroluminescent devices |
| WO2018138039A1 (en) | 2017-01-25 | 2018-08-02 | Merck Patent Gmbh | Carbazole derivatives |
| WO2018138319A1 (en) | 2017-01-30 | 2018-08-02 | Merck Patent Gmbh | Method for forming an organic electroluminescence (el) element |
| WO2018138318A1 (en) | 2017-01-30 | 2018-08-02 | Merck Patent Gmbh | Method for forming an organic element of an electronic device |
| WO2018138306A1 (en) | 2017-01-30 | 2018-08-02 | Merck Patent Gmbh | Materials for organic electroluminescent devices |
| WO2018141706A1 (en) | 2017-02-02 | 2018-08-09 | Merck Patent Gmbh | Materials for electronic devices |
| WO2018149769A1 (en) | 2017-02-14 | 2018-08-23 | Merck Patent Gmbh | Materials for organic electroluminescent devices |
| WO2018158232A1 (en) | 2017-03-01 | 2018-09-07 | Merck Patent Gmbh | Organic electroluminescent device |
| WO2018157981A1 (en) | 2017-03-02 | 2018-09-07 | Merck Patent Gmbh | Materials for organic electronic devices |
| WO2018166932A1 (en) | 2017-03-13 | 2018-09-20 | Merck Patent Gmbh | Compounds with arylamine structures |
| WO2018166934A1 (en) | 2017-03-15 | 2018-09-20 | Merck Patent Gmbh | Materials for organic electroluminescent devices |
| WO2018177981A1 (en) | 2017-03-29 | 2018-10-04 | Merck Patent Gmbh | Aromatic compounds |
| WO2018178136A1 (en) | 2017-03-31 | 2018-10-04 | Merck Patent Gmbh | Printing method for an organic light emitting diode (oled) |
| WO2018189050A1 (en) | 2017-04-10 | 2018-10-18 | Merck Patent Gmbh | Formulation of an organic functional material |
| WO2018189134A1 (en) | 2017-04-13 | 2018-10-18 | Merck Patent Gmbh | Composition for organic electronic devices |
| WO2018197447A1 (en) | 2017-04-25 | 2018-11-01 | Merck Patent Gmbh | Compounds for electronic devices |
| WO2018202603A1 (en) | 2017-05-03 | 2018-11-08 | Merck Patent Gmbh | Formulation of an organic functional material |
| WO2018206537A1 (en) | 2017-05-11 | 2018-11-15 | Merck Patent Gmbh | Carbazole-based bodipys for organic electroluminescent devices |
| WO2018206526A1 (en) | 2017-05-11 | 2018-11-15 | Merck Patent Gmbh | Organoboron complexes for organic electroluminescent devices |
| WO2018215318A1 (en) | 2017-05-22 | 2018-11-29 | Merck Patent Gmbh | Hexacyclic heteroaromatic compounds for electronic devices |
| WO2018234220A1 (en) | 2017-06-21 | 2018-12-27 | Merck Patent Gmbh | MATERIALS FOR ELECTRONIC DEVICES |
| WO2018234346A1 (en) | 2017-06-23 | 2018-12-27 | Merck Patent Gmbh | MATERIALS FOR ORGANIC ELECTROLUMINESCENT DEVICES |
| WO2019002198A1 (en) | 2017-06-26 | 2019-01-03 | Merck Patent Gmbh | Homogeneous mixtures |
| WO2019002190A1 (en) | 2017-06-28 | 2019-01-03 | Merck Patent Gmbh | Materials for electronic devices |
| WO2019007823A1 (en) | 2017-07-03 | 2019-01-10 | Merck Patent Gmbh | Formulations with a low content of phenol type impurities |
| EP4186898A1 (en) | 2017-07-05 | 2023-05-31 | Merck Patent GmbH | Composition for organic electronic compounds |
| JP7247121B2 (en) | 2017-07-05 | 2023-03-28 | メルク パテント ゲーエムベーハー | Compositions for organic electronic devices |
| WO2019007866A1 (en) | 2017-07-05 | 2019-01-10 | Merck Patent Gmbh | COMPOSITION FOR ORGANIC ELECTRONIC DEVICES |
| JP2020526026A (en)* | 2017-07-05 | 2020-08-27 | メルク パテント ゲーエムベーハー | Compositions for organic electronic devices |
| WO2019007867A1 (en) | 2017-07-05 | 2019-01-10 | Merck Patent Gmbh | COMPOSITION FOR ORGANIC ELECTRONIC DEVICES |
| US11993572B2 (en) | 2017-07-05 | 2024-05-28 | Merck Patent Gmbh | Composition for organic electronic devices |
| WO2019016184A1 (en) | 2017-07-18 | 2019-01-24 | Merck Patent Gmbh | Formulation of an organic functional material |
| WO2019020538A1 (en) | 2017-07-25 | 2019-01-31 | Merck Patent Gmbh | METALLIC COMPLEXES |
| EP4603562A2 (en) | 2017-07-28 | 2025-08-20 | Merck Patent GmbH | Spirobifluorene derivatives for use in electronic devices |
| WO2019020654A1 (en) | 2017-07-28 | 2019-01-31 | Merck Patent Gmbh | Spirobifluorene derivatives for use in electronic devices |
| WO2019048443A1 (en) | 2017-09-08 | 2019-03-14 | Merck Patent Gmbh | Materials for electronic devices |
| WO2019052933A1 (en) | 2017-09-12 | 2019-03-21 | Merck Patent Gmbh | MATERIALS FOR ORGANIC ELECTROLUMINESCENT DEVICES |
| WO2019068679A1 (en) | 2017-10-06 | 2019-04-11 | Merck Patent Gmbh | Materials for organic electroluminescent devices |
| WO2019076789A1 (en) | 2017-10-17 | 2019-04-25 | Merck Patent Gmbh | Materials for organic electroluminescent devices |
| WO2019081391A1 (en) | 2017-10-24 | 2019-05-02 | Merck Patent Gmbh | MATERIALS FOR ORGANIC ELECTROLUMINESCENT DEVICES |
| WO2019096717A2 (en) | 2017-11-14 | 2019-05-23 | Merck Patent Gmbh | Composition for organic electronic devices |
| WO2019101719A1 (en) | 2017-11-23 | 2019-05-31 | Merck Patent Gmbh | Materials for electronic devices |
| EP4242286A2 (en) | 2017-11-23 | 2023-09-13 | Merck Patent GmbH | Materials for electronic devices |
| WO2019101833A1 (en) | 2017-11-24 | 2019-05-31 | Merck Patent Gmbh | Materials for organic electroluminescent devices |
| WO2019101835A1 (en) | 2017-11-24 | 2019-05-31 | Merck Patent Gmbh | Materials for organic electroluminescent devices |
| WO2019115423A1 (en) | 2017-12-13 | 2019-06-20 | Merck Patent Gmbh | Metal complexes |
| WO2019115573A1 (en) | 2017-12-15 | 2019-06-20 | Merck Patent Gmbh | Formulation of an organic functional material |
| WO2019115577A1 (en) | 2017-12-15 | 2019-06-20 | Merck Patent Gmbh | Substituted aromatic amines for use in organic electroluminescent devices |
| WO2019121458A1 (en) | 2017-12-19 | 2019-06-27 | Merck Patent Gmbh | Heterocyclic compound for use in electronic devices |
| WO2019121483A1 (en) | 2017-12-20 | 2019-06-27 | Merck Patent Gmbh | Heteroaromatic compounds |
| EP4451832A2 (en) | 2017-12-20 | 2024-10-23 | Merck Patent GmbH | Heteroaromatic compounds |
| KR20190079571A (en)* | 2017-12-27 | 2019-07-05 | 주식회사 엘지화학 | Organic light emitting device |
| CN111183204A (en)* | 2017-12-27 | 2020-05-19 | 株式会社Lg化学 | Organic Light Emitting Devices |
| CN111183204B (en)* | 2017-12-27 | 2024-03-05 | 株式会社Lg化学 | Organic light emitting device |
| KR102163072B1 (en)* | 2017-12-27 | 2020-10-07 | 주식회사 엘지화학 | Organic light emitting device |
| US11581494B2 (en) | 2017-12-27 | 2023-02-14 | Lg Chem, Ltd. | Organic light emitting device |
| WO2019145316A1 (en) | 2018-01-25 | 2019-08-01 | Merck Patent Gmbh | Materials for organic electroluminescent devices |
| WO2019158453A1 (en) | 2018-02-13 | 2019-08-22 | Merck Patent Gmbh | Metal complexes |
| WO2019162483A1 (en) | 2018-02-26 | 2019-08-29 | Merck Patent Gmbh | Formulation of an organic functional material |
| WO2019170572A1 (en) | 2018-03-06 | 2019-09-12 | Merck Patent Gmbh | Materials for organic electroluminescent devices |
| WO2019170578A1 (en) | 2018-03-06 | 2019-09-12 | Merck Patent Gmbh | Materials for organic electroluminescent devices |
| WO2019175149A1 (en) | 2018-03-16 | 2019-09-19 | Merck Patent Gmbh | Materials for organic electroluminescent devices |
| WO2019179909A1 (en) | 2018-03-19 | 2019-09-26 | Merck Patent Gmbh | Metal complexes |
| WO2019229011A1 (en) | 2018-05-30 | 2019-12-05 | Merck Patent Gmbh | Composition for organic electronic devices |
| WO2019233904A1 (en) | 2018-06-07 | 2019-12-12 | Merck Patent Gmbh | Organic electroluminescence devices |
| WO2019238782A1 (en) | 2018-06-15 | 2019-12-19 | Merck Patent Gmbh | Formulation of an organic functional material |
| WO2020011686A1 (en) | 2018-07-09 | 2020-01-16 | Merck Patent Gmbh | Materials for organic electroluminescent devices |
| WO2020016264A1 (en) | 2018-07-20 | 2020-01-23 | Merck Patent Gmbh | Materials for organic electroluminescent devices |
| WO2020043640A1 (en) | 2018-08-28 | 2020-03-05 | Merck Patent Gmbh | Materials for organic electroluminescent devices |
| WO2020043657A1 (en) | 2018-08-28 | 2020-03-05 | Merck Patent Gmbh | Materials for organic electroluminescent devices |
| WO2020043646A1 (en) | 2018-08-28 | 2020-03-05 | Merck Patent Gmbh | Materials for organic electroluminescent devices |
| DE202019005923U1 (en) | 2018-09-12 | 2023-06-27 | MERCK Patent Gesellschaft mit beschränkter Haftung | Electroluminescent devices |
| WO2020053315A1 (en) | 2018-09-12 | 2020-03-19 | Merck Patent Gmbh | Electroluminescent devices |
| WO2020053314A1 (en) | 2018-09-12 | 2020-03-19 | Merck Patent Gmbh | Electroluminescent devices |
| WO2020053150A1 (en) | 2018-09-12 | 2020-03-19 | Merck Patent Gmbh | Materials for organic electroluminescent devices |
| DE202019005924U1 (en) | 2018-09-12 | 2023-05-10 | MERCK Patent Gesellschaft mit beschränkter Haftung | Electroluminescent devices |
| WO2020064582A1 (en) | 2018-09-24 | 2020-04-02 | Merck Patent Gmbh | Method for the production of a granular material |
| WO2020064666A1 (en) | 2018-09-27 | 2020-04-02 | Merck Patent Gmbh | Compounds that can be used in an organic electronic device as active compounds |
| EP4190880A1 (en) | 2018-09-27 | 2023-06-07 | Merck Patent GmbH | Compounds usable as active compounds in an organic electronic device |
| WO2020064662A2 (en) | 2018-09-27 | 2020-04-02 | Merck Patent Gmbh | Method for producing sterically hindered, nitrogen-containing heteroaromatic compounds |
| EP4601449A2 (en) | 2018-09-27 | 2025-08-13 | Merck Patent GmbH | Compounds usable as active compounds in an organic electronic device |
| WO2020089138A1 (en) | 2018-10-31 | 2020-05-07 | Merck Patent Gmbh | Materials for organic electroluminescent devices |
| WO2020094539A1 (en) | 2018-11-05 | 2020-05-14 | Merck Patent Gmbh | Compounds that can be used in an organic electronic device |
| WO2020094542A1 (en) | 2018-11-06 | 2020-05-14 | Merck Patent Gmbh | 5,6-diphenyl-5,6-dihydro-dibenz[c,e][1,2]azaphosphorin and 6-phenyl-6h-dibenzo[c,e][1,2]thiazin-5,5-dioxide derivatives and similar compounds as organic electroluminescent materials for oleds |
| WO2020094538A1 (en) | 2018-11-06 | 2020-05-14 | Merck Patent Gmbh | Method for forming an organic element of an electronic device |
| WO2020099349A1 (en) | 2018-11-14 | 2020-05-22 | Merck Patent Gmbh | Compounds that can be used for producing an organic electronic device |
| WO2020099307A1 (en) | 2018-11-15 | 2020-05-22 | Merck Patent Gmbh | Materials for organic electroluminescent devices |
| WO2020127165A1 (en) | 2018-12-19 | 2020-06-25 | Merck Patent Gmbh | Materials for organic electroluminescent devices |
| WO2020148243A1 (en) | 2019-01-16 | 2020-07-23 | Merck Patent Gmbh | Materials for organic electroluminescent devices |
| WO2020165064A1 (en) | 2019-02-11 | 2020-08-20 | Merck Patent Gmbh | Mononuclear iridium complexes containing three ortho-metallated bidentate ligands and optical orientating anistrophy |
| WO2020169241A1 (en) | 2019-02-18 | 2020-08-27 | Merck Patent Gmbh | Composition for organic electronic devices |
| WO2020178230A1 (en) | 2019-03-04 | 2020-09-10 | Merck Patent Gmbh | Ligands for nano-sized materials |
| WO2020182779A1 (en) | 2019-03-12 | 2020-09-17 | Merck Patent Gmbh | Materials for organic electroluminescent devices |
| WO2020187865A1 (en) | 2019-03-20 | 2020-09-24 | Merck Patent Gmbh | Materials for organic electroluminescent devices |
| WO2020193447A1 (en) | 2019-03-25 | 2020-10-01 | Merck Patent Gmbh | Materials for organic electroluminescent devices |
| WO2020208051A1 (en) | 2019-04-11 | 2020-10-15 | Merck Patent Gmbh | Materials for organic electroluminescent devices |
| WO2020212296A1 (en) | 2019-04-15 | 2020-10-22 | Merck Patent Gmbh | Metal complexes |
| WO2021037401A1 (en) | 2019-08-26 | 2021-03-04 | Merck Patent Gmbh | Materials for organic electroluminescent devices |
| WO2021043703A1 (en) | 2019-09-02 | 2021-03-11 | Merck Patent Gmbh | Materials for organic electroluminescent devices |
| WO2021043755A1 (en) | 2019-09-03 | 2021-03-11 | Merck Patent Gmbh | Materials for organic electroluminescent devices |
| WO2021052924A1 (en) | 2019-09-16 | 2021-03-25 | Merck Patent Gmbh | Materials for organic electroluminescent devices |
| WO2021052921A1 (en) | 2019-09-19 | 2021-03-25 | Merck Patent Gmbh | Mixture of two host materials, and organic electroluminescent device comprising same |
| WO2021053046A1 (en) | 2019-09-20 | 2021-03-25 | Merck Patent Gmbh | Peri-condensed heterocyclic compounds as materials for electronic devices |
| WO2021078710A1 (en) | 2019-10-22 | 2021-04-29 | Merck Patent Gmbh | Materials for organic electroluminescent devices |
| WO2021078831A1 (en) | 2019-10-25 | 2021-04-29 | Merck Patent Gmbh | Compounds that can be used in an organic electronic device |
| WO2021089450A1 (en) | 2019-11-04 | 2021-05-14 | Merck Patent Gmbh | Materials for organic electroluminescent devices |
| WO2021094269A1 (en) | 2019-11-12 | 2021-05-20 | Merck Patent Gmbh | Materials for organic electroluminescent devices |
| WO2021110720A1 (en) | 2019-12-04 | 2021-06-10 | Merck Patent Gmbh | Metal complexes |
| WO2021110741A1 (en) | 2019-12-04 | 2021-06-10 | Merck Patent Gmbh | Materials for organic electroluminescent devices |
| WO2021122535A1 (en) | 2019-12-17 | 2021-06-24 | Merck Patent Gmbh | Materials for organic electroluminescent devices |
| WO2021122538A1 (en) | 2019-12-18 | 2021-06-24 | Merck Patent Gmbh | Aromatic compounds for organic electroluminescent devices |
| WO2021122740A1 (en) | 2019-12-19 | 2021-06-24 | Merck Patent Gmbh | Polycyclic compounds for organic electroluminescent devices |
| WO2021151922A1 (en) | 2020-01-29 | 2021-08-05 | Merck Patent Gmbh | Benzimidazole derivatives |
| WO2021170522A1 (en) | 2020-02-25 | 2021-09-02 | Merck Patent Gmbh | Use of heterocyclic compounds in an organic electronic device |
| WO2021175706A1 (en) | 2020-03-02 | 2021-09-10 | Merck Patent Gmbh | Use of sulfone compounds in an organic electronic device |
| WO2021185829A1 (en) | 2020-03-17 | 2021-09-23 | Merck Patent Gmbh | Heterocyclic compounds for organic electroluminescent devices |
| WO2021185712A1 (en) | 2020-03-17 | 2021-09-23 | Merck Patent Gmbh | Heteroaromatic compounds for organic electroluminescent devices |
| WO2021191058A1 (en) | 2020-03-23 | 2021-09-30 | Merck Patent Gmbh | Materials for organic electroluminescent devices |
| WO2021191117A1 (en) | 2020-03-24 | 2021-09-30 | Merck Patent Gmbh | Materials for electronic devices |
| WO2021191183A1 (en) | 2020-03-26 | 2021-09-30 | Merck Patent Gmbh | Cyclic compounds for organic electroluminescent devices |
| WO2021198213A1 (en) | 2020-04-02 | 2021-10-07 | Merck Patent Gmbh | Materials for organic electroluminescent devices |
| WO2021204646A1 (en) | 2020-04-06 | 2021-10-14 | Merck Patent Gmbh | Polycyclic compounds for organic electroluminescent devices |
| WO2021213918A1 (en) | 2020-04-21 | 2021-10-28 | Merck Patent Gmbh | Formulation of an organic functional material |
| WO2021213917A1 (en) | 2020-04-21 | 2021-10-28 | Merck Patent Gmbh | Emulsions comprising organic functional materials |
| WO2021160898A2 (en) | 2020-05-27 | 2021-08-19 | Merck Patent Gmbh | Materials for electronic devices |
| WO2021254984A1 (en) | 2020-06-18 | 2021-12-23 | Merck Patent Gmbh | Indenoazanaphthalenes |
| WO2021259824A1 (en) | 2020-06-23 | 2021-12-30 | Merck Patent Gmbh | Method for producing a mixture |
| WO2022002772A1 (en) | 2020-06-29 | 2022-01-06 | Merck Patent Gmbh | Heteroaromatic compounds for organic electroluminescent devices |
| WO2022002771A1 (en) | 2020-06-29 | 2022-01-06 | Merck Patent Gmbh | Heterocyclic compounds for organic electroluminescent devices |
| WO2022017997A1 (en) | 2020-07-22 | 2022-01-27 | Merck Patent Gmbh | Materials for organic electroluminescent devices |
| WO2022029096A1 (en) | 2020-08-06 | 2022-02-10 | Merck Patent Gmbh | Materials for organic electroluminescent devices |
| WO2022034046A1 (en) | 2020-08-13 | 2022-02-17 | Merck Patent Gmbh | Metal complexes |
| WO2022038065A1 (en) | 2020-08-18 | 2022-02-24 | Merck Patent Gmbh | Materials for organic electroluminescent devices |
| WO2022038066A1 (en) | 2020-08-19 | 2022-02-24 | Merck Patent Gmbh | Materials for organic electroluminescent devices |
| WO2022069380A1 (en) | 2020-09-29 | 2022-04-07 | Merck Patent Gmbh | Mononuclear tripodal hexadentate iridium complexes for use in oleds |
| WO2022069422A1 (en) | 2020-09-30 | 2022-04-07 | Merck Patent Gmbh | Compounds for structuring functional layers of organic electroluminescent devices |
| WO2022069421A1 (en) | 2020-09-30 | 2022-04-07 | Merck Patent Gmbh | Compounds that can be used for structuring functional layers of organic electroluminescent devices |
| WO2022079068A1 (en) | 2020-10-16 | 2022-04-21 | Merck Patent Gmbh | Heterocyclic compounds for organic electroluminescent devices |
| WO2022079067A1 (en) | 2020-10-16 | 2022-04-21 | Merck Patent Gmbh | Compounds comprising heteroatoms for organic electroluminescent devices |
| WO2022101171A1 (en) | 2020-11-10 | 2022-05-19 | Merck Patent Gmbh | Sulfurous compounds for organic electroluminescent devices |
| WO2022117473A1 (en) | 2020-12-02 | 2022-06-09 | Merck Patent Gmbh | Heterocyclic compounds for organic electroluminescent devices |
| WO2022122607A1 (en) | 2020-12-08 | 2022-06-16 | Merck Patent Gmbh | An ink system and a method for inkjet printing |
| WO2022122682A2 (en) | 2020-12-10 | 2022-06-16 | Merck Patent Gmbh | Materials for organic electroluminescent devices |
| WO2022129114A1 (en) | 2020-12-18 | 2022-06-23 | Merck Patent Gmbh | Nitrogenous compounds for organic electroluminescent devices |
| WO2022129116A1 (en) | 2020-12-18 | 2022-06-23 | Merck Patent Gmbh | Indolo[3.2.1-jk]carbazole-6-carbonitrile derivatives as blue fluorescent emitters for use in oleds |
| WO2022129113A1 (en) | 2020-12-18 | 2022-06-23 | Merck Patent Gmbh | Nitrogenous heteroaromatic compounds for organic electroluminescent devices |
| WO2022148717A1 (en) | 2021-01-05 | 2022-07-14 | Merck Patent Gmbh | Materials for organic electroluminescent devices |
| WO2022157343A1 (en) | 2021-01-25 | 2022-07-28 | Merck Patent Gmbh | Nitrogenous compounds for organic electroluminescent devices |
| WO2022184601A1 (en) | 2021-03-02 | 2022-09-09 | Merck Patent Gmbh | Compounds for organic electroluminescent devices |
| WO2022194799A1 (en) | 2021-03-18 | 2022-09-22 | Merck Patent Gmbh | Heteroaromatic compounds for organic electroluminescent devices |
| EP4079742A1 (en) | 2021-04-14 | 2022-10-26 | Merck Patent GmbH | Metal complexes |
| WO2022223675A1 (en) | 2021-04-23 | 2022-10-27 | Merck Patent Gmbh | Formulation of an organic functional material |
| WO2022229298A1 (en) | 2021-04-29 | 2022-11-03 | Merck Patent Gmbh | Materials for organic electroluminescent devices |
| WO2022229126A1 (en) | 2021-04-29 | 2022-11-03 | Merck Patent Gmbh | Materials for organic electroluminescent devices |
| WO2022229234A1 (en) | 2021-04-30 | 2022-11-03 | Merck Patent Gmbh | Nitrogenous heterocyclic compounds for organic electroluminescent devices |
| WO2022243403A1 (en) | 2021-05-21 | 2022-11-24 | Merck Patent Gmbh | Method for the continuous purification of at least one functional material and device for the continuous purification of at least one functional material |
| WO2022200638A1 (en) | 2021-07-06 | 2022-09-29 | Merck Patent Gmbh | Materials for organic electroluminescent devices |
| WO2023012084A1 (en) | 2021-08-02 | 2023-02-09 | Merck Patent Gmbh | A printing method by combining inks |
| CN113683555B (en)* | 2021-08-06 | 2024-01-23 | 常州大学 | D based on biphenyl derivative receptor unit 2 A-type purple light organic luminescent material and application thereof |
| CN113683555A (en)* | 2021-08-06 | 2021-11-23 | 常州大学 | A class of D2A-type violet organic light-emitting materials based on biphenyl derivative acceptor units and their applications |
| KR20230039445A (en)* | 2021-09-14 | 2023-03-21 | 엘티소재주식회사 | Heterocyclic compound, organic light emitting device comprising the same and composition for organic layer of organic light emitting device |
| WO2023041454A1 (en) | 2021-09-14 | 2023-03-23 | Merck Patent Gmbh | Boronic heterocyclic compounds for organic electroluminescent devices |
| KR102810821B1 (en)* | 2021-09-14 | 2025-05-22 | 엘티소재주식회사 | Heterocyclic compound, organic light emitting device comprising the same and composition for organic layer of organic light emitting device |
| WO2023052314A1 (en) | 2021-09-28 | 2023-04-06 | Merck Patent Gmbh | Materials for electronic devices |
| WO2023052275A1 (en) | 2021-09-28 | 2023-04-06 | Merck Patent Gmbh | Materials for electronic devices |
| WO2023052272A1 (en) | 2021-09-28 | 2023-04-06 | Merck Patent Gmbh | Materials for electronic devices |
| WO2023052313A1 (en) | 2021-09-28 | 2023-04-06 | Merck Patent Gmbh | Materials for electronic devices |
| WO2023057327A1 (en) | 2021-10-05 | 2023-04-13 | Merck Patent Gmbh | Method for forming an organic element of an electronic device |
| WO2023072799A1 (en) | 2021-10-27 | 2023-05-04 | Merck Patent Gmbh | Boronic and nitrogenous heterocyclic compounds for organic electroluminescent devices |
| WO2023094412A1 (en) | 2021-11-25 | 2023-06-01 | Merck Patent Gmbh | Materials for electronic devices |
| WO2023099543A1 (en) | 2021-11-30 | 2023-06-08 | Merck Patent Gmbh | Compounds having fluorene structures |
| WO2023110742A1 (en) | 2021-12-13 | 2023-06-22 | Merck Patent Gmbh | Materials for organic electroluminescent devices |
| WO2023117837A1 (en) | 2021-12-21 | 2023-06-29 | Merck Patent Gmbh | Process for preparing deuterated organic compounds |
| WO2023117836A1 (en) | 2021-12-21 | 2023-06-29 | Merck Patent Gmbh | Electronic devices |
| WO2023117835A1 (en) | 2021-12-21 | 2023-06-29 | Merck Patent Gmbh | Electronic devices |
| WO2023152063A1 (en) | 2022-02-09 | 2023-08-17 | Merck Patent Gmbh | Materials for organic electroluminescent devices |
| WO2023152346A1 (en) | 2022-02-14 | 2023-08-17 | Merck Patent Gmbh | Materials for electronic devices |
| WO2023161167A1 (en) | 2022-02-23 | 2023-08-31 | Merck Patent Gmbh | Nitrogenous heterocycles for organic electroluminescent devices |
| WO2023161168A1 (en) | 2022-02-23 | 2023-08-31 | Merck Patent Gmbh | Aromatic hetreocycles for organic electroluminescent devices |
| WO2023213837A1 (en) | 2022-05-06 | 2023-11-09 | Merck Patent Gmbh | Cyclic compounds for organic electroluminescent devices |
| WO2023222559A1 (en) | 2022-05-18 | 2023-11-23 | Merck Patent Gmbh | Process for preparing deuterated organic compounds |
| WO2023237458A1 (en) | 2022-06-07 | 2023-12-14 | Merck Patent Gmbh | Method of printing a functional layer of an electronic device by combining inks |
| WO2023247338A1 (en) | 2022-06-20 | 2023-12-28 | Merck Patent Gmbh | Organic heterocycles for photoelectric devices |
| WO2023247345A1 (en) | 2022-06-20 | 2023-12-28 | Merck Patent Gmbh | Heterocycles for photoelectric devices |
| WO2024013004A1 (en) | 2022-07-11 | 2024-01-18 | Merck Patent Gmbh | Materials for electronic devices |
| EP4311849A1 (en) | 2022-07-27 | 2024-01-31 | UDC Ireland Limited | Metal complexes |
| WO2024061942A1 (en) | 2022-09-22 | 2024-03-28 | Merck Patent Gmbh | Nitrogen-containing compounds for organic electroluminescent devices |
| WO2024061948A1 (en) | 2022-09-22 | 2024-03-28 | Merck Patent Gmbh | Nitrogen-containing hetreocycles for organic electroluminescent devices |
| WO2024094592A2 (en) | 2022-11-01 | 2024-05-10 | Merck Patent Gmbh | Nitrogenous heterocycles for organic electroluminescent devices |
| WO2024105066A1 (en) | 2022-11-17 | 2024-05-23 | Merck Patent Gmbh | Materials for organic electroluminescent devices |
| WO2024126635A1 (en) | 2022-12-16 | 2024-06-20 | Merck Patent Gmbh | Formulation of an organic functional material |
| WO2024132993A1 (en) | 2022-12-19 | 2024-06-27 | Merck Patent Gmbh | Materials for electronic devices |
| WO2024133048A1 (en) | 2022-12-20 | 2024-06-27 | Merck Patent Gmbh | Method for preparing deuterated aromatic compounds |
| WO2024149694A1 (en) | 2023-01-10 | 2024-07-18 | Merck Patent Gmbh | Nitrogenous heterocycles for organic electroluminescent devices |
| WO2024153568A1 (en) | 2023-01-17 | 2024-07-25 | Merck Patent Gmbh | Heterocycles for organic electroluminescent devices |
| WO2024170605A1 (en) | 2023-02-17 | 2024-08-22 | Merck Patent Gmbh | Materials for organic electroluminescent devices |
| WO2024184050A1 (en) | 2023-03-07 | 2024-09-12 | Merck Patent Gmbh | Cyclic nitrogen compounds for organic electroluminescent devices |
| WO2024194264A1 (en) | 2023-03-20 | 2024-09-26 | Merck Patent Gmbh | Materials for organic electroluminescent devices |
| WO2024218109A1 (en) | 2023-04-20 | 2024-10-24 | Merck Patent Gmbh | Materials for electronic devices |
| WO2024240725A1 (en) | 2023-05-25 | 2024-11-28 | Merck Patent Gmbh | Tris[1,2,4]triazolo[1,5-a:1',5'-c:1'',5''-e][1,3,5]triazine derivatives for use in organic electroluminescent devices |
| WO2024256357A1 (en) | 2023-06-12 | 2024-12-19 | Merck Patent Gmbh | Organic heterocycles for photoelectric devices |
| WO2025003084A1 (en) | 2023-06-28 | 2025-01-02 | Merck Patent Gmbh | Dicyanoaryl compounds for organic electroluminescent devices |
| EP4486099A1 (en) | 2023-06-30 | 2025-01-01 | Merck Patent GmbH | Compounds for organic electroluminescent devices |
| WO2025012253A1 (en) | 2023-07-12 | 2025-01-16 | Merck Patent Gmbh | Materials for electronic devices |
| WO2025021855A1 (en) | 2023-07-27 | 2025-01-30 | Merck Patent Gmbh | Materials for organic light-emitting devices and organic sensors |
| WO2025032039A1 (en) | 2023-08-07 | 2025-02-13 | Merck Patent Gmbh | Process for the preparation of an electronic device |
| WO2025045843A1 (en) | 2023-08-30 | 2025-03-06 | Merck Patent Gmbh | Materials for organic light-emitting devices |
| WO2025045851A1 (en) | 2023-08-30 | 2025-03-06 | Merck Patent Gmbh | Materials for organic light-emitting devices |
| WO2025045842A1 (en) | 2023-08-30 | 2025-03-06 | Merck Patent Gmbh | Materials for organic light-emitting devices |
| WO2025045935A1 (en) | 2023-08-31 | 2025-03-06 | Merck Patent Gmbh | Cyano group-containing aromatic compounds for organic electroluminescent devices |
| WO2025109056A1 (en) | 2023-11-24 | 2025-05-30 | Merck Patent Gmbh | Oxygen-containing heterocycles for organic electroluminescent devices |
| WO2025132547A1 (en) | 2023-12-21 | 2025-06-26 | Merck Patent Gmbh | Mechanochemical method for deuterating organic compounds |
| WO2025132551A1 (en) | 2023-12-22 | 2025-06-26 | Merck Patent Gmbh | Materials for electronic devices |
| WO2025181044A1 (en) | 2024-02-29 | 2025-09-04 | Merck Patent Gmbh | Nitrogen-containing compounds for organic electroluminescent devices |
| WO2025181097A1 (en) | 2024-02-29 | 2025-09-04 | Merck Patent Gmbh | Nitrogen-containing hetreocycles for organic electroluminescent devices |
| WO2025181124A1 (en) | 2024-03-01 | 2025-09-04 | Merck Patent Gmbh | Materials for organic electroluminescent devices |
| WO2025196145A1 (en) | 2024-03-22 | 2025-09-25 | Merck Patent Gmbh | Materials for organic light emitting devices |
| Publication number | Publication date |
|---|---|
| JP4411851B2 (en) | 2010-02-10 |
| Publication | Publication Date | Title |
|---|---|---|
| JP4411851B2 (en) | Organic electroluminescence device | |
| JP4843897B2 (en) | Organic electroluminescence element, display device and lighting device | |
| JP4962613B2 (en) | Organic electroluminescence element, display device and lighting device | |
| JP4858169B2 (en) | Organic electroluminescence device | |
| JP4103493B2 (en) | Organic electroluminescence element and display device | |
| JP4103491B2 (en) | Organic electroluminescence element and display device | |
| JP4552382B2 (en) | ORGANIC ELECTROLUMINESCENT ELEMENT, ORGANIC ELECTROLUMINESCENT ELEMENT MATERIAL, DISPLAY DEVICE AND LIGHTING DEVICE | |
| JP5403105B2 (en) | Organic electroluminescence element material and organic electroluminescence element | |
| JP5454610B2 (en) | White organic electroluminescence element, image display element, and illumination device | |
| JP4952247B2 (en) | ORGANIC ELECTROLUMINESCENT ELEMENT MATERIAL, ORGANIC ELECTROLUMINESCENT ELEMENT, DISPLAY DEVICE AND LIGHTING DEVICE | |
| JP5076888B2 (en) | ORGANIC ELECTROLUMINESCENT ELEMENT MATERIAL, ORGANIC ELECTROLUMINESCENT ELEMENT, DISPLAY DEVICE AND LIGHTING DEVICE | |
| JP3969132B2 (en) | Organic electroluminescence element and display device using the same | |
| JP4506086B2 (en) | Organic electroluminescence device | |
| JP4899284B2 (en) | Organic electroluminescence element, lighting device and display device | |
| JPWO2005097940A1 (en) | ORGANIC ELECTROLUMINESCENT ELEMENT MATERIAL, ORGANIC ELECTROLUMINESCENT ELEMENT, DISPLAY DEVICE AND LIGHTING DEVICE | |
| JPWO2007029466A1 (en) | Organic electroluminescence element, display device and lighting device | |
| JP2004031004A (en) | Organic electroluminescent element and display device | |
| JP4254211B2 (en) | Organic electroluminescence element and display device | |
| JP2005314663A (en) | Organic electroluminescent element material, organic electroluminescent element, display device and illuminating apparatus | |
| JP4935001B2 (en) | Organic electroluminescence element material | |
| JP4265216B2 (en) | Organic electroluminescence element and display device | |
| JP4904727B2 (en) | ORGANIC ELECTROLUMINESCENT ELEMENT MATERIAL, ORGANIC ELECTROLUMINESCENT ELEMENT, DISPLAY DEVICE AND LIGHTING DEVICE | |
| JP4045932B2 (en) | Organic electroluminescence element and display device | |
| JP2004152527A (en) | Organic electroluminescent element and display device | |
| JPWO2005097941A1 (en) | ORGANIC ELECTROLUMINESCENT ELEMENT MATERIAL, ORGANIC ELECTROLUMINESCENT ELEMENT, DISPLAY DEVICE AND LIGHTING DEVICE |
| Date | Code | Title | Description |
|---|---|---|---|
| A621 | Written request for application examination | Free format text:JAPANESE INTERMEDIATE CODE: A621 Effective date:20060309 | |
| A131 | Notification of reasons for refusal | Free format text:JAPANESE INTERMEDIATE CODE: A131 Effective date:20081209 | |
| A521 | Request for written amendment filed | Free format text:JAPANESE INTERMEDIATE CODE: A523 Effective date:20090130 | |
| A131 | Notification of reasons for refusal | Free format text:JAPANESE INTERMEDIATE CODE: A131 Effective date:20090818 | |
| A521 | Request for written amendment filed | Free format text:JAPANESE INTERMEDIATE CODE: A523 Effective date:20090925 | |
| TRDD | Decision of grant or rejection written | ||
| A01 | Written decision to grant a patent or to grant a registration (utility model) | Free format text:JAPANESE INTERMEDIATE CODE: A01 Effective date:20091027 | |
| A01 | Written decision to grant a patent or to grant a registration (utility model) | Free format text:JAPANESE INTERMEDIATE CODE: A01 | |
| A61 | First payment of annual fees (during grant procedure) | Free format text:JAPANESE INTERMEDIATE CODE: A61 Effective date:20091109 | |
| FPAY | Renewal fee payment (event date is renewal date of database) | Free format text:PAYMENT UNTIL: 20121127 Year of fee payment:3 | |
| R150 | Certificate of patent or registration of utility model | Ref document number:4411851 Country of ref document:JP Free format text:JAPANESE INTERMEDIATE CODE: R150 Free format text:JAPANESE INTERMEDIATE CODE: R150 | |
| FPAY | Renewal fee payment (event date is renewal date of database) | Free format text:PAYMENT UNTIL: 20121127 Year of fee payment:3 | |
| FPAY | Renewal fee payment (event date is renewal date of database) | Free format text:PAYMENT UNTIL: 20131127 Year of fee payment:4 | |
| S531 | Written request for registration of change of domicile | Free format text:JAPANESE INTERMEDIATE CODE: R313531 | |
| S533 | Written request for registration of change of name | Free format text:JAPANESE INTERMEDIATE CODE: R313533 | |
| R350 | Written notification of registration of transfer | Free format text:JAPANESE INTERMEDIATE CODE: R350 | |
| R250 | Receipt of annual fees | Free format text:JAPANESE INTERMEDIATE CODE: R250 | |
| S111 | Request for change of ownership or part of ownership | Free format text:JAPANESE INTERMEDIATE CODE: R313113 | |
| R350 | Written notification of registration of transfer | Free format text:JAPANESE INTERMEDIATE CODE: R350 | |
| R250 | Receipt of annual fees | Free format text:JAPANESE INTERMEDIATE CODE: R250 | |
| LAPS | Cancellation because of no payment of annual fees |