



【0001】
【発明の属する技術分野】
本発明は、回転機械の運転制御装置に係り、特に、それぞれ可変速電動機を備える複数の回転機械からなるシステムの運転制御を、1台の回転機械の制御装置で全体を運転制御することができる回転機械の運転制御装置に関する。
【0002】
【従来の技術】
従来より、ポンプやファン等の回転機械を備える装置においては、電動機による可変速運転を制御するために、商用交流電源を任意の周波数および電圧に変換するインバータ装置を設けたものが普及している。そして、その回転機械が最適な運転状態になるように、そのインバータ装置を制御する運転制御装置を設けることが行われている。例えば、給水装置のポンプでは、一定の水圧で水を送り出すことができるように、インバータ装置を用いて電動機を可変速運転制御することが行われている。また、空調設備では、対象エリアが一定温度になるように、ファンをインバータ装置により可変速運転制御することが行われている(例えば、特許文献1参照)。
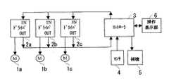
【0003】
このような回転機械を備える装置においては、図4に示すように、インバータ装置による可変速運転が可能な電動機Mを備える回転機械1a〜1cが複数台設置されてシステム化されている場合がある。例えば、給水装置では、複数の可変速ポンプを備え、給水水圧を一定に保ちつつ、需要水量に対応して可変速ポンプの台数制御運転を行う場合がある。同様に空調装置では、対象の室内を所要温度に保ちつつ、複数の可変速ファンまたは冷凍機を可変速運転する場合がある。
【0004】
このような場合には、回転機械1a〜1c毎に電動機を駆動するインバータ装置と、このインバータ装置に所要のパルス幅変調制御信号を供給して所要の回転速度となるようにこの運転制御を行うドライバ2a〜2cをそれぞれ設置する。そして、各回転機械の発停や各回転機械の運転速度等のシステム全体を統括制御するコントローラ(制御盤)3を設置する。このコントローラ3がドライバ2a〜2cによる運転状況やセンサ4による検出情報に基づいて、各ドライバ2a〜2cの可変速運転や台数制御運転を行うことにより、システム全体の最適状態や省エネルギ運転を実現している。
【0005】
例えば、集合住宅等に給水する給水装置では、使用する水量の多少に拘わらずに配管から一定の水圧で水を送り出すことができるように、複数の可変速ポンプを運転制御する(例えば、特許文献2参照)。なお、図4において、5はシステム内に付帯・設置されてコントローラ3により駆動制御される例えば電磁弁等の補機類であり、6はシステムの監視情報を表示すると共に指示命令の入力操作を行うリモートコントローラ(リモコン)等の操作表示部である。
【0006】
【特許文献1】
特開平11−235051号公報
【特許文献2】
特開平9−126144号公報
【0007】
【発明が解決しようとする課題】
このように、従来技術にあっては、複数の回転機械の可変速運転をシステムとして制御可能に構成する場合には、各回転機械のインバータ装置に対応したCPUおよびメモリを備えるドライバと、各回転機械を運転制御するCPUおよびメモリを同様に備えるコントローラを配設する必要がある。そして、ドライバには回転機械のインバータ装置を駆動させるソフトウェアを組み込む一方、コントローラには装置全体を統括制御するためのソフトウェアを組み込む必要がある。
【0008】
このことから、システム全体としては、各回転機械を運転制御するコントローラ(制御盤)が不可欠となり、コスト高になると共に、小型化・軽量化の妨げになり、また、各回転機械のドライバに応じた設計をしなければならず、標準化の妨げになる、という課題があった。
【0009】
本発明は、上述した事情に鑑みて為されたもので、複数の可変速回転機械を備えたシステムを、標準化して、低コストかつ小型・軽量化することができるようにした回転機械の運転制御装置を提供することを目的とする。
【0010】
【課題を解決するための手段】
上記課題を解決するため、本発明の回転機械の運転制御装置は、可変速電動機を備えた回転機械の運転制御装置であって、前記可変速電動機を可変速駆動するインバータ装置の駆動信号を運転制御信号に基づいて生成するドライバ部と、システムを構成する各回転機械の運転を制御する前記運転制御信号を生成するコントローラ部と、他の回転機械との間で前記運転制御信号をやり取りする送受信部と、を備えたことを特徴とするものである。
【0011】
この発明によれば、システムを構成する各回転機械の運転を制御する運転制御信号を生成するコントローラ部を1つの回転機械の運転制御装置に備えるので、その1つの回転機械を運転制御するのと同時に、他の回転機械を運転する運転制御信号をそのドライバ部に向けて送ることができる。これにより、複数の標準化した回転機械を備えるシステム全体の運転を、1つの回転機械をマスターとして機能させ、他の回転機械をスレーブとして機能させることができる。
【0012】
すなわち、本発明は、例えば、回転機械毎の運転制御装置内に内蔵されているCPUにシステム全体を統括制御する制御システムソフトウェアを組み込むことにより、1つの回転機械の運転制御装置として機能するのと同時にその回転機械以外の各回転機械を含めたシステム全体を制御するコントローラとして機能させることができる。
【0013】
したがって、マスターまたはスレーブとして運転可能に標準化することができ、従来には必ず必要とされていたコントローラ(制御盤)を省略することができる。この結果、システム全体の低コスト化・小型化・軽量化を促進することができる。
【0014】
ここで、本発明の回転機械の運転制御装置は、前記ドライバ部とコントローラ部を1個または2個のCPUチップに収容することが好ましい。これにより、殆ど回転機械の寸法を大型化することなく、上記システムを構成する各回転機械の運転を制御するコントローラ部を備えた回転機械に標準化することができる。
【0015】
【発明の実施の形態】
以下、本発明の実施形態について添付図面を参照して説明する。図1は本発明に係る回転機械の運転制御装置の一実施形態を示す図であり、その運転制御装置を搭載する回転機械システムを示すブロック図である。また、図2はその運転制御装置の信号のやり取りを示すブロック図である。
【0016】
図1において、回転機械システム10は、複数の回転機械11〜13の可変速駆動をそれぞれ制御するインバータ装置14〜16と、このインバータ装置14〜16の駆動をそれぞれ制御して回転機械11〜13等の運転を調整(制御)するコントローラ兼ドライバ(運転制御装置)17〜19と、その回転機械11〜13による水等の吐出圧力や装置温度などの運転状況を監視(検出)するセンサ群21と、給水システムなどとして機能するために付帯・設置されてコントローラ兼ドライバ17〜19からの制御信号Pに従って動作する補機類22と、システム10の運転状況などを表示すると共に運転・停止などの指示命令の入力操作を行うリモートコントローラ(リモコン)23とにより構成されている。
【0017】
この回転機械システム10は、コントローラ兼ドライバ17〜19と、センサ群21と、補機類22と、リモートコントローラ23との間で各種信号Pを送受(通信)可能に有線または無線により接続する送受信部を備えている。また、コントローラ兼ドライバ17〜19間においても各種信号Pを送受可能に有線または無線により接続されており、コントローラ兼ドライバ17〜19の1台が自身および他の回転機械11〜13や補機類22の運転を制御することにより回転機械システム10を給水システムや空調システムなどとして機能させる。
【0018】
インバータ装置14〜16およびコントローラ兼ドライバ17〜19は、図2に示すように、対応する一組毎に(図2にはインバータ装置14およびコントローラ兼ドライバ17の組を図示している)1枚又は2枚程度の基板100上に構成されて、回転機械11〜13のそれぞれに接続されている。
【0019】
インバータ装置14〜16は、回転機械11〜13の電動機M毎にそれぞれ対応して設置される一般的なインバータ装置であり、商用電源から供給される交流電力を直流に変換するコンバータ部31と、このコンバータ部31により変換された直流電力をコントローラ兼ドライバ17〜19のドライブ部からの駆動信号に応じて任意の周波数の交流に変換するインバータ部32とにより構成されている。
【0020】
コントローラ兼ドライバ17〜19のドライバは、インバータ装置14〜16の電力スイッチング素子を制御して、そのインバータ装置14〜16が商用電源から回転機械11〜13の可変速電動機Mに供給する所要周波数および電圧の交流電力を調整する。ここで、本実施形態のコントローラ兼ドライバ17〜19は、回転機械11〜13の可変速電動機Mとして同一方式の誘導電動機用のインバータ装置14〜16を備える場合を一例として説明するが、可変速電動機Mのいずれかが例えば、DCブラシレスモータなど他の方式で駆動する可変速電動機を採用する場合には、その方式に応じた専用駆動ドライバとすればよい。
【0021】
このコントローラ兼ドライバ17〜19は、CPUをメモリなどと共に1〜2個のCPUチップにより構成されており、従来技術と同様にドライバ部41として機能するのに加えてコントローラ部42としても機能し得るようになっており、外部I/F部(送受信部)43を介して各種信号Pを入出力する。即ち、前記ドライバ部およびコントローラ部が1個または2個のCPUチップに収容され、インバータ装置14〜16とともに基板100に搭載されている。このコントローラ兼ドライバ17〜19を構成するCPUチップは、メモリ内に格納された制御システムソフトウェアに従って各種信号処理を行って必要な制御動作を行う。このCPUチップ内に格納するソフトウェアは、アッセンブラ等の機械言語、C言語等の高級言語、あるいは、プログラマブル・ロジック・コントローラ(PLC)用言語のいずれで作成して組み込んでもよい。ここで、コントローラ兼ドライバ17〜19は、1〜2個のチップに限らず、設計上の理由などの事情に応じて、ドライバ部41およびコントローラ部42を3個以上のCPUチップにより構成しても良い。
【0022】
ドライバ部41は、対応するインバータ装置のインバータ部32に出力する交流周波数の演算をコントローラ部42からの運転制御信号Pに基づいて行うことにより、可変速電動機Mの可変速駆動を制御するパルス幅変調制御信号Tを生成して、自身の担当する回転機械の可変速電動機Mを任意の周波数で駆動させる。また、このドライバ部41は、可変速電動機Mの駆動を制御する一般的なドライバとして機能するように構成されており、可変速電動機Mの駆動を制御するパワー制御機能と共に、その可変速電動機Mの過負荷運転を回避する保護機能など回転機械のドライバとして必要な基本機能を実行する。
【0023】
コントローラ部42は、リモートコントローラ23からの指示命令信号Pに従って、コントローラ兼ドライバ17〜19のうちのいずれかが回転機械システム10におけるマスター(親機)として機能し、そのコントローラ兼ドライバの担当する回転機械を親機として運転させるとともに、他のコントローラ兼ドライバを回転機械システム10におけるスレーブ(子機)として機能させてそのコントローラ兼ドライバの担当する回転機械を子機として運転させる。
【0024】
ここで、以下には、説明の都合上、図2に示すコントローラ兼ドライバ17がマスターとして機能して回転機械11の可変速電動機Mの運転を制御するとともに、そのコントローラ兼ドライバ17が他のコントローラ兼ドライバ18、19をスレーブとして機能させるように統括制御する場合を説明する。なお、本実施形態においては、インバータ装置14〜16およびコントローラ兼ドライバ17〜19は同様な構成に設計されることにより標準化されており、リモートコントローラ23からの指示命令信号Pに従って、コントローラ兼ドライバ17に代わってコントローラ兼ドライバ18、19のいずれか一方をマスターとして機能させることもできる。
【0025】
具体的には、コントローラ兼ドライバ17のコントローラ部42は、リモートコントローラ23からの指示命令に従ってマスターとして機能するために、センサ群21からの検出情報信号Pや他のコントローラ兼ドライバ18、19から送られてくる運転状況信号Pを外部I/F部43を介して集中して取得する。そして、このコントローラ部42は、これら各種信号Pに基づいて自身の担当する回転機械11の運転(回転数など)を指示制御する運転制御信号Pを生成してドライバ部41に直接送出することにより、その回転機械11の可変速電動機Mの駆動を制御するパルス幅変調制御信号Tをその運転制御信号Pに基づいて生成させてインバータ装置14に送らせる。これにより、その回転機械11の可変速電動機Mを任意の周波数で駆動させることができる。同時に、このコントローラ部42は、同様に各種運転制御信号に基づいて他の回転機械12、13用の運転制御信号Pを他のコントローラ兼ドライバ18、19毎に生成して外部I/F部43を介して送出することにより、その他の回転機械12、13の可変速電動機Mを任意の周波数で駆動および発停制御させる。これによって、コントローラ兼ドライバ17のコントローラ部42は、回転機械システム10の最適運転を実現する。
【0026】
さらに、マスターとして機能するコントローラ兼ドライバ17のコントローラ部42は、自身の担当する回転機械11が何らかの原因で動作不能になった場合には、その可変速電動機Mを停止させる信号Tをドライバ部41に送出する。同時に、このコントローラ部42は、他のコントローラ兼ドライバ18、19にはその回転機械11による運転を補充させる運転制御信号Pを他の回転機械12、13毎に生成して送出する。
【0027】
一方、コントローラ兼ドライバ18、19のコントローラ部42は、リモートコントローラ23からの指示命令に従ってスレーブとして機能するために、マスターのコントローラ兼ドライバ17から自身の担当する回転機械12、13の運転制御信号Pを外部I/F部43を介して受け取ってドライバ部41にそのまま受け渡し、その運転制御信号Pに基づいて可変速電動機Mの駆動を制御するパルス幅変調制御信号Tを生成させて対応するインバータ装置15、16に送出させることにより、その回転機械12、13の可変速電動機Mを任意の周波数で駆動させて回転機械システム10の最適運転を実現する。
【0028】
さらに、スレーブとして機能するコントローラ兼ドライバ18、19のコントローラ部42は、マスターのコントローラ兼ドライバ17が故障などして機能することができない場合には、コントローラ兼ドライバ18、19のいずれかをマスターとして機能するように自動的に(手動でもよい)切り換えることにより、回転機械システム10が動作不能になってしまうことを回避することができる。
【0029】
すなわち、リモートコントローラ23またはコントローラ部42が切換手段を具備しており、コントローラ兼ドライバ17〜19のいずれもマスターとして機能することができ、また、スレーブとして機能することができる。なお、本実施形態では、リモートコントローラ23からマスターまたはスレーブの切換を指示命令する場合を説明するが、ディップスイッチなどのハードスイッチにより切り換えるようにしても良いことはいうまでもない。
【0030】
また、コントローラ兼ドライバ17〜19のCPUチップは、回転機械11〜13が同様な動作を行う場合には、マスターまたはスレーブのいずれでも機能可能に同一ソフトウェアを格納して、リモートコントローラ23からの指示命令に従ってマスターまたはスレーブに切り換わって機能する。回転機械11〜13が異なる機能を有する機械装置などの場合には、その機械装置用の異種ソフトウェアをそのCPUチップ内に格納することになるが、コントローラ兼ドライバ17〜19間でやり取りする信号Pを互いに判別可能に(コンパチビリティを持たせるように)設計するとともにリモートコントローラ23からの指示命令に従ってマスターまたはスレーブに切り換わるように設計する。なお、回転機械11〜13のコントローラ兼ドライバ17〜19をマスターまたはスレーブのいずれかに固定する場合には、マスター専用またはスレーブ専用の同一種あるいは異種のソフトウェアをCPUチップ内に格納してもよいことはいうまでもないが、上述するようにマスターに不具合があったときにスレーブからマスターに切り換えることにより運転を復旧・継続する機能が得られなくなるので、本実施形態のように各回転機械について標準化した設計にするのが好ましい。
【0031】
このように本実施形態においては、リモートコントローラ23からの切換操作に従って、回転機械11〜13毎のコントローラ兼ドライバ17〜19をマスターまたはスレーブとして機能させることができ、マスターとして機能させるコントローラ兼ドライバ17〜19の1つに回転機械11〜13の台数運転制御などを実行させて回転機械システム10全体の運転制御を行わせることができる。このことから、コントローラ兼ドライバ17〜19をマスターまたはスレーブとして機能可能に標準化することができ、ドライバおよびコントローラを別個に設ける必要をなくして、従来技術では必ず配設されていたCPUやメモリなどからなるコントローラ(制御盤)を省略することができる。したがって、回転機械システム10全体の低コスト化・小型化・軽量化を図ることができる。
【0032】
次に、図3は本発明のコントローラ兼ドライバの実施例を示す図である。なお、図3には、回転機械11〜13の可変速電動機MとしてDCブラシレスモータ(DCBL)を備えている場合を図示している。
【0033】
この回転機械システム10は、リモートコントローラ23からの指示命令に従ってコントローラ兼ドライバ17がマスターとして機能するとともにコントローラ兼ドライバ18、19がスレーブとして機能して、センサ類21からの温度や圧力や流量などの検出情報やコントローラ兼ドライバとしての運転状況情報に基づいて、商用電源(AC200V−50Hz)の周波数を0〜50Hzの範囲で調整して可変速電動機Mに供給することにより、回転機械11〜13の運転を制御するのと共に、補機類22の運転も制御して、回転機械システム10を給水システムや空調システムなどとして機能させる。
【0034】
このとき、インバータ装置14〜16のコンバータ部31は商用電源からの交流電力(AC200V−50Hz)のAC/DC変換を行い、インバータ部32はコンバータ部31により変換された直流電力をコントローラ兼ドライバ17からのパルス幅変調制御信号Tに応じて周波数0〜50Hzの交流電力にするDC/AC変換を行って可変速電動機Mに供給する。
【0035】
そして、マスターのコントローラ兼ドライバ17は、ドライバ部41およびコントローラ部42がCPUチップ57に収容されており、このCPUチップ57のメモリ内には、可変速電動機Mに供給する交流電力の周波数を調整するパルス幅変調制御信号の出力波形制御も含まれている。また、可変速電動機Mの駆動を制御するとともに過負荷運転を回避して、回転機械システム10の機能を保護する機能などを実行する。
【0036】
すなわち、CPUチップ57は、リモートコントローラ23からの指示命令に従ってマスターとして機能して、外部I/F43を介して取得したセンサ類21からの検出情報と、コントローラ兼ドライバ17〜19からの運転状況情報とに基づいて、そのドライバ部でパルス幅変調制御信号Tなどを生成する。そして、コンバータ部31からインバータ部32に受け渡す直流電源(DCソースサプライ)の電力制御(パワー&制御)を行うとともに、インバータ装置14〜16のコンバータ部31からインバータ部32を介して可変速電動機Mに供給する交流電力周波数を調整する出力波形制御を行って、可変速電動機Mの駆動を制御することにより、回転機械11を親機として運転する。
【0037】
さらに、このCPUチップ57は、センサ類21からの検出情報やコントローラ兼ドライバ17〜19からの運転状況情報に基づいて、バルブやファンやヒータなどの補機類22の運転を制御して回転機械システム10による最適運転を実現する。
【0038】
一方、スレーブのコントローラ兼ドライバ18、19は、マスターのコントローラ兼ドライバ17のCPUチップ57と同様に設計されたCPUチップ58、59によりドライバ部41およびコントローラ部42が構成されている。即ち、このCPUチップ58、59のメモリ内にも、可変速電動機Mへの交流電力の出力波形制御、回転機械システムの保護制御を実行するドライバと、回転機械システム10全体の運転制御を行うコントローラの制御システムソフトウェアが書換可能に格納されている。
【0039】
これにより、CPUチップ58、59は、リモートコントローラ23からの指示命令に従ってスレーブとして機能して、コントローラとしての機能を生かさずに、主としてドライバとして動作する。即ち、外部I/F43を介してCPUチップ57からのスレーブとしての運転制御信号Pに基づいて、パルス幅変調制御信号Tなどの波形制御信号を生成し、コンバータ部31およびインバータ部32による電力制御(パワー&制御)を行って、可変速電動機Mの駆動を制御することにより、回転機械12、13を子機として運転する。
【0040】
なお、CPUチップ58、59は、CPUチップ57と同様に、可変速電動機Mの駆動を制御するドライバとして、その可変速電動機Mのパワー制御を行うのと同時に過負荷運転を回避して回転機械システム10を保護する。
【0041】
ここで、CPUチップ57〜59は、同様に設計されて標準化されているので、リモートコントローラ23から指示命令することにより、いずれかをマスターとして機能させることができ、また、他をスレーブとして機能させることができる。
【0042】
これまで本発明の一実施形態について説明したが、本発明は上述の実施形態に限定されず、その技術的思想の範囲内において種々異なる形態にて実施されてよいことは言うまでもない。
【0043】
【発明の効果】
本発明の運転制御装置によれば、1つの回転機械の運転を制御するのと同時に、他の回転機械用の運転制御信号を生成して送ることができ、複数の回転機械を備えるシステムでは、全体の回転機械を制御するマスターまたは1つの回転機械の運転を制御するスレーブとして機能させることができるので、システム全体のコントローラ(制御盤)を別個に設ける必要がない。したがって、システムにおける回転機械の運転制御装置の構成を標準化することができるとともに、システム全体を低コストかつ小型・軽量に構成することができる。
【図面の簡単な説明】
【図1】本発明に係る回転機械の運転制御装置の一実施形態を示す図であり、その運転制御装置を搭載する回転機械システムを示すブロック図である。
【図2】上記運転制御装置の信号のやり取りを示すブロック図である。
【図3】上記運転制御装置の一実施例を示す説明図である。
【図4】従来の回転機械システムを示すブロック図である。
【符号の説明】
10 回転機械システム
11〜13 回転機械
14〜16 インバータ装置
17〜19 コントローラ兼ドライバ
21 センサ群
22 補機類
23 リモートコントローラ
31 コンバータ部
32 インバータ部
41 ドライバ部
42 コントローラ部
43 外部I/F部
57〜59 CPUチップ
100 基板[0001]
TECHNICAL FIELD OF THE INVENTION
The present invention relates to an operation control device for a rotary machine, and in particular, can entirely control the operation of a system including a plurality of rotary machines each having a variable speed electric motor with a single rotary machine control device. The present invention relates to an operation control device for a rotating machine.
[0002]
[Prior art]
2. Description of the Related Art Conventionally, among devices including a rotating machine such as a pump and a fan, those provided with an inverter device for converting a commercial AC power supply to an arbitrary frequency and voltage in order to control a variable speed operation by an electric motor have been widely used. . Then, an operation control device for controlling the inverter device is provided so that the rotating machine is in an optimal operation state. For example, in a pump of a water supply device, variable speed operation control of an electric motor is performed using an inverter device so that water can be sent out at a constant water pressure. Further, in an air conditioner, variable speed operation control of a fan is performed by an inverter device so that a target area has a constant temperature (for example, see Patent Document 1).
[0003]
In an apparatus including such a rotating machine, as shown in FIG. 4, there is a case where a plurality of rotating machines 1a to 1c including an electric motor M capable of variable speed operation by an inverter device are installed and systemized. . For example, a water supply device may include a plurality of variable speed pumps and perform a control operation of the number of variable speed pumps corresponding to a demand water amount while maintaining a constant feed water pressure. Similarly, in an air conditioner, a plurality of variable speed fans or refrigerators may be operated at a variable speed while maintaining a target room at a required temperature.
[0004]
In such a case, an inverter device that drives an electric motor for each of the rotating machines 1a to 1c, and a required pulse width modulation control signal is supplied to the inverter device to perform this operation control so as to attain a required rotation speed. The
[0005]
For example, in a water supply device that supplies water to an apartment house or the like, the operation of a plurality of variable speed pumps is controlled so that water can be sent out from a pipe at a constant water pressure regardless of the amount of water used (for example, see Patent Document 1). 2). In FIG. 4,
[0006]
[Patent Document 1]
Japanese Patent Application Laid-Open No. H11-235051 [Patent Document 2]
JP-A-9-126144
[Problems to be solved by the invention]
As described above, in the related art, when the variable speed operation of a plurality of rotating machines is configured to be controllable as a system, a driver having a CPU and a memory corresponding to the inverter device of each rotating machine, It is necessary to provide a controller which similarly includes a CPU for controlling the operation of the machine and a memory. The driver must incorporate software for driving the inverter device of the rotary machine, while the controller must incorporate software for controlling the entire device.
[0008]
For this reason, a controller (control panel) that controls the operation of each rotating machine is indispensable for the entire system, which increases the cost, hinders miniaturization and weight reduction, and also depends on the driver of each rotating machine. There was a problem that the design had to be designed, which hindered standardization.
[0009]
SUMMARY OF THE INVENTION The present invention has been made in view of the above-described circumstances, and has been standardized to a system including a plurality of variable-speed rotating machines to operate a rotating machine capable of reducing cost, size, and weight. It is an object to provide a control device.
[0010]
[Means for Solving the Problems]
In order to solve the above-mentioned problem, an operation control device for a rotary machine according to the present invention is an operation control device for a rotary machine having a variable-speed electric motor, and operates a drive signal of an inverter device that drives the variable-speed electric motor at a variable speed. A driver unit that generates based on a control signal, a controller unit that generates the operation control signal that controls the operation of each rotating machine that configures the system, and transmission and reception that exchanges the operation control signal with another rotating machine And a unit.
[0011]
According to the present invention, since the controller for generating an operation control signal for controlling the operation of each rotary machine constituting the system is provided in the operation control device for one rotary machine, the operation of the one rotary machine is controlled. At the same time, an operation control signal for operating another rotating machine can be sent to the driver unit. Accordingly, the operation of the entire system including a plurality of standardized rotating machines can be performed such that one rotating machine functions as a master and the other rotating machines function as a slave.
[0012]
That is, the present invention can function as an operation control device for one rotating machine by incorporating control system software for controlling the entire system into a CPU built in an operation control device for each rotating machine, for example. At the same time, it can function as a controller that controls the entire system including each rotating machine other than the rotating machine.
[0013]
Therefore, it can be standardized so as to be operable as a master or a slave, and a controller (control panel) which has always been required in the past can be omitted. As a result, cost reduction, size reduction, and weight reduction of the entire system can be promoted.
[0014]
Here, in the operation control device for a rotary machine according to the present invention, it is preferable that the driver unit and the controller unit are accommodated in one or two CPU chips. Thereby, it is possible to standardize a rotary machine having a controller for controlling the operation of each rotary machine constituting the system without increasing the size of the rotary machine.
[0015]
BEST MODE FOR CARRYING OUT THE INVENTION
Hereinafter, embodiments of the present invention will be described with reference to the accompanying drawings. FIG. 1 is a diagram showing an embodiment of an operation control device for a rotary machine according to the present invention, and is a block diagram showing a rotary machine system equipped with the operation control device. FIG. 2 is a block diagram showing the exchange of signals of the operation control device.
[0016]
In FIG. 1, a
[0017]
The
[0018]
As shown in FIG. 2, one set of the
[0019]
The
[0020]
The drivers of the controllers and
[0021]
The controller /
[0022]
The driver unit 41 calculates the AC frequency to be output to the
[0023]
According to the instruction command signal P from the
[0024]
Here, for convenience of explanation, the controller /
[0025]
Specifically, the
[0026]
Further, the
[0027]
On the other hand, the
[0028]
Further, the
[0029]
That is, the
[0030]
When the rotary machines 11 to 13 perform the same operation, the CPU chips of the controllers and
[0031]
As described above, in the present embodiment, the controller /
[0032]
Next, FIG. 3 is a diagram showing an embodiment of a controller / driver of the present invention. Note that FIG. 3 illustrates a case where a DC brushless motor (DCBL) is provided as the variable speed electric motor M of the rotating machines 11 to 13.
[0033]
In the
[0034]
At this time,
[0035]
In the master controller /
[0036]
That is, the
[0037]
Further, the
[0038]
On the other hand, in the slave controller /
[0039]
As a result, the CPU chips 58 and 59 function as slaves in accordance with the instruction command from the
[0040]
Like the
[0041]
Here, since the CPU chips 57 to 59 are similarly designed and standardized, any one can be made to function as a master and the other can be made to function as a slave by giving an instruction command from the
[0042]
Although one embodiment of the present invention has been described above, the present invention is not limited to the above-described embodiment, and it goes without saying that the present invention may be embodied in various forms within the scope of the technical idea.
[0043]
【The invention's effect】
According to the operation control device of the present invention, it is possible to generate and send an operation control signal for another rotating machine at the same time as controlling the operation of one rotating machine, and in a system including a plurality of rotating machines, Since it can function as a master that controls the entire rotating machine or a slave that controls the operation of one rotating machine, there is no need to provide a separate controller (control panel) for the entire system. Therefore, the configuration of the operation control device of the rotating machine in the system can be standardized, and the entire system can be configured at low cost, small size, and light weight.
[Brief description of the drawings]
FIG. 1 is a diagram showing an embodiment of an operation control device for a rotary machine according to the present invention, and is a block diagram showing a rotary machine system equipped with the operation control device.
FIG. 2 is a block diagram showing exchange of signals of the operation control device.
FIG. 3 is an explanatory diagram showing an embodiment of the operation control device.
FIG. 4 is a block diagram showing a conventional rotating machine system.
[Explanation of symbols]
| Application Number | Priority Date | Filing Date | Title |
|---|---|---|---|
| JP2003017783AJP2004225672A (en) | 2003-01-27 | 2003-01-27 | Operation control device for rotating machinery |
| Application Number | Priority Date | Filing Date | Title |
|---|---|---|---|
| JP2003017783AJP2004225672A (en) | 2003-01-27 | 2003-01-27 | Operation control device for rotating machinery |
| Publication Number | Publication Date |
|---|---|
| JP2004225672Atrue JP2004225672A (en) | 2004-08-12 |
| Application Number | Title | Priority Date | Filing Date |
|---|---|---|---|
| JP2003017783APendingJP2004225672A (en) | 2003-01-27 | 2003-01-27 | Operation control device for rotating machinery |
| Country | Link |
|---|---|
| JP (1) | JP2004225672A (en) |
| Publication number | Priority date | Publication date | Assignee | Title |
|---|---|---|---|---|
| JP2009529847A (en)* | 2005-11-21 | 2009-08-20 | エンテグリース,インコーポレイテッド | Piston control system and method for pump mechanical piston |
| US8651823B2 (en) | 2005-11-21 | 2014-02-18 | Entegris, Inc. | System and method for a pump with reduced form factor |
| US8662859B2 (en) | 2005-12-02 | 2014-03-04 | Entegris, Inc. | System and method for monitoring operation of a pump |
| JP2014043800A (en)* | 2012-08-27 | 2014-03-13 | Ebara Corp | Pump control device |
| US8678775B2 (en) | 2005-12-02 | 2014-03-25 | Entegris, Inc. | System and method for position control of a mechanical piston in a pump |
| US8814536B2 (en) | 2004-11-23 | 2014-08-26 | Entegris, Inc. | System and method for a variable home position dispense system |
| US8870548B2 (en) | 2005-12-02 | 2014-10-28 | Entegris, Inc. | System and method for pressure compensation in a pump |
| JP2016520471A (en)* | 2013-04-19 | 2016-07-14 | アイエムオー・インダストリーズ・インコーポレーテッド | Intelligent seawater cooling system |
| US9631611B2 (en) | 2006-11-30 | 2017-04-25 | Entegris, Inc. | System and method for operation of a pump |
| JP2019011732A (en)* | 2017-06-30 | 2019-01-24 | 株式会社荏原製作所 | Water supply device |
| JP2021099045A (en)* | 2019-12-20 | 2021-07-01 | 株式会社川本製作所 | Water supply device |
| CN114483553A (en)* | 2020-10-26 | 2022-05-13 | 复盛股份有限公司 | Compressor system with frequency modulation control and frequency modulation control method thereof |
| Publication number | Priority date | Publication date | Assignee | Title |
|---|---|---|---|---|
| US8814536B2 (en) | 2004-11-23 | 2014-08-26 | Entegris, Inc. | System and method for a variable home position dispense system |
| US9617988B2 (en) | 2004-11-23 | 2017-04-11 | Entegris, Inc. | System and method for variable dispense position |
| JP2013150549A (en)* | 2005-11-21 | 2013-08-01 | Entegris Inc | Piston control system and method of mechanical piston of pump |
| US8651823B2 (en) | 2005-11-21 | 2014-02-18 | Entegris, Inc. | System and method for a pump with reduced form factor |
| US9399989B2 (en) | 2005-11-21 | 2016-07-26 | Entegris, Inc. | System and method for a pump with onboard electronics |
| JP2009529847A (en)* | 2005-11-21 | 2009-08-20 | エンテグリース,インコーポレイテッド | Piston control system and method for pump mechanical piston |
| US8678775B2 (en) | 2005-12-02 | 2014-03-25 | Entegris, Inc. | System and method for position control of a mechanical piston in a pump |
| US8870548B2 (en) | 2005-12-02 | 2014-10-28 | Entegris, Inc. | System and method for pressure compensation in a pump |
| US9309872B2 (en) | 2005-12-02 | 2016-04-12 | Entegris, Inc. | System and method for position control of a mechanical piston in a pump |
| US9816502B2 (en) | 2005-12-02 | 2017-11-14 | Entegris, Inc. | System and method for pressure compensation in a pump |
| US8662859B2 (en) | 2005-12-02 | 2014-03-04 | Entegris, Inc. | System and method for monitoring operation of a pump |
| US9631611B2 (en) | 2006-11-30 | 2017-04-25 | Entegris, Inc. | System and method for operation of a pump |
| JP2014043800A (en)* | 2012-08-27 | 2014-03-13 | Ebara Corp | Pump control device |
| US9797294B2 (en) | 2013-04-19 | 2017-10-24 | Imo Industries Inc. | Intelligent sea water cooling system |
| JP2016520471A (en)* | 2013-04-19 | 2016-07-14 | アイエムオー・インダストリーズ・インコーポレーテッド | Intelligent seawater cooling system |
| JP2019011732A (en)* | 2017-06-30 | 2019-01-24 | 株式会社荏原製作所 | Water supply device |
| JP7127967B2 (en) | 2017-06-30 | 2022-08-30 | 株式会社荏原製作所 | Water supply device |
| JP2021099045A (en)* | 2019-12-20 | 2021-07-01 | 株式会社川本製作所 | Water supply device |
| JP7341476B2 (en) | 2019-12-20 | 2023-09-11 | 株式会社川本製作所 | water supply device |
| CN114483553A (en)* | 2020-10-26 | 2022-05-13 | 复盛股份有限公司 | Compressor system with frequency modulation control and frequency modulation control method thereof |
| CN114483553B (en)* | 2020-10-26 | 2024-05-24 | 复盛股份有限公司 | Compressor system with frequency modulation control and frequency modulation control method thereof |
| Publication | Publication Date | Title |
|---|---|---|
| US8497642B2 (en) | Motor devices, and motor driving system and integrated circuit device comprising the same | |
| JP2004225672A (en) | Operation control device for rotating machinery | |
| US20070200518A1 (en) | Fan control utilizing bi-directional communications | |
| US8380354B2 (en) | Motor controller for air-conditioner fan and method for controlling air-conditioner fan | |
| KR20090094722A (en) | A Controlling System for controlling motors for Heating, Ventilation and Air Conditioning, or Pump | |
| CA2831436C (en) | Converter assembly, method for producing a converter assembly and method for operating a converter assembly | |
| JP2013027105A (en) | Motor driving circuit and motor driving system | |
| CA2631776A1 (en) | A motor, a method of operating a motor, and a system including a motor | |
| EP2722237B1 (en) | Motor control system, motor control method, and motor control apparatus | |
| CN107493041B (en) | Multi-path motor control system and control method and self-service financial equipment | |
| US8375731B2 (en) | Refrigerator having wiring arrangement using integrated wiring modules | |
| KR200284495Y1 (en) | Driving Module of Servo-Motor for Robot | |
| JP2023090833A (en) | Air blowing device | |
| KR100755322B1 (en) | Cogeneration System and Its Power Control Method | |
| JP2005016859A (en) | Air conditioning system | |
| KR20170069377A (en) | Dual electromotive compressor for vehicle | |
| CN104579109B (en) | Control method of electronic commutation motor | |
| JP2010068580A (en) | Stepping motor control device | |
| JP2001095223A (en) | Stepping motor | |
| CA3164562A1 (en) | Electric motor control unit having redundant control and assembly method therefor | |
| KR100335797B1 (en) | Induction motor unified with inverter | |
| JP2002201880A (en) | Motor-driven blind device | |
| JP4255729B2 (en) | Control system | |
| JPS62108948A (en) | Communication device for separate air conditioners | |
| JP4410364B2 (en) | Stepping motor drive device |
| Date | Code | Title | Description |
|---|---|---|---|
| A621 | Written request for application examination | Effective date:20050908 Free format text:JAPANESE INTERMEDIATE CODE: A621 | |
| A977 | Report on retrieval | Free format text:JAPANESE INTERMEDIATE CODE: A971007 Effective date:20080501 | |
| A131 | Notification of reasons for refusal | Effective date:20080513 Free format text:JAPANESE INTERMEDIATE CODE: A131 | |
| A02 | Decision of refusal | Free format text:JAPANESE INTERMEDIATE CODE: A02 Effective date:20080916 |