




























【0001】
【産業上の利用分野】
本発明は、個々に輝度制御可能なLEDランプを連珠状に連ねたLEDモジュールに関し、特にその輝度制御、時分割駆動方式、及び、それらを用いた大形表示装置、電飾装置を実現する際の実装方法に関する。
【0002】
【従来技術】
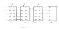
従来より輝度制御可能なLEDランプを表示部とするLED表示装置としては図1に示すもっぱら屋外で用いられる大型映像表示装置が良く知られている。このフルカラーLEDランプによる映像表示装置(TV)は、通常、各画素(ピクセル)は、3原色(R、G、B)それぞれを発光する3個のLEDランプが配されており、それらのLEDランプ個々の輝度をTV、画像生成装置等からフレーム周期毎に受け取る輝度データに基づき制御することにより映像表示が実現されている。フレーム周期はTVでは通常1/30秒程度であるが、LED表示システムの場合、ちらつきを防止するためその半分程度(1/60秒)に設定される場合もある(この場合、一般には、同一輝度データで2フレームが繰り返し表示される)。図1の表示装置の表示パネル1aはたとえば1モジュールあたり16(行)x16(列)のピクセル1cを搭載する複数枚のLEDモジュール1bにより分割構成されている。
【0003】
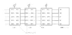
図2はこのような16x16のマトリックス状に組み上げられた従来のLEDモジュールの3原色中の1つの色についての回路のブロックダイヤグラムである。実際には他の2色についても同様の回路が設けられている。 モジュール上のLEDランプは、発光効率の最適化と駆動ドライバの数の節減のため行毎にグループ分けされ、各行グループ別に選択、時分割駆動される(以下、選択、時分割駆動に際して、同時に駆動されるLEDランプグループを時分割グループと呼ぶ)。各時分割グループは行番号と同じ順番に0,1,・・・15と番号付けされている。すなわち、ランプユニット2bは行毎の時分割グループに分割され、0...15のアドレスが付された16個の行、列ドライバ;C0,C1,・・・C15,D0,D1,・・・D15により駆動される(ランプユニット2bのi行、j列のLEDランプはi行、j列のドライバCi、Djによりプッシュ・プル方式により駆動されている)。
【0004】
フレーム周期内には上記時分割グループに対応した駆動時間帯(以下、時分割スロットと呼ぶ)が設けられている。時分割スロットは時分割グループと1対1対応しているので、対応している時分割グループと同じ番号が付される。また、回路的には、時分割スロットiでは、行ドライバCiをオンに保持されることにより、i行の時分割グループが選択される仕組みとなっている。各時分割スロット内で選択された時分割グループに対する点灯制御は対応する時分割スロット内においての、点灯時間と非点等時間の比率により制御される。 上記の点灯時間比率制御は、各LEDランプに対応する前記輝度データに基づいて実施される。輝度データは、画像生成装置等より各フレーム周期毎に供給される8ビットのデータであり、基本的には対応する時分割スロットにおける点灯時間の割合を示す数値データである。この輝度データ数値と点灯時間比率の対応関係は、点灯時間比率と実際の視覚輝度の非線形的関係を反映し、単純な比例関係に設定されな
い場合もある。この場合でも、視覚輝度に関する補正(いわゆるγ補正)により新たに単純に点灯時間幅を2進数値として表すデータが生成されるので、以下の記述では、この場合は、新たに生成されたデータを輝度データと読み替えることとする。即ち輝度データは0は消灯、255が最大輝度に対応し、それぞれ時分割スロット時間幅に対する点灯時間の割合が0%、100%となる点灯時間幅を表す2進数値であるとする。
また、表示システムの表示性能は輝度データのダイナミックレンジ(輝度制御の段階数、上記の例では255段階)と大きく関係し、以下、上記輝度データのダイナミックレンジを輝度解像度と呼ぶ。
【0005】
図2の2aは1フレーム、LEDランプ1行分の輝度データを記憶する行バッファメモリである。 同図に示されているように、行バッファメモリは、各行を構成する16個のLEDランプの輝度データを保持する(8ビット幅)16個のレジスタから構成されている。 行バッファメモリを構成する各レジスタへの輝度データの転送はシフト&ラッチ方式により行われる。即ち上記各レジスタの入、出力は相互に接続され、共通クロックで記憶内容が次段にシフトされる8ビット幅、16段のシフトレジスタが構成されている。16個のレジスタにそれぞれに対応する対応する16個の輝度データは、上記シフトレジスタの入力端2cから上記共通クロックによりレジスタの深さ順に順次シフトインされ、全段に所定のデータがセットされたタイミングでラッチされ固定される仕組みとなっている。また、各行バッファの出力端2dは次に隣接するモジュールの行バッファメモリの入力端に接続され、表示画面全体としても行バッファメモリ全体で1個のシフトレジスタが構成されている。即ち、表示画面を構成する複数個のLEDモジュール間でも一個のシフトレジスタを構成するよう隣接するモジュール間で入、出力が相互接続され、その入力端から表示画面を構成する全てのLEDモジュールの行バッファメモリにシフト&ラッチ方式で輝度データを転送、セットできる仕組みとなっている。 行バッファメモリを構成し、各LEDランプの輝度データをシフト&ラッチ方式で受信記憶する16個の上記レジスタは、記憶保持されている輝度データに基づき、対応するLEDランプのフレーム周期内での点灯、非点灯の割合を制御することから、以下点灯制御レジスタと呼ぶ。
【0006】
回路的には各時分割スロット内における点灯時間幅制御は、LEDモジュール内の点灯時間制御ユニット2eにより行われる。この点灯制御ユニットの主たる回路要素は1個のカウンタ回路2fと16個の比較器である。カウンタ回路2fは、基準クロックに基づき0から255まで順番に時間幅番号を発生させてゆく。16個の比較器それぞれの出力は各行ドライバに接続されており、行バッファメモリから各LEDランプに対応する16個の輝度データを読み出し、カウンタ回路2fからの時間幅番号と比較し、双方が一致するまでそれぞれの出力をオンに保持する。フレーム周期内では行選択回路2gが各行を順次選択し、以上述べた1つの時分割スロット内での動作は選択対象を変えながら16回繰り返される。すなわち、従来方式のLEDモジュールでは回路構成要素のうち、上記行バッファメモリ2a、点灯制御ユニット2eは各行で共用されている。
【0007】
【本発明が解決しようとする課題】
以上述べたように、従来システムでは、LEDランプを最終的に駆動するのは点灯時間制御ユニット2eと行バッファメモリ2aである。これらの回路は各行の複数LEDランプの点灯制御を行い、かつ、複数行のLEDランプ間で共用されている。すなわち、従来システムでは、コスト節減のため、行に対応する各種の制御機能を時分割グループ間で共用する必要があり、表示器全体のピクセルを行、列として捉えた場合、各ピクセルは隣接する行相互間で配線的に密接に結合している一方で、モジュール毎に搭載されている行バッファメモリをシフト&ラッチ方式で更新するため、列方向にも相互間の結線を必要としている。従来システムではこのような上下左右の配線関係と配線の距離的制約を同時に満たすため、画面全体をマトリックス状にモジュール単位で切り分け、各モジュール毎に点灯時間制御ユニット、行バッファメモリ等の制御回路を画面全体に分散配置し、かつ、それらのモジュールの制御回路は、表示面の裏側に張り付けられている。つまり、従来のLED表示装置は画面全体がモジュール毎に平面的に細かく分割されているだけでなく、表側の表示部と裏側の制御回路層に分割されている。従って、先述のように、輝度データをシフト&ラッチ方式で転送し、かつ、点灯時間制御ユニットを行間で共用するため、縦方向、横方向に多数の信号線でつながるだけでなく、各モジュール内では表側のLEDランプ層と裏側の制御回路層が多数の信号線で結合されている。 即ち、従来のLEDモジュールを用いた表示装置での最大の問題点は、各LEDランプと種々の制御回路間に多数の配線を上下、左右、表裏に切れ目なく網目上に施す必要があることであり、このことが以下に述べる種々の問題の共通要因となっている。
【0008】
第1の問題は、各LEDモジュールの保守、取り替えを考慮に入れての表示面の設計組み立てが非常に困難になることである。即ち、従来モジュールでは、その複雑な配線に起因し、LEDモジュールは、制御回路と周辺のLEDランプをプリント基板上で一体的に組み上げる必要があり、さらにそれらを隙間なく並べ、かつ隣接するLEDモジュール間も多数の信号線で結ぶ必要性がある。
多数のモジュールを隙間なく並べるためには、それらの各モジュールを並べ固定するためのフレームが必要である。前面はLEDランプが装着されている表示面であるため、それらのフレームは背後に設置することになる。フレームは強度的にかなりの大きさを必要とし、必然的に背後に走っている信号線を覆い隠す結果となり、モジュール取り替えに際しての信号線コネクタ等の取り外し作業を非常に困難なものとしてしまう。また、モジュール後部にフレームが設置されていることから、モジュールの抜き出しは全面からとならざるを得ず、保守時には前面、背面の両面から足場等でのアクセス手段を確保する必要がある。 全面、背面での足場の確保の必要性は、例えばビル壁面に取り付けられ、縦横の長さが10m前後に達する大型の表示装置では、表示器の背後壁面に穴をあけ保守用の部屋を特別に設けると同時に、前面にはゴンドラ等のアクセス手段を確保する必要があり、コスト的にも大きな問題となる。
【0009】
また、LEDランプ本体、あるいは表示面背後に分散設置されている制御回路を風雨から守るための防護対策も困難を極める。 通常、画面全体をガラスで覆う手法がとられるが、そうした大型ガラスは非常に高価であり、またガラスのような脆弱かつ重量物を開け閉めするためのフレームその他の機構はそれ自体強度、重量を必要とし、大変大掛かりなものとなる。 そこでモジュール単位で、例えばその表示面を透明シリコン樹脂等で覆い背後の制御回路の防水を兼ねさせる等の手段も講じられるが、その場合でもモジュール相互間の間隙を防水シールするなどの別途の防水対策が必要であり、コスト高を招くと同時に、モジュールの引き抜き、交換、再シール作業等をいっそう困難なものとしている。
【0010】
第2の問題は、表示画面構成に関する柔軟性に欠けることである。
即ち、前述のLEDランプをマトリックス状に固定的に配置する従来のLEDモジュールで画面を構成する大型映像表示装置は、表示画面は基本的に平面かつ矩形に限り、かつ、組み立ては強固なフレーム上に固定することが前提になっている。従って、ランプの空間的配置・展開の柔軟性に欠け、表示部が矩形かつマトリックス状に組み上げられたピクセル以外の形状、例えば表示部がミラーボールのような球形、クリスマスツリーのような樹枝状形状、あるいは起伏のある帯状など種々の立体形状の場合には対応することが非常に困難となる。
【0011】
第3の問題は表示装置の大型化に対応しにくいことである。
行バッファ、点灯時間制御ユニット等の種々の制御回路が、モジュール毎に設置されている従来の表示装置では、そうした制御回路とLEDランプ間の配線距離の制約により、LEDランプの配置のピッチを一定以下に納める必要があり、この種の表示装置の大型化に対する大きな障害となっている。
【0012】
本発明は、LEDランプをマトリックス状に配した表示部を備えているLEDモジュールに代わり、LEDランプを一本の連珠状に連ねた表示部を採用することで、上述の諸問題を解決しようとするものである。このような連珠状の表示部を備えたLEDモジュールを実現するについては、従来の駆動回路では種々の問題を生じる。 例えば、図3は先に図2に示した従来のLEDモジュールの駆動回路はそのままにして、表示部の配置を各行のLEDランプを線状に単純に並べ替え並べることにより、この連珠状LEDモジュールを実現しようとしたものである。この場合の問題点の第1は、行バッファユニット、点灯時間制御ユニット3a、行選択回路3b等の制御装置から各LEDランプ間の距離が非常に長くなることである。例えば、4cmピッチで256個のランプを連ねた連珠状LEDモジュールの長さは約10mであるが、図3の従来の駆動方式では、ドライバ、LEDランプ間の配線の最大長はこの長さ(10m)となり、単純に駆動できる長さの限界を超えている。また、これらの制御装置から表示部への配線数は少なくとも32本必要で、3原色表示の場合はその3倍に達し、配線の太さ、配線の複雑さも大きな障害となる。
【0013】
また、各LEDランプは、それぞれに定められた特定の行、列ドライバに接続する必要がある。言い換えるならば、各LEDランプには特定のアドレスが付されており、そのアドレスを常に意識しつつ配線処理する必要がある。その意味合いで従来システムは配線的に不均一な構造となっている。「実施例4」で後述するように、こうした連珠状LEDモジュールを小さなセグメントに分割し、それらを自由に選択、つなぎ合わせ、バラエティ豊かな形状に仕立て上げられるという機能は実用面上非常に重要な機能であるが、従来システムでは、常に上述の配線構造上の制約を守る必要があり、そのことがセグメント化、及び、セグメント接続、組み合わせに関する自由度を損ねている。
【0014】
なお、発光素子を連珠状に連ねた表示装置は例えば、多数のカラー豆電球、LEDランプ等をひも状に連ねた電飾装置がルミチューブの呼び名で良く知られている。このルミチューブは設置場所、設置形状に柔軟性があるため、例えば立木にクリスマスツリー状に絡ませる、ビル、アーケード等の建築物に沿って設置する、あるいは舞台の装飾の一部として設置するなど汎用性のある電飾システムとして広く用いられている。しかし、ルミチューブに代表される従来の連珠状発光部を採用する表示装置は全体を様々な形状に仕立て上げることができる反面、表示内容は、基本的に、定められた一定のスケジュールに従って点滅を繰り返す等の単純な表示内容に限られ、例えばTVカメラ映像、パソコン画面等の映像生成装置からの映像を映し出すことはできない。
【0015】
【課題を解決するための手段】
先に述べたように本発明は、LEDランプを連珠状に連ねた表示部を備えたLEDモジュールを実現することにより、大形表示装置のコスト削減、ピクセル配置の自由度と高度な映像表示機能を兼ね備えたLED表示システムの実現を目指している。そのためには、従来のLEDモジュールでボトルネックとなっているLEDランプ間のマトリックス状(2次元的)配線、立体的配線の必要性を廃し、線状(1次元的)配線のみとし、かつその必要配線数をできる限り少数に押さえる必要があり、本発明では、図4に示されるように各ピクセルごと(各LEDランプごと)にも、ごく簡単な制御回路(以下ランプユニットと呼ぶ)を配置し、隣接しているランプユニット相互間を必要な信号線で結ぶことにより、それらのランプユニットを一本の紐状に連ね、その一端を制御ユニットに接続することでこの目標を達成しようとしている。別の表現をするならば、本発明の主たる目的は、表示性能を落とさず、上記ランプユニット回路をできるだけ簡単化、均一化し、かつランプユニット相互間を結ぶ信号線の数をできるだけ少なくし、なおかつ、モジュール間での必要伝送容量、速度をできるだけ低下させることにある。
以下、上記の目的を達成させるための本発明の課題解決手段を、基本的手法である「課題解決手段1」とそれをさらに発展させた「課題解決手段2」とに分けて説明する。
【0016】
「課題解決手段1」
「課題解決手段1」は次の▲1▼〜▲4▼の基本手法により実現されている。
【0017】
▲1▼従来システムでは、先述の通り、表示面を構成する各行は、左右に一体的に連結されたシフトレジスタを構成する一方で、行間にまたがる時分割駆動を実現するため、異なる行間で行バッファメモリ等を共有し、各行相互間でも回路的に密接な関係が構築されている。すなわち、シフト&ラッチ方式での転送のため相互に結合されているピクセルグループと、時分割駆動を実現し、行バッファ、点灯時間制御ユニットを共用しているピクセルグループとはグループとして一致していない。 本発明では、行間を渡る上下配線を廃するため、シフト&ラッチ方式のため相互に接続されているピクセルグループ自身が時分割駆動グループに分割され、時分割駆動される。 即ち、シフト&ラッチ方式の転送のため配線結合されるピクセルグループと時分割駆動のため配線結合されるピクセルグループとを一致させている。上記時分割駆動は、各LEDランプに対応して、ランプユニット上に1個のレジスタ(以下その役割を反映させ選択レジスタと呼ぶ)を設けることで実現されている。この選択レジスタは点灯制御レジスタ同様、入、出力を相互に接続することで共通のクロックでシフトされるシフトレジスタ(以下選択制御シフトレジスタと呼ぶ)を構成し、選択制御シフトレジスタの一端から制御ユニットにより入力、シフトされる更新データにより上記の各選択レジスタが更新され、更新された内容に基づき、各ランプユニット毎に時分割信号が生成される仕組みとなっている(詳細後述)。
【0018】
▲2▼従来システムでは各LEDランプに対応する点灯制御レジスタは、モジュール単位で行バッファメモリとしてまとめて設置されていた。これに対して、本発明では、点灯制御レジスタは、前述のランプユニット内回路の一部として、LEDランプ毎に独立して配置される。従来方式と同様、これらの点灯制御レジスタは、共通クロックでシフトされるシフトレジスタ(以下点灯制御シフトレジスタと呼ぶ)を構成し、入力端からシフト&ラッチ方式により各点灯制御レジスタを更新できる仕組みとなっている。このように点灯制御レジスタをランプユニット上に分散配置することにより、ランプユニット間、従って各LEDランプ間の距離を伸ばすことができると同時に、ランプユニット間を結ぶ信号線をフレキシブルなものとすることにより、より柔軟なLEDランプ配置を実現することが可能となる。
【0019】
▲3▼従来システムにおいては、点灯制御レジスタは1フレーム周期毎に輝度データにより更新され、点灯時間制御ユニットがフレーム周期単位での、点灯時間制御を行っていた。
本発明では、点灯制御レジスタの簡略化、点灯時間制御ユニットの省略のため、各LEDランプに対応し、1フレーム周期内に複数個の点灯制御時間帯(以下点灯制御スロットと呼ぶ)が設けられ、LEDランプの点灯時間制御は前記点灯制御スロット単位で行われる。このため本発明では制御ユニットがフレーム単位で受け取る輝度データに基づき、前記点灯制御スロット単位での点灯制御を行うための制御データ(以下、この制御データを輝度データと区別する意味も含め点灯制御データと呼ぶ)を生成する役割を担っている。点灯制御データの点灯制御スロットにおける役割は、従来システムにおけるフレーム周期に対する輝度データの関係と同様、点灯制御スロット内での点灯時間の割合を制御することにある。従って、上記点灯制御スロットに関しては、従来システムは、各LEDランプに対して点灯制御スロット(=時分割スロット)がフレーム周期内で一個のみしか設定されていないシステムであるとみなすことができる。
【0020】
▲4▼さらに、本発明では、原則として、フレーム周期内に上記点灯制御スロットは必要とする輝度解像度と同じ数だけ設定されるので、点灯制御データは単に各点灯制御スロットでの点灯、非点灯を指示する1ビットデータに圧縮されている。従って、本発明では、各点灯制御スロットにおいて対応する点灯制御データを記憶保持する点灯制御レジスタも1ビットのレジスタとなり、さらに、個々のランプユニット内では点灯時間制御ユニットは不要となる。
【0021】
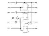
図5は以上述べた本発明の基本手法を具体的に実現したランプユニットの基本回路である。図5においてユニットの右側の信号線はランプユニットに対する入力信号線であり、ユニットの左側の信号線はそれぞれの入力線に対応する出力線である。また、図6に示されるように、ランプユニットには制御ユニットが接続されている側から順にLM0,LM1,LM2,・・・と記号が付されており(以下、個々のランプユニットの信号線、回路要素にもユニット番号を表記する必要があるときは、Li,PCOi・・・等のごとく、回路要素、信号線を表す記号にランプユニット番号を付加して表記することとする)、隣接するランプユニット同士で、各出力線が隣の対応する入力線へ接続され、かつ最端のランプユニットの入力信号線は、制御ユニットの対応する出力線へと結線されている。ランプユニットの主たる回路要素(図5参照)は、LEDランプLと、点灯制御レジスタPと点灯制御レジスタの出力をラッチするレジスタQ(以下点灯制御データ保持レジスタと呼ぶ)および選択レジスタSである。これら3個のラッチレジスタはいづれもクロックcの立ち上がりで入力dを内部状態としてラッチし、新しい内部状態は出力qに反映される。先に述べたとおり、点灯制御レジスタP、選択レジスタSについては、各ランプユニットにおいて 入力、出力が相互に接続されていることにより、クロックが共通化され、図7に示されているように制御ユニットからのそれぞれのクロック信号PC、SCでシフトされる2組のシフトレジスタ、即ち、先述の点灯制御シフトレジスタ、選択制御シフトレジスタが構成されている。制御ユニットの出力信号PD、SDは上記それぞれのシフトレジスタに対するデータ入力信号であり、上記2つのシフトレジスタに対して、それぞれのクロックPC、SCと同期させ、制御ユニットから必要データをシフトインし、各ランプユニットのラッチレジスタPiあるいはSiの内部状態を所定の値にセットする役割を果たす。
【0022】
次に、上記ランプユニット、制御ユニットの基本動作を説明する。以下の説明は説明目的だけのためにごく単純化されたLEDモジュール仕様を設定することにより行われる。即ち、この説明用に単純化されたLEDモジュールでは、4個のLEDランプから構成され、フレーム周期に4個の点灯制御スロットが設定され、かつ、各LEDランプは1/4デューティ比で時分割駆動されている。
【0023】
図8は上記説明用として設定されたLEDモジュールを上記ランプユニット、制御ユニットを用いて実現した場合のシステム構成図である。即ち、LEDモジュールは、4個のLEDランプとそれぞれのLEDランプに付加されているランプユニット、及び1個の制御ユニットから構成され、先に述べたように、これらのLEDランプ及びランプユニットには制御ユニットが接続されている端から順番にそれぞれL0,L1,L2,L3、LM0,LM1,LM2,LM3と番号付けされている。
【0024】
また、図9は「課題解決手段1」によるLEDモジュールの1フレーム周期分タイムチャートである。同図に示されているように、従来方式とは異なり、各フレーム周期はまず点灯制御スロットに分割され、各点灯制御スロット内に時分割スロットが設けられている。点灯制御スロットの数は先に述べた通り、設定されている輝度解像度に対応して4スロットであり、図9ではR0,R1,R2,R3と記号が付されている。また、各々の点灯制御スロットRi内に設けられた各時分割グループ(本システム例では各1個のLEDランプ)に対応した各4個の時分割スロットにはri0,ri1,ri2,ri3 の記号が付されている。
【0025】
先に述べたとおり、制御ユニットは外部より与えられた輝度データより各LEDランプの各点灯制御スロットに対する点灯制御データを生成する。表1は生成された点灯制御データbij(i=0,1,2,3、j=0,1,2,3)を示し、LEDランプLiは点灯制御制御スロットjにおいてビットbijにより点灯、非点灯が制御されることを示す。
【0026】
回路動作は、以下に述べる、相互に同期しつつ同時進行する▲1▼点灯制御データシフト&ラッチ動作と▲2▼時分割駆動動作の2つの動作に分けることができる。
【0027】
▲1▼点灯制御データシフト&ラッチ動作
先に表1で示した従来LEDモジュールの各LEDランプに対する点灯制御データ;
(b00,b01、b02,b03)、(b10,b11、b12,b13)、(b20,b21、b22,b23)、(b30,b31、b32,b33)
は、まず制御ユニット内で点灯制御スロット番号をキーとして(b30 b20b10 b00 )、(b31 b21 b11 b01 )、(b32 b22 b12 b02 )、(b33 b23 b13 b03)のように並べ替えられる。このように並べ替えられた点灯制御データは図9に示されるようにクロック信号PC(16クロック/フレーム周期)と同期して信号線PDより点灯制御シフトレジスタに連続的にシフトインされる。同図におけるP0,P1,P2,P3は前記シフトイン動作に伴うそれぞれの点灯制御レジスタの内部状態の変化を表し、点灯制御レジスタPi(i=0,1,2,3)には、信号線PDよりシフトインされる点灯制御データがi+1クロック遅れて内部状態として順次セットされていくことを表している。 同図の4つ斜線部分は、各点灯制御スロット開始時に、点灯制御レジスタPi(i=0,1,2,3)にLEDランプLi自身の点灯制御データbij、bij、bij、bij(j=0,1,2,3)が内部状態としてセットされていることを表す。同図に示されているように制御ユニットの出力信号QCは各点灯制御スロットの開始時にあわせてオンにセットされ、このタイミングでの点灯制御レジスタPiの内部状態を点灯制御データ保持レジスタQiにラッチ保持する。図9のQ0〜Q3には各点灯制御スロットにおいて上記点灯制御保持レジスタが点灯制御データの内容を(各点灯制御スロットの開始時点から終了時点まで)保持している様子を示している。以上述べたシフト&ラッチ動作により、点灯制御スロットRjの間、点灯制御データ保持レジスタQiには点灯制御データbijが保持されることになる。
【0028】
▲2▼時分割駆動動作
時分割駆動動作は選択レジスタSiに関する動作であり、各点灯制御スロット毎に同じ動作が繰り返される。簡略化された説明用LEDモジュールでは、信号SDとして信号QCが、また、クロックSCとしてはクロックPCがそのまま用いられ(後述の実施例では別々の信号が必要)、図8に示されるように信号線SDは信号線QCに、信号線SCは信号線PCにそれぞれ結線されている。
図10に示されるように、この結線により、各点灯制御スロットの開始時点でまず、S0がオンにセットされ、以後、クロックSC(=PC)に同期しS1,S2,S3へとその内部状態(オン)がシフトされていく。 すなわち、各点灯制御スロットにおいて、選択レジスタSiの出力は各時分割スロットに対応するクロックPCの1サイクル分オンにセットされる。一方、各LEDランプLiは、点灯制御データ保持レジスタQiの出力とラッチレジスタSiのAND出力で駆動されているので、各点灯制御スロットにおいてLEDランプLiは選択レジスタSiのオン期間中(即ち、点灯制御スロット時間幅の1/4時間)選択的に点灯されることになる。
【0029】
以上述べた▲1▼、▲2▼の動作の組み合わせにより、各点灯制御スロット内に於いて、点灯制御データ保持レジスタにラッチされた点灯制御データに基づき、1/4デューティに時分割された点灯制御が実現される。
【0030】
「課題解決手段2」
「課題解決手段2」においても「課題解決手段1」で述べた諸手法が全面的に採用されるが、「課題解決手段1」あるいは従来システムと異なるのは、各LEDランプに対応する複数点灯制御スロットの組において、各点灯制御スロットそれぞれの時間幅が最小時間幅をもつ点灯制御スロットの時間幅の逓倍となるよう設定されていることである。この場合、各点灯制御スロットでの点灯、非点灯を決定する1ビットの点灯制御データは、点灯制御スロットそれぞれの時間幅に応じて2進法的に重み付けされていると見なすことができる。即ち、各LEDランプのフレーム周期内での点灯時間の時間幅合計値は、対応する点灯制御データが示す2進数値と上記最小時間幅の積として与えられることになる。一方、輝度データの2進数値は単純にフレーム周期内の点灯時間幅に対応しているので、2進数値として与えられる輝度データに何ら手を加えることなく、各ビットをそのまま時間幅が逓倍に設定されている各点灯制御スロットに対応させた点灯制御データとして用いることができる。即ち、「課題解決手段2」においては、ランプユニットのみならず、制御ユニットにおいても、点灯時間制御ユニットを省くことが可能となる。
【0031】
なお、「課題解決手段1」の場合のように点灯制御スロットの時間幅が全て均等である場合には、オンとなっている点灯制御スロットの”合計数”のみが点灯時間幅制御の対象であり、オンに選択される点灯制御スロットの個々の”組み合わせ”は制御対象とされない。「課題解決手段2」では、各LEDランプに対応する点灯制御データの各ビットの1,0の組み合わせの全てが対応する時間幅の異なる点灯制御スロットの点灯、非点灯の組み合わせと対応し、点灯制御データの0,1の”組み合わせ”自体が点灯時間幅を決定し制御対象とされる。
【0032】
以下、「課題解決手段2」について前記の説明用に簡略化されたLEDモジュール仕様(4個のLEDランプ、フレーム周期内の点灯制御スロット数4、1/4時分割駆動)を用いて詳細を説明する。「課題解決手段2」を用いて構成される説明用LEDモジュールのハードウエア構成は課題解決手段の場合と同一であるため、システム構成(図8)、ランプユニット回路(図5)に関しては記号表記を含めてそれらをそのまま引用することとする。
【0033】
図11は「課題解決手段2」による上記説明用LEDモジュールの1フレーム周期のタイムチャートである。同図に示されるように、1フレーム周期は、4ビットの点灯制御データに対応する4個の点灯制御スロットU0,U1,U2,U3に区分され、各点灯制御スロット毎に4個の時分割スロットが設けられている。先述のように、点灯制御スロットU0,U1,U2,U3の時間幅はスロットU0を最小時間幅とし、順次逓倍となるよう設定されている。すなわち、点灯制御スロットU0,U1,U2,U3それぞれの時間幅をt0,t1,t2,t3とするとt1=21・t0、t2=22・t0,t3=23・t0となるよう時間設定されている。また、各点灯制御スロット内に設けられ時分割スロットの時間幅は、点灯制御スロット時間幅の1/4に設定されており、結果として、時分割スロットの時間幅も、各点灯制御スロット毎に異なったものとなっている。 点灯制御スロットのこのような時間幅設定方法に対応し、それぞれの点灯制御スロットでの点灯、非点灯を制御する点灯制御データも、各ビット位置に対応する点灯制御スロットの時間幅に応じた重み付けがなされている。すなわち、各LEDランプLi(i=0,1,2,3)に対して、点灯制御スロットRj(j=0,1,2,3)での点灯、非点灯を決定する点灯制御データをcijで表すと、LEDランプLiの1フレーム周期内の総点灯時間幅は、各点灯制御スロット内では1/4デューティの時分割駆動されることを考慮し;
(ci0・20+ci1・21+ci2・22+ci3・23)t0 /4
で与えられる。 先述のように、このように重み付けされた点灯制御データcijは2進数として与えられる輝度データの各ビットをそのまま用いることができる。
【0034】
図5、図8として示したハードウエア回路では、フレーム周期内で設定されている点灯制御スロットの時間幅(及び、その内部に設定されてる時分割スロット)はクロック信号PCのクロック周期により決定されている。従って、時間幅の異なる上記点灯制御スロット、及びその時間幅に対応した重み付けされている点灯制御データを採用したLEDモジュール(以下非均等スロット型LEDモジュールと呼ぶ)を実現する最も簡便な方法は、ハードウエアシステムとしては図5、図8をそのまま用い、制御ユニットから供給されるクロック信号PCの周期を図11に示されるように、各点灯制御スロット毎に、その設定時間幅に応じて変えることである。 この場合、「課題解決手段1」で示されたのと同様、上記各LEDランプに対する重み付けされた点灯制御データ;
(c00,c01、c02,c03)、(c10,c11、c12,c13)、(c20,c21、c22,c23)、(c30,c31、c32,c33)
は、点灯制御スロット番号をキーとして;
(c00,c10、c20,c30)、(c01,c11、c21,c31)、(c02,c12、c22,c32)、(c03,c13、c23,c33)
のように並べ替えられ、点灯制御シフトレジスタに信号線PDよりクロック信号PCに同期させ連続的にシフトインされる。
【0035】
なお 、上記非均等スロット型LEDモジュールの点灯制御スロットの個数(及び各LEDランプに対応する点灯制御データのビット数)は「課題解決手段1」の説明用LEDモジュールと同様4であるが、時間幅に重み付けがなされているため、総時間幅は15段階に調整でき、輝度解像度は15となる。この点灯制御スロット時間幅の重み付け効果は、必要とする輝度解像度が大きくなるにつれ、顕著なものとなる。 例えば、輝度データ8ビットの各ビットをそのまま点灯制御データとして用いることにより、輝度解像度255段階の輝度解像度が点灯時間制御ユニットなしで逓倍時間幅に設定されている8個の点灯制御スロットのみで実現できることになる。
【0036】
【実施例】
以下、実施例に基づき本発明をさらに詳細に説明する。
「実施例1」
「実施例1」は「課題解決手段1」の手法を用いて、256個のLEDランプ、輝度解像度255段階、1/16デューティ比で時分割駆動されるLEDモジュールを実現している実施例である。図12は本実施例のシステムブロック図である。各ランプに付加されているランプユニットは先に「課題解決手段1」において示されたランプユニット回路(図5)と同じものが使用されている。また、連珠状に連ねられた256個のLEDランプ、および各LEDランプに付加されているランプユニットは制御ユニットが接続されている端から16個ずつのグループの区分され、iをグループ番号、jをグループ内での配置の順番を表す番号とし、Li、j、LMi、j(i=0・・・15,j=0・・・15)の番号付けがなされている(ランプユニット内の信号、レジスタ等にも同様に番号付けされている)。また、ランプユニット相互間の結線も「課題解決手段1」の場合と同様であり、隣接するランプユニット間で、それらの入力、出力を相互に接続することにより、点灯制御シフトレジスタ、選択制御シフトレジスタが構成され、制御ユニットから供給されるクロックに同期してこれらのシフトレジスタにデータがシフトインされる。
【0037】
また、「課題解決手段1」の手法と同様、フレーム周期全体は、まず、点灯制御データのビット数に応じた数(255個)の均等時間幅の点灯制御スロットに分割され、各々の点灯制御スロット内に時分割スロット(16個)が設けられ、時間的に同期し、同時並行的に動作する2つの回路動作▲1▼点灯制御データシフト&ラッチ動作、▲2▼時分割駆動動作、により全体が制御されている。以下、本実施例におけるこれら2つの回路動作について述べる。なお、以下の記述において、LEDランプLi、jに対する255ビットの点灯制御データをbi、j、0,bi、j、1、bi、j、2・・・bi、j、255 で表わす。この点灯制御データの各ビットは各点灯制御スロットに対応する。本実施例では「課題解決手段1」と同様、全LEDランプに対する1フレーム周期分の点灯制御データ(256x255ビット)は、まず点灯制御スロットの番号順に、そして同一点灯制御スロット内では対応するLEDランプ番号順に並べ替えられる。図13はこのように並び変えられた点灯制御データの構成を示す。1フレーム分の点灯制御データ13aは13bのように点灯制御スロット番号順に並べられており、各点灯制御スロットでは、対応するLEDランプのグループ番号順(13c)同一グループ内では対応するLEDランプの配置番号順(13d)に並べられている。
【0038】
▲1▼点灯制御データシフト&ラッチ動作
上記のように並び変えられた点灯制御データは1フレーム周期に渡って連続的に点灯制御シフトレジスタにシフトインされる。図14は1つの点灯制御スロット(点灯制御スロットk)でのタイムチャートである。同図に示されているように点灯スロットkでは、対応するLEDランプの番号順に点灯制御データb15,15,k ・・・b2,0,k 、b1,0,k、b0,0,k が制御ユニット出力信号PDよりクロック信号PCに同期して点灯制御シフトレジスタに連続的に点灯制御シフトレジスタにシフトインされる。結果として、点灯制御スロットkの終了時点では、256個の全点灯制御レジスタPi、j (i=1・・・15,j=1・・・15)は対応する点灯制御データbi、j、kで更新されることになる。そして、同図に示されるように更新された点灯制御レジスタPi、jの内容は、各点灯制御スロットの開始時点でQC信号により、点灯制御データ保持レジスタQi、jにラッチされ、点灯制御スロット終了時点まで保持される。
【0039】
▲2▼時分割駆動動作
図15は制御ユニットから選択制御シフトレジスタへの入力データ信号SD、及びそのシフトクロック信号SCの波形である。シフトクロック信号SCはクロック信号PCを1/16に分周した信号であり、入力データ信号SDはクロックSCの16クロック毎、即ち各点灯制御スロットの開始時点で、制御ユニット内でオンに設定される。結果として、S0、0・・・S15,15 の256ビットの選択制御シフトレジスタ内には常に15ビットおきにオンに設定されたデータパターンがSCに同期してシフトされていくことになる。
また、図16には16個のLEDランプ、ランプユニットからなる1つのグループ(グループ番号i)の1点灯制御スロット(スロット番号k)分のタイムチャートが示されている。
【0040】
先に▲1▼点灯制御データシフト&ラッチ動作で述べたように、各点灯制御データ保持レジスタQi、15,Qi、14・・・Qi、0は点灯制御スロットの開始時点から終了時点までそれぞれの点灯制御データを保持している。一方、上述の選択制御シフトレジスタの動作を反映し、ここで示されているグループiの選択レジスタSi、0、Si、1・・・Si、15においても、クロックSCに同期して、オンデータがシフトされていく。即ち、点灯制御スロット内で各LEDランプの選択レジスタは、シフトクロックSCの1サイクル分ずつオンとなる仕組みが実現される。結果として点灯制御スロット内で1/16の時分割駆動が実現されることになる。LEDモジュール全体としても、全てのグループについて選択レジスタが同様に作用することから、各点灯制御スロット毎に1/16デューティでの時分割駆動が実現されることになる。
【0041】
なお、上記選択制御シフトレジスタのシフトパターンとしては、全体256ビット中の16ビットがオン、残り240ビットがオフでありさえすれば、そのシフトパターンを各点灯制御スロットにおいて擬似的にリングシフトすることにより同様の効果を得ることができる。しかしながら、上述のシフトパターンは、次の2点において優れた特性を有する。
▲1▼制御ユニットより16ビットに一度オンデータをシフトインし続けるだけでこの擬似的リングシフトを簡単に実現できる。
▲2▼各点灯制御スロットにおいて、同時に選択点灯されるLEDランプ(時分割グループ)は、各グループ毎に一個のみであり、結果として選択点灯されるLEDランプは常にLEDモジュール全体に均等に分散しているため、電源負荷変動が少ない。
【0042】
「実施例2」
実施例2は「課題解決手段2」の手法、即ち非均等点灯制御スロット方式を用いている実施例である。本実施例においてもハードウエア構成は「実施例1」と同一であり、以下の記述においてはシステム構成、ランプユニット回路は記号表記を含め図12、図5をそのまま用いる。また、先に「課題解決手段2」で述べたように、非均等点灯制御スロット方式を実現する最も簡単な方法は、各点灯制御スロットでの基本クロックPCをその設定時間幅に対応して変化させることであり、本実施例においてもその方法を採用している。図17に示されるように、1フレーム周期内には最小60μsecを最小時間幅スロットとし、順次時間幅がその逓倍となっている番号0〜7の8個の点灯制御スロットが設定され、それぞれの点灯制御スロットは1/16デューティで時分割駆動されている。このような点灯制御スロットの時間幅設定に対応し、各LEDランプLi、jの8ビットの点灯制御データ;
ci、j、0,ci、j、1,ci、j、2 ・・・ci、j、7
では、各ビットci、j、kについて60・2kμsec(k=0,1,2,・・・7)の重み付けされ、結果として、8ビットの点灯制御データで255段階の輝度解像度を実現している。これらの点灯制御データは、図18に示されるように点灯制御スロットをキーとして並べ替えられ、制御ユニットよりクロックPCと同期し信号線PDから点灯制御シフトレジスタに連続的にシフトインされる。
【0043】
「実施例2」についても全体の回路動作は、「実施例1」と同様、図19に示される▲1▼点灯制御データシフト&ラッチ動作と、図20に示される▲2▼時分割駆動動作とに分けられる。 これらの回路動作は、点灯制御スロットの数が8個に削減されていることと、各点灯制御スロットでのクロック信号PCが変動することを除いては、先に「実施例1」で示された回路動作と基本的に同じものとなっている。
【0044】
「実施例3」
「実施例3」が実現しているLEDモジュール仕様は「実施例1」の場合と同様(256個のLEDランプ、1/16デューティ比の時分割駆動、255輝度解像度)であるが、実施例1,2はいずれもフレーム周期をまず点灯制御スロットに分割し、それらの内部に時分割スロットを設けていたのに対して本実施例では従来LEDモジュール同様、1フレーム周期をまず時分割スロットに分割し、各時分割スロット内に点灯制御スロットを設けていることを特徴としている。ハードウエア構成は、実施例1のランプユニット(図5)に対して、図21に示すように信号DSIのオン条件がLEDランプオン条件に加えられ、選択制御シフトレジスタはDSIオフ期間にクロック信号PCによりシフトされる(従って制御ユニットからのSC信号は使用されない)こと以外は「実施例1」と同様なランプユニット回路、制御ユニットが採用され、それらの入出力が相互に結線され、点灯制御シフトレジスタ、選択制御シフトレジスタが構成されている等も同様である(従って混乱が生じない範囲で、回路に関する記号表記等も「実施例1」と同じものを使用する)。また、「実施例3」においても、連珠状に連ねられた256個のLEDランプは端から16個ずつのグループに区切られ、先に図12に示されたのと同様、各ランプユニットには、この16個ずつのグループの区分に対応し、iをグループ番号、jをグループ内での配置の順番を表す番号とし、LMi、j(i=0・・・15,j=0、1,2・・・15)の記号が付されている。実施例1、2とは異なり、本実施例の場合、これらの各グループは時分割グループを構成している。即ち、1フレーム周期内の16個の時分割スロットそれぞれは上記16個のグループをそれぞれの時分割グループとしている。また、各LEDランプに対する点灯制御データは255ビットから構成され、従って、各時分割スロットには255個の点灯制御スロットが設定されている。時分割スロット内における点灯時間制御はこの点灯制御スロット単位で点灯、非点灯を制御することで行われ、以下、LEDランプLi、jに対する255ビットの点灯制御データを「実施例1」の場合と同じ記号表記を用い、bi、j、0,bi、j、1、bi、j、2・・・bi、j、255 で表わす。本実施例についても、回路動作は、以下に述べるように、相互に同期しつつ、時間的に平行して進行する点灯制御レジスタを主体とする点灯制御データラッチ動作と選択レジスタを中心とする時分割駆動動作とに分けることができる。
【0045】
▲1▼時分割駆動動作
各時分割スロットは、対応する時分割グループの(16個の)選択レジスタを選択的にオンとすることで実現されている。 図22は1つの時分割スロットiのタイムチャートである。 同 図に示されるように時分割スロットの時間幅は、1個の時分割グループに対応する点灯制御データの長さ、即ち、クロック信号PCの16x255クロック分である。また各時分割スロットの前には、クロック信号PCの16クロック時間幅のシフトフェーズが設けられている。シフトフェーズでは、信号DSはオフに保たれ、選択制御シフトレジスタ全体が、16ビット、即ち1時分割グループ分シフトされ、時分割グループ(i−1)の16個の選択レジスタの内容がそのまま時分割グループiの16個の選択レジスタへと移される。一方、各フレーム周期の最初のシフトフェーズ(16PCクロック)ではSDがオンに保たれ、時分割グループ0の16個の選択レジスタをオンに初期セットするので、全フレーム周期に渡って、各時分割スロットでは対応する時分割グループの16個の選択レジスタがオンに(その他の選択レジスタは全てオフに)セットされる仕組みが実現されている。図23には、時分割スロットi−1では、対応する時分割グループの16個の選択レジスタSi−1,0,Si−1,1・・・Si−1,15 がオンにセットされ、次の時分割スロットiではSi,0,Si,1・・・Si,15 にオンがセットされていることが図示されている。また、図22に示されるように時分割スロットiはクロック信号PCのクロック(16+255x16)・i+16から始まり、この開始のタイミングは次に述べる時分割グループiの点灯制御データラッチ動作開始のタイミングと一致している。
【0046】
▲2▼点灯制御データシフト&ラッチ動作
図24は本実施例において、制御ユニット出力信号PDよりクロック信号PCに同期して点灯制御シフトレジスタに制御ユニットの出力信号PDより、連続的にシフトインされる点灯制御データの構成を表す。同図に示されるように、点灯制御データ全体は16個の時分割グループに対応して16分割されており、分割されたそれぞれのデータは各点灯制御スロットに対応し、さらに255個に分割されている。そして、各点灯制御スロットに対応したそれらのデータは対応する時分割グループの16個のLEDランプ(各1ビットが対応)に対応した16ビットのデータから構成されている。また、図のbi、j、k は時分割グループiのj番目に位置するLEDランプに対するk番目の点灯制御スロットに対する1ビットの点灯制御データを表す。すなわち、時分割スロットi、点灯制御スロットjに対応する点灯制御データは、時分割スロットiに対応する時分割グループiに属する16個のLEDランプに対する16ビットの点灯制御データ、bi、0、j 、bi、1、j 、bi、2、j ・・・・・ bi、15、j より構成されている。また、時分割グループiの16個の点灯制御レジスタPi、0,Pi、1,Pi、3・・・Pi、15に対応する最初の点灯制御データbi、0、0,bi、1、0 、bi、2、0・・・bi、15,0 がセットされるのは、点灯制御データの先頭から上記データまでの長さ16x255・i+16と時分割グループ0から時分割グループiに至る点灯制御シフトレジスタの段数(ビット数)による遅れ、16・iの和(16+255x16)・i+16PCクロックとなり、先に示した時分割スロットiの開始タイミングと一致する。また、時分割スロットiの点灯制御スロットjの先頭では、時分割グループiの点灯制御レジスタPi、0,Pi、1,Pi、3・・・Pi、15にはそれぞれ点灯制御データbi、0、j,bi、1、j 、bi、2、j・・・bi、15,jのがシフトインされており、一方QCも各点灯制御スロットの先頭でオンにセットされる。即ち、選択されている時分割グループに関して16PCクロック毎に点灯制御データの点灯制御データ保持レジスタへのラッチ動作が点灯制御スロットの数(255個)だけ繰り返され、結果としてLEDランプLi、k、jは時分割スロットi内の点灯制御スロットjでは、点灯制御データbi、k、jにより点灯、非点灯が制御されることになる。
【0047】
以上の▲1▼、▲2▼の2つのプロセスにより、各時分割スロットでは、対応する時分割グループが、該グループに属する全て(16個)のランプユニットの選択レジスタがオンにセットされ、その他の時分割グループの選択レジスタは全てオフに設定されることにより、回路的に選択され、かつ、上記時分割スロット内において選択された上記時分割グループの各点灯制御保持レジスタが点灯制御スロット毎に所定の点灯制御データにより更新されるという実施例3の基本動作を実現している。
【0048】
「実施例4」
実施例1,2,3に示されたごとく、本発明によるLEDモジュールでは、連珠状に連ねられるランプユニットの回路構成は全て同じであり、例えば制御ユニットからの距離に応じてアドレス等を設定する必要がない。また、ランプユニット間を結ぶ信号線の数も少ないので、柔軟性のあるものとすることができ、ランプユニットとの接続部(コネクタ)も簡単な構造とすることができる。「実施例4」は本発明のこうした利点を利用した表示システム例であり、表示部は連珠状に連ねられたLEDランプユニット(以下表示セグメントと呼ぶ)を用いて構成される。これらの表示セグメントは、長さ、ピクセル間隔、形状、柔軟度の異なる各種のタイプが汎用表示部品として用意されている。
【0049】
図25はこれら長さの異なる表示セグメントを用いて構成される”のれん”状の表示システムである。長さの異なる表示セグメントが一定間隔で釣り下げられ、各表示セグメント間は一筆書き状となるよう信号線で相互に接続され、一端には制御ユニットが接続されている。
従来システムでは最終の表示面形状を想定しLEDモジュールを制作する必要があった。これに対して、本実施例が示しているように、本発明は基本的には線状の表示部をもつLEDモジュールであるが、ランプユニットは相互に互換性があるため、予め汎用部品として用意された各種の表示セグメントを信号線で接続するだけで、いろいろな形の面、立体構造に簡単に仕立て上げることができる。また、図26は例えば表示部全体を樹枝状に仕立て上げるため、上記の表示セグメントを分岐接続した例である。図26の26aは分岐セグメントのランプユニット個数分の点灯制御シフトレジスタ、及び、選択制御シフトレジスタのクロック遅延ユニットである。即ち、本発明では、ランプユニット位置としては点灯制御レジスタ、選択制御シフトレジスタのシフト&ラッチ動作に関連する制御ユニットからの”遠さ”(シフトレジスタの深さ)のみしか認識されないため、両シフトレジスタのクロックを分岐セグメント26b相当分遅延することで、主幹セグメント26cは分岐セグメント26bの先に接続されているのと同等に動作させることができる。上記遅延ユニットは、遅延クロック数をダイアルで設定することができ、長さの異なる表示セグメントでも簡単に分岐接続することができる汎用部品として製作される。
【0050】
「実施例5」
以下に述べる「実施例5」は、本発明によるLEDモジュールの実装方法に関するものである。図27に示されるように本発明によるLEDモジュールにおいては、通常、各3原色に対応する3個のLEDランプと前述のランプユニット回路を小プリント基板上に一体的に組み立て、それら小プリント基板を相互にフレキシブルな信号線で結び、透明管の中に収納される。 前記透明管の材料として、透明塩化ビニールチューブ等柔軟性を備えた材料を採用することにより、いわゆるルミチューブ同様、設置、形状に関して非常に柔軟性のある連珠状のフルカラーLED表示器が実現できる。また、ビル壁面等での大形TV表示器においては、従来のマトリックス型のLEDモジュールに替わり、図28に示されるように上記収納管を一定間隔で並べることにより実現される。この場合、収納管だけを予め壁面等に設置し、LEDモジュール本体は、設置されている前記収納管の一端から挿入、あるいは抜き取ることができる構造とされる。図29に示される収納管断面は、そのための断面構造である。ガラスあるいはプラスチックで作られ、固定金具を兼ねたアルミベースで補強された収納管の内側には、上記信号線で連ねられた小プリント基板を円滑に引き込み、あるいは引き出すため、上下に2つの溝が設けられ、LEDモジュール本体は、この溝に沿って滑り、全LEDランプが正しく正面を向いて収納されるよう工夫されている。また、同図に示されるように、LEDランプ上方には、太陽光線を遮るための遮光部とLEDランプの上方への光線を反射させるための鏡面加工部がアルミベースを利用して設けられている。さらに収納管の一端には換気煽が設置され、収納管内部の熱放出の効率化が計られている。
【0051】
以上述べた構造により;
▲1▼大形保護ガラス設置の必要性がなくなる。
▲2▼メンテナンスは画面側方だけから行えるため、画面前面、後面からのアクセス機構を省くことができる。
▲3▼設置に際しては、配線を考慮することなく壁面に単純に収納管を並べればよいため、従来システムでは不可欠であった、画面、壁面間での配線作業スペース、モジュール固定のためのフレーム構造が不要である。
なお、収納管にLEDモジュール本体(収納部)を引き込み収納する際のねじれを防ぐ方法としては、上記の収納管内側に溝を設置する方法以外に、収納管の断面形状を真円以外とし、LEDモジュール本体断面を前記収納部断面とかみ合うように設定する、あるいは、LEDモジュール本体を回転方向に(収納部長手回転軸方向)に剛とし、収納管の一端から、収納時のねじれを修正することができる構造とすることも有効な手法となる。なお、前記剛性のある収納部を一定の長さでモジュール化し、複数モジュールを一本の棒状に接続継ぎ足しながら順次挿入する、あるいは引き出しながら順次分解することもシステムの搬入、組み立て、修理を簡便にする上で有効な手段となる。
【0052】
【発明の効果】
以上説明したように、本発明によるLEDモジュールでは、表示部回路、配線、制御装置が大幅に単純化でき、LED表示システムの大型化、形状の多様化への対応、及び、設置、メンテナンスコストの低減に効果を発揮する。
【図面の簡単な説明】
【図1】従来のLED表示システムの構成を図示したものである。
【図2】従来のLEDモジュール回路のブロックダイヤグラムを図示したものである。
【図3】従来のLEDモジュールの回路を用いて連珠状表示部をもつLEDモジュールを実現した場合のブロックダイヤグラムを図示したものである。
【図4】本発明によるLEDモジュールの基本構成を図示したものである。
【図5】本発明によるランプユニットの基本回路を図示したものである。
【図6】ランプユニットの入出力線相互間の結線を図示したものである。
【図7】点灯制御シフトレジスタ及び選択制御シフトレジスタを図示したものである。
【図8】説明用LEDモジュールのシステム構成図である。
【図9】「課題解決手段1」により構成されたLEDモジュールの点灯制御データシフト&ラッチ動作を示すタイムチャートである。
【図10】「課題解決手段1」により構成されたLEDモジュールの時分割駆動動作を示すタイムチャートである。
【図11】「課題解決手段2」により構成されたLEDモジュールの1フレーム周期分のタイムチャートである。
【図12】「実施例1」のシステム構成図である。
【図13】「実施例1」の点灯制御データの構成図である。
【図14】「実施例1」の点灯制御データシフト&ラッチ動作を示すタイムチャートである。
【図15】「実施例1」の時分割駆動動作を示すタイムチャートである。
【図16】「実施例1」の1点灯制御スロット分のタイムチャートである。
【図17】「実施例2」の1フレーム周期分のタイムチャートである。
【図18】「実施例2」の点灯制御データの構成図である。
【図19】「実施例2」の点灯制御データシフト&ラッチ動作を示すタイムチャートである。
【図20】「実施例2」の時分割駆動動作を示すタイムチャートである。
【図21】「実施例3」のランプユニット回路を図示したものである。
【図22】「実施例3」の1時分割スロット分のタイムチャートである。
【図23】「実施例3」での選択レジスタの動作を図示したものである。
【図24】「実施例3」の点灯制御データの構成図である。
【図25】「実施例4」に示される”のれん”状LED表示システムを図示したものである。
【図26】「実施例4」に示される表示セグメント分岐方法を図示したものである。
【図27】透明収納管に収納された本発明によるLEDモジュールを図示したものである。
【図28】ビル壁面等に設置された収納管を図示したものである。
【図29】収納管の断面図である。
【符号の説明】
1a LED表示パネル
1b LEDモジュール
1c ピクセル
2a 行バッファメモリ
2b ランプユニット
2c 行バッファメモリ入力端
2d 行バッファメモリ出力端
2e 点灯時間制御ユニット
2f 時間幅番号発生回路
3a 行バッファメモリ、点灯時間制御ユニット
3b 行選択回路
13a 点灯制御データ
13b 点灯制御データの構成
13c 点灯制御スロットi点灯制御データ構成
13d 点灯制御スロットi、グループj点灯制御データ構成
26a 遅延ユニット
26b 分岐セグメント
26c 主幹セグメント
【表1】[0001]
[Industrial applications]
The present invention relates to an LED module in which LED lamps that can individually control brightness are connected in a cascading manner, and particularly when realizing a brightness control, a time division driving method, and a large display device and an electric decoration device using them. About how to implement.
[0002]
[Prior art]
As a conventional LED display device having an LED lamp whose brightness can be controlled as a display unit, a large-sized video display device used exclusively outdoors shown in FIG. 1 is well known. In a video display device (TV) using the full-color LED lamps, each pixel (pixel) is usually provided with three LED lamps each emitting three primary colors (R, G, B). Receives individual brightness from TV, image generation device, etc. every frame cycleBrightness dataVideo display is realized by controlling based on. The frame period is usually about 1/30 second in a TV, but in the case of an LED display system, it may be set to about half (1/60 second) in order to prevent flicker (in this case, generally the same period). Two frames are repeatedly displayed with the luminance data). The display panel 1a of the display device of FIG. 1 is divided into a plurality of LED modules 1b each having, for example, 16 (row) × 16 (column) pixels 1c per module.
[0003]
FIG. 2 is a block diagram of a circuit for one of three primary colors of a conventional LED module assembled in such a 16 × 16 matrix. Actually, similar circuits are provided for the other two colors. The LED lamps on the module are divided into groups for each row in order to optimize luminous efficiency and reduce the number of drive drivers, and are selected and time-divisionally driven for each row group (hereinafter, simultaneously selected and driven in time-division driving). LED lamp groupsTime division group). Each time division group is numbered 0, 1,... 15 in the same order as the row numbers. That is, the lamp unit 2b is divided into time-division groups for each row, . . Driven by 16 row and column drivers with 15 addresses; C0, C1,... C15, D0, D1,... D15 (LED lamps at row i and column j of lamp unit 2b It is driven by the push-pull method by the drivers Ci and Dj in the i-th row and the j-th column).
[0004]
Within the frame period, the driving time zone corresponding to the time division group (hereinafter, referred to as the driving time zone)Time division slot) Is provided. Since the time-division slots have a one-to-one correspondence with the time-division groups, the same numbers are assigned to the corresponding time-division groups. Further, in terms of the circuit, in the time division slot i, the row driver Ci is kept on, so that the time division group of the i row is selected. The lighting control for the time division group selected in each time division slot is controlled by the ratio of the lighting time and the astigmatic time in the corresponding time division slot. The lighting time ratio control is performed based on the brightness data corresponding to each LED lamp. The luminance data is 8-bit data supplied from the image generation device or the like for each frame period, and is basically numerical data indicating the ratio of the lighting time in the corresponding time-division slot. The correspondence between the brightness data value and the lighting time ratio reflects the non-linear relationship between the lighting time ratio and the actual visual brightness, and should not be set to a simple proportional relationship.
Sometimes. In this case as well, data representing the lighting time width simply as a binary value is newly generated by the correction relating to the visual luminance (so-called γ correction). In this case, in this case, the newly generated data is It is to be read as luminance data. That is, it is assumed that the brightness data is a binary value representing a lighting time width in which 0 is off, 255 corresponds to the maximum brightness, and the ratio of the lighting time to the time division slot time width is 0% and 100%, respectively.
The display performance of the display system is greatly related to the dynamic range of luminance data (the number of luminance control steps, 255 steps in the above example).Brightness resolutionCall.
[0005]
Reference numeral 2a in FIG. 2 denotes a row buffer memory for storing luminance data for one frame and one row of LED lamps. As shown in the figure, the row buffer memory is composed of 16 registers (8 bits wide) which hold the luminance data of the 16 LED lamps constituting each row.輝 度 Transfer of luminance data to each register constituting the row buffer memoryShift and latch methodIt is performed by. That is, the input and output of each of the registers are connected to each other to form a shift register having an 8-bit width and a 16-stage shift register in which the stored contents are shifted to the next stage by a common clock. Sixteen corresponding luminance data corresponding to the sixteen registers are sequentially shifted in from the input terminal 2c of the shift register by the common clock in the depth order of the registers, and predetermined data is set in all stages. It is latched and fixed at the timing. The output terminal 2d of each row buffer is connected to the input terminal of the row buffer memory of the next adjacent module, and one shift register is constituted by the entire row buffer memory as a whole display screen. That is, input and output are interconnected between adjacent modules so as to constitute one shift register even among a plurality of LED modules constituting the display screen, and the rows of all the LED modules constituting the display screen are connected from the input end thereof. The structure is such that luminance data can be transferred and set to the buffer memory by the shift & latch method. The 16 registers, which constitute a row buffer memory and receive and store the brightness data of each LED lamp in a shift-and-latch manner, turn on the corresponding LED lamps within the frame period based on the stored brightness data. , By controlling the rate of non-lighting,Lighting control registerCall.
[0006]
In terms of the circuit, the lighting time width control in each time division slot is performed by the lighting time control unit 2e in the LED module. The main circuit elements of this lighting control unit are one
[0007]
[Problems to be solved by the present invention]
As described above, in the conventional system, the lighting time control unit 2e and the row buffer memory 2a ultimately drive the LED lamp. These circuits control the lighting of a plurality of LED lamps in each row, and are shared by the LED lamps in the plurality of rows. That is, in the conventional system, in order to reduce costs, it is necessary to share various control functions corresponding to rows between time-division groups, and when pixels of the entire display are regarded as rows and columns, each pixel is adjacent. While the rows are closely connected in terms of wiring, the row buffer memories mounted for each module are updated by the shift-and-latch method, so that interconnections are also required in the column direction. In the conventional system, in order to simultaneously satisfy the wiring relationship between the top, bottom, left, and right, and the wiring distance constraint, the entire screen is divided into modules in a matrix, and a control circuit such as a lighting time control unit and row buffer memory is provided for each module. The control circuits of these modules are distributed over the entire screen, and are attached to the back side of the display surface. That is, in the conventional LED display device, the entire screen is not only finely divided in a plane for each module, but also divided into a display unit on the front side and a control circuit layer on the back side. Therefore, as described above, since the luminance data is transferred by the shift-and-latch method and the lighting time control unit is shared between rows, it is not only connected by a large number of signal lines in the vertical and horizontal directions, but also in each module. In this case, the LED lamp layer on the front side and the control circuit layer on the rear side are connected by many signal lines. That is, the biggest problem in the display device using the conventional LED module is that it is necessary to provide a large number of wirings between each LED lamp and various control circuits in a mesh on the top, bottom, left, right, front and back without any break. This is a common cause of various problems described below.
[0008]
The first problem is that it is very difficult to design and assemble the display surface in consideration of maintenance and replacement of each LED module. That is, in the conventional module, due to its complicated wiring, the LED module needs to assemble the control circuit and the peripheral LED lamps integrally on a printed circuit board. There is also a need to connect many signal lines between them.
In order to arrange a large number of modules without gaps, a frame for arranging and fixing each of those modules is necessary. Since the front surface is the display surface on which the LED lamp is mounted, those frames are installed behind. The frame requires a considerable size in strength, and inevitably obscures the signal line running behind, making it extremely difficult to remove the signal line connector or the like when replacing the module. In addition, since the frame is installed at the rear of the module, the module must be pulled out from the entire surface, and it is necessary to secure access means such as a scaffold from both front and rear surfaces during maintenance. The necessity of securing scaffolding on the entire surface and the back side is, for example, for large display devices that are mounted on the building wall and have a vertical and horizontal length of about 10 m, drill holes in the wall behind the display and specially maintain a room for maintenance. At the same time, it is necessary to secure access means such as a gondola on the front surface, which is a major cost issue.
[0009]
Further, it is extremely difficult to take protective measures for protecting the LED lamp body or the control circuits distributed and installed behind the display surface from the weather. Usually, the entire screen is covered with glass.However, such large glass is very expensive, and the frame and other mechanisms for opening and closing fragile and heavy objects such as glass reduce strength and weight by themselves. It is necessary and very large. Therefore, measures such as covering the display surface of the module with a transparent silicon resin or the like to make the control circuit behind the module waterproof are also taken for each module.However, even in such a case, separate waterproofing such as waterproof sealing of the gap between the modules is performed. A countermeasure is required, which increases the cost and makes it more difficult to pull out, replace, and reseal the module.
[0010]
The second problem is that the display screen configuration lacks flexibility.
That is, in the large-sized video display device in which the screen is constituted by the conventional LED modules in which the above-mentioned LED lamps are fixedly arranged in a matrix, the display screen is basically limited to a flat and rectangular shape, and the assembly is performed on a rigid frame. It is assumed that it is fixed to. Therefore, the lamp lacks the flexibility of spatial arrangement / deployment, and the display unit has a shape other than pixels formed in a rectangular and matrix shape, for example, the display unit has a spherical shape such as a mirror ball, or a tree-like shape such as a Christmas tree. It is very difficult to deal with various three-dimensional shapes such as an undulating band shape.
[0011]
A third problem is that it is difficult to cope with an increase in the size of the display device.
In a conventional display device in which various control circuits such as a row buffer and a lighting time control unit are provided for each module, the arrangement pitch of the LED lamps is fixed due to the restriction of the wiring distance between the control circuit and the LED lamps. It is necessary to accommodate the following, which is a major obstacle to the enlargement of this type of display device.
[0012]
The present invention seeks to solve the above-described problems by adopting a display unit in which LED lamps are connected in a row, instead of an LED module including a display unit in which LED lamps are arranged in a matrix. To do. In order to realize an LED module having such a cascading display unit, various problems occur in a conventional drive circuit. For example, FIG. 3 shows the conventional LED module driving circuit shown in FIG. It is intended to realize. The first problem in this case is that the distance between each LED lamp from a control device such as the row buffer unit, the lighting time control unit 3a, and the row selection circuit 3b is extremely long. For example, the length of a cascading LED module in which 256 lamps are connected at a pitch of 4 cm is about 10 m. In the conventional driving method of FIG. 3, the maximum length of the wiring between the driver and the LED lamp is this length ( 10 m), which exceeds the limit of the length that can be simply driven. Further, the number of wires from these control devices to the display unit is required to be at least 32, and in the case of three primary colors, it is three times as large, and the thickness of the wires and the complexity of the wires are also major obstacles.
[0013]
In addition, each LED lamp needs to be connected to a specific row and column driver defined for each LED lamp. In other words, each LED lamp is assigned a specific address, and it is necessary to carry out wiring processing while always being aware of that address. In that sense, the conventional system has an uneven wiring structure. As will be described later in “Example 4”, the function of dividing such a cascading LED module into small segments, freely selecting and joining them, and tailoring them into a variety of shapes is very important in practical use. Although it is a function, in the conventional system, it is necessary to always observe the above-described restriction on the wiring structure, which impairs the degree of freedom regarding segmentation, segment connection, and combination.
[0014]
As a display device in which light-emitting elements are arranged in a bead shape, for example, an electric decoration device in which a large number of color miniature bulbs, LED lamps, and the like are arranged in a string shape is well known by the name of Lumitube. Because this Lumi tube is flexible in its installation location and installation shape, for example, it can be entangled with a standing tree like a Christmas tree, installed along buildings, arcades, or as a part of stage decoration. It is widely used as a versatile illumination system. However, while a display device employing a conventional cascading light emitting portion represented by a Lumi tube can be tailored into various shapes as a whole, the display content basically flashes according to a predetermined fixed schedule. It is limited to simple display contents such as repetition, and cannot display images from an image generation device such as a TV camera image and a personal computer screen.
[0015]
[Means for Solving the Problems]
As described above, the present invention realizes an LED module having a display unit in which LED lamps are connected in a cascading manner, thereby reducing the cost of a large display device, the degree of freedom in pixel arrangement, and the advanced image display function. The aim is to realize an LED display system that combines To this end, the need for matrix-like (two-dimensional) wiring and three-dimensional wiring between LED lamps, which is a bottleneck in conventional LED modules, is eliminated, and only linear (one-dimensional) wiring is used. It is necessary to keep the required number of wires as small as possible. In the present invention, as shown in FIG. 4, a very simple control circuit (hereinafter, referred to as each pixel (each LED lamp)) is used.Lamp unit), And by connecting the adjacent lamp units with each other with necessary signal lines, these lamp units are connected in a string form, and one end thereof is connected.Controller unitTrying to achieve this goal by connecting to. In other words, the main object of the present invention is to simplify and equalize the lamp unit circuit as much as possible without reducing the display performance, and to minimize the number of signal lines connecting between the lamp units, and Another object of the present invention is to reduce the required transmission capacity and speed between modules as much as possible.
Hereinafter, the problem solving means of the present invention for achieving the above object will be described by dividing it into a basic problem "problem solving means 1" and a further developed "problem solving means 2".
[0016]
"Problem solving means 1"
"Problem solving means 1" is realized by the following basic methods (1) to (4).
[0017]
{Circle around (1)} In the conventional system, as described above, each row constituting the display surface constitutes a shift register integrally connected to the right and left, while realizing time-division driving across the rows, the rows between different rows are provided. A buffer memory and the like are shared, and a close relationship in circuit is established between rows. That is, the pixel groups that are mutually connected for the shift and latch transfer and the pixel groups that realize the time division driving and share the row buffer and the lighting time control unit do not match as a group. . According to the present invention, in order to eliminate upper and lower wirings between rows, mutually connected pixel groups themselves are divided into time-division driving groups and driven in a time-division manner by a shift-and-latch method. That is, the pixel group connected by wiring for transfer in the shift-and-latch system is matched with the pixel group connected by wiring for time division driving. The above-mentioned time-division driving corresponds to one register on the lamp unit corresponding to each LED lamp.Select register). Like the lighting control register, this selection register is a shift register (hereinafter referred to as a shift register) that is shifted by a common clock by connecting input and output to each other.Selection control shift register), The selection unit is updated by the update data input and shifted from one end of the selection control shift register by the control unit, and a time-division signal is generated for each lamp unit based on the updated contents. It is a mechanism that is generated (details will be described later).
[0018]
{Circle around (2)} In the conventional system, the lighting control registers corresponding to the respective LED lamps are collectively installed as a row buffer memory for each module. On the other hand, in the present invention, the lighting control register is arranged independently for each LED lamp as a part of the circuit in the lamp unit described above. As in the conventional system, these lighting control registers are shift registers (hereinafter referred to as shift registers) which are shifted by a common clock.Lighting control shift register), And each lighting control register can be updated from the input terminal by a shift & latch method. By distributing the lighting control registers on the lamp units in this manner, the distance between the lamp units, and thus between the LED lamps, can be increased, and the signal lines connecting the lamp units are made flexible. Thereby, a more flexible LED lamp arrangement can be realized.
[0019]
{Circle around (3)} In the conventional system, the lighting control register is updated with the luminance data every frame period, and the lighting time control unit performs the lighting time control on a frame cycle basis.
In the present invention, in order to simplify the lighting control register and omit the lighting time control unit, a plurality of lighting control time zones (hereinafter, referred to as “light control time zones”) within one frame period are provided for each LED lamp.Lighting control slot) Is provided, and the lighting time control of the LED lamp is performed for each lighting control slot. For this reason, in the present invention, control data for performing lighting control in units of the lighting control slots based on the brightness data received by the control unit in frame units (hereinafter, this control data includes the meaning of distinguishing the control data from the brightness data.Lighting control data). The role of the lighting control data in the lighting control slot is to control the ratio of the lighting time in the lighting control slot, similarly to the relationship of the luminance data to the frame period in the conventional system. Therefore, regarding the above-mentioned lighting control slot, the conventional system can be regarded as a system in which only one lighting control slot (= time-division slot) is set for each LED lamp within a frame period.
[0020]
{Circle around (4)} Further, according to the present invention, in principle, the same number of lighting control slots as the required luminance resolution are set within a frame period, so that the lighting control data is simply turned on / off in each lighting control slot. Is compressed to 1-bit data indicating the Therefore, in the present invention, the lighting control register that stores the lighting control data corresponding to each lighting control slot is also a 1-bit register, and further, the lighting time control unit is not required in each lamp unit.
[0021]
FIG. 5 shows a basic circuit of a lamp unit that specifically realizes the above-described basic method of the present invention. In FIG. 5, the signal lines on the right side of the unit are input signal lines for the lamp unit, and the signal lines on the left side of the unit are output lines corresponding to the respective input lines. Also, as shown in FIG. 6, the lamp unit has LM in order from the side where the control unit is connected.0, LM1, LM2,... (Hereinafter, when it is necessary to indicate the unit number also on the signal lines and circuit elements of each lamp unit, Li, PCOi.., Etc., a lamp unit number is added to a symbol representing a circuit element or a signal line), and each output line is connected to an adjacent corresponding input line between adjacent lamp units. The input signal line of the endmost lamp unit is connected to the corresponding output line of the control unit. The main circuit elements of the lamp unit (see FIG. 5) are an LED lamp L, a lighting control register P, and a register Q (hereinafter referred to as a latch Q) for latching the output of the lighting control register.Lighting control data holding registerAnd the selection register S. Each of these three latch registers latches the input d as an internal state at the rise of the clock c, and the new internal state is reflected on the output q. As described above, the lighting control register P and the selection register S are shared by the input and output of each lamp unit, so that the clock is shared and the control is performed as shown in FIG. Two sets of shift registers shifted by the clock signals PC and SC from the unit, that is, the above-described lighting control shift register and selection control shift register are configured. The output signals PD and SD of the control unit are data input signals to the respective shift registers. The control unit synchronizes the two shift registers with the respective clocks PC and SC to shift in necessary data from the control unit. Latch register P of each lamp unitiOr SiPlays a role in setting the internal state of the to a predetermined value.
[0022]
Next, the basic operation of the lamp unit and the control unit will be described. The following description is made by setting up a very simplified LED module specification for illustrative purposes only. That is, the LED module simplified for this explanation is composed of four LED lamps, four lighting control slots are set in the frame period, and each LED lamp is time-divisional with a 1/4 duty ratio. Being driven.
[0023]
FIG. 8 is a system configuration diagram when the LED module set for the above description is realized using the lamp unit and the control unit. That is, the LED module is composed of four LED lamps, a lamp unit added to each LED lamp, and one control unit, and as described above, these LED lamps and lamp units have L in order from the end to which the control unit is connected0, L1, L2, L3, LM0, LM1, LM2, LM3It is numbered.
[0024]
FIG. 9 is a time chart for one frame cycle of the LED module according to “Problem solving means 1”. As shown in the figure, different from the conventional system, each frame period is first divided into lighting control slots, and a time division slot is provided in each lighting control slot. As described above, the number of lighting control slots is four in accordance with the set luminance resolution.0, R1, R2, R3And the symbol. Also, each lighting control slot RiIn each of the four time-division slots corresponding to each time-division group (one LED lamp in this system example) provided in thei0, Ri1, Ri2, Ri3The symbol of is attached.
[0025]
As described above, the control unit generates the lighting control data for each lighting control slot of each LED lamp from the luminance data given from the outside. Table 1 shows the generated lighting control data b.ij(I = 0, 1, 2, 3, j = 0, 1, 2, 3), and the LED lamp Li has the bit b in the lighting control control slot j.ijIndicates that lighting and non-lighting are controlled.
[0026]
The circuit operation can be divided into the following two operations, (1) lighting control data shift & latch operation and (2) time-division driving operation, which proceed simultaneously while synchronizing with each other.
[0027]
(1) Lighting control data shift & latch operation
Lighting control data for each LED lamp of the conventional LED module shown in Table 1 above;
(B00, B01, B02, B03), (B)10, B11, B12, B13), (B)20, B21, B22, B23), (B)30, B31, B32, B33)
First, in the control unit, the lighting control slot number is used as a key (b30b20b10b00), (B)31b21b11b01), (B)32b22b12b02), (B)33b23b13b03). The lighting control data thus rearranged is continuously shifted into the lighting control shift register from the signal line PD in synchronization with the clock signal PC (16 clocks / frame period) as shown in FIG. P in FIG.0, P1, P2, P3Represents a change in the internal state of each lighting control register accompanying the shift-in operation, and represents a lighting control register Pi(I = 0, 1, 2, 3) indicates that the lighting control data shifted in from the signal line PD is sequentially set as an internal state with a delay of i + 1 clock. 4 The four shaded portions in the figure indicate the lighting control register P at the start of each lighting control slot.i(I = 0,1,2,3) LED lamp LiOwn lighting control data bij, Bij, Bij, Bij(J = 0, 1, 2, 3) indicates that it is set as an internal state. As shown in the figure, the output signal QC of the control unit is set to ON at the start of each lighting control slot, and the lighting control register P at this timing is set.iThe lighting control data holding register QiLatched. Q in FIG.0~
[0028]
(2) Time-sharing drive operation
The time division driving operation is performed by the selection register SiThe same operation is repeated for each lighting control slot. In the simplified explanation LED module, the signal QC is used as the signal SD, and the clock PC is used as the clock SC (separate signals are required in an embodiment to be described later), and as shown in FIG. The line SD is connected to the signal line QC, and the signal line SC is connected to the signal line PC.
As shown in FIG. 10, at the start of each lighting control slot,0Is set to ON, and thereafter, in synchronization with the clock SC (= PC), S1, S2, S3The internal state (ON) is shifted toward. {That is, in each lighting control slot, the selection register SiAre set ON for one cycle of the clock PC corresponding to each time-division slot. On the other hand, each LED lamp LiIs the lighting control data holding register QiOutput and latch register SiIs driven by the AND output of the LED lamp L in each lighting control slot.iIs the selection register Si(I.e., 1 / hour of the lighting control slot time width) during the ON period of.
[0029]
By the combination of the operations (1) and (2) described above, in each lighting control slot, based on the lighting control data latched in the lighting control data holding register, the lighting is time-divided into 1/4 duty. Control is realized.
[0030]
"Problem solving means 2"
The "problem solving means 2" also employs all the techniques described in "problem solving means 1", but differs from the "problem solving means 1" or the conventional system in that a plurality of lightings corresponding to each LED lamp In the set of control slots, the time width of each lighting control slot is set to be a multiple of the time width of the lighting control slot having the minimum time width. In this case, the 1-bit lighting control data that determines lighting or non-lighting in each lighting control slot can be regarded as being weighted in a binary manner according to the time width of each lighting control slot. That is, the total value of the duration of the lighting time of each LED lamp within the frame period is given as the product of the binary value indicated by the corresponding lighting control data and the minimum duration. On the other hand, since the binary value of the luminance data simply corresponds to the lighting time width within the frame period, the time width is directly multiplied without modifying the luminance data given as the binary value. It can be used as lighting control data corresponding to each set lighting control slot. That is, in the "problem solving means 2", it is possible to omit the lighting time control unit not only in the lamp unit but also in the control unit.
[0031]
When the time widths of the lighting control slots are all equal as in the case of “Problem solving means 1”, only the “total number” of the lighting control slots that are turned on is the target of the lighting time width control. Yes, individual "combinations" of lighting control slots selected to be on are not controlled. In the “problem solving means 2”, all combinations of 1 and 0 of each bit of the lighting control data corresponding to each LED lamp correspond to the combination of lighting and non-lighting of the corresponding lighting control slots having different time widths. The "combination" of the
[0032]
Hereinafter, the “problem solving means 2” will be described in detail using the LED module specifications (four LED lamps, the number of lighting control slots in a frame cycle of 4, and 1/4 time division driving) simplified for the above description. explain. Since the hardware configuration of the LED module for explanation configured using “Problem solving means 2” is the same as that of the problem solving means, the system configuration (FIG. 8) and the lamp unit circuit (FIG. 5) are represented by symbols. And these are quoted as they are.
[0033]
FIG. 11 is a time chart for one frame cycle of the LED module for explanation by "Problem solving means 2". As shown in the drawing, one frame period includes four lighting control slots U corresponding to 4-bit lighting control data.0, U1, U2, U3, And four time-division slots are provided for each lighting control slot. As described above, the lighting control slot U0, U1, U2, U3Is slot U0Is set to the minimum time width, and is set so as to be sequentially multiplied. That is, the lighting control slot U0, U1, U2, U3Each time width is t0, T1, T2, T3Then t1= 21・ T0, T2= 22・ T0, T3= 23・ T0The time is set so that Further, the time width of the time division slot provided in each lighting control slot is set to 1/4 of the time width of the lighting control slot. As a result, the time width of the time division slot is also set for each lighting control slot. It is different. In response to such a time width setting method of the lighting control slot, lighting control data for controlling lighting and non-lighting in each lighting control slot is also weighted according to the time width of the lighting control slot corresponding to each bit position. Has been made. That is, each LED lamp Li(I = 0, 1, 2, 3), the lighting control slot RjLighting control data for determining lighting or non-lighting at (j = 0, 1, 2, 3) is cijIn consideration of the fact that the total lighting time width within one frame period of the LED lamp Li is driven in a time-division manner with 1/4 duty in each lighting control slot,
(Ci0・ 20+ Ci1・ 21+ Ci2・ 22+ Ci3・ 23) T0/ 4
Given by点灯 As described above, the lighting control data c thus weightedijCan use each bit of the luminance data given as a binary number as it is.
[0034]
In the hardware circuits shown in FIGS. 5 and 8, the time width of the lighting control slot set in the frame cycle (and the time division slot set therein) is determined by the clock cycle of the clock signal PC. ing. Therefore, the above-mentioned lighting control slots having different time widths, and an LED module (hereinafter referred to as an LED module) employing weighted lighting control data corresponding to the time widths.Non-uniform slot type LED module5 and FIG. 8 are used as they are as hardware systems, and the cycle of the clock signal PC supplied from the control unit is changed as shown in FIG. Each time, it is changed according to the set time width. In this case, similarly to the “problem solving means 1”, weighted lighting control data for each of the LED lamps;
(C00, C01, C02, C03), (C10, C11, C12, C13), (C20, C21, C22, C23), (C30, C31, C32, C33)
Uses the lighting control slot number as a key;
(C00, C10, C20, C30), (C01, C11, C21, C31), (C02, C12, C22, C32), (C03, C13, C23, C33)
, And continuously shifted into the lighting control shift register from the signal line PD in synchronization with the clock signal PC.
[0035]
The number of lighting control slots (and the number of bits of lighting control data corresponding to each LED lamp) of the non-uniform slot type LED module is 4 as in the case of the LED module for explanation of “Problem solving means 1”. Since the width is weighted, the total time width can be adjusted in 15 steps, and the luminance resolution is 15. This weighting effect of the lighting control slot time width becomes more remarkable as the required luminance resolution increases. For example, by using each bit of 8 bits of luminance data as lighting control data as it is, the luminance resolution of 255 levels of luminance can be realized with only 8 lighting control slots set to a multiple time width without a lighting time control unit. You can do it.
[0036]
【Example】
Hereinafter, the present invention will be described in more detail based on examples.
"Example 1"
"Example 1" is an example in which 256 LED lamps, a luminance resolution of 255 steps, and an LED module driven in a time-division manner with a 1/16 duty ratio are realized using the technique of "Problem solving means 1". is there. FIG. 12 is a system block diagram of the present embodiment. As the lamp unit added to each lamp, the same lamp unit circuit (FIG. 5) as described in "Problem solving means 1" is used. The 256 LED lamps connected in a cascade and the lamp units added to each LED lamp are divided into groups of 16 from the end where the control unit is connected, and i is a group number, j Is a number representing the order of arrangement in the group, and Li, j, LMi, j(I = 0... 15, j = 0... 15) (signals and registers in the lamp unit are similarly numbered). The connection between the lamp units is the same as that of the "problem solving means 1". By connecting their inputs and outputs between adjacent lamp units, the lighting control shift register and the selection control shift are connected. Registers are configured, and data is shifted into these shift registers in synchronization with a clock supplied from the control unit.
[0037]
Similarly to the method of “Problem solving means 1”, the entire frame period is first divided into a number (255) of lighting control slots having a uniform time width corresponding to the number of bits of the lighting control data. A time-division slot (16) is provided in the slot, and two circuit operations that are synchronized in time and operate in parallel are performed. (1) Lighting control data shift & latch operation; (2) Time-division driving operation. The whole is controlled. Hereinafter, these two circuit operations in this embodiment will be described. In the following description, the LED lamp Li, j255-bit lighting control data for bi, j, 0, Bi, j, 1, Bi, j, 2... bi, j, 255Expressed by. Each bit of the lighting control data corresponds to each lighting control slot. In the present embodiment, similarly to the “problem solving means 1”, the lighting control data (256 × 255 bits) for one frame period for all the LED lamps is first ordered in the order of the lighting control slot numbers, and within the same lighting control slot, Sorted in numerical order. FIG. 13 shows the configuration of the lighting control data rearranged in this manner. The lighting control data 13a for one frame is arranged in the order of the lighting control slot numbers like 13b, and in each lighting control slot, the order of the group number of the corresponding LED lamp (13c) The arrangement of the corresponding LED lamp in the same group They are arranged in numerical order (13d).
[0038]
(1) Lighting control data shift & latch operation
The lighting control data rearranged as described above is continuously shifted into the lighting control shift register over one frame period. FIG. 14 is a time chart for one lighting control slot (lighting control slot k). As shown in the drawing, in the lighting slot k, the lighting control data b in the order of the number of the corresponding LED lamp.15,15, k・ ・ ・ B2,0, k, B1,0, k, B0,0, kIs continuously shifted into the lighting control shift register from the control unit output signal PD in synchronization with the clock signal PC. As a result, at the end of the lighting control slot k, the 256 lighting control registers Pi, j(I = 1... 15, j = 1... 15) is the corresponding lighting control data bi, j, kWill be updated. Then, the lighting control register P updated as shown in FIG.i, jIs stored in the lighting control data holding register Q by the QC signal at the start of each lighting control slot.i, jAt the end of the lighting control slot.
[0039]
(2) Time-sharing drive operation
FIG. 15 shows the waveforms of the input data signal SD from the control unit to the selection control shift register and the shift clock signal SC thereof. The shift clock signal SC is a signal obtained by dividing the frequency of the clock signal PC by 1/16, and the input data signal SD is turned on in the control unit at every 16 clocks of the clock SC, that is, at the start of each lighting control slot. You. As a result, S0,0... S15,15In the 256-bit selection control shift register of, the data pattern that is always set to ON every 15 bits is shifted in synchronization with the SC.
FIG. 16 shows a time chart for one lighting control slot (slot number k) of one group (group number i) composed of 16 LED lamps and lamp units.
[0040]
As described above in (1) lighting control data shift & latch operation, each lighting control data holding register Qi, 15, Qi, 14... Qi, 0Holds the respective lighting control data from the start time to the end time of the lighting control slot. On the other hand, reflecting the operation of the selection control shift register described above, the selection register S of the group i shown here isi, 0, Si, 1... Si, 15Also, the ON data is shifted in synchronization with the clock SC. That is, a mechanism is realized in which the selection register of each LED lamp is turned on for one cycle of the shift clock SC in the lighting control slot. As a result, 1/16 time division driving is realized in the lighting control slot. In the LED module as a whole, the selection registers operate in the same manner for all groups, so that time-division driving at 1/16 duty is realized for each lighting control slot.
[0041]
As long as the shift pattern of the selection control shift register is such that 16 bits out of 256 bits are on and the remaining 240 bits are off, the shift pattern can be pseudo-ring-shifted in each lighting control slot. Thus, a similar effect can be obtained. However, the above-described shift pattern has excellent characteristics in the following two points.
{Circle around (1)} The pseudo ring shift can be easily realized only by continuously shifting on data once every 16 bits from the control unit.
{Circle around (2)} In each lighting control slot, only one LED lamp (time division group) is selectively turned on at the same time for each group, and as a result, the LED lamps selectively turned on are always evenly distributed over the entire LED module. Therefore, fluctuations in power supply load are small.
[0042]
"Example 2"
The second embodiment is an embodiment using the technique of "problem solving means 2", that is, the non-uniform lighting control slot system. In this embodiment, the hardware configuration is the same as that of the first embodiment. In the following description, the system configuration and the lamp unit circuit, including the symbolic notation, use FIGS. 12 and 5 as they are. As described in "Problem solving means 2", the simplest method of realizing the non-uniform lighting control slot method is to change the basic clock PC in each lighting control slot in accordance with the set time width. The method is also employed in the present embodiment. As shown in FIG. 17, within one frame period, a minimum time slot of 60 μsec is set as a minimum time width slot, and eight lighting control slots of
ci, j, 0, Ci, j, 1, Ci, j, 2... ci, j, 7
Then, each bit ci, j, kAbout 60.2kμsec (k = 0, 1, 2,..., 7) is weighted, and as a result, 255-level luminance resolution is realized with 8-bit lighting control data. These lighting control data are rearranged using the lighting control slots as keys as shown in FIG. 18, and continuously shifted in from the signal line PD into the lighting control shift register by the control unit in synchronization with the clock PC.
[0043]
As in the first embodiment, the overall circuit operation of the second embodiment is similar to that of the first embodiment in (1) a lighting control data shift and latch operation shown in FIG. 19, and (2) a time division driving operation shown in FIG. And divided into These circuit operations are described in the first embodiment, except that the number of lighting control slots is reduced to eight and that the clock signal PC in each lighting control slot varies. It is basically the same as the circuit operation.
[0044]
"Example 3"
The LED module specifications realized by “Example 3” are the same as those of “Example 1” (256 LED lamps, 1/16 duty ratio time-division driving, 255 luminance resolution). In each of the first and second embodiments, the frame period is first divided into lighting control slots, and a time-division slot is provided therein. On the other hand, in this embodiment, like the conventional LED module, one frame period is first divided into the time-division slot. It is characterized in that it is divided and a lighting control slot is provided in each time division slot. The hardware configuration is different from the lamp unit of the first embodiment (FIG. 5) in that the ON condition of the signal DSI is added to the LED lamp ON condition as shown in FIG. (Therefore, the SC signal from the control unit is not used), and the same lamp unit circuit and control unit as those in the first embodiment are adopted, and their inputs and outputs are connected to each other, and the lighting control shift is performed. The same applies to the configuration of the register, the selection control shift register, and the like (therefore, the symbols used for the circuits and the like are the same as those in the first embodiment as long as confusion does not occur). Also, in the “Example 3”, the 256 LED lamps connected in a bead shape are divided into groups of 16 from the end, and each of the lamp units has the same configuration as that shown in FIG. LM corresponds to the division of each of the 16 groups, i is a group number, j is a number indicating the order of arrangement in the group, and LMi, j(I = 0... 15, j = 0, 1, 2,... 15). Unlike the first and second embodiments, in the case of the present embodiment, each of these groups forms a time division group. In other words, each of the 16 time-division slots in one frame period uses the above 16 groups as a time-division group. The lighting control data for each LED lamp is composed of 255 bits. Therefore, 255 lighting control slots are set in each time-division slot. The lighting time control in the time-division slot is performed by controlling lighting and non-lighting in this lighting control slot unit.i, jUsing the same symbolic notation as in the case of “Example 1”,i, j, 0, Bi, j, 1, Bi, j, 2... bi, j, 255Expressed by. Also in the present embodiment, as described below, the circuit operation is synchronized with each other, and the lighting control data latch operation mainly performed by the lighting control register that progresses in parallel with time and the operation performed mainly by the selection register. It can be divided into split drive operation.
[0045]
(1) Time-sharing drive operation
Each time division slot is realized by selectively turning on (16) selection registers of the corresponding time division group. FIG. 22 is a time chart of one time-division slot i. As shown in the figure, the time width of the time division slot is the length of the lighting control data corresponding to one time division group, that is, 16 × 255 clock signals PC. A shift phase of the clock signal PC having a time width of 16 clocks is provided before each time-division slot. In the shift phase, the signal DS is kept off, the entire selection control shift register is shifted by 16 bits, that is, one time division group, and the contents of the 16 selection registers of the time division group (i-1) are left unchanged. The data is transferred to the 16 selection registers of the division group i. On the other hand, in the first shift phase (16 PC clocks) of each frame period, SD is kept on and the 16 selection registers of the
[0046]
(2) Lighting control data shift & latch operation
FIG. 24 shows the structure of lighting control data that is continuously shifted in from the control unit output signal PD to the lighting control shift register from the control unit output signal PD in synchronization with the clock signal PC in this embodiment. As shown in the drawing, the entire lighting control data is divided into 16 corresponding to 16 time division groups, and each of the divided data corresponds to each lighting control slot and is further divided into 255. ing. The data corresponding to each lighting control slot is composed of 16 bits of data corresponding to 16 LED lamps (each 1 bit corresponds) of the corresponding time division group. Also, FIG.i, j, kRepresents 1-bit lighting control data for the k-th lighting control slot for the j-th LED lamp of the time-division group i. That is, the lighting control data corresponding to the time division slot i and the lighting control slot j is 16 bit lighting control data for 16 LED lamps belonging to the time division group i corresponding to the time division slot i, bi, 0, j, Bi, 1, j, Bi, 2, j・ ・ ・ ・ ・ Bi, 15, jIt is composed of. Also, the 16 lighting control registers P of the time-division group ii, 0, Pi, 1, Pi, 3... Pi, 15Lighting control data b corresponding toi, 0,0, Bi, 1,0, Bi, 2,0... bi, 15,0Are set because the length from the head of the lighting control data to the above data is 16 × 255 · i + 16, the delay due to the number of bits (bit number) of the lighting control shift register from the
[0047]
By the above two processes (1) and (2), in each time division slot, the corresponding time division group sets the selection registers of all (16) lamp units belonging to the group to ON, and By setting all of the selection registers of the time-sharing group to OFF, the lighting control holding registers of the time-sharing group selected in the circuit and selected in the time-sharing slot are set for each lighting control slot. The basic operation of the third embodiment of updating with predetermined lighting control data is realized.
[0048]
"Example 4"
As shown in the first, second, and third embodiments, in the LED module according to the present invention, the lamp units connected in a cascade have the same circuit configuration. For example, addresses and the like are set according to the distance from the control unit. No need. Further, since the number of signal lines connecting between the lamp units is small, it is possible to have flexibility, and a connection portion (connector) to the lamp unit can have a simple structure. “
[0049]
FIG. 25 shows a "goodwill" display system constituted by using display segments having different lengths. Display segments having different lengths are hung at regular intervals, the display segments are connected to each other by signal lines so as to form a single-stroke, and one end is connected to a control unit.
In the conventional system, it was necessary to produce an LED module assuming the final display surface shape. On the other hand, as shown in the present embodiment, the present invention is basically an LED module having a linear display unit. However, since the lamp units are mutually compatible, they are used as general-purpose parts in advance. By simply connecting the prepared display segments with signal lines, it is possible to easily prepare various shapes and surfaces and three-dimensional structures. FIG. 26 shows an example in which the display segments are branched and connected in order to make the entire display unit into a tree shape. 26a in FIG. 26 is a lighting control shift register for the number of lamp units in the branch segment and a clock delay unit for the selection control shift register. That is, according to the present invention, only the "distance" (depth of the shift register) from the control unit related to the shift & latch operation of the lighting control register and the selection control shift register is recognized as the lamp unit position. By delaying the clock of the register by the amount corresponding to the branch segment 26b, the main trunk segment 26c can be operated in the same manner as the one connected before the branch segment 26b. The delay unit is manufactured as a general-purpose component that can set the number of delay clocks with a dial and can easily branch and connect display segments having different lengths.
[0050]
"Example 5"
Example 5 described below relates to a method for mounting an LED module according to the present invention. As shown in FIG. 27, in the LED module according to the present invention, usually, three LED lamps corresponding to each of the three primary colors and the above-described lamp unit circuit are integrally assembled on a small printed board, and these small printed boards are assembled. They are connected by flexible signal lines and housed in a transparent tube. (4) By adopting a flexible material such as a transparent vinyl chloride tube as the material of the transparent tube, it is possible to realize a cascading full-color LED display which is extremely flexible in terms of installation and shape, similarly to a so-called Lumi tube. Also, a large TV display on a building wall or the like is realized by arranging the storage tubes at regular intervals as shown in FIG. 28 instead of the conventional matrix type LED module. In this case, only the storage tube is previously installed on a wall surface or the like, and the LED module body has a structure that can be inserted or removed from one end of the installed storage tube. The storage tube section shown in FIG. 29 is a cross-sectional structure for that purpose. Inside the storage tube made of glass or plastic and reinforced with an aluminum base that also serves as a fixing bracket, two grooves are provided at the top and bottom to smoothly pull in or pull out the small printed circuit board connected by the signal line. The LED module body is provided so that it slides along the groove, and all the LED lamps are housed correctly facing the front. Also, as shown in the figure, above the LED lamp, a light-shielding portion for blocking sunlight and a mirror-finished portion for reflecting light rays above the LED lamp are provided using an aluminum base. I have. In addition, a ventilation fan is installed at one end of the storage tube to improve the efficiency of heat release inside the storage tube.
[0051]
With the structure described above;
(1) The necessity of installing a large protective glass is eliminated.
{Circle around (2)} Since maintenance can be performed only from the side of the screen, access mechanisms from the front and back of the screen can be omitted.
(3) When installing, the storage pipes can be simply arranged on the wall without considering wiring, so the screen structure, wiring work space between the walls, and the frame structure for fixing the module were indispensable in the conventional system. Is unnecessary.
In addition, as a method for preventing the LED module body (storage portion) from being twisted when the LED tube body (storage portion) is drawn into the storage tube, besides the above-described method of setting a groove inside the storage tube, the cross-sectional shape of the storage tube may be other than a perfect circle. The cross section of the LED module main body is set so as to mesh with the cross section of the storage section, or the LED module main body is made rigid in the rotation direction (along the rotation axis of the storage section) and the torsion during storage is corrected from one end of the storage tube. It is also an effective method to have a structure that can perform such operations. In addition, the rigid storage unit is modularized into a fixed length, and a plurality of modules can be sequentially inserted and connected in a single rod shape or sequentially disassembled while being pulled out. It is an effective means for doing so.
[0052]
【The invention's effect】
As described above, in the LED module according to the present invention, the display unit circuit, wiring, and control device can be greatly simplified, the LED display system can be made larger, the shape can be diversified, and installation and maintenance costs can be reduced. Effective for reduction.
[Brief description of the drawings]
FIG. 1 illustrates a configuration of a conventional LED display system.
FIG. 2 illustrates a block diagram of a conventional LED module circuit.
FIG. 3 is a block diagram illustrating a case where an LED module having a beaded display unit is realized by using a circuit of a conventional LED module.
FIG. 4 illustrates a basic configuration of an LED module according to the present invention.
FIG. 5 illustrates a basic circuit of a lamp unit according to the present invention.
FIG. 6 illustrates connections between input and output lines of a lamp unit.
FIG. 7 illustrates a lighting control shift register and a selection control shift register.
FIG. 8 is a system configuration diagram of an LED module for explanation.
FIG. 9 is a time chart illustrating a lighting control data shift and latch operation of the LED module configured by “Problem solving means 1”.
FIG. 10 is a time chart illustrating a time-division driving operation of the LED module configured by “Problem solving means 1”.
FIG. 11 is a time chart for one frame cycle of the LED module configured by “Problem solving means 2”.
FIG. 12 is a system configuration diagram of “Example 1”.
FIG. 13 is a configuration diagram of lighting control data of “Example 1”.
FIG. 14 is a time chart illustrating a lighting control data shift & latch operation of “Example 1”.
FIG. 15 is a time chart illustrating a time-division driving operation of “Example 1”.
FIG. 16 is a time chart for one lighting control slot of “Example 1”;
FIG. 17 is a time chart for one frame period of “Example 2”;
FIG. 18 is a configuration diagram of lighting control data of “Example 2”.
FIG. 19 is a time chart showing a lighting control data shift & latch operation of “Example 2”.
FIG. 20 is a time chart illustrating a time-division driving operation of “Example 2”.
FIG. 21 illustrates a lamp unit circuit of “Example 3”.
FIG. 22 is a time chart of one time-division slot of “Example 3”.
FIG. 23 illustrates the operation of the selection register in “Example 3”.
FIG. 24 is a configuration diagram of lighting control data of “Example 3”;
FIG. 25 illustrates the “goodwill” LED display system shown in “Example 4”.
FIG. 26 illustrates a display segment branching method described in “
FIG. 27 illustrates an LED module according to the present invention housed in a transparent housing tube.
FIG. 28 illustrates a storage pipe installed on a building wall or the like.
FIG. 29 is a sectional view of a storage tube.
[Explanation of symbols]
1a LED display panel
1b @ LED module
1c @ pixel
2a @ line buffer memory
2b @ lamp unit
2c @ line buffer memory input terminal
2d row buffer memory output end
2e lighting time control unit
2f time width number generation circuit
3a @ row buffer memory, lighting time control unit
3b row selection circuit
13a Lighting control data
13b Structure of lighting control data
13c @ Lighting control slot i Lighting control data structure
13d lighting control slot i, group j lighting control data configuration
26a delay unit
26b @ branch segment
26c Core segment
[Table 1]
| Application Number | Priority Date | Filing Date | Title |
|---|---|---|---|
| JP2002232188AJP4755799B2 (en) | 2002-08-08 | 2002-08-08 | Continuous LED display system |
| Application Number | Priority Date | Filing Date | Title |
|---|---|---|---|
| JP2002232188AJP4755799B2 (en) | 2002-08-08 | 2002-08-08 | Continuous LED display system |
| Publication Number | Publication Date |
|---|---|
| JP2004070179Atrue JP2004070179A (en) | 2004-03-04 |
| JP2004070179A5 JP2004070179A5 (en) | 2007-06-28 |
| JP4755799B2 JP4755799B2 (en) | 2011-08-24 |
| Application Number | Title | Priority Date | Filing Date |
|---|---|---|---|
| JP2002232188AExpired - Fee RelatedJP4755799B2 (en) | 2002-08-08 | 2002-08-08 | Continuous LED display system |
| Country | Link |
|---|---|
| JP (1) | JP4755799B2 (en) |
| Publication number | Priority date | Publication date | Assignee | Title |
|---|---|---|---|---|
| JP2006098674A (en)* | 2004-09-29 | 2006-04-13 | Toyoda Gosei Co Ltd | Control data generator |
| JP2006208768A (en)* | 2005-01-28 | 2006-08-10 | Shinya Ishida | Control and constitution system for led video system |
| CN101162307A (en)* | 2006-10-13 | 2008-04-16 | Nec液晶技术株式会社 | Display device |
| JP2008166139A (en)* | 2006-12-28 | 2008-07-17 | Tokyo Metropolitan Industrial Technology Research Institute | LED control circuit, LED control method, LED sorting device, LED sorting method, and electronic device incorporating LED control circuit. |
| JP2008531217A (en)* | 2005-03-01 | 2008-08-14 | マシモ・ラボラトリーズ・インコーポレーテッド | Multi-wavelength sensor driver |
| WO2011039844A1 (en)* | 2009-09-29 | 2011-04-07 | 株式会社 東芝 | Display device |
| JP2013101369A (en)* | 2012-12-25 | 2013-05-23 | Nlt Technologies Ltd | Display device |
| JP2015014793A (en)* | 2014-07-14 | 2015-01-22 | Nltテクノロジー株式会社 | Display device |
| JP2016006524A (en)* | 2015-08-03 | 2016-01-14 | Nltテクノロジー株式会社 | Display device |
| US9839381B1 (en) | 2009-11-24 | 2017-12-12 | Cercacor Laboratories, Inc. | Physiological measurement system with automatic wavelength adjustment |
| US9848807B2 (en) | 2007-04-21 | 2017-12-26 | Masimo Corporation | Tissue profile wellness monitor |
| US10729402B2 (en) | 2009-12-04 | 2020-08-04 | Masimo Corporation | Calibration for multi-stage physiological monitors |
| US12029586B2 (en) | 2006-10-12 | 2024-07-09 | Masimo Corporation | Oximeter probe off indicator defining probe off space |
| Publication number | Priority date | Publication date | Assignee | Title |
|---|---|---|---|---|
| JPS63116300A (en)* | 1986-11-04 | 1988-05-20 | アイ・シ−電子工業株式会社 | Bar-like display body |
| JPH0262482U (en)* | 1988-06-24 | 1990-05-10 | ||
| JPH0336589A (en)* | 1989-07-03 | 1991-02-18 | F B Syst:Kk | Afterimage message display device |
| JPH07134562A (en)* | 1993-11-09 | 1995-05-23 | Koito Ind Ltd | Display device |
| JPH0854834A (en)* | 1994-08-10 | 1996-02-27 | Toshiba Transport Eng Kk | LED display device |
| JPH0876694A (en)* | 1994-09-07 | 1996-03-22 | Toshiba Corp | Large display |
| WO1996010244A1 (en)* | 1994-09-27 | 1996-04-04 | Shinsuke Nishida | Display |
| WO1997025705A1 (en)* | 1996-01-11 | 1997-07-17 | Fourie, Inc. | Display |
| JPH09274463A (en)* | 1996-04-03 | 1997-10-21 | Seiwa Denki Kk | Gradation display method for display device and display device |
| JPH10149128A (en)* | 1996-11-18 | 1998-06-02 | Mk Seiko Co Ltd | Display device |
| JPH11191494A (en)* | 1997-12-26 | 1999-07-13 | Abikkusu Kk | Led illumination unit and led illumination system |
| JP2001154635A (en)* | 1999-11-30 | 2001-06-08 | Nichia Chem Ind Ltd | LED display |
| JP2001159878A (en)* | 1999-09-24 | 2001-06-12 | Semiconductor Energy Lab Co Ltd | El display device and electronic apparatus |
| JP2001168369A (en)* | 1999-12-09 | 2001-06-22 | Joyu Nakada | Power generation device using globular semiconductor element and light emitting device using globular semiconductor element |
| JP2001306013A (en)* | 2000-04-24 | 2001-11-02 | Moriwakitto Japan:Kk | Illumination device |
| JP2001312246A (en)* | 2000-05-01 | 2001-11-09 | Sony Corp | Modulation circuit and image display device using the same |
| JP2001350439A (en)* | 2000-06-06 | 2001-12-21 | Sony Corp | Modulation circuit and picture display device using the same |
| JP2002025303A (en)* | 2000-07-06 | 2002-01-25 | Seiwa Electric Mfg Co Ltd | Led unit for signal light apparatus |
| WO2002011116A1 (en)* | 2000-07-28 | 2002-02-07 | Nichia Corporation | Display and display drive circuit or display drive method |
| JP2002149119A (en)* | 2000-11-08 | 2002-05-24 | Citizen Watch Co Ltd | Method and circuit for driving liquid crystal display device |
| Publication number | Priority date | Publication date | Assignee | Title |
|---|---|---|---|---|
| JPS63116300A (en)* | 1986-11-04 | 1988-05-20 | アイ・シ−電子工業株式会社 | Bar-like display body |
| JPH0262482U (en)* | 1988-06-24 | 1990-05-10 | ||
| JPH0336589A (en)* | 1989-07-03 | 1991-02-18 | F B Syst:Kk | Afterimage message display device |
| JPH07134562A (en)* | 1993-11-09 | 1995-05-23 | Koito Ind Ltd | Display device |
| JPH0854834A (en)* | 1994-08-10 | 1996-02-27 | Toshiba Transport Eng Kk | LED display device |
| JPH0876694A (en)* | 1994-09-07 | 1996-03-22 | Toshiba Corp | Large display |
| WO1996010244A1 (en)* | 1994-09-27 | 1996-04-04 | Shinsuke Nishida | Display |
| WO1997025705A1 (en)* | 1996-01-11 | 1997-07-17 | Fourie, Inc. | Display |
| JPH09274463A (en)* | 1996-04-03 | 1997-10-21 | Seiwa Denki Kk | Gradation display method for display device and display device |
| JPH10149128A (en)* | 1996-11-18 | 1998-06-02 | Mk Seiko Co Ltd | Display device |
| JPH11191494A (en)* | 1997-12-26 | 1999-07-13 | Abikkusu Kk | Led illumination unit and led illumination system |
| JP2001159878A (en)* | 1999-09-24 | 2001-06-12 | Semiconductor Energy Lab Co Ltd | El display device and electronic apparatus |
| JP2001154635A (en)* | 1999-11-30 | 2001-06-08 | Nichia Chem Ind Ltd | LED display |
| JP2001168369A (en)* | 1999-12-09 | 2001-06-22 | Joyu Nakada | Power generation device using globular semiconductor element and light emitting device using globular semiconductor element |
| JP2001306013A (en)* | 2000-04-24 | 2001-11-02 | Moriwakitto Japan:Kk | Illumination device |
| JP2001312246A (en)* | 2000-05-01 | 2001-11-09 | Sony Corp | Modulation circuit and image display device using the same |
| JP2001350439A (en)* | 2000-06-06 | 2001-12-21 | Sony Corp | Modulation circuit and picture display device using the same |
| JP2002025303A (en)* | 2000-07-06 | 2002-01-25 | Seiwa Electric Mfg Co Ltd | Led unit for signal light apparatus |
| WO2002011116A1 (en)* | 2000-07-28 | 2002-02-07 | Nichia Corporation | Display and display drive circuit or display drive method |
| JP2002149119A (en)* | 2000-11-08 | 2002-05-24 | Citizen Watch Co Ltd | Method and circuit for driving liquid crystal display device |
| Title |
|---|
| 光エレクトロニクスの基礎と活用法, vol. 第2版, JPN6009008514, 1 August 2002 (2002-08-01), pages 30 - 49, ISSN: 0001262179* |
| 谷脇史高、山岡大祐、矢野政顕: ""サブフレーム点灯制御方式による連珠状LEDディスプレイ"", 電子情報通信学会技術研究報告, vol. 105, no. 58, JPN6011018322, 20 May 2005 (2005-05-20), pages 31 - 36, ISSN: 0001892589* |
| Publication number | Priority date | Publication date | Assignee | Title |
|---|---|---|---|---|
| JP2006098674A (en)* | 2004-09-29 | 2006-04-13 | Toyoda Gosei Co Ltd | Control data generator |
| JP2006208768A (en)* | 2005-01-28 | 2006-08-10 | Shinya Ishida | Control and constitution system for led video system |
| US10984911B2 (en) | 2005-03-01 | 2021-04-20 | Cercacor Laboratories, Inc. | Multiple wavelength sensor emitters |
| US11430572B2 (en) | 2005-03-01 | 2022-08-30 | Cercacor Laboratories, Inc. | Multiple wavelength sensor emitters |
| US12283374B2 (en) | 2005-03-01 | 2025-04-22 | Willow Laboratories, Inc. | Noninvasive multi-parameter patient monitor |
| JP2008531217A (en)* | 2005-03-01 | 2008-08-14 | マシモ・ラボラトリーズ・インコーポレーテッド | Multi-wavelength sensor driver |
| JP2008538186A (en)* | 2005-03-01 | 2008-10-16 | マシモ・ラボラトリーズ・インコーポレーテッド | Multi-wavelength sensor light emitter |
| US12230393B2 (en) | 2005-03-01 | 2025-02-18 | Willow Laboratories, Inc. | Multiple wavelength sensor emitters |
| JP2012110746A (en)* | 2005-03-01 | 2012-06-14 | Cercacor Laboratories Inc | Multiple wavelength sensor emitter |
| US9750443B2 (en) | 2005-03-01 | 2017-09-05 | Cercacor Laboratories, Inc. | Multiple wavelength sensor emitters |
| US11545263B2 (en) | 2005-03-01 | 2023-01-03 | Cercacor Laboratories, Inc. | Multiple wavelength sensor emitters |
| US9351675B2 (en) | 2005-03-01 | 2016-05-31 | Cercacor Laboratories, Inc. | Noninvasive multi-parameter patient monitor |
| US8626255B2 (en) | 2005-03-01 | 2014-01-07 | Cercacor Laboratories, Inc. | Noninvasive multi-parameter patient monitor |
| US10856788B2 (en) | 2005-03-01 | 2020-12-08 | Cercacor Laboratories, Inc. | Noninvasive multi-parameter patient monitor |
| US10327683B2 (en) | 2005-03-01 | 2019-06-25 | Cercacor Laboratories, Inc. | Multiple wavelength sensor emitters |
| US8849365B2 (en) | 2005-03-01 | 2014-09-30 | Cercacor Laboratories, Inc. | Multiple wavelength sensor emitters |
| US8912909B2 (en) | 2005-03-01 | 2014-12-16 | Cercacor Laboratories, Inc. | Noninvasive multi-parameter patient monitor |
| US8929964B2 (en) | 2005-03-01 | 2015-01-06 | Cercacor Laboratories, Inc. | Multiple wavelength sensor drivers |
| US10251585B2 (en) | 2005-03-01 | 2019-04-09 | Cercacor Laboratories, Inc. | Noninvasive multi-parameter patient monitor |
| US10123726B2 (en) | 2005-03-01 | 2018-11-13 | Cercacor Laboratories, Inc. | Configurable physiological measurement system |
| US9131882B2 (en) | 2005-03-01 | 2015-09-15 | Cercacor Laboratories, Inc. | Noninvasive multi-parameter patient monitor |
| US12029586B2 (en) | 2006-10-12 | 2024-07-09 | Masimo Corporation | Oximeter probe off indicator defining probe off space |
| CN101162307A (en)* | 2006-10-13 | 2008-04-16 | Nec液晶技术株式会社 | Display device |
| US10453408B2 (en) | 2006-10-13 | 2019-10-22 | Tianma Japan, Ltd. | Surface display device with a non-rectangular display surface shape and electronic device including same |
| JP2008096818A (en)* | 2006-10-13 | 2008-04-24 | Nec Lcd Technologies Ltd | Display device |
| US8773344B2 (en) | 2006-10-13 | 2014-07-08 | Nlt Technologies, Ltd. | Surface display device of an arbitrary shape |
| US9097942B2 (en) | 2006-10-13 | 2015-08-04 | Nlt Technologies, Ltd. | Display device, and electronic device and ornamental product incorporating same |
| US10235954B2 (en) | 2006-10-13 | 2019-03-19 | Tianma Japan, Ltd. | Surface display device with a non-rectangular display surface shape and electronic device including same |
| CN101944316B (en)* | 2006-10-13 | 2013-03-27 | Nlt科技股份有限公司 | Display device |
| CN103794163A (en)* | 2006-10-13 | 2014-05-14 | Nlt科技股份有限公司 | Display device |
| US10008165B2 (en) | 2006-10-13 | 2018-06-26 | Nlt Technologies, Ltd. | TFT display device including unit circuits, pixel circuits and a display element |
| JP2008166139A (en)* | 2006-12-28 | 2008-07-17 | Tokyo Metropolitan Industrial Technology Research Institute | LED control circuit, LED control method, LED sorting device, LED sorting method, and electronic device incorporating LED control circuit. |
| US10251586B2 (en) | 2007-04-21 | 2019-04-09 | Masimo Corporation | Tissue profile wellness monitor |
| US12156733B2 (en) | 2007-04-21 | 2024-12-03 | Masimo Corporation | Tissue profile wellness monitor |
| US9848807B2 (en) | 2007-04-21 | 2017-12-26 | Masimo Corporation | Tissue profile wellness monitor |
| US11647923B2 (en) | 2007-04-21 | 2023-05-16 | Masimo Corporation | Tissue profile wellness monitor |
| US10980457B2 (en) | 2007-04-21 | 2021-04-20 | Masimo Corporation | Tissue profile wellness monitor |
| JPWO2011039844A1 (en)* | 2009-09-29 | 2013-02-21 | 株式会社東芝 | Display device |
| WO2011039844A1 (en)* | 2009-09-29 | 2011-04-07 | 株式会社 東芝 | Display device |
| US9839381B1 (en) | 2009-11-24 | 2017-12-12 | Cercacor Laboratories, Inc. | Physiological measurement system with automatic wavelength adjustment |
| US11534087B2 (en) | 2009-11-24 | 2022-12-27 | Cercacor Laboratories, Inc. | Physiological measurement system with automatic wavelength adjustment |
| US12127833B2 (en) | 2009-11-24 | 2024-10-29 | Willow Laboratories, Inc. | Physiological measurement system with automatic wavelength adjustment |
| US10750983B2 (en) | 2009-11-24 | 2020-08-25 | Cercacor Laboratories, Inc. | Physiological measurement system with automatic wavelength adjustment |
| US11571152B2 (en) | 2009-12-04 | 2023-02-07 | Masimo Corporation | Calibration for multi-stage physiological monitors |
| US12186079B2 (en) | 2009-12-04 | 2025-01-07 | Masimo Corporation | Calibration for multi-stage physiological monitors |
| US10729402B2 (en) | 2009-12-04 | 2020-08-04 | Masimo Corporation | Calibration for multi-stage physiological monitors |
| JP2013101369A (en)* | 2012-12-25 | 2013-05-23 | Nlt Technologies Ltd | Display device |
| JP2015014793A (en)* | 2014-07-14 | 2015-01-22 | Nltテクノロジー株式会社 | Display device |
| JP2016006524A (en)* | 2015-08-03 | 2016-01-14 | Nltテクノロジー株式会社 | Display device |
| Publication number | Publication date |
|---|---|
| JP4755799B2 (en) | 2011-08-24 |
| Publication | Publication Date | Title |
|---|---|---|
| US6362801B1 (en) | Display apparatus | |
| US8106923B2 (en) | Flexible pixel hardware and method | |
| US20070176854A1 (en) | Irregular screen format for led and oled systems | |
| US20090121988A1 (en) | Large scale flexible led video display and control system therefor | |
| US20050052375A1 (en) | Configurable large-area display system and control unit used therein, and method of operating the display | |
| EP1293955B1 (en) | Display apparatus | |
| KR100840952B1 (en) | Pixel module for large displays | |
| JP2004070179A (en) | Chain-like led display system | |
| JP5384557B2 (en) | LED driving device and driving system thereof | |
| US20080030519A1 (en) | Apparatus for displaying advertisement image | |
| US20100302129A1 (en) | System for generating and displaying images | |
| US20070218751A1 (en) | Mounting system for light tiles attached to tensioned cables | |
| CN110379366A (en) | Pixel compensation multiplex circuit, backboard, display panel and display equipment | |
| TW200409387A (en) | Light emitting diode (LED) picture element | |
| CN1770944A (en) | Intelligent lighting module and method of operation of such intelligent lighting module | |
| US20090251393A1 (en) | Scalable led display system | |
| JP5791392B2 (en) | LIGHTING DEVICE AND LIGHTING METHOD | |
| CN110782804B (en) | Display device and lighting system | |
| JP2004070179A5 (en) | ||
| EP1655712A2 (en) | Flexible pixel string hardware and method cross references to related applications | |
| JP4961637B2 (en) | Image display unit and image display device | |
| JP4025549B2 (en) | Illuminated video creation and display system | |
| KR20110099812A (en) | Distributed scan type dynamic driving method of dot matrix module for light emitting diode display board | |
| KR102748658B1 (en) | Multi-electronic signboard system that simultaneously operates multiple LED output units of different output methods | |
| JP4837923B2 (en) | LED display system |
| Date | Code | Title | Description |
|---|---|---|---|
| A521 | Request for written amendment filed | Free format text:JAPANESE INTERMEDIATE CODE: A523 Effective date:20050714 | |
| A621 | Written request for application examination | Free format text:JAPANESE INTERMEDIATE CODE: A621 Effective date:20050722 | |
| A521 | Request for written amendment filed | Free format text:JAPANESE INTERMEDIATE CODE: A523 Effective date:20070122 | |
| A521 | Request for written amendment filed | Free format text:JAPANESE INTERMEDIATE CODE: A523 Effective date:20070323 | |
| A977 | Report on retrieval | Free format text:JAPANESE INTERMEDIATE CODE: A971007 Effective date:20080401 | |
| A131 | Notification of reasons for refusal | Free format text:JAPANESE INTERMEDIATE CODE: A131 Effective date:20080729 | |
| A521 | Request for written amendment filed | Free format text:JAPANESE INTERMEDIATE CODE: A523 Effective date:20080911 | |
| A131 | Notification of reasons for refusal | Free format text:JAPANESE INTERMEDIATE CODE: A131 Effective date:20090324 | |
| A521 | Request for written amendment filed | Free format text:JAPANESE INTERMEDIATE CODE: A523 Effective date:20090518 | |
| A131 | Notification of reasons for refusal | Free format text:JAPANESE INTERMEDIATE CODE: A131 Effective date:20100601 | |
| A521 | Request for written amendment filed | Free format text:JAPANESE INTERMEDIATE CODE: A523 Effective date:20100720 | |
| A02 | Decision of refusal | Free format text:JAPANESE INTERMEDIATE CODE: A02 Effective date:20100831 | |
| A521 | Request for written amendment filed | Free format text:JAPANESE INTERMEDIATE CODE: A523 Effective date:20101125 | |
| A911 | Transfer to examiner for re-examination before appeal (zenchi) | Free format text:JAPANESE INTERMEDIATE CODE: A911 Effective date:20101203 | |
| A01 | Written decision to grant a patent or to grant a registration (utility model) | Free format text:JAPANESE INTERMEDIATE CODE: A01 Effective date:20110510 | |
| A01 | Written decision to grant a patent or to grant a registration (utility model) | Free format text:JAPANESE INTERMEDIATE CODE: A01 | |
| A61 | First payment of annual fees (during grant procedure) | Free format text:JAPANESE INTERMEDIATE CODE: A61 Effective date:20110530 | |
| FPAY | Renewal fee payment (event date is renewal date of database) | Free format text:PAYMENT UNTIL: 20140603 Year of fee payment:3 | |
| R150 | Certificate of patent or registration of utility model | Free format text:JAPANESE INTERMEDIATE CODE: R150 | |
| LAPS | Cancellation because of no payment of annual fees |