

































【0001】
【発明の属する技術分野】
本発明は、表示装置に関するものである。
【0002】
【従来の技術】
EL素子またはLED素子などの電流制御型発光素子を用いたアクティブマトリクス型の表示装置が提案されている。このタイプの表示装置に用いられる発光素子はいずれも自己発光するため、液晶表示装置と違ってバックライトを必要とせず、また視野角依存性が少ないなどの利点がある。
【0003】
図31は、このような表示装置の一例として、電荷注入型の有機薄膜EL素子を用いたアクティブマトリクス型表示装置のブロック図である。この図に示す表示装置1Aでは、透明基板上に、複数の走査線gateと、これらの走査線gateの延設方向に対して交差する方向に延設された複数のデータ線sigと、これらのデータ線sigに並列する複数の共通給電線comと、データ線sigと走査線gateとの交差点に対応する画素7とが構成されている。
【0004】
画素7の各々には、走査線gateを介して走査信号がゲート電極(第1のゲート電極)に供給される第1のTFT20と、この第1のTFT20を介してデータ線sigから供給される画像信号を保持する保持容量capと、この保持容量capによって保持された画像信号がゲート電極(第2のゲート電極)に供給される第2のTFT30と、第2のTFT30を介して共通給電線comに電気的に接続したときに共通給電線comから駆動電流が流れ込む発光素子40(抵抗として表してある。)とが構成されている。
【0005】
このように構成された表示装置1Aにおいて、第1のTFT20および第2のTFT30は、従来、Nチャネル型を例にとると、製造プロセスを簡略化するという観点から、図32にその等価回路を示すように、いずれもNチャネル型あるいはPチャネル型のTFTとして構成されている。従って、Nチャネル型を例にとると、図33(A)、(B)に示すように、走査線gatcから供給される走査信号Sgateが高電位になって第1のTFT20がオン状態になったときにデータ線sigから保持容量capに高電位の画像信号dataが書き込まれると、第2のTFT30がオン状態に保持される。その結果、発光素子40では、画素電極41から対向電極opに向けて矢印Eで示す方向の駆動電流が流れ続け、発光素子40が発光し続ける(点灯状熊)。これに対して、走査線gateから供給される走査信号Sgateが高電位になって第1のTFT20がオン状態になったときに、データ線sigから保持容量capに共通給電線comの電位と対向電極opの電位の間のある電位よりも低い電位の画像信号dataが書き込まれると、第2のTFT30がターンオフし、発光素子40が消灯する(消灯状態)。
【0006】
このような表示装置1Aにおいて、各素子を構成する半導体膜、絶縁膜、電極などは基板上に堆積した薄膜から構成され、かつ、この薄膜は基板の耐熱性などを考慮して低温プロセスで形成されることが多い。従って、薄膜とバルクとの物性の差異などに起因して欠陥が多いなど膜品
質が劣るため、TFTなどでは絶縁破壊や経時劣化などの問題が表面化しやすい。
【0007】
液晶を光変調素子として用いた液晶表示装置でも薄膜を用いるという点で共通するが、この場合には光変調素子を交流駆動するので、液晶だけでなく、TFTの経時劣化も抑えることができる。これに対して、電流制御型発光素子を用いた表示装置1Aでは直流駆動せざるを得ないという点では、液晶表示装置よりもTFTに経時劣化が起きやすい。このような問題点を解消するため、電流制御型発光素子を用いた表示装置1AでもTFTの構造やプロセス技術に改良が加えられているものの、未だ、十分に改良されたとはいえない。
【0008】
また、液晶を光変調素子として用いた場合には、この光変調素子を電圧により制御するので、個々の素子には電流が瞬間的に流れるだけであるので、消費電力が小さい。これに対して、電流制御型発光素子を用いた表示装置1Aでは、発光素子を点灯させ続けるには駆動電流を定常的に流す必要があるので、消費電力が高くなり、絶縁破壊や経時劣化が起きやすい。
【0009】
さらに、液晶表示装置では1画素当たり1つのTFTで液晶を交流駆動することができるが、電流制御型発光素子を用いた表示装置1Aでは、1画素当たり2つのTFT20、30で発光素子40を直流駆動するので、駆動電圧が高くなり、前記の絶縁破壊や消費電力が大きいという問題が顕著である。
【0010】
たとえば、図33(A)に示すように、画素を選択する際の第1のTFT20のゲート電圧Vgswは、走査信号Sgateの高電位に相当する電位と電位保持電極stの電位(保持容量capの電位、または第2のTFT30のゲート電極の電位)との電位差に相当するため、発光素子40を高い輝度で点灯させようと電位保持電極stの電位を高めて第2のTFT30のゲート電圧Vgcurを高めたときには、その分、第1のTFT20のゲート電圧Vgswが低くなってしまうので、走査信号Sgateの振幅を大きくする必要が生じ、表示装置1Aの駆動電圧が高くなってしまう。
【0011】
また、前記の表示装置1Aでは、発光素子40を消灯させる際に画像信号dataの電位を共通給電線comの電位と対向電極opの電位の間のある電位よりも低くして第2のTFT30をターンオフさせるため、画像信号dataの振幅が大きいという問題点もある。従って、この種の表示装置1Aでは、液晶表示装置と比較して、消費電力やTFTの耐電圧などに格段の配慮が必要であるが、従来の表示装置1Aではかかる配慮が十分になされていない。
【0012】
【発明が解決しようとする課題】
そこで、本発明の課題は、電流駆動型の発光素子の発光動作を制御するTFTの導電型を考慮した駆動方式を採用して、駆動電圧の低電圧化による消費電力、絶縁破壊、経時劣化の低減と表示品位の向上とを併せて図ることができる表示装置を提供することにある。
【0013】
【課題を解決するための手段】
本発明の第1の表示装置は、走査線と、データ線と、給電線と、画素と、を備えた表示装置であって、 前記画素は、 画素電極と、 前記走査線を介して走査信号が供給される第1のトランジスタと、第2のトランジスタと、前記画素電極が前記第2のトランジスタを介して前記給電線に電気的に接続したときに、前記画素電極と対向電極との間に流れる駆動電流によって発光する発光素子と、を含み、前記画素が点灯状態にある場合において、当該点灯状態にある画素に対応する前記給電線の電位は、当該点灯状態にある画素に対応する前記対向電極の電位よりも高く設定され、かつ、当該点灯状態にある画素の前記画素電極の電位は、当該点灯状態にある画素に対応する前記対向電極の電位より高く設定されていること、を特徴とする。
【0014】
本発明の第2の表示装置は、走査線と、データ線と、給電線と、画素と、を備えた表示装置であって、前記画素は、画素電極と、前記走査線を介して走査信号が供給される第1のトランジスタと、第2のトランジスタと、前記画素電極が前記第2のトランジスタを介して前記給電線に電気的に接続したときに、前記画素電極と対向電極との間に流れる駆動電流によって発光する発光素子と、を含み、前記画素が点灯状態にある場合は、当該点灯状態にある画素に対応する前記給電線の電位は、前記対向電極の電位よりも高く設定されており、当該点灯状態にある画素の前記画素電極の電位は、前記対向電極の電位より高く設定されており、かつ、当該点灯状態にある画素に対応する前記給電線の電位より低く設定されていること、を特徴とする。
【0015】
本発明の第3の表示装置は、走査線と、データ線と、給電線と、画素と、を備えた表示装置であって、前記画素は、画素電極と、前記走査線を介して走査信号が供給される第1のトランジスタと、第2のトランジスタと、前記画素電極が前記第2のトランジスタを介して前記給電線に電気的に接続したときに、前記画素電極と対向電極との間に流れる駆動電流によって発光する発光素子と、を含み、前記第2のトランジスタのゲート電圧は、前記対向電極の電位と同電位、あるいは、それ以上であること、を特徴とする。
【0016】
本発明の第4の表示装置は、走査線と、データ線と、給電線と、画素と、を備えた表示装置であって、前記画素は、画素電極と、前記走査線を介して走査信号が供給される第1のトランジスタと、第2のトランジスタと、前記画素電極が前記第2のトランジスタを介して前記給電線に電気的に接続したときに、前記画素電極と対向電極との間に流れる駆動電流によって発光する発光素子と、を含み、前記第2のトランジスタのゲート電圧は、前記給電線の電位と同電位、あるいは、それ以下であること、を特徴とする。
【0017】
本発明の第5の表示装置は、走査線と、データ線と、給電線と、画素と、を備えた表示装置であって、前記画素は、画素電極と、前記走査線を介して走査信号が供給される第1のトランジスタと、第2のトランジスタと、前記画素電極が前記第2のトランジスタを介して前記給電線に電気的に接続したときに、前記画素電極と対向電極との間に流れる駆動電流によって発光する発光素子と、を含み、前記第2のトランジスタのゲート電圧は、前記給電線の電位及び前記対向電極のいずれかと同電位、あるいは、前記給電線の電位と前記対向電極との間の電位であること、を特徴とする。
【0018】
本発明の第6の表示装置は、走査線と、データ線と、給電線と、画素と、を備えた表示装置であって、前記画素は、画素電極と、前記走査線を介して走査信号が供給される第1のトランジスタと、第2のトランジスタと、前記画素電極が前記第2のトランジスタを介して前記給電線に電気的に接続したときに、前記画素電極と対向電極との間に流れる駆動電流によって発光する発光素子と、を含み、消灯状態とすべき画素における前記第2のトランジスタに印加されるゲート電圧は、当該第2のトランジスタがオン状態となるときの極性と同じで、かつ、当該第2のトランジスタのしきい値電圧を越えない値であることを特徴とする。
【0019】
本発明の第7の表示装置は、走査線と、データ線と、給電線と、画素と、を備えた表示装置であって、前記画素は、画素電極と、前記走査線を介して走査信号が供給される第1のトランジスタと、第2のトランジスタと、前記画素電極が前記第2のトランジスタを介して前記給電線に電気的に接続したときに、前記画素毎に形成された画素電極と対向電極との間に流れる駆動電流によって発光する発光素子と、を含み、消灯状態とすべき画素に対して前記データ線から供給される前記画像信号の電位は、前記給電線の電位と比較して低電位、あるいは等電位あること、を特徴とする。
【0020】
上記の表示装置において、前記第1トランジスタ及び前記第2のトランジスタは、互いに逆導電型のトランジスタで構成されていることが好ましい。
【0021】
上記の表示装置において、前記第2のトランジスタは、Pチャネル型であってもよい。
【0022】
上記の表示装置において、前記発光素子は有機半導体膜を含んでいてもよい。
【0023】
上記の表示装置において、前記第2のトランジスタは飽和領域で動作するように構成されていてもよい。
【0024】
上記の表示装置において、前記第2のトランジスタは線形領域で動作するように構成されていてもよい。
【0025】
さらに、本発明では、基板上に、複数の走査線と、該走査線に交差する複数のデータ線と、複数の共通給電線と、前記データ線と前記走査線とによりマトリクス状に形成された画素とを有し、該画素の各々には、前記走査線を介して走査信号が第1のゲート電極に供給される第1のTFTと、該第1のTFTを介して前記データ線から供給される画像信号を保持する保持容量と、該保持容量によって保持された前記画像信号が第2のゲート電極に供給される第2のTFTと、前記画素毎に形成された画素電極が前記第2のTFTを介して前記共通給電線に電気的に接続したときに前記画素電極と発光薄膜を介して対向する対向電極との間に流れる駆動電流によって前記発光薄膜が発光する表示装置において、前記第2のTFTがNチャネル型の場合には、前記共通給電線は前記対向電極よりも低電位に設定されていることを特徴とする。
【0026】
本発明に係る表示装置では、第2のTFTのオン時のゲート電圧は、共通給電線の電位および画素電極の電位のうちの一方の電位と、ゲート電極の電位(画像信号の電位)との差に相当するので、第2のTFTの導電型に応じて、共通給電線の電位と発光素子の対向電極の電位との相対的な高低を最適化し、第2のTFTのゲート電圧は、共通給電線の電位と電位保持電極の電位との差に相当するように構成してある。たとえば、第2のTFTがNチャネル型であれば、発光素子の対向電極の電位に対して共通給電線の電位を低くしてある。
【0027】
この共通給電線の電位については、画素電極の電位と相違して、十分に低い値に設定することができるため、第2のTFTで大きなオン電流が得られ、高い輝度で表示を行うことができる。また、画素を点灯状態とする際に、第2のTFTにおいて高いゲート電圧が得られるのであれば、画像信号の電位を下げることができるので、画像信号の振幅を小さくし、表示装置における駆動電圧を下げることができる。
【0028】
それ故、消費電力を低減できるともに、薄膜で構成された各素子で懸念されていた耐電圧の問題が顕在化しないという利点がある。
【0029】
本発明において、上記第2のTFTがNチャネル型の場合には点灯状態とすべき画素に対して前記データ線から供給される画像信号の電位は、前記対向電極の電位と比較して低電位、あるいは等電位であることが好ましい。このように構成した場合も、第2のTFTをオン状態に保ったまま、画像信号の振幅を小さくすることができ、表示装置における駆動電圧を下げることができる。
【0030】
本発明において、第2のTFTがNチャネル型の場合には、消灯状態とすべき画素に対して前記データ線から供給される画像信号の電位は、前記共通給電線の電位と比較して高電位、あるいは等電位であることが好ましい。すなわち、画素を消灯状態にするときには、第2のTFTを完全にターンオフさせるほどのゲート電圧(画像信号)を印加しない。発光素子の非線型電気特性とあいまって、消灯状態は実現できる。それ故、画像信号の振幅を小さくすることができ、表示装置における駆動電圧を下げ、また画像信号の高周波化を図ることができる。
【0031】
本発明において、上記の各構成とは逆に、前記第2のTFTがPチャネル型の場合には、各電位の相対的な関係を逆転させる。すなわち、前記第2のTFTがPチャネル型の場合には、前記共通給電線は前記対向電極よりも高電位に設定されていることを特徴とする。この場合には、点灯状態とすべき画素に対して前記データ線から供給される画像信号の電位は、前記対向電極の電位と比較して高電位、あるいは、等電位であることが好ましい。また、消灯状態とすべき画素に対して前記データ線から供給される画像信号の電位は、前記共通給電線の電位と比較して低電位、あるいは等電位であることが好ましい。
【0032】
本発明において、前記第1のTFTと前記第2のTFTとは、逆導電型のTFTで構成されていることが好ましい。すなわち、第1のTFTがNチャネル型であれば、第2のTFTはPチャネル型であり、第1のTFTがPチャネル型であれば、第2のTFTはNチャネル型であることが好ましい。詳しくは後述するが、このように構成すると、表示装置の駆動電圧レンジの範囲内で、点灯のための画像信号の電位を、第1のTFTのオン時の抵抗が小さくなる方向に変更するだけで、表示動作の高速化を図ることができる。
【0033】
また、この時には画素を点灯させるための画像信号の電位が第2のTFTのオン時の抵抗が小さくなる方向に変更したことになるので、輝度の向上を図ることができる。よって、駆動電圧の低電圧化と表示品位の向上とを併せて達成することができる。
【0034】
本発明の別の形態では、基板上に、複数の走査線と、該走査線に交差する複数のデータ線と、複数の共通給電線と、前記データ線と前記走査線とによりマトリクス状に形成された画素とを有し、該画素の各々には、前記走査線を介して走査信号が第1のゲート電極に供給される第1のTFTと、該第1のTFTを介して前記データ線から供給される画像信号を保持する保持容量と、該保持容量によって保持された前記画像信号が第2のゲート電極に供給される第2のTFTと、前記画素毎に形成された画素電極と該画素電極に対向する対向電極との層間において前記画素電極が前記第2のTFTを介して前記共通給電線に電気的に接続したときに前記画素電極と前記対向電極との間に流れる駆動電流によって発光する発光薄膜を具備する発光素子とを備える表示装置において、前記第1のTFTと前記第2のTFTとは、逆導電型のTFTで構成されていることを特徴とする。
【0035】
本発明では、例えば第1のTFTがN型であれば、第2のTFTがP型であるように、第1のTFTと第2のTFTとが逆導電型であるため、第1のTFTの書き込み能力を上げるためには、走査信号の選択パルス高を高くし、第2のTFTのオン抵抗を下げて発光輝度を上げるためには、画像信号の電位を低くすることになる。このような走査信号および画像信号の最適化は、第1のTFTのゲート電圧に対して、画素の選択期間中、発光素子を点灯させるレベルの画像信号が保持容量に書き込まれていくにつれて、当該TFTのオン電流が増大する方にシフトさせるのに効く。それ故、データ線から第1のTFTを介して保持容量に画像信号がスムーズに書き込まれる。ここで、画素を選択する際の第1のTFTのゲート電圧は、走査信号の高電位に相当する電位と点灯時の電位保持電極の電位(点灯のための画像信号の電位、保持容量の電位、または第2のTFTのゲート電極の電位)との差に相当し、第2のTFTのゲート電圧は、点灯時の電位保持電極の電位と共通給電線の電位との差に相当し、このときの電位保持電極の電位を基準にしたときには、走査信号の高電位に相当する電位と共通給電線の電位は同じ極性である。従って、点灯時の電位保持電極の電位(点灯のための画像信号の電位)を変更すれば、その分、第1のTFTのゲート電圧および第2のTFTのゲート電圧の双方が同じ方向に同じ分だけシフトする。それ故、表示装置の駆動電圧レンジの範囲内で、点灯のための画像信号の電位を、第1のTFTのオン時の抵抗が小さくなる方向にシフトさせれば、表示動作の高速化を図ることができる。また、この時には点灯のための画像信号の電位が第2のTFTのオン時の抵抗が小さくなる方向にシフトしたことになるので、輝度の向上を図ることができる。よって、駆動電圧の低電圧化と表示品位の向上とを併せて達成することができる。
【0036】
本発明において、消灯状態にある画素における前記第2のTFTに印加されるゲート電圧は、該第2のTFTがオン状態となるときの極性と同じで、かつ、該第2のTFTのしきい値電圧を越えない値であることが好ましい。
【0037】
すなわち、画素を消灯状態にするときには、第2のTFTを完全にターンオフさせるほどのゲート電圧(画像信号)を印加しない。それ故、画像信号の振幅を小さくすることができ、画像信号の高周波化を実現できる。
【0038】
このように構成した場合において、前記第1のTFTがNチャネル型、前記第2のTFTがPチャネル型であれば、前記第1のTFTをオン状態にするときの走査信号の電位と前記共通給電線の電位とが等しく、かつ、消灯状態にある画素の前記第2のTFTに印加されるゲート電極の電位は、前記第1のTFTをオン状態にするときの走査信号の電位から当該第1のTFTのしきい値電圧を差し引いた電位よりも低電位であることが好ましい。それとは逆に、前記第1のTFTがPチャネル型、前記第2のTFTがNチャネル型であれば、前記第1のTFTをオン状態にするときの走査信号の電位と前記共通給電線の電位とが等しく、かつ、消灯状態にある画素の前記第2のTFTに印加されるゲート電極の電位は、前記第1のTFTをオン状態にするときの走査信号の電位に当該第1のTFTのしきい値電圧を加えた電位よりも高電位であることが好ましい。
【0039】
このように第1のTFTをオン状態にするときの走査信号の電位と共通給電線の電位とを等しくすると、各駆動信号のレベルの数が減るため、表示装置への信号入力端子の数を減らすことができるとともに、電源数を減らすことができるので、低消費電力となる。
【0040】
本発明では、前記保持容量の両電極のうち、前記第2のTFTの第2のゲート電極に電気的に接続する電極とは反対側の電極には、前記走査信号の選択パルスより遅延して該選択パルスとは電位が逆方向に振れるパルスが供給されることが好ましい。このように構成すると、保持容量への画像信号の書き込みを補うことができるので、画像信号の振幅を大きくせずに、第2のTFTのゲート電極に印加される画像信号の電位を高輝度化の方向にシフトさせることができる。
【0041】
本発明のさらに別の形態においては、基板上に、複数の走査線と、該走査線に交差する複数のデータ線と、複数の共通給電線と、前記データ線と前記走査線とによりマトリクス状に形成された画素とを有し、該画素の各々には、前記走査線を介して走査信号が第1のゲート電極に供給される第1のTFTと、該第1のTFTを介して前記データ線から供給される画像信号を保持する保持容量と、該保持容量によって保持された前記画像信号が第2のゲート電極に供給される第2のTFTと、前記画素毎に形成された画素電極と該画素電極に対向する対向電極との層間において前記画素電極が前記第2のTFTを介して前記共通給電線に電気的に接続したときに前記画素電極と前記対向電極との間に流れる駆動電流によって発光する発光薄膜を具備する発光素子とを備える表示装置において、前記保持容量の両電極のうち、前記第2のTFTの第2のゲート電極に電気的に接続する電極とは反対側の電極には、前記走査信号の選択パルスより遅延して該選択パルスとは電位が逆方向に振れるパルスが供給されることを特徴とする。
【0042】
このように構成すると、保持容量への画像信号の書き込みを補うことができるので、画像信号の振幅を大きくせずに、第2のTFTのゲート電極に印加される画像信号の電位を高輝度化の方向にシフトさせることができる。
【0043】
上記のいずれの発明においても、前記発光薄膜としては、たとえば、有機半導体膜を用いることができる。
【0044】
本発明では、上記のいずれの発明においても、第2のTFTについては、その飽和領域で動作させることにより、発光素子に異常電流が流れ、電圧降下等により他画素にクロストーク等が発生するのを防止することができる。
【0045】
また、その線形領域で動作させることによりそのしきい値電圧のばらつきが表示動作に影響を及ぼすことを防止することができる。
【0046】
【発明の実施の形態】
図面を参照して、本発明の実施の形態を説明する。なお、本発明の各実施の形態を説明する前に、各形態で共通の構成について説明しておく。ここで、各形態で共通の機能を有する部分については、同一の符合を付して説明の重複を避けることとする。
【0047】
(アクティブマトリクス基板の全体構成)
図1は、表示装置の全体のレイアウトを模式的に示すブロック図、図2は、それに構成されたアクティブマトリクスの等価回路図である。図1に示すように、本実施形態の表示装置1では、その基体たる透明基板10の中央部分が表示部2とされている。透明基板10の外周部分のうち、図面に向かって上下の側には、データ線sigに対して画像信号を出力するデータ側駆動回路3、および検査回路5がそれぞれ構成され、図面に向かって左右の側には、走査線gateに対して走査信号を出力する走査側駆動回路4が構成されている。これらの駆動回路3、4では、N型のTFTとP型のTFTとによって相補型TFTが構成され、この相補型TFTは、シフトレジスタ回路、レベルシフタ回路、アナログスイッチ回路などを構成している。透明基板10上において、データ側駆動回路3よりも外周領域には、画像信号や各種の電位、パルス信号を入力するための端子群とされる実装用パッド6が形成されている。
【0048】
表示装置1では、液晶表示装置のアクティブマトリクス基板と同様、透明基板10上に、複数の走査線gateと、該走査線gateの延設方向に対して交差する方向に延設された複数のデータ線sigとが構成され、図2に示すように、これらのデータ線sigと走査線gateとの交差によりマトリクス状に画素7が多数、構成されている。
【0049】
これらの画素7のいずれにも、走査線gateを介して走査信号がゲート電極21(第1のゲート電極)に供給される第1のTFT20が構成されている。このTFT20のソース・ドレイン領域の一方は、データ線sigに電気的に接続し、他方のソース・ドレイン領域は電位保持電極stに電気的に接続している。すなわち、走査線gateに対しては容量線clineが並列配置され、この容量線clineと電位保持電極stとの間には保持容量capが形成されている。従って、走査信号によって選択されて第1のTFT20がオン状態になると、データ線sigから画像信号が第1のTFT20を介して保持容量capに書き込まれる。
【0050】
電位保持電極stには第2のTFT30のゲート電極31(第2のゲート電極)が電気的に接続し、第2のTFT30のソース・ドレイン領域の一方は、共通給電線comに電気的に接続する一方、他方のソース・ドレイン領域は発光素子40の一方の電極(後述する画素電極)に電気的に接続している。共通給電線comは定電位に保持されている。第2のTFT30がオン状態になったときに、第2のTFT30を介して共通給電線comの電流が発光素子40を流れ、発光素子40を発光させる。
【0051】
このように構成した表示装置1において、駆動電流は、発光素子40、第2のTFT30、および共通給電線comから構成される電流経路を流れるため、第2のTFT30がオフ状態になると、流れなくなる。但し、本実施形態の表示装置1では、走査信号によって選択されて第1のTFT20がオン状態になると、データ線sigから画像信号が第1のTFT20を介して保持容量capに書き込まれる。従って、第2のTFT30のゲート電極は、第1のTFT20がオフ状態になっても、保持容量capによって画像信号に相当する電位に保持されるので、第2のTFT30はオン状態のままである。それ故、発光素子40には駆動電流が流れ続け、この画素は点灯状態のままである。この状態は、新たな画像データが保持容量capに書き込まれて、第2のTFT30がオフ状態になるまで維持される。
【0052】
表示装置1において共通給電線com、画素7、およびデータ線sigについては各種の配列が可能であるが、本実施形態では、共通給電線comの両側に、該共通給電線comとの間で駆動電流の供給が行われる発光素子40を有する複数の画素7が配置され、これらの画素7に対して共通給電線comとは反対側を2本のデータ線sigが通っている。すなわち、データ線sig、それに接続する画素群、1本の共通給電線com、それに接続する画素群、および該画素群に画素信号を供給するデータ線sigを1つの単位としてそれを走査線gateの延設方向に繰り返してあり、共通給電線comは、1本で2列分の画素7に対して駆動電流を供給する。そこで、本実施形態では、共通給電線comを挟むように配置された2つの画素7の間では、第1のTFT20、第2のTFT30、および発光素子40が当該共通給電線comを中心に線対称に配置され、これらの素子と各配線層との電気的な接続を容易なものにしてある。
【0053】
このように、本実施形態では、1本の共通給電線comで2列分の画素を駆動するので、1列の画素群ごとに共通給電線comを形成する場合と比較して、共通給電線comの数が1/2で済むとともに、同一の層間に形成される共通給電線comとデータ線sigとの間に確保していた隙間が不要である。それ故、透明基板10上において配線のための領域を狭くすることができるので、輝度、コントラスト比などの表示性能を向上させることができる。なお、このように1本の共通給電線comに2列分の画素が接続される構成としたため、データ線sigは2本ずつ並列する状態にあって、それぞれの列の画素群に対して画像信号を供給することになる。
【0054】
(画素の構成)
このように構成した表示装置1の各画素7の構造を、図3ないし図6を参照して詳述する。図3は、本実施形態の表示装置1に形成されている複数の画素7のうちの3つの画素7を拡大して示す平面図、図4、図5、および図6はそれぞれは、そのA−A′線における断面図、B−B′線における断面図、およびC−C′線における断面図である。
【0055】
まず、図3におけるA−A′線に相当する位置では、図4に示すように、透明基板10上には各画素7の各々に、第1のTFT20を形成するための島状のシリコン膜200が形成され、その表面にはゲート絶縁膜50が形成されている。
【0056】
ゲート絶縁膜50の表面にはゲート電極21(走査線gateの一部)が形成され、該ゲート電極21に対して自己整合的にソース・ドレイン領域22、23が形成されている。ゲート絶縁膜50の表面側には第1の層間絶縁膜51が形成され、この層間絶縁膜に形成されたコンタクト
ホール61、62を介して、ソース・ドレイン領域22、23にはデータ線sig、および電位保持電極stがそれぞれ電気的に接続している。
【0057】
各画素7には走査線gateと並列するように、走査線gateやゲート電極21と同一の層間(ゲート絶縁膜50と第1の層間絶縁膜51との間)には容量線clineが形成されており、この容量線clineに対しては、第1の層間絶縁膜51を介して電位保持電極stの延設部分st1が重なっている。このため、容量線clineと電位保持電極stの延設部分st1とは、第1の層間絶縁膜51を誘電体膜とする保持容量capを構成している。なお、電位保持電極stおよびデータ線sigの表面側には第2の層間絶縁膜52が形成されている。
【0058】
図3におけるB−B′線に相当する位置では、図5に示すように、透明基板10上に形成された第1の層間絶縁膜51および第2の層間絶縁膜52の表面に各画素7に対応するデータ線sigが2本、並列している状態にある。図3におけるC−C′線に相当する位置では、図6(A)に示すように、透明基板10上には共通給電線comを挟む2つの画素7に跨がるように、第2のTFT30を形成するための島状のシリコン膜300が形成され、その表面にはゲート絶縁膜50が形成されている。ゲート絶縁膜50の表面には、共通給電線comを挟むように、各画素7の各々にゲート電極31がそれぞれ形成され、このゲート電極31に対して自己整合的にソース・ドレイン領域32、33が形成されている。
【0059】
ゲート絶縁膜50の表面側には第1の層間絶縁膜51が形成され、この層間絶縁膜に形成されたコンタクトホール63を介して、ソース・ドレイン領域62に中継電極35が電気的に接続している。
【0060】
一方、シリコン膜300の中央の2つの画素7において共通のソース・ドレイン領域33となる部分に対しては、第1の層間絶縁膜51のコンタクトホール64を介して、共通給電線comが電気的に接続している。これらの共通給電線com、および中継電極35の表面には第2の層間絶縁膜52が形成されている。
【0061】
第2の層間絶縁膜52の表面にはITO膜からなる画素電極41が形成されている。この画素電極41は、第2の層間絶縁膜52に形成されたコンタクトホール65を介して中継電極35に電気的に接続し、この中継電極35を介して第2のTFT30のソース・ドレイン領域32に電気的に接続されている。
【0062】
(発光素子の特性)
発光素子40としては、いずれの構造のものを用いた場合でも本発明を適用できるので、その代表的なものを以下に説明する。まず、前記のITO膜からなる画素電極41は、図7(A)に示すように、発光素子40の一方の電極(正極)を構成している。この画素電極41の表面には正孔注入層42および発光薄膜として有機半導体膜43が積層され、さらに有機半導体膜43の表面には、リチウム含有アルミニウムまたはカルシウムなどの金属膜からなる対向電極op(負極)が形成されている。この対向電極opは、透明基板10の全面、あるいはストライプ状に形成された共通電極となるべきもので、一定の電位に保持されている。これに対して、図7(A)に示す発光素子40とは逆の方向に駆動電流を流す場合には、図7(B)に示すように、下層側から上層側に向かって、ITO膜からなる画素電極41(負極)、透光性をもつほど薄いリチウム含有アルミニウム電極45、有機半導体層43、正孔注入層42、ITO膜層46、リチウム含有アルミニウムまたはカルシウムなどの金属膜からなる対向電極op(正極)をこの順に積層して、発光素子40を構成する場合もある。
【0063】
このように構成すると、図7(A)、(B)に示す各発光素子40においてそれぞれ逆極性の駆動電流が流れる場合でも、正孔注入層42および有機半導体層43が直接、接する電極層の構成が同一であるため、発光特性が同等である。これらの図7(A)、(B)に示した発光素子40は、いずれも下層側(基板の側)にITO膜からなる画素電極41を有し、光は、矢印hνで示すように、画素電極41および透明基板10を透過して透明基板10の裏面側から射出される。
【0064】
これに対して、図8(A)、(B)に示すように発光素子40を構成すると、光は、矢印hνで示すように、対向電極opを透過して透明基板10の表面側に射出される。すなわち、図8(A)に示すように、リチウム含有アルミニウムなどの金属膜からなる画素電極41(負極)の表面には有機半導体膜43および正孔注入層42が積層され、さらに正孔注入層42の表面にはITO膜からなる対向電極op(正極)が形成されている。この対向電極opも、全面に一枚板で、あるいはストライプ状に形成された共通電極で、一定の電位に保持されている。
【0065】
これに対して、図8(A)に示す発光素子とは逆の方向に駆動電流を流すには、図8(B)に示すように、下層側から上層側に向かって、リチウム含有アルミニウムなどの金属膜からなる画素電極41(正極)、ITO膜層46、正孔注入層42、有機半導体層43、透光性をもつほど薄いリチウム含有アルミニウム電極45、ITO膜からなる対向電極op(負極)をこの順に積層して、発光素子40を構成する場合もある。いずれの構造を有する発光素子40を形成するにあたっても、正孔注入層42および有機半導体膜43は、後述するように、インクジェット法によりバンク層bankの内側に形成すれば、上下位置が反対でも製造工程が複雑になることはない。また、透光性をもつほど薄いリチウム含有アルミニウム電極45、およびITO膜層46を追加する場合でも、リチウム含有アルミニウム電極45は画素電極41と同じ領域で積層している構造になっていても表示に支障がなく、ITO膜層46も対向電極opと同じ領域で積層している構造になっていても表示に支障がない。それ故、リチウム含有アルミニウム電極45と画素電極41とはそれぞれ別々にパターニングしてもよいが、同じレジストマスクで一括してパターニングしてもよい。同様に、ITO膜層46と対向電極opとはそれぞれ別々にパターニングしてもよいが、同じレジストマスクで一括してパターニングしてもよい。リチウム含有アルミニウム電極45およびITO膜層46はバンク層bankの内側領域のみに形成してもよいことは勿論である。
【0066】
さらに、対向電極opの方をITO膜で形成し、画素電極41の方を金属膜で構成してもよい。いずれも場合でも透明なITO膜の方から光が射出されることになる。このように構成された発光素子40は、対向電極opおよび画素電極41をそれぞれ正極および負極として電圧が印加され、図9(図7(A)、図8(B)に示す発光素子40の電流−電圧特性)、図10(図7(B)、図8(A)に示す発光素子40の電流−電圧特性)にそれぞれ示すように、印加電圧(横軸/画素電極41に対する対向電極opの電位)がしきい値電圧を越えた領域でオン状態、すなわち、低抵抗状態になって有機半導体膜43に流れる電流(駆動電流)が急激に増大する。その結果、発光素子40は、エレクトロルミネッセンス素子あるいはLED素子として発光し、発光素子40の射出光は、対向電極opに反射され、透明な画素電極41および透明基板10を通して射出される。それとは反対に、印加電圧(横軸/画素電極41に対する対向電極opの電位)がしきい値電圧を下回る領域ではオフ状態、すなわち、高抵抗状態になって有機半導体膜43に電流(駆動電流)が流れず、発光素子40は消灯する。なお、図9、図10に示す例ではそれぞれ+2V付近、−2V付近がしきい値電圧である。
【0067】
ここで、発光効率はやや低下する傾向にあるものの、正孔注入層42を省略することもある。また、正孔注入層42を用いずに、有機半導体層43に対して正孔注入層42が形成されている位置とは反対側の位置に電子注入層を設ける場合もある。また、正孔注入層42および電子注入層の両方を設ける場合もある。
【0068】
(TFTの特性)
このように構成した発光素子40での発光を制御するためのTFT(図2における第1のTFT20および第2のTFT30)として、Nチャネル型、およびPチャネル型のTFTの電流電圧特性を図11および図12(いずれの図においても、ドレイン電圧が4V、8Vの例を示してある。)に示す。これらの図からわかるように、TFTは、ゲート電極に印加するゲート電圧によってオン、オフ動作を行う。すなわち、ゲート電圧がしきい値電圧を越えると、TFTはオン状態(低抵抗状態)になってドレイン電流が増大する。これに対して、ゲート電圧がしきい値電圧を下回ると、TFTはオフ状態(高抵抗状態)になってドレイン電流が低減する。
【0069】
(表示装置の製造方法)
このように構成した表示装置1の製造方法において、透明基板10上に第1のTFT20および第2のTFT30を製造するまでの工程は、液晶表示装置1のアクティブマトリクス基板を製造する工程と略同様であるため、簡単に図13を参照してその概要を説明する。
【0070】
図13は、表示装置1の各構成部分を600℃以下の温度条件下で形成していく過程を模式的に示す工程断面図である。すなわち、図13(A)に示すように、透明基板10に対して、必要に応じて、TEOS(テトラエトキシシラン)や酸素ガスなどを原料ガスとしてプラズマCVD法により厚さが約2000〜5000オングストロームのシリコン酸化膜からなる下地保護膜(図示せず。)を形成する。次に基板の温度を約350℃に設定して、下地保護膜の表面にプラズマCVD法により厚さが約300〜700オングストロームのアモルファスのシリコン膜からなる半導体膜100を形成する。
【0071】
次にアモルファスのシリコン膜からなる半導体膜100に対して、レーザアニールまたは固相成長法などの結晶化工程を行い、半導体膜100をポリシリコン膜に結晶化する。レーザアニール法では、たとえば、エキシマレーザでビーム形状の長寸が400mmのラインビームを用い、その出力強度はたとえば200mJ/cm2である。ラインビームについてはその短寸方向におけるレーザ強度のピーク値の90%に相当する部分が各領域毎に重なるようにラインビームを
走査していく。
【0072】
次に、図13(B)に示すように、半導体膜100をパターニングして島状の半導体膜200、300とし、その表面に対して、TEOS(テトラエトキシシラン)や酸素ガスなどを原料ガスとしてプラズマCVD法により厚さが約600〜1500オングストロームのシリコン酸化膜または窒化膜からなるゲート絶縁膜50を形成する。
【0073】
次に、図13(C)に示すように、アルミニウム、タンタル、モリブデン、チタン、タングステンなどの金属膜からなる導電膜をスパッタ法により形成した後、パターニングし、走査線gateの一部としてのゲート電極21、31を形成する。この工程では容量線clineも形成する。なお、図中、310はゲート電極31の延設部分である。この状態で高濃度のリンイオンあるいはボロンイオンなどの不純物を打ち込んで、シリコン薄膜200、300にはゲート電極21、31に対して自己整合的にソース・ドレイン領域22、23、32、33を形成する。なお、不純物が導入されなかった部分がチャネル領域27、37となる。
【0074】
本実施形態では、後述するように、同一の基板上に導電型の異なるTFTを製造する場合があるので、その場合には、不純物導入工程において逆導電型のTFT形成領域をマスクで覆いながら不純物の導入をすすめていく。
【0075】
次に、図13(D)に示すように、第1の層間絶縁膜51を形成した後、コンタクトホール61、62、63、64、69を形成し、データ線sig、容量線clineおよびゲート電極31の延設部分310に重なる延設部分st1を備える電位保持電極st、共通給電線com、および中継電極35を形成する。その結果、電位保持電極stはコンタクトホール69および延設部分310を介してゲート電極31に電気的に接続する。このようにして第1のTFT20および第2のTFT30を形成する。また、容量線clineと電位保持電極stの延設部分st1とによって保持容量capが形成される。
【0076】
次に、図13(E)に示すように、第2の層間絶縁膜52を形成し、この層間絶縁膜には、中継電極35に相当する部分にコンタクトホール65を形成する。
【0077】
次に、第2の層間絶縁膜52の表面全体に導電膜を形成した後、パターニングし、コンタクトホール65を介して第2のTFT30のソース・ドレイン領域32に電気的に接続する画素電極41を形成する。
【0078】
次に、図13(F)に示すように、第2の層間絶縁膜52の表面側に黒色のレジスト層を形成した後、このレジストを発光素子40の有機半導体膜43、および正孔注入層42を形成すべき領域を囲むように残し、バンク層bankを形成する。ここで、有機半導体膜43は、各画素毎に独立して箱状に形成される場合、データ線sigに沿ってストライプ状に形成される場合のいずれであっても、それに対応する形状にバンク層bankを形成するだけで、本実施形態に係る製造方法を適用できる。
【0079】
次に、バンク層bankの内側領域に対してインクジェットヘッドIJから、有機半導体膜43を構成するための液状の材料(前駆体)を吐出し、バンク層bankの内側領域に有機半導体膜43を形成する。同様に、バンク層bankの内側領域に対してインクジェットヘッドIJから、正孔注入層42を構成するための液状の材料(前駆体)を吐出し、バンク層bankの内側領域に正孔注入層42を形成する。なお、図7(A)、(B)および図8(A)、(B)を参照して発光素子40の構造を説明したように、その構造によっては、有機半導体膜43および正孔注入層42を形成していく順序が入れ替わることもある。ここで、バンク層bankはレジストから構成されているため、撥水性である。これに対して、有機半導体膜43や正孔注入層42の前駆体は親水性の溶媒を用いているため、有機半導体膜43の塗布領域はバンク層bankによって確実に規定され、隣接する画素にはみ出ることがない。また、バンク層bankを十分高く形成しておくと、インクジェット法を用いなくてもスピンコート法などといった塗布法を用いた場合でも、所定領域に有機半導体膜43や正孔注入層42を形成できる。
【0080】
本実施形態では、有機半導体膜43や正孔注入層42をインクジェット法により形成する際の作業効率を高めるために、図3に示すように、走査線gateの延設方向に沿って隣接するいずれの画素7間でも、前記有機半導体膜43の形成領域の中心のピッチPを等しくしてある。従って、矢印Qで示すように、走査線gateの延設方向に沿って等間隔の位置にインクジェットヘッドIJから有機半導体膜43の材料などを吐出すればよいという利点がある。また、等ピッチの移動でよいため、インクジェットヘッドIJの移動機構が簡易になり、かつ、インクジェットヘッドIJの打ち込み精度を上げることも容易となる。
【0081】
しかる後には、図13(G)に示すように、透明基板10の表面側に対向電極opを形成する。ここで、対向電極opは全面またはストライプ状に形成されるが、対向電極opをストライプ状に形成する場合には、透明基板10の表面全体に導電膜を形成した後、それをストライプ状にパターニングする。
【0082】
なお、図1に示すデータ側駆動回路3や走査側駆動回路4にもTFTが形成されるが、これらのTFTは前記の画素7にTFTを形成していく工程の全部あるいは一部を援用して行われる。それ故、駆動回路を構成するTFTも、画素7のTFTと同一の層間に形成されることになる。
【0083】
本実施形態において、バンク層bankは黒色で絶縁性のレジストから構成されているので、そのまま残し、ブラックマトリクスBM、および寄生容量を低減するための絶縁層として利用する。
【0084】
すなわち、図1に示すように、透明基板10の周辺領域に対しても前記のバンク層bank(形成領域に斜線を付してある。)を形成する。従って、データ側駆動回路3および走査側駆動回路4はいずれも、バンク層bankによって覆われているため、これらの駆動回路の形成領域に対して対向電極opが重なる状態にあっても、駆動回路の配線層と対向電極opとの間にバンク層bankが介在することになる。それ故、駆動回路3、4に容量が寄生することを防止できるので、データ側駆動回路3の負荷を低減でき、低消費電力化あるいは表示動作の高速化を図ることができる。
【0085】
また、本実施形態では、図3ないし図5に示すように、データ線sigに重なるようにバンク層bankを形成してある。従って、データ線sigと対向電極opとの間にバンク層bankが介在することになるので、データ線sigに容量が寄生することを防止できる。その結果、駆動回路の負荷を低減できるので、低消費電力化あるいは表示動作の高速化を図ることができる。
【0086】
さらに、本実施形態では、図3、図4、および図6(A)に示すように、画素電極41と中継電極35とが重なる領域にもバンク層bankを形成するとよい。すなわち、図6(B)に示すように、画素電極51と中継電極35とが重なる領域にバンク層bankが形成されていない場合、たとえ画素電極と対向電極opとの間に駆動電流が流れて有機半導体、膜43が発光しても、この光は中継電極35と対向電極opとに挟まれているため出射されず、表示に寄与しない。かかる表示に寄与しない部分で流れる駆動電流は、表示という面からみて無効電流といえる。しかるに本実施形態では、このような無効電流が流れるはずの部分にバンク層bankを形成し、そこに駆動電流が流れることを防止するので、共通給電線comに無駄な電流が流れることが防止できる。それ故、共通給電線comの幅はその分狭くてよい。
【0087】
また、前記のように黒色のレジストで構成したバンク層bankを残しておくと、バンク層bankはブラックマトリクスとして機能し、輝度、コントラスト比等の表示の品位が向上する。すなわち、本実施形態に係る表示装置1では、対向電極opが透明基板10の表面側の全面、あるいは広い領域にわたってストライプ状に形成されるため、対向電極opでの反射光がコントラスト比を低下させる。
【0088】
しかるに本実施形態では、有機半導体膜43の形成領域を規定しながら寄生容量を抑える機能を有するバンク層bankを黒色のレジストで構成したため、バンク層bankはブラックマトリクスとしても機能し、対向電極opからの無駄な反射光を遮るので、コントラスト比が高いという利点がある。また、バンク層bankを利用して自己整合的に発光領域を規定することができるので、バンク層bankをブラックマトリクスとして用いずに別の金属層などをブラックマトリクスとして用いたときに問題となる発光領域とのアライメント余裕が不要である。
【0089】
(アクティブマトリクス基板の別の構成)
なお、本発明は上記の構成に限らず、各種のアクティブマトリクス基板に適用できる。たとえば、図31を参照して説明したように、透明基板1の上において、1本のデータ線sig、1本の共通給電線com、1列の画素7を1つの単位として走査線gateの延設方向に繰り返した構成の表示装置1Aについても本発明を適用できる。
【0090】
また、保持容量capについては、容量線を用いずに、共通給電線comと電位保持電極stとの間に構成してもよい。この場合には、図14(A)、(B)に示すように、電位保持電極stとゲート電極31とを電気的に接続させるためのゲート電極31の延設部分310を共通給電線comの下層側にまで拡張し、この延設部分310と共通給電線comとの間の位置する第1の層間絶縁膜51を誘電体膜とする保持容量capを構成する。
【0091】
さらに、保持容量capについては、図示を省略するが、TFTを構成するためのポリシリコン膜を利用して構成してもよく、また、容量線や共通給電線に限らず、前段の走査線との間に構成することも可能である。
【0092】
[実施の形態1]
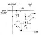
図15は、本実施形態の表示装置1の画素構成を示す等価回路図である。図16(A)、(B)はそれぞれ、各画素に構成された各素子の電気的な接続状態を示す説明図、および駆動信号などの電位変化を示す波形図である。
【0093】
図15、図16(A)、(B)に示すように、本実施形態では、第1のTFT20はNチャネル型である。従って、走査線gateから供給される走査信号Sgateが高電位になったときに、第1のTFT20がオン状態になって、データ線sigから第1のTFT20を介して保持容量capに画像信号dataが書き込まれ、走査線gateから供給される走査信号Sgateが低電位になっている間は、保持容量capに保持された画像信号dataによって第2のTFT30が駆動制御される。
【0094】
本実施形態では、第2のTFT30もNチャネル型である。従って、データ線sigからは、点灯状態とすべき画素の保持容量capには高電位側の画像信号dateが書き込まれ、消灯状態とすべき画素の保持容量capには低電位側の画像信号dateが書き込まれ、それに応じて、電位保持電極stの電位が変化する。
【0095】
ここで、第2のTFT30のゲート電圧、Vgcurに、共通給電線comの電位、および画素電極30の電位のうちの低い方の電位と、電位保持電極stの電位との差に相当する。しかるに本実施形態では、発光素子40の対向電極opの電位に対して共通給電線comの電位を低くして、第2のTFT30がオン状態になったときには、矢印Fで示すように、発光素子40の方から共通給電線comの方に電流が流れるように構成してある。このため、第2のTFT30のゲート電圧Vgcurは、共通給電線comの電位と電位保持電極stの電位との差に相当する。この共通給電線comの電位については、共通給電線comの電位と対向電極opの電位との間の電位に相当する画素電極30の電位と相違して、十分に低い値に設定することができる。従って、本実施形態では、第2のTFT30のゲート電圧Vgcurを十分、高い値とすることができるため、第2のTFT30のオン電流が大きいので、高い輝度で表示を行うことができる。また、画素を点灯状態とする際に、第2のTFT30のゲート電圧Vgcurとして高い値が得られるのであれば、その分、そのときの電位保持電極stの電位、すなわち、画像信号dataの高電位側の電位を下げることができるので、画像信号dataの振幅を小さくし、表示装置1における駆動
電圧を下げることができる。
【0096】
なお、第2のTFT30のオン電流は、ゲート電圧Vgcurに限らず、ドレイン電圧にも依存するが、上記の結論が変わることはない。また、本実施形態では、第2のTFT30のオン電流が共通給電線comの電位と電位保持電極stの電位との差に規定され、対向電極opの電位から直接的な影響を受けないので、画素を点灯状態とするための画像信号dataの高電位側の電位を、対向電極opの電位より低い電位にまで下げ、画像信号dataの振幅を小さくして、表示装置1における駆動電圧の低電圧化を図ってある。なお、画素を点灯状態となるための画像信号dataの高電位側の電位を、対向電極opと等電位にまで下げ、画像信号dataの振幅を小さくしてもよい。
【0097】
さらに、本実施形態では、消灯状態とすべき画素に対してデータ線sigから供給される画像信号dataの電位を、共通給電線comの電位と比較してやや高電位側にしてある。第2のTFT30はNチャネル型であるため、それを完全にターンオフさせるには、第2のTFT30のゲート電圧Vgcurを負(共通給電線comより低い電位)とすることになる。または、第2のTFT30のゲート電圧Vgcurの絶対値が第2のTFT30のしきい値電圧の絶対値に相当するレベルよりやや低い電位となるなるように、画像信号dataの低電位側の電位を高めに設定する。このときは、消灯状態にある画素7において第2のTFT30のゲート電圧を、第2のTFT30がオン状態となるときの極性と同じで、かつ、第2のTFT30のしきい値電圧を下回る値に設定する。この時、画像信号dataの低電位側の電位を上記の通りに高めに設定した場合でも、第2のTFT30は高抵抗状態にあって、オン電流が極めて小さいので、発光素子40は消灯にある。なお、消灯状態とすべき画素に対してデータ線sigから供給される画像信号dataの電位を、共通給電線comと等電位にして画像信号dataの振幅を小さくしてもよい。
【0098】
このように画像信号dataの低電位側の電位を第2のTFT30のしきい値を越えない程度に高めに設定すると、画像信号dataの振幅を小さくできるので、画像信号dataの駆動電圧を下げることができる。しかも、前記のとおり、画素を点灯状態とするための画像信号dataの高電位側の電位を、対向電極opの電位より低い電位にまで下げてあるので、画像信号dataの電位は、対向電極opと共通給電線comとで規定されるレンジ内におさまる。それ故、表示装置1における駆動電圧を下げることができ、表示装置1の消費電力を下げることができる。また、このように構成しても、画質の低下、動作の異常、動作可能な周波数の低下を招くものではなく、表示装置1の駆動電圧が低い分、薄膜から構成した各素子で懸念されていた耐電圧(絶縁耐圧)の問題が顕在化しないという利点もある。
【0099】
[実施の形態1の変形例]
図17は、本実施形態の表示装置1の画素構成を示す等価回路図である。図18(A)、(B)はそれぞれ、各画素に構成された各素子の電気的な接続状態を示す説明図、および駆動信号などの電位変化を示す波形図である。なお、本実施形態では、実施の形態1とは反対に、第1のTFT20および第2のTFT30のいずれをもPチャネル型のTFTで構成してある。但し、本実施形態は、実施の形態1と同一の技術的思想のもとで各素子を駆動制御することとし、実施の形態1で説明し
た駆動信号の極性を反転させてあるだけであり、その他の点については同様な構成を有す
るものであるため、構成については簡単に説明するだけとする。
【0100】
図17、図18(A)、(B)に示すように、本実施形態では、第1のTFT20はPチャネル型であるため、走査線gateから供給される走査信号Sgateが低電位になったときに、第1のTFT20がオン状態になる。本実施形態では、第2のTFT30もPチャネル型である。従って、データ線sigからは、点灯状態とすべき画素の保持容量capに低電位側の画像信号dateが書き込まれ、消灯状態とすべき画素の保持容量capには高電位側の画像信号dateが書き込まれる。
【0101】
ここで、第2のTFT30のゲート電圧Vgcurは、共通給電線comの電位、および画素電極30の電位のうちの高い方の電位と、電位保持電極stの電位との差に相当する。しかるに本実施形態では、発光素子40の対向電極opの電位に対して共通給電線comの電位を高くして、第2のTFT30がオン状態になったときには、矢印Eで示すように、共通給電線comの方から発光素子40の方に電流が流れるように構成してある。このため、第2のTFT30のゲート電圧Vgcurは、共通給電線comの電位と電位保持電極stの電位との差に相当する。この共通給電線comの電位については、共通給電線comの電位と対向電極opの電位との間の電位に相当する画素電極30の電位と相違して、十分に高い値に設定することができる。従って、本実施形態では、第2のTFT30のゲート電圧Vgcurを十分、高い値とすることができるため、第2のTFT30のオン電流が大きいので、高い輝度で表示を行うことができる。また、画素を点灯状態とする際に、第2のTFT30のゲート電圧Vgcurとして高い値が得られるのであれば、その分、そのときの電位保持電極stの電位、すなわち、画像信号dataの低電位側の電位を上げることができるので、画像信号dataの振幅を小さくできる。
【0102】
また、本実施形態では、第2のTFT30のオン電流が対向電極opの電位から直接的には影響を受けないので、画素を点灯状態とするための画像信号dataの低電位側の電位を、対向電極opの電位よりやや高い電位まで上げ、画像信号dataの振幅を小さくしてある。なお、画素を点灯状態とするための画像信号dataの低電位側の電位を、対向電極opと等電位にまで上げ、画像信号dataの振幅を小さくしてもよい。
【0103】
さらに、本実施形態では、消灯状態とすべき画素に対してデータ線sigから供給される画像信号dataの電位を、共通給電線comの電位と比較してやや低電位にまで下げてある。すなわち、第2のTFT30のゲート電圧Vgcurの絶対値がこのTFTのしきい値電圧の絶対値に相当するレベルよりやや低い電位となるように、画像信号dataの高電位側の電位を低めに設定してある。これにより、第2のTFT30ではオン電流が極めて小さくなり、発光素子40は消灯にある。なお、消灯状態とすべき画素に対してデータ線sigから供給される画像信号dataの電位を、共通給電線comと等電位にして画像信号dataの振幅を小さくしてもよい。
【0104】
このように画像信号dataの低電位側の電位を高めに設定し、かつ、画素を点灯状態とするための画像信号dataの高電位側の電位を低めに設定してあるので、画像信号dataの電位は、対向電極opと共通給電線comとで規定されるレンジ内におさまる。それ故、表示装置1における駆動電圧を下げることができ、表示装置1の消費電力を下げることができるなど、実施の形態1と同様な効果を奏する。
【0105】
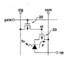
[実施の形態2]
図19は、本実施形態の表示装置1の画素構成を示す等価回路図である。
図20(A)、(B)はそれぞれ、各画素に構成された各素子の電気的な接続状態を示す説明図、および駆動信号などの電位変化を示す波形図である。図19、図20(A)、(B)に示すように、本実施形態では、第1のTFT20をNチャネル型のTFTで、第2のTFT30をPチャネル型のTFTで構成してある。第2のTFT30はPチャネル型であるため、データ線sigからは、点灯状態とすべき画素の保持容量capには低電位側の画像信号dateが書き込まれ、消灯状態とすべき画素の保持容量capには高電位側の画像信号dateが書き込まれる。第2のTFT30のゲート電圧Vgcurは、共通給電線comの電位、および画素電極30の電位のうちの高い方の電位と、電位保持電極stの電位との差に相当する。
【0106】
本実施形態では、発光素子40の対向電極opの電位に対して共通給電線comの電位を高くして、第2のTFT30のゲート電圧Vgcurは、共通給電線comの電位と電位保持電極stの電位との差に相当するように構成してある。この共通給電線comの電位については、画素電極41と比較して十分に高い値に設定することができるので、第2のTFT30のオン電流が大きく、高い輝度で表示を行うことができる。また、その分、そのときの電位保持電極stの電位、すなわち、画像信号dataの低電位側の電位を上げることができるので、画像信号dataの振幅を小さくできる。また、第2のTFT30のオン電流が対向電極opの電位から直接的には影響を受けないので、画素を点灯状態とするための画像信号dataの低電位側の電位を、対向電極opの電位より高い電位、あるいは等電位にまで上げ、画像信号dataの振幅を小さくしてある。
【0107】
さらに、本実施形態では、消灯状態とすべき画素に対してデータ線sigから供給される画像信号dataの電位を、共通給電線comの電位と比較してやや低電位、あるいは等電位にして画像信号dataの振幅を小さくしてある。それ故、画像信号dataの電位を、対向電極opと共通給電線comとで規定されるレンジ内におさめ、ひいては表示装置1における駆動電圧を下げてあるので、表示装置1の消費電力を下げることができるなど、実施の形態1、あるいはその変形例と同様な効果を奏する。
【0108】
本実施形態では、第1のTFT20はNチャネル型で、第2のTFT30と逆導電型であるため、画素を選択するときの走査線gateの電位(走査信号Sgate)は高電位である。このときの第1のTFT20のゲート電圧Vgswは、走査信号Sgateの高電位にある電位と電位保持電極st(保持容量stの電位、第2のTFT30のゲート電極の電位)との電位差に相当する。ここで、第2のTFT30はPチャンネル型であるため、画素7を点灯させるための画像信号dataは低電位側であり、画素7の選択期間中、電位保持電極stの電位は低下していく。従って、第1のTFT20のゲート電圧Vgswは、オン電流が増大する方にシフトしていく。
【0109】
一方、第2のTFT30のゲート電圧Vgcurは、共通給電線comと電位保持電極stとの電位差に相当し、選択した画素7が点灯状態にあるときには、選択期間中、電位保持電極stの電位は低下する傾向にあるため、第2のTFT30のゲート電圧Vgcurは、オン電流が増大する方にシフトしていく。
【0110】
このように、本実施形態では、第1のTFT20と第2のTFT30とが逆導電型であるため、第1のTFT20の書き込み能力を上げるためには走査信号Sgateの選択パルス高を高くし、発光素子40の輝度を上げるために第2のTFT30のオン抵抗を下げるべく画像信号dataを低くするこをになる。このような走査信号Sgateの選択パルス高と画像信号dataとに対する最適化は、画素7の選択期間中、発光素子40を点灯させるレベルの画像信号dataが保持容量capに書き込まれていくにつれて、第1のTFT20のゲート電圧に対して、当該TFTのオン電流が増大する方にシフトさせるのに効く。それ故、データ線sigから第1のTFT20を介して保持容量capに画像信号dataがスムーズに書き込まれる。
【0111】
ここで、画素7を選択する際の第1のTFT20のゲート電圧Vgswは、走査信号Sgateの高電位に相当する電位と電位保持電極stの電位(保持容量capの電位、または第2のTFT30のゲート電極の電位)との差に相当し、第2のTFT30のゲート電圧Vgcurは、共通給電線comの電位と電位保持電極stの電位との差に相当し、電位保持電極stの電位を基準にしたときには、走査信号Sgateの高電位に相当する電位と共通給電線comの電位は同じ極性である。従って、電位保持電極stの電位を変更すれば、その分、第1のTFT20のゲート電圧Vgswおよび第2のTFT30のゲート電圧Vgcurの双方が同じ方向に同じ分だけシフトする。
【0112】
それ故、表示装置1の駆動電圧レンジの範囲内で、点灯のための画像信号dataの電位を、第1のTFT20のオン時の抵抗が小さくなる方向に変更すれば、表示動作の高速化を図ることができるとともに、このときには第2のTFT30のオン時の抵抗が小さくなる方向に点灯のための画像信号dataの電位が変更したことになるので、輝度の向上を図ることができる。よって、駆動電圧の低電圧化と表示品位の向上とを併せて達成することができる。
【0113】
[実施の形態2の変形例]
図21は、本実施形態の表示装置1の画素構成を示す等価回路図である。図22(A)、(B)はそれぞれ、各画素に構成された各素子の電気的な接続状態を示す説明図、および駆動信号などの電位変化を示す波形図である。なお、本実施形態では、実施の形態2とは反対に、第1のTFT20をPチャネル型とし、第2のTFT30をNチャネル型のTFTで構成してある。但し、本実施形態は、実施の形態2と同一の技術的思想のもとで各素子を駆動制御することとし、実施の形態2で説明した駆動信号の極性を反転させてあるだけであるため、その構成を簡単に説明するに止める。
【0114】
図21、図22(A)、(B)に示すように、本実施形態では、実施形態1と同様、第2のTFT30はNチャネル型であるため、データ線sigからは、点灯状態とすべき画素の保持容量capには高電位側の画像信号dateが書き込まれ、消灯状態とすべき画素の保持容量capには低電位側の画像信号dateが書き込まれる。ここで、第2のTFT30のゲート電圧Vgcurは、共通給電線comの電位、および画素電極30の電位のうちの低い方の電位と、電位保持電極stの電位との差に相当する。しかるに本実施形態では、発光素子40の対向電極opの電位に対して共通給電線comの電位を低くしてあるため、第2のTFT30のゲート電圧Vgcurは、共通給電線comの電位と電位保持電極stの電位との差に相当する。この共通給電線comの電位については十分に低く電位とすることができるので、第2のTFT30のオン電流が大きく、高い輝度で表示を行うことができる。または、輝度が高い分、そのときの電位保持電極stの電位、すなわち、画像信号dataの高電位側の電位を上げて、画像信号dataの振幅を小さくできる。また、第2のTFT30のオン電流が対向電極opの電位から直接的には影響を受けないので、画素を点灯状態とするための画像信号dataの高電位側の電位を、対向電極opの電位より低い電位、あるいは等電位にまで下げ、画像信号dataの振幅を小さくしてある。さらに、本実施形態では、消灯状態とすべき画素に対してデータ線sigから供給される画像信号dataの電位を、共通給電線comの電位と比較してやや高電位、あるいは等電位にして画像信号dataの振幅を小さくしてある。それ故、画像信号dataの電位を、対向電極opと共通給電線comとで規定されるレンジ内におさめ、表示装置1における駆動電圧を下げてあるので、表示装置1の消費電力を下げることができるなど、実施形態1、あるいはその変形例と同様な効果を奏する。
【0115】
本実施形態では第1のTFT20はPチャネル型で、第2のTFT30と逆導電型であるため、画素を選択するときの走査線gateの電位(走査信号Sgate)は低電位である。これに対して、第2のTFT30はNチャネル型であるため、画素7を点灯させるための画像信号dataは高電位側である。このように、本実施形態では、第1のTFT20と第2のTFT30とが逆導電型であるため、第1のTFT20の書き込み能力を上げるためには走査信号Sgateの選択パルスの電位を低くし、発光素子40の輝度を上げるために第2のTFT30のオン抵抗を下げるべく画像信号dataの電位を低くすることになる。このような走査信号Sgateの選択パルス高と画像信号dataとに対する最適化は、画素7の選択期間中、発光素子40を点灯させるレベルの画像信号dataが保持容量capに書き込まれていくにつれて、第1のTFT20のゲート電圧に対して、当該TFTのオン電流が増大する方にシフトさせるのに効く。
【0116】
従って、電位保持電極stの電位を基準にしたときには、走査信号Sgateの低電位に相当する電位と共通給電線comの電位は同じ極性であるため、電位保持電極stの電位を変更すれば、その分、第1のTFT20のゲート電圧Vgswおよび第2のTFT30のゲート電圧Vgcurの双方が同じ方向に同じ分だけシフトする。それ故、表示装置1の駆動電圧レンジの範囲内で、点灯のための画像信号dataの電位を、第1のTFT20のオン時の抵抗が小さくなる方向に変更すれば、表示動作の高速化を図ることができる。このときには第2のTFT30のオン時の抵抗が小さくなる方向に点灯のための画像信号dataの電位を変更したことになるので、輝度の向上を図ることもできる。よって、実施の形態2と同様、駆動電圧の低電圧化と表示品位の向上とを併せて達成することができる。尚、上述の実施の形態2及び実施の形態2の変形例において、最適な駆動方法について図25を用いて説明する。
【0117】
実施形態2においては、第1のTFTはNチャネル型であり、第2のTFTはPチャネル型である。図25に示されるように、発光素子40を消灯させる際には、画像信号dataの電位を共通給電線comの電位よりも高くしてPチャネル型の第2のTFT30をターンオフさせているが、本実施形態では、図25に示すように、発光素子40を消灯させる場合でも、第2のTFT30を完全にターンオフさせない。すなわち、本実施形態では、第2のTFT30がPチャネル型であるため、それを完全にターンオフさせるには、ゲート電圧Vgcurを0V(共通給電線comと同電位)、あるいは正の電位(共通給電線comより高い電位)とすることになるが、本実施形態では、第2のTFT30のゲート電圧VgcurがこのTFTのしきい値電圧Vthp(cur)に相当するレベルよりやや高い電位となるように、画像信号dataの消灯時の電位を低めに設定してある。
【0118】
従って、消灯状態にある画素7において第2のTFT30に印加されるゲート電圧は、第2のTFT30がオン状態となるときの極性と同じであるが、第2のTFT30のしきい値電圧(Vthp(cur))を上回るような値である。例えば、第2のTFT30のしきい値電圧(Vthp(cur))を−4Vとしたとき、消灯状態で第2のTFT30に印加されるゲート電圧は−3Vとする。
【0119】
このように第1のTFTがN型、第2のTFTがP型の場合、画像信号dataの消灯側の電位を従来より低めに設定すると、画像信号dataの振幅を小さくできるので、画像信号dataの低電圧化および高周波化を図ることができる。また、このように画像信号dataの消灯側の電位を低めに設定した場合でも、Pチャネル型の第2のTFT30では、しきい値電圧Vthp(cur)に相当するレベルよりやや高めの電位であるので、消灯時に流れる電流は極めて小さい。
また、発光素子40にかかる電圧が低ければ、極めて小さい駆動電流しか流れ込まない。それ故、発光素子40を消灯させるのに実質上、問題点がない。また、本実施形態では、画像信号dataの消灯時の電位が共通給電線comの電位を越える必要がなければ、共通給電線comの電位を比較的高めに設定できる。そこで、本実施形態では、共通給電線comの電位を、第1のTFT20をオン状態にするときの走査信号Sgateの電位と等しくしてある。それ故、走査側駆動回路において、走査信号Sgateの高電位として用いた信号レベルをそのまま共通給電線comに供給すればよいので、本実施形態の表示装置1では、使用する駆動信号のレベルの数が少なくて済み、表示装置1に駆動信号を入力するための端子数を減らすことができる。また、電源数を減らすことができるため、電源回路の低消費電力化、省スペース化を図ることができる。
【0120】
この場合には、第1のTFT20がNチャネル型で、第2のTFT30がPチャネル型なので、消灯状態にある画素7の第2のTFT30に印加されるゲート電極の電位は、第1のTFT20をオン状態にするときの走査信号gateの電位から当該第1のTFT20のしきい値電圧Vthn(sw)を差し引いた電位よりも低電位にする。すなわち、画素7を消灯状態にするときの画像信号data(電位保持電極stの電位)と共通給電線comとの電位差Voffの絶対値を下式
Vthn(sw)<|Voff|
に示すように、第1のTFT20のしきい値電圧Vthn(sw)よりも大きく設定し、画素7を選択する際の第1のTFT20の書き込み動作に支障が発生することを防止すればよい。
【0121】
なお、実施形態2の変形例の第1のTFT20がPチャネル型で、第2のTFT30がNチャネル型の場合には、図26および図27(A)、(B)を参照して後述するように、本実施形態で説明した各信号の相対的な高低を入れ換えて、第1のTFT20や第2のTFT30に印加される電圧の極性を反転させることになる。この場合でも、本実施形態のように、発光素子40を消灯させる際に第2のTFT30を完全にターンオフさせなければ、画像信号dataの低電圧化および高周波化を図ることができる。また、共通給電線comの電位を、第1のTFT20をオン状態にするときの走査信号Sgateの電位と等しくすることにより、電源数を減らすことができる。この場合には、画素7を選択する際の第1のTFT20の書き込み動作に支障がないように、消灯状態にある画素7の第2のTFT30に印加されるゲート電極の電位は、第1のTFT20をオン状態にするときの走査信号gateの電位に当該第1のTFT20のしきい値電圧Vthn(sw)を加えた電位よりも高電位にする。
【0122】
[実施形態3]
本実施形態は、図23にその等価回路を示すように、実施の形態2と同様、いずれの画素7においても第1のTFT20をNチャネル型とし、第2のTFT30をPチャネル型とした構成の一例である。また、本実施形態に係る表示装置1でも、第2のTFT30がPチャネル型なので、発光素子40の対向電極opの電位に対して共通給電線comの電位を高くしてある。従って、第2のTFT30がオン状態になったときには、矢印Eで示すように、共通給電線comの方から発光素子40の方に電流が流れる。
【0123】
尚、実施の形態2と同様であるため、共通する点については説明を省略し、異なる点についてのみ記載する。実施の形態2では保持容量が設けられていたが、本実施の形態では、保持容量capが無い点で異なる。このような構成とすることにより、出に保持電極stの電位の変化を大きくすることができる。
【0124】
なお、第1のTFT20がPチャネル型で、第2のTFT30がNチャネル型の場合には、図26および図27(A)、(B)を参照して後述するように、本実施形態で説明した各信号の相対的な高低を入れ換えて、第1のTFT20や第2のTFT30に印加される電圧の極性を反転させることになる。この場合でも、第1のTFT20の書き込み能力を上げるために走査信号の選択パルスの電位を低くし、第2のTFT30のオン抵抗を下げて発光輝度を上げるためには画像信号の電位を高くすることになる。
【0125】
[実施形態3の変形例]
なお、上記実施の形態3では、いずれの画素7においても、第1のTFT20がNチャネル型で、第2のTFT30がPチャネル型の場合を説明したが、図26に等価回路を示すように、第1のTFT20がPチャネル型で、第2のTFT30がNチャネル型として構成してもよい。この図に示す例では、発光素子40の対向電極opの電位に対して共通給電線comの電位を低くして、第2のTFT30がオン状態になったときには、矢印Fで示すように、発光素子40の対向電極opの方から共通給電線comの方に電流が流れるように構成してある。
【0126】
このように画素7を構成した場合には、図27(A)、(B)に示すように、図24(A)に示した波形の各駆動信号の極性を反転させることになる。なお、実施の形態3においては、第1のTFT20がNチャネル型で、第2のTFT30がPチャネル型のときには、発光素子40の対向電極opの電位に対して共通給電線comの電位を低くして、第2のTFT30がオン状態になったときは、発光素子40の対向電極opの方から共通給電線comの方に電流が流れるように構成する場合もあり、このように構成した場合でも、第1のTFT20および第2のTFT30を逆導電型にしたことの効果については得ることができる。それとは逆に、第1のTFT20がPチャネル型で、第2のTFT30がNチャネル型のときには、発光素子40の対向電極opの電位に対して共通給電線comの電位を高くして、第2のTFT30がオン状態になったときは、共通給電線comの方から発光素子40の方に電流が流れるように構成した場合も、第1のTFT20および第2のTFT30を逆導電型にしたことの効果については得ることができる。
【0127】
[実施形態4]
上記のいずれの形態1、2、3においても、図28(A)、(B)を参照して説明するように、保持容量capの両電極のうち、第2のTFT30のゲート電極に電気的に接続する電極とは反対側の電極には、走査信号gateの選択パルスより遅延して該選択パルスとは電位が逆方向に振れるパルスが供給されるように構成してもよい。
【0128】
ここに示す例では、図28(A)に示すように、保持容量capの両電極のうち、第2のTFT30のゲート電極に電位保持電極stを介して電気的に接続する電極とは反対側の電極が、走査線gateと並列するように延設された容量線clineで構成されている。
【0129】
この容量線clineには、図28(B)に示すように、走査信号Sgateの選択パルスPgateより遅延して該選択パルスPgateとは電位が逆方向に振れるパルス信号Pstgを含む電位stgが供給されるように構成されている。パルス信号Pstgは、該選択パルスPgateが非選択状態になった後、保持容量capの容量結合を利用して画像信号dataの電位をシフトさせる。このため、画素7が消灯状態の保持容量capには画像信号dataの電位にパルス信号Pstgの電位を加算した分の信号が保持される。画像信号dataの高電位側の信号は第1のTFT20のオン抵抗が大きいため、書き込みを限られた時間で十分に行うは難しい。この例では、書き込みが十分でない場合、点灯できないことになる。しかし、本実施形態の実施例を用いることにより、保持容量capへの画像信号dataの書き込みを補うことができる。それでいて、駆動信号の電位の最大レンジが拡がることがない。
【0130】
このようにして、容量線clineにパルス信号Pstgをのせるにあたっては、図29に示すように、容量線clineを走査側駆動回路4から引き出すとともに、走査側駆動回路4においては、いずれのゲート段にもシフトレジスタ401からの出力信号をNANDゲート回路およびインバータを介して走査線gateに走査信号Sgateとして出力する一方、シフトレジスタ401からの出力信号をNANDゲート回路および2段のインバータを介して遅延させながら、図30に示すように、高電位側の電源レベルをVddから電位Vccyにレベルシフトして容量線clineに出力すればよい。
【0131】
上述の実施の形態及びそれらの変形例においては、保持容量を付加する場合は、容量線clineを設けたタイプの発光素子について説明した。しかしながら、本実施の形態はこのような容量線clineを設ける構成に限るものではなく、保持容量の一方の電極を隣接するゲート線により構成にしてもよい。かかる構成の一例を図34(A)に回路ブロック図を、ゲート線の走査方向に対するゲート電極の電圧波形を図34(B)にそれぞれ示す。このように、当該画素に対して、隣接するゲート線を保持容量の一方の電極として構成することにより、容量線clineをわざわざ設ける必要がないという効果を有するものである。
【0132】
[その他の実施の形態]
上記のいずれの形態についても、第2のTFT30の電流−電圧特性のいずれの領域で動作させるかについて記載しなかったが、第2のTFT30をその飽和領域で動作させれば、TFTの弱い定電流特性を利用して発光素子40に異常電流が流れることを防止することができる。例えば、発光素子40を構成する有機半導体膜等にピンホール欠陥が生じていることがあるが、その場合でも、欠陥のある発光素子に流れる電流は制限され、発光素子40の電極間で完全ショートになることがない。
【0133】
これに対して、第2のTFT30をその線形領域で動作させれば、そのしきい値電圧のばらつきが表示動作に影響を及ぼすことを防止することができる。なお、TFTの構造についても、トップゲート型に限らず、ボトムゲート型でもよく、その製造方法に関しても低温プロセスに限定されるものではない。
【0134】
(発明の利用可能性)
以上説明したように、上記の表示装置では、第2のTFTのオン時のゲート電圧は、共通給電線の電位および画素電極の電位のうちの一方の電位と、ゲート電極の電位(画像信号の電位)との差に相当するので、第2のTFTの導電型に応じて、共通給電線の電位と発光素子の対向電極の電位との相対的な高低を設定し、第2のTFTのゲート電圧は、共通給電線の電位と電位保持電極の電位との差に相当するように構成してある。たとえば、第2のTFTがNチャネル型であれば、発光素子の対向電極の電位に対して共通給電線の電位を低くしてある。この共通給電線の電位については、画素電極の電位と相違して、十分に低い値に設定することができるため、第2のTFTで大きなオン電流が得られ、高い輝度で表示を行うことができる。また、画素を点灯状態とする際に、第2のTFTのとして高いゲート電圧が得られるのであれば、その分、そのときの画像信号の電位を下げることができるので、画像信号の振幅を小さくし、表示装置における駆動電圧を下げることができる。それ故、消費電力を低減できるともに、薄膜で構成された各素子で懸念されていた耐電圧の問題が顕在化しないという利点がある。
【0135】
また、本発明の上記の表示装置では、第1のTFTと第2のTFTとが逆導電型であるため、画素を選択するための走査信号のパルスと、発光素子を点灯させるための画像信号の電位とは逆にふれる関係にある。従って、点灯時の電位保持電極の電位(点灯のための画像信号の電位)を基準にしたときには、走査信号の高電位に相当する電位と共通給電線の電位は同じ極性であるため、点灯時の電位保持電極の電位(点灯のための画像信号の電位)を変更すれば、その分、第1のTFTのゲート電圧および第2のTFTのゲート電圧の双方が同じ方向に同じ分だけシフトする。それ故、表示装置の駆動電圧レンジの範囲内で、点灯のための画像信号の電位を、第1のTFTのオン時の抵抗が小さくなる方向にシフトさせれば、表示動作の高速化を図ることができるとともに、このときには第2のTFTのオン時の抵抗が小さくなる方向に点灯のための画像信号の電位がシフトしたことになるので、輝度の向上を図ることができる。よって、駆動電圧の低電圧化と表示品位の向上とを併せて達成することができる。
【0136】
さらに、上記の表示装置では、保持容量の両電極のうち、第2のTFTの第2のゲート電極に電気的に接続する電極とは反対側の電極には、走査信号の選択パルスより遅延して該選択パルスとは電位が逆方向に振れるパルスが供給されるので、保持容量への画像信号の書き込みを補うことができる。それ故、画像信号の振幅を大きくせずに、第2のTFTのゲート電極に印加される画像信号の電位を高輝度化の方向にシフトさせることができる。
【図面の簡単な説明】
【図1】本発明を適用した表示装置を模式的に示す平面図である。
【図2】本発明を適用した表示装置の基本的な構成を示すブロック図である。
【図3】図2に示す表示装置の画素を拡大して示す平面図である。
【図4】図3のA−A′線における断面図である。
【図5】図3のB−B′線における断面図である。
【図6】図6(A)は、図3のC−C′線における断面図であり、(B)は、図6(A)に示すように構成したときの効果を説明するための説明図である。
【図7】図7(A)及び図7(B)はそれぞれ、図2に示す表示装置に用いる発光素子の断面図である。
【図8】図8(A)及び図8(B)はそれぞれ、図7に示す発光素子と別の構造を有する発光
素子の断面図である。
【図9】図7(A)、図8(B)に示す発光素子の電流−電圧特性を示すグラフである。
【図10】図7(B)、図8(A)に示す発光素子の電流−電圧特性を示すグラフである。
【図11】Nチャネル型TFTの電流−電圧特性を示すグラフである。
【図12】Pチャネル型TFTの電流−電圧特性を示すグラフである。
【図13】本発明を適用した表示装置の製造方法を示す工程断面図である。
【図14】図14(A)及び図14(B)はそれぞれ、図3から図6に示す表示装置の画素とは異なる構成の画素の平面図、および断面図である。
【図15】本発明の実施の形態1に係る表示装置の画素構成を示す等価回路図である。
【図16】図16(A)及び図16(B)はそれぞれ、図15に示す画素に構成された各素子の電気的な接続状態を示す説明図、及び駆動信号などの電位変化を示す波形図である。
【図17】本発明の実施の形態1の変形例に係る表示装置の画素構成を示す等価回路図である。
【図18】図18(A)及び図18(B)はそれぞれ、図17に示す画素に構成された各素子の電気的な接続状態を示す説明図、および駆動信号などの電位変化を示す波形図である。
【図19】、本発明の実施の形態2に係る表示装置の画素構成を示す等価回路図である。
【図20】図20(A)及び図20(B)はそれぞれ、図19に示す画素に構成された各素子の電気的な接続状態を示す説明図、および駆動信号などの電位変化を示す波形図である。
【図21】本発明の実施の形態2の変形例に係る表示装置の画素構成を示す等価回路図である。
【図22】図22(A)及び図22(B)はそれぞれ、図21に示す画素に構成された各素子の電気的な接続状態を示す説明図、および駆動信号などの電位変化を示す波形図である。
【図23】本発明の実施の形態3に係る表示装置の画素構成を示す等価回路図である。
【図24】図24(A)及び図24(B)はそれぞれ、図23に示す画素を駆動するための信号の波形図、これらの信号と等価回路との対応を示す説明図である。
【図25】本発明の実施の形態2に係る表示装置の画素を駆動するための信号の波形図である。
【図26】本発明の実施の形態3の変形例に係る表示装置の画素構成を示す等価回路図である。
【図27】図27(A)及び図27(B)はそれぞれ、図26に示す画素を駆動するための信号の波形図、これらの信号と等価回路との対応を示す説明図である。
【図28】図28(A)及び図28(B)はそれぞれ、本発明の実施の形態4に係る表示装置の画素の等価回路図、それを駆動するための信号の波形図である。
【図29】図28に示す信号を発生させるための走査側駆動回路のブロック図である。
【図30】図29に示す走査側駆動回路から出力される各信号の波形図である。
【図31】表示装置のブロック図である。
【図32】図31に示す表示装置における従来の画素構成を示す等価回路図である。
【図33】図33(A)及び図33(B)はそれぞれ、図32に示す画素を駆動するための信号の波形図、これらの信号と等価回路との対応を示す説明図である。
【図34】図34(A)及び図34(B)はそれぞれ、隣接するゲート線を用いて容量を形成する構成のブロック図と、そのゲート電圧の信号波形である。
【符号の説明】
1表示装置
2表示部
3データ側駆動回路
4走査側駆動回路
5検査回路
6実装用パッド
7画素
10透明基板
20第1のTFT
21第1のTFTのゲート電極
30第2のTFT
31第2のTFTのゲート電極
40発光素子
41画素電極
42正孔注入層
43有機半導体膜
50ゲート絶縁膜
bankバンク層
cap保持容量
cline容量線
com共通給電線
gate走査線
op対向電極
sigデータ線
st電位保持電極[0001]
 TECHNICAL FIELD OF THE INVENTION
 The present invention relates to a display device.
 [0002]
 [Prior art]
 An active matrix type display device using a current control type light emitting element such as an EL element or an LED element has been proposed. All of the light emitting elements used in this type of display device emit light by themselves, and therefore have the advantage that, unlike the liquid crystal display device, they do not require a backlight and have little viewing angle dependence.
 [0003]
 FIG. 31 is a block diagram of an active matrix display device using a charge injection type organic thin film EL element as an example of such a display device. In the
 [0004]
 Each of the
 [0005]
 In the
 [0006]
 In such a
 Because of poor quality, problems such as dielectric breakdown and deterioration with time tend to surface in TFTs and the like.
 [0007]
 A liquid crystal display device using liquid crystal as a light modulation element has a common feature that a thin film is used. In this case, since the light modulation element is driven by an alternating current, not only the liquid crystal but also the TFT can be prevented from deteriorating with time. On the other hand, in the
 [0008]
 Further, when a liquid crystal is used as a light modulation element, the light modulation element is controlled by a voltage, so that current only flows instantaneously to each element, so that power consumption is small. On the other hand, in the
 [0009]
 Further, in the liquid crystal display device, the liquid crystal can be AC driven by one TFT per pixel, but in the
 [0010]
 For example, as shown in FIG. 33A, when selecting a pixel, the gate voltage Vgsw of the
 [0011]
 Further, in the
 [0012]
 [Problems to be solved by the invention]
 Therefore, an object of the present invention is to adopt a driving method that takes into account the conductivity type of a TFT that controls the light emitting operation of a current-driven light emitting element, and reduce power consumption, dielectric breakdown, and deterioration with time due to lowering the driving voltage. An object of the present invention is to provide a display device capable of achieving both reduction and improvement of display quality.
 [0013]
 [Means for Solving the Problems]
 A first display device of the present invention is a display device including a scanning line, a data line, a power supply line, and a pixel, wherein the pixel includes a pixel electrode, and a scanning signal through the scanning line. Is supplied between the first electrode, the second transistor, and the pixel electrode when the pixel electrode is electrically connected to the power supply line via the second transistor. A light-emitting element that emits light by a flowing drive current, wherein when the pixel is in a lighting state, the potential of the power supply line corresponding to the pixel in the lighting state is equal to the potential of the power supply line corresponding to the pixel in the lighting state. It is set higher than the potential of the electrode, and the potential of the pixel electrode of the pixel in the lighting state is set higher than the potential of the counter electrode corresponding to the pixel in the lighting state. I do.
 [0014]
 A second display device according to the present invention is a display device including a scan line, a data line, a power supply line, and a pixel, wherein the pixel includes a pixel electrode and a scan signal through the scan line. Is supplied between the first electrode, the second transistor, and the pixel electrode when the pixel electrode is electrically connected to the power supply line via the second transistor. A light-emitting element that emits light by a flowing drive current, and when the pixel is in a lighting state, the potential of the power supply line corresponding to the pixel in the lighting state is set to be higher than the potential of the counter electrode. The potential of the pixel electrode of the pixel in the lighting state is set higher than the potential of the counter electrode, and is set lower than the potential of the power supply line corresponding to the pixel in the lighting state. That is characterized by .
 [0015]
 A third display device according to the present invention is a display device including a scanning line, a data line, a power supply line, and a pixel, wherein the pixel includes a pixel electrode and a scanning signal through the scanning line. Is supplied between the first electrode, the second transistor, and the pixel electrode when the pixel electrode is electrically connected to the power supply line via the second transistor. A light emitting element which emits light by a flowing drive current, wherein a gate voltage of the second transistor is equal to or higher than a potential of the counter electrode.
 [0016]
 A fourth display device according to the present invention is a display device including a scan line, a data line, a power supply line, and a pixel, wherein the pixel includes a pixel electrode and a scan signal through the scan line. Is supplied between the first electrode, the second transistor, and the pixel electrode when the pixel electrode is electrically connected to the power supply line via the second transistor. A light emitting element that emits light by a flowing drive current, wherein a gate voltage of the second transistor is equal to or lower than a potential of the power supply line.
 [0017]
 A fifth display device according to the present invention is a display device including a scanning line, a data line, a power supply line, and a pixel, wherein the pixel includes a pixel electrode and a scanning signal through the scanning line. Is supplied between the first electrode, the second transistor, and the pixel electrode when the pixel electrode is electrically connected to the power supply line via the second transistor. A light-emitting element that emits light by a flowing drive current, wherein the gate voltage of the second transistor is the same as the potential of the power supply line and the potential of the counter electrode, or the potential of the power supply line and the potential of the counter electrode. , And a potential between them.
 [0018]
 A sixth display device according to the present invention is a display device including a scanning line, a data line, a power supply line, and a pixel, wherein the pixel includes a pixel electrode and a scanning signal through the scanning line. Is supplied between the first electrode, the second transistor, and the pixel electrode when the pixel electrode is electrically connected to the power supply line via the second transistor. A light-emitting element that emits light by a flowing drive current, and a gate voltage applied to the second transistor in a pixel to be turned off is the same as the polarity when the second transistor is turned on, In addition, the threshold voltage of the second transistor does not exceed the threshold voltage.
 [0019]
 A seventh display device according to the present invention is a display device including a scan line, a data line, a power supply line, and a pixel, wherein the pixel includes a pixel electrode and a scan signal through the scan line. Is supplied, a second transistor, and a pixel electrode formed for each pixel when the pixel electrode is electrically connected to the power supply line via the second transistor. A light-emitting element that emits light by a drive current flowing between the common electrode and the counter electrode, and a potential of the image signal supplied from the data line to a pixel to be turned off is compared with a potential of the power supply line. Low potential or equipotential.
 [0020]
 In the above display device, it is preferable that the first transistor and the second transistor are configured by transistors of opposite conductivity types.
 [0021]
 In the above display device, the second transistor may be a P-channel type.
 [0022]
 In the above display device, the light emitting element may include an organic semiconductor film.
 [0023]
 In the above display device, the second transistor may be configured to operate in a saturation region.
 [0024]
 In the above display device, the second transistor may be configured to operate in a linear region.
 [0025]
 Furthermore, in the present invention, a plurality of scanning lines, a plurality of data lines intersecting the scanning lines, a plurality of common power supply lines, and the data lines and the scanning lines are formed in a matrix on the substrate. A first TFT to which a scanning signal is supplied to a first gate electrode via the scanning line, and a pixel which is supplied from the data line via the first TFT. A storage capacitor for holding the image signal to be supplied, a second TFT for supplying the image signal held by the storage capacitor to a second gate electrode, and a pixel electrode formed for each of the pixels. A display device in which the light-emitting thin film emits light by a drive current flowing between the pixel electrode and a counter electrode facing the light-emitting thin film when electrically connected to the common power supply line via the TFT. 2 TFTs are N-channel type Case, the common feed line, characterized in that it is set to a potential lower than the counter electrode.
 [0026]
 In the display device according to the present invention, the gate voltage of the second TFT when the second TFT is turned on is equal to the potential of one of the potential of the common power supply line and the potential of the pixel electrode, and the potential of the gate electrode (the potential of the image signal). Since this corresponds to the difference, the relative height between the potential of the common power supply line and the potential of the counter electrode of the light emitting element is optimized according to the conductivity type of the second TFT, and the gate voltage of the second TFT is It is configured to correspond to the difference between the potential of the power supply line and the potential of the potential holding electrode. For example, if the second TFT is an N-channel type, the potential of the common power supply line is lower than the potential of the counter electrode of the light emitting element.
 [0027]
 The potential of the common power supply line can be set to a sufficiently low value, unlike the potential of the pixel electrode, so that a large ON current can be obtained with the second TFT, and display with high luminance can be performed. it can. When a high gate voltage is obtained in the second TFT when the pixel is turned on, the potential of the image signal can be reduced, so that the amplitude of the image signal is reduced and the driving voltage in the display device is reduced. Can be lowered.
 [0028]
 Therefore, there is an advantage that the power consumption can be reduced and the problem of withstand voltage, which has been a concern in each element formed of a thin film, does not become apparent.
 [0029]
 In the present invention, when the second TFT is an N-channel type, a potential of an image signal supplied from the data line to a pixel to be turned on is lower than a potential of the counter electrode. Or an equipotential. Also in such a configuration, the amplitude of the image signal can be reduced while the second TFT is kept in the ON state, and the driving voltage in the display device can be reduced.
 [0030]
 In the present invention, when the second TFT is an N-channel type, the potential of the image signal supplied from the data line to the pixel to be turned off is higher than the potential of the common power supply line. It is preferable that the potential is equal or the same. That is, when the pixel is turned off, a gate voltage (image signal) that does not completely turn off the second TFT is applied. The light-off state can be realized in combination with the non-linear electric characteristics of the light emitting element. Therefore, the amplitude of the image signal can be reduced, the driving voltage in the display device can be reduced, and the frequency of the image signal can be increased.
 [0031]
 In the present invention, contrary to the above configurations, when the second TFT is a P-channel type, the relative relationship between the potentials is reversed. That is, when the second TFT is a P-channel type, the common power supply line is set at a higher potential than the counter electrode. In this case, the potential of the image signal supplied from the data line to the pixel to be turned on is preferably higher or equal to the potential of the counter electrode. Further, it is preferable that the potential of the image signal supplied from the data line to the pixel to be turned off is lower or equal to the potential of the common power supply line.
 [0032]
 In the present invention, it is preferable that the first TFT and the second TFT are configured by TFTs of opposite conductivity types. That is, if the first TFT is an N-channel type, the second TFT is a P-channel type, and if the first TFT is a P-channel type, the second TFT is preferably an N-channel type. . As will be described in detail later, with such a configuration, the potential of the image signal for lighting is changed only in the direction in which the resistance when the first TFT is turned on is reduced within the range of the drive voltage range of the display device. Thus, the speed of the display operation can be increased.
 [0033]
 Further, at this time, since the potential of the image signal for lighting the pixel has been changed in a direction in which the resistance when the second TFT is turned on decreases, the luminance can be improved. Therefore, it is possible to achieve both lower drive voltage and improved display quality.
 [0034]
 In another embodiment of the present invention, a plurality of scan lines, a plurality of data lines intersecting the scan lines, a plurality of common power supply lines, and the data lines and the scan lines are formed in a matrix on a substrate. Each of the pixels includes a first TFT for supplying a scanning signal to a first gate electrode via the scanning line, and a data line for supplying a scanning signal to the first gate electrode via the first TFT. A storage capacitor for holding an image signal supplied from the storage device, a second TFT for supplying the image signal held by the storage capacitor to a second gate electrode, a pixel electrode formed for each pixel, A drive current flowing between the pixel electrode and the counter electrode when the pixel electrode is electrically connected to the common power supply line via the second TFT between a layer between the counter electrode and the counter electrode facing the pixel electrode. Luminescence with luminous thin film to luminesce In the display device and a child, wherein the first TFT and the second TFT, characterized in that it consists of opposite conductivity type of the TFT.
 [0035]
 In the present invention, for example, if the first TFT is N-type, the first TFT and the second TFT are of the opposite conductivity type, like the second TFT is of P-type. In order to increase the write capability of the TFT, the height of the selection pulse of the scanning signal is increased, and in order to decrease the on-resistance of the second TFT and increase the emission luminance, the potential of the image signal is decreased. Such optimization of the scanning signal and the image signal is performed as the image signal of the level for lighting the light emitting element is written into the storage capacitor with respect to the gate voltage of the first TFT during the pixel selection period. This is effective in shifting the on-current of the TFT to a direction where it increases. Therefore, the image signal is smoothly written from the data line to the storage capacitor via the first TFT. Here, the gate voltage of the first TFT at the time of selecting a pixel includes a potential corresponding to a high potential of a scanning signal and a potential of a potential holding electrode during lighting (a potential of an image signal for lighting, a potential of a holding capacitor). , Or the potential of the gate electrode of the second TFT), and the gate voltage of the second TFT corresponds to the difference between the potential of the potential holding electrode during lighting and the potential of the common power supply line. When the potential of the potential holding electrode at that time is used as a reference, the potential corresponding to the high potential of the scanning signal and the potential of the common power supply line have the same polarity. Therefore, if the potential of the potential holding electrode at the time of lighting (the potential of the image signal for lighting) is changed, both the gate voltage of the first TFT and the gate voltage of the second TFT are the same in the same direction. Shift by minutes. Therefore, if the potential of the image signal for lighting is shifted in a direction in which the resistance when the first TFT is turned on is reduced within the range of the drive voltage range of the display device, the display operation is speeded up. be able to. Further, at this time, the potential of the image signal for lighting is shifted in a direction in which the resistance when the second TFT is turned on is reduced, so that the luminance can be improved. Therefore, it is possible to achieve both lower drive voltage and improved display quality.
 [0036]
 In the present invention, a gate voltage applied to the second TFT in a pixel in an unlit state is the same as the polarity when the second TFT is turned on, and a threshold of the second TFT. It is preferable that the value does not exceed the voltage.
 [0037]
 That is, when the pixel is turned off, a gate voltage (image signal) that does not completely turn off the second TFT is applied. Therefore, the amplitude of the image signal can be reduced, and the frequency of the image signal can be increased.
 [0038]
 In such a configuration, if the first TFT is an N-channel type and the second TFT is a P-channel type, the potential of the scanning signal when the first TFT is turned on and the common potential are changed. The potential of the gate electrode applied to the second TFT of the pixel that is equal to the potential of the power supply line and that is in the unlit state is determined from the potential of the scanning signal when the first TFT is turned on. The potential is preferably lower than the potential obtained by subtracting the threshold voltage of one TFT. Conversely, if the first TFT is a P-channel type and the second TFT is an N-channel type, the potential of the scanning signal when turning on the first TFT and the potential of the common power supply line are set. The potential of the gate electrode applied to the second TFT of the pixel which is equal to the potential and is turned off is set to the potential of the scanning signal when the first TFT is turned on. It is preferable that the potential is higher than the potential obtained by adding the threshold voltage.
 [0039]
 When the potential of the scanning signal when the first TFT is turned on and the potential of the common power supply line are made equal, the number of levels of each drive signal is reduced, so that the number of signal input terminals to the display device is reduced. The power consumption can be reduced because the number of power sources can be reduced as well as the number of power sources.
 [0040]
 According to the present invention, of the two electrodes of the storage capacitor, an electrode opposite to an electrode electrically connected to the second gate electrode of the second TFT is provided with a delay from the selection pulse of the scanning signal. It is preferable to supply a pulse whose potential fluctuates in the opposite direction to the selection pulse. With this configuration, the writing of the image signal to the storage capacitor can be supplemented, so that the potential of the image signal applied to the gate electrode of the second TFT can be increased without increasing the amplitude of the image signal. In the direction of.
 [0041]
 In still another embodiment of the present invention, a plurality of scanning lines, a plurality of data lines intersecting the scanning lines, a plurality of common power supply lines, a matrix-like structure including the data lines and the scanning lines are provided on a substrate. Each of the pixels has a first TFT for which a scanning signal is supplied to a first gate electrode via the scanning line, and a first TFT for supplying a scanning signal to the first gate electrode via the first scanning line. A storage capacitor for holding an image signal supplied from the data line, a second TFT for supplying the image signal held by the storage capacitor to a second gate electrode, and a pixel electrode formed for each pixel When the pixel electrode is electrically connected to the common power supply line via the second TFT between a layer between the pixel electrode and a counter electrode facing the pixel electrode, a driving current flows between the pixel electrode and the counter electrode. A light-emitting thin film that emits light by electric current And a light emitting element provided with the scanning signal, wherein, of both electrodes of the storage capacitor, an electrode opposite to an electrode electrically connected to a second gate electrode of the second TFT is provided with the scanning signal. And a pulse whose potential fluctuates in a direction opposite to that of the selection pulse is supplied.
 [0042]
 With this configuration, the writing of the image signal to the storage capacitor can be supplemented, so that the potential of the image signal applied to the gate electrode of the second TFT can be increased without increasing the amplitude of the image signal. In the direction of.
 [0043]
 In any of the above inventions, for example, an organic semiconductor film can be used as the light emitting thin film.
 [0044]
 According to the present invention, in any of the above-mentioned inventions, the second TFT is operated in the saturation region, whereby an abnormal current flows through the light emitting element, and crosstalk or the like occurs in other pixels due to a voltage drop or the like. Can be prevented.
 [0045]
 Further, by operating in the linear region, it is possible to prevent the variation in the threshold voltage from affecting the display operation.
 [0046]
 BEST MODE FOR CARRYING OUT THE INVENTION
 Embodiments of the present invention will be described with reference to the drawings. Before describing the embodiments of the present invention, a configuration common to the embodiments will be described. Here, portions having a common function in each embodiment are assigned the same reference numerals to avoid duplication of description.
 [0047]
 (Overall configuration of active matrix substrate)
 FIG. 1 is a block diagram schematically showing the entire layout of the display device, and FIG. 2 is an equivalent circuit diagram of an active matrix configured therein. As shown in FIG. 1, in a display device 1 of the present embodiment, a
 [0048]
 In the display device 1, similarly to the active matrix substrate of the liquid crystal display device, a plurality of scanning lines “gate” and a plurality of data extending in a direction intersecting the extending direction of the scanning lines “gate” are formed on the
 [0049]
 Each of the
 [0050]
 The gate electrode 31 (second gate electrode) of the
 [0051]
 In the display device 1 configured as described above, the driving current flows through the current path including the
 [0052]
 Various arrangements are possible for the common power supply line com, the
 [0053]
 As described above, in the present embodiment, two columns of pixels are driven by one common power supply line com, so that the common power supply line com is formed for each pixel group in one column. The number of coms can be halved, and the gap secured between the common power supply line com and the data line sig formed between the same layers is unnecessary. Therefore, the area for wiring on the
 [0054]
 (Pixel configuration)
 The structure of each
 [0055]
 First, at a position corresponding to the line AA 'in FIG. 3, as shown in FIG. 4, an island-shaped silicon film for forming the
 [0056]
 A gate electrode 21 (a part of the scanning line gate) is formed on the surface of the
 The data line sig and the potential holding electrode st are electrically connected to the source /
 [0057]
 In each
 [0058]
 At a position corresponding to the line BB ′ in FIG. 3, as shown in FIG. 5, each
 [0059]
 A first
 [0060]
 On the other hand, a common power supply line com is electrically connected to a portion serving as a common source /
 [0061]
 On the surface of the second
 [0062]
 (Characteristics of light emitting element)
 Since the present invention can be applied to the case where any structure is used as the
 [0063]
 With such a configuration, even when a driving current having a reverse polarity flows in each of the
 [0064]
 On the other hand, when the
 [0065]
 On the other hand, in order to supply a drive current in a direction opposite to that of the light-emitting element shown in FIG. 8A, as shown in FIG. , A pixel electrode 41 (positive electrode) made of a metal film, an
 [0066]
 Further, the counter electrode op may be formed of an ITO film, and the
 [0067]
 Here, although the luminous efficiency tends to slightly decrease, the
 [0068]
 (TFT characteristics)
 FIG. 11 shows current-voltage characteristics of N-channel and P-channel TFTs as TFTs (
 [0069]
 (Method of manufacturing display device)
 In the method of manufacturing the display device 1 configured as described above, the steps up to manufacturing the
 [0070]
 FIG. 13 is a process cross-sectional view schematically showing a process of forming each component of the display device 1 under a temperature condition of 600 ° C. or less. That is, as shown in FIG. 13A, a thickness of about 2000 to 5000 angstroms is applied to the
 [0071]
 Next, a crystallization step such as laser annealing or a solid phase growth method is performed on the
 Scan.
 [0072]
 Next, as shown in FIG. 13B, the
 [0073]
 Next, as shown in FIG. 13C, a conductive film formed of a metal film of aluminum, tantalum, molybdenum, titanium, tungsten, or the like is formed by a sputtering method, and then patterned to form a gate as part of a scan line gate. The
 [0074]
 In the present embodiment, as will be described later, TFTs having different conductivity types may be manufactured on the same substrate. In this case, in the impurity introduction step, the impurity formation step is performed while covering the TFT formation region of the opposite conductivity type with a mask. We will promote the introduction of.
 [0075]
 Next, as shown in FIG. 13D, after the first
 [0076]
 Next, as shown in FIG. 13E, a second
 [0077]
 Next, after a conductive film is formed on the entire surface of the second
 [0078]
 Next, as shown in FIG. 13F, after a black resist layer is formed on the surface side of the second
 [0079]
 Next, a liquid material (precursor) for forming the
 [0080]
 In the present embodiment, as shown in FIG. 3, in order to increase the working efficiency when the
 [0081]
 Thereafter, as shown in FIG. 13 (G), a counter electrode op is formed on the front surface side of the
 [0082]
 Note that TFTs are also formed in the data-
 [0083]
 In the present embodiment, since the bank layer bank is made of a black insulating resist, it is left as it is and used as an insulating layer for reducing the black matrix BM and the parasitic capacitance.
 [0084]
 That is, as shown in FIG. 1, the above-described bank layer bank (the formation region is hatched) is also formed in the peripheral region of the
 [0085]
 Further, in this embodiment, as shown in FIGS. 3 to 5, the bank layer bank is formed so as to overlap the data line sig. Accordingly, since the bank layer bank intervenes between the data line sig and the opposing electrode op, it is possible to prevent the capacitance from being parasitic on the data line sig. As a result, the load on the driver circuit can be reduced, so that low power consumption or high-speed display operation can be achieved.
 [0086]
 Further, in the present embodiment, as shown in FIGS. 3, 4, and 6A, the bank layer bank may be formed also in a region where the
 [0087]
 If the bank layer bank made of a black resist is left as described above, the bank layer bank functions as a black matrix, and the display quality such as luminance and contrast ratio is improved. That is, in the display device 1 according to the present embodiment, since the opposing electrode op is formed in a stripe shape over the entire front surface side of the
 [0088]
 However, in the present embodiment, since the bank layer bank having the function of suppressing the parasitic capacitance while defining the formation region of the
 [0089]
 (Another configuration of active matrix substrate)
 Note that the present invention is not limited to the above configuration, and can be applied to various types of active matrix substrates. For example, as described with reference to FIG. 31, on the transparent substrate 1, the extension of the scanning line gate is performed using one data line sig, one common power supply line com, and one column of
 [0090]
 In addition, the storage capacitor cap may be configured between the common power supply line com and the potential holding electrode st without using a capacitor line. In this case, as shown in FIGS. 14A and 14B, the
 [0091]
 Further, although the storage capacitor cap is not shown, it may be configured using a polysilicon film for forming a TFT, and is not limited to a capacitance line or a common power supply line, and may be connected to a scanning line in a preceding stage. It is also possible to configure between.
 [0092]
 [Embodiment 1]
 FIG. 15 is an equivalent circuit diagram illustrating a pixel configuration of the display device 1 of the present embodiment. FIGS. 16A and 16B are an explanatory diagram showing an electrical connection state of each element formed in each pixel and a waveform diagram showing a potential change such as a drive signal.
 [0093]
 As shown in FIGS. 15, 16A and 16B, in the present embodiment, the
 [0094]
 In the present embodiment, the
 [0095]
 Here, the gate voltage of the
 Voltage can be reduced.
 [0096]
 Note that the ON current of the
 [0097]
 Further, in the present embodiment, the potential of the image signal data supplied from the data line sig to the pixel to be turned off is slightly higher than the potential of the common power supply line com. Since the
 [0098]
 When the low-potential side of the image signal data is set high enough not to exceed the threshold value of the
 [0099]
 [Modification of First Embodiment]
 FIG. 17 is an equivalent circuit diagram illustrating a pixel configuration of the display device 1 of the present embodiment. FIGS. 18A and 18B are an explanatory diagram showing an electrical connection state of each element formed in each pixel and a waveform diagram showing a potential change of a driving signal and the like. Note that, in the present embodiment, contrary to the first embodiment, both the
 Only the polarity of the drive signal is inverted, and the other points have the same configuration.
 Therefore, the configuration will be described only briefly.
 [0100]
 As shown in FIGS. 17, 18A and 18B, in this embodiment, since the
 [0101]
 Here, the gate voltage Vgcur of the
 [0102]
 Further, in the present embodiment, since the ON current of the
 [0103]
 Further, in the present embodiment, the potential of the image signal data supplied from the data line sig to the pixels to be turned off is reduced to a slightly lower potential than the potential of the common power supply line com. That is, the higher potential of the image signal data is set lower so that the absolute value of the gate voltage Vgcur of the
 [0104]
 As described above, the potential on the low potential side of the image signal data is set to be high, and the potential on the high potential side of the image signal data for turning on the pixels is set to be low. The potential falls within a range defined by the opposing electrode op and the common feed line com. Therefore, it is possible to reduce the driving voltage of the display device 1 and to reduce the power consumption of the display device 1.
 [0105]
 [Embodiment 2]
 FIG. 19 is an equivalent circuit diagram illustrating a pixel configuration of the display device 1 of the present embodiment.
 FIGS. 20A and 20B are an explanatory diagram showing an electrical connection state of each element formed in each pixel and a waveform diagram showing a potential change such as a drive signal. As shown in FIGS. 19, 20A and 20B, in the present embodiment, the
 [0106]
 In the present embodiment, the potential of the common feed line com is set higher than the potential of the counter electrode op of the
 [0107]
 Further, in the present embodiment, the potential of the image signal data supplied from the data line sig to the pixel to be turned off is slightly lower than or equal to the potential of the common power supply line com. The amplitude of data is reduced. Therefore, the potential of the image signal data is kept within the range defined by the counter electrode op and the common power supply line com, and the driving voltage of the display device 1 is reduced, so that the power consumption of the display device 1 is reduced. Thus, an effect similar to that of the first embodiment or a modification thereof can be obtained.
 [0108]
 In the present embodiment, since the
 [0109]
 On the other hand, the gate voltage Vgcur of the
 [0110]
 As described above, in the present embodiment, since the
 [0111]
 Here, the gate voltage Vgsw of the
 [0112]
 Therefore, if the potential of the image signal data for lighting is changed in the direction in which the resistance when the
 [0113]
 [Modification of Second Embodiment]
 FIG. 21 is an equivalent circuit diagram illustrating a pixel configuration of the display device 1 of the present embodiment. FIGS. 22A and 22B are an explanatory diagram showing an electrical connection state of each element formed in each pixel and a waveform diagram showing a potential change such as a drive signal. Note that, in the present embodiment, contrary to the second embodiment, the
 [0114]
 As shown in FIGS. 21, 22A and 22B, in the present embodiment, the
 [0115]
 In this embodiment, the
 [0116]
 Accordingly, when the potential of the potential holding electrode st is used as a reference, the potential corresponding to the low potential of the scanning signal Sgate and the potential of the common power supply line com have the same polarity. Accordingly, both the gate voltage Vgsw of the
 [0117]
 In the second embodiment, the first TFT is an N-channel type, and the second TFT is a P-channel type. As shown in FIG. 25, when the
 [0118]
 Accordingly, the gate voltage applied to the
 [0119]
 As described above, when the first TFT is N-type and the second TFT is P-type, the amplitude of the image signal data can be reduced by setting the potential on the light-off side of the image signal data lower than before, so that the image signal data can be reduced. Voltage and frequency can be reduced. Further, even when the light-off-side potential of the image signal data is set to be lower, the potential of the
 If the voltage applied to the
 [0120]
 In this case, since the
 Vthn (sw) <| Voff |
 As shown in (1), the threshold voltage Vthn (sw) of the
 [0121]
 When the
 [0122]
 [Embodiment 3]
 In the present embodiment, as shown in an equivalent circuit in FIG. 23, similarly to the second embodiment, in any
 [0123]
 Note that, since it is the same as the second embodiment, description of common points is omitted, and only different points are described. Although the storage capacitor is provided in the second embodiment, the present embodiment is different in that there is no storage capacitor cap. With such a configuration, the change in the potential of the holding electrode st can be significantly increased.
 [0124]
 In the case where the
 [0125]
 [Modification of Third Embodiment]
 In the third embodiment, the case where the
 [0126]
 When the
 [0127]
 [Embodiment 4]
 In each of the first, second, and third embodiments, as described with reference to FIGS. 28A and 28B, of the two electrodes of the storage capacitor cap, the gate electrode of the
 [0128]
 In the example shown here, as shown in FIG. 28A, of the two electrodes of the storage capacitor cap, the opposite side to the electrode electrically connected to the gate electrode of the
 [0129]
 As shown in FIG. 28B, a potential stg including a pulse signal Pstg which is delayed from the selection pulse Pgate of the scanning signal Sgate and whose potential fluctuates in the opposite direction to the selection pulse Pgate is supplied to the capacitance line cline. It is configured to: The pulse signal Pstg shifts the potential of the image signal data by utilizing the capacitive coupling of the storage capacitor cap after the selection pulse Pgate is in the non-selected state. For this reason, a signal corresponding to the sum of the potential of the image signal data and the potential of the pulse signal Pstg is held in the storage capacitor cap in a state where the
 [0130]
 In this manner, when the pulse signal Pstg is applied to the capacitance line “cline”, as shown in FIG. 29, the capacitance line “cline” is pulled out from the scanning
 [0131]
 In the above-described embodiments and their modifications, the case where a storage capacitor is added has been described with respect to the type of light emitting element provided with the capacitor line “cline”. However, the present embodiment is not limited to the configuration in which such a capacitance line is provided, and one electrode of the storage capacitor may be configured by an adjacent gate line. An example of such a configuration is shown in a circuit block diagram in FIG. 34A, and a voltage waveform of a gate electrode in a scanning direction of a gate line is shown in FIG. As described above, by configuring the adjacent gate line as one electrode of the storage capacitor for the pixel, there is an effect that it is not necessary to separately provide the capacitor line “cline”.
 [0132]
 [Other embodiments]
 In any of the above embodiments, no description is given as to which region of the current-voltage characteristics of the
 [0133]
 On the other hand, if the
 [0134]
 (Usability of the invention)
 As described above, in the above display device, when the second TFT is turned on, the gate voltage is set to one of the potential of the common power supply line and the potential of the pixel electrode and the potential of the gate electrode (the potential of the image signal). Potential), the relative level between the potential of the common power supply line and the potential of the counter electrode of the light emitting element is set in accordance with the conductivity type of the second TFT, and the gate of the second TFT is set. The voltage is configured to correspond to the difference between the potential of the common power supply line and the potential of the potential holding electrode. For example, if the second TFT is an N-channel type, the potential of the common power supply line is lower than the potential of the counter electrode of the light emitting element. The potential of the common power supply line can be set to a sufficiently low value, unlike the potential of the pixel electrode, so that a large ON current can be obtained with the second TFT, and display with high luminance can be performed. it can. Further, when a high gate voltage is obtained as the second TFT when the pixel is turned on, the potential of the image signal at that time can be reduced accordingly, so that the amplitude of the image signal is reduced. In addition, the driving voltage of the display device can be reduced. Therefore, there is an advantage that the power consumption can be reduced and the problem of withstand voltage, which has been a concern in each element formed of a thin film, does not become apparent.
 [0135]
 In the above display device of the present invention, since the first TFT and the second TFT are of opposite conductivity type, a pulse of a scanning signal for selecting a pixel and an image signal for lighting a light emitting element are provided. Is in a relationship opposite to the potential of. Therefore, when the potential of the potential holding electrode at the time of lighting (the potential of the image signal for lighting) is used as a reference, the potential corresponding to the high potential of the scanning signal and the potential of the common power supply line have the same polarity. Is changed, the gate voltage of the first TFT and the gate voltage of the second TFT are shifted by the same amount in the same direction by changing the potential of the potential holding electrode (the potential of the image signal for lighting). . Therefore, if the potential of the image signal for lighting is shifted in a direction in which the resistance when the first TFT is turned on is reduced within the range of the drive voltage range of the display device, the display operation is speeded up. In this case, the potential of the image signal for lighting is shifted in a direction in which the resistance of the second TFT when the TFT is turned on decreases, so that the luminance can be improved. Therefore, it is possible to achieve both lower drive voltage and improved display quality.
 [0136]
 Further, in the above display device, of the two electrodes of the storage capacitor, the electrode opposite to the electrode electrically connected to the second gate electrode of the second TFT has a delay from the selection pulse of the scanning signal. Thus, since a pulse whose potential fluctuates in the opposite direction to the selection pulse is supplied, writing of an image signal to the storage capacitor can be compensated. Therefore, the potential of the image signal applied to the gate electrode of the second TFT can be shifted in the direction of increasing luminance without increasing the amplitude of the image signal.
 [Brief description of the drawings]
 FIG. 1 is a plan view schematically showing a display device to which the present invention is applied.
 FIG. 2 is a block diagram showing a basic configuration of a display device to which the present invention is applied.
 3 is an enlarged plan view showing a pixel of the display device shown in FIG. 2;
 FIG. 4 is a sectional view taken along line AA ′ of FIG. 3;
 FIG. 5 is a sectional view taken along the line BB ′ in FIG. 3;
 FIG. 6A is a cross-sectional view taken along line CC ′ of FIG. 3, and FIG. 6B is an explanatory diagram for describing an effect obtained when the configuration shown in FIG. FIG.
 FIGS. 7A and 7B are cross-sectional views of light-emitting elements used for the display device illustrated in FIGS.
 FIGS. 8A and 8B each illustrate a light-emitting element having a structure different from that of the light-emitting element illustrated in FIGS.
 It is sectional drawing of an element.
 9 is a graph showing current-voltage characteristics of the light-emitting elements shown in FIGS. 7A and 8B.
 FIG. 10 is a graph showing current-voltage characteristics of the light-emitting elements shown in FIGS. 7B and 8A.
 FIG. 11 is a graph showing current-voltage characteristics of an N-channel TFT.
 FIG. 12 is a graph showing current-voltage characteristics of a P-channel TFT.
 FIG. 13 is a process sectional view illustrating the method for manufacturing the display device to which the present invention is applied.
 FIGS. 14A and 14B are a plan view and a cross-sectional view of a pixel having a structure different from the pixels of the display device illustrated in FIGS. 3 to 6, respectively.
 FIG. 15 is an equivalent circuit diagram illustrating a pixel configuration of the display device according to Embodiment 1 of the present invention.
 16A and 16B are an explanatory diagram showing an electrical connection state of each element included in the pixel shown in FIG. 15 and waveforms showing potential changes of a driving signal and the like, respectively. FIG.
 FIG. 17 is an equivalent circuit diagram illustrating a pixel configuration of a display device according to a modification of Embodiment 1 of the present invention.
 18A and 18B are an explanatory diagram showing an electrical connection state of each element included in the pixel shown in FIG. 17 and waveforms showing a potential change of a driving signal and the like, respectively. FIG.
 FIG. 19 is an equivalent circuit diagram illustrating a pixel configuration of a display device according to
 20A and 20B are an explanatory diagram showing an electrical connection state of each element included in the pixel shown in FIG. 19 and a waveform showing a potential change such as a driving signal, respectively. FIG.
 FIG. 21 is an equivalent circuit diagram illustrating a pixel configuration of a display device according to a modified example of
 22A and 22B are an explanatory diagram showing an electrical connection state of each element included in the pixel shown in FIG. 21 and a waveform showing a potential change such as a driving signal, respectively. FIG.
 FIG. 23 is an equivalent circuit diagram showing a pixel configuration of a display device according to
 24A and 24B are a waveform diagram of signals for driving the pixel shown in FIG. 23 and an explanatory diagram showing a correspondence between these signals and an equivalent circuit.
 FIG. 25 is a waveform diagram of a signal for driving a pixel of the display device according to
 FIG. 26 is an equivalent circuit diagram showing a pixel configuration of a display device according to a modification of
 FIGS. 27A and 27B are a waveform diagram of signals for driving the pixel shown in FIG. 26 and an explanatory diagram showing correspondence between these signals and equivalent circuits.
 28A and 28B are an equivalent circuit diagram of a pixel of a display device according to
 FIG. 29 is a block diagram of a scanning-side drive circuit for generating the signals shown in FIG. 28;
 30 is a waveform chart of each signal output from the scanning side driving circuit shown in FIG. 29.
 FIG. 31 is a block diagram of a display device.
 32 is an equivalent circuit diagram showing a conventional pixel configuration in the display device shown in FIG.
 33 (A) and 33 (B) are a waveform diagram of signals for driving the pixel shown in FIG. 32 and an explanatory diagram showing correspondence between these signals and equivalent circuits.
 FIGS. 34A and 34B are a block diagram of a structure in which a capacitor is formed using an adjacent gate line and a signal waveform of the gate voltage.
 [Explanation of symbols]
 1 display device
 2 display
 3 data side drive circuit
 4 scan side drive circuit
 5 inspection circuit
 6 mounting pads
 7 pixels
 10 transparent substrate
 20 first TFT
 21 First TFT gate electrode
 30 Second TFT
 31 Gate electrode of second TFT
 40 light emitting elements
 41 pixel electrode
 42 hole injection layer
 43 organic semiconductor film
 50 gate insulating film
 bank bank layer
 cap holding capacity
 cline capacity line
 com common feeder line
 gate scan line
 op counter electrode
 sig data line
 st potential holding electrode
| Application Number | Priority Date | Filing Date | Title | 
|---|---|---|---|
| JP2003182906AJP3620538B2 (en) | 1997-02-17 | 2003-06-26 | Display device | 
| Application Number | Priority Date | Filing Date | Title | 
|---|---|---|---|
| JP3247497 | 1997-02-17 | ||
| JP23635397 | 1997-09-01 | ||
| JP23635197 | 1997-09-01 | ||
| JP2003182906AJP3620538B2 (en) | 1997-02-17 | 2003-06-26 | Display device | 
| Application Number | Title | Priority Date | Filing Date | 
|---|---|---|---|
| JP53136098ADivisionJP3528182B2 (en) | 1997-02-17 | 1998-02-17 | Display device | 
| Publication Number | Publication Date | 
|---|---|
| JP2004004910Atrue JP2004004910A (en) | 2004-01-08 | 
| JP3620538B2 JP3620538B2 (en) | 2005-02-16 | 
| Application Number | Title | Priority Date | Filing Date | 
|---|---|---|---|
| JP2003182906AExpired - LifetimeJP3620538B2 (en) | 1997-02-17 | 2003-06-26 | Display device | 
| Country | Link | 
|---|---|
| JP (1) | JP3620538B2 (en) | 
| Publication number | Priority date | Publication date | Assignee | Title | 
|---|---|---|---|---|
| JP2009520225A (en)* | 2005-12-20 | 2009-05-21 | トムソン ライセンシング | Method for driving a display panel using depolarization | 
| US8633872B2 (en) | 2005-10-18 | 2014-01-21 | Semiconductor Energy Laboratory Co., Ltd. | Semiconductor device, and display device and electronic equipment each having the same | 
| JP2017198809A (en)* | 2016-04-26 | 2017-11-02 | 株式会社Joled | Active matrix display device | 
| Publication number | Priority date | Publication date | Assignee | Title | 
|---|---|---|---|---|
| EP1808844B1 (en) | 2006-01-13 | 2012-10-31 | Semiconductor Energy Laboratory Co., Ltd. | Display device | 
| Publication number | Priority date | Publication date | Assignee | Title | 
|---|---|---|---|---|
| US8633872B2 (en) | 2005-10-18 | 2014-01-21 | Semiconductor Energy Laboratory Co., Ltd. | Semiconductor device, and display device and electronic equipment each having the same | 
| JP2009520225A (en)* | 2005-12-20 | 2009-05-21 | トムソン ライセンシング | Method for driving a display panel using depolarization | 
| US8427404B2 (en) | 2005-12-20 | 2013-04-23 | Thomson Licensing | Method of driving a display panel with depolarization | 
| US8659525B2 (en) | 2005-12-20 | 2014-02-25 | Thomson Licensing | Method of driving a display panel with depolarization | 
| JP2017198809A (en)* | 2016-04-26 | 2017-11-02 | 株式会社Joled | Active matrix display device | 
| Publication number | Publication date | 
|---|---|
| JP3620538B2 (en) | 2005-02-16 | 
| Publication | Publication Date | Title | 
|---|---|---|
| JP5120141B2 (en) | Display device | |
| JP4207979B2 (en) | Display device | |
| JP3620538B2 (en) | Display device | |
| JP3882804B2 (en) | Light emitting device | |
| JP3912340B2 (en) | Display device | |
| JP3620539B2 (en) | Display device | |
| JP3818309B2 (en) | Display device | |
| JP2004004911A (en) | Display device | |
| JP2007219531A (en) | Display device | 
| Date | Code | Title | Description | 
|---|---|---|---|
| A131 | Notification of reasons for refusal | Free format text:JAPANESE INTERMEDIATE CODE: A131 Effective date:20040525 | |
| A521 | Request for written amendment filed | Free format text:JAPANESE INTERMEDIATE CODE: A523 Effective date:20040726 | |
| TRDD | Decision of grant or rejection written | ||
| A01 | Written decision to grant a patent or to grant a registration (utility model) | Free format text:JAPANESE INTERMEDIATE CODE: A01 Effective date:20041026 | |
| A61 | First payment of annual fees (during grant procedure) | Free format text:JAPANESE INTERMEDIATE CODE: A61 Effective date:20041108 | |
| R150 | Certificate of patent or registration of utility model | Free format text:JAPANESE INTERMEDIATE CODE: R150 | |
| FPAY | Renewal fee payment (event date is renewal date of database) | Free format text:PAYMENT UNTIL: 20081126 Year of fee payment:4 | |
| FPAY | Renewal fee payment (event date is renewal date of database) | Free format text:PAYMENT UNTIL: 20091126 Year of fee payment:5 | |
| FPAY | Renewal fee payment (event date is renewal date of database) | Free format text:PAYMENT UNTIL: 20091126 Year of fee payment:5 | |
| FPAY | Renewal fee payment (event date is renewal date of database) | Free format text:PAYMENT UNTIL: 20101126 Year of fee payment:6 | |
| FPAY | Renewal fee payment (event date is renewal date of database) | Free format text:PAYMENT UNTIL: 20101126 Year of fee payment:6 | |
| FPAY | Renewal fee payment (event date is renewal date of database) | Free format text:PAYMENT UNTIL: 20111126 Year of fee payment:7 | |
| FPAY | Renewal fee payment (event date is renewal date of database) | Free format text:PAYMENT UNTIL: 20111126 Year of fee payment:7 | |
| FPAY | Renewal fee payment (event date is renewal date of database) | Free format text:PAYMENT UNTIL: 20121126 Year of fee payment:8 | |
| FPAY | Renewal fee payment (event date is renewal date of database) | Free format text:PAYMENT UNTIL: 20121126 Year of fee payment:8 | |
| FPAY | Renewal fee payment (event date is renewal date of database) | Free format text:PAYMENT UNTIL: 20131126 Year of fee payment:9 | |
| S111 | Request for change of ownership or part of ownership | Free format text:JAPANESE INTERMEDIATE CODE: R313113 | |
| R350 | Written notification of registration of transfer | Free format text:JAPANESE INTERMEDIATE CODE: R350 | |
| R250 | Receipt of annual fees | Free format text:JAPANESE INTERMEDIATE CODE: R250 | |
| R250 | Receipt of annual fees | Free format text:JAPANESE INTERMEDIATE CODE: R250 | |
| R250 | Receipt of annual fees | Free format text:JAPANESE INTERMEDIATE CODE: R250 | |
| R250 | Receipt of annual fees | Free format text:JAPANESE INTERMEDIATE CODE: R250 | |
| EXPY | Cancellation because of completion of term |