Movatterモバイル変換


[0]ホーム

URL:


DE10245536B4 - Calibrating semiconductor devices using a common calibration reference - Google Patents

Calibrating semiconductor devices using a common calibration reference
Download PDF

Info

Publication number
DE10245536B4
DE10245536B4DE10245536ADE10245536ADE10245536B4DE 10245536 B4DE10245536 B4DE 10245536B4DE 10245536 ADE10245536 ADE 10245536ADE 10245536 ADE10245536 ADE 10245536ADE 10245536 B4DE10245536 B4DE 10245536B4
Authority
DE
Germany
Prior art keywords
calibration
data
semiconductor device
semiconductor devices
unit
Prior art date
Legal status (The legal status is an assumption and is not a legal conclusion. Google has not performed a legal analysis and makes no representation as to the accuracy of the status listed.)
Expired - Fee Related
Application number
DE10245536A
Other languages
German (de)
Other versions
DE10245536A1 (en
Inventor
Georg Braun
Hermann Ruckerbauer
Simon Muff
Current Assignee (The listed assignees may be inaccurate. Google has not performed a legal analysis and makes no representation or warranty as to the accuracy of the list.)
Infineon Technologies AG
Original Assignee
Infineon Technologies AG
Priority date (The priority date is an assumption and is not a legal conclusion. Google has not performed a legal analysis and makes no representation as to the accuracy of the date listed.)
Filing date
Publication date
Application filed by Infineon Technologies AGfiledCriticalInfineon Technologies AG
Priority to DE10245536ApriorityCriticalpatent/DE10245536B4/en
Priority to US10/675,492prioritypatent/US6958613B2/en
Publication of DE10245536A1publicationCriticalpatent/DE10245536A1/en
Application grantedgrantedCritical
Publication of DE10245536B4publicationCriticalpatent/DE10245536B4/en
Anticipated expirationlegal-statusCritical
Expired - Fee Relatedlegal-statusCriticalCurrent

Links

Classifications

Landscapes

Abstract

Translated fromGerman

Verfahrenzum Kalibrieren von Schnittstelleneinrichtungen (6) in Halbleitereinrichtungen (1),umfassend die Schritte:
1) Vorsehen einer Mehrzahl von jeweilseine übereinen durch eine Schalteinheit (4) schaltbaren Kalibrierpfad (31) mitdem Kalibrieranschluss (32) verbundene Kalibriereinheit (3) aufweisendenHalbleitereinrichtungen (1), sowie einer als Spannungsreferenz oderals Kalibrierwiderstand vorgesehenen Kalibrierreferenz (5),
2)Verbinden der Kalibrieranschlüsse(32) mit der Kalibrierreferenz (5),
3) Erzeugen eines die Kalibriereinheit(3) mittels der Schalteinheit (4) mit dem Kalibrieranschluss (32)verbindenden aktiven Kalibriersignals in einer ersten Halbleitereinrichtung(1),
4) Durchführeneiner Kalibrierung der Schnittstelleneinrichtungen (6) der erstenHalbleitereinrichtung (1),
5) Erzeugen eines die Kalibriereinheit(3) mittels der Schalteinheit (4) vom Kalibrieranschluss (32) trennendenpassiven Kalibriersignals und
6) Wiederholen der Schritte 3)bis 5) füralle weiteren Halbleitereinrichtungen (1).
Method for calibrating interface devices (6) in semiconductor devices (1), comprising the steps:
1) provision of a plurality of semiconductor devices (1) each having a calibration path (31) which can be switched by a switching unit (4) with the calibration terminal (32), and a calibration reference (5) provided as a voltage reference or as a calibration resistor .
2) connecting the calibration terminals (32) to the calibration reference (5),
3) generating a calibration unit (3) by means of the switching unit (4) with the calibration terminal (32) connecting active calibration signal in a first semiconductor device (1),
4) carrying out a calibration of the interface devices (6) of the first semiconductor device (1),
5) generating the calibration unit (3) by means of the switching unit (4) from the calibration terminal (32) separating passive calibration signal and
6) repeating steps 3) to 5) for all other semiconductor devices (1).

Figure 00000001
Figure 00000001

Description

Translated fromGerman

DieErfindung betrifft das Kalibrieren von Schnittstelleneinrichtungenin Halbleitereinrichtungen mittels einer Kalibrierreferenz.TheThe invention relates to the calibration of interface devicesin semiconductor devices by means of a calibration reference.

InDatenbussystemen werden auf zu einem gemeinsamen Datenbus zusammengefasstenDatenleitungen Datensignale zwischen einer Mehrzahl von Halbleitereinrichtungen übertragen.Mit steigenden Datenübertragungsratenauf dem Datenbus werden zur Wahrung der Integrität der auf den Datenbus übertragenenDatensignale von den auf den Datenbus schreibend oder vom Datenbuslesend zugreifenden Halbleitereinrichtungen engere Toleranzen derSchnittstellenparameter (Interfaceparameter) gefordert. Ein erstersolcher Schnittstellenparameter ist die Impedanz von Ausgangstreibern(OCD, off chip driver), mit denen eine Halbleitereinrichtung Datensignaleauf Datensignalleitungen des Datenbusses ausgibt. Einen weiterenSchnittstellenparameter bilden Terminierungen, die in der Halbleitereinrichtung denDatenbus zur Vermeidung von Reflexionen lokal abschließen (OCT,on chip termination).InData bus systems are combined to form a common data busData lines transmit data signals between a plurality of semiconductor devices.With increasing data transfer rateson the data bus are transmitted to the integrity of the data busData signals from those writing to the data bus or from the data busreading accessing semiconductor devices tighter tolerances ofInterface parameters (interface parameters) required. A firstsuch interface parameter is the impedance of output drivers(OCD, off chip driver), with which a semiconductor device data signalson data signal lines of the data bus outputs. Another oneInterface parameters form terminations that in the semiconductor device theLocally terminate the data bus to avoid reflections (OCT,on chip termination).

DieSchnittstellenparameter sind Fertigungsschwankungen unterworfenund variieren sowohl von Halbleitereinrichtung zu Halbleitereinrichtungals auch innerhalb einer Halbleitereinrichtung von Ausgangstreiberzu Ausgangstreiber. Die Schnittstellenparameter sind weiterhin vonEinbaubedingungen der Halbleitereinrichtung abhängig und an eine Konfigurationdes Datenbussystems anzupassen. Ferner sind die Schnittstellenparameterwährendeines Betriebs der Halbleitereinrichtung zeitlichen Schwankungenunterworfen. Die zeitlichen Schwan kungen resultieren dabei etwaaus einer Temperaturabhängigkeitder Schnittstellenparameter oder deren Abhängigkeit von einer Betriebsspannungder Halbleitereinrichtung.TheInterface parameters are subject to manufacturing fluctuationsand vary from semiconductor device to semiconductor deviceas well as within a semiconductor device of output driversto output driver. The interface parameters are still fromInstallation conditions of the semiconductor device dependent and to a configurationto adapt to the data bus system. Furthermore, the interface parameterswhilean operation of the semiconductor device temporal variationssubjected. The temporal fluctuations result in aboutfrom a temperature dependencethe interface parameters or their dependence on an operating voltagethe semiconductor device.

Für den Betriebin Datenbussystemen mit hoher Datenübertragungsrate werden daherdie Schnittstellenparameter der Halbleitereinrichtung mindestenseinmal vor oder währendeiner Inbetriebnahme der Halbleitereinrichtung oder wiederholt während desBetriebs der Halbleitereinrichtung durch eine in der Halbleitereinrichtungrealisierten Kalibriereinheit mit einem Sollwert verglichen undbei Bedarf neu abgeglichen. Der Sollwert wird dabei anhand einerKalibrierreferenz ermittelt. Fürden Abgleich sind sowohl analoge als auch digitale Verfahren unterder Verwendung von state machines und Verstärkerschaltungen bekannt.For the businessTherefore, in high data rate data bus systemsthe interface parameters of the semiconductor device at leastonce before or duringa commissioning of the semiconductor device or repeatedly during theOperating the semiconductor device through one in the semiconductor devicerealized calibration unit compared with a setpoint andRe-adjusted if necessary. The setpoint is based on aCalibration reference determined. Forthe adjustment is under both analog and digital methodsthe use of state machines and amplifier circuits known.

Für DRAMs(dynamic random access memories) nach dem DDR-(double data rate)-Standard kann einAbgleich der Ausgangstreiber herkömmlicherweise durch ein Einprägen einesKalibrierstroms überdie Anschlüsseder Ausgangstreiber, ein Messen des durch den Kalibrierstrom erzeugtenSpannungsabfalls überdie Ausgangstreiber und den Vergleich des gemessenen Spannungsabfallsmit einem Sollwert fürden Spannungsabfall erfolgen. Zum Abgleich wird der Wert eines Stellgliedsfür denAusgangstreiber übereinen Eintrag in einem Moderegister des DRAMs eingestellt. Ein solcherAbgleich der Ausgangstreiber wird in der Regel vor einer Inbetriebnahmeder Halbleitereinrichtung in einem Datenbussystem in einem Prüffeld durchgeführt. EinAnpassen an konkrete Einbauparameter ist dann nicht möglich.For DRAMs(dynamic random access memories) according to the DDR (double data rate) standard, aBalancing the output driver conventionally by impressing aCalibration current overthe connectionsthe output driver, measuring the current generated by the calibration currentVoltage drop overthe output drivers and the comparison of the measured voltage dropwith a setpoint forthe voltage drop occurs. For adjustment, the value of an actuatorfor theOutput driver viaset an entry in a modem register of the DRAM. Such aAdjustment of the output driver is usually before commissioningthe semiconductor device is performed in a data bus system in a test field. OneAdapting to concrete installation parameters is then not possible.

DieKalibrierreferenz wird etwa als Spannungsreferenz oder Kalibrierwiderstandentweder innerhalb der Halbleitereinrichtung oder außerhalbder Halbleitereinrichtung vorgesehen.TheCalibration reference becomes about as voltage reference or calibration resistanceeither inside the semiconductor device or outsidethe semiconductor device provided.

Beieiner Anordnung der Kalibrierreferenz im Innern der Halbleitereinrichtungist insbesondere der Umstand nachteilig, dass ein Wert der Kalibrierreferenzbereits zum Zeitpunkt der Fertigung der Halbleitereinrichtung festzulegenist. Damit ist aber andrerseits ein Anpassen der Schnittstellenparameterhinsichtlich einer Konfiguration des Datenbussystems nur dann möglich, wenndie Halbleitereinrichtung in verschiedenen Serien mit jeweils voneinanderverschiedenen Werten fürdie Kalibrierreferenz gefertigt wird.atan arrangement of the calibration reference in the interior of the semiconductor devicein particular the circumstance is disadvantageous that a value of the calibration referencealready set at the time of manufacture of the semiconductor deviceis. On the other hand, this is an adaptation of the interface parametersregarding a configuration of the data bus system only possible ifthe semiconductor device in different series with each otherdifferent values forthe calibration reference is made.

Dagegenermöglichteine externe, mit einem Kalibrieranschluss der Halbleitereinrichtungverbundene Kalibrierreferenz eine späte und dem jeweiligen Datenbussystemangepasste Festlegung des Wertes der Kalibrierreferenz. Ferner lassensich vorteilhaft die Genauigkeit und etwa weitere Kompensationsschaltungenzur Stabilisierung der Kalibrierreferenz, sowie im Weiteren dieSystemkosten, den Anforderungen an das Datenbussystem anpassen.On the other handallowsan external, with a calibration terminal of the semiconductor deviceconnected calibration reference a late and the respective data bus systemadapted definition of the value of the calibration reference. Further letAdvantageously, the accuracy and about other compensation circuitsfor stabilization of the calibration reference, as well as the followingSystem costs, to adapt to the requirements of the data bus system.

Inder1 ist ein DDR-DRAM1' mit mittels einerexternen Kalibrierreferenz5 kalibrierbaren Ausgangstreibern6 dargestellt.Zur Vereinfachung ist dabei die Darstellung auf für die indiesem Zusammenhang wesentlichen Komponenten des DDR-DRAMs reduziert.Das DDR-DRAM1' weistSteuer- und Adressenanschlüsse21 zumAnschluss eines Steuer- und Adressenbusses CA, Datenanschlüsse22 zumAnschluss eines durch Datenleitungen DQ, DM, DQS gebildeten Datenbussesund einen Kalibrieranschluss32 auf. Die Kalibrierreferenz5 istan den Kalibrieranschluss32 angeschlossen. Eine über einen Kalibrierpfad31 mitdem Kalibrieranschluss32 verbundene Kalibriereinheit3 gleichtmittels der Kalibrierreferenz5 die Ausgangstreiber6 ab.In the 1 is a DDR DRAM 1' by means of an external calibration reference 5 Calibratable output drivers 6 shown. For simplification, the representation is reduced to the components of the DDR DRAM essential in this context. The DDR DRAM 1' has control and address ports 21 for connecting a control and address bus CA, data connections 22 for connecting a data bus formed by data lines DQ, DM, DQS and a calibration connection 32 on. The calibration reference 5 is to the calibration port 32 connected. One via a calibration path 31 with the calibration connection 32 connected calibration unit 3 is the same as the calibration reference 5 the output drivers 6 from.

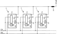
Einezu einem Datenbussystem angeordnete Mehrzahl der mittels der1 beschriebenen DDR-DRAMs1' ist in der2 dargestellt. Dabei ist jedemDDR-DRAM1' eineexterne Kalibrierreferenz5 zugeordnet.A arranged to a data bus system plurality of means of 1 described DDR DRAMs 1' is in the 2 shown. It is every DDR DRAM 1' an external calibration reference 5 assigned.

Inder Deutschen Patentanmeldung 100 37 477 A1 wird eine Anordnungund ein Verfahren zum Abgleich interner Laufzeitunterschiede zwischeneiner Mehrzahl von Ausgangstreibern einer integrierten Schaltungbeschrieben. Die Kalibrierung von Zeitversätzen zwischen den Ausgangssignalender Ausgangstreiber erfolgt mittels eines von einem Speicherbus-Controllerausgegebenen Taktsignals.InGerman Patent Application 100 37 477 A1 is an arrangementand a method for matching internal runtime differences betweena plurality of output drivers of an integrated circuitdescribed. The calibration of time offsets between the output signalsthe output driver is via one of a memory bus controlleroutput clock signal.

DieUS 2002/0135357 A1 bezieht sich auf die Kalibrierung von Signallaufzeiteninnerhalb einer automatischen Prüfvorrichtung.Durch das Kalibrieren werden Laufzeitunterschiede innerhalb einer Gruppevon Signalen zwischen der Prüfvorrichtung undeiner von der Prüfvorrichtungzu prüfendenHalbleitereinreichung ausgeglichen. Dazu wird an einem Testplatz,an dem in der Folge die Halbleitereinrichtung geprüft wird,ein Kurzschlussblock vorgesehen, der jeweils zwei Testkanäle der Prüfvorrichtungam Testplatz kurzschließt.An einem der überdie Kurzschlusseinheit kurzgeschlossen Testkanäle wird ein Signal ausgegeben,das an einem zweiten Testkanal entsprechend der Signallaufzeit verzögert empfangenwird.TheUS 2002/0135357 A1 relates to the calibration of signal propagation timeswithin an automatic tester.Calibrating causes runtime differences within a groupof signals between the tester andone from the testerto be testedSemiconductor submission balanced. For this purpose, at a test place,at which the semiconductor device is subsequently tested,provided a shorting block, each two test channels of the testershort-circuited at the test site.At one of the abovethe shorting unit shorted test channels a signal is outputreceived delayed on a second test channel according to the signal propagation delaybecomes.

Inder DruckschriftUS6,281,818 B1 wird ein Kalibriersystem beschrieben, dasnach dem Auftreten von Triggerkonditionen eine Kalibrierung durchführt bzw.zwischen Sätzenvon abgespeicherten Kalibrierwerten wechselt.In the publication US 6,281,818 B1 a calibration system is described which performs a calibration after the occurrence of trigger conditions or alternates between sets of stored calibration values.

EinVerfahren zur Kalibrierung von schnell schaltenden Ausgangstreibernaußerhalbdes Prüffeldsin einer Betriebsumgebung ist in derUS 6,330,194 B1 (Thomann et al.) beschrieben.Dabei erfolgt ein Abgleich einer Gruppe von Ausgangstreibern, etwader Ausgangstreiber füreinen Datenbus eines DDR-DRAMs, analog des Ergebnisses eines Abgleichsfür einenweiteren, den Datenbus-Ausgangstreibern im Wesentlichen ähnlichenKalibriertreiber. Ein vom Kalibriertreiber getriebener Signalpegelwird mit einer Referenzspannung abgeglichen, wobei zur Nachbildungder durch die Buskonfiguration gebildeten Last der Ausgangstreiberder Ausgang des Kalibriertreibers während des Abgleichs auf eine zumDatenbus parallel geführteweitere Datenleitung, etwa eine Datenmaskenleitung (DN, data mask),geschaltet wird.A method of calibrating fast switching output drivers outside of the test field in an operating environment is described in US Pat US 6,330,194 B1 (Thomann et al.). In this case, a comparison of a group of output drivers, such as the output driver for a data bus of a DDR DRAMs, analogous to the result of an adjustment for another, the data bus output drivers substantially similar calibration driver. A signal level driven by the calibration driver is matched with a reference voltage, and to simulate the load formed by the bus configuration, the output of the calibration driver is switched during calibration to a further data line, such as a data mask line (DN), routed in parallel to the data bus ,

Nachteiligan bekannten Anordnungen mit externen Kalibrierreferenzen ist inSystemen mit hoher Speicherdichte der hohe Platzbedarf für die Kalibrierreferenzenim Vergleich zum Platzbedarf korrespondierender Halbleiterspeichereinrichtungen.adverselyin known arrangements with external calibration references is inHigh storage density systems require a lot of space for calibration referencesin comparison to the space requirement of corresponding semiconductor memory devices.

Aufgabeder vorliegenden Erfindung ist es daher, ein Kalibrierverfahrenfür Halbleitereinrichtungenzur Verfügungzu stellen, mit dem der Platzbedarf für Kalibrierreferenzen bei imVergleich zu herkömmlichenVerfahren im Wesentlichen gleicher Güte der Kalibrierung reduziertist. Weiter ist es Aufgabe der vorliegenden Erfindung, ein Betriebsverfahrenfür eineMehrzahl von kalibrierbaren Halbleitereinrichtungen zur Verfügung zustellen, sowie eine Halbleitereinrichtung und eine Anordnung vonHalbleitereinrichtungen, die jeweils ein solches Kalibrier- bzw.Betriebsverfahren ermöglichen.taskThe present invention is therefore a calibration methodfor semiconductor devicesto disposalwith which the space requirement for calibration references at imCompared to conventionalMethod substantially equal quality of calibration reducedis. It is another object of the present invention, an operating methodfor onePlural of calibratable semiconductor devices availableas well as a semiconductor device and an arrangement ofSemiconductor devices, each of such a calibration orEnable operating procedures.

Dasdie Aufgabe lösendeKalibrierverfahren fürHalbleitereinrichtungen ist im Patentanspruch 1 angegeben. Die Aufgabewird ferner durch eine Halbleitereinrichtung gemäß Patentanspruch 7 und durch einSpeichermodul gemäß Patentanspruch11 gelöst. Dasdie Aufgabe lösendeBetriebsverfahren fürHalbleitereinrichtungen geht aus dem Patentanspruch 12 hervor.Thesolving the taskCalibration procedure forSemiconductor devices is specified in claim 1. The taskis further characterized by a semiconductor device according to claim 7 and by aMemory module according to claim11 solved. Thesolving the taskOperating procedure forSemiconductor devices is apparent from the patent claim 12.

Daserfindungsgemäße Verfahrenzum Kalibrieren von Schnittstelleneinrichtungen in Halbleitereinrichtungenmittels einer mit mindestens einem Kalibrieranschluss einer Halbleitereinrichtungverbundenen Kalibrierreferenz umfasst die Schritte:

  • 1) Vorsehen einer Mehrzahl von jeweils eine über einen durch eine Schalteinheitschaltbaren Kalibrierpfad mit dem Kalibrieranschluss verbundene Kalibriereinheitaufweisenden Halbleitereinrichtungen, sowie einer als Spannungsreferenzoder als Kalibrierwiderstand vorgesehenen Kalibrierrefrenz,
  • 2) Verbinden der Kalibrieranschlüsse mit der Kalibrierreferenz,
  • 3) Erzeugen eines die Kalibriereinheit mittels der Schalteinheitmit dem Kalibrieranschluss verbindenden aktiven Kalibriersignalsin einer ersten Halbleitereinrichtung,
  • 4) Durchführeneiner Kalibrierung der Schnittstelleneinrichtungen der ersten Halbleitereinrichtung,
  • 5) Erzeugen eines die Kalibriereinheit mittels der Schalteinheitvom Kalibrieranschluss trennenden passiven Kalibriersignals und
  • 6) jeweiliges Wiederholen der Schritte 3) bis 5) für alle weiterenHalbleitereinrichtungen.
The inventive method for calibrating interface devices in semiconductor devices by means of a calibration reference associated with at least one calibration port of a semiconductor device comprises the steps:
  • 1) Provision of a plurality of semiconductor devices each having a calibration unit connected to the calibration terminal connected by a switching unit and a calibration reference provided as a voltage reference or as a calibration resistor,
  • 2) connecting the calibration connections to the calibration reference,
  • 3) generating an active calibration signal connecting the calibration unit to the calibration terminal by means of the switching unit in a first semiconductor device,
  • 4) performing a calibration of the interface devices of the first semiconductor device,
  • 5) generating a passive calibration signal separating the calibration unit by means of the switching unit from the calibration terminal and
  • 6) respectively repeating steps 3) to 5) for all other semiconductor devices.

Gemäß dem erfindungsgemäßen Verfahren wirddemnach einer Mehrzahl von Halbleitereinrichtungen eine einzigeKalibrierreferenz zugeordnet. Die Halbleitereinrichtungen werdennacheinander jeweils einzeln abgeglichen, wobei nur der Kalibrieranschlussder jeweils gerade die Kalibrierung ausführende Halbleitereinrichtung über eineinterne Schalteinheit mit der Kalibriereinheit verbunden und dieKalibrieranschlüssealler anderen Halbleitereinrichtungen intern hochohmig geschaltetwerden.According to the inventive method isAccordingly, a plurality of semiconductor devices a singleAssigned to calibration reference. The semiconductor devices becomeone after the other adjusted individually, with only the calibration connectionthe semiconductor device currently executing the calibration in each case via ainternal switching unit connected to the calibration unit and thecalibration connectionsof all other semiconductor devices internally switched to high impedancebecome.

HochdichteSpeichermodule zum Einsatz etwa in PCs, Work Stations und Servern,z.B. DDR-DIMMs (double data rate dual in line memory modules), unterliegenin ihren Abmessungen engen Industriestandards. Andrerseits ergibtsich fürhochdichte Speichermedien die Anforderung, eine möglichsthohe Zahl von Speicherbausteinen auf dem Speichermodul zu integrieren.Eine Reduzierung der Anzahl von auf dem Speichermodul zu integrierendenBauteilen führtvorteilhafterweise zu einer wesentlichen Vereinfachung der Bauteilplatzierung (placement),sowie dem Führenvon Leiterbahnen (routing) auf dem Speichermodul. Bei heute gängigen Konfigurationenfür Speichermoduleentfallen erfindungsgemäß vorteilhafterweise15 bis 31 Kalibrierreferenzen.high densityMemory modules for use in PCs, workstations and serverse.g. DDR DIMMs (double data rate dual in line memory modules) are subjectin their dimensions tight industry standards. On the other hand resultsforhigh-density storage media the requirement, one as possiblehigh number of memory modules to integrate on the memory module.A reduction in the number of integrates on the memory moduleLeads componentsadvantageously to a substantial simplification of the placement of the component (placement),as well as guidingof routing on the memory module. In today's popular configurationsfor memory moduleseliminated according to the invention advantageously15 to 31 calibration references.

Daandrerseits auf einem Speichermodul bestenfalls nur mehr eine Kalibrierreferenzangeordnet ist, wird neben einer einfachen Realisierung als ohmscherWiderstand oder Spannungsreferenz auch eine präzisere Realisierung der Kalibrierreferenz, etwamit einer Temperaturkompensation, ermöglicht.ThereOn the other hand, on a memory module at best only one more calibration referenceis arranged, in addition to a simple realization as ohmicResistance or voltage reference also a more precise realization of the calibration reference, such aswith a temperature compensation enabled.

DieKalibrierung einzelner oder aller zu einem Datenbussystem angeordnetenHalbleitereinrichtungen ist durch eine Wiederholung der obigen Schrittezwei bis sechs periodisch oder als Reaktion auf eine Betriebsbedingungdes Datenbussystems möglich.TheCalibration of individual or all arranged to a data bus systemSemiconductor devices is by repeating the above stepstwo to six periodically or in response to an operating conditionof the data bus system possible.

Bevorzugterweisesind die Halbleitereinrichtungen mit einer Befehlsauswertungseinheitvorgesehen, die mit zum Anschluss eines Steuer- und Adressenbusvorgesehenen Steuer- und Adressenanschlüssen der Halbleitereinrichtungverbunden ist. Dabei wird das Kalibriersignal in Abhängigkeiteines überden Steuer- und Adressenbus übertragenenKalibrierbefehls in der Befehlsauswertungseinheit erzeugt. Das Ausführen derKalibrierung wird dann durch ein der Halbleitereinrichtung hierarchisch übergeordnetesSystem gesteuert.preferably,are the semiconductor devices with a command evaluation unitprovided with to connect a control and address busprovided control and address terminals of the semiconductor deviceconnected is. The calibration signal is dependent on thisone overtransmit the control and address busCalibration command generated in the command evaluation unit. Running theCalibration then becomes hierarchically superior by one of the semiconductor devicesSystem controlled.

Für Datenbussysteme,in denen jeweils der gesamte Datenbus an jede der zum Datenbussystem angeordnetenHalbleitereinrichtungen anliegt, wird ein Paketprotokoll auf demSteuer- und Adressenbus ausgeführt,das eine einzelne Adressierung jeder einzelnen Halbleitereinrichtungermöglicht.Ein Beispiel fürein solches Datenbussystem ist ein Fly-By-Bus.For data bus systems,in which each of the entire data bus to each arranged to the data bus systemSemiconductor devices is present, a package protocol on theControl and address bus executed,this is a single addressing of each individual semiconductor deviceallows.An example forsuch a data bus system is a fly-by bus.

Dagegenist bei einem hybriden Datenbussystem der Datenbus systemweit wesentlichbreiter als eine Datenbusschnittstelle an den Halbleitereinrichtungen.On the other handIn the case of a hybrid data bus system, the data bus is system-wide essentialwider than a data bus interface on the semiconductor devices.

Indiesem Fall reicht eine Adressierung des Kalibrierbefehls ausschließlich über denSteuer- und Adressenbus nicht mehr aus. Bevorzugt wird für diesenFall vorgesehen, die Befehlsauswertungseinheiten mit jeweils mindestenseinem von zum Anschluss von Datenleitungen vorgesehenen Datenanschlüssen verbundenvorzusehen. Das Kalibriersignal wird dann in Abhängigkeit eines über dieDatenleitungen übertragenenDatensignals erzeugt.InIn this case, an addressing of the calibration command is sufficient only via theControl and address bus no longer off. It is preferred for thisCase provided, the command evaluation units each with at leastone of provided for the connection of data lines data connectionsprovided. The calibration signal is then a function of the overTransmitted data linesData signal generated.

Seitenseines den Kalibrierbefehl erzeugenden Steuerbausteins (Busmaster)ist dabei zu gewährleisten,dass zu jedem Zeitpunkt maximal eine Halbleitereinrichtung den Kalibriervorgangausführt. Dazuwird entweder eine Signalisierung einer abgeschlossenen Kalibrierungetwa in einem Moderegister der Halbleitereinrichtung oder eine zurDurchführungder Kalibrierung in einer Halbleitereinrichtung maximal erforderlicheKalibrierdauer abgewartet.bya control block generating the calibration command (bus master)is going to ensurethat at most one semiconductor device at most the calibration processperforms. Tois either a signaling of a completed calibrationfor example, in a fashion register of the semiconductor device or a toexecutionthe maximum required in the calibration in a semiconductor deviceCalibration time waited.

Typischerweisewird das erfindungsgemäße Kalibrierverfahrenfür Speicherbausteinemit einer DDR-Schnittstelle (double data rate) vorgesehen. Jedochsind dem Fachmann weitere Applikationen, etwa beim Abgleich vonSensor-Arrays nahe gelegt.typically,becomes the calibration method according to the inventionfor memory modulesprovided with a DDR interface (double data rate). howeverAre the expert other applications, such as the adjustment ofSensor arrays suggested.

Speicherbausteinemit DDR-Schnittstelle weisen Ausgangstreiber zur Ausgabe von Datensignalenauf den Datenleitungen und/oder Terminierungen zum reflexionsarmenAbschluss der Datenleitungen (DQ) auf. Durch einen Abgleich derAusgangstreiber ergeben sich engere Toleranzbänder z. B. für Anstiegszeitenund Ansprechzeiten (slew rate) oder auch für den Einschaltwiderstand undin der Folge höhereDatenübertragungsraten.memory moduleswith DDR interface have output drivers for outputting data signalson the data lines and / or terminations for low-reflectionCompleting the data lines (DQ). By comparing theOutput drivers result in tighter tolerance bands z. For risetimeand response times (slew rate) or for the on-resistance andsubsequently higherData transfer rates.

Beieinem Betriebsverfahren einer zu einem Datenbussystem mit einemSteuer- und Adressenbus und einem mindestens teilweise gemeinsamen Datenbusangeordneten Mehrzahl von jeweils mit einer gemeinsamen Kalibrierreferenzverbundenen Halbleitereinrichtungen wird eine Kalibrierung der Halbleitereinrichtungenperiodisch und/oder in Abhängigkeitvon Betriebszuständendes Datenbussystems durchgeführt.Dazu werden überden Steuer- und Adressenbus (CA) mittelbar oder unmittelbar aufeinanderfolgendjeweils einzeln Kalibrierbefehle zu den Halbleitereinrichtungen übertragenund in der jeweils adressierten Halbleitereinrichtung eine Kalibrierungausgeführt.atan operating method to a data bus system with aControl and address bus and an at least partially common data busarranged plurality of each with a common calibration referenceconnected semiconductor devices is a calibration of the semiconductor devicesperiodically and / or in dependenceof operating conditionsof the data bus system.This will be overthe control and address bus (CA) directly or indirectly consecutiveeach individually transmit calibration commands to the semiconductor devicesand in each addressed semiconductor device calibrationexecuted.

Reichteine Adressierung des Kalibrierbefehls ausschließlich über den Steuer- und Adressenbusaufgrund der Buskonfiguration nicht aus, so wird erfindungsgemäß vorgesehen,die Halbleitereinrichtung zur Kalibrierung in Abhängigkeiteines weiteren übermindestens eine Datensignal-, Datenmasken- oder Datenstrobesignalleitung übertragenenDatensignals zu adressieren.Enoughan addressing of the calibration command exclusively via the control and address busdue to the bus configuration, it is provided according to the invention,the semiconductor device for calibration in dependenceanother overtransmit at least one data signal, data mask or data strobe signal lineTo address data signal.

Einefür daserfindungsgemäße Kalibrierverfahrengeeignete Halbleitereinrichtung weist neben Steuer- und Adressenanschlüssen zumAnschluss eines Steuer- und Adressenbusses, Datenanschlüssen zumAnschluss eines Datenbusses, einen Kalibrieranschluss zum Anschlusseiner Kalibrierreferenz, einer mit den Steuer- und Adressenanschlüssen verbundeneBefehlsauswertungseinheit und einer über einen Kalibrierpfad mitdem Kalibrieranschluss verbundene Kalibriereinheit eine steuerbareSchalteinheit auf. Mittels der steuerbaren Schalteinheit ist der Kalibrierpfadin Abhängigkeitvon überden Steuer- und Adressenbus zur Befehlsauswertungseinheit übertragenenKalibrierbefehlen zu öffnenund zu schließen.A suitable for the calibration method according to the invention semiconductor device has in addition to control and address terminals for connection a control and address bus, data terminals for connecting a data bus, a calibration terminal for connecting a calibration reference, a command evaluation unit connected to the control and address terminals and a calibration unit connected to the calibration terminal via a calibration path, a controllable switching unit. By means of the controllable switching unit, the calibration path is to be opened and closed as a function of calibration commands transmitted via the control and address bus to the command evaluation unit.

Ineiner weiteren Ausführungsformder erfindungsgemäßen Halbleitereinrichtungist die Schalteinheit in Abhängigkeiteines übermindestens eine weitere Datenleitung übertragenen Datensignals steuerbar.Ina further embodimentthe semiconductor device according to the inventionthe switching unit is dependentone overat least one further data line transmitted data signal controllable.

Bevorzugtsind dabei die Halbleitereinrichtungen als DRAMs mit DDR-Schnittstelleausgebildet.Prefersare the semiconductor devices as DRAMs with DDR interfaceeducated.

DieVorzügedes erfindungsgemäßen Kalibrierverfahrensbzw. der erfindungsgemäßen Halbleitereinrichtungbetreffen insbesondere mit einer Mehrzahl von erfindungsgemäß als DDR-DRAMsausgebildeten Halbleitereinrichtungen bestückte Speichermodu le für Computersysteme.Die Abmessungen und elektrischen Schnittstellen der Speichermodule sindIndustriestandards unterworfen. Dabei sind die Abmessungen der Speichermodulein der Regel hinsichtlich einer standardmäßig vorgesehenen Zahl von 16oder 32 Halbleitereinrichtungen pro Speichermodul in einer Weiseminimiert, dass ein Platzieren und eine Verdrahtung zusätzlicherBauteile und Komponenten wie etwa von Kalibrierreferenzen nur außerordentlicherschwert möglichsind. Ein erfindungsgemäßes Speichermodulweist nun anstelle von standardmäßig 16 oder32 Kalibrierreferenzen eine einzige auf, die auch schnell an verschiedeneEinbauverhältnisseanzupassen ist.TheBenefitsthe calibration method according to the inventionor the semiconductor device according to the inventionrelate in particular with a plurality of according to the invention as DDR-DRAMstrained semiconductor devices equipped Speichermodu le for computer systems.The dimensions and electrical interfaces of the memory modules areSubject to industry standards. The dimensions of the memory modulesusually with a default of 16or 32 semiconductor devices per memory module in one wayminimizes that placing and wiring additionalComponents and components such as calibration references only exceptionallydifficult possibleare. An inventive memory modulenow has 16 or instead of default32 calibration references a single on, which also quickly to differentinstallation conditionsto adapt.

Nachfolgendwird die Erfindung anhand von Figuren näher erläutert, wobei für einanderentsprechende Komponenten gleiche Bezugszeichen verwendet werden.Es zeigen:followingthe invention will be explained in more detail with reference to figures, wherein for each othercorresponding components the same reference numerals are used.Show it:

1 Eine schematische Darstellungeiner herkömmlichenHalbleitereinrichtung, 1 A schematic representation of a conventional semiconductor device,

2 eine schematische Darstellungeiner herkömmlichenAnordnung, 2 a schematic representation of a conventional arrangement,

3 eine schematische Darstellungeiner erfindungsgemäßen Halbleitereinrichtung, 3 a schematic representation of a semiconductor device according to the invention,

4 eine schematische Darstellungeiner erfindungsgemäßen Anordnungnach einem ersten Ausführungsbeispielund 4 a schematic representation of an inventive arrangement according to a first embodiment and

5 eine schematische Darstellungeiner erfindungsgemäßen Anordnungnach einem zweiten Ausführungsbeispiel. 5 a schematic representation of an inventive arrangement according to a second embodiment.

Die1 und2 wurden bereits eingangs erläutert.The 1 and 2 were already explained at the beginning.

Diein der3 gezeigte erfindungsgemäße Halbleitereinrichtung1 isteine Halbleiterspeichereinrichtung mit DDR-Schnittstelle. Die Halbleitereinrichtungweist einen Kalibrieranschluss32 auf, der über eineKalibrierreferenz5 mit einem Hilfspotential VP verbundenist. Ferner sind an der Halbleitereinrichtung1 Steuer-und Adressenanschlüsse21 zumAnschluss eines Steuer- und Adressenbus CA vorgesehen. Ein über denSteuer- und Adressenbus CA übertragenerKalibrierbefehl wird von einer Befehlsauswerteeinheit2 inein Kalibriersignal umgesetzt, das über einen Kalibriersignalpfad41 zueiner Schalteinheit4 geführt ist. Die Schalteinheit4 istin einem Kalibrierpfad31 angeordnet. In Abhängigkeitdes Kalibriersignals ist der Kalibrieranschluss32 mittelsder Schalteinheit4 mit einer Kalibriereinheit3 verbunden oderohne interne Verbindung.The in the 3 shown semiconductor device according to the invention 1 is a semiconductor memory device with DDR interface. The semiconductor device has a calibration connection 32 on, which has a calibration reference 5 is connected to an auxiliary potential VP. Further, on the semiconductor device 1 Control and address connections 21 provided for connection of a control and address bus CA. A calibration command transmitted via the control and address bus CA is provided by a command evaluation unit 2 converted into a calibration signal, which via a calibration signal path 41 to a switching unit 4 is guided. The switching unit 4 is in a calibration path 31 arranged. The calibration connection is dependent on the calibration signal 32 by means of the switching unit 4 with a calibration unit 3 connected or without internal connection.

DieKalibriereinheit3 ist entweder selbst steuernd oder wird über einenstrichliert gezeichneten Hilfspfad42 von der Befehlsauswerteeinheit2 aktiviertund gleicht Ausgangstreiber6 mit Hilfe einer mittels derKalibrierreferenz5 erzeugten Hilfsspannung ab.The calibration unit 3 is either self-steering or via a dashed lined auxiliary path 42 from the command evaluation unit 2 activates and balances output drivers 6 with the help of a calibration reference 5 generated auxiliary voltage.

ZurAktivierung des Kalibriersignals ist weiterhin eine Bewertung vonan Datenanschlüssen22 anliegendenDatensignalen eines Datenbus DQ, eines Datenmaskenbus DM und/odervon Datenstrobesignalen DQS in der Befehlsauswerteeinheit2 möglich.To activate the calibration signal is still a rating of data connections 22 applied data signals of a data bus DQ, a data mask bus DM and / or data strobe signals DQS in the command evaluation unit 2 possible.

Inder in der4 dargestelltenAnordnung sind mehrere der in der3 gezeigtenHalbleitereinrichtungen1 zu einem Datenbussystem mit gemeinsamenSteuer- und Adressenbus CA und gemeinsamen Datenbus DQ zusammengefasst.Jede Halbleitereinrichtung1 ist über eine gemeinsame Kalibrierreferenz5 miteinem Hilfspotential VP verbunden. Jede Halbleitereinrichtung1 ist über denSteuer- und Adressenbus CA einzeln adressierbar.In the in the 4 The arrangement shown are several of the in the 3 shown semiconductor devices 1 to a data bus system with common control and address bus CA and common data bus DQ summarized. Each semiconductor device 1 is via a common calibration reference 5 connected to an auxiliary potential VP. Each semiconductor device 1 is individually addressable via the control and address bus CA.

Gemäß dem erfindungsgemäßen Kalibrierverfahrensind die Schalteinheiten4 aller Halbleitereinrichtungen1 zunächst geöffnet unddamit die Kalibrieranschlüsse32 inden Halbleitereinrichtungen1 hochohmig geschaltet. EinKalibrierzyklus beginnt mit der Übertragungeines Kalibrierbefehls überden Steuer- und Adressenbus CA an eine erste Halbleitereinrichtung1.Der Kalibrierbefehl löstin der adressierten ersten Halbleitereinrichtung1 einaktives Kalibriersignal auf dem Kalibriersignalpfad41 aus.Die Schalteinheit4 in der adressierten Halbleitereinrichtung1 wirdgeschlossen und die Kalibriereinheit3 der adressiertenHalbleitereinrichtung1 mit der Kalibrierreferenz verbunden.Darauf wird die Kalibrierung etwa der Ausgangstreiber oder der Terminierungen derHalbleitereinrichtung1 durchgeführt.According to the calibration method according to the invention, the switching units are 4 all semiconductor devices 1 initially opened and thus the calibration connections 32 in the semiconductor devices 1 switched high impedance. A calibration cycle begins with the transmission of a calibration command via the control and address bus CA to a first semiconductor device 1 , The calibration command triggers in the adres sierte first semiconductor device 1 an active calibration signal on the calibration signal path 41 out. The switching unit 4 in the addressed semiconductor device 1 is closed and the calibration unit 3 the addressed semiconductor device 1 connected to the calibration reference. Then the calibration becomes about the output driver or the terminations of the semiconductor device 1 carried out.

NachAblauf einer Kalibrierdauer wird die Schalteinheit4 geöffnet. Das Öffnen derSchalteinheit4 erfolgt Zeit gesteuert nach Ablauf einesTimers, überein Ausgangssignal der Kalibriereinheit3 (calibrationcomplete) oder durch einen überden Steuer- und Adressenbus übertragenenSteuerbefehl. Ist sichergestellt, dass der Kalibrieranschluss32 derersten Halbleitereinrichtung1 hochohmig geschaltet ist, alsoentweder nach Ablauf der Kalibrierdauer oder durch Auslesen desKalibrierzustands aus einem Moderegister der Befehlsauswerteeinheit,wird ein weiterer Kalibrierbefehl an eine zweite Halbleitereinrichtungadressiert.After a calibration period, the switching unit 4 open. Opening the switching unit 4 Time is controlled after the expiration of a timer, via an output signal of the calibration unit 3 (calibration complete) or by a transmitted via the control and address bus control command. Is it ensured that the calibration connection 32 the first semiconductor device 1 is switched to high impedance, so either after the expiration of the calibration or by reading the calibration state from a mode register of the command evaluation, a further calibration command is addressed to a second semiconductor device.

Ineinem wie in der4 dargestelltenReihen- oder Fly-By-Datenbussystemweisen Datenbusschnittstellen der Halbleitereinrichtungen1 jeweils diegleiche Breite, also eine gleiche Anzahl von Datensignalleitungenauf und sind immer einzeln adressierbar. Zur eindeutigen Adressierungdes Kalibrierbefehls ist also jeweils der Steuer- und Adressenbus CAausreichend.In a like in the 4 illustrated row or fly-by data bus system have data bus interfaces of the semiconductor devices 1 each have the same width, ie an equal number of data signal lines and are always individually addressable. For unambiguous addressing of the calibration command, the control and address bus CA is therefore sufficient in each case.

Inhybriden Datenbussystemen, in denen jeweils lediglich ein Teil derDatensignalleitungen an die Halbleitereinrichtungen1 geführt ist,werden durch den Steuer- und Adressenbus CA jeweils eine Mehrzahlvon Halbleitereinrichtungen1 gleichzeitig adressiert.So sieht beispielsweise das DDR-Buskonzept eine Datenbusbreite von64 Bit vor, während dieZahl von Datenbusanschlüssenauf den fürdas DDR-Buskonzept vorgesehenen Halbleitereinrichtungen1 auf16 Bit beschränktist. In einem solchen hybriden Datenbussystem werden bei einem Zugriff aufeine Datenadresse vier Halbleiterspeichereinrichtungen1 gleichzeitigadressiert.In hybrid data bus systems, in each of which only a part of the data signal lines to the semiconductor devices 1 is guided, by the control and address bus CA each have a plurality of semiconductor devices 1 addressed simultaneously. For example, the DDR bus concept provides a data bus width of 64 bits, while the number of data bus connections to the semiconductor devices provided for the DDR bus concept 1 is limited to 16 bits. In such a hybrid data bus system, upon access to a data address, four semiconductor memory devices become 1 addressed simultaneously.

Zureindeutigen Zuordnung eines Kalibrierbefehles an eine dieser Halbleiterspeichereinrichtungen1 wirdzusätzlichzur Adressierung im Steuer- und Adressenbus CA eine weitere Informationaus einem Datenbus DQ, einem Datenmaskenbus DM oder den DatenstrobesignalenDQS herangezogen. Im in der5 dargestelltenAusführungsbeispiel werdendazu etwa die Datensignalleitungen DQ[0] für die untere Halbleitereinrichtung,DQ[16] fürden darüberangeordneten, DQ[32] fürden nächstenund DQ[48] fürdie obere Halbleitereinrichtung vorgesehen.For the clear assignment of a calibration command to one of these semiconductor memory devices 1 In addition to the addressing in the control and address bus CA, further information from a data bus DQ, a data mask bus DM or the data strobe signals DQS is used. I'm in the 5 For this purpose, for example, the data signal lines DQ [0] for the lower semiconductor device, DQ [16] for the one above, DQ [32] for the next, and DQ [48] for the upper semiconductor device are provided for this purpose.

11
HalbleitereinrichtungSemiconductor device
1'1'
HalbleitereinrichtungSemiconductor device
22
BefehlsauswerteeinheitBefehlsauswerteeinheit
2121
Steuer-und AdressenanschlüsseTax-and address connections
2222
Datenanschlüssedata connections
33
Kalibriereinheitcalibration
3131
Kalibrierpfadcalibration path
3232
Kalibrieranschlusscalibration port
44
Schalteinheitswitching unit
4141
KalibriersignalpfadKalibriersignalpfad
4242
Hilfspfadauxiliary path
55
Kalibrierreferenzcalibration reference
66
Ausgangstreiberoutput driver
CACA
Steuer-und AdressenbusTax-and address bus
DQDQ
Datenbusbus
DMDM
DatenmaskenbusDatenmaskenbus
DQSDQS
Datenstrobesignaledata strobe signals
VPVP
Hilfspotentialauxiliary potential

Claims (13)

Translated fromGerman
Verfahren zum Kalibrieren von Schnittstelleneinrichtungen(6) in Halbleitereinrichtungen (1), umfassenddie Schritte: 1) Vorsehen einer Mehrzahl von jeweils eine über einendurch eine Schalteinheit (4) schaltbaren Kalibrierpfad(31) mit dem Kalibrieranschluss (32) verbundeneKalibriereinheit (3) aufweisenden Halbleitereinrichtungen(1), sowie einer als Spannungsreferenz oder als Kalibrierwiderstandvorgesehenen Kalibrierreferenz (5), 2) Verbinden derKalibrieranschlüsse(32) mit der Kalibrierreferenz (5), 3) Erzeugeneines die Kalibriereinheit (3) mittels der Schalteinheit(4) mit dem Kalibrieranschluss (32) verbindendenaktiven Kalibriersignals in einer ersten Halbleitereinrichtung (1), 4)Durchführeneiner Kalibrierung der Schnittstelleneinrichtungen (6)der ersten Halbleitereinrichtung (1), 5) Erzeugeneines die Kalibriereinheit (3) mittels der Schalteinheit(4) vom Kalibrieranschluss (32) trennenden passivenKalibriersignals und 6) Wiederholen der Schritte 3) bis 5)für alleweiteren Halbleitereinrichtungen (1).Method for calibrating interface devices ( 6 ) in semiconductor devices ( 1 ), comprising the steps of: 1) providing a plurality of each one via a by a switching unit ( 4 ) switchable calibration path ( 31 ) with the calibration connection ( 32 ) connected calibration unit ( 3 ) semiconductor devices ( 1 ), as well as a calibration reference provided as a voltage reference or as a calibration resistor ( 5 ), 2) connecting the calibration connections ( 32 ) with the calibration reference ( 5 ), 3) generating the calibration unit ( 3 ) by means of the switching unit ( 4 ) with the calibration connection ( 32 ) connecting active calibration signal in a first semiconductor device ( 1 4) performing a calibration of the interface devices ( 6 ) of the first semiconductor device ( 1 ), 5) generating the calibration unit ( 3 ) by means of the switching unit ( 4 ) from the calibration port ( 32 ) separating the passive calibration signal and 6) repeating steps 3) to 5) for all other semiconductor devices ( 1 ).Kalibrierverfahren nach Anspruch 1, dadurch gekennzeichnet,dass die Schritte 2) bis 6) periodisch oder als Reaktion auf eineBetriebsbedingung einer der Halbleitereinrichtungen (1)wiederholt werden.Calibration method according to claim 1, characterized in that the steps 2) to 6) are periodically or in response to an operating condition of one of the semiconductor devices ( 1 ) be repeated.Kalibrierverfahren nach einem der Ansprüche 1 oder2, dadurch gekennzeichnet, dass in den Halbleitereinrichtungen (1)jeweils eine mit zum Anschluss eines Steuer- und Adressenbus (CA)vorgesehenen Steuer- und Adressenanschlüssen (21) der Halbleitereinrich tung(1) verbundene Befehlsauswertungseinheiten (2)vorgesehen wird und das aktive Kalibriersignal in Abhängigkeiteines überden Steuer- und Adressenbus (CA) übertragenen Kalibrierbefehlsin der Befehlsauswertungseinheit (2) erzeugt wird.Calibration method according to one of claims 1 or 2, characterized in that in the semiconductor devices ( 1 ) each have a control and address terminals provided for connection of a control and address bus (CA) ( 21 ) of the semiconductor device ( 1 ) associated command evaluation units ( 2 ) is provided and the active calibration signal in response to a via the STEU and address bus (CA) transmitted calibration command in the command evaluation unit ( 2 ) is produced.Kalibrierverfahren nach Anspruch 3, dadurch gekennzeichnet,dass die Befehlsauswertungseinheiten (2) mit jeweils mindestenseinen zum Anschluss einer Datenleitung (DQ, DM, DQS) vorgesehenenDatenanschluss (22) verbunden vorgesehen wird und das aktiveKalibriersignal in Abhängigkeiteines überdie Datenleitung (DQ, DM, DQS) übertragenenDatensignals erzeugt wird.Calibration method according to claim 3, characterized in that the command evaluation units ( 2 ) with in each case at least one data connection (DQ, DM, DQS) provided for the connection of a data line ( 22 ) and the active calibration signal is generated as a function of a data signal transmitted via the data line (DQ, DM, DQS).Kalibrierverfahren nach einem der Ansprüche 1 bis4, dadurch gekennzeichnet, dass als Halbleitereinrichtungen (1)Speicherbausteine mit einer DDR-Schnittstelle (double data rate)vorgesehen werden.Calibration method according to one of claims 1 to 4, characterized in that as semiconductor devices ( 1 ) Memory modules with a DDR interface (double data rate) are provided.Kalibrierverfahren nach einem der Ansprüche 1 bis5, dadurch gekennzeichnet, dass als die zu kalibrierende Schnittstelleneinrichtungen(6) Ausgangstreiber zur Ausgabe von Datensignalen auf Datensignalleitungen(DQ) und/oder Terminierungen zum reflexionsarmen Abschluss der Datensignalleitungen (DQ)vorgesehen werden.Calibration method according to one of claims 1 to 5, characterized in that as the interface devices to be calibrated ( 6 ) Output drivers for outputting data signals on data signal lines (DQ) and / or terminations for low-reflection termination of the data signal lines (DQ) are provided.Halbleitereinrichtung zur Verwendung in dem Verfahrennach einem der Ansprüche1 bis 6, mit – Steuer-und Adressenanschlüssen(21) zum Anschluss eines Steuer- und Adressenbusses (CA), – Datenanschlüssen (22)zum Anschluss eines Datenbusses (DQ), – einem Kalibrieranschluss(32) zum Anschluss einer Kalibrierreferenz (5), – einermit den Steuer- und Adressenanschlüssen (21) verbundenenBefehlsauswertungseinheit (2) und – einer über einen Kalibrierpfad (31)mit dem Kalibrieranschluss (32) verbundenen Kalibriereinheit(3), gekennzeichnet durch eine den Kalibrierpfad(31) öffnendeoder schließendeund mittels der Befehlsauswertungseinheit (2) in Abhängigkeitvon überden Steuer- und Adressenbus (CA) übertragenen Kalibrierbefehlen über einenKalibriersignalpfad (41) steuerbare Schalteinheit (4).Semiconductor device for use in the method according to one of Claims 1 to 6, with - control and address connections ( 21 ) for connecting a control and address bus (CA), - data connections ( 22 ) for connecting a data bus (DQ), - a calibration connection ( 32 ) for connecting a calibration reference ( 5 ), - one with the control and address connections ( 21 ) associated command evaluation unit ( 2 ) and - one via a calibration path ( 31 ) with the calibration connection ( 32 ) connected calibration unit ( 3 ), characterized by a calibration path ( 31 ) opening or closing and by means of the command evaluation unit ( 2 ) in response to calibration commands transmitted via the control and address bus (CA) via a calibration signal path ( 41 ) controllable switching unit ( 4 ).Halbleitereinrichtung nach Anspruch 7, dadurch gekennzeichnet,dass die Schalteinheit (4) in Abhängigkeit eines über mindestenseine Datenleitung (DQ, DM, DQS) übertragenenDatensignals steuerbar ist.Semiconductor device according to claim 7, characterized in that the switching unit ( 4 ) is controllable in dependence of a data signal transmitted via at least one data line (DQ, DM, DQS).Halbleitereinrichtung nach einem der Ansprüche 7 oder8, dadurch gekennzeichnet, dass die Halbleitereinrichtungen (1)als Speicherbausteine ausgebildet sind und jeweils eine DDR-Schnittstelle (doubledata rate) aufweisen.Semiconductor device according to one of Claims 7 or 8, characterized in that the semiconductor devices ( 1 ) are designed as memory modules and each having a DDR interface (double data rate).Halbleitereinrichtung nach einem der Ansprüche 7 bis9, gekennzeichnet durch mittels der Kalibriereinheit (5)kalibrierbare Ausgangstreiber zur Ausgabe von Datensignalen aufDatensignalleitungen (DQ) und/oder kalibrierbare Terminierungenzum Abschluss der Datensignalleitungen (DQ).Semiconductor device according to one of Claims 7 to 9, characterized by means of the calibration unit ( 5 ) Calibratable output drivers for outputting data signals on data signal lines (DQ) and / or calibratable terminations for terminating the data signal lines (DQ).Speichermodul fürComputersysteme, gekennzeichnet durch eine Mehrzahl von Halbleitereinrichtungen(1) gemäß einemder Ansprüche7 bis 10.Memory module for computer systems, characterized by a plurality of semiconductor devices ( 1 ) according to one of claims 7 to 10.Verfahren zum Betrieb von einer zu einem Datenbussystemmit einem Steuer- und Adressenbus (CA) und einem mindestens teilweisegemeinsamen Datenbus (DQ) angeordneten Mehrzahl von jeweils miteiner gemeinsamen Kalibrierreferenz (5) verbundenen Halbleitereinrichtungennach einem der Ansprüche7 bis 10, dadurch gekennzeichnet, dass periodisch und/oder in Abhängigkeitvon Betriebszuständendes Datenbussystems überden Steuer- und Adressenbus (CA) mittelbar oder unmittelbar aufeinanderfolgendjeweils einzeln Kalibrierbefehle zu den Halbleitereinrichtungen(1) übertragenwerden, in der jeweils adressierten Halbleitereinrichtung (1)ein Kalibrieranschluss (32) mit einer Kalibriereinheit(3) verbunden, eine Kalibrierung von Schnittstelleneinrichtungen(6) der adressierten Halbleitereinrichtung (1) mittelsder Kalibriereinheit (3) durchgeführt und nach der Kalibrierungder Kalibrieranschluss (32) hochohmig geschaltet wird.Method for operating a plurality, each with a common calibration reference, arranged to a data bus system with a control and address bus (CA) and an at least partially common data bus (DQ) ( 5 ) connected semiconductor devices according to one of claims 7 to 10, characterized in that periodically and / or in dependence on operating conditions of the data bus system via the control and address bus (CA) directly or indirectly successively each individual calibration commands to the semiconductor devices ( 1 ), in the respectively addressed semiconductor device ( 1 ) a calibration connection ( 32 ) with a calibration unit ( 3 ), a calibration of interface devices ( 6 ) of the addressed semiconductor device ( 1 ) by means of the calibration unit ( 3 ) and after calibration the calibration connection ( 32 ) is switched high impedance.Betriebsverfahren nach Anspruch 12, dadurch gekennzeichnet,dass die Adressierung der Halbleitereinrichtung (1) zurKalibrierung in Abhängigkeiteines übermindestens eine weitere Datenleitung (DQ, DM, DQS) übertragenenDatensignals erfolgt.Operating method according to claim 12, characterized in that the addressing of the semiconductor device ( 1 ) for calibration as a function of a data signal transmitted via at least one further data line (DQ, DM, DQS).
DE10245536A2002-09-302002-09-30 Calibrating semiconductor devices using a common calibration referenceExpired - Fee RelatedDE10245536B4 (en)

Priority Applications (2)

Application NumberPriority DateFiling DateTitle
DE10245536ADE10245536B4 (en)2002-09-302002-09-30 Calibrating semiconductor devices using a common calibration reference
US10/675,492US6958613B2 (en)2002-09-302003-09-30Method for calibrating semiconductor devices using a common calibration reference and a calibration circuit

Applications Claiming Priority (1)

Application NumberPriority DateFiling DateTitle
DE10245536ADE10245536B4 (en)2002-09-302002-09-30 Calibrating semiconductor devices using a common calibration reference

Publications (2)

Publication NumberPublication Date
DE10245536A1 DE10245536A1 (en)2004-04-15
DE10245536B4true DE10245536B4 (en)2005-02-03

Family

ID=32009981

Family Applications (1)

Application NumberTitlePriority DateFiling Date
DE10245536AExpired - Fee RelatedDE10245536B4 (en)2002-09-302002-09-30 Calibrating semiconductor devices using a common calibration reference

Country Status (2)

CountryLink
US (1)US6958613B2 (en)
DE (1)DE10245536B4 (en)

Families Citing this family (38)

* Cited by examiner, † Cited by third party
Publication numberPriority datePublication dateAssigneeTitle
US7400670B2 (en)2004-01-282008-07-15Rambus, Inc.Periodic calibration for communication channels by drift tracking
KR100528164B1 (en)*2004-02-132005-11-15주식회사 하이닉스반도체On die termination mode transfer circuit in semiconductor memory device and its method
KR100541557B1 (en)*2004-04-132006-01-10삼성전자주식회사 Impedance calibration method of memory module and semiconductor memory device of this module
KR100618826B1 (en)*2004-05-132006-09-08삼성전자주식회사 A semiconductor memory device for measuring S11 parameters, a test board for measuring S11 parameters of a semiconductor memory device, and a method for measuring S11 parameters of a semiconductor memory device
DE102004046957B4 (en)*2004-09-282016-02-04Polaris Innovations Ltd. Method and circuit arrangements for matching signal propagation times in a memory system
US7126345B2 (en)*2004-12-232006-10-24Intel CorporationIntegrated circuit capable of reduced error calibration
US7560956B2 (en)*2005-08-032009-07-14Micron Technology, Inc.Method and apparatus for selecting an operating mode based on a determination of the availability of internal clock signals
US7368902B2 (en)*2005-10-282008-05-06International Business Machines CorporationImpedance calibration for source series terminated serial link transmitter
US7626416B2 (en)*2005-12-122009-12-01Micron Technology, Inc.Method and apparatus for high resolution ZQ calibration
TWI323467B (en)*2005-12-272010-04-11Hynix Semiconductor IncOn-die termination circuit for semiconductor memory apparatus
US7514954B2 (en)*2006-05-102009-04-07Micron Technology, Inc.Method and apparatus for output driver calibration
US7557603B2 (en)*2006-08-292009-07-07Micron Technology, Inc.Method and apparatus for output driver calibration, and memory devices and system embodying same
KR100780646B1 (en)*2006-10-312007-11-30주식회사 하이닉스반도체 An on die termination device and a semiconductor device comprising the same.
KR100866928B1 (en)*2006-10-312008-11-04주식회사 하이닉스반도체 On-die termination device with low current consumption.
US7459930B2 (en)*2006-11-142008-12-02Micron Technology, Inc.Digital calibration circuits, devices and systems including same, and methods of operation
KR100857854B1 (en)*2007-01-102008-09-10주식회사 하이닉스반도체 Semiconductor memory device with effective on-die termination timing
KR100909251B1 (en)*2007-01-312009-07-23주식회사 하이닉스반도체 Analog-to-digital converter and temperature information output device including the same
KR100821585B1 (en)*2007-03-122008-04-15주식회사 하이닉스반도체 On die termination circuit of semiconductor memory device
KR100897253B1 (en)*2007-04-112009-05-14주식회사 하이닉스반도체 Semiconductor integrated circuit and control method thereof
KR100884603B1 (en)*2007-05-092009-02-19주식회사 하이닉스반도체 Semiconductor device buffer device
KR100875673B1 (en)*2007-05-142008-12-24주식회사 하이닉스반도체 On-die termination device and its calibration method
KR100902104B1 (en)*2007-06-082009-06-09주식회사 하이닉스반도체 Semiconductor memory device
KR100845807B1 (en)*2007-06-132008-07-14주식회사 하이닉스반도체 On Die Termination Control Signal Generation Circuit
KR100879782B1 (en)*2007-06-262009-01-22주식회사 하이닉스반도체 On die termination device and semiconductor memory device including same
KR100879783B1 (en)*2007-06-262009-01-22주식회사 하이닉스반도체 On die termination device and semiconductor memory device including same
KR100886644B1 (en)*2007-08-292009-03-04주식회사 하이닉스반도체 Calibration Circuit with On Die Termination Device
KR100845811B1 (en)*2007-09-052008-07-14주식회사 하이닉스반도체 Digital / Analog Conversion Circuit and On-Determination Control Device Using the Same
KR20100003065A (en)*2008-06-302010-01-07주식회사 하이닉스반도체Analog-digital converter and on die thermal sensor including the same
US7696778B1 (en)2009-01-162010-04-13Micron Technology, Inc.Systems and methods for detecting terminal state and setting output driver impedance
KR101053530B1 (en)*2009-07-312011-08-03주식회사 하이닉스반도체 Temperature measurement range correction circuit of semiconductor memory device
TWI594608B (en)*2015-11-272017-08-01智原科技股份有限公司Integrated circuit and operation method of serializer/deserializer physical layer circuit thereof
US10348270B2 (en)2016-12-092019-07-09Micron Technology, Inc.Apparatuses and methods for calibrating adjustable impedances of a semiconductor device
US10193711B2 (en)2017-06-222019-01-29Micron Technology, Inc.Timing based arbitration methods and apparatuses for calibrating impedances of a semiconductor device
US10615798B2 (en)2017-10-302020-04-07Micron Technology, Inc.Apparatuses and methods for identifying memory devices of a semiconductor device sharing an external resistance
US11226752B2 (en)*2019-03-052022-01-18Apple Inc.Filtering memory calibration
DE102019216519B4 (en)2019-10-252024-02-22Volkswagen Aktiengesellschaft Method and device for setting an operating behavior of at least one functional unit and system
US10747245B1 (en)2019-11-192020-08-18Micron Technology, Inc.Apparatuses and methods for ZQ calibration
CN111933205B (en)*2020-08-042023-02-24西安紫光国芯半导体有限公司ZQ calibrator, ZQ calibration method and multi-channel memory

Citations (3)

* Cited by examiner, † Cited by third party
Publication numberPriority datePublication dateAssigneeTitle
US6281818B1 (en)*1999-05-142001-08-28Diamond Systems CorporationAutomatic auto-calibration system
DE10037477A1 (en)*2000-08-012002-02-14Infineon Technologies AgMethod and configuration for calibrating an interface for multi-channel synchronized data transmission uses an interface with parallel transfer channels for transferring multiple parallel data signals and command signals.
US20020135357A1 (en)*2001-03-262002-09-26Maassen Howard M.Method and apparatus for socket calibration of integrated circuit testers

Family Cites Families (8)

* Cited by examiner, † Cited by third party
Publication numberPriority datePublication dateAssigneeTitle
US135357A (en)*1873-01-28Improvement in gang-plows
JPS5897919A (en)*1981-12-051983-06-10Advantest CorpCalibrating method of multi-slope integrating ad converter
US6330517B1 (en)*1999-09-172001-12-11Rosemount Inc.Interface for managing process
US6330194B1 (en)*2000-06-262001-12-11Micron Technology, Inc.High speed I/O calibration using an input path and simplified logic
US6631338B2 (en)*2000-12-292003-10-07Intel CorporationDynamic current calibrated driver circuit
US6442102B1 (en)*2001-04-042002-08-27International Business Machines CorporationMethod and apparatus for implementing high speed DDR SDRAM read interface with reduced ACLV effects
US6807650B2 (en)*2002-06-032004-10-19International Business Machines CorporationDDR-II driver impedance adjustment control algorithm and interface circuits
US7119611B2 (en)*2003-04-112006-10-10Vitesse Semiconductor CorporationOn-chip calibrated source termination for voltage mode driver and method of calibration thereof

Patent Citations (3)

* Cited by examiner, † Cited by third party
Publication numberPriority datePublication dateAssigneeTitle
US6281818B1 (en)*1999-05-142001-08-28Diamond Systems CorporationAutomatic auto-calibration system
DE10037477A1 (en)*2000-08-012002-02-14Infineon Technologies AgMethod and configuration for calibrating an interface for multi-channel synchronized data transmission uses an interface with parallel transfer channels for transferring multiple parallel data signals and command signals.
US20020135357A1 (en)*2001-03-262002-09-26Maassen Howard M.Method and apparatus for socket calibration of integrated circuit testers

Also Published As

Publication numberPublication date
US6958613B2 (en)2005-10-25
US20040080322A1 (en)2004-04-29
DE10245536A1 (en)2004-04-15

Similar Documents

PublicationPublication DateTitle
DE10245536B4 (en) Calibrating semiconductor devices using a common calibration reference
DE3639169C2 (en)
DE102004021267B4 (en) Method for testing a memory module and test arrangement
DE102012204991A1 (en) Memory devices, systems and methods using a command / address calibration
DE102004017863B4 (en) Circuit and method for determining a reference level for such a circuit
DE19639972B4 (en) High speed test circuit for a semiconductor memory device
DE102006051591B3 (en)Memory chip i.e. dynamic RAM memory chip, testing method, involves determining that all data outputs of memory chips lie close to logical zero and one, if signal level at input falls below and exceeds threshold level, respectively
DE19963689A1 (en) Circuit arrangement of an integrated semiconductor memory for storing addresses of defective memory cells
DE10246741B4 (en) Method and semiconductor device for matching interface devices
EP1205938A2 (en)Integrated circuit with test mode and method for testing a plurality of such circuits
DE10261328B4 (en) Compensation of crossed bit lines in DRAMs with redundancy
DE10231419B4 (en) Device and method for calibrating signals
DE102006043668B4 (en) Control module for controlling a semiconductor memory module of a semiconductor memory module
EP0782076A1 (en)Arrangement for detecting the configuration of a memory
DE102005058438B4 (en) Integrated semiconductor memory with determination of a chip temperature
DE10145745B4 (en) Integrated circuit and method for its operation
DE19933539B4 (en) Integrated memory
DE10323413B4 (en) Test method, test socket and test arrangement for high-speed semiconductor memory devices
DE102004052594B3 (en) Integrated semiconductor memory
DE102006050542A1 (en) A method of transmitting signals between a memory device and a memory controller
DE10327234A1 (en) Integrated semiconductor circuit and test system for testing the same
DE102007032780B4 (en) Integrated semiconductor memory, semiconductor memory module and method with adjustment of operating parameters
DE102004006288B4 (en) Integrated semiconductor memory with redundant memory cells and method for testing an integrated semiconductor memory with redundant memory cells and method for operating an integrated semiconductor memory with redundant memory cells
DE102021001093B4 (en) Embedded test instrument for high-speed interfaces
DE10258199A1 (en) Circuit arrangement with a number of integrated circuit components on a carrier substrate and method for testing such a circuit arrangement

Legal Events

DateCodeTitleDescription
OP8Request for examination as to paragraph 44 patent law
8364No opposition during term of opposition
8339Ceased/non-payment of the annual fee

[8]ページ先頭

©2009-2025 Movatter.jp