

Die Erfindung betrifft ein Verfahren zur Steuerung von Fahrzeugfunktionen eines Fahrzeugs.The invention relates to a method for controlling vehicle functions of a vehicle.
In Fahrzeugen sind die Fahrzeugeigenschaften und damit die Fahrzeugfunktionen der Fahrzeuge üblicherweise als Grundkonfiguration fest vorgegeben und hierzu über die in Steuergeräten des Fahrzeugs implementierte Software statisch kodiert.In vehicles, the vehicle properties and thus the vehicle functions are usually fixed as a basic configuration and are statically coded via the software implemented in the vehicle's control units.
Um den Anforderungen beziehungsweise Vorgaben von Großkunden oder den unterschiedlichen Marktgegebenheiten wie marktspezifischen Anforderungen oder länderspezifischen Besonderheiten, wie beispielsweise unterschiedlichen gesetzlichen Anforderungen in den verschiedenen Ländern, gerecht zu werden, kann für die betreffenden Fahrzeuge deren fest vorgegebene Grundkonfiguration angepasst werden. Das heißt, die betreffenden Fahrzeuge werden als Ensemble speziell auf die Kundenbedürfnisse und sonstige Anforderungen zugeschnitten. Dies hat jedoch zur Folge, dass es durch diese Anpassung der Fahrzeuge bei einem Fahrzeugmodell softwaretechnisch unterschiedliche Fahrzeuge gibt.In order to meet the requirements or specifications of major customers or the different market conditions, such as market-specific requirements or country-specific peculiarities, such as different legal requirements in different countries, the fixed basic configuration of the vehicles in question can be adapted. This means that the vehicles in question are tailored as an ensemble specifically to customer needs and other requirements. However, this adaptation of the vehicles results in different software versions of the vehicles within a vehicle model.
Mit dieser erhöhten Varianz in der softwarebasierten Fahrzeuggrundausstattung beziehungsweise fest vorgegebenen Grundkonfiguration von Fahrzeugen, ist auch ein aufwendiges, kostenintensives und ressourcenbindendes Variantenmanagement verbunden. Zudem ist ein Einsatz der softwaretechnisch unterschiedlichen Fahrzeuge außerhalb ihres jeweiligen Markts beziehungsweise ihres jeweiligen Kundensegments nicht oder nur schwerlich möglich.This increased variance in the software-based basic vehicle equipment or the fixed basic configuration of vehicles also entails complex, cost-intensive, and resource-intensive variant management. Furthermore, the use of vehicles with different software technologies outside of their respective markets or customer segments is either impossible or difficult.
Der Erfindung liegt die Aufgabe zugrunde, ein Verfahren zur Steuerung von Fahrzeugfunktionen eines Fahrzeugs anzugeben, bei dem eine flexible Anpassung der Fahrzeugkonfiguration auf einfache Weise mit vorteilhaften Eigenschaften realisiert ist.The invention is based on the object of specifying a method for controlling vehicle functions of a vehicle, in which a flexible adaptation of the vehicle configuration is realized in a simple manner with advantageous properties.
Diese Aufgabe wird erfindungsgemäß durch ein Verfahren zur Steuerung von Fahrzeugfunktionen eines Fahrzeugs mit den im Patentanspruch 1 angeführten Merkmalen gelöst.This object is achieved according to the invention by a method for controlling vehicle functions of a vehicle having the features recited in patent claim 1.
Vorteilhafte Weiterbildungen des erfindungsgemäßen Verfahrens zur Steuerung von Fahrzeugfunktionen eines Fahrzeugs sind Bestandteil der weiteren Patentansprüche.Advantageous further developments of the method according to the invention for controlling vehicle functions of a vehicle are part of the further patent claims.
Ein Aspekt der Erfindung betrifft ein Verfahren zur Steuerung von Fahrzeugfunktionen eines Fahrzeugs, insbesondere aufweisend folgende Schritte:
Beim erfindungsgemäßen Verfahren zur Steuerung von Fahrzeugfunktionen eines Fahrzeugs ist ein auf Basis von Fahrzeugkonfigurationen realisiertes Variantenmanagement vorgesehen, bei dem eine individuelle Anpassung der veränderbaren Fahrzeugfunktionen bei Fahrzeugen eines mit den gleichen Hardwarekomponenten und Softwarekomponenten produzierten Fahrzeugmodells möglich ist. Das heißt, ein Fahrzeug eines bestimmten Fahrzeugmodells kann nach der Produktion flexibel, individuell und dynamisch zu beliebigen Zeitpunkten konfiguriert werden. Diese Fahrzeugkonfigurationen werden entsprechend den Vorgaben beziehungsweise Wünschen einer hierzu berechtigten Person, insbesondere entsprechend den Vorgaben beziehungsweise Wünschen des Eigentümers des Fahrzeugs oder einer von diesem Eigentümer des Fahrzeugs bevollmächtigten oder autorisierten Person, beispielsweise vom Flottenmanager eines Flottenunternehmens, mit den vom Fahrzeug unterstützten Fahrzeugkonfigurationen und den hieraus generierten beim Fahrzeug möglichen Fahrzeugkonfigurationen abgeglichen.In the method according to the invention for controlling vehicle functions of a vehicle, variant management based on vehicle configurations is provided, in which an individual adaptation of the changeable vehicle functions is possible for vehicles of a vehicle model produced with the same hardware and software components. This means that a vehicle of a specific vehicle model can be configured flexibly, individually and dynamically at any time after production. These vehicle configurations are carried out according to the specifications or wishes of an authorized person, in particular according to the specifications or wishes of the owner of the vehicle or a person authorized by this owner of the vehicle. vehicle's authorized or authorised person, for example the fleet manager of a fleet company, with the vehicle configurations supported by the vehicle and the vehicle configurations possible for the vehicle generated from this.
Hierzu werden die vom Fahrzeug unterstützten Konfigurationsoptionen für die veränderbaren Fahrzeugfunktionen im Fahrzeug als unterstützte Fahrzeug-Konfigurationswerte gesammelt und vom Fahrzeug konsolidiert an eine externe Servereinheit als Datenbank übertragen. In der externen Servereinheit werden aus den vom Fahrzeug unterstützten Konfigurationsoptionen für die veränderbaren Fahrzeugfunktionen und damit aus den unterstützten Fahrzeug-Konfigurationswerten unter Berücksichtigung von als zulässige Fahrzeug-Konfigurationswerte herangezogenen herstellerspezifischen, gesetzlichen, marktspezifischen und vertrieblichen Regelungen und Vorgaben sowie den Vorgaben einer hierzu berechtigten Person wie dem Eigentümer des Fahrzeugs oder einer von diesem Eigentümer des Fahrzeugs bevollmächtigten oder autorisierten Person, mögliche Fahrzeug-Konfigurationswerte für die veränderbaren Fahrzeugfunktionen generiert. Diese möglichen Fahrzeug-Konfigurationswerte für die veränderbaren Fahrzeugfunktionen werden für bestimmte von einem Benutzer des Fahrzeugs ausgewählte Fahrzeugfunktionen, dem Konfigurationswunsch des Benutzers für die ausgewählten Fahrzeugfunktionen und damit den Wunsch-Konfigurationswerten als Vorgabewerte des Benutzers für die ausgewählten Fahrzeugfunktionen in der externen Servereinheit gegenübergestellt. Aus dem Abgleich der möglichen Fahrzeug-Konfigurationswerte für die ausgewählten Fahrzeugfunktionen und damit der geeigneten Konfigurationsmöglichkeiten des Fahrzeugs für die ausgewählten Fahrzeugfunktionen und dem Konfigurationswunsch des Benutzers anhand der Wunsch-Konfigurationswerte für die ausgewählten Fahrzeugfunktionen, wird von der externen Servereinheit quasi als Schnittmenge eine bestimmte Konfiguration für die ausgewählten Fahrzeugfunktionen und damit ein jeweiliger Steuer-Konfigurationswert für die mindestens eine ausgewählte Fahrzeugfunktion generiert. Diese Konfiguration und damit der jeweilige Steuer-Konfigurationswert für die mindestens eine ausgewählte Fahrzeugfunktion wird von der externen Servereinheit an das Fahrzeug übermittelt und intern im Fahrzeug als Steuerungsdaten an die betroffenen ausgewählten Fahrzeugfunktionen verteilt. Diese ausgewählten Fahrzeugfunktionen passen daraufhin ihre Eigenschaften und ihr Verhalten und damit auch ihrer Funktionalitäten entsprechend den ihnen zur Verfügung gestellten Steuerungsdaten an.For this purpose, the configuration options supported by the vehicle for the changeable vehicle functions are collected in the vehicle as supported vehicle configuration values and consolidated and transferred from the vehicle to an external server unit as a database. In the external server unit, possible vehicle configuration values for the changeable vehicle functions are generated from the configuration options supported by the vehicle for the changeable vehicle functions and thus from the supported vehicle configuration values, taking into account manufacturer-specific, legal, market-specific and sales regulations and specifications used as permissible vehicle configuration values, as well as the specifications of an authorized person such as the owner of the vehicle or a person authorized or appointed by this owner of the vehicle. These possible vehicle configuration values for the changeable vehicle functions are compared for certain vehicle functions selected by a user of the vehicle, the user's configuration request for the selected vehicle functions and thus the desired configuration values as the user's default values for the selected vehicle functions in the external server unit. By comparing the possible vehicle configuration values for the selected vehicle functions and thus the suitable configuration options of the vehicle for the selected vehicle functions and the user's configuration request based on the desired configuration values for the selected vehicle functions, the external server unit generates a specific configuration for the selected vehicle functions and thus a respective control configuration value for the at least one selected vehicle function as an intersection. This configuration and thus the respective control configuration value for the at least one selected vehicle function is transmitted from the external server unit to the vehicle and distributed internally in the vehicle as control data to the affected selected vehicle functions. These selected vehicle functions then adapt their properties and behavior and thus also their functionalities according to the control data made available to them.
Bei einer Änderung von Vorgaben und/oder Rahmenbedingungen für bestimmte Fahrzeug-Konfigurationswerte, das heißt bei einer Änderung der vom Fahrzeug unterstützten Konfigurationsoptionen beziehungsweise Fahrzeugkonfigurationen, und/oder bei einer Änderung der zulässigen Fahrzeug-Konfigurationswerte wie der herstellerspezifischen, gesetzlichen, marktspezifischen und vertrieblichen Regelungen und Vorgaben und/oder bei einer Änderung der Vorgaben einer berechtigten Person, erfolgt beispielsweise mittels eines sogenannten Over-The-Air-Updates (OTA-Updates) als über eine Funkschnittstelle durchgeführter Datenaktualisierung, eine neue Bestimmung von Steuer-Konfigurationswerten für die mindestens eine ausgewählte Fahrzeugfunktion aus Fahrzeugvorgaben und Benutzerwunsch und damit eine automatische Aktualisierung der mit den geänderten Vorgaben und/oder Rahmenbedingungen gesteuerten Konfiguration des Fahrzeugs.If there is a change in specifications and/or framework conditions for certain vehicle configuration values, i.e. if there is a change in the configuration options or vehicle configurations supported by the vehicle, and/or if there is a change in the permissible vehicle configuration values such as the manufacturer-specific, legal, market-specific and sales regulations and specifications and/or if there is a change in the specifications of an authorized person, a new determination of control configuration values for at least one selected vehicle function from vehicle specifications and user request takes place, for example by means of a so-called over-the-air update (OTA update) as a data update carried out via a radio interface, and thus an automatic update of the configuration of the vehicle controlled with the changed specifications and/or framework conditions.
Vorzugsweise werden in einer vorteilhaften Weiterbildung der Erfindung von einer Master-Steuereinheit des Fahrzeugs die vom Fahrzeug unterstützten Fahrzeug-Konfigurationswerte erfasst und gesammelt, die Steuer-Konfigurationswerte für die mindestens eine ausgewählte Fahrzeugfunktion von der externen Servereinheit an diese Master-Steuereinheit übermittelt und diese Steuer-Konfigurationswerte von der Master-Steuereinheit dann als Steuerungsdaten an die mindestens eine ausgewählte Fahrzeugfunktion verteilt.Preferably, in an advantageous development of the invention, the vehicle configuration values supported by the vehicle are detected and collected by a master control unit of the vehicle, the control configuration values for the at least one selected vehicle function are transmitted from the external server unit to this master control unit, and these control configuration values are then distributed by the master control unit as control data to the at least one selected vehicle function.
Vorzugsweise erfolgt die Übertragung der unterstützten Fahrzeug-Konfigurationswerte vom Fahrzeug an die externe Servereinheit, die Übertragung der Wunsch-Konfigurationswerte an die externe Servereinheit und die Übertragung des jeweiligen Steuer-Konfigurationswerts von der externen Servereinheit an das Fahrzeug, drahtlos mittels einer Funkverbindung. Insbesondere wird hierzu eine Internetverbindung zwischen dem Fahrzeug und der externen Servereinheit benötigt, die beispielsweise über eine im Fahrzeug vorgesehene SIM-Karte erfolgen kann.Preferably, the transmission of the supported vehicle configuration values from the vehicle to the external server unit, the transmission of the desired configuration values to the external server unit, and the transmission of the respective control configuration value from the external server unit to the vehicle are carried out wirelessly via a radio connection. In particular, this requires an internet connection between the vehicle and the external server unit, which can be established, for example, via a SIM card provided in the vehicle.
Die Vorgabe eines jeweiligen Wunsch-Konfigurationswerts für die mindestens eine ausgewählte Fahrzeugfunktion kann von einem Benutzer des Fahrzeugs auf verschiedene Weise vorgenommen werden.The specification of a respective desired configuration value for the at least one selected vehicle function can be carried out by a user of the vehicle in various ways.
In einer ersten bevorzugten Ausführungsform der Erfindung werden dem Benutzer des Fahrzeugs die möglichen Fahrzeug-Konfigurationswerte für die ausgewählten Fahrzeugfunktionen beispielsweise mittels einer Anzeigeeinheit angezeigt, woraufhin der Benutzer des Fahrzeugs mittels der Anzeigeeinheit hieraus einen Fahrzeug-Konfigurationswert für jeweilige ausgewählte Fahrzeugfunktion auswählen kann. Hierzu kann dem Benutzer des Fahrzeugs insbesondere ein Auswahlmenu mit den zur Verfügung stehenden veränderbaren Fahrzeugfunktionen und mit den Konfigurationsoptionen für die zur Verfügung stehenden veränderbaren Fahrzeugfunktionen angezeigt werden.In a first preferred embodiment of the invention, the possible vehicle configuration values for the selected vehicle functions are displayed to the user of the vehicle, for example, by means of a display unit, whereupon the user of the vehicle can select a vehicle configuration value for the respective selected vehicle function using the display unit. For this purpose, the user of the vehicle can be provided with a selection menu with the available changeable vehicle functions and with the configuration options for the available changeable vehicle functions.
In einer hierzu alternativen bevorzugten Ausführungsform der Erfindung kann der Benutzer des Fahrzeugs eine jeweilige Fahrzeugfunktion und deren Konfiguration als jeweiligen Wunsch-Konfigurationswert selbstständig auswählen und vorgeben. Allerdings ist bei dieser Vorgehensweise nicht sichergestellt, dass die jeweilige Fahrzeugfunktion überhaupt verändert werden kann beziehungsweise verändert werden darf oder dass die gewünschte Konfiguration für die jeweilige Fahrzeugfunktion als jeweiliger Wunsch-Konfigurationswert für die jeweilige Fahrzeugfunktion überhaupt zulässig ist oder dass eine vom Benutzer des Fahrzeugs gewünschte Kombination von Fahrzeugfunktionen und/oder eine vom Benutzer des Fahrzeugs gewünschte Kombination von Konfigurationswerten für die jeweilige Fahrzeugfunktion überhaupt möglich oder zulässig ist. Die Prüfung auf Möglichkeit und Zulässigkeit für die jeweilige Fahrzeugfunktionen und den gewünschten Konfigurationswerten für die jeweilige Fahrzeugfunktion, insbesondere anhand der zulässigen Fahrzeug-Konfigurationswerte, wird hierbei von der externen Servereinheit vorgenommen. Bei einem negativen Ergebnis der Prüfung wird dies dem Benutzer des Fahrzeugs auf geeignete Weise zurückgespiegelt, beispielsweise mittels eines Warnhinweises oder einer Aufforderung an den Benutzer des Fahrzeugs, seine Vorgaben und/oder Vorgabewerte zu ändern oder anzupassen.In an alternative preferred embodiment of the invention, the user of the vehicle can independently select and specify a respective vehicle function and its configuration as a respective desired configuration value. However, this procedure does not ensure that the respective vehicle function can or may be changed at all, or that the desired configuration for the respective vehicle function is even permissible as a respective desired configuration value for the respective vehicle function, or that a combination of vehicle functions desired by the user of the vehicle and/or a combination of configuration values desired by the user of the vehicle for the respective vehicle function is even possible or permissible. The check for possibility and admissibility for the respective vehicle functions and the desired configuration values for the respective vehicle function, in particular based on the permissible vehicle configuration values, is carried out by the external server unit. If the result of the check is negative, this is reflected back to the user of the vehicle in a suitable manner, for example by means of a warning or a request to the user of the vehicle to change or adapt their specifications and/or default values.
In einer weiteren hierzu alternativen bevorzugten Ausführungsform der Erfindung kann dem Benutzer des Fahrzeugs von der externen Servereinheit ein vorgefertigter und damit bereits fertig konfigurierter Konfigurationsvorschlag für eine Konfiguration von Fahrzeugfunktionen mit den jeweiligen Konfigurationswerten angeboten werden. Hierzu kann der Benutzer des Fahrzeugs gegebenenfalls seine Zustimmung geben. Durch diese Bestätigung seitens des Benutzer des Fahrzeugs, wird der von der externen Servereinheit übermittelte Konfigurationsvorschlag für die Konfiguration von Fahrzeugfunktionen mit den jeweiligen Konfigurationswerten als Wunsch des Benutzers des Fahrzeugs bewertet. Das heißt, auch die jeweiligen vorgeschlagenen Konfigurationswerte für die Fahrzeugfunktionen werden als Wunsch-Konfigurationswerte des Benutzers des Fahrzeugs bewertet.In a further alternative preferred embodiment of the invention, the external server unit can offer the vehicle user a prefabricated and thus already fully configured configuration suggestion for configuring vehicle functions with the respective configuration values. The vehicle user can give their consent to this if necessary. Through this confirmation by the vehicle user, the configuration suggestion for configuring vehicle functions with the respective configuration values transmitted by the external server unit is evaluated as the request of the vehicle user. This means that the respective proposed configuration values for the vehicle functions are also evaluated as the desired configuration values of the vehicle user.
In einer Weiterbildung der Erfindung werden von einer berechtigten Person für ein individuelles Fahrzeug, wie insbesondere vom Eigentümer eines individuellen Fahrzeugs oder einer von diesem Eigentümer des individuellen Fahrzeugs bevollmächtigten oder autorisierten Person, die zulässigen Fahrzeug-Konfigurationswerte des individuellen Fahrzeugs auch individuell vorgegeben. Entsprechend wird dann auch ein individueller Steuer-Konfigurationswert für das individuelle Fahrzeug generiert und an das individuelle Fahrzeug übertragen, wo dieser individuelle Steuer-Konfigurationswert dann an die jeweilige Fahrzeugfunktion verteilt wird.In a further development of the invention, the permissible vehicle configuration values of an individual vehicle are also individually specified by an authorized person for an individual vehicle, such as, in particular, the owner of an individual vehicle or a person authorized or empowered by this owner of the individual vehicle. Accordingly, an individual control configuration value for the individual vehicle is then generated and transmitted to the individual vehicle, where this individual control configuration value is then distributed to the respective vehicle function.
In einer hierzu alternativen Weiterbildung der Erfindung werden von einer berechtigten Person für mehrerer Fahrzeuge einer Fahrzeugkategorie, wie insbesondere einem Eigentümer mehrerer Fahrzeuge einer Fahrzeugkategorie oder einer von diesem Eigentümer bevollmächtigten oder autorisierten Person, die zulässigen Fahrzeug-Konfigurationswerte für alle Fahrzeuge der Fahrzeugkategorie kollektiv vorgegeben. Entsprechend wird dann auch ein kollektiver Steuer-Konfigurationswert für alle Fahrzeuge der Fahrzeugkategorie generiert und an alle Fahrzeuge der Fahrzeugkategorie übertragen, wo dieser kollektive Steuer-Konfigurationswert dann an die jeweilige Fahrzeugfunktion in allen Fahrzeugen der Fahrzeugkategorie verteilt wird.In an alternative development of the invention, the permissible vehicle configuration values for all vehicles in the vehicle category are collectively specified by an authorized person for multiple vehicles in a vehicle category, such as, in particular, an owner of multiple vehicles in a vehicle category or a person authorized or delegated by this owner. Accordingly, a collective control configuration value is then generated for all vehicles in the vehicle category and transmitted to all vehicles in the vehicle category, where this collective control configuration value is then distributed to the respective vehicle function in all vehicles in the vehicle category.
Insbesondere können die Fahrzeuge einer Fahrzeugkategorie alle Fahrzeuge eines Fuhrparks oder einer Fahrzeugflotte umfassen, für die dann entsprechend ein kollektiver Steuer-Konfigurationswert generiert und an alle Fahrzeuge des Fuhrparks oder der Fahrzeugflotte übertragen wird.In particular, the vehicles of a vehicle category may include all vehicles of a fleet or vehicle fleet, for which a collective tax configuration value is then generated and transmitted to all vehicles of the fleet or vehicle fleet.
Als berechtigte Person eines Fahrzeugs, der die Vorgabe der zulässigen Fahrzeug-Konfigurationswerte obliegt, ist wie bereits erwähnt, hierbei insbesondere der Eigentümer des Fahrzeugs oder mindestens eine vom Eigentümer des Fahrzeugs autorisierte oder bevollmächtigte Person anzusehen. Diese Regelung kann sowohl bei privat genutzten Fahrzeugen, wie beispielsweise bei Familienangehörigen des Eigentümers des Fahrzeugs, als auch bei gewerblich genutzten Fahrzeugen angewendet werden, wie beispielsweise bei Fahrzeugen eines Unternehmens.As already mentioned, the authorized person responsible for specifying the permissible vehicle configuration values is, in particular, the owner of the vehicle or at least one person authorized or authorized by the owner. This regulation can be applied to both privately used vehicles, such as family members of the vehicle owner, and commercially used vehicles, such as company vehicles.
Als Benutzer des Fahrzeugs ist dabei die sich momentan im Besitz des Fahrzeugs befindliche Person anzusehen, die dann bei der Inbesitznahme des Fahrzeugs ihre Wunsch-Konfigurationswerte vorgeben kann.The user of the vehicle is the person currently in possession of the vehicle, who can then specify their desired configuration values when taking possession of the vehicle.
Weiterhin können in einer vorteilhaften Weiterbildung der Erfindung die veränderbaren Fahrzeugfunktionen eines Fahrzeugs und die jeweiligen unterstützten Fahrzeug-Konfigurationswerte für diese Fahrzeugfunktionen, anhand der Fahrgestellnummer des Fahrzeugs generiert werden und von der Master-Steuereinheit des Fahrzeugs erfasst werden und/oder anhand der auf geeignete Weise erfolgenden Identifizierung des jeweiligen Fahrers eines Fahrzeugs als momentanen Benutzer des Fahrzeugs generiert werden und von der Master-Steuereinheit des Fahrzeugs erfasst werden.Furthermore, in an advantageous development of the invention, the changeable vehicle functions of a vehicle and the respective supported vehicle configuration values for these vehicle functions can be generated based on the chassis number of the vehicle and recorded by the master control unit of the vehicle and/or based on the identification of the respective driver of a vehicle as the current user of the vehicle in a suitable manner. vehicle and are recorded by the vehicle's master control unit.
Das Fahrzeug, dessen Fahrzeugfunktionen erfindungsgemäß entsprechend gesteuert werden, kann hierbei als Kraftfahrzeug oder Kraftwagen, insbesondere als Personenkraftwagen, oder als Lastkraftwagen oder als Personenbus ausgebildet sein.The vehicle, the vehicle functions of which are controlled accordingly according to the invention, can be designed as a motor vehicle or motor vehicle, in particular as a passenger car, or as a truck or as a passenger bus.
Die Erfindung umfasst auch die Kombinationen der Merkmale der beschriebenen Ausführungsformen. Die Erfindung umfasst also auch Realisierungen, die jeweils eine Kombination der Merkmale mehrerer der beschriebenen Ausführungsformen aufweisen, sofern die Ausführungsformen nicht als sich gegenseitig ausschließend beschrieben wurden.The invention also encompasses combinations of the features of the described embodiments. The invention therefore also encompasses implementations that each have a combination of the features of several of the described embodiments, unless the embodiments are described as mutually exclusive.
Durch das vorgestellte Verfahren wird vorteilhafterweise eine Variantenfreiheit für die veränderbaren Fahrzeugfunktionen eines Fahrzeugs ermöglicht, wobei die Generierung und Bereitstellung der möglichen Varianten für die Konfigurationen des Fahrzeugs nicht an die Software des Fahrzeugs gekoppelt ist und unabhängig von etwaigen (allgemeinen) Software-Updates für das Fahrzeug vorgenommen werden kann. Zudem können gewünschte Änderungen in der Konfiguration eines Fahrzeugs bei Vorhandensein einer entsprechenden Datenübertragungsverbindung zu beliebigen Zeitpunkten und individuell für beliebige Fahrzeuge vorgenommen werden. Hierbei können die Änderungen in der Konfiguration eines Fahrzeugs auch das Sperren bestimmter Fahrzeugfunktionen oder das Sperren von Veränderungen bei bestimmten Fahrzeugfunktionen beinhalten. Ebenso können gewünschte Änderungen in der Konfiguration eines Fahrzeugs auch bei solchen Fahrzeugfunktionen zugelassen werden, bei denen dies aufgrund der festen Softwarecodierung im Fahrzeug oder aufgrund sonstiger Restriktionen bisher nicht möglich war oder nicht zugelassen war. Das heißt, diese Fahrzeugfunktionen können nun auch als veränderbare Fahrzeugfunktionen kategorisiert werden.The method presented advantageously enables freedom of variation for the changeable vehicle functions of a vehicle, whereby the generation and provision of the possible variants for the vehicle configurations is not linked to the vehicle software and can be carried out independently of any (general) software updates for the vehicle. Furthermore, desired changes to the configuration of a vehicle can be made at any time and individually for any vehicle if a corresponding data transmission connection is available. The changes to the configuration of a vehicle can also include the blocking of certain vehicle functions or the blocking of changes to certain vehicle functions. Likewise, desired changes to the configuration of a vehicle can also be permitted for vehicle functions for which this was previously not possible or not permitted due to the fixed software coding in the vehicle or due to other restrictions. This means that these vehicle functions can now also be categorized as changeable vehicle functions.
Ein weitere Aspekt der Erfindung betrifft ein elektronisches Fahrzeug-Konfigurationssystem. Das Konfigurationssystem weist zumindest eine fahrzeugexterne Servereinheit auf. Das Konfigurationssystem ist auch zur drahtlosen Kommunikation mit einem Fahrzeug, dessen Fahrzeugfunktionen konfigurierbar sind, ausgebildet. Anhand von an die Servereinheit bereitgestellten Informationen wird serverseitig zumindest ein Steuer-Konfigurationswert für die mindestens eine ausgewählte Fahrzeugfunktion bestimmt und von der externen Servereinheit an das Fahrzeug übermittelt.Another aspect of the invention relates to an electronic vehicle configuration system. The configuration system has at least one vehicle-external server unit. The configuration system is also designed for wireless communication with a vehicle whose vehicle functions are configurable. Based on information provided to the server unit, at least one control configuration value for the at least one selected vehicle function is determined on the server side and transmitted from the external server unit to the vehicle.
Das Konfigurationssystem ist dazu ausgebildet, das Verfahren gemäß dem oben genannten Aspekt oder einem vorteilhaften Ausführungsbeispiel davon auszuführen. Insbesondere wird das Verfahren mit dem System ausgeführt. Das Fahrzeug kann auch Bestandteil des Konfigurationssystems sein.The configuration system is configured to execute the method according to the above-mentioned aspect or an advantageous embodiment thereof. In particular, the method is executed with the system. The vehicle can also be a component of the configuration system.
Ein weitere Aspekt der Erfindung betrifft ein Fahrzeug. Dieses weist eine Kommunikationseinheit auf, welche zur, insbesondere bidirektionalen, Kommunikation mit einer externen Servereinheit ausgebildet ist. Insbesondere ist das Fahrzeug dazu eingerichtet, Informationen gemäß dem oben genannten Aspekt des Verfahrens an die Servereinheit zu übertragen und spezifische Daten der Servereinheit zu empfangen. Insbesondere ist das Fahrzeug dazu eingerichtet, den zumindest einen empfangenen Steuerungs-Konfigurationswert als Steuerungsdaten für die mindestens eine als veränderbare Fahrzeugfunktion ausgewählte Fahrzeugfunktion heranzuziehen.A further aspect of the invention relates to a vehicle. This vehicle has a communication unit configured for communication, in particular bidirectional communication, with an external server unit. In particular, the vehicle is configured to transmit information according to the above-mentioned aspect of the method to the server unit and to receive specific data from the server unit. In particular, the vehicle is configured to use the at least one received control configuration value as control data for the at least one vehicle function selected as a variable vehicle function.
Im Folgenden ist ein Ausführungsbeispiel der Erfindung beschrieben. Hierzu zeigt:
Bei den im Folgenden erläuterten Ausführungsbeispielen handelt es sich um bevorzugte Ausführungsformen der Erfindung. Bei den Ausführungsbeispielen stellen die beschriebenen Komponenten der Ausführungsformen jeweils einzelne, unabhängig voneinander zu betrachtende Merkmale der Erfindung dar, welche die Erfindung jeweils auch unabhängig voneinander weiterbilden. Daher soll die Offenbarung auch andere als die dargestellten Kombinationen der Merkmale der Ausführungsformen umfassen. Des Weiteren sind die beschriebenen Ausführungsformen auch durch weitere der bereits beschriebenen Merkmale der Erfindung ergänzbar.The exemplary embodiments explained below are preferred embodiments of the invention. In the exemplary embodiments, the described components of the embodiments each represent individual features of the invention that can be considered independently of one another, each of which also develops the invention independently of one another. Therefore, the disclosure is intended to encompass combinations of the features of the embodiments other than those shown. Furthermore, the described embodiments can also be supplemented by further features of the invention already described.
Das erfindungsgemäße Verfahren zur Steuerung von Fahrzeugfunktionen von Fahrzeugen mittels Steuerungsdaten für veränderbare Fahrzeugfunktionen, soll exemplarisch für ein Anwendungsbeispiel erläutert werden, der Steuerung der Privatsphäre-Einstellungen („privacy“) des Fahrzeugs als veränderbarer Fahrzeugfunktion. Hier kommen unterschiedliche Anwendungsfälle beziehungsweise Ausgangssituationen für eine Steuerung der Privatsphäre-Einstellungen eines Fahrzeugs in Betracht, von denen im Folgenden der Anwendungsfall eines von Mietwagenfahrern genutzten Fahrzeugs, der Anwendungsfall eines von Poolwagenfahrern genutzten Fahrzeugs und der Anwendungsfall eines von einem Dienstwagenfahrer genutzten Fahrzeugs erläutert wird.The method according to the invention for controlling vehicle functions using control data for variable vehicle functions will be explained using an example application: controlling the privacy settings of the vehicle as a variable vehicle function. Different application cases or initial situations for controlling the privacy settings of a vehicle are considered here, of which the application case of a vehicle used by rental car drivers, the application case of a vehicle used by pool car drivers, and the application case of a vehicle used by a company car driver is explained.
Die Charakteristik eines von Mietwagenfahrern genutzten Fahrzeugs ist geprägt durch einen häufigen Fahrerwechsel „unbekannter“ Personen, die oftmals nur kurzzeitig im Besitz des Fahrzeugs sind. Hierbei werden für die Vorgabe einer Wunschkonfiguration für Fahrzeugfunktionen seitens des Mietwagenfahrers als Benutzer des Fahrzeugs strenge Restriktionen im Rahmen der Vorgabe zulässiger Fahrzeug-Konfigurationswerte durch den Verleiher als Eigentümer des Fahrzeugs und damit als berechtigter Person getroffen. Seitens eines Mietwagenfahrers als Benutzer des Fahrzeugs besteht insbesondere auch keine Möglichkeit, die Privatsphäre-Einstellungen („privacy“) des Fahrzeugs zu ändern. Falls dies dennoch vom Mietwagenfahrer als Benutzer des Fahrzeugs versucht wird, erscheint beispielsweise im Fahrzeug eine Meldung „Funktion nicht verfügbar“. Weiterhin ist das Fahrzeug dauerhaft online für die Datenausleitung aus dem Fahrzeug, eine Deaktivierung seitens des Mietwagenfahrers als Benutzer des Fahrzeugs ist nicht möglich. Zudem erhält der Mietwagenfahrer als Benutzer des Fahrzeugs keine Berechtigung, die Einstellungen von weiteren Fahrzeugfunktionen zu ändern. Falls dies dennoch vom Mietwagenfahrer versucht wird, erscheint im Fahrzeug auch hier eine Meldung „Funktion nicht verfügbar“. Somit sind die Einstellungen der Fahrzeugfunktionen des Fahrzeugs nach Beendigung einer Vermietungsphase an einen Mietwagenfahrer als Benutzer des Fahrzeugs unverändert bestehen geblieben.The characteristics of a vehicle used by rental car drivers are characterized by frequent driver changes by "unknown" persons who often only have possession of the vehicle for a short time. In this case, strict restrictions are imposed on the rental car driver, as the user of the vehicle, when specifying a desired configuration for vehicle functions within the framework of the specification of permissible vehicle configuration values by the rental company, as the owner of the vehicle and therefore the authorized person. In particular, a rental car driver, as the user of the vehicle, has no option to change the vehicle's privacy settings. If the rental car driver, as the user of the vehicle, nevertheless attempts to do so, a "Function not available" message appears in the vehicle, for example. Furthermore, the vehicle is permanently online for data transfer from the vehicle; deactivation by the rental car driver, as the user of the vehicle, is not possible. Furthermore, the rental car driver, as the user of the vehicle, is not authorized to change the settings of other vehicle functions. If the rental car driver, as the user of the vehicle, nevertheless attempts to do so, a "Function not available" message appears in the vehicle. Thus, the settings of the vehicle's functions remain unchanged after the end of a rental period to a rental car driver as the user of the vehicle.
Die Charakteristik eines von Poolwagenfahrern genutzten Fahrzeugs ist geprägt durch einen häufigen Fahrerwechsel „bekannter“ Personen, die oftmals nur kurzzeitig im Besitz des Fahrzeugs sind. Hierbei werden für die Vorgabe einer Wunschkonfiguration für Fahrzeugfunktionen seitens des Poolwagenfahrers als Benutzer des Fahrzeugs nicht ganz so strenge Restriktionen im Rahmen der Vorgabe zulässiger Fahrzeug-Konfigurationswerte durch den Poolwagenmanager oder Flottenmanager als berechtigter Person getroffen, der vom Eigentümer der Fahrzeugflotte beziehungsweise des Fahrzeugpools hierzu autorisiert wurde. Seitens eines Poolwagenfahrers als Benutzer des Fahrzeugs besteht die Möglichkeit, die Privatsphäre-Einstellungen („privacy“) des Fahrzeugs zu ändern, das heißt, der Poolwagenfahrer als Benutzer des Fahrzeugs kann frei über die Einstellungen hinsichtlich der Privatsphäre entscheiden. Weiterhin soll das Fahrzeug so oft wie möglich online für die Datenausleitung aus dem Fahrzeug sein, eine Deaktivierung seitens des Poolwagenfahrers ist damit nur temporär während einer Fahrt möglich. Insbesondere werden die vom Poolwagenfahrer vorgenommenen Einstellungen und insbesondere auch die Privatsphäre-Einstellungen beim Verlassen des Fahrzeugs zurückgesetzt, so dass das Fahrzeug beim nächsten Gebrauch (zunächst) durch einen Poolwagenfahrer als Benutzer des Fahrzeugs wieder online ist.A vehicle used by pool car drivers is characterized by frequent driver changes among "known" individuals who often only have possession of the vehicle for a short period of time. In this case, the pool car driver, as the vehicle user, is subject to less stringent restrictions on specifying a desired configuration for vehicle functions than the pool car manager or fleet manager, as an authorized person authorized to do so by the owner of the vehicle fleet or vehicle pool, sets permissible vehicle configuration values. A pool car driver, as the vehicle user, has the option of changing the vehicle's privacy settings, meaning that the pool car driver, as the vehicle user, can freely decide on the privacy settings. Furthermore, the vehicle should be online as often as possible for data transfer from the vehicle; deactivation by the pool car driver is therefore only possible temporarily during a trip. In particular, the settings made by the pool car driver, and in particular the privacy settings, are reset when leaving the vehicle, so that the vehicle is (initially) online again the next time it is used by a pool car driver as the user of the vehicle.
Die Charakteristik eines von einem bei einem Unternehmen beschäftigten Dienstwagenfahrer genutzten Fahrzeugs ist geprägt durch einen selten bis überhaupt nicht vorkommenden Fahrerwechsel, so dass der Dienstwagenfahrer als Benutzer des Fahrzeugs dauerhaft für einen längeren Zeitraum im Besitz des Fahrzeugs ist. Hierbei werden bei der Vorgabe einer Wunschkonfiguration für Fahrzeugfunktionen seitens des Dienstwagenfahrers als Benutzer des Fahrzeugs kaum oder gar keine Restriktionen durch das Unternehmen als Eigentümer des Fahrzeugs und damit als berechtigter Person getroffen. Seitens eines Dienstwagenfahrers als Benutzer des Fahrzeugs besteht die Möglichkeit, die Privatsphäre-Einstellungen („privacy“) des Fahrzeugs zu ändern, das heißt, der Dienstwagenfahrer als Benutzer des Fahrzeugs kann frei über die Einstellungen hinsichtlich der Privatsphäre entscheiden. Insbesondere werden die vom Dienstwagenfahrer als Benutzer des Fahrzeugs vorgenommenen Einstellungen und insbesondere auch die Privatsphäre-Einstellungen dauerhaft gespeichert und bleiben damit auch beim Verlassen des Fahrzeugs bestehen und werden somit nicht zurückgesetzt. Beim nächsten Gebrauch des Fahrzeugs durch den Dienstwagenfahrer als Benutzer des Fahrzeugs, ist das Fahrzeug somit im gleichen Zustand mit den gleichen Konfigurationen für die Fahrzeugfunktionen wie beim vorherigen Verlassen des Fahrzeugs.The characteristics of a vehicle used by a company car driver are characterized by a rare or non-existent change of driver, so that the company car driver, as the user of the vehicle, is in permanent possession of the vehicle for an extended period of time. When the company car driver, as the user of the vehicle, specifies a desired configuration for vehicle functions, there are few or no restrictions imposed by the company as the owner of the vehicle and thus as the authorized person. A company car driver, as the user of the vehicle, has the option of changing the vehicle's privacy settings, meaning that the company car driver, as the user of the vehicle, can freely decide on the privacy settings. In particular, the settings made by the company car driver, as the user of the vehicle, and in particular the privacy settings, are permanently saved and thus remain in place even when the vehicle is left and are therefore not reset. The next time the company car driver, as the user of the vehicle, uses the vehicle, the vehicle will be in the same condition with the same configurations for the vehicle functions as when the vehicle was previously left.
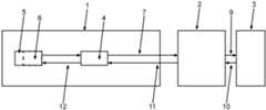
Für den letztgenannten Anwendungsfall eines von einem Dienstwagenfahrer genutzten Fahrzeugs wird anhand dem Blockschaltbild mit den Systemkomponenten in
Die Fahrzeugfunktion „Privatsphäre-Einstellungen“ des Fahrzeugs 1 als Fahrzeugfunktion 5 des Fahrzeugs 1 wird zunächst vom Fahrzeug 1 als veränderbare Fahrzeugfunktion 6 charakterisiert, so dass diese Fahrzeugfunktion 5 des Fahrzeugs 1 als veränderbare Fahrzeugfunktion 6 auch von einer hierzu berechtigten Person veränderbar ist und von einem Benutzer des Fahrzeugs ausgewählt werden kann.The vehicle function “privacy settings” of vehicle 1 as vehicle function 5 of vehicle 1 is initially characterized by vehicle 1 as a
Die möglichen Einstelloptionen der veränderbaren Fahrzeugfunktion 6 „Privatsphäre-Einstellungen“ des Fahrzeugs 1 werden vom Fahrzeug 1 als unterstützte Fahrzeug-Konfigurationswerte 7 der veränderbaren Fahrzeugfunktion 6 „Privatsphäre-Einstellungen“ an eine externe Servereinheit 2 übertragen. Insbesondere werden diese unterstützten Fahrzeug-Konfigurationswerte 7 der veränderbaren Fahrzeugfunktion 6 „Privatsphäre-Einstellungen“ von einem Master-Steuergerät 4 des Fahrzeugs an die externe Servereinheit 2 mittels einer Funkverbindung übertragen. Hierbei sind als mögliche Einstelloptionen der veränderbaren Fahrzeugfunktion 6 „Privatsphäre-Einstellungen“ die beiden Einstelloptionen „Privacy on“ mit der Deaktivierung einer permanenten Datenausleitung aus dem Fahrzeug 1 und „Privacy off“ mit der Aktivierung einer permanenten Datenausleitung aus dem Fahrzeug 1 wählbar.The possible setting options of the
Weiterhin werden von der externen Servereinheit 2 auch die zulässigen Fahrzeug-Konfigurationswerte 8 für die veränderbare Fahrzeugfunktion 6 „Privatsphäre-Einstellungen“ des Fahrzeugs 1 herangezogen. Diese zulässigen Fahrzeug-Konfigurationswerte 8 bringen aber in dem beschriebenen Beispielfall keine Einschränkungen mit sich, da das Unternehmen als berechtigte Person keine Restriktionen bei dieser veränderbaren Fahrzeugfunktion 6 „Privatsphäre-Einstellungen“ vorgibt.Furthermore, the
Somit ergeben sich als mögliche Fahrzeug-Konfigurationswerte 9 für die veränderbare Fahrzeugfunktion 6 „Privatsphäre-Einstellungen“ auch die beiden vom Fahrzeug 1 übermittelten Einstelloptionen „Privacy on“ und „Privacy off“.Thus, the two setting options “Privacy on” and “Privacy off” transmitted by vehicle 1 also result as possible
Vom Dienstwagenfahrer des Fahrzeugs 1 als dem Benutzer 3 des Fahrzeugs 1, wird ein Wunsch-Konfigurationswert 10 für die veränderbare Fahrzeugfunktion 6 „Privatsphäre-Einstellungen“ vorgegeben. Da dieser Wunsch-Konfigurationswert 10 für die veränderbare Fahrzeugfunktion 6 „Privatsphäre-Einstellungen“ nur eine der beiden Einstelloptionen „Privacy on“ oder „Privacy off“ beinhalten kann, wird aus dem Vergleich der möglichen Fahrzeug-Konfigurationswerte 9 für die veränderbare Fahrzeugfunktion 6 „Privatsphäre-Einstellungen“ und der Vorgabe des Wunsch-Konfigurationswerts 10 für die veränderbare Fahrzeugfunktion 6 „Privatsphäre-Einstellungen“ seitens des Benutzers 3, auch der vom Benutzer 3 des Fahrzeugs 1 gewählte Wunsch-Konfigurationswert 10 für die veränderbare Fahrzeugfunktion 6 „Privatsphäre-Einstellungen“ als Steuer-Konfigurationswert 11 ermittelt. Beispielsweise wird vom Benutzer 3 des Fahrzeugs 1 als Wunsch-Konfigurationswert 10 für die veränderbare Fahrzeugfunktion 6 „Privatsphäre-Einstellungen“ die Einstelloption „Privacy on“ vorgegeben, so dass diese dann auch als Steuer-Konfigurationswert 11 herangezogen wird.The company car driver of vehicle 1, as
Dieser Steuer-Konfigurationswert 11 wird nun an die externe Servereinheit 2 übertragen und von dieser externen Servereinheit 2 an das Fahrzeug 1 übertragen, insbesondere mittels einer Funkverbindung via Internet an das Master-Steuergerät 4 des Fahrzeugs 1 übertragen.This
Im Fahrzeug 1 selbst wird der Steuer-Konfigurationswert 11 vom Master-Steuergerät 4 des Fahrzeugs 1 an die betreffende veränderbare Fahrzeugfunktion 6 „Privatsphäre-Einstellungen“ in Form von Steuerungsdaten 12 verteilt und die Einstellung der veränderbaren Fahrzeugfunktion 6 „Privatsphäre-Einstellungen“ anhand der Steuerungsdaten 12 geändert beziehungsweise aktualisiert. Insbesondere wird bei einer bestehenden Einstellung „Privacy off“ für die veränderbare Fahrzeugfunktion 6 „Privatsphäre-Einstellungen“ diese bestehende Einstellung im genannten Beispielsfall anhand des Steuer-Konfigurationswerts 11 und der Steuerungsdaten 12 nun in die Einstellung „Privacy on“ abgeändert. Diese abgeänderte Einstellung für die veränderbare Fahrzeugfunktion 6 „Privatsphäre-Einstellungen“ bleibt solange bestehen, bis hier wieder eine andere gültige Einstelloption für die veränderbare Fahrzeugfunktion 6 „Privatsphäre-Einstellungen“ in Form von Steuerungsdaten 12 vorgegeben wird.In vehicle 1 itself, the
Insgesamt zeigt das angeführte Ausführungsbeispiel exemplarisch, wie ein Verfahren zur Steuerung von Fahrzeugfunktionen von Fahrzeugen mittels Steuerungsdaten für veränderbare Fahrzeugfunktionen des Fahrzeugs bereitgestellt und auf veränderbare Fahrzeugfunktionen angewendet werden kann. Selbstverständlich können hierbei auch andere Konstellationen für berechtigte Personen zur Vorgabe zulässiger Fahrzeug-Konfigurationswerte und für Benutzer des Fahrzeugs und deren Möglichkeiten zur Veränderung bestimmter Fahrzeugfunktionen durch Vorgabe von Wunsch-Konfigurationswerten für die veränderbaren Fahrzeugfunktionen des Fahrzeugs zum Einsatz kommen.Overall, the above-mentioned exemplary embodiment demonstrates how a method for controlling vehicle functions using control data for variable vehicle functions can be provided and applied to variable vehicle functions. Of course, other configurations can also be used for authorized persons to specify permissible vehicle configuration values and for vehicle users and their options for changing certain vehicle functions by specifying desired configuration values for the variable vehicle functions of the vehicle.
BezugszeichenlisteList of reference symbols
| Application Number | Priority Date | Filing Date | Title |
|---|---|---|---|
| DE102023135012.9ADE102023135012A1 (en) | 2023-12-13 | 2023-12-13 | Method for controlling vehicle functions of a vehicle |
| Application Number | Priority Date | Filing Date | Title |
|---|---|---|---|
| DE102023135012.9ADE102023135012A1 (en) | 2023-12-13 | 2023-12-13 | Method for controlling vehicle functions of a vehicle |
| Publication Number | Publication Date |
|---|---|
| DE102023135012A1true DE102023135012A1 (en) | 2025-06-18 |
| Application Number | Title | Priority Date | Filing Date |
|---|---|---|---|
| DE102023135012.9APendingDE102023135012A1 (en) | 2023-12-13 | 2023-12-13 | Method for controlling vehicle functions of a vehicle |
| Country | Link |
|---|---|
| DE (1) | DE102023135012A1 (en) |
| Publication number | Priority date | Publication date | Assignee | Title |
|---|---|---|---|---|
| US9285944B1 (en)* | 2011-04-22 | 2016-03-15 | Angel A. Penilla | Methods and systems for defining custom vehicle user interface configurations and cloud services for managing applications for the user interface and learned setting functions |
| DE102017223629A1 (en)* | 2017-12-21 | 2019-06-27 | Continental Automotive Gmbh | Vehicle control device with geobasierter configuration |
| Publication number | Priority date | Publication date | Assignee | Title |
|---|---|---|---|---|
| US9285944B1 (en)* | 2011-04-22 | 2016-03-15 | Angel A. Penilla | Methods and systems for defining custom vehicle user interface configurations and cloud services for managing applications for the user interface and learned setting functions |
| DE102017223629A1 (en)* | 2017-12-21 | 2019-06-27 | Continental Automotive Gmbh | Vehicle control device with geobasierter configuration |
| Publication | Publication Date | Title |
|---|---|---|
| DE102008021030B4 (en) | Method for operating a vehicle and corresponding device and corresponding vehicle | |
| DE102009022362A1 (en) | Activatable and deactivatable program functions | |
| DE102017217668A1 (en) | Method and central data processing device for updating software in a plurality of vehicles | |
| DE102015010203A1 (en) | Method for operating a motor vehicle and system for operating a motor vehicle | |
| EP3665891B1 (en) | Method for determining an inventory of activated functions in a functional unit and a functional unit operable in accordance with the method | |
| DE102023108340B4 (en) | System and method for controlling an optically variable coating on an exterior surface of a motor vehicle | |
| DE102013221960A1 (en) | Method for the personal use of a motor vehicle | |
| EP3821627B1 (en) | Method for controlling a data interchange between a control device of a motor vehicle and an external device, control device for a motor vehicle and motor vehicle having such a control device | |
| WO2020011655A1 (en) | Method and system for detecting data in vehicles | |
| WO2010029084A1 (en) | Method for activating functions of a tachograph | |
| DE102012010723A1 (en) | Method for diagnosing component of motor vehicle, involves generating diagnostic script for diagnostic medium of motor vehicle, which is separate from another diagnostic script provided by diagnostic script providing device | |
| DE102013011126A1 (en) | Method for displaying information of motor vehicle in display device of e.g. smart phone, involves designing presentation of information specific to configuration of motor vehicle | |
| DE102016004963B4 (en) | Device and method for resetting ECU settings in the motor vehicle | |
| EP1859568B1 (en) | Method for authorizing external devices | |
| DE102023135012A1 (en) | Method for controlling vehicle functions of a vehicle | |
| EP2196006B1 (en) | Method for checking the suitability of a mobile phone | |
| DE102022134641B3 (en) | Data processing device for motor vehicle applications, motor vehicle, and method for specifying a group of control commands for a motor vehicle | |
| EP3558755B1 (en) | Method for configuring a vehicle | |
| DE102018106517A1 (en) | Control for a vehicle with demonstration mode | |
| DE102021118342A1 (en) | Booking device and method for coordinating the use of a motor vehicle by a user group consisting of vehicle users with equal rights | |
| EP1288617A2 (en) | Menu updating for telematic services in a motor vehicle | |
| DE102017007121A1 (en) | Method for operating an automatic parking garage | |
| DE102019112276A1 (en) | SYSTEM AND METHOD FOR IMPROVING THE VEHICLE USER EXPERIENCE | |
| DE102019134620A1 (en) | Method for controlling a vehicle usage behavior of one or more vehicles, computer-readable medium, system, and vehicle | |
| WO2012048859A1 (en) | Vehicle key having an electronic immobilizer |
| Date | Code | Title | Description |
|---|---|---|---|
| R012 | Request for examination validly filed | ||
| R016 | Response to examination communication |