

Die Erfindung betrifft eine Verstärkerschaltung für Mikrowellensignale zum Bereitstellen von Mikrowellenenergie für ein Gargerät. Ferner betrifft die Erfindung ein Gargerät.The invention relates to an amplifier circuit for microwave signals for providing microwave energy for a cooking appliance. Furthermore, the invention relates to a cooking appliance.
In Profi- bzw. Großküchen kommen Gargeräte zum Einsatz, die ein in einem Garraum des Gargeräts befindliches Gargut in unterschiedlicher Weise garen können. Neben den klassischen Verfahren, die mittels Heißluft und/oder Dampf das Gargut garen, werden bei modernen Gargeräten häufig auch Mikrowellenquellen eingesetzt, die das Gargut mittels elektromagnetischer Strahlung erwärmen. Als Mikrowellenquellen können Magnetrons sowie Halbleiterbauteile („Solid State Microwave Generator“ (SSMG)), zum Einsatz kommen.In professional and commercial kitchens, cooking appliances are used that can cook food in a variety of ways. In addition to traditional methods that use hot air and/or steam to cook the food, modern cooking appliances often also use microwave sources that heat the food using electromagnetic radiation. Magnetrons and semiconductor components (solid-state microwave generators (SSMGs)) can be used as microwave sources.
Bei der SSMG Technologie werden zur Bereitstellung der zum Garen notwendigen Mikrowellenenergie typischerweise Halbleiterverstärker eingesetzt, beispielsweise LDMOS (laterally-diffused metal-oxide semiconductor) oder GaN (Galliumnitrid) Transistoren. Die Transistoren weisen typischerweise eine Ausgangsleistung von 250-300 W auf.SSMG technology typically uses semiconductor amplifiers, such as LDMOS (laterally diffused metal-oxide semiconductor) or GaN (gallium nitride) transistors, to provide the microwave energy required for cooking. These transistors typically have an output power of 250-300 W.
Um eine höhere Leistung zu erreichen, werden mehrere Transistoren in einem Verstärkermodul kombiniert.To achieve higher performance, several transistors are combined in an amplifier module.
Aus dem Stand der Technik bekannte Verstärkermodule können einen Hybridkoppler aufweisen, der ein Mikrowellensignal in zwei oder mehr Teilsignale aufteilt. Die Teilsignale werden dann jeweils durch einen Transistor verstärkt und anschließend mittels eines zweiten Hybridkopplers wieder summiert. Zumeist ist außerdem ein Isolator am Ausgang der Verstärkerschaltung vorgesehen, insbesondere am Ausgang des zweiten Hybridkopplers, um das Verstärkermodul vor Fehlanpassungen zu schützen.Amplifier modules known from the prior art can include a hybrid coupler that splits a microwave signal into two or more sub-signals. The sub-signals are then each amplified by a transistor and subsequently summed again using a second hybrid coupler. An isolator is usually also provided at the output of the amplifier circuit, particularly at the output of the second hybrid coupler, to protect the amplifier module from mismatches.
Ein solcher Aufbau bringt jedoch eine Mehrzahl von Problemen mit sich. Es fallen Leistungsverluste an den Hybridkopplern an. Die Hybridkoppler haben einen verhältnismäßig hohen Platzbedarf. Es bestehen zudem hohe Anforderungen an die Isolation und Spannungsfestigkeit aufgrund der hohen Ausgangsleistung. Der Isolator am Ausgang der Verstärkerschaltung muss zudem für die hohen Ausgangsleistungen ausgelegt sein. Ein entsprechend großer und teurer Isolator ist erforderlich, der gegebenenfalls händisch durch Löten oder Schrauben an die Verstärkerschaltung bzw. Leiterplatte angebunden werden muss.However, such a design presents a number of problems. Power losses occur at the hybrid couplers. Hybrid couplers require a relatively large amount of space. Furthermore, the high output power places stringent demands on insulation and dielectric strength. The isolator at the output of the amplifier circuit must also be designed for the high output power. A correspondingly large and expensive isolator is required, which may have to be manually connected to the amplifier circuit or circuit board by soldering or screwing.
Außerdem kann es durch im Garraum reflektierte Mikrowellen zu Rückkopplungen kommen. Die Rückkopplungen wiederum können zu einer Schädigung elektronischer Bauteile der Mikrowelle und/oder Störungen beim Betrieb führen.In addition, microwaves reflected in the cooking chamber can cause feedback. This feedback, in turn, can damage the microwave's electronic components and/or cause malfunctions during operation.
Die Aufgabe der Erfindung ist es, die aus dem Stand der Technik bekannten Nachteile in einfacher und kostengünstiger Weise zu beheben.The object of the invention is to remedy the disadvantages known from the prior art in a simple and cost-effective manner.
Die Aufgabe wird erfindungsgemäß gelöst durch eine Verstärkerschaltung für Mikrowellensignale zum Bereitstellen von Mikrowellenenergie für ein Gargerät, aufweisend zumindest einen Leistungsteiler, zumindest zwei Verstärker, zumindest zwei Isolatoren und zumindest einen Leistungskoppler. Der zumindest eine Leistungsteiler ist dazu ausgebildet, ein eingehendes Mikrowelleneingangssignal auf einen ersten Signalpfad und einen parallelen zweiten Signalpfad in zwei Teilsignale aufzuteilen. Im ersten Signalpfad ist ein erster Verstärker zur Verstärkung des ersten Teilsignals und ein erster Isolator angeordnet. Im zweiten Signalpfad ist ein zweiter Verstärker zur Verstärkung des zweiten Teilsignals und ein zweiter Isolator angeordnet. Der Leistungskoppler ist mit den beiden Signalpfaden verbunden und dazu ausgebildet, die verstärkten Teilsignale der zwei parallelen Signalpfade zu einem Mikrowellenausgangssignal aufzusummieren.The object is achieved according to the invention by an amplifier circuit for microwave signals for providing microwave energy for a cooking appliance, comprising at least one power splitter, at least two amplifiers, at least two isolators, and at least one power coupler. The at least one power splitter is designed to split an incoming microwave input signal into two partial signals on a first signal path and a parallel second signal path. A first amplifier for amplifying the first partial signal and a first isolator are arranged in the first signal path. A second amplifier for amplifying the second partial signal and a second isolator are arranged in the second signal path. The power coupler is connected to the two signal paths and designed to sum the amplified partial signals of the two parallel signal paths to form a microwave output signal.
Zudem weist die Verstärkerschaltung ein erstes phasenverschiebendes Element auf, das dem ersten Signalpfad zugeordnet und stromaufwärts in Bezug auf den ersten Verstärker (also verstärkereingangsseitig) angeordnet ist. Die Verstärkerschaltung weist außerdem ein zweites phasenverschiebendes Element auf, das dem zweiten Signalpfad zugeordnet und stromabwärts in Bezug auf den zweiten Verstärker (also verstärkerausgangsseitig) angeordnet ist. Diese Anordnung bewirkt, dass die beiden Teilsignale zueinander phasenverschoben sind, wenn die Verstärker die beiden Teilsignale verstärken.The amplifier circuit also includes a first phase-shifting element associated with the first signal path and arranged upstream of the first amplifier (i.e., on the amplifier input side). The amplifier circuit also includes a second phase-shifting element associated with the second signal path and arranged downstream of the second amplifier (i.e., on the amplifier output side). This arrangement causes the two partial signals to be phase-shifted relative to one another when the amplifiers amplify the two partial signals.
Der Grundgedanke der Erfindung ist es, durch den Einsatz der phasenverschiebenden Elemente eine Asymmetrie in die Verstärkerschaltung einzubringen, durch welche Rückkopplungseffekte abgeschwächt werden. Es hat sich gezeigt, dass durch den erfindungsgemäßen Aufbau außerdem Mehrfachreflexionen von in die Verstärkerschaltung garraumseitig zurücklaufenden Signalen effektiv unterbunden werden können. Dadurch wird die Genauigkeit bei der Erfassung bzw. Bestimmung von Mikrowellenfaktoren verbessert, die beispielsweise zur Garprozesssteuerung bzw. -regelung genutzt werden können.The basic idea of the invention is to introduce an asymmetry into the amplifier circuit through the use of phase-shifting elements, thereby mitigating feedback effects. It has been shown that the inventive design can also effectively prevent multiple reflections of signals returning to the amplifier circuit on the cooking chamber side. This improves the accuracy of detecting or determining microwave factors, which can be used, for example, for cooking process control or regulation.
In einer Ausführungsvariante sind das erste phasenverschiebende Element und das zweite phasenverschiebende Element baugleich. Insbesondere kann es sich beim ersten phasenverschiebenden Element und dem zweiten phasenverschiebenden Element um Leitungsstücke von gleicher Länge handeln. Aufgrund der Länge des Leitungsstücks wird ein Phasenversatz eingebracht, also die Phase in definierter Weise verändert. Vereinfacht ausgedrückt wird also im ersten Signalpfad durch das erste phasenverschiebende Element eine Phasenverschiebung des ersten Teilsignals vor dem ersten Verstärker bewirkt und im zweiten Signalpfad durch das zweite phasenverschiebende Element eine Phasenverschiebung des zweiten Teilsignals um den gleichen Betrag nach dem zweiten Verstärker bewirkt, nämlich in definierter Weise. Dadurch sind die verstärkten Teilsignale an den Ausgängen der Signalpfade wieder in Phase und können problemlos mit dem Leistungskoppler aufsummiert werden.In one embodiment, the first phase-shifting element and the second phase-shifting element are identical in construction. In particular, the first phase-shifting element and the second phase-shifting element can be cable sections of the same length. Due to the length of the line section, a phase shift is introduced, meaning the phase is changed in a defined manner. In simple terms, in the first signal path, the first phase-shifting element causes a phase shift of the first partial signal before the first amplifier, and in the second signal path, the second phase-shifting element causes a phase shift of the second partial signal by the same amount after the second amplifier—namely, in a defined manner. This brings the amplified partial signals back into phase at the outputs of the signal paths and allows them to be easily summed using the power coupler.
Alternativ zum Leitungsstück, was ein passives phasenverschiebendes Element darstellt, kann auch ein aktives phasenverschiebendes Element vorgesehen sein, also ein elektrisches Bauelement bzw. eine elektronische Schaltung.As an alternative to the line section, which represents a passive phase-shifting element, an active phase-shifting element can also be provided, i.e. an electrical component or an electronic circuit.
Grundsätzlich entspricht das phasenverschiebende Element einem Phasenschieber.Basically, the phase-shifting element corresponds to a phase shifter.
Vorzugsweise sind das erste phasenverschiebende Element und das zweite phasenverschiebende Element jeweils als 90°-Phasenschieber ausgebildet.Preferably, the first phase-shifting element and the second phase-shifting element are each designed as 90° phase shifters.
Durch diese besondere Ausgestaltung wird erreicht, dass aus dem Garraum zurückreflektierte Mikrowellen, die an den Isolatoren der jeweiligen Signalpfade erneut reflektiert werden, am Ausgang der Verstärkerschaltung destruktiv interferieren, da die phasenverschiebende Elemente sowohl eingangs- als auch ausgangsseitig in Bezug auf die jeweiligen Verstärker angeordnet sind. So kann eine effektive Auslöschung mehrfachreflektierter Signale erreicht werden.This special design ensures that microwaves reflected back from the cooking chamber, which are reflected again by the insulators of the respective signal paths, cause destructive interference at the output of the amplifier circuit, since the phase-shifting elements are arranged on both the input and output sides relative to the respective amplifiers. This allows for effective cancellation of multiply reflected signals.
Gemäß einem Aspekt der Erfindung sind die Isolatoren im entsprechenden Signalpfad dem jeweiligen Verstärker nachgeschaltet. Der zweite Isolator kann beispielsweise im zweiten Signalpfad zwischen dem zweiten Verstärker und dem zweiten phasenverschiebenden Element angeordnet sein. Die Isolatoren lassen die von den Verstärkern kommenden Mikrowellensignale passieren. Vom Ausgang bzw. dem Leistungskoppler kommende Mikrowellensignale werden durch die Isolatoren blockiert, sodass die Verstärkerschaltung vor Fehlanpassungen geschützt wird.According to one aspect of the invention, the isolators are connected downstream of the respective amplifier in the corresponding signal path. The second isolator can, for example, be arranged in the second signal path between the second amplifier and the second phase-shifting element. The isolators allow the microwave signals coming from the amplifiers to pass through. Microwave signals coming from the output or the power coupler are blocked by the isolators, thus protecting the amplifier circuit from mismatches.
In einer bevorzugten Ausführungsform umfassen alle parallelen Signalpfade jeweils baugleiche Verstärker, insbesondere Verstärkertransistoren, und/oder komplementäre Isolatoren. Komplementäre Isolatoren haben die gleichen Eigenschaften, aber eine entgegengesetzte Drehrichtung. Grundsätzlich wird so gewährleistet, dass die Teilsignale alle zumindest annähernd gleich sind, wodurch Verluste beim Aufsummieren vermieden werden.In a preferred embodiment, all parallel signal paths comprise identical amplifiers, in particular amplifier transistors, and/or complementary isolators. Complementary isolators have the same properties but opposite rotational directions. This essentially ensures that the partial signals are all at least approximately equal, thus avoiding losses during summation.
Vorzugsweise sind die Verstärker mindestens 200 W Verstärker, insbesondere 250 W oder 300 W Verstärker und die Isolatoren mindestens 200 W Isolatoren, insbesondere 250 W oder 300 W Isolatoren. Die 250 W sowie die 300 W Verstärker und Isolatoren sind kostengünstig, in großer Anzahl verfügbar und lassen sich vergleichsweise einfach montieren.Preferably, the amplifiers are at least 200 W amplifiers, in particular 250 W or 300 W amplifiers, and the isolators are at least 200 W isolators, in particular 250 W or 300 W isolators. The 250 W and 300 W amplifiers and isolators are cost-effective, available in large quantities, and relatively easy to install.
Ein weiterer Aspekt der Erfindung sieht vor, dass der Leistungsteiler und/oder der Leistungskoppler auf einer Leiterplatte realisiert sind, insbesondere auf einer gemeinsamen Leiterplatte. Es kann vorgesehen sein, dass die Leiterplatte so strukturiert ist, dass beide Bauteile auf ihr gebildet sind. Dies ist technisch besonders einfach und kostengünstig umsetzbar. Zur Realisierung des Leistungsteilers und/oder Leistungskopplers müssen keine weiteren Komponenten beschafft und bestückt bzw. angelötet werden.A further aspect of the invention provides for the power splitter and/or the power coupler to be implemented on a circuit board, in particular on a common circuit board. The circuit board can be structured so that both components are formed on it. This is technically particularly simple and cost-effective to implement. To implement the power splitter and/or power coupler, no additional components need to be procured, assembled, or soldered.
Um einen besonders platzsparenden Aufbau zu erzielen, kann vorgesehen sein, dass die Isolatoren als SMD-Bauteilte ausgebildet sind.In order to achieve a particularly space-saving design, the insulators can be designed as SMD components.
Ferner ist auch denkbar, dass die Isolatoren jeweils einen Abschlusswiderstand aufweisen, insbesondere einen 50 Ω Abschlusswiderstand. Derartige Widerstände sind weit verbreitet und technisch einfach in die Verstärkerschaltung integrierbar. In diesem Zusammenhang kann vorgesehen sein, dass die Isolatoren als Zirkulatoren mit drei Toren ausgebildet sind, von denen eines mit dem jeweiligen Abschlusswiderstand verbunden ist.It is also conceivable for the isolators to each have a terminating resistor, in particular a 50 Ω terminating resistor. Such resistors are widely used and can be easily integrated into the amplifier circuit. In this context, the isolators can be designed as circulators with three ports, one of which is connected to the respective terminating resistor.
Die Isolatoren sind insbesondere dazu ausgebildet, die Verstärkerschaltung vor Fehlanpassungen zu schützen. Dadurch werden Leistungsverluste vermieden und eine hohe Wirkleistungsübertragung sichergestellt.The isolators are specifically designed to protect the amplifier circuit from mismatches. This prevents power losses and ensures high active power transmission.
In einer Ausführungsform ist der Leistungskoppler ein T-Leistungskoppler, der insbesondere zwei Eingänge mit jeweils 50 Ω Eingangsimpedanz und einen Ausgang mit 25 Ω Ausgangsimpedanz aufweist. Der T-Leistungskoppler kann als einfache T-förmig verzweigte Leiterbahn realisiert sein.In one embodiment, the power coupler is a T-type power coupler, which in particular has two inputs, each with an input impedance of 50 Ω, and one output with an output impedance of 25 Ω. The T-type power coupler can be implemented as a simple T-shaped branched conductor track.
Der Leistungsteiler ist vorzugsweise ein Wilkinson-Leistungsteiler.The power divider is preferably a Wilkinson power divider.
Durch den Einsatz des Wilkinson-Leistungsteilers und des T-Leistungskopplers ist die Signalaufteilung sowie Signalsummierung durch besonders platzsparende und technisch einfach auf Platinen darstellbare Komponenten umsetzbar.By using the Wilkinson power divider and the T-power coupler, signal splitting and signal summing can be implemented using particularly space-saving and technically simple components on circuit boards.
Da die Leistung in den einzelnen Signalpfaden geringer ist als am Ausgang der Verstärkerschaltung, können kleinere, kostengünstigere und einfacher bestückbare Isolatoren eingesetzt werden als bei einer konventionellen Ausgangsisolierung.Since the power in the individual signal paths is lower than at the output of the amplifier circuit, smaller, more cost-effective and easier to assemble isolators can be used than with conventional output isolation.
Im Vergleich zu konventionellen Verstärkerschaltungen mit Hybridkopplern, die zumeist eine Ausgangsimpedanz von 50 Ω aufweisen, fällt bei gleicher Ausgangsleistung eine geringere Spannung am Ausgang und/oder an weiteren angebundenen Komponenten ab. Es gibt daher keine höheren Anforderungen an die Spannungsfestigkeit und Isolationsabstände. Es kann das gleiche oder sogar günstigeres Leiterplattenmaterial verwendet werden wie bei konventionellen Verstärkerschaltungen.Compared to conventional amplifier circuits with hybrid couplers, which typically have an output impedance of 50 Ω, a lower voltage drop is generated at the output and/or on other connected components for the same output power. Therefore, there are no higher requirements for dielectric strength and insulation clearances. The same or even cheaper circuit board material can be used as with conventional amplifier circuits.
Zudem wird die Aufgabe durch ein Gargerät gelöst, welches ein Mikrowellenmodul mit einer Mikrowellenquelle zum Erzeugen von Mikrowellensignalen, eine erfindungsgemäße Verstärkerschaltung zum Verstärken der Mikrowellensignale und zumindest eine Antenne zum Einkoppeln der verstärkten Mikrowellensignale in einen Garraum umfasst.In addition, the object is achieved by a cooking appliance which comprises a microwave module with a microwave source for generating microwave signals, an amplifier circuit according to the invention for amplifying the microwave signals and at least one antenna for coupling the amplified microwave signals into a cooking chamber.
Die Vorteile und Eigenschaften, die vorstehend bereits zur erfindungsgemäßen Verstärkerschaltung diskutiert wurden, gelten selbstverständlich auch für das erfindungsgemäße Gargerät in entsprechender Weise.The advantages and properties already discussed above with regard to the amplifier circuit according to the invention naturally also apply to the cooking appliance according to the invention in a corresponding manner.
Weitere Merkmale und Vorteile der Erfindung ergeben sich aus der nachfolgenden Beschreibung sowie aus den Zeichnungen, auf die Bezug genommen wird. In den Zeichnungen zeigen:
Ferner umfasst die aus dem Stand der Technik bekannte Verstärkerschaltung 10 zwei parallel geschaltete Verstärker 14, beispielsweise GaN oder LDMOS Verstärkertransistoren 16 mit einer Ausgangsleistung von 250 - 300 W, welche dazu ausgebildet sind, die Teilsignale zu verstärken.Furthermore, the
Ein zweiter Hybridkoppler 18 ist vorgesehen, um die verstärkten Teilsignale wieder zu summieren.A
Der zweite Hybridkoppler 18 kann einen Abschlusswiderstand 20 aufweisen, beispielsweise in Höhe von 50 Ω, welcher mögliche unsymmetrische Anteile der beiden Teilsignale terminiert.The second
Außerdem weist die in
Die in
Das Gargerät 24 umfasst ein Mikrowellenmodul 26 mit einer Mikrowellenquelle 28 zum Erzeugen von Mikrowellensignalen, eine erfindungsgemäße Verstärkerschaltung 30 zum Verstärken der Mikrowellensignale und zumindest eine Antenne 32 zum Einkoppeln der verstärkten Mikrowellensignale in einen Garraum 34.The
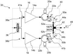
Die vom Gargerät 24 umfasste Verstärkerschaltung 30 ist in
Die Verstärkerschaltung 30 weist einen als Wilkinson-Leistungsteiler ausgebildeten Leistungsteiler 36, einen ersten Signalpfad 38a und einen zum ersten Signalpfad 38a parallelen zweiten Signalpfad 38b auf.The
Der Leistungsteiler 36 ist dazu ausgebildet, ein eingehendes Mikrowelleneingangssignal in zwei Teilsignale auf die zwei Signalpfade 38a, 38b aufzuteilen.The
Im Ausführungsbeispiel ist der Leistungsteiler 36 auf einer Leiterplatte 40 realisiert. Insbesondere weist die Leiterplatte 40 eine Strukturierung auf, welche den Leistungsteiler 36 bildet.In the exemplary embodiment, the
Ferner umfasst die Verstärkerschaltung 30 einen ersten Verstärker 14a, der im ersten Signalpfad 38a angeordnet ist, und einen zweiten komplementären Verstärker 14b, der im zweiten Signalpfad 38b angeordnet ist.Furthermore, the
Die Verstärker 14a, 14b sind im Ausführungsbeispiel baugleiche Verstärkertransistoren 16 mit einer Ausgangsleistung von jeweils 250 W.In the exemplary embodiment, the
Außerdem umfasst die Verstärkerschaltung 30 einen ersten Isolator 22a, der im ersten Signalpfad 38a angeordnet ist, und einen zweiten baugleichen Isolator 22b, der im zweiten Signalpfad 38b angeordnet ist.In addition, the
Die Isolatoren 22a, 22b sind 250 W Isolatoren und weisen jeweils einen 50 Ω Abschlusswiderstand 20a, 20b auf.The
Im Ausführungsbeispiel sind die Isolatoren 22a, 22b als SMD-Bauteile ausgebildet und an die Leiterplatte 40 angelötet.In the exemplary embodiment, the
Die Isolatoren 22a, 22b sind dabei den Verstärkern 14a, 14b in den jeweiligen Signalpfaden 38a, 38b nachgeschaltet.The
Die Isolatoren 22a, 22b sind im Ausführungsbeispiel dazu ausgebildet, ungleichphasige Anteile der verstärkten Teilsignale der beiden Signalpfade 38a, 38b zu terminieren. Insbesondere enden mögliche unsymmetrische Anteile der beiden verstärkten Teilsignale an den Abschlusswiderständen 20a, 20b der jeweiligen Isolatoren 22a, 22b.In the exemplary embodiment, the
Ferner weist die Verstärkerschaltung 30 einen als T-Leistungskoppler ausgebildeten Leistungskoppler 42 auf. Dieser umfasst vorliegend einen ersten Eingang 44a und einen zweiten Eingang 44b mit jeweils 50 Ω Eingangsimpedanz und einen Ausgang 46 mit 25 Ω Ausgangsimpedanz auf.Furthermore, the
Die Eingänge 44a, 44b sind dabei mit den jeweiligen Signalpfaden 38a, 38b verbunden.The
Der Ausgang 46 des Leistungskopplers 42 bildet den Ausgang der Verstärkerschaltung 30 und/oder ist direkt mit diesem verbunden.The
Im Ausführungsbeispiel ist der Leistungskoppler 42 auf derselben Leiterplatte 40 wie der Leistungsteiler 36 realisiert. Die Leiterplatte 40 weist hierzu eine Strukturierung auf, welche den Leistungskoppler 42 bildet.In the exemplary embodiment, the
Der Leistungskoppler 42 ist dazu ausgebildet, von den Verstärkern 14a, 14b verstärkte Teilsignale (insbesondere 250 W Teilsignale) der zwei parallelen Signalpfade 38a, 38b zu einem Mikrowellenausgangssignal (insbesondere zu einem 500 W Mikrowellenausgangssignal) aufzusummieren.The
Im Gegensatz zu der in
Der Leistungskoppler 42 der erfindungsgemäßen Verstärkerschaltung 30 bietet, im Gegensatz zum zweiten Hybridkoppler 18, keine Isolation zwischen den Verstärkerausgängen was grundsätzlich zu Instabilitäten führen könnte.The
Die Anordnung der Isolatoren 22a, 22b in den jeweiligen Signalpfaden 38a, 38b zwischen den Verstärkern 14a, 14b und dem Leistungskoppler 42 verhindert dies jedoch und schützt die Verstärkerschaltung 30 vor ausgangsseitigen Fehlanpassungen.However, the arrangement of the
Besonders ist an der in
Das erste phasenverschiebendes Element 41a ist dem ersten Signalpfad 38a zugeordnet und stromaufwärts in Bezug auf den ersten Verstärker 14a angeordnet, also mit dem Eingang des ersten Verstärkers 14a gekoppelt.The first phase-shifting
Das zweite phasenverschiebendes Element 41b ist dem zweiten Signalpfad 38b zugeordnet und stromabwärts in Bezug auf den zweiten Verstärker 14b und den zweiten Isolator 22b angeordnet. Insofern ist das zweite phasenverschiebendes Element 41b dem Ausgang des zweiten Verstärkers 14b zugeordnet.The second phase-shifting
Im Ausführungsbeispiel sind das erste phasenverschiebende Element 41a und das zweite phasenverschiebende Element 41b baugleiche (insbesondere gleichlange) Leitungsstücke aus demselben Material und mit identischer Dispersion.In the exemplary embodiment, the first phase-shifting
Die Länge der Leitungsstücke ist dabei so bemessen, dass sie als 90°-Phasenschieber für das jeweilige Teilsignal wirken.The length of the cable sections is dimensioned so that they act as 90° phase shifters for the respective partial signal.
Alternativ zu den passiven Leistungsstücken könnten auch aktive Bauelemente bzw. Bauteile als phasenverschiebende Elemente 41a, 41b verwendet werden.As an alternative to the passive power units, active components or parts could also be used as phase-shifting
Im ersten Signalpfad 38a wird durch das erste phasenverschiebende Element 41a eine Phasenverschiebung des ersten Teilsignals vor dem ersten Verstärker 14a erreicht, insbesondere um 90°. Es wird also das (um 90°) phasenverschobene erste Teilsignal verstärkt.In the
Im zweiten Signalpfad 38b erfolgt die Phasenverschiebung des zweiten Teilsignals durch das zweite phasenverschiebende Element 41b erst nach dem zweiten Verstärker 14b, also nach der Verstärkung.In the
Durch die unterschiedliche Positionierung der phasenverschiebenden Elemente 41a, 41b in den jeweiligen Signalpfaden 38a, 38b wird erreicht, dass die beiden Teilsignale beim Verstärken durch die jeweiligen Verstärker 14a, 14b zueinander phasenverschoben sind, insbesondere in definierter bzw. gewollter Weise.The different positioning of the phase-shifting
An den Eingängen 44a, 44b des Leistungskopplers 42 sind die verstärkten Teilsignale wieder in Phase zueinander, da das zweite Teilsignal nach der Verstärkung durch den zweiten Verstärker 14b durch das zweite phasenverschiebende Element 41b phasenverschoben wurde, insbesondere um den Phasenversatz, mit dem das erste Teilsignal mittels des ersten phasenverschiebenden Elements 41a verschoben wurde. Hierdurch können die beiden Teilsignale vom Leistungskoppler 42 problemlos miteinander gekoppelt bzw. deren Leistungen aufsummiert werden.At the
Die Anordnung der phasenverschiebenden Elemente 41a, 41b in der Verstärkerschaltung 30 bringt mehrere Vorteile mit sich.The arrangement of the phase-shifting
Zum einen wird eine Asymmetrie in die Verstärkerschaltung 30 eingebracht, durch welche Rückkopplungseffekte abgeschwächt werden.On the one hand, an asymmetry is introduced into the
Zum anderen können in die Verstärkerschaltung 30 garraumseitig zurücklaufende und an den Isolatoren 22a, 22b reflektierte Signale effektiv ausgelöscht werden.On the other hand, signals returning to the
Dies ist in
Das erste zurücklaufende Teilsignal 50a wird am ersten Isolator 22a reflektiert oder teilreflektiert, wobei sich seine Phase um 180° verschiebt.The first returning
Das zweite zurücklaufende Teilsignal 50b gelangt über das zweite phasenverschiebende Element 41b, das seine Phase um 90° verschiebt, zum zweiten Isolator 22b. Es wird am zweiten Isolator 22b reflektiert oder teilreflektiert, wobei sich seine Phase um weitere 180° verschiebt. Anschließend gelangt es über das zweite phasenverschiebende Element 41b (also mit einer weiteren Phasenverschiebung von 90°) zurück zum Leistungskoppler 42. Es ergibt sich somit eine Gesamtphasenverschiebung von 360°.The second returning
Beim Leistungskoppler 42 treffen die reflektierten zurücklaufenden Teilsignale 52a, 52b wieder aufeinander. Aufgrund der Phasenverschiebungen (180° und 360°) interferieren sie destruktiv und löschen sich aus.At the
Die reflektierten zurücklaufenden Teilsignale 52a, 52b können also nicht zurück zum Garraum 34 bzw. zu einem garraumseitig angeordneten Richtkoppler (nicht gezeigt) gelangen und dort die Erfassung von Mikrowellensignalen stören. Infolgedessen kann eine höhere Genauigkeit beim Bestimmen von Mikrowellenfaktoren erreicht werden, die beispielsweise zur Steuerung von Garprozessen nutzbar sind.The reflected returning
| Application Number | Priority Date | Filing Date | Title | 
|---|---|---|---|
| DE102023133248.1ADE102023133248A1 (en) | 2023-11-28 | 2023-11-28 | Amplifier circuit with phase-shifting elements for microwave signals and cooking appliance | 
| Application Number | Priority Date | Filing Date | Title | 
|---|---|---|---|
| DE102023133248.1ADE102023133248A1 (en) | 2023-11-28 | 2023-11-28 | Amplifier circuit with phase-shifting elements for microwave signals and cooking appliance | 
| Publication Number | Publication Date | 
|---|---|
| DE102023133248A1true DE102023133248A1 (en) | 2025-05-28 | 
| Application Number | Title | Priority Date | Filing Date | 
|---|---|---|---|
| DE102023133248.1APendingDE102023133248A1 (en) | 2023-11-28 | 2023-11-28 | Amplifier circuit with phase-shifting elements for microwave signals and cooking appliance | 
| Country | Link | 
|---|---|
| DE (1) | DE102023133248A1 (en) | 
| Publication number | Priority date | Publication date | Assignee | Title | 
|---|---|---|---|---|
| CN104393843A (en) | 2014-12-19 | 2015-03-04 | 夏景 | Doherty power amplifier adopting multistage auxiliary circuit amplifier | 
| US20150351164A1 (en) | 2014-06-03 | 2015-12-03 | Nxp B.V. | Radio frequency heating apparatus | 
| US9595930B2 (en) | 2015-06-05 | 2017-03-14 | Mks Instruments, Inc. | Solid state microwave generator and power amplifier | 
| Publication number | Priority date | Publication date | Assignee | Title | 
|---|---|---|---|---|
| US20150351164A1 (en) | 2014-06-03 | 2015-12-03 | Nxp B.V. | Radio frequency heating apparatus | 
| CN104393843A (en) | 2014-12-19 | 2015-03-04 | 夏景 | Doherty power amplifier adopting multistage auxiliary circuit amplifier | 
| US9595930B2 (en) | 2015-06-05 | 2017-03-14 | Mks Instruments, Inc. | Solid state microwave generator and power amplifier | 
| Publication | Publication Date | Title | 
|---|---|---|
| DE69821069T2 (en) | Power dividing / adding circuit, high power amplifier and balun | |
| DE2556706C2 (en) | Power amplifier for amplifying a high frequency signal | |
| DE102017111319A1 (en) | Device for generating and transmitting high-frequency waves (HF waves) | |
| EP3317917B1 (en) | Power combiner having a symmetrically arranged cooling body and power combiner arrangement | |
| EP1867003B1 (en) | High-frequency coupler or power splitter, especially a narrow-band 3db coupler or power splitter | |
| WO2017001595A1 (en) | Power combiner for coupling high-frequency signals and power combiner arrangement comprising a power combiner of this type | |
| EP0790660A2 (en) | Directional coupler for high frequency range | |
| DE102013213297A1 (en) | Microwave arrangement for transmitting high-frequency signals | |
| WO2009000431A1 (en) | Broadband directional coupler with adjustable directionality | |
| DE102023133248A1 (en) | Amplifier circuit with phase-shifting elements for microwave signals and cooking appliance | |
| DE102010002753B4 (en) | Plasma power supply arrangement with multiple power coupling stages | |
| DE2807813C2 (en) | Circuit arrangement for achieving power adjustment in noise-adjusted high-frequency amplifiers | |
| DE102007021899B4 (en) | Microwave circuit with Defected Ground Structure Filter | |
| DE102022131522A1 (en) | Amplifier circuit for microwave signals and cooking device | |
| DE69614484T2 (en) | BRIDGABLE POWER DISTRIBUTOR | |
| DE69910284T2 (en) | Suppression of harmonic vibrations | |
| WO2024231303A1 (en) | Power combiner for coupling rf signals for a plasma process supply system and a plasma process system | |
| EP2122745B1 (en) | High-performance coupler | |
| EP1495513B1 (en) | Electric matching network with a transformation line | |
| DE10348722B4 (en) | Electrical matching network with a transformation line | |
| EP3621148A2 (en) | High frequency range power amplifier | |
| DE102013218625B4 (en) | Ground-referenced phase-shifting network | |
| DE1766059A1 (en) | Distribution system for microwave devices | |
| DE112005002018B4 (en) | RF signal switching circuit | |
| EP3471516A1 (en) | High frequency amplifier unit with amplifier modules disposed on an outer conductor | 
| Date | Code | Title | Description | 
|---|---|---|---|
| R163 | Identified publications notified |