Movatterモバイル変換


[0]ホーム

URL:


CN2221839Y - DC power supply for electronic electric energy meter - Google Patents

DC power supply for electronic electric energy meter
Download PDF

Info

Publication number
CN2221839Y
CN2221839YCN 95204422CN95204422UCN2221839YCN 2221839 YCN2221839 YCN 2221839YCN 95204422CN95204422CN 95204422CN 95204422 UCN95204422 UCN 95204422UCN 2221839 YCN2221839 YCN 2221839Y
Authority
CN
China
Prior art keywords
phase
power supply
resistance
transistor
connects
Prior art date
Legal status (The legal status is an assumption and is not a legal conclusion. Google has not performed a legal analysis and makes no representation as to the accuracy of the status listed.)
Expired - Fee Related
Application number
CN 95204422
Other languages
Chinese (zh)
Inventor
宋志正
陆佳
Current Assignee (The listed assignees may be inaccurate. Google has not performed a legal analysis and makes no representation or warranty as to the accuracy of the list.)
THREE L ELECTRONIC PRODUCTS INST LUOYANG DEVEL AREA
Original Assignee
THREE L ELECTRONIC PRODUCTS INST LUOYANG DEVEL AREA
Priority date (The priority date is an assumption and is not a legal conclusion. Google has not performed a legal analysis and makes no representation as to the accuracy of the date listed.)
Filing date
Publication date
Application filed by THREE L ELECTRONIC PRODUCTS INST LUOYANG DEVEL AREAfiledCriticalTHREE L ELECTRONIC PRODUCTS INST LUOYANG DEVEL AREA
Priority to CN 95204422priorityCriticalpatent/CN2221839Y/en
Application grantedgrantedCritical
Publication of CN2221839YpublicationCriticalpatent/CN2221839Y/en
Anticipated expirationlegal-statusCritical
Expired - Fee Relatedlegal-statusCriticalCurrent

Links

Images

Landscapes

Abstract

The utility model relates to a power supply device which outputs direct current power changed from alternating current power which is inputted into the power supply device. In the utility model, on the basis of the adoption of a mutually inducting type DC power supply, a phase absence detector composed of resistors R7, R8, a diode D7 and a capacitor C4, a phase inversion driver composed of an isolating and straight capacitor C1, transistors BG1, BG2, relays JA, JB, and a phase discriminator composed of a transistor BG11 and a relay J3 are arranged. Via the check and the comparison of the phase voltage and the phase absence of an AC and three-phase power supply by the phase absence detector and the phase discriminator, a phase wire with stable phase voltage is selected to provide a power supply for an electric energy meter. In three phase voltage, the utility model can still work normally, when one phase or two electrodes are cut off.

Description

A kind of electronic electric energy meter dc power supply
The utility model relates to the supply unit that a kind of AC power input changes direct current power output into.
Along with science and technology development, begin development, the electronic measuring instrument-electron watt-hour meter of Development of New Generation full electronic both at home and abroad, electron watt-hour meter will replace the kilowatt-hour meter of outmoded electromagnetic and mechanical induction type gradually with the excellent technique characteristics of long-life, wide load, high accuracy, multi-functional, low-power consumption.In order to guarantee that electronic electric energy meter can work stably in a long term under the state of the best, therefore need supporting with it mutual inductance type dc power supply device.Also do not seen the dc power supply that aims at the electronic electric energy meter design on the market at home and abroad at present.
The purpose of this utility model provides a kind of electronic electric energy meter dc power supply, this device can make electronic electric energy meter be in optimum Working long-term effectively, can guarantee under the situation of a certain phase in the kilowatt-hour meter three-phase or two-phase phase shortage or phase drops that also energy measurement and recording user use electric energy.
Main points of the present utility model are, on the basis of adopting the mutual inductance type DC power supply, be provided with the phase loss detector, the phase discriminator that are used for phase shortage or step-down detection in this power supply, with pressing comparison method mutually as the phase shortage changeover control signal, also adopt the commutation drive circuit, the power supply phase line automaticallyes switch, to guarantee that kilowatt-hour meter, still can operate as normal one mutually or two-phase when electricity is arranged.
Be elaborated below in conjunction with accompanying drawing.
Fig. 1 is an operation principle block diagram of the present utility model
Fig. 2 is commutation drive circuit figure
Fig. 3 is the phase loss detector circuit diagram
Fig. 4 is phase detector circuit figure
The mutual inductance type DC power supply that Fig. 5 uses for the phase three-wire three table
Fig. 6 always schemes for circuit of the present utility model
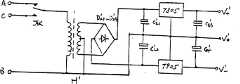
As Fig. 1, Fig. 2, Fig. 3, shown in Figure 6, this electronic electric energy meter dc power supply, include power input A, B, C and input zero line side N, the mutual inductance type DC power supply that the three-phase and four-line table is used, phase loss detector, the commutation drive circuit, this mutual inductance type DC power supply with alternating current through mutual inductance, rectification, after the voltage stabilizing at the anodal V+ of power output end, provide one group ± 5V DC power supply on the power output end negative pole V-, described phase loss detector is to connect the arbitrary end in the described power input and divide two-way after resistance R 7, one the tunnel meets described input zero line side N through divider resistance R8, another road is through diode D7, the P point is to described commutation drive circuit output default phase signal, described commutation drive circuit is to connect an end at the two ends in addition in the described power input and be divided into two-way behind capacitance C1, one the tunnel through diode D2, resistance R 1, the coil of relay J is received on the described input zero line side N, another road is through diode D1, be divided into two-way after the resistance R 2 again, one the tunnel connects the collector electrode of transistor BG1, the emitter of this transistor BG1 meets described input zero line side N, be divided into three the tunnel again behind the connecting resistance R3 of another road, one the tunnel connects the base stage of described transistor BG1, another road meets described input zero line side N through resistance R 4, one tunnel collector electrode that meets transistor BG2 again, the emitter of this transistor BG2 meets described input zero line side N, above-mentioned P point is through diode D3, resistance R 5 connects the base stage of described transistor BG2, coil two termination capacitor C 2 in described relay J, the collector electrode of described transistor BG2, emitter connects capacitor C 3, the switch JK of described relay J is connected on the end on main limit of the instrument transformer H that above-mentioned three-phase and four-line table uses, the other end on this main limit and described input zero line side N join, the normally-closed contact of the switch JK of described relay J connects on the power input that joins with described phase loss detector, and its normally opened contact connects on the power input that joins with described commutation drive circuit.
As Fig. 2, Fig. 3, shown in Figure 6, described phase loss detector, commutation drive circuit are two groups.The power input that joins with described two phase loss detectors is respectively the A end, the B end, the output point P of two output default phase signal is respectively PA, the PB point, the power input that joins with described two commutation drive circuits is respectively the C end, the B end, wherein from PA, the PB point is to described commutation drive circuit input default phase signal of joining with power input C, the PA point is also to described commutation drive circuit input default phase signal of joining with power input B, the relay of described two commutation drive circuits is respectively JA, JB, its switch is JAK, JBK, during use, the main limit of the instrument transformer H of the mutual inductance type DC power supply that described three-phase and four-line is used can join with any one switch in the above-mentioned switch.As shown in Figure 6, the main limit of the instrument transformer H of the mutual inductance type DC power supply that described three-phase and four-line is used and the switch JAK of described relay J A join, the normally opened contact of described switch JAK meets power input C, normally-closed contact is connected with No. 2 pin of the switch JBK of relay J B, the power input that normally-closed contact connect of the switch JKB of described relay J B is the A end, and normally opened contact meets power input B.As shown in Figure 6, the electric elements that two groups of phase loss detectors, commutation drive circuits are adopted all are the same, and all add "; " on the electric elements symbol in the set of circuits therein can be from the PA point to two groups of commutation drive circuit input default phase signal, wherein all add on the symbol of the diode D3 resistance R 5 of one tunnel institute's warp ",, ".
As shown in Figure 6, the reference zero V0 of the out-put supply of the mutual inductance type DC power supply used of described input zero line side N and described three-phase and four-line table is connected.
As Fig. 4, shown in Figure 6, in this power supply, also comprise mutual inductance type DC power supply and phase discriminator that a phase three-wire three table is used, described power input B joins as the ground wire V0 of common port and dc low-voltage.Phase discriminator is to meet described power input C and through resistance R 11; divide two-way behind the diode D11; a kind of through resistance R 14; the g point connects the base stage of transistor BG11; another road is through resistance R 13; connect the collector electrode of described transistor BG11 behind the coil of relay J 3; the emitter of this transistor BG11 meets described power input B; and in this phase discriminator, also go between through resistance R 12 from described power input A; divide two-way behind the diode D12; one the tunnel meets described power input B through capacitor C 12; another road is through resistance R 15; the base stage of described g point and described transistor BG11 is joined; protect voltage-stabiliser tube D13 at described g point to being provided with between the described power input B; on the two ends of described resistance R 13, connect capacitor C 11 respectively; C13; described capacitor C 11; the other end of C13 all joins with described power input B; the switch J3K of described relay J 3 is connected on the end on main limit of the instrument transformer H ' that above-mentioned phase three-wire three table uses; the other end on this main limit and described power input B as common port join; the normally-closed contact of the switch J3K of described relay meets described power input A, and normally opened contact meets described power input C.
The used electric elements of the mutual inductance type DC power supply that the three-phase and four-line table is used in this power supply and the mutual inductance type DC power supply that the phase three-wire three table is used are all identical, all add ", " on the used electric elements symbol in the mutual inductance type DC power supply that the phase three-wire three table is used.
Operation principle of the present utility model as shown in Figure 1, the three-phase mains is imported in this device, by phase loss detector, phase discriminator the pressure mutually and the phase shortage of three-phase ac power supply are detected, compare, and to commutation drive circuit input phase shortage changeover control signal, selecting one the tunnel, to press stable phase line mutually be power supply, in the mutual inductance type DC power supply, after mutual inductance, rectification, voltage stabilizing, provide one group ± 5V DC power supply to ammeter.Electric energy meter normally measure with the writing task state under can be automatically to the backup battery charging, (comprising and deposit effects) under no electric situation still in order to ammeter can timing and keep and count degrees of data, can lost data after power recovery is powered.
This power supply is when using with three-phase and four-line table assembling, and as shown in Figure 6, being connected on the main limit of instrument transformer H with the switch JAK of relay J A is example.The normally-closed contact of its switch JAK meets power input A, and normally opened contact meets power input C.As shown in Figure 3, when input A had electricity, PA was the high-potential voltage greater than 1.4V, change the size of the resistance value of resistance R 8, can adjust the potential value that PA is ordered, make it to descend 20% o'clock at line voltage, PA voltage is little of the transistor BG2 conducting that can not drive in the commutation driver.As shown in Figure 6, can be from PA to commutation drive circuit input phase shortage control signal, when PA is OV voltage (phase shortage), transistor BG2 ' carries and ends, transistor BG ' 1 conducting, and alternating current is connected into reflux circuit by diode D1 ', D2 ' two tunnel with zero line N from power input B, relay J B adhesive, its switch JKB gets to normally opened contact from normally-closed contact, and the B phase line is connected, and reaches the purpose of commutation line.When PA is high voltage (greater than 1.4V), transistor BG2 ' conducting, transistor BG1 ' ends, and then alternating current can not produce big current circuit at diode D1 ' Na Yilu, and relay J B does not work.At this moment the required electric current of the entire circuit of commutation driver is minimum.
This power supply as Fig. 4, Fig. 5, shown in Figure 6, is regarded B as common port mutually when using with phase three-wire three table assembling, when then in power input C, A two-phase, all voltage being arranged or phase pressure reduction be not more than at 40% o'clock, transistor BG1 base stage is that the g point voltage is 0V, not commutation.When A was mutually damaged, the g point was a high voltage, produced the commutation action, and the switch J3A of relay J 3 gets to normally opened contact from normally-closed contact, and the A phase of breaking is connected the C phase.When C phase phase shortage, the g point is a negative voltage, and protection diode D3 is a 3V voltage-stabiliser tube, can protective transistor BG11, when the phase shortage of the arbitrary road of A, C, can not damage triode BG11, and adjust the ratio of resistance R 4, R5, can adjust the phase pressure reduction of two-phase 40%.
As shown in Figure 5, the mutual inductance type DC power supply that the phase three-wire three table is used, it is B connects dc low-voltage as common port ground wire V0 ' with the main difference of conventional power source.± 5V power supply charges to backup battery, and when ammeter storage or grid power blackout, battery is not lost to guarantee data to the internal memory and the timer power supply of ammeter.
The technical performance parameter of this power supply is as follows: input ac voltage is 100VAC20%; 220VAC20%; 380VAC20%.Output dc voltage is+5V;-5V.The direct voltage ripple is less than ± 20mv.DC load ability 0.5VA.
In sum, this device has following characteristics: (1) can guarantee electric degree As long as table still can work when having a phase or two-phase that electricity is arranged. (2) this power supply assembling In ammeter, can make ammeter be in just often power attenuation minimum of three-phase voltage, thereby reach Purpose to low-power consumption. Antijamming capability and the metering precision of ammeter have also been improved simultaneously. (3) circuit of this power supply have three-phase power line scope range of the fluctuation of voltage and reach ± 20% still The characteristics of energy reliably working. (4) in this power supply ± reference of 5V out-put supply zero Point is connected to improve metering precision with its input reference zero. This power supply can be assembled In three-phase and four-line table and phase three-wire three ammeter.

Claims (4)

1, a kind of electronic electric energy meter dc power supply, include power input (A, B, C) and the input zero line side (N), the mutual inductance type DC power supply that the three-phase and four-line table is used, phase loss detector, the commutation drive circuit, this mutual inductance type DC power supply with alternating current through mutual inductance, rectification, after the voltage stabilizing at power output end positive pole (V+), provide one group ± 5V DC power supply on the power output end negative pole (V-), it is characterized in that described phase loss detector is to connect the arbitrary end in the described power input and divide two-way after resistance R 7, one the tunnel connects described input zero line side (N) through divider resistance R8, another road is through diode D7, the P point is to described commutation drive circuit output default phase signal, described commutation drive circuit is to connect an end at the two ends in addition in the described power input and be divided into two-way behind capacitance C1, one the tunnel through diode D2, resistance R 1, the coil of relay J is received on the described input zero line side N, another road is through diode D1, be divided into two-way after the resistance R 2 again, one the tunnel connects the collector electrode of transistor BG1, the emitter of this transistor BG1 connects described input zero line side (N), be divided into three the tunnel again behind the connecting resistance R3 of another road, one the tunnel connects the base stage of described transistor BG1, another road connects described input zero line side (N) through resistance R 4, one tunnel collector electrode that meets transistor BG2 again, the emitter of this transistor BG2 connects described input zero line side (N), above-mentioned P point is through diode D3, resistance R 5 connects the base stage of described transistor BG2, coil two termination capacitor C 2 in described relay J, the collector electrode of described transistor BG2, emitter connects capacitor C 3, the switch JK of described relay J is connected on the end on main limit of the instrument transformer H that above-mentioned three-phase and four-line table uses, the other end on this main limit and described input zero line side (N) join, the normally-closed contact of the switch JK of described relay J connects on the power input that joins with described phase loss detector, and its normally opened contact connects on the power input that joins with described commutation drive circuit.
4, according to the described electronic watt-hour dc power supply of claim 3, it is characterized in that the mutual inductance type DC power supply and the phase discriminator that comprise also that in this power supply a phase three-wire three table is used, described power input (B) joins as the ground wire (V0 ') of common port and dc low-voltage.Phase discriminator is to connect described power input (C) and through resistance R 11; divide two-way behind the diode D11; a kind of through resistance R 14; the g point connects the base stage of transistor BG11; another road is through resistance R 13; connect the collector electrode of described transistor BG11 behind the coil of relay J 3; the emitter of this transistor BG11 connects described power input (B); and in this phase discriminator, also go between through resistance R 12 from described power input A; divide two-way behind the diode D12; one the tunnel connects described power input (B) through capacitor C 12; another road is through resistance R 15; the base stage of described g point and described transistor BG11 is joined; protect voltage-stabiliser tube D13 at described g point to being provided with between the described power input (B); on the two ends of described resistance R 13, connect capacitor C 11 respectively; C13; described capacitor C 11; the other end of C13 all joins with described power input (B); the switch J3K of described relay J 3 is connected on the end on main limit of the instrument transformer H ' that above-mentioned phase three-wire three table uses; the other end on this main limit and described power input as common port (B) join; the normally-closed contact of the switch J3K of described relay connects described power input (A), and normally opened contact connects described power input (C).
CN 952044221995-03-081995-03-08DC power supply for electronic electric energy meterExpired - Fee RelatedCN2221839Y (en)

Priority Applications (1)

Application NumberPriority DateFiling DateTitle
CN 95204422CN2221839Y (en)1995-03-081995-03-08DC power supply for electronic electric energy meter

Applications Claiming Priority (1)

Application NumberPriority DateFiling DateTitle
CN 95204422CN2221839Y (en)1995-03-081995-03-08DC power supply for electronic electric energy meter

Publications (1)

Publication NumberPublication Date
CN2221839Ytrue CN2221839Y (en)1996-03-06

Family

ID=33856948

Family Applications (1)

Application NumberTitlePriority DateFiling Date
CN 95204422Expired - Fee RelatedCN2221839Y (en)1995-03-081995-03-08DC power supply for electronic electric energy meter

Country Status (1)

CountryLink
CN (1)CN2221839Y (en)

Cited By (2)

* Cited by examiner, † Cited by third party
Publication numberPriority datePublication dateAssigneeTitle
CN1298097C (en)*2003-09-302007-01-31夏普株式会社Non-contact power supply system
CN109038484A (en)*2018-07-252018-12-18天钥光电(湖北)股份有限公司Three-phase short of electricity monitoring device

Cited By (3)

* Cited by examiner, † Cited by third party
Publication numberPriority datePublication dateAssigneeTitle
CN1298097C (en)*2003-09-302007-01-31夏普株式会社Non-contact power supply system
CN109038484A (en)*2018-07-252018-12-18天钥光电(湖北)股份有限公司Three-phase short of electricity monitoring device
CN109038484B (en)*2018-07-252023-11-21天钥光电(湖北)股份有限公司Three-phase power failure monitoring device

Similar Documents

PublicationPublication DateTitle
CN101697430B (en)Power control method based CT electricity getting device of high voltage transmission line
CN104635042A (en)Electric energy acquisition module used for intelligent home
CN107994636A (en)A kind of roadside advertising film accumulator charging and discharging state detection device
CN2221839Y (en)DC power supply for electronic electric energy meter
CN204556715U (en)A kind of zero cross detection circuit and convertible frequency air-conditioner
CN204497972U (en)A kind of novel retention time circuit structure
CN220964668U (en)Alternating current input automatic switching rectifier circuit
CN205987137U (en)TV supply circuit
CN203481901U (en)Zero-load low-loss battery charging circuit
CN217766605U (en)Electric quantity metering and displaying circuit of electric appliance, controller and electric appliance
CN207009368U (en)A kind of new resistance-capacitance depressurization and relay drive circuit
CN202217997U (en)Power-failure protection circuit, power-failure protection device and display device
CN201549920U (en)Intelligent charger with alternating current and direct current collinear input
CN212518825U (en)Power supply circuit of mechanical timer
CN2652012Y (en)Back-up AC-DC power supply device
CN2775931Y (en)Digital circuit working power working at high voltage level
CN200983510Y (en)USB interface power supplier
CN203102061U (en)Voltage stabilizer with auto-transformer
CN209344843U (en)A kind of portable middle low power direct current mobile power source of exploration
CN206099488U (en)Universal cell phone power supply circuit
CN206807284U (en)A kind of non-bridge PFC circuits
CN202330553U (en)Intelligent electronic electric energy meter
CN208140795U (en)A kind of high-speed, high precision four-way high-voltage measuring circuit
CN202111490U (en) A Simple and Practical Mobile Uninterruptible Power Supply
CN203616387U (en)Single-phase electric energy meter with special-purpose power supply

Legal Events

DateCodeTitleDescription
C14Grant of patent or utility model
GR01Patent grant
C19Lapse of patent right due to non-payment of the annual fee
CF01Termination of patent right due to non-payment of annual fee

[8]ページ先頭

©2009-2025 Movatter.jp