Movatterモバイル変換


[0]ホーム

URL:


CN219348002U - Plug-in pit temperature detection device - Google Patents

Plug-in pit temperature detection device
Download PDF

Info

Publication number
CN219348002U
CN219348002UCN202321474306.1UCN202321474306UCN219348002UCN 219348002 UCN219348002 UCN 219348002UCN 202321474306 UCN202321474306 UCN 202321474306UCN 219348002 UCN219348002 UCN 219348002U
Authority
CN
China
Prior art keywords
capacitor
resistor
pin
management chip
plug
Prior art date
Legal status (The legal status is an assumption and is not a legal conclusion. Google has not performed a legal analysis and makes no representation as to the accuracy of the status listed.)
Active
Application number
CN202321474306.1U
Other languages
Chinese (zh)
Inventor
马克民
何长根
李云飞
郭明亮
耿东晛
Current Assignee (The listed assignees may be inaccurate. Google has not performed a legal analysis and makes no representation or warranty as to the accuracy of the list.)
Sichuan Analysis And Testing Service Center
Original Assignee
Sichuan Analysis And Testing Service Center
Priority date (The priority date is an assumption and is not a legal conclusion. Google has not performed a legal analysis and makes no representation as to the accuracy of the date listed.)
Filing date
Publication date
Application filed by Sichuan Analysis And Testing Service CenterfiledCriticalSichuan Analysis And Testing Service Center
Priority to CN202321474306.1UpriorityCriticalpatent/CN219348002U/en
Application grantedgrantedCritical
Publication of CN219348002UpublicationCriticalpatent/CN219348002U/en
Activelegal-statusCriticalCurrent
Anticipated expirationlegal-statusCritical

Links

Images

Landscapes

Abstract

The utility model discloses an inserted pit temperature detection device, which comprises a shell and a detection part connected with the shell; a wireless communication circuit and a charging circuit are arranged in the shell; the end part of the detection part is provided with a temperature sensing circuit, and the temperature sensing circuit is provided with a first platinum thermal resistor, a second platinum thermal resistor and a digital converter; the shell is also provided with an LCD screen and a button, the LCD screen is electrically connected with the digitizer and used for displaying the detected temperature, and the button is used for controlling the working state of the device. The utility model fixes the temperature sensor in the pit through the detection part, and adopts the wireless communication circuit and the temperature sensing circuit to realize the collection and the transmission of the temperature of the pit, thereby ensuring the accuracy and the real-time performance of the temperature collection. In the process of completing the temperature acquisition task of the pit, a good expected result can be achieved in terms of the positioning accuracy of detection and the timeliness of transmission.

Description

Plug-in pit temperature detection device
Technical Field
The utility model relates to the technical field of temperature detection, in particular to an inserted pit temperature detection device.
Background
At present, when the temperature of a cellar pool is detected, a manual hand-held thermocouple or an electronic thermometer is generally adopted for detection. However, the detection is performed manually, and because a plurality of point positions are required to be acquired for each task, errors are easy to occur in the judgment of the insertion position and the temperature difference value of the manual handheld thermometer. The detection result of each detection cannot be guaranteed to meet the ideal value under the task specification.
Disclosure of Invention
In view of the above, the present utility model provides a plug-in pit temperature detecting device to solve the above-mentioned problems.
In order to solve the technical problems, the technical scheme of the utility model is as follows:
an insert pit temperature detection device comprising: a housing, and a detection unit connected to the housing; a wireless communication circuit and a charging circuit are arranged in the shell; the end part of the detection part is provided with a temperature sensing circuit, and the temperature sensing circuit is provided with a first platinum thermal resistor, a second platinum thermal resistor and a digital converter; wherein,,
the shell is also provided with an LCD screen and a button, the LCD screen is electrically connected with the digitizer and used for displaying the detected temperature, and the button is used for controlling the working state of the device.
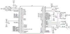
As an alternative way, the wireless communication circuit includes a wireless module U1, a capacitor C2, a capacitor C3, a capacitor C6, a capacitor C7, a capacitor C9, a capacitor C10, a capacitor C11, a capacitor C12, a capacitor C13, a capacitor C14, a capacitor C17, a crystal oscillator X1, a crystal oscillator X3, and an inductor L1, where the capacitor C1 is connected to apin 1 of the wireless module U1, the capacitor C2 is connected to apin 49, and the capacitor C3, the capacitor C7 and the crystal oscillator X1 form a parallel connection; the capacitor C6 is connected with thepin 46 of the wireless module U1, the capacitor C10 is connected with thepin 36, and the capacitor C9 and the capacitor C11 are connected with the crystal oscillator X3 in parallel; the capacitor C12 and the capacitor C14 are connected in parallel and are respectively connected withpins 33 and 32 of the wireless module U1; the capacitor C17 is connected in parallel with the inductance L1.
As an alternative way, the charging circuit includes a charging management chip U8, a light emitting diode D1, a light emitting diode D2, a resistor R8, a resistor R10, a resistor R11, a capacitor C21, and a capacitor C25, where the light emitting diode D1 and the resistor R8 form apin 1 connected in series to the charging management chip U8, the light emitting diode D2 and the resistor R10 form apin 5 connected in series to the charging management chip U8, and the resistor R11 is connected to thepin 6 and grounded; the capacitor C21 is connected with thepin 4 of the charge management chip U8 and grounded, and the capacitor C25 is connected with thepin 3 of the charge management chip U8 and grounded.
As an alternative way, the temperature sensing circuit further comprises a resistor R1, a PCB board X2, a capacitor C4, a capacitor C5 and a capacitor C8, wherein the first platinum thermal resistor and the second platinum thermal resistor are respectively connected with the digitizer and respectively connected with the capacitor C4 and the capacitor C5 in parallel; two ends of the resistor R1 are respectively connected withpins 1 and 4 of the digitizer; the capacitor C8 is connected in parallel with the PCB board X2.
Alternatively, the first and second platinum resistors are PT100 platinum resistor, and the digitizer U2 is an RTD-to-digitizer MAX31865atp+t.
As an alternative, the path formed by connecting the light emitting diode D1 and the resistor R8 to the charge management chip U8 is used for displaying the charge state of the device, the path formed by connecting the light emitting diode D2 and the resistor R10 to the charge management chip U8 is used for displaying the full charge state of the device, and the charge management chip U8 is an LGS4084H charge management chip.
As an alternative, the wireless module is a BLE SoC bluetooth low energy system chip with an AOA positioning technology set up.
As an alternative, the detecting portion is detachably connected to the housing.
The utility model has the beneficial effects that:
according to the plug-in pit temperature detection device provided by the utility model, the acquisition and transmission of pit temperature are realized by adopting the wireless communication circuit and the temperature sensing circuit, and the insertion and positioning of the acquisition points of operators in the process of performing tasks are ensured to meet the specifications by a positioning technology; the temperature information is directly transmitted to the external terminal through the wireless communication technology, and the difference value avoiding the judgment error is not required to be read manually. The accuracy and the real-time performance of the pit temperature acquisition are ensured, and a good expected result can be achieved in the aspect of the positioning accuracy and the timeliness of transmission of detection.
Drawings
Fig. 1 is a schematic circuit diagram of a wireless communication circuit according to an embodiment of the present utility model;
fig. 2 is a schematic diagram of a charging circuit according to an embodiment of the present utility model;
FIG. 3 is a schematic diagram of a temperature sensing circuit according to an embodiment of the present utility model;
fig. 4 is a schematic structural diagram of a temperature detecting device according to an embodiment of the present utility model.
Sequence numbers and corresponding relation in the drawings:
1-housing, 2-detection part, 3-LCD screen, 4-button.
Detailed Description
In order to make the technical scheme of the present utility model better understood by those skilled in the art, the present utility model will be further described in detail with reference to the following specific embodiments.
Examples
Referring to fig. 1-4, the present utility model provides an inserted pit temperature detection device, which includes: ahousing 1, and aprobe 2 connected to thehousing 1. As an alternative, in this embodiment, the detectingunit 2 is a temperature measuring probe having a structure similar to a spike structure, and one end of the temperature measuring probe is detachably connected to thehousing 1, and the other end is provided with a single-point or multi-point temperature sensor. The detachable connection may comprise a snap connection, a swivel connection, a screw connection or the like, with the purpose that different sizes of thedetection part 2 may be selected according to the depth of different pit. The specific connection mode, size and model are not limited, and can be selected and configured according to the actual production environment. A wireless communication circuit and a charging circuit are arranged in theshell 1, and a temperature sensing circuit is arranged at the end part of the temperature sensor. In the connection part in the present embodiment, a circuit connection element is provided at the connection part of theprobe part 2 and thehousing 1, so that the above-mentioned circuits can be communicated to form a path. The temperature sensing circuit is provided with a first platinum thermal resistor, a second platinum thermal resistor and a digital converter; wherein, theshell 1 is also provided with anLCD screen 3 and abutton 4, theLCD screen 3 is electrically connected with the digitizer and used for displaying the detected temperature, and thebutton 4 is used for controlling the working state of the device. For example, an operator can start, stop, upload data, etc. the device by pressing keys, and view the device temperature and other information through theLCD screen 3. The number, type and function of thebuttons 4 are not limited in this embodiment.
In order to achieve the above-mentioned effects, the main control circuit of the present embodiment is se:Sub>A wireless communication circuit, and bluetooth communication is implemented by using se:Sub>A BLE SoC chip that carries an AOA positioning technology and/or NFC-se:Sub>A. Therefore, the mobile phone or other upper computer equipment can establish a link relation with the equipment through NFC, bluetooth or other modes, can perform two-way communication with the equipment, and achieve the purposes of controlling acquisition through command driving, and performing operations such as startup and shutdown, temperature acquisition, positioning, display, setting and the like by matching with different key triggering events on theshell 1. In this embodiment, the wireless communication circuit includes a wireless module U1, a capacitor C2, a capacitor C3, a capacitor C6, a capacitor C7, a capacitor C9, a capacitor C10, a capacitor C11, a capacitor C12, a capacitor C13, a capacitor C14, a capacitor C17, a crystal oscillator X1, a crystal oscillator X3, and an inductor L1. The capacitor C1 is connected with thepin 1 of the wireless module U1, the capacitor C2 is connected with thepin 49, and the capacitor C3 and the capacitor C7 are connected with the crystal oscillator X1 in parallel; the capacitor C6 is connected with thepin 46 of the wireless module U1, the capacitor C10 is connected with thepin 36, the capacitor C9 and the capacitor C11 are connected with the crystal oscillator X3 in parallel, the capacitor C9 is connected with the 34 XC1 pin of the wireless module U1, and the capacitor C11 is connected with the 35 XC2 pin. The capacitor C12 and the capacitor C14 are connected in parallel and are respectively connected withpins 33 and 32 of the wireless module U1; the capacitor C17 is connected in parallel with the inductor L1, and the inductor L1 is located at the ANT antenna radio frequency on thepin 30. In addition, thepin 7 of the wireless module U1 is a switch control pin, thepin 8 is an enable pin of the ADC power supply, thepin 9 is an enable pin of the LCD, thepin 10 is an enable pin of the temperature sensor, and thepin 15 is a control pin of the LED.Pin 19,pin 20,pin 21,pin 22,pin 23 are used to connect withpin 18,pin 14,pin 13,pin 12 andpin 11, respectively, of the digital converter in the temperature sensing circuit.Pins 25 and 26 are download ports, andpins 37 KEY IN and 43 KEY2 are KEY input pins. In addition, pins 38-42 are used to connect to external LCD circuitry. The embodiment is not limited to a specific LCD, and thus will not be described in detail. In this way, each device is equipped with bluetooth and AOA positioning techniques to accurately measure the device's position in the pit. This may be accomplished by installing a bluetooth beacon in the pit to transmit the device location to the central controller. In addition, other modes such as UWB positioning and the like can be selected for implementation, and only related hardware needs to be correspondingly modified, which is not repeated in this embodiment.
Considering the actual use environment and detection range, the first platinum resistor and the second platinum resistor in this embodiment are platinum resistors with the model PT100, and are set in a temperature sensing circuit for collection. The digitizer uses an RTD platinum resistance to digitizer with 15 bit ADC resolution supporting 100 Ω to 1kΩ (at 0 ℃) platinum resistance RTD (PT 100 to PT 1000). Specifically, the temperature sensing circuit further comprises a resistor R1, a PCB X2, a capacitor C4, a capacitor C5 and a capacitor C8, wherein the first platinum thermal resistor and the second platinum thermal resistor are respectively connected with the digitizer and respectively connected with the capacitor C4 and the capacitor C5 in parallel. Two ends of the resistor R1 are respectively connected with apin 1 and apin 4 of the digitizer; the capacitor C8 is connected in parallel with the PCB board X2. The first platinum resistor PT100 is connected to thepin 20 of the digitizer, and the second platinum resistor PT100 is connected to thepin 19. The RTD-to-digitizer is, as an alternative, MAX31865atp+t, and a wireless transceiver unit is embedded therein. Thus, in combination with the wireless communication circuit, the upper computer or other terminals communicate with each device via bluetooth, and remotely control each device to initiate temperature acquisition and recover data.
In addition, in order to maintain the operation of theLCD screen 3, thebutton 4 and other circuits, the present embodiment further provides a charging circuit, which includes a charge management chip U8, a light emitting diode D1, a light emitting diode D2, a resistor R8, a resistor R10, a resistor R11, a capacitor C21 and a capacitor C25, wherein the light emitting diode D1 and the resistor R8 form apin 1 connected in series to the charge management chip U8, the light emitting diode D2 and the resistor R10 form apin 5 connected in series to the charge management chip U8, the resistor R11 is a PROG pin resistor, and theconnection pin 6 is grounded. The capacitor C21 is connected with thepin 4 of the charge management chip U8 and grounded, and the capacitor C25 is connected with thepin 3 of the charge management chip U8 and grounded. The charge management chip U8 is an LGS4084H charge management chip, a path formed by connecting the light emitting diode D1 and the resistor R8 with the charge management chip U8 is used for displaying the charge state of the device, and a path formed by connecting the light emitting diode D2 and the resistor R10 with the charge management chip U8 is used for displaying the full state of the device. In an alternative, when charged, light emitting diode D1 is on and light emitting diode D2 is off; when full, the light emitting diode D1 is turned off and the light emitting diode D2 is turned on. In addition, the LED D1 can be arranged in a manner of flashing when the circuit of the LED is abnormal so as to remind an operator of checking and maintaining. Thus, the visualized charging can be carried out on the battery during manual inspection, so that the service life of the embodiment is prolonged, and the working applicability of the battery is improved.
The foregoing is merely a preferred embodiment of the present utility model, and it should be noted that the above-mentioned preferred embodiment should not be construed as limiting the utility model, and the scope of the utility model should be defined by the appended claims. It will be apparent to those skilled in the art that various modifications and adaptations can be made without departing from the spirit and scope of the utility model, and such modifications and adaptations are intended to be comprehended within the scope of the utility model.

Claims (8)

2. The plug-in pit temperature detection device according to claim 1, wherein the wireless communication circuit comprises a wireless module U1, a capacitor C2, a capacitor C3, a capacitor C6, a capacitor C7, a capacitor C9, a capacitor C10, a capacitor C11, a capacitor C12, a capacitor C13, a capacitor C14, a capacitor C17, a crystal oscillator X1, a crystal oscillator X3 and an inductor L1, wherein the capacitor C1 is connected with a pin 1 of the wireless module U1, the capacitor C2 is connected with a pin 49, and the capacitor C3 and the capacitor C7 are connected in parallel with the crystal oscillator X1; the capacitor C6 is connected with the pin 46 of the wireless module U1, the capacitor C10 is connected with the pin 36, and the capacitor C9 and the capacitor C11 are connected with the crystal oscillator X3 in parallel; the capacitor C12 and the capacitor C14 are connected in parallel and are respectively connected with pins 33 and 32 of the wireless module U1; the capacitor C17 is connected in parallel with the inductance L1.
CN202321474306.1U2023-06-122023-06-12Plug-in pit temperature detection deviceActiveCN219348002U (en)

Priority Applications (1)

Application NumberPriority DateFiling DateTitle
CN202321474306.1UCN219348002U (en)2023-06-122023-06-12Plug-in pit temperature detection device

Applications Claiming Priority (1)

Application NumberPriority DateFiling DateTitle
CN202321474306.1UCN219348002U (en)2023-06-122023-06-12Plug-in pit temperature detection device

Publications (1)

Publication NumberPublication Date
CN219348002Utrue CN219348002U (en)2023-07-14

Family

ID=87099489

Family Applications (1)

Application NumberTitlePriority DateFiling Date
CN202321474306.1UActiveCN219348002U (en)2023-06-122023-06-12Plug-in pit temperature detection device

Country Status (1)

CountryLink
CN (1)CN219348002U (en)

Similar Documents

PublicationPublication DateTitle
EP2693224B1 (en)Gateway devices and methods for measuring parameters with handheld devices
CN106031090B (en) System and method for data exchange and control with wireless communication terminal on welding system
US20140035607A1 (en)Handheld Devices, Systems, and Methods for Measuring Parameters
JP4487184B2 (en) Repeater with best position search function
US10811865B2 (en)Devices, systems, and methods for obtaining operational data from circuit breakers
JP5993598B2 (en) Simultaneous meter reading method for handy wireless meter reading system
CN219348002U (en)Plug-in pit temperature detection device
JP5839989B2 (en) Measuring system
CN106254193B (en)Fieldbus device for detecting operating state of automation equipment
CN102565489A (en)Remote-control electronic multimeter
CN205541377U (en)Portable hand -held type mobile data acquisition ware
CN208172238U (en)A kind of parametric calibration device of the localizer beacon based on near-field communication
CN106443695A (en)Laser ranging system
US11483198B2 (en)Wireless multi-port meter programming and testing device
CN110049475A (en)A kind of man-machine interaction method and system of electronic ruler
CN215678786U (en) Long-range baseline measurement system for GPS receiver calibration based on long-distance wireless communication
CN218350509U (en)Multifunctional signal testing and positioning system
US20110193548A1 (en)Separation-type avometer
CN112188390A (en)Mobile card reading terminal based on dual-frequency wireless communication technology, communication method and device
CN221946594U (en)Multifunctional instrument Bluetooth debugger
CN110377076B (en)Intelligent temperature control device for mass concrete curing based on wireless transmission
CN222914195U (en) A Type-C test system and device
CN210609142U (en)Intercom interface board and intercom detecting system
CN210327611U (en)Interphone detection system based on smart phone
CN219372433U (en)UWB module detection device

Legal Events

DateCodeTitleDescription
GR01Patent grant
GR01Patent grant

[8]ページ先頭

©2009-2025 Movatter.jp