Movatterモバイル変換


[0]ホーム

URL:


CN219316435U - Pressure sensing concrete vibrating device - Google Patents

Pressure sensing concrete vibrating device
Download PDF

Info

Publication number
CN219316435U
CN219316435UCN202320472456.2UCN202320472456UCN219316435UCN 219316435 UCN219316435 UCN 219316435UCN 202320472456 UCN202320472456 UCN 202320472456UCN 219316435 UCN219316435 UCN 219316435U
Authority
CN
China
Prior art keywords
module
pressure
power supply
output
control
Prior art date
Legal status (The legal status is an assumption and is not a legal conclusion. Google has not performed a legal analysis and makes no representation as to the accuracy of the status listed.)
Active
Application number
CN202320472456.2U
Other languages
Chinese (zh)
Inventor
华康虎
赵祖儿
谭积钻
唐曼莉
吕忠宇
王河
葛健良
Current Assignee (The listed assignees may be inaccurate. Google has not performed a legal analysis and makes no representation or warranty as to the accuracy of the list.)
Beihai Institute Of Art And Design
Original Assignee
Beihai Institute Of Art And Design
Priority date (The priority date is an assumption and is not a legal conclusion. Google has not performed a legal analysis and makes no representation as to the accuracy of the date listed.)
Filing date
Publication date
Application filed by Beihai Institute Of Art And DesignfiledCriticalBeihai Institute Of Art And Design
Priority to CN202320472456.2UpriorityCriticalpatent/CN219316435U/en
Application grantedgrantedCritical
Publication of CN219316435UpublicationCriticalpatent/CN219316435U/en
Activelegal-statusCriticalCurrent
Anticipated expirationlegal-statusCritical

Links

Images

Landscapes

Abstract

The application provides a pressure sensing concrete vibrating device, which comprises a driving motor, a transmission hose, a vibrating rod and a control box; the driving motor is provided with a rotating output shaft, one end of the transmission hose is connected with the rotating output shaft, and the other end of the transmission hose is connected with the vibrating rod; the outer surface of the vibrating rod is provided with a sheath, and a pressure sensor for detecting the compactness of concrete is arranged between the sheath and the vibrating rod; the control box comprises a box body and a control circuit arranged in the box body, wherein the control circuit comprises a main power supply terminal module, a power supply switch module, a motor control module, a control power supply module, a direct current conversion module, an analog quantity input module and a CPU module. The pressure sensing concrete vibrating device can detect the pressure of the density of the vibrated concrete, and power supply and control are realized through a simple and reliable control circuit.

Description

Pressure sensing concrete vibrating device
Technical Field
The application relates to the technical field of concrete pouring detection, in particular to a pressure sensing concrete vibrating device.
Background
In concrete pouring construction operation, generally, concrete should be poured in sections and vibrated in sections, for example, after 500mm-1000mm is poured, the next section is poured after the vibration is compact. The concrete is in a heavy liquid state, and the process of vibrating the concrete is that the air in the concrete is removed and the aggregate particles are uniformly distributed, so that the pressure in the concrete is changed from small to large until the pressure is not increased or is slowly increased after the concrete is vibrated and compacted.
The compactness and uniformity are key indexes of concrete pouring quality, and the research on how to detect key parameters is an important direction in the field of concrete pouring construction. For example: one patent of the utility model granted by the academy of science and technology in 2014 discloses a concrete vibrator which detects bubbles and non-dense areas in concrete through a radar module so as to monitor and control the quality of the concrete; the utility model relates to a device and a method for intelligently monitoring concrete vibration through cable change, which are disclosed in 2020 by a new material limited company of a Zhonghua Wuhan harbor in China, and the device and the method for intelligently monitoring the concrete vibration through current change are used for establishing an optimal vibration time judging model for the concrete, so that real-time monitoring of the compact state of the concrete and automatic judgment of the vibration time end point in the vibration process are realized, the obtained vibration quality is high, and the vibration quality is stable; one patent application of the utility model published in 2022 by the ten-day-yang hydroelectric power plant of Datang shanxi power generation limited company mentions a concrete vibration compaction degree monitoring device, which connects a vibration assembly to a movable seat, and a monitoring mechanism is arranged on one side of the vibration assembly so as to monitor in real time in the vibration process.
Although the research on concrete vibration monitoring is continuously carried out in recent years, the problems that a structure or a control circuit system is complex, the monitoring is inaccurate, the concrete vibration monitoring is not suitable for casting construction operation environments and the like still exist.
Therefore, research on a vibrating device which has strong applicability, reliable control circuit, accurate monitoring and long service life and can monitor vibrating quality is still a problem to be solved by the person skilled in the art.
Disclosure of Invention
In order to overcome the defects in the prior art, the application provides a pressure sensing concrete vibrating device which is simple in structure and reliable in control circuit, and can monitor the vibrating compactness when vibrating concrete.
The application provides a pressure sensing concrete vibrating device, which comprises a driving motor, a transmission hose, a vibrating rod and a control box;
the driving motor is provided with a rotating output shaft, one end of the transmission hose is connected with the rotating output shaft, and the other end of the transmission hose is connected with the vibrating rod; the outer surface of the vibrating rod is provided with a sheath, and a pressure sensor for detecting the compactness of concrete is arranged between the sheath and the vibrating rod;
the control box includes the box body and set up in the inside control circuit of box body, control circuit includes main power supply terminal module, switch module, motor control module, control power module, direct current conversion module, analog input module and CPU module, wherein:
the main power supply terminal module is used for being connected with an external main power supply circuit, the output of the main power supply terminal module comprises a plurality of live wires, a zero wire and a ground wire, and the ground wire is grounded;
the power switch module is connected in series with the live wire and is used for controlling the output on-off of the main power supply of the control box;
the motor control module is used for controlling the power on-off of the driving motor;
the control power supply module is used for controlling and outputting single-phase alternating current;
the direct current conversion module is used for converting the alternating current into low-voltage direct current, and the low-voltage direct current of the direct current conversion module is respectively connected and output to the analog input module and the CPU module;
the analog quantity processing module is coupled with the pressure sensor, so that a detection signal of the pressure sensor is transmitted to the analog quantity processing module and is processed into a pressure analog signal; the analog quantity processing module is also coupled with the CPU module and transmits a pressure analog signal to the CPU module for processing;
the CPU module receives the pressure analog signal and generates a motor control signal, and the CPU module is further coupled and connected with the motor control module so as to transmit the motor control signal to the motor control module for motor control.
The control circuit is used for carrying out power supply and signal control connection on the pressure sensing concrete vibrating device, so that the coupling of the pressure sensor and the running state of the driving motor is realized, and the association of pressure sensing detection and motor running is realized.
In an alternative implementation manner, an annular groove is formed on the outer surface of the vibrating rod along the circumferential direction, and the pressure sensor is attached to the annular groove; the pressure sensor is arranged between the equalizing ring and the annular groove and is abutted to the equalizing ring.
According to the vibrating device of the implementation mode, through the design of the equalizing ring, the pressure of concrete outside the vibrating rod can uniformly act on the pressure sensor after passing through the equalizing ring, so that the pressure detection value of the pressure sensor is more accurate.
According to the technical scheme provided by the implementation mode, the pressure sensing concrete vibrating device can detect the pressure of the density of the vibrated concrete, power supply and control are realized through a simple and reliable control circuit, and accurate monitoring of the pressure is realized through the design of the equalizing ring.
Drawings
In order to more clearly illustrate the technical solutions of the embodiments of the present application, the drawings that are needed in the description of the embodiments will be briefly introduced below, and it is obvious that the drawings in the following description are only some embodiments of the present application, and that other drawings may be obtained according to these drawings without inventive effort for a person skilled in the art.
Fig. 1 is a schematic structural diagram of a pressure sensing concrete vibrating device according to an embodiment of the present disclosure;
fig. 2 is a schematic view of a part of a pressure sensing concrete vibrating device according to an embodiment of the present application, which shows a structure including a vibrating rod, a sheath and a grading ring;
FIG. 3 is an exploded view of a portion of a structure of a pressure sensing concrete vibrating device according to an embodiment of the present application, including a vibrating rod, a sheath, and a grading ring structure;
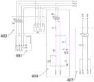
FIG. 4 is a schematic diagram of a control circuit of a pressure-sensing concrete vibrating device according to an embodiment of the present disclosure;
FIG. 5 is a schematic diagram of a portion of a control circuit of a pressure-sensing concrete vibrating device according to an embodiment of the present disclosure, including a main power terminal module, a power switch module, a control power module, and a DC conversion module;
FIG. 6 is a partial wiring diagram of a control circuit of a pressure sensing concrete vibrating device according to an embodiment of the present application, including a motor control module;
fig. 7 is a schematic diagram of a control circuit part of a pressure sensing concrete vibrating device according to an embodiment of the present application, which includes an analog input module and a CPU module.
Reference numerals illustrate:
1. a driving motor; 101. rotating the output shaft; 2. a transmission hose; 3. vibrating rod; 301. an annular groove; 4. a control box; 5. a sheath; 6. a pressure sensor; 7. equalizing rings; 71. equalizing soft shell; 72. equalizing liquid;
401. a main power supply terminal module; 402. a power switch module; 403. a motor control module; 404. a control power module; 405. an AC/DC conversion module; 406. an analog input module; 407. and a CPU module.
Detailed Description
The following description of the embodiments of the present application will be made clearly and fully with reference to the accompanying drawings, in which it is evident that the embodiments described are only some, but not all, of the embodiments of the present application. All other embodiments, which can be made by one of ordinary skill in the art without undue burden from the present disclosure, are within the scope of the present disclosure.
The terms "first," "second," and the like herein are used for descriptive purposes only and are not to be construed as indicating or implying relative importance or implicitly indicating the number of technical features indicated. Thus, a feature defining "a first" or "a second" may explicitly or implicitly include one or more such feature. In the description of the present application, unless otherwise indicated, the meaning of "a plurality" is two or more.
Furthermore, herein, the terms "upper," "lower," and the like, are defined with respect to the orientation in which the structure is schematically disposed in the drawings, and it should be understood that these directional terms are relative concepts, which are used for descriptive and clarity with respect thereto and which may be varied accordingly with respect to the orientation in which the structure is disposed.
For convenience of understanding, the following description will explain and describe english abbreviations and related technical terms related to the embodiments of the present application.
QF: an air switch; KM: an alternating current contactor; FR: a thermal relay; FU: a fuse; KV: a voltage relay; KA: an intermediate relay; SB: a push button switch; g1; an ac/dc converter.
Referring to fig. 1 and 4, the present embodiment provides a pressure sensing concrete vibrating device, which specifically includes a drivingmotor 1, atransmission hose 2, a vibratingrod 3 and acontrol box 4; the drivingmotor 1 is provided with arotating output shaft 101, one end of thetransmission hose 2 is connected with therotating output shaft 101, and the other end of thetransmission hose 2 is connected with the vibratingrod 3; the outer surface of the vibratingrod 3 is provided with asheath 5, and apressure sensor 6 for detecting the compactness of concrete is arranged between thesheath 5 and the vibratingrod 3.
In this embodiment, the drivingmotor 1, thetransmission hose 2 and the vibratingrod 3 may be operated according to a conventional scheme. Specifically, when the drivingmotor 1 runs, the drivingoutput shaft 101 is driven to rotate, a transmission bar is arranged in thetransmission hose 2, an eccentric vibrator is arranged in the vibratingrod 3, after thetransmission hose 2 is connected with the drivingoutput shaft 101 and the vibratingrod 3, the rotation of the drivingoutput shaft 101 is transmitted to the eccentric vibrator in the vibratingrod 3 through the transmission bar, and the vibration of the eccentric vibrator enables the whole vibratingrod 3 to generate high-frequency micro-amplitude mechanical vibration. During operation, insert vibratingrod 3 in the concrete, directly transmit the peripheral concrete with vibration energy through vibratingrod 3, reach the closely knit effect of vibration.
Through the design ofsheath 5, can avoid the direct collision harm of grit etc. to pressuresensor 6 in the concrete when vibrating, promote life.
During the vibrating operation, the vibratingrod 3 is in a high-frequency vibrating state after being inserted into the concrete, so that the pressure fed back to the vibratingrod 3 by the concrete can change in a relatively rapid floating way; and the pressure of the outer periphery of the vibratingrod 3 may vary unevenly due to the oscillation of the vibration. These factors can lead to difficulties in accurately monitoring uniform compaction data of the concrete by thepressure sensor 6.
Therefore, in order to solve this problem, a solution is provided in the present embodiment. Specifically, as shown in fig. 2 and 3, anannular groove 301 is formed on the outer surface of the vibratingrod 3 along the circumferential direction, and thepressure sensor 6 is attached to theannular groove 301; thepressure sensor 6 is arranged between thepressure equalizing ring 7 and theannular groove 301 and is abutted against thepressure equalizing ring 7. In this embodiment, the equalizingring 7 includes a hollow ring-shaped equalizingsoft shell 71 and equalizingliquid 72 filled in the equalizingsoft shell 71, an outer peripheral surface of the equalizingsoft shell 71 contacts with an inner surface of thesheath 5, and an inner peripheral surface of the equalizingsoft shell 71 contacts with thepressure sensor 6.
Through the design of equalizingring 7, can avoidpressure sensor 6 can only detect the defect of single atress point, carry out even atress with the parcel pressure that vibratingbar 3 peripheral concrete produced because of vibrating closely knit. The basic principle is that concrete is acted on each point partial pressure of vibratingrod 3, through setting up ofequalizer ring 7, especially through setting up ofinside equalizer liquid 72, can play buffering and even atress's effect, form the whole pressurized toequalizer ring 7, consequently,pressure sensor 6 can accurately monitor the pressure of concrete through detecting the pressure thatequalizer ring 7 received, monitors the compaction degree of concrete promptly.
Specifically, thepressure equalizing liquid 72 is water or hydraulic oil. In this embodiment, various commercially available hydraulic oils can be used as thepressure equalizing liquid 72.
In order to improve the uniformity and accuracy of the pressure monitoring, in connection with fig. 3, in this embodiment, the number ofpressure sensors 6 is 2 and are oppositely disposed in theannular groove 301. Meanwhile, 2pressure sensors 6 are arranged, so that a guarantee function can be achieved, and when onepressure sensor 6 fails, theother pressure sensor 6 can still continuously provide monitoring data.
The pressure sensor used in the present embodiment may be a pressure sensor in a conventional technology, such as a piezoresistive pressure sensor, a ceramic pressure sensor, a piezoelectric pressure sensor, or the like.
In this embodiment, as shown in fig. 4 to 7, thecontrol box 4 includes a box body and a control circuit disposed in the box body, where the control circuit includes a mainpower terminal module 401, apower switch module 402, amotor control module 403, acontrol power module 404, an ac/dc conversion module 405, ananalog input module 406, and aCPU module 407, and the control circuit includes:
the main powersupply terminal module 401, wherein the main powersupply terminal module 401 is used for being connected with an external main power supply circuit, the main powersupply terminal module 401 outputs a plurality of live wires, a zero wire and a ground wire, and the ground wire is grounded;
thepower switch module 402 is connected in series with the live wire, and thepower switch module 402 is used for controlling the on-off of the output of the main power supply of thecontrol box 4;
themotor control module 403 is connected with a live wire output by thepower switch module 402 and input to themotor control module 403, an output live wire of themotor control module 403 is connected with and input to the drivingmotor 1, and themotor control module 403 is used for controlling the power on-off of the drivingmotor 1;
acontrol power module 404, where a live wire output by thepower switch module 402 and a zero wire output by the mainpower terminal module 401 are connected and input to thecontrol power module 404, and thecontrol power module 404 is used to control and output single-phase alternating current;
the ac/dc conversion module 405, the single-phase ac output by thecontrol power module 404 is connected to the ac/dc conversion module 405, the ac/dc conversion module 405 is configured to convert the ac into low-voltage dc, and the low-voltage dc of the ac/dc conversion module 405 is respectively connected to theanalog input module 406 and theCPU module 407;
the analog quantity processing module is coupled and connected with thepressure sensor 6 so as to transmit a detection signal of thepressure sensor 6 to the analog quantity processing module and process the detection signal into a pressure analog signal; the analog processing module is further coupled to theCPU module 407, and transmits a pressure analog signal to theCPU module 407 for processing;
theCPU module 407 receives the pressure analog signal and generates a motor control signal, and theCPU module 407 is further coupled and connected with themotor control module 403 to transmit the motor control signal to themotor control module 403 for motor control.
Wherein, thepower switch module 402 includes a first air switch, an input end of the first air switch is connected in series with the live wire, and an output end of the live wire of the first air switch is coupled to themotor control module 403.
Themotor control module 403 includes a first intermediate relay, a second ac contactor, and a first thermal relay, where a live wire output end of the first air switch is sequentially connected in series with the first intermediate relay, the second ac contactor, and the first thermal relay, and a live wire output end of the first thermal relay is coupled to an input end of the drivingmotor 1.
Thecontrol power module 404 includes a second air switch, a first fuse, and an emergency stop button switch, wherein an input end of the second air switch is respectively connected to a live wire and a neutral wire output by thepower switch module 402, and an output end of the live wire of the second air switch is connected in series with the first fuse; and a live wire at the rear end of the first fuse is provided with a parallel branch wire, and the parallel branch wire is connected in series with the emergency stop button switch and the electromagnetic coil of the first intermediate relay.
Thedc conversion module 405 includes an ac-dc converter and a second fuse, the output live wire and the output zero wire of thecontrol power module 404 are respectively connected to the input end of the ac-dc converter, and the dc output wire of the ac-dc converter is connected to the second fuse in series.
The dc output lines of the ac-dc converter are respectively connected to the analog processing module and theCPU module 407, and the analog processing module is connected to theCPU module 407 in a signal coupling manner;
theCPU module 407 includes a plurality of input terminals, a start button switch, a stop button switch, and an overload protection relay, where the start button switch, the stop button switch, and the overload protection relay are connected in parallel to each other and respectively coupled to the dc output line of the ac-dc converter and the input terminals.
By way of example, the present embodiment is described in detail with reference to fig. 5 to 7 with a three-phase power input.
Referring to fig. 5, in the main powersupply terminal module 401, the ground line PE is provided to be grounded, and includes a live wire terminal for connecting 3 live wires (L1-12, L2-12, L3-12), a neutral terminal for connecting the neutral wire N, and a ground terminal for connecting the ground line PE.
The live wires L1-12, L2-12 and L3-12 are connected with a first air switch QF1 after coming out of the mainpower terminal module 401, the first air switch QF1 is used for controlling the on-off of a main power supply, and the first air switch QF1 outputs the live wires L1-1, L2-1 and L3-1;
the intermediate nodes of the output live wires L1-1, L2-1 and L3-1 of the zero line N and the first air switch QF1 are connected to a first voltage relay KV1.
The neutral line N and the intermediate node of one of the hot lines output by the first air switch QF1 are also connected to thecontrol power module 404, and in this embodiment, the connection L2-1 is taken as an example, and in other embodiments, the hot line L1-1 or the hot line L3-1 is also selected. Specifically, the neutral line N and the live line L2-1 are connected to a second air switch QFa1; the output fire wire of the second air switch QFa is labeled fire wire L424 and the output neutral wire is labeled neutral wire N420;
the middle of the live wire L424 is connected in series with a first fuse FU1 and also connected in series with an auxiliary normally open contact of a first alternatingcurrent contactor KM 1; the middle of the live wire L424 is also provided with a parallel branch wire, and the parallel branch wire is connected with an emergency stop button switch SB1 and an electromagnetic coil part of the first alternating current contactor KM1 and is also connected with a normally open contact of the phase assurance protector KV1 in series. In this embodiment, the parallel branch line is further connected with an indicator lamp HL1 to indicate the on-off condition of the control power line.
The live wire L424 and the zero wire N420 are connected into a switching power supply G1, the switching power supply G1 converts AC220V into DC24V direct current output, the DC output line of the switching power supply G1 is connected with a second fuse FU2 in series, and the output line of the switching power supply G1 is divided into an anode 24V2 and a cathode 0V2;
the output live wires L1-1, L2-1 and L3-1 are sequentially connected in series with a switching part of the first alternating current contactor KM1, the second alternating current contactor KM11 and the first thermal relay FR11, and then are connected to a three-phase input end of the drivingmotor 1;
themotor control module 403 is further provided with a control loop, and the control loop comprises a first intermediate relay KA11, an electromagnetic coil part of the second alternating current contactor KM11 and an on-off control part of the first thermal relay FR 11; the branch line of the live wire L424 is sequentially connected with the first intermediate relay KA11, the electromagnetic coil part of the second alternating-current contactor KM11 and the on-off control part of the first thermal relay FR11, and then connected with the zero line N420 to form a control loop; wherein the second ac contactor KM11 and the components of the first thermal relay FR11 are coupled.
The direct current line 24V2 and the direct current line 0V2 are both connected to theCPU module 407 and the analog processing module.
In this embodiment, theCPU module 407 is a CPU module of model PLCsmart ST20 of siemens corporation, and the analog processing module is an analog processing module of model EM AE04 of siemens corporation.
TheCPU module 407 is provided with a plurality of input terminals, and the direct current line 24V2 is connected with the start button switch SB2, the stop button switch SB3 and the overload protection relay FR11 in parallel and then is connected with the input terminals of theCPU module 407; theCPU module 407 is also connected with an electromagnetic coil part of the first intermediate relay KA11 so as to be coupled with a control part of the first intermediate relay KA11 of themotor control module 403 to realize on-off control;
the CPU module and the analog processing module are in signal coupling connection through a signal wire;
the analog processing module is also in signal connection with thepressure sensor 6 to receive the signal of thepressure sensor 6.
In this embodiment, the control circuit is built-in thecontrol box 4, and the panel ofcontrol box 4 sets up power indicator, scram button, start button, stop button, andcontrol box 4 can save alone, inserts the power when using, and on vibratingrod 3 connects output terminal, it is very convenient.
The operation method of the pressure sensing concrete vibrating device comprises the following steps:
first air switch QF1 is electrified, power indicator HL1 is normal, start button can be pressed at this time, vibratingrod 3 starts working, andpressure sensor 6 continuously monitors. When the pressure change is stable and the change is small, the vibration rod automatically stops working. When the stop button is pressed, the operation of the vibrating rod can be stopped at any time. The emergency stop button can be pressed to cut off the power supply, so that the safety of equipment and personnel is protected in emergency.
The related principle of the pressure sensing concrete vibrating device is as follows: according to the relevant principles of dynamics, when the concrete is progressively vibrated, the vibratingrod 3 will tend to stabilize under pressure from the surrounding concrete. Thepressure sensor 6 is additionally arranged on theconcrete vibrating rod 3, the pressure value is transmitted to theCPU module 407 by thepressure sensor 6 in the vibrating process, theCPU module 407 analyzes and compares the transmitted pressure value, after the pressure amplitude of thepressure sensor 6 is gradually stable for a plurality of times, theCPU module 407 controls to send out a reminding signal, and meanwhile, the control signal is transmitted to themotor control module 403 to control the drivingmotor 1 to intermittently operate, so that workers are reminded of vibrating compaction.
When the worker lifts the vibratingrod 3 again, since the compactness of the concrete around the vibratingrod 3 becomes sparse, the pressure amplitude sensed by thepressure sensor 6 will also change and cannot be kept stable, theCPU module 407 receives the data and compares the data, and then transmits the signal to themotor control module 403, so as to control the drivingmotor 1 to continue to operate, so that the vibratingrod 3 continues to operate normally. When the vibratingrod 3 is in the air, the pressure amplitude sensed by thepressure sensor 6 will be reduced to a preset low value and kept stable, theCPU module 407 receives the data and compares the data to transmit a signal to themotor control module 403, so as to control the intermittent operation or the stop operation of the drivingmotor 1, so that the vibratingrod 3 has an energy-saving effect.
The pressure sensing concrete vibrating device can also expand and control a plurality of vibrating bars, is very convenient to use, scientifically controls the vibration of concrete, reduces the influence of human factors, and is very beneficial to the quality improvement of the concrete.
In the application, the analog processing module receives and processes and converts the analog, which can be implemented by adopting a conventional prior art, and the application is not further described or limited; theCPU module 407 receives the pressure signal data, compares the pressure signal data with a preset value, and sends out a control signal, which can be set according to a conventional technical scheme and in combination with an operation instruction provided by a manufacturer of devices of theCPU module 407, which is not further described or limited in the present application; the physical connection of thepressure sensor 6 can be realized by adopting a conventional technical means, for example, a rod body of the vibratingrod 3 can be drilled, a control circuit of thepressure sensor 6 penetrates into the vibratingrod 3, extends to the end of the drivingmotor 1 along thetransmission hose 2, and is led out to be connected to thecontrol box 4.
The pressure sensing concrete vibrating device provided by the embodiment of the application is described in detail, and specific examples are applied to explain the principle and the embodiment of the application, and the description is only used for helping to understand the method and the core mechanism of the application; meanwhile, as those skilled in the art will have modifications in specific embodiments and application scope in accordance with the ideas of the present application, the present disclosure should not be construed as limiting the present application in view of the above description.

Claims (10)

CN202320472456.2U2023-03-142023-03-14Pressure sensing concrete vibrating deviceActiveCN219316435U (en)

Priority Applications (1)

Application NumberPriority DateFiling DateTitle
CN202320472456.2UCN219316435U (en)2023-03-142023-03-14Pressure sensing concrete vibrating device

Applications Claiming Priority (1)

Application NumberPriority DateFiling DateTitle
CN202320472456.2UCN219316435U (en)2023-03-142023-03-14Pressure sensing concrete vibrating device

Publications (1)

Publication NumberPublication Date
CN219316435Utrue CN219316435U (en)2023-07-07

Family

ID=87024441

Family Applications (1)

Application NumberTitlePriority DateFiling Date
CN202320472456.2UActiveCN219316435U (en)2023-03-142023-03-14Pressure sensing concrete vibrating device

Country Status (1)

CountryLink
CN (1)CN219316435U (en)

Cited By (1)

* Cited by examiner, † Cited by third party
Publication numberPriority datePublication dateAssigneeTitle
CN119177775A (en)*2024-11-222024-12-24石家庄铁道大学Concrete vibrating device capable of detecting gesture and pressure

Cited By (2)

* Cited by examiner, † Cited by third party
Publication numberPriority datePublication dateAssigneeTitle
CN119177775A (en)*2024-11-222024-12-24石家庄铁道大学Concrete vibrating device capable of detecting gesture and pressure
CN119177775B (en)*2024-11-222025-02-11石家庄铁道大学 A concrete vibrating device capable of detecting posture and pressure

Similar Documents

PublicationPublication DateTitle
CN219316435U (en)Pressure sensing concrete vibrating device
CN203405548U (en)An online monitoring apparatus of a transformer on-load tap changer
CN104362654B (en)Three-phase equilibrium electric power system and method and the modularization power distribution cabinet provided with the system
CN101825684A (en)Intelligent vacuum circuit breaker online monitoring method
CN103368495A (en)One-driven-two control method and control system of high voltage frequency converter
CN103248058B (en)A kind of Magnetically-controlreactor reactor control system
CN101266265A (en)Method for detecting high voltage frequency converter electric network voltage phase
JP6727416B2 (en) Process signal monitoring control system
CN103515952B (en)A kind of depth of discharge control method accessing the flywheel energy storage system of direct-current grid
CN208174586U (en)A kind of motor-drive circuit
CN206376326U (en)A kind of water system based on single-chip microcomputer and variable-frequency governor
CN215678195U (en) A portable tunnel concrete lining cavity detection device
CN110439796A (en)The control system of water pump
CN102946087A (en)Low voltage frequency converter provided with overvoltage protection function and overvoltage protection method of low voltage frequency converter
CN105204384A (en)Motor group operation monitoring method
CN109428334A (en)The method for quickly limiting bearing power by detecting network of ship frequency
CN202258999U (en)Circuit breaker with online vacuum degree monitoring function
CN101844725B (en)Line voltage drop automatic detection control method for hoisting machinery
CN202420841U (en)Dam floodgate rubber seal ring detection system
CN219168647U (en)Non-contact grinding sound measurement alarm monitoring system based on PLC
CN217642849U (en)Emergency system for crown block battery pack
CN207289122U (en)The device for sending welding machine arc state and electrode wire data on stock can be monitored
CN218829229U (en)Emergency power supply system for high-voltage cable branch box
CN116604076A (en)Remote alarm module mounting device for 10 KV branch circuit breaker
CN220769625U (en)Yaw control system of modularized wind generating set and wind driven generator

Legal Events

DateCodeTitleDescription
GR01Patent grant
GR01Patent grant

[8]ページ先頭

©2009-2025 Movatter.jp