












技术领域Technical Field
本实用新型涉及开关电源技术领域,特别涉及一种无电流采样的无桥PFC变换器系统。The utility model relates to the technical field of switching power supplies, in particular to a bridgeless PFC converter system without current sampling.
背景技术Background Art
随着时代的发展以及更迭,无线通信的使用越来越深入到人们的日常生活中,例如蓝牙、无线局域网(WIFI)和全球卫星定位系统等技术。收发机作为实现无线通信的重要设备,而功率放大器又在收发机中扮演着极其重要的角色。With the development and changes of the times, the use of wireless communication has become more and more deeply integrated into people's daily lives, such as technologies such as Bluetooth, wireless LAN (WIFI) and global satellite positioning system. Transceivers are important devices for wireless communication, and power amplifiers play an extremely important role in transceivers.
目前主流的功率放大器设计工艺为GaAs和GaN,因为其具有良好的射频性能和能够承受大功率的输出。但是采用主流设计工艺会难以集成整个收发机芯片,面临成本高的问题。硅基工艺设计具有高集成度的优点,但是采用硅基工艺设计功率放大器依然是一个具有挑战性的任务。首先是因为采用硅基工艺设计会面临一个无源器件损耗大的问题,从而导致功率放大器的效率下降。其次,为了提高硅基工艺晶体管的工作频率,需要通过减小晶体管的特征尺寸来提高其射频性能。这样会导致硅基晶体管的击穿电压进一步下降,使基于硅基工艺的功率放大器难以实现输出大功率的效果。采用堆叠式功率放大器和采用功率合成技术是目前能够有效解决问题的一种方法。The current mainstream power amplifier design process is GaAs and GaN, because they have good RF performance and can withstand high-power output. However, it is difficult to integrate the entire transceiver chip using the mainstream design process, and it faces the problem of high cost. Silicon-based process design has the advantage of high integration, but the design of power amplifiers using silicon-based processes is still a challenging task. First of all, the use of silicon-based process design will face the problem of high passive device loss, which will lead to a decrease in the efficiency of the power amplifier. Secondly, in order to increase the operating frequency of silicon-based process transistors, it is necessary to improve their RF performance by reducing the characteristic size of the transistor. This will cause the breakdown voltage of silicon-based transistors to further decrease, making it difficult for power amplifiers based on silicon-based processes to achieve the effect of high-power output. The use of stacked power amplifiers and power synthesis technology is currently a method that can effectively solve the problem.
目前主流的双路功率合成方式是威尔金森合成器,但是威尔金森合成器所占用的面积大,若是更多路进行合成,所占用的面积会更大。采用片上变压器进行多路合成是一个能够有效节省面积的方法,并且片上变压器具有更大的设计自由度。但是采用片上变压器进行多路合成会面临高损耗的问题。电力电子设备在电力系统和日常生活中的广泛使用,在带来了便捷的同时也存在着严重的电流谐波污染问题。由于电网电压直接连接电力电子设备,它们之间通过不受控的整流桥电路结构将交流电压转换为直流电压供电力电子设备使用,此电路结构不仅功率因数低而且会给电网带来电流谐波污染,同时降低了线路传输有源功率的能力,使配电电缆和变电站变压器加速老化。为了用电设备的高效节能,以及电网设备的安全运行与寿命延长,近年来带有功率因数校正(PFC)的交流-直流变换器成为研究热点,其中在无桥PFC变换器中,图图腾柱拓扑以其组件数量少、共模干扰低、传导损耗低、效率高等优点在功率因数校正电路拓扑中备受关注。The current mainstream dual-channel power synthesis method is the Wilkinson synthesizer, but the Wilkinson synthesizer occupies a large area. If more channels are synthesized, the occupied area will be even larger. Using on-chip transformers for multi-channel synthesis is an effective way to save area, and on-chip transformers have greater design freedom. However, using on-chip transformers for multi-channel synthesis will face the problem of high loss. The widespread use of power electronic equipment in power systems and daily life has brought convenience while also causing serious current harmonic pollution problems. Since the grid voltage is directly connected to power electronic equipment, the AC voltage is converted into DC voltage for power electronic equipment through an uncontrolled rectifier bridge circuit structure. This circuit structure not only has a low power factor but also brings current harmonic pollution to the grid, while reducing the ability of the line to transmit active power, accelerating the aging of distribution cables and substation transformers. In order to achieve efficient energy saving of electrical equipment, as well as safe operation and life extension of power grid equipment, AC-DC converters with power factor correction (PFC) have become a research hotspot in recent years. Among bridgeless PFC converters, the totem pole topology has attracted much attention in power factor correction circuit topologies due to its advantages such as small number of components, low common-mode interference, low conduction loss and high efficiency.
随着氮化镓(GaN)、碳化硅(SiC)等第三代宽禁带半导体器件的出现,将制约图腾柱拓扑在连续电流模式下运行的第一大阻力即二极管反向恢复问题迎刃而解,使用该材料的开关器件具有开关速度快、导通电阻小等优点,使图腾柱无桥PFC变换器在连续电流模式下的大功率场合应用成为可能。目前,图腾柱拓扑的无桥PFC变换器常使用数字处理器芯片实现数字控制,为了实现有效的电路控制,对无桥PFC变换器的电压和电流采样是必不可少的,其中包括交流侧的输入电压采样、输入电流采样以及直流侧的输出电压采样,这些采样不但增加了电路制作成本与控制的复杂程度,而且对于电流的采样不仅降低了无桥PFC变换器的电能传输效率,还会因不合理的电路板布线方式而引入开关噪声和振铃。With the emergence of third-generation wide bandgap semiconductor devices such as gallium nitride (GaN) and silicon carbide (SiC), the diode reverse recovery problem, the first major obstacle that restricts the operation of the totem pole topology in the continuous current mode, will be solved. The switching device using this material has the advantages of fast switching speed and small on-resistance, making it possible to apply the totem pole bridgeless PFC converter in high-power occasions in the continuous current mode. At present, the bridgeless PFC converter of the totem pole topology often uses a digital processor chip to realize digital control. In order to achieve effective circuit control, voltage and current sampling of the bridgeless PFC converter is essential, including input voltage sampling and input current sampling on the AC side and output voltage sampling on the DC side. These samplings not only increase the circuit manufacturing cost and the complexity of control, but also reduce the power transmission efficiency of the bridgeless PFC converter for current sampling, and also introduce switching noise and ringing due to unreasonable circuit board wiring methods.
在众多大功率应用场合下,为了提高PFC变换器的电能传输效率,无桥PFC拓扑是首选的拓扑方案。其中,为了解决无桥PFC变换器的输入电流采样问题,目前已有几种无电流采样的控制方法在不同无桥PFC拓扑上的应用。In many high-power applications, in order to improve the power transmission efficiency of the PFC converter, the bridgeless PFC topology is the preferred topology solution. Among them, in order to solve the input current sampling problem of the bridgeless PFC converter, there are currently several current sampling-free control methods applied to different bridgeless PFC topologies.
IEEE Transactions on Power Electronics【IEEE电力电子学报】于2017年发表的文献“Digital Current Sensorless Control for Dual-Boost Half-Bridge PFCConverter With Natural Capacitor Voltage Balancing”【具有自然电容电压平衡的双升压半桥PFC变换器的数字无电流传感器控制】中,介绍了一种双升压半桥PFC变换器的无电流传感器控制方法,利用平均状态空间法得到等效的单开关模型,并在开关管导通压降和电感内阻知悉的条件下,计算出每个开关周期的占空比,最后校正功率因数。专利CN202010778540.8于2020年公开的“一种无电流传感器无桥PFC电路”介绍了一种双升压无桥PFC变换器的无电流传感器控制方法,提出了用时间平均法计算每个开关周期的电感电压,同样在知悉了开关管导通压降和电感内阻的条件下,再根据电感电压推导出每个开关周期的占空比,实现无电流传感器的功率因数校正。这两种方法都是在假设了开关管导通压降和电感内阻已知的条件,才能实现功率因数的校正,但是由于电感内阻、开关管内阻和二极管压降这些寄生参数的难以测量,并且其压降都是随着时间而变化的,所以在计算占空比时只能估计大概的值,这使得计算出的电感电压偏离了实际的电感电压,因而导致功率因数的下降,当输入电压和负载变化时,难以一直保持较高的功率因数。In the paper “Digital Current Sensorless Control for Dual-Boost Half-Bridge PFC Converter With Natural Capacitor Voltage Balancing” published in 2017 by IEEE Transactions on Power Electronics, a current sensorless control method for a dual-boost half-bridge PFC converter is introduced. The equivalent single-switch model is obtained by using the average state space method, and the duty cycle of each switching cycle is calculated under the condition that the on-state voltage drop of the switch tube and the internal resistance of the inductor are known, and finally the power factor is corrected. Patent CN202010778540.8, published in 2020, "A Current Sensorless Bridgeless PFC Circuit", introduces a current sensorless control method for a dual-boost bridgeless PFC converter, and proposes to use the time averaging method to calculate the inductor voltage of each switching cycle. Similarly, under the condition of knowing the switch tube conduction voltage drop and the inductor internal resistance, the duty cycle of each switching cycle is derived according to the inductor voltage to achieve power factor correction without current sensor. Both methods assume that the switch tube conduction voltage drop and the inductor internal resistance are known to achieve power factor correction, but because the parasitic parameters such as the inductor internal resistance, the switch tube internal resistance and the diode voltage drop are difficult to measure, and their voltage drops change with time, so when calculating the duty cycle, only an approximate value can be estimated, which makes the calculated inductor voltage deviate from the actual inductor voltage, resulting in a decrease in the power factor. When the input voltage and load change, it is difficult to maintain a high power factor.
IEEE JOURNAL OF EMERGING AND SELECTED TOPICS IN POWER ELECTRONICS【IEEE电力电子新兴和选定主题杂志】于2019年发表的文献“Current-Sensorless PowerFactor Correction With Predictive Controllers”【使用预测控制器进行无电流传感器的功率因数校正】中,提出了利用锁相环计算电网电压和无桥拓扑中点电压之间的相位角,并通过不断修正该相位角来计算每个开关周期的占空比,从而实现功率因数的校正。这种方法在计算相位角的过程中忽略了电路的损耗部分,同时利用了升压电感的感量和输出电容的容量参与计算过程,这些损耗的功率和元件参数在电路运行时都会发生变化,因此该方法对这些变化难以作出适应,使得功率因数降低。此外文中还使用了昂贵的模数转换(ADC)芯片和数字信号处理器(DSP)芯片,提高了成本。In the article "Current-Sensorless Power Factor Correction With Predictive Controllers" published in 2019 by IEEE JOURNAL OF EMERGING AND SELECTED TOPICS IN POWER ELECTRONICS, it is proposed to use a phase-locked loop to calculate the phase angle between the grid voltage and the midpoint voltage of the bridgeless topology, and calculate the duty cycle of each switching cycle by continuously correcting the phase angle, thereby achieving power factor correction. This method ignores the loss part of the circuit in the process of calculating the phase angle, and uses the inductance of the boost inductor and the capacity of the output capacitor to participate in the calculation process. These loss power and component parameters will change during the operation of the circuit, so this method is difficult to adapt to these changes, resulting in a decrease in the power factor. In addition, the article also uses expensive analog-to-digital conversion (ADC) chips and digital signal processor (DSP) chips, which increases the cost.
由此可知,上述无电流采样无桥PFC变换器只能在测量电路中部分元器件参数和寄生参数的情况下,借助高性能和昂贵的ADC芯片和DSP芯片实现恒压输出和功率因数的校正,这不仅限制了功率因数的提高,还增加了电路成本。It can be seen from this that the above-mentioned non-current sampling bridgeless PFC converter can only achieve constant voltage output and power factor correction by measuring some component parameters and parasitic parameters in the circuit with the help of high-performance and expensive ADC chips and DSP chips, which not only limits the improvement of power factor, but also increases the circuit cost.
实用新型内容Utility Model Content
本实用新型的目的是提供一种无电流采样的无桥PFC变换器系统,旨在解决如下问题:在不采样电流和不测量电路中所有元器件参数和寄生参数的情况下,使用较为廉价的ADC芯片和DSP芯片实现恒压输出和功率因数的校正,降低电路的复杂程度和电路成本。The purpose of the utility model is to provide a bridgeless PFC converter system without current sampling, aiming to solve the following problems: without sampling current and measuring all component parameters and parasitic parameters in the circuit, using relatively cheap ADC chips and DSP chips to achieve constant voltage output and power factor correction, thereby reducing circuit complexity and circuit cost.
为此,本实用新型公开了一种无电流采样的无桥PFC变换器系统,该系统由一个主电路模块和多个子模块共同组成,其主电路模块为图腾柱无桥PFC电路模块,子模块包括辅助供电电源、微处理器控制模块、PWM发生模块、隔离驱动电路、输入电压采样模块、输入过零检测模块和输出电压采样模块;To this end, the utility model discloses a bridgeless PFC converter system without current sampling, which is composed of a main circuit module and multiple sub-modules, wherein the main circuit module is a totem pole bridgeless PFC circuit module, and the sub-modules include an auxiliary power supply, a microprocessor control module, a PWM generation module, an isolation drive circuit, an input voltage sampling module, an input zero-crossing detection module, and an output voltage sampling module;
优选地,所述图腾柱无桥PFC电路模块与第一、第二隔离驱动模块的输出端连接,输入电压采样模块的输入端与图腾柱无桥PFC电路模块连接,输出电压采样模块的输入端与图腾柱无桥PFC电路模块连接,输入过零检测模块的输入端与输入电压采样模块的输出端连接,所述微处理器控制模块与输入电压采样模块、输入过零检测模块和输出电压采样模块的输出端连接,所述PWM发生模块与微处理器控制模块的输出端连接,所述第一隔离驱动模块与PWM发生模块的输出端连接,所述第二隔离驱动模块与PWM发生模块的输出端连接。Preferably, the totem pole bridgeless PFC circuit module is connected to the output ends of the first and second isolation drive modules, the input end of the input voltage sampling module is connected to the totem pole bridgeless PFC circuit module, the input end of the output voltage sampling module is connected to the totem pole bridgeless PFC circuit module, the input end of the input zero-crossing detection module is connected to the output end of the input voltage sampling module, the microprocessor control module is connected to the output ends of the input voltage sampling module, the input zero-crossing detection module and the output voltage sampling module, the PWM generation module is connected to the output end of the microprocessor control module, the first isolation drive module is connected to the output end of the PWM generation module, and the second isolation drive module is connected to the output end of the PWM generation module.
优选地,所述图腾柱无桥PFC电路模块包括输入交流电源vin、高频功率MOS管Q1、高频功率MOS管Q2、整流功率MOS管Q3、整流功率MOS管Q4、升压电感L、输出滤波电容C和负载电阻R,其中:Preferably, the totem pole bridgeless PFC circuit module includes an input AC power supplyvin , a high-frequency power MOS tube Q1, a high-frequency power MOS tube Q2, a rectifier power MOS tube Q3, a rectifier power MOS tube Q4, a boost inductor L, an output filter capacitor C and a load resistor R, wherein:
所述高频功率MOS管Q1的源极分别与高频功率MOS管Q2的漏极、升压电感L的一端连接,所述高频功率MOS管Q1的漏极分别与整流功率MOS管Q3的漏极、输出滤波电容C的正极、负载电阻R的一端连接,所述高频功率MOS管Q2的源极分别与整流功率MOS管Q4的源极、输出滤波电容C的负极、负载电阻R的另一端连接,所述整流功率MOS管Q3的源极分别与输入交流电源vin的一端、整流功率MOS管Q4的漏极连接,所述整流功率MOS管Q4的源极分别与高频功率MOS管Q2的源极、输出滤波电容C的负极、负载电阻R的另一端连接,所述升压电感L的另一端与输入交流电源vin的另一端连接;The source of the high-frequency power MOS tube Q1 is respectively connected to the drain of the high-frequency power MOS tube Q2 and one end of the boost inductor L, the drain of the high-frequency power MOS tube Q1 is respectively connected to the drain of the rectifier power MOS tube Q3, the positive electrode of the output filter capacitor C, and one end of the load resistor R, the source of the high-frequency power MOS tube Q2 is respectively connected to the source of the rectifier power MOS tube Q4, the negative electrode of the output filter capacitor C, and the other end of the load resistor R, the source of the rectifier power MOS tube Q3 is respectively connected to one end of the input AC power supplyvin and the drain of the rectifier power MOS tube Q4, the source of the rectifier power MOS tube Q4 is respectively connected to the source of the high-frequency power MOS tube Q2, the negative electrode of the output filter capacitor C, and the other end of the load resistor R, and the other end of the boost inductor L is connected to the other end of the input AC power supplyvin ;
所述输入交流电源vin的两端还与输入电压采样模块的输入端连接,所述输出滤波电容的两端还与输出电压采样模块的输入端连接。The two ends of the input AC power sourcevin are also connected to the input end of the input voltage sampling module, and the two ends of the output filter capacitor are also connected to the input end of the output voltage sampling module.
优选地,所述输入电压采样模块中连接顺序依次为第一隔离差分运放电路、第一滤波电路、第一跟随电路、第二滤波电路和第一限幅电路,其中:Preferably, the connection sequence in the input voltage sampling module is the first isolated differential operational amplifier circuit, the first filter circuit, the first follower circuit, the second filter circuit and the first limiter circuit, wherein:
所述第一隔离差分运放电路的输入端与输入交流电源vin的两端连接,所述第一滤波电路的输入端与第一隔离差分运放电路的输出端连接,所述第一跟随电路的输入端与第一滤波电路的输出端连接,所述第二滤波电路的输入端与第一跟随电路的输出端连接,所述第一限幅电路的输入端与第二滤波电路的输出端连接;The input end of the first isolated differential operational amplifier circuit is connected to both ends of the input AC power supplyvin , the input end of the first filter circuit is connected to the output end of the first isolated differential operational amplifier circuit, the input end of the first follower circuit is connected to the output end of the first filter circuit, the input end of the second filter circuit is connected to the output end of the first follower circuit, and the input end of the first limiter circuit is connected to the output end of the second filter circuit;
所述第一限幅电路的输出端还与微处理器控制模块的输入端连接。The output end of the first limiting circuit is also connected to the input end of the microprocessor control module.
优选地,所述输入过零检测模块中连接顺序依次为线性模块电路、比较电路、第一电阻分压电路、第三滤波电路和第二限幅电路,其中:Preferably, the connection sequence in the input zero-crossing detection module is linear module circuit, comparison circuit, first resistor voltage divider circuit, third filter circuit and second amplitude limiting circuit, wherein:
所述线性模块电路的输入端与5V直流电源连接,所述比较电路的输入端与线性模块电路的输出端连接,所述比较电路的另一输入端与第一限幅电路的输出端连接,所述第一电阻分压电路的输入端与比较电路的输出端连接,所述第三滤波电路的输入端与第一电阻分压电路的输出端连接,所述第二限幅电路的输入端与第三滤波电路的输出端连接;The input end of the linear module circuit is connected to a 5V DC power supply, the input end of the comparison circuit is connected to the output end of the linear module circuit, the other input end of the comparison circuit is connected to the output end of the first limiter circuit, the input end of the first resistor voltage divider circuit is connected to the output end of the comparison circuit, the input end of the third filter circuit is connected to the output end of the first resistor voltage divider circuit, and the input end of the second limiter circuit is connected to the output end of the third filter circuit;
所述第二限幅电路的输出端还与微处理器控制模块的输入端连接。The output end of the second limiting circuit is also connected to the input end of the microprocessor control module.
优选地,所述输出电压采样模块中连接顺序依次为第二隔离差分运放电路、第四滤波电路、第二跟随电路、第二电阻分压电路、第五滤波电路、第三限幅电路,其中:Preferably, the connection order in the output voltage sampling module is the second isolated differential operational amplifier circuit, the fourth filter circuit, the second follower circuit, the second resistor voltage divider circuit, the fifth filter circuit, and the third limiter circuit, wherein:
所述第二隔离差分运放电路的输入端与输出滤波电容的两端连接,所述第四滤波电路的输入端与第二隔离差分运放电路的输出端连接,所述第二跟随电路的输入端与第四滤波电路的输出端连接,所述第二电阻分压电路的输入端与第二跟随电路的输出端连接,所述第五滤波电路的输入端与第二电阻分压电路的输出端连接,所述第三限幅电路的输入端与第五滤波电路的输出端连接;The input end of the second isolation differential operational amplifier circuit is connected to the two ends of the output filter capacitor, the input end of the fourth filter circuit is connected to the output end of the second isolation differential operational amplifier circuit, the input end of the second follower circuit is connected to the output end of the fourth filter circuit, the input end of the second resistor voltage divider circuit is connected to the output end of the second follower circuit, the input end of the fifth filter circuit is connected to the output end of the second resistor voltage divider circuit, and the input end of the third limiter circuit is connected to the output end of the fifth filter circuit;
所述第三限幅电路的输出端还与微处理器控制模块的输入端连接。The output end of the third limiting circuit is also connected to the input end of the microprocessor control module.
优选地,所述微处理器控制模块包括DSP芯片电路、芯片供电电路、复位电路、JTAG下载器电路、外部ADC参考电压电路、按键电路、显示屏电路和过压采样保护电路,其中:Preferably, the microprocessor control module includes a DSP chip circuit, a chip power supply circuit, a reset circuit, a JTAG downloader circuit, an external ADC reference voltage circuit, a key circuit, a display screen circuit and an overvoltage sampling protection circuit, wherein:
所述DSP芯片电路分别与芯片供电电路、复位电路、JTAG下载器电路、外部ADC参考电压电路、按键电路、显示屏电路、过压采样保护电路连接,所述DSP芯片电路作为微处理器控制模块的核心与其他所述电路协同工作,所述DSP芯片电路的输出端还与PWM发生模块连接。The DSP chip circuit is respectively connected to a chip power supply circuit, a reset circuit, a JTAG downloader circuit, an external ADC reference voltage circuit, a key circuit, a display screen circuit, and an overvoltage sampling protection circuit. The DSP chip circuit serves as the core of a microprocessor control module and works in coordination with the other circuits. The output end of the DSP chip circuit is also connected to a PWM generation module.
优选地,所述PWM发生模块连接顺序依次为PWM使能电路、缓冲电路和上拉电路,其中:Preferably, the connection sequence of the PWM generation module is PWM enabling circuit, buffer circuit and pull-up circuit, wherein:
所述PWM使能电路的输入端与微处理器控制模块的输出端连接,所述缓冲电路的输入端与PWM使能电路的输出端连接,所述缓冲电路的另一输入端与DSP芯片电路连接,所述上拉电路的输入端与缓冲电路的输出端连接,所述上拉电路的输出端分别与第一隔离驱动模块和第二隔离驱动模块连接。The input end of the PWM enabling circuit is connected to the output end of the microprocessor control module, the input end of the buffer circuit is connected to the output end of the PWM enabling circuit, the other input end of the buffer circuit is connected to the DSP chip circuit, the input end of the pull-up circuit is connected to the output end of the buffer circuit, and the output end of the pull-up circuit is respectively connected to the first isolation driving module and the second isolation driving module.
优选地,所述第一隔离驱动模块和第二隔离驱动模块结构相同,其模块内部包括隔离驱动芯片电路、自举电路、MOS管驱动电路,其中:Preferably, the first isolation driving module and the second isolation driving module have the same structure, and the modules include an isolation driving chip circuit, a bootstrap circuit, and a MOS tube driving circuit, wherein:
所述隔离驱动芯片电路的输入端分别与PWM发生模块的输出端、5V和12V直流电源连接,所述自举电路的输入端与12V直流电源连接,所述自举电路的输出端与隔离驱动芯片电路的输出端连接,所述MOS管驱动电路的输入端与隔离驱动芯片电路的输出端连接,所述MOS管驱动电路的输出端分别与图腾柱无桥PFC电路模块连接,所述第一隔离驱动模块与图腾柱无桥PFC电路模块中MOS管Q1和Q2的栅极连接,所述第二隔离驱动模块与图腾柱无桥PFC电路模块中MOS管Q3和Q4的栅极连接。The input end of the isolation driving chip circuit is respectively connected to the output end of the PWM generating module, 5V and 12V DC power supplies, the input end of the bootstrap circuit is connected to the 12V DC power supply, the output end of the bootstrap circuit is connected to the output end of the isolation driving chip circuit, the input end of the MOS tube driving circuit is connected to the output end of the isolation driving chip circuit, the output end of the MOS tube driving circuit is respectively connected to the totem pole bridgeless PFC circuit module, the first isolation driving module is connected to the gates of the MOS tubes Q1 and Q2 in the totem pole bridgeless PFC circuit module, and the second isolation driving module is connected to the gates of the MOS tubes Q3 and Q4 in the totem pole bridgeless PFC circuit module.
优选地,所述辅助供电电源由多个线性电源芯片电路组成,分别提供3.3V直流电源、5V直流电源和12V直流电源。Preferably, the auxiliary power supply is composed of a plurality of linear power chip circuits, which respectively provide 3.3V DC power supply, 5V DC power supply and 12V DC power supply.
本实用新型提供的图腾柱无桥PFC变换器系统,与传统无桥PFC变换器相比较,本发明减少了输入电流的采样电路,在降低整个系统复杂性的同时,还减少了电路成本,由于不使用电流采样电路,不仅减小了变换器的体积,还在一定程度上提高了系统的转换效率,此外还避免了电流采样电路所造成的噪声引入,提高了系统的稳定性。The totem pole bridgeless PFC converter system provided by the utility model reduces the sampling circuit of the input current compared with the traditional bridgeless PFC converter, and reduces the complexity of the entire system while reducing the circuit cost. Since the current sampling circuit is not used, not only the volume of the converter is reduced, but also the conversion efficiency of the system is improved to a certain extent. In addition, the introduction of noise caused by the current sampling circuit is avoided, and the stability of the system is improved.
附图说明BRIEF DESCRIPTION OF THE DRAWINGS
此处的附图被并入说明书中并构成本说明书的一部分,标示出了符合本实用新型的实施例,并与说明书一起用于解释本实用新型的原理。The accompanying drawings herein are incorporated into and constitute a part of the specification, illustrate embodiments consistent with the utility model, and together with the description, are used to explain the principles of the utility model.
为了更清楚地说明本实用新型实施例或现有技术中的技术方案,下面将对实施例或现有技术描述中所需要使用的附图作简单地介绍,显而易见地,对于本领域普通技术人员而言,在不付出创造性劳动性的前提下,还可以根据这些附图获得其他的附图。In order to more clearly illustrate the technical solutions in the embodiments of the utility model or the prior art, the drawings required for use in the embodiments or the description of the prior art will be briefly introduced below. Obviously, for ordinary technicians in this field, other drawings can be obtained based on these drawings without paying any creative labor.
图1为本实用新型的无电流采样的无桥PFC变换器系统框图;FIG1 is a block diagram of a bridgeless PFC converter system without current sampling according to the present invention;
图2为本实用新型的输入电压采样模块图;FIG2 is a diagram of an input voltage sampling module of the present utility model;
图3为本实用新型的输入过零检测模块图;FIG3 is a diagram of an input zero-crossing detection module of the present utility model;
图4为本实用新型的输出电压采样模块图;FIG4 is a diagram of an output voltage sampling module of the present invention;
图5为本实用新型的微处理器控制电路模块和PWM发生电路模块图;FIG5 is a diagram of a microprocessor control circuit module and a PWM generation circuit module of the present utility model;
图6为本实用新型的隔离驱动电路模块图;FIG6 is a block diagram of an isolation drive circuit of the present utility model;
图7为本实用新型的图腾柱无桥PFC电路拓扑结构;FIG7 is a totem pole bridgeless PFC circuit topology structure of the utility model;
图8为本实用新型图腾柱无桥PFC电路的工作的第一阶段;FIG8 is a diagram showing the first stage of operation of the totem pole bridgeless PFC circuit of the present invention;
图9为本实用新型图腾柱无桥PFC电路的工作的第二阶段;FIG9 is a diagram showing the second stage of operation of the totem pole bridgeless PFC circuit of the present invention;
图10为本实用新型图腾柱无桥PFC电路的工作的第三阶段;FIG10 is a diagram showing the third stage of operation of the totem pole bridgeless PFC circuit of the present invention;
图11为本实用新型图腾柱无桥PFC电路的工作的第四阶段;FIG11 is a fourth stage of operation of the totem pole bridgeless PFC circuit of the present invention;
图12为本实用新型的无电流采样的无桥PFC变换器系统控制流程图;FIG12 is a control flow chart of a bridgeless PFC converter system without current sampling according to the present invention;
图13为本实用新型的第n到n+1个工频周期下的平均电感补偿电压的自适应校正流程图。FIG13 is a flowchart of the adaptive correction of the average inductance compensation voltage in the nth to n+1th power frequency cycles of the present invention.
具体实施方式DETAILED DESCRIPTION
下面将结合本实用新型实施例中的附图,对本实用新型实施例中的技术方案进行清楚、完整地描述,显然,所描述的实施例仅仅是本实用新型的一部分实施例,而不是全部的实施例。基于本实用新型中的实施例,本领域普通技术人员在没有作出创造性劳动前提下所获得的所有其他实施例,都属于本实用新型保护的范围。The following will be combined with the drawings in the embodiments of the utility model to clearly and completely describe the technical solutions in the embodiments of the utility model. Obviously, the described embodiments are only part of the embodiments of the utility model, not all of the embodiments. Based on the embodiments of the utility model, all other embodiments obtained by ordinary technicians in this field without creative work are within the scope of protection of the utility model.
需要说明,本实用新型实施例中所有方向性指示(诸如上、下、左、右、前、后……)仅用于解释在某一特定姿态(如附图所示)下各部件之间的相对位置关系、运动情况等,如果该特定姿态发生改变时,则该方向性指示也相应地随之改变。It should be noted that all directional indications in the embodiments of the present invention (such as up, down, left, right, front, back, etc.) are only used to explain the relative position relationship, movement status, etc. between the components under a certain specific posture (as shown in the accompanying drawings). If the specific posture changes, the directional indication will also change accordingly.
另外,在本实用新型中涉及“第一”、“第二”等的描述仅用于描述目的,而不能理解为指示或暗示其相对重要性或者隐含指明所指示的技术特征的数量。由此,限定有“第一”、“第二”的特征可以明示或者隐含地包括至少一种该特征。另外,各个实施例之间的技术方案可以相互结合,但是必须是以本领域普通技术人员能够实现为基础,当技术方案的结合出现相互矛盾或无法实现时应当认为这种技术方案的结合不存在,也不在本实用新型要求的保护范围之内。In addition, the descriptions of "first", "second", etc. in the present utility model are only used for descriptive purposes and cannot be understood as indicating or implying their relative importance or implicitly indicating the number of the indicated technical features. Therefore, the features defined as "first" and "second" may explicitly or implicitly include at least one of the features. In addition, the technical solutions between the various embodiments can be combined with each other, but they must be based on the ability of ordinary technicians in this field to implement them. When the combination of technical solutions is contradictory or cannot be implemented, it should be deemed that such a combination of technical solutions does not exist and is not within the scope of protection required by the present utility model.
本实用新型的图1为无电流采样的无桥PFC变换器系统框图,该系统框图由一个主电路模块和多个子模块共同组成,其主电路模块为图腾柱无桥PFC电路模块,子模块包括辅助供电电源、微处理器控制模块、PWM发生模块、隔离驱动电路、输入电压采样模块、输入过零检测模块和输出电压采样模块;FIG1 of the present utility model is a block diagram of a bridgeless PFC converter system without current sampling, which is composed of a main circuit module and multiple sub-modules, wherein the main circuit module is a totem pole bridgeless PFC circuit module, and the sub-modules include an auxiliary power supply, a microprocessor control module, a PWM generation module, an isolation drive circuit, an input voltage sampling module, an input zero-crossing detection module, and an output voltage sampling module;
所述图腾柱无桥PFC电路模块与第一、第二隔离驱动模块的输出端连接,输入电压采样模块的输入端与图腾柱无桥PFC电路模块连接,输出电压采样模块的输入端与图腾柱无桥PFC电路模块连接,输入过零检测模块的输入端与输入电压采样模块的输出端连接,所述微处理器控制模块与输入电压采样模块、输入过零检测模块和输出电压采样模块的输出端连接,所述PWM发生模块与微处理器控制模块的输出端连接,所述第一隔离驱动模块与PWM发生模块的输出端连接,所述第二隔离驱动模块与PWM发生模块的输出端连接。The totem pole bridgeless PFC circuit module is connected to the output ends of the first and second isolation drive modules, the input end of the input voltage sampling module is connected to the totem pole bridgeless PFC circuit module, the input end of the output voltage sampling module is connected to the totem pole bridgeless PFC circuit module, the input end of the input zero-crossing detection module is connected to the output end of the input voltage sampling module, the microprocessor control module is connected to the output ends of the input voltage sampling module, the input zero-crossing detection module and the output voltage sampling module, the PWM generation module is connected to the output end of the microprocessor control module, the first isolation drive module is connected to the output end of the PWM generation module, and the second isolation drive module is connected to the output end of the PWM generation module.
优选地,所述图腾柱无桥PFC电路模块包括输入交流电源vin、高频功率MOS管Q1、高频功率MOS管Q2、整流功率MOS管Q3、整流功率MOS管Q4、升压电感L、输出滤波电容C和负载电阻R,其中:Preferably, the totem pole bridgeless PFC circuit module includes an input AC power supplyvin , a high-frequency power MOS tube Q1, a high-frequency power MOS tube Q2, a rectifier power MOS tube Q3, a rectifier power MOS tube Q4, a boost inductor L, an output filter capacitor C and a load resistor R, wherein:
所述高频功率MOS管Q1的源极分别与高频功率MOS管Q2的漏极、升压电感L的一端连接,所述高频功率MOS管Q1的漏极分别与整流功率MOS管Q3的漏极、输出滤波电容C的正极、负载电阻R的一端连接,所述高频功率MOS管Q2的源极分别与整流功率MOS管Q4的源极、输出滤波电容C的负极、负载电阻R的另一端连接,所述整流功率MOS管Q3的源极分别与输入交流电源vin的一端、整流功率MOS管Q4的漏极连接,所述整流功率MOS管Q4的源极分别与高频功率MOS管Q2的源极、输出滤波电容C的负极、负载电阻R的另一端连接,所述升压电感L的另一端与输入交流电源vin的另一端连接;The source of the high-frequency power MOS tube Q1 is respectively connected to the drain of the high-frequency power MOS tube Q2 and one end of the boost inductor L, the drain of the high-frequency power MOS tube Q1 is respectively connected to the drain of the rectifier power MOS tube Q3, the positive electrode of the output filter capacitor C, and one end of the load resistor R, the source of the high-frequency power MOS tube Q2 is respectively connected to the source of the rectifier power MOS tube Q4, the negative electrode of the output filter capacitor C, and the other end of the load resistor R, the source of the rectifier power MOS tube Q3 is respectively connected to one end of the input AC power supplyvin and the drain of the rectifier power MOS tube Q4, the source of the rectifier power MOS tube Q4 is respectively connected to the source of the high-frequency power MOS tube Q2, the negative electrode of the output filter capacitor C, and the other end of the load resistor R, and the other end of the boost inductor L is connected to the other end of the input AC power supplyvin ;
所述输入交流电源vin的两端还与输入电压采样模块的输入端连接,所述输出滤波电容的两端还与输出电压采样模块的输入端连接。The two ends of the input AC power sourcevin are also connected to the input end of the input voltage sampling module, and the two ends of the output filter capacitor are also connected to the input end of the output voltage sampling module.
优选地,所述输入电压采样模块中连接顺序依次为第一隔离差分运放电路、第一滤波电路、第一跟随电路、第二滤波电路和第一限幅电路,其中:Preferably, the connection sequence in the input voltage sampling module is the first isolated differential operational amplifier circuit, the first filter circuit, the first follower circuit, the second filter circuit and the first limiter circuit, wherein:
所述第一隔离差分运放电路的输入端与输入交流电源vin的两端连接,所述第一滤波电路的输入端与第一隔离差分运放电路的输出端连接,所述第一跟随电路的输入端与第一滤波电路的输出端连接,所述第二滤波电路的输入端与第一跟随电路的输出端连接,所述第一限幅电路的输入端与第二滤波电路的输出端连接;The input end of the first isolated differential operational amplifier circuit is connected to both ends of the input AC power supplyvin , the input end of the first filter circuit is connected to the output end of the first isolated differential operational amplifier circuit, the input end of the first follower circuit is connected to the output end of the first filter circuit, the input end of the second filter circuit is connected to the output end of the first follower circuit, and the input end of the first limiter circuit is connected to the output end of the second filter circuit;
所述第一限幅电路的输出端还与微处理器控制模块的输入端连接。The output end of the first limiting circuit is also connected to the input end of the microprocessor control module.
优选地,所述输入过零检测模块中连接顺序依次为线性模块电路、比较电路、第一电阻分压电路、第三滤波电路和第二限幅电路,其中:Preferably, the connection sequence in the input zero-crossing detection module is linear module circuit, comparison circuit, first resistor voltage divider circuit, third filter circuit and second amplitude limiting circuit, wherein:
所述线性模块电路的输入端与5V直流电源连接,所述比较电路的输入端与线性模块电路的输出端连接,所述比较电路的另一输入端与第一限幅电路的输出端连接,所述第一电阻分压电路的输入端与比较电路的输出端连接,所述第三滤波电路的输入端与第一电阻分压电路的输出端连接,所述第二限幅电路的输入端与第三滤波电路的输出端连接;The input end of the linear module circuit is connected to a 5V DC power supply, the input end of the comparison circuit is connected to the output end of the linear module circuit, the other input end of the comparison circuit is connected to the output end of the first limiter circuit, the input end of the first resistor voltage divider circuit is connected to the output end of the comparison circuit, the input end of the third filter circuit is connected to the output end of the first resistor voltage divider circuit, and the input end of the second limiter circuit is connected to the output end of the third filter circuit;
所述第二限幅电路的输出端还与微处理器控制模块的输入端连接。The output end of the second limiting circuit is also connected to the input end of the microprocessor control module.
优选地,所述输出电压采样模块中连接顺序依次为第二隔离差分运放电路、第四滤波电路、第二跟随电路、第二电阻分压电路、第五滤波电路、第三限幅电路,其中:Preferably, the connection order in the output voltage sampling module is the second isolated differential operational amplifier circuit, the fourth filter circuit, the second follower circuit, the second resistor voltage divider circuit, the fifth filter circuit, and the third limiter circuit, wherein:
所述第二隔离差分运放电路的输入端与输出滤波电容的两端连接,所述第四滤波电路的输入端与第二隔离差分运放电路的输出端连接,所述第二跟随电路的输入端与第四滤波电路的输出端连接,所述第二电阻分压电路的输入端与第二跟随电路的输出端连接,所述第五滤波电路的输入端与第二电阻分压电路的输出端连接,所述第三限幅电路的输入端与第五滤波电路的输出端连接;The input end of the second isolation differential operational amplifier circuit is connected to the two ends of the output filter capacitor, the input end of the fourth filter circuit is connected to the output end of the second isolation differential operational amplifier circuit, the input end of the second follower circuit is connected to the output end of the fourth filter circuit, the input end of the second resistor voltage divider circuit is connected to the output end of the second follower circuit, the input end of the fifth filter circuit is connected to the output end of the second resistor voltage divider circuit, and the input end of the third limiter circuit is connected to the output end of the fifth filter circuit;
所述第三限幅电路的输出端还与微处理器控制模块的输入端连接。The output end of the third limiting circuit is also connected to the input end of the microprocessor control module.
优选地,所述微处理器控制模块包括DSP芯片电路、芯片供电电路、复位电路、JTAG下载器电路、外部ADC参考电压电路、按键电路、显示屏电路和过压采样保护电路,其中:Preferably, the microprocessor control module includes a DSP chip circuit, a chip power supply circuit, a reset circuit, a JTAG downloader circuit, an external ADC reference voltage circuit, a key circuit, a display screen circuit and an overvoltage sampling protection circuit, wherein:
所述DSP芯片电路分别与芯片供电电路、复位电路、JTAG下载器电路、外部ADC参考电压电路、按键电路、显示屏电路、过压采样保护电路连接,所述DSP芯片电路作为微处理器控制模块的核心与其他所述电路协同工作,所述DSP芯片电路的输出端还与PWM发生模块连接。The DSP chip circuit is respectively connected to a chip power supply circuit, a reset circuit, a JTAG downloader circuit, an external ADC reference voltage circuit, a key circuit, a display screen circuit, and an overvoltage sampling protection circuit. The DSP chip circuit serves as the core of a microprocessor control module and works in coordination with the other circuits. The output end of the DSP chip circuit is also connected to a PWM generation module.
优选地,所述PWM发生模块连接顺序依次为PWM使能电路、缓冲电路和上拉电路,其中:Preferably, the connection sequence of the PWM generation module is PWM enabling circuit, buffer circuit and pull-up circuit, wherein:
所述PWM使能电路的输入端与微处理器控制模块的输出端连接,所述缓冲电路的输入端与PWM使能电路的输出端连接,所述缓冲电路的另一输入端与DSP芯片电路连接,所述上拉电路的输入端与缓冲电路的输出端连接,所述上拉电路的输出端分别与第一隔离驱动模块和第二隔离驱动模块连接。The input end of the PWM enabling circuit is connected to the output end of the microprocessor control module, the input end of the buffer circuit is connected to the output end of the PWM enabling circuit, the other input end of the buffer circuit is connected to the DSP chip circuit, the input end of the pull-up circuit is connected to the output end of the buffer circuit, and the output end of the pull-up circuit is respectively connected to the first isolation driving module and the second isolation driving module.
优选地,所述第一隔离驱动模块和第二隔离驱动模块结构相同,其模块内部包括隔离驱动芯片电路、自举电路、MOS管驱动电路,其中:Preferably, the first isolation driving module and the second isolation driving module have the same structure, and the modules include an isolation driving chip circuit, a bootstrap circuit, and a MOS tube driving circuit, wherein:
所述隔离驱动芯片电路的输入端分别与PWM发生模块的输出端、5V和12V直流电源连接,所述自举电路的输入端与12V直流电源连接,所述自举电路的输出端与隔离驱动芯片电路的输出端连接,所述MOS管驱动电路的输入端与隔离驱动芯片电路的输出端连接,所述MOS管驱动电路的输出端分别与图腾柱无桥PFC电路模块连接。所述第一隔离驱动模块与图腾柱无桥PFC电路模块中MOS管Q1和Q2的栅极连接,所述第二隔离驱动模块与图腾柱无桥PFC电路模块中MOS管Q3和Q4的栅极连接。The input end of the isolation driving chip circuit is respectively connected to the output end of the PWM generating module, 5V and 12V DC power supplies, the input end of the bootstrap circuit is connected to the 12V DC power supply, the output end of the bootstrap circuit is connected to the output end of the isolation driving chip circuit, the input end of the MOS tube driving circuit is connected to the output end of the isolation driving chip circuit, and the output end of the MOS tube driving circuit is respectively connected to the totem pole bridgeless PFC circuit module. The first isolation driving module is connected to the gates of the MOS tubes Q1 and Q2 in the totem pole bridgeless PFC circuit module, and the second isolation driving module is connected to the gates of the MOS tubes Q3 and Q4 in the totem pole bridgeless PFC circuit module.
优选地,所述辅助供电电源由多个线性电源芯片电路组成,分别提供3.3V直流电源、5V直流电源和12V直流电源。Preferably, the auxiliary power supply is composed of a plurality of linear power chip circuits, which respectively provide 3.3V DC power supply, 5V DC power supply and 12V DC power supply.
本实用新型在式模块连接关系的基础上,继续公开相应模块的工作原理。The utility model further discloses the working principles of the corresponding modules on the basis of the module connection relationship.
图2为输入电压采样模块图,Vin+和Vin-分别连接图8中输入交流电压源的上端和下端,并经过第一隔离差分运放电路,将输入的交流电压转换为0-3.3V的电压,并在第一隔离差分运放电路中加入1.5V的直流电压偏置,以实现不失真的负输入电压采样。然后将转换后的0-3.3V电压送入第一滤波电路进行滤波,再送入第一跟随电路以降低输出阻抗。最后再送入第二滤波电路和第一限幅电路后得到输入采样电压Vin_adc。FIG2 is a diagram of an input voltage sampling module. Vin+ and Vin- are connected to the upper and lower ends of the input AC voltage source in FIG8,respectively , and the input AC voltage is converted to a 0-3.3V voltage through the first isolated differential op amp circuit, and a 1.5V DC voltage bias is added to the first isolated differential op amp circuit to achieve undistorted negative input voltage sampling. The converted 0-3.3V voltage is then sent to the first filter circuit for filtering, and then to the first follower circuit to reduce the output impedance. Finally, it is sent to the second filter circuit and the first limiter circuit to obtain the input sampling voltageVin_adc .
图3为输入过零检测模块图,比较电路的正输入端与输入采样电压Vin_adc连接,负输入端与线性电源芯片的1.5V输出直流电压连接,比较电路输出0V和5V电平信号,并送入第一电阻分压电路、第三滤波电路和第二限幅电路后,得到输入电压的过零点检测电压电平信号Vpriority。FIG3 is a diagram of an input zero-crossing detection module. The positive input terminal of the comparison circuit is connected to the input sampling voltage Vin_adc , and the negative input terminal is connected to the 1.5V output DC voltage of the linear power supply chip. The
图4为输出电压采样模块图,其中Vo+和Vo-分别与图8中输出电容C的正极和负极连接,该两点间的电压为图腾柱无桥PFC电路的输出电压,将输出电压送入第二隔离差分运放电路,将输出电压转换为0-5V的电压并送入第四滤波电路滤波,然后将滤波后的电压送入第二跟随电路、第二电阻分压电路得到0-3.3V的采样电压,最后送入第五滤波电路和第三限幅电路得到输出采样电压Vo_adc。FIG4 is a diagram of an output voltage sampling module, in which Vo+ and Vo- are respectively connected to the positive and negative electrodes of the output capacitor C in FIG8 , and the voltage between the two points is the output voltage of the totem pole bridgeless PFC circuit. The output voltage is sent to the second isolated differential operational amplifier circuit, the output voltage is converted into a 0-5V voltage and sent to the fourth filter circuit for filtering, and then the filtered voltage is sent to the second follower circuit and the second resistor voltage divider circuit to obtain a 0-3.3V sampling voltage, and finally sent to the fifth filter circuit and the third limiter circuit to obtain the output sampling voltage Vo_adc .
图5左部分为微处理器控制电路模块图,以DSP芯片电路为中心,四周为各自功能的子电路,其中,芯片供电电路为DSP芯片提供电源,复位电路为外部可手动复位DSP程序的电路,JTAG下载器电路为电脑与DSP芯片间的程序下载通信电路,外部ADC参考电压电路为DSP内的ADC采样模块提供准确的3V参考电源,按键电路和显示屏电路为DSP的外扩功能性电路,以实现按键中断触发和必要信息的显示,过压采样保护为DSP的ADC引脚提供安全的输入电压以保护DSP的安全运行。The left part of Figure 5 is a module diagram of the microprocessor control circuit, with the DSP chip circuit as the center and sub-circuits with their own functions around it. Among them, the chip power supply circuit provides power for the DSP chip, the reset circuit is an external circuit that can manually reset the DSP program, the JTAG downloader circuit is a program download communication circuit between the computer and the DSP chip, the external ADC reference voltage circuit provides an accurate 3V reference power supply for the ADC sampling module in the DSP, the button circuit and the display circuit are external functional circuits of the DSP to realize button interrupt triggering and display of necessary information, and the overvoltage sampling protection provides a safe input voltage for the ADC pin of the DSP to protect the safe operation of the DSP.
图5右部分为PWM发生电路模块图,PWM使能电路的输入端分别连接DSP芯片的两个输出IO引脚,以便DSP能通过程序控制PWM使能电路的输出电平,该输出电平信号分别与缓冲电路中的缓冲芯片使能引脚连接,以便控制缓冲芯片的输出引脚产生输出PWM信号。此外缓冲芯片的输入连接DSP芯片的四个PWM输出IO引脚,该四路PWM信号由缓冲芯片控制是否输出,同时缓冲芯片的四路PWM输出信号经过上拉电路后,实现0V和5V的电平信号输出,以达到隔离驱动芯片的PWM电平要求。The right part of Figure 5 is a block diagram of the PWM generation circuit. The input end of the PWM enable circuit is connected to the two output IO pins of the DSP chip, so that the DSP can control the output level of the PWM enable circuit through the program. The output level signal is connected to the buffer chip enable pin in the buffer circuit, so as to control the output pin of the buffer chip to generate an output PWM signal. In addition, the input of the buffer chip is connected to the four PWM output IO pins of the DSP chip. The four-channel PWM signal is controlled by the buffer chip to be output. At the same time, the four-channel PWM output signals of the buffer chip are output with 0V and 5V level signals after passing through the pull-up circuit, so as to meet the PWM level requirements of the isolation driver chip.
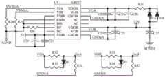
图6为隔离驱动电路模块图,图中U7为半桥隔离驱动芯片,在芯片的VIA和VIB引脚分别与R28和R29相连构成强制低电平下拉电路的同时,还分别与PWM发生电路模块连接,且PWM发生电路模块的输出信号PWMxA和PWMxB由DSP所决定,其中x为1或2,当x为1时图7为第一隔离驱动电路并与高频桥臂的功率开关管相连接,当x为2时图7为第二隔离驱动电路并与低频桥臂的功率开关管相连接。Figure 6 is a diagram of the isolation drive circuit module, in which U7 is a half-bridge isolation drive chip. While the VIA and VIB pins of the chip are respectively connected to R28 and R29 to form a forced low-level pull-down circuit, they are also respectively connected to the PWM generating circuit module, and the output signals PWMxA and PWMxB of the PWM generating circuit module are determined by the DSP, where x is 1 or 2. When x is 1, Figure 7 is the first isolation drive circuit and is connected to the power switch tube of the high-frequency bridge arm. When x is 2, Figure 7 is the second isolation drive circuit and is connected to the power switch tube of the low-frequency bridge arm.
图6中12V直流电源经过自举电路后连接到芯片的VDDA引脚为高低频桥臂中的上管Q1和Q3提供驱动电源,同时直接利用12V电源为高低频桥臂中的下管Q2和Q4提供驱动电源。VOA和VOB为驱动信号,并与驱动电路连接,GNDxA和GNDxB分别与芯片的GNDA和GNDB连接,GxA和GxB分别与桥臂的上管栅极控制端和下管栅极控制端连接,以驱动开关管的开通与关断。In Figure 6, the 12V DC power supply is connected to the VDDA pin of the chip after passing through the bootstrap circuit to provide driving power for the upper tubes Q1 and Q3 in the high and low frequency bridge arms, and the 12V power supply is directly used to provide driving power for the lower tubes Q2 and Q4 in the high and low frequency bridge arms. VOA and VOB are driving signals and are connected to the driving circuit, GNDxA and GNDxB are connected to the GNDA and GNDB of the chip respectively, and GxA and GxB are connected to the gate control terminal of the upper tube and the gate control terminal of the lower tube of the bridge arm respectively to drive the switch tube to turn on and off.
本实用新型在以上电路模块图的工作原理基础上,继续公开微处理器控制模块中的控制方法并进行说明。Based on the working principle of the above circuit module diagram, the present invention further discloses and explains the control method in the microprocessor control module.
图7为本实用新型的图腾柱无桥PFC电路拓扑结构,其包括:高频功率MOS管Q1和Q2、低频整流功率MOS管Q3和Q4,以及Q1、Q2和Q3、Q4的体内并联二极管D1、D2和D3、D4,此外还包括功率升压电感L、输出滤波电容C、输入交流电压源vin和输出负载电阻R,考虑实际电路中可能存在的寄生参数,还有电感内阻rL和MOS管的导通内阻rds;Q1和Q2组成高频桥臂,Q3和Q4组成低频整流桥臂,输入交流电压源与升压电感串联,并与两个桥臂的中点相连构成输入部分的闭合回路;两个桥臂与滤波电容C、输出负载电阻R并联,构成输出部分的闭合回路;两部分闭合回路的共同组成部分由两组桥臂所构成,即为交流-直流变换部分。FIG7 is a totem pole bridgeless PFC circuit topology structure of the utility model, which includes: high-frequency power MOS tubes Q1 and Q2, low-frequency rectifier power MOS tubes Q3 and Q4, and internal parallel diodes D1, D2 and D3, D4 of Q1, Q2, Q3, Q4, in addition to a power boost inductor L, an output filter capacitor C, an input AC voltage sourcevin and an output load resistor R, and considering the parasitic parameters that may exist in the actual circuit, there are also an inductor internal resistancerL and a MOS tube conduction internal resistancerds ; Q1 and Q2 form a high-frequency bridge arm, Q3 and Q4 form a low-frequency rectifier bridge arm, the input AC voltage source is connected in series with the boost inductor, and is connected to the midpoint of the two bridge arms to form a closed loop of the input part; the two bridge arms are connected in parallel with the filter capacitor C and the output load resistor R to form a closed loop of the output part; the common component of the two closed loops is composed of two groups of bridge arms, namely the AC-DC conversion part.
优选地,参考图8-11,当输入交流电压在正半周时,Q2、Q4导通,Q1、Q3关断,电流由左向右流过升压电感L,电感上的电压为左正右负,该过程对升压电感L进行储能;电流从电容C的正极流向负载电阻R,最后回到电容C的负极,该过程电容为负载提供能量,并维持输出电压的恒定;Preferably, referring to Figures 8-11, when the input AC voltage is in the positive half cycle, Q2 and Q4 are turned on, Q1 and Q3 are turned off, and the current flows from left to right through the boost inductor L. The voltage on the inductor is positive on the left and negative on the right. This process stores energy in the boost inductor L; the current flows from the positive electrode of the capacitor C to the load resistor R, and finally returns to the negative electrode of the capacitor C. In this process, the capacitor provides energy for the load and maintains the output voltage constant;
输入交流电压仍在正半周,Q1、Q4导通,Q2、Q3关断,电流由左向右流过升压电感L,电感上的电压为左负右正,该过程升压电感L进行释能;续流电流一部分流入输出滤波电容C,为电容C进行充电储能;另一部分电流流入输出负载电阻R,为负载提供能量,维持输出电压的恒定;When the input AC voltage is still in the positive half cycle, Q1 and Q4 are turned on, Q2 and Q3 are turned off, and the current flows from left to right through the boost inductor L. The voltage on the inductor is negative on the left and positive on the right. In this process, the boost inductor L releases energy; part of the freewheeling current flows into the output filter capacitor C to charge and store energy for the capacitor C; the other part of the current flows into the output load resistor R to provide energy for the load and maintain the constant output voltage;
当输入交流电压在负半周时,Q1、Q3导通,Q2、Q4关断,电流由右向左流过升压电感L,电感上的电压为左负右正,该过程对升压电感L进行储能;电流从电容C的正极流向负载电阻R,最后回到电容C的负极,该过程电容为负载提供能量,并维持输出电压的恒定;When the input AC voltage is in the negative half cycle, Q1 and Q3 are turned on, Q2 and Q4 are turned off, and the current flows from right to left through the boost inductor L. The voltage on the inductor is negative on the left and positive on the right. This process stores energy in the boost inductor L. The current flows from the positive electrode of the capacitor C to the load resistor R, and finally returns to the negative electrode of the capacitor C. In this process, the capacitor provides energy for the load and maintains the output voltage constant.
输入交流电压仍在负半周,Q2、Q3导通,Q1、Q4关断,电流由右向左流过升压电感L,电感上的电压为左正右负,该过程升压电感L进行释能;与此同时,续流电流一部分流入输出滤波电容C,为电容C进行充电储能;另一部分电流流入输出负载电阻R,为负载提供能量,维持输出电压的恒定。The input AC voltage is still in the negative half cycle, Q2 and Q3 are turned on, Q1 and Q4 are turned off, and the current flows from right to left through the boost inductor L. The voltage on the inductor is positive on the left and negative on the right. During this process, the boost inductor L releases energy. At the same time, part of the freewheeling current flows into the output filter capacitor C to charge and store energy for the capacitor C. The other part of the current flows into the output load resistor R to provide energy for the load and maintain the output voltage constant.
本实用新型公开了一种无桥PFC变换器系统的控制,参考图12-13,包括:The utility model discloses a control of a bridgeless PFC converter system, referring to FIGS. 12-13 , including:
步骤100,利用时间平均法建立图腾柱无桥PFC电路中平均电感电压的数学模型;Step 100, establishing a mathematical model of the average inductor voltage in the totem pole bridgeless PFC circuit using a time averaging method;
步骤200,将采样的输出电压送入DSP计算出实际的输出电压,输出电压与参考电压差值输入PID控制器,PID控制器的输出为平均电感峰值电压;Step 200, the sampled output voltage is sent to the DSP to calculate the actual output voltage, the difference between the output voltage and the reference voltage is input to the PID controller, and the output of the PID controller is the average inductor peak voltage;
步骤300,设置补偿项补偿平均电感电压,补偿项为平均电感补偿电压,使得在任意时刻下所计算出的平均电感电压与实际电路运行时的平均电感电压相同;Step 300, setting a compensation item to compensate for the average inductor voltage, the compensation item being the average inductor compensation voltage, so that the average inductor voltage calculated at any time is the same as the average inductor voltage during actual circuit operation;
步骤400,补偿项进行自适应校正控制;通过比较平均电感补偿峰值电压与平均电感参考补偿峰值电压来判断输出电压纹波相位角是否为零,若不为零,则以平均电感参考补偿峰值电压作为下一个工频周期的平均电感补偿峰值电压,在经过有限个工频周期后,有平均电感补偿峰值电压等于平均电感参考补偿峰值电压,即输出电压纹波相位角在有限时间内趋向于零,使得图图腾柱无桥PFC电路的功率因数趋向于1,从而实现平均电感补偿峰值电压的自适应校正。Step 400, the compensation item is adaptively corrected and controlled; by comparing the average inductance compensation peak voltage with the average inductance reference compensation peak voltage, it is determined whether the output voltage ripple phase angle is zero. If it is not zero, the average inductance reference compensation peak voltage is used as the average inductance compensation peak voltage of the next power frequency cycle. After a finite number of power frequency cycles, the average inductance compensation peak voltage is equal to the average inductance reference compensation peak voltage, that is, the output voltage ripple phase angle tends to zero within a finite time, so that the power factor of the totem pole bridgeless PFC circuit tends to 1, thereby realizing adaptive correction of the average inductance compensation peak voltage.
步骤500,根据平均电感峰值电压计算结果和平均电感补偿峰值电压计算结果计算出每个开关周期下的占空比,并经过PWM驱动模块输出对应的控制信号对电路进行控制。Step 500, the duty cycle in each switching cycle is calculated according to the calculation results of the average inductance peak voltage and the average inductance compensation peak voltage, and the corresponding control signal is output through the PWM driving module to control the circuit.
本实用新型提供的图腾柱无桥PFC变换器系统,使用图腾柱无桥PFC电路拓扑结构,在考虑寄生参数,如电感内阻、开关管内阻的情况下,进行电路拓扑的数学模型建模,利用时间平均法下算出电感电压的表达式,并在该表达式上增加合理的补偿电压去补偿计算的电感电压和实际电路中电感电压两者间的偏差,进一步提高功率因数。再通过输出电压纹波的相位信息计算出相应的补偿参考电压,使得补偿电压逼近补偿参考电压,直到稳态时补偿电压稳定在补偿参考电压处,实现功率因数的校正,减小寄生参数对功率因数的影响。包括以下优点:(1)减少了输入电流的采样电路,降低整个系统复杂性。(2)由于不使用电流采样电路,不仅减小了变换器的体积,还在一定程度上提高了系统的转换效率。(3)避免了电流采样电路所造成的噪声引入,提高了系统的稳定性。(4)不使用高精度ADC采样芯片对输入电压和输出电压进行采样,节省电路成本。The totem pole bridgeless PFC converter system provided by the utility model uses a totem pole bridgeless PFC circuit topology structure. Under the condition of considering parasitic parameters such as inductor internal resistance and switch tube internal resistance, a mathematical model of the circuit topology is modeled. The expression of the inductor voltage is calculated by the time averaging method, and a reasonable compensation voltage is added to the expression to compensate for the deviation between the calculated inductor voltage and the inductor voltage in the actual circuit, so as to further improve the power factor. Then, the corresponding compensation reference voltage is calculated by the phase information of the output voltage ripple, so that the compensation voltage approaches the compensation reference voltage until the compensation voltage is stabilized at the compensation reference voltage in the steady state, so as to realize the correction of the power factor and reduce the influence of parasitic parameters on the power factor. The advantages include the following: (1) The sampling circuit of the input current is reduced, and the complexity of the whole system is reduced. (2) Since the current sampling circuit is not used, not only the volume of the converter is reduced, but also the conversion efficiency of the system is improved to a certain extent. (3) The introduction of noise caused by the current sampling circuit is avoided, and the stability of the system is improved. (4) No high-precision ADC sampling chip is used to sample the input voltage and output voltage, so as to save circuit cost.
优选地,步骤100,利用时间平均法建立图腾柱无桥PFC电路中平均电感电压的数学模型,包括:图腾柱无桥PFC电路拓扑的四个工作阶段,用t表示一个工频周期内的第t时刻,列出四个阶段的电感电压vL(t):Preferably, step 100, using a time averaging method to establish a mathematical model of the average inductor voltage in the totem pole bridgeless PFC circuit, includes: four working stages of the totem pole bridgeless PFC circuit topology, t represents the t-th moment in a power frequency cycle, and lists the inductor voltages vL (t) in the four stages:
第一阶段:vL(t)=vin(t)-iL(t)×(rL+rds);The first stage: vL (t) = vin (t) - iL (t) × (rL + rds );
第二阶段:vL(t)=vin(t)-iL(t)×(rL+rds)-vo(t);The second stage: vL (t) = vin (t) - iL (t) × (rL + rds ) - vo (t);
第三阶段:vL(t)=vin(t)-iL(t)×(rL+rds);The third stage: vL (t) = vin (t) - iL (t) × (rL + rds );
第四阶段:vL(t)=vin(t)-iL(t)×(rL+rds)+vo(t);The fourth stage: vL (t) = vin (t)-iL (t) × (rL + rds ) + vo (t);
式中iL(t)表示输出电压直流量为Vdc时所对应的电感电流,也为输入电流。Where iL (t) represents the inductor current corresponding to the output voltage DC value Vdc , which is also the input current.
用xTs表示变量x在一个开关周期内的平均值,设一个开关周期内的导通时间为Ton,开关周期为Ts,则一个开关周期的输入交流电压和输入交流电流的平均值分别表示为:Let xTs represent the average value of variable x in one switching cycle. Let the on-time in one switching cycle be Ton and the switching cycle be Ts . Then the average values of input AC voltage and input AC current in one switching cycle are expressed as:
合并四个阶段的电感电压vL(t),得到一个开关周期的平均电感电压为:Combining the inductor voltage vL (t) in the four phases, the average inductor voltage in one switching cycle is obtained as:
vL(t)Ts=vin(t)Ts-iL(t)Ts(rL+rds)-sign(vin(t))(1-d(t))vo(t)(1)vL (t)Ts =vin (t)Ts -iL (t)Ts (rL +rds )-sign(vin (t))(1-d(t))vo (t)( 1)
其中占空比d(t)为导通时间与开关周期的比值,sign(vin)为关于vin的符号函数:The duty cycle d(t) is the ratio of the on-time to the switching period, and sign(vin ) is the sign function ofvin :
优选地,步骤200将采样的输出电压送入DSP计算出实际的输出电压,输出电压与参考电压差值输入PID控制器,PID控制器的输出为平均电感峰值电压;包括:使用隔离差分采样电路对输入和输出电压采样,将采样信号经过电阻分压电路转换为0到3.3V的电压信号,并传入到DSP芯片中;然后DSP芯片将反馈的输出电压经过ADC转换后,计算出实际的输出电压vo,用设定的参考输出电压Vref与输出电压vo相减得到输出电压的误差值verr,再将verr输入PID控制器中进行运算,得到的输出结果作为电感的平均峰值电压Vm;在输出电压稳定后,输出直流电压Vdc等于参考输出电压Vref。Preferably, step 200 sends the sampled output voltage to DSP to calculate the actual output voltage, and the difference between the output voltage and the reference voltage is input to the PID controller, and the output of the PID controller is the average inductor peak voltage; including: using an isolated differential sampling circuit to sample the input and output voltages, converting the sampled signal into a voltage signal of 0 to 3.3V through a resistor voltage divider circuit, and transmitting it to the DSP chip; then the DSP chip converts the feedback output voltage through ADC, calculates the actual output voltage vo , subtracts the set reference output voltage Vref from the output voltage vo to obtain the output voltage error value verr , and then inputs verr into the PID controller for calculation, and the output result is used as the average peak voltage Vm of the inductor; after the output voltage is stable, the output DC voltage Vdc is equal to the reference output voltage Vref .
设工频周期为Tg,当输入交流电压与输入交流电流同为正弦波且相位相同时,求出一个开关周期下电感电流的平均值:Assume that the power frequency period isTg . When the input AC voltage and the input AC current are both sinusoidal waves with the same phase, calculate the average value of the inductor current in one switching cycle:
其中表示正弦输入电流的平均电流峰值。设电感的阻抗为ωL,根据欧姆定律,求出平均电感电压的峰值Vm,并代入式(2)可得:in Represents the average current peak value of the sinusoidal input current. Assuming the impedance of the inductor is ωL, according to Ohm's law, the peak value of the average inductor voltage Vm is calculated and substituted into formula (2) to obtain:
根据电感电压公式求出平均电感电压:According to the inductor voltage formula Find the average inductor voltage:
设Vin为输入交流电压峰值,Io为输出负载电流,当电路转换效率为100%,有输入功率等于输出功率:结合式(3),推导出输出电压直流量的表达式:AssumeVin is the peak value of the input AC voltage,Io is the output load current, when the circuit conversion efficiency is 100%, the input power is equal to the output power: Combined with formula (3), the expression of the output voltage DC quantity is derived:
由式(5)可以看出,当输入交流电压增大或负载电流减小时,可通过减小维持输出电压Vdc不变;当输入交流电压减小或负载电流增大时,可通过增大维持输出电压Vdc不变。It can be seen from formula (5) that when the input AC voltage increases or the load current decreases, Maintain the output voltage Vdc unchanged; when the input AC voltage decreases or the load current increases, Maintain the output voltage Vdc unchanged.
根据上述公式推导设计出相应的PID电压控制器:使用隔离差分采样电路对输入和输出电压采样,将采样信号经过电阻分压电路转换为0到3.3V的电压信号,并传入到DSP芯片中。然后DSP芯片将反馈的输出电压经过ADC转换后,计算出实际的输出电压vo,用设定的参考输出电压Vref与输出电压vo相减得到输出电压的误差值verr,再将verr输入PID程序进行运算,得到的输出结果作为电感的平均峰值电压在输出电压稳定后,输出直流电压Vdc等于参考输出电压Vref。According to the above formula, the corresponding PID voltage controller is designed: the input and output voltages are sampled using an isolated differential sampling circuit, and the sampled signals are converted into voltage signals of 0 to 3.3V through a resistor voltage divider circuit and transmitted to the DSP chip. Then the DSP chip converts the feedback output voltage through an ADC, calculates the actual output voltage vo , and subtracts the output voltage vo from the set reference output voltage Vref to obtain the output voltage error value verr , and then inputs verr into the PID program for calculation, and the output result is used as the average peak voltage of the inductor. After the output voltage is stabilized, the output DC voltage Vdc is equal to the reference output voltage Vref .
优选地,步骤300设置补偿项补偿平均电感电压,补偿项为平均电感补偿电压,使得在任意时刻下所计算出的平均电感电压与实际电路运行时的平均电感电压相同,包括:为了令输入电流为正弦电流即功率因数为1,需使相位角为零,并有推导的等式为:Preferably, step 300 sets a compensation item to compensate the average inductor voltage, and the compensation item is the average inductor compensation voltage, so that the average inductor voltage calculated at any time is the same as the average inductor voltage when the actual circuit is running, including: in order to make the input current a sinusoidal current, that is, the power factor is 1, the phase angle is zero, and the derived equation is:
在输入电压峰值时刻ta处,输出电压的瞬时值为Vdc,此时所对应的占空比为da,将其代入式(6)求出电感的平均补偿峰值电压的参考值:At the input voltage peak momentta , the instantaneous value of the output voltage is Vdc , and the corresponding duty cycle at this time is da . Substituting it into equation (6) to obtain the reference value of the average compensation peak voltage of the inductor is:
上式中即为下一个工频周期的平均电感补偿电压参考值,根据的计算结果,可在下一个工频周期对做出相应的校正。In the above formula That is the average inductance compensation voltage reference value of the next power frequency cycle. The calculation results can be used in the next power frequency cycle Make corresponding corrections.
具体地,由于电路中总会存在各种损耗,因此电路的转换效率难以达到100%,而这些损耗主要由各种寄生参数所造成。在不降低输出功率的条件下,需要增大输入功率来补偿电路中损耗掉的功率。因此,在式(1)中,计算的平均电感电压与实际电路的平均电感电压会存在偏差。Specifically, since there are always various losses in the circuit, it is difficult for the circuit conversion efficiency to reach 100%, and these losses are mainly caused by various parasitic parameters. Without reducing the output power, it is necessary to increase the input power to compensate for the power lost in the circuit. Therefore, in formula (1), there will be a deviation between the calculated average inductor voltage and the average inductor voltage of the actual circuit.
为了提高功率因数,让输入交流电流呈现出标准的正弦波,需要对各个开关周期的平均电感电压进行补偿,使计算的平均电感电压与实际的平均电感电压相同。In order to improve the power factor and make the input AC current present a standard sine wave, the average inductor voltage of each switching cycle needs to be compensated so that the calculated average inductor voltage is the same as the actual average inductor voltage.
设补偿的平均电感电压<ΔvL(t)>Ts为:Assume that the average compensated inductor voltage <ΔvL (t)>Ts is:
<ΔvL(t)>Ts=(rL+rds)<ΔiL(t)>Ts (9)<ΔvL (t)>Ts = (rL +rds ) <ΔiL (t)>Ts (9)
式中<ΔiL(t)>Ts为为对应的平均电感补偿电流,设为补偿的平均电感电压峰值,则<ΔiL(t)>Ts可表示为:Where <ΔiL (t)>Ts is the corresponding average inductor compensation current. is the average inductor voltage peak value to be compensated, then <ΔiL (t)>Ts can be expressed as:
将式(10)加入到式(1)中,可得新的平均电感电压表达式:Adding equation (10) to equation (1), we can get a new expression for the average inductor voltage:
<vL(t)>Ts=<vin(t)>Ts-(<iL(t)>Ts+<ΔiL(t)>Ts)(rL+rds)-(1-d(t))vo(t) (11)<vL (t)>Ts =<vin (t)>Ts -(<iL (t)>Ts +<ΔiL (t)>Ts )(rL +rds )-(1-d( t))vo (t) (11)
对上式作变形,求出实际的占空比dreal(t)为:By transforming the above formula, the actual duty cycle dreal (t) is obtained as:
令电感内阻和MOS管内阻的和为rpar,则上式中包含内阻的一项,即实际电路中电感内阻和MOS管内阻上的平均电压总和<vpar(t)>Ts可表示为:Assuming the sum of the inductor internal resistance and the MOS tube internal resistance is rpar , the above formula includes a term of internal resistance, that is, the average sum of the voltages across the inductor internal resistance and the MOS tube internal resistance in the actual circuit <vpar (t)>Ts can be expressed as:
分析式(1)和式(11),当加入合适的平均电感补偿电压<ΔvL(t)>Ts时,使得计算的平均电感电压与实际的平均电感电压相等,令输入交流电流呈现出标准的正弦波。Analyzing equations (1) and (11), when a suitable average inductor compensation voltage <ΔvL (t)>Ts is added, the calculated average inductor voltage is equal to the actual average inductor voltage, making the input AC current present a standard sine wave.
但由于在实际电路中不采样输入电流,故对输入电流的信息是未知的,不能直接判断输入交流电流是否为标准的正弦波。为了解决该问题,可以从输出电压的低频纹波相位中找到关于输入交流电流的信息,并判断输入电流是否为标准的正弦波,从而间接地控制输入交流电流。However, since the input current is not sampled in the actual circuit, the information about the input current is unknown, and it is impossible to directly determine whether the input AC current is a standard sine wave. In order to solve this problem, information about the input AC current can be found from the low-frequency ripple phase of the output voltage, and whether the input current is a standard sine wave can be determined, thereby indirectly controlling the input AC current.
对输出电压的低频纹波进行推导。求出输出的低频纹波电压vripple(t)为:The low-frequency ripple of the output voltage is derived. The output low-frequency ripple voltage vripple (t) is obtained as:
由上式可知,当功率因数等于1时,输出电压的低频纹波相位角为零,而当电路中存在元器件损耗时,功率因数小于1,且输出电压的低频纹波产生一相位角因此实际的输出电压vo(t)为:From the above formula, we can see that when the power factor is equal to 1, the phase angle of the low-frequency ripple of the output voltage is zero. When there is component loss in the circuit, the power factor is less than 1, and the low-frequency ripple of the output voltage produces a phase angle Therefore, the actual output voltage vo (t) is:
对比式(14)和式(15)可知,为了令输入电流为正弦电流即功率因数为1,需使相位角为零,因此,将式(15)和代入式(11),化简求出以下等式:Comparing equations (14) and (15), we can see that in order to make the input current a sinusoidal current, that is, the power factor is 1, the phase angle is zero, therefore, we can transform equation (15) and Substituting into equation (11), we can simplify and obtain the following equation:
在输入电压峰值时刻ta处,输出电压的瞬时值为Vdc,此时所对应的占空比为da,将其代入式(12)求出电感的平均补偿峰值电压的参考值为式(8):At the input voltage peak momentta , the instantaneous value of the output voltage is Vdc , and the corresponding duty cycle at this time is da . Substituting it into equation (12), the reference value of the average compensation peak voltage of the inductor is obtained as equation (8):
式(8)中即为下一个工频周期的平均电感补偿电压参考值,根据的计算结果,可在下一个工频周期对做出相应的校正。In formula (8) That is the average inductance compensation voltage reference value of the next power frequency cycle. The calculation results can be used in the next power frequency cycle Make corresponding corrections.
优选地,步骤400补偿项进行自适应校正控制,包括:设电路处于第n个工频周期,将采样的输入电压vin(t)和输出电压vo(t)代入式才计算每个开关周期的占空比,并对电路进行控制,直到最后一个开关周期结束时,把第n个工频周期中时刻ta[n]所对应的占空比da[n]代入式(8)计算出电感的平均补偿参考峰值电压Preferably, the compensation item in step 400 is adaptively corrected and controlled, including: assuming that the circuit is in the nth power frequency cycle, substituting the sampled input voltage vin (t) and output voltage vo (t) into the formula to calculate the duty cycle of each switching cycle, and controlling the circuit until the end of the last switching cycle, substituting the duty cycle da [n] corresponding to the time ta [n] in the nth power frequency cycle into the formula (8) to calculate the average compensation reference peak voltage of the inductor
然后判断与是否相等,若相等则不需要修正若不相等则根据与的差值计算第n个工频周期的修正量α,并在第n+1个工频周期使经过有限个工频周期的修正,使得逐渐逼近于最终电路进入稳态后满足Then judge and Are they equal? If they are equal, no correction is needed. If not equal, then according to and The difference between the two is used to calculate the correction value α for the nth power frequency cycle, and the correction value α is used for the n+1th power frequency cycle. After a finite number of power frequency cycles, Gradually approaching Finally, the circuit enters a steady state and satisfies
具体地,根据上述和的公式推导以及与功率因数之间的关系,可以得出以下结论:当平均电感补偿峰值电压等于平均电感参考补偿峰值电压时,功率因数等于1,输入交流电流为标准的正弦波。Specifically, according to the above and The formula derivation and The relationship between the average inductance and the power factor leads to the following conclusion: when the average inductance compensates the peak voltage Equal to the average inductor reference compensation peak voltage When the power factor is equal to 1, the input AC current is a standard sine wave.
优选地,步骤500包括:所述根据平均电感峰值电压计算结果和平均电感补偿峰值电压计算结果计算出每个开关周期下的占空比,并经过PWM驱动模块输出对应的控制信号对电路进行控制,包括:占空比表达式(12)。Preferably, step 500 includes: calculating the duty cycle in each switching cycle according to the calculation results of the average inductance peak voltage and the average inductance compensation peak voltage, and outputting a corresponding control signal through the PWM drive module to control the circuit, including: duty cycle expression (12).
在输入交流电压正负半周的情况下,上式占空比均适用,因此在DSP中可直接利用式(12)来计算每个开关周期下的占空比,虽然式中L、rL和rds都未知,但通过上述分析可知,只需调节使得补偿后的平均电感电压等于实际电路的平均电感电压即可实现功率因数的校正,因此避免了元件参数和寄生参数对功率因数的影响。In the case of the positive and negative half cycles of the input AC voltage, the above duty cycle is applicable. Therefore, in DSP, the duty cycle of each switching cycle can be directly calculated using formula (12). Although L, rL and rds are unknown in the formula, it can be seen from the above analysis that only the adjustment The power factor can be corrected by making the average inductor voltage after compensation equal to the average inductor voltage of the actual circuit, thereby avoiding the influence of component parameters and parasitic parameters on the power factor.
优选的,在DSP的程序中,可对L、rL和rds设置一个合理的初始值,如L=1mH、rL=0.1Ω和rds=1Ω即可,然后由输出电压控制模块的输出和输入电流校正模块的输出共同参与占空比的计算,将计算出的占空比经过PWM模块转换成对应的方波信号,再通过驱动芯片输出驱动信号对开关管Q1和Q2进行控制。与此同时,通过输入电压过零检测电平信号分别对开关管Q3和Q4给与驱动信号,即在输入交流电压正半周时,Q4导通,Q3关断,在输入交流电压负半周时,Q3导通,Q4关断。Preferably, in the DSP program, a reasonable initial value can be set for L, rL and rds , such as L = 1mH, rL = 0.1Ω and rds = 1Ω, and then the output voltage of the output control module is and the output of the input current correction module They participate in the calculation of the duty cycle together, convert the calculated duty cycle into a corresponding square wave signal through the PWM module, and then output the drive signal through the driver chip to control the switch tubes Q1 and Q2. At the same time, the input voltage zero-crossing detection level signal is used to give drive signals to the switch tubes Q3 and Q4, that is, when the input AC voltage is in the positive half cycle, Q4 is turned on and Q3 is turned off, and when the input AC voltage is in the negative half cycle, Q3 is turned on and Q4 is turned off.
以上所述仅是本实用新型的具体实施方式,使本领域技术人员能够理解或实现本实用新型。对这些实施例的多种修改对本领域的技术人员来说将是显而易见的,本文中所定义的一般原理可以在不脱离本实用新型的精神或范围的情况下,在其它实施例中实现。因此,本实用新型将不会被限制于本文所示的这些实施例,而是要符合与本文所申请的原理和新颖特点相一致的最宽的范围。The above description is only a specific embodiment of the present invention, so that those skilled in the art can understand or implement the present invention. Various modifications to these embodiments will be obvious to those skilled in the art, and the general principles defined herein can be implemented in other embodiments without departing from the spirit or scope of the present invention. Therefore, the present invention will not be limited to the embodiments shown herein, but should conform to the widest scope consistent with the principles and novel features applied herein.
| Application Number | Priority Date | Filing Date | Title |
|---|---|---|---|
| CN202222386937.XUCN218771769U (en) | 2022-09-05 | 2022-09-05 | A Bridgeless PFC Converter System Without Current Sampling |
| Application Number | Priority Date | Filing Date | Title |
|---|---|---|---|
| CN202222386937.XUCN218771769U (en) | 2022-09-05 | 2022-09-05 | A Bridgeless PFC Converter System Without Current Sampling |
| Publication Number | Publication Date |
|---|---|
| CN218771769Utrue CN218771769U (en) | 2023-03-28 |
| Application Number | Title | Priority Date | Filing Date |
|---|---|---|---|
| CN202222386937.XUActiveCN218771769U (en) | 2022-09-05 | 2022-09-05 | A Bridgeless PFC Converter System Without Current Sampling |
| Country | Link |
|---|---|
| CN (1) | CN218771769U (en) |
| Publication number | Priority date | Publication date | Assignee | Title |
|---|---|---|---|---|
| CN120582448A (en)* | 2025-08-01 | 2025-09-02 | 西安锐泽克斯光电科技有限公司 | Intrinsically safe PFC circuit output control circuit, charging equipment and system |
| Publication number | Priority date | Publication date | Assignee | Title |
|---|---|---|---|---|
| CN120582448A (en)* | 2025-08-01 | 2025-09-02 | 西安锐泽克斯光电科技有限公司 | Intrinsically safe PFC circuit output control circuit, charging equipment and system |
| Publication | Publication Date | Title |
|---|---|---|
| CN110365205B (en) | High-efficiency totem-pole bridgeless PFC rectifier control method | |
| CN101247072B (en) | Voltage regulating circuit | |
| Wei et al. | A novel bridgeless buck-boost PFC converter | |
| CN106655830B (en) | A kind of decoupling control method and system | |
| CN102810984A (en) | A switching power supply circuit | |
| CN115051565B (en) | Grid-connected inverter of bidirectional half-bridge direct-current converter and ripple control method | |
| CN117691887B (en) | A supercapacitor energy storage type high overload single-phase inverter circuit and control method thereof | |
| CN205377693U (en) | Output current continuously adjustable high efficiency switching power supply | |
| CN110061639A (en) | A kind of output adjustable power circuit | |
| CN218771769U (en) | A Bridgeless PFC Converter System Without Current Sampling | |
| CN114400886A (en) | Frequency conversion self-adaptive dead time totem pole PFC control method | |
| CN102624260B (en) | Sampling circuit of AC/DC conversion switch power supply input line voltage | |
| CN102005915B (en) | Boost and buck integrated bridge-free power factor correction (PFC) circuit | |
| CN114362544B (en) | Topology structure of charge-controlled LLC resonant converter and its load feedforward method | |
| CN119966219A (en) | Totem Pole Bridgeless PFC Control System Based on SiC Devices | |
| CN107370361B (en) | Sawtooth Wave Generation Circuit and Flyback, SEPIC and Buck-Boost Power Factor Correction Converters | |
| CN104702092B (en) | Power Factor Correction Circuits for Power Converters | |
| CN201207614Y (en) | Full load flexible switch power supply control circuit | |
| CN107257194B (en) | Resonant converter | |
| CN208094445U (en) | Vector closes 360 ° of phase and amplitude controllable AC converters | |
| CN216056833U (en) | Single-phase AC-DC power supply without rectifier bridge by adopting analog control | |
| CN207304371U (en) | A kind of controlled resonant converter | |
| CN211405872U (en) | Rectification system based on GaN power device | |
| CN205430061U (en) | Keep apart power adapter system with power factor correction function | |
| CN206370775U (en) | Numerical Control Adjustable Buck Converter with Low Voltage and High Current Output |
| Date | Code | Title | Description |
|---|---|---|---|
| GR01 | Patent grant | ||
| GR01 | Patent grant |