Movatterモバイル変換


[0]ホーム

URL:


CN218544694U - Refrigerant circulation system and air conditioning equipment - Google Patents

Refrigerant circulation system and air conditioning equipment
Download PDF

Info

Publication number
CN218544694U
CN218544694UCN202223028450.0UCN202223028450UCN218544694UCN 218544694 UCN218544694 UCN 218544694UCN 202223028450 UCN202223028450 UCN 202223028450UCN 218544694 UCN218544694 UCN 218544694U
Authority
CN
China
Prior art keywords
refrigerant
heat exchanger
pipeline
inlet
outlet
Prior art date
Legal status (The legal status is an assumption and is not a legal conclusion. Google has not performed a legal analysis and makes no representation as to the accuracy of the status listed.)
Active
Application number
CN202223028450.0U
Other languages
Chinese (zh)
Inventor
张仕强
袁帆
陈敏
Current Assignee (The listed assignees may be inaccurate. Google has not performed a legal analysis and makes no representation or warranty as to the accuracy of the list.)
Gree Electric Appliances Inc of Zhuhai
Original Assignee
Gree Electric Appliances Inc of Zhuhai
Priority date (The priority date is an assumption and is not a legal conclusion. Google has not performed a legal analysis and makes no representation as to the accuracy of the date listed.)
Filing date
Publication date
Application filed by Gree Electric Appliances Inc of ZhuhaifiledCriticalGree Electric Appliances Inc of Zhuhai
Priority to CN202223028450.0UpriorityCriticalpatent/CN218544694U/en
Application grantedgrantedCritical
Publication of CN218544694UpublicationCriticalpatent/CN218544694U/en
Activelegal-statusCriticalCurrent
Anticipated expirationlegal-statusCritical

Links

Images

Landscapes

Abstract

The utility model relates to a refrigerant circulation system and air conditioning equipment, refrigerant circulation system includes the compressor, first control valve, first outdoor heat exchanger, first pipeline, the second control valve, the second pipeline, the third pipeline, first throttling component, energy storage ware and indoor heat exchanger, the energy storage ware includes that first refrigerant is imported and exported and the second refrigerant is imported and exported, the first refrigerant of energy storage ware is imported and exported and to be switched between first state and second state, the first refrigerant of first state energy storage ware is imported and exported and is circulated the refrigerant between the first throttling component, import and export and the first pipeline circulation refrigerant at the first refrigerant of second state energy storage ware, the second refrigerant of energy storage ware is imported and exported and to be switched between third state and fourth state, import and export and circulate the refrigerant between the gas vent of second pipeline or compressor at the second refrigerant of third state energy storage ware, it circulates between the third pipeline to import and export at the second of fourth state energy storage ware.

Description

Refrigerant circulation system and air conditioning equipment
Technical Field
The utility model relates to a refrigeration technology field particularly, relates to a refrigerant circulation system and air conditioning equipment.
Background
With the continuous development of air conditioning technology, people pay more attention to the energy-saving and environment-friendly performance of air conditioners gradually, and meanwhile, people also need an air conditioning system to work in different modes.
SUMMERY OF THE UTILITY MODEL
The utility model aims at providing a refrigerant circulating system and air conditioning equipment with multiple mode.
According to the utility model discloses an aspect of embodiment, the utility model provides a refrigerant circulation system, refrigerant circulation system includes:
a compressor including an air suction port for introducing a refrigerant to be compressed and an air discharge port for discharging the compressed refrigerant;
a first control valve including an inlet communicated with an exhaust port of the compressor, a return port communicated with an air suction port of the compressor, and a working port selectively communicated with one of the inlet and the return port;
the first outdoor heat exchanger is communicated with a working port of the first control valve;
the first pipeline is communicated with the first outdoor heat exchanger;
the second control valve comprises an inlet communicated with the exhaust port of the compressor and a working port which can be arranged on and off with the inlet;
the second pipeline is communicated with the working port of the second control valve;
a third pipeline communicated with the air suction port of the compressor;
a first throttling component communicated with the first pipeline;
the energy accumulator comprises a first refrigerant inlet and outlet and a second refrigerant inlet and outlet, the first refrigerant inlet and outlet of the energy accumulator can be switched between a first state and a second state, refrigerants can be circulated between the first refrigerant inlet and outlet of the energy accumulator in the first state and the first throttling component, refrigerants can be circulated between the first refrigerant inlet and outlet of the energy accumulator in the second state and the first pipeline, the second refrigerant inlet and outlet of the energy accumulator can be switched between a third state and a fourth state, refrigerants can be circulated between the second refrigerant inlet and outlet of the energy accumulator in the third state and the second pipeline or the exhaust port of the compressor, and refrigerants can be circulated between the second refrigerant inlet and outlet of the energy accumulator in the fourth state and the third pipeline;
the indoor heat exchanger comprises a first refrigerant inlet and outlet and a second refrigerant inlet and outlet, the first refrigerant inlet and outlet of the indoor heat exchanger is communicated with the first pipeline, and the second refrigerant inlet and outlet of the indoor heat exchanger can be selectively communicated with one of the second pipeline and the third pipeline.
In some embodiments, the second refrigerant inlet/outlet of the accumulator further has a fifth state in which the refrigerant is communicated with the first pipeline, and the second refrigerant inlet/outlet of the accumulator is switchable between the third state, the fourth state and the fifth state.
In some embodiments, the refrigerant circulation system further includes:
the third control valve comprises an inlet communicated with the exhaust port of the compressor, a return port communicated with the suction port of the compressor and a working port, and the working port can be selectively communicated with one of the inlet and the return port;
and one end of the second outdoor heat exchanger is communicated with the working port of the second control valve, and the other end of the second outdoor heat exchanger is communicated with the first pipeline.
In some embodiments, the refrigerant circulation system further includes:
the second throttling component comprises a first inlet and a second outlet which are communicated with the first outdoor heat exchanger and a first pipeline;
and the third throttling component comprises a first inlet and a second outlet which are communicated with the second outdoor heat exchanger and a second inlet and a second outlet which are communicated with the first pipeline, and the second inlet and the second outlet of the third throttling component are communicated with the second inlet and the second outlet of the second throttling component.
In some embodiments, the second control valve further comprises a return port in communication with the suction port of the compressor, and the working port of the second control valve is selectively in communication with one of the inlet port of the second control valve and the return port of the second control valve.
In some embodiments, the refrigerant circulation system further includes:
one end of the first communicating pipeline is communicated with the first refrigerant inlet and outlet, the other end of the first communicating pipeline is communicated with the first pipeline, and the first throttling part is arranged in the first communicating pipeline;
and one end of the second communicating pipeline is communicated with the first refrigerant inlet and outlet, the other end of the second communicating pipeline is communicated with the first pipeline, and the joint of the second communicating pipeline and the first pipeline is closer to the indoor heat exchanger than the joint of the first communicating pipeline and the first pipeline in the flowing direction of the first pipeline.
In some embodiments, the refrigerant circulation system further includes:
the first switch valve is arranged in the first pipeline and is positioned between the joint of the first communicating pipeline and the first pipeline and the joint of the second communicating pipeline and the first pipeline;
and the inlet end of the first one-way valve is communicated with the first refrigerant inlet and the first refrigerant outlet of the energy accumulator.
In some embodiments, the refrigerant circulation system further includes:
one end of the third communicating pipeline is communicated with the exhaust port of the compressor or the second pipeline, and the other end of the third communicating pipeline is communicated with the second refrigerant inlet and outlet of the energy accumulator;
and one end of the fourth communication pipeline is communicated with the second refrigerant inlet and outlet of the energy accumulator, and the other end of the fourth communication pipeline is communicated with the third pipeline.
In some embodiments, the refrigerant circulation system further includes:
the second switch valve is arranged in the third communication pipeline;
and the third switch valve is arranged in the fourth communication pipeline.
In some embodiments, the other end of the third communication pipeline is communicated with a first communication pipeline which is communicated with the first refrigerant inlet and outlet and the first pipeline, the connection between the other end of the third communication pipeline and the first communication pipeline is positioned between the first pipeline and the first throttling component in the flow direction of the first communication pipeline, the refrigerant circulation system further comprises a fifth communication pipeline, one end of the fifth communication pipeline is communicated with the first communication pipeline, and the other end of the fifth communication pipeline is communicated with the second refrigerant inlet and outlet of the energy accumulator.
In some embodiments, a connection of one end of the fifth communication pipe to the first communication pipe is located between the first pipe and the first throttling part in the flow direction of the first communication pipe.
In some embodiments, the refrigerant circulation system further includes:
the fourth switching valve is arranged in the fifth communication pipeline;
and the second one-way valve is arranged in the first communication pipeline and is positioned between the first pipeline and the fifth communication pipeline in the circulation direction of the first communication pipeline.
In some embodiments, the refrigerant circulation system further includes:
one end of the refrigeration control valve is communicated with a second refrigerant inlet and outlet of the indoor heat exchanger, and the other end of the refrigeration control valve is communicated with a third pipeline;
and one end of the heating control valve is communicated with the second refrigerant inlet and outlet of the indoor heat exchanger, and the other end of the heating control valve is communicated with the second pipeline.
According to the utility model discloses an on the other hand still provides an air conditioning equipment, and air conditioning equipment includes foretell refrigerant circulation system.
According to another aspect of the present invention, there is also provided a method for controlling the above-mentioned cooling medium circulation system, which in some embodiments comprises controlling the cooling medium circulation system to operate in at least one of a cooling storage mode, a heating release mode and a heating release mode, wherein,
when the cold energy storage mode is adopted, the inlet of the first control valve is controlled to be communicated with the working port, the first refrigerant inlet and outlet of the energy accumulator are controlled to be in a first state to be communicated with the first throttling part, and the second refrigerant inlet and outlet of the energy accumulator are controlled to be in a fourth state to be communicated with the third pipeline;
in the heat storage mode, a return port of the first control valve is controlled to be communicated with the working port, a first refrigerant inlet and outlet of the energy accumulator is in a second state to be communicated with the first pipeline, and a second refrigerant inlet and outlet of the energy accumulator is in a third state to be communicated with the second pipeline or an exhaust port of the compressor;
when the heat releasing mode is adopted, the second refrigerant inlet and outlet of the energy accumulator are in a fourth state to be communicated with the third pipeline, and the first refrigerant inlet and outlet of the energy accumulator are in a first state to be communicated with the first throttling component;
and when the cold quantity releasing mode is adopted, the first refrigerant inlet and outlet of the energy accumulator are in the second state to be communicated with the first pipeline, and the second refrigerant inlet and outlet of the energy accumulator are in the third state to be communicated with the second pipeline or the air outlet of the compressor.
In some embodiments, the control method comprises:
in the period of high electricity price of the power supply system, the cold quantity releasing mode or the heat quantity releasing mode of the refrigerant circulating system is adopted; and in the period when the power supply system is at low electricity price, the refrigerant circulating system is in a cold energy storage mode or a heat energy storage mode.
In some embodiments, the control method comprises:
arranging a plurality of indoor heat exchangers in parallel; or
And a second outdoor heat exchanger and a third control valve which are connected with the first outdoor heat exchanger in parallel are arranged, the third control valve comprises an inlet communicated with the exhaust port of the compressor, a return port communicated with the suction port of the compressor and a working port, and the working port can be selectively communicated with one of the inlet and the return port.
In some embodiments, the control method includes controlling the outdoor unit of the refrigerant circulation system to operate in at least one of the following operation modes:
and (3) complete condensation: the inlet of the first control valve is communicated with the working port, the inlet of the second control valve is not communicated with the working port, the inlet of the third control valve is communicated with the working port, the first outdoor heat exchanger and the second outdoor heat exchanger are both used as condensers, and refrigerants are condensed in the first outdoor heat exchanger and the second outdoor heat exchanger;
the main body is condensed, the inlet of the first control valve is communicated with the working port, the inlet of the second control valve is communicated with the working port so as to convey part of refrigerant to the indoor heat exchanger and/or the energy accumulator for condensation, the inlet of the third control valve is communicated with the working port,
the refrigerant is condensed in the indoor heat exchanger and/or the energy accumulator, and the condensed refrigerant is conveyed to the first outdoor heat exchanger and the second outdoor heat exchanger to be evaporated;
main body evaporation: the return port of the first control valve is communicated with the working port, the inlet of the second control valve is communicated with the working port to convey part of the refrigerant to the indoor heat exchanger and/or the energy accumulator for condensation, the return port of the third control valve is communicated with the working port, part of the refrigerant is condensed in the indoor heat exchanger and/or the energy accumulator, the condensed refrigerant is conveyed to the first outdoor heat exchanger and the second outdoor heat exchanger for evaporation, part of the refrigerant is evaporated in the indoor heat exchanger and/or the energy accumulator, and the evaporated refrigerant is conveyed to the suction port of the compressor through the third pipeline;
and (3) turning off a heat exchanger of the outdoor unit: the inlet of the second control valve is communicated with the working port, and the refrigerant is conveyed to one of the indoor heat exchanger and/or the energy accumulator to be condensed, evaporated in the other one of the indoor heat exchanger and/or the energy accumulator and conveyed to the suction port of the compressor through a third pipeline;
complete condensation and zoning: the return port of the first control valve is communicated with the working port, the inlet of the second control valve is not communicated with the working port, the inlet of the third control valve is communicated with the working port, the first outdoor heat exchanger serves as an evaporator, and the second outdoor heat exchanger serves as a condenser;
main body condensation and zoning: the return port of the first control valve is communicated with the working port, the inlet of the second control valve is communicated with the working port so as to convey part of refrigerant to the indoor heat exchanger and/or the energy accumulator for condensation, the inlet of the third control valve is communicated with the working port, the first outdoor heat exchanger serves as an evaporator, and the second outdoor heat exchanger serves as a condenser;
and (3) complete evaporation and zoning: the return port of the first control valve is communicated with the working port, the inlet of the second control valve is communicated with the working port to convey part of refrigerants to the indoor heat exchanger and/or the energy accumulator for condensation, the inlet of the third control valve is communicated with the working port, the first outdoor heat exchanger serves as an evaporator, the second outdoor heat exchanger serves as a condenser, and the condensed refrigerants in the indoor heat exchanger and/or the energy accumulator are conveyed to the first outdoor heat exchanger through the first pipeline for evaporation;
main body evaporation and partition: the return port of the first control valve is communicated with the working port, the inlet of the second control valve is communicated with the working port to convey part of the refrigerant to the indoor heat exchanger and/or the energy accumulator for condensation, the inlet of the third control valve is communicated with the working port, the first outdoor heat exchanger serves as an evaporator, the second outdoor heat exchanger serves as a condenser, and part of the refrigerant is conveyed to the suction port of the compressor through the third pipeline after being evaporated in the indoor heat exchanger and/or the energy accumulator.
In some embodiments, the accumulator of the refrigerant circulation system is in at least one of the following operating modes:
the accumulator acts as an evaporator: an inlet of the first control valve is communicated with the working port, a first refrigerant inlet and outlet of the energy accumulator are in a first state and are communicated with the first throttling component, a second refrigerant inlet and outlet of the energy accumulator are in a fourth state and are communicated with a third pipeline, a refrigerant compressed by the compressor is condensed by the first outdoor heat exchanger and then throttled by the first throttling component, the throttled refrigerant enters the energy accumulator and then evaporates to absorb heat, and an evaporated refrigerant discharged by the second refrigerant inlet and outlet of the energy accumulator is conveyed to a suction port of the compressor through the third pipeline;
the energy accumulator is used as a subcooler: an inlet of the first control valve is communicated with the working port, a second refrigerant inlet and outlet of the energy accumulator are in a fifth state and are communicated with the first pipeline, a first refrigerant inlet and outlet of the energy accumulator are in a second state and are communicated with the third pipeline, the refrigerant compressed by the compressor is condensed by the first outdoor heat exchanger and then throttled by the second throttling component, the throttled refrigerant enters the energy accumulator and then evaporates and absorbs heat, and the first refrigerant inlet and outlet of the energy accumulator conveys the discharged evaporated refrigerant to the indoor heat exchanger through the first pipeline;
the accumulator acts as a condenser: the first refrigerant inlet and outlet of the energy accumulator is in a second state to be communicated with the first pipeline; the second refrigerant inlet and outlet are in a third state to communicate refrigerant with the second pipeline or the exhaust port of the compressor, the refrigerant compressed by the compressor is conveyed to the energy accumulator to be condensed, the condensed refrigerant is conveyed to the first pipeline through the first refrigerant inlet and outlet of the energy accumulator, and the condensed refrigerant is conveyed to the indoor heat exchanger by the first pipeline.
In some embodiments, the refrigerant circulation system operates in at least one of a plurality of operating modes,
in a conventional complete refrigeration mode, an inlet and a working port of a first control valve are communicated, an inlet and a working port of a second control valve are not communicated, an inlet and a working port of a third control valve are communicated, an energy accumulator is shut down, a first switch valve in a section of first pipeline connected with the energy accumulator in parallel is opened, a first outdoor heat exchanger and a second outdoor heat exchanger are both used as condensers, the energy accumulator is shut down, and an indoor heat exchanger is used as an evaporator;
conventional main body refrigeration: in a conventional main body refrigeration mode, an inlet and a working port of a second control valve are communicated to convey a compressed part of refrigerant to an indoor heat exchanger for condensation, the other part of refrigerant is condensed in a first outdoor heat exchanger and/or a second outdoor heat exchanger, the condensed refrigerant is evaporated in the indoor heat exchanger, the evaporation capacity of the refrigerant in the indoor heat exchanger is greater than the condensation capacity, an energy accumulator is shut down, and a first switch valve is opened;
complete cold accumulation: in a complete cold accumulation mode, a refrigerant is compressed in a compressor, the compressed refrigerant is completely condensed in a first outdoor heat exchanger and/or a second outdoor heat exchanger, the condensed refrigerant is evaporated in an energy accumulator, the energy accumulator stores cold energy, an indoor unit of a refrigerant circulating system comprising an indoor heat exchanger is shut down, and a first switch valve is closed;
cold accumulation and complete refrigeration at the same time: in a cold accumulation and complete refrigeration mode, a refrigerant is compressed in a compressor, the compressed refrigerant is completely condensed in a first outdoor heat exchanger and/or a second outdoor heat exchanger, the condensed refrigerant is evaporated in an energy accumulator and an indoor heat exchanger, and a first switch valve is opened;
cold accumulation and complete heating and condensation of the outdoor unit: in the mode of cold accumulation, complete heating and outdoor unit condensation, the refrigerant is in the compressor, the partially compressed refrigerant is condensed in the first outdoor heat exchanger and/or the second outdoor heat exchanger, the partially compressed refrigerant is condensed in the indoor heat exchanger, the condensed refrigerant is evaporated in the energy accumulator, and the first switch valve is opened;
cold accumulation and complete heating and outdoor unit evaporation: in the mode of cold accumulation, complete heating and outdoor unit evaporation, a refrigerant is compressed in a compressor, the compressed refrigerant is condensed in an indoor heat exchanger, a part of the condensed refrigerant is evaporated in a first outdoor heat exchanger and/or a second outdoor heat exchanger, the part of the condensed refrigerant is evaporated in an energy accumulator, the energy accumulator stores cold energy, and a first switch valve is opened;
cold accumulation and main body refrigeration: in the cold accumulation and main body refrigeration mode, a refrigerant is compressed in a compressor, a part of the compressed refrigerant is condensed in a first outdoor heat exchanger and/or a second outdoor heat exchanger, the part of the compressed refrigerant is condensed in an indoor heat exchanger, the part of the condensed refrigerant is evaporated in an energy accumulator, the energy accumulator stores cold energy, the part of the condensed refrigerant is evaporated in the indoor heat exchanger, the evaporation capacity of the refrigerant in the indoor heat exchanger is greater than the condensation capacity, and a first switch valve is opened;
cold accumulation and main body heating and outdoor machine evaporation: in the mode of cold accumulation, main body heating and outdoor unit evaporation, a refrigerant is compressed in a compressor, the compressed refrigerant is condensed in an indoor heat exchanger, a part of the condensed refrigerant is evaporated in the indoor heat exchanger, the evaporation capacity of the refrigerant in the indoor heat exchanger is smaller than the condensation capacity, the part of the condensed refrigerant is evaporated in an energy accumulator, the energy accumulator stores cold energy, the part of the condensed refrigerant is evaporated in a first outdoor heat exchanger and/or a second outdoor heat exchanger, and a first switch valve is opened;
cold accumulation and main body heating and outdoor machine condensation: in the mode of storing cold, simultaneously heating the main body and condensing the outdoor unit, the refrigerant is compressed in the compressor, part of the compressed refrigerant is condensed in the first outdoor heat exchanger and/or the second outdoor heat exchanger, part of the compressed refrigerant is condensed in the indoor heat exchanger, part of the condensed refrigerant is evaporated in the energy accumulator, part of the condensed refrigerant is evaporated in the indoor heat exchanger, and the first switch valve is opened;
supercooling and releasing cold while completely refrigerating: in a supercooling and cold releasing and complete refrigeration mode, a refrigerant is compressed in a compressor, the fully compressed refrigerant is condensed in a first outdoor heat exchanger and/or a second outdoor heat exchanger, the condensed refrigerant enters an energy accumulator for supercooling, the energy accumulator serves as a subcooler, the supercooled refrigerant is conveyed to an indoor heat exchanger for evaporation, and a first switch valve is closed;
supercooling and releasing cold while main body is refrigerated: in the main refrigeration mode of supercooling and releasing cold, the refrigerant is compressed in the compressor, part of the compressed refrigerant is condensed in the first outdoor heat exchanger and/or the second outdoor heat exchanger, the condensed refrigerant enters the energy accumulator for supercooling, the energy accumulator serves as a subcooler, the supercooled refrigerant is conveyed to the indoor heat exchanger for evaporation, part of the compressed refrigerant is condensed in the indoor heat exchanger, and the first switch valve is closed;
condensation and cold release as well as complete refrigeration: in a complete refrigeration mode simultaneously with the condensation and the cold release, the outdoor unit is shut down, the refrigerant is compressed in the compressor, the compressed refrigerant is condensed in the energy accumulator, the energy accumulator releases cold, the condensed refrigerant is evaporated in the indoor heat exchanger, and the first switch valve is closed;
condensation and cooling while main body is refrigerated: in a main refrigeration mode while the refrigerant is condensed and released, the outdoor unit is shut down, the refrigerant is compressed in the compressor, part of the compressed refrigerant is condensed in the energy accumulator, the energy accumulator releases the cold energy, the condensed refrigerant is evaporated in the indoor heat exchanger, part of the compressed refrigerant is condensed in the indoor heat exchanger, and the first switch valve is closed;
parallel cold releasing and complete refrigeration: in a parallel cold releasing and complete refrigerating mode, a refrigerant is compressed in a compressor, a part of compressed refrigerant is condensed in a first outdoor heat exchanger and/or a second outdoor heat exchanger, the part of compressed refrigerant is condensed in an energy accumulator, the energy accumulator releases cold energy, the condensed refrigerant is evaporated in an indoor heat exchanger, and a first switch valve is closed;
parallel cooling and main body cooling: in the parallel-connection cold releasing and main body refrigeration mode, the refrigerant is compressed in the compressor, part of the compressed refrigerant is condensed in the first outdoor heat exchanger and/or the second outdoor heat exchanger, part of the compressed refrigerant is condensed in the energy accumulator, the energy accumulator releases cold energy, the condensed refrigerant is evaporated in the indoor heat exchanger, part of the compressed refrigerant is condensed in the indoor heat exchanger, the first switch valve is closed,
wherein, the complete heating means that a plurality of indoor heat exchangers are all used as condensers for heating,
the condensation volume of the refrigerant in the indoor heat exchanger is greater than the evaporation capacity when the main body heats, the condensation volume of the refrigerant in the indoor heat exchanger is less than the evaporation capacity when the main body refrigerates, the indoor heat exchanger is only used for condensing the refrigerant when the main body heats completely, and the indoor heat exchanger is only used for evaporating the refrigerant when the main body refrigerates completely.
In some embodiments, the refrigerant circulation system operates in at least one of a plurality of operating modes,
conventional complete heating: in a conventional complete heating mode, a refrigerant is compressed in a compressor, an energy accumulator is shut down, the compressed refrigerant is condensed in an indoor heat exchanger, the condensed refrigerant is evaporated in a first outdoor heat exchanger and/or a second outdoor heat exchanger, the evaporated refrigerant is conveyed to an air suction port of the compressor, and a first switch valve in a section of first pipeline connected with the energy accumulator in parallel is opened;
heating of a conventional main body: under a conventional main body hot mode, a refrigerant is compressed in a compressor, an energy accumulator is shut down, a part of compressed refrigerant is condensed in an indoor heat exchanger, the condensed refrigerant is evaporated in a first outdoor heat exchanger and/or a second outdoor heat exchanger, the part of compressed refrigerant is condensed in the indoor heat exchanger, and a first switch valve is opened;
and (3) complete heat storage: in the complete heat storage mode, the indoor heat exchanger is closed, the refrigerant is compressed in the compressor, the compressed refrigerant is condensed in the energy accumulator, the energy accumulator stores heat, the condensed refrigerant is evaporated in the first outdoor heat exchanger and/or the second outdoor heat exchanger, and the first switch valve is opened;
heat storage and complete heating: in the heat storage and complete heating mode, a refrigerant is compressed in a compressor, the compressed refrigerant is condensed in an energy accumulator and an indoor heat exchanger, the condensed refrigerant is evaporated in a first outdoor heat exchanger and/or a second outdoor heat exchanger, and a first switch valve is opened;
heat storage while complete refrigeration and outdoor unit evaporation: in the mode of heat storage and complete refrigeration at the same time and outdoor unit evaporation, a refrigerant is compressed in a compressor, the compressed refrigerant is condensed in an energy accumulator, the energy accumulator stores heat, a part of condensed refrigerant is evaporated in an indoor heat exchanger, the part of condensed refrigerant is evaporated in a first outdoor heat exchanger and/or a second outdoor heat exchanger, and a first switch valve is opened;
heat storage while complete refrigeration and condensation of the outdoor unit: in the mode of complete refrigeration and outdoor unit condensation while heat storage, the refrigerant is compressed in the compressor, part of the compressed refrigerant is condensed in the first outdoor heat exchanger and/or the second outdoor heat exchanger, part of the compressed refrigerant is condensed in the energy accumulator, the condensed refrigerant is evaporated in the indoor heat exchanger, and the first switch valve is opened;
heat storage and main body heating: in the heat storage and main body heating mode, a refrigerant is compressed in a compressor, a part of the compressed refrigerant is condensed in an indoor heat exchanger, the indoor heat exchanger heats, the part of the compressed refrigerant is condensed in an energy accumulator, the energy accumulator stores heat, the part of the condensed refrigerant is evaporated in a first outdoor heat exchanger and/or a second outdoor heat exchanger, the part of the condensed refrigerant is evaporated in the indoor heat exchanger, and a first switch valve is opened;
heat storage and main body refrigeration and outdoor unit condensation: in the mode of main body refrigeration and outdoor unit condensation while heat storage, a refrigerant is compressed in a compressor, a part of the compressed refrigerant is condensed in a first outdoor heat exchanger and/or a second outdoor heat exchanger, the part of the compressed refrigerant is condensed in an energy accumulator, the condensed refrigerant is evaporated in an indoor heat exchanger, the part of the compressed refrigerant is evaporated in the indoor heat exchanger, the evaporation amount of the refrigerant in the outdoor unit is less than the condensation amount of the refrigerant, the evaporation amount of the refrigerant in the indoor heat exchanger is greater than the condensation amount of the refrigerant, and a first switch valve is opened;
heat storage while main body refrigeration and outdoor machine evaporation: in the main body refrigeration and outdoor unit evaporation mode while storing heat, the refrigerant is compressed in the compressor, part of the compressed refrigerant is condensed in the first outdoor heat exchanger and/or the second outdoor heat exchanger, part of the compressed refrigerant is condensed in the energy accumulator, the condensed refrigerant is evaporated in the indoor heat exchanger, part of the compressed refrigerant is evaporated in the indoor heat exchanger, the evaporation capacity of the refrigerant in the outdoor unit is greater than the condensation capacity of the refrigerant, the evaporation capacity of the refrigerant in the indoor heat exchanger is greater than the condensation capacity of the refrigerant, and the first switch valve is opened;
mixed heat release while completely heating: in a mode of mixing and releasing heat and completely heating at the same time, a refrigerant is compressed in a compressor, the compressed refrigerant is condensed in an indoor heat exchanger, a part of condensed refrigerant is evaporated in an energy accumulator, the energy accumulator releases heat, the part of condensed refrigerant is evaporated in a first outdoor heat exchanger and/or a second outdoor heat exchanger, and a first switch valve is opened;
mixed heat release and main body heat production: in the main heating mode while heat is released in a mixing mode, a refrigerant is compressed in a compressor, the compressed refrigerant is condensed in an indoor heat exchanger, a part of the condensed refrigerant is evaporated in an energy accumulator, the energy accumulator releases heat, the part of the condensed refrigerant is evaporated in a first outdoor heat exchanger and/or a second outdoor heat exchanger, and a first switch valve is opened;
independent heat release while complete heating: under the independent heat release and complete heating mode, the first outdoor heat exchanger and the second outdoor heat exchanger are closed, the refrigerant is compressed in the compressor, the compressed refrigerant is condensed in the indoor heat exchanger, the condensed refrigerant is evaporated in the energy accumulator, the energy accumulator releases heat, and the first switch valve is opened;
independent heat release and main body heating: under the independent heat release and main body heating mode, the first outdoor heat exchanger and the second outdoor heat exchanger are closed, the refrigerant is compressed in the compressor, the compressed refrigerant is condensed in the indoor heat exchanger, part of the condensed refrigerant is evaporated in the energy accumulator, the energy accumulator releases heat, part of the condensed refrigerant is evaporated in the indoor heat exchanger, the first switch valve is opened
The complete heating means that a plurality of indoor heat exchangers are all used for heating by condensers, and the complete cooling means that a plurality of indoor heat exchangers are all used for cooling by evaporators.
The condensation volume of the refrigerant in the indoor heat exchanger is greater than the evaporation capacity when the main body heats, the condensation volume of the refrigerant in the indoor heat exchanger is less than the evaporation capacity when the main body refrigerates, the indoor heat exchanger is only used for condensing the refrigerant when the main body heats completely, and the indoor heat exchanger is only used for evaporating the refrigerant when the main body refrigerates completely.
In some embodiments, the refrigerant circulation system operates in at least one of a plurality of operating modes,
non-zoned discontinuous heating defrosting: in the non-partition non-continuous heating defrosting mode, the indoor heat exchanger is closed, the refrigerant is compressed in the compressor, the compressed refrigerant is condensed in the first outdoor heat exchanger and the second outdoor heat exchanger to defrost the first outdoor heat exchanger and the second outdoor heat exchanger, the condensed refrigerant is evaporated in the energy accumulator, the energy accumulator releases heat, and a first switch valve in a section of first pipeline connected with the energy accumulator in parallel is closed;
zoned discontinuous heating defrosting: in the partitioned discontinuous heating and defrosting mode, one of the first outdoor heat exchanger and the second outdoor heat exchanger is used as a condenser to realize defrosting, the other one is used as an evaporator, a refrigerant compressed by the compressor is condensed in one of the first outdoor heat exchanger and the second outdoor heat exchanger, the condensed refrigerant is evaporated in the energy accumulator, the energy accumulator releases heat, and the first switch valve is closed;
defrosting and completely heating are continuously performed in non-subareas: in a non-partition continuous heating defrosting and complete heating mode, a refrigerant is compressed in a compressor, part of the compressed refrigerant is condensed in a first outdoor heat exchanger and/or a second outdoor heat exchanger, part of the compressed refrigerant is condensed in an indoor heat exchanger, the condensed refrigerant is evaporated in an energy accumulator, the energy accumulator releases heat, and a first switch valve is opened;
the defrosting is continuously heated in a non-subarea way, and the main body heats: in a main heating mode without partition continuous heating defrosting, a refrigerant is compressed in a compressor, part of the compressed refrigerant is condensed in a first outdoor heat exchanger and/or a second outdoor heat exchanger, part of the compressed refrigerant is condensed in an indoor heat exchanger, part of the condensed refrigerant is evaporated in an energy accumulator, the energy accumulator releases heat, part of the condensed refrigerant is evaporated in the indoor heat exchanger, the evaporation capacity of the refrigerant in the indoor heat exchanger is smaller than the condensation capacity, and a first switch valve is opened;
defrosting is continuously heated in a non-partitioned mode, and a main body is refrigerated: in a main refrigeration mode of continuous heating and defrosting without zoning and a first switch valve is opened, a refrigerant is compressed in a compressor, a part of the compressed refrigerant is condensed in a first outdoor heat exchanger and/or a second outdoor heat exchanger, a part of the compressed refrigerant is condensed in an indoor heat exchanger, a part of the condensed refrigerant is evaporated in an energy accumulator, the energy accumulator releases heat, the part of the condensed refrigerant is evaporated in the indoor heat exchanger, the evaporation capacity of the refrigerant in the indoor heat exchanger is greater than the condensation capacity, and the first switch valve is opened;
the method comprises the following steps of continuously heating and defrosting in a subarea manner, completely heating and condensing an outdoor unit: in the mode of zoned continuous heating defrosting, complete heating and outdoor unit condensation, a refrigerant is compressed in a compressor, a part of the compressed refrigerant is condensed in one of a first outdoor heat exchanger and a second outdoor heat exchanger, a part of the compressed refrigerant is condensed in an indoor heat exchanger, the condensed refrigerant is evaporated in an energy accumulator and the other one of the first outdoor heat exchanger and the second outdoor heat exchanger, the energy accumulator releases heat, and a first switch valve is opened;
the defrosting is heated continuously in a subarea manner, and the main body heats the outdoor unit for condensation: in a partition continuous defrosting and main heating outdoor unit condensation mode, a refrigerant is compressed in a compressor, part of the compressed refrigerant is condensed in one of a first outdoor heat exchanger and a second outdoor heat exchanger, part of the compressed refrigerant is condensed in an indoor heat exchanger, the condensed refrigerant is evaporated in the other of the outdoor heat exchanger, an energy accumulator and the first outdoor heat exchanger and the second outdoor heat exchanger, the energy accumulator releases heat, the evaporation capacity of the refrigerant in the indoor heat exchanger is smaller than the condensation capacity, and a first switch valve is opened;
the method comprises the following steps of continuously heating and defrosting in a subarea manner and condensing a main refrigerating outdoor unit: in a partition continuous defrosting and main refrigerating outdoor unit condensation mode, a refrigerant is compressed in a compressor, a part of compressed refrigerant is condensed in one of a first outdoor heat exchanger and a second outdoor heat exchanger, a part of compressed refrigerant is condensed in an indoor heat exchanger, the condensed refrigerant is evaporated in the other of the outdoor heat exchanger, an energy accumulator and the first outdoor heat exchanger and the second outdoor heat exchanger, the energy accumulator releases heat, the evaporation capacity of the refrigerant in the indoor heat exchanger is greater than the condensation capacity, and a first switch valve is opened;
the method comprises the following steps of continuously heating and defrosting in a subarea manner, completely heating and evaporating an outdoor unit: in the mode of continuous heating and defrosting in a subarea mode, complete heating and outdoor unit evaporation, a refrigerant is compressed in a compressor, a part of the compressed refrigerant is condensed in one of a first outdoor heat exchanger and a second outdoor heat exchanger, a part of the compressed refrigerant is condensed in an indoor heat exchanger, the condensed refrigerant is evaporated in an energy accumulator and the other one of the first outdoor heat exchanger and the second outdoor heat exchanger, the energy accumulator releases heat, and a first switch valve is opened;
the defrosting is continuously heated and melted in a subarea manner, and the main body is heated and evaporated by an outdoor unit: in a subarea continuous defrosting and main heating outdoor unit evaporation mode, a refrigerant is compressed in a compressor, a part of the compressed refrigerant is condensed in one of a first outdoor heat exchanger and a second outdoor heat exchanger, a part of the compressed refrigerant is condensed in an indoor heat exchanger, the condensed refrigerant is evaporated in the other of the outdoor heat exchanger, an energy accumulator and the first outdoor heat exchanger and the second outdoor heat exchanger, the energy accumulator releases heat, the evaporation capacity of the refrigerant in the indoor heat exchanger is smaller than the condensation capacity, and a first switch valve is opened;
the defrosting is heated and melted continuously in a subarea manner, and the main body is refrigerated and evaporated by an outdoor unit: in the partition continuous heating defrosting and main body refrigerating outdoor unit evaporation mode, a refrigerant is compressed in a compressor, part of the compressed refrigerant is condensed in one of a first outdoor heat exchanger and a second outdoor heat exchanger, part of the compressed refrigerant is condensed in an indoor heat exchanger, the condensed refrigerant is evaporated in the outdoor heat exchanger, an energy accumulator and the other of the first outdoor heat exchanger and the second outdoor heat exchanger, the energy accumulator releases heat, the evaporation capacity of the refrigerant in the indoor heat exchanger is greater than the condensation capacity, a first switch valve is opened,
wherein, the complete heating means that a plurality of indoor heat exchangers are all used as condensers for heating, the complete refrigeration means that a plurality of indoor heat exchangers are all used as evaporators for refrigerating,
when the main body heats, the condensation quantity of the refrigerant in the indoor heat exchanger is larger than the evaporation quantity, when the main body refrigerates, the condensation quantity of the refrigerant in the indoor heat exchanger is smaller than the evaporation quantity, when the main body refrigerates, the indoor heat exchanger is only used for condensing the refrigerant, and when the main body heats completely, the indoor heat exchanger is only used for evaporating the refrigerant.
In some embodiments, the refrigerant circulation system operates in at least one of a plurality of operating modes,
conventional heat recovery: in a normal heat recovery mode, the first outdoor heat exchanger and the second outdoor heat exchanger are shut down, the energy accumulator is shut down, the refrigerant is compressed in the compressor, the compressed refrigerant is condensed in one part of the indoor heat exchangers, the condensed refrigerant is evaporated in the other part of the indoor heat exchangers,
closing a first switch valve in a section of a first pipeline connected with the accumulator in parallel;
cold accumulation and heat recovery: in the cold accumulation and heat recovery mode, the first outdoor heat exchanger and the second outdoor heat exchanger are shut down, the refrigerant is compressed in the compressor, the compressed refrigerant is condensed in one part of indoor heat exchangers, the condensed refrigerant is evaporated in the other part of indoor heat exchangers and the energy accumulator, the energy accumulator stores cold energy, the evaporation capacity of the refrigerant in the indoor heat exchangers is smaller than the condensation capacity, and the first switch valve is closed;
heat storage and heat recovery: in the heat storage and heat recovery mode, the first outdoor heat exchanger and the second outdoor heat exchanger are shut down, the refrigerant is compressed in the compressor, the compressed refrigerant is condensed in the energy accumulator and part of the indoor heat exchangers, the energy accumulator stores heat, the condensed refrigerant is evaporated in the other part of the indoor heat exchangers, the evaporation capacity of the refrigerant in the indoor heat exchangers is greater than the condensation capacity, and the first switch valve is closed;
cooling and heat recovery: in the mode of cooling release and heat recovery, the first outdoor heat exchanger and the second outdoor heat exchanger are shut down, the refrigerant is compressed in the compressor, the compressed refrigerant is condensed in the energy accumulator and part of the indoor heat exchangers, the energy accumulator releases cold energy, the condensed refrigerant is evaporated in the other part of the indoor heat exchangers, the evaporation capacity of the refrigerant in the indoor heat exchangers is greater than the condensation capacity, and the first switch valve is closed;
heat release and heat recovery: in the heat release and heat recovery mode, the first outdoor heat exchanger and the second outdoor heat exchanger are shut down, the refrigerant is compressed in the compressor, the compressed refrigerant is condensed in one part of the indoor heat exchangers, the condensed refrigerant is evaporated in the other part of the indoor heat exchangers and the energy accumulator, the energy accumulator releases heat, the evaporation capacity of the refrigerant in the indoor heat exchangers is smaller than the condensation capacity, and the first switch valve is closed.
By applying the technical scheme of the application, in the embodiment, the refrigerant system can have multiple working modes by controlling the states of the first refrigerant inlet/outlet and the second refrigerant inlet/outlet of the first control valve, the second control valve and the energy accumulator.
Other features of the present invention and advantages thereof will become apparent from the following detailed description of exemplary embodiments of the invention, which proceeds with reference to the accompanying drawings.
Drawings
In order to more clearly illustrate the embodiments of the present invention or the technical solutions in the prior art, the drawings needed to be used in the description of the embodiments or the prior art will be briefly described below, it is obvious that the drawings in the following description are only some embodiments of the present invention, and for those skilled in the art, other drawings can be obtained according to these drawings without inventive exercise.
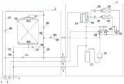
Fig. 1 is a schematic structural view of a refrigerant circulation system according to an embodiment of the present invention;
fig. 2 is a schematic view illustrating a first operation mode of an outdoor unit of a refrigerant circulation system according to an embodiment of the present invention;
fig. 3 is a schematic view illustrating a second operation mode of an outdoor unit of a refrigerant circulation system according to an embodiment of the present invention;
fig. 4 is a schematic view illustrating a third operation mode of the outdoor unit of the refrigerant circulation system according to the embodiment of the present invention;
fig. 5 is a schematic view illustrating a fourth operation mode of an outdoor unit of a refrigerant cycle system according to an embodiment of the present invention;
fig. 6 is a schematic view illustrating a fifth operation mode of an outdoor unit of a refrigerant circulation system according to an embodiment of the present invention;
fig. 7 is a schematic view illustrating a sixth operation mode of the outdoor unit of the refrigerant circulation system according to the embodiment of the present invention;
fig. 8 is a schematic view illustrating a seventh operating mode of an outdoor unit of a refrigerant circulation system according to an embodiment of the present invention;
fig. 9 is a schematic view illustrating an eighth operation mode of an outdoor unit of a refrigerant circulation system according to an embodiment of the present invention;
fig. 10 is a schematic view illustrating a ninth operation mode of an outdoor unit of a refrigerant circulation system according to an embodiment of the present invention;
fig. 11 is a schematic diagram illustrating a first operating mode of an accumulator of a refrigerant circulation system according to an embodiment of the present invention;
fig. 12 is a schematic diagram illustrating a second operation mode of an accumulator of a refrigerant circulation system according to an embodiment of the present invention;
fig. 13 is a schematic view illustrating a third operation mode of an accumulator of a refrigerant circulation system according to an embodiment of the present invention;
fig. 14 is a schematic view illustrating a first operation mode of an indoor unit of a refrigerant circulation system according to an embodiment of the present invention;
fig. 15 is a schematic view illustrating a second operation mode of the indoor unit of the refrigerant circulation system according to the embodiment of the present invention;
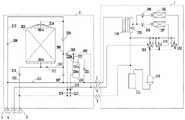
fig. 16 is a schematic structural view of a refrigerant circulation system according to another alternative embodiment of the present invention;
fig. 17 is a schematic structural view of a refrigerant circulation system according to another alternative embodiment of the present invention;
FIG. 18 is a flow diagram illustrating an operating condition of a reservoir of the refrigerant cycle system of FIG. 17;
FIG. 19 is a flow diagram illustrating a refrigerant relief operation of the accumulator of the refrigerant cycle system of FIG. 17;
fig. 20 is a schematic view illustrating a refrigerant circulation system according to another alternative embodiment of the present invention;
FIG. 21 is a flow diagram illustrating the operation of a receiver tank of the refrigerant cycle system of FIG. 20 to store refrigerant; and
fig. 22 is a flow diagram illustrating an operation state of refrigerant discharge from the accumulator of the refrigerant cycle system shown in fig. 20.
In the figure:
1. an outdoor unit; 101. a compressor; 102. a first control valve; 103. a third control valve; 104. a second control valve; 105. a first outdoor heat exchanger; 106. a second throttling member; 107. a second outdoor heat exchanger; 108. a third throttling component; 109. a subcooler throttling element; 110. a subcooler; 111. a gas-liquid separator; 2. an energy storage device; 201. an accumulator; 202. a third communication line; 203. four communicating pipelines; 204. a joint; 205. a fifth communication pipe; 206. a first throttling member; 207. a first communication line; 208. a second on-off valve; 209. a first check valve; 210. a third on/off valve; 211. a first on-off valve; 213. a second communication line; 214. a liquid separating device; 3. a first pipeline; 4. a second pipeline; 5. a third pipeline; 601. an indoor unit subcooler; 602. a refrigeration control valve; 603. a heating control valve; 604. a first indoor unit pipe; 605. a second indoor unit pipeline; 7. an indoor heat exchanger; 701. and an indoor unit throttling component.
Detailed Description
The technical solutions in the embodiments of the present invention will be described clearly and completely with reference to the drawings in the embodiments of the present invention, and it is obvious that the described embodiments are only some embodiments of the present invention, not all embodiments. The following description of at least one exemplary embodiment is merely illustrative in nature and is in no way intended to limit the invention, its application, or uses. Based on the embodiments in the present invention, all other embodiments obtained by a person skilled in the art without creative efforts belong to the protection scope of the present invention.
As shown in fig. 1, the refrigerant circulation system of the present embodiment includes acompressor 101, afirst control valve 102, a firstoutdoor heat exchanger 105, afirst pipeline 3, asecond control valve 104, afirst pipeline 3, asecond pipeline 4, athird pipeline 5, anaccumulator 201, and anindoor heat exchanger 7.
Thecompressor 101 includes a suction port for introducing a refrigerant to be compressed and an exhaust port for discharging the compressed refrigerant; thefirst control valve 102 includes an inlet port communicating with the discharge port of thecompressor 101, a return port communicating with the suction port of thecompressor 101, and a working port selectively communicating with one of the inlet port and the return port; the firstoutdoor heat exchanger 105 is communicated with the working port of thefirst control valve 102; thefirst pipe 3 communicates with the firstoutdoor heat exchanger 105.
Thesecond control valve 104 includes an inlet port communicating with the discharge port of thecompressor 101 and a working port provided on-off with the inlet port; thesecond line 4 communicates with the working port of thesecond control valve 104; thethird pipeline 5 is communicated with a suction port of thecompressor 101; thefirst throttling part 206 communicates with thefirst pipe 3.
Theaccumulator 201 includes a first refrigerant inlet/outlet 201a and a second refrigerant inlet/outlet 201b, the first refrigerant inlet/outlet 201a of theaccumulator 201 is switchable between a first state and a second state, a refrigerant flows between the first refrigerant inlet/outlet 201a of thefirst state accumulator 201 and thefirst throttling part 206, a refrigerant flows between the first refrigerant inlet/outlet 201a of thesecond state accumulator 201 and thefirst pipeline 3, the second refrigerant inlet/outlet 201b of theaccumulator 201 is switchable between a third state and a fourth state, a refrigerant flows between the second refrigerant inlet/outlet 201b of thethird state accumulator 201 and thesecond pipeline 4 or the exhaust port of thecompressor 101, and a refrigerant flows between the second refrigerant inlet/outlet 201b of thefourth state accumulator 201 and thethird pipeline 5.
Theindoor heat exchanger 7 comprises a first refrigerant inlet and outlet and a second refrigerant inlet and outlet, the first refrigerant inlet and outlet of theindoor heat exchanger 7 is communicated with thefirst pipeline 3, and the second refrigerant inlet and outlet of theindoor heat exchanger 7 can be selectively communicated with one of thesecond pipeline 4 and thethird pipeline 5.
In this embodiment, the refrigerant system may have a plurality of operating modes by controlling the states of thefirst control valve 102, thesecond control valve 104, and the first refrigerant inlet/outlet 201a and the second refrigerant inlet/outlet 201b of theaccumulator 201. For example:
in the cold energy storage mode, referring to fig. 11, the inlet of thefirst control valve 102 is controlled to be communicated with the working port, the first refrigerant inlet/outlet 201a of theaccumulator 201 is in the first state to be communicated with thefirst throttling element 206, and the second refrigerant inlet/outlet 201b of theaccumulator 201 is in the fourth state to be communicated with thethird pipeline 5.
In the heat storage mode, referring to fig. 13, the return port of thefirst control valve 102 is controlled to be communicated with the working port, the first refrigerant inlet/outlet 201a of theaccumulator 201 is in the second state to be communicated with thefirst pipeline 3, and the second refrigerant inlet/outlet 201b of theaccumulator 201 is in the third state to be communicated with thesecond pipeline 4 or the exhaust port of thecompressor 101;
in the heat release mode, the second refrigerant inlet/outlet 201b of theaccumulator 201 is in the fourth state to communicate with thethird pipeline 5, and the first refrigerant inlet/outlet 201a of theaccumulator 201 is in the first state to communicate with thefirst throttling element 206;
in the cold energy releasing mode, the first refrigerant inlet/outlet 201a of theaccumulator 201 is in the second state to communicate with thefirst pipeline 3, and the second refrigerant inlet/outlet 201b of theaccumulator 201 is in the third state to communicate with thesecond pipeline 4 or the exhaust port of thecompressor 101.
The second refrigerant inlet/outlet 201b of theaccumulator 201 also has a fifth state in which the refrigerant flows between thefirst pipe 3 and the second refrigerant inlet/outlet 201b of theaccumulator 201, and the second refrigerant inlet/outlet 201b of theaccumulator 201 can be switched among the third state, the fourth state, and the fifth state.
The refrigerant circulating system further includes athird control valve 103 and a second outdoor heat exchanger. Thethird control valve 103 comprises an inlet communicated with the exhaust port of thecompressor 101, a return port communicated with the suction port of thecompressor 101 and a working port, and the working port can be selectively communicated with one of the inlet and the return port; one end of the secondoutdoor heat exchanger 107 communicates with the working port of thethird control valve 103, and the other end communicates with thefirst pipe 3.
The refrigerant circulation system further includes asecond throttling part 106 and athird throttling part 108. Thesecond throttling part 106 includes a first inlet/outlet port communicating with the firstoutdoor heat exchanger 105 and a second inlet/outlet port communicating with thefirst pipe line 3; thethird throttling part 108 includes a first inlet/outlet communicating with the secondoutdoor heat exchanger 107 and a second inlet/outlet communicating with thefirst pipe line 3, and the second inlet/outlet of thethird throttling part 108 communicates with the second inlet/outlet of thesecond throttling part 106.
Thesecond control valve 104 also includes a return port in communication with the suction port of thecompressor 101, and the working port of thesecond control valve 104 is selectively in communication with one of the inlet port of thesecond control valve 104 and the return port of thesecond control valve 104.
The refrigerant circulation system further includes afirst communication pipe 207 and asecond communication pipe 213. One end of thefirst communication pipe 207 communicates with the first refrigerant inlet/outlet 201a, the other end communicates with thefirst pipe 3, and thefirst throttle member 206 is provided in thefirst communication pipe 207.
One end of thesecond communication pipeline 213 is communicated with the first refrigerant inlet/outlet 201a, and the other end is communicated with thefirst pipeline 3, and the joint of thesecond communication pipeline 213 and thefirst pipeline 3 is closer to theindoor heat exchanger 7 than the joint of thefirst communication pipeline 207 and thefirst pipeline 3 in the flowing direction of thefirst pipeline 3.
The refrigerant circulation system further includes a first on-offvalve 211 and afirst check valve 209. Thefirst switch valve 211 is arranged in thefirst pipeline 3 and is positioned between the joint of thefirst communication pipeline 207 and thefirst pipeline 3 and the joint of thesecond communication pipeline 213 and thefirst pipeline 3; thefirst check valve 209 is disposed in thesecond communication pipe 213, and an inlet end of thefirst check valve 209 communicates with the first refrigerant inlet/outlet 201a of theaccumulator 201. The first on-offvalve 211 is used to control the on-off of a section of thefirst line 3 that bypasses theaccumulator 201.
The refrigerant circulating system further includes a third communicatingpipe 202 and a fourth communicatingpipe 203. One end of the third communicatingpipe 202 is communicated with the exhaust port of thecompressor 101 or thesecond pipe 4, and the other end is communicated with the second refrigerant inlet/outlet 201b of theaccumulator 201; one end of thefourth communication pipe 203 communicates with the second refrigerant inlet/outlet 201b of theaccumulator 201, and the other end communicates with thethird pipe 5.
The refrigerant cycle system further includes a second on-offvalve 208 and a third on-offvalve 210. A second on-offvalve 208 provided in thethird communication pipe 202; and a third on/offvalve 210 provided in thefourth communication line 203.
The other end of the third communicatingpipe 202 is communicated with a first communicatingpipe 207 communicating the first refrigerant inlet/outlet 201a with thefirst pipe 3, the other end of the third communicatingpipe 202 is connected with the first communicatingpipe 207, and is located between thefirst pipe 3 and thefirst throttling part 206 in the flowing direction of the first communicatingpipe 207, the refrigerant circulating system further includes a fifth communicatingpipe 205, one end of the fifth communicatingpipe 205 is communicated with the first communicatingpipe 207, and the other end is communicated with the second refrigerant inlet/outlet 201b of theaccumulator 201.
The connection of thefifth communication pipe 205 with thefirst communication pipe 207 is between thefirst pipe 3 and thefirst throttle member 206 in the flow direction of thefirst communication pipe 207.
The refrigerant circulating system further includes afourth switch valve 212 and a second check valve. Afourth switching valve 212 provided in thefifth communication pipe 205; the second check valve is provided in thefirst communication pipe 207 and is located between thefirst pipe 3 and thefifth communication pipe 205 in the flow direction of thefirst communication pipe 207.
The cooling-medium circulation system further includes a coolingcontrol valve 602 and aheating control valve 603. One end of therefrigeration control valve 602 is communicated with the second refrigerant inlet and outlet of the indoor heat exchanger, and the other end is communicated with thethird pipeline 5; one end of theheating control valve 603 is communicated with the second refrigerant inlet and outlet of the indoor heat exchanger, and the other end is communicated with thesecond pipeline 4.
The refrigerant circulation system further includes a firstindoor unit pipeline 604, one end of the firstindoor unit pipeline 604 is communicated with the first refrigerant inlet/outlet of theindoor heat exchanger 7, and the other end of the firstindoor unit pipeline 604 is communicated with thefirst pipeline 3.
In some embodiments, the refrigerant circulation system further includes anindoor unit subcooler 601 and an indoorunit throttling element 701 disposed in the firstindoor unit pipe 604.
The refrigerant circulation system further includes a secondindoor unit pipeline 605, one end of the secondindoor unit pipeline 605 is communicated with the second refrigerant inlet/outlet of theindoor heat exchanger 7, and the other end is respectively communicated with the coolingcontrol valve 602 and theheating control valve 603.
As shown in fig. 1, the refrigerant cycle system of the present embodiment further includes asubcooler 110 respectively communicating with the firstoutdoor heat exchanger 105 and the secondoutdoor heat exchanger 107, and asubcooler throttling part 109 connected between thesubcooler 110 and the firstoutdoor heat exchanger 105 and the secondoutdoor heat exchanger 107.
As shown in fig. 16, in some embodiments, when theaccumulator 201 is in the third state, a refrigerant flows between the second refrigerant inlet/outlet 201b of theaccumulator 201 and the exhaust port of thecompressor 101, so as to be introduced into the refrigerant compressed by thecompressor 101.
As shown in fig. 17 to 19, in some embodiments, the refrigerant circulation system further includes a liquid storage tank, and the amount of the refrigerant in different operation modes is controlled by storing and releasing the refrigerant in the liquid storage tank, so that the amount of the refrigerant circulated by the system is consistent with the refrigerant demand in different operation modes, and the optimal heat exchange effect is achieved.
Thereservoir 220 has three ports. Afirst inlet 220a of theliquid storage tank 220 is connected to thefirst pipeline 3 through aliquid inlet valve 221, asecond inlet 220b of theliquid storage tank 220 is connected to thethird communication pipeline 202 through apressurization valve 222, and is connected to thethird pipeline 5 through a capillary 225 and agas balance valve 224, and anoutlet 220c of theliquid storage tank 220 is connected to thethird pipeline 5 through a capillary 225 and aliquid outlet valve 223.
Thereservoir 220 has 3 states: the refrigerating system does not work, stores the refrigerant and releases the refrigerant, and the 3 states can be used under the conditions of conventional refrigeration, complete cold accumulation and the like of different system modes.
1. When not in operation, theinlet valve 221, the pressurizingvalve 222, thedrain valve 223 and thegas balance valve 224 are all closed.
2. When the current operation mode needs to start the storage refrigerant, theliquid inlet valve 221 and thegas balance valve 224 are opened, and the pressurizingvalve 222 and theliquid outlet valve 223 are closed. Theair balance valve 224 is opened to keep the pressure in the tank body of theliquid storage tank 220 at a low pressure state, theliquid inlet valve 221 is opened to keep the refrigerant inlet pipe of theliquid storage tank 220 at a medium pressure section, and the refrigerant enters therefrigerant tank 220 under the action of pressure difference.
3. When the current operation mode needs to start the refrigerant tank to release the refrigerant, theliquid inlet valve 221 and thegas balance valve 224 are closed, and thepressurization valve 222 and thedrain valve 223 are opened. Thedrain valve 223 is opened to make the outlet end of theliquid storage tank 220 in a low pressure state, thepressure valve 222 is opened to make the pressure of the tank body of theliquid storage tank 220 in a high pressure state, and the refrigerant in the tank body is discharged out of the tank body under the action of gravity and pressure difference and enters the pipeline circulation.
As shown in connection with FIGS. 20-22, in other embodiments, thereservoir 220 is in the form of a cartridge including only aninlet 220a and anoutlet 220c. Aninlet 220a of thereservoir tank 220 is connected to thefirst pipe 3 via agas balance valve 224, and anoutlet 220c of thereservoir tank 220 is connected to thethird pipe 5 via adrain valve 223 and acapillary tube 225.
Thereservoir 220 has 3 states: the refrigeration system does not work, stores the refrigerant and releases the refrigerant, and the 3 states can be used under the conditions of conventional refrigeration, complete cold accumulation and the like of different system modes.
1. At rest, both drainvalve 223 andair balance valve 224 are closed.
2. When the storage refrigerant needs to be started in the current operation mode, thedrain valve 223 and thegas balance valve 224 are both opened, and the refrigerant enters therefrigerant tank 220 under the action of pressure difference.
3. When the current operation mode needs to be started to release the refrigerant, theair balance valve 224 is closed, theliquid discharge valve 223 is opened, and the refrigerant in the tank body is discharged out of the tank body under the action of gravity and pressure difference and enters the pipeline circulation.
According to another aspect of the present application, an air conditioning apparatus is also provided, and the air conditioning apparatus includes the refrigerant circulation system.
According to another aspect of the present application, there is also provided a control method of the above-mentioned cooling medium circulation system, the control method including controlling the cooling medium circulation system to operate in at least one of a cooling capacity accumulation mode, a heating capacity release mode and a heating capacity release mode,
in the cold energy storage mode, the inlet of thefirst control valve 102 is controlled to be communicated with the working port, the first refrigerant inlet/outlet 201a of theenergy accumulator 201 is controlled to be in a first state to be communicated with thefirst throttling part 206, and the second refrigerant inlet/outlet 201b of theenergy accumulator 201 is controlled to be in a fourth state to be communicated with thethird pipeline 5;
in the heat storage mode, the return port of thefirst control valve 102 is controlled to be communicated with the working port, the first refrigerant inlet/outlet 201a of theenergy accumulator 201 is controlled to be in the second state to be communicated with thefirst pipeline 3, and the second refrigerant inlet/outlet 201b of theenergy accumulator 201 is controlled to be in the third state to be communicated with thesecond pipeline 4 or the exhaust port of thecompressor 101;
in the heat release mode, the second refrigerant inlet/outlet 201b of theaccumulator 201 is in the fourth state to communicate with thethird pipeline 5, and the first refrigerant inlet/outlet 201a of theaccumulator 201 is in the first state to communicate with thefirst throttling element 206;
in the cold energy releasing mode, the first refrigerant inlet/outlet 201a of theaccumulator 201 is in the second state to communicate with thefirst pipeline 3, and the second refrigerant inlet/outlet 201b of theaccumulator 201 is in the third state to communicate with thesecond pipeline 4 or the exhaust port of thecompressor 101.
The control method further comprises the following steps: in the time period when the power supply system has high electricity price, the refrigerant circulating system is in a cold quantity releasing mode or a heat quantity releasing mode; and in the period when the power supply system is at low electricity price, the cooling medium circulating system is in a cold storage mode or a heat storage mode.
In some embodiments, the control method further comprises:
a plurality ofindoor heat exchangers 7 connected in parallel are provided; and
a secondoutdoor heat exchanger 107 and athird control valve 103 are provided in parallel with the firstoutdoor heat exchanger 105, and thethird control valve 103 includes an inlet port communicating with the discharge port of thecompressor 101, a return port communicating with the suction port of thecompressor 101, and a working port selectively communicating with one of the inlet port and the return port.
Theoutdoor unit 1 includes a firstoutdoor heat exchanger 105 and a secondoutdoor heat exchanger 107 arranged side by side with the secondoutdoor heat exchanger 107. In some embodiments, the first and secondoutdoor heat exchangers 105, 107 are disposed side-by-side in a vertical direction, with one of the first and secondoutdoor heat exchangers 105, 107 being located above the other. The firstoutdoor heat exchanger 105 and the secondoutdoor heat exchanger 107 may function as both a condenser and an evaporator, or one may function as both a condenser and an evaporator.
The control method comprises the following steps of controlling theoutdoor unit 1 of the refrigerant circulating system to operate in at least one of the following working modes:
and (3) complete condensation: as shown in fig. 2, the inlet of thefirst control valve 102 is connected to the working port, the inlet of thesecond control valve 104 is not connected to the working port, the inlet of thethird control valve 103 is connected to the working port, both the firstoutdoor heat exchanger 105 and the secondoutdoor heat exchanger 107 function as condensers, and the refrigerant is condensed in the firstoutdoor heat exchanger 105 and the secondoutdoor heat exchanger 107.
At this time, the first and secondoutdoor heat exchangers 105 and 107 function as condensers. Refrigerant discharged by thecompressor 101 enters the firstoutdoor heat exchanger 105 and the secondoutdoor heat exchanger 107 outdoors through thefirst control valve 102 and thethird control valve 103 respectively for condensation, and the condensed refrigerant enters thefirst pipeline 3; the evaporated refrigerant returns to the gas-liquid separator 111 through thethird pipe 5 and then enters the suction port of thecompressor 101.
And (3) main body condensation, as shown in fig. 3, an inlet of thefirst control valve 102 is communicated with the working port, an inlet of thesecond control valve 104 is communicated with the working port, so as to convey part of the refrigerant to theindoor heat exchanger 7 and/or theaccumulator 201 for condensation, and an inlet of thethird control valve 103 is communicated with the working port.
At this time, both the first and secondoutdoor heat exchangers 105 and 107 function as condensers, and thecompressor 101 supplies a part of the refrigerant to theindoor heat exchanger 7 and/or theaccumulator 201, which are condensing. A part of refrigerant discharged from thecompressor 101 enters a firstoutdoor heat exchanger 105 and a secondoutdoor heat exchanger 107 through afirst control valve 102 and asecond control valve 103 for condensation, and the condensed refrigerant enters afirst pipeline 3; the evaporated refrigerant returns to the gas-liquid separator 111 through the third pipeline and then enters the suction port of thecompressor 101. And the other part of the refrigerant discharged from thecompressor 101 enters thesecond pipeline 4 through thesecond control valve 104.
And (3) completely evaporating, as shown in fig. 4, the return port and the working port of thefirst control valve 102 are communicated, the inlet port and the working port of thesecond control valve 104 are communicated, the return port and the working port of thethird control valve 103 are communicated, the refrigerant is condensed in theindoor heat exchanger 7 and/or theaccumulator 201, and the condensed refrigerant is conveyed to the firstoutdoor heat exchanger 105 and the secondoutdoor heat exchanger 107 to be evaporated.
The firstoutdoor heat exchanger 105 and the secondoutdoor heat exchanger 107 both function as evaporators at this time. The refrigerant discharged from thecompressor 101 enters thesecond pipeline 4 through thesecond control valve 104; the medium-pressure refrigerant enters the firstoutdoor heat exchanger 105 and the secondoutdoor heat exchanger 107 through thefirst pipe 3 to be evaporated, returns to the gas-liquid separator 111 through thefirst control valve 102 and thethird control valve 103, and then enters the suction port of thecompressor 101.
Main body evaporation: as shown in fig. 5, the return port of thefirst control valve 102 is communicated with the working port, the inlet of thesecond control valve 104 is communicated with the working port to deliver a part of the refrigerant to theindoor heat exchanger 7 and/or theaccumulator 201 for condensation, the return port of thethird control valve 103 is communicated with the working port, a part of the refrigerant is condensed in theindoor heat exchanger 7 and/or theaccumulator 201, the condensed refrigerant is delivered to the firstoutdoor heat exchanger 105 and the secondoutdoor heat exchanger 107 for evaporation, a part of the refrigerant is evaporated in theindoor heat exchanger 7 and/or theaccumulator 201, and the evaporated refrigerant is delivered to the suction port of thecompressor 101 through thethird pipeline 5.
At this time, both the firstoutdoor heat exchanger 105 and the secondoutdoor heat exchanger 107 function as evaporators, and receive return air from the refrigerant generated by theindoor heat exchanger 7 and/or theaccumulator 201 that performs evaporation. The refrigerant discharged from thecompressor 101 enters thesecond pipeline 4 through thesecond control valve 104; the medium-pressure refrigerant enters the firstoutdoor heat exchanger 105 and the secondoutdoor heat exchanger 107 through thefirst pipeline 3 to be evaporated, returns to the gas-liquid separator 111 through thefirst control valve 102 and thethird control valve 103, and then enters the suction port of thecompressor 101. The refrigerant discharged from theindoor unit 7 and/or theaccumulator 201 serving as an evaporator is returned to the gas-liquid separator 111 through thethird pipe 5 and then enters the suction port of thecompressor 101.
And (3) turning off a heat exchanger of the outdoor unit: as shown in fig. 6, the inlet of thesecond control valve 104 is communicated with the working port, and the refrigerant is delivered to one of theindoor heat exchanger 7 and/or theaccumulator 201 to be condensed, evaporated in the other, and delivered to the suction port of thecompressor 101 through thethird pipe 5.
The first and secondoutdoor heat exchangers 105 and 107 do not operate at this time. The refrigerant discharged from thecompressor 101 enters theaccumulator 201 and/or theindoor heat exchanger 7 as a condenser through thesecond control valve 104 and thesecond pipeline 4 to be condensed; the refrigerant discharged from theaccumulator 201 and/or theindoor heat exchanger 7 serving as an evaporator is returned to the gas-liquid separator 111 through thethird pipe 5 and then enters the suction port of thecompressor 101.
Complete condensation zone: as shown in fig. 7, the return port of thefirst control valve 102 is connected to the working port, the inlet port of thesecond control valve 104 is not connected to the working port, the inlet port of thethird control valve 103 is connected to the working port, the firstoutdoor heat exchanger 105 functions as an evaporator, and the secondoutdoor heat exchanger 107 functions as a condenser.
At this time, the firstoutdoor heat exchanger 105 functions as an evaporator, and the secondoutdoor heat exchanger 107 functions as a condenser. The refrigerant discharged from thecompressor 101 enters the secondoutdoor heat exchanger 107 through thethird control valve 103 to be condensed, and then a part of the refrigerant enters thefirst pipeline 3, and the other part of the refrigerant enters the firstoutdoor heat exchanger 105 to be evaporated after being throttled by the firstoutdoor expansion valve 106, and then returns to the gas-liquid separator 111 through thefirst control valve 102 to enter the suction port of thecompressor 101. Meanwhile, the refrigerant discharged from theheat exchanger 7 in the evaporator chamber and/or theaccumulator 201 returns to the gas-liquid separator 111 through thethird pipe 5 and then enters the suction port of thecompressor 101.
Main body condensation and zoning: as shown in fig. 8, the return port of thefirst control valve 102 is connected to the working port, the inlet port of thesecond control valve 104 is connected to the working port, so as to deliver a part of the refrigerant to theindoor heat exchanger 7 and/or theaccumulator 201 for condensation, the inlet port of thethird control valve 103 is connected to the working port, the firstoutdoor heat exchanger 105 serves as an evaporator, and the secondoutdoor heat exchanger 107 serves as a condenser.
At this time, the firstoutdoor heat exchanger 105 functions as an evaporator, and the secondoutdoor heat exchanger 107 functions as a condenser. A part of the refrigerant discharged from thecompressor 101 enters the secondoutdoor heat exchanger 107 through thethird control valve 103 to be condensed and then is divided into two parts, one part enters thefirst pipeline 3, the other part enters the firstoutdoor heat exchanger 105 to be evaporated after being throttled by thesecond throttling part 106, and then enters the suction port of thecompressor 101 after returning to the gas-liquid separator 111 through thefirst control valve 102. The other part of the refrigerant discharged from thecompressor 101 enters thesecond pipeline 4 through thesecond control valve 104. Meanwhile, the refrigerant discharged from theheat exchanger 7 and/or theaccumulator 201 in the evaporator chamber returns to the gas-liquid separator 111 through thethird pipe 5 and then enters the suction port of thecompressor 101.
And (3) complete evaporation and zoning: as shown in fig. 9, the return port of thefirst control valve 102 is communicated with the working port, the inlet of thesecond control valve 104 is communicated with the working port to deliver a part of the refrigerant to theindoor heat exchanger 7 and/or theaccumulator 201 for condensation, the inlet of thethird control valve 103 is communicated with the working port, the firstoutdoor heat exchanger 105 is used as an evaporator, the secondoutdoor heat exchanger 107 is used as a condenser, and the refrigerant condensed in theindoor heat exchanger 7 and/or theaccumulator 201 is delivered to the firstoutdoor heat exchanger 105 through thefirst pipeline 3 for evaporation.
At this time, the firstoutdoor heat exchanger 105 functions as an evaporator, and the secondoutdoor heat exchanger 107 functions as a condenser. A part of the refrigerant discharged from thecompressor 101 enters thesecond pipeline 4 through thesecond control valve 104, and the other part of the refrigerant enters the secondoutdoor heat exchanger 107 through thethird control valve 103 to be condensed; the medium-pressure refrigerant is merged with the refrigerant condensed in the secondoutdoor heat exchanger 107 through thefirst pipe 3, enters the firstoutdoor heat exchanger 105 to be evaporated, returns to the gas-liquid separator 111 through thefirst control valve 102, and then enters the suction port of thecompressor 101.
Main body evaporation zoning: as shown in fig. 10, the return port of thefirst control valve 102 is connected to the working port, the inlet of thesecond control valve 104 is connected to the working port, so that a part of the refrigerant is sent to theindoor heat exchanger 7 and/or theaccumulator 201 to be condensed, the inlet of thethird control valve 103 is connected to the working port, the firstoutdoor heat exchanger 105 serves as an evaporator, the secondoutdoor heat exchanger 107 serves as a condenser, and a part of the refrigerant is sent to the suction port of thecompressor 101 through thethird pipeline 5 after being evaporated in theindoor heat exchanger 7 and/or theaccumulator 201.
At this time, the firstoutdoor heat exchanger 105 functions as an evaporator, and the secondoutdoor heat exchanger 107 functions as a condenser. A part of the refrigerant discharged from thecompressor 101 enters thesecond pipeline 4 through thesecond control valve 104, and the other part of the refrigerant enters the secondoutdoor heat exchanger 107 through thethird control valve 103 to be condensed; the medium-pressure refrigerant is merged with the refrigerant condensed in the secondoutdoor heat exchanger 107 through thefirst pipeline 3, enters the firstoutdoor heat exchanger 105 for evaporation, returns to the gas-liquid separator 111 through the refrigeration four-way valve 1 of 102, and then enters the suction port of thecompressor 101. Meanwhile, the refrigerant discharged from theindoor heat exchanger 7 and/or theaccumulator 201 as an evaporator is also returned to the gas-liquid separator 111 through thethird pipe 5, and then enters the suction port of thecompressor 101.
In the present embodiment, thefirst control valve 102, thesecond control valve 104, and thethird control valve 103 are all four-way valves. When thefirst control valve 102 is powered down, the working port of thefirst control valve 102, which communicates with the firstoutdoor heat exchanger 105, communicates with the inlet thereof. When thesecond control valve 104 is energized, the working port of thesecond control valve 104, which is in communication with thesecond line 4, is in communication with the inlet thereof. When thethird control valve 103 is powered down, the working port of thethird control valve 103, which is communicated with the secondoutdoor heat exchanger 107, is communicated with the inlet thereof.
The above operation modes of theoutdoor unit 1 are related to thefirst control valve 102, thesecond control valve 104, thethird control valve 103, thesecond throttling part 106 and thethird throttling part 108 as follows:
Figure BDA0003944534380000271
in some embodiments, theaccumulator 201 of the refrigerant cycle system operates in at least one of the following operating modes:
theaccumulator 201 acts as an evaporator: as shown in fig. 11, the inlet of thefirst control valve 102 is communicated with the working port, the first refrigerant inlet/outlet 201a of theaccumulator 201 is in a first state to communicate with thefirst throttling part 206, the second refrigerant inlet/outlet 201b of theaccumulator 201 is in a fourth state to communicate with thethird pipeline 5, the refrigerant compressed by thecompressor 101 is condensed by the firstoutdoor heat exchanger 105 and then throttled by thefirst throttling part 206, the throttled refrigerant enters theaccumulator 201 to evaporate and absorb heat, and the evaporated refrigerant discharged from the second refrigerant inlet/outlet 201b of theaccumulator 201 is delivered to the suction port of thecompressor 101 by thethird pipeline 5.
In this case, theaccumulator 201 functions as an evaporator. The refrigerant is throttled by thefirst throttling component 206, enters theenergy accumulator 201 for evaporation, and flows out through thefourth communication pipeline 203. In this state, the two-phase refrigerant enters through the first refrigerant inlet/outlet 201a of the accumulator and theliquid separator 214 located below the first refrigerant inlet/outlet 201a of the accumulator, and flows out through the second refrigerant inlet/outlet 201b of the accumulator.
The evaporation state can be further subdivided into cold and heat storage by evaporation, and the two states are different in the prepositive state of theenergy accumulator 201 and different in purpose. When theenergy accumulator 201 does not store cold or heat, the evaporator can enter an evaporation cold-storage state, and at this time, the condensed refrigerant enters theenergy accumulator 201 to store cold in theenergy accumulator 201, so as to prepare for the next cold release. After theenergy accumulator 201 has stored heat, it can enter into the evaporation heat release state, and the condensed refrigerant enters into theenergy accumulator 201 to absorb the heat stored in theenergy accumulator 201 to evaporate, so as to bear part or all of the evaporation load of the refrigeration cycle.
Theaccumulator 201 functions as a subcooler: as shown in fig. 12, an inlet of thefirst control valve 102 is communicated with the working port, the second refrigerant inlet/outlet 201b of theaccumulator 201 is in a fifth state to communicate with thefirst pipeline 3, the first refrigerant inlet/outlet 201a of theaccumulator 201 is in a second state to communicate with thethird pipeline 5, the refrigerant compressed by thecompressor 101 is condensed by the firstoutdoor heat exchanger 105 and then throttled by thesecond throttling part 106, the throttled refrigerant enters theaccumulator 201 to evaporate and absorb heat, and the first refrigerant inlet/outlet 201a of theaccumulator 201 conveys the discharged evaporated refrigerant to theindoor heat exchanger 7 through thefirst pipeline 3.
At this time, theaccumulator 201 serves as a subcooler. The refrigerant enters theaccumulator 201 for supercooling through the cold accumulation one-way valve 207 and thefifth communication pipeline 205, and flows out through thesecond communication pipeline 213 after the supercooling degree is improved. In this state, the liquid refrigerant enters through the second refrigerant inlet/outlet 201b of the accumulator and flows out from the first refrigerant inlet/outlet 201a of the accumulator and theliquid separator 214.
Accumulator 201 acts as a condenser: as shown in fig. 13, the first refrigerant inlet/outlet 201a of theaccumulator 201 is in the second state to communicate with thefirst pipeline 3; the second refrigerant inlet/outlet 201b is in the third state to communicate the refrigerant with thesecond pipeline 4 or the exhaust port of thecompressor 101, the refrigerant compressed by thecompressor 101 is delivered to theaccumulator 201 to be condensed, the condensed refrigerant is delivered to thefirst pipeline 3 through the first refrigerant inlet/outlet 201a of theaccumulator 201, and the condensed refrigerant is delivered to theindoor heat exchanger 7 by thefirst pipeline 3.
In this case, theaccumulator 201 functions as a condenser. The refrigerant enters theaccumulator 201 through thethird communication pipe 202 and thefifth communication pipe 205 to be condensed, and then flows out through thesecond communication pipe 213. In this state, the gaseous refrigerant enters through the second refrigerant inlet/outlet 201b of the accumulator, and the condensed liquid refrigerant flows out from the first refrigerant inlet/outlet 201a of the accumulator and theliquid separator 214.
The condensation state can be further subdivided into condensation cold release and condensation heat storage, and the two states are different in the preposition state and purpose of theaccumulator 201. When theenergy accumulator 201 has stored the cold, it can enter the condensing and cooling state, at this time, the high temperature and high pressure refrigerant enters theenergy accumulator 201 to absorb the cold stored in theenergy accumulator 201 and evaporate, so as to bear part or all of the condensing load of the refrigeration cycle. When theenergy accumulator 201 has not stored the cold or heat, it can enter a condensation heat storage state, and at this time, the high-temperature and high-pressure refrigerant enters theenergy accumulator 201 to store the heat in theenergy accumulator 201, so as to prepare for the next heat release.
The above operation modes of theenergy storage apparatus 2 are related to thesecond switching valve 208, thethird switching valve 210, thefourth switching valve 212, and thefirst throttling part 206 as follows:
Figure BDA0003944534380000291
as shown in fig. 14, in this case, the indoor unit functions as an evaporator, and the refrigerant enters the indoor unit through the firstindoor unit pipe 604 to evaporate, and then flows out through therefrigeration control valve 602. As shown in fig. 15, in this case, the 7 indoor units are used as condensers, and the refrigerant enters the indoor units through theheating control valves 603, is condensed, and then flows out through the firstindoor unit pipes 604.
Through the combination of different modes of theoutdoor unit 1, theenergy storage device 2 and the indoor unit, the refrigerant circulation system of the embodiment operates in at least one of the following operation modes,
in a normal full refrigeration mode, an inlet and a working port of thefirst control valve 102 are communicated, an inlet and a working port of thesecond control valve 104 are not communicated, an inlet and a working port of thethird control valve 103 are communicated, theenergy accumulator 201 is shut down, afirst switch valve 211 in a section of thefirst pipeline 3 connected with theenergy accumulator 201 in parallel is opened, the firstoutdoor heat exchanger 105 and the secondoutdoor heat exchanger 107 are both used as condensers, theenergy accumulator 201 is shut down, and theindoor heat exchanger 7 is used as an evaporator;
conventional main body refrigeration: in a normal main body refrigeration mode, an inlet and a working port of thesecond control valve 104 are communicated to convey part of compressed refrigerants to theindoor heat exchanger 7 for condensation, the other part of the compressed refrigerants are condensed in the firstoutdoor heat exchanger 105 and/or the secondoutdoor heat exchanger 107, the condensed refrigerants are evaporated in theindoor heat exchanger 7, the evaporation capacity of the refrigerants in theindoor heat exchanger 7 is greater than the condensation capacity, theenergy accumulator 201 is shut down, and thefirst switch valve 211 is opened;
complete cold accumulation: in the complete cold accumulation mode, the refrigerant is compressed in thecompressor 101, the compressed refrigerant is completely condensed in the firstoutdoor heat exchanger 105 and/or the secondoutdoor heat exchanger 107, the condensed refrigerant is evaporated in theenergy accumulator 201, theenergy accumulator 201 accumulates cold, the indoor unit of the refrigerant circulation system including theindoor heat exchanger 7 is turned off, and thefirst switch valve 211 is closed;
cold accumulation and complete refrigeration at the same time: in the cold storage and complete refrigeration mode, the refrigerant is compressed in thecompressor 101, the compressed refrigerant is completely condensed in the firstoutdoor heat exchanger 105 and/or the secondoutdoor heat exchanger 107, the condensed refrigerant is evaporated in theenergy accumulator 201 and theindoor heat exchanger 7, and thefirst switch valve 211 is opened;
cold accumulation and complete heating and condensation of the outdoor unit: in the mode of complete heating while cold accumulation and outdoor unit condensation, in thecompressor 101, a part of compressed refrigerant is condensed in the firstoutdoor heat exchanger 105 and/or the secondoutdoor heat exchanger 107, a part of compressed refrigerant is condensed in theindoor heat exchanger 7, the condensed refrigerant is evaporated in theenergy accumulator 201, and thefirst switch valve 211 is opened;
cold accumulation and complete heating and outdoor unit evaporation: in the mode of complete heating while cold accumulation and outdoor unit evaporation, the refrigerant is compressed in thecompressor 101, the compressed refrigerant is condensed in theindoor heat exchanger 7, the partially condensed refrigerant is evaporated in the firstoutdoor heat exchanger 105 and/or the secondoutdoor heat exchanger 107, the partially condensed refrigerant is evaporated in theenergy accumulator 201, theenergy accumulator 201 stores cold energy, and thefirst switch valve 211 is opened;
cold accumulation and main body refrigeration: in a main refrigeration mode during cold accumulation, a refrigerant is compressed in thecompressor 101, a part of the compressed refrigerant is condensed in the firstoutdoor heat exchanger 105 and/or the secondoutdoor heat exchanger 107, a part of the compressed refrigerant is condensed in theindoor heat exchanger 7, a part of the condensed refrigerant is evaporated in theenergy accumulator 201, theenergy accumulator 201 accumulates cold, a part of the condensed refrigerant is evaporated in theindoor heat exchanger 7, the evaporation capacity of the refrigerant in theindoor heat exchanger 7 is greater than the condensation capacity, and thefirst switch valve 211 is opened;
cold accumulation and main body heating and outdoor machine evaporation: in the main body heating mode while cold accumulation and the outdoor unit evaporation mode, the refrigerant is compressed in thecompressor 101, the compressed refrigerant is condensed in theindoor heat exchanger 7, the partially condensed refrigerant is evaporated in theindoor heat exchanger 7, the evaporation capacity of the refrigerant in theindoor heat exchanger 201 is smaller than the condensation capacity, the partially condensed refrigerant is evaporated in theenergy accumulator 201, theenergy accumulator 201 stores cold energy, the partially condensed refrigerant is evaporated in the firstoutdoor heat exchanger 105 and/or the secondoutdoor heat exchanger 107, and thefirst switch valve 211 is opened;
cold accumulation and main body heating and outdoor machine condensation: in the main body heating and outdoor unit condensation mode while cold accumulation and heat accumulation, the refrigerant is compressed in thecompressor 101, part of the compressed refrigerant is condensed in the firstoutdoor heat exchanger 105 and/or the secondoutdoor heat exchanger 107, part of the compressed refrigerant is condensed in theindoor heat exchanger 7, part of the condensed refrigerant is evaporated in theaccumulator 201, part of the condensed refrigerant is evaporated in theindoor heat exchanger 7, and thefirst switch valve 211 is opened;
supercooling and releasing cold while fully refrigerating: in a complete refrigeration mode while supercooling and releasing cold, a refrigerant is compressed in thecompressor 101, the fully compressed refrigerant is condensed in the firstoutdoor heat exchanger 105 and/or the secondoutdoor heat exchanger 107, the condensed refrigerant enters theenergy accumulator 201 to be partially evaporated, theenergy accumulator 201 serves as a subcooler, the subcooled refrigerant is conveyed to theindoor heat exchanger 7 to be evaporated, and thefirst switch valve 211 is closed;
supercooling and releasing cold and simultaneously refrigerating the main body: in the main refrigeration mode of supercooling and releasing cold, the refrigerant is compressed in thecompressor 101, part of the compressed refrigerant is condensed in the firstoutdoor heat exchanger 105 and/or the secondoutdoor heat exchanger 107, the condensed refrigerant enters theenergy accumulator 201 to be partially evaporated, theenergy accumulator 201 serves as a subcooler, the subcooled refrigerant is conveyed to theindoor heat exchanger 7 to be evaporated, part of the compressed refrigerant is condensed in theindoor heat exchanger 7, and thefirst switch valve 211 is closed;
condensation and cold release as well as complete refrigeration: in the mode of complete refrigeration while cooling by condensation, theoutdoor unit 1 is shut down, the refrigerant is compressed in thecompressor 101, the compressed refrigerant is condensed in theaccumulator 201, theaccumulator 201 releases cooling energy, the condensed refrigerant is evaporated in theindoor heat exchanger 7,
thefirst switching valve 211 is closed;
condensation and cold release as well as main body refrigeration: in a main refrigeration mode during cooling and condensing, theoutdoor unit 1 is shut down, a refrigerant is compressed in thecompressor 101, a part of the compressed refrigerant is condensed in theenergy accumulator 201, theenergy accumulator 201 releases cooling capacity, the condensed refrigerant is evaporated in theindoor heat exchanger 7, a part of the compressed refrigerant is condensed in theindoor heat exchanger 7, and thefirst switch valve 211 is closed;
parallel cold releasing and complete refrigeration: in the parallel cold releasing and complete refrigerating mode, a refrigerant is compressed in thecompressor 101, a part of the compressed refrigerant is condensed in the firstoutdoor heat exchanger 105 and/or the secondoutdoor heat exchanger 107, a part of the compressed refrigerant is condensed in theenergy accumulator 201, theenergy accumulator 201 releases cold energy, the condensed refrigerant is evaporated in theindoor heat exchanger 7, and thefirst switch valve 211 is closed;
parallel cooling and main body cooling: in the parallel cooling and main cooling mode, the refrigerant is compressed in thecompressor 101, part of the compressed refrigerant is condensed in the firstoutdoor heat exchanger 105 and/or the secondoutdoor heat exchanger 107, part of the compressed refrigerant is condensed in theenergy accumulator 201, theenergy accumulator 201 releases cold energy, the condensed refrigerant is evaporated in theindoor heat exchanger 7, part of the compressed refrigerant is condensed in theindoor heat exchanger 7, thefirst switch valve 211 is closed,
the complete heating means that all of theindoor heat exchangers 7 are used as condensers for heating.
The condensation amount of the refrigerant in theindoor heat exchanger 7 is larger than the evaporation amount when the main body heats, the condensation amount of the refrigerant in theindoor heat exchanger 7 is smaller than the evaporation amount when the main body refrigerates, theindoor heat exchanger 7 is only used for condensing the refrigerant when the main body heats completely, and theindoor heat exchanger 7 is only used for evaporating the refrigerant when the main body refrigerates completely.
In the present embodiment, theindoor heat exchanger 7 may be an evaporator or a condenser.
Through the combination of different modes of theoutdoor unit 1, theenergy storage device 2 and the indoor unit, the refrigerant circulation system operates in at least one of the following operating modes,
conventional complete heating: in a conventional complete heating mode, a refrigerant is compressed in thecompressor 101, theenergy accumulator 201 is shut down, the compressed refrigerant is condensed in theindoor heat exchanger 7, the condensed refrigerant is evaporated in the firstoutdoor heat exchanger 105 and/or the secondoutdoor heat exchanger 107, the evaporated refrigerant is conveyed to a suction port of thecompressor 1, and afirst switch valve 211 in a section of afirst pipeline 3 which is connected with theenergy accumulator 201 in parallel is opened;
heating of a conventional main body: under a conventional main thermal mode, a refrigerant is compressed in thecompressor 101, theenergy accumulator 201 is shut down, part of the compressed refrigerant is condensed in theindoor heat exchanger 7, the condensed refrigerant is evaporated in the firstoutdoor heat exchanger 105 and/or the secondoutdoor heat exchanger 107, part of the compressed refrigerant is condensed in the indoor heat exchanger, and thefirst switch valve 211 is opened;
and (3) complete heat storage: in the complete heat storage mode, theindoor heat exchanger 7 is closed, the refrigerant is compressed in thecompressor 101, the compressed refrigerant is condensed in theenergy accumulator 201, theenergy accumulator 201 stores heat, the condensed refrigerant is evaporated in the firstoutdoor heat exchanger 105 and/or the secondoutdoor heat exchanger 107, and thefirst switch valve 211 is opened;
heat storage and complete heating: in the heat storage and complete heating mode, the refrigerant is compressed in thecompressor 101, the compressed refrigerant is condensed in theenergy accumulator 201 and theindoor heat exchanger 7, the condensed refrigerant is evaporated in the firstoutdoor heat exchanger 105 and/or the secondoutdoor heat exchanger 107, and thefirst switch valve 211 is opened;
heat storage while complete refrigeration and outdoor unit evaporation: in the mode of heat storage while complete refrigeration and outdoor unit evaporation, the refrigerant is compressed in thecompressor 101, the compressed refrigerant is condensed in theenergy accumulator 201, theenergy accumulator 201 stores heat, the partially condensed refrigerant is evaporated in theindoor heat exchanger 7, the partially condensed refrigerant is evaporated in the firstoutdoor heat exchanger 105 and/or the secondoutdoor heat exchanger 107, and thefirst switch valve 211 is opened;
heat storage while complete refrigeration and condensation of the outdoor unit: in the mode of heat storage while complete refrigeration and outdoor unit condensation, the refrigerant is compressed in thecompressor 101, a part of the compressed refrigerant is condensed in the firstoutdoor heat exchanger 105 and/or the secondoutdoor heat exchanger 107, a part of the compressed refrigerant is condensed in theaccumulator 201, the condensed refrigerant is evaporated in theindoor heat exchanger 7, and thefirst switch valve 211 is opened;
heat storage and main body heating: in the heat storage and main body heating mode, the refrigerant is compressed in thecompressor 101, part of the compressed refrigerant is condensed in theindoor heat exchanger 7, theindoor heat exchanger 7 heats, part of the compressed refrigerant is condensed in theenergy accumulator 201, theenergy accumulator 201 stores heat, part of the condensed refrigerant is evaporated in the firstoutdoor heat exchanger 105 and/or the secondoutdoor heat exchanger 107, part of the condensed refrigerant is evaporated in theindoor heat exchanger 7, and thefirst switch valve 211 is opened;
heat storage and main body refrigeration and outdoor unit condensation: in a main refrigeration and outdoor unit condensation mode while heat storage, a refrigerant is compressed in thecompressor 101, a part of the compressed refrigerant is condensed in the firstoutdoor heat exchanger 105 and/or the secondoutdoor heat exchanger 107, a part of the compressed refrigerant is condensed in theenergy accumulator 201, the condensed refrigerant is evaporated in theindoor heat exchanger 7, a part of the compressed refrigerant is evaporated in theindoor heat exchanger 7, the evaporation capacity of the refrigerant in the outdoor unit is less than the condensation capacity of the refrigerant, the evaporation capacity of the refrigerant in theindoor heat exchanger 7 is greater than the condensation capacity of the refrigerant, and thefirst switch valve 211 is opened;
heat storage and main refrigeration and outdoor unit evaporation: in a main refrigeration and outdoor unit evaporation mode while heat storage, a refrigerant is compressed in thecompressor 101, a part of the compressed refrigerant is condensed in the firstoutdoor heat exchanger 105 and/or the secondoutdoor heat exchanger 107, a part of the compressed refrigerant is condensed in theenergy accumulator 201, the condensed refrigerant is evaporated in theindoor heat exchanger 7, a part of the compressed refrigerant is evaporated in theindoor heat exchanger 7, the evaporation capacity of the refrigerant in theoutdoor unit 1 is greater than the condensation capacity of the refrigerant, the evaporation capacity of the refrigerant in theindoor heat exchanger 7 is greater than the condensation capacity of the refrigerant, and thefirst switch valve 211 is opened;
mixed heat release and complete heating: in the mixed heat release and complete heating mode, the refrigerant is compressed in thecompressor 101, the compressed refrigerant is condensed in theindoor heat exchanger 7, the partially condensed refrigerant is evaporated in theenergy accumulator 201, theenergy accumulator 201 releases heat, the partially condensed refrigerant is evaporated in the firstoutdoor heat exchanger 105 and/or the secondoutdoor heat exchanger 107, and thefirst switch valve 211 is opened;
mixed heat release and main body heat production: in the main heating mode with heat mixing and releasing, the refrigerant is compressed in thecompressor 101, the compressed refrigerant is condensed in theindoor heat exchanger 7, a part of the condensed refrigerant is evaporated in theenergy accumulator 201, theenergy accumulator 201 releases heat, the part of the condensed refrigerant is evaporated in the firstoutdoor heat exchanger 105 and/or the secondoutdoor heat exchanger 107, and thefirst switch valve 211 is opened;
independent heat release and complete heating: in the independent heat release and complete heating mode, the firstoutdoor heat exchanger 105 and the secondoutdoor heat exchanger 107 are closed, the refrigerant is compressed in thecompressor 101, the compressed refrigerant is condensed in theindoor heat exchanger 7, the condensed refrigerant is evaporated in theenergy accumulator 201, theenergy accumulator 201 releases heat, and thefirst switch valve 211 is opened;
independent heat release and main body heating: in the independent heat release and main heating mode, the firstoutdoor heat exchanger 105 and the secondoutdoor heat exchanger 107 are closed, the refrigerant is compressed in thecompressor 101, the compressed refrigerant is condensed in theindoor heat exchanger 7, the partially condensed refrigerant is evaporated in theenergy accumulator 201, theenergy accumulator 201 releases heat, the partially condensed refrigerant is evaporated in theindoor heat exchanger 7, thefirst switch valve 211 is opened
The complete heating means that all theindoor heat exchangers 7 are used as condensers for heating, and the complete cooling means that all theindoor heat exchangers 7 are used as evaporators for cooling. The condensation amount of the refrigerant in theindoor heat exchanger 7 is larger than the evaporation amount when the main body heats, the condensation amount of the refrigerant in theindoor heat exchanger 7 is smaller than the evaporation amount when the main body refrigerates, theindoor heat exchanger 7 is only used for condensing the refrigerant when the main body heats completely, and theindoor heat exchanger 7 is only used for evaporating the refrigerant when the main body refrigerates completely.
By combining different modes of theoutdoor unit 1, theenergy storage device 2 and the indoor unit, the refrigerant circulation system operates in at least one of the following operation modes,
non-zoned discontinuous heating defrosting: in the non-partition non-continuous heating defrosting mode, theindoor heat exchanger 7 is closed, the refrigerant is compressed in thecompressor 101, the compressed refrigerant is condensed in the firstoutdoor heat exchanger 105 and the secondoutdoor heat exchanger 107 to be defrosted by the firstoutdoor heat exchanger 105 and the secondoutdoor heat exchanger 107, the condensed refrigerant is evaporated in theenergy accumulator 201, theenergy accumulator 201 releases heat, and thefirst switch valve 211 in a section of thefirst pipeline 3 which is connected with theenergy accumulator 201 in parallel is closed;
partition discontinuous heating defrosting: in the partitioned discontinuous heating and defrosting mode, one of the firstoutdoor heat exchanger 105 and the secondoutdoor heat exchanger 107 is used as a condenser to realize defrosting, the other one is used as an evaporator, a refrigerant compressed by thecompressor 101 is condensed in one of the firstoutdoor heat exchanger 105 and the secondoutdoor heat exchanger 107, the condensed refrigerant is evaporated in theenergy accumulator 201, theenergy accumulator 201 releases heat, and thefirst switch valve 211 is closed;
defrosting and completely heating are continuously performed in non-subareas: in the non-partition continuous heating defrosting and complete heating mode, a refrigerant is compressed in thecompressor 101, a part of the compressed refrigerant is condensed in the firstoutdoor heat exchanger 105 and/or the secondoutdoor heat exchanger 107, a part of the compressed refrigerant is condensed in theindoor heat exchanger 7, the condensed refrigerant is evaporated in theenergy accumulator 201, theenergy accumulator 201 releases heat, and thefirst switch valve 211 is opened;
the defrosting is continuously heated in a non-partitioned mode, and a main body heats: in the main heating mode without partition continuous heating and defrosting, a refrigerant is compressed in thecompressor 101, part of the compressed refrigerant is condensed in the firstoutdoor heat exchanger 105 and/or the secondoutdoor heat exchanger 107, part of the compressed refrigerant is condensed in theindoor heat exchanger 7, part of the condensed refrigerant is evaporated in theenergy accumulator 201, theenergy accumulator 201 releases heat, part of the condensed refrigerant is evaporated in theindoor heat exchanger 7, the evaporation capacity of the refrigerant in theindoor heat exchanger 7 is less than the condensation capacity, and thefirst switch valve 211 is opened;
defrosting is continuously heated in a non-partitioned mode, and a main body is refrigerated: in a main refrigeration mode of continuous heating and defrosting without zoning, a refrigerant is compressed in acompressor 101, a part of the compressed refrigerant is condensed in a firstoutdoor heat exchanger 105 and/or a secondoutdoor heat exchanger 107, a part of the compressed refrigerant is condensed in anindoor heat exchanger 7, the part of the condensed refrigerant is evaporated in anenergy accumulator 201, theenergy accumulator 201 releases heat, the part of the condensed refrigerant is evaporated in theindoor heat exchanger 7, the evaporation capacity of the refrigerant in theindoor heat exchanger 7 is greater than the condensation capacity, and afirst switch valve 211 is opened;
the method comprises the following steps of continuously heating and defrosting in a subarea manner, completely heating and condensing an outdoor unit: in the mode of continuous heating and defrosting in a subarea mode, complete heating and outdoor unit condensation, a refrigerant is compressed in thecompressor 101, a part of the compressed refrigerant is condensed in one of the firstoutdoor heat exchanger 105 and the secondoutdoor heat exchanger 107, a part of the compressed refrigerant is condensed in theindoor heat exchanger 7, the condensed refrigerant is evaporated in theenergy accumulator 201 and the other one of the firstoutdoor heat exchanger 105 and the secondoutdoor heat exchanger 107, theenergy accumulator 201 releases heat, and thefirst switch valve 211 is opened;
the defrosting is heated continuously in a subarea manner, and the main body heats the outdoor unit for condensation: in a zoned continuous heating defrosting and main heating outdoor unit condensation mode, a refrigerant is compressed in acompressor 101, a part of the compressed refrigerant is condensed in one of a firstoutdoor heat exchanger 105 and a secondoutdoor heat exchanger 107, a part of the compressed refrigerant is condensed in anindoor heat exchanger 7, the condensed refrigerant is evaporated in theindoor heat exchanger 7, anenergy accumulator 201 and the other one of the firstoutdoor heat exchanger 105 and the secondoutdoor heat exchanger 107, theenergy accumulator 201 releases heat, the evaporation capacity of the refrigerant in theindoor heat exchanger 7 is smaller than the condensation capacity, and afirst switch valve 211 is opened;
the method comprises the following steps of continuously heating and defrosting in a subarea manner and condensing a main refrigerating outdoor unit: in a zoned continuous defrosting and main refrigeration outdoor unit condensation mode, a refrigerant is compressed in acompressor 101, a part of the compressed refrigerant is condensed in one of a firstoutdoor heat exchanger 105 and a secondoutdoor heat exchanger 107, a part of the compressed refrigerant is condensed in anindoor heat exchanger 7, the condensed refrigerant is evaporated in theindoor heat exchanger 7, anenergy accumulator 201 and the other one of the firstoutdoor heat exchanger 105 and the secondoutdoor heat exchanger 107, theenergy accumulator 201 releases heat, the evaporation capacity of the refrigerant in theindoor heat exchanger 7 is greater than the condensation capacity, and afirst switch valve 211 is opened;
continuous heating defrosting and complete heating in subareas and outdoor unit evaporation: in the mode of continuous heating and defrosting in a subarea mode, complete heating and outdoor unit evaporation, a refrigerant is compressed in thecompressor 101, a part of the compressed refrigerant is condensed in one of the firstoutdoor heat exchanger 105 and the secondoutdoor heat exchanger 107, a part of the compressed refrigerant is condensed in theindoor heat exchanger 7, the condensed refrigerant is evaporated in theenergy accumulator 201 and the other one of the firstoutdoor heat exchanger 105 and the secondoutdoor heat exchanger 107, theenergy accumulator 201 releases heat, and thefirst switch valve 211 is opened;
the defrosting is continuously heated in a subarea manner, and a main body is heated and evaporated by an outdoor unit: in a zoned continuous heating defrosting and main heating outdoor-outdoor machine evaporation mode, a refrigerant is compressed in acompressor 101, part of the compressed refrigerant is condensed in one of a firstoutdoor heat exchanger 105 and a secondoutdoor heat exchanger 107, part of the compressed refrigerant is condensed in anindoor heat exchanger 7, the condensed refrigerant is evaporated in theindoor heat exchanger 7, anenergy accumulator 201 and the other of the firstoutdoor heat exchanger 105 and the secondoutdoor heat exchanger 107, theenergy accumulator 201 releases heat, the evaporation capacity of the refrigerant in theindoor heat exchanger 7 is smaller than the condensation capacity, and afirst switch valve 211 is opened;
the defrosting is heated and melted continuously in a subarea manner, and the main body is refrigerated and evaporated by an outdoor unit: in the partition continuous defrosting and main refrigeration outdoor unit evaporation mode, the refrigerant is compressed in thecompressor 101, part of the compressed refrigerant is condensed in one of the firstoutdoor heat exchanger 105 and the secondoutdoor heat exchanger 107, part of the compressed refrigerant is condensed in theindoor heat exchanger 7, the condensed refrigerant is evaporated in theindoor heat exchanger 7, theenergy accumulator 201 and the other one of the firstoutdoor heat exchanger 105 and the secondoutdoor heat exchanger 107, theenergy accumulator 201 releases heat, the evaporation capacity of the refrigerant in theindoor heat exchanger 7 is greater than the condensation capacity, thefirst switch valve 211 is opened,
the complete heating means that all theindoor heat exchangers 7 are used for heating by a condenser, and the complete cooling means that all theindoor heat exchangers 7 are used for cooling by an evaporator.
When the main body heats, the condensation amount of the refrigerant in theindoor heat exchanger 7 is larger than the evaporation amount, when the main body refrigerates, the condensation amount of the refrigerant in theindoor heat exchanger 7 is smaller than the evaporation amount, when the main body refrigerates, theindoor heat exchanger 7 is only used for condensing the refrigerant, and when the main body refrigerates, theindoor heat exchanger 7 is only used for evaporating the refrigerant.
Through the combination of different modes of theoutdoor unit 1, theenergy storage device 2 and the indoor unit, the refrigerant circulating system operates in at least one of the following working modes,
conventional heat recovery: in a normal heat recovery mode, the firstoutdoor heat exchanger 105 and the secondoutdoor heat exchanger 107 are shut down, theenergy accumulator 201 is shut down, the refrigerant is compressed in thecompressor 101, the compressed refrigerant is condensed in a part of theindoor heat exchangers 7, the condensed refrigerant is evaporated in the other part of theindoor heat exchangers 7, and thefirst switch valve 211 in a section of thefirst pipeline 3 connected with theenergy accumulator 201 in parallel is closed;
cold accumulation and heat recovery: in the cold storage and heat recovery mode, the firstoutdoor heat exchanger 105 and the secondoutdoor heat exchanger 107 are shut down, the refrigerant is compressed in thecompressor 101, the compressed refrigerant is condensed in one part of theindoor heat exchangers 7, the condensed refrigerant is evaporated in the other part of theindoor heat exchangers 7 and theenergy accumulator 201, theenergy accumulator 201 stores cold, the evaporation capacity of the refrigerant in theindoor heat exchangers 7 is smaller than the condensation capacity, and thefirst switch valve 211 is closed;
heat storage and heat recovery: in the heat storage and heat recovery mode, the firstoutdoor heat exchanger 105 and the secondoutdoor heat exchanger 107 are shut down, the refrigerant is compressed in thecompressor 101, the compressed refrigerant is condensed in theenergy accumulator 201 and a part of theindoor heat exchangers 7, theenergy accumulator 201 stores heat, the condensed refrigerant is evaporated in the other part of theindoor heat exchangers 7, the evaporation capacity of the refrigerant in theindoor heat exchangers 7 is greater than the condensation capacity, and thefirst switch valve 211 is closed;
cooling and heat recovery: in the cooling-releasing simultaneous heat recovery mode, the firstoutdoor heat exchanger 105 and the secondoutdoor heat exchanger 107 are shut down, the refrigerant is compressed in thecompressor 101, the compressed refrigerant is condensed in theenergy accumulator 201 and a part of theindoor heat exchangers 7, theenergy accumulator 201 releases cooling capacity, the condensed refrigerant is evaporated in the other part of theindoor heat exchangers 7, the evaporation capacity of the refrigerant in theindoor heat exchangers 7 is greater than the condensation capacity, and thefirst switch valve 211 is closed;
heat release and heat recovery: in the heat release and heat recovery mode, the firstoutdoor heat exchanger 105 and the secondoutdoor heat exchanger 107 are shut down, the refrigerant is compressed in thecompressor 101, the compressed refrigerant is condensed in one part of theindoor heat exchangers 7, the condensed refrigerant is evaporated in the other part of theindoor heat exchangers 7 and theenergy accumulator 201, theenergy accumulator 201 releases heat, the evaporation capacity of the refrigerant in theindoor heat exchangers 7 is smaller than the condensation capacity, and thefirst switch valve 211 is closed.
The working modes of the refrigerant circulation system of the embodiment are as follows:
Figure BDA0003944534380000381
Figure BDA0003944534380000391
Figure BDA0003944534380000401
the technical effects of the embodiment are as follows:
has the advantages that:
1. the air conditioning system stores energy in the low-ebb electricity price period and releases energy in the high-peak electricity price period, so that the power consumption of the air conditioner is reduced. The peak clipping and valley filling of the electric power are realized, and the operation cost of the air conditioner is reduced.
2. Through the switching of the pipeline and the valve member, the heat recovery air conditioning system can realize 44 functions of complete cold accumulation, simultaneous complete refrigeration of cold accumulation and simultaneous main refrigeration of cold accumulation, the application range of the energy storage system is widened, the availability of the energy storage system is greatly improved, and different application scenes can be flexibly coped with.
3. The liquid refrigerant can be uniformly distributed when entering the energy accumulator, and the pressure loss of the gaseous refrigerant when entering the energy accumulator can be reduced.
4. The defrosting device has the advantages that the defrosting device can defrost the outdoor heat exchanger in different areas, so that energy is more concentrated, defrosting heat is saved, defrosting time is shortened, and indoor side heating comfort is improved.
The above description is only exemplary embodiments of the present invention, and should not be construed as limiting the present invention, and any modifications, equivalent replacements, improvements, etc. made within the spirit and principle of the present invention should be included in the protection scope of the present invention.

Claims (14)

1. A refrigerant circulation system, comprising:
a compressor (101) including a suction port for introducing a refrigerant to be compressed and a discharge port for discharging the compressed refrigerant;
a first control valve (102) comprising an inlet port communicating with an exhaust port of a compressor (101), a return port communicating with an intake port of the compressor (101), and a working port selectively communicable with one of the inlet port and the return port;
a first outdoor heat exchanger (105) in communication with a working port of the first control valve (102);
a first conduit (3) communicating with the first outdoor heat exchanger (105);
a second control valve (104) including an inlet port communicating with an exhaust port of the compressor (101) and a working port provided on-off with the inlet port;
a second line (4) communicating with a working port of the second control valve (104);
a third pipe (5) communicating with the suction port of the compressor (101);
a first throttling member (206) communicating with the first conduit (3);
an accumulator (201) including a first refrigerant inlet/outlet (201 a) and a second refrigerant inlet/outlet (201 b), wherein the first refrigerant inlet/outlet (201 a) of the accumulator (201) is switchable between a first state and a second state, a refrigerant flows between the first refrigerant inlet/outlet (201 a) of the accumulator (201) and the first throttling member (206) in the first state, a refrigerant flows between the first refrigerant inlet/outlet (201 a) of the accumulator (201) and the first pipeline (3) in the second state, the second refrigerant inlet/outlet (201 b) of the accumulator (201) is switchable between a third state and a fourth state, a refrigerant flows between the second refrigerant inlet/outlet (201 b) of the accumulator (201) and the second pipeline (4) or the exhaust port of the compressor (101) in the third state, and a refrigerant flows between the second refrigerant inlet/outlet (201 b) of the accumulator (201) and the third pipeline (5) in the fourth state;
the indoor heat exchanger (7) comprises a first refrigerant inlet and outlet and a second refrigerant inlet and outlet, the first refrigerant inlet and outlet of the indoor heat exchanger (7) is communicated with the first pipeline (3), and the second refrigerant inlet and outlet of the indoor heat exchanger (7) can be selectively communicated with one of the second pipeline (4) and the third pipeline (5).
2. The refrigerant cycle system according to claim 1, wherein the second refrigerant inlet/outlet (201 b) of the accumulator (201) further has a fifth state in which refrigerant flows between the first pipe (3) and the second refrigerant inlet/outlet (201 b) of the accumulator (201) is switchable between the third state, the fourth state, and the fifth state.
3. The refrigerant circulation system as claimed in claim 1, further comprising:
a third control valve (103) comprising an inlet port in communication with a discharge port of a compressor (101), a return port in communication with a suction port of the compressor (101), and a working port selectively in communication with one of the inlet port and the return port;
and one end of the second outdoor heat exchanger (107) is communicated with the working port of the third control valve (103), and the other end of the second outdoor heat exchanger is communicated with the first pipeline (3).
4. The refrigerant circulation system as claimed in claim 3, further comprising:
a second throttling member (106) comprising a first inlet and outlet in communication with the first outdoor heat exchanger (105) and a second inlet and outlet in communication with the first pipe (3);
and the third throttling component (108) comprises a first inlet and outlet communicated with the second outdoor heat exchanger (107) and a second inlet and outlet communicated with the first pipeline (3), and the second inlet and outlet of the third throttling component (108) is communicated with the second inlet and outlet of the second throttling component (106).
5. The refrigerant cycle system as recited in claim 1, wherein said second control valve (104) further comprises a return port in communication with a suction port of said compressor (101), a working port of said second control valve (104) being selectively in communication with one of an inlet port of said second control valve (104) and a return port of said second control valve (104).
6. The refrigerant circulation system as claimed in claim 1, further comprising:
a first communicating pipeline (207) having one end communicated with the first refrigerant inlet/outlet (201 a) and the other end communicated with the first pipeline (3), wherein the first throttling part (206) is arranged in the first communicating pipeline (207);
and one end of the second communication pipeline (213) is communicated with the first refrigerant inlet and outlet (201 a), the other end of the second communication pipeline is communicated with the first pipeline (3), and the joint of the second communication pipeline (213) and the first pipeline (3) is closer to the indoor heat exchanger (7) than the joint of the first communication pipeline (207) and the first pipeline (3) in the flowing direction of the first pipeline (3).
7. The coolant circulation system according to claim 6, further comprising:
the first switch valve (211) is arranged in the first pipeline (3) and is positioned between the joint of the first communication pipeline (207) and the first pipeline (3) and the joint of the second communication pipeline (213) and the first pipeline (3);
and the first check valve (209) is arranged in the second communication pipeline (213), and the inlet end of the first check valve (209) is communicated with the first refrigerant inlet and outlet (201 a) of the energy accumulator (201).
8. The refrigerant circulation system as claimed in claim 1, further comprising:
a third communication pipeline (202), one end of which is communicated with the exhaust port of the compressor (101) or the second pipeline (4), and the other end of which is communicated with a second refrigerant inlet/outlet (201 b) of the energy accumulator (201);
and one end of the fourth communication pipeline (203) is communicated with the second refrigerant inlet and outlet (201 b) of the energy accumulator (201), and the other end of the fourth communication pipeline is communicated with the third pipeline (5).
9. The refrigerant circulation system as claimed in claim 8, further comprising:
a second on-off valve (208) provided in the third communication line (202);
a third on/off valve (210) provided in the fourth communication line (203).
10. The refrigerant circulation system according to claim 8, wherein the other end of the third communication pipe (202) is communicated with a first communication pipe (207) communicating the first refrigerant inlet/outlet (201 a) and the first pipe (3), a connection between the other end of the third communication pipe (202) and the first communication pipe (207) is located between the first pipe (3) and the first throttling part (206) in a circulation direction of the first communication pipe (207), the refrigerant circulation system further includes a fifth communication pipe (205), one end of the fifth communication pipe (205) is communicated with the first communication pipe (207), and the other end of the fifth communication pipe is communicated with a second refrigerant inlet/outlet (201 b) of the accumulator (201).
11. The refrigerant circulation system according to claim 10, wherein a connection between one end of the fifth communication pipe (205) and the first communication pipe (207) is located between the first pipe (3) and the first throttling part (206) in a flow direction of the first communication pipe (207).
12. The coolant circulation system as claimed in claim 10, further comprising:
a fourth switching valve (212) provided in the fifth communication pipe (205);
and a second check valve provided in the first communication line (207) and located between the first line (3) and the fifth communication line (205) in a flow direction of the first communication line (207).
13. The refrigerant circulation system as claimed in claim 1, further comprising:
a refrigeration control valve (602), one end of which is communicated with a second refrigerant inlet and outlet of the indoor heat exchanger, and the other end of which is communicated with the third pipeline (5);
and one end of the heating control valve (603) is communicated with the second refrigerant inlet and outlet of the indoor heat exchanger, and the other end of the heating control valve is communicated with the second pipeline (4).
14. An air conditioning apparatus, characterized by comprising the refrigerant circulation system according to any one of claims 1 to 13.
CN202223028450.0U2022-11-152022-11-15Refrigerant circulation system and air conditioning equipmentActiveCN218544694U (en)

Priority Applications (1)

Application NumberPriority DateFiling DateTitle
CN202223028450.0UCN218544694U (en)2022-11-152022-11-15Refrigerant circulation system and air conditioning equipment

Applications Claiming Priority (1)

Application NumberPriority DateFiling DateTitle
CN202223028450.0UCN218544694U (en)2022-11-152022-11-15Refrigerant circulation system and air conditioning equipment

Publications (1)

Publication NumberPublication Date
CN218544694Utrue CN218544694U (en)2023-02-28

Family

ID=85262622

Family Applications (1)

Application NumberTitlePriority DateFiling Date
CN202223028450.0UActiveCN218544694U (en)2022-11-152022-11-15Refrigerant circulation system and air conditioning equipment

Country Status (1)

CountryLink
CN (1)CN218544694U (en)

Cited By (2)

* Cited by examiner, † Cited by third party
Publication numberPriority datePublication dateAssigneeTitle
CN115727445A (en)*2022-11-152023-03-03珠海格力电器股份有限公司 Refrigerant Circulation System, Air Conditioning Equipment and Control Method for Refrigerant Circulation System
WO2024185830A1 (en)*2023-03-072024-09-12東芝キヤリア株式会社Outdoor unit of air conditioning device, and air conditioning device

Cited By (3)

* Cited by examiner, † Cited by third party
Publication numberPriority datePublication dateAssigneeTitle
CN115727445A (en)*2022-11-152023-03-03珠海格力电器股份有限公司 Refrigerant Circulation System, Air Conditioning Equipment and Control Method for Refrigerant Circulation System
CN115727445B (en)*2022-11-152025-08-26珠海格力电器股份有限公司 Refrigerant circulation system, air conditioning equipment, and control method of refrigerant circulation system
WO2024185830A1 (en)*2023-03-072024-09-12東芝キヤリア株式会社Outdoor unit of air conditioning device, and air conditioning device

Similar Documents

PublicationPublication DateTitle
US8516847B2 (en)Thermal storage air conditioner
CN100373112C (en)Refrigerating device
CN210821724U (en)Thermal management system and new energy automobile thereof
CN218544694U (en)Refrigerant circulation system and air conditioning equipment
CN102326039A (en) heat pump system
CN217900144U (en)Heat storage defrosting control system and air conditioner
CN218884162U (en)Air conditioning system
CN115727444A (en)Air conditioning system, control method thereof, control device thereof, and computer-readable storage medium
CN218523697U (en)Air conditioning system
CN218544696U (en)Air conditioning system
CN212720353U (en)Refrigerator car and refrigerating system thereof
CN114413363A (en)Air conditioning system and control method thereof
CN218544698U (en)Air conditioning system
CN218523698U (en)Air conditioning system
CN218523699U (en)Refrigeration system
CN218544697U (en)Air conditioning system
CN218544701U (en)Refrigeration system
CN115727450B (en) Air conditioning system, control method thereof, control device, and computer-readable storage medium
CN218583322U (en)Air conditioning system
CN115585513B (en) Refrigeration system, control method and control device thereof
JP2001263848A (en) Air conditioner
CN115727445B (en) Refrigerant circulation system, air conditioning equipment, and control method of refrigerant circulation system
CN115682202A (en)Energy storage air conditioning system
CN115727446A (en)Air conditioning system and control method and control device thereof
CN214841175U (en)Refrigerating system

Legal Events

DateCodeTitleDescription
GR01Patent grant
GR01Patent grant

[8]ページ先頭

©2009-2025 Movatter.jp