Movatterモバイル変換


[0]ホーム

URL:


CN217279748U - Novel multifunctional electronic fence - Google Patents

Novel multifunctional electronic fence
Download PDF

Info

Publication number
CN217279748U
CN217279748UCN202221007605.XUCN202221007605UCN217279748UCN 217279748 UCN217279748 UCN 217279748UCN 202221007605 UCN202221007605 UCN 202221007605UCN 217279748 UCN217279748 UCN 217279748U
Authority
CN
China
Prior art keywords
circuit
power input
electronic fence
relay
frame body
Prior art date
Legal status (The legal status is an assumption and is not a legal conclusion. Google has not performed a legal analysis and makes no representation as to the accuracy of the status listed.)
Active
Application number
CN202221007605.XU
Other languages
Chinese (zh)
Inventor
黄晓超
Current Assignee (The listed assignees may be inaccurate. Google has not performed a legal analysis and makes no representation or warranty as to the accuracy of the list.)
Shanghai Meiquan Intelligent Control System Co ltd
Original Assignee
Shanghai Meiquan Intelligent Control System Co ltd
Priority date (The priority date is an assumption and is not a legal conclusion. Google has not performed a legal analysis and makes no representation as to the accuracy of the date listed.)
Filing date
Publication date
Application filed by Shanghai Meiquan Intelligent Control System Co ltdfiledCriticalShanghai Meiquan Intelligent Control System Co ltd
Priority to CN202221007605.XUpriorityCriticalpatent/CN217279748U/en
Application grantedgrantedCritical
Publication of CN217279748UpublicationCriticalpatent/CN217279748U/en
Activelegal-statusCriticalCurrent
Anticipated expirationlegal-statusCritical

Links

Images

Landscapes

Abstract

A novel multifunctional electronic fence comprises an electronic fence body, a voltage-stabilizing power supply and a warning board; the device also comprises a detection circuit, a control circuit, a frame body detection mechanism and a receiving prompt circuit; the probe adopts two sets of active infrared correlation detection modules which are respectively arranged on the frame body at one side end and the other side end; the control circuit is matched with a sound and light alarm, and the sound and light alarm and the warning board are arranged on a metal wire of the electronic fence body; the frame body detection mechanism comprises a plurality of reed pipes, magnets and a trigger circuit, the magnets are respectively arranged on one side of the lower end of the frame body, and the reed pipes are respectively arranged on the side parts of the lower end of the plurality of frame bodies; the stabilized voltage power supply, the detection circuit, the control circuit and the trigger circuit of the frame body detection mechanism are arranged in the shell and are electrically connected. This novel have the thief to get into when fortifying oneself with the district, can wireless mode suggestion on duty indoor personnel, can prevent that the animal from getting into the wrong report police, can also indicate personnel to maintain when the support body breaks down.

Description

Novel multifunctional electronic fence
Technical Field
The utility model relates to a security protection equipment technical field, especially a novel multi-functional fence.
Background
The electronic fence is a security device which is widely used, the main structure of the security device comprises a frame body, alloy metal wires and a probe, a pulse type electric shock mechanism and the like, a plurality of metal wires are installed in a defense area (such as a residential area wall) through the frame body, people approach to a monitoring area in application, the probe is connected with the high-voltage pulse power supply of the electric shock mechanism and the plurality of metal wires after detecting (meanwhile, acousto-optic alarm sounds are sent out to frighten thieves and the like), people climbing the defense area are subjected to electric shock (the voltage only can have an electric shock effect on people illegally contacting the metal wires, the high-voltage and low-current cannot cause people to be injured or killed by the electric shock), non-permitted people (the thieves) are effectively prevented from entering the defense area, and a good safety effect can be achieved.
Although the existing electronic fence has more advantages, there are certain disadvantages due to more or less limited structure, which are shown as follows. One is as follows: after the metal wires are fixed in the fortification area by two or more frame bodies, because the metal wires are influenced by factors such as expansion with heat and contraction with cold or the frame bodies are not installed stably, the situation that the metal wires cannot cross the fortification area due to the fact that the frame bodies topple over after a period of time is possible, the electric shock range is reduced after monitoring, and even the good fortification electric shock effect cannot be achieved (for example, the frame bodies collapse, the metal wires sag too much and are no longer located on the enclosing wall, thieves can easily climb over the enclosing wall to enter a community, and the like) is caused. The second step is as follows: the security management system only has a field defense function, namely when illegal persons enter, the persons in a cell management room can not know the situation at the first time, the persons can not be checked on the spot and can not drive the illegal persons to enter or enter, and accordingly, a good security management effect can not be achieved. And thirdly: the probe (sensor) that present fence adopted generally is pyroelectric infrared sensor, microwave sensor etc. and it can realize better detection function, nevertheless because the activity object (such as people or birds) that the front end got into are surveyed to the probe during operation, like this, when being that the toy gets into the regional area of seting up a defences, because the scene can send unnecessary reputation alarm sound, not only cause unnecessary electric energy waste so, still can bring unnecessary interference to the resident normal life near the regional area of seting up a defences. In summary, there is still much room for improvement in the prior art electronic fence.
SUMMERY OF THE UTILITY MODEL
In order to overcome current fence because of the structure limit, there is as the background drawback, the utility model provides a based on the fence body, under relevant mechanism and circuit combined action in the application, when having illegal personnel to get into the region of seting up defences, not only can on-the-spot warning frighten thief etc. can also send illegal personnel entering information wireless mode to the on-duty indoor, the on-duty indoor personnel can handle to the scene in as short a time as possible, through two sets of infrared correlation detection modules as the probe, can effectively prevent that the toy from getting into the region wrong report police of seting up defences, the corresponding electric energy that has saved, unnecessary interference to near resident family etc. has been reduced, can monitor the performance of many support bodies, can in time wirelessly indicate the novel multi-functional fence that the personnel of on-duty indoor maintain when the support body breaks down.
The utility model provides a technical scheme that its technical problem adopted is:
a novel multifunctional electronic fence comprises an electronic fence body, a voltage-stabilized power supply and a warning board; it is characterized by also comprising a detection circuit, a control circuit, a frame body detection mechanism and a receiving prompt circuit; the probe of the electronic fence body adopts at least two sets of active infrared correlation detection modules, and the transmitting ends and the receiving ends of the two sets of infrared correlation detection modules are respectively arranged on the frame body at one side end and the other side end of the electronic fence body at intervals; the control circuit is matched with a sound and light alarm which is arranged on a warning board which is arranged on a metal wire of the electronic fence body; the frame body detection mechanism comprises a plurality of reed pipes, a plurality of magnets and a trigger circuit, the magnets are respectively arranged on one side of the lower ends of the frame bodies, and the reed pipes are respectively arranged on the side parts of the lower ends of the frame bodies and are spaced from the magnets; the stabilized voltage supply, the detection circuit, the control circuit and the trigger circuit of the frame detection mechanism are arranged in the shell, and the receiving prompt circuit is arranged in the duty room; the power output end of the detection circuit is electrically connected with the power input end of the control circuit, the signal output ends of the receiving ends of the two sets of infrared correlation detection modules are electrically connected with the signal input end of the detection circuit, and the signal output end of the frame body detection mechanism is electrically connected with the signal input end of the control circuit.
Furthermore, the transmitting ends of the two sets of infrared correlation detection modules and the receiving ends of the two sets of infrared correlation detection modules are respectively in a state of facing one horizontal straight line surface.
Further, detection circuit includes electric connection's relay and time relay module, and first relay normally open contact end and second relay control power input end are connected, and second relay normally open contact end and the anodal power input end and the anodal control power input end of time relay module are connected, and two relay negative pole power input ends are connected with time relay module negative pole power input end and negative pole control power input end.
Further, the control circuit comprises an electrically connected relay, a diode and a wireless transmitting circuit module, wherein the anode power input end of the relay is connected with the anode of the diode, the cathode of the diode is connected with the anode power input end of the wireless transmitting circuit module, the cathode power input end of the relay is connected with the cathode power input end of the wireless transmitting circuit module, and two contacts under one transmitting key of the wireless transmitting circuit module are connected together.
Furthermore, the trigger circuit comprises a silicon controlled rectifier, a resistor and a diode which are electrically connected, and the silicon controlled rectifier is electrically connected with the reed pipes, one ends of the reed pipes are connected with the anode of the silicon controlled rectifier, the control electrode of the silicon controlled rectifier is connected with one end of the resistor, the other end of the resistor is connected with the cathode of the diode, and the anode of the diode is connected with the other end of the reed pipe.
The utility model has the advantages that: this is novel based on the fence body, has all functions of current fence. The novel alarm device has the advantages that under the combined action of related mechanisms and circuits in application, when illegal persons enter a defense area, the novel alarm device can not only sound the audible and visual alarm device on site to warn and frighten thieves and the like, but also can send information of the illegal persons entering the guard room in a wireless mode through the wireless transmitting circuit module, and after receiving related signals, the receiving and prompting circuit in the guard room can visually send the information to the guard room through the light emitting diode light emitting and the buzzer to sound and prompt the personnel in the guard room to be disposed on site in as short a time as possible, so that the unsafe factors brought to the districts and the like by the thieves can be prevented. In this is novel, owing to regard as the probe through two sets of external correlation formula detection module, the signal of the transmitting terminal and the receiving terminal of two sets of infrared correlation formula detection module can only be blocked simultaneously to someone's height, has prevented effectively that the toy from getting into the regional wrong report police of seting up a defences, and the electric energy has correspondingly been saved, has reduced the unnecessary interference to near resident family etc.. This is novel can also monitor the performance of many support bodies, and the support body is broken down (squint or drop) can in time wireless suggestion on duty indoor personnel maintain. Based on the above, so the utility model discloses good application prospect has.
Drawings
The invention will be further explained with reference to the drawings and examples.
Fig. 1 and 2 are schematic diagrams of the overall structure of the present invention.
Fig. 3 and 4 are circuit diagrams of the present invention.
Detailed Description
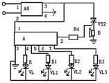
As shown in fig. 1, 2, 3, and 4, a novel multifunctional electronic fence includes an electronic fence body having aframe body 1,alloy metal wires 2, a probe, a pulse type electric shock mechanism DJ, and the like, and a voltage-stabilized power supply a1, wherein fivemetal wires 2 are transversely fastened and tensioned at the upper and lower intervals at the rear ends of a plurality of frame bodies 1 (in practical application, the novel electronic fence can be installed in a plurality of areas in a district and the like as required), the power output end of the pulse type electric shock mechanism DJ is connected in parallel with one end of the plurality ofmetal wires 2 through a wire, and the lower intervals of the plurality offrame bodies 1 are installed in a defense area (such as a fence) through screw nuts and the like; the device is also provided with adetection circuit 3, acontrol circuit 4, a frame body detection mechanism and a receivingprompt circuit 6; the probe adopts two sets of active 100-meter infrared correlation detection modules with the models of DS429i-CHI, the transmitting ends A2 and A4 of the two sets of infrared correlation detection modules are transversely arranged at the front parts of the upper and lower ends of the leftmost frame body in the plurality offrame bodies 1 at certain intervals up and down by screw nuts, and the receiving ends A3 and A5 of the two sets of infrared correlation detection modules are transversely arranged at the front parts of the upper and lower ends of the rightmost frame body in the plurality offrame bodies 1 at certain intervals up and down by screw nuts; the control circuit is matched with two audible and visual alarms HB, and the two audible and visual alarms HB are respectively arranged on the upper parts of the front ends of twowarning boards 7 with electric danger printed at the front and rear ends through screw nuts (the warning boards are arranged on two sides of the upper end of thetopmost metal wire 2 through screw nut fixing clamps); the support body detection mechanism comprises a plurality of reed switches GH (the number of the support bodies is consistent) and a plurality of magnet CTs (the number of the support bodies is consistent) and atrigger circuit 5, the plurality of magnet CTs are respectively connected to the right side parts of bases at the lower ends of the plurality ofsupport bodies 1 through glue, the plurality of reed switches GH are respectively connected to the left ends of the plurality of plastic boxes through glue perpendicularly, the moving contact points of the reed switches are located at the left parts, the lower ends of the plastic boxes for installing the plurality of reed switches GH are respectively installed on enclosing walls at the lower parts of the right ends of the plurality ofsupport bodies 1 through screw nuts, the left ends of the reed switches and the right ends of the magnet CTs are spaced by a certain distance (2 mm, actually, the central line of a metal wire is taken as a reference, the reed switch at the left end of the metal wire is installed below the left end of the support body, the reed switches at the right end of the metal wire are installed below the right end of the support body, and the corresponding magnets are installed on one corresponding side below the support body. Stabilized voltage supply A1,detection circuit 3,control circuit 4, support body detection mechanism'strigger circuit 5 install on the circuit board in shell 8, and the sealed waterproof installation of shell 8 is on the regional wall of seting up defences, and receivingprompt circuit 6 is installed in the indoor outer shell A9 of on duty.
As shown in fig. 1, 2, 3 and 4, the emitting heads of the emitting ends a2 and a4 of the two sets of infrared correlation detection modules and the receiving heads of the receiving ends A3 and a5 of the two sets of infrared correlation detection modules are respectively in a state of facing a horizontal straight line. A pulsed electric shock mechanism DJ model HJX-S4 (mounted within the housing); the stabilized voltage supply A1 is a finished product of a 220V/12V/1KW AC-to-DC 12V switching power supply module. The detection circuit comprises relays K and K1 and a time relay module A6 which are connected through circuit board wiring, two relays K and K1 are connected with negative electrode power input ends, a first relay K normally-open contact end is connected with a second relay K1 control power input end, a second relay K1 normally-open contact end is connected with a positive electrodepower input end 1 pin and a positive electrode controlpower input end 3 pin of a time relay module A6 (the 1 pin can be connected with A3 pin of a stabilized voltage power supply A1), and two relays K and K1 negative electrode power input ends are connected with a negative electrodepower input end 2 pin and a negative electrode controlpower input end 4 pin of the time relay module A6. The control circuit comprises a relay K2, a diode VD2 and a wireless transmitting circuit module A7 of a model SF1500 which are connected through circuit board wiring, wherein the positive power input end of the relay K2 is connected with the positive electrode of the diode VD2, the negative electrode of the diode VD2 is connected with apin 1 of the positive power input end of the wireless transmitting circuit module A7, the negative power input end of the relay K1 is connected with apin 2 of the negative power input end of the wireless transmitting circuit module A7, two contacts under one transmitting key of the wireless transmitting circuit module A7 are connected together, and two contacts under four transmitting keys S1, S2, S3 and S4 of four sets of control circuits in four defense areas are respectively connected together. The trigger circuit comprises a controlled silicon VS, a resistor R5 and a diode VD1 which are connected through circuit board wiring, and are connected with a plurality of reed switches GH (GH1) through leads, one ends of the plurality of reed switches GH (GH1) are connected with anodes of the controlled silicon VS, control electrodes of the controlled silicon VS are connected with one end of the resistor R5, the other end of the resistor R5 is connected with the cathode of the diode VD1, and the anode of the diode VD1 is connected with the other ends of the reed switches GH (GH 1).
As shown in fig. 1, 2, 3 and 4, the receiving and prompting circuit includes a regulated power supply AA8 (regulated power supply AA8 is a finished product of a 220V/12V/1KW ac-to-dc 12V switching power supply module) connected by circuit board wiring, a wireless receiving circuit module a of model SF1500, resistors R, R1, R2, R3 and R4, light emitting diodes VL, VL1, VL2 and VL3, a thyristor VS2 and a buzzer B; thepower input end 1 and thepin 2 of a regulated power supply AA8 are respectively connected with two poles of an alternating current 220V power supply through leads, thepin 3 of the positive power output end of a regulated power supply AA8 is connected with the anode of a controllable silicon VS2 and thepin 1 of the positive power input end of a wireless receiving circuit module A, thepin 2 of the pulse output end of the wireless receiving circuit module A is connected with one end of a first resistor R4, the other end of the first resistor R4 is connected with the control pole of the controllable silicon VS2, the cathode of the controllable silicon VS2 is connected with the positive power input end of a buzzer B, the fouroutput ends 3, 4, 5 and 6 of the wireless receiving circuit module A1 are respectively connected with one end of a second resistor R, one end of a third resistor R1, one end of a fourth resistor R2 and one end of a fifth resistor R3, the second resistor R, the third resistor R1, the fourth resistor R2 and the fifth resistor R3 are respectively connected with the other ends of four light emitting diodes VL, VL1, VL2 and the positive poles of 3, the negative electrodes of four light emitting diodes VL, VL1, VL2 and VL3 (the light emitting surfaces are positioned outside four openings at the front end of the shell A9) are connected with thepin 3 of the negative power input end of the wireless receiving circuit module A.
As shown in fig. 1, 2, 3 and 4,pins 1 and 2 of a power input end of a regulated power supply a1 and two poles of an alternating current 220V power supply are respectively connected through leads;pins 3 and 4 of a power output end of a voltage-stabilized power supply A1,pins 1 and 2 of power input ends of an emitting end A2 and A4 and a receiving end A3 and A5 of two sets of infrared correlation type detection modules, a positive control power input end and a negative power input end of a relay K of the power input end of a detection circuit, and a silicon controlled rectifier VS anode of the power input end of a frame detection mechanism are respectively connected through leads, andpins 9 and 2 of a time relay module A6 of the power output end of the detection circuit and a positive power input end and a negative power input end of a relay K2 of the power input end of the control circuit are respectively connected through leads; the receiving ends A3 and A5 of the two sets of infrared correlation type detection modules are connected with thesignal output ends 3 pins of the two relays K and K1 of the signal input ends of the detection circuit through leads respectively, the signal output end relay K2 of the control circuit is connected with the power input end of the pulse type electric shock mechanism DJ through leads respectively (the two control power input ends of the relay K2 are connected with the two poles of an alternating current 220V power supply through leads respectively), and the signal output end silicon controlled rectifier VS cathode of the frame body detection mechanism is connected with the negative electrode of a diode VD2 of the signal input end of the control circuit through leads. The power supply input ends of the two audible and visual alarms HB and the positive power supply input end and the negative power supply input end of the relay K2 are respectively connected through leads.
Fig. 1, 2, 3 and 4 show that the novel electronic fence is based on an electronic fence body and has all functions of the existing electronic fence. After a 220V alternating current power supply enterspins 1 and 2 of a stabilized voltage supply A1,pins 3 and 4 of the stabilized voltage supply A1 can output stable direct current 12V power supply and enter power supply input ends of two sets of infrared correlation type detection modules and detection circuits and a frame body detection mechanism, and the circuits and the modules are electrified to work. After the 220V alternating current power supply enterspins 1 and 2 of a regulated power supply AA8,pins 3 and 4 of a regulated power supply AA8 can output stable direct current 12V power supply to enter the power supply input end of the receiving prompting circuit, and the circuit is in a power-on working state. When a thief wants to enter a defense area, the thief climbs an upper back body of an enclosure and the like to simultaneously block infrared light beams emitted by two sets of infrared correlation detection modules (the upper part and the lower part are spaced by about 60 centimeters) and an emission end A2 and an A4 straight line, so that the two sets of infrared correlation detection modules (the upper part and the lower part are spaced by about 60 centimeters) receive ends A3 and A4 can not receive the infrared light beams and 3 pins of the infrared light beams can simultaneously output high level signals to enter two relay K and K1 anode power supply input ends, then the relay K and K1 are electrified to attract the control power supply input ends and normally open contact ends to be respectively closed (when no one blocks the infrared light beams emitted by the two sets of infrared correlation detection modules in a straight line, the light beams irradiate on the two sets of infrared correlation detection module receive ends, the two sets of infrared correlation detection module receive ends can not output high levels), and then the 12V power supply anode can enter the relay K1 control power supply input end and the normally open contact through the relay K1 control power supply input end and the normally open contact The input end and the normally open contact end enter the positivepower input end 1 pin of the time relay module a6, so that the time relay module a6 outputs a period of power to the power input end of the subsequent control circuit (for example, 60 seconds) under the action of the internal circuit and the 9-pin output power time set by the technician. Under the actual conditions, if the toy mistake has got into the region of seting up a defences because its height can not exceed 60 centimetres (the distance is adjustable), even then blocked the infrared light beam that two sets of infrared correlation formula detection module transmitting ends launched, because only corresponding relay K or K1 get electric actuation, then, the 12V power can not get into time relay module A6's anodal power input end, time relay module A6's 9 feet can not export power to the control circuit of later stage, that is to say, this is novel through above-mentioned technical scheme, only after climbing enclosure such as thief, the control circuit of later stage just can get electric work. After the control circuit is powered on to work, the positive electrode of the wireless transmitting circuit module A7 is powered on (the diode VD2 is in one-way conduction), and because two contacts of one transmitting key (S1, S2, S3 and S4) of the wireless transmitting circuit module A7 are connected together in advance, the wireless transmitting circuit modules arranged in four fortification areas can respectively send out a first path, a second path, a third path and a fourth path of wireless closing signals. Two audible and visual alarms HB give out loud alarm sound and flash after being electrified so as to frighten thieves entering a defense area (meanwhile, the relay K2 is electrified to attract the input end of a control power supply and the normally open contact end of the relay to be closed, the pulse type electric shock mechanism DJ is electrified to work to generate high-voltage and low-current to act on a plurality of metal wires, and the thieves are electrically shocked after contacting to prevent the thieves from entering the defense area).
As shown in fig. 1, 2, 3, and 4, after the frame detection mechanism works when powered, as long as one frame is loosened or falls off from the installation site and a corresponding reed switch GH is separated by a distance (3 mm), the internal contact of the reed switch GH is no longer influenced by the magnetic force of the magnet CT (the magnet is close to the reed switch GH at ordinary times, and the internal contact of the reed switch GH is open), so that the positive electrode of the 12V power supply enters the controllable silicon VS control electrode through the corresponding reed switch, and the controllable silicon VS is triggered to be conducted (the resistor R5 reduces the voltage and limits the current, and the diode 39vd 56 conducts in one direction), and the positive electrode of the wireless transmitting circuit module a7 is powered, and as two contacts of one transmitting button (S1, S2, S3, S4) of the wireless transmitting circuit module a7 are connected in advance, the wireless transmitting circuit modules installed in four defense areas respectively transmit the first path, the second path, and the third path of the wireless transmitting circuit module is connected with the second path, The second path, the third path and the fourth path of wireless closing signals (after a subsequent manager closes the key power switch, the wireless transmitting circuit module (the wireless signal transmitting distance can reach 1500 meters, and the wireless transmitting circuit module completely meets the use in areas such as a community) does not transmit wireless signals any more). In practical situations, no matter a thief enters a field, or a wireless transmitting circuit module of four monitoring areas is loosened by falling off of a rack body to wirelessly transmit a first path or a second path, a third path and a fourth path (generally, only one monitoring area enters the thief to transmit a wireless closing signal), after receiving the first path or the second path, the third path and the fourth path of wireless signals, a wireless receiving circuit module A positioned in a duty room outputs high level, the high level is subjected to voltage reduction and current limitation by resistors R or R1, R2 and R3 to enter light emitting diodes VL or VL1, VL2 and VL3 anode power supply input ends, so that the light emitting diodes VL or VL1, VL2 and VL3 are powered on to emit light to visually prompt personnel in the duty room that the thief enters a corresponding defense area (the light emitting surface of each light emitting diode is marked with 1, 2, 3 and 4 figures to represent four orientations), and a wireless receiving circuit module A1 is positioned at 4 or 5 side ends, 6. When the high level is output by thepin 7, the high level is output by thepin 2 at the pulse output end, and the high level is reduced by the resistor R4 to be limited to trigger the conduction of the silicon controlled rectifier VS2, so that the silicon controlled rectifier VS2 is conducted, the buzzer B makes a loud prompt sound, and the light-emitting diode prompt personnel in the duty room that thieves enter a defense area or the frame body is loosened and falls off (after the power switch is turned off, the light-emitting diode and the buzzer are both powered off). Under the combined action of all the circuits and mechanisms, when an illegal person enters a defense area, the novel security alarm can not only sound an audible and visual alarm to frighten a thief and the like through a field audible and visual alarm, but also can transmit the illegal person entering information to a duty room in a wireless mode through a wireless transmitting circuit module, and after a receiving and prompting circuit in the duty room receives related signals, the receiving and prompting circuit can visually prompt the personnel in the duty room to be disposed on the field in as short a time as possible through light emitting diode light emitting and buzzer sounding, so that unsafe factors brought by the thief to a residential area and the like can be prevented; because the two sets of external correlation detection modules are used as probes, signals of the transmitting ends and the receiving ends of the two sets of infrared correlation detection modules can be blocked only by the height of a person, false alarm of small animals entering a fortification area is effectively prevented, electric energy is correspondingly saved, and unnecessary interference to residents and the like is reduced; the performance of a plurality of frame bodies can be monitored, and the operators on duty can be timely and wirelessly prompted to maintain when the frame bodies are in fault (are deviated or fall off). In fig. 3 and 4, the resistances of the resistors R, R1, R2, R3, R4 and R5 are 1.8K; the relay K, K1, K2 model is DC 12V; the reed switch GH is a normally closed contact type reed switch with a glass shell; the buzzer B is an active continuous audible alarm finished product with the model SF 12V; the model of the controllable silicon VS and VS1 is MCR 100-1; the models of the diodes VD1 and VD2 are 1N 4007; the light emitting diodes VL, VL1, VL2, VL3 are red light emitting diodes; the sounding audible and visual alarm HB is a rotary flashing alarm lamp of the LTE-1101J audible and visual alarm; the time relay module A6 is a time controller module finished product of model YYC-2S, the time relay module A6 is provided with twopower input ends 1 and 2 pins, two triggersignal input ends 3 and 4 pins, asetting key 5 pin, anemergency stop key 6 pin, atime adding key 7 pin, a time subtracting key 8 pin, a normally openpower output end 9 pin, the time adding key and the time subtracting key are respectively operated, the time can be set to output a positive power at the normally open power output end in a required time period, the time is set, and the time relay module finished product carries out set time timing after the trigger power signals are input at the two trigger signal input ends.
The basic principles and essential features of the invention and the advantages of the invention have been shown and described above, it will be apparent to those skilled in the art that the invention is not limited to the details of the foregoing exemplary embodiments, but rather can be embodied in other specific forms without departing from the spirit or essential characteristics of the invention. The present embodiments are therefore to be considered in all respects as illustrative and not restrictive, the scope of the invention being indicated by the appended claims rather than by the foregoing description, and all changes which come within the meaning and range of equivalency of the claims are therefore intended to be embraced therein.
Furthermore, it should be understood that although the present description refers to embodiments, the embodiments do not include only one independent technical solution, and such description is only for clarity, and those skilled in the art should take the description as a whole, and the technical solutions in the embodiments may be appropriately combined to form other embodiments that can be understood by those skilled in the art.

Claims (5)

1. A novel multifunctional electronic fence comprises an electronic fence body, a voltage-stabilized power supply and a warning board; it is characterized by also comprising a detection circuit, a control circuit, a frame body detection mechanism and a receiving prompt circuit; the probe of the electronic fence body adopts at least two sets of active infrared correlation detection modules, and the transmitting ends and the receiving ends of the two sets of infrared correlation detection modules are respectively arranged on the frame body at one side end and the other side end of the electronic fence body at intervals; the control circuit is matched with a sound and light alarm, the sound and light alarm is arranged on a warning board, and the warning board is arranged on a metal wire of the electronic fence body; the frame body detection mechanism comprises a plurality of reed pipes, a plurality of magnets and a trigger circuit, the magnets are respectively arranged on one side of the lower ends of the frame bodies, and the reed pipes are respectively arranged on the side parts of the lower ends of the frame bodies and are spaced from the magnets; the stabilized voltage supply, the detection circuit, the control circuit and the trigger circuit of the frame detection mechanism are arranged in the shell, and the receiving prompt circuit is arranged in the duty room; the power output end of the detection circuit is electrically connected with the power input end of the control circuit, the signal output ends of the receiving ends of the two sets of infrared correlation detection modules are electrically connected with the signal input end of the detection circuit, and the signal output end of the frame body detection mechanism is electrically connected with the signal input end of the control circuit.
CN202221007605.XU2022-04-272022-04-27Novel multifunctional electronic fenceActiveCN217279748U (en)

Priority Applications (1)

Application NumberPriority DateFiling DateTitle
CN202221007605.XUCN217279748U (en)2022-04-272022-04-27Novel multifunctional electronic fence

Applications Claiming Priority (1)

Application NumberPriority DateFiling DateTitle
CN202221007605.XUCN217279748U (en)2022-04-272022-04-27Novel multifunctional electronic fence

Publications (1)

Publication NumberPublication Date
CN217279748Utrue CN217279748U (en)2022-08-23

Family

ID=82879218

Family Applications (1)

Application NumberTitlePriority DateFiling Date
CN202221007605.XUActiveCN217279748U (en)2022-04-272022-04-27Novel multifunctional electronic fence

Country Status (1)

CountryLink
CN (1)CN217279748U (en)

Similar Documents

PublicationPublication DateTitle
US5463595A (en)Portable security system for outdoor sites
US7636049B2 (en)Emergency notification and directional signaling apparatus
US5302945A (en)Electric appliance fault monitor and indicator
CN112466075A (en)Electronic security fence based on Internet of things
CN201946083U (en)Infrared fence alarm
CN217279748U (en)Novel multifunctional electronic fence
US6693527B2 (en)Warning system
CN210377731U (en)Pulse type electronic fence intrusion alarm system
CN207458264U (en)A kind of novel electron monitors fence system
JP3458154B2 (en) Intrusion prevention device
CN209026687U (en) A fire evacuation warning light for high-rise buildings
CN110033577A (en)A kind of Internet of Things intelligent fire emergency-lighting system
CN212906428U (en)Safe face entrance guard's device
CN216748909U (en)Pulse type electronic fence
CN206610392U (en) Positioning unit and its improved structure of electronic fence based on positioning unit
CN208521410U (en)A kind of electronic security system
CN114664579A (en)Trigger device is hunted in guard ground wildlife and plant theftproof
CN217925264U (en)Intelligent alarm safety fence
CN223422159U (en)Voice warning device for maintenance
CN207075112U (en)A kind of electronic fence host
CN217085873U (en)Voice monitoring equipment based on video
CN220987364U (en)Device for driving away and protecting wild animals by side of railway and highway
CN219980131U (en)Power distribution cabinet based on thermal infrared induction
CN220232528U (en)Safety monitoring device
CN212933680U (en)Property intelligence security device

Legal Events

DateCodeTitleDescription
GR01Patent grant
GR01Patent grant

[8]ページ先頭

©2009-2025 Movatter.jp