Movatterモバイル変換


[0]ホーム

URL:


CN216086835U - Camera shooting mode control device, camera and monitoring system - Google Patents

Camera shooting mode control device, camera and monitoring system
Download PDF

Info

Publication number
CN216086835U
CN216086835UCN202122750364.XUCN202122750364UCN216086835UCN 216086835 UCN216086835 UCN 216086835UCN 202122750364 UCN202122750364 UCN 202122750364UCN 216086835 UCN216086835 UCN 216086835U
Authority
CN
China
Prior art keywords
signal
voltage
photovoltaic cell
camera
output end
Prior art date
Legal status (The legal status is an assumption and is not a legal conclusion. Google has not performed a legal analysis and makes no representation as to the accuracy of the status listed.)
Active
Application number
CN202122750364.XU
Other languages
Chinese (zh)
Inventor
夏永奇
Current Assignee (The listed assignees may be inaccurate. Google has not performed a legal analysis and makes no representation or warranty as to the accuracy of the list.)
Hangzhou Tuya Information Technology Co Ltd
Original Assignee
Hangzhou Tuya Information Technology Co Ltd
Priority date (The priority date is an assumption and is not a legal conclusion. Google has not performed a legal analysis and makes no representation as to the accuracy of the date listed.)
Filing date
Publication date
Application filed by Hangzhou Tuya Information Technology Co LtdfiledCriticalHangzhou Tuya Information Technology Co Ltd
Priority to CN202122750364.XUpriorityCriticalpatent/CN216086835U/en
Application grantedgrantedCritical
Publication of CN216086835UpublicationCriticalpatent/CN216086835U/en
Activelegal-statusCriticalCurrent
Anticipated expirationlegal-statusCritical

Links

Images

Landscapes

Abstract

The application discloses camera photography mode controlling means, camera and monitored control system, this controlling means includes: a photovoltaic cell panel placed outside; the acquisition circuit is connected with the voltage output end of the photovoltaic cell panel and is used for acquiring a voltage signal of the photovoltaic cell panel; the comparison circuit is connected with the signal output end of the acquisition circuit, compares the voltage signal with the reference voltage and outputs a control signal according to the comparison result; and a controller connected with the signal output end of the comparison circuit and used for adjusting the photographing mode to a color mode or a black and white mode according to the control signal. This application regards as the judgement foundation of ambient brightness with the voltage signal of photovoltaic cell board output, and then control photography mode, places external photovoltaic cell board in the device and has guaranteed ambient brightness's accurate detection, does not have the interference of medium printing opacity, inside pilot lamp light leak, and photovoltaic cell board is ripe rather than the connected scheme of relevant circuit simultaneously, and is waterproof and hermetic, has overcome traditional light sensor's defect.

Description

Camera shooting mode control device, camera and monitoring system
Technical Field
The present invention relates to a camera control system, and more particularly, to a camera shooting mode control device, a camera, and a monitoring system.
Background
At present, a camera supporting night vision can adjust a photographing mode to a color monitoring mode or a black and white mode according to the brightness of a photographing environment. At present, the detection of the environmental brightness is generally carried out by light sensors such as a photosensitive diode and a photosensitive resistor, and the light sensors are provided with two schemes, namely, the light sensors are directly exposed on the surface of a shell of a camera, so that the environmental brightness can be accurately detected, but the waterproof treatment is difficult; secondly, the optical sensor is arranged in the camera shell, and light is projected into the shell through a transparent medium such as glass or plastic on the surface of the shell for detection, so that although the waterproof problem does not exist, the detection accuracy of external brightness can be influenced by the light transmission and refraction of the transparent medium, and meanwhile, an indicator lamp in the camera can interfere with the optical sensor.
Therefore, how to provide a solution to the above technical problems is a problem to be solved by those skilled in the art.
SUMMERY OF THE UTILITY MODEL
In view of the above, the present invention is directed to a camera shooting mode control device, a camera and a monitoring system, which can accurately detect brightness and have no problems of water-proof, light leakage and light transmission. The specific scheme is as follows:
a camera photography mode control apparatus comprising:
a photovoltaic cell panel placed outside;
the acquisition circuit is connected with the voltage output end of the photovoltaic cell panel and is used for acquiring a voltage signal of the photovoltaic cell panel;
the comparison circuit is connected with the signal output end of the acquisition circuit, compares the voltage signal with the reference voltage and outputs a control signal according to the comparison result;
and the controller is connected with the signal output end of the comparison circuit and adjusts the photographing mode into a color mode or a black and white mode according to the control signal.
Preferably, the acquisition circuit comprises a first resistor and a second resistor, wherein:
the first end of the first resistor is connected with the voltage output end of the photovoltaic cell panel, the second end of the first resistor is connected with the first end of the second resistor and outputs the voltage signal, and the second end of the second resistor is grounded.
Preferably, the camera shooting mode control device further comprises a processing circuit for performing signal processing on the voltage signal, and the acquisition circuit is connected with the comparison circuit through the processing circuit.
Preferably, the processing circuit comprises:
a signal amplification unit that amplifies the voltage signal;
and/or, the voltage stabilization unit is used for stabilizing the voltage signal;
and/or a filtering unit for filtering the voltage signal.
Preferably, the voltage stabilization unit includes:
the cathode receives the voltage signal, and the anode is grounded.
Preferably, the comparison circuit includes:
a reference power supply that provides the reference voltage;
a third resistor having a first end connected to the reference power supply;
the first input end is connected with the second end of the third resistor, the second input end is connected with the signal output end of the acquisition circuit, and the output end is used as a comparator for outputting the control signal by the signal output end.
Preferably, the controller is specifically SoC, MCU or FPGA.
Accordingly, the present application discloses a camera comprising a camera photography mode control apparatus as described in any of the above.
Accordingly, the present application discloses a surveillance system comprising a camera as described above.
The application discloses camera photography mode controlling means includes: a photovoltaic cell panel placed outside; the acquisition circuit is connected with the voltage output end of the photovoltaic cell panel and is used for acquiring a voltage signal of the photovoltaic cell panel; the comparison circuit is connected with the signal output end of the acquisition circuit, compares the voltage signal with the reference voltage and outputs a control signal according to the comparison result; and the controller is connected with the signal output end of the comparison circuit and adjusts the photographing mode into a color mode or a black and white mode according to the control signal. Control device utilizes photovoltaic cell board response external environment luminance in this application to the voltage signal of photovoltaic cell board output is as the judgement foundation of environment luminance, and then control photography mode, the device is put into external photovoltaic cell board and has guaranteed the accurate detection of environment luminance, does not have the medium printing opacity, the interference of inside pilot lamp light leak, photovoltaic cell board is ripe rather than the connected scheme of relevant circuit simultaneously, and is sealed waterproof, has overcome traditional light sensor's defect.
Drawings
In order to more clearly illustrate the embodiments of the present invention or the technical solutions in the prior art, the drawings used in the description of the embodiments or the prior art will be briefly described below, it is obvious that the drawings in the following description are only embodiments of the present invention, and for those skilled in the art, other drawings can be obtained according to the provided drawings without creative efforts.
FIG. 1 is a schematic diagram of a camera shooting mode control apparatus according to an embodiment of the present invention;
fig. 2 is a configuration diagram of an exemplary camera photography mode control apparatus according to an embodiment of the present invention.
Detailed Description
The technical solutions in the embodiments of the present invention will be clearly and completely described below with reference to the drawings in the embodiments of the present invention, and it is obvious that the described embodiments are only a part of the embodiments of the present invention, and not all of the embodiments. All other embodiments, which can be derived by a person skilled in the art from the embodiments given herein without making any creative effort, shall fall within the protection scope of the present invention.
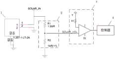
The embodiment of the utility model discloses a camera shooting mode control device, which is shown in figure 1 and comprises the following components:
aphotovoltaic cell panel 1 placed outside;
theacquisition circuit 2 is connected with a voltage output end SOLAR _ IN of thephotovoltaic cell panel 1 and acquires a voltage signal SOLAR _ VOL of thephotovoltaic cell panel 1;
acomparison circuit 3 connected with the signal output end of theacquisition circuit 2, comparing the voltage signal SOLAR _ VOL with the reference voltage, and outputting a control signal according to the comparison result;
and acontroller 4 connected to the signal output terminal of thecomparison circuit 3 for adjusting the photographing mode to a color mode or a black and white mode according to the control signal.
It can be understood that thephotovoltaic cell panel 1, also the solar cell panel, is arranged outside the camera shell, can be used for supplying power for the camera, and according to the theory of operation of thephotovoltaic cell panel 1, through the voltage amplitude of the output of thephotovoltaic cell panel 1, how can know the luminance of the current external environment.
Further, considering that the voltage amplitude of the actual output of thephotovoltaic panel 1 may exceed the voltage range of the conventional signal processing, theacquisition circuit 2 is used for acquiring and adjusting the voltage range of the voltage signal, and theacquisition circuit 2 includes a first resistor R1 and a second resistor R2, where: the first end of the first resistor R1 is connected with the voltage output end of thephotovoltaic cell panel 1, the second end of the first resistor R1 is connected with the first end of the second resistor R2 and outputs a voltage signal, and the second end of the second resistor R2 is grounded.
Further, considering that the amplitude of the voltage signal may not conform to the judgment range of thecomparison circuit 3 before being sent to thecomparison circuit 3, and the voltage amplitude may be unstable and fluctuate, the camera shooting mode control device further includes aprocessing circuit 5 for performing signal processing on the voltage signal, and theacquisition circuit 2 and thecomparison circuit 3 are connected through theprocessing circuit 5.
Specifically, as shown in fig. 2, theprocessing circuit 5 includes:
asignal amplification unit 51 that amplifies the voltage signal;
and/or avoltage stabilization unit 52 that stabilizes the voltage signal;
and/or a filtering unit 53 that filters the voltage signal.
It is understood that one of thevoltage stabilizing unit 52 and the filtering unit 53 may be present in the control device to stabilize the voltage signal. Specifically, thevoltage stabilization unit 52 includes: a transient suppression diode TVS with a cathode receiving a voltage signal and an anode grounded. The filtering unit 53 is generally implemented by a series-parallel combination of two or more types of elements, such as a resistor, a capacitor, and an inductor, and is not limited in particular.
Further, thecomparison circuit 3 includes:
a reference power supply V for supplying a reference voltage;
a third resistor R3 having a first end connected to the reference power supply V;
the first input end is connected with the second end of the third resistor R3, the second input end is connected with the signal output end of theacquisition circuit 2, and the output end is connected with the comparator U1 which outputs a control signal.
It is understood that the comparator U1 has a first input terminal providing a reference voltage, a second input terminal providing a voltage corresponding to the current ambient brightness, and an output terminal outputting a control signal according to the magnitude relationship between the two voltages, specifically, when the voltage corresponding to the ambient brightness exceeds the reference voltage, the output terminal outputs a first control signal for controlling the photography mode to be the color mode, and when the voltage corresponding to the ambient brightness is not greater than the reference voltage, the output terminal outputs a second control signal for controlling the photography mode to be the black and white mode.
It is understood that thecontroller 4 is specifically a SoC (System on Chip), an MCU (Micro Control Unit), or an FPGA (Field Programmable Gate Array). It can be understood that the original control chip in the camera can realize the function of thecontroller 4, besides, anew controller 4 can be set to connect with the original control chip, and finally the original control chip adjusts the shooting mode.
It can be understood that, in this embodiment, the control device obtains the external ambient brightness by using the photosensitive function of thephotovoltaic cell panel 1 to control the shooting mode of the camera, except that in this embodiment, the shooting mode is adjusted to be the color mode or the black-and-white mode, thecontroller 4 may also perform other adjustments to the shooting mode and the shooting parameters of the camera according to the control signal obtained by sensing the ambient brightness by thephotovoltaic cell panel 1, which is not limited herein, and may specifically perform corresponding settings according to the type and the adjustment flexibility of the camera.
The application discloses camera photography mode controlling means includes: a photovoltaic cell panel placed outside; the acquisition circuit is connected with the voltage output end of the photovoltaic cell panel and is used for acquiring a voltage signal of the photovoltaic cell panel; the comparison circuit is connected with the signal output end of the acquisition circuit, compares the voltage signal with the reference voltage and outputs a control signal according to the comparison result; and the controller is connected with the signal output end of the comparison circuit and adjusts the photographing mode into a color mode or a black and white mode according to the control signal. Control device utilizes photovoltaic cell board response external environment luminance in this application to the voltage signal of photovoltaic cell board output is as the judgement foundation of environment luminance, and then control photography mode, the device is put into external photovoltaic cell board and has guaranteed the accurate detection of environment luminance, does not have the medium printing opacity, the interference of inside pilot lamp light leak, photovoltaic cell board is ripe rather than the connected scheme of relevant circuit simultaneously, and is sealed waterproof, has overcome traditional light sensor's defect.
Accordingly, the embodiment of the application discloses a camera, which comprises the camera shooting mode control device.
Accordingly, the embodiment of the application discloses a monitoring system, which comprises the camera.
For details of the camera shooting mode control device, reference may be made to the related description in the above embodiments, and details are not repeated here.
The camera and the monitoring system in this embodiment have the same technical effects as the camera shooting mode control device in the above embodiment, and are not described herein again.
The previous description of the disclosed embodiments is provided to enable any person skilled in the art to make or use the present invention. Various modifications to these embodiments will be readily apparent to those skilled in the art, and the generic principles defined herein may be applied to other embodiments without departing from the spirit or scope of the utility model. Thus, the present invention is not intended to be limited to the embodiments shown herein but is to be accorded the widest scope consistent with the principles and novel features disclosed herein.

Claims (9)

CN202122750364.XU2021-11-102021-11-10Camera shooting mode control device, camera and monitoring systemActiveCN216086835U (en)

Priority Applications (1)

Application NumberPriority DateFiling DateTitle
CN202122750364.XUCN216086835U (en)2021-11-102021-11-10Camera shooting mode control device, camera and monitoring system

Applications Claiming Priority (1)

Application NumberPriority DateFiling DateTitle
CN202122750364.XUCN216086835U (en)2021-11-102021-11-10Camera shooting mode control device, camera and monitoring system

Publications (1)

Publication NumberPublication Date
CN216086835Utrue CN216086835U (en)2022-03-18

Family

ID=80660536

Family Applications (1)

Application NumberTitlePriority DateFiling Date
CN202122750364.XUActiveCN216086835U (en)2021-11-102021-11-10Camera shooting mode control device, camera and monitoring system

Country Status (1)

CountryLink
CN (1)CN216086835U (en)

Similar Documents

PublicationPublication DateTitle
CN102572285B (en)Day and night mode switching method of CCD camera
KR101564076B1 (en)Method and apparatus for controlling light-emitting elements in terminal device and terminal device
CN106375645B (en)A kind of adaptive control system based on infrared eye
CN103929598A (en)Automatic exposure method and camera module detection method
CN102256066B (en)Infrared high speed ball and method for intelligently adjusting brightness of infrared lamp by infrared high speed ball
CN107369404A (en)A kind of automobile display screen display effect regulating system
EP3806448B1 (en)Image capture device, control method, and machine readable storage medium
CN106370296B (en)The detection method and system of a kind of mobile terminal optical sensor to ambient light
CN201540713U (en) Ambient light detection and response device for liquid crystal display device
CN105405428B (en)A kind of method and system of display backlight brilliance control
CN104780320A (en)Ambient light detection method and electronic equipment
CN101197115A (en) Display brightness automatic adjustment circuit
CN216086835U (en)Camera shooting mode control device, camera and monitoring system
EP2954670A1 (en)Infrared camera
CN105895057A (en)Backlight regulating method and device, and terminal equipment
CN220830512U (en)Automatic light supplementing circuit and camera
CN218121176U (en)Photosensitive device calibration circuit
WO2020237895A1 (en)Method for automatically adjusting output voltage according to battery power of mobile display device
US11996031B2 (en)Control method of display module, display module and display device
EP3973352B1 (en)Smart contact lens with ratiometric light change detection
CN113747082A (en)Detection method for automatic day and night switching and rapid automatic exposure
CN212364773U (en)Take explosion-proof license plate discernment camera of light filling lamp
CN212163491U (en)Automatic day and night switching and quick automatic exposure camera device
JP2013120991A (en)Image display apparatus
CN209305359U (en)A kind of General Motors liquid crystal instrument mould group

Legal Events

DateCodeTitleDescription
GR01Patent grant
GR01Patent grant

[8]ページ先頭

©2009-2025 Movatter.jp