Movatterモバイル変換


[0]ホーム

URL:


CN214229838U - Chip for atomizer, atomizer and electronic atomization device - Google Patents

Chip for atomizer, atomizer and electronic atomization device
Download PDF

Info

Publication number
CN214229838U
CN214229838UCN202022150542.0UCN202022150542UCN214229838UCN 214229838 UCN214229838 UCN 214229838UCN 202022150542 UCN202022150542 UCN 202022150542UCN 214229838 UCN214229838 UCN 214229838U
Authority
CN
China
Prior art keywords
atomizer
switch
interface
chip
battery rod
Prior art date
Legal status (The legal status is an assumption and is not a legal conclusion. Google has not performed a legal analysis and makes no representation as to the accuracy of the status listed.)
Active
Application number
CN202022150542.0U
Other languages
Chinese (zh)
Inventor
赵伯松
董文杰
周庆良
方伟明
Current Assignee (The listed assignees may be inaccurate. Google has not performed a legal analysis and makes no representation or warranty as to the accuracy of the list.)
Shenzhen Smoore Technology Ltd
Original Assignee
Shenzhen Smoore Technology Ltd
Priority date (The priority date is an assumption and is not a legal conclusion. Google has not performed a legal analysis and makes no representation as to the accuracy of the date listed.)
Filing date
Publication date
Application filed by Shenzhen Smoore Technology LtdfiledCriticalShenzhen Smoore Technology Ltd
Priority to CN202022150542.0UpriorityCriticalpatent/CN214229838U/en
Application grantedgrantedCritical
Publication of CN214229838UpublicationCriticalpatent/CN214229838U/en
Activelegal-statusCriticalCurrent
Anticipated expirationlegal-statusCritical

Links

Images

Landscapes

Abstract

The utility model provides a chip, atomizer and electron atomizing device for atomizer. Wherein the chip includes: the packaging body is provided with a communication interface so that when the atomizer is inserted into the battery rod, whether the battery rod can communicate with the atomizer or not is determined through the communication interface; wherein the nebulizer operates in a first mode when the battery stem achieves its communication with the nebulizer; the nebulizer operates in a second mode when the battery stem does not achieve its communication with the nebulizer. Thereby meeting the requirements of use in different environments.

Description

Chip for atomizer, atomizer and electronic atomization device
Technical Field
The utility model relates to an electron atomizing device field especially relates to a chip, atomizer and electron atomizing device for atomizer.
Background
At present, some electronic atomization devices with encryption functions adopt a storage chip configured in an atomizer of the electronic atomization device, and encryption identification is carried out through passwords in the storage chip.
SUMMERY OF THE UTILITY MODEL
The utility model provides a chip, atomizer and electron atomizing device for atomizer, it can satisfy the demand that uses under different environment.
For solving the above technical problem, the utility model provides a first technical scheme does: there is provided a chip for a nebulizer, comprising: the packaging body is provided with a communication interface, so that when the atomizer is inserted into the battery rod, whether the battery rod can be communicated with the atomizer or not is determined through the communication interface; wherein when the battery rod is enabled to communicate with the nebulizer, the nebulizer operates in a first mode; the nebulizer operates in the second mode when the battery rod does not achieve its communication with the nebulizer.
Wherein, further include: the control switch is arranged in the packaging body; and the driving control circuit is arranged in the packaging body, wherein the control end of the driving control circuit is connected with the control end of the control switch, and the communication end of the driving control circuit is connected with the communication interface so as to determine whether the battery rod can communicate with the atomizer through the communication interface.
The packaging body further comprises a switch access interface, a ground interface and a power interface, wherein the switch access interface is connected with the first access end of the control switch; the ground interface is connected with the second path end of the control switch and the ground end of the drive control circuit; the power interface is connected with the power end of the drive control circuit and is connected with the communication interface.
The packaging body further comprises a switch control interface and/or an expansion interface, wherein the switch control interface is further connected with a control end of the control switch, and the expansion interface is used as a reserved interface of the chip.
Wherein the package body further comprises: a diode disposed in the package, wherein the communication interface is connected to the power interface through the diode.
Wherein the package body further comprises: and a resistor disposed within the package, wherein the communication interface is connected to the ground interface through the resistor.
The driving control circuit comprises a memory, preset data are stored in the memory, and when the atomizer is inserted into the battery rod and the battery rod is not communicated with the atomizer within a preset time period, the driving control circuit controls the control switch according to the preset data so that the atomizer works in the second mode.
In order to solve the above technical problem, the utility model provides a second technical scheme does: there is provided a nebulizer, comprising: a heating element; a chip connected to the heating element, wherein the chip is any one of the chips described above; wherein, after the atomizer is inserted in the battery rod, when the battery rod realizes the communication between the battery rod and the atomizer, the chip controls the heating element to enable the atomizer to work in a first mode, and when the battery rod does not realize the communication between the battery rod and the atomizer, the chip controls the heating element to enable the atomizer to work in a second mode.
Wherein the atomizer further comprises: the atomizer is electrically connected with the battery rod through the first input end and the second input end when the atomizer is inserted into the battery rod, the heating element and the control switch of the chip are connected between the first input end and the second input end in series, and the communication interface of the packaging body is connected with the first input end; and the capacitor is used for grounding the power interface of the packaging body.
Wherein the atomizer further comprises: and the control end of the first switch is connected with the switch control interface, the first path end of the first switch is connected with the switch path interface, and the second path end of the first switch is connected with the ground interface, so that the first switch is connected with the control switch in parallel.
Wherein the atomizer further comprises: and the control end of the second switch is connected with the switch control interface, the first pass end of the second switch is connected with the ground interface, and the second pass end of the second switch is connected with the second input end, so that the heating element, the control switch and the second switch are sequentially connected in series between the first input end and the second input end.
Wherein the atomizer further comprises: the atomizer is electrically connected with the battery rod through the first input end and the second input end when the atomizer is inserted into the battery rod, wherein one end of the heating element is connected with the first input end, the switch passage interface of the packaging body is connected with the first input end, and the other end of the heating element is connected with the ground interface of the packaging body, so that the heating element and the control switch of the chip are respectively connected in parallel between the first input end and the second input end; the communication interface of the packaging body is connected with the first input end; and the capacitor is used for grounding the power interface of the packaging body.
In order to solve the above technical problem, the utility model provides a third technical scheme does: provided is an electronic atomization device including: an atomizer, wherein the atomizer is any one of the atomizers described above; and the battery rod is used for supplying power to the atomizer.
The beneficial effects of the utility model are that, different from the prior art, the utility model provides a chip, atomizer and electronic atomization device for atomizer through setting up the packaging body, and set up the communication interface on the packaging body, so that when the atomizer is inserted and is established in the battery pole, confirm through the communication interface whether the battery pole can communicate with the atomizer; so that when the battery rod achieves its communication with the atomizer, the atomizer operates in the first mode; the nebulizer operates in the second mode when the battery rod does not achieve its communication with the nebulizer. Thereby meeting the requirements of the atomizer for use in different environments.
Drawings
Fig. 1 is a schematic structural diagram of a first embodiment of a chip for an atomizer according to the present invention;
fig. 2 is a schematic structural diagram of a second embodiment of a chip for an atomizer according to the present invention;
fig. 3 is a schematic structural view of a first embodiment of the atomizer of the present invention;
fig. 4 is a schematic structural view of a second embodiment of the atomizer of the present invention;
fig. 5 is a schematic structural view of a third embodiment of the atomizer of the present invention;
fig. 6 is a schematic structural view of a fourth embodiment of the atomizer of the present invention;
fig. 7 is a schematic diagram of a functional module of the battery pole of the present invention;
FIG. 8 is a functional block diagram of one embodiment of FIG. 7;
FIG. 9 is a circuit diagram of the embodiment of FIG. 8;
FIG. 10 is a functional block diagram of another embodiment of FIG. 7;
FIG. 11 is a circuit diagram of the embodiment of FIG. 10;
FIG. 12 is a schematic diagram of an embodiment of the electronic atomizer of FIG. 3 being inserted into the battery rod of FIG. 9;
FIG. 13 is a schematic structural view of an embodiment of the electronic atomizer shown in FIG. 3 being formed by reversely inserting the atomizer into the battery rod shown in FIG. 9;
fig. 14 is a schematic structural view of a fifth embodiment of the atomizer of the present invention;
fig. 15 is a functional block diagram of a second embodiment of the battery pole of the present invention;
fig. 16 is a schematic flow chart illustrating a method of using the electronic atomizer according to the present invention;
fig. 17 is a schematic flow chart illustrating a method for using the electronic atomization device according to the second embodiment of the present invention.
Detailed Description
The technical solutions in the embodiments of the present application will be clearly and completely described below with reference to the drawings in the embodiments of the present application, and it is obvious that the described embodiments are only a part of the embodiments of the present application, and not all of the embodiments. All other embodiments, which can be derived by a person skilled in the art from the embodiments given herein without making any creative effort, shall fall within the protection scope of the present application.
The present invention will be described in detail with reference to the accompanying drawings and examples.
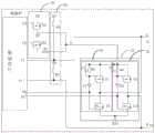
Referring to fig. 1, fig. 1 is a schematic structural diagram of a chip for an atomizer according to a first embodiment of the present invention. Specifically,chip 1 includespackaging body 12, is provided with communication interface SDA onpackaging body 12, and communication interface SDA is used for judging when the atomizer inserts in the battery pole whether the battery pole can carry out the communication with the atomizer. When the battery rod is communicated with the atomizer, the atomizer works in a first mode; the nebulizer operates in the second mode when the battery rod does not achieve its communication with the nebulizer.
Specifically, thechip 1 further includes: the control switch M and thedrive control circuit 13 are provided in thepackage 12. Wherein, the control terminal n1 of thedriving control circuit 13 is connected with the control terminal of the control switch M, and the communication terminal n2 of thedriving control circuit 13 is connected with the communication interface SDA, so as to determine whether the battery lever can communicate with the atomizer through the communication interface SDA.
Specifically, thepackage 12 further includes a switch channel interface VDS, a ground interface GND, and a power interface VDD. The switch access interface VDS is connected with a first access end of the control switch M; the ground interface GND is connected with the second path end of the control switch M and the ground end n3 of thedriving control circuit 13; the power supply interface VDD is connected to the power supply terminal n4 of thedrive control circuit 13 and to the communication interface SDA.
Thepackage 12 further includes a switch control interface VG _ SCL, and the switch control interface VG _ SCL is further connected to the control terminal of the control switch M.
Optionally, thechip 1 further includes: a diode D disposed in thepackage 12, wherein the communication interface SDA is connected to the power interface VDD through the diode D. Specifically, the diode D is a diode, an anode of the diode is connected to the communication interface SDA, and a cathode of the diode is connected to the power supply terminal n4 of thedriving control circuit 13 and to the power supply interface VDD. In alternative embodiments, the diode D may also be a MOSFET, a triode, or the like.
Optionally, thechip 1 further comprises: a resistor R arranged within thepackage 12, wherein the communication interface SDA is connected to the ground interface GND via the resistor R. Specifically, a first end of the resistor R is connected to the communication interface SDA, and a second end is connected to the ground interface GND.
Optionally, thedriving control circuit 13 further includes a memory, in which preset data is stored, and when the atomizer is inserted into the battery rod and the battery rod is not in communication with the atomizer within a predetermined time period, thedriving control circuit 13 may control the control switch M or perform no operation according to the preset data, so that the atomizer operates in the second mode.
Alternatively, thedriving control circuit 13 is an Application-specific integrated circuit (ASIC), and further, the diode D may be integrated into an ASIC formed by thedriving control circuit 13.
Fig. 2 is a schematic structural diagram of a chip for an atomizer according to a first embodiment of the present invention. Compared to the first embodiment shown in fig. 1, the difference is that thechip 1 shown in this embodiment further includes: and the expansion interface NC is used as a reserved interface of thechip 1. Optionally, the expansion interface NC is electrically connected to the ground interface GND in thepackage 12.
Thechip 1 shown in fig. 2 is packaged by SOT23-6, while thechip 1 shown in fig. 1 is packaged by SOT23-5, which can reduce the cost at the packaging angle. The package of SOT23-6 shown in FIG. 2 is more advantageous for internal wiring ofchip 1. In thechip 1 shown in fig. 1 and 2, the first path end, the second path end, and the control end (corresponding to the drain, the source, and the gate, respectively) of the control switch M are led out independently, and in practical applications, the problem of insufficient current can be solved by introducing an additional switch in parallel with the control switch M, and the problem of reverse conduction of the control switch M can be prevented by introducing an additional switch in series with the control switch M.
Fig. 3 is a schematic structural diagram of an atomizer according to a first embodiment of the present invention. Wherein the atomizer comprises a heating element L and achip 1. Thechip 1 is connected to the heating element L, wherein thechip 1 is thechip 1 shown in any one of the embodiments of fig. 1 and 2.
After the atomizer is inserted into the battery rod, when the battery rod realizes the communication between the battery rod and the atomizer, thechip 1 controls the heating element L to generate heat so that the atomizer works in the first mode, and when the battery rod does not realize the communication between the battery rod and the atomizer, thechip 1 controls the heating element L to generate heat or not to generate heat so that the atomizer works in the second mode. Specifically, in a specific embodiment, if the battery rod communicates with the atomizer, the atomizer can be matched with the battery rod, and the atomizer and the battery rod are products of the same model manufactured by the same manufacturer, and at this time, the atomizer can be controlled to generate heat according to the model of the atomizer to work in the first mode; if the battery rod does not realize the communication with the atomizer, the atomizer and the battery rod cannot be matched, the atomizer and the battery rod are not products of the same model manufactured by the same manufacturer, and at the moment, default parameters can be adopted to control the atomizer to generate heat or forbid the atomizer to generate heat so as to enable the atomizer to work in the second mode.
Specifically, the atomizer further comprises: a first input m1 and a second input m 2. When the atomizer is inserted into the battery rod, the atomizer is electrically connected to the battery rod through the first input end m1 and the second input end m 2. In the present embodiment, the heating element L and the control switch M of thechip 1 are connected in series between the first input M1 and the second input M2, and the communication interface SDA of thepackage 12 is connected to the first input M1.
Optionally, the atomizer further comprises: the capacitor C, the power interface VDD of thepackage 12 is grounded through the capacitor C.
Specifically, the first end of the heating element L is connected to the first input end M1, and the second end is connected to the first path end of the control switch M. The first end of the capacitor C is connected with the power interface VDD, and the second end is grounded.
Fig. 4 is a schematic structural diagram of an atomizer according to a second embodiment of the present invention. Compared to the first embodiment of the atomizer shown in fig. 3, the difference is that: the present embodiment further includes a first switch M', which is connected in parallel with the control switch M. Specifically, the control end of the first switch M ' is connected to the switch control interface VG _ SCL, the first pass end of the first switch M ' is connected to the switch pass interface VDS and the first pass end of the control switch M, and the second pass end of the first switch M ' is connected to the ground interface GND and the second pass end of the control switch M.
In this embodiment, the first switch M' is connected in parallel with the control switch M, thereby increasing the on-current. For example, if the current passing through the heating element L is 10A and the control switch M can only bear 6A of current at maximum, when thechip 1 turns on the control switch M after completing the authentication operation and heats the heating element L by using the PWM signal, the control switch M cannot bear 10A of current, so that the electronic atomization device cannot atomize normally. In this embodiment, since the extension interface NC or the ground interface GND is reserved, the control switch M in thechip 1 is connected in parallel with the first switch M 'by externally connecting the first switch M', so as to increase the on-current.
Fig. 5 is a schematic structural diagram of a third embodiment of the atomizer according to the present invention. Compared to the first embodiment of the atomizer shown in fig. 3, the difference is that: the present embodiment further comprises a second switch M ", which is connected in series with the control switch M. Specifically, the control terminal of the second switch M "is connected to the switch control interface VG _ SCL, the first path terminal of the second switch M" is connected to the ground interface GND and the second path terminal of the control switch M, and the second path terminal of the second switch M "is connected to the second input terminal M2. Specifically, in the present embodiment, the heating element L, the control switch M and the second switch M ″ are sequentially connected in series between the first input end M1 and the second input end M2.
In this embodiment, when only the control switch M is stored in thechip 1, if the atomizer is reversely connected to the battery rod, the heating element L is grounded, and the second path terminal (source) of the control switch M is connected to the power voltage VDD, the power voltage VDD is routed through the body diode of the control switch M to realize reverse conduction. When only the second switch M 'is stored in thechip 1, if the atomizer is reversely connected into the battery rod, the body diode of the second switch M' is in a cut-off state, so that the situation that the atomizer is damaged due to reverse conduction of the atomizer can be prevented. Therefore, the heating element L, the control switch M and the second switch M ″ are sequentially connected in series between the first input terminal M1 and the second input terminal M2, and the problem of reverse conduction of the control switch M can be prevented.
The operating modes of the atomizers of the second and third embodiments are similar to those of the first embodiment, and are not repeated herein for brevity.
Fig. 6 is a schematic structural diagram of a fourth embodiment of an atomizer according to the present invention. The heating element L and the control switch M are connected in parallel between the first input M1 and the second input M2 in this embodiment. Specifically, one end of the heating element L is connected to the first input end m1, the switch-path interface VDS of thepackage 12 is connected to the first input end m1, and the other end of the heating element L is connected to the ground interface GND of thepackage 12, in this embodiment, the communication interface SDA of thepackage 12 is connected to the first input end m1, the capacitor C is connected to the power interface VDD of thepackage 12 and is grounded, specifically, the first end of the capacitor C is connected to the power interface VDD, and the second end is grounded. Specifically, the first path end of the control switch M is connected to the first input end M1, the second path end of the control switch M is connected to the second input end M2, and the control end of the control switch M is connected to the control end n1 of the drivingcontrol circuit 13.
In this embodiment, if the battery rod is successfully communicated with the atomizer, the battery rod can heat the heating element L according to the heating parameters stored in the atomizer, so that the atomizer works in the first mode. In this embodiment, since the heating element L is connected in parallel with the control switch M, if the communication between the battery rod and the atomizer is unsuccessful, the heating element L can be heated only by sending the PWM signal from the battery rod, so that the atomizer operates in the second mode. In this embodiment, heating element L is connected in parallel with control switch M, and the battery pole can judge whether battery pole and atomizer are the product that same producer left the factory through judging whether battery pole and atomizer can communicate successfully to reach the discernment to the atomizer, nevertheless can not realize if battery pole and atomizer mismatch and forbid the function of using the atomizer.
The utility model provides a chip for atomizer, it can realize heating element and control switch's series connection, also can realize heating element and control switch parallel connection, can realize different functions according to the software setting of difference to satisfy the different user demands of atomizer under different service environment.
Fig. 7 is a schematic diagram of functional modules of an embodiment of a battery rod according to the present invention. The battery rod is used for driving the atomizer inserted in the battery rod and supplying power to the atomizer.
The battery pole includes: a drivingchip 100 and a drivingidentification circuit 200 connected to thedriving chip 100. When the nebulizer is inserted into the battery rod, thedriving chip 100 determines whether the nebulizer is inserted in the forward direction or the reverse direction by driving theidentification circuit 200, and controls the drivingidentification circuit 200 to operate in the forward insertion mode or the reverse insertion mode.
Specifically, thedrive recognition circuit 200 includes: adirection recognition unit 10, adrive unit 30, and a powersupply switching unit 20; thedriving chip 100 includes a detection communication port B, a driving port a and a switching port C; thedirection recognition unit 10 is connected to the detection communication port B, the drivingunit 30 is connected to the driving port a, and the powersupply switching unit 20 is connected to the switching port C; thedirection recognition unit 10 and the powersupply switching unit 20 are electrically connected with the connection pin h respectively; the drivingunit 30 is electrically connected to the connection pin h directly (as indicated by a dashed line L1) or through the power switching unit 20 (as indicated by a dashed line L2).
Thedriving chip 100 determines that the nebulizer is in the forward insertion mode or the reverse insertion mode by detecting the communication port B and thedirection identification unit 10, and controls the powersupply switching unit 20 to switch through the switching port C, so that the drivingidentification circuit 200 operates in the forward insertion mode or the reverse insertion mode.
Specifically, referring to fig. 8, fig. 8 is a functional block diagram of an embodiment of fig. 7, wherein the detecting communication port B includes a first detecting communication port P1 and a second detecting communication port P1'. Thedirection recognition unit 10 includes: afirst recognition module 11 and asecond recognition module 12. Thefirst identification module 11 is connected to the first detecting communication port P1, and thesecond identification module 12 is connected to the second detecting communication port P1'. In one embodiment, when it is determined that the first detection communication port P1 is capable of communicating with the nebulizer, it is determined that the nebulizer inserted into the battery rod is positively 21-inserted; when it is determined that the second detection communication port P1' can communicate with the nebulizer, it is determined that the nebulizer inserted into the battery rod is reversely inserted. Specifically, when the nebulizer is inserted into the battery rod, the first detection communication port P1 and the second detection communication port P1' of the battery rod both send a series of data to the nebulizer, and if the first detection communication port P1 detects the feedback signal, it indicates that the nebulizer inserted into the battery rod is being inserted. If the second detection communication port P1' detects a feedback signal, it indicates that the nebulizer inserted into the battery rod is reversely inserted.
The connection pin h further includes: a first connection pin h1 and a second connection pin h2 for making electrical connection with the atomizer inserted into the battery rod. The atomizer shown in the above embodiment is taken as an example for explanation. Wherein, when the atomizer inserted into the battery rod is the positive insertion, the drivingrecognition circuit 200 operates in the positive insertion mode such that the first connection pin h1 serves as a power supply connection pin and the second connection pin h2 serves as a ground voltage connection pin. At this time, when the atomizer is inserted into the battery rod, the first connection pin h1 is connected to the first input terminal m1, and the second connection pin h2 is connected to the second input terminal m 2.
When the atomizer inserted into the battery rod is reverse-plugged, the drivingrecognition circuit 200 operates in a reverse-plugged mode such that the first connection pin h1 serves as a ground voltage connection pin and the second connection pin h2 serves as a power supply connection pin; at this time, when the atomizer is inserted into the battery rod, the first connection pin h1 is connected to the second input terminal m2, and the second connection pin h2 is connected to the firstinput terminal m 1.
In another embodiment, the detecting communication port B includes a first detecting communication port P1 and a second detecting communication port P1'. When it is determined that the resistance value collected by the first detecting communication port P1 is within the first preset range and the resistance value collected by the second detecting communication port P1' is within the second preset range, it is determined that the nebulizer inserted into the battery rod is positively inserted. When it is determined that the resistance value collected by the first detecting communication port P1 is within the second preset range and the resistance value collected by the second detecting communication port P1' is within the first preset range, it is determined that the nebulizer inserted into the battery rod is reversely inserted.
As shown in fig. 8, in the present embodiment, the drive ports a include a first group of drive ports P2(P3), a second group of drive ports P2 '(P3'). The drivingunit 30 includes afirst driving module 31 and asecond driving module 32. Thefirst driver module 31 is connected to the first group of driver ports P2(P3), and thesecond driver module 32 is connected to the second group of driver ports P2 '(P3').
The powersupply switching unit 20 includes afirst switching module 21 and asecond switching module 22. The switch ports C include a first switch port P0 and a second switch port P0'. Thefirst switching module 21 connects the first switching port P0, thefirst driving module 31 and the firstconnection pin h 1. Thesecond switching module 22 is connected to the second switching port P0', thesecond driving module 32 and the second connection pin h 2.
When the atomizer inserted into the battery rod is a positive insertion, the first and second switching ports P0 and P0' switch thefirst switching module 21 in a non-operation mode and thesecond switching module 22 in an operation mode, so that the first connection pin h1 is connected to thefirst driving module 31 and the second connection pin h2 is connected to the ground voltage. When the atomizer inserted into the battery rod is reverse-inserted, the first switching port P0 and the second switching port P0' switch thefirst switching module 21 in the operating mode and thesecond switching module 22 in the non-operating mode so that the first connection pin h1 is connected to the ground voltage and the second connection pin h2 is connected to thesecond driving module 22.
Please refer to fig. 9, which is a detailed structural diagram of the functional module diagram shown in fig. 8. Specifically, thefirst identification module 11 includes a first resistor R1, a first end of the first resistor R1 is connected to the power voltage VDD, and a second end of the first resistor R1 is connected to the first detection communication port P1 and the firstconnection pin h 1. Thesecond identification module 12 includes a second resistor R2, a first terminal of the second resistor R2 is connected to the power voltage VDD, and a second terminal of the second resistor R2 is connected to the second detection communication port P1' and the second connection pin h 2.
Thefirst switching module 21 includes: a first switch T1, a first path terminal of the first switch T1 is connected to the first connection pin h1, a second path terminal of the first switch T1 is connected to the ground voltage, and a control terminal of the first switch T1 is connected to the first switching port P0. Thesecond switching module 22 includes: a second switch T2, a first path terminal of the second switch T2 is connected to the second connection pin h2, a second path terminal of the second switch T2 is connected to the ground voltage, and a control terminal of the second switch T2 is connected to the second switching port P0'. When the atomizer inserted into the battery rod is inserted positively, the first switching port P0 controls the first switch T1 to be turned off, and the second switching port P0' controls the second switch T2 to be turned on, so that the second connection pin h2 is connected to the ground voltage. When the atomizer inserted into the battery rod is reversely inserted, the first switching port P0 controls the first switch T1 to be turned on, so that the first connection pin h1 is connected to the ground voltage, and the second switching port P0' controls the second switch T2 to be turned off.
The first set of drive ports P2(P3) includes a first positive drive port P2 and a second positive drive port P3. Thefirst driving module 31 includes: the driving circuit comprises a third switch T3, a fourth switch T4 and a third resistor R3, wherein the first path end of the third switch T3 is connected with a power supply voltage VDD, the second path end of the third switch T3 is connected with a first connecting pin h1, and the control end of the third switch T3 is connected with a first positive driving port P2. A first path terminal of the fourth switch T4 is connected to the power voltage VDD, and a control terminal of the fourth switch T4 is connected to the second positive driving port P3. A first terminal of the third resistor R3 is connected to the second path terminal of the fourth switch T4, and a second terminal of the third resistor R3 is connected to the first detecting communication port P1 and the firstconnection pin h 1.
The second set of drive ports P2 '(P3') includes a first counter drive port P2 'and a second counter drive port P3'. Thesecond driving module 32 includes: a fifth switch T5, a sixth switch T6, and a fourth resistor R4. A first path terminal of the fifth switch T5 is connected to the power voltage VDD, a second path terminal of the fifth switch T5 is connected to the second connection pin h2, and a control terminal of the fifth switch T5 is connected to the first inverse driving port P2'. The first path terminal of the sixth switch T6 is connected to the power voltage VDD, and the control terminal of the sixth switch T6 is connected to the second inverse driving port P3'. A first end of the fourth resistor R4 is connected to the second path terminal of the sixth switch T6, and a second end of the fourth resistor R4 is connected to the second detecting communication port P1' and the second connection pin h 2.
When thedirection recognition circuit 10 recognizes that the atomizer is being inserted into the battery rod, the third switch T3 and the fourth switch T4 are controlled to be turned on by the first positive driving port P2 and the second positive driving port P3, so that the heating element L is heated. When thedirection recognition circuit 10 recognizes that the atomizer is reversely inserted into the battery rod, the fifth switch T5 and the sixth switch T6 are controlled to be turned on by the first reverse driving port P2 'and the second reverse driving port P3', and the heating element L is heated.
The battery rod shown in the embodiment can identify whether the inserted atomizer is inserted forwards or backwards, and select a corresponding driving mode to drive the atomizer according to the identification result, so that the atomizer can be driven by the battery rod to work whether the atomizer is inserted into the battery rod forwards or backwards.
Referring to fig. 10, fig. 10 is a functional block diagram of another embodiment of fig. 7. The drivingunit 30 in this embodiment includes only one driving module. Specifically, please refer to fig. 11, in which fig. 11 is a schematic structural diagram of the functional module shown in fig. 10. In this embodiment, thedirection identification circuit 10 is the same as that in the battery pole shown in fig. 9, and is not described herein again, and the difference from the battery pole shown in fig. 9 is as follows:
when the atomizer inserted into the battery rod is a positive insertion, the first and second switching ports P0 and P0' switch the powersupply switching unit 20 to operate in the first mode such that the first connection pin h1 is connected to the output terminal N of the drivingunit 30 and the second connection pin h2 is connected to the ground voltage GND.
When the atomizer inserted into the battery rod is reverse-inserted, the first and second switching ports P0 and P0' switch the powersupply switching unit 20 to operate in the second mode such that the first connection pin h1 is connected to the ground voltage GND and the second connection pin h2 is connected to the output terminal N of the drivingunit 30.
Specifically, in this embodiment, the powersupply switching unit 20 includes: afirst switching module 21 and asecond switching module 22. Thefirst switching module 21 is connected to the first switching port P0 and the first connection pin h1, and is used for connecting a ground voltage GND; thesecond switching module 22 is connected to the second switching port P0' and the second connection pin h2, and is used for connecting the ground voltage GND. Wherein, when the atomizer inserted into the battery rod is the positive insertion, the first switching port P0 switches thefirst switching module 31 to be connected to the output terminal N of the drivingunit 30, and the second switching port P0' switches thesecond switching module 22 to be connected to the ground voltage GND. When the atomizer inserted into the battery rod is reverse-inserted, the first switching port P0 switches thefirst switching module 31 to be connected to the ground voltage GND, and the second switching port P0' switches thesecond switching module 22 to be connected to the output terminal N of the driving unit.
Specifically, as shown in fig. 11, thefirst switching module 21 includes: a fifth resistor R5, a first capacitor C1, a first diode D1, a seventh switch T7, and an eighth switch T8. A first terminal of the fifth resistor R5 is connected to the output terminal N of the driving unit. The first end of the first capacitor C1 is connected to the output terminal N of the driving unit, and the second end of the first capacitor C1 is connected to the second end of the fifth resistor R5. A first terminal of the first diode D1 is connected to a second terminal of the fifth resistor R5, and a second terminal of the first diode D1 is connected to the first switch port P0. A first path terminal of the seventh switch T7 is connected to the output terminal N of the driving unit, a second path terminal of the seventh switch T7 is connected to the first connection pin h1, and a control terminal of the seventh switch T7 is connected to a second terminal of the fifth resistor R5. A first path terminal of the eighth switch T8 is connected to the first connection pin h1, a second path terminal of the eighth switch T8 is connected to the ground voltage GND, and a control terminal thereof is connected to the first switching port P0.
Specifically, thesecond switching module 22 includes: a sixth resistor R6, a second capacitor C2, a second diode D2, a ninth switch T9, and a tenth switch T10. A first end of the sixth resistor R6 is connected to the output terminal N of the driving unit. A first terminal of the second capacitor C2 is connected to the output terminal N of the driving unit, and a second terminal of the second capacitor C2 is connected to a second terminal of the sixth resistor R6. A first terminal of the second diode D2 is connected to the second terminal of the sixth resistor R6, and a second terminal of the second diode D2 is connected to the second switching port P0'. A first path terminal of the ninth switch T9 is connected to the output terminal N of the driving unit, a second path terminal of the ninth switch T9 is connected to the second connection pin h2, and a control terminal of the ninth switch T9 is connected to a second terminal of the sixth resistor R6. A first path terminal of the tenth switch T10 is connected to the second connection pin h2, a second path terminal of the tenth switch T10 is connected to the ground voltage GND, and a control terminal of the tenth switch T10 is connected to the second switching port P0'.
In this embodiment, the driving port A includes a first driving port P2 and a second driving port P3. The drivingunit 30 includes: an eleventh switch T11, a twelfth switch T12, and a seventh resistor R7. A first path terminal of the eleventh switch T11 is connected to the power supply voltage VDD, a second path terminal of the eleventh switch T11 is connected to the output terminal N of the driving unit, and a control terminal of the eleventh switch T11 is connected to the first driving port P2. A first path terminal of the twelfth switch T12 is connected to the power voltage VDD, and a control terminal of the twelfth switch T12 is connected to the second driving port P3. A first end of the seventh resistor R7 is connected to the second path end of the twelfth switch T12, and a second end of the seventh resistor R7 is connected to the output end N of the driving unit.
Thedirection identification circuit 10 shown in this embodiment is the same as thedirection identification circuit 10 in the battery rod shown in fig. 9, and the description thereof is omitted.
If thedirection recognition circuit 10 recognizes that the atomizer is being inserted into the battery rod, the first switching port P0 outputs a low level signal, so that the seventh switch M7 is turned on, and the first connection pin h1 is connected to the output terminal N of the driving circuit; the second switching port P0' outputs a high level signal, such that the tenth switch T10 is turned on, the point B is grounded, and the second connection pin h2 is grounded.
If thedirection recognition circuit 10 recognizes that the atomizer is reversely inserted into the battery rod, the first switching port P0 outputs a high level signal, so that the ninth switch M9 is turned on, and the second connection pin h2 is connected to the output terminal N of the driving circuit; the second switching port P0' outputs a low signal, such that the eighth switch T8 is turned on, the point a is grounded, and the first connection pin h1 is grounded.
In this embodiment, the first capacitor C1, the first diode D1, the fifth resistor R5 in thefirst switching module 21, and the second capacitor C2, the second diode D2, and the sixth resistor R6 in thesecond switching module 22 can ensure that the corresponding seventh switch T7 and the corresponding ninth switch T9 can be turned on quickly when the eleventh switch T11 is turned on, and ensure that the corresponding seventh switch T7 and the corresponding ninth switch T9 can be kept on continuously when the eleventh switch T11 is turned off.
When the atomizer is being inserted into the battery lever and the PWM signal is outputted through the eleventh switch T11 to supply power to the heating element L, the eleventh switch T11 is turned on (corresponding to a high state of the PWM signal) when the first driving port P2 is at a low level, and supplies power to the sources of the seventh switch T7 and the ninth switch T9. At this time, since the eighth switch T8 is turned off, the gate of the seventh switch T7 is clamped to the low level by the first diode D1 and the first switch port P0, thereby turning on the seventh switch T7. The first capacitor C1 is charged to a voltage difference Δ V between the gate and the source of the seventh switch T7, so that the current is inputted to the first input terminal m1 of the atomizer through the seventh switch T7, i.e., the output terminal N of the driving circuit is inputted to the first input terminal m1 of the atomizer. When the first driving port P2 is at a high level, the eleventh switch T11 is turned off (corresponding to a low level state of the PWM signal), and the source of the seventh switch T7 is pulled down to a low voltage by the heating element L, but since the first capacitor C1 only has a discharge channel of the fifth resistor R5, the voltage across the first capacitor C1 is not rapidly powered down, so that the seventh switch T7 can be maintained to be continuously turned on, that is, the output terminal N of the driving circuit is input to the first input terminal m1 of the atomizer, thereby ensuring that the twelfth switch T12 and the seventh resistor R7 can collect parameters of the heating element L.
When the atomizer is reversely inserted into the battery lever and the PWM signal is outputted through the eleventh switch T11 to supply power to the heating element L, when the first driving port P2 is at a low level, the eleventh switch T11 is turned on (corresponding to a high level state of the PWM signal), and power is supplied to the sources of the seventh switch T7 and the ninth switch T9. At this time, since the tenth switch T10 is turned off, the gate of the ninth switch T9 is clamped to be low by the second diode D2 and the second switching port P0', so that the ninth switch T9 is turned on. The second capacitor C2 is charged to the voltage difference Δ V between the gate and the source of the ninth switch T9, so that the current is inputted to the second input terminal m2 of the atomizer through the ninth switch T9, i.e., the output terminal N of the driving circuit is inputted to the second input terminal m2 of the atomizer. When the first driving port P2 is at a high level, the eleventh switch T11 is turned off (corresponding to a low level state of the PWM signal), and the source of the ninth switch T9 is pulled down to a low voltage by the heating element L, but since the second capacitor C2 only has a discharging channel of the sixth resistor R6, the voltage across the second capacitor C2 is not rapidly powered down, so that the ninth switch T9 is maintained to be continuously turned on, that is, the output terminal N of the driving circuit is input to the second input terminal m2 of the atomizer, thereby ensuring that the twelfth switch T12 and the seventh resistor R7 channel can collect parameters of the heating element L.
Fig. 12 is a schematic view of the atomizer shown in fig. 3 being inserted into the battery rod shown in fig. 9.
Specifically, the second switch T2 is set to be turned on, when the atomizer is inserted into the battery rod, the first resistor R1 of the battery rod and the resistor R of the atomizer divide the voltage of the power supply VDD, and the first detection communication port P1 detects a jump signal, thereby waking up the driving chip MCU of the battery rod. At this time, the first detecting communication port P1 and the second detecting communication port P1' of thedriving chip 100 of the battery rod send a string of data to the nebulizer through the first connection pin h1 and the second connection pin h2, respectively, and if the first detecting communication port P1 detects a feedback signal, it indicates that the nebulizer is being inserted into the battery rod; if the second detection communication port P1' detects a feedback signal, it indicates that the nebulizer is inserted into the battery rod reversely.
Specifically, in another embodiment, when it is determined that the resistance value collected by the first detecting communication port P1 is within a first predetermined range and the resistance value collected by the second detecting communication port P1' is within a second predetermined range, it is determined that the nebulizer inserted into the battery rod is positively inserted. Conversely, the insertion is reversed, that is, if the resistance value collected by the first detection communication port P1 is the internal resistance (for example, greater than 3 kilo-ohms) of the drivingcontrol circuit 13, and the resistance value collected by the second detection communication port P1' is the resistance value (for example, less than 3 ohms) of the heating element L, it indicates that the atomizer is being inserted into the battery rod; if the resistance value collected by the first detection communication port P1 is the resistance value of the heating element L (e.g., less than 3 ohms), and the resistance value collected by the second detection communication port P1' is the internal resistance value of the driving control circuit 13 (e.g., greater than 3 kilo-ohms), it indicates that the nebulizer is inserted into the battery rod reversely.
This embodiment is described by taking the example where the atomizer is being inserted into the battery rod. Specifically, the first connection pin h1 of the battery lever is connected with the first input end m1 of the atomizer, and the second connection pin h2 of the battery lever is connected with the second input end m2 of the atomizer. In the embodiment, the first switch port P0 controls the first switch T1 to be turned off, and the second switch port P0' controls the second switch T2 to be turned on, so that the point B is connected to the ground voltage. At this time, the battery rod supplies the power voltage VDD to the first input end m1 of the atomizer through thefirst driving module 31, thereby heating the heating element L.
Fig. 13 is a schematic structural view of the atomizer shown in fig. 3 inserted into the battery rod shown in fig. 9.
Specifically, the first switch T1 is set to be turned on, when the atomizer is inserted into the battery rod, the second resistor R2 of the battery rod and the resistor R of the atomizer divide the power voltage VDD, and the second detection communication port P1' detects a jump signal, thereby waking up the driving chip MCU of the battery rod. At this time, the first detecting communication port P1 and the second detecting communication port P1' of thedriving chip 100 of the battery rod send a string of data to the nebulizer through the first connection pin h1 and the second connection pin h2, respectively, and if the first detecting communication port P1 detects a feedback signal, it indicates that the nebulizer is being inserted into the battery rod; if the second detection communication port P1' detects a feedback signal, it indicates that the nebulizer is inserted into the battery rod reversely.
Specifically, in another embodiment, when it is determined that the resistance value collected by the first detecting communication port P1 is within a first predetermined range and the resistance value collected by the second detecting communication port P1' is within a second predetermined range, it is determined that the nebulizer inserted into the battery rod is positively inserted. Conversely, the insertion is reversed, that is, if the resistance value collected by the first detection communication port P1 is the internal resistance (for example, greater than 3 kilo-ohms) of the drivingcontrol circuit 13, and the resistance value collected by the second detection communication port P1' is the resistance value (for example, less than 3 ohms) of the heating element L, it indicates that the atomizer is being inserted into the battery rod; if the resistance value collected by the first detection communication port P1 is the resistance value of the heating element L (e.g., less than 3 ohms), and the resistance value collected by the second detection communication port P1' is the internal resistance value of the driving control circuit 13 (e.g., greater than 3 kilo-ohms), it indicates that the nebulizer is inserted into the battery rod reversely.
This embodiment is described by taking the example where the atomizer is being inserted into the battery rod. Specifically, the first connection pin h1 of the battery lever is connected with the second input end m2 of the atomizer, and the second connection pin h2 of the battery lever is connected with the first input end m1 of the atomizer. In the embodiment, the first switch port P0 controls the first switch T1 to be turned on, and the second switch port P0' controls the second switch T2 to be turned off, so that the point a is connected to the ground voltage. At this time, the battery rod supplies the power voltage VDD to the first input end m1 of the atomizer through thesecond driving module 32, thereby heating the heating element L.
For a specific working principle of the atomizer shown in fig. 3 being inserted into the battery rod shown in fig. 11 in a forward or reverse manner, reference is made to the above description, and details are not repeated.
Fig. 14 is a schematic structural diagram of a fifth embodiment of the atomizer according to the present invention. Specifically, in comparison with the nebulizer shown in fig. 3, thechip 1 is also provided with amemory 14, and specifically, thememory 14 is provided in thedrive control circuit 13. It should be noted that, for the sake of brevity, the technical features shown in fig. 3 are not fully shown in fig. 14, and the technical features not shown can be directly referred to the description of fig. 3.
Thememory 14 stores the discard parameters. The rejection parameter is used to identify whether the nebulizer can be used. Specifically, if the rejection parameter stored in thememory 14 is valid, it indicates that the nebulizer cannot be used; if the rejection parameter stored in thememory 14 is invalid, it indicates that the nebulizer can be used.
In particular, the communication interface SDA of thechip 1 communicates with the battery lever. Specifically, when the nebulizer is inserted into the battery lever, the nebulizer authenticates with the battery lever through the communication interface SDA. If the authentication is successful, the battery stem reads the rejection parameters stored in thememory 14 to determine whether the nebulizer can be used.
Specifically, when the nebulizer is inserted into the battery rod, the battery rod sends data to the communication interface SDA of the nebulizer, and if feedback data from the nebulizer is received, the authentication is successful. At this point the battery lever reads the rejection parameter stored in thememory 14 of the atomizer via the communication interface SDA.
Specifically, when the scrapping parameter is in an effective state, the drivingcontrol circuit 13 controls the control switch M to be in an abnormal mode, so that the atomizer cannot be used normally. Specifically, the drivingcontrol circuit 13 controls the control switch M to be turned off, and at this time, the battery rod cannot heat the heating element L, and the atomizer cannot be used normally.
When the scrapping parameter is in an invalid state, the drivingcontrol circuit 13 controls the control switch M to be in a normal mode, so that the atomizer can be normally used. Specifically, the drivingcontrol circuit 13 controls the control switch M to be turned on, and at this time, the battery rod heats the heating element L, so that the atomizer is normally used.
Specifically, in an embodiment, thememory 14 includes a data protection area and a data readable and writable area, and the data readable and writable area stores the current pumping parameter and the scrapping parameter; the data protection area stores default pumping parameters and default heating parameters. The default suction parameters may be, for example, the longest suction time and the maximum suction times after the atomizer is filled with oil. The default heating parameters may be, for example, the corresponding heating power, heating temperature profile, etc. The current puff parameter may be, for example, the current puff time or the current puff count of the nebulizer.
The nebulizer can be used when the rejection parameter is in an invalid state. The default heating parameters are obtained by the battery lever, which heats the heating element L according to the default heating parameters, so that the atomizer is normally used. Specifically, when the battery rod heats the heating element L, the driving chip can control and output the corresponding heating power to enable the heating element L to reach the predetermined temperature curve, so as to prevent overheating of the atomized matrix.
In an embodiment, the drivingcontrol circuit 13 further comprises atimer 15. When the atomizer is normally used, thedrive control circuit 13 is controlled at predetermined intervals to control the control switch M to be turned off. Specifically, after thedrive control circuit 13 controls the control switch M to be turned on, the control switch M is controlled to be turned off at every timer timing. Or in another embodiment, a predetermined code is written in thedrive control circuit 13, and the predetermined code can control thedrive control circuit 13 to control the control switch M to close at predetermined intervals.
In one embodiment, when it is detected that the atomizer stops pumping, the scrapping parameter and the current pumping parameter of the atomizer are updated, and if the updated current pumping parameter reaches the default pumping parameter, the scrapping parameter in the atomizer is updated to be in an effective state.
Specifically, be provided with miaow head or airflow sensor in the battery pole, when miaow head or airflow sensor detected the gas flow through, the battery pole was awaken up from the sleep state, sent and switched on signal to atomizer, and after the atomizer received the turn-on command, switch on throughdrive control circuit 13 control switch M, and the battery pole acquires default heating parameter and heats heating element L afterwards to make the atomizer normally use. Therefore, different atomizing matrixes can be atomized by adopting different heating parameters, and the user experience is improved. When the microphone or the airflow sensor detects that the airflow stops, that is, the suction stops, the battery rod stops heating the heating element L, and updates the current suction parameters in the atomizer according to the suction time or the suction times of the suction process. For example, when it is detected that the user stops pumping the electronic atomizer, the battery rod accumulates the pumped time or number with the pumped time or number in the current pumping parameter, and updates the current pumping parameter with the accumulated result.
Optionally, after the current suction parameter is updated, the updated current suction parameter is compared with the default suction time, and when the updated current suction parameter reaches the default suction parameter, it indicates that the suction time or the suction frequency of the atomizer has been used up, and at this time, the scrapped parameter in the atomizer is updated to an effective state to lock the atomizer and prevent the atomizer from being used. And when the updated current suction parameter does not reach the default suction parameter, the suction time or the suction times of the atomizer are not used up, the battery rod enters the sleep time, and when the next air flow is detected, the atomizer is continuously powered to heat the heating element L.
Further, if the scrapped parameter of the atomizer is updated to be valid, the drivingcontrol circuit 13 controls the control switch M to be always in the off state, so that the atomizer which is filled with oil by the user can be prohibited from being used.
Please refer to fig. 15, which is a schematic diagram of a functional module according to a second embodiment of the battery rod of the present invention, specifically, the battery rod includes adriving chip 300, thedriving chip 300 is provided with a detecting communication port D, when the atomizer is inserted into the battery rod, the detecting communication port D communicates with the atomizer inserted into the battery rod, and reads the scrapped parameter in the atomizer, so as to determine whether the atomizer can be used according to the scrapped parameter.
Specifically, please refer to fig. 16, which is a schematic flow chart of an embodiment of a method for using an electronic atomization apparatus according to the present invention, in which the electronic atomization apparatus includes an atomizer shown in fig. 14 and a battery rod shown in fig. 15, and specifically includes:
step S11: and acquiring the scrapping parameters stored in the atomizer.
Specifically, amemory 14 is arranged in the atomizer, thememory 14 stores scrapping parameters, when the atomizer is inserted into the battery rod, the battery rod performs communication authentication with a communication interface SDA of the atomizer by detecting the communication port D, and if the authentication is successful, the battery rod reads the scrapping parameters. Specifically, the battery pole still includes: theidentification circuit 50 detects that the communication port D communicates with the nebulizer through theidentification circuit 50.
Step S12: determining whether the nebulizer can be used according to the rejection parameter.
Specifically, when the read rejection parameter indicates invalid, it indicates that the nebulizer can be used, and when the read rejection parameter indicates valid, it indicates that the nebulizer cannot be used.
Please refer to fig. 17, the method further includes:
step S21: and acquiring default heating parameters stored in the atomizer, and heating the atomizer according to the default heating parameters.
Specifically, when the read rejection parameter indicates invalid, it indicates that the nebulizer can be used, and the battery lever acquires the default heating parameter stored in thememory 14 of the nebulizer and heats the nebulizer according to the default heating parameter. In one embodiment, the default puff parameter may be, for example, the maximum puff time and the maximum number of puffs after the atomizer is filled with oil. The default heating parameters may be, for example, the corresponding heating power, heating temperature profile, etc.
Specifically, the battery pole still includes: the drivingcircuit 40, the drivingcircuit 40 is connected to thedriving chip 300 and theidentification circuit 50. When the read scrapping parameter indicates invalid, the battery rod acquires a default heating parameter stored in the atomizer, and heats the heating element L of the atomizer by using the drivingcircuit 40 according to the default heating parameter, so that the atomizer can be normally used.
In an embodiment, thedriving chip 300 is thedriving chip 100 shown in fig. 9, the detecting communication port D of thedriving chip 300 is the first detecting communication port P1 or the second detecting communication port P1 'of thedriving chip 100, theidentification circuit 50 is thefirst identification module 11 or thesecond identification module 12 shown in fig. 9, the drivingcircuit 40 is thefirst driving module 31 or thesecond driving module 32 shown in fig. 9, and the circuit connection manners of the detecting communication port D, theidentification circuit 50, the drivingcircuit 40 and thedriving chip 300 are the same as the circuit connection manners of the first detecting communication port P1, thefirst identification module 11, thefirst driving module 31 and thedriving chip 100 shown in fig. 9 or the circuit connection manners of the second detecting communication port P1', thesecond identification module 12, thesecond driving module 32 and thedriving chip 100 shown in fig. 9.
It is understood that in other embodiments, the electronic atomization device may also include a battery rod as shown in fig. 9, in which case, before step S11, the method further includes the following steps: and identifying whether the atomizer is inserted positively or negatively and selecting the corresponding detection communication port, the driving module and the identification module.
It is understood that in other embodiments, the electronic atomizer may also include a battery rod as shown in fig. 11, and the specific operation process is similar and will not be described herein.
Step S22: detecting whether the atomizer stops sucking.
Specifically, be provided with miaow head or airflow sensor in the battery pole, when miaow head or airflow sensor detected the circulation of gas, the battery pole was awaken up from the sleep state, send turn-on signal to atomizer, the atomizer received behind the turn-on command, switched on throughdrive control circuit 13 control switch M, battery pole acquireed default heating parameter and heats heating element L afterwards, thereby make atomizer normal use, when miaow head or airflow sensor detected not to have the circulation of gas, then the atomizer stopped the suction.
Step S23: and when the atomizer stops sucking, updating the current sucking times of the atomizer and the scrapping parameters.
When the microphone or the airflow sensor detects that no airflow passes through, the atomizer stops sucking, the battery rod stops heating the heating element L, and current suction parameters in the atomizer are updated according to the suction time or the suction times of the suction process. For example, when it is detected that the user stops pumping the electronic atomizer, the battery rod accumulates the pumped time or number with the pumped time or number in the current pumping parameter, and updates the current pumping parameter with the accumulated result.
Optionally, after the current suction parameter is updated, the updated current suction parameter is compared with the default suction time, and when the updated current suction parameter reaches the default suction parameter, it indicates that the suction time or the suction frequency of the atomizer has been used up, and at this time, the scrapped parameter in the atomizer is updated to an effective state to lock the atomizer and prevent the atomizer from being used. And when the updated current suction parameter does not reach the default suction parameter, the suction time or the suction times of the atomizer are not used up, the battery rod enters the sleep time, and when the next air flow is detected, the atomizer is continuously powered to heat the heating element L.
Further, if the scrapped parameter of the atomizer is updated to the valid state, the drivingcontrol circuit 13 controls the control switch M to be always in the off state, so that the atomizer which is filled with oil by the user can be prohibited from being used.
The utility model provides an electronic atomization device is provided with the chip in its atomizer, and the atomizer can carry out the communication through communication interface and the battery pole of setting on the chip. When the battery rod achieves its communication with the atomizer, the atomizer operates in a first mode; the nebulizer operates in the second mode when the battery rod does not achieve its communication with the nebulizer. Specifically, if the battery rod realizes the communication with the atomizer, it can indicate that the battery rod and the atomizer are factory products of the same manufacturer, and if the battery rod does not realize the communication with the atomizer, it can indicate that the battery rod and the atomizer are not factory products of the same manufacturer. Through the utility model discloses a method can be so that the battery pole and the atomizer work of the same or different models under different modes to satisfy the demand that uses under different environment.
The utility model provides an electronic atomization device is provided with driver chip and drive identification circuit in its battery pole, and drive identification circuit connects driver chip. When the atomizer is inserted into the battery rod, the driving chip determines that the atomizer is in a forward insertion mode or a reverse insertion mode through the driving identification circuit and controls the driving identification circuit to work in the forward insertion mode or the reverse insertion mode. Therefore, the battery rod and the atomizer can work normally in a forward insertion mode or a reverse insertion mode.
Through the utility model discloses an electronic atomization device, it can also prevent that the atomizer of user's private oiling from being used.
The above is only the embodiment of the present invention, not the limitation of the patent scope of the present invention, all the equivalent structures or equivalent processes that are used in the specification and the attached drawings or directly or indirectly applied to other related technical fields are included in the patent protection scope of the present invention.

Claims (13)

CN202022150542.0U2020-09-252020-09-25Chip for atomizer, atomizer and electronic atomization deviceActiveCN214229838U (en)

Priority Applications (1)

Application NumberPriority DateFiling DateTitle
CN202022150542.0UCN214229838U (en)2020-09-252020-09-25Chip for atomizer, atomizer and electronic atomization device

Applications Claiming Priority (1)

Application NumberPriority DateFiling DateTitle
CN202022150542.0UCN214229838U (en)2020-09-252020-09-25Chip for atomizer, atomizer and electronic atomization device

Publications (1)

Publication NumberPublication Date
CN214229838Utrue CN214229838U (en)2021-09-21

Family

ID=77715627

Family Applications (1)

Application NumberTitlePriority DateFiling Date
CN202022150542.0UActiveCN214229838U (en)2020-09-252020-09-25Chip for atomizer, atomizer and electronic atomization device

Country Status (1)

CountryLink
CN (1)CN214229838U (en)

Cited By (2)

* Cited by examiner, † Cited by third party
Publication numberPriority datePublication dateAssigneeTitle
CN112244357A (en)*2020-09-252021-01-22深圳麦克韦尔科技有限公司Chip for atomizer, atomizer and electronic atomization device
WO2024250772A1 (en)*2023-06-072024-12-12深圳麦克韦尔科技有限公司Atomization apparatus control method, atomization apparatus, and readable storage medium

Cited By (3)

* Cited by examiner, † Cited by third party
Publication numberPriority datePublication dateAssigneeTitle
CN112244357A (en)*2020-09-252021-01-22深圳麦克韦尔科技有限公司Chip for atomizer, atomizer and electronic atomization device
CN112244357B (en)*2020-09-252025-08-15深圳麦克韦尔科技有限公司Chip for atomizer, atomizer and electronic atomization device
WO2024250772A1 (en)*2023-06-072024-12-12深圳麦克韦尔科技有限公司Atomization apparatus control method, atomization apparatus, and readable storage medium

Similar Documents

PublicationPublication DateTitle
CN112137182B (en)Battery rod, atomizer, electronic atomization device and use method of electronic atomization device
CN214229838U (en)Chip for atomizer, atomizer and electronic atomization device
CN111248504B (en)Atomizer identification circuit of electronic atomization device and related device
CN112244357A (en)Chip for atomizer, atomizer and electronic atomization device
US20230157369A1 (en)Vaporizer, battery rod, and electronic atomization device
EP3485746A1 (en)Electronic cigarette and power supply circuit thereof
US8185211B2 (en)Device for generating a signal and method for controlling operation of the same
CN112385892B (en)Battery rod, atomizer, electronic atomization device and use method of electronic atomization device
KR101152849B1 (en)Power driving circuit in battery management system
WO2022239406A1 (en)Power supply unit for aerosol generation device
CN214229837U (en)Battery pole, electron atomizing device
CN112244358B (en) Battery rod, electronic atomization device
US7932628B2 (en)Control device with terminal 15—holding circuit
EP4218460A1 (en)Battery rod and electronic atomization apparatus
US20240156158A1 (en)Vaporizer and electronic vaporization device
CN109393573B (en)Electronic cigarette control system
EP4218437A1 (en)Chip for atomizer, atomizer, and electronic atomization device
US7173350B2 (en)Load drive control apparatus having minimized power consumption when functioning in waiting status
WO2022239412A1 (en)Power supply unit for aerosol generation device
CN108879627A (en)Electronic module and motor vehicles and the method that input current is limited during connection
CN217471252U (en)Electronic cigarette driving circuit and chip
CN117321873A (en) Power supply unit for aerosol generating device
CN220872896U (en)Low-power consumption power management system
CN216793039U (en)Doorbell awakening device
CN114983036B (en)Electronic cigarette control circuit and chip

Legal Events

DateCodeTitleDescription
GR01Patent grant
GR01Patent grant

[8]ページ先頭

©2009-2025 Movatter.jp