Movatterモバイル変換


[0]ホーム

URL:


CN213754503U - RF Circuits and Electronic Equipment - Google Patents

RF Circuits and Electronic Equipment
Download PDF

Info

Publication number
CN213754503U
CN213754503UCN202120137025.1UCN202120137025UCN213754503UCN 213754503 UCN213754503 UCN 213754503UCN 202120137025 UCN202120137025 UCN 202120137025UCN 213754503 UCN213754503 UCN 213754503U
Authority
CN
China
Prior art keywords
radio frequency
module
switch
antenna
transceiver module
Prior art date
Legal status (The legal status is an assumption and is not a legal conclusion. Google has not performed a legal analysis and makes no representation as to the accuracy of the status listed.)
Active
Application number
CN202120137025.1U
Other languages
Chinese (zh)
Inventor
李玄平
孙辛泉
Current Assignee (The listed assignees may be inaccurate. Google has not performed a legal analysis and makes no representation or warranty as to the accuracy of the list.)
Vivo Mobile Communication Co Ltd
Original Assignee
Vivo Mobile Communication Co Ltd
Priority date (The priority date is an assumption and is not a legal conclusion. Google has not performed a legal analysis and makes no representation as to the accuracy of the date listed.)
Filing date
Publication date
Application filed by Vivo Mobile Communication Co LtdfiledCriticalVivo Mobile Communication Co Ltd
Priority to CN202120137025.1UpriorityCriticalpatent/CN213754503U/en
Application grantedgrantedCritical
Publication of CN213754503UpublicationCriticalpatent/CN213754503U/en
Activelegal-statusCriticalCurrent
Anticipated expirationlegal-statusCritical

Links

Images

Landscapes

Abstract

Translated fromChinese

本申请公开了一种射频电路和电子设备,属于通信技术领域。射频电路包括:射频收发器、天线组、射频收发单元,射频收发器包括第一基带信号端、第二基带信号端、第一切换模块、第一混频模块以及第二混频模块;天线组包括第一天线和第二天线;射频收发单元包括第一射频收发模块和第二射频收发模块;第一射频收发模块连接于第一天线和第一混频模块之间,第二射频收发模块连接于第二天线和第二混频模块之间;在第一工作状态下,第一基带信号端经第一切换模块连接至第一混频模块;在第二工作状态下,第一基带信号端经第一切换模块连接至第二混频模块。本申请实施例能够提升终端的通信性能。

Figure 202120137025

The present application discloses a radio frequency circuit and electronic equipment, which belong to the technical field of communication. The radio frequency circuit includes: a radio frequency transceiver, an antenna group, and a radio frequency transceiver unit. The radio frequency transceiver includes a first baseband signal terminal, a second baseband signal terminal, a first switching module, a first frequency mixing module and a second frequency mixing module; the antenna group It includes a first antenna and a second antenna; the radio frequency transceiver unit includes a first radio frequency transceiver module and a second radio frequency transceiver module; the first radio frequency transceiver module is connected between the first antenna and the first frequency mixing module, and the second radio frequency transceiver module is connected between the second antenna and the second frequency mixing module; in the first working state, the first baseband signal terminal is connected to the first frequency mixing module through the first switching module; in the second working state, the first baseband signal terminal It is connected to the second mixing module through the first switching module. The embodiments of the present application can improve the communication performance of the terminal.

Figure 202120137025

Description

Radio frequency circuit and electronic device
Technical Field
The application belongs to the technical field of communication, and particularly relates to a radio frequency circuit and electronic equipment.
Background
In the 5G communication technology, the networking modes can be divided into a Stand Alone zone (SA) mode and a Non-Stand zone (NSA) mode. In NSA mode, the terminal has 1 transmit path and 4 receive paths (i.e., 1T 4R); in the SA mode, the terminal has 2 transmit paths and 4 receive paths (i.e., 2T 4R).
In the related art, the terminal supports the 2T4R function and the 1T4R function, and a switch is often disposed between the antenna and the power amplifier in the radio frequency architecture thereof, so as to implement the antenna switching function through the switch.
However, in practical application, due to the limitation of the antenna layout and space, the difference between the lengths of the 4 antennas and the power amplifier is large, which causes the insertion loss difference at the rear end of the rf path to be large, thereby causing the defect of poor communication performance of the terminal.
SUMMERY OF THE UTILITY MODEL
An object of the embodiments of the present application is to provide a radio frequency circuit and an electronic device, which can solve the problem of poor communication performance of a terminal caused by the radio frequency circuit in the related art.
In order to solve the technical problem, the present application is implemented as follows:
in a first aspect, an embodiment of the present application provides a radio frequency circuit, including: the radio frequency transceiver comprises a first baseband signal end, a second baseband signal end, a first switching module, a first frequency mixing module and a second frequency mixing module, wherein the first switching module is respectively connected with the first baseband signal end, the second baseband signal end, the first frequency mixing module and the second frequency mixing module;
an antenna group comprising a first antenna and a second antenna;
the radio frequency transceiving unit comprises a first radio frequency transceiving module and a second radio frequency transceiving module; the first radio frequency transceiver module is connected between the first antenna and the first frequency mixing module, and the second radio frequency transceiver module is connected between the second antenna and the second frequency mixing module;
wherein the radio frequency circuit has a first operating state and a second operating state;
when the radio frequency circuit is in the first working state, the first baseband signal end is connected to the first frequency mixing module through the first switching module;
when the radio frequency circuit is in the second working state, the first baseband signal end is connected to the second frequency mixing module through the first switching module.
In a second aspect, an embodiment of the present application provides an electronic device, including the radio frequency circuit described in the first aspect.
In the embodiment of the application, the first antenna is connected with the first radio frequency transceiver module, and the second antenna is connected with the second radio frequency transceiver module, so that the routing distance between the first radio frequency transceiver module and the first antenna is fixed, that is, the radio frequency loss between the first radio frequency transceiver module and the first antenna is fixed, and the first switching module is arranged at the radio frequency front end, so that when the radio frequency circuit needs to be switched to a target antenna, only the first switching module needs to be controlled to communicate the baseband signal end with the radio frequency transceiver module correspondingly connected with the target antenna, and the radio frequency circuit is switched at the radio frequency front end, the loss caused by the baseband signal is small and can be ignored, so that the radio frequency loss before the antenna is switched and the radio frequency loss after the antenna is switched are very small, and the communication performance of the radio frequency circuit can be improved.
Drawings
Fig. 1 is a circuit diagram of a radio frequency circuit in the related art;
fig. 2 is a circuit diagram of a radio frequency circuit according to an embodiment of the present application;
fig. 3 is a circuit diagram of another rf circuit provided in an embodiment of the present application;
fig. 4 is a block diagram of an electronic device having a radio frequency circuit provided in an embodiment of the present application;
fig. 5 is a circuit diagram of another rf circuit provided in an embodiment of the present application;
fig. 6 is a block diagram of another electronic device having a radio frequency circuit provided in an embodiment of the present application;
fig. 7 is a circuit diagram of another rf circuit provided in an embodiment of the present application;
fig. 8 is a block diagram of another electronic device having a radio frequency circuit provided in an embodiment of the present application.
Detailed Description
The technical solutions in the embodiments of the present application will be clearly and completely described below with reference to the drawings in the embodiments of the present application, and it is obvious that the described embodiments are some, but not all, embodiments of the present application. All other embodiments, which can be derived by a person skilled in the art from the embodiments given herein without making any creative effort, shall fall within the protection scope of the present application.
The terms first, second and the like in the description and in the claims of the present application are used for distinguishing between similar elements and not necessarily for describing a particular sequential or chronological order. It will be appreciated that the data so used may be interchanged under appropriate circumstances such that embodiments of the application may be practiced in sequences other than those illustrated or described herein, and that the terms "first," "second," and the like are generally used herein in a generic sense and do not limit the number of terms, e.g., the first term can be one or more than one. In addition, "and/or" in the specification and claims means at least one of connected objects, a character "/" generally means that a preceding and succeeding related objects are in an "or" relationship.
The radio frequency circuit and the electronic device provided by the embodiments of the present application are described in detail below with reference to the accompanying drawings through specific embodiments and application scenarios thereof.
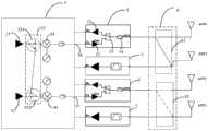
In the related art, the 5G rf architecture is 2T4R compatible with 1T4R, which realizes the switching of 4 antennas by a four-pole four-throw switch (4P4T), for example: in the embodiment shown in fig. 1, the rf circuit includes: aradio frequency transceiver 50, 4 radio frequency transceiver modules (such as the first radiofrequency transceiver module 20, the second radiofrequency transceiver module 30, the first radiofrequency receiving module 60, and the second radiofrequency receiving module 70 shown in fig. 1),4P4T switch 40, and 4 antennas. Theradio frequency transceiver 50 includes: a firstbaseband signal terminal 501, a secondbaseband signal terminal 502, afirst mixer 503, asecond mixer 504, a firstrf signal terminal 505, and a secondrf signal terminal 506.
Specifically, a baseband signal transmitted by the firstbaseband signal terminal 501 is mixed with a high-frequency carrier signal by thefirst mixer 503 to form a radio frequency signal, the radio frequency signal is transmitted to the firstrf transceiver module 20 by the firstrf signal terminal 505, and the radio frequency signal is amplified by the first power amplifier in the firstrf transceiver module 20 and then radiated by the antenna, wherein the4P4T switch 40 includes 4 first terminals and 4 second terminals, the first terminal of the4P4T switch 40 is a fixed terminal, the second terminal is an active terminal, the fixed terminal is used to maintain connection with one terminal of the switch, and the other terminal of the switch can be switched between the 4 active terminals, specifically, the 4 first terminals of theP4T switch 40 are respectively connected with the firstrf transceiver module 20, the secondrf transceiver module 30, the firstrf receiver module 60, and the secondrf receiver module 70 in a one-to-one correspondence manner, the 4 second terminals of the4P4T switch 40 are connected with the 4 antennas in a one-to-one correspondence. In this way, by controlling the switch of the4P4T switch 40, any first terminal and any second terminal of the4P4T switch 40 can be correspondingly connected, and the switching of the antenna can be realized, for example: the 1T4R function is realized by that the baseband signal TX0 transmitted by the firstbaseband signal terminal 501 needs to be switched to 4 antennas respectively through the4P4T switch 40 connected with the 4 antennas. However, in practical applications, due to the influence of the antenna layout and space limitation, the difference in the lengths of the 4 antennas respectively reaching the first power amplifier in the firstrf transceiver module 20 is large, which results in a large difference in the physical loss of each path, as shown in table 1 below, the maximum difference is 6 dB:
TABLE 1
Figure BDA0002904971100000041
In table 1, a path 0 indicates a radio frequency path where ANT0 and the first power amplifier in the first radiofrequency transceiver module 20 are located, and similarly, apath 1/2/3 indicates a radio frequency path where ANT1/2/3 and the first power amplifier in the first radiofrequency transceiver module 20 are located, respectively.
As can be seen from the above, in the related art, when it is necessary to switch to different antennas for performing radio frequency radiation, due to the fact that the difference between the distances of the traces from different antennas to the same radio frequency transceiver module is large, the insertion losses of different radio frequency paths have large differences, so that in the process of performing 1T4R Sounding Reference Signal (SRS) round transmission, the insertion loss difference at the rear end of the radio frequency is large, which may cause the problem of inaccurate SRS estimation, thereby affecting the judgment of the base station on the quality of the uplink Signal, and further affecting the downlink rate of the terminal; in addition, in the process of transmitting radio frequency signals, the complicated structure of the 4P4T switch and the long radio frequency path routing lead to the problems of increased radio frequency loss, reduced maximum transmission power and reduced signal quality of the radio frequency circuit; in addition, in the process of antenna switching and transmitting, the difference of insertion loss of the radio frequency rear end is large, and a radio frequency channel may reside on an antenna with poor communication quality, so that the communication performance of the terminal is reduced.
In the embodiment of the present application, switching is performed at the radio frequency front end, so that a radio frequency architecture of a radio frequency uplink channel can be reconstructed, and compared with a scheme in which an antenna is switched at the radio frequency rear end in the related art, in the embodiment of the present application, switching at the radio frequency front end causes little loss to a baseband signal with low frequency, which can be ignored, so that loss difference between different radio frequency channels can be reduced, and thus communication performance of the terminal can be improved.
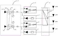
Fig. 2 is a circuit diagram of a radio frequency circuit according to an embodiment of the present application. As shown in fig. 2, the radio frequency circuit includes: the antenna comprises aradio frequency transceiver 5, an antenna group (comprising afirst antenna 1 and a second antenna 2) and a radio frequency transceiving unit (comprising a first radiofrequency transceiving module 3 and a second radio frequency transceiving module 4).
Theradio frequency transceiver 5 includes a firstbaseband signal terminal 51, a secondbaseband signal terminal 52, afirst switching module 53, a first frequency mixing module (not numbered), and a second frequency mixing module (not numbered).
In an implementation, the first frequency mixing module may specifically include: afirst mixer 54 and a first radiofrequency signal terminal 56 connected to an output of thefirst mixer 54. The second mixing module may specifically include: asecond mixer 55 and a second radiofrequency signal terminal 57 connected to an output terminal of thesecond mixer 55.
Thefirst switching module 53 is connected to the firstbaseband signal terminal 51, the secondbaseband signal terminal 52, the first frequency mixing module (specifically, the first input terminal of thefirst frequency mixer 54 in the first frequency mixing module), and the second frequency mixing module (specifically, the first input terminal of thesecond frequency mixer 55 in the second frequency mixing module), respectively; the firstrf transceiver module 3 is connected between thefirst antenna 1 and the first frequency mixing module (specifically, the firstrf signal terminal 56 in the first frequency mixing module), and the secondrf transceiver module 4 is connected between thesecond antenna 2 and the second frequency mixing module (specifically, the secondrf signal terminal 57 in the second frequency mixing module).
When the radio frequency circuit is in the first working state, the firstbaseband signal terminal 51 is connected to the first frequency mixing module through thefirst switching module 53; when the rf circuit is in the second operating state, the firstbaseband signal terminal 52 is connected to the second mixer module through thefirst switching module 53.
The radio frequency transceiving modules (3 and 4) have a radio frequency transmitting function, in operation, signals transmitted on the baseband Signal terminals (51 and 52) are baseband signals (i.e., information signals) with low frequency, the second input terminals of the mixers (54 and 55) are further connected with local oscillator Signal terminals (i.e., VCO0 andVCO 1 shown in fig. 1), and signals transmitted on the local oscillator Signal terminals are high-frequency Carrier signals (i.e., Carrier signals), so that the frequency spectrum of the baseband signals with low frequency is moved to a higher frequency position suitable for being propagated in a wireless space after the baseband signals and the high-frequency Carrier signals are mixed by the mixers, and then the signals are amplified by power amplifiers in the radio frequency transceiving modules (3 and 4) and finally radiated by an antenna.
It should be noted that, in practical applications, the rf transceiver modules (3 and 4) may further have an rf receiving function, where the rf receiving function is performed in a time-sharing manner with the rf transmitting function, for example: in the embodiment shown in fig. 3, the rf transceiver module includes: theantenna switch 31, thepower amplifier 32, thelow noise amplifier 33 and thefilter 34, when receiving the radio frequency signal, theantenna switch 31 connects thefilter 34 with thelow noise amplifier 33, when transmitting the radio frequency signal, theantenna switch 31 connects thefilter 34 with thepower amplifier 32, the working principle of the antenna switch is the same as that of the radio frequency path in the prior art, and details are not repeated here.
In an alternative embodiment, as shown in fig. 2, thefirst switching module 53 includes afirst switch 531 and asecond switch 532, a first terminal of thefirst switch 531 is connected to the firstbaseband signal terminal 51, a second terminal of thefirst switch 531 is connected to an input terminal of the first frequency mixing module (specifically, a first input terminal of afirst mixer 54 in the first frequency mixing module), and a third terminal of thefirst switch 531 is connected to a third terminal of thesecond switch 532;
a first terminal of thesecond switch 532 is connected to thesecond baseband signal 52, and a second terminal of thesecond switch 532 is connected to an input terminal of a second frequency mixing module (specifically, a first input terminal of asecond mixer 55 in the second frequency mixing module);
in the first working state, a first end of thefirst switch 531 is communicated with a second end of thefirst switch 531;
in the second operating state, the first terminal of thefirst switch 531 communicates with the third terminal of thefirst switch 531, and the third terminal of thesecond switch 532 communicates with the second terminal of thesecond switch 532.
In this embodiment, thefirst switch 531 and thesecond switch 532 are single-pole double-throw switches, respectively. In an implementation, thefirst switching module 53 may also be a double-pole double-throw switch, and the like, and is not limited in particular.
In addition, in practical application, the radio frequency circuit may further implement a function that two radio frequency paths simultaneously transmit radio frequency signals, at this time, the first end of thefirst switch 531 is communicated with the second end of thefirst switch 531, and the first end of thesecond switch 532 is communicated with the second end of thesecond switch 532.
In addition, in practical application, a radio frequency structure module may be further provided in the embodiment of the present application, and the radio frequency receiving module is connected between the radio frequency transceiver and the antenna to operate in a time-sharing manner with the radio frequency transmitting path. For example: two radio frequency receiving modules are further arranged in the radio frequency circuit to realize the 1T4R function or the 2T4R function.
In a specific implementation, the number of thefirst antenna 1 and thesecond antenna 2 may be 1 or more, respectively.
In an alternative embodiment, in the case that the number of thefirst antennas 1 is 1, the distance between thefirst antenna 1 and the firstrf transceiver module 3 may be smaller than the distance between thefirst antenna 1 and the secondrf transceiver module 4.
Similarly, in the case that the number of thesecond antennas 2 is 1, the distance between thesecond antenna 2 and the secondrf transceiver module 4 may be smaller than the distance between thesecond antenna 2 and the firstrf transceiver module 3.
In this embodiment, the antenna can be connected to a nearby rf transceiver module, so that the routing distance between the antenna and the rf transceiver module is shortened, and the rf loss on the rf path can be reduced.
In another optional embodiment, when the number of thefirst antennas 1 is multiple, a difference between insertion losses between thefirst antennas 1 and the first radiofrequency transceiver module 3 is smaller than a first preset value, and specifically, the difference between the insertion losses between thefirst antennas 1 and the first radiofrequency transceiver module 3 can be smaller than the first preset value by making a difference between routing distances between thefirst antennas 1 and the first radiofrequency transceiver module 3 smaller than a first preset distance.
Similarly, when the number of thesecond antennas 2 is multiple, the difference between the insertion loss between each of thesecond antennas 2 and the secondrf transceiver module 4 is smaller than a second preset value, and specifically, the difference between the insertion loss between each of thesecond antennas 2 and the secondrf transceiver module 4 can be smaller than the second preset value by making the difference between the routing distance between each of thesecond antennas 2 and the secondrf transceiver module 4 smaller than the second preset distance.
Of course, the two embodiments may be combined, so that the plurality offirst antennas 1, which are close to the firstrf transceiver module 3 and have a difference in the routing distance from the first power amplifier in the firstrf transceiver module 3 smaller than the preset distance, are respectively connected to the firstrf transceiver module 3 through thesecond switch module 6.
Similarly, the plurality ofsecond antennas 2, which are close to the secondrf transceiver module 4 and have a difference in the routing distance with the second power amplifier in the secondrf transceiver module 4 smaller than the preset distance, may be connected to the secondrf transceiver module 4 through thesecond switching module 6, respectively.
For example: the wiring distance between thefirst antenna 1 and the first radiofrequency transceiver module 3 is smaller than the wiring distance between thefirst antenna 1 and the second radiofrequency transceiver module 4, and the wiring distance between thesecond antenna 2 and the second radiofrequency transceiver module 4 is smaller than the wiring distance between thesecond antenna 2 and the first radiofrequency transceiver module 3.
By combining the two embodiments, the radio frequency loss difference is reduced, and the radio frequency loss of each radio frequency channel can be reduced.
As an optional implementation manner, the number of thefirst antennas 1 is N, the number of thesecond antennas 2 is M, and N and M are integers greater than 0, respectively;
the radio frequency circuit further comprises asecond switching module 6, wherein thesecond switching module 6 is respectively connected with the Nfirst antennas 1, the Msecond antennas 2, the first radiofrequency transceiver module 3 and the second radiofrequency transceiver module 4;
the difference between the insertion loss of the first radiofrequency transceiver module 3 and the insertion loss of the Nfirst antennas 1 are smaller than a first preset value, and the insertion loss of the second radiofrequency transceiver module 4 and the insertion loss of the Msecond antennas 2 are smaller than a second preset value;
in the first working state, thesecond switching module 6 is configured to connect at least one of the Nfirst antennas 1 with the first radiofrequency transceiver module 3;
in the second working state, thesecond switching module 6 is configured to connect at least one of the Msecond antennas 2 with the secondrf transceiver module 4.
The first preset value and the second preset value may be equal, and specific values of the first preset value and the second preset value may be determined according to specific application scenarios of the radio frequency circuit, for example: equal to 1dB or 2dB, etc., and the first preset value and the second preset value are not particularly limited herein.
In addition, in practical applications, thesecond switching module 6 can only connect the first radiofrequency transceiver module 3 with at least one of the Nfirst antennas 1, and can connect the second radiofrequency transceiver module 4 with at least one of the Msecond antennas 2, but cannot connect the first radiofrequency transceiver module 3 with any one of the Msecond antennas 2, and cannot connect the second radiofrequency transceiver module 4 with any one of the Nfirst antennas 1.
In a specific implementation, the insertion loss value of the rf path is positively correlated to the distance between the power amplifier and the antenna, so that the loss difference of different rf paths can be controlled by controlling the length difference between the power amplifier and different antennas.
Further, as shown in fig. 3 and 4, thesecond switching module 6 includes athird switch 61 and afourth switch 62;
a first end of thethird switch 61 is connected with an output end of the first radiofrequency transceiver module 3, and N second ends of thethird switch 61 are respectively connected with Nfirst antennas 1;
a first end of thefourth switch 62 is connected with an output end of the second radiofrequency transceiver module 4, and M second ends of thefourth switch 62 are respectively connected with Msecond antennas 2;
in the first operating state, the first end of thethird switch 61 is in communication with a second end of thethird switch 61;
in the second operating state, the first terminal of thefourth switch 62 communicates with a second terminal of thefourth switch 62.
For example: in the embodiment shown in fig. 3 and 4, 4 antennas are provided in the electronic device, wherein two first antennas (i.e., ANT0 and ANT1 shown in fig. 3 and 4) and the first power amplifier PA0 in the firstrf transceiver module 3 are located on the upper side of the transverse central axis of the electronic device, and two second antennas (i.e., ANT2 and ANT3 shown in fig. 3 and 4) and the second power amplifier PA1 in the secondrf transceiver module 4 are located on the lower side of the transverse central axis of the electronic device, so that the PA0 may be connected to any antenna of ANT0 and ANT1 through thethird switch 61, and the PA1 may be connected to any antenna of ANT2 and ANT3 through thefourth switch 62. During the switching process, if a signal needs to be transmitted through the ANT0, the firstbaseband signal terminal 51 communicates with thefirst mixer 54 through thefirst switching module 53, and thethird switch 61 communicates the firstrf transceiving module 3 with the ANT 0; if a signal needs to be transmitted through the ANT2, the firstbaseband signal terminal 51 communicates with thesecond mixer 55 through thefirst switching module 53, and thefourth switch 62 communicates the second radiofrequency transceiving module 4 with theANT 2.
In addition, the implementation of transmitting signals through ANT1 or ANT3 is similar to the implementation of transmitting signals through ANT0 or ANT2, respectively, and is not described in detail herein.
In this embodiment, the plurality of antennas with small path loss difference are connected to the same rf transceiver module, and the plurality of antennas connected to the same rf transceiver module can be switched through the rear end, so that it is avoided to set a corresponding rf transceiver module for each antenna on the premise of ensuring small path loss difference in the antenna switching process, thereby reducing the complexity of the rf architecture.
It should be noted that, in practical applications, the distribution of thefirst antenna 1 and thesecond antenna 2 may also be changed according to the difference between the distribution positions of the antennas and the radio frequency transceiver module.
For example: in the embodiment shown in fig. 5 and 6, ANT0, ANT1, and ANT2 are respectively close to the first power amplifier PA0 in the firstrf transceiver module 3 to be commonly disposed at the upper side of the transverse central axis of the electronic device, and ANT3 is close to the second power amplifier PA1 in the secondrf transceiver module 4 to be commonly disposed at the lower side of the transverse central axis of the electronic device, so that ANT0, ANT1, and ANT2 are respectively communicated with the first power amplifier PA0 in the firstrf transceiver module 3 through thethird switch 61, and ANT3 is fixed to be communicated with the second power amplifier PA1 in the secondrf transceiver module 4. In this way, when it is required to transmit a radio frequency signal through one of ANT0, ANT1 and ANT2, thefirst switching module 53 may communicate the radio frequency front end with the first radiofrequency transceiver module 3, and realize switching to a target antenna among ANT0, ANT1 and ANT2 through thethird switch 61; when it is desired to transmit a radio frequency signal through the ANT3, thefirst switching module 53 may communicate the radio frequency front end with the second radiofrequency transceiver module 4 and transmit the radio frequency signal through theANT 3.
For another example: in the embodiment shown in fig. 7 and 8, ANT0 is respectively close to the first power amplifier PA0 in the firstrf transceiver module 3 to be commonly disposed on the upper side of the transverse central axis of the electronic device, and ANT1, ANT2 and ANT3 are respectively close to the second power amplifier PA1 in the secondrf transceiver module 4 to be commonly disposed on the lower side of the transverse central axis of the electronic device, so that ANT0 is communicated with the first power amplifier PA0 in the firstrf transceiver module 3 through thethird switch 61, and ANT1, ANT2 and ANT3 are respectively communicated with the second power amplifier PA1 in the secondrf transceiver module 4 through thefourth switch 62. Thus, when it is required to transmit a radio frequency signal through the ANT0, thefirst switching module 53 may communicate the radio frequency front end with the first radiofrequency transceiver module 3, and control thethird switch 61 to be closed; when it is required to transmit a radio frequency signal through one of ANT1, ANT2, and ANT3, the radio frequency front end may be communicated with the second radiofrequency transceiver module 4 through thefirst switching module 53, and switching to a target antenna among ANT1, ANT2, and ANT3 is achieved through thefourth switch 62.
In addition, with the development of communication technology, a greater number of antennas than 4 may be provided on an electronic device, for example: 2T6R, etc., 4T6R, etc., may also improve the communication performance of the electronic device by using the radio frequency circuit provided in the embodiment of the present application, and the number of thefirst antennas 1 and the number of thesecond antennas 2 are not specifically limited herein.
As an alternative implementation, as shown in fig. 3, 5 or 7, the rf circuit further includes: a radiofrequency receiving module 7;
the radiofrequency receiving module 7 is connected between theradio frequency transceiver 5 and the first target antenna;
wherein thefirst antenna 1 and thesecond antenna 2 comprise the first target antenna.
In a specific implementation, therf receiving module 7 may include a low noise amplifier and a filter, and the operation principle thereof is the same as that of the rf receiving module in the prior art, and will not be described herein again.
In addition, the total number of therf receiving modules 7 may be determined according to the total number of antennas in the rf circuit and the total number of the rf transceiving modules (3 and 4), for example: the total number of the antennas is equal to the sum of the total number of the radiofrequency receiving modules 7 and the total number of the radio frequency transceiving modules.
In addition, in the case that the rf circuit further includes thesecond switching module 6, therf receiving module 7 may be connected between therf transceiver 5 and thesecond switching module 6, so that therf receiving module 7 and the rf transceiver module can correspond to the antennas one to one. For example: in the rf circuit shown in fig. 3, the number of therf receiving modules 7 is two, onerf receiving module 7 is connected between therf transceiver 5 and thethird switch 61, and the otherrf receiving module 7 is connected between therf transceiver 5 and thefourth switch 62, so that the rf circuit may form a 1T4R rf architecture or a 2T4R rf architecture. For another example: in the embodiment shown in fig. 5, tworf receiving modules 7 are connected between therf transceiver 5 and thethird switch 61, which also enables the rf circuit to form a 1T4R rf architecture or a 2T4R rf architecture.
As an optional implementation manner, the radio frequency circuit further includes a third state, in which thefirst switching module 53 is configured to connect the firstbaseband signal terminal 51 to the first frequency mixing module (specifically, the first input terminal of thefirst frequency mixer 54 in the first frequency mixing module), and connect the secondbaseband signal terminal 52 to the second frequency mixing module (specifically, the first input terminal of thesecond frequency mixer 55 in the second frequency mixing module);
thesecond switching module 6 is configured to connect at least onefirst antenna 1 of the Nfirst antennas 1 with the first radiofrequency transceiver module 3, and connect at least onesecond antenna 2 of the Msecond antennas 2 with the second radiofrequency transceiver module 4.
In a specific implementation, the third operating state may be a radio frequency transmission operating state in an independent networking (SA) mode in 5G communication, where the firstbaseband signal terminal 51 and the secondbaseband signal terminal 52 both operate and carry different baseband information, and at this time, thefirst switching module 53 may specifically include afirst switch 531 and asecond switch 532 as shown in fig. 3, so as to connect the firstbaseband signal terminal 51 to the first input terminal of thefirst mixer 54 through thefirst switch 531 and connect the secondbaseband signal terminal 52 to the first input terminal of thesecond mixer 55 through thesecond switch 532.
Accordingly, the first operating state and the second operating state may be radio frequency transmission operating states in a non-independent Networking (NSA) mode in 5G communication. In this operating state, usually only the firstbaseband signal terminal 51 is in the operating state, and at this time, thefirst switching module 53 connects the firstbaseband signal terminal 51 with the first input terminal of thefirst mixer 54.
Of course, the rf path may also have a fourth operating state, for example: in the radio frequency receiving state, each antenna can be correspondingly connected with the radio frequency transceiver module and the radio frequency receiving module through thesecond switching module 6, and the radio frequency transceiver module works in the radio frequency receiving mode to realize multi-path receiving.
According to the radio frequency circuit provided by the embodiment of the application, the insertion loss difference of the antenna in different radio frequency paths is divided firstly, so that the insertion loss difference among a plurality of radio frequency paths which can be switched by the same radio frequency transceiver module is reduced, the switching of radio frequency frameworks where different radio frequency transceiver modules are located is carried out at the radio frequency front end, the radio frequency loss of the radio frequency rear end can be reduced, and therefore the radio frequency energy is improved, the power consumption is reduced, and the temperature rise of the radio frequency paths is reduced; in addition, the switch structure of the second switching module at the rear end of the radio frequency can be simplified, and the production cost, the occupied area and the radio frequency loss caused by the switch of the second switching module can be reduced; and can also promote the loss balance nature of different radio frequency access at the radio frequency rear end to avoid the unbalanced problem that makes the communication performance of terminal poor that causes of loss, in addition, because the baseband signal belongs to the low frequency signal, increase first switching module on the baseband signal access, can not increase insertion loss, and need not set up the matching device in order to compensate the influence of first switching module to the baseband signal.
An embodiment of the present application further provides an electronic device, where the electronic device includes the radio frequency circuit provided in any one of the above circuit embodiments.
In a specific implementation, the electronic device may be a mobile electronic device or a non-mobile electronic device. By way of example, the mobile electronic device may be a mobile phone, a tablet computer, a notebook computer, a palm top computer, a vehicle-mounted electronic device, a wearable device, an ultra-mobile personal computer (UMPC), a netbook or a Personal Digital Assistant (PDA), and the like, and the non-mobile electronic device may be a Network Attached Storage (NAS), a personal computer (personal computer, PC), a Television (TV), a teller machine, a self-service machine, and the like, and the embodiments of the present application are not limited in particular.
The electronic device in the embodiment of the present application may be an apparatus having an operating system. The operating system may be an Android (Android) operating system, an ios operating system, or other possible operating systems, and embodiments of the present application are not limited specifically.
In addition, in the implementation, the distribution positions and the number of the antennas on the electronic device, the distribution positions of the radio frequency transceiver modules, and the like have variability.
As an optional implementation, the electronic device includes a battery, and the first antenna and the first rf transceiver module are located on a first side of the battery, and the second antenna and the second rf transceiver module are located on a second side of the battery, where the first side and the second side are opposite sides of the battery.
In the application, the battery occupies a larger area in the electronic device, and in the embodiment of the application, the battery is taken as a boundary, and the antennas located at two opposite sides of the battery are respectively connected to different radio frequency transceiver modules.
In implementation, the number of the first antennas may be 2, 4, 5 or even more, and the distribution positions of the first antennas on the electronic device may be changed according to the structure of the electronic device, the antenna performance requirements, and the like, and the following description will exemplify the respective positions of the antennas and the radio frequency transceiver modules in the electronic device provided in the embodiment of the present application, by taking the application scenarios as shown in fig. 4, fig. 6, and fig. 8 as examples:
as shown in fig. 4, 4 antennas are provided in the electronic device, wherein the first antenna (ANT0, ANT1) and the first power amplifier PA0 in the first rf transceiver module are both located on the upper side of thebattery 8, and the other two second antennas (ANT2 and ANT3) and the second power amplifier PA1 in the second rf transceiver module are both located on the lower side of the transverse central axis of the electronic device, so that the PA0 may be connected to any antenna of the ANT0 and ANT1 through thethird switch 61, and the PA1 may be connected to the ANT2 and ANT3 through thefourth switch 62.
As shown in fig. 6, the electronic device is provided with 4 antennas, wherein the first antenna (ANT0, ANT1 and ANT2) and the first power amplifier PA0 in the first rf transceiver module are located on the upper side of thebattery 8, and the other second antenna (ANT3) and the second power amplifier PA1 in the second rf transceiver module are located on the lower side of thebattery 8, so that the PA0 may be connected to any antenna of ANT0, ANT1 and ANT2 through thethird switch 61, and the PA1 may be connected to or disconnected from ANT3 through thefourth switch 62.
As shown in fig. 8, 4 antennas are provided in the electronic device, wherein the first antenna (ANT0) and the first power amplifier PA0 in the first rf transceiver module are both located on the upper side of thebattery 8, and the other three second antennas (ANT1, ANT2, and ANT3) and the second power amplifier PA1 in the second rf transceiver module are all located on the lower side of thebattery 8, so that the PA0 may be connected to or disconnected from the ANT0 through thethird switch 61, and the PA1 may be connected to any antenna among the ANT1, ANT2, and ANT3 through thefourth switch 62.
According to the embodiment, the antenna on one side of the battery is prevented from being connected to the radio frequency transceiver module on the other side of the battery through a long feeder, so that the length of the feeder between the antenna and the radio frequency transceiver module can be effectively shortened, and the radio frequency loss is reduced.
The electronic device provided in the embodiment of the present application has the radio frequency circuit as shown in any one of fig. 2, fig. 3, fig. 5, and fig. 7, and in a process of performing radio frequency receiving and radio frequency transmitting functions based on the radio frequency circuit, the electronic device provided in the embodiment of the present application has good communication performance, has the same beneficial effects as those in the embodiment of the radio frequency circuit provided in the present application, and is not repeated here to avoid repetition.
It should be noted that, in this document, the terms "comprises," "comprising," or any other variation thereof, are intended to cover a non-exclusive inclusion, such that a process, method, article, or apparatus that comprises a list of elements does not include only those elements but may include other elements not expressly listed or inherent to such process, method, article, or apparatus. Without further limitation, an element defined by the phrase "comprising an … …" does not exclude the presence of other like elements in a process, method, article, or apparatus that comprises the element. Further, it should be noted that the scope of the methods and apparatus of the embodiments of the present application is not limited to performing the functions in the order illustrated or discussed, but may include performing the functions in a substantially simultaneous manner or in a reverse order based on the functions involved, e.g., the methods described may be performed in an order different than that described, and various steps may be added, omitted, or combined. In addition, features described with reference to certain examples may be combined in other examples.
Through the above description of the embodiments, those skilled in the art will clearly understand that the method of the above embodiments can be implemented by software plus a necessary general hardware platform, and certainly can also be implemented by hardware, but in many cases, the former is a better implementation manner. Based on such understanding, the technical solutions of the present application may be embodied in the form of a software product, which is stored in a storage medium (such as ROM/RAM, magnetic disk, optical disk) and includes instructions for enabling a terminal (such as a mobile phone, a computer, a server, an air conditioner, or a network device) to execute the method according to the embodiments of the present application.
While the present embodiments have been described with reference to the accompanying drawings, it is to be understood that the invention is not limited to the precise embodiments described above, which are meant to be illustrative and not restrictive, and that various changes may be made therein by those skilled in the art without departing from the spirit and scope of the invention as defined by the appended claims.

Claims (10)

Translated fromChinese
1.一种射频电路,其特征在于,包括:1. a radio frequency circuit, is characterized in that, comprises:射频收发器,所述射频收发器包括第一基带信号端、第二基带信号端、第一切换模块、第一混频模块以及第二混频模块,所述第一切换模块与所述第一基带信号端、所述第二基带信号端、所述第一混频模块以及所述第二混频模块分别连接;a radio frequency transceiver, the radio frequency transceiver includes a first baseband signal terminal, a second baseband signal terminal, a first switching module, a first frequency mixing module and a second frequency mixing module, the first switching module and the first The baseband signal terminal, the second baseband signal terminal, the first frequency mixing module and the second frequency mixing module are respectively connected;天线组,所述天线组包括第一天线和第二天线;an antenna group, the antenna group including a first antenna and a second antenna;射频收发单元,所述射频收发单元包括第一射频收发模块和第二射频收发模块;所述第一射频收发模块连接于所述第一天线和所述第一混频模块之间,所述第二射频收发模块连接于所述第二天线和所述第二混频模块之间;a radio frequency transceiver unit, the radio frequency transceiver unit includes a first radio frequency transceiver module and a second radio frequency transceiver module; the first radio frequency transceiver module is connected between the first antenna and the first frequency mixing module, and the first radio frequency transceiver module is connected between the first antenna and the first frequency mixing module. two radio frequency transceiver modules are connected between the second antenna and the second frequency mixing module;其中,所述射频电路具有第一工作状态和第二工作状态;Wherein, the radio frequency circuit has a first working state and a second working state;当所述射频电路处于所述第一工作状态下,所述第一基带信号端经所述第一切换模块连接至所述第一混频模块;When the radio frequency circuit is in the first working state, the first baseband signal terminal is connected to the first mixing module through the first switching module;当所述射频电路处于所述第二工作状态下,所述第一基带信号端经所述第一切换模块连接至所述第二混频模块。When the radio frequency circuit is in the second working state, the first baseband signal terminal is connected to the second mixing module through the first switching module.2.根据权利要求1所述的射频电路,其特征在于,所述第一天线的数量为N个,所述第二天线的数量为M个,所述N和所述M分别为大于0的整数;2 . The radio frequency circuit according to claim 1 , wherein the number of the first antennas is N, the number of the second antennas is M, and the N and the M are respectively greater than 0. 3 . integer;所述射频电路还包括第二切换模块,所述第二切换模块与N个第一天线、M个第二天线、所述第一射频收发模块以及所述第二射频收发模块分别连接;The radio frequency circuit further includes a second switching module, the second switching module is respectively connected with the N first antennas, the M second antennas, the first radio frequency transceiver module and the second radio frequency transceiver module;所述第一射频收发模块分别与所述N个第一天线之间的插入损耗之间的差异小于第一预设值,且所述第二射频收发模块分别与所述M个第二天线之间的插入损耗小于第二预设值;The difference between the insertion losses of the first radio frequency transceiver module and the N first antennas is smaller than a first preset value, and the distance between the second radio frequency transceiver module and the M second antennas is smaller than the first preset value. The insertion loss between the two is less than the second preset value;其中,在所述第一工作状态下,所述第二切换模块用于将所述N个第一天线中的至少一个与所述第一射频收发模块连接;Wherein, in the first working state, the second switching module is configured to connect at least one of the N first antennas to the first radio frequency transceiver module;在所述第二工作状态下,所述第二切换模块用于将所述M个第二天线中的至少一个与所述第二射频收发模块连接。In the second working state, the second switching module is configured to connect at least one of the M second antennas to the second radio frequency transceiver module.3.根据权利要求1或2所述的射频电路,其特征在于,所述第一切换模块包括第一开关和第二开关;3. The radio frequency circuit according to claim 1 or 2, wherein the first switching module comprises a first switch and a second switch;所述第一开关的第一端与所述第一基带信号端连接,所述第一开关的第二端与所述第一混频模块的输入端连接,所述第一开关的第三端与所述第二开关的第三端连接;The first end of the first switch is connected to the first baseband signal end, the second end of the first switch is connected to the input end of the first frequency mixing module, and the third end of the first switch is connected connected with the third end of the second switch;所述第二开关的第一端与所述第二基带信号端连接,所述第二开关的第二端与所述第二混频模块的输入端连接;The first end of the second switch is connected to the second baseband signal end, and the second end of the second switch is connected to the input end of the second frequency mixing module;其中,在所述第一工作状态下,所述第一开关的第一端与所述第一开关的第二端连通;Wherein, in the first working state, the first end of the first switch communicates with the second end of the first switch;在所述第二工作状态下,所述第一开关的第一端与所述第一开关的第三端连通,且所述第二开关的第三端与所述第二开关的第二端连通。In the second working state, the first end of the first switch communicates with the third end of the first switch, and the third end of the second switch communicates with the second end of the second switch Connected.4.根据权利要求2所述的射频电路,其特征在于,所述第二切换模块包括第三开关和第四开关;4. The radio frequency circuit according to claim 2, wherein the second switching module comprises a third switch and a fourth switch;所述第三开关的第一端与所述第一射频收发模块的输出端连接,所述第三开关的N个第二端分别与N个所述第一天线连接;The first end of the third switch is connected to the output end of the first radio frequency transceiver module, and the N second ends of the third switch are respectively connected to the N first antennas;所述第四开关的第一端与所述第二射频收发模块的输出端连接,所述第四开关的M个第二端分别与M个所述第二天线连接;The first end of the fourth switch is connected to the output end of the second radio frequency transceiver module, and the M second ends of the fourth switch are respectively connected to the M second antennas;在所述第一工作状态下,所述第三开关的第一端与所述第三开关的一个第二端连通;In the first working state, the first end of the third switch is connected to a second end of the third switch;在所述第二工作状态下,所述第四开关的第一端与所述第四开关的一个第二端连通。In the second working state, the first end of the fourth switch communicates with a second end of the fourth switch.5.根据权利要求1或2所述的射频电路,其特征在于,还包括:射频接收模块;5. The radio frequency circuit according to claim 1 or 2, characterized in that, further comprising: a radio frequency receiving module;所述射频接收模块连接于所述射频收发器与第一目标天线之间;the radio frequency receiving module is connected between the radio frequency transceiver and the first target antenna;其中,所述第一天线和所述第二天线包括所述第一目标天线。Wherein, the first antenna and the second antenna include the first target antenna.6.根据权利要求4所述的射频电路,其特征在于,所述射频电路还包括第三状态,在所述第三状态下,所述第一切换模块用于将所述第一基带信号端与所述第一混频模块连接,以及将所述第二基带信号端与所述第二混频模块连接;6. The radio frequency circuit according to claim 4, wherein the radio frequency circuit further comprises a third state, and in the third state, the first switching module is configured to switch the first baseband signal terminal connecting with the first frequency mixing module, and connecting the second baseband signal terminal with the second frequency mixing module;所述第二切换模块用于将所述N个第一天线中的至少一个第一天线与所述第一射频收发模块连接,以及将所述M个第二天线中的至少一个第二天线与所述第二射频收发模块连接。The second switching module is configured to connect at least one of the N first antennas to the first radio frequency transceiver module, and to connect at least one of the M second antennas to the first radio frequency transceiver module. The second radio frequency transceiver module is connected.7.根据权利要求1所述的射频电路,其特征在于,所述射频电路中的第一射频收发模块分别与N个第一天线之间的插入损耗之间的差异小于第一预设值,且所述射频电路中的第二射频收发模块分别与M个第二天线之间的插入损耗小于第二预设值。7 . The radio frequency circuit according to claim 1 , wherein the difference between the insertion losses of the first radio frequency transceiver module in the radio frequency circuit and the N first antennas is smaller than a first preset value, 8 . And the insertion loss between the second radio frequency transceiver module in the radio frequency circuit and the M second antennas is smaller than the second preset value.8.根据权利要求1所述的射频电路,其特征在于,所述第一天线与所述第一射频收发模块之间的走线距离小于所述第一天线与所述第二射频收发模块之间的走线距离,所述第二天线与所述第二射频收发模块之间的走线距离小于所述第二天线与所述第一射频收发模块之间的走线距离。8 . The radio frequency circuit according to claim 1 , wherein a wiring distance between the first antenna and the first radio frequency transceiver module is smaller than a distance between the first antenna and the second radio frequency transceiver module. 9 . The routing distance between the second antenna and the second radio frequency transceiver module is smaller than the routing distance between the second antenna and the first radio frequency transceiver module.9.一种电子设备,其特征在于,包括如权利要求1-8中任一项所述的射频电路。9. An electronic device, comprising the radio frequency circuit according to any one of claims 1-8.10.根据权利要求9所述的电子设备,其特征在于,所述电子设备包括电池,所述第一天线和所述第一射频收发模块位于所述电池的第一侧,所述第二天线和所述第二射频收发模块位于所述电池的第二侧,其中,所述第一侧和所述第二侧为所述电池的相对两侧。10. The electronic device according to claim 9, wherein the electronic device comprises a battery, the first antenna and the first radio frequency transceiver module are located on a first side of the battery, and the second antenna and the second radio frequency transceiver module is located on the second side of the battery, wherein the first side and the second side are opposite sides of the battery.
CN202120137025.1U2021-01-192021-01-19 RF Circuits and Electronic EquipmentActiveCN213754503U (en)

Priority Applications (1)

Application NumberPriority DateFiling DateTitle
CN202120137025.1UCN213754503U (en)2021-01-192021-01-19 RF Circuits and Electronic Equipment

Applications Claiming Priority (1)

Application NumberPriority DateFiling DateTitle
CN202120137025.1UCN213754503U (en)2021-01-192021-01-19 RF Circuits and Electronic Equipment

Publications (1)

Publication NumberPublication Date
CN213754503Utrue CN213754503U (en)2021-07-20

Family

ID=76838189

Family Applications (1)

Application NumberTitlePriority DateFiling Date
CN202120137025.1UActiveCN213754503U (en)2021-01-192021-01-19 RF Circuits and Electronic Equipment

Country Status (1)

CountryLink
CN (1)CN213754503U (en)

Cited By (2)

* Cited by examiner, † Cited by third party
Publication numberPriority datePublication dateAssigneeTitle
CN114124145A (en)*2021-11-302022-03-01Oppo广东移动通信有限公司Radio frequency system and communication equipment
CN115133945A (en)*2022-05-112022-09-30深圳市有方科技股份有限公司Signal processing device and method

Cited By (3)

* Cited by examiner, † Cited by third party
Publication numberPriority datePublication dateAssigneeTitle
CN114124145A (en)*2021-11-302022-03-01Oppo广东移动通信有限公司Radio frequency system and communication equipment
CN115133945A (en)*2022-05-112022-09-30深圳市有方科技股份有限公司Signal processing device and method
CN115133945B (en)*2022-05-112024-04-12东莞有方物联网科技有限公司Signal processing device and method

Similar Documents

PublicationPublication DateTitle
CN108988904B (en)Radio frequency system, antenna switching control method and related product
CN114172773B (en) Modulation method and device, communication device and readable storage medium
CN113037323B (en)Radio frequency circuit, control method of radio frequency circuit and electronic equipment
CN112272044B (en)Radio frequency circuit and electronic equipment
CN115589232A (en)Radio frequency L-PA Mid device, radio frequency transceiving system and communication equipment
CN113271113B (en)Radio frequency system, radio frequency assembly and communication equipment
CN106685468B (en)Radio frequency circuit, terminal and radio frequency circuit control method
WO2022001746A1 (en)Radio frequency circuit and electronic device
CN112688715B (en) Antenna circuit and electronic equipment
CN112383320B (en)Radio frequency circuit, electronic device and method for transmitting and receiving radio frequency signal
CN211606531U (en)Signal processing circuit and electronic equipment
CN213754503U (en) RF Circuits and Electronic Equipment
CN212909519U (en)Radio frequency front-end circuit and electronic equipment
CN213072651U (en)Radio frequency device and electronic equipment
EP4220971A1 (en)Radio frequency drx device, radio frequency system, and communication apparatus
CN118175569A (en)Testing device and multi-link performance testing system
CN112886973B (en)Radio frequency circuit and electronic equipment
CN106656250A (en)Radio frequency circuit, terminal and radio frequency circuit control method
CN111669199A (en) Power detection circuit and electronic equipment
CN213367788U (en)Radio frequency front-end circuit and electronic equipment
CN212324099U (en)Radio frequency circuit and electronic device
CN112564731B (en)Signal processing circuit, method and electronic device
WO2024067406A1 (en)Radio frequency circuit and electronic device
CN213213464U (en) RF Structures and Electronics
CN112398491B (en)Electronic device

Legal Events

DateCodeTitleDescription
GR01Patent grant
GR01Patent grant

[8]ページ先頭

©2009-2025 Movatter.jp