Movatterモバイル変換


[0]ホーム

URL:


CN211905678U - Electronic positioning label capable of alarming and prompting - Google Patents

Electronic positioning label capable of alarming and prompting
Download PDF

Info

Publication number
CN211905678U
CN211905678UCN202020433016.2UCN202020433016UCN211905678UCN 211905678 UCN211905678 UCN 211905678UCN 202020433016 UCN202020433016 UCN 202020433016UCN 211905678 UCN211905678 UCN 211905678U
Authority
CN
China
Prior art keywords
module
control module
electronic positioning
alarm
positioning label
Prior art date
Legal status (The legal status is an assumption and is not a legal conclusion. Google has not performed a legal analysis and makes no representation as to the accuracy of the status listed.)
Active
Application number
CN202020433016.2U
Other languages
Chinese (zh)
Inventor
毛东方
Current Assignee (The listed assignees may be inaccurate. Google has not performed a legal analysis and makes no representation or warranty as to the accuracy of the list.)
Wuxi Realid Technology Co ltd
Original Assignee
Wuxi Realid Technology Co ltd
Priority date (The priority date is an assumption and is not a legal conclusion. Google has not performed a legal analysis and makes no representation as to the accuracy of the date listed.)
Filing date
Publication date
Application filed by Wuxi Realid Technology Co ltdfiledCriticalWuxi Realid Technology Co ltd
Priority to CN202020433016.2UpriorityCriticalpatent/CN211905678U/en
Application grantedgrantedCritical
Publication of CN211905678UpublicationCriticalpatent/CN211905678U/en
Activelegal-statusCriticalCurrent
Anticipated expirationlegal-statusCritical

Links

Images

Landscapes

Abstract

The utility model relates to an electronic tags field discloses an electronic positioning label that can report to police suggestion, including the control module who is used for system control and processing, to control module input detection signal's accelerometer module, the alarm module who is connected with the control module electricity, send position signal's UWB ranging module, send the antenna module of label information and the power module who is used for the power supply, UWB ranging module and antenna module are connected to control module electricity respectively. The staff wears electronic positioning label, and electronic positioning label passes through UWB ranging module and measures the distance of staff and basic station, and the basic station can be installed on transport vehicles such as fork truck, floor truck, if the distance of staff and basic station is within dangerous distance, control module drive alarm module work, bee calling organ makes a sound promptly, the motor produces vibrations, reminds the staff to dodge, prevents the incident.

Description

Electronic positioning label capable of alarming and prompting
Technical Field
The utility model relates to an electronic tags field, concretely relates to electronic positioning label that can report to police and indicate.
Background
In local positioning systems, most of the electronic tags send tag information to nearby base stations, and the base stations position the tags according to the received signals. For example, patent document CN210109846U discloses a new type of RFID positioning electronic tag, which has an extended radio frequency range and high applicability. However, in some dangerous working occasions, if the electronic tag can only display the position of the worker, the worker wearing the tag cannot be warned according to the position information, and safety accidents are easily caused.
SUMMERY OF THE UTILITY MODEL
In view of the not enough of background art, the utility model provides an electronic positioning label that can report to police suggestion, the technical problem that solve is that current electronic positioning label can only show the staff's of wearing electronic positioning label positional information in positioning system mostly, in some dangerous work occasions, can not report to the police the suggestion to the staff according to positional information.
For solving the technical problem, the utility model provides a following technical scheme: an electronic positioning tag capable of giving an alarm prompt comprises a control module for system control and processing, an alarm module electrically connected with the control module, a ranging module for sending a position signal, an antenna module for sending tag information and a power supply module for supplying power, wherein the control module is electrically connected with a UWB ranging module and the antenna module respectively.
Further, the control module is an STM32F103C8T6 singlechip.
Further, the power module comprises a battery, a battery socket and a voltage conversion unit, wherein the battery is electrically connected with the voltage conversion unit through the battery socket, and the voltage conversion unit converts the battery voltage into working voltage.
Further, the alarm module comprises a buzzer alarm unit and a vibration alarm unit, wherein the buzzer alarm unit is configured to generate sound for alarming, and the vibration alarm unit is configured to generate vibration for alarming.
Furthermore, the distance measurement module is a UWB distance measurement module, and the UWB distance measurement module is also electrically connected with the temperature compensation crystal oscillator circuit.
Furthermore, the control module is also connected with an accelerometer module, and the accelerometer module inputs a detection signal to the control module. The accelerometer module adopts a digital acceleration sensor with the model number MMA8452Q, and the digital acceleration sensor is electrically connected with the control module through an I2C bus.
Compared with the prior art, the utility model beneficial effect who has is: in a positioning system, the utility model discloses a UWB positioning module can high accuracy measurement electronic location label and the distance of the fork truck that has the basic station, if electronic location label is less than dangerous distance with fork truck's distance, can sign and can report to the police the suggestion to the staff who wears the label through alarm module, prevent with fork truck bump, avoid the emergence of incident, UWB positioning module connects the temperature compensation crystal oscillator circuit in addition, can improve UWB positioning module's interference killing feature.
Drawings
The utility model discloses there is following figure:
FIG. 1 is a block diagram of the present invention;
fig. 2 is a schematic diagram of a control module of the present invention;
fig. 3 is a schematic diagram of a UWB ranging module of the present invention;
FIG. 4 is a circuit diagram of the temperature compensated crystal oscillator circuit of the present invention;
fig. 5 is a circuit diagram of the antenna module of the present invention;
fig. 6 is a circuit diagram of a voltage conversion unit according to the present invention;
fig. 7 is a circuit diagram of an accelerometer module of the present invention;
FIG. 8is a circuit diagram of the buzzer alarm power supply of the present invention;
fig. 9 is a circuit diagram of the vibration alarm unit of the present invention.
Detailed Description
The present invention will now be described in further detail with reference to the accompanying drawings. These drawings are simplified schematic drawings and illustrate the basic structure of the present invention only in a schematic manner, and thus show only the components related to the present invention.
As shown in fig. 1, an electronic positioning tag capable of alarming and prompting includes acontrol module 1 for system control and processing, anaccelerometer module 6 for inputting detection signals to thecontrol module 1, analarm module 7 electrically connected to thecontrol module 1, aUWB ranging module 2 for sending position signals, anantenna module 4 for sending tag information, and apower supply module 5 for supplying power, wherein thecontrol module 1 is electrically connected to theUWB ranging module 2 and theantenna module 4, respectively.
As shown in FIG. 2, thecontrol module 1 adopts an STM32F103C8T6 singlechip.
As shown in fig. 3, theUWB ranging module 2 includes a DW1000 chip and an HHM1595a1 chip, wherein pin No. 3 and pin No. three of the HHM1595a1 chip are electrically connected to pin No. 18 and pin No. 17 of the DW1000, respectively. The electronic positioning tag sends wireless signals through the HHM1595A1 chip, and the base station obtains the distance between the base station and the electronic positioning tag according to the time and the transmission speed of the received signals.
In order to enhance the anti-interference capability of theUWB ranging module 2, theUWB ranging module 2 is further connected to a temperature compensationcrystal oscillator circuit 3, and a circuit diagram of the temperature compensationcrystal oscillator circuit 3 is shown in fig. 4.
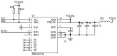
Fig. 5 is a circuit diagram of theantenna module 4 of the present invention, and thecontrol module 1 sends tag information to a base station near through theantenna module 4.
Thepower module 5 comprises a battery, a battery socket and a voltage conversion unit, wherein the battery is electrically connected with the voltage conversion unit through the battery socket, and the voltage conversion unit converts the battery voltage into 3.3V working voltage. The circuit diagram of the voltage conversion unit is shown in fig. 6, and the circuit adopts an XRP6658ISTR-F power chip, and VBAT is the connection terminal of the battery and the power chip.
As shown in fig. 7, theaccelerometer module 6 comprises a digital acceleration sensor, model MMA8452Q, which is electrically connected to thecontrol module 1 via an I2C bus. Theaccelerometer module 6 can detect whether the tag is in motion or static state, and if the tag is in static state for a long time, thecontrol module 1 can stop working, so that energy consumption is reduced, and cruising ability is improved.
Thealarm module 7 comprises a buzzer alarm unit and a vibration alarm unit. The buzzer alarm unit shown in fig. 8 comprises a sound signal input end BUZ, a buzzer, a power supply VCC33 and a MOS tube Q2, wherein a No. 21 pin of a single chip microcomputer is connected with the sound driving signal input end BUZ, the sound driving signal input end BUZ is connected with a grid electrode of the MOS tube Q2 through a resistor R9, the power supply VCC33 is connected with the buzzer, the buzzer is connected with a source electrode of the MOS tube Q2, and a drain electrode of the MOS tube Q2 is grounded. When the sound driving signal input end BUZ inputs a high level signal, the MOS tube Q2 is conducted, and the buzzer sounds.
As shown in fig. 9, the vibration alarm unit includes a vibration driving signal input terminal VIBE, a power supply VCC33, a motor, a diode D1, a MOS transistor Q3 and a diode D4, apin 22 of the single chip microcomputer is connected to the vibration driving signal input terminal VIBE, the vibration driving signal input terminal VIBE is connected to the gate of the MOS transistor Q3 through a resistor R18, a power supply VCC33 is connected to the anode of the motor and the cathode of the diode D4 through a resistor R10, the cathode of the motor is connected to the anode of the diode D4 and the cathode of the MOS transistor Q3, the drain of the MOS transistor Q3 is grounded, and when the vibration driving signal input terminal VIBE inputs a high level signal, the MOS transistor Q3 is turned on, and the motor emits vibration.
The utility model discloses the theory of operation as follows: the staff wears electronic positioning label, and electronic positioning label passes through UWB ranging module and measures the distance of staff and basic station, and the basic station can be installed on transport vehicles such as fork truck, floor truck, if the distance of staff and basic station is within dangerous distance, control module drive alarm module work, and bee calling organ makes a sound promptly, the motor produces vibrations, reminds the staff to dodge.
In light of the above, the present invention is not limited to the above embodiments, and various changes and modifications can be made by the worker without departing from the scope of the present invention. The technical scope of the present invention is not limited to the content of the specification, and must be determined according to the scope of the claims.

Claims (7)

CN202020433016.2U2020-03-302020-03-30Electronic positioning label capable of alarming and promptingActiveCN211905678U (en)

Priority Applications (1)

Application NumberPriority DateFiling DateTitle
CN202020433016.2UCN211905678U (en)2020-03-302020-03-30Electronic positioning label capable of alarming and prompting

Applications Claiming Priority (1)

Application NumberPriority DateFiling DateTitle
CN202020433016.2UCN211905678U (en)2020-03-302020-03-30Electronic positioning label capable of alarming and prompting

Publications (1)

Publication NumberPublication Date
CN211905678Utrue CN211905678U (en)2020-11-10

Family

ID=73274537

Family Applications (1)

Application NumberTitlePriority DateFiling Date
CN202020433016.2UActiveCN211905678U (en)2020-03-302020-03-30Electronic positioning label capable of alarming and prompting

Country Status (1)

CountryLink
CN (1)CN211905678U (en)

Cited By (1)

* Cited by examiner, † Cited by third party
Publication numberPriority datePublication dateAssigneeTitle
CN112423222A (en)*2020-11-182021-02-26苏州爱蓝信电子科技有限公司Fork truck collision avoidance system based on UWB location

Cited By (2)

* Cited by examiner, † Cited by third party
Publication numberPriority datePublication dateAssigneeTitle
CN112423222A (en)*2020-11-182021-02-26苏州爱蓝信电子科技有限公司Fork truck collision avoidance system based on UWB location
CN112423222B (en)*2020-11-182022-05-03苏州爱蓝信电子科技有限公司Fork truck collision avoidance system based on UWB location

Similar Documents

PublicationPublication DateTitle
US12161895B2 (en)Safety harness motion detector systems and methods for use
CN211905678U (en)Electronic positioning label capable of alarming and prompting
CN115447324B (en)Tire temperature detection system and method
CN113823124A (en)Beidou AIS multifunctional navigation mark system
CN117007122A (en)Monitoring method, device and system for well lid abnormality
CN210835658U (en)Remote monitoring system applied to well lid
CN204965642U (en)Manhole cover anti -theft system
CN209016749U (en)A kind of vehicle-mounted wireless charging device based on touch function
CN219802590U (en)UWB positioning card
CN208438903U (en)A kind of intelligence seal
CN217008427U (en)Pedestrian and vehicle distance measurement anti-collision alarm system
CN107703347A (en)The early warning system of broken hidden danger source vehicle outside a kind of high-tension line
CN211895931U (en)Forklift anti-collision device
CN108665043B (en)Semi-active magnetic tag and implementation method thereof
CN206125239U (en)Anti -theft device for electrocar
CN206387911U (en)On-vehicle positioning terminal
CN212267511U (en)Railway construction operation safety protection early warning system
CN213211077U (en)Bus stop board guide system
CN212540752U (en)A highway vehicle early warning device for reminding construction workman
CN211181058U (en)Intelligent video recording and analyzing vehicle recognition device
CN205942752U (en)Road sign automatic identification's device can carry out
CN103129581B (en)Railway bridges and culverts limit for height bumper frame intelligent alarm system
CN202838383U (en)Mine personnel positioning identification card
CN206635640U (en)Bridge pad intelligent monitoring device
CN213934145U (en)Battery inspection circuit of automobile emergency power supply

Legal Events

DateCodeTitleDescription
GR01Patent grant
GR01Patent grant

[8]ページ先頭

©2009-2025 Movatter.jp