













技术领域technical field
本实用新型属于智能设备技术领域,具体涉及一种具有健康数据监测功能的智能马桶盖装置。The utility model belongs to the technical field of intelligent equipment, in particular to an intelligent toilet cover device with a health data monitoring function.
背景技术Background technique
随着物联网的发展,伴随着我国人口老龄化进程的加剧, 中老年人对医疗服务、养老服务及健康管理等的需求,以及人们对自身健康关注度的提高,越来越多的用户会选择一些具备健康数据监测的产品,市面上有一些具备健康数据检测的体检仪和可穿戴产品都存在着种种的不便,这类产品都需要用户进行配合使用,即需要一个特定的测试环境,会干扰用户的日常生活。而如厕是每个人每天都要做的事,所以利用如厕这个场景,发明一个具备健康管理并检测健康数据功能的马桶盖的需求是十分有必要的,这样的马桶盖可以避免用户在特定的条件下进行测量,不干扰用户的正常生活。With the development of the Internet of Things, along with the intensification of the aging process of my country's population, the needs of middle-aged and elderly people for medical services, elderly care services and health management, as well as people's increasing attention to their own health, more and more users will choose Some products with health data monitoring, some medical instruments and wearable products with health data detection on the market have all kinds of inconveniences. These products all require users to cooperate with each other, that is, they need a specific test environment, which will interfere with daily life of users. And going to the toilet is something everyone has to do every day, so it is very necessary to use the scene of going to the toilet to invent a toilet cover with the function of health management and health data detection. Such a toilet cover can prevent users from Under the conditions of measurement, it does not interfere with the normal life of the user.
现有技术中,公开号为:CN108498087A,名称一种基于物联网的体征检测马桶圈,其包含体温传感器,脉搏传感器,称重传感器、尿液传感器、无线传输模块。其体温传感器用于实时检测人体体表温度;脉搏传感器利用光电容积检测人体脉搏信号;称重传感器用于测量人体体重信号;尿液检测模块通过球面积分仪接受双波长反射光的方式测定尿液颜色的变化,并转换为电信号输出。无线传输模块用于将测量数据传输到远程诊断系统,以达到体征监测的目的。在该技术方案中,体温传感器,脉搏传感器围绕马桶圈呈环形排列,称重传感器布置在马桶的前端,尿液传感器安装在马桶的内腔桶壁上。但是在实际使用中,为满足用户的使用,往往需要与现有的加热冲水等功能结合使用,在此基础上,体温传感器会因为加热功能的干扰从而影响结果,因此该功能并不适用于这个使用环境。而称重传感器仅设置在马桶的前端,会导致整个结构受力不均衡,从而导致体重的测量产生偏差。而单纯的体重数据对身体健康的诊断是远远不够的。另外由于个体测量的结果,单纯从数据上来看差异不大,并不能有效区分每个被测量用户的身份,容易出现不正确的诊断结果。In the prior art, the publication number is: CN108498087A, the name is a toilet seat based on the physical sign detection based on the Internet of Things, which includes a body temperature sensor, a pulse sensor, a weighing sensor, a urine sensor, and a wireless transmission module. The body temperature sensor is used to detect the temperature of the human body surface in real time; the pulse sensor uses the photoelectric volume to detect the human pulse signal; the weighing sensor is used to measure the human body weight signal; the urine detection module uses the spherical analyzer to receive dual wavelength reflected light to measure urine The color change is converted into electrical signal output. The wireless transmission module is used to transmit the measurement data to the remote diagnosis system to achieve the purpose of physical sign monitoring. In this technical solution, the body temperature sensor and the pulse sensor are arranged in a ring around the toilet ring, the weighing sensor is arranged at the front end of the toilet, and the urine sensor is installed on the inner cavity wall of the toilet. However, in actual use, in order to meet the needs of users, it is often necessary to combine with the existing functions such as heating and flushing. On this basis, the body temperature sensor will affect the results due to the interference of the heating function, so this function is not suitable for this usage environment. However, the load cell is only arranged at the front end of the toilet, which will cause the entire structure to be unbalanced, resulting in deviations in the measurement of body weight. The weight data alone is far from enough to diagnose physical health. In addition, due to the results of individual measurement, there is little difference in the data alone, and the identity of each measured user cannot be effectively distinguished, and incorrect diagnosis results are prone to occur.
实用新型内容Utility model content
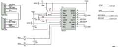
针对现有技术中存在的问题,本实用新型设计的目的在于提供一种具有健康数据监测功能的智能马桶盖装置。该装置可以让用户在日常使用马桶的时候,自动地对身体健康数据进行监测,其具有体重,心率,阻抗值(可以计算人体的体脂率、水分率、肌肉量、蛋白质、基础代谢值等身体成分数据),如厕时间及时段的测量功能。可以在尽可能不去干扰用户日常使用的情况下,测量相应数据上传至云计算中心,对用户的健康状况进行评估,对不良的生活习惯提出改进建议。Aiming at the problems existing in the prior art, the purpose of the design of the present invention is to provide an intelligent toilet cover device with a health data monitoring function. The device allows users to automatically monitor physical health data when using the toilet every day. It has weight, heart rate, impedance value (can calculate body fat rate, water rate, muscle mass, protein, basal metabolic value, etc. body composition data), measurement functions of toilet time and period. In the case of not interfering with the daily use of the user as much as possible, the corresponding data can be measured and uploaded to the cloud computing center, the user's health status can be evaluated, and suggestions for improvement of bad living habits can be made.
本实用新型通过以下技术方案加以实现:The utility model is realized through the following technical solutions:
所述的一种具有健康数据检测功能的智能马桶盖装置,其特征在于包括数据采集控制主机及马桶圈采集传感器,所述数据采集控制主机包括主控芯片、具有体重采集和信号处理电路的体重监测系统、设置有心率测量模块接口的心率监测系统、设置有阻抗信号处理电路的人体阻抗监测系统、设置有数据存储电路的本地数据存储系统、设置有指纹监测模块的用户身份识别系统、设置有语音播放控制电路的语音提醒系统、设置有BLE蓝牙模块及Wifi模块的数据通信系统,所述马桶圈采集传感器包括马桶圈本体及设置在马桶圈本体上的四只半桥电阻应变式压力传感器、光电心率传感器和四个阻抗采集金属电极。The intelligent toilet cover device with health data detection function is characterized in that it includes a data acquisition control host and a toilet seat acquisition sensor, and the data acquisition control host includes a main control chip, a body weight with a weight acquisition and signal processing circuit. Monitoring system, heart rate monitoring system provided with heart rate measurement module interface, human body impedance monitoring system provided with impedance signal processing circuit, local data storage system provided with data storage circuit, user identification system provided with fingerprint monitoring module, provided with A voice reminder system of a voice playback control circuit, a data communication system provided with a BLE Bluetooth module and a Wifi module, the toilet seat acquisition sensor includes a toilet seat body and four half-bridge resistance strain pressure sensors arranged on the toilet seat body, Photoelectric heart rate sensor and four impedance acquisition metal electrodes.
所述体重监测系统中的体重采集由压力传感器完成,所述压力传感器由设置在马桶圈本体上的四只半桥电阻应变式压力传感器构成,所述信号处理电路包括压力传感器和体重信号处理芯片HX711高精度24位A/D转换芯片以及相应的外围电路,所述压力传感器通过24位A/D转换芯片与主控芯片相连。The weight acquisition in the weight monitoring system is completed by a pressure sensor, the pressure sensor is composed of four half-bridge resistance strain-type pressure sensors arranged on the toilet seat body, and the signal processing circuit includes a pressure sensor and a weight signal processing chip HX711 high-precision 24-bit A/D conversion chip and corresponding peripheral circuits, the pressure sensor is connected to the main control chip through the 24-bit A/D conversion chip.
所述心率监测系统由光电心率传感器构成,所述光电心率传感器与主控芯片相连,主控芯片读取光电心率传感器的电压数据进行计算。The heart rate monitoring system is composed of a photoelectric heart rate sensor, the photoelectric heart rate sensor is connected to a main control chip, and the main control chip reads the voltage data of the photoelectric heart rate sensor for calculation.
所述人体阻抗监测系统由四个阻抗采集金属电极和阻抗信号处理电路构成,阻抗信号处理电路主要由阻抗信号处理芯片CS1256及相应外围电路构成,所述阻抗采集金属电极通过阻抗信号处理芯片与主控芯片相连。The human body impedance monitoring system is composed of four impedance acquisition metal electrodes and an impedance signal processing circuit. The impedance signal processing circuit is mainly composed of an impedance signal processing chip CS1256 and corresponding peripheral circuits. The impedance acquisition metal electrodes are connected with the main body through the impedance signal processing chip. connected to the control chip.
所述本地数据存储系统由一个SPI-FLASH数据存储芯片构成,用于存储用户每次测量的数据结果,该数据存储芯片与主控芯片相连。The local data storage system is composed of a SPI-FLASH data storage chip, which is used for storing the data results measured by the user each time, and the data storage chip is connected with the main control chip.
用户身份识别系统还包括用于识别不同的用户身份的指纹传感器,所述指纹监测模块与主控芯片相连。The user identity identification system also includes a fingerprint sensor for identifying different user identities, and the fingerprint monitoring module is connected to the main control chip.
语音提醒系统由JQ8400语音控制芯片,HT6872功放芯片以及一个喇叭构成,用于提示用户测量并播报测量结果,所述HT6872功放芯片通过JQ8400语音控制芯片与主控芯片相连,所述喇叭与HT6872功放芯片相连。The voice reminder system is composed of JQ8400 voice control chip, HT6872 power amplifier chip and a speaker, which is used to prompt the user to measure and broadcast the measurement results. The HT6872 power amplifier chip is connected to the main control chip through the JQ8400 voice control chip, and the speaker is connected to the HT6872 power amplifier chip. connected.
BLE蓝牙模块和WiFi模块分别与主控芯片相连,BLE蓝牙模块用于给系统发送指令以及在系统未联网时进行数据读取,WiFi模块还与后台大数据中心相连,用于将每次监测到的数据上传至后台大数据中心,进行数据的解读,为用户提供健康报告和健康生活计划。The BLE Bluetooth module and the WiFi module are respectively connected with the main control chip. The BLE Bluetooth module is used to send commands to the system and read data when the system is not connected to the Internet. The data is uploaded to the back-end big data center to interpret the data and provide users with health reports and healthy life plans.
本实用新型可以实现用户在日常如厕的时候,自动地对人体的健康数据进行测量。利用用户每天要如厕的场景,可以避免让使用者在特定的环境和条件下测量健康数据,可以有效避免改变用户的日常习惯。通过上传数据到后台大数据中心,可以根据用户的使用习惯和每次的测量结果,提供针对性的健康报告和健康生活计划。The utility model can realize the automatic measurement of the health data of the human body when the user goes to the toilet every day. Using the scene where the user needs to go to the toilet every day can avoid letting the user measure health data in a specific environment and condition, and can effectively avoid changing the user's daily habits. By uploading data to the back-end big data center, targeted health reports and healthy life plans can be provided according to the user's usage habits and each measurement result.
附图说明Description of drawings
图1为本实用新型智能马桶盖装置的原理框图;Fig. 1 is the principle block diagram of the intelligent toilet cover device of the present invention;
图2为马桶圈正面上各传感器的布局示意图;Figure 2 is a schematic diagram of the layout of each sensor on the front of the toilet seat;
图3为马桶圈反面上各传感器的布局示意图Figure 3 is a schematic diagram of the layout of each sensor on the reverse side of the toilet seat
图4为压力传感器与马桶圈结合后受力结构图;Figure 4 is a structural diagram of the force after the pressure sensor is combined with the toilet seat;
图5为指纹传感器的布局示意图;FIG. 5 is a schematic diagram of the layout of the fingerprint sensor;
图6为主控芯片及其工作电路图;Figure 6 is the main control chip and its working circuit diagram;
图7为心率模块接口及其电源控制电路图;Fig. 7 is the heart rate module interface and its power supply control circuit diagram;
图8为数据存储电路图;Fig. 8 is a data storage circuit diagram;
图9为体重采集电路图;Fig. 9 is the circuit diagram of weight acquisition;
图10为阻抗测量电路图;Figure 10 is an impedance measurement circuit diagram;
图11为语音播放控制电路图;Fig. 11 is a voice playback control circuit diagram;
图12为蓝牙模块电路图;Figure 12 is a circuit diagram of a Bluetooth module;
图13为WiFi模块电路图;Figure 13 is a circuit diagram of a WiFi module;
图14为指纹模块接口及其电源控制电路;Figure 14 is a fingerprint module interface and its power supply control circuit;
图中,1-主控芯片,2-指纹监测模块,3-BLE蓝牙模块,4-Wifi模块,5-马桶圈本体,6-压力传感器,7-光电心率传感器,8-阻抗采集金属电极,9-24位A/D转换芯片,10-阻抗信号处理芯片,11-数据存储芯片,12-语音控制芯片,13-功放芯片,14-喇叭,15-后台大数据中心。In the figure, 1-main control chip, 2-fingerprint monitoring module, 3-BLE Bluetooth module, 4-Wifi module, 5-toilet body, 6-pressure sensor, 7-photoelectric heart rate sensor, 8-impedance acquisition metal electrode, 9-24-bit A/D conversion chip, 10-impedance signal processing chip, 11-data storage chip, 12-voice control chip, 13-power amplifier chip, 14-speaker, 15-backstage big data center.
具体实施方式Detailed ways
以下结合说明书附图对本实用新型做进一步详细说明,本实用新型的目的和效果将变得更加明白。The present utility model will be further described in detail below with reference to the accompanying drawings, and the purpose and effect of the present utility model will become more clear.
如图1-5所示,本实用新型一种具有健康数据检测功能的智能马桶盖装置,包括数据采集控制主机,马桶圈采集传感器两部分。其中数据采集控制主机包括主控芯片,体重采集和信号处理电路,心率测量模块接口,阻抗信号处理电路,数据存储电路,指纹检测模块,BLE蓝牙模块,Wifi模块,语音播放控制电路。马桶圈采集传感器包括马桶圈本身,四只半桥电阻应变式压力传感器、光电式心率传感器和四个金属电极。整个采集装置可以分为体重监测系统,心率监测系统,人体阻抗监测系统,本地数据存储系统,用户身份识别系统,语音提醒系统以及数据通信系统。As shown in Figures 1-5, the utility model is an intelligent toilet cover device with health data detection function, including a data acquisition control host and a toilet seat acquisition sensor. The data acquisition control host includes a main control chip, a weight acquisition and signal processing circuit, a heart rate measurement module interface, an impedance signal processing circuit, a data storage circuit, a fingerprint detection module, a BLE Bluetooth module, a Wifi module, and a voice playback control circuit. The toilet seat acquisition sensor includes the toilet seat itself, four half-bridge resistance strain pressure sensors, photoelectric heart rate sensors and four metal electrodes. The whole acquisition device can be divided into weight monitoring system, heart rate monitoring system, human body impedance monitoring system, local data storage system, user identification system, voice reminder system and data communication system.
体重监测系统由压力传感器和信号处理电路组成,压力传感器由四只半桥电阻应变式压力传感器构成,信号处理电路包括压力传感器和体重信号处理芯片HX711高精度24位A/D转换芯片以及相应的外围电路,该芯片将压力传感器采集到的体重值转换为电压值,经A/D转化后由主控芯片读出,另外该部分电路还可以记录用户每次如厕的时长和时段,其电路图如图9所示。心率监测系统由光电心率传感器构成,主控芯片读取传感器的电压数据进行计算,心率模块接口及其电源控制电路图如图7所示。人体阻抗监测系统由四个金属电极和阻抗信号处理电路构成,阻抗信号处理电路主要由阻抗信号处理芯片CS1256及其相应外围电路构成,该电路可以产生正弦交流电,通过两个电极作用在人体上,将人体阻抗转化为电压信号后,再通过另外两个电极将信号送回采集芯片进行A/D转化后,由主控芯片读出阻抗数据,其电路图如图10所示。本地数据存储系统由一个SPI-FLASH芯片构成,用于存储用户每次测量的数据结果,其电路图如图8所示。用户身份识别系统由一个指纹传感器构成,用于识别不同的用户身份,其电路图如图14所示。语音提醒系统由JQ8400语音芯片,功放芯片以及一个喇叭构成,用于提示用户测量并播报测量结果,其电路图如图11所示。数据通信系统包括一个蓝牙模块和一个WiFi模块,蓝牙模块用于给系统发送指令以及在系统未联网是进行数据读取,WiFi模块用于将每次监测到的数据上传至后台大数据中心,进行数据的解读,为用户提供健康报告和健康生活计划,其电路图如图12和13所示。本实用新型的技术方案中,主控芯片采用STM32F103RCT6芯片,体重信号处理芯片采用HX711,阻抗信号处理芯片采用CS1256,语音芯片采用JQ8400,功放芯片采用HT6872,主控芯片及其工作电路如图6所示。The weight monitoring system is composed of a pressure sensor and a signal processing circuit. The pressure sensor is composed of four half-bridge resistance strain pressure sensors. The signal processing circuit includes a pressure sensor and a weight signal processing chip HX711 high-precision 24-bit A/D conversion chip and corresponding Peripheral circuit, the chip converts the weight value collected by the pressure sensor into a voltage value, which is read out by the main control chip after A/D conversion. In addition, this part of the circuit can also record the length and time period of the user's toilet every time, its circuit diagram As shown in Figure 9. The heart rate monitoring system consists of a photoelectric heart rate sensor. The main control chip reads the voltage data of the sensor for calculation. The heart rate module interface and its power control circuit diagram are shown in Figure 7. The human body impedance monitoring system consists of four metal electrodes and an impedance signal processing circuit. The impedance signal processing circuit is mainly composed of an impedance signal processing chip CS1256 and its corresponding peripheral circuits. This circuit can generate sinusoidal alternating current, which acts on the human body through two electrodes. After converting the impedance of the human body into a voltage signal, the signal is sent back to the acquisition chip through the other two electrodes for A/D conversion, and the impedance data is read out by the main control chip. The circuit diagram is shown in Figure 10. The local data storage system consists of a SPI-FLASH chip, which is used to store the data results of each measurement by the user. The circuit diagram is shown in Figure 8. The user identity recognition system consists of a fingerprint sensor to identify different user identities, and its circuit diagram is shown in Figure 14. The voice reminder system is composed of a JQ8400 voice chip, a power amplifier chip and a speaker, which is used to prompt the user to measure and broadcast the measurement results. The circuit diagram is shown in Figure 11. The data communication system includes a Bluetooth module and a WiFi module. The Bluetooth module is used to send instructions to the system and read data when the system is not connected to the Internet. The WiFi module is used to upload the monitored data each time to the background big data center. The interpretation of the data provides users with health reports and healthy life plans. The circuit diagrams are shown in Figures 12 and 13. In the technical scheme of the utility model, the main control chip adopts STM32F103RCT6 chip, the weight signal processing chip adopts HX711, the impedance signal processing chip adopts CS1256, the voice chip adopts JQ8400, and the power amplifier chip adopts HT6872. The main control chip and its working circuit are shown in Figure 6. Show.
本实用新型将体重,如厕时间,心率和身体成分结合在一起,进行人体健康参数的测量。与单一的体重测量,身体阻抗测量相比,并根据身体成分的计算原理,将二者结合才能有效的测算出身体各成分的含量。同时加入的如厕时间测量和心率值的测量,可以丰富人体健康参数,为用户提供更加完善和准确的健康报告和健康生活计划。The utility model combines body weight, toilet time, heart rate and body composition to measure human health parameters. Compared with single weight measurement and body impedance measurement, and according to the calculation principle of body composition, the combination of the two can effectively measure the content of each body composition. At the same time, the measurement of toileting time and the measurement of heart rate value can enrich human health parameters and provide users with more complete and accurate health reports and healthy life plans.
本实用新型体重采集和信号处理电路,通过压力传感器采集到用户的体重后,由24位A/D转换芯片转化为电压信号后,再由主控芯片读出,另外压力传感器还用于检测用户是否落座与离座,触发记录如厕时间的功能。心率测量模块将光信号转换为电信号,由主控芯片读出并处理得到心率值。阻抗信号处理电路由阻抗检测芯片产生正弦激励信号作用在被测人体上,将人体阻抗转换为电压信号,再经过阻抗检测芯片A/D转换后由主控芯片读出。数据存储电路由主控芯片读写SPI-FLASH芯片。语音播放控制电路由主控芯片控制,可以指定曲目进行播放,语音芯片与功放芯片相连,功放芯片与喇叭相连。指纹检测模块,蓝牙模块,WiFi通信模块通过串口通信的方式与主控芯片连接进行通信,指纹检测模块在数据测量完毕后读取被测用户指纹,用于判断被测者身份。The weight collection and signal processing circuit of the utility model collects the weight of the user through the pressure sensor, converts it into a voltage signal by the 24-bit A/D conversion chip, and then reads it out by the main control chip. In addition, the pressure sensor is also used to detect the user's weight. Whether to sit or leave, trigger the function of recording toilet time. The heart rate measurement module converts the optical signal into an electrical signal, which is read and processed by the main control chip to obtain the heart rate value. The impedance signal processing circuit generates a sinusoidal excitation signal from the impedance detection chip, which acts on the human body under test, converts the impedance of the human body into a voltage signal, and then is read out by the main control chip after A/D conversion by the impedance detection chip. The data storage circuit reads and writes the SPI-FLASH chip by the main control chip. The voice playback control circuit is controlled by the main control chip, which can specify the track to play. The voice chip is connected with the power amplifier chip, and the power amplifier chip is connected with the speaker. The fingerprint detection module, the Bluetooth module, and the WiFi communication module communicate with the main control chip through serial communication. The fingerprint detection module reads the fingerprint of the tested user after the data measurement is completed to determine the identity of the tested person.
根据附图中图2的布局示意图,在马桶圈的正面,布置有心率传感器和四个人体阻抗电极,四个电极两两分布在马桶圈左右大腿处的位置,心率传感器放置在马桶圈大腿一侧的位置。这样设计的好处在于,利用人机工学的特点,可以让测量传感器与人体有一个很好的接触,使得测量结果更加准确,从而使后台大数据中心提供健康报告时有精准的判断。根据附图中图3,图4的布局示意图,利用普通马桶圈本身具有的撑脚位置,在马桶圈的下方对称放置四个半桥电阻应变式压力传感器。在此处放置传感器可以在使用时,使得用户的体重均匀且完整地施加在马桶圈上,从而使压力传感器可以准确地测出被测者的体重值。根据附图中图5所示,指纹传感器放置在智能马桶盖控制手柄上。According to the schematic layout of Figure 2 in the accompanying drawings, a heart rate sensor and four human body impedance electrodes are arranged on the front of the toilet seat. The four electrodes are distributed in pairs on the left and right thighs of the toilet seat, and the heart rate sensor is placed on the thigh of the toilet seat. side position. The advantage of this design is that, using the characteristics of ergonomics, the measurement sensor can have a good contact with the human body, making the measurement results more accurate, so that the back-end big data center can make accurate judgments when providing health reports. According to the schematic layout diagrams of Figure 3 and Figure 4 in the accompanying drawings, four half-bridge resistance strain pressure sensors are symmetrically placed under the toilet seat by using the position of the feet of the common toilet seat itself. Placing the sensor here can make the user's weight evenly and completely applied to the toilet seat during use, so that the pressure sensor can accurately measure the weight value of the subject. As shown in Figure 5 in the accompanying drawings, the fingerprint sensor is placed on the control handle of the smart toilet lid.
本领域普通技术人员可以理解,以上所述仅为发明的优选实例而已,并不用于限制发明,尽管参照前述实例对发明进行了详细的说明,对于本领域的技术人员来说,其依然可以对前述各实例记载的技术方案进行修改,或者对其中部分技术特征进行等同替换。凡在发明的精神和原则之内,所做的修改、等同替换等均应包含在发明的保护范围之内。Those of ordinary skill in the art can understand that the above are only preferred examples of the invention and are not intended to limit the invention. Although the invention has been described in detail with reference to the foregoing examples, those skilled in the art can still understand the Modifications are made to the technical solutions described in the foregoing examples, or equivalent replacements are made to some of the technical features. All modifications and equivalent replacements made within the spirit and principle of the invention shall be included within the protection scope of the invention.
| Application Number | Priority Date | Filing Date | Title |
|---|---|---|---|
| CN201921473146.2UCN211633032U (en) | 2019-09-05 | 2019-09-05 | Intelligent toilet lid device with health data monitoring function |
| Application Number | Priority Date | Filing Date | Title |
|---|---|---|---|
| CN201921473146.2UCN211633032U (en) | 2019-09-05 | 2019-09-05 | Intelligent toilet lid device with health data monitoring function |
| Publication Number | Publication Date |
|---|---|
| CN211633032Utrue CN211633032U (en) | 2020-10-09 |
| Application Number | Title | Priority Date | Filing Date |
|---|---|---|---|
| CN201921473146.2UActiveCN211633032U (en) | 2019-09-05 | 2019-09-05 | Intelligent toilet lid device with health data monitoring function |
| Country | Link |
|---|---|
| CN (1) | CN211633032U (en) |
| Publication number | Priority date | Publication date | Assignee | Title |
|---|---|---|---|---|
| CN112900570A (en)* | 2020-12-23 | 2021-06-04 | 江苏重明鸟厕所人文科技股份有限公司 | Health monitoring device based on intelligent closestool |
| Publication number | Priority date | Publication date | Assignee | Title |
|---|---|---|---|---|
| CN112900570A (en)* | 2020-12-23 | 2021-06-04 | 江苏重明鸟厕所人文科技股份有限公司 | Health monitoring device based on intelligent closestool |
| Publication | Publication Date | Title |
|---|---|---|
| CN102166118A (en) | Remote Health Monitoring System | |
| CN109793516A (en) | A kind of skin electrical impedance flexible detection device and skin electrical impedance detection method | |
| CN109602402A (en) | A monitoring and early warning device and method for multiple physiological parameters of human body in extreme high and low temperature environment | |
| CN106768245A (en) | A kind of fat scale intelligent Matching user method | |
| CN108309299A (en) | A kind of body fat rate measuring system and method based on intellectual water closet | |
| CN205981271U (en) | Measurement of intelligence urine and detection device | |
| CN103637784A (en) | ZigBee technology based physiological parameter acquisition system | |
| CN204410796U (en) | Physiological parameter acquisition device and monitoring system | |
| CN103654858A (en) | Portable stroke early-warning monitor | |
| CN215728171U (en) | Detector with pluggable split detection module | |
| CN115244392B (en) | Non-invasive hydration and electrolyte monitoring | |
| CN211633032U (en) | Intelligent toilet lid device with health data monitoring function | |
| CN106343973B (en) | Human body sign detection device | |
| CN109009019A (en) | Multi-parameter physiological detector | |
| CN213552951U (en) | Intelligent paper diaper health analysis system | |
| CN202875474U (en) | Intelligent household health management system | |
| CN202086487U (en) | Human body exercise amount monitoring system | |
| CN209789858U (en) | Plantar pressure measuring device | |
| CN108158596A (en) | A kind of portable dynamic urine flow rate intelligence measurement system | |
| KR102194943B1 (en) | A portable body composition measuring device capable of measuring electrocardiogram through Electrocardiogram(ECG) signal | |
| CN201469270U (en) | Sleep quality analysis device | |
| CN109339184A (en) | health toilet | |
| CN205849445U (en) | A kind of human body physiological characteristics information collecting device merging multisensor | |
| CN205975863U (en) | Realize intelligent closestool of urodynamic detection | |
| CN115211995A (en) | Flexible intelligent sensing tooth socket |
| Date | Code | Title | Description |
|---|---|---|---|
| GR01 | Patent grant | ||
| GR01 | Patent grant |