Movatterモバイル変換


[0]ホーム

URL:


CN211060388U - Electric water heater - Google Patents

Electric water heater
Download PDF

Info

Publication number
CN211060388U
CN211060388UCN201921813966.1UCN201921813966UCN211060388UCN 211060388 UCN211060388 UCN 211060388UCN 201921813966 UCN201921813966 UCN 201921813966UCN 211060388 UCN211060388 UCN 211060388U
Authority
CN
China
Prior art keywords
water
liner
water inlet
water outlet
outlet
Prior art date
Legal status (The legal status is an assumption and is not a legal conclusion. Google has not performed a legal analysis and makes no representation as to the accuracy of the status listed.)
Active
Application number
CN201921813966.1U
Other languages
Chinese (zh)
Inventor
李四文
Current Assignee (The listed assignees may be inaccurate. Google has not performed a legal analysis and makes no representation or warranty as to the accuracy of the list.)
Foshan Shunde Pinshang Electric Appliance Industry Co ltd
Original Assignee
Foshan Shunde Pinshang Electric Appliance Industry Co ltd
Priority date (The priority date is an assumption and is not a legal conclusion. Google has not performed a legal analysis and makes no representation as to the accuracy of the date listed.)
Filing date
Publication date
Application filed by Foshan Shunde Pinshang Electric Appliance Industry Co ltdfiledCriticalFoshan Shunde Pinshang Electric Appliance Industry Co ltd
Priority to CN201921813966.1UpriorityCriticalpatent/CN211060388U/en
Application grantedgrantedCritical
Publication of CN211060388UpublicationCriticalpatent/CN211060388U/en
Activelegal-statusCriticalCurrent
Anticipated expirationlegal-statusCritical

Links

Images

Landscapes

Abstract

The utility model relates to a household electrical appliances articles for use field specifically discloses an electric water heater, including the casing, its characterized in that: a water inlet liner and a water outlet liner communicated with the water inlet liner are arranged in the shell, one end of the water inlet liner is connected with a cold water inlet and a sewage outlet, and a water inlet liner heating pipe is arranged in the water inlet liner; one end of the water outlet liner is connected with a thermostatic valve, the water outlet liner is connected with a hot water outlet through the thermostatic valve, and a heating pipe is arranged in the water outlet liner. The utility model discloses simple structure, convenient to use can go out water and automatic adjustment with constant temperature to can look over cold/hot water proportion situation, not worry that the condition of neglecting to cool appears.

Description

Electric water heater
Technical Field
The utility model relates to a life electrical apparatus articles for use field, specific electric water heater that says so.
Background
The electric water heater is a water heater which heats by taking electricity as energy. Is one of three water heaters which are parallel to a gas water heater and a solar water heater. The electric water heater can be divided into a water storage type (also called a positive displacement type or a heat storage type), an instant heating type and an instant heating type (also called a semi-water storage type) according to the heating power.
Although the volume of the common quick-heating electric water heater is almost the same as that of the double-mode electric water heater, the internal structure of the common quick-heating electric water heater is greatly different from that of the double-mode electric water heater, the ratio of the quick-heating electric water heater to the water storage type electric water heater is only smaller in volume and higher in power, so that the heating speed is higher than that of the water storage type electric water heater, but the quick-heating electric water heater can not achieve instant heating in spring and autumn and also needs preheating, namely waiting is needed, and the double-mode electric water heater can use an instant heating mode in spring, summer and autumn.
The existing electric water heater can reach the bath temperature only by manually adjusting the cold/hot water proportion of the water mixing valve when in bath, the water outlet temperature can only feel whether to be suitable for the bath temperature by the body, the use experience effect is not good enough, and when cold water or hot water is lost, scalding or cold shock is easy to occur, so that some potential safety hazards also exist.
SUMMERY OF THE UTILITY MODEL
In order to overcome the defects and deficiencies in the prior art, the utility model aims to provide an electric water heater which has simple and reliable structure, can output water at constant temperature and automatically adjust the cold/hot water proportion without worrying about the occurrence of the sudden cold and hot conditions.
The utility model provides a technical scheme that its technical problem adopted is:
the utility model discloses an electric water heater, which comprises a shell, wherein a water inlet liner and a water outlet liner communicated with the water inlet liner are arranged in the shell, one end of the water inlet liner is connected with a cold water inlet and a sewage outlet, and a water inlet liner heating pipe is arranged in the water inlet liner;
one end of the water outlet liner is connected with a thermostatic valve, the water outlet liner is connected with a hot water outlet through the thermostatic valve, and a heating pipe is arranged in the water outlet liner.
Preferably, the wall of the water inlet inner container and the wall of the water outlet inner container are both provided with a waterproof heat-insulating layer.
Preferably, the heating pipe is a spiral energy-gathering ring heating pipe.
Preferably, a valve and a motor for controlling the valve to open and close are arranged in the thermostatic valve, the motor is connected with a controller, a temperature sensor for measuring the temperature of mixed water is arranged at a hot water outlet of the thermostatic valve, and the temperature sensor is mutually associated with the controller.
Preferably, the motor is a stepping motor.
Further, the controller is associated with a liquid crystal display panel.
The utility model has the advantages that: simple structure, convenient to use can go out water and automatic adjustment with the constant temperature to can look over cold/hot water ratio situation, not worry that the condition of neglecting cold neglects hot appears.
Drawings
Fig. 1 is a schematic view of the internal structure of the present invention;
fig. 2 is a schematic structural view of the thermostatic valve of the present invention.
In the figure: 1. theshell 2, thewater inlet liner 3, thewater outlet liner 4, thecold water inlet 5, the sewage outlet 6, the water inletliner heating pipe 7, thethermostatic valve 8, thehot water outlet 9, theheating pipe 10, thewaterproof insulating layer 11, thevalve 12, themotor 13, the controller 14, thetemperature sensor 15 and the liquid crystal display panel.
Detailed Description
In order to make the technical problem, technical scheme and beneficial effect that the utility model solved more clearly understand, it is right below to combine the attached drawing and embodiment the utility model discloses do further explanation. It should be understood that the embodiments described herein are merely for the purpose of illustrating the invention and are not intended to limit the invention.
As shown in fig. 1-2, the electric water heater of the present invention comprises acasing 1, awater inlet liner 2 and awater outlet liner 3 communicated with thewater inlet liner 2 are arranged in thecasing 1, one end of thewater inlet liner 2 is connected with acold water inlet 4 and asewage outlet 5, and a water inlet liner heating pipe 6 is arranged in thewater inlet liner 2;
one end of the water outletinner container 3 is connected with athermostatic valve 7, the water outletinner container 3 is connected with ahot water outlet 8 through thethermostatic valve 7, and aheating pipe 9 is arranged in the water outletinner container 3. Through theinner bag 2 of intaking and the 3 structures of play water inner bag that communicate with theinner bag 2 of intaking, can let cold water preheat in theinner bag 2 of intaking, consequently, cold, hot water can more homogeneous mixing, andthermostatic valve 7 also can adopt conventional electron thermostatic valve.
In order to provide a heat preservation effect and better save energy, the cavity walls of thewater inlet liner 2 and thewater outlet liner 3 are both provided with a waterproofheat preservation layer 10.
Theheating pipe 9 is a spiral energy-gathering ring heating pipe, and because the contact area of the spiral energy-gathering ring heating pipe and water is relatively large, the heating efficiency is high, and the heating effect is good.
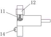
In order to realize constant-temperature water outlet and automatic adjustment and check the cold/hot water ratio, avalve 11 and amotor 12 for controlling the opening and closing of thevalve 11 are arranged in the thermostatic valve, themotor 12 is connected with acontroller 13, ahot water outlet 8 of thethermostatic valve 7 is provided with a temperature sensor 14 for measuring the temperature of mixed water, and the temperature sensor 14 is mutually associated with thecontroller 13.
When bathing, water flows out from the thermostatic valve 7 (or the electronic thermostatic valve), according to the set temperature of the water heater, the angle of the valve core can be automatically adjusted by rotating the valve core by the motor 12 (the stepping motor), constant-temperature water outlet is realized by carrying out cold/hot water proportion distribution, and the condition that cold and hot appear suddenly is well solved.
In order to allow the user to visually check the data of the cold/hot water ratio and the temperature, thecontroller 13 is associated with a liquidcrystal display panel 15, and the data is displayed through the liquidcrystal display panel 15.
As an embodiment, the liquidcrystal display panel 15 is provided with 4 keys, including 1 power key for on/off, 1 mode key for selecting a winter/spring/autumn/summer heating mode, 1 plus key for adjusting the temperature rise of the outlet water temperature, and 1 minus key for adjusting the temperature drop of the outlet water temperature, and the function is realized by a circuit board provided with a controller.
The foregoing is considered as illustrative of the preferred embodiments only, and it is understood that various changes, substitutions and alterations can be made herein without departing from the spirit and scope of the invention as defined by the appended claims.

Claims (6)

CN201921813966.1U2019-10-282019-10-28Electric water heaterActiveCN211060388U (en)

Priority Applications (1)

Application NumberPriority DateFiling DateTitle
CN201921813966.1UCN211060388U (en)2019-10-282019-10-28Electric water heater

Applications Claiming Priority (1)

Application NumberPriority DateFiling DateTitle
CN201921813966.1UCN211060388U (en)2019-10-282019-10-28Electric water heater

Publications (1)

Publication NumberPublication Date
CN211060388Utrue CN211060388U (en)2020-07-21

Family

ID=71593441

Family Applications (1)

Application NumberTitlePriority DateFiling Date
CN201921813966.1UActiveCN211060388U (en)2019-10-282019-10-28Electric water heater

Country Status (1)

CountryLink
CN (1)CN211060388U (en)

Similar Documents

PublicationPublication DateTitle
CN208519967U (en)Fire electric heater
CN106288335A (en)A kind of electric heater
CN107664350A (en)A kind of energy-efficient quick-heating electric water heater
CN207214425U (en)A kind of constant temperature water tank
CN101569505B (en)Hydraulic controlled electricity-saving multifunctional water dispenser
CN207279949U (en)Electric water heater
CN204460673U (en)Electric heater
CN211060388U (en)Electric water heater
CN202613742U (en)Water heater
CN206875697U (en)Electric water heater
CN201083426Y (en)Electric water heater
CN202813803U (en)Water tank of quick-heating and energy-saving solar water heater
CN205718006U (en)A kind of control system of solar energy water heater
CN205991548U (en)A kind of Intelligent heat-accumulating electric boiler
CN206001686U (en)Large-scale ring water direct heat-exchange solid heat storage electric furnace
CN205843044U (en)Multifunctional intelligent environmental protection energy-conservation heat exchange storage type electric water heating system equipment
CN210569147U (en)Energy-saving electric water heater
CN212274275U (en)Novel life hot water circulator
CN201034353Y (en)Solar water heater electric heat-compensating system
CN201740214U (en)Double-container low-power double-die heating fast energy-saving heater
CN2909094Y (en)Internal heating water heating type electric heater
CN207751052U (en)A kind of solar energy heating device
CN207262712U (en)A kind of defeated hot heating system of the long range of water heater
CN110108021A (en)A kind of energy-saving electric water heater
CN209926625U (en) A multifunctional water temperature controller

Legal Events

DateCodeTitleDescription
GR01Patent grant
GR01Patent grant

[8]ページ先頭

©2009-2025 Movatter.jp