Movatterモバイル変換


[0]ホーム

URL:


CN210918550U - Lockset and electric vehicle - Google Patents

Lockset and electric vehicle
Download PDF

Info

Publication number
CN210918550U
CN210918550UCN201920897918.9UCN201920897918UCN210918550UCN 210918550 UCN210918550 UCN 210918550UCN 201920897918 UCN201920897918 UCN 201920897918UCN 210918550 UCN210918550 UCN 210918550U
Authority
CN
China
Prior art keywords
assembly
lock
bolt
bolt assembly
contacts
Prior art date
Legal status (The legal status is an assumption and is not a legal conclusion. Google has not performed a legal analysis and makes no representation as to the accuracy of the status listed.)
Active
Application number
CN201920897918.9U
Other languages
Chinese (zh)
Inventor
林志鹏
袁玉斌
张强
Current Assignee (The listed assignees may be inaccurate. Google has not performed a legal analysis and makes no representation or warranty as to the accuracy of the list.)
Ninebot Beijing Technology Co Ltd
Original Assignee
Ninebot Beijing Technology Co Ltd
Priority date (The priority date is an assumption and is not a legal conclusion. Google has not performed a legal analysis and makes no representation as to the accuracy of the date listed.)
Filing date
Publication date
Application filed by Ninebot Beijing Technology Co LtdfiledCriticalNinebot Beijing Technology Co Ltd
Priority to CN201920897918.9UpriorityCriticalpatent/CN210918550U/en
Application grantedgrantedCritical
Publication of CN210918550UpublicationCriticalpatent/CN210918550U/en
Activelegal-statusCriticalCurrent
Anticipated expirationlegal-statusCritical

Links

Images

Landscapes

Abstract

The utility model provides a tool to lock and electric motor car. This tool to lock includes: the lock bolt assembly is movably connected with the installation foundation, the lock bolt assembly is provided with a locking position which enables the position of the installation foundation and the position of a matching piece to be relatively fixed, the lock bolt assembly is provided with an unlocking position which enables the position of the installation foundation and the position of the matching piece to be relatively variable, the driving part is connected with the lock bolt assembly so as to control at least part of the action of the driving part through an electric signal to drive the lock bolt assembly to move to the locking position or the unlocking position, the lock bolt assembly is rotatably connected with the installation foundation, and the lock bolt assembly is provided with an operating piece so as to drive the operating piece to drive the lock bolt assembly to move to the locking position or the unlocking position through rotating the lock bolt assembly; the lock core assembly has a power-on position for turning on the vehicle body circuit, and the lock core assembly has a power-off position for turning off the vehicle body circuit, so that the circuit of the vehicle body can be controlled to be switched on and off by rotating the lock core assembly.

Description

Lockset and electric vehicle
Technical Field
The utility model relates to a safety equipment technical field particularly, relates to a tool to lock and electric motor car.
Background
In the prior art, an electric motorcycle is generally unlocked directly by a key, and although the form of key unlocking has certain reliability, the process is complicated by directly using the key unlocking form along with the fact that people are more and more accustomed to automation.
SUMMERY OF THE UTILITY MODEL
The utility model discloses a main aim at provides a tool to lock and electric motor car to solve the electric motorcycle among the prior art loaded down with trivial details problem of unblanking.
In order to achieve the above object, according to an aspect of the present invention, there is provided a lock including: installing a foundation; the spring bolt assembly is movably connected with the mounting base, the spring bolt assembly is provided with a locking position which enables the position of the mounting base and the position of the matching piece to be relatively fixed, and the spring bolt assembly is provided with an unlocking position which enables the position of the mounting base and the position of the matching piece to be relatively variable; the driving part is connected with the bolt assembly to control at least part of actions of the driving part through an electric signal so as to drive the bolt assembly to move to a locking position or an unlocking position; the lock core assembly is rotatably connected with the mounting base and is provided with an operating part, and the operating part drives the lock tongue assembly to move to a locking position or an unlocking position by rotating the lock core assembly; the lock core assembly has a power-on position for turning on the vehicle body circuit, and the lock core assembly has a power-off position for turning off the vehicle body circuit, so that the circuit of the vehicle body can be controlled to be switched on and off by rotating the lock core assembly.
Furthermore, the spring bolt assembly is provided with an avoiding space, and the lock cylinder assembly is arranged in the avoiding space in a penetrating manner.
Further, the latch bolt assembly includes: when the bolt assembly is located at the unlocking position, the bolt is located outside the lock hole of the matching piece; the one end of sliding part, sliding part are connected with spring bolt detachably, and the other end of sliding part is connected with the drive shaft detachably of drive division, and the middle part of sliding part has been seted up and has been dodged the space, and the lock core subassembly is worn to locate in dodging the space.
Furthermore, the sliding part is a sliding plate, a notch is formed in the sliding plate, an avoiding space is formed by the notch, a first guide wall is formed on one side, facing the lock tongue, of the inner wall of the notch, and a second guide wall is formed on one side, facing the driving part, of the inner wall of the notch; rotating the lock core assembly to a power-off position along a first direction to enable the operating piece to be abutted against the first guide wall and push the sliding plate to move to drive the lock tongue to be far away from the lock core assembly so as to enable the lock tongue assembly to move to a locking position; rotating the lock cylinder assembly to a power-on position along a second direction to enable the operating piece to be abutted against the second guide wall and push the sliding plate to move towards the direction of the driving part to enable the lock tongue assembly to move to an unlocking position; wherein, one of the first direction and the second direction is clockwise, and the other is anticlockwise.
Further, a stopper is provided on the sliding plate at an end of the sliding plate facing the driving part to move the plug assembly to the energized position by rotating the plug assembly and to move an end of the operating member to a position facing the stopper to restrict movement of the sliding plate.
Further, the power-off position comprises a first power-off position and a second power-off position, and when the lock cylinder assembly is located at the first power-off position, the lock tongue assembly is located at the locking position; when the lock cylinder assembly is located at the second power-off position, the lock tongue assembly is located at the locking position or the unlocking position; when the lock core assembly is rotated along the second direction, the lock core assembly is rotated to a second power-off position from the power-on position so as to power off the vehicle body circuit; when the lock core assembly continues to be rotated along the second direction, the lock core assembly is rotated to the first power-off position from the second power-off position, so that the operating piece drives the lock tongue assembly to move to the locking position.
Further, the tool to lock still includes: the control part is used for starting the conduction of a vehicle body circuit, is matched and connected with the lock cylinder assembly, and is provided with a plurality of pairs of passive contacts which are connected with the control circuit; the end of the lock core assembly is provided with an active contact so that one pair of passive contacts in the plurality of pairs of passive contacts is electrically connected with one pair of passive contacts by rotating the lock core assembly, wherein the positions of the plurality of pairs of passive contacts are arranged in one-to-one correspondence with the plurality of positions of the rotation of the lock core assembly.
Further, the tip of lock core subassembly is provided with the damping dish, has the initiative contact on the damping dish, and the control part includes: the damping disc is rotatably matched and connected with the contact disc, a plurality of pairs of passive contacts are arranged on the contact disc, and the plurality of pairs of passive contacts comprise a first pair of contacts, a second pair of contacts and a third pair of contacts which are sequentially arranged around the contact disc at intervals; when the lock core assembly is rotated along a first direction, the lock core assembly moves to a power-on position so that the active contact is communicated with the first pair of contacts, and the operating piece pushes the sliding plate to move towards the direction of the driving part so that the lock tongue assembly is located at an unlocking position; when the lock core assembly is rotated along the second direction, the lock core assembly is rotated to a second power-off position from the power-on position, so that the active contact is communicated with the second pair of contacts to control the power-off of the vehicle body circuit; when the lock core assembly is rotated along the second direction, the lock core assembly is rotated from the second power-off position to the first power-off position, so that the active contact is communicated with the third pair of contacts, and the operating piece pushes the sliding plate to move towards the direction of the driving part, so that the lock tongue assembly is located at the unlocking position; the controller is used for controlling an external circuit and feeding back the position of the lock cylinder component, and the controller is electrically connected with the first pair of contacts, the second pair of contacts and the third pair of contacts respectively.
Further, the driving part includes: a signal receiving device; the signal receiving device is electrically connected with the electromagnet, the electromagnet is connected with a driving shaft, and the driving shaft is detachably connected with the lock tongue assembly; when the signal receiving device receives the electric signal, the signal receiving device controls the current of the electromagnet, so that the driving shaft drives the bolt assembly to be located at the locking position or the unlocking position.
According to the utility model discloses an on the other hand provides an electric motor car, including the tool to lock, the tool to lock is foretell electric motor car.
Further, the electric motor car has a seat section of thick bamboo and a lid, and the lid is movably connected with the opening part of a seat section of thick bamboo, and its characterized in that, the slip space has been seted up to the installation basis, and the tool to lock still includes: the pull block is movably arranged in the sliding space and is connected with the cover body through a pull wire; one end of the spring is connected with the inner wall of the sliding space, and the other end of the spring is connected with the pulling block; the two operation parts are arranged at intervals and comprise a first swinging part and a second swinging part; the first swinging piece is arranged adjacent to the bolt assembly, so that the bolt assembly is driven by the first swinging piece to move to a locking position or an unlocking position through rotating the bolt core assembly; the second swinging piece is arranged adjacent to the pulling block, so that the second swinging piece drives the pulling block to slide by rotating the lock core assembly, and the opening is opened or closed by pulling the cover body through the pulling wire.
Further, the installation basis includes the limiting plate, has seted up the through-hole on the limiting plate, and the spring bolt is movably worn to locate in the through-hole, and at least one in sliding part and the limiting plate is provided with the elasticity portion, and when spring bolt subassembly moved to the locking position, the sliding part passed through the elasticity portion with the limiting plate and is connected.
Use the technical scheme of the utility model, through set up spring bolt assembly on the installation basis, rethread spring bolt assembly and drive division are connected with the cooperation of spring bolt assembly respectively to the user uses key control spring bolt assembly to unblock or lock the operation with spring bolt assembly selectively as required, perhaps, selectively passes through electric signal control drive division in order to unblock or lock the operation with spring bolt assembly.
Drawings
The accompanying drawings, which form a part of the present application, are included to provide a further understanding of the invention, and are incorporated in and constitute a part of this specification, illustrate embodiments of the invention and together with the description serve to explain the invention and not to limit the invention. In the drawings:
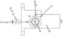
fig. 1 shows a schematic view of a plug assembly according to a first embodiment of the present invention in different positions;
fig. 2 shows a schematic external structural view of a second embodiment of the lock according to the present invention;
fig. 3 shows a schematic view of the internal structure of a third embodiment of the lock according to the present invention;
fig. 4 shows a schematic view of the internal structure of a fourth embodiment of the lock according to the present invention;
fig. 5 shows a schematic drawing of a lock according to the present invention;
fig. 6 shows a schematic structural view of a plug assembly according to a sixth embodiment of the present invention in the energized position;
fig. 7 shows a schematic structural view of a plug assembly according to a seventh embodiment of the present invention in a second, power-off position;
fig. 8 shows a schematic structural view of a plug assembly according to an eighth embodiment of the present invention in a first, power-off position;
fig. 9 shows a schematic structural view of a plug assembly according to an eighth embodiment of the present invention in a second, power-off position;
fig. 10 shows a schematic diagram of a position structure of the elastic part according to the ninth embodiment of the present invention.
Wherein the figures include the following reference numerals:
10. a latch bolt assembly; 11. a power-on position; 12. a power-off position; 121. a first power-off position; 122. a second power-off position; 13. A latch bolt; 14. a sliding part; 142. a stopper; 141. avoiding a space;
20. a drive section;
30. a plug assembly; 31. an operating member; 311. a first swinging member; 312. a second swinging member; 32. a damping disc;
40. a control unit; 41. a contact pad;
50. pulling the block;
60. installing a foundation; 61. a limiting plate;
70. an elastic part.
Detailed Description
It should be noted that the embodiments and features of the embodiments in the present application may be combined with each other without conflict. The present invention will be described in detail below with reference to the accompanying drawings in conjunction with embodiments.
It is noted that the terminology used herein is for the purpose of describing particular embodiments only and is not intended to be limiting of example embodiments according to the present application. As used herein, the singular forms "a", "an" and "the" are intended to include the plural forms as well, and it should be understood that when the terms "comprises" and/or "comprising" are used in this specification, they specify the presence of stated features, steps, operations, devices, components, and/or combinations thereof, unless the context clearly indicates otherwise.
It should be noted that the terms "first," "second," and the like in the description and claims of this application and in the drawings are used for distinguishing between similar elements and not necessarily for describing a particular sequential or chronological order. It is to be understood that the terms so used are interchangeable under appropriate circumstances such that the embodiments of the application described herein are, for example, capable of operation in sequences other than those illustrated or otherwise described herein. Furthermore, the terms "comprises," "comprising," and "having," and any variations thereof, are intended to cover a non-exclusive inclusion, such that a process, method, system, article, or apparatus that comprises a list of steps or elements is not necessarily limited to those steps or elements expressly listed, but may include other steps or elements not expressly listed or inherent to such process, method, article, or apparatus.
Spatially relative terms, such as "above … …," "above … …," "above … …," "above," and the like, may be used herein for ease of description to describe one device or feature's spatial relationship to another device or feature as illustrated in the figures. It will be understood that the spatially relative terms are intended to encompass different orientations of the device in use or operation in addition to the orientation depicted in the figures. For example, if a device in the figures is turned over, devices described as "above" or "on" other devices or configurations would then be oriented "below" or "under" the other devices or configurations. Thus, the exemplary term "above … …" can include both an orientation of "above … …" and "below … …". The device may be otherwise variously oriented (rotated 90 degrees or at other orientations) and the spatially relative descriptors used herein interpreted accordingly.
Exemplary embodiments according to the present application will now be described in more detail with reference to the accompanying drawings. These exemplary embodiments may, however, be embodied in many different forms and should not be construed as limited to only the embodiments set forth herein. It is to be understood that these embodiments are provided so that this disclosure will be thorough and complete, and will fully convey the concept of the exemplary embodiments to those skilled in the art, in the drawings, it is possible to enlarge the thicknesses of layers and regions for clarity, and the same devices are denoted by the same reference numerals, and thus the description thereof will be omitted.
As shown in fig. 1 to 10, according to an embodiment of the present invention, a lock is provided.
Specifically, as shown in fig. 1, the lock includes: the lock bolt assembly comprises an installation base 60, a lock bolt assembly 10, a driving part 20 and a lock core assembly 30, wherein the lock bolt assembly 10 is movably connected with the installation base 60, the lock bolt assembly 10 is provided with a locking position which enables the position of the installation base 60 and the position of a matched piece to be relatively fixed, the lock bolt assembly 10 is provided with an unlocking position which enables the position of the installation base 60 and the position of the matched piece to be relatively variable, the driving part 20 is connected with the lock bolt assembly 10 so as to control at least part of the action of the driving part 20 through an electric signal to drive the lock bolt assembly 10 to move to the locking position or the unlocking position, the lock core assembly 30 is rotatably connected with the installation base 60, and the lock core assembly 30 is provided with an operating part 31 so as to drive the lock bolt assembly 10 to move to; the key cylinder assembly 30 has a power-on position 11 for turning on the vehicle body circuit, and the key cylinder assembly 30 has a power-off position 12 for turning off the vehicle body circuit to control the turning on and off of the vehicle body circuit by rotating the key cylinder assembly 30.
In this embodiment, through set up spring bolt subassembly on the installation basis, rethread spring bolt subassembly and drive division are connected with the cooperation of spring bolt subassembly respectively to the user uses key control spring bolt subassembly to unblock or lock the operation as required selectively, perhaps, selectively controls the drive division through the electric signal in order to unblock or lock the operation with the spring bolt subassembly.
As shown in fig. 3, thelatch bolt assembly 10 is provided with anescape space 141, and theplug assembly 30 is inserted into theescape space 141. Set up like this and make and can utilize the mode of turninground bolt subassembly 30 at dodgingspace 141 internal rotation to drivebolt subassembly 10 and carry out unblock operation or locking operation, perhaps, through the motion of electric signal control drive division, drive division drivesbolt subassembly 10 motion in order to realize unblock operation or locking operation, and wherein, the distance of the straight line stroke that drive division drovebolt subassembly 10 motion is less than dodgingspace 141's length distance.
In this embodiment, thelatch bolt assembly 10 includes: thebolt 13 and the slidingpart 14, when thebolt assembly 10 is located the locking position, at leastpartial bolt 13 is located the lockhole of fitting piece, when thebolt assembly 10 is located the unblock position, bolt 13 is located outside the lockhole of fitting piece, the one end of slidingpart 14 is connected withbolt 13 detachably, the other end of slidingpart 14 is connected with the drive shaft detachably ofdrive part 20, the middle part of slidingpart 14 is seted up and is dodgedspace 141,lock core subassembly 30 wears to locate in dodgingspace 141. This arrangement facilitates the separate processing of thetongue 13 and the slidingportion 14, but thetongue 13 and the slidingportion 14 may be integrally processed.
As shown in fig. 3, the slidingpart 14 is a sliding plate, a notch is formed on the sliding plate, the notch forms anavoidance space 141, a first guide wall is formed on one side of the inner wall of the notch facing thelock tongue 13, and a second guide wall is formed on one side of the inner wall of the notch facing the drivingpart 20; rotating theplug assembly 30 to the power-off position 12 along the first direction to make the operatingmember 31 abut against the first guide wall, and pushing the sliding plate to move to drive thelatch bolt 13 to move away from theplug assembly 30 to make thelatch bolt assembly 10 move to the locking position; rotating thekey cylinder assembly 30 to the energizedposition 11 in the second direction to enable the operatingmember 31 to abut against the second guide wall and push the sliding plate to move toward the drivingportion 20 to move thelatch bolt assembly 10 to the unlocked position; wherein, one of the first direction and the second direction is clockwise, and the other is anticlockwise. The arrangement is such that a user rotatesplug assembly 30 in a first direction to ade-energized position 12 as desired andlocks mounting base 60 and mating member withlatch assembly 10, rotates plugassembly 30 in a second direction to aenergized position 11 and unlocks mountingbase 60 and mating member withlatch assembly 10.
As shown in fig. 3 and 6, astopper 142 is provided on the slide plate, and thestopper 142 is located at one end of the slide plate facing the drivingpart 20 to move theplug assembly 30 to theelectrifying position 11 by rotating theplug assembly 30 and to move the end of the operatingmember 31 to a position facing thestopper 142 to restrict the movement of the slide plate. The arrangement is convenient for moving thebolt assembly 10 to the unlocking position by utilizing thebolt core assembly 30, and the bolt assembly is arranged towards the direction of thestop part 142 through the operatingpart 31 so as to prevent the sliding plate from sliding in the movement of the vehicle body, avoid the condition that the vehicle body is locked in the driving process and improve the safety performance of the lockset.
As shown in fig. 6-9, thede-energized position 12 includes a first de-energized position 121 and a second de-energized position 122, and in the case of a key operated operation, when theplug assembly 30 is in the first de-energized position 121, thelatch bolt assembly 10 is in the latched position; when theplug assembly 30 is in the second, de-energized position 122, thelatch bolt assembly 10 is in the unlocked position; in the case of remote operation, when theplug assembly 30 is in the first de-energized position 121, thelatch bolt assembly 10 may be in the latched position or the unlatched position, and when theplug assembly 30 is in the second de-energized position 122, thelatch bolt assembly 10 may be in the latched position or the unlatched position. Wherein, when thekey cylinder assembly 30 is rotated in the second direction, thekey cylinder assembly 30 is rotated from the energizingposition 11 to the second deenergizing position 122 to deenergize the vehicle body circuit; when thekey cylinder assembly 30 is further rotated in the second direction, thekey cylinder assembly 30 is rotated from the second power-off position 122 to the first power-off position 121, so that the operatingmember 31 drives thelatch bolt assembly 10 to move to the latching position. By providing the second power-off position 122 such that theplug assembly 30 is always in the unlocking position when theplug assembly 30 rotates from the power-onposition 11 to the second power-off position 122, when theplug assembly 30 rotates from the second power-off position 122 to the first power-off position 121, the operatingmember 31 pushes theplug assembly 10 from the unlocking position to the locking position. When theplug assembly 30 moves from the first power-off position 121 to the second power-off position 122, thelatch bolt assembly 10 is always located at the unlocking position, when theplug assembly 30 is at the second power-off position 122, the user controls thelatch bolt assembly 10 to be located at the locking position through remote control, and then when theplug assembly 30 is rotated from the second power-off position 122 to the power-onposition 11, thelatch bolt assembly 10 is pushed to the unlocking position from the locking position through theoperating piece 31. The setting makes the user can carry out the operation of mechanical lock unblock locking and circular telegram outage gradually as required, has improved user's use experience.
As shown in fig. 4, the lock further includes: thecontrol part 40 is used for starting the conduction of a vehicle body circuit, thecontrol part 40 is matched and connected with thelock core assembly 30, thecontrol part 40 is provided with a plurality of pairs of passive contacts, and the plurality of pairs of passive contacts are connected with the control circuit; an active contact is provided at an end of theplug assembly 30 to electrically connect one pair of passive contacts among the plurality of pairs of passive contacts, which are provided in one-to-one correspondence with a plurality of positions where theplug assembly 30 is rotated, with the active contact by rotating theplug assembly 30. The plurality of positions includes a power-onposition 11, a first power-off position 121, and a second power-off position 122.
As shown in fig. 4, the end of the plug assembly 30 is provided with a damping disc 32, the damping disc 32 has an active contact, and the control part 40 includes: the damping disc 32 is rotatably matched and connected with the contact disc 41, a plurality of pairs of passive contacts are arranged on the contact disc 41, and the plurality of pairs of passive contacts comprise a first pair of contacts, a second pair of contacts and a third pair of contacts which are sequentially arranged around the contact disc 41 at intervals; when the plug assembly 30 is rotated in the first direction, the plug assembly 30 moves to the energizing position 11, so that the active contacts communicate with the first pair of contacts, and the operating member 31 pushes the sliding plate to move toward the driving part 20, so that the latch bolt assembly 10 is located at the unlocking position; when the key cylinder assembly 30 is rotated in the second direction, the key cylinder assembly 30 is rotated from the power-on position 11 to the second power-off position 122, so that the active contacts are communicated with the second pair of contacts to control the power-off of the vehicle body circuit; when the key cylinder assembly 30 is rotated in the second direction, the key cylinder assembly 30 is rotated from the second power-off position to the first power-off position 121, so that the active contacts are communicated with the third pair of contacts, and the operating member 31 pushes the sliding plate to move towards the direction of the key cylinder assembly 10, so that the key cylinder assembly 10 is located at the locking position, the controller is used for controlling an external circuit and feeding back the position of the key cylinder assembly 30, and the controller is electrically connected with the first pair of contacts, the second pair of contacts and the third pair of contacts respectively. The arrangement is convenient for feeding back different positions of thelock core assembly 30 through different contacts, and controls the conduction of circuits in the vehicle body through electric signals.
In the present embodiment, the drivingsection 20 includes: the signal receiving device is electrically connected with the electromagnet, the electromagnet is connected with a driving shaft, and the driving shaft is detachably connected with thelock tongue assembly 10; when the signal receiving device receives the electric signal, the signal receiving device controls the current of the electromagnet, so that the driving shaft drives thelock tongue assembly 10 to be located at the locking position or the unlocking position. The signal receiving device is convenient for a user to remotely control, and the use experience of the user is improved.
According to the utility model discloses an on the other hand provides an electric motor car, including the tool to lock, the tool to lock is the tool to lock in the above-mentioned embodiment.
As shown in fig. 4, the electric vehicle has a seat cylinder and a cover body, the cover body is movably connected with the opening of the seat cylinder, theinstallation base 60 has been provided with a sliding space, and the lockset further comprises: thepull block 50 and the spring are arranged in the sliding space in a movable mode, thepull block 50 is connected with the cover body through a pull wire, one end of the spring is connected with the inner wall of the sliding space, and the other end of the spring is connected with thepull block 50; two operatingmembers 31 are provided, the two operatingmembers 31 are arranged at intervals, and the two operatingmembers 31 include a first swingingmember 311 and a second swingingmember 312; the first swingingmember 311 is disposed adjacent to thelatch bolt assembly 10, so that thelatch bolt assembly 10 is driven by the first swingingmember 311 to move to the locking position or the unlocking position by rotating thekey cylinder assembly 30; the second swingingmember 312 is disposed adjacent to thepull block 50, so that the second swingingmember 312 drives thepull block 50 to slide by rotating thekey cylinder assembly 30, so as to open the opening by pulling the cover body with the pulling wire. This arrangement facilitates opening of the cover by a user by rotating thekey cylinder assembly 30.
As shown in fig. 1, the plug assembly has four states, the power-onposition 11 is for the power-on state, the second power-off position 122 is for the power-off state, the lid-open state, and the first power-off position 121 is for the lock-head lock state.
As shown in fig. 10, the mountingbase 60 includes a limitingplate 61, the limitingplate 61 is provided with a through hole, thelatch 13 is movably disposed in the through hole, at least one of the slidingportion 14 and the limitingplate 61 is provided with anelastic portion 70, theelastic portion 70 is located between the slidingportion 14 and the limitingplate 61, when thelatch assembly 10 moves to the locking position, the slidingportion 14 is connected to a first end of theelastic portion 70, the limitingplate 61 is connected to a second end of theelastic portion 70, and the first end of theelastic portion 70 is disposed opposite to the second end of theelastic portion 70. To avoid hard damage caused by the direct contact of thestopper plate 61 with the slidingportion 14. Preferably, theelastic part 70 is two, sets up respectively in the both sides ofspring bolt 13, and preferably,elastic part 70 is the rubber buffer pad, and the rubber buffer pad is used for cushioning the impact force that the electro-magnet brought, replaces original slip panel beating and is the condition that slidingpart 14 directly strikes the casing promptly limitingplate 61, solves the problem of panel beating fatigue fracture. The form of the rubber is not limited to this, and the rubber may be added to the housing, that is, thestopper plate 61, or may be padded on the sheet metal, that is, the slidingportion 14; the rubber shape is also not limited, and may be a sheet shape, fixed to the housing wall.
The internal structure is shown in fig. 3 and fig. 4 (the electromagnet push rod is retracted, namely, unlocked, and the electromagnet push rod is extended, namely, locked; the electromagnet push rod has three balanced states of left, middle and right under the action of the magnet, the middle balanced state is unstable, and slightly deviates from the center, and the push rod can move to the left or right balanced state). When the key is inserted (before the key is not operated, the lock cylinder is at the second power-off position 122 or the first power-off position 121), when the lock cylinder is at the second power-off position 122, the user turns the key back to the position of opening the seat cover, as shown in fig. 5, thesecond swinging component 312 of the rotating shaft pushes against the seat barrel switch, the seat barrel switch pulls the steel wire, the steel wire pulls the switch under the seat barrel to open the seat barrel, the user releases his hand, the pullingblock 50 returns under the action of the spring, and the lock cylinder component returns to the second power-off position 122. When a user screws the key to the position of the power-onposition 11, if the electromagnet is in an extending state, thefirst swinging piece 311 of the rotating shaft in fig. 6 pushes thestop piece 142 of the sliding plate to unlock the electromagnet, and simultaneously the rotating shaft drives the damping disc to rotate, and the damping disc drives the contact piece to rotate to enable a pair of switch contacts on the short contact plates at two ends of the contact piece to be electrically started; if the electromagnet is in a retraction state, the back action is directly executed; in the position of the power-onposition 11, the first swingingmember 311 of the rotating shaft and thestop member 142 of the sliding plate in fig. 6 also play a role in preventing misoperation or shaking to cause the electromagnet push rod to extend out during riding.
Under the condition of not inserting the key, the rotating shaft does not interfere with the action of the sliding plate, and the following steps can be executed: step 1: remote control locks, then the electro-magnet push rod is released, pushes against the sliding plate, and the sliding plate pushes against the spring bolt and locks, step 2: when the unlocking is controlled by remote control, the electromagnet push rod retracts to drive the sliding plate, and the sliding plate drives the lock tongue to retract to unlock.
In addition to the foregoing, it should be noted that reference throughout this specification to "one embodiment," "another embodiment," "an embodiment," or the like, means that a particular feature, structure, or characteristic described in connection with the embodiment is included in at least one embodiment described generally throughout this application. The appearances of the same phrase in various places in the specification are not necessarily all referring to the same embodiment. Further, when a particular feature, structure, or characteristic is described in connection with any embodiment, it is submitted that it is within the scope of the invention to effect such feature, structure, or characteristic in connection with other embodiments.
In the foregoing embodiments, the descriptions of the respective embodiments have respective emphasis, and for parts that are not described in detail in a certain embodiment, reference may be made to related descriptions of other embodiments.
The above description is only a preferred embodiment of the present invention and is not intended to limit the present invention, and various modifications and changes may be made by those skilled in the art. Any modification, equivalent replacement, or improvement made within the spirit and principle of the present invention should be included in the protection scope of the present invention.

Claims (12)

4. The lock according to claim 3, characterized in that the sliding part (14) is a sliding plate, which is provided with a notch, the notch forms the escape space (141), the inner wall of the notch forms a first guide wall on the side facing the bolt (13), and the inner wall of the notch forms a second guide wall on the side facing the driving part (20); rotating the plug assembly (30) in a first direction to the de-energized position (12) to bring the operating member (31) into abutment with the first guide wall and to urge the slide plate to move to bring the bolt (13) away from the plug assembly (30) to move the bolt assembly (10) to the latched position; rotating the plug assembly (30) in a second direction to the energized position (11) to enable the operating member (31) to abut the second guide wall and to push the sliding plate to move in a direction towards the driving portion (20) to move the latch bolt assembly (10) to the unlocked position; wherein one of the first direction and the second direction is clockwise, and the other is counterclockwise.
6. The lock according to claim 4, characterized in that said de-energized position (12) comprises a first de-energized position (121) and a second de-energized position (122), said bolt assembly (10) being in said locked position when said plug assembly (30) is in said first de-energized position (121); when the plug assembly (30) is in the second, de-energized position (122), the bolt assembly (10) is in the locked position or the unlocked position; wherein, when the plug assembly (30) is rotated in the second direction, the plug assembly (30) is rotated from the energized position (11) to the second de-energized position (122) to de-energize the body circuit; when the lock core assembly (30) is rotated continuously along the second direction, the lock core assembly (30) is rotated to the first power-off position (121) from the second power-off position (122), so that the operating piece (31) drives the bolt assembly (10) to move to the locking position.
CN201920897918.9U2019-06-142019-06-14Lockset and electric vehicleActiveCN210918550U (en)

Priority Applications (1)

Application NumberPriority DateFiling DateTitle
CN201920897918.9UCN210918550U (en)2019-06-142019-06-14Lockset and electric vehicle

Applications Claiming Priority (1)

Application NumberPriority DateFiling DateTitle
CN201920897918.9UCN210918550U (en)2019-06-142019-06-14Lockset and electric vehicle

Publications (1)

Publication NumberPublication Date
CN210918550Utrue CN210918550U (en)2020-07-03

Family

ID=71347164

Family Applications (1)

Application NumberTitlePriority DateFiling Date
CN201920897918.9UActiveCN210918550U (en)2019-06-142019-06-14Lockset and electric vehicle

Country Status (1)

CountryLink
CN (1)CN210918550U (en)

Cited By (1)

* Cited by examiner, † Cited by third party
Publication numberPriority datePublication dateAssigneeTitle
CN112081464A (en)*2019-06-142020-12-15纳恩博(北京)科技有限公司 lock

Cited By (2)

* Cited by examiner, † Cited by third party
Publication numberPriority datePublication dateAssigneeTitle
CN112081464A (en)*2019-06-142020-12-15纳恩博(北京)科技有限公司 lock
CN112081464B (en)*2019-06-142024-11-05纳恩博(北京)科技有限公司 Locks

Similar Documents

PublicationPublication DateTitle
EP2599943B1 (en)Electronic door lock device for connecting clutch easily
CN104025230A (en)Mechanical Interlock Device Among Cable Door, Rear Door And Earthing Switch
WO2016057675A2 (en)Gear assembly and a door mount mechanism including the same
AU2018389972B2 (en)Actuator comprising electro permanent magnet and method
KR100895874B1 (en)Door lock
KR100954077B1 (en)The door-lock device with a dual locker
CN111886390B (en)Release mechanism, energy harvesting device, and electronic locking system
KR20140148049A (en)Assembly for activation in both side
CN210918550U (en)Lockset and electric vehicle
EP4334552B1 (en)Actuating device for lock device, and lock device
KR100920199B1 (en) Door lock
CN103742000A (en)Electromagnetic drive lock
CN106049999A (en)Safe electronic lock
CN112252851A (en)Intelligent lock core
CN112081464A (en) lock
CN209942449U (en)Remote control case and remote control device
CN108915377B (en)Passive lock core
CN107675950B (en)Lock cylinder, key and key control method
JP2020176433A (en)Lock device
CN217151580U (en)Electric door lock structure of generator
JP3121177U (en) Door contact type power feeder
CN223423782U (en) A clutch mechanism for smart lock
CN114622782B (en)Vehicle external handle assembly, vehicle unlocking system and vehicle
CN201891305U (en)Manually-operated or electronic control lockset
CN203603658U (en)Transmission mechanism for sliding door/window

Legal Events

DateCodeTitleDescription
GR01Patent grant
GR01Patent grant

[8]ページ先頭

©2009-2025 Movatter.jp