Movatterモバイル変換


[0]ホーム

URL:


CN203552660U - LED backlight drive circuit - Google Patents

LED backlight drive circuit
Download PDF

Info

Publication number
CN203552660U
CN203552660UCN201320737676.XUCN201320737676UCN203552660UCN 203552660 UCN203552660 UCN 203552660UCN 201320737676 UCN201320737676 UCN 201320737676UCN 203552660 UCN203552660 UCN 203552660U
Authority
CN
China
Prior art keywords
circuit
led
mcu
boost
dimming
Prior art date
Legal status (The legal status is an assumption and is not a legal conclusion. Google has not performed a legal analysis and makes no representation as to the accuracy of the status listed.)
Expired - Fee Related
Application number
CN201320737676.XU
Other languages
Chinese (zh)
Inventor
叶忠龙
吴卫明
Current Assignee (The listed assignees may be inaccurate. Google has not performed a legal analysis and makes no representation or warranty as to the accuracy of the list.)
ZHEJIANG LONGCHI TECHNOLOGY Co Ltd
Original Assignee
ZHEJIANG LONGCHI TECHNOLOGY Co Ltd
Priority date (The priority date is an assumption and is not a legal conclusion. Google has not performed a legal analysis and makes no representation as to the accuracy of the date listed.)
Filing date
Publication date
Application filed by ZHEJIANG LONGCHI TECHNOLOGY Co LtdfiledCriticalZHEJIANG LONGCHI TECHNOLOGY Co Ltd
Priority to CN201320737676.XUpriorityCriticalpatent/CN203552660U/en
Application grantedgrantedCritical
Publication of CN203552660UpublicationCriticalpatent/CN203552660U/en
Anticipated expirationlegal-statusCritical
Expired - Fee Relatedlegal-statusCriticalCurrent

Links

Images

Landscapes

Abstract

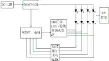
The utility model discloses an LED backlight drive circuit. The LED backlight drive circuit comprises a DC power source, a BOOST circuit and an operational amplifier LED self-constant-current and dimming circuit. The DC power source is directly connected with the BOOST circuit. The output end of the BOOST circuit is connected with a MCU control circuit and the positive electrode of an LED lamp string separately. The output end of the MCU control circuit is connected with the operational amplifier LED self-constant-current and dimming circuit and a feedback protection sampling circuit separately. The feedback protection sampling circuit is connected with the negative electrode of the LED lamp string. According to the utility model, advantages of simple structure, solid durable and low cost can be realized, and the system adopts the mode in which Boost and MCU dimming are combined, the MCU is used to perform dimming on LEDs directly, so a special dimming chip can be omitted, and the MCU has the characteristic of programmability, so the MCU can be used as a protection circuit and a feedback circuit, so that the original circuit can be simplified, subsequent maintenance can be realized by only upgrading the program, and the PCB does not need to be laid out.

Description

A kind of LED-backlit lamp drive circuit
technical field
The utility model relates to LED technical field, is specifically related to a kind of LED backlight driving circuit.
Background technology
Now, increasing LCD TV all starts to adopt the backlight technology of LED, and its major advantage is long service life, power and energy saving, and drives conveniently.For LED scheme backlight, mainly contain following two kinds: one is straight-down negative, by some LED lamps, be set directly at the below of display screen, thereby in the display frame by lighting this LED backlight whenever necessary.Another kind is side entering type, and some LED lamps are distributed on the side of display screen, whenever necessary, lights described LED-backlit lamp, and by the light guide plate that be arranged in parallel with display screen by the light display screen that leads equably, to reach the object of display frame.
At present, above-mentioned two schemes has all obtained several application widely.Wherein, the described LED backlight of arranging by vertical type or side entering type is normally connected several LED lamps, and then the combination of a few string LED lamps is driven and lighted by one or several constant current driven IC.
Day by day universal along with current LCD TV, people are also more and more extensive and harsh for the requirement of LCD TV, for example, and along with the release of 3D TV and weeding out the old and bring forth the new of all big enterprises, people are also all to enter with day for the requirement of 3D, have even arrived hairsplitting stage.At present, the mode that realizes 3D TV functions has multiple, and wherein ripe, the best mode of effect is: adopt the mode of liquid crystal electron light valve spectacles to realize 3D TV functions.In which, be provided with a synchronization signal generation apparatus and synchronous receiving trap, LCD TV shows the image frame of left eye and right eye according to certain rules successively.Above-mentioned synchronous receiving trap receives corresponding synchronizing signal and controls respectively the liquid crystal light valve of right and left eyes, thereby allows right and left eyes see respectively corresponding image frame, so in people's brain the image frame of compound stereoscopic, realize the function of 3D.But; due in the handoff procedure of liquid crystal light valve; liquid crystal light valve has the delay of opening and turn-offing; like this; people can produce the situation that hangover and ghost image appear in its image frame of seeing conventionally; even an one eye can be seen the content of another glasses, thereby cause the fatigue of eyes, affect normally watching of user.In addition, liquid crystal light valve also can cause the decay to light in to the handoff procedure of light, therefore under this 3D functional status, the image frame that user can watch is darker, has therefore also caused to a certain extent user's eyes discomfort.
Utility model content
Goal of the invention of the present utility model is: for the problem of above-mentioned existence, provide a kind of simple in structure, durable, LED backlight driving circuit that cost is low, effective.
The technical solution adopted in the utility model is such: comprise that DC power supply, BOOST circuit and amplifier LED are from constant current and light adjusting circuit; wherein; DC power supply is directly connected with BOOST circuit; the output terminal of BOOST circuit is connected with the positive pole of LED lamp string respectively at MCU control circuit; the output terminal of MCU control circuit is connected with feedback protection sample circuit from constant current and light adjusting circuit with amplifier LED respectively, and feedback protection sample circuit is connected with the negative pole of LED lamp string.
Further, the quantity of described LED lamp string is 4 ~ 8 tunnels.
Further, described amplifier LED is 4 ~ 8 tunnels from the controlled quentity controlled variable of constant current and light adjusting circuit.
Further, described MCU control circuit is selected 28 pin flash memory single-chip microcomputers: Singlechip clock frequency 16MHz, 25,11 I/O mouths of A/D mouth, timer 2.
In sum; the beneficial effects of the utility model are: simple in structure, durable, cost is low; and the mode that this system adopts Boost and MCU light modulation to combine; because MCU directly carries out light modulation to LED, saved special light modulation chip, and because MCU has programmable feature; can be used for holding circuit and feedback circuit; simplify original circuit, in follow-up maintenance, only need just can realize program upgrade, do not needed cloth PCB again.
Accompanying drawing explanation
Below in conjunction with drawings and Examples, the utility model is further illustrated.
Fig. 1 is schematic diagram of the present utility model.
Embodiment
By reference to the accompanying drawings the utility model is described in further detail now.These accompanying drawings are the schematic diagram of simplification, and basic structure of the present utility model is only described in a schematic way, and therefore it only shows the formation relevant with the utility model.
As shown in Figure 1; a kind of LED-backlit lamp drive circuit; comprise that DC power supply, BOOST circuit and amplifier LED are from constant current and light adjusting circuit; wherein; DC power supply is directly connected with BOOST circuit; the output terminal of BOOST circuit is connected with the high-pressure side of LED lamp string respectively at MCU control circuit, and the output terminal of MCU control circuit is connected with feedback protection sample circuit from constant current and light adjusting circuit with amplifier LED respectively, and feedback protection sample circuit is connected with the low pressure end of LED lamp string.
Further, the quantity of described LED lamp string is 4 ~ 8 tunnels.
Further, described amplifier LED is 4 ~ 8 tunnels from the controlled quentity controlled variable of constant current and light adjusting circuit.
Further, described MCU control circuit is selected 28 pin flash memory single-chip microcomputers: Singlechip clock frequency 16MHz, 25,11 I/O mouths of A/D mouth, timer 2.
When operation, shown in Fig. 1.Power panel provides a direct supply DC to enter Boost circuit to do the driving of LED: the control center that MCU control circuit is whole system, be responsible for the processing of signal: feedback protection sample circuit for sample the low pressure end voltage of LED and by signal feedback to MCU control circuit: amplifier LED constant current and light adjusting circuit directly act on the low pressure end of LED for receiving the control signal of MCU control circuit.All capable of regulatings of a number of the string number of LED and every string in Fig. 1, need only the parameter of adjusting Boost circuit and the MCU control circuit of selecting corresponding l/O mouth number.
Take above-mentioned foundation desirable embodiment of the present utility model as enlightenment, by above-mentioned description, relevant staff can, not departing from the scope of this utility model technological thought, carry out various change and modification completely.The technical scope of this utility model is not limited to the content on instructions, must determine its technical scope according to claim scope.

Claims (4)

CN201320737676.XU2013-11-212013-11-21LED backlight drive circuitExpired - Fee RelatedCN203552660U (en)

Priority Applications (1)

Application NumberPriority DateFiling DateTitle
CN201320737676.XUCN203552660U (en)2013-11-212013-11-21LED backlight drive circuit

Applications Claiming Priority (1)

Application NumberPriority DateFiling DateTitle
CN201320737676.XUCN203552660U (en)2013-11-212013-11-21LED backlight drive circuit

Publications (1)

Publication NumberPublication Date
CN203552660Utrue CN203552660U (en)2014-04-16

Family

ID=50470742

Family Applications (1)

Application NumberTitlePriority DateFiling Date
CN201320737676.XUExpired - Fee RelatedCN203552660U (en)2013-11-212013-11-21LED backlight drive circuit

Country Status (1)

CountryLink
CN (1)CN203552660U (en)

Cited By (4)

* Cited by examiner, † Cited by third party
Publication numberPriority datePublication dateAssigneeTitle
CN103680421A (en)*2013-11-212014-03-26浙江龙驰科技有限公司LED backlight drive circuit
CN105487588A (en)*2016-01-122016-04-13四川长虹电器股份有限公司Constant current source circuit capable of being regulated and controlled in real time and constant current control method thereof
CN105575338A (en)*2016-02-222016-05-11青岛海信电器股份有限公司Negative voltage protection circuit
CN106604464A (en)*2016-12-152017-04-26宁波龙源照明电器有限公司Double-operational amplifier high-performance 0V-10V dimming circuit

Cited By (7)

* Cited by examiner, † Cited by third party
Publication numberPriority datePublication dateAssigneeTitle
CN103680421A (en)*2013-11-212014-03-26浙江龙驰科技有限公司LED backlight drive circuit
CN105487588A (en)*2016-01-122016-04-13四川长虹电器股份有限公司Constant current source circuit capable of being regulated and controlled in real time and constant current control method thereof
CN105487588B (en)*2016-01-122017-03-29四川长虹电器股份有限公司A kind of constant-current source circuit and its constant current control method of real-time monitoring
CN105575338A (en)*2016-02-222016-05-11青岛海信电器股份有限公司Negative voltage protection circuit
CN105575338B (en)*2016-02-222018-07-24青岛海信电器股份有限公司negative voltage protection circuit
CN106604464A (en)*2016-12-152017-04-26宁波龙源照明电器有限公司Double-operational amplifier high-performance 0V-10V dimming circuit
CN106604464B (en)*2016-12-152018-08-03宁波龙源照明电器有限公司The 0V-10V light adjusting circuits being made of double operational

Similar Documents

PublicationPublication DateTitle
CN203552660U (en)LED backlight drive circuit
CN101136181B (en)Back light source brightness regulating mechanism, method and display apparatus thereof
CN206573822U (en)A kind of environment self-adaption formula LED backlight liquid crystal display
CN106101591B (en)The method of adjustment of LCD TV and its backlight driving voltage, device
CN209591492U (en)A kind of backlight control circuit
CN103680421A (en)LED backlight drive circuit
CN105590590A (en)Backlight brightness automatic adjusting system suitable for different liquid crystal panels and liquid crystal display with backlight brightness automatic adjusting system
CN101655210A (en)Backlight system of liquid crystal display apparatus
CN102467882B (en)Dimming system of light emitting diode (LED) backlight module, liquid crystal display and dimming method
CN204516324U (en)The adjustable DID large-screen lc of a kind of brightness connects spelling display screen
CN208985654U (en) Transparent screen with ambient brightness sensing function
CN208488957U (en)A kind of intelligence control system
CN103280192B (en)LED backlight drive circuit, liquid crystal indicator and a kind of driving method
CN205787480U (en)A kind of head up displays
CN103672798A (en)Adjustable-light daylight lamp controlled by section switch
CN103672799A (en)Adjustable-light down light controlled by section switch
CN202093761U (en)Intelligent liquid crystal digital photo frame
CN203675379U (en)LED intelligent controlling terminal
CN202957023U (en)Control system for regulating digital information display (DID) splicing brightness automatically
CN201541312U (en)LCD television capable of automatically adjusting screen backlight brightness
CN207440481U (en)The liquid crystal display device of intelligent dimming
CN203102813U (en)Photovoltaic power station outdoor display screen
CN204652442U (en)A kind of terminal
CN203422628U (en)Digital timing control circuit
CN207425143U (en)double-sided screen

Legal Events

DateCodeTitleDescription
C14Grant of patent or utility model
GR01Patent grant
CF01Termination of patent right due to non-payment of annual fee

Granted publication date:20140416

Termination date:20141121

EXPYTermination of patent right or utility model

[8]ページ先頭

©2009-2025 Movatter.jp