Movatterモバイル変換


[0]ホーム

URL:


CN202289608U - Changeable-cavity chamber type filter plate for chamber filter press - Google Patents

Changeable-cavity chamber type filter plate for chamber filter press
Download PDF

Info

Publication number
CN202289608U
CN202289608UCN2011203864093UCN201120386409UCN202289608UCN 202289608 UCN202289608 UCN 202289608UCN 2011203864093 UCN2011203864093 UCN 2011203864093UCN 201120386409 UCN201120386409 UCN 201120386409UCN 202289608 UCN202289608 UCN 202289608U
Authority
CN
China
Prior art keywords
plate
chamber
filter
bearing plate
porous disc
Prior art date
Legal status (The legal status is an assumption and is not a legal conclusion. Google has not performed a legal analysis and makes no representation as to the accuracy of the status listed.)
Withdrawn - After Issue
Application number
CN2011203864093U
Other languages
Chinese (zh)
Inventor
王永忠
Current Assignee (The listed assignees may be inaccurate. Google has not performed a legal analysis and makes no representation or warranty as to the accuracy of the list.)
WUHU DINGTIAN ENVIRONMENTAL PROTECTION EQUIPMENT CO Ltd
Original Assignee
WUHU DINGTIAN ENVIRONMENTAL PROTECTION EQUIPMENT CO Ltd
Priority date (The priority date is an assumption and is not a legal conclusion. Google has not performed a legal analysis and makes no representation as to the accuracy of the date listed.)
Filing date
Publication date
Application filed by WUHU DINGTIAN ENVIRONMENTAL PROTECTION EQUIPMENT CO LtdfiledCriticalWUHU DINGTIAN ENVIRONMENTAL PROTECTION EQUIPMENT CO Ltd
Priority to CN2011203864093UpriorityCriticalpatent/CN202289608U/en
Application grantedgrantedCritical
Publication of CN202289608UpublicationCriticalpatent/CN202289608U/en
Anticipated expirationlegal-statusCritical
Withdrawn - After Issuelegal-statusCriticalCurrent

Links

Images

Landscapes

Abstract

The utility model relates to a changeable-cavity chamber type filter plate for a chamber filter press, which comprises a bearing plate and a press plate, the bearing plate and the press plate are corresponding in size and shape and are provided with positioning pins in assembly mode, the positioning pins enable the bearing plate and the press plate to relatively move but not to relatively rotate. The inner lateral face and the outer lateral face of the bearing plate are respectively provided with an inner concave cavity and an outer concave cavity, an inner water permeating plate is assembled in the inner concave cavity, an elastic part is clamped between the water permeating plate and the press plate, and an outer water permeating plate is assembled in the outer concave cavity. Penetrating circular holes are arranged at the centers of the outer water permeating plate, the bearing plate, the inner water permeating plate and the press plate. An ordinary filter plate is improved to be the changeable-cavity chamber type filter plate which adopts the press plate and the bearing plate which are made of a steel material, the elastic part with high strength is clamped between the press plate and the bearing plate to maintain the size of the cavities and ensure that the filter plate can bear high pressure filtration, pressure difference on two sides of the filter plate and high pressure squeeze, and simultaneously, the water permeating plates are assembled on the bearing plate to ensure the filtering performance of the filter plate.

Description

The variable chamber chamber filter plate of chamber-type press filter
Technical field
The utility model relates to the filter-plate structure on the chamber-type press filter, specifically is a kind of variable chamber chamber filter plate.
Background technology
Filter press is typical intermittently operated pressure filtration equipment, is applicable to the Separation of Solid and Liquid of various suspension.Be widely used in chemical industry, oil, pharmacy, food, light down, industries such as coal washing, fuel and metallurgy, also be applicable to environmental wastewater processing procedures such as weaving, printing and dyeing, leather, papermaking.Be a kind of desirable solid-liquid two device for phase saparation.Filter press mainly contains three kinds of plate and frame filter press, chamber-type press filter and vertical type blotter press, and chamber-type press filter is applicable to and need under elevated pressures, filters and slip that filter residue need not wash.
The structure of existing chamber-type press filter is general like Fig. 1, shown in Figure 2; It is mainly bythrust plate 1, a plate 2; Parts such as filter plate 3, crossbeam 4,tailgate 5, pressure strip 6, filter medium and hold down gag 7 are formed; Two crossbeams 4 arethrust plate 1 and the hold down gag 7 formation frame that connects together, and pressure strip 6 is hinged with hold down gag 7 on the frame; Betweenthrust plate 1 and pressure strip 6, be arranged in order filter plate 3; All filter plates 3 all can be put by thehandle 10 of self both sides and hang on the crossbeam 4; And can move along crossbeam 4 horizontal directions, clip filter medium (filter cloth or filter paper etc.) between the adjacent filter plate 3, constitute filter chamber; Plate 2 is fixed on thethrust plate 1, andtailgate 5 is fixed on movably on the pressure strip 6; Hold down gag 7 promotes pressure strips 6, and allfilter plates 1 are pressed in the frame, reach specified thrust after, can filter.When filtering beginning, slip is under the promotion of feed pump, and the charging aperture onthrust plate 1 gets in each filter chamber, and the pressure of borrowing feed pump to produce filters.Solid particle is filtered medium and is trapped in the filter chamber, and filtrating then sees through medium, is discharged by water nozzle (free flow) or liquid valve (undercurrent).
But in some occasion, existing chamber-type press filter filter pressure is not enough height, and filter plate 4 can not bear the pressure reduction on high-pressure filteration, filter plate 4 both sides can not be too high, can't realize further reducing the purpose of moisture content.Therefore need improve.
Summary of the invention
The purpose of the utility model is to overcome the deficiency that exists in the prior art; A kind of variable chamber chamber filter plate that is applied on the chamber-type press filter is provided; Its structure is ingenious rationally can to have improved the filter pressure of filter press greatly, thereby has realized reducing the purpose of moisture content.
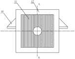
The technical scheme that provides according to the utility model: the variable chamber chamber filter plate of chamber-type press filter; It is characterized in that: comprise bearing plate and pressing plate; Said bearing plate is corresponding with the shape size of pressing plate and be fitted with alignment pin, and alignment pin can relatively move bearing plate and pressing plate and can not relatively rotate; Be respectively equipped with inner cavity and outer cavity in the said bearing plate on the lateral surface, be equipped with interior porous disc in the said inner cavity, clamp flexible between interior porous disc and the said pressing plate, be equipped with outer porous disc in the said outer cavity; The center of said outer porous disc, bearing plate, interior porous disc and pressing plate offers the circular hole of perforation.
As the further improvement of the utility model, said bearing plate periphery offers the alignment pin through hole, and the corresponding position of said pressing plate offers dowel hole, and alignment pin is inserted and stretched in the dowel hole that adopts on the pressing plate by the alignment pin through hole on the bearing plate.
As the further improvement of the utility model, the thickness of said interior porous disc is greater than the thickness of outer porous disc.
As the further improvement of the utility model, said interior porous disc all adopts polypropylene (PP) material to process with outer porous disc, and said bearing plate and pressing plate all adopt steel material to process.
As the further improvement of the utility model, said elastic component adopts spring, such as traditional cylindrical shape compression spring.
The utility model compared with prior art; Advantage is: the utility model improves the filter plate of existing chamber-type press filter; Common filter plate is modified into the box filter plate of variable chamber, and this filter plate is different from the high-pressure polypropylene filter plate of diaphragm type fully, and it has adopted pressing plate and the bearing plate of being processed by steel material; And between pressing plate and bearing plate, clamped high strength elastic spare and kept chamber size; Guarantee that filter plate can bear the pressure reduction and the high-pressure compressing on high-pressure filteration, filter plate both sides, on bearing plate, assembled porous disc simultaneously, guaranteed the strainability of filter plate.
Description of drawings
Fig. 1 is the structural front view of chamber-type press filter.
Fig. 2 is the left view of Fig. 1.
Fig. 3 is the variable chamber chamber filter plate structural front view of the utility model.
Fig. 4 is the A-A cutaway view among Fig. 3.
Description of reference numerals: porous disc, 14-alignment pin, 15-elastic component, 16-pressing plate, 17-circular hole in 1-thrust plate, a 2-plate, 3-filter plate, 4-crossbeam, 5-tailgate, 6-pressure strip, 7-hold down gag, 8-dreg removing system, 9-drainage system, 10-handle, the outer porous disc of 11-, 12-bearing plate, the 13-.
The specific embodiment
Below in conjunction with concrete accompanying drawing and embodiment the utility model is described further.
Like Fig. 1, shown in Figure 2: the variable chamber chamber filter plate of said chamber-type press filter mainly is made up of outerporous disc 11,bearing plate 12, interiorporous disc 13,alignment pin 14,elastic component 15 andpressing plate 16; Corresponding and the equippedalignment pin 14 of shape size of saidbearing plate 12 and pressingplate 16, the effect ofalignment pin 14 arebearing plate 12 andpressing plate 16 can be relatively moved and can not to relatively rotate; Be respectively equipped with inner cavity and outer cavity on the lateral surface in the saidbearing plate 12, said interiorporous disc 13 is assemblied in the inner cavity, clampselastic component 15 between interiorporous disc 13 and the saidpressing plate 16, and said outerporous disc 11 is assemblied in the outer cavity; The center of said outerporous disc 11,bearing plate 12, interiorporous disc 13 andpressing plate 16 offers thecircular hole 17 of perforation.The describedelastic component 15 preferred springs that adopt such as traditional cylindrical shape compression spring, can certainly adopt the spring of other form.
The fit of saidalignment pin 14 is as shown in Figure 1; Offer the alignment pin through hole atbearing plate 12 peripheries; Corresponding position onpressing plate 16 offers dowel hole;Alignment pin 14 is inserted and is stretched in the dowel hole that adopts on thepressing plate 16 by the alignment pin through hole on thebearing plate 12, andalignment pin 14 heads can move axially in the alignment pin through hole but can not deviate from.
As shown in Figure 1, the thickness of said interiorporous disc 13 is greater than the thickness of outerporous disc 11, and thicker interiorporous disc 13 has higher intensity, can sustain the pressure ofelastic component 15.
As shown in Figure 1, said interiorporous disc 13 all adopts polypropylene (PP) material to process with outerporous disc 11, and its corrosion resistance and intensity are all relatively good; Said bearingplate 12 all adopts steel material to process withpressing plate 16, thereby makes its structural strength obtain effective assurance.
The common filter plate 3 that the utility model will have now on the chamber-type press filter is modified into the box filter plate 3 of variable chamber; This filter plate 3 has adopted the pressing plate of being processed bysteel material 16 andbearing plate 12; And betweenpressing plate 16 andbearing plate 12, clamped high strength elastic spare 14 and kept chamber size; Guarantee that filter plate 3 can bear the pressure reduction and the high-pressure compressing on high-pressure filteration, filter plate 3 both sides, onbearing plate 12, assembled porous disc simultaneously, guaranteed the strainability of filter plate 3.In order to cooperate the application of this kind filter plate 3, also need set up the high-pressure compressing system on the chamber-type press filter, and remaining hydraulic system, dreg removingsystem 8,drainage system 9 and filter residue induction system etc. still can adopt the existing parts on the chamber-type press filter.
During concrete the application; Like Fig. 1, shown in Figure 2; Box filter plate 3 horizontal parallel of the variable chamber of the utility model are arranged, and put through thehandle 10 of himself to hang on the housiung separator 4, and can relatively move along arranging fore-and-aft direction; Arranging fore-and-aft direction also is the squeeze force direction of hold down gag 7, and what the hold down gag 7 of diagram chamber-type press filter adopted is hydraulic means.
Be treated to example with sludge press filtration, when charging, hydraulic system only provides an initial pressure; Slip when keeping charging (mud) does not spray material; Be equivalent to common chamber-type press filter this moment, treat that charging finishes after, the moisture content of mud is about 70%~80% in this moment filter chamber.The high-pressure compressing system starts working then, with 15 compressions of the elastic component betweenbearing plate 12 and thepressing plate 16, under the effect of pressingplate 16 and bearingplate 12; Mud dewaters under greater than the pressure of 1.5MPa; Mud is squeezed squeezing and further dewaters, and through squeezing, moisture percentage in sewage sludge is less than 50%; Change the dump program then over to, the mud behind the high-pressure compressing is unloaded from equipment, be transported to dried dust field, transport outward or burn, accomplish a course of work to boiler through the filter residue induction system.

Claims (5)

1. the variable chamber chamber filter plate of chamber-type press filter; It is characterized in that: comprise bearing plate (12) and pressing plate (16); Said bearing plate (12) is corresponding with the shape size of pressing plate (16) and be fitted with alignment pin (14), and alignment pin (14) can relatively move bearing plate (12) and pressing plate (16) and can not relatively rotate; Be respectively equipped with inner cavity and outer cavity on the interior lateral surface of said bearing plate (12); Be equipped with interior porous disc (13) in the said inner cavity; Clamp flexible (15) between interior porous disc (13) and the said pressing plate (16), be equipped with outer porous disc (11) in the said outer cavity; The center of said outer porous disc (11), bearing plate (12), interior porous disc (13) and pressing plate (16) offers the circular hole (17) of perforation.
CN2011203864093U2011-10-102011-10-10Changeable-cavity chamber type filter plate for chamber filter pressWithdrawn - After IssueCN202289608U (en)

Priority Applications (1)

Application NumberPriority DateFiling DateTitle
CN2011203864093UCN202289608U (en)2011-10-102011-10-10Changeable-cavity chamber type filter plate for chamber filter press

Applications Claiming Priority (1)

Application NumberPriority DateFiling DateTitle
CN2011203864093UCN202289608U (en)2011-10-102011-10-10Changeable-cavity chamber type filter plate for chamber filter press

Publications (1)

Publication NumberPublication Date
CN202289608Utrue CN202289608U (en)2012-07-04

Family

ID=46358596

Family Applications (1)

Application NumberTitlePriority DateFiling Date
CN2011203864093UWithdrawn - After IssueCN202289608U (en)2011-10-102011-10-10Changeable-cavity chamber type filter plate for chamber filter press

Country Status (1)

CountryLink
CN (1)CN202289608U (en)

Cited By (1)

* Cited by examiner, † Cited by third party
Publication numberPriority datePublication dateAssigneeTitle
CN102500147A (en)*2011-10-102012-06-20无锡鼎天环保设备有限公司Variable-chamber-containing box filter plate of box filter press

Cited By (2)

* Cited by examiner, † Cited by third party
Publication numberPriority datePublication dateAssigneeTitle
CN102500147A (en)*2011-10-102012-06-20无锡鼎天环保设备有限公司Variable-chamber-containing box filter plate of box filter press
CN102500147B (en)*2011-10-102014-01-15无锡鼎天环保设备有限公司Variable-chamber-containing box filter plate of box filter press

Similar Documents

PublicationPublication DateTitle
CN102814063A (en)Pressure filter and pressure filtration method thereof
CN108031154B (en)Filter press
CN205627231U (en)Automatic standard -sized sheet pressure filter of high pressure degree of depth dehydration
WO2019128618A1 (en)Plate and frame filter press with sealed variable filter chamber of elastomer
CN106377931B (en)A kind of filter press
CN102500147B (en)Variable-chamber-containing box filter plate of box filter press
CN202860204U (en)Filtering plate, filtering plate assembly and high-pressure sludge squeezer
CN208726841U (en)A kind of acid and alkali-resistance filter press plate of vertical type blotter press
CN107082550B (en)Sewage sludge dewatering device based on electromagnetic force
CN202289608U (en)Changeable-cavity chamber type filter plate for chamber filter press
CN205699648U (en)A kind of sewage disposal filter press
CN103223269A (en)Energy-saving diaphragm type pressure filter
CN202113662U (en)Frame set used for horizontal filter pressing plates
CN211706015U (en)High-pressure diaphragm filter press
CN201889106U (en)Mechanical squeezing filter plate of squeeze filter press
CN201735221U (en)High-pressure variable volume filtering unit for presser
KR101261568B1 (en)Filtering plate arrangement device for filter presentation
CN109011748B (en)Efficient diaphragm filter plate filter press
KR20130018279A (en)Solid-liquid separation method
CN205164224U (en)Filter plate structure of van -type pressure filter
CN202219114U (en)Combined pressure filter
CN201529427U (en)Filter plate to feed at center with four bosses
CN212594194U (en)Plate frame assembly of sludge filter press
KR20090002703A (en) Filter cloth for filter press with steel metal net
CN106396330A (en)High-pressure squeezer

Legal Events

DateCodeTitleDescription
C14Grant of patent or utility model
GR01Patent grant
AV01Patent right actively abandoned

Granted publication date:20120704

Effective date of abandoning:20140115

RGAVAbandon patent right to avoid regrant

[8]ページ先頭

©2009-2025 Movatter.jp