







技术领域technical field
本实用新型涉及一种洗衣机,尤其涉及可有效节约水和洗涤剂的洗衣机。The utility model relates to a washing machine, in particular to a washing machine which can effectively save water and detergent.
背景技术Background technique
随着人们对于服装洗涤要求的提升,洗衣机的功能也逐步增加。当用户需要同时洗涤多种衣物,例如内衣、外衣和袜子;因内衣、外衣和袜子的脏污程度不同,在洗涤时,不能将上述所需洗涤的衣物同时放入一个洗衣筒中进行洗涤,此时会在一个洗衣机上同时设置多个洗衣筒以实现多组的洗涤。With the improvement of people's requirements for clothing washing, the functions of washing machines have gradually increased. When the user needs to wash a variety of clothes at the same time, such as underwear, outerwear and socks; because the degree of dirt of the underwear, outerwear and socks is different, when washing, the above-mentioned clothes that need to be washed cannot be put into a washing tub at the same time for washing. Sometimes a plurality of washing drums can be set on a washing machine to realize multi-group washing.
在使用含有多个洗衣筒的洗衣机洗涤衣物时,需要向各个洗涤桶中分别加入足量的水以及洗涤剂,以实现所有衣物的洗涤。此时,在洗涤过程中,增加了水和洗涤剂的用量,造成了浪费。When using a washing machine with multiple washing tubs to wash clothes, it is necessary to add a sufficient amount of water and detergent to each washing tub to wash all the clothes. At this time, in the washing process, the amount of water and detergent is increased, resulting in waste.
实用新型内容Utility model content
本实用新型的实施例提供一种可有效节约水和洗涤剂的洗衣机。The embodiment of the utility model provides a washing machine which can effectively save water and detergent.
为达到上述目的,本实用新型的实施例采用如下技术方案:In order to achieve the above object, the embodiments of the present utility model adopt the following technical solutions:
一种洗衣机,包括至少两个洗涤桶,其特征在于,所述洗涤桶间通过连通管连接,且在该连通管上设置有控制阀门和水泵。A washing machine comprising at least two washing tubs, characterized in that the washing tubs are connected by a communication pipe, and a control valve and a water pump are arranged on the communication pipe.
本实用新型实施例提供的一种洗衣机,通过在洗涤桶间设置连通管,并通过控制阀门和水泵控制连通管所连接的洗涤桶间的水交换,洗涤时使洗涤桶中的水和洗涤剂可重复使用,从而节约了使用多个洗涤桶洗涤时所需要的水和洗涤剂。In the washing machine provided by the embodiment of the present invention, a connecting pipe is arranged between the washing tubs, and the water exchange between the washing tubs connected by the connecting pipe is controlled by controlling the valve and the water pump. When washing, the water in the washing tub and the detergent Reusable, saving water and detergent when washing with multiple wash tubs.
附图说明Description of drawings
图1为本实用新型实施例1所述的一种洗衣机的正面剖视图;Fig. 1 is a front sectional view of a washing machine described in
图2为本实用新型实施例1所述的一种洗衣机左侧的洗涤桶注水后的正面剖视图;Fig. 2 is a front sectional view of the washing tub on the left side of the washing machine described in
图3为本实用新型实施例1所述的一种洗衣机将左侧的洗涤桶内的水抽入右侧的洗涤桶时的正面剖视图;Fig. 3 is a front sectional view of a washing machine described in
图4为本实用新型实施例1所述的一种洗衣机连通管中存在残留水的正面剖视图;Fig. 4 is a front sectional view of residual water in the connecting pipe of a washing machine according to
图5为本实用新型实施例1所述的一种包含折弯形连通管的洗衣机的正面剖视图;Fig. 5 is a front sectional view of a washing machine including a bent connecting pipe according to
图6为本实用新型实施例2所述的一种洗衣机的正面剖视图;Fig. 6 is a front sectional view of a washing machine according to
图7为本实用新型实施例3所述的一种洗衣机的正面剖视图;Fig. 7 is a front sectional view of a washing machine according to
图8为本实用新型实施例4所述的一种洗衣机的正面剖视图。Fig. 8 is a front sectional view of a washing machine described in
具体实施方式Detailed ways
下面结合附图对本实用新型实施例一种洗衣机进行详细描述。A washing machine according to an embodiment of the utility model will be described in detail below in conjunction with the accompanying drawings.
应当明确,所描述的实施例仅仅是本实用新型一部分实施例,而不是全部的实施例。基于本实用新型中的实施例,本领域普通技术人员在没有做出创造性劳动前提下所获得的所有其他实施例,都属于本实用新型保护的范围。It should be clear that the described embodiments are only some of the embodiments of the present invention, not all of them. Based on the embodiments of the present utility model, all other embodiments obtained by persons of ordinary skill in the art without making creative efforts belong to the scope of protection of the present utility model.
实施例1Example 1
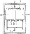
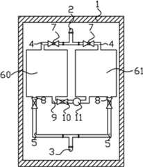
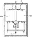
一种洗衣机,如图1所示,包括至少两个洗涤桶60、61;所述洗涤桶60、61间通过连通管9连接,且在该连通管上设置有控制阀门10和水泵11。A washing machine, as shown in FIG. 1 , includes at least two
本实用新型实施例提供的一种洗衣机,通过在洗涤桶间设置连通管,并通过控制阀门和水泵控制连通管所连接的洗涤桶间的水交换,洗涤时使洗涤桶中的水和洗涤剂可重复使用,从而节约了使用多个洗涤桶洗涤时所需要的水和洗涤剂。In the washing machine provided by the embodiment of the present invention, a connecting pipe is arranged between the washing tubs, and the water exchange between the washing tubs connected by the connecting pipe is controlled by controlling the valve and the water pump. When washing, the water in the washing tub and the detergent Reusable, saving water and detergent when washing with multiple wash tubs.
所述洗衣机,还包括出水管5和进水管4,该进水管4一端连接洗涤桶60、61上端,另一端连接有进水口2;所述出水管5一端连接洗涤桶60、61下端,另一端连接有出水口3;在洗涤桶60、61下端的出水管5上设置有排水阀门8;在洗涤桶60、61上端的进水管4上设置有进水阀门7。The washing machine also includes a
上述部件设置于洗衣机的外壳1内。The above components are arranged in the
所述洗衣机为自动洗衣机、半自动洗衣机和手动洗衣机,即上述洗涤桶60、61,进水阀门7,排水阀门8和控制阀门10,可以全部或部分通过自动或手动控制。Described washing machine is automatic washing machine, semi-automatic washing machine and manual washing machine, namely above-mentioned
下面以手动操作洗衣机为例,对衣物的洗涤过程进行具体描述。The washing process of clothes will be described in detail below by taking a manually operated washing machine as an example.
在使用洗衣机时,先将需要洗涤的衣物分别放入两个洗涤桶60、61中,例如将需要先进行洗涤的内衣放入左侧的洗涤桶60,将后进行洗涤的外衣放入右侧的洗涤桶61,并在左侧的洗涤桶60中加入洗涤剂。此时,用户可对洗衣机的进行操作,例如先对左侧洗涤桶60内的内衣进行洗涤,再对右侧洗涤桶61内的外衣进行洗涤;洗涤开始后,控制左侧洗涤桶60所对应的进水管4上所设置的进水阀门70打开,如图2所示,水从进水口2通过进水管4流入左侧的洗涤桶60;左侧洗涤桶60运转,对左侧洗涤桶60内的内衣进行洗涤;洗涤完成后,控制连接管9上所设置的控制阀门10和水泵11打开,使水从左侧洗涤桶60中流出,流入右侧洗涤桶61中;经过一段时间,如图3所示,在控制阀门10和水泵11的作用下水全部流入右侧洗涤桶61中;此时,控制控制阀门10关闭,因水全部流入右侧洗涤桶61,可使用脏污程度较低的水继续对右侧洗涤桶61内的外衣进行洗涤,从而节约了洗涤衣物时所使用的水和洗涤剂。When using a washing machine, first put the clothes to be washed into two
在右侧洗涤桶61内的外衣洗涤完成后,可同时打开左侧洗涤桶60所对应的左排水阀门和所述右侧洗涤桶61所对应的排水阀门7,以排净洗涤桶60、61内的污水。After the washing of the clothes in the
进一步的,所述水泵为单向水泵或双向水泵。Further, the water pump is a one-way water pump or a two-way water pump.
当水泵11为单向水泵时,只可实现水的单向流动;当水泵11为双向水泵时,即可实现将水的双向流动,即可以避免因洗涤顺序错误而造成的无法重复使用水的情况出现,便于用户操作。When the
因所述连通管9的位置低于洗涤桶60、61,故在将左侧洗涤桶60的水抽入到右侧洗涤桶61时,如图4所示,在连通管9内会积蓄残余的水。Because the position of the connecting
为解决上述问题,进一步的,如图5所示,所述连通管为折弯形,该连通管的折弯部通过连通管阀门与出水口连接,例如“V”形或“U”形。In order to solve the above problems, further, as shown in FIG. 5 , the connecting pipe is bent, and the bent part of the connecting pipe is connected to the water outlet through a connecting pipe valve, such as a "V" or "U" shape.
在将左侧洗涤桶60和右侧洗涤桶61内的水排净后,可打开所述连通管阀门12,因所述连接管为折弯形,连通管9内的水沿连通管9的倾斜的侧壁流动,从出水口3排出,以防止在连通管9中的积水滋生细菌。After draining the water in the left washing
实施例2Example 2
如实施例1所述的一种洗衣机,在衣物进行洗涤时,需要手动加入洗涤剂,且在洗涤完左侧洗涤桶内的衣物时,水中洗涤剂的含量会减少;水流入右侧洗涤桶后,因水中洗涤剂的含量减少,会降低右侧洗涤桶内衣物的洗涤效果。For a washing machine as described in Example 1, when the clothes are washed, detergent needs to be added manually, and when the clothes in the washing tub on the left are washed, the content of detergent in the water will decrease; the water flows into the washing tub on the right Finally, because the content of detergent in the water is reduced, the washing effect of the clothes in the washing bucket on the right will be reduced.
故进一步的,所述洗衣机,如图6所示,还包括洗涤剂槽13,该洗涤剂槽13通过洗涤剂阀门14与洗涤桶60、61连接。Therefore, further, the washing machine, as shown in FIG. 6 , further includes a
在使用所述洗衣机时,当水从左侧洗涤桶60流入右侧洗涤桶61后,用户可控制右侧洗涤桶61所对应的洗涤剂阀门14打开,从而对右侧洗涤桶61内的洗涤剂进行补充,从而提高洗衣机对衣物的洗涤效果。When using the washing machine, after water flows into the
实施例3Example 3
所述洗涤桶为滚筒式洗涤桶和/或波轮式洗涤桶。The washing bucket is a drum type washing bucket and/or a pulsator type washing bucket.
实施例1和实施例2中的一般为波轮式洗衣机,所对应的洗涤桶为波轮式洗涤桶。The ones in
当所述洗涤桶为滚筒式洗涤桶时。如图7所示,所述连通管,包括上行连通管91和下行连通管90;所述水泵11设置于上行连通管91上。When the washing tub is a drum type washing tub. As shown in FIG. 7 , the communicating pipes include an ascending communicating
当用户需要先对下侧洗涤桶62中的衣物进行洗涤时,可先使水流入下侧洗涤桶62内,下侧洗涤桶62内的衣物洗涤完成后,可通过水泵11将水抽入上侧洗涤桶62内,以对上侧洗涤桶62内的衣物进行洗涤;此时即使所述水泵11为单向水泵,也可以实现上侧洗涤桶62和下侧洗涤桶63间水的互换。When the user needs to wash the clothes in the
实施例4Example 4
根据实施例1到实施例3所述的洗衣机,可为自动或半自动洗衣机,此时,进一步的,所述洗衣机,还包括控制电路(图中未示出),该控制电路分别与控制阀门10、排水阀门8、连通管阀门9、进水阀门7和洗涤剂阀门14的驱动线圈连接,所述阀门全部或部分通过自动或手动控制。。According to the washing machine described in
为进一步的洗衣机的自动控制,且在洗涤过程中自动对洗涤桶内的水量进行补充。所述洗衣机,还包括水位监测装置(图中未示出),该水位监测装置设置于洗涤桶内,且与控制电路连接。For further automatic control of the washing machine, the water volume in the washing bucket is automatically replenished during the washing process. The washing machine also includes a water level monitoring device (not shown in the figure), which is arranged in the washing tub and connected to the control circuit.
所述控制电路与水泵11的驱动线圈连接。The control circuit is connected with the driving coil of the
在所述控制电路中设置有CPU,可通过在该CPU中所存储的程序对洗衣机进行控制。A CPU is provided in the control circuit, and the washing machine can be controlled by a program stored in the CPU.
例如对如图8所示的洗衣机进行控制,在洗涤衣物前,用户可设置先对右侧洗涤桶60内的衣物进行洗涤,后对左侧洗涤桶61内的衣物进行洗涤。For example, to control the washing machine as shown in FIG. 8 , before washing the clothes, the user can set to wash the clothes in the
设置完成后,洗衣机启动,首先打开右侧洗涤桶61所对应的进水阀门7和洗涤剂阀门14,使水和洗涤剂加入到右侧洗涤桶61内,当右侧洗涤桶内的水到达水位监测装置的位置后。右侧洗涤桶61对其内部的衣物进行洗涤;洗涤完成后控制电路打开控制阀门10和水泵11,将右侧洗涤桶61内的水抽取到左侧洗涤桶60内;此时如果右侧洗涤桶61拥有甩干功能,则可在不关闭水泵11和控制阀门10的情况下,控制电路启动右侧洗涤桶61,对其中的衣物进行甩干;甩干时所产生的水同时抽入到做侧洗涤桶60内;甩干完成后关闭控制阀门10和水泵11。After the setting is completed, the washing machine is started. Firstly, the
完成右侧洗涤桶61内衣物的洗涤后,控制电路打开左侧洗涤桶60所对应的洗涤剂阀门14,对洗涤剂进行补充;水位监测装置监测左侧洗涤桶60内的水是否充足,当水量不足时,则通知控制电路打开左侧洗涤桶60所对应的进水阀门7,对左侧洗涤桶60内的水进行补充;当左侧洗涤桶60内的水量到达水位监测装置的位置时,则左侧洗涤桶60启动,对其中的衣物进行洗涤;洗涤完成后,控制电路控制排水阀门8、连通管阀门12打开,将洗涤桶60、61和连通管9内残余的水量从出水口3排出,完成衣物的洗涤。After the washing of the clothes in the
实施例5Example 5
进一步的,所述洗衣机内,可设置多个洗涤桶,而在横向排列的洗涤桶可通过水平连通管连接,纵线排列的洗涤桶可通过上行连通管和下行连通管实现连接;并可通过控制电路实现洗衣机的自动控制。Further, in the washing machine, a plurality of washing tubs can be set, and the washing tubs arranged in the horizontal direction can be connected through horizontal communication pipes, and the washing tubs arranged in longitudinal lines can be connected through the upward communication pipe and the downward communication pipe; and can be connected by The control circuit realizes the automatic control of the washing machine.
进一步的,当洗衣机内存在多个洗涤桶时,所述多个洗涤桶可同时与多个洗涤剂槽连接或,每一个洗涤桶对应与一个洗涤剂槽连接,以实现在洗涤的过程中对洗涤桶内的洗涤剂进行补充。Further, when there are multiple washing buckets in the washing machine, the multiple washing buckets can be connected to multiple detergent tanks at the same time or each washing bucket is correspondingly connected to one detergent tank, so as to realize the cleaning process during the washing process. The detergent in the washing bucket is replenished.
本实用新型实施例提供的一种洗衣机,通过在洗涤桶间设置连通管,并通过控制阀门和水泵控制连通管所连接的洗涤桶间的水交换,洗涤时使洗涤桶中的水和洗涤剂可重复使用,从而节约了使用多个洗涤桶洗涤时所需要的水和洗涤剂。In the washing machine provided by the embodiment of the present invention, a connecting pipe is arranged between the washing tubs, and the water exchange between the washing tubs connected by the connecting pipe is controlled by controlling the valve and the water pump. When washing, the water in the washing tub and the detergent Reusable, saving water and detergent when washing with multiple wash tubs.
以上所述,仅为本实用新型的具体实施方式,但本实用新型的保护范围并不局限于此,任何熟悉本技术领域的技术人员在本实用新型揭露的技术范围内,可轻易想到变化或替换,都应涵盖在本实用新型的保护范围之内。因此,本实用新型的保护范围应所述以权利要求的保护范围为准。The above is only a specific embodiment of the present utility model, but the scope of protection of the present utility model is not limited thereto. Anyone familiar with the technical field can easily think of changes or changes within the technical scope disclosed by the utility model Replacement should be covered within the protection scope of the present utility model. Therefore, the protection scope of the present utility model should be based on the protection scope of the claims.
| Application Number | Priority Date | Filing Date | Title |
|---|---|---|---|
| CN2011203264516UCN202193989U (en) | 2011-09-01 | 2011-09-01 | Washing machine |
| Application Number | Priority Date | Filing Date | Title |
|---|---|---|---|
| CN2011203264516UCN202193989U (en) | 2011-09-01 | 2011-09-01 | Washing machine |
| Publication Number | Publication Date |
|---|---|
| CN202193989Utrue CN202193989U (en) | 2012-04-18 |
| Application Number | Title | Priority Date | Filing Date |
|---|---|---|---|
| CN2011203264516UExpired - LifetimeCN202193989U (en) | 2011-09-01 | 2011-09-01 | Washing machine |
| Country | Link |
|---|---|
| CN (1) | CN202193989U (en) |
| Publication number | Priority date | Publication date | Assignee | Title |
|---|---|---|---|---|
| CN104404736A (en)* | 2014-11-20 | 2015-03-11 | 合肥荣事达三洋电器股份有限公司 | Combined type washing machine |
| WO2016090970A1 (en)* | 2014-12-12 | 2016-06-16 | 青岛海尔滚筒洗衣机有限公司 | Water reuse control method in multiple-drums washing machine |
| WO2016090972A1 (en)* | 2014-12-12 | 2016-06-16 | 青岛海尔滚筒洗衣机有限公司 | Method for controlling dual-drum washing machine |
| WO2016090971A1 (en)* | 2014-12-12 | 2016-06-16 | 青岛海尔滚筒洗衣机有限公司 | Multi-drum washing machine drainage control method |
| WO2016090966A1 (en)* | 2014-12-12 | 2016-06-16 | 青岛海尔滚筒洗衣机有限公司 | Water replenishment control method for multi-tub washing machine |
| CN105734894A (en)* | 2014-12-12 | 2016-07-06 | 青岛海尔滚筒洗衣机有限公司 | Draining control method for multi-drum washing machine |
| CN106319843A (en)* | 2015-07-09 | 2017-01-11 | 青岛海尔滚筒洗衣机有限公司 | Water drainage control method for multi-tub washing machine |
| CN106319828A (en)* | 2015-06-30 | 2017-01-11 | 无锡小天鹅股份有限公司 | Washing machine |
| CN106906618A (en)* | 2015-12-22 | 2017-06-30 | 无锡小天鹅股份有限公司 | Washing machine |
| CN107869020A (en)* | 2016-09-27 | 2018-04-03 | 无锡小天鹅股份有限公司 | Combined washer |
| CN109957906A (en)* | 2017-12-22 | 2019-07-02 | 坎迪股份公司 | washing machine |
| CN111575987A (en)* | 2020-04-30 | 2020-08-25 | 亳州学院 | Intelligent washing machine |
| WO2022028065A1 (en)* | 2020-08-04 | 2022-02-10 | 青岛海尔洗衣机有限公司 | Washing machine |
| Publication number | Priority date | Publication date | Assignee | Title |
|---|---|---|---|---|
| CN104404736A (en)* | 2014-11-20 | 2015-03-11 | 合肥荣事达三洋电器股份有限公司 | Combined type washing machine |
| JP2018501827A (en)* | 2014-12-12 | 2018-01-25 | 青島海爾滾筒洗衣机有限公司 | Drainage control method for multiple tub washing machines |
| CN105734892B (en)* | 2014-12-12 | 2019-02-05 | 青岛海尔滚筒洗衣机有限公司 | A kind of multi-tub washing machine water replenishment control method |
| WO2016090971A1 (en)* | 2014-12-12 | 2016-06-16 | 青岛海尔滚筒洗衣机有限公司 | Multi-drum washing machine drainage control method |
| WO2016090966A1 (en)* | 2014-12-12 | 2016-06-16 | 青岛海尔滚筒洗衣机有限公司 | Water replenishment control method for multi-tub washing machine |
| CN105734894A (en)* | 2014-12-12 | 2016-07-06 | 青岛海尔滚筒洗衣机有限公司 | Draining control method for multi-drum washing machine |
| CN105734893A (en)* | 2014-12-12 | 2016-07-06 | 青岛海尔滚筒洗衣机有限公司 | Double-roller washing machine control method |
| CN105734892A (en)* | 2014-12-12 | 2016-07-06 | 青岛海尔滚筒洗衣机有限公司 | Water supply control method for multi-drum washing machine |
| US10947656B2 (en) | 2014-12-12 | 2021-03-16 | Qingdao Haier Drum Washing Machine Co., Ltd. | Replenishment control method of a multi-drum washing machine |
| US10570545B2 (en) | 2014-12-12 | 2020-02-25 | Qingdao Haier Drum Washing Machine Co., Ltd. | Control method of a double-drum washing machine |
| EP3231921A4 (en)* | 2014-12-12 | 2018-09-12 | Qingdao Haier Drum Washing Machine Co., Ltd. | Water replenishment control method for multi-tub washing machine |
| EP3231926A4 (en)* | 2014-12-12 | 2017-11-01 | Qingdao Haier Drum Washing Machine Co., Ltd. | Method for controlling dual-drum washing machine |
| EP3231919A4 (en)* | 2014-12-12 | 2018-01-10 | Qingdao Haier Drum Washing Machine Co., Ltd. | Water reuse control method in multiple-drums washing machine |
| JP2018501844A (en)* | 2014-12-12 | 2018-01-25 | 青島海爾滾筒洗衣机有限公司 | Control method of double drum washing machine |
| WO2016090970A1 (en)* | 2014-12-12 | 2016-06-16 | 青岛海尔滚筒洗衣机有限公司 | Water reuse control method in multiple-drums washing machine |
| WO2016090972A1 (en)* | 2014-12-12 | 2016-06-16 | 青岛海尔滚筒洗衣机有限公司 | Method for controlling dual-drum washing machine |
| AU2015361715B2 (en)* | 2014-12-12 | 2020-01-16 | Qingdao Haier Drum Washing Machine Co., Ltd. | Multi-drum washing machine drainage control method |
| US10711383B2 (en) | 2014-12-12 | 2020-07-14 | Qingdao Haier Drum Washing Machine Co., Ltd. | Water reuse control method of a multi-drum washing machine |
| CN105734894B (en)* | 2014-12-12 | 2019-02-05 | 青岛海尔滚筒洗衣机有限公司 | Drainage control method of a multi-tub washing machine |
| CN105734893B (en)* | 2014-12-12 | 2019-04-05 | 青岛海尔滚筒洗衣机有限公司 | A kind of Double-rotary drum washing machine control method |
| CN106319828A (en)* | 2015-06-30 | 2017-01-11 | 无锡小天鹅股份有限公司 | Washing machine |
| CN106319843A (en)* | 2015-07-09 | 2017-01-11 | 青岛海尔滚筒洗衣机有限公司 | Water drainage control method for multi-tub washing machine |
| CN106906618A (en)* | 2015-12-22 | 2017-06-30 | 无锡小天鹅股份有限公司 | Washing machine |
| CN107869020A (en)* | 2016-09-27 | 2018-04-03 | 无锡小天鹅股份有限公司 | Combined washer |
| CN109957906A (en)* | 2017-12-22 | 2019-07-02 | 坎迪股份公司 | washing machine |
| CN109957906B (en)* | 2017-12-22 | 2021-07-09 | 坎迪股份公司 | washing machine |
| CN111575987A (en)* | 2020-04-30 | 2020-08-25 | 亳州学院 | Intelligent washing machine |
| WO2022028065A1 (en)* | 2020-08-04 | 2022-02-10 | 青岛海尔洗衣机有限公司 | Washing machine |
| JP2022029380A (en)* | 2020-08-04 | 2022-02-17 | 青島海爾洗衣机有限公司 | washing machine |
| CN116194632A (en)* | 2020-08-04 | 2023-05-30 | 青岛海尔洗衣机有限公司 | washing machine |
| JP7558507B2 (en) | 2020-08-04 | 2024-10-01 | 青島海爾洗衣机有限公司 | washing machine |
| Publication | Publication Date | Title |
|---|---|---|
| CN202193989U (en) | Washing machine | |
| CN103069068B (en) | front load washing machine | |
| EP3231925B1 (en) | Multi-drum washing machine draining-discharging control method | |
| CN203768681U (en) | Water saving washing machine | |
| JP6718579B2 (en) | How to drain a multi-drum washing machine | |
| CN201553904U (en) | A double-tubular water-saving washing machine | |
| CN106436149B (en) | A control method of a washing machine with a washing water recycling function and the washing machine | |
| CN110499608B (en) | Clothes processing device drying control method and clothes processing device | |
| CN109989219B (en) | A control method of a washing and drying machine and the washing and drying machine | |
| CN109518406A (en) | A kind of clothing washing-drying integral machine and its control method | |
| WO2014205989A1 (en) | Washing machine device with recycled water | |
| CN108642810A (en) | The control method and washing machine of residual water in a kind of removing washing machine | |
| CN109518408A (en) | Clothes washing and drying integrated machine and control method thereof | |
| CN105624987A (en) | Washing machine and control method thereof | |
| CN110396797A (en) | A kind of device for clothing processing water discharge control method and more device for clothing processing | |
| CN110468552A (en) | A kind of control method of washing-drying integral machine | |
| CN109518407A (en) | A kind of clothing washing-drying integral machine and its control method | |
| CN106996008A (en) | The operation control method and washing machine of a kind of pulsating pump | |
| CN110499624B (en) | Drainage control method of clothes treatment device and clothes treatment device | |
| CN109518409B (en) | A laundry washing and drying machine and its control method | |
| CN203716233U (en) | Bathroom domestic water recycling device | |
| CN207846038U (en) | Drum washing machine | |
| KR101515844B1 (en) | Apparatus for washing water drain of dish washer | |
| CN109811506B (en) | Control method of multi-drum washing machine | |
| CN107916542A (en) | The water feed apparatus and washing machine of a kind of washing machine |
| Date | Code | Title | Description |
|---|---|---|---|
| C14 | Grant of patent or utility model | ||
| GR01 | Patent grant | ||
| CX01 | Expiry of patent term | ||
| CX01 | Expiry of patent term | Granted publication date:20120418 |