Movatterモバイル変換


[0]ホーム

URL:


CN201994717U - Control device for supplying power to breaker control units - Google Patents

Control device for supplying power to breaker control units
Download PDF

Info

Publication number
CN201994717U
CN201994717UCN201120108805XUCN201120108805UCN201994717UCN 201994717 UCN201994717 UCN 201994717UCN 201120108805X UCN201120108805X UCN 201120108805XUCN 201120108805 UCN201120108805 UCN 201120108805UCN 201994717 UCN201994717 UCN 201994717U
Authority
CN
China
Prior art keywords
power supply
output
input
circuit
information process
Prior art date
Legal status (The legal status is an assumption and is not a legal conclusion. Google has not performed a legal analysis and makes no representation as to the accuracy of the status listed.)
Expired - Lifetime
Application number
CN201120108805XU
Other languages
Chinese (zh)
Inventor
江红
张佳
柴爱军
徐泽亮
Current Assignee (The listed assignees may be inaccurate. Google has not performed a legal analysis and makes no representation or warranty as to the accuracy of the list.)
Noark Electrics Shanghai Co Ltd
Original Assignee
Noark Electrics Shanghai Co Ltd
Priority date (The priority date is an assumption and is not a legal conclusion. Google has not performed a legal analysis and makes no representation as to the accuracy of the date listed.)
Filing date
Publication date
Application filed by Noark Electrics Shanghai Co LtdfiledCriticalNoark Electrics Shanghai Co Ltd
Priority to CN201120108805XUpriorityCriticalpatent/CN201994717U/en
Application grantedgrantedCritical
Publication of CN201994717UpublicationCriticalpatent/CN201994717U/en
Anticipated expirationlegal-statusCritical
Expired - Lifetimelegal-statusCriticalCurrent

Links

Images

Classifications

Landscapes

Abstract

A control device for supplying power to breaker control units comprises a current transformer and an auxiliary power supply which respectively supply power to an electric controller through a power supply. Current signals detected by a signal collector is processed by the electric controller and then an information processing unit sends out control instruction through an execution driving unit according to fault current signals to drive a breaker to trip. The power supply comprises a main circuit current detection circuit and an auxiliary power supply detection circuit which are connected with the current transformer and the auxiliary power supply respectively, and the output ends of the main circuit current detection circuit and the auxiliary power supply detection circuit are respectively connected with the signal input end of the information processing unit. After being powered on, the power supply first provides electric energy required by basic protection function for the electric controller, and then provides electric energy required by auxiliary function to the electric controller by grading according to current detection signals of an auto power supply and communication detection signals of an auxiliary power supply, thereby enabling the electric controller to realize switching between two operating modes, namely, low power consumption and high power consumption.

Description

Control device to the circuit breaker control unit intelligent power supply
Technical field
The utility model relates to the control device that a kind of electric power that is used for the circuit breaker of distribution line is controlled, especially for the control device that low-power consumption and quick starting power supply are provided for the controller that obtains the intelligent circuit breaker of power supply from current transformer.
Background technology
Along with the national economy develop rapidly, the user also increases fast to the demand of electric power, and is more and more higher to grid stability and reliability requirement.Intelligent device for switching, it is the important devices that realizes the Intelligent Low Voltage Distribution System terminal, satisfied the growth requirement of intelligent grid distribution system, can be widely used in important office building, department store, dwelling house etc. electrical safety, higher place and the isolation power consumption equipment of reliability requirement.Intelligent circuit breaker is a kind of limit switch electrical equipment in the Intelligent Low Voltage Distribution System, and being characterized in having adopted with microprocessor or single-chip microcomputer is the intelligent electrical apparatus release of core.Along with the fast development of demands such as the selective protection of intelligent grid distribution system, information system management, the protection controlled function of intelligent circuit breaker is more and more, in numerous protection controlled function, comprises basic defencive function and miscellaneous function two large divisions.The most basic necessary defencive function that basic defencive function need just must possess after in a single day circuit breaker enters operating state all the time, these functions are as dropout defencive functions such as overload, short circuit, monitoring, diagnosing function etc.Miscellaneous function allows not necessarily to possess all the time after circuit breaker enters operating state, even some function can also give tacit consent to vacancy, and these functions are as communication or information-based function such as each electrical parameter etc. in the display circuit regularly.Along with increasing of variation protection controlled function, more and more higher for the requirement of the control device that power supply is provided for breaker controller (general designation of each signal and protection control circuit).At first be that requirement provides the loop apparatus of power supply to have low-power consumption, to satisfy intelligent device for switching requirements of saving energy; Next is the start-up time that the control device that power supply is provided is shortened in requirement, be meant the settling time of the required power supply of circuit breaker realization protection controlled function start-up time, controller is started working as early as possible, and under the very low condition of main circuit current, can start the protection controlled function of circuit breaker; The 3rd is that requirement provides the control device of power supply to have high reliability, and in a single day circuit breaker enters operating state just must guarantee all the time low-power consumption power supply to the controller of circuit breaker.The controller of intelligent device for switching is the basis of realizing demands such as the full selective protection of intelligent grid distribution system, informationization; the reliability of controller has determined the reliability of intelligent device for switching to a great extent, and the reliability of breaker controller depends on the reliability that the control device of power supply is provided for it.
Common breaker controller has only overload, short-circuit protection function; and along with the fast development of the intelligent demand of circuit breaker; require circuit breaker on the basis that keeps original basic defencive function; expand new function more; be miscellaneous function, these miscellaneous functions mainly comprise advanced security defencive function and intelligentized management function.Wherein the advanced security defencive function is as: the inefficacy of information process unit (MCU crashes and program fleet) safeguard protection, signal picker (6a; 6b, the fail safe protection of fail safe protection, magnetictrip and the execution driver element ofinefficacy 6c) (secondary winding output open circuit) and signal conditioning circuit etc.Wherein intelligentized management function is as auxiliary communication function, ancillary control function, prompting alarm function etc.These miscellaneous functions that realize by electronic circuit all need power supply that electric energy is provided, so miscellaneous function needs the power of power supply big more more at most.The power supply that the existing circuit breaker controller is used adopts authigenic power supply usually, promptly obtain power supply from current transformer, need the requirement of long-time power supply with the controller that satisfies circuit breaker, the operation principle of authigenic power supply is well-known, because it is to draw electric power by the current transformer that is installed in the circuit breaker input side from major loop, so when the electric current that flow through the circuit breaker main circuit hour, the electric power that authigenic power supply drew seldom, the operate as normal of controller can not be guaranteed, the requirement of quick startup can not be satisfied.
In order to address this problem, one of solution of traditional circuit breaker is to rely on the authigenic power supply power supply, and in conjunction with the scheme of the low performance microprocessor that adopts low-power consumption as the microprocessor of controller, to satisfy the requirement of fast powering-up, but because microprocessor is low in energy consumption, performance is low, this existing program can't adapt to multi-functional, the multitask requirement of intelligent grid to breaker controller.Another kind of solution is the microprocessor that adopts than possessing more function and stronger disposal ability in the past; to satisfy the demand of intelligent grid; but adopt the power consumption of controller of multi-functional microprocessor also higher; therefore authigenic power supply might occur not causing the phenomenon that controller can't operate as normal because of power consumption matches, even causes losing defencive function as the intelligent breaker of electric prospection and control appliance.Also having a kind of typical case's representative of solution is the Chinese utility model patent of CN201185350Y as publication number, adopt storage battery as power supply, current transformer charges into storage battery earlier from the electric power that main circuit draws, the circuit control device that is made of jointly the storage battery summation current transformer is powered to the controller of circuit breaker again, when the electric current that flows through circuit breaker is big by current transformer power supply, when the electric current that flows through circuit breaker hour by storage battery power supply.But the capacity and the volume of storage battery are bigger, do not meet the miniaturization Design requirement of product.Publication number is that the patent of invention of CN101562354A has also adopted battery powered method, for reducing power consumption and extending battery life, for keypad and other non-essential functional units, only just keypad and other functional units is powered when button triggers.But all there is the high problem of power consumption in above-mentioned way, and the useful life of storage battery or battery is limited, thus can improve the use cost of circuit breaker, and may pollute environment.
The utility model content
The purpose of this utility model is to overcome the defective of above-mentioned prior art; a kind of control device to the circuit breaker control unit intelligent power supply is provided; detection by the circuit operational factor; adopt the intelligent circuit breaker of control device of the present utility model can to select whether and when to insert accessory power supply except that authigenic power supply automatically; shorten the basic defencive function of controller required start-up time significantly; mode by the classification driving; make and under the less situation of main circuit current, also can protect system comprehensively, low in energy consumption, start fast, reliability is high.
For achieving the above object, the utility model has adopted following technical scheme.
Accessory power supply beyond current transformer 2 and the described current transformer 2 is used for providing electric energy through power supply device 3 to electronic controller 4 respectively;Signal picker 6a, 6b, 6c is arranged on the major loop A of distribution line 1, and B on the C, is used for the major loop A that will detect, B, the phase current signal of C is transported to electronic controller 4; Electronic controller 4, current signal by 6 inputs of 7 pairs of signal pickers of signal conditioning circuit is handled, and sending control command according to the fault current signal through carrying outdriver element 9 byinformation process unit 8, theactuator 10 that drivesbreaker body 11 is carried out the tripping operation action; And power supply device 3 comprises main circuit current testing circuit 6; accessory powersupply testing circuit 14 and two are power supply 1 and power supply 2 independently; the input S+ of main circuit current testing circuit 6; S-andsignal picker 6a; 6b; the output of the output of 6c or current transformer 2 connects; the input P+ of accessory powersupply testing circuit 14; P-is connected with accessory powersupply input interface 5; theoutput 601 of main circuit current testing circuit 6; theoutput 145 of accessory powersupply testing circuit 14 respectively with thesignal input part 131 of theinformation process unit 8 of electronic controller 4; 132 connect; the power on signal of described power supply device 3 response main circuit current testing circuits 6; provide basic defencive function required electric energy by power supply 1 to electronic controller 4; and when the input signal of the input signal of main circuit current testing circuit 6 or accessory powersupply testing circuit 14 surpasses preset threshold; described power supply device 3 provides assistant protection function required electric energy by power supply 2 from trend electronic controller 4, makes the described electronic controller 4 automatic conversions that realize between low-power consumption and two kinds of mode of operations of high power consumption.
Theinformation process unit 8 of described electronic controller 4 includes the low-power consumptioninformation process unit 19 of first little processing CPU1 and contains the full speedinformation process unit 20 of second microprocessor CPU 2, described power supply device 3 power supplys 1 comprise that the first powersupply output module 31, power supply 2 comprise secondsource output module 17, and power supply device 3 also comprises thePower Entry Module 30 that contains accessory powersupply input interface 5; Wherein the output V1 of the first powersupply output module 31 is connected with thepower input 130 of low-power consumptioninformation process unit 19 and first microprocessor CPU1 thereof, firstcontrol output end 133 of first microprocessor CPU1 is connected with the control input end EN of secondsource output module 17, and the output V2 of secondsource output module 17 is connected with thepower input 150 of the full speedinformation process unit 20 and second microprocessor CPU 2 thereof; The signal input part of described low-power consumptioninformation process unit 19 is connected with the output ofsignal conditioning circuit 7, and the output of the output of low-power consumptioninformation process unit 19 and full speedinformation process unit 20 is connected with the input of carrying outdriver element 9 respectively.
Described accessory powersupply testing circuit 14 comprisesfirst resistance 141,optocoupler 142, second resistance 143.The positive pole of the input ofoptocoupler 142 is connected with an end offirst resistance 141, and the other end P+ offirst resistance 141 is the input P+ of accessory powersupply testing circuit 14, the positive pole of P-, and it is connected with the positive pole of accessory powersupply input interface 5; The negative pole P-of the input ofoptocoupler 142 is the input P+ of accessory powersupply testing circuit 14, the negative pole of P-, and it is connected with the negative pole of accessory powersupply input interface 5; The minus earth of the output ofoptocoupler 142, one end of the positive pole of the output ofoptocoupler 142 andsecond resistance 143, thesecondary signal input 132 of first microprocessor CPU1 are connected in parallel, and the other end ofsecond resistance 143 is connected with the anodal V1 of the first powersupply output module 31; Input P+ when auxiliary detection circuit (14), the signal of P-input is during greater than preset threshold, accessory powersupply testing circuit 14 is by thesecondary signal input 132 output control signals ofoutput 145 to first little processing CPU1, to the control input end of secondsource output module 17 EN input high level signal, the output V2 of secondsource output module 17 is to second microprocessor CPU, 2 output services voltages by firstcontrol output end 133 for first microprocessor CPU1.
Described main circuit current testing circuit 6 comprises at least oneacquisition module 60 and an ADCmodular converter 63; Input S+ when main circuit current testing circuit 6, the signal of S-input is during greater than preset threshold, main circuit current testing circuit 6 is by the firstsignal input part 131 output control signals ofoutput 601 to first microprocessor CPU1, to the control end EN of secondsource output module 17 input high level signal, the output V2 of secondsource output module 17 is to second microprocessor CPU, 2 output services voltages by firstcontrol output end 133 for first microprocessor CPU1.
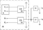
DescribedPower Entry Module 30 comprises accessory powersupply input interface 5, accessory powersupply rectification circuit 32 and authigenic powersupply rectification circuit 33, wherein the input of accessory powersupply rectification circuit 32 is connected with accessory powersupply input interface 5, the minus earth of the output of accessory powersupply rectification circuit 32, the input Q+ of authigenic powersupply rectification circuit 33, Q-is connected with the output of current transformer 2, the minus earth of the output of authigenic powersupply rectification circuit 33, the positive pole of the output of the positive pole of the output of accessory powersupply rectification circuit 32 and authigenic powersupply rectification circuit 33 are connected in parallel and form the cathode output end V ofPower Entry Module 30.
Described low-power consumptioninformation process unit 19 comprises first microprocessor CPU1 and operatingstate indicating circuit 18, operatingstate indicating module 18 is connected with secondcontrol output end 134 of first microprocessor CPU1, is used to show the type or the operating state of the fault of low-power consumptioninformation process unit 19; Described full speedinformation process unit 20 comprises second microprocessor CPU 2 and at least one miscellaneous function module 16, and each miscellaneous function module is connected with second microprocessor CPU 2 respectively, and works under the control of second microprocessor CPU 2.
The described first powersupply output module 31 is a constant voltage output circuit, so that the first powersupply output module 31 output services voltage all the time; Perhaps, the first powersupply output module 31 is for realizing the circuit of voltage transformation, at secondsource output module 17 not during output services voltage, the first powersupply output module 31 keeps output services voltage, when secondsource output module 17 output services voltages, the first powersupply output module 31 is converted to not output services voltage.
Described secondsource output module 17 is for realizing the circuit of voltage transformation; When the control input end of secondsource output module 17 EN was high level, secondsource output module 17 was exported the voltage transitions of voltage input end IN for suitable voltage and from voltage output end OUT; When its control input end EN is low level, the output of voltage output end OUT no-voltage.
Comprise the input voltage electrical power source modulate circuit that the voltage V that makes its output equals electronic controller 4 under single CPU situation in thePower Entry Module 30; Perhaps in the first powersupply output module 31 and/or secondsource output module 17, the voltage control modulate circuit is set.
A data passage is arranged between the described first microprocessor CPU1 and second microprocessor CPU 2, is used for start-up control and exchanges data and uses.
Theinformation process unit 8 of described electronic controller 4 comprises a microprocessor CPU, and this microprocessor CPU has low power mode of operation and two kinds of running statuses of full speed operation pattern; Described power supply device 3 also comprises thePower Entry Module 30 that contains accessory powersupply input interface 5, and the output V ofPower Entry Module 30 is connected with the power input ofinformation process unit 8 and CPU thereof; The output of accessory powersupply testing circuit 14 is connected with the 4th signal input part ofinformation process unit 8, whether be used to detect accessorypower supply interface 5 has accessory power supply normally to insert, if have, then accessory powersupply testing circuit 14 indicationinformation processing units 8 and CPU thereof are transformed into the running status of full speed operation pattern; The output of main circuit current testing circuit 6 is connected with the 5th signal input part ofinformation process unit 8, be used for detecting the size of current of major loop A, B, C, if the electric current among major loop A, B, the C is greater than preset threshold, then main circuit current testing circuit 6 indicationinformation processing units 8 are transformed into the running status of full speed operation pattern.The 3rd signal input part ofinformation process unit 8 is connected with the output ofsignal conditioning circuit 7, and the output ofinformation process unit 8 is connected with the input of carrying outdriver element 9.
Described accessory powersupply testing circuit 14 comprisesfirst resistance 141,optocoupler 142,second resistance 143; The positive pole of the input ofoptocoupler 142 is connected with an end offirst resistance 141, the other end P+ offirst resistance 141 is the input P+ of accessory powersupply testing circuit 14, the positive pole of P-, it is connected with the positive pole of accessory powersupply input interface 5, the negative pole P-of the input ofoptocoupler 142 is the input P+ of accessory powersupply testing circuit 14, the negative pole of P-, it is connected with the negative pole of accessory powersupply input interface 5; The minus earth of the output ofoptocoupler 142, an end of the positive pole of the output ofoptocoupler 142 andsecond resistance 143, the 4th signal input part ofinformation process unit 8 are connected in parallel, and the other end ofsecond resistance 143 is connected with the positive pole of the power output end of power supply device 3.Described main circuit current testing circuit 6 comprises that theoutput 601 of at least oneacquisition module 60 and ADCmodular converter 63 described ADCmodular converters 63 is connected with the 5th signal input part ofinformation process unit 8.
The control method of a kind of control device to the circuit breaker control unit intelligent power supply of the utility model comprises following controlled step:
(1) beginning---breaker body 11 closes a floodgate or accessory power supply is connected;
(2) system power-up---current transformer 2 is responded to the generation electric current from major loop A, B, C, and this electric current is input to power supply device 3; Or the accessory power supply input current is to power supply device 3;
(3) power supply 1 is ready---and the first powersupply output module 31 is to low-power consumptioninformation process unit 19 output services voltage V1;
(4) CPU1 starts---and the first microprocessor CPU1 of low-power consumptioninformation process unit 19 starts working;
(5) CPU1 full speed operation---first microprocessor CPU1 andsignal conditioning circuit 7,execution driver element 9, accessory powersupply testing circuit 14, main circuit current testing circuit 6 enter operating state;
(6) is accessory power supply normal?---accessory powersupply testing circuit 14 judges that accessory powersupply input interfaces 5 have or not the normal voltage input, if having then be transferred tostep 8, if do not have, then forwardsnext step 7 to;
(7) main circuit current>set point?---whether main circuit current testing circuit 6 judges electric current among major loop A, B, the C greater than preset threshold, if be less than or equal to then to go back to previous step rapid 6, if greater than would forwardnext step 8 to;
(8) starting power supply 2---first microprocessor CPU1 control secondsource output module 17 is to full speedinformation process unit 20 output services voltage V2;
(9) starting CPU2---second microprocessor CPU 2 ofinformation process unit 20 enters operating state at full speed;
(10) start all the other miscellaneous functions---second microprocessor CPU 2 and at full speed under theinformation process unit 20 each miscellaneous function module all start and enter operating state,signal conditioning circuit 7, carry outdriver element 9 and first microprocessor CPU1 and still keep operating state or low-power consumptioninformation process unit 19 state that quits work.
The control method of a kind of control device to the circuit breaker control unit intelligent power supply of the utility model comprises following controlled step:
(1) beginning---breaker body 11 closes a floodgate or accessory power supply is connected;
(2) system power-up---current transformer 2 is responded to the generation electric current from major loop A, B, C, and this electric current is input to power supply device 3; Or the accessory power supply input current is to power supply device 3;
(3) power supply is ready---and power supply device 3 is toinformation process unit 8 output services voltage V;
(4) CPU starts---and the microprocessor CPU ofinformation process unit 8 is started working;
(5) the CPU low power mode of operation---microprocessor CPU enters low power mode of operation, andsignal adjustment circuit 7,execution driver element 9, accessory powersupply testing circuit 14, main circuit current testing circuit 6 enter operating state;
(6) is accessory power supply normal?---accessory powersupply testing circuit 14 judges that accessory powersupply input interfaces 5 have or not the normal voltage input, if having then be transferred tostep 8, if do not have then forwardnext step 7 to;
(7) main circuit current>set point?---whether main circuit current testing circuit 6 judges electric current among major loop A, B, the C greater than preset threshold, if be less than or equal to then to go back to previous step rapid 6, if greater than would forwardnext step 8 to;
(8) CPU enters the high speed operation pattern---and microprocessor CPU enters the full speed operation mode operation conditions;
(9) starting all the other miscellaneous functions---each miscellaneous function module under theinformation process unit 8 all start and enter operating state.
Control device to the circuit breaker control unit intelligent power supply of the present utility model both can enter low-power consumption mode automatically when the authigenic power supply power supply descends, can start basic defencive function with the controller of guaranteeing circuit breaker fast with very little power consumption; Also can when authigenic power supply is sufficient, enter the general protection pattern automatically; move with basic defencive function and the normal comprehensively of each miscellaneous function of guaranteeing controller; can also intelligently realize authigenic power supply and accessory power supply while or select a power supply; not only avoided the unmatched hidden danger of power consumption; and when controller adopts the authigenic power supply power supply; reduced the required condition of work of present product relatively significantly; under the very low condition of main circuit current, can start, thereby play more timely, more fully protective effect.More intense or when having adopted accessory power supply when the power supply capacity of authigenic power supply, by intelligent grading control to microprocessor, guarantee that the controller of circuit breaker operates at full capacity, to satisfy the demand of intelligent grid, have start fast, power is strong and the high advantage of double insurance reliability.
Description of drawings
Fig. 1 is the overall structure schematic diagram of the control device to the circuit breaker control unit intelligent power supply of the present utility model.
Fig. 2 is the circuit and the annexation schematic diagram thereof of theinformation process unit 8 in power supply device 3 and the electronic controller 4 in the utility model control device of Fig. 1, and theinformation process unit 8 among the figure adopts first embodiment of dual micro processor structures.
Fig. 3 is the accessory powersupply testing circuit 14 of power supply device 3 in the utility model control device of Fig. 2 and the circuit diagram of main circuit current testing circuit 6, and theinformation process unit 8 that is connected among the figure is first embodiment of dual micro processor.
Fig. 4 is the circuit diagram of thePower Entry Module 30 of power supply device 3 in the utility model control device of Fig. 2, and the Power Entry Module among the figure is applicable to thatinformation process unit 8 is first embodiment of dual micro processor.
Fig. 5 is the control method block diagram of the control device to the circuit breaker control unit intelligent power supply of the present utility model, is that flow process is carried out in the control of first embodiment of dual micro processor corresponding toinformation process unit 8.
Fig. 6 is the control method block diagram of the control device to the circuit breaker control unit intelligent power supply of the present utility model, is that flow process is carried out in the control of second embodiment of single microprocessor corresponding toinformation process unit 8.
Embodiment
Below in conjunction with embodiment shown in the drawings, further describe the embodiment of the utility model to the control device of circuit breaker control unit intelligent power supply, execution mode of the present utility model is not limited to following examples.
Fig. 1 is the exemplary enforcement overall structure schematic diagram of the control device to the circuit breaker control unit intelligent power supply of the present utility model.As shown in Figure 1, thebreaker body 11 that is arranged in the distribution line 1 comprisesactuator 10, current transformer 2, be used for from major loop (A, B, C) in induction produce electric current, and this electric current is input to power supply device 3; Power supply device 3 is used for the current conversion of current transformer 2 inputs is become direct current, and this direct current is supplied with the power supply of electronic controller 4 as electronic controller 4, is included asexecution driver element 9 power supply is provided.(6a,6b 6c), are used to gather major loop (A, B, the C) phase current signal in, and this circuit operating parameter signal is sent to electronic controller 4 to signal picker; Electronic controller 4 is used for analyzing and processing by signal picker (6a, 6b, 6c) Shu Ru current signal, and send control command toactuator 10 through carrying outdriver element 9; Actuator 10 is used for driving according to the instruction of electronic controller 4 the mechanical part execution tripping operation action of breaker body 11.(when 6c) collecting the fault current signal from major loop (A, B, C), electronic controller 4 sends trip command toactuator 10 for 6a, 6b, andactuator 10 is carried out the tripping operation action according to trip commandcontrol breaker body 11 when signal picker.As shown in Figure 1, electronic controller 4 also comprises adisplay unit 12, the input ofdisplay unit 12 is connected with an output interface ofinformation process unit 8, with the operation conditions of displaymessage processing unit 8, even can show the overall operation situation of the controller of circuit breaker.
Fig. 2 is the circuit and the annexation schematic diagram thereof of theinformation process unit 8 in power supply device 3 and the electronic controller 4 in the utility model control device of Fig. 1,information process unit 8 among the figure adopts first embodiment of dual micro processor structure, and this scheme has low power mode of operation and two kinds of running statuses of full speed operation pattern.First embodiment ofinformation process unit 8 has two information process units, one of them information process unit that contains first microprocessor CPU1 is the low-power consumption information process unit, and another information process unit that contains second microprocessor CPU 2 is a high power consumption information process unit at full speed.Correspondingly, theinformation process unit 8 among Fig. 1 can adopt second embodiment of single microprocessor CPU, and the single microprocessor CPU of this scheme has low power mode of operation and two kinds of running statuses of full speed operation pattern.For the CPU that possesses low power mode of operation and high power consumption high speed operation pattern simultaneously, then can realize second embodiment of the present utility model with single CPU, that is to say, realize the function of CPU1 with the low power mode of operation of this CPU, realize the function of CPU2 with the high power consumption mode of operation of CPU.
Authigenic power supply is made up of current transformer among Fig. 12 and power supply device 3, current transformer 2 with major loop (A, B, C) as a winding, its secondary winding connects the input of power supply device 3, and when having electric current to flow through in the major loop (A, B, C), secondary winding produces induced current.Common power supply device generally has rectification function and voltage-regulation function, convert direct current to alternating current with the secondary winding in current transformer input, be electronic controller 4 power supplies after again direct current being adjusted to suitable voltage, this power supply that only has rectification and voltage-regulation function is referred to as the power supply modulate circuit usually, and the power supply device 3 of the present utility model shown in Fig. 1,2 has not only comprised the function of existing power supply modulate circuit, but also has comprised intelligentized power supply test function and power supply output control function.Described power supply test function is realized by accessory powersupply testing circuit 14 and main circuit current testing circuit 6, and the power supply output control function is realized by first power supply output module 31 (being called for short power supply 1) and second source output module 17 (being called for short power supply 2).By intelligentized power supply test function and power supply output control function, solved the problem that the electric current of prior art in major loop (A, B, C) can not start than hour electronic controller 4 well.Though and eliminated that prior art has an accessory power supply (as battery, storage battery etc.) but the potential safety hazard that do not have monitoring function to bring owing to inefficacy to accessory power supply.Can not start under the little current conditions or the defective of cisco unity malfunction for the controller that overcomes existing circuit breaker is at major loop (A, B, C), the electronic controller 4 of the utility model device provides two kinds of execution modes.Theinformation process unit 8 of electronic controller 4 comprises first embodiment that adopts dual micro processor and second embodiment that adopts single microprocessor CPU among Fig. 1, first embodiment is shown in Fig. 2-4, its electronic controller 4 comprises 2 information process units, one of theminformation process unit 19 is operated in low power mode of operation, only realizes basic defencive function; Anotherinformation process unit 20 is operated in high power consumption full speed operation pattern, not only has basic defencive function, but also has various miscellaneous functions.The electronic controller 4 of second embodiment includes only aninformation process unit 8;information process unit 8 has low power mode of operation and two kinds of running statuses of full speed operation pattern; low power mode of operation includes only basic defencive function; and the full speed operation pattern not only comprises basic defencive function, but also comprises various miscellaneous functions.
Electronic controller 4 with first embodiment is an example below, 1 to 4 specifies control device of the present utility model and operation principle thereof in conjunction with the accompanying drawings.Electronic controller 4 comprisessignal conditioning circuit 7, contains the low-power consumptioninformation process unit 19 of first little processing CPU1, contains the full speedinformation process unit 20 of second microprocessor CPU 2 and carries out driver element 9.The power supply device 3 that matches with the electronic controller 4 of first embodiment among Fig. 2 comprises the first powersupply output module 31, secondsource output module 17, contains Power Entry Module 30 (see figure 4)s of accessory powersupply input interface 5, accessory powersupply testing circuit 14 and main circuit current testing circuit 6 (see figure 3)s.The input ofsignal conditioning circuit 7 and signal picker (6a, 6b,output 6c) connects, the output ofsignal conditioning circuit 7 is connected with the signal input part of low-power consumptioninformation process unit 19, the output of the output of low-power consumptioninformation process unit 19 and full speedinformation process unit 20 is connected with the input of carrying outdriver element 9 respectively, and the output of carrying outdriver element 9 is connected with the input ofactuator 10; The output V1 of the first powersupply output module 31 is connected with thepower input 130 of low-power consumptioninformation process unit 19 and first microprocessor CPU1 thereof, firstcontrol output end 133 of first microprocessor CPU1 is connected with the control input end EN of secondsource output module 17, and the output V2 of secondsource output module 17 is connected with thepower input 150 of the full speedinformation process unit 20 and second microprocessor CPU 2; Theoutput 601 of main circuit current testing circuit 6 is connected with firstsignal input part 131 of first microprocessor CPU1, input (the S+ of main circuit current testing circuit 6, S-) (output ofoutput 6c) or current transformer 2 connects for 6a, 6b with signal picker.Power supply V1 of the present utility model and power supply V2 are two relatively independent power supplys, and power supply V1 provides basic defencive function required electric energy for carrying outdriver element 9, and power supply V1 must open after system power-up, and power supply V2 satisfies condition just to open.Authigenic power supply and accessory power supply all can be power supply V1, power supply V2 provides electric energy after being converted to suitable level.When having only authigenic power supply, authigenic power supply can be simultaneously provides input for power supply V1 and power supply V2; If when having only accessory power supply, accessory power supply can provide the electric energy of input for power supply V1 and power supply V2; When authigenic power supply and accessory power supply exist simultaneously, can select one of them or two to provide electric energy for power supply V1 and power supply V2.Specifically, input (S+ when main circuit current testing circuit 6, when S-) Shu Ru signal is greater than preset threshold, first microprocessor CPU1 is according to the signal of firstsignal input part 131, to the control end EN of secondsource output module 17 input high level signal, the output V2 of secondsource output module 17 is to second microprocessor CPU, 2 output services voltages by first control output end (133).Theoutput 145 of accessory powersupply testing circuit 14 is connected with thesecondary signal input 132 of first microprocessor CPU1, and (P+ P-) is connected with accessory powersupply input interface 5 input ofauxiliary detection circuit 14; As input (P+, when P-) Shu Ru signal is greater than preset threshold, accessory powersupply testing circuit 14 is by thesecondary signal input 132 output control signals ofoutput 145 to first little processing CPU1, to the control input end of secondsource output module 17 EN input high level signal, the output V2 of secondsource output module 17 is to second microprocessor CPU, 2 output services voltages by firstcontrol output end 133 for first microprocessor CPU1.
The electronic controller 4 of second embodiment of the utility model control device comprises signal conditioning circuit shown in Figure 17,information process unit 8 and carries outdriver element 9, the input ofsignal conditioning circuit 7 and signal picker (6a, 6b,output 6c) connects, the output ofsignal conditioning circuit 7 is connected with the 3rd signal input part ofinformation process unit 8, and the output ofinformation process unit 8 is connected with the input of carrying out driver element 9.Information process unit 8 comprises a microprocessor CPU, and this microprocessor has low power mode of operation and two kinds of running statuses of full speed operation pattern.The power supply device 3 that matches with the electronic controller 4 of second embodiment comprises accessory powersupply input interface 5,Power Entry Module 30, accessory powersupply testing circuit 14 and main circuit current testing circuit 6.The output V ofPower Entry Module 30 is connected with the power input ofinformation process unit 8; The output of accessory powersupply testing circuit 14 is connected with the 4th signal input part (not shown) ofinformation process unit 8, input (the P+ of accessory powersupply testing circuit 14, P-) whether be connected with accessory powersupply input interface 5, being used to detect accessorypower supply interface 5 has accessory power supply normally to insert.If have, then accessory powersupply testing circuit 14 indicationinformation processing units 8 are transformed into the running status of full speed operation pattern.The output of main circuit current testing circuit 6 is connected with the 5th signal input part ofinformation process unit 8, input (the S+ of main circuit current testing circuit 6, S-) with signal picker (6a, 6b,output 6c) connects, be used for detecting the size of current of major loop (A, B, C), if the electric current in the major loop (A, B, C) is less than or equal to preset threshold, then main circuit current testing circuit 6 indicationinformation processing units 8 are operated in the running status of low power mode of operation.If the electric current in the major loop (A, B, C) is greater than preset threshold, then main circuit current testing circuit 6 indicationinformation processing units 8 are transformed into the running status of full speed operation pattern.
First embodiment and second embodiment that compare the electronic controller 4 of the utility model device, there are following 3 main distinctions between them, at first, theinformation process unit 8 of the electronic controller 4 of first embodiment has comprised two sub-processing units, be low-power consumptioninformation process unit 19 and full speedinformation process unit 20, these two sub-information process units respectively adopt 1 microprocessor (the first microprocessor CPU1 and second microprocessor CPU 2), soinformation process unit 8 belongs to the information process unit of dual micro processor.And theinformation process unit 8 of the electronic controller 4 of second embodiment has comprised 1 the information process unit (not shown) that adopts 1 microprocessor CPU, soinformation process unit 8 is information process units of single microprocessor.Second difference is: power supply device 3 comprises two power supply output modules: the first powersupply output module 31 and secondsource output module 17, these two power supply output modules are respectively to two microprocessor power supplies in the first embodiment, promptly the first powersupply output module 31 is powered to first microprocessor CPU1, secondsource output module 17 is to 2 power supplies of second microprocessor CPU, and this power supply relation is shown in Fig. 2-4; And in second embodiment, power supply device 3 is directly toinformation process unit 8 power supplies by the output V of Power Entry Module 30.The 3rd difference is: though two embodiments all are to control first microprocessor CPU1 respectively by main circuit current testing circuit 6 and accessory powersupply testing circuit 14, export by the voltage of first microprocessor CPU1 control secondsource output module 17 again, but first embodiment is the control by this voltage output, realize the switching ofinformation process unit 20 between two kinds of running statuses of start and stop at full speed, this control relation is shown in Fig. 2-4; And owing to there is not CPU2, second embodiment is the voltage output by the direct control first powersupply output module 31, secondsource output module 17, control single microprocessor CPU 1 and realize the switching of low power mode of operation between high power consumption mode of operation running status, and 17 of second source output modules provide electric energy for miscellaneous function.From the compartment analysis of above two kinds of embodiments as seen; there is following significant advantage in first embodiment than second embodiment: because first embodiment adopts dual micro processor; not only guarantee to start basic defencive function with very little power consumption; and can realize the dual fail-safe of basic defencive function; promptly when full speedinformation process unit 20 is in running status; low-power consumptioninformation process unit 19 still is in readiness; no matter crashing appears in which microprocessor (CPU1 or CPU2) incentral location 20 or the low-power consumptioncentral location 19 at full speed; faults such as program fleet; always have a microprocessor (CPU1 or CPU2) and also keep normal running status; thereby can not cause the forfeiture of basic function, improve the safe class of circuit breaker product greatly.Certainly, second embodiment is simpler than the first embodiment circuit structure, low cost of manufacture.
Fig. 3 is the accessory powersupply testing circuit 14 of power supply device 3 in the utility model control device of Fig. 2 and the circuit diagram of main circuit current testing circuit 6, and theinformation process unit 8 that is connected among the figure is first embodiment of dual micro processor.As shown in Figure 3, the accessory powersupply testing circuit 14 of the power supply device 3 of electric power loop control device of the present utility model comprisesfirst resistance 141,optocoupler 142 and second resistance 143.The positive pole of the input ofoptocoupler 142 is connected with an end offirst resistance 141, and the other end P+ offirst resistance 141 is connected with the positive pole of accessory powersupply input interface 5, and the negative pole P-of the input ofoptocoupler 142 is connected with the negative pole of accessory powersupply input interface 5; The minus earth of the output ofoptocoupler 142, one end of thepositive pole 145 of the output ofoptocoupler 142 andsecond resistance 143, thesecondary signal input 132 of first microprocessor CPU1 are connected in parallel, and the other end ofsecond resistance 143 is connected with the anodal V1 of the first power supply output module 31.Thepositive pole 145 of accessory powersupply testing circuit 14 outputs shown in Figure 3 is to be connected with thesecondary signal input 132 of first microprocessor CPU1, and this is a kind of connection under first embodiment.And under second embodiment of single CPU, thepositive pole 145 of the output of accessory powersupply testing circuit 14 is connected with the 4th signal input part (not shown) of single microprocessor CPU (not shown), just an end of thepositive pole 145 of the output ofoptocoupler 142 andsecond resistance 143, the 4th signal input part ofinformation process unit 8 are connected in parallel, and the other end ofsecond resistance 143 is connected with the positive pole of the power output end of power supply device 3.In addition, the circuit structure of the accessory powersupply testing circuit 14 that adopted of first embodiment and second embodiment is identical.As shown in Figure 3, the main circuit current testing circuit 6 of the power supply device 3 of the utility model device comprises threeacquisition modules 60 and an ADCmodular converter 63, eachacquisition module 60 comprises one the3rd resistance 61 and anelectric capacity 62, one end of the3rd resistance 61 of eachacquisition module 60, an input of one end ofelectric capacity 62 and ADCmodular converter 63 is connected in parallel, the other end of the3rd resistance 61 of eachacquisition module 60 is as the input (S+ of main circuit current testing circuit 6, S-) a utmost point S+, with signal picker (6a, 6b, a secondary winding output connects 6c), the other end ground connection of theelectric capacity 62 of eachacquisition module 60, and as the input (S+ of main circuit current testing circuit 6, S-) a utmost point S-, signal picker (6a, 6b, another output of eachsecondary winding 6c) is ground connection respectively, and theoutput 601 of ADCmodular converter 63 is connected with first signal input part (131) of first microprocessor CPU1.Theoutput 601 of main circuit current testing circuit 6 shown in Figure 3 is to be connected with firstsignal input part 131 of first microprocessor CPU1, and this is a kind of connection under first embodiment.And under second embodiment, theoutput 601 of main circuit current testing circuit 6 is connected with the 5th signal input part (not shown) of single microprocessor CPU (not shown), just theoutput 601 of ADCmodular converter 63 is connected with the 5th signal input part (not shown) of information process unit 8 (seeing shown in Figure 1), in addition, first embodiment is identical with the circuit structure of the main circuit current testing circuit 6 of second embodiment.In addition in actual applications, the input of main circuit current testing circuit 6, promptly (S+, S-) connection with front-end circuit has following two kinds of schemes to the input of each acquisition module 60.A kind of scheme is the scheme shown in Fig. 3 embodiment, and (S+ is S-) with signal picker (6a for input, 6b,output 6c) connects, and the advantage of this scheme is signal picker (6a, 6b, 6c) output is signal, and the input of acquisition module 60 (S+, adaptive input S-) also is a signal, institute is so that signal picker (6a, 6b, 6c) (S+, S-) Signal Matching between is very simple with the input of each acquisition module 60.Another kind of scheme is the input (S+ with eachacquisition module 60, S-) be connected with the output (being the output of secondary winding) of current transformer 2, because the electric current of the output of current transformer 2 output is bigger, so need to increase the circuit (not shown) that matched signal is used, but the advantage of this scheme is because main circuit current testing circuit 6 is the output currents that directly detect the secondary winding of current transformer 2, so got rid of the hidden danger of its omission, thereby can improve the security reliability grade of product.
As shown in Figures 2 and 3, the low-power consumptioninformation process unit 19 of the electronic controller 4 of first embodiment comprises an operatingstate indicating circuit 18, operatingstate indicating circuit 18 is connected with secondcontrol output end 134 of first microprocessor CPU1, and shows the various operating states of low-power consumption information process unit 19.Information process unit 20 comprises second microprocessor CPU 2 and at least one miscellaneous function module 16 at full speed, and each miscellaneous function module is connected with second microprocessor CPU 2 respectively, and works under the control of second microprocessor CPU 2.Fig. 3 shows the embodiment of a circuit structure of operatingstate indicating circuit 18, and the difference of the flicker frequency that this embodiment can be by light-emittingdiode 181 shows that electronic controller 4 is to be in low-power consumption operating state or full speed operation state.
Fig. 4 is the circuit diagram of thePower Entry Module 30 of power supply device 3 in the utility model control device of Fig. 2, and the Power Entry Module among the figure is applicable to thatinformation process unit 8 is first embodiment of dual micro processor.As shown in Figure 4,Power Entry Module 30 comprises accessory powersupply input interface 5, accessory powersupply rectification circuit 32 and authigenic power supply rectification circuit 33.Wherein the input of accessory powersupply rectification circuit 32 is connected with accessory powersupply input interface 5, input (the Q+ of authigenic power supply rectification circuit (33), Q-) output with current transformer 2 is connected, the equal ground connection of the negative pole of the output of the output of accessory powersupply rectification circuit 32 and authigenic powersupply rectification circuit 33, the positive pole of the output of the positive pole of the output of accessory powersupply rectification circuit 32 and authigenic powersupply rectification circuit 33 are connected in parallel and form the cathode output end V of Power Entry Module 30.The output of the cathode output end V of thePower Entry Module 30 shown in Fig. 4 is to connect by first embodiment of two CPU, and promptly the input of V and the first powersupply output module 31 and secondsource output module 17 is connected in parallel.For example authigenic power supply is through being converted to 20V voltage, external accessory power supply also through being converted to 20V voltage, and two groups of 20V voltage signals all pass through behind the diode to the first powersupply output module 31 and secondsource output module 17 input is provided.Under the situation of second embodiment of single CPU, the cathode output end V ofPower Entry Module 30 is connected with the input of single information process unit 8.In actual use; power supply device of the present utility model 3 is actual have three outputs (referring to the V among Fig. 4, V1, V2) can for theinformation process unit 8 of different mode, realize basic defencive function various circuit units (assignal conditioning circuit 7, carry outdriver element 9 etc.), realize that the circuit unit of miscellaneous function select to connect, satisfy different purposes by selecting to connect.Under the situation of two CPU, can comprise the power supply modulate circuit in thePower Entry Module 30, be used to make the voltage V of its output to equal the input voltage of electronic controller 4 under single CPU situation, certainly, if 3 output end voltage V, V1 of power supply device 3, V2 are all identical, then need not inPower Entry Module 30, to increase the power supply modulate circuit.In addition, when the input terminal voltage V1 of low-power consumptioninformation process unit 19 is not equal to power supply device 3 output end voltage V, should promptly in the first powersupply output module 31 the voltage control modulate circuit be set at power supply 1, in like manner, when the input terminal voltage V2 of full speedinformation process unit 20 is not equal to power supply device 3 output end voltage V, should be that the voltage control modulate circuit is set in the secondsource output module 17 at power supply 2.Because thePower Entry Module 30 of embodiment shown in Figure 4 has comprised accessory powersupply rectification circuit 32, so the accessory powersupply input interface 5 of this embodiment can incoming transport power supply or DC power supply.When DC power supply such as 5 permission access batteries of accessory power supply input interface or storage battery, can save the accessory powersupply rectification circuit 32 of Fig. 4.
Referring to Fig. 4, under first embodiment of two CPU, the circuit structure of the first powersupply output module 31 of power supply device 3 can be selected in following dual mode: first kind of mode is that the first powersupply output module 31 is for making the first powersupply output module 31 constant voltage output circuit of output services voltage all the time.So-called constant voltage output circuit is meant as long as the input (being the cathode output end V of Power Entry Module 30) of the first powersupply output module 31 has the voltage input, so the output V1 of the first powersupply output module 31 output voltage synchronously.This shows that under the prerequisite that need not to nurse one's health, overvoltage protection etc. requires, the simplest constant voltage output circuit is a lead, promptly be connected by lead between the input V of the first powersupply output module 31 and the output V1.The second way of the circuit structure of the first powersupply output module 31 of power supply device 3 is that the first powersupply output module 31 is voltage conversion circuit, at secondsource output module 17 not during output services voltage, the first powersupply output module 31 keeps output services voltage, when secondsource output module 17 output services voltages, the first powersupply output module 31 is converted to not output services voltage.So-called voltage conversion circuit, be meant: have at the input V of the first powersupply output module 31 under the situation of voltage input, the output of the voltage of its output V1 is controlled and conversion, promptly the output voltage of output V1 can be subjected to being controlled at of first microprocessor CPU1 or do not have between conversion.Voltage conversion circuit can adopt discrete component to realize, also can adopt the existing TPS793XX product as TI company in market, it comprises voltage input end IN, voltage output end OUT, control input end EN.Voltage conversion circuit has under the situation of voltage input at voltage input end IN: if control input end EN input high level is then exported for the output voltage that is fit to the voltage transitions of voltage input end IN input from voltage output end OUT; If control input end EN input low level, then voltage output end OUT no-voltage output.First kind of mode that the preferred first powersupply output module 31 is a constant voltage output circuit under the common situation; not only simple in structure, low cost of manufacture; but also the dual fail-safe that is applicable to foregoing basic defencive function moves; promptly when full speedinformation process unit 20 was in running status, low-power consumptioninformation process unit 19 still was in the preparation running status and does not shut down.If realize the shutdown of selectable low-power consumptioninformation process unit 19 under full speedinformation process unit 20 running statuses, then the first powersupply output module 31 needs to adopt voltage conversion circuit.Under first execution mode, the secondsource output module 17 of power supply device 3 of the present utility model must adopt the circuit of realizing voltage transformation, can adopt discrete component to realize, the TPS793XX product that also can adopt for example foregoing TI company to produce, the secondsource output module 17 of power supply device 3 has following control relation feature: when control input end EN is high level, the voltage transitions of voltage input end IN is exported for suitable voltage and from voltage output end OUT; When control end EN is low level, the output of voltage output end OUT no-voltage; Wherein voltage input end IN is connected with the cathode output end V ofPower Entry Module 30, and voltage output end OUT is exactly the output V2 of secondsource output module 17.
Referring to Fig. 2,3, under the situation of first embodiment that adopts of the present utility model couple of CPU, be provided with the passage that start-up control (Reset) and exchanges data are used between the first microprocessor CPU1 and second microprocessor CPU 2, the exchanges data of this passage is two-way, it comprises at least one communications cable, is connected on the standard interface on the first microprocessor CPU1 and second microprocessor CPU 2 according to purposes.
Fig. 5 is the control method block diagram of the control device to the circuit breaker control unit intelligent power supply of the present utility model, is that flow process is carried out in the control of first embodiment of dual micro processor corresponding to information process unit 8.At first make low-power consumptioninformation process unit 19 be introduced into operating state, and whether enter operating state by the first microprocessor CPU1 control full speedinformation process unit 20 of low-power consumptioninformation process unit 19 than full speed information process unit 20.After full speedinformation process unit 20 entered operating state, low-power consumptioninformation process unit 19 still kept operating state, and perhaps afterinformation process unit 20 entered operating state at full speed, low-power consumptioninformation process unit 19 entered the state of quitting work.This control method comprises following controlled step:
(1) beginning---breaker body 11 closes a floodgate or accessory power supply is connected;
(2) system power-up---current transformer 2 is responded to the generation electric current from major loop (A, B, C), and this electric current is input to power supply device 3; Or the accessory power supply input current is to power supply device 3;
(3) power supply 1 is ready---and the first powersupply output module 31 is to low-power consumptioninformation process unit 19 output services voltage V1;
(4) CPU1 starts---and the first microprocessor CPU1 of low-power consumptioninformation process unit 19 starts working;
(5) CPU1 full speed operation---first microprocessor CPU1 andsignal conditioning circuit 7,execution driver element 9, accessory powersupply testing circuit 14, main circuit current testing circuit 6 enter operating state;
(6) judge whether accessory power supply is normal---accessory powersupply testing circuit 14 judges that accessory powersupply input interfaces 5 have or not the normal voltage input, if having then be transferred to controlled step (8), if do not have then forward controlled step (7) to;
(7) judge that whether main circuit current is greater than set point---main circuit current testing circuit 6 judges that whether electric current in the major loop (A, B, C) is greater than preset threshold, if be less than or equal to then go back to a controlled step (6), if greater than would forward next controlled step (8) to;
(8) starting power supply 2---first microprocessor CPU1 control secondsource output module 17 is to full speedinformation process unit 20 output services voltage V2;
(9) starting CPU2---second microprocessor CPU 2 ofinformation process unit 20 enters operating state at full speed;
(10) start all the other miscellaneous functions---second microprocessor CPU 2 and at full speed under theinformation process unit 20 each functional module all start and enter operating state,signal conditioning circuit 7, carry outdriver element 9, first microprocessor CPU1 and still keep operating state or low-power consumption information process unit (19) state that quits work.
Low-power consumption information process unit (19) is introduced into operating state than full speed information process unit (20), and whether information process unit (20) enters the first microprocessor CPU1 control of operating state by low-power consumption information process unit (19) at full speed.After full speed information process unit (20) entered operating state, low-power consumption information process unit (19) still kept operating state, perhaps low-power consumption information process unit (19) state that quits work after full speed information process unit (20) enters operating state.
Fig. 6 is the control method block diagram of the control device to the circuit breaker control unit intelligent power supply of the present utility model, is that flow process is carried out in the control of second embodiment of single microprocessor corresponding to information process unit 8.Comprise following controlled step:
(1) beginning---breaker body 11 closes a floodgate or accessory power supply is connected;
(2) system power-up---current transformer 2 is responded to the generation electric current from major loop (A, B, C), and this electric current is input to power supply device 3; Or the accessory power supply input current is to power supply device 3;
(3) power supply is ready---and power supply device 3 is toinformation process unit 8 output services voltages;
(4) CPU starts---and the microprocessor CPU ofinformation process unit 8 is started working;
(5) the CPU low power mode of operation---microprocessor CPU enters low power mode of operation, andsignal conditioning circuit 7,execution driver element 9, accessory powersupply testing circuit 14, main circuit current testing circuit 6 enter operating state;
(6) judge whether accessory power supply is normal---accessory powersupply testing circuit 14 judges that accessory powersupply input interfaces 5 have or not the normal voltage input, if having then be transferred to controlled step (8), if do not have then forward controlled step (7) to;
(7) judge that whether main circuit current is greater than set point---main circuit current testing circuit 6 judges that whether electric current in the major loop (A, B, C) is greater than preset threshold, if be less than or equal to then go back to a controlled step (6), if greater than would forward next controlled step (8) to;
(8) CPU enters the high speed operation pattern---and microprocessor CPU enters the full speed operation mode operation conditions;
(9) starting all the other miscellaneous functions---each functional module under theinformation process unit 8 all start and enter operating state.
Below in conjunction with the operation principle of Fig. 6 brief description atinformation process unit 8 not or when having accessory power supply, this moment,information process unit 8 was made of single microprocessor CPU1.
Having under the situation of accessory power supply, after system powers on, the initialization state of CPU1 is a low power mode of operation, the secondary signalinput end signal 132 that CPU1 detects CPU1 is during for low level, think that accessory power supply is normal at this moment, CPU1 allows the startup of secondsource output module 17 by the level of the control first controloutput end signal 133, CPU1 switches to the high speed operation pattern subsequently, and opens miscellaneous function.Becauseinformation process unit 8 is a uniprocessor, then 17 of the second source output modules of power supply device 3 are required to be miscellaneous function provides electric energy.
Do not having under the situation of accessory power supply, after system powers on, the initialization state of CPU1 is a low power mode of operation, when CPU1 detects current signal in the power circuit greater than setting threshold, CPU1 is by the level of the control first controloutput end signal 133, allow the startup of secondsource output module 17, CPU1 switches to the high speed operation pattern subsequently, and opens miscellaneous function.

Claims (13)

Power supply device (3) comprises main circuit current testing circuit (6); accessory power supply testing circuit (14) and two are power supply 1 and power supply 2 independently; input (the S+ of main circuit current testing circuit (6); S-) with signal picker (6a; 6b; the output of output 6c) or current transformer (2) connects; input (the P+ of accessory power supply testing circuit (14); P-) be connected with accessory power supply input interface (5); the output (601) of main circuit current testing circuit (6); the output (145) of accessory power supply testing circuit (14) respectively with the signal input part (131 of the information process unit (8) of electronic controller (4); 132) connect; the power on signal of described power supply device (3) response main circuit current testing circuit (6); provide basic defencive function required electric energy by power supply 1 to electronic controller (4); and when the input signal of the input signal of main circuit current testing circuit (6) or accessory power supply testing circuit (14) surpasses preset threshold; described power supply device (3) provides assistant protection function required electric energy by power supply 2 from trend electronic controller (4), makes described electronic controller (4) realize conversion between low-power consumption and two kinds of mode of operations of high power consumption automatically.
Described power supply device (3) power supply 1 comprises that the first power supply output module (31), power supply 2 comprise second source output module (17), and power supply device (3) also comprises the Power Entry Module (30) that contains accessory power supply input interface (5); Wherein the output V1 of the first power supply output module (31) is connected with the power input (130) of low-power consumption information process unit (19) and first microprocessor CPU1 thereof, first control output end (133) of first microprocessor CPU1 is connected with the control input end EN of second source output module (17), and the output V2 of second source output module (17) is connected with the power input (150) of the full speed information process unit (20) and second microprocessor CPU 2 thereof;
Described Power Entry Module (30) comprises accessory power supply input interface (5), accessory power supply rectification circuit (32) and authigenic power supply rectification circuit (33), wherein the input of accessory power supply rectification circuit (32) is connected with accessory power supply input interface (5), the minus earth of the output of accessory power supply rectification circuit (32), input (the Q+ of authigenic power supply rectification circuit (33), Q-) output with current transformer (2) is connected, the minus earth of the output of authigenic power supply rectification circuit (33), the positive pole of the output of the positive pole of the output of accessory power supply rectification circuit (32) and authigenic power supply rectification circuit (33) are connected in parallel and form the cathode output end V of Power Entry Module (30).
CN201120108805XU2011-04-142011-04-14Control device for supplying power to breaker control unitsExpired - LifetimeCN201994717U (en)

Priority Applications (1)

Application NumberPriority DateFiling DateTitle
CN201120108805XUCN201994717U (en)2011-04-142011-04-14Control device for supplying power to breaker control units

Applications Claiming Priority (1)

Application NumberPriority DateFiling DateTitle
CN201120108805XUCN201994717U (en)2011-04-142011-04-14Control device for supplying power to breaker control units

Publications (1)

Publication NumberPublication Date
CN201994717Utrue CN201994717U (en)2011-09-28

Family

ID=44671192

Family Applications (1)

Application NumberTitlePriority DateFiling Date
CN201120108805XUExpired - LifetimeCN201994717U (en)2011-04-142011-04-14Control device for supplying power to breaker control units

Country Status (1)

CountryLink
CN (1)CN201994717U (en)

Cited By (7)

* Cited by examiner, † Cited by third party
Publication numberPriority datePublication dateAssigneeTitle
CN102148529A (en)*2011-04-142011-08-10上海诺雅克电气有限公司Control device and control method thereof for intelligently supplying power to circuit breaker control unit
CN103311875A (en)*2013-05-102013-09-18长城电器集团有限公司Power supply system of automatic re-close circuit breaker
CN103795399A (en)*2014-01-172014-05-14上海磊跃自动化设备有限公司Mutual inductor for rectifier type low-voltage circuit breaker
CN104022492A (en)*2014-06-032014-09-03太原理工大学Auxiliary short circuit protection device for low-voltage power supply device of long-distance mine laneway
CN110061566A (en)*2019-05-202019-07-26广东佛电电器有限公司Internet of Things low-voltage platform area distribution transforming intelligent Circuit Breaker Controller
CN110733446A (en)*2019-11-202020-01-31新辉开科技(深圳)有限公司 An electronic license plate with dual control and hierarchical power management
CN110857066A (en)*2018-08-232020-03-03现代自动车株式会社System and method for controlling power to a vehicle electronic control unit

Cited By (10)

* Cited by examiner, † Cited by third party
Publication numberPriority datePublication dateAssigneeTitle
CN102148529A (en)*2011-04-142011-08-10上海诺雅克电气有限公司Control device and control method thereof for intelligently supplying power to circuit breaker control unit
CN102148529B (en)*2011-04-142013-06-05上海诺雅克电气有限公司Control device and control method thereof for intelligently supplying power to circuit breaker control unit
CN103311875A (en)*2013-05-102013-09-18长城电器集团有限公司Power supply system of automatic re-close circuit breaker
CN103795399A (en)*2014-01-172014-05-14上海磊跃自动化设备有限公司Mutual inductor for rectifier type low-voltage circuit breaker
CN104022492A (en)*2014-06-032014-09-03太原理工大学Auxiliary short circuit protection device for low-voltage power supply device of long-distance mine laneway
CN104022492B (en)*2014-06-032016-08-17太原理工大学A kind of distance mine laneway low-voltage power supply equipment short circuit auxiliary protection device
CN110857066A (en)*2018-08-232020-03-03现代自动车株式会社System and method for controlling power to a vehicle electronic control unit
CN110061566A (en)*2019-05-202019-07-26广东佛电电器有限公司Internet of Things low-voltage platform area distribution transforming intelligent Circuit Breaker Controller
CN110061566B (en)*2019-05-202024-04-26广东佛电电器有限公司Intelligent circuit breaker controller for distribution transformer of low-voltage transformer area of Internet of things
CN110733446A (en)*2019-11-202020-01-31新辉开科技(深圳)有限公司 An electronic license plate with dual control and hierarchical power management

Similar Documents

PublicationPublication DateTitle
CN102148529B (en)Control device and control method thereof for intelligently supplying power to circuit breaker control unit
CN201994717U (en)Control device for supplying power to breaker control units
CN103000964B (en)Controller of battery management system
CN116094143B (en)Power voltage detecting system
US8928175B2 (en)Junction box, energy system and method for controlling the same
CN205791785U (en)Collection catalyst and converter are protected in the by-pass type Anti-electricity dazzling device of one
CN102790378A (en)Intelligent motor protector and protection method thereof
CN101667747A (en)Conversion module for extracting working power from high-voltage power
CN202210602U (en)Remote control row socket
CN211556956U (en)High-reliability direct-current power supply for transformer substation
CN205070589U (en)Multi -functional ACDC converting means
CN105680506A (en)Power supply method for elevator car storage battery
CN204425037U (en)A kind of maintenance-free high frequence Switching Power Supply DC power cabinet
CN207410037U (en) An Intelligent Anti-Overvoltage and Undervoltage Protection Circuit
CN204761158U (en)Case of supporting photovoltaic power's electric energy quality on -line monitoring becomes measurement and control device
CN114598011A (en) Round-robin switching uninterrupted photovoltaic power generation system and method
CN107276416B (en)Switching power supply device and system
CN210092957U (en)Direct-current power supply device of transformer substation
CN202353303U (en)Solar energy and commercial power complementation controller
CN101976880B (en) An intelligent device for voltage drop protection
CN218958526U (en)Multifunctional automatic reclosing device
CN203911591U (en)Monostable pole-mounted permanent magnetic mechanism circuit breaker operation pulse control device
CN202696285U (en)Boundary switch controller
CN203326551U (en)Magnetic latching non-stick over-voltage and under-voltage protector
CN216162455U (en)Power supply device based on field optical storage of high-voltage power transmission line

Legal Events

DateCodeTitleDescription
C14Grant of patent or utility model
GR01Patent grant
AV01Patent right actively abandoned

Granted publication date:20110928

Effective date of abandoning:20130605

RGAVAbandon patent right to avoid regrant

[8]ページ先頭

©2009-2025 Movatter.jp