
技术领域technical field
本实用新型涉及一种应用于高保真功率放大的低谐波功率变换器,属于电力电子技术领域,用于低电压范围内的高性能功率放大器。The utility model relates to a low-harmonic power converter used in high-fidelity power amplification, which belongs to the technical field of power electronics and is used for high-performance power amplifiers in the low-voltage range.
背景技术Background technique
大功率音频功率放大器广泛地应用于电视发射台、广播发射台、电视机、大功率音响等场合,目前现有的技术是采用传统的两电平功率变换器结构,即D类放大器,如图1所示,其中,T1-T4为具有内置反向二极管的MOSFET管,由于反向二极管非独立器件,所以,不单独标注。Z为负载。传统的两电平逆变器和新型多电平逆变器相比,带宽较窄,易失真,开关频率高,功率转换效率较低。现有的多电平变换器主电路拓扑结构有二极管箝位多电平变换器、飞跨电容多电平变换器、各种级联多电平变换器等,在采用这些拓扑结构的主电路中,在有功率输出的每一个时刻至少有4个功率开关处于导通状态,在低电压应用场合,这些通态管压降占输出电压的比例过大,从而导致功率变换效率降低,而且,由于现有的多电平变换器主要用于中高压功率变换场合,因此,在每一个时刻,均要依靠多个处于关断状态的管子串联,来提高整个装置的输出电压等级,从而导致其电路组成较为复杂,所用功率开关数量较多。也就是说,将现有的多电平功率变换器用到低电压场合,则导致系统不必要的复杂性和低的功率转换效率。High-power audio power amplifiers are widely used in TV transmitting stations, broadcasting transmitting stations, TV sets, high-power audio and other occasions. At present, the existing technology adopts the traditional two-level power converter structure, that is, Class D amplifier, as shown in the figure 1, where T1-T4 are MOSFETs with built-in reverse diodes. Since the reverse diodes are not independent devices, they are not marked separately. Z is the load. Compared with the new multi-level inverter, the traditional two-level inverter has narrow bandwidth, easy distortion, high switching frequency and low power conversion efficiency. The main circuit topologies of existing multilevel converters include diode-clamped multilevel converters, flying capacitor multilevel converters, and various cascaded multilevel converters. In , at least 4 power switches are in the conduction state at every moment of power output. In low voltage applications, the voltage drop of these on-state switches accounts for an excessive proportion of the output voltage, resulting in a decrease in power conversion efficiency. Moreover, Since the existing multilevel converters are mainly used in medium and high voltage power conversion occasions, at each moment, a plurality of off-state tubes must be connected in series to increase the output voltage level of the entire device, resulting in its The circuit composition is relatively complex, and the number of power switches used is large. That is to say, applying the existing multilevel power converters to low voltage applications will result in unnecessary system complexity and low power conversion efficiency.
发明内容Contents of the invention
本实用新型的目的在于克服上述现有技术中的缺陷,提供一种适用于低电压场合的七电平逆变器,能解决传统两电平逆变器、多电平逆变器在低电压应用场合中存在的技术问题。The purpose of this utility model is to overcome the defects in the above-mentioned prior art, and provide a seven-level inverter suitable for low-voltage occasions, which can solve the problems of traditional two-level inverters and multi-level inverters at low voltage. Technical problems in the application.
为了实现上述目的,本实用新型采用的技术方案如下:In order to achieve the above object, the technical scheme adopted by the utility model is as follows:
一种低电压七电平逆变器,包括由直流电源和四个MOSFET管组成的两电平逆变器、三个储能电容器和由四个功率MOSFET管组成的三端网络,直流电源正极、第一储能电容器正极、第一MOSFET管的漏极、第三MOSFET管的漏极接在一起;所述直流电源负极、第三储能电容器负极、第二MOSFET管的源极、第四MOSFET管的源极接在一起;所述第一储能电容器的负极、第二储能电容器的正极和第一功率MOSFET管的漏极接在一起;所述第二储能电容器的负极、第三储能电容器的正极和第三功率MOSFET管的漏极接在一起;所述第一功率MOSFET管和第二功率MOSFET管的源极接在一起;所述第三功率MOSFET管和第四功率MOSFET管的源极接在一起;所述第二功率MOSFET管和第四功率MOSFET管的漏极连接后,与负载、所述第一MOSFET管的源极、第二MOSFET管的漏极接在一起。A low-voltage seven-level inverter, including a two-level inverter composed of a DC power supply and four MOSFET tubes, three energy storage capacitors and a three-terminal network composed of four power MOSFET tubes, the positive pole of the DC power supply , the positive pole of the first energy storage capacitor, the drain of the first MOSFET, and the drain of the third MOSFET are connected together; the negative pole of the DC power supply, the negative pole of the third energy storage capacitor, the source of the second MOSFET, the fourth The sources of the MOSFET tubes are connected together; the negative pole of the first energy storage capacitor, the positive pole of the second energy storage capacitor and the drain of the first power MOSFET tube are connected together; the negative pole of the second energy storage capacitor, the second energy storage capacitor The anodes of the three energy storage capacitors are connected together with the drains of the third power MOSFET; the sources of the first power MOSFET and the second power MOSFET are connected together; the third power MOSFET and the fourth power The sources of the MOSFETs are connected together; after the drains of the second power MOSFET and the fourth power MOSFET are connected, they are connected to the load, the source of the first MOSFET, and the drain of the second MOSFET. Together.
以低电压应用为目标,本实用新型提出了一种新的七电平逆变器,具有以下有益效果:输出波形质量高,功率转换性能好;每一种模式下处于导通状态的可控元件少、效率高;控制简单、易于实现等显著优势。Aiming at low-voltage applications, this utility model proposes a new seven-level inverter, which has the following beneficial effects: high output waveform quality, good power conversion performance; controllable Less components, high efficiency; simple control, easy to implement and other significant advantages.
附图说明Description of drawings
图1是现有技术中传统的两电平功率变换器的电路图。FIG. 1 is a circuit diagram of a conventional two-level power converter in the prior art.
图2是本实用新型低电压七电平逆变器的电路图。Fig. 2 is a circuit diagram of the utility model low-voltage seven-level inverter.
具体实施方式Detailed ways
下面结合附图和实施例,对本实用新型做进一步详细说明。Below in conjunction with accompanying drawing and embodiment, the utility model is described in further detail.
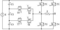
如图2所示,本实用新型的逆变器,包括由直流电源E和四个具有内置反向二极管的MOSFET管T1-T4组成的传统两电平逆变器(如图1所示)、储能电容器C1-C3、功率MOSFET管T5-T8组成的三端网络;其中,电源正极、电容器C1 正极与MOSFET管T1、T3的漏极接在一起;电源负极、电容器C3负极与MOSFET管T2、T4的源极接在一起;电容器C1的负极、电容器C2的正极和MOSFET管T5的漏极接在一起;电容器C2的负极、电容器C3的正极和MOSFET管T7的漏极接在一起;MOSFET管T5和T6的源极接在一起;MOSFET管T7和T8的源极接在一起;MOSFET管T6和T8的漏极连接后,与负载Z、MOSFET管T1的源极、MOSFET管T2的漏极接在一起。As shown in Figure 2, the inverter of the present invention includes a traditional two-level inverter (as shown in Figure 1) composed of a DC power supply E and four MOSFET tubes T1-T4 with built-in reverse diodes, A three-terminal network composed of energy storage capacitors C1-C3 and power MOSFET tubes T5-T8; among them, the positive pole of the power supply, the positive pole of capacitor C1 and the drains of MOSFET tubes T1 and T3 are connected together; the negative pole of the power supply, the negative pole of capacitor C3 and the MOSFET tube T2 , the source of T4 are connected together; the negative pole of capacitor C1, the positive pole of capacitor C2 and the drain of MOSFET tube T5 are connected together; the negative pole of capacitor C2, the positive pole of capacitor C3 and the drain of MOSFET tube T7 are connected together; MOSFET The sources of the tubes T5 and T6 are connected together; the sources of the MOSFET tubes T7 and T8 are connected together; after the drains of the MOSFET tubes T6 and T8 are connected, they are connected to the load Z, the source of the MOSFET tube T1, and the drain of the MOSFET tube T2 Pole connected together.
当MOSFET管T1、T4导通、其它管子关断时,负载Z上的电压为电源电压E;当MOSFET管T4、T5导通、其它管子关断时,负载Z上的电压为电源电压E的2/3;当MOSFET管T7和T4导通并且其它管子关断时,负载Z上的电压为电源电压E的1/3;当MOSFET管T2、T4导通并且其它管子关断时,负载Z上的电压为0;当MOSFET管T2、T3导通、其它管子关断时,负载Z上的电压为负的电源电压-E;当MOSFET管T3和T6导通、其它管子关断时,负载Z上的电压为-E/3;当MOSFET管T8和T3导通并且其它管子关断时,负载Z上的电压为-2E/3。即通过选择合适的开关通与断的状态,负载Z上可以得到0、E/3、2E/3、E、-E/3、-2E/3、-E等七个电平。When the MOSFETs T1 and T4 are turned on and other tubes are turned off, the voltage on the load Z is the power supply voltage E; when the MOSFETs T4 and T5 are turned on and the other tubes are turned off, the voltage on the load Z is the power supply voltage E 2/3; when MOSFETs T7 and T4 are turned on and other tubes are turned off, the voltage on the load Z is 1/3 of the power supply voltage E; when MOSFETs T2 and T4 are turned on and other tubes are turned off, the load Z The voltage on the load Z is 0; when the MOSFETs T2 and T3 are turned on and the other tubes are turned off, the voltage on the load Z is the negative power supply voltage -E; when the MOSFETs T3 and T6 are turned on and the other tubes are turned off, the load Z The voltage on Z is -E/3; when the MOSFET tubes T8 and T3 are turned on and other tubes are turned off, the voltage on the load Z is -2E/3. That is to say, by selecting the appropriate switch on and off states, seven levels such as 0, E/3, 2E/3, E, -E/3, -2E/3, and -E can be obtained on the load Z.
本实用新型的七电平逆变器可以应用于高保真功率放大等场合,能显著提高功率放大器的保真度和功率转换效率。The seven-level inverter of the utility model can be applied to occasions such as high-fidelity power amplification, and can significantly improve the fidelity and power conversion efficiency of the power amplifier.
| Application Number | Priority Date | Filing Date | Title |
|---|---|---|---|
| CN2011200105819UCN201937492U (en) | 2011-01-14 | 2011-01-14 | Low-voltage seven-level inverter |
| Application Number | Priority Date | Filing Date | Title |
|---|---|---|---|
| CN2011200105819UCN201937492U (en) | 2011-01-14 | 2011-01-14 | Low-voltage seven-level inverter |
| Publication Number | Publication Date |
|---|---|
| CN201937492Utrue CN201937492U (en) | 2011-08-17 |
| Application Number | Title | Priority Date | Filing Date |
|---|---|---|---|
| CN2011200105819UExpired - Fee RelatedCN201937492U (en) | 2011-01-14 | 2011-01-14 | Low-voltage seven-level inverter |
| Country | Link |
|---|---|
| CN (1) | CN201937492U (en) |
| Publication number | Priority date | Publication date | Assignee | Title |
|---|---|---|---|---|
| CN102420538A (en)* | 2011-12-01 | 2012-04-18 | 西安爱科电子有限责任公司 | Diode clamping seven-level DC-AC (direct current and alternate current) transformation circuit |
| CN102882412A (en)* | 2012-10-29 | 2013-01-16 | 阳光电源股份有限公司 | Single-phase seven-level inverter |
| CN102882410A (en)* | 2012-10-29 | 2013-01-16 | 阳光电源股份有限公司 | Single-phase seven-level inverter |
| CN102882411A (en)* | 2012-10-29 | 2013-01-16 | 阳光电源股份有限公司 | Single-phase seven-level inverter |
| CN103633869A (en)* | 2013-10-17 | 2014-03-12 | 宁波绿凯节能科技有限公司 | Seven-level single-phase photovoltaic grid-connected inverter |
| CN103633867A (en)* | 2013-10-17 | 2014-03-12 | 宁波绿凯节能科技有限公司 | Seven-level single-phase inverter circuit |
| CN104052322A (en)* | 2013-03-14 | 2014-09-17 | 太阳能安吉科技有限公司 | multilevel inverter |
| CN104333249A (en)* | 2014-10-28 | 2015-02-04 | 北京合力电气传动控制技术有限责任公司 | Seven-level inverter circuit and control method thereof, multi-phase inverter and frequency converter |
| CN105044624A (en)* | 2015-08-11 | 2015-11-11 | 上海海事大学 | Seven-electric level inverter with fault diagnosis function and fault diagnosis method |
| CN106208894A (en)* | 2016-08-24 | 2016-12-07 | 清华大学 | A kind of polyphase machine drive system |
| CN110098755A (en)* | 2019-05-28 | 2019-08-06 | 中国矿业大学 | A kind of five level mixing π code converters |
| CN110535366A (en)* | 2019-07-01 | 2019-12-03 | 山东大学 | Seven level converters of one kind and its striding capacitance voltage control method, system |
| CN118889889A (en)* | 2024-07-31 | 2024-11-01 | 南京理工大学 | A seven-level inverter circuit and control method thereof |
| Publication number | Priority date | Publication date | Assignee | Title |
|---|---|---|---|---|
| CN102420538B (en)* | 2011-12-01 | 2013-11-06 | 西安爱科赛博电气股份有限公司 | Diode clamping seven-level DC-AC (direct current and alternate current) transformation circuit |
| CN102420538A (en)* | 2011-12-01 | 2012-04-18 | 西安爱科电子有限责任公司 | Diode clamping seven-level DC-AC (direct current and alternate current) transformation circuit |
| CN102882410B (en)* | 2012-10-29 | 2015-09-09 | 阳光电源股份有限公司 | A kind of single-phase seven electrical level inverters |
| CN102882412A (en)* | 2012-10-29 | 2013-01-16 | 阳光电源股份有限公司 | Single-phase seven-level inverter |
| CN102882410A (en)* | 2012-10-29 | 2013-01-16 | 阳光电源股份有限公司 | Single-phase seven-level inverter |
| CN102882411A (en)* | 2012-10-29 | 2013-01-16 | 阳光电源股份有限公司 | Single-phase seven-level inverter |
| CN104052322A (en)* | 2013-03-14 | 2014-09-17 | 太阳能安吉科技有限公司 | multilevel inverter |
| CN103633869A (en)* | 2013-10-17 | 2014-03-12 | 宁波绿凯节能科技有限公司 | Seven-level single-phase photovoltaic grid-connected inverter |
| CN103633867A (en)* | 2013-10-17 | 2014-03-12 | 宁波绿凯节能科技有限公司 | Seven-level single-phase inverter circuit |
| CN104333249A (en)* | 2014-10-28 | 2015-02-04 | 北京合力电气传动控制技术有限责任公司 | Seven-level inverter circuit and control method thereof, multi-phase inverter and frequency converter |
| CN105044624A (en)* | 2015-08-11 | 2015-11-11 | 上海海事大学 | Seven-electric level inverter with fault diagnosis function and fault diagnosis method |
| CN106208894A (en)* | 2016-08-24 | 2016-12-07 | 清华大学 | A kind of polyphase machine drive system |
| CN106208894B (en)* | 2016-08-24 | 2019-01-04 | 清华大学 | A kind of polyphase machine drive system |
| CN110098755A (en)* | 2019-05-28 | 2019-08-06 | 中国矿业大学 | A kind of five level mixing π code converters |
| CN110535366A (en)* | 2019-07-01 | 2019-12-03 | 山东大学 | Seven level converters of one kind and its striding capacitance voltage control method, system |
| CN110535366B (en)* | 2019-07-01 | 2020-06-09 | 山东大学 | Seven-level converter and flying capacitor voltage control method and system thereof |
| CN118889889A (en)* | 2024-07-31 | 2024-11-01 | 南京理工大学 | A seven-level inverter circuit and control method thereof |
| Publication | Publication Date | Title |
|---|---|---|
| CN201937492U (en) | Low-voltage seven-level inverter | |
| CN101917133B (en) | Five-electrical level inverter | |
| CN103095134A (en) | Active network boost converter | |
| CN110048630B (en) | Five-level power electronic converter and control method | |
| CN1967997A (en) | Five-level double step-down full bridge inverter | |
| CN203243222U (en) | High-gain converter containing voltage multiplying unit and improved interleaved Boost | |
| CN106301042A (en) | A kind of seven electrical level inverters | |
| CN103095114B (en) | A kind of lossless buffer circuit being applicable to Boost | |
| CN103929065A (en) | Bidirectional Isolated DC/DC Converter Based on Three-winding Transformer | |
| CN108199586A (en) | A kind of high potential high voltage direct current draw-out power supply device | |
| CN104065295A (en) | A control method suitable for H-bridge hybrid cascaded inverters with a voltage ratio of 1:2 | |
| CN105207510B (en) | Three level block parallel-connection structures of one kind and parallel method | |
| CN101355322B (en) | Single-electrical-inductance double-step-down type half-bridge inverter working in half cycle and control method thereof | |
| CN110113012A (en) | A kind of circuit topology and method improving linear power amplifier efficiency | |
| CN203911753U (en) | Zero-voltage switch-off interleaved parallel DC/DC converter | |
| CN101834451A (en) | High voltage back-to-back converter | |
| CN102437773A (en) | Pulse generator | |
| CN207753632U (en) | A kind of intersection clamp modularization multi-level converter based on IGCT | |
| CN110572063A (en) | Asymmetric input multi-level converter device and control method | |
| CN203193538U (en) | Three-level inverter for new energy | |
| CN104113208A (en) | Interleaved Boost converter comprising lossless buffer circuit | |
| CN103812349A (en) | High voltage rise DC/DC converter | |
| CN211908679U (en) | T-Type Nested Neutral-Clamped Hybrid Multilevel Converter and Power Generation System | |
| CN103904892B (en) | Self-voltage-sharing two-tube high-gain converter and control method thereof | |
| CN107769599A (en) | Normal shock five-electrical level inverter based on switched capacitor |
| Date | Code | Title | Description |
|---|---|---|---|
| C14 | Grant of patent or utility model | ||
| GR01 | Patent grant | ||
| C17 | Cessation of patent right | ||
| CF01 | Termination of patent right due to non-payment of annual fee | Granted publication date:20110817 Termination date:20140114 |