Movatterモバイル変換


[0]ホーム

URL:


CN201846230U - High-power capacitance type charging circuit using wind power converter for energy storage - Google Patents

High-power capacitance type charging circuit using wind power converter for energy storage
Download PDF

Info

Publication number
CN201846230U
CN201846230UCN2010205699113UCN201020569911UCN201846230UCN 201846230 UCN201846230 UCN 201846230UCN 2010205699113 UCN2010205699113 UCN 2010205699113UCN 201020569911 UCN201020569911 UCN 201020569911UCN 201846230 UCN201846230 UCN 201846230U
Authority
CN
China
Prior art keywords
circuit
charging
switch
net side
power
Prior art date
Legal status (The legal status is an assumption and is not a legal conclusion. Google has not performed a legal analysis and makes no representation as to the accuracy of the status listed.)
Expired - Fee Related
Application number
CN2010205699113U
Other languages
Chinese (zh)
Inventor
丁印福
张波涛
朱琴华
张海莲
武美娜
Current Assignee (The listed assignees may be inaccurate. Google has not performed a legal analysis and makes no representation or warranty as to the accuracy of the list.)
Jiangsu Daqo Kai Fan Electric Co Ltd
Original Assignee
Jiangsu Daqo Kai Fan Electric Co Ltd
Priority date (The priority date is an assumption and is not a legal conclusion. Google has not performed a legal analysis and makes no representation as to the accuracy of the date listed.)
Filing date
Publication date
Application filed by Jiangsu Daqo Kai Fan Electric Co LtdfiledCriticalJiangsu Daqo Kai Fan Electric Co Ltd
Priority to CN2010205699113UpriorityCriticalpatent/CN201846230U/en
Application grantedgrantedCritical
Publication of CN201846230UpublicationCriticalpatent/CN201846230U/en
Anticipated expirationlegal-statusCritical
Expired - Fee Relatedlegal-statusCriticalCurrent

Links

Images

Classifications

Landscapes

Abstract

The utility model belongs to wind power generation equipment, and relates to a high-power capacitance charging circuit using a wind power converter for energy storage. The circuit comprises a ram side rectification circuit and a net side inversion circuit which are connected between a generator and a power grid; the ram side rectification circuit consists of IGBT (Insulated Gate Bipolar Translator) power units, and is connected with the generator by a ram side switch; the net side inversion circuit consists of IGBT power units, and is connected with the power grid by an LCL (Lower Control Limit) filter circuit and a net side switch in sequence; and the high-power capacitance type charging circuit is characterized in that a charging resistor is connected at the net side switch in parallel, and the switch-on and switch-off of the charging resistor is controlled by a charging switch which is connected with the charging resistor in series. In the utility model, direct-current bus voltage can reach in a safety capacitance type voltage range in advance before the wind power converter starts to work, and the service life of a capacitor is prolonged, the circuit has simple structure, the cost is low, the charging speed is quick, the charging voltage is high, and the harmonic suppression effect is good.

Description

High-power wind turbine current transformer storage capacitor charging circuit
Technical field
The utility model belongs to wind power plant, relates to a kind of high-power wind turbine current transformer storage capacitor charging circuit.
Background technology
In voltage type PWM heavy-duty rectifier (VSR) main circuit of wind generator system, as shown in Figure 1, DC side comprises the pusherside rectification circuit 01 that is made of the IGBT power cell, the pusher side rectification circuit connectsgenerator 02 through the pusher side switch, AC side then comprises the netside inverter circuit 03 that is made of the IGBT power cell, and net side inverter circuit is connectedelectrical network 05 through LCL filter circuit 04 with net side switch.Usually can adopt storage capacitor 06 to carry out dc energy storage in DC side, storage capacitor both can cushion the power conversion between AC side and DC side load, stablized the VSR dc voltage, also can suppress the DC side harmonic voltage.But in high-power MW level wind electric converter, dc voltage reaches 1000VDC, if when current transformer is started working this step voltage will directly be carried in the storage capacitor two ends, with the grievous injury storage capacitor life-span, especially for the occasion of electrochemical capacitor as storage capacitor.So before the work of high-power MW level current transformer, can carry out precharge to storage capacitor usually, with the protection storage capacitor.
The rated line voltage 690V because direct-drive wind power generation convertor gets access to grid, all can utilize line voltage that electric capacity is charged when usually considering the precharge problem of storage capacitor, existing current transformer storage capacitor precharge scheme is the two-phase line voltage to be carried out rectification electric capacity is charged, as shown in Figure 2.It openscharge circuit 07 earlier before current transformer is started working, storage capacitor is carried out precharge, turn-offs charge circuit then, makes current transformer begin operate as normal, and this charge circuit belongs to the uncontrollable rectification circuit of single-phase bridge.This circuit and method are present MW level current transformer main flow charging methods, and its defective is: 1, the charging interval is long; 2, the harmonic current composition is very big in the charging current, though can not influence the performance of storage capacitor, but can produce additional harmonic loss, reduce the efficient of equipment, and might make voltage, the current sensor at storage capacitor two ends the inaccurate phenomenon of metering occur; 3, because independent rectification module is set, thereby its charge circuit cost is higher.
Summary of the invention
The utility model wants the technical solution problem to be, the high-power wind turbine current transformer storage capacitor charging circuit that a kind of circuit structure is simple, the storage capacitor harmonic current is little, the charging interval is short is provided.
High-power wind turbine current transformer storage capacitor charging circuit of the present utility model includes by the pusher side rectification circuit and the net side inverter circuit that are connected between generator and the electrical network; The pusher side rectification circuit is made of the IGBT power cell, and connects generator through the pusher side switch; Net side inverter circuit is made of the IGBT power cell, and is connected electrical network through the LCL filter circuit with net side switch successively; Be connected with storage capacitor between a pair of connection contact between pusher side rectification circuit power cell and the net side inverter circuit power cell; It is characterized in that at net side switch place charged in parallel resistance, charging resistor is controlled its break-make by the charge switch of series connection with it.
The utility model is not before current transformer is worked, connect charging resistor, utilize in the IGBT power cell that original fly-wheel diode carries out precharge to storage capacitor on the IGBT switching tube brachium pontis, can guarantee that DC bus-bar voltage is before current transformer is started working, reach an electric capacity safe voltage scope in advance, prolong electric capacity useful life; Not only circuit structure is simple for it, cost is low, and charging rate is fast, charging voltage is high, harmonic suppression effect is good.
Description of drawings
Fig. 1 is existing wind electric converter circuit theory diagrams;
Fig. 2 is existing wind electric converter storage capacitor charging circuit schematic diagram;
Fig. 3 is a wind electric converter storage capacitor charging circuit schematic diagram of the present utility model.
Embodiment
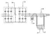
As shown in Figure 3, wind electric converter storage capacitor charging circuit of the present invention has identical with the traditional wind electric converter system pusherside rectification circuit 11 that is made of the IGBT power cell and netside inverter circuit 13, pusher side switch (not providing among the figure), LCL filter circuit 14,net side switch 18,storage capacitor 16, in addition, net side switch place charged inparallel resistance 19, charging resistor is by charge switch 17 its break-makes of control of series connection with it.
In the utility model course of work, before current transformer is not worked, be that pusher side switch and net side switch are when all disconnecting, connect charging resistor, pass through line voltage, utilize in the IGBT power cell that original fly-wheel diode carries out precharge to storage capacitor on the IGBT switching tube brachium pontis, make DC bus-bar voltage before current transformer is started working, reach an electric capacity safe voltage scope in advance, and then turn off charge switch, startup current transformer.

Claims (1)

1. high-power wind turbine current transformer storage capacitor charging circuit includes by the pusher side rectification circuit and the net side inverter circuit that are connected between generator and the electrical network; The pusher side rectification circuit is made of the IGBT power cell, and connects generator through the pusher side switch; Net side inverter circuit is made of the IGBT power cell, and is connected electrical network through the LCL filter circuit with net side switch successively; Be connected with storage capacitor between a pair of connection contact between pusher side rectification circuit power cell and the net side inverter circuit power cell, it is characterized in that: at net side switch place charged in parallel resistance, charging resistor is controlled its break-make by the charge switch of series connection with it.
CN2010205699113U2010-10-212010-10-21High-power capacitance type charging circuit using wind power converter for energy storageExpired - Fee RelatedCN201846230U (en)

Priority Applications (1)

Application NumberPriority DateFiling DateTitle
CN2010205699113UCN201846230U (en)2010-10-212010-10-21High-power capacitance type charging circuit using wind power converter for energy storage

Applications Claiming Priority (1)

Application NumberPriority DateFiling DateTitle
CN2010205699113UCN201846230U (en)2010-10-212010-10-21High-power capacitance type charging circuit using wind power converter for energy storage

Publications (1)

Publication NumberPublication Date
CN201846230Utrue CN201846230U (en)2011-05-25

Family

ID=44041106

Family Applications (1)

Application NumberTitlePriority DateFiling Date
CN2010205699113UExpired - Fee RelatedCN201846230U (en)2010-10-212010-10-21High-power capacitance type charging circuit using wind power converter for energy storage

Country Status (1)

CountryLink
CN (1)CN201846230U (en)

Cited By (3)

* Cited by examiner, † Cited by third party
Publication numberPriority datePublication dateAssigneeTitle
CN102263502A (en)*2010-10-212011-11-30江苏大全凯帆电器股份有限公司 High-power wind power converter energy storage capacitor charging circuit
CN104682821A (en)*2013-11-292015-06-03永济新时速电机电器有限责任公司Electric driving system for tunnel boring machine and tunnel boring machine
WO2016206688A1 (en)*2015-06-242016-12-29Vestas Wind Systems A/SControlled inrush current for converter-connected grid filter

Cited By (5)

* Cited by examiner, † Cited by third party
Publication numberPriority datePublication dateAssigneeTitle
CN102263502A (en)*2010-10-212011-11-30江苏大全凯帆电器股份有限公司 High-power wind power converter energy storage capacitor charging circuit
CN104682821A (en)*2013-11-292015-06-03永济新时速电机电器有限责任公司Electric driving system for tunnel boring machine and tunnel boring machine
WO2015078083A1 (en)*2013-11-292015-06-04永济新时速电机电器有限责任公司Electric drive system for heading machine and heading machine
WO2016206688A1 (en)*2015-06-242016-12-29Vestas Wind Systems A/SControlled inrush current for converter-connected grid filter
US10590914B2 (en)2015-06-242020-03-17Vestas Wind Systems A/SControlled inrush current for converter-connected grid filter

Similar Documents

PublicationPublication DateTitle
CN102545257B (en)Solar photovoltaic generating single-phase grid-connected inverter and control method thereof
CN103915856B (en)A kind of base station is grid-connected-charging photovoltaic micro-inverter system and control method thereof
CN102253278B (en)Startup condition detection method suitable for photovoltaic inverter with DC/DC (direct current/direct current)
CN204179989U (en)Based on the scene oil complementary power generation system of DC bus
CN103107551B (en)Topology circuit used for offshore wind power electric energy delivery
CN104135020A (en)Battery access control system and method for direct-current side of energy storage converter
MX2014005360A (en)System and method for power conversion for renewable energy sources.
CN103606942B (en)A kind of mixed liquor stream energy-storage system with no-power compensation function
CN105763085A (en)Energy storage grid-connected converter based on reverse-blocking type three levels, and control method therefor
CN203151115U (en)Isolation energy storage photovoltaic power generation system using three-phase four bridge arm inverter
CN107425538A (en)A kind of photovoltaic energy storage integral type electricity generation system
CN203747661U (en)Pre-charge device of wind power current transformer and wind power current transformer
CN103475032B (en)A kind of intelligent adapted electricity flexible control system
CN203399013U (en) Static synchronous compensator and voltage source inverter module based on cascaded three-level H-bridge
CN202616801U (en)Photovoltaic/ storage-battery hybrid distribution-type power generation system based on current inverter
Zhang et al.Design and Realization of a Bi-directional DC/DC Converter in photovoltaic power system
CN104600831A (en)Inverter auxiliary power supply system and method
CN201846230U (en)High-power capacitance type charging circuit using wind power converter for energy storage
CN204721004U (en)A kind of wind turbine generator testing power supply with energy storage and fictitious load
CN201435690Y (en) Three-phase four-leg inverter and photovoltaic grid-connected power generation system for photovoltaic grid-connected power generation
CN103545839B (en)Wind power generating set low-voltage regulation device
CN102263502A (en) High-power wind power converter energy storage capacitor charging circuit
CN109873487B (en)Master-slave backup method for three-phase three-level VIENNA rectifier
CN202218168U (en)Alternating current (AC) driver
CN203617721U (en)Low voltage adjusting and controlling device for wind turbine

Legal Events

DateCodeTitleDescription
C14Grant of patent or utility model
GR01Patent grant
CF01Termination of patent right due to non-payment of annual fee

Granted publication date:20110525

Termination date:20151021

EXPYTermination of patent right or utility model

[8]ページ先頭

©2009-2025 Movatter.jp