Movatterモバイル変換


[0]ホーム

URL:


CN201721468U - Intelligent control system of track locomotive - Google Patents

Intelligent control system of track locomotive
Download PDF

Info

Publication number
CN201721468U
CN201721468UCN2010202330094UCN201020233009UCN201721468UCN 201721468 UCN201721468 UCN 201721468UCN 2010202330094 UCN2010202330094 UCN 2010202330094UCN 201020233009 UCN201020233009 UCN 201020233009UCN 201721468 UCN201721468 UCN 201721468U
Authority
CN
China
Prior art keywords
module
control
bus
intelligent
main control
Prior art date
Legal status (The legal status is an assumption and is not a legal conclusion. Google has not performed a legal analysis and makes no representation as to the accuracy of the status listed.)
Expired - Lifetime
Application number
CN2010202330094U
Other languages
Chinese (zh)
Inventor
陈建荣
戴瑜兴
张利民
张胜红
戴舜
朱方
Current Assignee (The listed assignees may be inaccurate. Google has not performed a legal analysis and makes no representation or warranty as to the accuracy of the list.)
Guangdong Top Technology Ltd By Share Ltd
Original Assignee
HUIZHOU BIAODING AIR COMPRESSION TECHNOLOGY CO LTD
Priority date (The priority date is an assumption and is not a legal conclusion. Google has not performed a legal analysis and makes no representation as to the accuracy of the date listed.)
Filing date
Publication date
Application filed by HUIZHOU BIAODING AIR COMPRESSION TECHNOLOGY CO LTDfiledCriticalHUIZHOU BIAODING AIR COMPRESSION TECHNOLOGY CO LTD
Priority to CN2010202330094UpriorityCriticalpatent/CN201721468U/en
Application grantedgrantedCritical
Publication of CN201721468UpublicationCriticalpatent/CN201721468U/en
Anticipated expirationlegal-statusCritical
Expired - Lifetimelegal-statusCriticalCurrent

Links

Images

Classifications

Landscapes

Abstract

The utility model relates to the field of an intelligent control system, in parallel to an intelligent control system which is based on an M bus and realizes auxiliary equipment of a track train. The system comprises a main control module and an intelligent switch module, wherein the main control module adopts an embedded type intelligent processing chip, ascends by a General Packet Radio Service(GPRS) or Ethernet mode to be communicated with a remote control center so as to realize remote control, and is connected with all controlled system models to realize system interconnection; the intelligent switch module is connected with the main control module and adopts a relay to control switching on and switching off of a circuit; the controlled system modules comprise a detecting module, a control module and an alarm module; and all the controlled system modules are connected with the main control module by an M-BUS bus. The system is connected with a vehicle-mounted Personal Computer(PC)and a grounded PC by network interfaces so as to lead staffs to be capable of effectively controlling all the devices conveniently and ensure the safety of a locomotive and the comfort of passengers. When the locomotive is abnormal, the system can effectively detect and report the abnormity to the staffs in time, thus providing a safe, comfortable and convenient travel environment for the passengers.

Description

A kind of rail locomotive intelligence control system
Technical field
The utility model relates to the intelligence control system field, is specifically related to a kind of intelligence control system of controlling based on the realization track train accessory equipment of M bus.
Background technology
Urban track traffic has that freight volume is big, speed is fast, safety, on schedule, characteristics such as protection environment, energy savings and land used, its popularization and application can be alleviated serious day by day urban traffic congestion problem to a great extent.In the track train control system, because the layout of each electrical equipment is relatively disperseed, what adopt the Fieldbus Control mode, to reduce the locomotive control wiring.Along with the continuous development of science and technology, a lot of problems in the track train have obtained good solution, and its control also will finally provide safer, more convenient also more comfortable outside environment for the passenger more and more to hommization, intelligent direction development.
The utility model content
The problem that the utility model need solve is to optimize the Control System Design of existing rail locomotive, and a kind of rail locomotive intelligence control system based on the M bus is provided.
For solving the problems of the technologies described above, the utility model adopts technical scheme to be:
A kind of rail locomotive intelligence control system is provided, comprises:
Main control module, it adopts the embedded intelligence process chip, realizes Long-distance Control by GPRS or ethernet mode are up with the remote control center communication, and is connected the realization system interconnect with each controlled system module;
The intelligent switch module is connected with main control module, adopts the power source for relay control circuit on-off;
Described controlled system module comprises detection module, control module and alarm module, passes through the total wire joint of M-BUS between each controlled system module and the main control module.
Concrete, described detection module comprises temperature detecting unit, illumination detecting unit, detecting unit arrives at a station.Described control module comprises lighting control unit, door control unit, conditioning control unit and broadcasting control unit.Described alarm module comprises fire alarm unit, fault alarm unit.
More specifically, described main control module adopts the TinyARMT23 microcontroller chip of inner integrated ethernet mac controller.Described TinyARM T23 microcontroller chip inserts the internet by network isolation transformer chip and RJ45 interface successively by Ethernet interface and realizes Long-distance Control.
Described each controlled system module adopts PLC programmable controller, and it is connected to the M-BUS bus by M-BUS transceiving chip TSS721, accepts local PC and remote control signal and then controls each final terminal by bus.Described each controlled system module also comprises and PLC programmable controller bonded assembly remote control receiver module.
The M bus is a kind of field bus technique with Highgrade integration, fault-tolerance, and two kinds of serial data interfaces can be provided for the far module of the common single channel transmission medium of a plurality of uses.This two paths of data interface can transmit and monitor simultaneously, can realize functions such as command serial communication, direct I/O control.Each is in the M bus controller of center can control 64 far modules, and each far module can be controlled 32 external devices, and the data transmission rate maximum can reach 2.0M/bit.The built-in characteristics such as oneself's detection, key logic redundancy and agreement robust of M bus make it more be applicable to the application that need reliably be written into.Communicate by M bus and microcomputer, cooperate multiple sensing technology again, in locomotive, form dcs, can realize that locomotive is stable, failure-free control, for the passenger provides safer, convenient, comfortable outside environment.
Description of drawings
The described rail locomotive intelligence control system of Fig. 1 overall structure scheme drawing;
Ethernet interface circuit figure in the described system of Fig. 2;
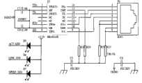
M-BUS control circuit figure in the described system of Fig. 3;
Controlled module schematic block diagram in the described system of Fig. 4;
The described main system control module workflow of Fig. 5 scheme drawing;
Controlled module workflow scheme drawing in the described system of Fig. 6.
The specific embodiment
For the ease of it will be appreciated by those skilled in the art that the utility model is done further introduction in detail below in conjunction with drawings and Examples.
As Fig. 1, rail locomotive intelligence control system described in the utility model comprises: main control module, it adopts the embedded intelligence process chip, realizes Long-distance Control by GPRS or ethernet mode are up with the remote control center communication, and is connected the realization system interconnect with each controlled system module; The intelligent switch module is connected with main control module, adopts the relay control circuit break-make; Described controlled system module comprises detection module, control module and alarm module, passes through the total wire joint of M-BUS between each controlled system module and the main control module.
Described detection module comprises temperature detecting unit, illumination detecting unit, detecting unit arrives at a station.Described control module comprises lighting control unit, door control unit, conditioning control unit and broadcasting control unit.Described alarm module comprises fire alarm unit, fault alarm unit.
Described system links to each other with vehicle-mounted and ground PC by network interface, makes each equipment of control that the staff can be easily and effectively, guarantees motorcycle safety, and the passenger is comfortable.System can detect and report to the staff timely and effectively when unusual when locomotive takes place, thereby provides safe, comfortable a, environment by bus easily for the passenger.
As shown in Figure 2, described main control module adopts TinyARM T23 microcontroller chip, and this microcontroller chip inserts the internet by network isolation transformer chip and RJ45 interface successively by Ethernet interface and realizes Long-distance Control.
The inner integrated multiple functional 10M/100M ethernet mac controller of TinyARM T23 microcontroller chip, this ethernet mac provides the performance of optimization by using the DMA hardware that quickens.Ethernet module is connected by the MIIM universal serial bus with the outer ethernet PHY of the sheet that uses RMIII, therefore only need connect an ethernet physical layer interface chip and interlock circuit can be realized the ethernet communication function in chip exterior.Because TinyARM industry control module provides ethernet phy interface chip, therefore only need external status indicator lamp, network transformer, matched resistance, high-voltage capacitance and RJ45 socket can realize network service.Therefore be connected with Internet with the RJ45 interface by network isolation transformer chip HR601629E, just can realize by Internet control of locomotive in-to-in intelligent remote and local control.
As Fig. 3, described each controlled system module adopts PLC programmable controller, and it is connected to the M-BUS bus by M-BUS transceiving chip TSS721, accepts local PC and remote control signal and then controls each final terminal by bus.Described each controlled system module also comprises and PLC programmable controller bonded assembly remote control receiver module.The controlled module of described system connects an infrared pickoff, can directly real control when by remote controller it being carried out.
The M-BUS system bus is to adopt 2 line cables, and each controlled module is connected in parallel on these two cables, each controlled module can be directly by bus-powered and no longer need extra power supply.Signal is formed by level conversion when main control module and controlled module communication, and the signal that controlled module transmits is formed by current setting.When main control module when controlled module transmits control signal, thereby the through and off of the variation of the high-low level by port OUT control photoelectrical coupler TLP521, and then makeresistance R 2, R3 in parallel or disconnect, change on the bus that (+BUS) output voltage is to reach the signal transmission destination; And pass on the bus when controlled module has electric current when main control module sends signal, this electric current changes bus (voltage BUS) by cement resistor R4, general-BUS signal is handled by a digital control potentiometer X9015 again, makes signal obtain more effectively failure-free transmission.
With PLC is core, and TSS721 is connected to bus by the M-BUS transceiving chip, and forming centralized procurement collection, processing and a warning is autonomous cruise speed system all over the body.This module connects an infrared pickoff, and directly real control when being undertaken by remote controller also can be accepted local PC and carry out the control of remote equipment by GPRS by M-BUS.Its functional block diagram as shown in Figure 4.
The software design of described rail locomotive intelligence control system also is the important component part of system design, and it is to be based upon on the basis of systemic-function demand and hardware configuration, and its Core Feature is real-time data acquisition, processing, storage and forwarding.Main control module is handled and is shown to the staff with the data that collect and corresponding apparatus passed in the order that the staff sends carried out, for abnormal condition can be promptly and accurately warning.The historic records in the certain limit can also be inquired about by this system.Described main system control module workflow as shown in Figure 5.
Controlled module workflow as shown in Figure 6.The controlled module of described system receives local control and Long-distance Control, when system has detected order, at first check whether be the order that the remote worker sends, as if having and being that effective order is then made corresponding processing, if not remote command then judges whether from local command, and if be that effective order is then made corresponding processing.After executing, task carries out dog feeding operation to keep described system normal operation.
The foregoing description only is a preferred implementation of the present utility model, and in addition, the utility model can also have other implementations.That is to say that under the prerequisite that does not break away from the utility model design, any conspicuous replacement all should fall within the protection domain of the present utility model.

Claims (8)

Translated fromChinese
1.一种轨道机车智能控制系统,包括1. A rail locomotive intelligent control system, comprising主控模块,采用嵌入式智能处理芯片,通过GPRS或以太网方式上行与远程控制中心通讯实现远程控制,并与各被控系统模块连接实现系统互联;The main control module adopts an embedded intelligent processing chip, communicates with the remote control center through GPRS or Ethernet to realize remote control, and connects with each controlled system module to realize system interconnection;智能开关模块,与主控模块连接,采用继电器控制电源线路通断;The intelligent switch module is connected with the main control module, and the relay is used to control the on-off of the power line;其特征在于:所述被控系统模块包括检测模块、控制模块及报警模块,各被控系统模块与主控模块之间通过M-BUS总线连接。It is characterized in that: the controlled system module includes a detection module, a control module and an alarm module, and each controlled system module is connected to the main control module through an M-BUS bus.2.根据权利要求1所述的轨道机车智能控制系统,其特征在:所述检测模块包括温度检测单元、光照检测单元、到站检测单元。2. The rail locomotive intelligent control system according to claim 1, characterized in that: the detection module includes a temperature detection unit, an illumination detection unit, and an arrival detection unit.3.根据权利要求1所述的轨道机车智能控制系统,其特征在于:所述控制模块包括照明控制单元、门控单元、空调控制单元和广播控制单元。3. The rail locomotive intelligent control system according to claim 1, wherein the control module includes a lighting control unit, a door control unit, an air conditioning control unit and a broadcast control unit.4.根据权利要求1所述的轨道机车智能控制系统,其特征在于:所述报警模块包括火灾报警单元、故障报警单元。4. The rail locomotive intelligent control system according to claim 1, wherein the alarm module includes a fire alarm unit and a failure alarm unit.5.根据权利要求1-4中任一项所述的轨道机车智能控制系统,其特征在于:所述主控模块采用内部集成以太网MAC控制器的TinyARM T23微控制器芯片。5. The rail vehicle intelligent control system according to any one of claims 1-4, characterized in that: the main control module adopts a TinyARM T23 microcontroller chip with an internal Ethernet MAC controller.6.根据权利要求5所述的轨道机车智能控制系统,其特征在于:所述TinyARM T23微控制器芯片通过以太网接口依次通过网络隔离变压器芯片及RJ45接口接入互联网实现远程控制。6. The rail locomotive intelligent control system according to claim 5, characterized in that: the TinyARM T23 micro-controller chip is connected to the Internet through the Ethernet interface in turn through the network isolation transformer chip and the RJ45 interface to realize remote control.7.根据权利要求6所述的轨道机车智能控制系统,其特征在于:所述各被控系统模块采用PLC可编程序控制器,其通过M-BUS收发芯片TSS721连接到M-BUS总线,通过总线接受本地PC机及远程控制信号进而控制各终端设备。7. rail locomotive intelligent control system according to claim 6, is characterized in that: described each controlled system module adopts PLC programmable logic controller, and it is connected to M-BUS bus by M-BUS transceiver chip TSS721, through The bus receives local PC and remote control signals to control each terminal equipment.8.根据权利要求7所述的轨道机车智能控制系统,其特征在于:所述各被控系统模块还包括与PLC可编程序控制器连接的遥控接收模块。8. The rail vehicle intelligent control system according to claim 7, characterized in that: each of the controlled system modules further includes a remote control receiving module connected with a PLC programmable controller.
CN2010202330094U2010-06-132010-06-13Intelligent control system of track locomotiveExpired - LifetimeCN201721468U (en)

Priority Applications (1)

Application NumberPriority DateFiling DateTitle
CN2010202330094UCN201721468U (en)2010-06-132010-06-13Intelligent control system of track locomotive

Applications Claiming Priority (1)

Application NumberPriority DateFiling DateTitle
CN2010202330094UCN201721468U (en)2010-06-132010-06-13Intelligent control system of track locomotive

Publications (1)

Publication NumberPublication Date
CN201721468Utrue CN201721468U (en)2011-01-26

Family

ID=43489766

Family Applications (1)

Application NumberTitlePriority DateFiling Date
CN2010202330094UExpired - LifetimeCN201721468U (en)2010-06-132010-06-13Intelligent control system of track locomotive

Country Status (1)

CountryLink
CN (1)CN201721468U (en)

Cited By (7)

* Cited by examiner, † Cited by third party
Publication numberPriority datePublication dateAssigneeTitle
CN104483850A (en)*2014-10-292015-04-01北京交控科技有限公司Method and system for realizing rail train remote bypass
CN104570908A (en)*2014-12-132015-04-29姜松燕Cableway console control system
CN105181360A (en)*2015-08-252015-12-23南车青岛四方机车车辆股份有限公司Method for determining train fault by display terminal
CN105575212A (en)*2016-02-182016-05-11南京康尼科技实业有限公司Practical training device and method used for teaching of urban rail vehicle control system
CN106773973A (en)*2016-12-262017-05-31河南中光学集团有限公司A kind of remote operation controller of wired connection
CN108055729A (en)*2017-12-272018-05-18河南辉煌软件有限公司A kind of intelligent illuminating system on train
CN112804306A (en)*2020-12-312021-05-14的卢技术有限公司Vehicle-mounted Ethernet-based automobile radar communication device, method and system

Cited By (9)

* Cited by examiner, † Cited by third party
Publication numberPriority datePublication dateAssigneeTitle
CN104483850A (en)*2014-10-292015-04-01北京交控科技有限公司Method and system for realizing rail train remote bypass
CN104570908A (en)*2014-12-132015-04-29姜松燕Cableway console control system
CN105181360A (en)*2015-08-252015-12-23南车青岛四方机车车辆股份有限公司Method for determining train fault by display terminal
CN105575212A (en)*2016-02-182016-05-11南京康尼科技实业有限公司Practical training device and method used for teaching of urban rail vehicle control system
CN105575212B (en)*2016-02-182018-02-16南京康尼电气技术有限公司A kind of actual training device and method for the teaching of city railway vehicle control system
CN106773973A (en)*2016-12-262017-05-31河南中光学集团有限公司A kind of remote operation controller of wired connection
CN108055729A (en)*2017-12-272018-05-18河南辉煌软件有限公司A kind of intelligent illuminating system on train
CN112804306A (en)*2020-12-312021-05-14的卢技术有限公司Vehicle-mounted Ethernet-based automobile radar communication device, method and system
CN112804306B (en)*2020-12-312024-06-21的卢技术有限公司Vehicle radar communication device, method and system based on vehicle Ethernet

Similar Documents

PublicationPublication DateTitle
CN201721468U (en)Intelligent control system of track locomotive
CN202944335U (en)Electric driving diesel multiple unit train and multi-connection train
CN101424942B (en) Distributed detection device for rail transit safety assessment
CN101417636A (en)Pure electric motor coach communication system and method based on three CAN bus
CN104796356B (en)Vehicle-mounted Ethernet switch and signal transmitting and receiving and train weight linked method used for rail vehicle
CN103578232A (en)Bus type gas monitoring and alarming control system and method
CN102402845A (en)Locomotive running state remote transmission terminal based on 3G and WLAN
CN203366484U (en)Alarm system of power battery boxes and vehicle
CN201345392Y (en)Network system used in electric automobile battery charger
CN103413414A (en)System capable of acquiring operating data of various new energy vehicles
CN203877901U (en)Filling station secondary oil vapor recovery online monitoring system based on power line carrier
CN202541531U (en)Primary network train control monitoring device based on MVB (Multifunction Vehicle Bus) bus
CN201654548U (en)Intelligent simulation screen system of transformer substation
CN202413797U (en)Locomotive double-heading identification equipment and locomotive
CN106487627A (en)RIOM and the train with RIOM
CN107145141A (en)Locomotive Electronically Controlled Pneumatic Brake Systems central control unit based on microcomputer network control
CN101592954A (en)A kind of fault safety control device that is applied to locomotive vehicle-mounted control
CN102642542A (en)Rolling stock data acquisition device based on Ethernet
CN204312134U (en)A kind of mining supervising device
CN101951351A (en)HDLC-CAN (High-level Data Link Control-Controller Area Network) gateway equipment
CN206596010U (en)A kind of Real- time monitor of the bus systems of RS 422
CN201657021U (en)Communication protocol converter
CN202689780U (en)Platform door unit controller for rail transit
CN107633668A (en)The infrared communication method and device of battery management in a kind of car networking
CN103869777A (en)Intelligent monitoring system

Legal Events

DateCodeTitleDescription
C14Grant of patent or utility model
GR01Patent grant
C56Change in the name or address of the patentee
CP01Change in the name or title of a patent holder

Address after:516007, Jinshan Industrial Zone, Henan shore, Huizhou, Guangdong, 2

Patentee after:Guangdong top technology Limited by Share Ltd

Address before:516007, Jinshan Industrial Zone, Henan shore, Huizhou, Guangdong, 2

Patentee before:Huizhou Biaoding Air Compression Technology Co., Ltd.

CX01Expiry of patent term

Granted publication date:20110126

CX01Expiry of patent term

[8]ページ先頭

©2009-2025 Movatter.jp