Movatterモバイル変換


[0]ホーム

URL:


CN201576412U - Led display screen - Google Patents

Led display screen
Download PDF

Info

Publication number
CN201576412U
CN201576412UCN2009202618910UCN200920261891UCN201576412UCN 201576412 UCN201576412 UCN 201576412UCN 2009202618910 UCN2009202618910 UCN 2009202618910UCN 200920261891 UCN200920261891 UCN 200920261891UCN 201576412 UCN201576412 UCN 201576412U
Authority
CN
China
Prior art keywords
led
power source
signal power
led display
module
Prior art date
Legal status (The legal status is an assumption and is not a legal conclusion. Google has not performed a legal analysis and makes no representation as to the accuracy of the status listed.)
Expired - Lifetime
Application number
CN2009202618910U
Other languages
Chinese (zh)
Inventor
宋光明
Current Assignee (The listed assignees may be inaccurate. Google has not performed a legal analysis and makes no representation or warranty as to the accuracy of the list.)
Shenzhen City Jia poly crystal technology development Co. Ltd.
Original Assignee
SHENZHEN WONDERFUL HIGH TECHNOLOGY Co Ltd
Priority date (The priority date is an assumption and is not a legal conclusion. Google has not performed a legal analysis and makes no representation as to the accuracy of the date listed.)
Filing date
Publication date
Application filed by SHENZHEN WONDERFUL HIGH TECHNOLOGY Co LtdfiledCriticalSHENZHEN WONDERFUL HIGH TECHNOLOGY Co Ltd
Priority to CN2009202618910UpriorityCriticalpatent/CN201576412U/en
Application grantedgrantedCritical
Publication of CN201576412UpublicationCriticalpatent/CN201576412U/en
Anticipated expirationlegal-statusCritical
Expired - Lifetimelegal-statusCriticalCurrent

Links

Images

Landscapes

Abstract

The utility model discloses an LED display screen consisting of a plurality of LED display modules. Each LED display module comprises a metal box, a lower frame crossbeam, a plurality of metal section light bars, and plastic masks assembled on the surfaces of the LED display modules; the plurality of metal section light bars are fixed between the metal box and the lower frame crossbeam; the metal box is internally provided with a signal power source branch plate, a module control card connected with the signal power source branch plate, and a signal power source output interface. The metal box contains a control system and a power supply unit intensively, thus avoiding that the safety performance of the product is reduced as electronic components, the control system and the power source of the LED display screen are in exposing state; and simultaneously, in the utility model, the external connection is more concise and standard, and more convenient for maintenance, and the weight and the cost of the product are reduced, therefore, the LED display screen improves the safety performance and the maintainability of the product, and reduces the weight and cost of the product.

Description

LED display
Technical field
The utility model belongs to technical field of flat panel display, relates in particular to a kind of LED display.
Background technology
LED (Light Emitting Diode, light emitting diode) display screen, form by a plurality of light emitting diodes,, rely on the light on and off of light emitting diode to come the display screen of various information such as display text, figure, image, animation and video by the display mode of control light emitting diode.
LED display is divided into graphic display screen and video display screen, forms by the LED matrix-block.Graphic display screen can show Chinese character, English text and figure synchronously with computing machine; Video display screen adopts microcomputer to control, and picture and text, image and luxuriant are play various information with real-time, synchronous information propagation pattern, also can show two dimension, three-dimensional animation, video recording, TV, VCD program and on-the-spot circumstance.LED display display frame is bright in luster, stereoscopic sensation is strong, is widely used in airport, station, harbour, hospital, government organs, exhibition, party, performance scene, sports tournament scene and other public place.
Traditional LED display has two series products frameworks usually: directly LED is shown that one, module is assembled into the product architecture of whole screen; Two, LED is shown module is assembled on the unit box, then unit box is assembled into the two-step product framework of whole screen.
Tradition one series products framework is with low cost, but site operation complexity, product maintenance maintenance difficulty, and a large amount of electronic devices and components and control system and power supply be in naked state and reduced the security of products energy, this series products is applied to low side LED and shows the field usually.
Tradition two series products frameworks are applied to medium and high level LED usually and show the field, unit box is built-in control system and power supply unit, improved the security of products energy, but it is with high costs, and because electronic devices and components, control system and power supply all generate heat towards box house, cause the unit box heat to be concentrated, further cause the increase of properties of product decline and mission life shortening and product bug.
In summary, existing LED display obviously exists inconvenience and defective on reality is used, so be necessary to be improved.
The utility model content
At above-mentioned defective, the purpose of this utility model is to provide a kind of LED display, and it has improved security of products energy and maintainability, and has reduced product weight and cost.
To achieve these goals, the utility model provides a kind of LED display, show that by a plurality of LED module constitutes, described LED shows that module comprises metal box, framework sill, many shape lamp bars and is assemblied in the plastic face mask that described LED shows the module surface, described many shape lamp bars are fixed between described metal box and the framework sill, are provided with module control card and signal power source output interface that signal power source is divided support plate, divided support plate to be connected with described signal power source in the described metal box.
According to LED display of the present utility model, described metal box comprises bonnet, is provided with the Switching Power Supply of dividing support plate to be connected with described signal power source in the described bonnet.
According to LED display of the present utility model, the display circuit board that described shape lamp bar comprises metal support and is fixed in described metal support.
According to LED display of the present utility model, described display circuit board is provided with signal power source input interface, LED and is used to drive the luminous chip for driving of described LED, and described chip for driving is connected with described LED and signal power source input interface respectively.
According to LED display of the present utility model, described chip for driving is pressed close to described metal support, and is coated with the heat-conducting silicone grease layer on the described chip for driving.
According to LED display of the present utility model, the signal power source output interface in the described metal box is connected with the signal power source input interface on the described display circuit board.
According to LED display of the present utility model, described LED display shows that by a plurality of LED the module cascade forms, and each grade LED shows that the module control card of module shows that with back level LED the module control card of module is connected.
According to LED display of the present utility model, described many shape lamp bars are provided with the self-clinching stud of corresponding metal box and framework sill, make described shape lamp bar, metal box and the assembling of framework sill form described LED by the fastening mode of nut and show module.
According to LED display of the present utility model, described metal box is provided with the self-clinching stud of assembling through hole on the corresponding described bonnet, by the fastening mode of nut described metal box and bonnet is assembled together.
According to LED display of the present utility model, it is the double acupuncture needle of 50PIN that described signal power source is divided the interface socket of support plate and module control card; The interface socket of described signal power source output interface and described signal power source input interface is the double acupuncture needle of 14PIN.
The utility model LED display shows that by a plurality of LED module constitutes, described LED shows that module comprises metal box, framework sill, many shape lamp bars and is assemblied in the plastic face mask that described LED shows the module surface, described many shape lamp bars are fixed between described metal box and the framework sill, are provided with module control card and signal power source output interface that signal power source is divided support plate, divided support plate to be connected with described signal power source in the described metal box.Because signal power source divides support plate, module control card and signal power source output interface to be arranged in the metal box, is covered with the Switching Power Supply of dividing support plate to be connected with described signal power source behind the metal box.Metal box is concentrated and is held control system and power supply unit, avoid electronic devices and components, control system and the power supply of LED display to be in naked state and to have reduced the security of products energy, the outside succinct more standard that connects simultaneously of the present utility model, be convenient to more safeguard, reduced product weight and cost.Whereby, the utility model has improved security of products energy and maintainability, and has reduced product weight and cost.
Preferably, described chip for driving is pressed close to described metal support, and is coated with the heat-conducting silicone grease layer on the described chip for driving.The heat that chip for driving produces directly passes to metal support by the heat-conducting silicone grease layer, and diffuses in the external environment condition, has significantly shunted the thermal power of product.Whereby, the utility model effectively reduces the temperature rise of control system and power supply unit, has avoided the concentrated properties of product decline that causes of heat and the increase of product bug, has effectively prolonged the product mission life.
Description of drawings
Fig. 1 is the structural representation of a kind of embodiment of the utility model;
Fig. 2 is the three-dimensional structure diagram that LED of the present utility model shows a kind of visual angle of module;
Fig. 3 is the three-dimensional structure diagram that LED of the present utility model shows another visual angle of module;
Fig. 4 is the three-dimensional structure diagram of aluminium case body of the present utility model;
Fig. 5 is the three-dimensional structure diagram of aluminium case bonnet of the present utility model;
Fig. 6 is the three-dimensional structure diagram of plastic face mask of the present utility model;
Fig. 7 is the cross-sectional structure synoptic diagram of aluminium section bar lamp bar of the present utility model;
Fig. 8 is the interface principle figure that signal power source of the present utility model is divided support plate and module control card;
Fig. 9 is the interface principle figure of signal power source output interface of the present utility model and signal power source input interface;
Figure 10 is the Signal Spacing drive principle figure of display circuit board of the present utility model;
Figure 11 is the fundamental diagram of chip for driving driving LED of the present utility model;
Figure 12 is a chip for driving Current Regulation fundamental diagram of the present utility model;
Embodiment
In order to make the purpose of this utility model, technical scheme and advantage clearer,, the utility model is further elaborated below in conjunction with drawings and Examples.Should be appreciated that specific embodiment described herein only in order to explanation the utility model, and be not used in qualification the utility model.
As Fig. 1~shown in Figure 7, a kind ofLED display 100 of the utility model, show that by a plurality ofLED module 200 constitutes, LED shows thatmodule 200 comprisesmetal box 10,framework sill 20, many shape lamp bars 40 and is assemblied in theplastic face mask 30 that LED showsmodule 200 surfaces, many shape lamp bars 40 are fixed betweenmetal box 10 and theframework sill 20, are provided withmodule control card 14 and signal powersource output interface 15 that signal power source is dividedsupport plate 13, dividedsupport plate 13 to be connected with signal power source in the metal box 10.Many shape lamp bars 40 are provided with the self-clinching stud ofcorresponding metal box 10 andframework sill 20, make shape lamp bar 40,metal box 10 and 20 assemblings of framework sill form LED by the fastening mode of nut and show module 200.Metal box 10 is preferably the aluminium case, and shape lamp bar 40 is preferably aluminium section bar lamp bar, and aluminum material is convenient to heat radiation more, and weight is lighter, and saves cost.
Metal box 10 comprisesbonnet 11, is provided with theSwitching Power Supply 12 of dividingsupport plate 13 to be connected with signal power source in the bonnet 11.Switching Power Supply 12 is used for the AC power of outside input is transformed into low-voltage dc power supply, and supplies with signal power source and divide support plate 13.As shown in Figure 4 and Figure 5,metal box 10 is provided with the self-clinchingstud 17 of assembling throughhole 16 on thecorresponding bonnet 11, by the fastening mode ofnut metal box 10 andbonnet 11 is assembled together.
Signal power source of the present utility model dividessupport plate 13,module control card 14 and signal powersource output interface 15 to be arranged in themetal box 10, and thebonnet 11 ofmetal box 10 is provided with the Switching Power Supply 12 of dividingsupport plate 13 to be connected with signal powersource.Metal box 10 is concentrated and is held control system and power supply unit, avoid electronic devices and components, control system and the power supply ofLED display 100 to be in naked state and to have reduced the security of products energy, the outside succinct more standard that connects simultaneously of the present utility model, be convenient to more safeguard, reduced product weight and cost.Whereby, the utility model has improved security of products energy and maintainability, and has reduced product weight and cost.
As shown in Figure 7, shape lamp bar 40 display circuit board 42 that comprises metal support 41 and be fixed in metal support 41.Display circuit board 42 is provided with LED 43, be used for driving LED 43 luminous chip for driving 44 and signal powersource input interface 45, and chip for driving 44 is connected with LED 43 and signal powersource input interface 45 respectively.Signal powersource output interface 15 in signal powersource input interface 45 on the display circuit board 42 and themetal box 10 is connected, and is used for signal power source and dividessupport plate 13 that digital displaying signal and low-voltage dc power supply are assigned to shape lamp bar 40.
Preferably, chip for driving 44 is pressed close to metal support 41, and is coated with the heat-conducting silicone grease layer on the chip for driving 44, and the heat that chip for driving 44 produces directly passes to metal support 41 by the heat-conducting silicone grease layer, and diffuse in the external environment condition, significantly shunted the thermal power of product.Whereby, the utility model effectively reduces the temperature rise of control system and power supply unit, has avoided the concentrated properties of product decline that causes of heat and the increase of product bug, has effectively prolonged the product mission life.
LED shows thatmodule 200 surfaces are equiped with theplastic face mask 30 of mute light black, its concrete structure as shown in Figure 6,plastic face mask 30 both can alleviate the invasion and attack of dust foreign matter to LED 43, can block the dazzle that physical environment causes display screen again, can effectively improve the contrast ofLED display 100, promote the visual performance of product.
According to an embodiment of the present utility model,LED display 100 shows that by a plurality ofLED module 200 cascades form, and each grade LED shows that themodule control card 14 ofmodule 200 shows that with back level LED themodule control card 14 ofmodule 200 is connected.WhenLED display 100 work, prime LED shows thatmodule 200 is connected with the input port of themodule control card 14 of this module, and the output cascade vision signal is to this module; The output port of themodule control card 14 of this module shows that with back level LED the input port of themodule control card 14 ofmodule 200 is connected, and the output cascade vision signal.
After themodule control card 14 of this module received the cascade vision signal that prime LED shows thatmodule 200 transmits, intercepting belonged to the vision signal of this module, and the analyzing and processing digital signal that becomes can show, was sent to signal power source and dividedsupport plate 13; The AC power of outside input enters this module by power input simultaneously, and by SwitchingPower Supply 12 described AC power is transformed into low-voltage dc power supply, supplies with signal power source and divides support plate 13.Signal power source is divided digital signal and the low-voltage dc power supply double needle socket that be assigned to each signal powersource output interface 15 ofsupport plate 13 with receiving, and outputs to the double needle socket of the signal powersource input interface 45 of each shape lamp bar 40.After the double needle socket of the signal powersource input interface 45 of shape lamp bar 40 receives digital signal and low-voltage dc power supply, shinny by 44 driving LED 44 of the chip for driving on the display circuit board 42, and show expected information.
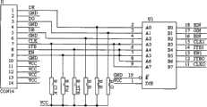
Preferably, as Fig. 8 and shown in Figure 9, it is the double acupuncture needle of 50PIN that signal power source is divided the interface socket ofsupport plate 13 andmodule control card 14; Signal powersource output interface 15 is the double acupuncture needle of 14PIN with the interface socket of signal powersource input interface 45.
As shown in figure 10, after the display circuit board 42 of shape lamp bar 40 receives shows signal, adopt No. eight bus driver 74HC245 that shows signal is carried out isolation drive, quality and intensity when guaranteeing the signal transmission.
As shown in figure 11, the display circuit board 42 of shape lamp bar 40 adopts 44 pairs of shows signal that receive of constant-current driven chip to carry out constant-current driving, and the constant current output signal is connected to the negative electrode of LED 43, and the anode of LED43 is connected to the 5V dc power supply terminal.When the output terminal of constant-current driven chip 44 turn-offed, LED 43 went out, and when the output terminal output low level of constant-current driven chip 44, LED 44 is driven by a stable electric current and luminous.Constant-current driven chip 44 can adopt TI 5921/5941, TOSHIBA 62726/62746, MBI 5024/5026, the LED chip for driving of the 28161/28165 various technology maturations of LINSN.
As shown in figure 12, the display circuit board 42 of aluminium section bar lamp bar 40 reaches the purpose of display message by the light on and off of constant-current driven chip 44 control LED 43.BecauseLED display 100 applied environments are extensive, to provide the brightness of display screen that is complementary to obtain good visual effect at the intensity of illumination in the concrete applied environment, and the luminous intensity of LED 43 directly is subjected to the control of drive current, the big more brightness of drive current is high more in rational current margin, and constant-current driven chip 44 all is provided with the current regulation control function of constant current output, by the size of current that the resistance to earth that changes on the designated pin is regulated constant current output, embodiment is as described below:
WhenLED display 100 is produced, after each LED parameter is determined, at first process an aluminium section bar lamp bar 40 that module is used, only weld potentiometer RVR, GVR, BVR among Figure 12 in the processing, do not weld fixed resistance value resistance VRR, VRG, VRB, brightness of survey module and colourity are coincide to the target component of product by the regulator potentiometer resistance; Measure potentiometer resistance then, choose resistance and mate rational resistance input volume production, the fixed resistance value resistance VRR, VRG, the VRB that only weld in volume production among Figure 12 do not weld potentiometer RVR, GVR, BVR.
In sum, the utility model LED display shows that by a plurality of LED module constitutes, described LED shows that module comprises metal box, framework sill, many shape lamp bars and is assemblied in the plastic face mask that described LED shows the module surface, described many shape lamp bars are fixed between described metal box and the framework sill, are provided with module control card and signal power source output interface that signal power source is divided support plate, divided support plate to be connected with described signal power source in the described metal box.Because signal power source divides support plate, module control card and signal power source output interface to be arranged in the metal box, is covered with the Switching Power Supply of dividing support plate to be connected with described signal power source behind the metal box.Metal box is concentrated and is held control system and power supply unit, avoid electronic devices and components, control system and the power supply of LED display to be in naked state and to have reduced the security of products energy, the outside succinct more standard that connects simultaneously of the present utility model, be convenient to more safeguard, reduced product weight and cost.Whereby, the utility model has improved security of products energy and maintainability, and has reduced product weight and cost.
Certainly; the utility model also can have other various embodiments; under the situation that does not deviate from the utility model spirit and essence thereof; those of ordinary skill in the art work as can make various corresponding changes and distortion according to the utility model, but these corresponding changes and distortion all should belong to the protection domain of the appended claim of the utility model.

Claims (10)

CN2009202618910U2009-12-242009-12-24Led display screenExpired - LifetimeCN201576412U (en)

Priority Applications (1)

Application NumberPriority DateFiling DateTitle
CN2009202618910UCN201576412U (en)2009-12-242009-12-24Led display screen

Applications Claiming Priority (1)

Application NumberPriority DateFiling DateTitle
CN2009202618910UCN201576412U (en)2009-12-242009-12-24Led display screen

Publications (1)

Publication NumberPublication Date
CN201576412Utrue CN201576412U (en)2010-09-08

Family

ID=42696288

Family Applications (1)

Application NumberTitlePriority DateFiling Date
CN2009202618910UExpired - LifetimeCN201576412U (en)2009-12-242009-12-24Led display screen

Country Status (1)

CountryLink
CN (1)CN201576412U (en)

Cited By (11)

* Cited by examiner, † Cited by third party
Publication numberPriority datePublication dateAssigneeTitle
CN102568314A (en)*2010-12-172012-07-11吴小刚Grid screen
CN102810287A (en)*2012-08-102012-12-05深圳市易事达电子有限公司Led display screen
WO2014085226A3 (en)*2012-12-012014-08-14Lsi Industries, Inc.Led display and display components
WO2014166147A1 (en)*2013-04-082014-10-16深圳市雷迪奥光电技术有限公司Led display screen
CN105139778A (en)*2015-05-182015-12-09闫新Backlight adjustable light display device
GB2527725A (en)*2013-05-312016-01-06Roe Visual Co LtdLED display screen
WO2016176900A1 (en)*2015-05-052016-11-10深圳市壹品光电有限公司Led display screen
CN110010022A (en)*2019-04-282019-07-12深圳市壹品光电有限公司 A kind of LED transparent display screen and installation method thereof
US10741107B2 (en)2013-12-312020-08-11Ultravision Technologies, LlcModular display panel
US10871932B2 (en)2013-12-312020-12-22Ultravision Technologies, LlcModular display panels
CN115654393A (en)*2022-09-282023-01-31深圳市在远方物联网技术有限公司 LED outdoor grid screen

Cited By (13)

* Cited by examiner, † Cited by third party
Publication numberPriority datePublication dateAssigneeTitle
CN102568314A (en)*2010-12-172012-07-11吴小刚Grid screen
CN102568314B (en)*2010-12-172014-04-30吴小刚Grid screen
CN102810287A (en)*2012-08-102012-12-05深圳市易事达电子有限公司Led display screen
WO2014085226A3 (en)*2012-12-012014-08-14Lsi Industries, Inc.Led display and display components
WO2014166147A1 (en)*2013-04-082014-10-16深圳市雷迪奥光电技术有限公司Led display screen
JP2016520856A (en)*2013-04-082016-07-14ロエビジュアルカンパニーリミテッドROE Visual CO., Ltd. LED display screen
GB2527725A (en)*2013-05-312016-01-06Roe Visual Co LtdLED display screen
US10741107B2 (en)2013-12-312020-08-11Ultravision Technologies, LlcModular display panel
US10871932B2 (en)2013-12-312020-12-22Ultravision Technologies, LlcModular display panels
WO2016176900A1 (en)*2015-05-052016-11-10深圳市壹品光电有限公司Led display screen
CN105139778A (en)*2015-05-182015-12-09闫新Backlight adjustable light display device
CN110010022A (en)*2019-04-282019-07-12深圳市壹品光电有限公司 A kind of LED transparent display screen and installation method thereof
CN115654393A (en)*2022-09-282023-01-31深圳市在远方物联网技术有限公司 LED outdoor grid screen

Similar Documents

PublicationPublication DateTitle
CN201576412U (en)Led display screen
CN103021329B (en)A kind of all-color LED panel system and brightness adjusting method thereof
CN2872520Y (en)Outdoor advertisement poster with solar and wireless system dynamic display
CN201749635U (en)LED display screen
CN203102775U (en)Simple light bar raster display module easy to process and assemble and display screen thereof
CN203232680U (en)High-light-transmittance raster display module group
CN201886709U (en)High-pixel-density light emitting diode (LED) display module group
CN202150229U (en)Highly energy-saving high definition light-emitting diode (LED) display screen
CN205943350U (en)Module base plate and display device
CN218069228U (en)Transparent glass display screen with from power generation function
CN216083970U (en)High-efficient heat dissipation display screen for teaching
CN202677745U (en)Integrated LED large screen
CN212782545U (en)LED display screen supporting HDR effect
CN201540695U (en)Display system
CN205016160U (en)Luminous LED screen of face of can realizing and bore hole stereoscopic display device thereof
CN201502903U (en)LED light source structure used for projection equipment
CN218631197U (en)Novel LED display screen
CN201893086U (en)Outdoor full-color LED display screen module
CN205406008U (en) Water heater LED color display module
CN206833846U (en)A kind of novel energy-conserving highlights LED display
CN206833847U (en)A kind of emitting led display screen of new strip
CN214897395U (en)Brightness adjusting device for LED display screen
CN213635190U (en)Component arrangement structure for LED display screen production
CN204965966U (en)Full -color display screen of high light -permeability grating LED
LV14991B (en) Light was emitted by š s module and light emitted š mod ļ

Legal Events

DateCodeTitleDescription
C14Grant of patent or utility model
GR01Patent grant
ASSSuccession or assignment of patent right

Owner name:SHENZHEN JIUJIA JINGPIN TECHNOLOGY DEVELOPMENT CO.

Free format text:FORMER OWNER: DESIGNLED TECHNOLOGY CO., LIMITED

Effective date:20130522

C41Transfer of patent application or patent right or utility model
TR01Transfer of patent right

Effective date of registration:20130522

Address after:518000, building, B building, the Peach Garden science and Technology Innovation Park, Xixiang street, Shenzhen, Guangdong, 205

Patentee after:Shenzhen City Jia poly crystal technology development Co. Ltd.

Address before:518000, building, B building, the Peach Garden science and Technology Innovation Park, Xixiang street, Shenzhen, Guangdong, 206

Patentee before:Shenzhen Wonderful High Technology Co., Ltd.

CX01Expiry of patent term

Granted publication date:20100908

CX01Expiry of patent term

[8]ページ先頭

©2009-2025 Movatter.jp