


所属技术领域Technical field
本实用新型公开一种充电器,特别是一种用于手机充电的多功能便携式智能充电器。The utility model discloses a charger, in particular to a multifunctional portable intelligent charger for charging a mobile phone.
背景技术Background technique
随着电子产业和通讯业的发展,手机在人们生活中已不再陌生,手机以其携带和使用方便,已经成为人们日常生活中不可或缺的一个重要组成部分。现有技术中的手机无一不是使用锂电池作为能源供给,于是,给手机充电便成为了手机使用中的一大问题,现有的手机充电器分为两种,一种是插在手机上对手机进行充电,另一种是直接对手机电池进行充电,然而不管是哪种充电器,均受到外接电源的限制,离开电源便不能工作,因此会给手机的使用带来很大的不便,当人们长时间工作于野外等无外接电源之处,手机变可能会因没电而无法使用。另外,现有技术中的充电器还存在携带不便的缺点。Along with the development of electronic industry and communication industry, mobile phone is no longer unfamiliar in people's life, and mobile phone has become an indispensable important part in people's daily life because of its easy to carry and use. All mobile phones in the prior art use lithium batteries as energy supply, so charging mobile phones has become a major problem in the use of mobile phones. Existing mobile phone chargers are divided into two types, one is plugged into the mobile phone To charge the mobile phone, the other is to directly charge the battery of the mobile phone. However, no matter what kind of charger is limited by the external power supply, it cannot work without the power supply, so it will bring great inconvenience to the use of the mobile phone. When people work in places without external power supply such as the field for a long time, the mobile phone may become unusable due to lack of power. In addition, the charger in the prior art also has the disadvantage of being inconvenient to carry.
发明内容Contents of the invention
针对上述提到的现有技术中的手机充电器携带不便、要受到外接电源的限制,使用不便等缺点,本实用新型提供一种新的充电器结构,其在充电器内设置有一个充电电池,可在没有外接电源时利用充电电池对手机进行充电。Aiming at the disadvantages of the mobile phone charger in the prior art mentioned above, such as inconvenient to carry, limited by external power supply, inconvenient to use, etc., the utility model provides a new charger structure, which is provided with a rechargeable battery inside the charger , can use the rechargeable battery to charge the mobile phone when there is no external power supply.
本实用新型解决其技术问题采用的技术方案是:一种智能充电器,包括外壳和置于外壳内的充电电路,充电电路包括AC-DC转换电路、变压电路,外接电源输入AC-DC转换电路将交流电转换为直流电,再经过变压电路转换为低压DC输出,充电电路内还包括有充电锂离子电池,充电锂离子电池连接在AC-DC转换电路与低压DC输出之间。The technical solution adopted by the utility model to solve the technical problem is: an intelligent charger, including a casing and a charging circuit placed in the casing, the charging circuit includes an AC-DC conversion circuit, a voltage transformer circuit, and an external power supply input AC-DC conversion The circuit converts the alternating current into direct current, and then converts it into a low-voltage DC output through a transformer circuit. The charging circuit also includes a rechargeable lithium-ion battery, and the rechargeable lithium-ion battery is connected between the AC-DC conversion circuit and the low-voltage DC output.
本实用新型解决其技术问题采用的技术方案进一步还包括:The technical solution adopted by the utility model to solve its technical problems further includes:
所述的充电电路中还包括有转换充电状态的转换开关。The charging circuit also includes a changeover switch for changing the charging state.
所述的充电电路中还包括有电压检测电路和电子开关电路,电压检测电路检测端连接在低压DC输出接口上,电压检测电路输出端连接在电子开关电路的控制端上,电子控制开关连接在变压电路前的电源正极与地之间。The charging circuit also includes a voltage detection circuit and an electronic switch circuit, the detection end of the voltage detection circuit is connected to the low-voltage DC output interface, the output end of the voltage detection circuit is connected to the control end of the electronic switch circuit, and the electronic control switch is connected to the Between the positive pole of the power supply before the transformer circuit and the ground.
所述的充电电路的充电锂离子电池两个电极输出之间设有锂电池保护电路。A lithium battery protection circuit is provided between the two electrode outputs of the charging lithium ion battery of the charging circuit.
所述的外壳包括相互扣接的面壳、底壳和上盖,面壳和底壳固定设置在一起,充电电路设置在面壳和底壳构成的空腔内,外壳上固定设置有电源插头,电源插头与充电电路中的AC-DC转换电路的输入端连接,上盖盖装在电源插头处,外壳上通过输出导线连接有充电插头,充电插头与充电电路的低压DC输出端连接。The shell includes a face shell, a bottom shell and an upper cover which are interlocked with each other, the face shell and the bottom shell are fixedly arranged together, the charging circuit is arranged in the cavity formed by the face shell and the bottom shell, and a power plug is fixedly arranged on the shell , the power plug is connected to the input end of the AC-DC conversion circuit in the charging circuit, the upper cover is installed at the power plug, the shell is connected to the charging plug through the output wire, and the charging plug is connected to the low-voltage DC output end of the charging circuit.
所述的外壳上开有放置充电插头的凹槽。The shell is provided with a groove for placing the charging plug.
所述的外壳外侧开有放置导线的凹槽。A groove for placing wires is opened on the outer side of the shell.
所述的外壳与上盖之间通过锁链连接。The shell and the upper cover are connected by chains.
所述的放置充电插头的凹槽设置在上盖处。The groove for placing the charging plug is provided on the upper cover.
本实用新型的有益效果是:本实用新型结构简单、外形结构及尺寸极为小巧,给携带带来很大的方便,可替代现有技术中的手机充电器对手机进行充电,另外,本实用新型内设有充电电池,在没有外接电源的情况下,可通过实用新型内的充电电池对手机进行充电,使手机充电摆脱了对外接电源的倚赖,给使用带来很多方便。The beneficial effects of the utility model are: the utility model is simple in structure, the appearance structure and the size are very small and exquisite, brings great convenience to carrying, can replace the mobile phone charger in the prior art to charge the mobile phone, in addition, the utility model There is a rechargeable battery inside. When there is no external power supply, the mobile phone can be charged through the rechargeable battery in the utility model, so that the charging of the mobile phone can get rid of the dependence on the external power supply and bring a lot of convenience to the use.
下面将结合附图和具体实施方式对本实用新型做进一步说明。The utility model will be further described below in conjunction with the accompanying drawings and specific embodiments.
附图说明Description of drawings
图1为本实用新型电源部分电路原理图。Fig. 1 is the schematic diagram of the circuit of the power supply part of the utility model.
图2为本实用新型电能转换部分电路原理图。Fig. 2 is a circuit schematic diagram of the electric energy conversion part of the utility model.
图3为本实用新型分解状态结构示意图。Fig. 3 is a schematic structural diagram of the utility model in a disassembled state.
图中,1-面壳,2-底壳,3-上盖,4-开关拨片,5-第一安装孔,6-第二安装孔,7-充电插头凹槽,8-导线凹槽,9-指示灯孔,10-开关安装孔,11-导线出口。In the figure, 1-face shell, 2-bottom shell, 3-upper cover, 4-switch paddle, 5-first installation hole, 6-second installation hole, 7-charging plug groove, 8-wire groove , 9-light hole, 10-switch installation hole, 11-wire outlet.
具体实施方式Detailed ways
本实施例为本实用新型优选实施方式,其它凡其原理和基本结构与本实施例相同或近似的,均在本实用新型保护范围之内。This embodiment is a preferred implementation mode of the utility model, and all other principles and basic structures that are the same or similar to this embodiment are within the protection scope of the utility model.
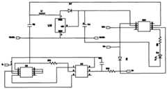
请参看附图1,本实用新型通过220V外接电源输入作为供电来源,220V交流电通过整流电桥U1整流为近似的直流,然后经过变压器T1变压后由VOUT端输出给手机充电。本实施例中,VOUT端处与地之间连接有充电指示灯红绿双色LED(不充电或充电完成时亮绿灯),在VOUT端的对立一端连接有三极管Q3的基极,发光二极管R和三极管Q3串接在VOUT端和地之间,当充电时后,红绿双色LED亮红灯,红绿双色LED在附图中标示为D4和D5。VOUT端和地之间串联连接的电阻R8和电阻R9,电阻R8和电阻R9的公共端与电压基准芯片U3连接,电压基准芯片U3与光耦U2的控制输入端串联连接,光耦U2的输出端与三极管Q2的基极连接,三极管Q2的发射极接地,三极管Q2的集电极分别与外接电源正极和三极管Q1的基极连接,三极管Q1的集电极与变压器输出端连接,三极管Q1的发射极通过电阻R6接地。请参看附图2,本电路中的核心芯片为升压芯片U6,升压芯片U6的输入端通过电感L1与开关SW1的第7引脚连接,升压芯片U6的输出端与开关SW1的第2引脚连接,开关SW1的第1引脚与正电源输入端VI+连接,即与图1中的VOUT连接,开关SW1的第3引脚与VO+端连接,即是正输出端,开关SW1的第6引脚与充电电池的正极B+连接,开关SW1的第5引脚与地之间连接有指示用发光二极管LED。正电源输入端VI+通过二极管D3与充电电池正极,即B+端连接。本实施例中,充电电池采用锂电池,充电电池正极B+与充电电池负极B-之间连接有锂电池保护电路U5,在对充电电池充电时对其进行保护。当开关SW1打到第一挡位时,开关SW1的第1引脚与第3引脚接通,利用外接电源对外接的手机进行充电,并同时对充电电池进行充电。当开关SW1打到第二挡位时,开关SW1的第2引脚与第3引脚接通,第6引脚与第7引脚接通,利用充电器内的充电电池升压后对外接的手机进行充电;当开关SW1打到第三挡位时,开关SW1的第5引脚与第6引脚接通,利用充电器内的充电电池经R15限流对高亮LED(D6)放电,应急照明;Please refer to accompanying
请参看附图3,面壳1与底壳2相配合,形成一个空腔,充电电路设置在空腔内,外壳上固定安装有电源插头,电源插头与充电电路的外接电源输入端连接,电源插头旁边开有放置充电插头的充电插头凹槽7,电源插头处设有上盖3,上盖3可盖装在电源插头处以挡住电源插头和充电插头凹槽7,上盖3上开有第一安装孔5,其与开在外壳上的第二安装孔相配合使用,可通过锁链将上盖3与外壳连接在一起。与手机配合的充电插头通过外壳内伸出的导线与充电电路连接,导线由导线出口11处引出,外壳外侧导线出口11与充电插头凹槽7之间开有放置导线用的导线凹槽8。外壳上还开有指示灯孔9,用于查看指示灯D6用,指示灯孔9旁边还开有开关安装孔10,充电电路内的开关SW1设置在开关安装孔10处,为了使用方便,开关安装孔10处安装有开关拨片4,开关拨片4插接在开关SW1上。Please refer to the accompanying
本实用新型的使用分为四种不同的形式:第一,利用外接电源对本实用新型内的充电电池进行充电,只需将开关SW1打到第一挡位,将电源插头插入220V外接电源插座即可;第二,利用外接电源对手机充电,即将本实用新型作为普通手机充电器使用,只需将开关SW1打到第一挡位,将电源插头插入220V外接电源插座,将手机插头插入手机中即可;第三,利用本实用新型内的充电电池对手机充电,只需将开关SW1打到第二挡位,将手机插头插入手机中即可;第四,利用本实用新型内的充电电池用作应急照明,只需将开关SW1打到第三挡位。The use of the utility model is divided into four different forms: first, use an external power supply to charge the rechargeable battery in the utility model, just switch SW1 to the first gear, and insert the power plug into the 220V external power socket. Yes; Second, use the external power supply to charge the mobile phone, that is, to use the utility model as an ordinary mobile phone charger, just turn the switch SW1 to the first gear, insert the power plug into the 220V external power socket, and insert the mobile phone plug into the mobile phone That’s it; third, use the rechargeable battery in the utility model to charge the mobile phone, just turn the switch SW1 to the second gear, and insert the plug of the mobile phone into the mobile phone; fourth, use the rechargeable battery in the utility model For emergency lighting, just turn the switch SW1 to the third gear.
本实用新型可广泛应用于各种手机充电器中,可用于代替现有技术中的各种手机充电器使用。The utility model can be widely used in various mobile phone chargers, and can be used to replace various mobile phone chargers in the prior art.
| Application Number | Priority Date | Filing Date | Title |
|---|---|---|---|
| CNU2007201724805UCN201113536Y (en) | 2007-10-19 | 2007-10-19 | smart charger |
| Application Number | Priority Date | Filing Date | Title |
|---|---|---|---|
| CNU2007201724805UCN201113536Y (en) | 2007-10-19 | 2007-10-19 | smart charger |
| Publication Number | Publication Date |
|---|---|
| CN201113536Ytrue CN201113536Y (en) | 2008-09-10 |
| Application Number | Title | Priority Date | Filing Date |
|---|---|---|---|
| CNU2007201724805UExpired - Fee RelatedCN201113536Y (en) | 2007-10-19 | 2007-10-19 | smart charger |
| Country | Link |
|---|---|
| CN (1) | CN201113536Y (en) |
| Publication number | Priority date | Publication date | Assignee | Title |
|---|---|---|---|---|
| CN101778156A (en)* | 2009-12-31 | 2010-07-14 | 深圳创维-Rgb电子有限公司 | Mobile phone capable of charging other mobile phones |
| CN101951001A (en)* | 2010-09-25 | 2011-01-19 | 帝发技术(无锡)有限公司 | Intelligent charger |
| Publication number | Priority date | Publication date | Assignee | Title |
|---|---|---|---|---|
| CN101778156A (en)* | 2009-12-31 | 2010-07-14 | 深圳创维-Rgb电子有限公司 | Mobile phone capable of charging other mobile phones |
| CN101951001A (en)* | 2010-09-25 | 2011-01-19 | 帝发技术(无锡)有限公司 | Intelligent charger |
| CN101951001B (en)* | 2010-09-25 | 2012-08-22 | 帝发技术(无锡)有限公司 | Intelligent charger |
| Publication | Publication Date | Title |
|---|---|---|
| CN203377616U (en) | Outdoor portable power supply device | |
| CN201219206Y (en) | Multifunctional Portable Energy Storage | |
| CN201733113U (en) | Portable mobile power supply | |
| CN201113536Y (en) | smart charger | |
| CN203674746U (en) | Portable solar mobile power source with MPPT function | |
| CN101752884B (en) | General mobile phone charger with solar panel | |
| CN2842842Y (en) | Accumulation energy type mobile charging adapter | |
| CN201531755U (en) | LED rechargeable flashlight with charging indication and protection | |
| CN209375184U (en) | Earphone charging box | |
| CN201048304Y (en) | Manual power generation charging circuit of digital product | |
| CN202444670U (en) | Portable intelligent LED (Light Emitting Diode) lighting device | |
| CN205507700U (en) | Wireless photovoltaic power supply formula bluetooth keyboard | |
| CN206293924U (en) | mobile power | |
| CN100508329C (en) | A portable mobile phone charger | |
| CN2914449Y (en) | Portable USB charger | |
| CN103280850A (en) | Drive circuit with charger baby and multipurpose LED (light-emitting diode) functions | |
| CN202817836U (en) | Mobile optical power circuit | |
| CN101325341B (en) | Mobile phone charger with USB plug | |
| CN201113516Y (en) | Mobile phone emergency charger with battery charging | |
| CN203951243U (en) | A kind of charger circuit of multivoltage compatibility | |
| CN201629587U (en) | Portable power supply capable of being charged through solar energy | |
| CN2664257Y (en) | Charging battery type mobile phone emergency charger | |
| CN207216585U (en) | Wireless charging mouse and its charging mouse pad | |
| CN201194337Y (en) | A multifunctional charger | |
| CN2930057Y (en) | Solar energy charger |
| Date | Code | Title | Description |
|---|---|---|---|
| C14 | Grant of patent or utility model | ||
| GR01 | Patent grant | ||
| C17 | Cessation of patent right | ||
| CF01 | Termination of patent right due to non-payment of annual fee | Granted publication date:20080910 Termination date:20101019 |