Movatterモバイル変換


[0]ホーム

URL:


CN1251421C - Program variable broadcast hearing communications capable of planting in medical equipment - Google Patents

Program variable broadcast hearing communications capable of planting in medical equipment
Download PDF

Info

Publication number
CN1251421C
CN1251421CCN 01103088CN01103088ACN1251421CCN 1251421 CCN1251421 CCN 1251421CCN 01103088CN01103088CN 01103088CN 01103088 ACN01103088 ACN 01103088ACN 1251421 CCN1251421 CCN 1251421C
Authority
CN
China
Prior art keywords
signal
audio frequency
programming
medical device
implantable medical
Prior art date
Legal status (The legal status is an assumption and is not a legal conclusion. Google has not performed a legal analysis and makes no representation as to the accuracy of the status listed.)
Expired - Fee Related
Application number
CN 01103088
Other languages
Chinese (zh)
Other versions
CN1327309A (en
Inventor
J·T·哈特劳布
D·L·汤普森
D·R·格里宁格
Current Assignee (The listed assignees may be inaccurate. Google has not performed a legal analysis and makes no representation or warranty as to the accuracy of the list.)
Medtronic Inc
Original Assignee
Medtronic Inc
Priority date (The priority date is an assumption and is not a legal conclusion. Google has not performed a legal analysis and makes no representation as to the accuracy of the date listed.)
Filing date
Publication date
Priority claimed from US09/491,395external-prioritypatent/US6216038B1/en
Application filed by Medtronic IncfiledCriticalMedtronic Inc
Publication of CN1327309ApublicationCriticalpatent/CN1327309A/en
Application grantedgrantedCritical
Publication of CN1251421CpublicationCriticalpatent/CN1251421C/en
Anticipated expirationlegal-statusCritical
Expired - Fee Relatedlegal-statusCriticalCurrent

Links

Images

Classifications

Landscapes

Abstract

Methods and apparatus for communication of implantable medical device (IMD) information, including interrogation of programmed parameter values, operating modes and conditions of operation, confirmation of programmed changes thereof, interrogation of data stored in the IMD, and patient warnings or other messages by RF transmission of audible sounds generated by the IMD are disclosed. The IMD includes an RF transmitter that broadcasts or transmits audible sounds including voiced statements or musical tones stored in analog memory correlated to a programming or interrogation operating algorithm or to a warning trigger event. The broadcast radio signal is received, and the audible sounds are demodulated and reproduced by a radio receiver as voiced statements or musical tones that convey human understandable messages comprising IMD information generated during programming and interrogation sessions and warnings or status messages to the patient at other times.

Description

The broadcasting audible sounds communication that programming changes in the implantable medical device
Technical field
The present invention relates generally to provides the improving one's methods and installing of transmission of implantable medical device (IMD) information and patient's warning or message through being received and reproducing the behave broadcast radio signal of intelligible speech statement or other audible sounds.
Background technology
Early stage IMD such as the implantable cardiac pacemaker is designed to generally with single mode of operation work, controls by fixing running parameter, does not possess the mode of operation of change or other ability through skin and external device communication.One day, can wish to change some running parameter and/or mode of operation clinically, this is obvious.The initial method of using of implantable cardiac pacemaker comprises uses a kind of miniature rheostat, can directly contact this rheostat by inserting needle-shaped tool to patient skin, to regulate pace-making speed or pulse duration resistance in the circuit is set.Afterwards, combine miniature reed switch in pace-making speed or pulsewidth circuit, this reed switch can be in response to the external magnet that places implantation place by magnetic field that skin applied.Can regulate pulsewidth, pace-making speed and the limited pacing mode of number in this way.
Can also realize the operation of implantable cardiac pacemaker is observed, for example, by use standard EKG machine with by the time interval between the pacemaker impulse spike the ECG tracking of writing down in skin electrode from patient.Use the magnet applied to make the reed switch closure, pacing mode being changed into asynchronous pacing mode, and fixing pace-making speed or pulse amplitude or width are translated into a value of reflection work at present parameter.An application of this technology is to monitor imminent running down of battery from the pace-making speed that presets or programmed by observing the pace-making rate variations according to the voltage drop of battery, for example, and as at United States Patent (USP) 4,445, described in 512.Certainly, this method can only provide a low strap to lead to data channel, avoids the interference to the major function that makes the heart of patient pace-making where necessary.
In addition, when wireless aerial is placed in when implanting on the lead-in wire, the pacemaker impulse by elongated pacing leads conductor conduction causes that electromagnetic signal is listened and is the noise pulse on the am radio frequency range.This shows, need not the transmission that the EKG machine just can be confirmed pacemaker impulse, regularly can determine pace-making speed roughly to noise pulse in succession by stopwatch.The output circuit inductor is attached in the specific model pacemaker, causes that when transmitting pacemaker impulse in the whole cycle at pacemaker impulse this inductor " rings ".The lasting cycle of the noise pulse of being searched by radio device is proportional to the pacemaker impulse width, is possible at least in theory from the lasting period measurement pacemaker impulse width of noise pulse.
Be appreciated that development, can realize in numeral or binary ciruit that to the mode of operation and the parameter control of implantable medical device, described numeral or binary ciruit use storage state of a control or operating parameter values along with digital circuit technique.In order to change a mode of operation or parameter value,, developed " programmable device " based on the telemetry transceiver in from the external programmer transceiver to the IMD that packs into and radio frequency (RF) downlink data communication of memory.
By using this telemetry system, the uplink data telemetry might be provided, come the content of register in the IMD or memory is sent to telemetry receiver in the programmable device of the identical RF transmittability of use.Now, can send to external programmer to analog-and digital-two kinds of data from implantable medical device by up link RF telemetry.Aspect the implantable cardiac pacemaker, analogue data generally comprises intracardiac electrocardiogram range value, sensor output signal, pacemaker impulse amplitude, energy and pulse duration and the pacing leads impedance of battery status, sampling.Numerical data generally comprises currency, implant data and the patient of relevant performance, event flag, programmable parameter and the statistics of IMD cognizance code.
Developing the current telemetry transmitting system of generally using depends on and forms low amplitude magnetic field by the current oscillation in RF telemetry antenna lc circuit and detect at the induced current that is being arranged in receiving mode RF telemetry antenna very nearby in sending mode.Send the short duration pulse train (burst) that form sends carrier frequency with varied telemetry.On MEDTRONIC  production line, the RF carrier frequency is arranged to 175kHz, and the RF telemetry antenna of IMD generally is the lead loop on the ferrite core that places in the can.Make the RF telemetry antenna package of external programmer be contained in a programming head and can place the permanent magnet on the patient skin on the IMD, so that in the can of IMD, set up magnetic field.
From the up link telemetry of implantable medical device sends, require to limit as much as possible from implanting the electric current that battery leaked, with the life-span of extension fixture.Yet, when device work and surveillance coverage increase, requirement can under the situation of high reliability and anti-parasitic noise with in real time or in short as far as possible transmitting time, increase the data capacity that sends.As the result of these considerations, it was suggested or currently used many RF telemetries of attempting to increase data transmission rate to send data coding schemes.
At present, be used for the diversified IMD of clinical implantation from commercial release or proposal, they can be programmed in multiple mode of operation, and can use the RF telemetry to send and inquire.This medical treatment device comprises implantable cardiac pacemaker, cardioverter/defibrillator, pacemaker/cardioverter/defibrillator, drug delivery system, muscle stimulation device, heart and other physiological monitor, egersimeter (comprising the N﹠M stimulator), brain (deep brain) stimulator and cochlea implantation and heart-assist device or pump etc.Along with the development of technology, at possible mode of operation able to programme, available running parameter menu with increase in the surveillance coverage of the multiple physiological condition and the signal of telecommunication, it is more complicated that IMD becomes.These complexity are to programming and inquiry system and use their medical care supplier to propose higher requirement.
In our the legal invention registration H1347, we have disclosed the improvement that this class increases the programmable device of audio frequency speech statement in operation, to help to use their medical care supplier.For example, we advise increasing the speech statement, follow the tracks of programmable device and the interactive operation of implantable medical device during programming, and the patient that the medical care supplier of use programmable device can hear follows dialogue.This speech statement will increase or substitute the visual display or the minimum heard sound tone (for example, buzzer sound) of this information, and described visual display or minimum heard sound tone show when using external programmer or pacing system analyzer or send.
Also developed and relied on other method that the RF telemetry sends, be used for providing real-time alerting to patient in the IMD misoperation or according to detecting when providing treatment with needs.Having advised the buzzing of audible reported to the police is attached among the IMD to warn running down of battery to patient, for example at United States Patent (USP) 4,345, is disclosed in 603 and 4,488,555, and described patent is hereby incorporated by reference.Similarly, at United States Patent (USP) 4,140, in 131 and 5,076,272 and above introducing ' 603 patents in suggestion on IMD or near the electrode at IMD place, applying low-yield stimulation, with " shouting pain " patient when the running down of battery, described patent is hereby incorporated by reference.At United States Patent (USP) 4,210, disclosed in 149 and used the audible buzzing that is attached in implantable cardioverter/defibrillator to report to the police, be about to take place the rhythm of the heart with the warning patient and change electroshock, described patent is hereby incorporated by reference.
In addition,, advised the buzzing audible alert of using the implantable cardiac pacemaker battery to exhaust in the monitor externally in 346 at United States Patent (USP) 4,102, described monitor obviously and the implantable cardiac pacemaker directly be coupled.As at United States Patent (USP) 5,285, disclose in 792,4,832,033 and 5,573,506, the sound voice recording has been attached in the external medical device to be used to provide warning or instruction, described patent is hereby incorporated by reference.
As mentioned above, the developing history of IMD has indicated growing dexterity and complexity in design and work.Yet, in some cases, require to provide simplification IMD, in developing country, to use or can control by patient with finite character and controllable mode of operation and parameter.
As an example of above-mentioned situation, at the common United States Patent (USP) of transferring the possession of 5,391, simplification and low cost programmable, single chamber cardiac pacemaker pulse generator have been disclosed in 188 and 5,292,342, be intended to meet the requirement in the emerging nation especially, described patent is hereby incorporated by reference.Demand for fear of to the external programmer of costliness has designed the low-cost pacemaker that is disclosed in the patent, uses the simple EKG display of simplifying programming scheme and being coupled to the skin contact electrode, is used for showing simply artificial pacing's pulse and patient's ECG.In this low cost implantable cardiac pacemaker, realize programming by repeating periodically magnetic field to be applied to aforesaid IMD, to increase or to reduce pace-making speed, pacemaker impulse width amplitude etc. step by step.Can apply or remove magnetic field in the artificially, and can make the pole reversal in magnetic field.Magnetic field sensor in the IMD and the programmed circuit that is associated are done the increment variation according to magnetic field that is applied and polarity.The medical care supplier must observe EKG nearly and show, and changes from observed pacing intervals and to calculate the pace-making rate variations, and demarcates the variation of pulse amplitude.This requires preferable hand-eye coordination and quick thinking calculating to reach desired speed or changes in amplitude to determine when.
In the later case, in the body of available nerve stimulation device and drug delivery system implant patient, and provide external programmer, the limited adjusting that provides stimulation therapy and medicine to discharge is provided, regulate the treatment that is sent to allow them to patient.This device comprises that implantable nerve stimulator of MEDTRONIC  Itrel  and Synchromed  medicine infiltrate system.Allowing patient to regulate by emission " increase " and " reduction " order stimulates and drug therapy.The implantable medical device responds to program command, but this response is not returned to patient by communication, and patient also is being concerned about whether desired adjusting is finished.
All above-mentioned RF telemetry systems all need complicated circuit and aforesaid heavy antenna, and are implemented among the IMD and cost dearly.RF telemetry transceiver in the IMD is the electric flux of consumer battery in use.In addition, the telemetry system all needs to use expensive with complicated external programmer, and it is set up the telemetry agreement, encodes and the transmission of transmitting down link telemetry and reception, decoding and demonstration and/or the transmission of record up link telemetry.Record and/or only visually show up link telemetry data (such as transmitting pacemaker impulse by the implantable cardiac pacemaker) from IMD and device operation, this requires to do careful visualization by the medical care supplier of operation programmable device.Equally, the acceptable that utilizes the confirmation of receipt in the up link telemetry sends of recorder or visual display unit only can observe the programming variation of mode of operation or parameter value is confirmed.The acceptable straightforward procedure that need provide a kind of affirmation to programme to change, this method do not need patient or medical care supplier to use RF telemetry ability among dedicated RF telemetry equipment or the IMD.Utilize during the limited function programmable device programmes to limited mode of operation and parameter value patient, situation especially like this.From following explanation obviously as can be known, the present invention can satisfy many these requirements.
In this manual any one done to the reference of alerting bulletin or patent and the introducing by reference, be intended to represent simply prior art level and/or some traditional structures that in practice of the present invention, can adopt, circuit etc.The disclosure of these reference materials does not wish scope of the present invention is limited as the specific embodiment that shows here.
Summary of the invention
The present invention is directed to and improve the above-mentioned prior art systems that communicates with the above-mentioned type IMD, change with the device operation confirming IMD is made or the programming of function.In one aspect of the invention, employing is stored among the IMD and as modulated radio signal and implements communication by the speech statement or the sound of IMD emission in ul transmissions.
In another aspect of the present invention, a kind of simplified system is provided, be used for the uplink communication of received RF signal, comprise the conventional wireless that is tuned on IMD play signal frequency and can be heard by patient and/or the medical care that nurses the sick supplier to patient or medical care supplier.IMD comprises that employing amplitude modulation or frequency modulation in commercial amplitude modulation or frequency modulation (AM or FM) frequency range implements speech statement or the broadcast of music tone or the radiofrequency launcher and the antenna of transmission.Usually it is shared not to be broadcasted the radio station in the frequency of the low frequency end of AM or FM, is preferable so that can adopt simple, be easy to provide and cheap AM or FM radio receive and reproduce broadcasting or send.Yet, also can adopt other broadcast band, for example CB, UHF/VHF TV and weather radio frequency band and corresponding receiver.
Therefore, the invention provides a kind of system and method that produces the radio frequency transmission of the statement of audible speech or other audible sounds (for example music tone) from IMD, the radio device that the statement of audible speech or other audible sounds can be tuned to transmission frequency receives, and confirms that particularly programming changes.The radiofrequency signal of launching or broadcasting is received, separates to be in harmonious proportion by radio device and is reproduced as speech statement or music tone, and speech statement or music tone are heard by medical care supplier or patient and understood, can accept with the affirmation program command.The IMD information reproduced of the emission and audible ground can also comprise among the IMD can enough these data programings patient identifier symbol, IMD identifier, implant date and inquiry at last or the speech on the date of programming and state.
The present invention can implement with simple, low-cost programming and/or inquiry scheme, sends with the special up link that IMD information is provided, and IMD information comprises the affirmation that the data of being stored and operating state or device work and programming change.These speech statements or music tone are produced according to simplifying programming protocol by the medical care supplier during this IMD programming, adopt and manually apply magnetic field in IMD on time.Yet, the present invention can also implement in the RF of complexity telemetry programming and method for inquiring and agreement, during the inquiry of IMD data, mode of operation and parameter and during the programming again in mode of operation and parameter, substitute or increase the transmission of up link RF telemetry and the demonstration of IMD information selectively.In any embodiment, notify patient and/or medical care supplier program command immediately, variation, operation or the state of programing work pattern and parameter value can be accepted, need not to analyze the data that vision provides.
In the programmed sequence that adopts any program command sending method, can make the variation of operating parameter values successively,,, each variation be confirmed by statement of audible speech or music tone according to the present invention.For example, follow each increment of program parameters value to increase or reduce, can launch sharp rank or flat rank music tone respectively, change parameter value to show.In some IMD, according to the increase each time of parameter value or reduce, can launch one or more sharps rank or flat rank music tone, in the speech statement that produces by radio device according to broadcast singal, do not need to send the speech of actual value.
It is favourable that the audio frequency drive signal of the statement of generation speech or other audible sounds (for example music tone) is recorded in the solid state non-volatile analog memory position that has the predetermined memory address in the IMD.Speech statement be preferably make or during dispensing to be suitable for live country or personnel's language record of patient or patient.In an embodiment of sufficient nonvolatile memory can be provided, the speech statement can be selected appropriate language for use by the programming select command with the multilingual record.In having the complicated IMD of radio frequency telemetry ability, can select language-specific by the order of down link radio frequency telemetry.Among the low-cost IMD that is disclosed, can provide a series of repetitions magnetic field here, when decoding, can select language by enough its.Ability permission with local active language recording of voice statement or the selection speech statement of record in advance is more flexible, the mistake tendency is still less fed back and control with safer audible.If patient moves a country or place, its active language is different from patient and leaves country or local active language, and doctor or other medical cares supplier can select the language of speech statement.
Passing on or showing that the above speech of listing type i MD information is stated or a plurality of audio frequency drive signals of music tone are stored in the analog memory.In a hardware embodiment, in the inquiry or two sequences of programming, suitable audio frequency drive signal is carried out access by logical circuit, logical circuit produces unique storage address of audio frequency drive signal.In embodiment, adopt a kind of operative algorithm in turn to produce the address of suitable audio frequency drive signal based on microprocessor.During inquiry and programmed sequence, suitable audio frequency drive signal is retrieved or is applied to radiofrequency launcher, produces AM or FM and sends.At All Other Times, the monitored situation of implantable medical device, state or promptly or complete operation or patient's circumstance or state cause according to this situation and produce the message trigger signal.By the definite message that will broadcast of message trigger signal or unique storage address of warning.
In order to save energy, it is the scope that low-power, duration are short and have several feet or several meters that AM or FM send, so that save energy, avoids using clumsy parts and avoid interference in IMD.Antenna can comprise the discrete radio-frequency antenna in the IMD shell, if IMD adopts elongated leads, or the elongated lead of this lead-in wire body.Also can adopt or improve the radio frequency telemetry antenna of more complicated radio frequency telemetry system, in practice of the present invention, use.Can search low-power radio frequency signal or from then on transmit by being positioned at the low-cost wireless electricity receiver of wearing apart from the human body of several feet of patients or several meters.
Description of drawings
When considered in conjunction with the accompanying drawings, by the following detailed description to preferred embodiment of the present invention of reference, these and other advantage of the present invention and feature will be better understood equally, and in institute's drawings attached, similar reference number is specified similar parts, wherein:
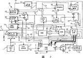
Fig. 1 is illustrated in the rough schematic view of communicating by letter between the programmable I MD and medical care supplier in the patient body, utilize statement of audible speech or music tone to feed back inquiry and the programming of carrying out it, statement of audible speech or music tone feedback are launched by the external wireless electric installation that AM that receives IMD or FM send;
Fig. 2 is the block diagram of the implantable pulse generator of employed example pacemaker (IPG) in Fig. 1 system, when on the patient skin that magnet is applied on the IPG, according to Fig. 3 A-3C and 4 work;
Fig. 3 A-3C is a sequential chart, describe magnet one after the other is applied on the IPG of Fig. 2, and IPG is for the response in applying magnetic field, comprises device work and the speech that produces in inquiry and programmed sequence is stated;
Fig. 4 is the memory address locations figure that is depicted in the speech statement of being sent by IMD in inquiry shown in Fig. 3 A-3C and the programmed sequence;
Fig. 5 is the expansion block figure of the audio frequency feedback circuit piece of Fig. 2, illustrates how to produce the audio frequency drive signal, states at inquiry and the speech shown in the programmed sequence that audio frequency drive signal modulated in the AM/FM reflector is play or is transmitted in shown in Fig. 3 A-3C;
Fig. 6 is the block diagram of analog storage/playback integrated circuit (IC) of Fig. 5;
Fig. 7 is a sequential chart, is depicted in the generation of two word message in the block diagram of Fig. 5;
Fig. 8 is based on the block diagram of the IMD work system of microcomputer, plan is used with controller and monitor or at treatment delivery system shown in Figure 10 a type, can inquire it or programmes and can launch the IMD information that is received by radio device by applying magnetic field in succession;
Fig. 9 is based on the block diagram of the IMD work system of microcomputer, plan is used with controller and monitor or treatment delivery system shown in Figure 10 a type, can utilize RF telemetry transmitting system it is inquired or to programme and can launch the IMD information that is received by radio device;
Figure 10 is the block diagram of digitial controller/timer circuit, can with the work system of Fig. 8 or Fig. 9 and with shown in monitor and the treatment dispensing apparatus in a use;
Figure 11 is a width of cloth figure of memory address locations who describes the audio frequency drive signal of speech statement or music tone, and speech statement or music tone are to send in the inquiry of the implantable doser shown in Figure 10 with Fig. 8 or work system shown in Figure 9 and programmed sequence; And
Figure 12 is a width of cloth figure of memory address locations who describes the audio frequency drive signal of speech statement or music tone, and speech statement or music tone are to send in the inquiry of the implantable electrical stimulation device shown in Figure 10 with Fig. 8 or work system shown in Figure 9 and programmed sequence.
Embodiment
Preferred embodiment of the present invention be disclosed in the inquiry that relates to device mode of operation or parameter or programming or to provide patient to warn or the communication session process of message in, use statement of audio frequency speech or music tone by the radio frequency that receives IMD sends or the traditional low-cost AM of broadcast singal or FM or other frequency range radio device are launched.Doctor or other medical cares supplier can hear music tone or speech statement, to increase or to replace visual display unit, confirm that perhaps programming changes, and are perhaps listened to confirm patient's starting program by patient.The present invention can monitor and/or treatment provided among the IMD to patient and implement all above referenced providing.The present invention can implement with the low-cost programming scheme of simplifying, so that the special ul transmissions of IMD information to be provided.The preferably also auxiliary medical care supplier of audio frequency speech statement follows programming or inquiry agreement in initial implantation or subsequently.
The present invention can also be implemented into the complicated programming of RF telemetry and method for inquiring and agreement, optionally to replace or to increase the up link RF telemetry transmission of device mode of operation, state, operation and parameter value.In this case, the modulation of the audio frequency drive signal of emission can be on the current RF carrier frequency that these RF telemetries send, for example on 175kHz.Perhaps, can adopt AM described herein or FM frequency range telemetry system, radio device is attached in the programmable device.
Following explanation with reference to figure 1-7 is each preferred embodiment of implementing in the shell of low cost, single chamber, implantable cardiac pacemaker IPG at the present invention, and described implantable cardiac pacemaker is to use permanent magnet to programme.Can be attached to more complicated, two-chamber, programmable pacemaker or pacemaker/cardioverter/defibrillator IPG (as described in) to this enforcement with reference to figure 8-10.Other application of the audio frequency communication of the programming follow the IMD that Figure 10 assert or inquiry is described then.Figure 11 and 12 illustrates the special-purpose of implantable material delivery system and implantable egersimeter respectively.Those skilled in the art that will adapt to listed IMD easily here and remain the teaching of other IMD of design in the future.
Fig. 1 is that this takes place during inquiring or during the programming from the simplified schematic explanation of the audio frequency feedback of the data of the IMD100 in implant patient 102 bodies, with the variation of affirmation device mode of operation or parameter value or in the generation of reporting to the police At All Other Times.For convenience of explanation, IMD 100 preferably comprises the cardiac pacemaker of pacemaker IPG 110 and pacing leads 120, described pacing leads is stretched over one or more pace-making/sensing electrodes from IPG connector 112, these electrodes place in a conventional manner patient's atrium or ventricle or on.Therefore, shown pacemaker IPG 110 or press able to programme, single chamber atrium IPG of auricular pacemaking pattern work, or press able to programme, single chamber ventricle IPG of ventricular pacemaking pattern work.In addition, in following preferred embodiment, pacemaker IPG 110 has low cost, the single chamber pacemaker IPG work structuring in conjunction with the following audio frequency feedback characteristic of the present invention, described low cost, single chamber pacemaker IPG be the common transfer quoted in the above ' 188 and ' in 342 patents disclose.
In the embodiment of Fig. 2-7,, by permanent magnet 130 being applied on the patient skin on the IPG 110 or removing, and set up telemetry or communication session with IMD by doctor or other medical cares supplier according to following agreement.Magnetic field constitutes a communications link signals of setting up communication session that is detected by IPG 110.During communication session, implement the inquiry of IMD information and the programming of pacemaker IPG 110 mode of operations and parameter value.
Polarity of the magnetic field comes sensing by themagnetic field sensor 70 in pacemaker IPG 110 shells.Inquiry and programming protocol are discerned by the decoding and the logical circuit that are coupled to magnetic field sensor by following mode.According to low-cost pacemaker preferred embodiment of the present invention, each agreement causes that the speech statement of being stored can be launched as radiofrequency signal by radiofrequency launcher 31 (for example AM or FM band transmit device).Reflector 31 is worked with antenna, and antenna can comprise the discrete radio-frequency antenna in the IMD shell, perhaps under the situation of cardiac pacemaker, 1CD and nerve or muscle stimulation apparatus, can comprise that the slender conductor of the body that go between goes between, and for example goes between 120.Reflector 31 can take to be tuned to the form of the MOTOROLA  MC 13176 single chip AM/FM reflectors on the suitable frequency range.
In the sequence of setting up by agreement, when magnet 130 being applied on the patient skin or remove magnet, doctor or other medical cares supplier AM or FM radio device 142 be tuned to proper A M or FM radio frequency transmission frequency and listen to speech statement or the music tone that sends by radio speaker 144.Though be not specifically noted, be appreciated that by above-cited common transfer ' 188 and the described mode of ' 342 patents, the medical care supplier also can use EKG display or register to observe artificial pacemaker impulse.AM or FM send 146 and adopt low-power, to save energy and to make the IMD size reduce to minimum and avoid interference problem, so radio device 142 may need near patient body or be worn on the patient body.
This identical process can be used to provide treatment or monitoring situation or change the parameter for the treatment of by patient, for example begins or changes the intensity of electrical nerve stimulation or provide a certain amount of pain reliever pills to control slight illness.
Fig. 2 is a block diagram, describes small-sized, light weight according to an embodiment of the invention, limited function, implantablepacemaker IPG circuit 10, and be above-cited common transfer ' 188 and the modification of Fig. 1 of ' 342 patents.Modification comprise addedbattery monitor circuit 17, audiofrequency feedback circuit 25, RF reflector 31, RF antenna (perhaps linking), filter andamplifier circuit 33,optional activity sensor 116 andrate response circuit 35 by capacitor andlead terminal 12 and with the connection line of some other circuit block.Should be appreciated that, among Fig. 2 the circuit block of even-numbered can take the common transfer quoted in the above ' 188 and ' 342 patents in the form of those circuit of disclosing in detail, and with those circuit equivalents.The common transfer of quoting in the above ' 188 and ' 342 patents in determined the certain embodiments of these circuit, with reference to existing patent only for illustrative purposes.Be not intended to scope of the present invention is limited to the specific embodiment of these circuit with reference to these circuit.The inventor believes, for the present invention, is not crucial to their selection then as long as particular electrical circuit function as a whole can be finished operation of the present invention.
Pacemaker IPGcircuit 10 is encapsulated in the can of the IPG 110 in implant patient 102 bodies, is coupled to atrium or ventricle cardiac pacing lead 120 (as shown in FIG. 1) at IPG connector 112 places.Pacemaker IPG circuit 10 provides single chamber pace-making, and can use together with ventricular pacemaking lead-in wire or auricular pacemaking lead-in wire, so that ventricular pacemaking or the auricular pacemaking with traditional VVI or AAI and relevant pacing mode able to programme to be provided.
Should be understood that in entire chapter disclosure of the present invention, the various internal electrical components that comprisepacemaker IPG circuit 10 all are coupled to comprise battery 13 (for example, commercially available manganese dioxide (MnO2) camera battery etc.) and power supply 11.For the sake of clarity, be not shown being connected of all circuit blocks andpower supply 11 in Fig. 2.Yet,power supply 11 andbattery monitor 17 couplings are shown, during the device inquiry, replace the warning triggering signal that designator (ERI) input provides (in this case) to represent cell voltage, to trigger speech battery status (as described in) below with reference to Fig. 3 A-3C to the electricity of audio frequency feedback circuit 25.According to another aspect of the present invention, can also periodically trigger the generation that radio frequency that external wireless electric installation 142 plays and be received is warned frequently with the warning triggering signal.Can be heard by patient 102 by the audio frequency audible sounds that the loud speaker 144 of radio device 142 is launched, to remind patient's cell voltage to exhaust and will take appropriate measures.Also can convey to patient to other message from IMD by this way.
Battery monitor 17 periodically compares the output voltage ofbattery 13 and wherein reference voltage, when cell voltage drops into reference voltage when following, selects ERI warning triggering signal is offered the ERI input.Thisbattery monitor 17 is followed the instruction of the United States Patent (USP) 4,313,079 of common transfer, and described patent is hereby incorporated by reference.Though do not describe in the present embodiment, but be appreciated that, can also be applied to the ERI signal and increase-downcontrol circuit 90, to regulate the percentage of pace-making speed to the pace-making speed of being programmed, and be applied to activity rate response circuit 35 (if present), to forbid its operation.For example, increase/subtract circuit 90, for example, the 70ppm pace-making speed of being programmed according to the ERI Signal Regulation during normal VVI or AAI pace-making makes it to be reduced to the ERI speed of 58ppm.
Pacemaker IPG circuit 10 comprises output andpump circuit 14, and the pace-making triggering signal that this circuit produces according to pulsewidth single-shot trigger circuit 16 is delivered toterminal 12 and the auricular pacemaking lead-in wire or the ventricular pacemaking lead-in wire that append on it to pace-making (pace-making) pulse.Generally, output andpump circuit 14 are corresponding to the pacemaker impulse output circuit or other the traditional pacemaker impulse output circuit that are disclosed in the common United States Patent (USP) of transferring the possession of 4,476,868, and described patent is hereby incorporated by reference.Output andpump circuit 14 further are included in the amplitude control circuit able to programme that at length discloses in above-cited ' 342 patents, and this circuit allows by the amplitude programming signal that is applied to pump (P) input the pacemaker impulse amplitude to be programmed.In preferred embodiment, the pacemaker impulse amplitude can high, in and programme between the low amplitude.
Theconventional filter circuit 18 by being coupled toterminal 12 and the device ofsensing amplifier 20 monitor the activity of the electronics heart in the patient body, and described filter circuit and sensing amplifier are used for the inherent cardiac electric signals from heart of patient is carried out filtering andamplification.Filter circuit 18 is carried out basic bandpass filtering operation on primitive atrium or ventricle cardiac electric signals, and conditioning signal is offered the input of traditional sensing amplifier 20.Sensing amplifier 20 is configured to detect P ripple or R ripple, and sensing (SENSE) output signal is provided on online 21.On online 21 the output of the sensing ofsensing amplifier 20 is directed to clock (CL) input of dtype flip flop 46.
According to this embodiment of the present invention, by10Hz pierce circuit 22 produce slow (for example, 10Hz) the fixed cycle operator of main timing clock signal controlpacemaker IPG circuit 10 is from a describedpierce circuit 22 ofoutput warp 40 startups of rate limit decoding circuit 26.With reference to above-cited common transfer ' 188 and Figure 10 of ' 342 patents, the10Hz pierce circuit 22 that illustrates and describe in detail.When starting10Hz pierce circuit 22, it launches 4 10Hz pulses on 400 milliseconds time cycle; Then, it keeps stopping up to starting it once more.The 10Hz timing clock signal thatpierce circuit 22 produces is imported through the negative CL (clock) that line 24 is applied to ratelimit decoding circuit 26, blankingdecoding circuit 28 and refractory period (refractory)decoding circuit 30, and " with " (AND) input of door 32.Ratelimit decoding circuit 26,blanking decoding circuit 28 and refractoryperiod decoding circuit 30 define rate limit cycle, blanking cycle and refractory period cycle respectively by the counting to 10Hz clock cycle of offering their negative CL inputs on online 24.
Maybe when producing sensing signal, continue a blanking time interval (for example, corresponding to 100 milliseconds of a 10Hz clock cycle) from this when transmitting pacemaker impulse, traditionalblanking circuit 28 offerssensing amplifier 20 to blanking signal.Be appreciated that according to desired blanking time at interval length and the actual oscillation rate ofpierce circuit 22, can define and comprise the blanking cycle of clock cycle count number more for a long time.Blanking signal disconnects the input of sensing amplifier effectively fromterminal 12 in cycle blanking time, disappears (otherwise can makesensing amplifier 20 saturated) to allow artificial pacing's pulse, and avoids the P-ripple or the R-ripple of double sensing inside.
The 30 definition refractory period cycles of refractory period decoding circuit, described each sensing of refractory period period tracking or pace-making cardiac event.Refractoryperiod decoding circuit 30 is by measuring the refractory period cycle counting from the 10Hz clock cycle of line 24, just as the blanking decoding circuit is measured the blanking time interval.In this preferable present embodiment of the present invention, can believe that the refractory period cycle on the order of magnitude about 300 milliseconds is suitable.In this case, refractoryperiod decoding circuit 30 can define the refractory period cycle for continuing 3 10Hz clock cycle.
During the refractory period cycle, provide logic low refractory period output signal on the refractoryperiod decoding circuit 30 online 44, and it is applied to the D input of d type flip flop 46.Output on thesensing amplifier 20 online 21 is applied to the CL input of trigger 46.As long as refractoryperiod decoding circuit 30 offers the D input to logic low refractory period output signal, the Q output of dtype flip flop 46 keeps logic low and can not be converted to logic high.But after the refractory period cycle had expired, the refractory period signal that is applied to the D input on online 44 returned logic high.This moment, the establishment of a sensing signal on online 21 (as described below, as to be caused by the incident of institute's sensing) makes the Q output of the dtype flip flop 46 on online 48 be triggered to logic high, nonrefractory period sensing signal.
Logic level height on theline 48 or logic low are applied to a input withdoor 32; And the 10Hz clock signal is applied to and door another input (as mentioned above) of 32.If the refractory period cycle is not expiration as yet, then output and the signal level on theline 50 withdoor 32 keeps logic low.If the refractory period cycle expires, then when detecting " sensing " incident,line 48 will tend to logic high." sensing " signal that produces on online 21 after 300 milliseconds of refractory period period expires makes the Q output of dtype flip flop 46 be transformed into logic high.The output that will make withdoor 32 that just is offset of next then 10Hz clock signal is transformed into logic high.Handle is imported with reset (R) of theexport orientation trigger 46 ofdoor 32 on online 50.Like this, when the next clock signal of following sensing signal (producing described sensing signal after the refractory period period expires) is in signal trend logic high on theline 50, make the Q output of dtype flip flop 46 be transformed into logic low.
Also the nonrefractory period sensing signal on theline 48 is applied to " or " (OR) door input of 52, and the pulsewidth triggering signal on online 55 is applied to or another input of 52.Setting (S) input of export orientation rate limit, blanking and refractoryperiod decoding circuit 26,28 and 30 of handle ordoor 52 on online 56.On online 56 corresponding to the logic high pulse setting of nonrefractory period sensing signal or pulsewidth triggering signal and restart the rate limit time interval, blanking time at interval and the refractory period time interval.In addition, when the rate limit decoding circuit was set, the logic high enable signal that it applies on online 40 can start10Hz pierce circuit 22, and this pierce circuit sends 4 10Hz clock pulse once more.
The last rate limit of the boost pulse that ratelimit decoding circuit 26 definitionpacemaker IPG circuit 10 transmit.In disclosed present embodiment, can believe, per 400 milliseconds of pacemaker impulses, or the last rate limit of the maximum pace-making speed of 150PPM is suitable.If like this, the rate limit time interval is gone up in 26 definition of rate limit decoding circuit, and this time interval continues the cycle of 4 continuous 10Hz clocks (being applied to its CL input).When the logic-high signal on online 56 is applied to the S input of rate limit decodelogic 26 after each " sensing " and " pace-making " incident as mentioned above, about 400 millisecond periods of output O trend logic low of rate limit decoding circuit 26.On online 62 this logic-low signal is applied to the D input of dtype flip flop 54, according to logic high or saltus step in the CL input of dtype flip flop 54, its stops the output Q of d type flip flop to be transformed into logic high from logic low.After the rate limit time interval disappears on 400 milliseconds, return logic high from the O output signal ofrate limit circuit 26 ononline 62.
Speed is single to be triggered and TMT circuit 58 (being designated hereinafter simply as speed/TMT circuit 58) is determined basic pace-making speed, escapes interim at pace-making, when not having sensing to export on online 21, just with this speed pacemaker impulse is delivered to terminal 12.It is programmable at interval that pace-making between the output pulse of the output O place of speed/TMT circuit 58 generation is escaped, and in from 460 to 1200 milliseconds scope, for example, sets up programmable pace-making speed with the increment of 10PPM respectively between 130PPM and 50PPM.Speed/TMT circuit 58 comprises retriggerable monostable multivibrator, this multivibrator locates to produce an output signal in its output (O), and ought programme escape blanking time out-of-date it this output signal is applied to the CL input of d type flip flop 54 by line 60.If 400 milliseconds are gone up the speed cycle time of mistake, then the Q of d type flip flop 54 output is transformed into logic high according to the output signal on online 60, by line 55 pulse width triggering signal is offered the pacemaker impulse list and trigger 16 triggering (T) input.Rate time interim on 400 milliseconds, can not be transformed into the Q of d type flip flop 54 output logic high and produce the pulse duration triggering signal from the output signal on speed/TMT circuit 58 online 60.
This moment, it should be noted that also the logic high pulse width triggering signal on theline 55 by or the S ofdoor 52 andline 56 guiding rate limit, blanking and refractoryperiod decoding circuit 26,28 and 30 import.After the expiration of 400 milliseconds of rate limit time intervals and pace-making escape when expiring at interval, the logic high pulse width triggering signal on online 56 restarts the rate limit time interval, blanking time interval and the refractory period time interval.
When producing the output pulse on the line 60, in speed/TMT circuit 58, automatically restart the pace-making of programming and escape at interval.Also restart the pace-making of programming in speed/TMT circuit 58 escapes at interval according to " sensing " incident.The R input that the rising edge saltus step from the reset signal of the output of door 82 that occurs on the line 84 is applied to speed/TMT circuit 58 is restarted pace-making and is escaped at interval.An input of being coupled to from nonrefractory period sensing signal on the line 48 of the Q of d type flip flop 46 output with door 82, or another input with door 82 is coupled in the normal logic high level output of non-(NOR) door 76.After the expiration of the refractory period time interval of indication nonrefractory period sensed event, according to the sensed event on online 21, the Q output trend logic high of d type flip flop 46.By line 48, with door 82 and line 84 the rising edge saltus step is delivered to the R input of speed/TMT circuit 58 and restarts the pace-making interval of escaping.As long as the rising edge saltus step is escaped than the pace-making of programming and appeared at the R input of speed/TMT circuit 58 at interval more continually, the output signal on the line 60 will rest on logic low, and will forbid producing the pulse duration triggering signal at the output Q place of d type flip flop 54.
The T input of the single triggering 16 of guiding pulse duration on the pulse duration triggering signal online 55 oftrigger 54 outputs,single trigger 16 and have the pace-making trigger impulse of duration and respond by producing on online 64, the described duration is determined the pulse duration by the pacemaker impulse of output and pumpcircuit 14 generations.The pacemaker impulse width is programmable in from 0.1 to 1.0 millisecond scope, for example, with above-cited common transfer ' 188 and ' 342 patents in the mode described in more detail.Importing by the T that line 64 is applied to output and pumpcircuit 14 from the single 16 pace-making trigger impulses of exporting that trigger of pulse duration, this circuit responds and by couplingcapacitor 66 the amplitude pacemaker impulse of programming is applied toterminal 12 and the pacing leads that is attached to above it.Also, stop the pulsewidth triggering signal with logic high that latch by Q output place that terminates in dtype flip flop 54 or storage the R input that is applied to dtype flip flop 54 on the pace-making trigger impulse online 64 from the single triggering 16 of pulsewidth.
By this way, produce pacemaker impulse and be applied to the pacing leads of in Fig. 1, describing as required.In the present embodiment, with the common transfer quoted in the above ' 188 and ' 342 patents in describe in detail and the mode of explanation realizes the programming of pace-making speed and pacemaker impulse amplitude and width.In order to eliminate RF telemetry circuit normally used, expensive, heavy and energy loss and element, programmed circuit of Jie Shiing and agreement are used solid-state semiconductor device here, and this device is responsive for the external magnetic field that is applied.Be applicable to the solid-state magnetic field sensor (MAGFET) 70 that uses authorizing to disclose in people's such as Wahlstrand the United States Patent (USP) of transferring the possession of jointly 5,438,990 in the IMD telemetry, described patent is in this hereby incorporated by reference.When not applying magnetic field, N and two output signals of S on online 72 and 74 are in logical zero or low level.As described in ' 990 patents, MAGFET circuit 70 can be differentiated in (for example, between the magnetic field that is orientated in magnetic field and south-north of North-south orientation) between the external magnetic field of two opposed polarities orientations.Correspondingly, MAGFET circuit 70 produces two logic high output signals, the N (north) on online 72, and the S on online 74 (south).For example, be that the N-S orientation is established n-signal according to detect the magnetic field that is applied by MAGFET circuit 70.Similarly, establish the S signal according to the S-N orientation that detects the magnetic field that applies.
Logical circuit 78 receives from logic high N on theline 72 or 74 ofMAGFET circuit 70 or S signal.Logical circuit 78 detects magnetic field with N-S or S-N magnetic field orientating respectively and applies with magnetic field and remove.Following described with reference to figure 3B,logical circuit 78 sends to control signal by a plurality of control lines (representing with 92 set in Fig. 2) and increases/down control circuit 90.Logical circuit 78 comprises Digital Logical Circuits, be used for magnet is removed and the replacement cycle is detected and counts, as the common transfer quoted in the above ' 188 and ' 342 patents described in, and establish various control signals according to it, carry out programming to pace-making speed, pacemaker impulse width and pacemaker impulse amplitude.
For example, according to the detection in a magnet removal/replacement cycle,logical circuit 78 is established control signal and is increased/downcontrol circuit 90, makes it enter pace-making speed programming mode.In the speed programming mode, N or S magnet polar signal online 72 or 74 obtain another control signal, and this another control signal orders pace-making speed to increase step by step or reduce respectively.
Increase/downcontrol circuit 90 produces a plurality of output signals, they lead on online respectively 94,96 and 98 speed/TMT circuit 58, pulsewidthsingle trigger 16 and the program (P) of output/pump circuit 14 import.Signal on theline 94,96 and 98 be the simulation reference current, the common transfer of quoting in the above ' 188 and ' 342 patents in described them in detail.Reference current on theline 94 and 96 is determined the duration from the output pulse of speed/TMT circuit 58 and the single triggering 16 of pulsewidth respectively, thereby determines the pace-making speed and the pulse duration of programming.By produce reference voltage onresistor 15, the reference current on theline 98 is determined the output pulse amplitude from output/pump circuit 14.This reference voltage comparator and charging circuit in output/pump circuit 14 use, and make output capacitor be charged to the voltage amplitude (as well known in the field in this technique) of programming.
For example, in the situation of pace-making rate parameter, increase/reference current is offered the P input of speed/TMT circuit 58 on thedown control circuit 90 online 94.Reduce the reference current level on online 94 step by step, causing pace-making that speed/TMT circuit 58 is set up to escape increases at interval.Similarly, increase the reference current level step by step on online 94, cause that speed is single to be triggered for the 58 pace-making time intervals of being set up and reduce step by step.Control the single triggering 16 of pulsewidth in a similar manner by the reference current on online 96.The pacemaker impulse amplitude of the pacemaker impulse that output/pump circuit 14 produces directly is subjected to the control of the voltage that forms on theresistor 15, and the voltage on theresistor 15 increased again-control of the voltage that forms on thedown control circuit 90 online 98.
The inquiry of this embodiment of the present invention and programming protocol are based on the initial examination and measurement that the external magnetic field is applied as shown in Figure 1 and initially enter the TMT pattern.After finishing TMT and interrogation mode, according to the common transfer of quoting in the above ' 188 and the agreement that disclosed of ' 342 patents (being used for mode of operation and parameter value etc. is programmed) remove external magnet 130 and then apply once more.Compare with the typical case with more complicated cardiac pacemaker able to programme, the programmable pattern of pacemaker IPG circuit 10 and the number of parameter value relatively more are restricted.For example, in this embodiment, basic pace-making speed, pace-making pulsewidth and pacemaker impulse range parameter are programmable in selected scope.Can be to single chamber asynchronous and trigger pacing mode and other parameter be programmed, the common transfer of for example quoting in the above ' sensing amplifier sensitivity, refractory period cycle and dodge gate limit value and gain coefficient described in 096 patent.In the situation of dual chamber pacemaker able to programme, also can programme to rate limit on the pace-making and A-V delay time lag.Must carry out some and arrange which parameter or pattern to be programmed, so that different parameter values and mode of operation are programmed respectively with selection.By down link RF telemetry cognizance code is sent to the receiver of implantable pacemaker together with new value or new pattern, in some existing pacemaker, realize the identification of parameter or pattern to be programmed is arranged.
In the TMT pattern, speed/TMT circuit 58 provides one to preset number (for example, 3), with TMT pace-making speed pulse is outputed to dtype flip flop 54 on online 60, and the pulsewidth trigger impulse of 3 correspondences is provided in its Q output place.Be blocked in response to the nonrefractory period sensed event signal that sensing signal produces by dtype flip flop 46, can not have resetted speed/TMT circuit 58.Withdoor 82 by because logic high (N or the S) level in 76 1 inputs of NOR gate is made on online 80 the logic-low signal from this output block.So,amplifier circuit 20 works on, but as long as MAGFET 70 sensing magnetic fields just make its output signal anergy effectively.
Asynchronous TMT sequence helps the medical care supplier to determine " the capturing " whether current pacemaker impulse width of programming and pulse amplitude setting are enough to realize heart of patient, promptly is enough to make it to shrink.In the embodiment of current announcement of the present invention, the TMT sequence can be a kind of as what disclosed in the United States Patent (USP) 4,273,132 of the common transfer of authorizing Hartlaub, and described patent is in this hereby incorporated by reference.The pacemaker impulse that produces during the TMT sequence can have the pace-making speed higher than normal pace-making speed, with difference TMT sequence with at the asynchronous pacemaker impulse of its front and back.Amplitude that the amplitude of a TMT pacemaker impulse or pulsewidth is reduced to programmed or a percentage of pulsewidth.Quote in the above ' traditional programing system that 132 patents are described in, at this time durations, the medical care supplier observes patient's cardiomotility on the EKG monitor, and observes 3 pacemaker impulses and whether all can cause heart contraction.If (or a plurality of) TMT pacemaker impulse is not captured heart, then the medical care supplier can increase the pulse duration or the pulse amplitude of programming, and carries out the TMT sequence once more and be enough to capture heart and leave suitable safe clearance with checking pacemaker impulse energy.
After speed/TMT circuit 58 was carried out TMT,IPG circuit 10 began (for example, 70PPM) or by the speed of being programmed or by ERI speed to carry out asynchronous pace-making, if use this function, then detect N or S magnetic field as long as continue by MAGFET 70 by demarcating speed.According to above-cited common transfer ' 188 and the described mode of operation of ' 342 patents, follow an agreement so that pace-making speed, pulse duration and/or amplitude are programmed, N or S magnetic field are removed or applied to described agreement regulation by the artificially of suitably moving of the magnetic pole in Fig. 1 130.
With reference to figure 2, in audiofrequency feedback circuit 25, realize following operation, will be described in more detail below.Briefly, when producing N or S signal on online 72 or 74, be applied to audiofrequency feedback circuit 25 on the output signal of NORgate 76 online 80, as magnet (MAGNET) signal.The magnet signal causes that power is applied to each parts of following audiofrequency feedback circuit 25 frompower supply 11, for the energy of savingbattery 13 is not powered usually to these parts.Audiofrequency feedback circuit 25 comprises the logical circuit of the storage address that is used to specify analog music tone or speech statement, the statement of described analog music tone or speech is from the analog memory retrieval, and drives (A-D) signal as audio frequency and be applied to AM/FM reflector 31 according to emission as described below.In order to save the energy content of battery, during inquiry or programming dialogue or transmitting the information to patient, where necessary, AM/FM reflector 31 is only signal-powered and be coupled to audio frequency drive signal (ADS) output by SW.
The corresponding pace-making and sensing (pace-making and the SENSE) input of the nonrefractory period sensing output signal of thetrigger 46 on the pace-making triggering signal and online 48 on online 64 guiding audio frequency feedback circuit 25.Increase being based upon/AMP, RATE and the PW input of guiding audiofrequency feedback circuit 25 on online 91,93 and 95 respectively of the signal of expression pacemaker impulse amplitude, pace-making speed and pacemaker impulse width in the down control circuit 90.As mentioned above, when cell voltage drops to the reference voltage that is lower than inbattery monitor 17, the last ERI signal ofline 23 is applied to the ERI input of audiofrequency feedback circuit 25.
Audiofrequency feedback circuit 25 also comprises pace-making/sensing, and (event counter of pace-making/SENSE) encourages this counter to count receiving the pace-making trigger impulse and the sensed event signal that produce after the magnet signal.As long as there is the magnet signal, originally event counter to the pace-making trigger impulse counting of TMT sequence, is counted asynchronous pace-making trigger impulse during asynchronous interrogation mode then.In the illustrated embodiment, when stopping the magnet signal, pace-making/sensing counter is to the pace-making triggering signal and the sensing signal counting of fixed number.On online 73 counting (CNT) is applied tological circuit 78, as the timing that applies magnetic field again.Use the speech statement addressing of counting to launching of pace-making/sensed event counter with the time that is synchronized with each pace-making and sensed event.
According to this embodiment of the present invention, during TMT, make audiofrequency feedback circuit 25 and 31 energisings of AM/FM reflector, from analog memory retrieval and in each pacemaker impulse emission speech statement " pace-making " of TMT, and emission speech statement " TMT pace-making " in the transmission of the final reduction energy pacemaker impulse of sequence.(pace-making/SENSE) the event counter counting appends to the pacemaker impulse that transmits to correct speech statement in the TMT sequence to use pace-making/sensing.Then, no matter whether continue to apply magnetic field, after TMT, begin and continue to retrieve in the inquiry sequence till finishing and launch a series of speeches and state.In the embodiment of Fig. 2-4, the speech statement comprises manufacturer, device model and serial number identifier, battery status and the parameter value that comprises pace-making speed, pacemaker impulse width and pacemaker impulse amplitude.Yet if it is programmable that pacing mode such as for example sensing amplifier sensitivity, refractory period cycle, dodge gate limit value and other running parameter are become, the speech statement can comprise other statement of these programming modes and parameter value.
Only otherwise disturbing magnetic field transmits the fixed rate pacemaker impulse after this TMT sequence is finished.According to this embodiment, " pace-making " statement of retrieval and emission is followed in the transmission of each pacemaker impulse, up to removing magnetic field.In another kind of version, only " pace-making " of fixed number statement can be retrieved and launch, and can keep magnetic field, is used for prolonging diagnosis or therapeutic purposes fixed rate pace-making to keep.When pace-making/sensed event counter arrives fixed count (for example 10), stop the RF emission of " pace-making " statement.Can turn-off pace-making/sensed event counter at this some place maybe can continue the pace-making triggering signal is counted.In addition,, can transmit the asynchronous pacemaker impulse of fixed number of " pace-making " statement that is attended by retrieval and emission, apply the timing that magnetic field enters programming mode again to assist when when removing magnetic field thereafter.
Pacing mode turns back to programming mode, and this pattern generally is AAI or vvi mode, if but during the asynchronous mode pacemaker impulse that transmits fixed number, do not apply again and sensing magnetic field, then can be trigger mode (AAT or VVT).Might make IPG place prohibited mode provisionally, to determine whether the inherent cardiac event of sensing, still this test may be unsafe for patient.Best, after removing magnetic field and stopping asynchronous mode, trigger with the pace-making of fixed number (for example 10) again or " pace-making " or " sensing " statement of sensed event signal emission retrieval and emission by pace-making/sensed event rolling counters forward.Under the situation that lacks the nonrefractory period sensed event, to escape when finishing at interval at pace-making, the pace-making trigger impulse continues, and with " pace-making " statement of retrieval and emission, up to arriving this counting.As shown in FIG. 2, the nonrefractory period sensed event is counted, and triggered the RF emission of " sensing " statement, but might be alternately to count and launch " sensing " statement on refractory period and two kinds of sensed event of nonrefractory period.
Timeline with reference to figure 3A, 3B and 3C may be understood a preferred embodiment preferably, and described preferred embodiment is in the sequence of events that relates in inquiry and/or programming pacemaker IPG 10.In Fig. 3 A, 3B and 3C, by being expressed as P0, P1Deng solid vertical line represent pacemaker impulse, by being expressed as S1, S2Deng vertical dotted line represent sensed event.Fig. 3 A describes pacemaker IPG identifier, programme pace-making speed and pulse amplitude, battery situation and retrieved and launched the inquiry of pace-making and sensed event.In Fig. 3 A, suppose that pacemaker IPG 10 general works to time T1, apply magnet 130 (as shown in FIG. 1) constantly at this.For example, according at the T1 place to the detection of programming magnet, pacemaker IPG circuit 10 beginning is transmitted 3 pacemaker impulse P with the asynchronous speed of 100PPM1, P2, P3Pacemaker impulse P1And P2Be in the programming pulse amplitude, still, pacemaker impulse P3Be in the pulse amplitude of reduction, to determine whether to capture by the pacemaker impulse that reduces energy patient's heart.The medical care supplier can observe this 3 artificial pacemaker impulses on the EKG monitor, if the pacemaker impulse energy surpasses patient's pace-making threshold value, the PQRST pool image that is caused by pacemaker impulse is shown also then.Very short time after producing the magnet signal is by " START TMT (beginning TMT) " statement of AM/FM reflector 31 emission retrievals." pace-making ", " pace-making " and " TMT pace-making " statement are synchronously retrieved with following 3 pace-making triggering signals of TMT sequence and are launched.
In Fig. 3 A, after moment T2 place finished the TMT sequence, pacemaker IPG circuit 10 remained on asynchronous (AOO or VOO) pattern, wherein transmitted pacemaker impulse P with programming or specified asynchronous speed (for example 70PPM)4To PnPerhaps, increase/down control circuit 90 (as mentioned above) if having the ERI signal and be applied to, then asynchronous speed can be the 58ppm of changing down.Be appreciated that the time T 2 in Fig. 3 and the time interval of the asynchronous pace-making between the time T 3 can continue a uncertain time cycle as long as programming magnet 130 is retained in original position.Yet " pace-making " statement of retrieval and emission can only proceed to be retrieved and launches predetermined number " n ", just stops then, to save the energy content of battery.Remove magnet at time T 3 places, pacemaker IPG (for example, AAI or vvi mode) returns the pacing mode of having programmed, (by the pace-making speed of having programmed and pacemaker impulse amplitude and width).Perhaps, after T3 and return to the programming pacing mode before, can transmit another number, for example 10 asynchronous pacemaker impulses.This feature allows any moment after T1 to remove magnet, and allows to proceed TMT, up link telemetry and asynchronous pace-making, until finishing after above-mentioned such removal magnet.
Get back to time T 2, in the inquiry sequence of being described, audio frequency feedback circuit 25 begins to retrieve the A-D signal and it is applied to AM/FM reflector 31, makes the statement of AM/FM reflector 31 launching simulation speeches.In this example, the speech statement of retrieval and emission comprises many phrases of selecting from the storage address inventory that Fig. 4 described.Retrieval and emission pacemaker manufacturer, model and unique sequence number then are the phrases of retrieval and emission, statement programmed pace-making speed, programming pulse width, height, in or low programming pacemaker impulse amplitude and battery status.The logic level indication at audio frequency feedback circuit 25 places is normal, the life-span begins, the energy content of battery if be input at ERI, and then retrieval and emission cell state are stated " battery is normal ".If in response to exhaust, the detection of end-of-life, the energy content of battery, battery monitor 17 produces the ERI signals, then retrieval and emission cell state are stated " running down of battery ".It should be noted that the medical care supplier can make magnet 130 stay put (as shown in FIG. 1), perhaps any moment during above-mentioned inquiry sequence is removed it.Even removed magnet before all statements of retrieval and emission inquiry sequence, the retrieval and the emission of speech statement also can continue to finish.For example, at these identifiers and the state narrative tense of retrieval and emission inquiry sequence, at pacemaker impulse P4To P7The place suppresses " pace-making " statement.As long as continue to apply magnet or until reach predetermined counting " n ", finishing inquiry sequence after, all retrieve and launch " pace-making " and state.
Magnet 130 is removed from patient shown in Figure 1 102 by time T 3 places in Fig. 3 A; And no longer apply the magnet signal in the magnet input of audio frequency feedback circuit 25.As shown in Fig. 3 A, audio frequency feedback circuit 25 starts the internal event counter of 10 pace-makings or sensed event, for example, and must be by one or more magnetic field relayings that apply again of MAGFET70 sensing sequel journey pace-making speed, pulsewidth or amplitude.Forbid sensing amplifier 20 no longer validly, and in speed/TMT circuit 58 to by carrying out timing with the door 82 and the pace-making that the resets nonrefractory period sensing signal at interval of escaping.Each at interval termination of escaping (because nonrefractory period sensed event or expire the blanking time of escaping) is applied to the sensing and the pace-making input of the audio frequency feedback circuit 25 that they are counted.Audio frequency feedback circuit 25 continues to offer AM/FM reflector 31 from memory search A-D signal and it, is transmitting each pacemaker impulse (as PN+1And PN+10Locate) and transmit each sensing signal (at SN+2And SN+3The place) modulation and emission statement " pace-making " or " sensing " (as shown in Fig. 3 A) time.During this sequence, the medical care supplier can use radio device to receive, separate to be in harmonious proportion and sends " pace-making " and " sensing " speech is stated (or represent its music tone) and make them relevant with the visual display of similar events as.When " pace-making " that in the event counter of audio frequency feedback circuit 25, run up to preset count and " sensing " incident, stop the retrieval and the emission of speech statement.
(also offerlogical block 78 on online 73) during 10 pace-makings and sensed event of the explanation of Fig. 3 Ahypothesis time T 3 after and no longer apply magnetic field by the event counter counting.Fig. 3 B describes a programming protocol sequence, after T3 but during to the above-mentioned sequence before 10 pace-makings or the sensed event counting, provides the single permanent magnet that applies again of magnet signal to start above-mentioned programming protocol sequence on online 80.In this time cycle, medical care supplier or doctor can hear " pace-making " and " sensing " several retrievals and emission and that sent by radio device statement and it is counted, and make the time that magnet 130 is applied to again patient skin.When 10 event window are finished, inlogical circuit 78, single the applying again in the magnetic field in these 10 event window decoded, with beginning pace-making speed programmed sequence (in this sequence, basic pace-making speed being programmed).
Two of describing by permanent magnet of Fig. 3 C apply the programming protocol sequence that starts again, and described permanent magnet provides signal N or S on online 72 or 74 after above-mentioned T3 but during to the program before 10 event counts.Inlogical circuit 78, two of the magnetic field in 10 event count windows are applied again and decode, with beginning pacemaker impulse amplitude programmed sequence (in this sequence to the programming of pacemaker impulse amplitude).Similarly, inlogical circuit 78, three of the magnetic field in 10 event count windows are applied again and decode, with beginning pacemaker impulse width programmed sequence (in this sequence to the programming of pacemaker impulse width).
Any one programming in these three programmable parameters is so finished, at first started TMT and inquiry sequence (as top with reference to as described in the figure 3A).Then, aftertime T 3, in 10 event count windows, must carry out the magnet removal/replacement cycle of proper number (1,2 or 3), be used for programming mode that desired parameter is programmed so thatlogical circuit 78 is transformed into.Hearing that this method of the retrieval of being sent by radio device and emission " pace-making " and " sensing " statement and ability make is easy to apply or remove permanent magnet 130 reliably in patient skin by desired number of times whentime T 3 after patient skin is removed permanent magnet 130 for the first time, programmes to select desired parameter again.
The magnet of describing in Fig. 3 B and 3C remove/applies in the cycle again, can observe, and makes to apply magnet 130 again and remain on original position, during the programming mode of following selected N-S or S-N magnetic field is offered MAGFET 70.Therefore, the N that produce continuously or S signal are applied to a input withdoor 82, to forbid sensingamplifier 20 effectively and to begin pace-making with asynchronous mode by NOR gate 76.Transmit pacemaker impulse by current pace-making speed of having programmed, pacemaker impulse width and pulse amplitude then.78 pairs of magnet of logical circuit 130 are removed and replaced applies time number decoder, and byline 92 corresponding programming mode control signals is offered and to increase/downcontrol circuit 90.
In case in decoded programming mode, increase/downcontrol circuit 90 is by an increment on each asynchronous pacing cycle, regulates the corresponding parameters value according to the polarity in detected magnetic field, make it to increase or reduce.For example, start the speed programming mode, remove and replace magnet once (as shown in Fig. 3 B) then by finishing TMT and interrogation mode.As long as n-signal keep to occur on online 72, expression is to the detection of N-S alignment magnetic field, increase/downcontrol circuit 90 increases pace-making speed by an increment (for example, 5PPM or 10PPM) of each pacing cycle.On the contrary, as long as the S signal keep to occur on online 74, expression S-N alignment magnetic field, increase/downcontrol circuit 90 reduces pace-making speed by the identical increment of each pacing cycle.Therefore, keep enough pacing cycles pace-making speed to be programmed into desired value by the magnetic field that onMAGFET circuit 70, makes S-N or N-S orientation to reach desired degree.When reaching desired speed, remove magnet simply to stop the speed programming.
The common transfer of quoting in the above ' 188 and ' 342 patents in, show that by observation the transmission of the redundant pacemaker impulse of parameter makes the checking of pace-making rate variation effective, this shows that described parameter is by being programmed by their number on operation EKG display.In the speed programming, produce two this pacemaker impulses (also shown in Fig. 3 B) at 5 milliseconds at interval in the end of each pacing cycle.In the pulse amplitude programming, produce three this pacemaker impulses (also shown in Fig. 3 C) at 5 milliseconds at interval in the end of each pacing cycle.Suppose, the pacemaker impulse width is programmed, at 4 this pacemaker impulses of end's generation of each pacing cycle in order to show.The number of redundant pacemaker impulse illustrates which parameter is programmed, but does not disclose the parameter value of having programmed.In the counting of pacing cycle, may go wrong, and change from the increment of printing or be presented at the EKG spike on the video screen and be not easy to observe or measure these parameter values.What the parameter that need know beginning is, and by to escape at interval counting and mental arithmetic from the variation of this value up to obtaining final parameter value.If do not know and the pacemaker impulse width or amplitude or the pace-making speed that begin of energy measurement not, then may need to follow programmed sequence increases or reduces the parameter value of having programmed the upper limit or the lower limit to it.Reach the described upper limit or lower limit at interval by the escaping of maximum number of counting corresponding to possible increment size sum.Then, the increase and decrease of the enough numbers by reaching desired programming value progressively deducts parameter value or progressively increases parameter value from minimum parameter values to come new parameter value is programmed from maximum.
According to another feature of the present invention, in each end at interval of escaping, the statement of using audiofrequency feedback circuit 25 and AM/FM reflector 31 to retrieve and launch the parameter value of having programmed.So, do not use pacemaker impulse redundant and the waste energy with regard to not needing, and do not need to calculate the correct number that makes the desired pacing cycle of the correct variation of parameter value, or count out pacing cycle.This causes a kind ofly more simplifying, more reliable, and the programing function that is not easy to make mistake, and have reducing cost and improve the advantage of patient safety.
Therefore, in Fig. 3 B and 3C, be depicted in above-cited common transfer ' 188 and ' 342 patents in the redundant pacemaker impulse that uses, but be appreciated that in enforcement of the present invention and do not need them.When by one, the removal of two or more magnet/when the replacement cycle period enters programming mode, from the analog memory retrieval, by the emission of external wireless electric installation and the speech statement (for example " program rate " or " programming amplitude ") of searching and reproducing the parameter of programming.
In addition, in each increment variation place, retrieval and emission pace-making speed, pulse duration or pulse amplitude change, as what described in Fig. 3 B and 3C.In this embodiment, especially at high pace-making speed place, may need only to make incremental programming variation and emission changing value, to provide from radio device emission that receives it and the grace time of hearing whole phrase per second or the 3rd or the 4th end at interval of escaping.Perhaps can shorten phrase, be 5 or 10 times of pace-making speed numbers and with the pulse duration of millisecond statement with summary.In addition, before or after each increment of program parameters value increases or reduces, can and send sharp rank or flat rank music tone respectively, change parameter value to show by the radio device emission.As described below, in some IMD, after each parameter value increases or reduces, can launch one or more sharps rank or flat rank music tone, and in the speech statement of being launched, needn't retrieve and launch actual value.
Fig. 4 represents the example inventory of pace-making speed, pulse duration and pulse amplitude, they be in programming mode retrieval and emission and they are encoded to the storage address of analog memory array, described analog memory array will be described with reference to figure 6 below.For example, the storage increment is 0.1 millisecond in memory, and scope is in the statement of the speech of 0.1 millisecond to 1.0 milliseconds pulse duration, and increment is 5PPM, the speech statement of the pace-making speed of scope between 50PPM and 100PPM.For example, " amplitude is low " of the pacemaker impulse amplitude of three kinds of programmable amplitudes, the statement of " in the amplitude " and " amplitude height " speech also are stored in the memory.
Fig. 5 is the expansion block figure of the audiofrequency feedback circuit 25 of Fig. 2, comprises that analog storage/playback integrated circuit (IC) 200, timingcontrol logic circuit 202 and address produce logical circuit 204.In addition, in the input block of sound shown in the dottedline 206, simulation retrieval and statement of emission speech and/or the storage of music tone in the analog memory of analog storage/playback IC 200 are described.Record generally is to carry out in the manufacture process of pacemaker IPG or other IMD, and certain this record also can carry out after the manufacturing of finishing pacemaker IPG again.Analog storage/playback IC 200 is one of ISD33000 series ChipCorder  monolithic voice recording/playback device preferably, this is to be sold by the InformationStorage Devices company that is positioned at California, USA Los Alton Hills, especially the ISD33060 type shown in Fig. 6.At United States Patent (USP) 4,890, disclose this analog storage/playback IC in (described patent is hereby incorporated by reference) ISD patent relevant in 259 with other.
In Fig. 5, maketiming control circuit 202 and IPG circuit interconnection, when occurring N (increasing) or S (subtracting) signal respectively on online 72 and 74, receive pace-making trigger impulse, the sensed event signal on theline 48 and the magnet signal on theline 80 on theline 64 when whenever.Timing control circuit 202 is based upon shown in Fig. 3 A-3C and agreement recited above, and produces the order shown in Fig. 5, and they are applied to address productionelectric circuit 204 or AM/FM reflector 31 and logic 78.These orders are particularly in the TMT pattern shown in Fig. 3 A, asynchronous interrogation mode with produce during the normal mode of operation subsequently.In order to save energy, only between the transmitting time window phase, the SW signal that is produced by timingcontrol circuit 202 increases the power of AM/FM reflector 31.
Address productionelectric circuit 204 also receive on theline 23 from the ERI signal ofbattery monitor 17 and also receive respectively online 91,93 and 95 from increasing/pulse amplitude (AMP), pace-making speed (RATE) and pulse duration (PW) the programing work parameter value of down control circuit 90.During the asynchronous interrogation mode of Fig. 3 A, AMP, RATE are become the storage address of listing among Fig. 4 with the PW program parameters with the ERI conversion of signals, as programming value and battery situation.Address (ADDRESS) incoming line of analog storage/playback IC 200 is selected and be applied to 204 pairs of speech statement storage addresss above-mentioned and that list in Fig. 4 of these command cue address production electric circuits.
Might from two storage address cascades the speech statement that obtains make up, to form retrieval and emission phrase as shown in Figure 7.For example, can use " pace-making " statement and " XX PPM " speed of two addresses that the pace-making rate value of pacing signal and programming describes from Fig. 4 to state cascade ground to select the speech phrase (wherein " XX " is current programming value) of " pace-making XX PPM ".
In Fig. 3 B and 3C during the illustrated programming mode, similarly the amplitude (AMP), speed (RATE) and pulse duration (PW) the program parameters value that increase or reduce are converted to the storage address of listing in Fig. 4, and be applied to the address input of analog storage/playback IC 200.
In order to start on the address that is provided to " address " bus or to trigger playback, also (NEC) order and the Play command offer analog storage/playback IC 200 to address production electric circuit 204 " chip can not ".The recording of voice of institute's addressing statement or other audible sounds are offered the AM/FM reflector 31 of Fig. 2 by play back filter and amplifying stage 208 as the A-D signal.Retrieve A-D signal narrative tense when finishing, " message does not finish " (NEOM) logic level transition on the line Next Command is lined up the address produces piece 204 to reminding timing control circuit 202.By " handing-over " between timing controlled 202 and the analog storage/playback IC 200 cooperation, the above-mentioned sequence of the retrieval of generation device identification sequentially, operating condition and pattern or state and program parameters value and emission statement in interrogation mode.Similarly, each installs operation, and promptly pace-making trigger impulse or sensed event signal cause that timing controlled 202 instruction address produce circuit 204 and the address that address that " pace-making " or " sensing " state offers analog storage/playback IC 200 retrieve and launched in institute import.In order when not using, to make analog storage/playback IC 200 be in " zero energy " pattern, address production electric circuit 204 also " power reduction " (PWR_DWN) logic level offer analog storage/playback IC 200.
Presumptive address place in analog storage/playback IC 200 uses sound input block 206 by statement ofline 211 recording of voice and/or music tone.Sound input block 206 provides the address, and the record order signal is being provided on the play-/ record line and is providing the chip can not (NCE) signal on the NCE line.The NCE input receives an enable logic level, states the record of (or music tone) with the speech of beginning addressing on address bus.
Fig. 5 also comprises an adjunct circuit, and when being suitable for that indication device misoperation or the warning of promptly treating in suitable place be transmitted to radio device, retrieval institute's recording messages or warning are as the A-D signal.The IMD monitoring device of each various kinds can be provided, be used for monitoring periodically or continuously situation, state or the emergency operation of implantable medical device or patient's circumstance or state, and according to this situation triggering signal that gives information.Also can store and launch the speech statement of informing that patient and his/her doctor or medical care supplier get in touch.
The ERI signal is a kind of like this message trigger signal, and the address that it will trigger by above-mentioned " running down of battery " A-D signal of AM/FM reflector 31 emissions produces and retrieval.Produce in the address and to use a timer in the piece, it is in response to the ERI signal and can periodically produce address (for example, per hour once) to this warning of patient, thereby produces it no longer continuously.When inquire according to Fig. 3 A-3C or programmed sequence when allowing to finish these functions, the ERI warning can automatically be set be OFF.In addition, in the embodiment than more complicated multiple programming illustrated in fig. 2, the medical care supplier can use the suitable program command of programmable device emission, and this function is carried out or do not programmed.
Fig. 6 is the simplified block diagram of analog storage/playback IC 200, and it is included in the element of statement of recording of voice in the non-volatileanalog storage array 210 or sound.Analog storage/playback IC 200 also retrieves statement and the sound that is write down and on simulation output A-D+ and A-D-they is sent to filter andamplifier stage 208, and the latter handles them, and the A-D signal is offered AM/FM reflector 31.Analog storage/playback IC 200 is cmos devices to ISD 33060Chip Corder , and playback in 60 seconds of 3 volts of simulated voice records that descend and provide to be stored in the non-volatileanalog storage array 210 are provided for it.As described below, by 212 pairs of simulated voice records of decoder addressing of being coupled to addressbuffer 214, and offer simulation output amplifier 226.The analog storage array is multistage storage, is exclusively used in the EEPROM of ISD, is described in detail in ISD ' 259 patents of quoting in the above.
The CMOS device comprises power conditioning circuitry 230, plans it is coupled to outer member, forms the adjustment power supply that is coupled with power supply 11, is used for electric power is offered other circuit of being described.Device control circuit 232 also with other which couple of being described, and according to predetermined the application and the control device operation.According to the present invention, the PD input that the PWR_DWN signal that produces piece 204 from the address is applied to device control circuit to be to enter the zero energy pattern, makes institute during voice recording or playback all make the leakage minimum of battery in if having time.Can conclude, be stored in the statement of audio frequency in the non-volatile analog storage array 210 or speech and can keep 100 years and do not consume any electric energy.During the playback or record of speech statement, " broadcast " or " record " logic level is applied to the P/NR input.The NCE input receives the enable logic level, speech is stated in the memory at the assigned address place that is recorded in speech statement playback the speech statement that described speech statement is addressing on address bus with beginning.From device control circuit 232 output NEOM logic level signals, and when speech statement or phrase are finished, be applied to timing controlled 202, next speech stated or phrase carries out addressing (as mentioned above) so that allow.
Provide an oscillator on the single-chip byinternal clocking 234, this oscillator also can be driven (not using) by external clock XCLK in enforcement of the present invention.Internal clocking 234 offersinternal timing circuit 236 to clock signal, and this timing circuit offers extremely activeanti-aliasing filter 222 ofsampling clock 238 and 5 and 5 extremelyactive smoothing filters 218 to sampling frequency.
The audible sounds of CMOS device or voice recording partly comprise voice or audiofrequency input amplifier 220, are used to be amplified in the audio frequency input signal at ANA IN place and being coupled toanti-aliasing filter 222 through amplifying signal.By 238 pairs of input signal samplings of sampling clock through filtering, make the analogue value directly store memory cell into byanalog transceiver 216 through sampling, take when preparing against later on by decoder 212 addressing.The mode of address storage and distribution is as describing in ISD ' 259 patents of quoting in theabove.Preamplifier 240 andagc circuit 242 also are provided on IC, but in enforcement of the present invention, do not use them.
According to a feature of the present invention, in the manufacturing of finishing pacemaker IPG circuit 10 (or other IMD circuit), but before being encapsulated incircuit 10 in the IPG shell, with specific human language recording of voice statement.Other method is sound or speech statement record to be offered producer's (being ISD in this example), and be recorded in theanalog storage array 210 before analog storage/playback IC 200 deliveries.In another approach, can provide pacemaker IPG or other IMD of band feedthrough, be used for directly coupling and the recording of voice statement of the ANAIN terminal of amplifier 220 (as the common transfer quoted in the above ' mode described in 096 patent).In this modification, might make the doctor who sells merchant or implantable medical device in given country, use native language to store the speech statement.According to a further aspect of the invention, also can pass through audiofrequency input amplifier 220 recording musical tones, make it to use with the speech statement at some memory location place.
According to another feature of the present invention, can come recording of voice statement with more than one language, and medical care supplier or doctor can select the language that will use.In more complicated IMD, can select specific language by the order of down link RF telemetry with RF telemetry ability.In above-mentioned low-cost pacemaker IPG 10, can further repetitive sequence that remove and replace magnet 130 in cycle at the appointed time continuously be detected by the proper circuit in thelogical circuit 78, and be applied to address productionelectric circuit 204 to select language to be used.
No matter be how speech statement to be recorded in theanalog storage array 210, when by decoder 212 during, always the analog voice sample that retrieval does not send is sequentially obtained from the memory locationanalog storage array 210 to their addressing.Sequentially retrieve the simulated voice sampling by the sampling clock frequency byanalog transceiver 216, and be applied to 5 extremely active smoothing filters 218, with the speech of rhythm of nature and speech formreorganization phrase.Multiplexer 224 is passed through in the speech statement of recombinating, and is applied to the input terminal ofoutput amplifier 226, exports through amplification and at lead-out terminal A-D+ and A-D-place in amplifier.Do not use auxiliary input in the present invention tomultiplexer 224.
Be appreciated that and revise this preferred embodiment of the present invention so that different programming and inquiry sequences to be provided.MEDTRONIC  ChampionTMSingle chamber pacemaker IPG system and structure and work system like the above-mentioned preferred embodiment share class, still, in certain different mode by removing continuously and applying magnet again and programme and indicate programing work pattern and parameter.System comprises MEDTRONIC  9710 type programmable devices, this programmable device only detects the pace-making time interval and shows on display, uses the United States Patent (USP) 4,226 of the common transfer of authorizing Bennett, method described in 245 promotes the ECG decipher, and described patent is hereby incorporated by reference.Even when showing at interval, also be difficult to when observing and translating the demonstration of the pace-making time interval, pace-making speed be programmed, described observation and translation are for the pace-making time interval being counted and making the generation of program command be synchronized with the time interval of being counted.This method is also vicious over a long time.Can be the invention process to ChampionTMIn the system, emission speech statement during inquiry sequence, and " pace-making " and " sensing " statement of being received by radio device of emission, TMT operates and the time programmes again to help to understand.
At ChampionTMAmong the IPG, reduce, make the medical care supplier can observe present rate and translate running down of battery from observed pace-making speed by the percentage measured in response to the programming pace-making speed of an ERI signal.For example, when cell voltage drops to when being lower than the ERI threshold voltage, the programming pace-making speed of 75PPM may be reduced to 58PPM.Except MAGFET, also comprise a reed switch, it by the magnetic field that is applied closure, begin an inquiry sequence, described inquiry sequence finishes with TMT after magnet is removed rather than begins with the TMT sequence.The magnet that is applied makes the reed switch closure, and makes pacing mode convert asynchronous mode to, recovers to have programmed pace-making speed in the initiation sequence of 3-4 asynchronous pacemaker impulse.If cell voltage is lower than the ERI threshold value, then asynchronous pace-making rate variation is to ERI speed, and perhaps second sequence for asynchronous pacemaker impulse remains on the pace-making speed of programming.The medical care supplier observes the artificial pacing on the ECG display, and more viewed escaping at interval, and having determined whether evident difference and to have reached a conclusion, whether cell voltage exhausts and need substitute I PG.Then, for example, remove magnet, make pacing mode turn back to prohibited mode, in the 3rd sequence, the pace-making of fixed number escaped and count at interval at the interval of escaping corresponding to presetting of 75PPM.Begin the TMT sequence and the program window sequence that comprises TMT sequence and 7 above pacemaker impulses of 4 asynchronous pacemaker impulses under rising pace-making speed in the end of this counting, have again, the medical care supplier observes the ECG display, whether captures heart with the reduction energy pacemaker impulse of determining the TMT sequence.
In this embodiment of the invention, under programming pace-making speed, in the initiation sequence of fixed rate pacemaker impulse, can begin and finish the retrieval and the transmission of the speech statement (comprising battery status) during the interrogation mode of Fig. 3 A.Second sequence can by synchronously send by radio device and each pace-making trigger retrieve and launch " pace-making XX PPM " statement (wherein " XX " is current programming value) increase.Similarly, the pacemaker impulse of TMT sequence can by send by radio device retrieve and launch " pace-making " and " TMT pace-making " statement and increase, the pacemaker impulse of program window sequence can be retrieved and launches " pace-making " and " sensing " and state and to increase by the institute that is sent by radio device.
At ChampionTMAmong the pacemaker IPG, it is programmable having only pace-making speed and pacemaker impulse amplitude.At ChampionTMIn the programmed sequence of pacemaker IPG, use N-S and S-N magnetic field respectively pace-making speed and pulse duration to be programmed.In the increment window between 3 pacemaker impulses in succession, when applying fast with quick continuation mode and removing magnetic field twice, the program parameters value increases.When applying and removing magnetic field one time fast, the program parameters value reduces.All must wait in each case up to 3 the pace-making trigger impulses of interval before can increasing or reduce parameter value once more of escaping and disappearing.Just no longer apply magnetic field in case obtain desired parameter value, after applying 10 pacemaker impulses of magnetic field transmission at last, pacing mode returns forbids pacing mode.
In this embodiment, can implement the present invention with the speech that sends " pace-making " statement, thus auxiliary for the timing that applies magnetic field, make it fully away from the increment window with in the increment window, to avoid misprogrammed." pace-making " statement of retrieving and launching can increase the transmission of last 10 pacemaker impulses.
The foregoing description of pacemaker IPG with customer designed IC or more complex foundation implement in the microcomputer work system, the latter is distributed in the middle of other system element in conjunction withanalog storage IC 200 and the timing controlled of Fig. 5 and address generation function.For many other IMD, for example, can use this method authorizing the such egersimeter (described patent is hereby incorporated by reference) that is disclosed in people's such as Thompson the United States Patent (USP) of transferring the possession of jointly 4,520,825.
Fig. 8 and 9 is block diagrams of this IMD work system based on microcomputer, and one type the treatment delivery system that is intended to describe in controller and monitor or Figure 10 uses.Adopt aforesaid simple magnet to apply and the removal method is programmed to the system of Fig. 8 and inquired, and the system of Fig. 9 adopt RF telemetry programming well known in the art and interrogating.Fig. 8 and 9 the system based on microcomputer comprisemicroprocessor 152, and it is coupled by data and thecommand line 150 digitial controller/timer circuit 158 withRAM 154,ROM 156, analog storage/playback IC 200, filter andamplifier stage 208,battery monitor 17 and Figure 10.Digitial controller/timer circuit 158 is coupled with specific monitor or treatment delivery system 160a-160i, as shown in figure 10.Can also couple together other element that in specific I MD, uses or circuit block andDCB 150.
Analog storage/playback IC 200 according to above with reference to figure 6 described being configured.Utilizesound input block 206 and the signal that is associated in the above described manner, the audio frequency drive signal that is used for launching speech statement or music tone is stored in theanalog storage array 210 of Fig. 6.If record A-D signal and not providing allows to shop around the selection that merchant or doctor note down during making IMD, in IMD, can there besound input block 206, maybe can make its anergy.If havesound input block 206 and start it, then it will be coupled withDCB 150, with the use (special in the embodiment of Fig. 9, as wherein can to receive appropriate command in the down link telemetry sends) that allows it.
In these embodiments, not necessarily use the address productionelectric circuit 204 oftiming control circuit 202 or Fig. 5 to control the operation of analog storage/playback IC 200.In this work system based on microcomputer, the aforesaid fixed cycle operator of controlling analog storage/playback IC 200 by the inquiry that is stored among the ROM156 and starts bymicroprocessor 152 and programmed algorithm.In ROM156, also store the memory location address of the A-D signal of storage inanalog storage array 210, and, optionally retrieve and be applied to addressbuffer 214 according to inquiry and programmed algorithm.
Give Fig. 8 or Fig. 9 IMD energising by the battery in thepower supply 11 13 together with Figure 10, and bybattery monitor 17 monitoring battery voltages.Or inbattery monitor 17, cell voltage is encoded and offer data andcommand line 150, or inbattery monitor 17, produce ERI warning triggering signal, and encode and offer data andcommand line 150 and tomicroprocessor 152 in above-mentioned mode.During inquiry sequence, by the simplification speech statement of AM/FM reflector 31 emission cell voltages itself or cell voltage " normally " or " exhausting ", as mentioned above.
At other constantly, if the coding battery data shows thatbattery 13 is depleted to ERI voltage, thenmicroprocessor 152 beginning alert program cause heard sound volume emission warning speech statement or music tone that AM/FM reflector 31 can be heard with patient.During alert program, microprocessor cycle ground (for example, per hour once) retrieval suitable A-D signal the address, and onDCB 150 it the guiding analog storage/playback IC 200 address buffer 214.OnDCB 150, also apply NCE and NEOM order.Filter andamplifier stage 208 amplify the A-D signal, and it is applied to AM/FM reflector 31, are used to be transmitted to radio device.
In based on the work system of microcomputer, can also comprise other alert program, be used for when trigger event takes place, this audible sounds warning by the radio device emission being offered patient.Trigger event can comprise some operation of IMD or other situation of change or the state of IMD.For example, in the situation of implantable delivery system, patient can obtain medicine and supply with the warning that exhausts.In the situation of implantable cardiac monitor or cardioverter/defibrillator, patient can obtain by the detected cardiac arrhythmia of cardiac arrhythmia detection algorithm, and takes adequate measures.Detect the burst of patient's pernicious situation, and produce the warning triggering signal according to detecting.RF by audible warning launches and warns patient to seek medical treatment to help or take other precautionary measures.Under the situation of cardioverter/defibrillator, can advise that patient was in resting guard earlier before transmitting the electroshock of rhythm of the heart transformation/defibrillation.
In each case, trigger event makesmicroprocessor 152 retrievals and applies order that is used for operation simulation storage/playback IC 200 and the address that suitable A-D signal is provided, with non-volatileanalog storage array 210 these signals of retrieval fromRAM 154 or ROM 156.Analog storage/playback IC 200 retrieves the A-D signal of institutes' addressing and by filter andamplifier stage 208 it is applied to AM/FM reflector 31, and the latter launches AM or statement of FM speech or music tone warning to patient.
The inquiry that applies response continuously and the programing system in the magnetic field forMAGFET 70 shown in Figure 8 are used to inquire IMD information and are used for device mode of operation and parametervalue programming.MAGFET 70 detects the polarity in the magnetic field that applies, and produces corresponding N and S signal (with as above with reference to figure 2 described modes) respectively on online 72 and 74.N and S signal are applied tological circuit 78, andlogical circuit 78 forms suitable code signal, onDCB 150 this signal is applied tomicroprocessor 152, with starting program or inquiry algorithm.Therefore, as shown in Figure 1 with describe, set up communication session by the skin that magnet 130 is applied to patient.Magnetic field constitutes a communications link signals, and this signal is detected byMAGFET 70, to set up communication session.
In Fig. 9, use is set up communication session based on programming and inquiry system that the RF telemetry sends, be used to inquire IMD information and be used for device mode of operation and parameter value programming, generally, the programming of a programmable device (not shown) (not shown) comprises a permanent magnet, it makesreed switch 166 closures and produces down link RF telemetry signal, andRF telemetry antenna 168 receives described signals and it is applied to RF telemetry transmitter/receiver circuit 164.164 pairs of received down link RF telemetry signals of RF telemetry transmitter/receiver circuit are decoded, and then coding, are used for sending onDCB 150 and constituting communications link signals.The up link RF telemetry that is created in the IMD information that receives on theDCB 150 in RF telemetry transmitter/receiver circuit 164 sends, and is applied to theRF telemetry antenna 168 in up linktelemetry router.Microprocessor 152 begins up link RF telemetry routers, and data and the control signal onDCB 150 offered RF telemetry transmitter/receiver circuit 164.
Can be with the system of many diverse ways allocation plans 9, sharing the uplink communication ability of the audible sounds that is produced by AM/FM reflector 31, described AM/FM reflector 31 has and is programmed the high speed RF telemetry up link that device receives and sends.In a kind of simple application, can use RF telemetry transmitting system to receive programming and inquiry command, and inquire data and programming affirmation with the frequency retroeflection in AM or the FM frequency range, be installed in radio or independent radio reception in the programmable device.Should be noted that and can adopt the interior 175kHz telemetry antenna of IMD to launch AM or FM frequency signal, individual antenna can design with commutation circuit, works best on two RF frequencies according to switching state.
In the system of Fig. 8, provide a magnet carrying out the limited mode of operation and the programming of parameter value to patient, and this programming of confirmation of receipt or inquire the audible sounds feedback of some IMD information.The inquiry and the programing system that are appreciated that Fig. 8 can be included in the work system of Fig. 9, use magnet for identical purpose to allow patient.Maybe can provide limited functional programming device to patient, the RF telemetry down link that is used for limited inquiry and program command (in response to the audible sounds emission of corresponding IMD information) sends.
In this respect, during the programming or interrogator that allow patient to initiate self, also can use louder volume audible sounds RF transmitting capacity.For example, if be provided for increasing or reducing the limited programmable device or the magnet of drug dose or remission electrostimulation, then can confirm that programming changes by being sent by the RF of statement of the speech of radio reception and playback or music tone to patient.In each case, the variation of programming all makes microprocessor retrieval or applies the order that is used for operation simulation storage/playback IC 200 and the suitable address of A-D signal.Analog storage/playback IC 200 retrieves the A-D signal of institutes' addressing and by filter andamplifier stage 208 it is applied to AM/FM reflector 31, and the latter is transmitted to patient to speech statement or the music tone confirming to change.Below with reference to Figure 11 and Figure 12 some examples are described.
Figure 10 is the block diagram of digitial controller/timer circuit 158, can use with the work system of Fig. 8 or Fig. 9, and have treatment dispensing apparatus 160a-160h or physiological monitor 160i.Be appreciated that many treatment dispensing apparatus 160a-160h that are equal to also have the accumulation physiological data so that the surveillance coverage of later inquiry.Be appreciated that in any specific treatment dispensing apparatus and monitor configuration and can be combined in the RF telemetry transmitter/receiver 164 oflogical circuit 78 and Fig. 8 and Fig. 9 in digitial controller/timer circuit 158.In the situation of every kind of IMD configuration, digitial controller/timer circuit 158 and the suitable all operating functions ofprogrammable operations algorithm 162 controls.
As for the configuration of treatment dispensing apparatus, can be configured to IMD the implantable cardiac servicing unit or the pump 160a that implant in the patient body who waits for heart transplant operation are operated.In this case, can use resulting relative blood pressure and/or body temperature value to regulate the action of pump, to keep suitable heart output.Or can be configured to comprise one or one group ofanti-tachycardia pacemaker 160b,anti-bradycardia pacemaker 160c, rhythm of theheart transition device 160d and/ordefibrillation device 160e to it, have from implantable treatment and provide suitable lead-in wire and the electrode thatmedical treatment device 100 extends to heart ofpatient 10, be used for sensing electrocardiogram (EGM) and transmit pacemaker impulse or the electroshock of rhythm of the heart transformation/defibrillation.Can dispose IMD, make it to comprise mass transfer device 160f, it is coupled with the appropriate catheter that is stretched over position, patient body one place, with from material reservoir transmitter substance, for example therapeutic agent or diagnosticum or medicine.For example can be the hypertensive drug delivery of treatment to heart ofpatient 10 or vascular system.
According to one aspect of the present invention, memory stores represents that material Transfer gives the audio frequency drive signal of tissue.The audio frequency drive signal relevant with material Transfer is applied to radiofrequency launcher.Radiofrequency launcher is play and can be detected by radio receiver or the modulated radio signal of demodulation, produces the intelligible speech statement of people or other audible sounds that indicator substance is transmitted.According to another aspect of the present invention, periodically exhausting of material reservoir monitored or inquired.The audio frequency drive signal of representing residue quality in releaser quality or the material reservoir is stored on the memory location with predetermined memory address.Transmission to quantitative material is monitored.Measure or calculate residue quality in transmitter quality or the reservoir when each the transmission or when receiving the amount inquiry command, show the audio frequency drive signal of storing of residue quality in transmitter quality or the reservoir from the memory location retrieval.The radiofrequency launcher broadcast can be produced the intelligible speech statement of people or other audible residue message by the modulated radio signal of radio receiver detection and demodulation, represents transmitter quality or the interior residue quality of reservoir.
Can be configured to MEDTRONIC  Transform to IMDTMMuscle stimulation device 160g, it has, and is stretched over the suitable lead-in wire of the skeletal muscle of heart of patient and encirclement heart, transmits the muscular irritation pulse with sensing heart EGM and timing.Also have, can use resulting relative blood pressure and/or body temperature value to regulate muscular irritation speed, to keep suitable heart output.Can also be configured to egersimeter 160h to IMD, it comprises N﹠M stimulator, cerebral irritation device and cochlea implantation, is used for electronic stimulation is applied to the electrode of correct position in the patient body.
At last, can also be configured to IMD the implantable surveillance of monitoring physiological situation, for example, be used for the EGM of monitoring heart of patient and/or the cardiac monitor of monitoring blood pressure, body temperature and vim and vigour (blood gas) or pH.When patient feels ARR situation and when magnet being applied to implantation place encouraging writing function, MEDTRONIC  RevealTMImplantable loop records instrument has the EGM of surface electrode and 42 minute period of record.MEDTRONIC  ChronicleTMImplantable haemodynamics recorder adopts lead-in wire and the circuit that is disclosed in No. 5,535,752, the common United States Patent (USP) of transferring the possession of and 5,564,434, write down EGM and absolute pressure value at interval with preset time, and described patent is hereby incorporated by reference.
In any system of these treatment delivery systems or surveillances, retrieve and launch that speech is stated or music tone can be passed on multiple IMD information by the institute in theanalog storage array 210 that is stored in analog storage/playback IC 200.Two specific examples of expression in Figure 11 and Figure 12, where illustrate can as using the present invention to simplify inquiry and the programming of IMD, and the limited function that the inquiry of described IMD and programming generally provide patient to programme is alleviated the symptom that patient feels.
In these embodiments, generally provide patient's exciter or programmable device, to be switched on or switched off treatment and/or to increase or reduce to treat parameter to patient.Especially, provide above-mentioned implantable nerve stimulator of MEDTRONIC  Itrel  and Synchromed  medicine as a reference to infiltrate system with this patient's exciter, with allow patient to regulate to stimulate and drug therapy to alleviate ailing symptom.According to following embodiment of the present invention, when patient used this patient's exciter or magnet to programme with adjusting stimulation and drug therapy, music tone was transmitted into radio device by IMD.According to using patient's exciter or magnet, when transmission has increased stimulation energy or quantitative pharmacy treatment, can be transmitted into radio device to a series of sharp rank music tone.Similarly, according to using patient's exciter or magnet, when the stimulation energy of transmitting reduction or quantitative pharmacy treatment, can be a series of flat rank music tone transmitting radio device.In addition, follow sharp rank or flat rank music tone or homophonic can also retrieve programmed stimulation energy or regularly medicament dosage and it is transmitted into radio device.
Figure 11 is the figure that describes the memory address locations of A-D signal, is used for inquiry and programmed sequence emission speech statement or music tone at the implantable doser 160f of Figure 10, and described device has the work system of Fig. 8 or Fig. 9.Describe memory address locations among the figure of Figure 11, on analog memory address " 00 "-" 0D ", be used for retrieving and being transmitted in the speech statement or the music tone of current I MD information query sequence, on address " 0E "-" 0F ", be used to increase or reduce the programmed sequence of medicine infiltration rate subsequently.In inquiry and programmed sequence, the medical care supplier can begin inquiry, and under the configuring condition of the work system of using Fig. 9, he can use programmable device, or under the configuring condition of the work system of using Fig. 8, he can use magnet 130.
Suppose a kind of situation in back, and theIMD 100 of hypothesis Fig. 1 is delivery systems in conjunction with doser 160f, the medical care supplier is applied to magnet 130 on theMAGFET 70, and it produces N or S signal on theline 72 or 74 of Fig. 8.Logical circuit 78 responds and interruption is offeredmicroprocessor 152, with the beginning interrogator.Onbus 150 analog memory address " 01 " is offered analog storage/playback IC 200, it is with the recognizable statement of audible frequency emission speech " data begin " or music tone.Then, interrogator sequentially selects in address " 02 "-" 05 " to programme the address as current infiltration rate, selects " 06 "-" 0A " as the residual drug amount, and selects " 0B "-" 0C " to be used for the battery situation.In these situations, the A-D signal causes the RF emission of speech statement.Then, onbus 150 by provide address " 0D " " end data " statement or another music tone with the frequency emission that is same or different from " data begin " to analog storage/playback IC 200.
During inquiry sequence, monitoring battery voltage, and also specified point offers analog storage/playback IC 200 to a suitable address among address " 0B " or " 0C " in sequence.The detection of magnet 130 makesmicroprocessor 152 suspend the periodicity RF emission of runnings down of battery warning, this warning meeting be depleted to ERI voltage atbattery 13 other take place constantly.Similarly, the detection of magnet 130 makesmicroprocessor 152 suspend the periodicity RF emission of drug depletion warning, this warning meeting be depleted to " being lower than 2 days dosage " or lower amount in medication amount other take place constantly.Yet, be appreciated that during normal running " 0A " and " 0C " locates in the address, these speech statements or music tone warning are transmitted into radio device.
Can remove magnet 130 with the termination of interrogation sequence, it is stayed put or rotate to an end with the starting program sequence, increase or reduce medicine-feeding rate from an end.In each case,, cause the RF emission of statement of " speed increase " speech or sharp rank music tone by address " 0F " is provided, increase pattern starting program sequence with speed.Then, in several seconds time, the medical care supplier both can stay put magnet 130 increases pattern to continue speed, also can from out to out make its upset, makes programmed sequence be transformed into speed and reduces pattern.In the previous case, after several seconds, the order that provides from microprocessor 152 increases speed step by step, and the speed of current programming is stored among the RAM 154, so that digitial controller/timer circuit 158 periodically uses in treatment sequence.Then, microprocessor 152 is applied to analog storage/playback IC 200 to the analog memory address of the A-D signal of the speech statement of advancing the speed on DCB 150, cause retrieval and speech statement RF is transmitted into radio device, to confirm rate variations.At this moment, suppose no show maximum rate still, the medical care supplier can select by magnet 130 is stayed put several seconds and repeat this process and advance the speed by next rate increment.Perhaps, the medical care supplier can be chosen under the new program speed and stop programmed sequence, as long as remove magnet 130 simply in retrieval with before launching next rate variation.Then be similar process, if the low medicine-feeding rate of begging to surrender is then by making the magnetic field upset and using storage address " 0F ", to produce the statement of flat rank music tone or " speed reduction " speech.
Under the situation of the configuration of the programming of using Fig. 8 and inquiry system, for example, also can magnet 130 be provided and follow the instruction that increases or reduce drug treatment, to treat slight illness to patient 102.In this case, suppose to use during fabrication in the address audible sounds input 206 (rather than the statement of equivalent speech) of " 00 ", " 0A ", " 0D " that IMD is programmed with music tone.Suggestion patient 102 applies magnet 130 and follows said procedure, up to hearing sharp rank music tone.Then, by according to above steps, can increase or changing down.For the sake of security, can be for example to limit the maximum rate that patient can programme in the mode described in people's such as Hrdlicka the United States Patent (USP) of transferring the possession of jointly 5,443,486 of authorizing, described patent is hereby incorporated by reference.
Figure 12 is the figure that describes the memory address locations of A-D signal, be used for inquiry and programmed sequence emission speech statement or music tone at the implantable egersimeter 160h of Figure 10, described egersimeter has work system or its hard lead-in wire equivalent system of Fig. 8 or Fig. 9.This implantable egersimeter includes, but are not limited to the stimulator that each several part, human organ to spinal cord, peripheral nerve, muscle and muscle group, diaphragm, brain etc. carries out electrostimulation, and wherein electric pulse is to be delivered on the electrode of required stimulation place.Commercially available such egersimeter comprises MEDTRONIC  ItrelII  egersimeter, ItrelIII  egersimeter and Matrix  egersimeter and binary channels Itrel  egersimeter.
The form of Figure 12 is described the storage address of A-D signal, is used for upward going up statement of emission speech or music tone in the programmed sequence of programmable parameter value and pattern at the inquiry sequence of current I MD information and in address location " 00 "-" 14 " and " 18 "-" 1D " at address location " 00 "-" 1D ".The form of Figure 12 also illustrates memory address locations " 0E " and " 1F ", be used in the address location " 00 "-" 14 " and " 18 "-" 1D " goes up is increasing or is reducing the programmed sequence emission sharp rank and the flat rank music tone of stimulation parameter (for example pulse amplitude or pulse duration or pulse rate or electrode).In inquiry and programmed sequence, under the situation of the configuration of the work system of using Fig. 9, the medical care supplier can use programmable device to begin inquiry, or under the situation of the configuration of the work system of using Fig. 8, the medical care supplier can use magnet 130 to begin to inquire.Can provide limited functional programming device to patient, be used for one or more programmable parameter values and mode of operation are programmed.
Below describe hypothesis and use magnet programming and inquiry system and suppose that the IMD100 of Fig. 1 is an egersimeter 160h who has lead-in wire 120, described lead-in wire is applied to the muscle beyond the heart.The medical care supplier is applied to magnet 130 on the MAGFET 70, and it produces N or S signal on the line 72 or 74 of Fig. 8.Logical circuit 78 responds and interruption is offered microprocessor 152 with the beginning interrogator.On bus 150 storage address " 15 " is offered analog storage/playback IC 200, the speech of the storage statement of IMD is discerned in its retrieval.Then, interrogator sequentially selects the address of having programmed of in address " 00 "-" 06 " to be used for current pulse rate, pulse duration that " 07 "-" 0E " is used for current (that is, programming in the past), and " 0F "-" 14 " are used for current pulse amplitude.Inquiry continues to select address " 16 " or " 17 " to be used for the battery situation, and address " 18 " or " 19 " are used for circulation and are switched on or switched off state, and address " 1A "-" 1D " is used for the programming electrode configuration.In these situations, the A-D signal is applied to AM/FM reflector 31, causes the RF emission of speech statement.In the explanation of Fig. 1, these speech of retrieving statements are transmitted and received, separate to be in harmonious proportion by radio device 142 launches, and the supplier hears by medical care.
During inquiry sequence, monitoring battery voltage, and suitable in address " 16 " or " 17 " address specified point in sequence offered analog storage/playback IC 200.The detection of magnet 130 makesmicroprocessor 152 suspend the periodicity RF emission of runnings down of battery warning, this warning meeting be depleted to ERI voltage atbattery 13 other take place constantly.Yet, be appreciated that during normal running speech statement or music tone warning that address " 16 " are located are applied to AM/FM reflector 31, cause the RF emission of speech statement.In the explanation of Fig. 1, these speech of retrieving statements are transmitted and received, separate to be in harmonious proportion by radio device 142 launches, and the supplier hears by medical care.
At this moment, can draw back magnet 130 with the termination of interrogation sequence, it is stayed put or rotate to an end from an end increases or reduces any programmable parameter (be pulse rate, width, amplitude, periodic state, and electrode) with the starting program sequence.RF emission by providing address " 1E " to cause statement of " added value " speech or sharp rank music tone increases pattern starting program sequence with speed.Then, in several seconds time, the medical care supplier both can stay put magnet 130 to continue the increase pattern, also can from out to out make its upset, made programmed sequence be transformed into the reduction pattern.Can use a kind of system with continuously to the programming of each parameter value and mode of operation, described system makes magnet place and remove continuously, employed system in the program that illustrates in Fig. 3 A-3C.
Suppose boost pulse speed to be programmed into the pulse rate of increase, continuing to apply magnet after several seconds, the order that provides bymicroprocessor 152 increases pulse rate step by step.New current programming pulse speed is stored among theRAM 154 for digitial controller/timer circuit 158 periodically use in the stimulus delivery program.Then, bymicroprocessor 152 address " 1E " of the A-D signal of the speech statement that is used to advance the speed is applied to analog storage/playback IC 200 onDCB 150, cause the RF emission of speech statement or sharp rank music tone, confirm rate variation.At this moment, suppose no show maximum pulse rate still, the medical care supplier can select by magnet 130 is stayed put several seconds and repeat this process and advance the speed by next rate increment.Perhaps, the medical care supplier can be chosen in new programming pulse speed and stop programmed sequence, as long as remove magnet 130 simply in retrieval with before launching next rate variation.The low medicine-feeding rate if beg to surrender is then followed similar process.
Under the situation of the configuration of the programming of using Fig. 8 and inquiry system, for example, also can magnet 130 is provided and follow to patient 102 increases or reduces drug treatment to treat ailing instruction.In this case, suppose to use during fabrication to state IMD is programmed at audible sounds input 206 usefulness the music tones of analog memory address " 1E " and " 1F " rather than equivalent speech.Suggestion patient 102 applies magnet 130 and follows said procedure up to hearing sharp rank music tone.Then, magnet is stayed put and advance the speed or the polarity of switching field and changing down, and hear flat rank music tone.
In situation based on the IMD work system of microcomputer, these embodiment of the present invention of theIC 200 of Fig. 6 have more than been described shown in Fig. 8-10 and have adopted, wherein, come control programming and inquiry sequence by the logical circuit and the register that are stored in the algorithm among theROM 156 and be combined in digitial controller/timer circuit 158.Algorithm utilizetiming control circuit 202 and address productionelectric circuit 204 and between them and with Fig. 5 in the interconnection of analog storage/playback IC 200.Be appreciated that in work system, can use the such circuit of Fig. 5 based on microcomputer.On the contrary, be appreciated that, in hardware based system, also can implement these embodiment, described hardware based system above-mentioned with reference to Figure 11 and Figure 12 sequence and other sequence that can design the treatment granting of using Figure 10 and surveillance in sequentially addressing is carried out in the analog memory address.
Therefore, be appreciated that the front certain embodiments is as the explanation that can implement many methods of principle of the present invention.Therefore, be appreciated that and use other known way of those skilled in the art that or the way that is disclosed here, only otherwise depart from the scope of the present invention or appended claim.
Therefore, unless be appreciated that outside special the description, in the scope of appended claim, can implement the present invention, as long as in fact without departing from the spirit and scope of the present invention.

Claims (21)

CN 011030882000-01-252001-01-31Program variable broadcast hearing communications capable of planting in medical equipmentExpired - Fee RelatedCN1251421C (en)

Applications Claiming Priority (2)

Application NumberPriority DateFiling DateTitle
US09/491,3952000-01-25
US09/491,395US6216038B1 (en)1998-04-292000-01-25Broadcast audible sound communication of programming change in an implantable medical device

Publications (2)

Publication NumberPublication Date
CN1327309A CN1327309A (en)2001-12-19
CN1251421Ctrue CN1251421C (en)2006-04-12

Family

ID=23952033

Family Applications (1)

Application NumberTitlePriority DateFiling Date
CN 01103088Expired - Fee RelatedCN1251421C (en)2000-01-252001-01-31Program variable broadcast hearing communications capable of planting in medical equipment

Country Status (1)

CountryLink
CN (1)CN1251421C (en)

Cited By (1)

* Cited by examiner, † Cited by third party
Publication numberPriority datePublication dateAssigneeTitle
CN101224117B (en)*2007-01-102012-10-03伊西康内外科公司Post-sterilization programming device and method of surgical instruments

Families Citing this family (5)

* Cited by examiner, † Cited by third party
Publication numberPriority datePublication dateAssigneeTitle
US8961461B2 (en)2004-05-272015-02-24Baxter International Inc.Multi-state alarm system for a medical pump
KR20120036244A (en)*2010-10-072012-04-17삼성전자주식회사Implantable medical device(imd) and method for controlling of the imd
RU2596879C2 (en)*2010-11-082016-09-10Конинклейке Филипс Электроникс Н.В.System and method for exchanging duty-cycle information in wireless networks
US10687763B2 (en)*2013-06-242020-06-23Koninklijke Philips N.V.SpO2 tone modulation with audible lower clamp value
US10772142B2 (en)*2018-07-252020-09-08Medtronic, Inc.Wireless connection to peripheral device based on advertisement cadence

Cited By (1)

* Cited by examiner, † Cited by third party
Publication numberPriority datePublication dateAssigneeTitle
CN101224117B (en)*2007-01-102012-10-03伊西康内外科公司Post-sterilization programming device and method of surgical instruments

Also Published As

Publication numberPublication date
CN1327309A (en)2001-12-19

Similar Documents

PublicationPublication DateTitle
CN1243582C (en)Audible sound communication from an impantable medical device
CN1263524C (en)Audible sound confirmation of programming an implantable medical device
CN1275661C (en) Interrogating implantable medical devices using audible voice communication
US6450172B1 (en)Broadcast audible sound communication from an implantable medical device
US6216038B1 (en)Broadcast audible sound communication of programming change in an implantable medical device
US6482154B1 (en)Long range implantable medical device telemetry system with positive patient identification
US8391981B2 (en)Cross-band communications in an implantable device
EP2361654B1 (en)Wakeup of implantable communication circuitry
JP3939661B2 (en) Medical communication system
CN1188081C (en)Medical implant system
DE60315327T2 (en) Multimedia programming device for data transmission of medical device
US6370433B1 (en)Interrogation of an implantable medical device using broadcast audible sound communication
US20060161222A1 (en)Multiple band communications for an implantable medical device
CN101048195A (en)Method and apparatus for providing safe long-range telemetry with implantable medical devices
CN1251421C (en)Program variable broadcast hearing communications capable of planting in medical equipment
CN1327310A (en)Access of plantable medical equipment by broadcast hearving communications
CN105498090A (en)Auditory brainstem stimulation implant
CN100438364C (en)Broadcast audio communication from implantable medical device
EP4124358B1 (en)Inductive charging coil configuration for an implantable medical device

Legal Events

DateCodeTitleDescription
C06Publication
PB01Publication
C10Entry into substantive examination
SE01Entry into force of request for substantive examination
C14Grant of patent or utility model
GR01Patent grant
C17Cessation of patent right
CF01Termination of patent right due to non-payment of annual fee

Granted publication date:20060412

Termination date:20140131


[8]ページ先頭

©2009-2025 Movatter.jp