Movatterモバイル変換


[0]ホーム

URL:


CN1236400C - Secondary battery management method and device - Google Patents

Secondary battery management method and device
Download PDF

Info

Publication number
CN1236400C
CN1236400CCNB021066280ACN02106628ACN1236400CCN 1236400 CCN1236400 CCN 1236400CCN B021066280 ACNB021066280 ACN B021066280ACN 02106628 ACN02106628 ACN 02106628ACN 1236400 CCN1236400 CCN 1236400C
Authority
CN
China
Prior art keywords
secondary cell
voltage
value
battery
processing unit
Prior art date
Legal status (The legal status is an assumption and is not a legal conclusion. Google has not performed a legal analysis and makes no representation as to the accuracy of the status listed.)
Expired - Fee Related
Application number
CNB021066280A
Other languages
Chinese (zh)
Other versions
CN1441510A (en
Inventor
陈惠秋
林文威
Current Assignee (The listed assignees may be inaccurate. Google has not performed a legal analysis and makes no representation or warranty as to the accuracy of the list.)
Shengnengjie Sci & Tech Co ltd
Avid Electronics Corp
Original Assignee
Shengnengjie Sci & Tech Co ltd
Avid Electronics Corp
Priority date (The priority date is an assumption and is not a legal conclusion. Google has not performed a legal analysis and makes no representation as to the accuracy of the date listed.)
Filing date
Publication date
Application filed by Shengnengjie Sci & Tech Co ltd, Avid Electronics CorpfiledCriticalShengnengjie Sci & Tech Co ltd
Priority to CNB021066280ApriorityCriticalpatent/CN1236400C/en
Publication of CN1441510ApublicationCriticalpatent/CN1441510A/en
Application grantedgrantedCritical
Publication of CN1236400CpublicationCriticalpatent/CN1236400C/en
Anticipated expirationlegal-statusCritical
Expired - Fee Relatedlegal-statusCriticalCurrent

Links

Images

Classifications

Landscapes

Abstract

Translated fromChinese

本发明是一种智能型二次电池管理方法及装置,除具有电池工作电压、温度与充放电流的基本检测功能外,还具备有当电池温度过低时,可提供一微小电流进行充电的涓流充电控制器;而为避免温度感测元件于非感测时间消耗该电池的电力还提供一节电开关适时切断其回路;另外,于电池工作电压过低时可通过一放电控制器自动切断电力供给而使整体管理装置进入自切模式而不再消耗任何电池电能,然后于充电动作再次进行时,由一节电控制器回复管理装置的供电,通过前述各电路单元辅助,可对二次电池提供更优异的管理装置。

Figure 02106628

The present invention is an intelligent secondary battery management method and device. In addition to having the basic detection functions of battery operating voltage, temperature and charging and discharging current, it also has a trickle charge controller that can provide a small current for charging when the battery temperature is too low; and in order to prevent the temperature sensing element from consuming the power of the battery during non-sensing time, a power-saving switch is also provided to cut off its circuit in time; in addition, when the battery operating voltage is too low, a discharge controller can automatically cut off the power supply so that the entire management device enters a self-cutting mode and no longer consumes any battery power. Then, when the charging action is performed again, a power-saving controller restores the power supply of the management device. With the assistance of the aforementioned circuit units, a more excellent management device can be provided for the secondary battery.

Figure 02106628

Description

Secondary battery managing method and device
(1) technical field
Relevant a kind of intelligent secondary battery managing method of the present invention and device, especially after referring to data such as a kind of voltage that utilizes instant detection battery, temperature, charging or discharging current, reference data is carried out the management of battery charging and discharging whereby, and can detect up-to-date reference data at any time to obtain the method and apparatus of instant dynamic management.
(2) background technology
Demand such as easy to carry for meeting, as not take up space, the development trend of Internet appliance product are towards compact direction research and development, more common product such as notebook computer, personal data processor, mobile phone etc., and none does not follow this development trend.Take a broad view of above-mentioned every product, for the application demand that satisfies the user also possesses maneuverability, all be equipped with the rechargeable type battery with as working power, lightly change but be subject to because of the volume requirement of product, volume of battery can't strengthen naturally, thereby its electric power storage ability certainly will be subjected to certain limitation; In addition, because of the variation that becomes of healing of function that product possessed, its internal circuit heals and becomes complicated so power consumption improves relatively.Therefore, make it give full play to the power supply supply, and reduce unnecessary power consumption loss, promptly become a ring important in the product design as carrying out efficient management to battery.
With regard to the battery management of various portable apparatus (as notebook computer), it is that design has a management circuit rechargeable battery to be carried out action such as charge and discharge to carry out the optimization adjustment, and this management circuit is every data of transmitting battery by a signal transmitting and receiving interface and this portable apparatus, give the user and this portable apparatus is obtained present behind the latest data of battery, make it learn the state of current battery.
With the practice of existing management circuit, be after presetting every reference data of battery earlier,, and the charge and discharge of battery to be managed as parameters such as voltage upper lower limit value, temperature upper lower limit values.Yet the inner chemical material of battery itself promptly has factors such as instability and nonlinearities change, make it carry out chemical conversion process and be full of unpredictable parameter, as long as be subjected to factor affecting such as external environment temperature, charging or discharging current power, battery length service time, originally every reference data that battery is preset promptly can't meet the requirement of change.
Specifically, when battery was subjected to external environment temperature effect, its internal resistance also produced relative variation, and the high more then internal resistance of temperature increases, and vice versa; So promptly cause floating of the terminal voltage of battery own, cause the voltage upper lower limit value that originally configured to cause error; On the other hand, along with the battery prolongation of service time, its internal resistance also can increase, and causes the erroneous judgement of voltage upper lower limit value equally.
And with charge and discharge system, be to adopt the mode of deciding electric current to carry out in the past, but the characteristic of battery is when providing when discharging and recharging with little electric current, can obtain preferable efficiency for charge-discharge, otherwise if then causes charged the illusion of saturated or power drain of battery during bigger charging and discharging currents easily.And in charging process saturated gradually along with battery, the energy of charging also converts heat energy to and dissipation can't flow in the battery efficiently, to decide current system charging kind of an inefficient method beyond doubt; In addition, cross low or cause inside battery electrolytic solution to freeze or during precipitation, excessive charging current also will cause the damage of battery when the external environment temperature because of not using for a long time.
On the other hand, in the discharge process of battery, existing mode only can provide warning message to inform that the energy content of battery is about to exhaust, but still is to continue to carry out discharging action, and the nonreversibility fault that battery will cause capacity can't reply and can't charge after by over-discharge can.
(3) summary of the invention
For this reason, fundamental purpose of the present invention provides a kind of intelligent secondary battery managing method and device, it can provide the two-part step in battery charging process, in the elementary step is to start a charge controller to carry out the charging of normal current, then change in the gradually saturated latter end of charging and to start this charge controller with discontinuous and carry out pulse charging, improve the charge efficiency of battery whereby.
Another object of the present invention provides a kind of intelligent secondary battery managing method and device, when the external temperature of battery is crossed low or voltage when being lower than lower limit, it provides a Weak current that battery is slowly charged by a trickle charge controller, so that battery activates gradually, with the destruction of avoiding excessive charging current to be caused.
Another purpose of the present invention provides a kind of intelligent secondary battery managing method and device; by the unlikely over-discharge can of discharge controller protection battery; and by this CPU (central processing unit) detect learn that cell voltage is lower than lower limit when; promptly close this discharge controller and make no longer continuous discharge of battery, and the power supply of closing management circuit is simultaneously supplied with to enter the pattern of autotomying.
A further object of the present invention provides a kind of intelligent secondary battery managing method and device, gives a Temperature Detector by a battery-conserving switch, when battery is in the galvanic circle that can close this Temperature Detector under the static condition, to reduce the power consumption of battery.
For achieving the above object, a kind of intelligent secondary battery managing method is provided according to an aspect of the present invention, be characterized in, comprise: the magnitude of voltage that records a secondary cell earlier, surface temperature value and charging and discharging currents value, and carry out this secondary cell for charging, discharge or the pattern discrimination that leaves standstill, when being in charge mode, this secondary cell carries out trickle charge according to measured magnitude of voltage and the decision of surface temperature value, charge normal or pulse charging, then whether the magnitude of voltage by instant detection battery stops discharge with decision when this secondary cell is in discharge mode, then judges whether to enter the pattern of autotomying according to its magnitude of voltage when this secondary cell is in the pattern of leaving standstill.A kind of intelligent secondary battery management devices is provided according to a further aspect of the invention, be characterized in, include: a CPU (central processing unit) is connected with a voltage-level detector, a Temperature Detector, terminal voltage value, temperature value and the charging and discharging currents value of a current detector to record a secondary cell respectively; One storer, it is connected and stores the parameters such as terminal voltage value, temperature value and charging and discharging currents value of this secondary cell with this CPU (central processing unit); One charge controller, it by this central processing unit controls and be connected in an external power source and described secondary cell between, under charge mode, if the surface temperature of this secondary cell is between upper lower limit value, this CPU (central processing unit) then starts described charge controller to be provided to charge normal and gives secondary cell; One trickle charge controller, it by this central processing unit controls and be connected in described external power source and this secondary cell between, when the surface temperature of this CPU (central processing unit) detection secondary cell is lower than the lowest temperature value, closes described charge controller and start the trickle charge controller this secondary cell is charged; One discharge controller, it is located between this CPU (central processing unit) and the secondary cell, can accept the shutdown command of CPU (central processing unit) and end when the battery over-discharge can, causes infringement to avoid secondary cell because of over-discharge can.
For further specifying purpose of the present invention, design feature and effect, the present invention is described in detail below with reference to accompanying drawing.
(4) description of drawings
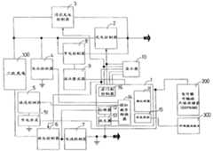
Fig. 1 is a circuit block diagram of the present invention.
Fig. 2 is a detailed circuit diagram of the present invention.
The movement oscillogram that Fig. 3 charges for secondary cell of the present invention.
Fig. 4 is the transmitting-receiving interfacial structure calcspar of CPU (central processing unit) of the present invention.
Fig. 5 is a method flow diagram of the present invention.
(5) embodiment
Intelligent secondary battery management devices of the present invention mainly is collocation one portable apparatus (for example being example with the notebook computer).This management devices is used to monitor and manage the secondary cell of a rechargeable type, and store the relevant most recent parameters of this secondary cell at any time, can carry out data transfer with this notebook computer by this management devices transmitting-receiving interface wherein, as user during, just can learn its latest tendency data of this secondary cell like this in operating computer.
Please refer to shown in Figure 1, calcspar for intelligent secondary battery management devices of the present invention, it includes a CPU (central processing unit) 1, and its inside includes a microprocessor 11, ashifter 12, anamplifier 13, an analog-digital converter 14, a transmitting-receiving interface 15 and ahouse dog controller 16.
Onecharge controller 2 be that one end of thischarge controller 2 is connected to asecondary cell 100 by described CPU (central processing unit) 1 control, and it is connected to external power source Vb+ in addition, and it provides normal current that thissecondary cell 100 is charged under charge mode;
One trickle charge controller 3 still by described CPU (central processing unit) 1 control, and is connected between thissecondary cell 100 and the external power source Vb+;
One voltage-level detector 4, it connects between the analog-digital converter 14 in thissecondary cell 100 and the CPU (central processing unit) 1, and this CPU (central processing unit) 1 promptly records the terminal voltage value ofsecondary cell 100 by this voltage-level detector 4;
OneTemperature Detector 5, be connected with the analog-digital converter 14 of this CPU (central processing unit) 1, and detect the surface temperature value of thissecondary cell 100, wherein thisTemperature Detector 5 is serially connected with a battery-conservingswitch 51 to earth terminal, the conducting of this battery-conservingswitch 51 with otherwise controlled by this CPU (central processing unit) 1;
Onedischarge controller 6 connects between thissecondary cell 100 and the CPU (central processing unit) 1, in 100 discharge mode following times of secondary cell, and can conducting by the control of this CPU (central processing unit) 1;
Onecurrent detector 7, one end connect this CPU (central processing unit) 1 and thisdischarge controller 6 simultaneously, and end then is connected to earth terminal in addition;
One electricity-savingcontroller 8 connects between thissecondary cell 100 and the external power source Vb+, and this electricity-savingcontroller 8 also is connected with a stabilizedrectifier 9 to described CPU (central processing unit) 1;
Onedisplay 10 connects this CPU (central processing unit) 1, can be in order to show the dump energy ofsecondary cell 100;
One EEPROM (Electrically Erasable Programmable Read Only Memo) 200 connects this CPU (central processing unit) 1, in order to the parameters value of the relevantsecondary cell 100 of store recording;
Oneexternal communication interface 300 connects this CPU (central processing unit) 1, can for external device (ED) is given in the information transmission ofsecondary cell 100 after external circuit is connected and learns.
Please refer to shown in Fig. 1 and 2, this CPU (central processing unit) 1 at first carries out measuring about the parameters of thissecondary cell 100, for charging or discharging current partly is that to record presentsecondary cell 100 by describedcurrent detector 7 be to be in the charge or discharge pattern, thiscurrent detector 7 is that the resistance by a low resistance constitutes, and can differentiate charge and discharge mode by measuring in ohmically polarity of voltage.Behind the magnitude of voltage that records this resistance, be to utilize describedshifter 12 that current potential is moved in the semiconductor line sex work district, again afteramplifier 13 carries out linear amplification, convert digital signal to calculate accurate voltage drop value by this analog-digital converter 14, flow through this ohmically magnitude of current and can instead extrapolate, so no matter be that the size of charge or discharge electric current can be tried to achieve whereby according to Ohm law.
And the measurement aspect of the terminal voltage of relevantsecondary cell 100, be to record by this voltage-level detector 4, this voltage-level detector 4 is to be composed in series by two resistance, and the tandem node of two resistance is to be connected to this CPU (central processing unit) 1, by the dividing potential drop theorem, can obtain the terminal voltage value ofsecondary cell 100.
Temperature Detector 5 in order to the surface temperature of sensingsecondary cell 100, be that thermistor by negative temperature coefficient constitutes, relativeness between its temperature and resistance is stored in this EEPROM (Electrically Erasable Programmable Read Only Memo) 200, so learn the magnitude of voltage of thermistor and after analog-digital converter 14 is converted to digital numerical value when this CPU (central processing unit) 1 measures, can be compared the surface temperature of presentsecondary cell 100 according to these EEPROM (Electrically Erasable Programmable Read Only Memo) 200 stored data, wherein consider for power saving, the battery-conservingswitch 51 that thisTemperature Detector 5 is connected in series is made of an effect electric crystal, whensecondary cell 100 in leaving standstill the not time spent, microprocessor 11 will initiatively cut out this battery-conservingswitch 5 to cut off the loop ofTemperature Detector 5, andTemperature Detector 5 promptly can not consume electric power.And with regard to this CPU (central processing unit) 1 inside, for the electric power of saving thissecondary cell 100 is considered, read the parameters ofsecondary cell 100 when measurement after, microprocessor 11 is to set thishouse dog controller 16 to begin counting, simultaneously the working power of analog-digital converter 14 is closed, reduce unnecessary electrical source consumption to enter sleep state, then start analog-digital converter 14 once more, carry out battery parameter once more and measure when 16 timing of house dog controller end.
About the live part ofsecondary cell 100, but its summary is divided into two kinds of patterns, and one is by charging normal thatcharge controller 2 is carried out, and one is the trickle charge of being undertaken by trickle charge controller 3.Please refer to shown in Figure 3, when the temperature ofsecondary cell 100 is crossed low or is not used for a long time, its magnitude of voltage has been lower than lower voltage limit value V1, and inner electrolytic solution has icing or deposited phenomenon, this CPU (central processing unit) 1 is to open trickle charge controller 3 and chargeclosing controller 2 earlier, provide a little electric current to give thissecondary cell 100 and slowly charge, the damage that can avoid battery to be caused like this because of big electric current.
After the terminal voltage ofsecondary cell 100 rises gradually and is higher than lower voltage limit value V1, and its surface temperature is in the temperature upper lower limit value, and this CPU (central processing unit) 1 is to opencharge controller 2 to charge normal, and trickle charge controller 3 then is in cut-off state.The electric current I N value of deciding in order to charging is the little current value that is provided during greater than trickle charge, can impelsecondary cell 100 saturated like this than charging quickly, and after in case magnitude of voltage charging reaches upper voltage limit value V3, promptly close thischarge controller 2, the terminal voltage value of battery can descend earlier gradually this moment, after it reduces to a voltage upper limb value V2 who presets, promptly open thischarge controller 2 once more and proceed charging, reaching upper voltage limit value V3 up to magnitude of voltage then closes once again, continuous like this go round and begin again carry out pulse charging, can guarantee thatsecondary cell 100 has preferable charging quality, in case and thischarge controller 2 close continue for some time T after, if magnitude of voltage still reduce to as yet voltage upper limb value V2 promptly do not represent the charging finish.
And whensecondary cell 100 in when discharge, if arrived lower voltage limit value V1, this CPU (central processing unit) 1 will be closeddischarge controller 6 to enter " pattern of autotomying ", stop the discharging function of battery in good time, cause infringement to avoid thissecondary cell 100 because of over-discharge can.In this simultaneously, this stabilizedrectifier 9 also is subjected to the control of this CPU (central processing unit) 1 and cuts out, because of this stabilizedrectifier 9 is in order to provide management circuit inner each electronic component one stable operating voltage, so in case after stabilizedrectifier 9 cut out, the store electrical energy ofsecondary cell 100 promptly can not consume again; And after the charging action takes place, this electricity-savingcontroller 8 can serve as the pushing hands that starts the management circuit power supply once more, its practice is that the guiding charging current starts stabilizedrectifier 9, and after this stabilizedrectifier 9 was activated and provides working power to give CPU (central processing unit) 1, management circuit promptly was activated once more.
Please refer to shown in Figure 4, framework calcspar for transmitting-receiving of thepresent invention interface 15, it mainly transmits data buffer 152 by a receivedata buffer 151 and and forms, whenexternal communication interface 300 is desired to obtain the relevant information of battery, this microprocessor 11 is that data are sent and given external communication and connect 300 by transmitting data buffer 152, whether the data that sent out are also given microprocessor 11 by receivedata buffer 151 passback again and are carried out data verification at the same time, correct with the data that relatively sent out.And this receivedata buffer 151 is when the data that are used to receive from the outside, and factor is according to being can go ahead of the rest all to be temporary in wherein, and then carries out data processing by microprocessor 11, so it must not cooperate the clock signal of outside to carry out synchronous processing.And when transmitting data, this clock pulse generator 153 can produce required clock signal.
Please refer to shown in Figure 5, operation process chart for management circuit of the present invention, after program begins to carry out, be that the master data of carrying outsecondary cell 100 earlier reads, the data that read are temporary in the working storage of microprocessor 11, promptly carrying out pattern then and judge, is to be in charge mode, discharge mode or to leave standstill pattern to judge thissecondary cell 100 at present.
Under charge mode: whether the surface temperature of CPU (central processing unit) 1 monitoringsecondary cell 100 has reached the lowest temperature value, if, then open the trickle charge function and begin to carry out trickle charge, if not, whether the terminal voltage of then monitoringsecondary cell 100 has reached voltage upper limb value V2, if not, thenopening charge controller 2 charges normal, if, continue then relatively whether the terminal voltage of thissecondary cell 100 has reached upper voltage limit value V3, if then assign the charging decretum inhibitorium withcharge closing controller 2, if not, thenopen charge controller 2 to carry out the pulse charge pattern.
When CPU (central processing unit) 1 is assigned unlatching trickle charge function, or unlatchingcharge controller 2 charges normal, or after the unbalanced pulse charging, or after assigning the charging decretum inhibitorium, the detection of promptly carrying out the battery parameters reaches more new element, and beginning battery capacity and correlation parameter calculating, then carrying out battery parameter dynamically adjusts, to guarantee the grasping variation that battery causes because of factors such as variation of ambient temperature or pot life increases immediately, this CPU (central processing unit) 1 startuphouse dog controller 16 enters sleep pattern afterwards, to carry out of short duration economize on electricity sleep behavior, stop the back and carry out the action that wakeshouse dog controller 16 up up to 16 timing of house dog controller, and then the pattern of getting back to is judged.
In discharge mode: this CPU (central processing unit) 1 is to carry out battery capacity and correlation parameter earlier to calculate, press to obtain instant battery, parameter value such as electric current and temperature, and suitably make battery parameter according to parameters and dynamically adjust, relatively whether thesesecondary cell 100 voltages reach lower voltage limit value V1 then, if, then assign the discharge decretum inhibitorium to close thisdischarge controller 6, if do not reach lower voltage limit value V1, then startinghouse dog controller 16 goes forward side by side into sleep pattern, to carry out of short duration economize on electricity sleep behavior, stop and be waken up once more up to thesehouse dog controller 16 timing, and the pattern of carrying out is once more judged.
In the pattern of leaving standstill: whether this CPU (central processing unit) 1 relatively charging and discharging currents of battery is activated with definite battery, if, then get back to the pattern determining step to be judged to be charge or discharge, if not, then relatively whether cell voltage has reached lower voltage limit value V1, if not, then continue to be maintained at the pattern of leaving standstill, if reached lower voltage limit value V1, then start the pattern of autotomying to cut off stabilizedrectifier 9, make management circuit no longer expend the electric power of thissecondary cell 100, take place just to wake stabilizedrectifier 9 up by this electricity-savingcontroller 8 up to the external charging behavior.
Wherein because management circuit must be accepted the battery data inquiry of outside other system, so when when any, being carved with interrupt step (battery data inquiry) generation, system can suspend the battery management function earlier, or in sleep pattern, revive, and priority processing external challenges work, after answer finishes, return former work and carry out processing, to continue the battery management action.
By in above-mentioned the specifying as can be known, the present invention has the following advantages:
When battery temperature cross low when, be during in the charging leading portion, to provide a Weak current to make battery activation in advance for avoiding big electric current to cause damage, the present invention when the battery charge by a trickle charge controller.
2. cross when low in the electric power storage energy of battery, the present invention can cut off discharge loop voluntarily by a discharge controller, and makes integrated circuit enter the pattern of autotomying and the consuming cells energy no longer, does not produce permanent damage because of over-discharge can to guarantee battery.
3. the present invention's temperature-sensitive sticker of being used to detect the secondary cell surface temperature is serially connected with a battery-conserving switch, when this temperature-sensitive sticker under non-detected status, be that this battery-conserving switch of control ends, so promptly cut off the galvanic circle of this temperature sensor and can not consume the electric power of secondary cell.
4. transmitting-receiving used in the present invention interface, be to transmit data buffer by a receive data buffer and to constitute jointly, be different from and adopt single impact damper to form in the past, so when transmitting data, can be once more obtain the data of being sent out and passback and give microprocessor and carry out data relatively, guarantee the correctness that data transmit more by this receive data buffer.
Certainly, those of ordinary skill in the art will be appreciated that, above embodiment is used for illustrating the present invention, and be not to be used as limitation of the invention, as long as in connotation scope of the present invention, all will drop in the scope of claims of the present invention variation, the modification of the above embodiment.

Claims (15)

1. secondary battery managing method, it is characterized in that, comprise: the magnitude of voltage that records a secondary cell earlier, surface temperature value and charging and discharging currents value, and carry out this secondary cell for charging, discharge or the pattern discrimination that leaves standstill, when being in charge mode, this secondary cell carries out trickle charge according to measured magnitude of voltage and the decision of surface temperature value, charge normal or pulse charging, then whether the magnitude of voltage by instant detection battery stops discharge with decision when this secondary cell is in discharge mode, then judges whether to enter the pattern of autotomying according to its magnitude of voltage when this secondary cell is in the pattern of leaving standstill;
When secondary cell is charge mode, if the surface temperature value of this secondary cell is lower than a lowest temperature value and then carries out trickle charge, if the surface temperature value of this secondary cell is higher than this lowest temperature value, and magnitude of voltage then charges normal between a lower voltage limit value and a voltage upper limb value time, if the magnitude of voltage of this secondary cell then carries out pulse charging between a voltage upper limb value and a upper voltage limit value time.
2. secondary battery managing method as claimed in claim 1 is characterized in that, when this secondary cell is discharge mode, if the magnitude of voltage of this secondary cell then stops the secondary cell discharge when being lower than an above-mentioned lower voltage limit value.
3. secondary battery managing method as claimed in claim 1 is characterized in that, when this secondary cell when leaving standstill pattern, if the magnitude of voltage of this secondary cell then enters the pattern of autotomying when being lower than an above-mentioned lower voltage limit value.
4. secondary battery managing method as claimed in claim 1, it is characterized in that, after finishing, upgrades this secondary cell charge the parameters value of battery once more, and start a sleep pattern to enter electricity-saving state, after going through one period schedule time, then break away from this sleep pattern, carry out the mode of operation of this secondary cell again and differentiate.
5. secondary battery managing method as claimed in claim 3, it is characterized in that, after this secondary cell discharge, if its magnitude of voltage is higher than this lower voltage limit value, then start a sleep pattern to enter electricity-saving state, after going through one period schedule time, then break away from this sleep pattern, carry out the mode of operation of this secondary cell again and differentiate.
6. secondary battery managing method as claimed in claim 1, it is characterized in that, this secondary cell is in pulse charging during the stage, its practice is then to charge when magnitude of voltage is higher than this voltage upper limb value, and after magnitude of voltage reaches the upper voltage limit value, stop to charge, drop to this voltage upper limb value and then charge once more when magnitude of voltage returns gradually, so repeat, if after stopping charging sustainable a period of time of this magnitude of voltage and on behalf of charging, unlikely this voltage upper limb value that drops to promptly finish.
7. secondary battery managing method as claimed in claim 1, it is characterized in that, when an external circuit desired to obtain the magnitude of voltage, surface temperature value of this secondary cell and charging and discharging currents value, each parameter can be carried out data relatively after transmitting and giving this external circuit once more, and was correct with specified data.
8. a secondary cell management devices is characterized in that, includes:
One CPU (central processing unit) is connected with a voltage-level detector, a Temperature Detector, terminal voltage value, temperature value and the charging and discharging currents value of a current detector to record a secondary cell respectively;
One storer, it is connected and stores terminal voltage value, temperature value and the charging and discharging currents value parameter of this secondary cell with this CPU (central processing unit);
One charge controller, it by this central processing unit controls and be connected in an external power source and described secondary cell between, under charge mode, if the surface temperature of this secondary cell is between upper lower limit value, this CPU (central processing unit) then starts described charge controller to be provided to charge normal and gives secondary cell;
One trickle charge controller, it by this central processing unit controls and be connected in described external power source and this secondary cell between, when the surface temperature of this CPU (central processing unit) detection secondary cell is lower than the lowest temperature value, closes described charge controller and start the trickle charge controller this secondary cell is charged;
One discharge controller, it is located between this CPU (central processing unit) and the secondary cell, can accept the shutdown command of CPU (central processing unit) and end when the battery over-discharge can, causes infringement to avoid secondary cell because of over-discharge can.
9. secondary cell management devices as claimed in claim 8, it is characterized in that, this CPU (central processing unit) is connected with a stabilized rectifier again in order to the working power of this CPU (central processing unit) to be provided, and is to close this stabilized rectifier to enter the pattern of autotomying after the terminal voltage value of this secondary cell is lower than a lower voltage limit value.
10. secondary cell management devices as claimed in claim 9, it is characterized in that, this stabilized rectifier is connected to this secondary cell by an electricity-saving controller, this electricity-saving controller is connected with described external power source again, and this electricity-saving controller can provide an electric current to start this stabilized rectifier when this secondary cell charges once more.
11. secondary cell management devices as claimed in claim 8, it is characterized in that, this Temperature Detector is in series with a battery-conserving switch, when this secondary cell when leaving standstill pattern, reduce the power consumption of secondary cell with the loop that cuts off Temperature Detector by closing this battery-conserving switch.
12. secondary cell management devices as claimed in claim 8, it is characterized in that, this CPU (central processing unit) includes an analog-digital converter and a microprocessor, and this analog-digital converter can be converted to terminal voltage value, surface temperature value, the charging and discharging currents value that records this secondary cell digital signal with by the computing in addition of this microprocessor.
13. secondary cell management devices as claimed in claim 8 is characterized in that, this CPU (central processing unit) is connected with a display in order to show the remaining electric weight of this secondary cell.
14. secondary cell management devices as claimed in claim 8 is characterized in that, but this storer is an EEPROM (Electrically Erasable Programmable Read Only Memo).
15. secondary cell management devices as claimed in claim 12 is characterized in that, this CPU (central processing unit) includes a transmitting-receiving interface, and it mainly transmits data buffer by a receive data buffer and and constitutes.
CNB021066280A2002-02-272002-02-27 Secondary battery management method and deviceExpired - Fee RelatedCN1236400C (en)

Priority Applications (1)

Application NumberPriority DateFiling DateTitle
CNB021066280ACN1236400C (en)2002-02-272002-02-27 Secondary battery management method and device

Applications Claiming Priority (1)

Application NumberPriority DateFiling DateTitle
CNB021066280ACN1236400C (en)2002-02-272002-02-27 Secondary battery management method and device

Publications (2)

Publication NumberPublication Date
CN1441510A CN1441510A (en)2003-09-10
CN1236400Ctrue CN1236400C (en)2006-01-11

Family

ID=27768495

Family Applications (1)

Application NumberTitlePriority DateFiling Date
CNB021066280AExpired - Fee RelatedCN1236400C (en)2002-02-272002-02-27 Secondary battery management method and device

Country Status (1)

CountryLink
CN (1)CN1236400C (en)

Families Citing this family (10)

* Cited by examiner, † Cited by third party
Publication numberPriority datePublication dateAssigneeTitle
RU2465811C2 (en)2007-12-102012-11-10БАЙЕР ХЕЛТКЭА ЭлЭлСиControl of quick charging and supply to metre of analytes in fluid medium arranged with battery supply
CN102195101B (en)*2010-03-052014-12-03陕西铭越信息科技有限公司Power battery management system and method thereof
US8880916B2 (en)*2011-08-092014-11-04O2Micro, Inc.Circuits and methods for controlling battery management systems
CN102868001B (en)*2012-09-202015-07-01深圳市卓能新能源科技有限公司Lithium ion cell electric quantity displaying method and lithium ion cell electric quanity displaying device
CN103257699A (en)*2013-05-172013-08-21天宇通讯科技(昆山)有限公司Notebook computer battery intelligent control circuit
CN104935034A (en)*2015-05-212015-09-23深圳天珑无线科技有限公司Switching pulse type charging device, switching pulse type charging method and terminal
JP6379203B2 (en)*2015-06-292018-08-22エスゼット ディージェイアイ テクノロジー カンパニー リミテッドSz Dji Technology Co.,Ltd Control circuit, battery including control circuit, and battery control method
CN106848486A (en)*2017-01-092017-06-13广东小天才科技有限公司Battery heating method, system and device in low-temperature environment
CN111769338B (en)*2020-07-102023-06-20陕西航空电气有限责任公司Method for charging storage battery by aviation distribution product charger
CN117811141B (en)*2023-12-282024-10-18苏州星德胜智能电气有限公司Method, system, device and storage medium for controlling charge and discharge of dust collector battery

Also Published As

Publication numberPublication date
CN1441510A (en)2003-09-10

Similar Documents

PublicationPublication DateTitle
CN1282897A (en) Intelligent computer advanced power management system
CN1236400C (en) Secondary battery management method and device
CN103117567B (en)Chip with charge-discharge function and electric quantity detecting function
CN114583823A (en)Street lamp power supply management method and device, electronic equipment and storage medium
CN101034137A (en) Battery cut-off discharge voltage measurement and correction method
Sultania et al.Batteryless Bluetooth low energy prototype with energy-aware bidirectional communication powered by ambient light
CN101034138A (en) Battery capacity monitoring system
CN204066009U (en)A kind of system of fingerprints reducing power consumption and complicacy
CN103841249A (en)Handheld device and battery power monitoring method thereof
CN1169797A (en)Smart battery device
CN107222612B (en)Background application program closing method and device of mobile terminal
CN101131606A (en)Palm PC standby time guarantee method
CN101471582B (en)Charging method and battery charging system
CN103257597B (en)Control method and electronic equipment
CN216489829U (en)Battery management system and low-power-consumption standby starting circuit thereof
CN102386807B (en)Power management system and power management method
CN201655005U (en)Solar infrared remote controller
CN201368909Y (en)Device for detecting service time of battery
CN104734289A (en) A mobile power supply with remote control
CN207037662U (en)A kind of school control's computer control system
CN201975812U (en)Circuit for managing charging and discharging on the basis of rechargeable battery
CN101740828A (en)Portable electronic device and charging method thereof
CN204833161U (en)Utilize super capacitor to realize wireless keyboard that solar charging and hypervelocity charge
KR20210017536A (en)Battery management system, battery management method and energy storage system
CN211579624U (en)Low-power-consumption circuit of lithium battery management system

Legal Events

DateCodeTitleDescription
C10Entry into substantive examination
SE01Entry into force of request for substantive examination
C06Publication
PB01Publication
C10Entry into substantive examination
SE01Entry into force of request for substantive examination
C14Grant of patent or utility model
GR01Patent grant
C17Cessation of patent right
CF01Termination of patent right due to non-payment of annual fee

Granted publication date:20060111


[8]ページ先頭

©2009-2025 Movatter.jp