Movatterモバイル変換


[0]ホーム

URL:


CN116131628B - Switching power supply and lamp turning control system and chip thereof - Google Patents

Switching power supply and lamp turning control system and chip thereof
Download PDF

Info

Publication number
CN116131628B
CN116131628BCN202310408480.4ACN202310408480ACN116131628BCN 116131628 BCN116131628 BCN 116131628BCN 202310408480 ACN202310408480 ACN 202310408480ACN 116131628 BCN116131628 BCN 116131628B
Authority
CN
China
Prior art keywords
control
input end
output
secondary side
signal
Prior art date
Legal status (The legal status is an assumption and is not a legal conclusion. Google has not performed a legal analysis and makes no representation as to the accuracy of the status listed.)
Active
Application number
CN202310408480.4A
Other languages
Chinese (zh)
Other versions
CN116131628A (en
Inventor
邱诚玉
张�杰
郑凌波
朱敏
Current Assignee (The listed assignees may be inaccurate. Google has not performed a legal analysis and makes no representation or warranty as to the accuracy of the list.)
Lii Semiconductor Inc
Original Assignee
Lii Semiconductor Inc
Priority date (The priority date is an assumption and is not a legal conclusion. Google has not performed a legal analysis and makes no representation as to the accuracy of the date listed.)
Filing date
Publication date
Application filed by Lii Semiconductor IncfiledCriticalLii Semiconductor Inc
Priority to CN202310408480.4ApriorityCriticalpatent/CN116131628B/en
Publication of CN116131628ApublicationCriticalpatent/CN116131628A/en
Application grantedgrantedCritical
Publication of CN116131628BpublicationCriticalpatent/CN116131628B/en
Activelegal-statusCriticalCurrent
Anticipated expirationlegal-statusCritical

Links

Images

Classifications

Landscapes

Abstract

The application relates to a switching power supply, a lamp turning control system and a chip thereof, which belong to the technical field of switching power supply control, and comprise a control module, a control module and a control module, wherein the control module is arranged in a secondary side loop and used for detecting the charge state of a load and outputting a control signal; the first indicator lamp is electrically connected between the control module and the secondary side loop and is used for displaying the charging state of the load; the second indicator lamp is electrically connected between the control module and the secondary side loop and is used for displaying the load full-power state; the control module comprises a detection input end, a sampling input end and an output connection end, wherein the detection input end is connected to the secondary side loop and is used for acquiring an induced voltage signal of the secondary side loop and judging whether the primary side loop is conducted or not according to the voltage signal; the sampling input end is connected to the secondary side loop and used for obtaining an output voltage signal; the control module obtains the working frequency of the switching power supply according to the induced voltage signal and the output voltage signal and outputs a control signal. The circuit power consumption reduction method has the effect of reducing circuit power consumption.

Description

Switching power supply and lamp turning control system and chip thereof
Technical Field
The application relates to the technical field of switching power supply control, in particular to a switching power supply, a lamp turning control system and a chip thereof.
Background
In the family of medium and low power battery chargers, battery charging turn-by-light indication is an important aspect of safety and reliability of battery charging, and directly reflects the charging indication state of a user, so that battery charging damage, explosion and personal safety endangering caused by battery overcharge are prevented.
At present, an operational amplifier is generally selected as a comparator for the typical circuit of the existing charging turn lamp to realize the turn lamp function. This exemplary circuit includes: the comparator circuit, the current detection circuit and the reference voltage device.
As shown in fig. 1, ro and CMP constitute a current detection circuit. When the power supply charges the battery, the D, co is changed into smooth direct current to supply the battery to charge, at the moment, current flows through Ro, and voltage is formed at two ends of Ro and is output to one input end of the CMP, and compared with the reference voltage at the other end of the CMP, if the Ro voltage is larger than the reference voltage, the state is that the battery is being charged, and a comparison signal Sout is output to be low; when the battery is full, the voltage of the battery is increased, the current on Ro is reduced, the voltage at two ends of Ro is reduced, namely the Ro voltage is smaller than the reference voltage, the state is that charging is completed, and the turning output of CMP is high at the moment; the Sout signal is used for controlling the indicator lamps with different colors, so that the aim of intuitively displaying the charging state of the battery is fulfilled.
The defects of the lamp turning circuit are that: the current detection is carried out, the voltage of the sampling resistor is monitored in real time through the sampling resistor connected in series on the output loop, and the charging lamp is turned over.
Disclosure of Invention
In order to reduce power loss in a switching power supply, a switching power supply switching control system and a switching power supply switching control chip are provided.
In a first aspect, the present application provides a switching power supply's turn light control system, which adopts the following technical scheme:
a turn light control system for a switching power supply, comprising:
the control module is arranged in the secondary side loop and used for detecting the charge state of the load and outputting a control signal;
the first indicator lamp is electrically connected between the control module and the secondary side loop and is used for displaying the charging state of the load;
the second indicator lamp is electrically connected between the control module and the secondary side loop and is used for displaying the full load state;
the control module comprises a detection input end, a sampling input end, an output connection end, a first comparator, a control tube and a lamp turning circuit,
the detection input end is connected to the secondary side loop and is used for acquiring an induced voltage signal of the secondary side loop and judging whether the primary side loop is conducted or not according to the voltage signal;
the sampling input end is connected to the secondary side loop and is used for obtaining an output voltage signal;
the control module acquires the working frequency of the switching power supply according to the induced voltage signal and the output voltage signal and outputs a control signal;
the output connection end is connected with the first indicator lamp and the second indicator lamp and is used for outputting control signals to control the first indicator lamp and the second indicator lamp;
the input end of the first comparator is respectively connected with the detection input end and the sampling input end and is used for acquiring the working frequency of the switching power supply;
the control electrode of the control tube is coupled to the output end of the first comparator and is used for responding to the working frequency of the switching power supply;
the turn light circuit (120) is coupled with the first comparator and the control tube, and judges the running state of the load according to the working frequency of the switching power supply so as to output a control signal.
Through adopting above-mentioned technical scheme, control module obtains the induced voltage signal in the secondary circuit through detecting the input, obtains output voltage signal through sampling input, obtains switching power supply's real-time operating frequency through induced voltage signal and output voltage signal, judges the running state of load according to switching power supply's operating frequency to output control signal controls first pilot lamp and second pilot lamp, control module obtains switching power supply's operating frequency through comparing induced voltage signal and output voltage signal in order to replace and obtain the running state of load through the current that the sampling resistor is obtained in the secondary circuit in series, has reduced switching power supply's power consumption component, thereby reduces power loss. The first comparator is used for comparing the input induced voltage signal and the output voltage signal to output high and low level output so as to obtain the working frequency of the switching power supply, the control tube is used for responding to the comparison signal of the first comparator and is conducted or cut off according to the comparison signal, and the lamp turning circuit is used for outputting a control signal according to the conduction or cut-off of the control tube so as to control the first indicator lamp or the second indicator lamp to be turned on.
Preferably, the non-inverting input terminal of the first comparator is connected to the detection input terminal, and the inverting input terminal of the first comparator is connected to the sampling input terminal.
By adopting the technical scheme, the in-phase input end of the first comparator acquires the induced voltage signal, and the inverting input end of the first comparator acquires the output voltage signal, so that the high-low level signal output by the first comparator is ensured to be in phase with the high-low level signal change of the working frequency of the switching power supply.
Preferably, the lamp turning circuit comprises a current source connected in series with the control tube, a buffer capacitor connected in parallel with the control tube and a second comparator, wherein the current source is connected in series with the buffer capacitor between the sampling input end and the ground, when the control tube is cut off, the buffer capacitor is charged, and when the control tube is conducted, the buffer capacitor is discharged;
the input end of the second comparator is respectively input with the voltage value and the reference voltage of the buffer capacitor, and the second comparator compares the voltage value and the reference value of the buffer capacitor and outputs a response signal, wherein the response signal is used for reflecting the running state of the load.
Through adopting above-mentioned technical scheme, through setting up current source and buffer capacitor, utilize under the switching-on of control tube and the different state of shutoff, buffer capacitor charges and discharges two kinds of different characteristics, detects buffer capacitor's voltage value through the second comparator, sets up reference voltage in order to realize when switching power supply frequency changes low frequency mode from high frequency mode, and the response signal of second comparator output can take place the transition in step to realize the control to first pilot lamp and second pilot lamp.
Preferably, the turn light circuit further comprises a trigger, wherein a signal input end of the trigger is connected with the input end and is used for acquiring an output voltage signal; the clock control end of the trigger is connected with the output end of the first comparator and is used for acquiring a comparison signal; and the reset end of the trigger is connected with the output end of the second comparator and is used for acquiring a response signal, the output end of the trigger is connected with the output connection end, and a control signal is output according to the output voltage signal and the response signal.
By adopting the technical scheme, the trigger condition of the trigger is utilized by setting the trigger, so that the change of the control signal is influenced by the change of the response signal of the second comparator caused by discharging or charging of the buffer capacitor under the non-trigger condition.
Preferably, the output connection end (110) comprises a first connection port and a second connection port, the first connection port is connected with the first indicator lamp, the second connection port is connected with the second indicator lamp, the first connection port and the second connection port are used for responding to control signals, and the conduction conditions of the first connection port and the second connection port are opposite.
Through adopting above-mentioned technical scheme, through setting up first connector and second connector and setting up that the conduction condition of first connector and second connector is opposite to when making control module output control signal, first pilot lamp and second pilot lamp can not be lighted simultaneously.
In a second aspect, the present application provides a switching power supply applying the above-mentioned turn light control system, including a primary side loop and a secondary side loop;
the primary loop comprises a primary coil and a bridge rectifier for rectifying input alternating current;
the secondary side loop comprises a secondary side coil and an output capacitor which are mutually connected in parallel, and two ends of the output capacitor are used for connecting a load;
the secondary side coil is coupled with the secondary side diode, the anode of the secondary side diode is coupled with the secondary side coil, the cathode of the secondary side diode is coupled with the output capacitor, the detection input end is coupled with the anode of the secondary side diode, the sampling input end is coupled with the cathode of the secondary side diode, the input end of the first comparator is connected with the detection input end and the sampling input end, the control electrode of the control tube is coupled with the output end of the first comparator, and the turn light circuit (120) is coupled with the first comparator and the control tube.
In a third aspect, the present application provides a turn light control chip, including the control module of the turn light control system.
In summary, the present application includes at least one of the following beneficial technical effects:
the running state of the load is judged by detecting the real-time working frequency of the switching power supply so as to improve the lamp rotating speed; when the load is in a loaded or heavy load, the switch power supply is in a high-frequency working mode, the first indicator lamp is on, and when the load is in a light load or no load, the switch power supply is in a low-frequency working mode, and the second indicator lamp is on; meanwhile, the mode of judging the working frequency is adopted to reduce the use of energy consumption elements and reduce the power loss;
the reference voltage is set to adapt to current sources and/or buffer capacitors of different models so as to enlarge the application range of the current source and/or buffer capacitor;
the control module is integrated into the new lamp-turning control disc, so that peripheral elements of the system are reduced, a switching power supply is simplified, and production cost is reduced.
Drawings
FIG. 1 is a schematic diagram of a prior art turn light circuit;
FIG. 2 is a schematic diagram of the overall structure of a switching power supply according to an embodiment of the present application;
fig. 3 is a schematic circuit diagram of a switching power supply switching control system according to an embodiment of the present application;
fig. 4 is a partial operation waveform diagram of the switching power supply according to the embodiment of the present application when the load is changed from the charged state to the full state.
Reference numerals illustrate: 100. a control module; 110. an output connection; 120. a turn light circuit; 200. and outputting a control system.
Detailed Description
The present application is described in further detail below in conjunction with figures 2-4 of the drawings.
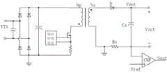
The embodiment of the application discloses a switching power supply, and in the scheme of the application, the switching power supply can be a flyback switching power supply or a Buck power supply lamp, and in the embodiment of the application, the flyback switching power supply is taken as an example for description. As shown in fig. 2, the switching power supply includes a transformer, anoutput control system 200 for adjusting an operating frequency according to a load state, and a turn light control system for displaying the load state; in the embodiment of the application, the load is a rechargeable battery bat. The transformer comprises a primary side loop and a secondary side loop; the turn light control system includes:
thecontrol module 100 is arranged in the secondary side loop, and is used for detecting the charge state of the load and outputting a control signal SW;
the first indicator light LED1 is electrically connected between thecontrol module 100 and the secondary loop, and is used for displaying the charging state of the load;
the second indicator light LED2 is electrically connected between thecontrol module 100 and the secondary loop, and is used for displaying the full load state.
When the switching power supply charges the load, that is, when the load is in a load state or in a heavy load state, theoutput control system 200 automatically adjusts and increases the operating frequency (switching frequency) to stabilize the output voltage signal Vout; when the load is in light load or no load, theoutput control system 200 reduces the operating frequency; the turn light control system is connected to the secondary side loop (load end), detects the charge state of the load, and outputs a control signal SW to control a first indicator light LED1 or a second indicator light LED2, wherein the first indicator light LED1 and the second indicator light LED2 are in two different colors, in the embodiment of the application, the first indicator light LED1 takes a red light as an example, and the second indicator light LED2 takes a green light as an example, so that the load is intuitively displayed in the charge state or the full-charge state.
Referring to fig. 2, specifically, the primary loop includes a primary coil Np and a bridge rectifier for rectifying an input alternating current, the secondary loop includes a secondary coil Ns and an output capacitor C0 which are disposed in parallel with each other, the secondary coil Ns and the primary coil Np are coupled to each other to induce inductance, and both ends of the output capacitor C0 are used to connect a load in parallel; a secondary diode D1 is coupled between the secondary winding Ns and the output capacitor C0, an anode of the secondary diode D1 is coupled to the secondary winding Ns, and a cathode of the secondary diode D1 is coupled to the output capacitor C0. When the primary winding Np is turned on, the primary stores energy, the anode of the secondary diode D1 senses that the voltage of the primary winding Np is negative, and the cathode of the secondary diode D1 is connected to the output capacitor C0, so that the voltage is positive, the secondary diode D1 is turned off, and the load is powered by the output capacitor C0. When the primary winding Np is turned off, energy is instantaneously transferred to the secondary winding, the anode voltage of the secondary diode D1 is higher than the cathode voltage, the secondary diode D1 is turned on, and the secondary winding Ns supplies power to the load and the output capacitor C0.
Referring to fig. 2 and 3, thecontrol module 100 includes a detection input VSin, a sampling input Vin, and anoutput connection 110, wherein,
the detection input end VSin is connected to the secondary side loop and is used for acquiring an induced voltage signal VS of the secondary side loop so as to judge whether the primary side loop is conducted or not; that is, the detection input terminal VSin is coupled between the secondary winding Ns and the anode of the secondary diode D1, for obtaining the induced voltage on the anode side of the secondary diode D1.
The sampling input end Vin is connected to the secondary side loop and is used for obtaining an output voltage signal Vout; that is, the sampling input terminal Vin is coupled between the cathode of the secondary diode D1 and the output capacitor C0, and is used for obtaining the output voltage of the cathode side of the secondary diode D1.
Theoutput connection end 110 is connected with the first indicator light LED1 and the second indicator light LED2 and is used for outputting a control signal SW to control the first indicator light LED1 and the second indicator light LED2; in this embodiment, theoutput connection terminals 110 are two, which are a first connection port V1 connected to the first indicator LED1 and a second connection port V2 connected to the second indicator LED 2.
Referring to fig. 2 and 3, thecontrol module 100 obtains the turn-on frequency of the primary winding Np according to the change frequency of the induced voltage signal VS in the secondary loop to obtain the operating frequency of the switching power supply, and determines the operating state of the load according to the operating frequency of the switching power supply to output the control signal SW to control the jump from the first indicator LED1 to the second indicator LED 2.
Referring to fig. 2 and 3, thecontrol module 100 includes a first comparator CMP1, a control tube Q1, and a turnlight circuit 120, where an input end of the first comparator CMP1 is connected to a detection input end VSin and the sampling input end Vin, respectively, for obtaining an operating frequency of the switching power supply; the control electrode of the control tube Q1 is coupled to the output end of the first comparator CMP1 and is used for responding to the working frequency of the switching power supply; theturn lamp circuit 120 is coupled to the first comparator CMP1 and the control tube Q1, and determines an operation state of the load according to an operation frequency of the switching power supply to output the control signal SW.
Referring to fig. 2 and 3, in the embodiment of the present application, in order to ensure that the comparison signal Sout output by the first comparator CMP1 is consistent with the operating frequency of the switching power supply, the non-inverting input end of the first comparator CMP1 is connected with the detection input end VSin to obtain the induced voltage signal VS of the secondary loop, the inverting input end of the first comparator CMP1 is connected with the sampling input end Vin to obtain the output voltage signal Vout, the first comparator CMP1 compares the induced voltage signal VS with the output voltage signal Vout and outputs the comparison signal Sout, and similarly, the non-inverting input end of the first comparator CMP1 may also be connected with the sampling input end Vin, the inverting input end of the first comparator CMP1 is connected with the detection input end VSin, and the subsequent conversion may be performed through the inverting logic so that the two are consistent; the inverting input terminal of the first comparator CMP1 is shown as the sampling input terminal Vin in this application. The control electrode of the control tube Q1 is connected to the output terminal of the first comparator CMP1, and performs on/off control according to the comparison signal Sout output from the first comparator CMP 1.
Referring to fig. 2 and 3, theturn lamp circuit 120 includes a current source Ic connected in series with the control tube Q1 and a buffer capacitor C1 connected in parallel with the control tube Q1, the current source Ic and the buffer capacitor C1 are connected in series between the sampling input Vin and the ground, and the output voltage signal Vout provides the current source Ic and the buffer capacitor C1 with electric energy. When the control tube Q1 is conducted, the buffer capacitor C1 discharges; when the control tube Q1 is turned off, the snubber capacitor C1 is charged. The turnlight circuit 120 further includes a second comparator CMP2 and a trigger DRFF, wherein an input end of the second comparator CMP2 is coupled between the current source Ic and the buffer capacitor C1, so as to obtain a voltage value of the buffer capacitor C1, the other input end of the second comparator CMP2 inputs a reference voltage Vref, and the second comparator CMP2 is configured to compare the voltage value of the buffer circuit with the reference voltage Vref and output a response signal S, where the response signal S is configured to reflect an operation state of the load.
Referring to fig. 2 and 3, a signal input terminal D of the flip-flop DRFF is connected to a sampling input terminal Vin, a clock control terminal CLK of the flip-flop DRFF is connected to an output terminal of the first comparator CMP1, a reset terminal RB of the flip-flop DRFF is connected to an output terminal of the second comparator CMP2, in this embodiment, the flip-flop DRFF is a D flip-flop (initial output state is 1), and the flip-flop DRFF is triggered by a rising edge, that is, when a clock signal at an input terminal of the clock control terminal CLK is a rising edge, if a reset signal rb=1 at an input terminal RB of the reset terminal RB, a control signal SW output by the flip-flop DRFF is the same as an input signal D input by the signal input terminal D and is at a high level; if the reset signal rb=0 is inputted to the reset terminal RB, the control signal SW is at a low level as the reset signal.
Referring to fig. 2 and 3, in the embodiment of the present application, an output terminal Q of the flip-flop DRFF is connected to a first connection port V1 and a second connection port V2, respectively, where the first connection port V1 and the second connection port V2 are configured to receive and respond to the control signal SW; the conduction conditions of the first connection port V1 and the second connection port V2 are opposite, so that the control signal SW output by the flip-flop DRFF can control the first indicator lamp LED1 and the second indicator lamp LED2 not to be simultaneously turned on. The first connection port V1 is set as a first switch tube K1, the second connection port V2 is set as a second switch tube K2, if the first switch tube K1 and the second switch tube K2 are switch tubes with the same conduction condition, the second connection port V2 is also provided with a first non-logic device NOT1, and the first non-logic device NOT1 is arranged between the output end Q of the trigger DRFF and the second switch tube K2; that is, the first switching tube K1 is connected in series with the first indicator light LED1, and the second switching tube K2 is connected in series with the second indicator light LED2, so that the first indicator light LED1 and the second indicator light LED2 are NOT simultaneously lighted by the first non-logic device NOT 1. Similarly, if the first switching tube K1 and the second switching tube K2 adopt two switching tubes with opposite conduction conditions, the control signal SW output by the trigger DRFF can control the first switching tube K1 and the second switching tube K2 NOT to be closed at the same time without the first non-logic device NOT 1; the application shows that first switch tube K1 and second switch tube K2 are NPN triode as an example.
Referring to fig. 2 and 3, when the first switching tube K1 and the second switching tube K2 are both turned on at a high level, and the first switching tube K1 is connected to the first indicator light LED1, so when the clock signal is at a rising edge, if the reset signal is a high level signal, the control signal SW output by the flip-flop diff is the same as the input signal, and at this time, the load is in a charging state; if the reset signal is a low level signal, the control signal SW output by the flip-flop diff is the same as the reset signal, and the load is in a full power state.
Referring to fig. 3 and 4, in the embodiment of the present application, the control tube Q1 is an NMOS tube, when the comparison signal Sout output by the first comparator CMP1 is at a low level, the control tube Q1 is turned off, at this time, the current source Ic and the buffer capacitor C1 are connected in series, the buffer capacitor C1 is charged, and the voltage of the buffer capacitor C1 is increased; when the comparison signal Sout output by the first comparator CMP1 is a high level signal, the control tube Q1 is turned on, and at this time, the buffer capacitor C1 is discharged, and the voltage of the buffer capacitor C1 drops. The non-inverting input end of the second comparator CMP2 is coupled with the buffer capacitor C1 to acquire the voltage of the buffer capacitor C1, the inverting input end of the second comparator CMP2 inputs the reference voltage Vref, the second comparator CMP2 outputs a response signal S according to the voltage of the buffer capacitor C1 and the reference circuit, a second non-logic NOT2 is arranged between the second comparator CMP2 and the trigger DRFF, under the action of the second non-logic NOT2, when the response signal S is a high-level signal, the reset signal input by the trigger DRFF is a low-level signal, and when the response signal S is a low-level signal, the reset signal input by the trigger DRFF is a high-level signal. Similarly, if the reference voltage Vref is input to the non-inverting input terminal of the second comparator CMP2 and the voltage of the buffer capacitor C1 is input to the inverting input terminal of the second comparator CMP2, the second non-logic device NOT2 is NOT required to be arranged between the output terminal of the second comparator CMP2 and the flip-flop DRFF; in the embodiment of the present application, the voltage input to the buffer capacitor C1 at the non-inverting input terminal of the second comparator CMP2 is taken as an example.
Referring to fig. 3 and 4, when the load is in a charged state, the switching power supply is in a high-frequency operation mode, the comparison signal Sout output by the first comparator CMP1 is also a high-level signal and a low-level signal which change at a high frequency, the control tube Q1 intermittently discharges the buffer capacitor C1, the voltage clock of the buffer capacitor C1 is always smaller than the reference voltage Vref, the response signal S output by the second comparator CMP2 is always at a low level, the clock signal input by the clock control terminal CLK of the flip-flop DRFF is a high-frequency signal, and when the clock signal is in a rising edge, the reset signal input by the reset terminal RB is a high-level signal, and at this time, the control signal SW is the same as the input signal and is at a high level, and the first indicator lamp LED1 is turned on. When the load is in a full-power state, the switching power supply is in a low-frequency working mode, the comparison signal Sout output by the first comparator CMP1 is also a high-level signal and a low-level signal with low-frequency change, the duration of the low-level signal is longer than the duration of the high-level change, the duration of charging the buffer capacitor C1 by the control tube Q1 is longer than the discharging duration, the voltage of the buffer capacitor C1 is always greater than the reference voltage Vref, the response signal S output by the second comparator CMP2 is always a high level, the reset signals input by the reset terminal RB are all low-level signals, the control signal SW is the same as the reset signals and is low-level, and the second indicator lamp LED2 is lighted.
Referring to fig. 3, as can be seen from the formula u=i×dc/dt, the magnitude of the voltage value is related to the current value and the capacitance value, and the charging duration of the capacitor, in this embodiment, the charging duration of the buffer capacitor C1 is related to the operating frequency of theoutput control system 200, that is, the operating state of the load, so the voltage value setting of the reference voltage Vref is set according to the current value of the current source Ic and the capacitance value of the buffer capacitor C1. Specifically, when the switching power supply works below the minimum frequency of 25Hz, the first indicator light LED1 jumps to the second indicator light LED2, and the reference voltage Vref may be set to a voltage value when the charging duration of the buffer capacitor C1 is 40 ms; namely, when the working frequency of the switching power supply is greater than 25Hz, the induced voltage signal VS obtained at the non-inverting input end of the first comparator CMP1 changes rapidly between positive and negative values, so that the comparison signal Sout output by the first comparator CMP1 is a high-frequency pulse signal, the charging and discharging of the buffer capacitor C1 change rapidly, and the charging duration is less than 40ms, and at this moment, when the trigger DRFF is at the rising edge, the voltage value of the buffer capacitor C1 is always less than the reference voltage Vref, so that the response signal S output by the second comparator CMP2 is always a low-level signal; when the operating frequency of the switching power supply is less than 25Hz, the induced voltage signal VS obtained at the non-inverting input terminal of the first comparator CMP1 slowly changes between a positive value and a negative value, the charging time period of the buffer capacitor C1 is longer than 40ms, and when the trigger DRFF is at the rising edge, the voltage value of the buffer capacitor C1 is always greater than the reference voltage Vref, so that the response signal S output by the second comparator CMP2 is always a high level signal.
The control principle of the switching power supply with the turn light control system in the embodiment of the application is as follows: when the rechargeable battery bat is in a charging state, the switching power supply is in normal load operation, the output control system 200 is in a high-frequency working mode, the comparison signal Sout output by the first comparator CMP1 is also a high-frequency pulse signal, the control tube Q1 is controlled to intermittently discharge the buffer capacitor C1, when the clock signal input by the clock end of the trigger DRFF is in a rising edge, the voltage value of the buffer capacitor C1 is always smaller than the reference voltage Vref, the response signal S output by the second comparator CMP2 is in a low level, after passing through the second non-logic device NOT2, the high level is output to the reset end RB of the trigger DRFF, when the reset signal is in a high level, the trigger DRFF normally works, the input signal of the input end of the trigger DRFF is in a high level, so the control signal SW output by the trigger DRFF is a high-level signal, the first switch tube K1 is turned on, the first indicator lamp LED1 is on, the second switch tube K2 is turned off under the reverse phase action of the first non-logic device NOT turned on, and the second indicator lamp LED2 is NOT on.
When the rechargeable battery bat is fully charged, theoutput control system 200 automatically adjusts and reduces the working frequency, the switching power supply is in light load operation, the comparison signal Sout output by the first comparator CMP1 is also a low-frequency pulse signal, the control tube Q1 is controlled to intermittently charge and discharge the buffer capacitor C1, the charging duration of the buffer capacitor C1 is prolonged before the rising edge of the clock signal of the trigger DRFF arrives, when the voltage value of the buffer capacitor C1 is greater than the reference voltage Vref, the response signal S output by the second comparator CMP2 is at a high level, after passing through the second non-logic device NOT2, the low level is output to the reset end RB of the trigger DRFF, when the reset signal is at a low level, the control signal SW output by the trigger DRFF is at a low level, the first switch tube K1 is turned off, the first indicator lamp LED1 is NOT on, the second switch tube K2 is turned on under the reverse phase action of the first non-logic device NOT1, and the second indicator lamp LED2 is turned on. In the full charge state of the rechargeable battery bat, the voltage value of the subsequent buffer capacitor C1 is greater than the reference voltage Vref when the clock signal of the flip-flop DRFF is at the rising edge, so the second comparator CMP2 always outputs a high level signal.
The embodiment of the application also discloses a switching power supply turn light control chip. Thecontrol module 100 disclosed in the above embodiment is integrated in the control chip, and includes a first comparator CMP1, a control tube Q1, and a turn-overcircuit 120, where the first comparator CMP1 obtains the working frequency of the switching power supply, the control tube Q1 responds to the working frequency, and the turn-overcircuit 120 determines the running state of the load according to the working of the switching power supply; when the working frequency of the switching power supply is high frequency, the load is in a loaded or heavy-load state, and at the moment, the first indicator light LED1 is on; when the operating frequency of the switching power supply is low frequency, the load is in light load or no load, and the second indicator light LED2 is on.
The foregoing are all preferred embodiments of the present application, and are not intended to limit the scope of the present application in any way, therefore: all equivalent changes in structure, shape and principle of this application should be covered in the protection scope of this application.

Claims (7)

CN202310408480.4A2023-04-172023-04-17Switching power supply and lamp turning control system and chip thereofActiveCN116131628B (en)

Priority Applications (1)

Application NumberPriority DateFiling DateTitle
CN202310408480.4ACN116131628B (en)2023-04-172023-04-17Switching power supply and lamp turning control system and chip thereof

Applications Claiming Priority (1)

Application NumberPriority DateFiling DateTitle
CN202310408480.4ACN116131628B (en)2023-04-172023-04-17Switching power supply and lamp turning control system and chip thereof

Publications (2)

Publication NumberPublication Date
CN116131628A CN116131628A (en)2023-05-16
CN116131628Btrue CN116131628B (en)2023-07-14

Family

ID=86310364

Family Applications (1)

Application NumberTitlePriority DateFiling Date
CN202310408480.4AActiveCN116131628B (en)2023-04-172023-04-17Switching power supply and lamp turning control system and chip thereof

Country Status (1)

CountryLink
CN (1)CN116131628B (en)

Families Citing this family (1)

* Cited by examiner, † Cited by third party
Publication numberPriority datePublication dateAssigneeTitle
CN117578351B (en)*2024-01-162024-04-05深圳市力生美半导体股份有限公司Switching power supply, control method thereof and storage medium

Citations (2)

* Cited by examiner, † Cited by third party
Publication numberPriority datePublication dateAssigneeTitle
CN204089314U (en)*2014-09-122015-01-07杭州得康蓄电池修复仪有限公司Battery charging and discharging management circuit and auxiliary power module
CN114825969A (en)*2022-06-222022-07-29深圳市力生美半导体股份有限公司Flyback switching power supply and output control system, method and chip thereof

Family Cites Families (14)

* Cited by examiner, † Cited by third party
Publication numberPriority datePublication dateAssigneeTitle
JPH11215716A (en)*1998-01-201999-08-06Matsushita Electric Ind Co Ltd Battery management device, battery pack and electronic equipment
JP4360326B2 (en)*2005-01-212009-11-11サンケン電気株式会社 Resonant switching power supply
US7787262B2 (en)*2005-05-092010-08-31Allegro Microsystems, Inc.Capacitor charging methods and apparatus
JP5107656B2 (en)*2007-10-102012-12-26ローム株式会社 Control circuit for self-excited capacitor charging circuit, control method, capacitor charging circuit using the same, and electronic equipment
CN201504113U (en)*2009-09-302010-06-09东莞市盈聚电子有限公司Constant voltage and constant current charging circuit with conversion lamp
CN104935061B (en)*2014-03-212019-03-08深圳市海洋王照明工程有限公司Battery charge prompting circuit and lamps and lanterns
CN205982490U (en)*2016-08-302017-02-22杭州元朗智能科技有限公司Charger detector
CN206211600U (en)*2016-11-252017-05-31深圳市景创科技电子有限公司Charging indication and charging device
CN206365083U (en)*2016-12-202017-07-28东莞市乐丰电器科技有限公司 Switching power supply with turn light circuit
CN108964464B (en)*2017-05-192022-11-29上海芯熠微电子有限公司Circuit and method for nondestructive testing of load current at output side of switching power supply
JP6987645B2 (en)*2018-01-052022-01-05東芝テック株式会社 Power conversion device and image forming device
CN209170013U (en)*2019-01-082019-07-26江门市蓬江区金赢科技有限公司It is a kind of while overcharging the battery protecting circuit for turning lamp
CN212064453U (en)*2019-12-282020-12-01武汉上水微电子科技有限公司 An AC to DC charging indicator light control circuit
CN115498891B (en)*2022-10-272023-09-19深圳市力生美半导体股份有限公司 Flyback switching power supply and self-powered circuit, method and chip thereof

Patent Citations (2)

* Cited by examiner, † Cited by third party
Publication numberPriority datePublication dateAssigneeTitle
CN204089314U (en)*2014-09-122015-01-07杭州得康蓄电池修复仪有限公司Battery charging and discharging management circuit and auxiliary power module
CN114825969A (en)*2022-06-222022-07-29深圳市力生美半导体股份有限公司Flyback switching power supply and output control system, method and chip thereof

Also Published As

Publication numberPublication date
CN116131628A (en)2023-05-16

Similar Documents

PublicationPublication DateTitle
US8169184B2 (en)Self-adaptable recharger
US20180368223A1 (en)Emergency Lighting System with Charging, Standby, and Emergency Modes of Operation
US8912763B2 (en)Charger device
EP2280474B1 (en)Power conversion apparatus, discharge lamp ballast and headlight ballast
US20070241616A1 (en)Low cost, low power loss uninterruptible power supply
CN102523654B (en)Drive circuit of LED light source, control circuit thereof and control method thereof
EP2244350A2 (en)Battery pack
CN100376068C (en)Intelligent high-frequency accumulator charger
US12244214B2 (en)Single-phase and three-phase compatible ac-dc conversion circuit and method of detecting input current thereof
CN101355263B (en)Battery charger
CN104219840A (en)LED switch color temperature regulation controller and LED drive circuit
CN108347036B (en)Switching power supply circuit with input over-voltage and under-voltage protection and LED drive circuit
CN217063575U (en) An uninterrupted multi-output DC power supply
CN116131628B (en)Switching power supply and lamp turning control system and chip thereof
CN103260303A (en)Portable lighting device, and method and controller for controlling power supply to load
CN104280684A (en)Battery life detection device
CN200994071Y (en)Battery charger
US20110316473A1 (en)Charging Device for Alkaline Battery
TW201543784A (en)Battery charger having battery voltage detector and controlling method thereof
CN204090236U (en)LED switch color-temperature regulating controller and LED drive circuit
CN203278327U (en) A backup power supply charging and discharging control circuit
KR101455147B1 (en)Power supply for emergency
CN213693465U (en)Power supply, step-up/power converter, and power supply and power converter having PFC
CN101969707B (en)A kind of lamp switching circuit of battery charger
CN218499029U (en)Switching power supply, AC-DC circuit and input voltage detection circuit

Legal Events

DateCodeTitleDescription
PB01Publication
PB01Publication
SE01Entry into force of request for substantive examination
SE01Entry into force of request for substantive examination
GR01Patent grant
GR01Patent grant

[8]ページ先頭

©2009-2025 Movatter.jp