Movatterモバイル変換


[0]ホーム

URL:


CN115883704A - Screen over-vibration protection method and device, electronic equipment and storage medium - Google Patents

Screen over-vibration protection method and device, electronic equipment and storage medium
Download PDF

Info

Publication number
CN115883704A
CN115883704ACN202111146429.8ACN202111146429ACN115883704ACN 115883704 ACN115883704 ACN 115883704ACN 202111146429 ACN202111146429 ACN 202111146429ACN 115883704 ACN115883704 ACN 115883704A
Authority
CN
China
Prior art keywords
screen
vibration
signal
driving signal
audio signal
Prior art date
Legal status (The legal status is an assumption and is not a legal conclusion. Google has not performed a legal analysis and makes no representation as to the accuracy of the status listed.)
Pending
Application number
CN202111146429.8A
Other languages
Chinese (zh)
Inventor
李云鹤
Current Assignee (The listed assignees may be inaccurate. Google has not performed a legal analysis and makes no representation or warranty as to the accuracy of the list.)
ZTE Corp
Original Assignee
ZTE Corp
Priority date (The priority date is an assumption and is not a legal conclusion. Google has not performed a legal analysis and makes no representation as to the accuracy of the date listed.)
Filing date
Publication date
Application filed by ZTE CorpfiledCriticalZTE Corp
Priority to CN202111146429.8ApriorityCriticalpatent/CN115883704A/en
Publication of CN115883704ApublicationCriticalpatent/CN115883704A/en
Pendinglegal-statusCriticalCurrent

Links

Images

Landscapes

Abstract

The embodiment of the invention provides a screen over-vibration protection method and device, electronic equipment and a storage medium, and belongs to the field of electronic equipment. The method comprises the following steps: generating a first driving signal according to an audio signal to be played; controlling a first exciter to drive a screen to play an audio signal according to a first driving signal; acquiring first amplitude information generated when the screen plays the audio signal, and determining whether the screen is over-vibrated or not according to the first amplitude information; if the screen is determined to be vibrated excessively, generating a second driving signal, wherein the phase of the second driving signal is opposite to that of the first driving signal; and controlling a second exciter to drive the screen to vibrate according to the second driving signal so as to eliminate the screen over vibration. The technical scheme of the embodiment of the invention aims to improve the output effect and reliability of the audio signal during screen over-vibration protection.

Description

Screen over-vibration protection method and device, electronic equipment and storage medium
Technical Field
The invention relates to the technical field of electronic equipment, in particular to a screen over-vibration protection method and device, electronic equipment and a storage medium.
Background
With the development of full-screen technology, more and more electronic devices start to apply screen sound technology. The principle of screen sound production is realized by the vibration of the screen, for example, the screen sound production is realized by adopting a piezoelectric ceramic technology and driving the screen to vibrate and produce sound by an exciter, and the screen is easy to cause serious damage by long-term over-vibration of the screen. To prevent screen vibration, it is currently essential to reduce screen vibration by equipping with methods of improving and reducing loudness. For example, by disposing the exciter at a position far from the screen or by directly reducing the output power for driving the acoustic exciter, these screen over-vibration protection methods result in poor output effect and low reliability of the audio signal.
Disclosure of Invention
The embodiment of the invention provides a screen over-vibration protection method and device, electronic equipment and a storage medium, aiming at improving the output effect and reliability of an audio signal during screen over-vibration protection.
In a first aspect, an embodiment of the present invention provides a screen over-vibration protection method, including:
generating a first driving signal according to an audio signal to be played;
controlling the first exciter to drive the screen to play the audio signal according to the first driving signal;
acquiring first amplitude information generated when the screen plays the audio signal, and determining whether the screen vibrates excessively according to the first amplitude information;
if the screen is determined to be vibrated excessively, generating a second driving signal, wherein the phase of the second driving signal is opposite to that of the first driving signal;
and controlling the second exciter to drive the screen to vibrate according to the second driving signal so as to eliminate the screen over vibration.
In a second aspect, an embodiment of the present invention further provides a screen excessive vibration protection device, where the screen excessive vibration protection device includes a processor, a memory, a computer program stored on the memory and executable by the processor, and a data bus for implementing connection communication between the processor and the memory, where the computer program, when executed by the processor, implements the steps of any one of the screen excessive vibration protection methods provided in the embodiments of the present invention.
In a third aspect, an embodiment of the present invention further provides an electronic device, including:
a screen for sounding;
a first actuator for driving the screen to emit sound and a second actuator for controlling the screen to vibrate;
the screen over-vibration protection device provided by the embodiment of the invention is electrically connected with the first exciter and the second exciter, and is used for controlling the first exciter and the second exciter when the screen over-vibration is detected so as to eliminate the screen over-vibration.
In a fourth aspect, an embodiment of the present invention further provides a storage medium for a computer-readable storage, where the storage medium stores one or more programs, and the one or more programs are executable by one or more processors to implement the steps of any one of the screen over-vibration protection methods provided by the embodiments of the present invention.
The embodiment of the invention provides a screen over-vibration protection method, a screen over-vibration protection device, electronic equipment and a storage medium, wherein a first driving signal is generated according to an audio signal to be played; controlling a first exciter to drive a screen to play an audio signal according to a first driving signal; acquiring first amplitude information generated when the screen plays the audio signal, and determining whether the screen is over-vibrated or not according to the first amplitude information; if the screen is determined to be vibrated excessively, generating a second driving signal, wherein the phase of the second driving signal is opposite to that of the first driving signal; and controlling a second exciter to drive the screen to vibrate according to the second driving signal so as to eliminate the screen over vibration. The vibration direction of the screen driven by the second exciter to vibrate is opposite to the sound vibration direction of the screen, so that screen vibration is reduced, the excessive vibration protection of the screen is provided, the output tone quality and loudness of the audio signal are guaranteed to the maximum extent, and the reliability is high.
Drawings
Fig. 1 is a schematic block diagram of a structure of an electronic device according to an embodiment of the present invention;
fig. 2 is a schematic flowchart illustrating steps of a screen over-vibration protection method according to an embodiment of the present invention;
FIG. 3 is a schematic diagram of a display device of an electronic apparatus according to an embodiment of the present invention;
fig. 4 is another schematic structural diagram of a display device of an electronic apparatus according to an embodiment of the present invention;
FIG. 5 is a flow diagram illustrating sub-steps of the screen over-vibration protection method of FIG. 2;
fig. 6 is another schematic structural diagram of a display device of an electronic apparatus according to an embodiment of the present invention;
fig. 7 is another schematic structural diagram of a display device of an electronic apparatus according to an embodiment of the present invention;
fig. 8 is a schematic block diagram of a structure of a screen over-vibration protection device according to an embodiment of the present invention;
fig. 9 is a block diagram schematically illustrating a structure of an electronic device according to an embodiment of the present invention.
Detailed Description
The technical solutions in the embodiments of the present invention will be clearly and completely described below with reference to the drawings in the embodiments of the present invention, and it is obvious that the described embodiments are some, not all, embodiments of the present invention. All other embodiments, which can be derived by a person skilled in the art from the embodiments given herein without making any creative effort, shall fall within the protection scope of the present invention.
The flow diagrams depicted in the figures are merely illustrative and do not necessarily include all of the elements and operations/steps, nor do they necessarily have to be performed in the order depicted. For example, some operations/steps may be decomposed, combined or partially combined, so that the actual execution sequence may be changed according to the actual situation.
It is to be understood that the terminology used in the description of the invention herein is for the purpose of describing particular embodiments only and is not intended to be limiting of the invention. As used in the specification of the present invention and the appended claims, the singular forms "a," "an," and "the" are intended to include the plural forms as well, unless the context clearly indicates otherwise.
Referring to fig. 1, fig. 1 is a schematic block diagram of an electronic device according to an embodiment of the present invention. The electronic device in the embodiment of the present application will be described below with reference to fig. 1.
As shown in fig. 1, theelectronic device 100 includes ascreen 10, avibration sensor 20, and aprocessor 30, theelectronic device 100 further includes anaudio codec 41, anaudio power amplifier 51, and afirst driver 61, and theelectronic device 100 further includes anaudio codec 42, anaudio power amplifier 52, and asecond driver 62.
Thescreen 10 may be a display screen of theelectronic device 100, and thescreen 10 may serve as a sound producing device of theelectronic device 100 and is controlled by thefirst actuator 61 and thesecond actuator 62. For example, when theelectronic apparatus 100 is in a call, thefirst actuator 61 drives thescreen 10 to vibrate and emit sound, thereby outputting call audio.
Thevibration sensor 20 is configured to collect a vibration signal of thescreen 10, that is, convert the monitored vibration of thescreen 10 into an electrical signal to obtain a vibration signal, and send the collected vibration signal to theprocessor 30. Thevibration sensor 20 may be mounted below thescreen 10 to facilitate better monitoring of the vibration of thescreen 10.
Theprocessor 30 is configured to process the received vibration signal of thescreen 10, for example, perform time-frequency processing on the vibration signal sent by thevibration sensor 20 to generate first amplitude information, determine whether thescreen 10 is vibrating excessively according to the first amplitude information, and control theaudio codec 41 to process the audio signal. Or after determining that thescreen 10 is over-vibrated, generating a second driving signal of thesecond exciter 62, and controlling thesecond exciter 62 to drive thescreen 10 to vibrate according to the second driving signal so as to eliminate the over-vibration of thescreen 10. The vibration signal is a signal acquired by thevibration sensor 20, and the first amplitude information is a plurality of amplitudes generated by theprocessor 30 performing time-frequency processing on the vibration signal.
It will be appreciated that theaudio codec 41 and theaudio codec 42 are used to implement the processing of the audio signals. For example, the frequency or amplitude in a plurality of time segments of the audio signal to be played is sequentially adjusted by theaudio codec 41 or theaudio codec 42. Theaudio power amplifier 51 and theaudio power amplifier 52 are used to amplify the audio signal so that the audio signal reaches a power for driving thefirst driver 61 or thesecond driver 62 to operate.
Thefirst exciter 61 and thesecond exciter 62 are driving units for driving thescreen 10 to vibrate, wherein thefirst exciter 61 is used for driving thescreen 10 to generate sound, and thesecond exciter 62 is used for controlling thescreen 10 to vibrate. Thefirst exciter 61 and thesecond exciter 62 may be an integrated exciter, a piezoelectric ceramic, a two-piece magnetic suspension exciter, etc., and the embodiment is not limited in particular.
It should be noted that theProcessor 30 may be a Central Processing Unit (CPU), and theProcessor 30 may also be other general-purpose processors, digital Signal Processors (DSPs), application Specific Integrated Circuits (ASICs), field Programmable Gate Arrays (FPGAs) or other Programmable logic devices, discrete Gate or transistor logic devices, discrete hardware components, etc. A general purpose processor may be a microprocessor or the processor may be any conventional processor or the like.
In theelectronic device 100, when theprocessor 30 detects a request for playing an audio signal to be played, a first driving signal of thefirst exciter 61 is generated according to the audio signal to be played, and the first driving signal is sent to theaudio codec 41 and theaudio power amplifier 51 for processing, so as to control thefirst exciter 61 to drive thescreen 10 to play the audio signal; when thefirst exciter 61 drives thescreen 10 to play the audio signal, thevibration sensor 20 collects the vibration signal of thescreen 10, and theprocessor 30 generates a plurality of amplitude information according to the vibration signal of thescreen 10 collected by thevibration sensor 20, so as to obtain first amplitude information generated when thescreen 10 plays the audio signal; theprocessor 30 determines whether thescreen 10 is vibrated excessively according to the first amplitude information, and generates a second driving signal of the second exciter 62 if thescreen 10 is determined to be vibrated excessively, wherein the second driving signal has a phase opposite to that of the first driving signal; the second driving signal is processed through theaudio codec 42 and theaudio power amplifier 52, and the processed second driving signal is transmitted to thesecond exciter 62, so that thesecond exciter 62 is controlled to drive thescreen 10 to vibrate, thescreen 10 is greatly prevented from vibrating too much, the over-vibration protection effect of thescreen 10 is improved, the output tone quality and loudness of the audio signal are ensured to the greatest extent, and the reliability of the over-vibration protection of the screen is enhanced.
The embodiment of the invention provides a screen over-vibration protection method and device, electronic equipment and a storage medium. The screen over-vibration protection method can be applied to electronic equipment, and the electronic equipment can be terminal equipment such as a mobile phone, a tablet computer, a notebook computer, a desktop computer, a personal digital assistant and wearable equipment, and can also be other equipment capable of applying a screen sound production technology.
Some embodiments of the invention are described in detail below with reference to the accompanying drawings. The embodiments described below and the features of the embodiments can be combined with each other without conflict.
Referring to fig. 2, fig. 2 is a schematic flow chart illustrating a step of a screen over-vibration protection method according to an embodiment of the present invention.
As shown in fig. 2, the screen overtaking protection method includes steps S101 to S105.
Step S101, generating a first driving signal according to an audio signal to be played.
In recent two years, a full-screen has become a development trend of electronic equipment such as a mobile phone tablet and the like, and in order to improve screen occupation ratio, each terminal manufacturer adopts a piezoelectric ceramic technology and an exciter to drive a screen to vibrate and sound so as to realize screen sound production. The problem of excessive vibration inevitably exists in screen vibration sound production, and the excessive vibration can cause serious damage to the screen, and the current mainstream safeguard measure is to reduce the excessive vibration through structural design and the method of reducing the loudness, and there are the problems of poor reliability, impaired tone quality effect and the like.
Based on the above, the embodiment of the invention provides a method for controlling the screen to vibrate by arranging two groups of exciters at different positions below the screen, wherein the first exciter is used for driving the screen to sound and can be arranged near the position of a receiver, and the second exciter controls the screen to vibrate by an active vibration reduction method at different positions, so that the vibration is reduced, the screen is protected, and meanwhile, the tone quality and loudness at the position of the receiver during handheld call are ensured.
In an embodiment, when a playing request of an audio signal to be played is detected, the audio signal to be played is acquired, and a first driving signal is generated according to the audio signal to be played. The first exciter is used for driving the screen to emit sound, the first driving signal is used for controlling the first exciter to drive the screen to emit sound, and the first driving signal is, for example, an alternating current signal which can be generated according to an audio signal to be played.
In an embodiment, the first drive signal may be derived after input to the audio power amplifier. Acquiring an audio signal to be played; decoding the audio signal through an audio codec to obtain a decoded signal; and performing power amplification on the decoded signal through an audio power amplifier to obtain a first driving signal, wherein the first driving signal is used for driving a first exciter to play an audio signal. It should be noted that the first driving signal may be processed by an audio codec and an audio power amplifier, and the first driving signal can be controllably generated by the audio codec and the audio power amplifier.
In an embodiment, the first drive signal may be directly generated from the audio signal. After the first driving signal is generated according to the audio signal, the first driving signal is sent to the audio codec and the audio power amplifier for processing, and the processed first driving signal is sent to the first exciter, so that the first exciter is controlled to drive the screen to play the audio signal.
In one embodiment, before generating the first driving signal according to the audio signal to be played, the method includes: predicting whether the screen generates excessive vibration when playing the audio signal according to the audio signal to be played; and if the screen is determined to generate the over-vibration when the audio signal is played, generating a second driving signal according to the audio signal. It should be noted that, if it is determined that the screen generates the excessive vibration when the screen plays the audio signal, the screen needs to be protected from the excessive vibration, and in the embodiment of the present invention, the second driving signal is generated in advance, and the second driving signal generated in advance can be directly obtained when it is determined that the screen generates the excessive vibration in the subsequent step S104, so that the second exciter can be rapidly controlled to drive the screen to vibrate according to the second driving signal, the screen vibration is reduced, and the instantaneity of the screen protection from the excessive vibration is improved.
In one embodiment, predicting whether an excessive vibration will occur when the audio signal is played on the screen according to the audio signal to be played includes: acquiring a preset screen vibration function, wherein the screen vibration function is used for describing the relationship between the amplitude information of a screen and the frequency information of an audio signal; determining second amplitude information to be generated when the screen plays the audio signal according to the frequency information of the audio signal to be played and the screen vibration function; and determining whether the screen generates excessive vibration when playing the audio signal according to the second amplitude information.
If the second amplitude information is detected to be in accordance with the preset condition for judging the screen excessive vibration, the excessive vibration is determined to occur when the screen plays the audio signal, and if the second amplitude information is detected to be not in accordance with the preset condition for judging the screen excessive vibration, the excessive vibration is determined not to occur when the screen plays the audio signal.
It should be noted that the screen vibration function may be obtained by performing a vibration test on the screen of the electronic device by a manufacturer of the electronic device, and the screen vibration function obtained by the test is stored in the cloud or the memory of the electronic device by the manufacturer of the electronic device, so that the electronic device can directly obtain the screen vibration function. The electronic device may be provided with a control option of the screen vibration function, and the user may select to turn on, calibrate or turn off the related function of the screen vibration function by manipulating the control option.
Illustratively, after the electronic device is monitored to be started, the screen is controlled to play a sweep frequency signal, the relationship between the amplitude information of the screen and the frequency of the sweep frequency signal is established through the sweep frequency signal, a screen vibration function is obtained, and the screen vibration function is stored in the memory.
Illustratively, a user controls the electronic device to establish a screen vibration function by triggering a control option of the screen vibration function, and stores the established screen vibration function, wherein the screen vibration function is used for predicting whether the screen plays an audio signal and generates a second driving signal in advance, so that the screen vibration can be eliminated in time after the screen vibrates excessively.
In an embodiment, generating the second drive signal from the audio signal comprises: generating a first driving signal according to the audio signal; and generating a second driving signal according to the first driving signal, wherein the second driving signal is opposite in phase to the first driving signal. It should be noted that, according to the first driving signal, the second driving signal is generated, so that the second exciter can be controlled to drive the screen to vibrate according to the second driving signal, and the vibration direction of the screen to vibrate is opposite to the sound vibration direction of the screen, thereby reducing screen vibration, effectively realizing screen over-vibration protection, ensuring the output tone quality and loudness of the audio signal to the greatest extent, and having high reliability.
And S102, controlling a first exciter to drive a screen to play an audio signal according to the first driving signal.
After the first driving signal is generated, the first exciter is controlled to drive the screen to play the audio signal according to the first driving signal. Illustratively, a first drive signal is sent to the first actuator to cause the first actuator to operate in accordance with the first drive signal to drive the screen to effect a vibration utterance to play the audio signal.
In one embodiment, the first actuator comprises a first suspension actuator comprising a first magnet and a first electromagnetic coil separated from each other, the first magnet being mounted to the screen, and the first electromagnetic coil being mounted to the middle frame. Wherein the first electromagnetic coil includes a first coil and a first magnet, and the first magnet may be a magnet. The first magnet is arranged at a first preset position of the screen, the first electromagnetic coil is arranged at a second preset position of the middle frame, and the second preset position corresponds to the first preset position.
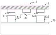
Illustratively, as shown in fig. 3, the display device of the electronic apparatus includes ascreen 10 and amiddle frame 70, the first suspension magnetic actuator includes afirst magnet 611 and a firstelectromagnetic coil 612 which are separated from each other, thefirst magnet 611 is mounted to thescreen 10, and the firstelectromagnetic coil 612 is mounted to themiddle frame 70. Wherein the firstelectromagnetic coil 612 includes a first coil and a first magnet, the first coil and the first magnet may be layered, for example, the first magnet of the firstelectromagnetic coil 612 is attached to themiddle frame 70, and the first coil of the firstelectromagnetic coil 612 is located between the first magnet and thefirst magnet 611. The electronic device transmits the first driving signal to the firstelectromagnetic coil 612 of the first actuator, so that the firstelectromagnetic coil 612 resonates with thefirst magnet 611 according to the first driving signal to drive thescreen 10 to play the audio signal.
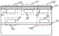
In one embodiment, the first actuator comprises an integral actuator that is optionally mounted to the screen or bezel. As shown in fig. 4, the display device of the electronic apparatus includes ascreen 10 and amiddle frame 70, thefirst actuator 61 is disposed at a front half portion of thescreen 10, and thefirst actuator 61 is optionally located in thefirst region 101 and is installed at a lower position on an inner side of thescreen 10, or thefirst actuator 61 is optionally located in thesecond region 701 and is installed at an upper position on an inner side of themiddle frame 70, which is not specifically limited in this embodiment.
Illustratively, as shown in fig. 3 or 4, themaximum amplitude area 11 of thescreen 10 is located within a first predetermined range of the first exciter mounting position. Thevibration sensor 20 is optionally located at themaximum amplitude region 11 and fixed at a position below the inner side of thescreen 10 so as to be able to accurately detect the vibration signal of thescreen 10.
Step S103, first amplitude information generated when the screen plays the audio signal is obtained, and whether the screen vibrates excessively is determined according to the first amplitude information.
When the screen plays the audio signal, first amplitude information of the screen is obtained, and the first amplitude information comprises first amplitudes corresponding to a plurality of time points, for example. If it is detected that the first amplitude information meets the preset screen excessive vibration condition, determining that the screen excessively vibrates, and if it is detected that the first amplitude information does not meet the preset screen excessive vibration condition, determining that the screen excessively vibrates, where the screen excessive vibration condition may be flexibly set according to an actual situation, for example, the screen excessive vibration condition is that a target amplitude larger than a preset amplitude exists in a plurality of first amplitudes in the first amplitude information, or the screen excessive vibration condition is that an average amplitude of the plurality of first amplitudes in the first amplitude information is larger than the preset amplitude, which is not specifically limited in this embodiment.
In an embodiment, a vibration sensor is used for collecting a vibration signal generated when a screen plays an audio signal, the vibration sensor is used for sending the collected vibration signal to a processor of the electronic device, and the processor is used for performing time-frequency processing on the vibration signal to obtain first amplitude information generated when the screen plays the audio signal. It should be noted that, the first amplitude information of the screen can be accurately obtained by performing time-frequency processing on the vibration signal.
In one embodiment, if it is determined that the screen does not vibrate excessively, the normal audio output of the audio signal is maintained, i.e., the screen is driven by the first actuator to continue playing the audio signal, and the second actuator is in an inactive state.
And step S104, if the screen is determined to be vibrated excessively, generating a second driving signal, wherein the phase of the second driving signal is opposite to that of the first driving signal.
The second exciter is used for controlling screen vibration, and the phase of the second driving signal is opposite to that of the first driving signal, for example, the second driving signal is an alternating current signal with the phase opposite to that of the first driving signal. When determining that the screen has the excessive vibration, the second driver generates the second driving signal according to the first driving signal, so that the second exciter can drive the screen to vibrate in the opposite direction according to the second driving signal with the phase opposite to that of the first driving signal, the two kinds of vibration with the opposite vibration directions are superposed, the screen vibration is reduced, and the excessive vibration disappears.
In one embodiment, as shown in fig. 5, the step of generating the second driving signal comprises: substeps S1041 to substep S1042.
And a substep S1041 of obtaining a vibration signal generated when the screen plays the audio signal.
The vibration sensor is used for collecting vibration signals generated when the screen plays the audio signals, and when the screen plays the audio signals, the vibration sensor can be mounted in the middle of the inner side of the screen or mounted in a maximum amplitude area according to different structures of electronic equipment, so that the vibration signals of the screen can be accurately detected. The vibration signal may be synchronized with the first driving signal, or may be synchronized with first amplitude information generated when the first driving signal is driven, which is not specifically limited in this embodiment.
It should be noted that, when the first exciter drives the screen to generate sound, the maximum amplitude region is not the mounting position of the first exciter, but is different positions behind the first exciter according to different structures, for example, when the first exciter is arranged on the inner side of the screen near the position of the receiver, the maximum amplitude region is the middle position of the screen behind the first exciter.
And a substep S1042 of generating a second driving signal according to the vibration signal and the first driving signal.
The vibration signal represents a current signal caused by vibration when the screen plays an audio signal, the first driving signal represents a current signal for controlling the first exciter to drive the screen to vibrate and generate sound, the second driving signal is opposite in phase but same in amplitude with the first driving signal, the second driving signal is used for representing a current signal for controlling the second exciter to drive the screen to vibrate, and the second driving signal can be generated according to the vibration signal and the first driving signal based on an active vibration control technology. For example, the first actuator may be mounted near the earpiece position and the second actuator may be mounted away from the earpiece position.
It should be noted that, according to the current signal that the vibration arouses and the current signal that drives the screen vibration sound production when the screen broadcast audio signal, can generate the second drive signal opposite with first drive signal phase place to make the second exciter can be according to doing the vibration of opposite direction with second drive signal drive screen, make the screen vibration reduce until disappearing, guarantee when protecting the screen that the tone quality of earphone position is not influenced, reduce the vibration of other positions, promote conversation privacy and user experience.
In one embodiment, a vibration conduction signal of a path between a first exciter and a vibration sensor is acquired, and the vibration sensor is used for acquiring a vibration signal; and generating a second driving signal according to the vibration signal, the vibration conduction signal and the first driving signal. The second driving signal can be continuously adjusted according to the first driving signal, the vibration conduction signal can be obtained through pre-testing, the vibration signal, the vibration conduction signal and the first driving signal are input into a preset gradient descent algorithm, the preset gradient descent algorithm is a steepest descent algorithm for example, and the second driving signal can be accurately generated.
Illustratively, the second drive signal y (n) = x (n) · w (n), w (n + 1) = [ w (n) -2 Μ · e (n) · x (n) · d (n) ]. W (N) is an adaptive coefficient iterated each time by a preset gradient descent algorithm, N is iteration times, a vibration conduction signal is d (N), a vibration signal is e (N), a first driving signal is x (N), and m is a convergence rate constant, wherein m can be set according to the actual condition of gradient descent.
In one embodiment, a corresponding signal function is determined from the vibration signal; the first drive signal is adjusted by a signal function to generate a second drive signal. The signal function is used for adjusting the first driving signal so as to obtain a second driving signal with the phase opposite to that of the first driving signal.
Illustratively, the second driving signal is opposite in phase but the same in amplitude as the first driving signal, and the amplitude, phase and waveform of the first driving signal are adjusted by the signal function so that the second driving signal is opposite in phase but the same in amplitude as the first driving signal. For example, the first drive signal is a periodic signal waveform, and the second drive signal is accurately generated by adjusting main parameters such as a frequency, a peak value, an effective value, and a duty ratio of the periodic signal waveform by a signal function.
In one embodiment, an audio signal segment to be played is obtained from an audio signal; acquiring a third driving signal of the first exciter corresponding to the audio signal segment, wherein the phase of the third driving signal is the same as that of the first driving signal; acquiring a vibration signal generated when the screen plays the audio signal; determining a first adjusting coefficient according to the vibration signal and the first driving signal, wherein the first adjusting coefficient is used for adjusting the amplitude of the screen; and generating a second driving signal according to the first adjusting coefficient and the third driving signal, wherein the phase of the second driving signal is opposite to that of the third driving signal. After determining that the screen is over-vibrated, generating a second driving signal through the audio signal segment to be played, so that when the screen plays the audio signal segment through the first exciter, the second exciter can be controlled by the second driving signal to drive the screen, so that the screen does not generate over-vibration when the screen plays the audio signal segment through the first exciter.
And S105, controlling a second exciter to drive the screen to vibrate according to the second driving signal so as to eliminate screen over vibration.
And after the second driving signal is generated, controlling the second exciter to drive the screen to vibrate according to the second driving signal, so that the screen over-vibration disappears after the second exciter is used for driving the screen to vibrate. It should be noted that, when the first exciter drives the screen to sound at a certain point, the amplitudes at different points of the screen are different, which is different from directly reducing the power for driving the first exciter, the embodiment of the present invention controls the second exciters at different positions to drive the screen to vibrate according to the second driving signal, so that the vibration direction of the screen to vibrate is opposite to the vibration direction of the screen to sound, thereby reducing the screen vibration, effectively implementing the screen over-vibration protection, ensuring the output tone quality and loudness of the audio signal to the maximum extent, and having higher reliability.
In an embodiment, the second drive signal may be generated from the first drive signal. And after the second driving signal is generated, sending the second driving signal to an audio codec and an audio power amplifier for processing, and sending the processed second driving signal to a second exciter, so as to control the second exciter to drive the screen to emit anti-phase vibration, so that the screen over-vibration disappears.
In one embodiment, the second actuator comprises a second suspension actuator comprising a second magnet and a second electromagnetic coil separated from each other, the second magnet is mounted to the screen, and the second electromagnetic coil is mounted to the middle frame. Wherein the second electromagnetic coil includes a second coil and a second magnet, and the second magnet may be a magnet. The second magnet is arranged at a third preset position of the screen, the second electromagnetic coil is arranged at a fourth preset position of the middle frame, and the third preset position corresponds to the fourth preset position.
Illustratively, as shown in fig. 6, the display device of the electronic apparatus includes ascreen 10 and amiddle frame 70, the first suspension magnetic actuator includes afirst magnet 611 and a firstelectromagnetic coil 612 that are separated from each other, thevibration sensor 20 is optionally located in themaximum amplitude region 11, the second suspension magnetic actuator includes asecond magnet 621 and a secondelectromagnetic coil 622 that are separated from each other, thesecond magnet 621 is mounted to thescreen 10, and the secondelectromagnetic coil 622 is mounted to themiddle frame 70. Wherein the second coil and the second magnet may be arranged in layers, such as the second magnet of the secondelectromagnetic coil 622 is attached to themiddle frame 70, and the second coil of the secondelectromagnetic coil 622 is located between the second magnet and the second magnet. The second driving signal is transmitted to the secondelectromagnetic coil 622 of the second actuator, so that the secondelectromagnetic coil 622 resonates with thesecond magnet 621 according to the second driving signal to control thescreen 10 to vibrate.
In one embodiment, the second actuator comprises an integral actuator that is optionally mounted to the screen or bezel. As shown in fig. 7, the display device of the electronic apparatus includes ascreen 10 and amiddle frame 70, thefirst exciter 61 is disposed at a front half portion of thescreen 10, thesecond exciter 62 is disposed at a rear half portion of thescreen 10, thevibration sensor 20 is optionally located in themaximum amplitude region 11, thesecond exciter 62 is optionally located in thethird region 102 and is installed at a position below an inner side of thescreen 10, or thesecond exciter 62 is optionally located in thefourth region 702 and is installed at a position above an inner side of themiddle frame 70, which is not specifically limited in this embodiment.
Illustratively, when a user uses the screen sound production device to talk, the first exciter drives the screen sound production by passing an alternating current through the first coil, and the current generates a magnetic field to drive the first magnet to vibrate so as to drive the screen to vibrate and produce sound. The active vibration control is applied to screen sounding, the first driving signal is used as a reference signal, the second exciter is controlled to generate an inverse current, and therefore vibration signals with opposite phases are generated, and screen vibration is controlled, so that screen overstrain disappears.
According to the screen over-vibration protection method provided by the embodiment, the first driving signal is generated according to the audio signal to be played; controlling a first exciter to drive a screen to play an audio signal according to a first driving signal; acquiring first amplitude information generated when the screen plays the audio signal, and determining whether the screen is over-vibrated or not according to the first amplitude information; if the screen is determined to be vibrated excessively, generating a second driving signal, wherein the phase of the second driving signal is opposite to that of the first driving signal; and controlling a second exciter to drive the screen to vibrate according to the second driving signal so as to eliminate the screen over vibration. The vibration direction of the screen vibration is controlled to be opposite to the screen sounding vibration direction through the second exciter, so that the screen vibration is reduced, the excessive vibration protection of the screen is provided, the audio signal output tone quality and loudness are guaranteed to the maximum extent, and the reliability is high.
Referring to fig. 8, fig. 8 is a schematic block diagram illustrating a structure of a screen over-vibration protection device according to an embodiment of the present invention.
As shown in fig. 8, the screentransient protector 200 includes aprocessor 201 and amemory 202, and theprocessor 201 and thememory 202 are connected by abus 203, such as an I2C (Inter-integrated Circuit) bus.
In particular, theprocessor 201 is used to provide computing and control capabilities to support the operation of the entire screen transient protection device. TheProcessor 201 may be a Central Processing Unit (CPU), and theProcessor 201 may also be other general purpose Processor, a Digital Signal Processor (DSP), an Application Specific Integrated Circuit (ASIC), a Field Programmable Gate Array (FPGA) or other Programmable logic device, discrete Gate or transistor logic device, discrete hardware component, etc. Wherein a general purpose processor may be a microprocessor or the processor may be any conventional processor or the like.
Specifically, theMemory 202 may be a Flash chip, a Read-Only Memory (ROM) magnetic disk, an optical disk, a usb disk, or a removable hard disk.
It will be understood by those skilled in the art that the structure shown in fig. 8 is a block diagram of only a portion of the structure related to the embodiment of the present invention, and does not constitute a limitation on the screen over-vibration protector to which the embodiment of the present invention is applied, and a specific screen over-vibration protector may include more or less components than those shown in the figure, or may combine some components, or have a different arrangement of components.
The processor is configured to run a computer program stored in the memory, and when executing the computer program, implement any one of the screen over-vibration protection methods provided by the embodiments of the present invention.
In an embodiment, the processor is configured to run a computer program stored in the memory and to implement the following steps when executing the computer program:
generating a first driving signal according to an audio signal to be played;
controlling the first exciter to drive the screen to play the audio signal according to the first driving signal;
acquiring first amplitude information generated when the screen plays the audio signal, and determining whether the screen vibrates excessively according to the first amplitude information;
if the screen is determined to be vibrated excessively, generating a second driving signal, wherein the phase of the second driving signal is opposite to that of the first driving signal;
and controlling the second exciter to drive the screen to vibrate according to the second driving signal so as to eliminate the screen over vibration.
In an embodiment, the processor, when implementing the generating the second drive signal, is configured to implement:
acquiring a vibration signal generated when the screen plays the audio signal;
and generating a second driving signal according to the vibration signal and the first driving signal.
In an embodiment, the processor, when implementing the generating of the second driving signal according to the vibration signal and the first driving signal, is configured to implement:
acquiring a vibration conduction signal of a passage between the first exciter and a vibration sensor, wherein the vibration sensor is used for acquiring the vibration signal;
and generating a second driving signal according to the vibration signal, the vibration conduction signal and the first driving signal.
In an embodiment, the processor, when implementing the generating of the second driving signal according to the vibration signal and the first driving signal, is configured to implement:
determining a corresponding signal function according to the vibration signal;
the first drive signal is adjusted by the signal function to generate a second drive signal.
In an embodiment, before implementing the generating the first driving signal according to the audio signal to be played, the processor is further configured to implement:
predicting whether the screen generates excessive vibration when playing the audio signal according to the audio signal to be played;
and if the situation that the screen generates the over-vibration when playing the audio signal is determined, generating a second driving signal according to the audio signal.
In an embodiment, when the processor predicts whether the screen plays the audio signal according to the audio signal to be played, the processor is configured to:
acquiring a preset screen vibration function, wherein the screen vibration function is used for describing the relationship between the amplitude information of a screen and the frequency information of an audio signal;
determining second amplitude information to be generated when the screen plays the audio signal according to the frequency information of the audio signal to be played and the screen vibration function;
and determining whether the screen generates excessive vibration when playing the audio signal according to the second amplitude information.
In one embodiment, when the processor is implemented, the first actuator comprises a first suspended magnetic actuator, the first suspended magnetic actuator comprises a first magnet and a first electromagnetic coil which are separated from each other, the first magnet is mounted on the screen, and the first electromagnetic coil is mounted on a middle frame; and/or
The second exciter comprises a second magnetic suspension exciter which comprises a second magnet and a second electromagnetic coil which are separated from each other, the second magnet is installed on the screen, and the second electromagnetic coil is installed on the middle frame.
It should be clearly understood by those skilled in the art that, for convenience and brevity of description, the specific working process of the screen over-vibration protection apparatus described above may refer to the corresponding process in the foregoing embodiment of the screen over-vibration protection method, and is not described herein again.
Referring to fig. 9, fig. 9 is a schematic block diagram of an electronic device according to an embodiment of the present invention.
As shown in fig. 9, theelectronic device 300 includes: ascreen 301, afirst actuator 302 and asecond actuator 303, and ascreen over-vibration protector 304. Wherein, thescreen 301 is used for sound production; thefirst exciter 302 is used for driving thescreen 301 to make sound, and thesecond exciter 303 is used for controlling thescreen 301 to vibrate; the screenover-vibration protection device 304 is electrically connected to thefirst exciter 302 and thesecond exciter 303, and is configured to control thefirst exciter 302 and thesecond exciter 303 when thescreen 301 is detected to be over-vibrated, so that thescreen 301 is over-vibrated to disappear.
Wherein thefirst actuator 302 and thesecond actuator 303 may be mounted below the inner side of thescreen 301. The screen shake-overprotector 304 may be the screen shake-overprotector 200 shown in fig. 8.
It should be clearly understood by those skilled in the art that, for convenience and brevity of description, the specific working process of the electronic device described above may refer to the corresponding process in the foregoing embodiment of the screen excessive vibration protection method, or refer to the corresponding embodiment of the screen excessivevibration protection apparatus 200 shown in fig. 8, and will not be described again here.
Embodiments of the present invention further provide a storage medium for a computer-readable storage, where the storage medium stores one or more programs, and the one or more programs are executable by one or more processors to implement the steps of any one of the screen over-vibration protection methods provided in the embodiments of the present invention.
The storage medium may be an internal storage unit of the screen excessive vibration protection device described in the foregoing embodiment, for example, a hard disk or a memory of the screen excessive vibration protection device. The storage medium may also be an external storage device of the screen over-vibration protection apparatus, such as a plug-in hard disk, a Smart Media Card (SMC), a Secure Digital (SD) Card, a Flash memory Card (Flash Card), and the like, which are provided on the screen over-vibration protection apparatus.
It will be understood by those of ordinary skill in the art that all or some of the steps of the methods, systems, functional modules/units in the devices disclosed above may be implemented as software, firmware, hardware, and suitable combinations thereof. In a hardware implementation, the division between functional modules/units mentioned in the above description does not necessarily correspond to the division of physical components; for example, one physical component may have multiple functions, or one function or step may be performed by several physical components in cooperation. Some or all of the physical components may be implemented as software executed by a processor, such as a central processing unit, digital signal processor, or microprocessor, or as hardware, or as an integrated circuit, such as an application specific integrated circuit. Such software may be distributed on computer readable media, which may include computer storage media (or non-transitory media) and communication media (or transitory media). The term computer storage media includes volatile and nonvolatile, removable and non-removable media implemented in any method or technology for storage of information such as computer readable instructions, data structures, program modules or other data, as is well known to those of ordinary skill in the art. Computer storage media includes, but is not limited to, RAM, ROM, EEPROM, flash memory or other memory technology, CD-ROM, digital Versatile Disks (DVD) or other optical disk storage, magnetic cassettes, magnetic tape, magnetic disk storage or other magnetic storage devices, or any other medium which can be used to store the desired information and which can accessed by a computer. In addition, communication media typically embodies computer readable instructions, data structures, program modules or other data in a modulated data signal such as a carrier wave or other transport mechanism and includes any information delivery media as known to those skilled in the art.
The above-mentioned serial numbers of the embodiments of the present invention are only for description, and do not represent the advantages and disadvantages of the embodiments. While the invention has been described with reference to specific embodiments, the invention is not limited thereto, and various equivalent modifications and substitutions can be easily made by those skilled in the art within the technical scope of the invention. Therefore, the protection scope of the present invention shall be subject to the protection scope of the claims.

Claims (10)

CN202111146429.8A2021-09-282021-09-28Screen over-vibration protection method and device, electronic equipment and storage mediumPendingCN115883704A (en)

Priority Applications (1)

Application NumberPriority DateFiling DateTitle
CN202111146429.8ACN115883704A (en)2021-09-282021-09-28Screen over-vibration protection method and device, electronic equipment and storage medium

Applications Claiming Priority (1)

Application NumberPriority DateFiling DateTitle
CN202111146429.8ACN115883704A (en)2021-09-282021-09-28Screen over-vibration protection method and device, electronic equipment and storage medium

Publications (1)

Publication NumberPublication Date
CN115883704Atrue CN115883704A (en)2023-03-31

Family

ID=85755835

Family Applications (1)

Application NumberTitlePriority DateFiling Date
CN202111146429.8APendingCN115883704A (en)2021-09-282021-09-28Screen over-vibration protection method and device, electronic equipment and storage medium

Country Status (1)

CountryLink
CN (1)CN115883704A (en)

Similar Documents

PublicationPublication DateTitle
US20220221937A1 (en)Audio-haptic signal generator
US11856366B2 (en)Methods and apparatuses for driving audio and ultrasonic signals from the same transducer
JP6436934B2 (en) Frequency band compression using dynamic threshold
EP2624099B1 (en)Method and system for sound to haptic effect conversion using waveform
CN103677249B (en) Using Mapped Sound-Haptic Effect Transformation System
KR101869562B1 (en)Apparatus and method for gernerating vibration by using sound characteristics
JP5488128B2 (en) Signal processing device
JP5493611B2 (en) Information processing apparatus, information processing method, and program
EP2487557A2 (en)Sound to haptic effect conversion system using amplitude value
US20150010173A1 (en)Apparatus and method for providing a frequency response for audio signals
US10149052B2 (en)Electronic device and vibration information generation device
WO2020083294A1 (en)Display control method and related product
CN104811155A (en)Balance device adjusting method and device
CN109600463A (en)A kind of mobile terminal
CN115706885A (en)Audio signal compensation method and device, earphone and storage medium
CN107404587B (en)Audio playing control method, audio playing control device and mobile terminal
CN113946308A (en) Screen over-vibration protection method, electronic device and storage medium
CN112565976A (en)Speaker driving circuit, temperature protection method, terminal device, and storage medium
CN115883704A (en)Screen over-vibration protection method and device, electronic equipment and storage medium
KR20120094667A (en)Method and device for controlling user terminal using sound wave
CN109218913B (en)Sound adjusting method, terminal equipment and device with storage function
EP4156181A1 (en)Controlling playback of audio data
CN111083605A (en)Audio information playing method and device, electronic equipment and storage medium
US11561618B2 (en)Information processing device, information processing method, and program
US7907737B2 (en)Acoustic apparatus

Legal Events

DateCodeTitleDescription
PB01Publication
PB01Publication
SE01Entry into force of request for substantive examination
SE01Entry into force of request for substantive examination

[8]ページ先頭

©2009-2025 Movatter.jp