Movatterモバイル変換


[0]ホーム

URL:


CN115773103B - Ultrasonic real-time imaging acquisition control system for pressure-induced cracking - Google Patents

Ultrasonic real-time imaging acquisition control system for pressure-induced cracking
Download PDF

Info

Publication number
CN115773103B
CN115773103BCN202211425928.5ACN202211425928ACN115773103BCN 115773103 BCN115773103 BCN 115773103BCN 202211425928 ACN202211425928 ACN 202211425928ACN 115773103 BCN115773103 BCN 115773103B
Authority
CN
China
Prior art keywords
signal
circuit
ultrasonic
echo
time
Prior art date
Legal status (The legal status is an assumption and is not a legal conclusion. Google has not performed a legal analysis and makes no representation as to the accuracy of the status listed.)
Active
Application number
CN202211425928.5A
Other languages
Chinese (zh)
Other versions
CN115773103A (en
Inventor
马卫卫
贺洪斌
邱萌
张重远
孙东生
陈浩
陈群策
Current Assignee (The listed assignees may be inaccurate. Google has not performed a legal analysis and makes no representation or warranty as to the accuracy of the list.)
Institute of Acoustics CAS
Original Assignee
Institute of Acoustics CAS
Priority date (The priority date is an assumption and is not a legal conclusion. Google has not performed a legal analysis and makes no representation as to the accuracy of the date listed.)
Filing date
Publication date
Application filed by Institute of Acoustics CASfiledCriticalInstitute of Acoustics CAS
Priority to CN202211425928.5ApriorityCriticalpatent/CN115773103B/en
Publication of CN115773103ApublicationCriticalpatent/CN115773103A/en
Application grantedgrantedCritical
Publication of CN115773103BpublicationCriticalpatent/CN115773103B/en
Activelegal-statusCriticalCurrent
Anticipated expirationlegal-statusCritical

Links

Images

Landscapes

Abstract

The invention relates to a pressure-induced fracture ultrasonic real-time imaging acquisition control system, which comprises: the device comprises a signal transmitting module, a signal receiving module and a signal acquisition processing module; the signal transmitting module is used for transmitting ultrasonic signals to the fracturing section; the signal receiving module is used for receiving ultrasonic echo signals reflected by the cracks; the signal acquisition processing module is used for processing ultrasonic signals reflected by the cracks; the signal acquisition processing module comprises: a gain filtering unit and a signal processing unit; the gain filtering unit is used for amplifying and filtering the ultrasonic signals reflected by the cracks and transmitting the processed ultrasonic signals to the signal processing unit; the signal processing unit is used for obtaining the echo amplitude and the echo arrival time of ultrasonic waves reflected by the crack through the hardware circuit and transmitting the echo amplitude and the echo arrival time to the subsequent processing unit for ultrasonic imaging of the crack.

Description

Ultrasonic real-time imaging acquisition control system for pressure-induced cracking
Technical Field
The invention relates to the technical field of ground stress measurement, in particular to an ultrasonic real-time imaging acquisition control system for pressure-induced cracking.
Background
During the fracturing of the formation, the formation fracture distribution may change in real time. However, the prior art (the die orientation technology, the traditional ultrasonic imaging logging and the like) cannot monitor the stratum fracturing effect in real time, and as the depth increases, the defects of the prior art are more obvious, and the accuracy and the reliability of the measurement result are seriously affected.
Conventional imaging logging is to image the surface of a static hole wall, and induced cracks are difficult to detect due to the fact that the cracks tend to be closed after pressure is unloaded, the ultrasonic detection resolution is insufficient, and the like, so that the applicability is not strong.
Disclosure of Invention
The invention aims to acquire dynamic images of the crack space orientation and the evolution process thereof in the cracking process in real time, and provides a crack ultrasonic real-time imaging system.
In order to achieve the above purpose, the present invention is realized by the following technical scheme.
The invention provides an ultrasonic real-time imaging acquisition control system for pressure-induced cracking, which comprises: the device comprises a signal transmitting module, a signal receiving module and a signal acquisition processing module; the signal transmitting module is used for transmitting ultrasonic signals to the fracturing section; the signal receiving module is used for receiving ultrasonic echo signals reflected by the cracks; the signal acquisition processing module is used for processing ultrasonic signals reflected by the cracks;
the signal acquisition processing module comprises: a gain filtering unit and a signal processing unit; wherein,,
the gain filtering unit is used for amplifying and filtering the ultrasonic signals reflected by the cracks and transmitting the processed ultrasonic signals to the signal processing unit;
the signal processing unit is used for obtaining the echo amplitude and the echo arrival time of ultrasonic waves reflected by the crack through the hardware circuit and transmitting the echo amplitude and the echo arrival time to the subsequent processing unit for ultrasonic imaging of the crack.
As one of the improvements of the above technical solutions, the signal receiving module includes: at least two ultrasonic transducer probes and an analog switch;
the natural frequencies of the at least two ultrasonic transducer probes are different and are used for adapting to different well diameter requirements;
the analog switches are in one-to-one correspondence with the ultrasonic transducer probes and are used for selecting the adaptive probes according to the well diameter.
As one of the improvements of the above technical solutions, the signal receiving module further includes at least two pre-amplification matching units; each pre-amplification matching unit is respectively and electrically connected with one ultrasonic transducer probe and is used for amplifying and matching echo signals received by the ultrasonic transducer probe.
As one of the improvements of the above technical solutions, the signal receiving module further includes a pressure sensor, which is used for detecting the pressure, and starting or stopping the signal receiving module to receive the ultrasonic echo signal reflected by the crack when the pressure reaches the set threshold.
As one of the improvements of the technical scheme, the gain filtering unit comprises a first gain control circuit, a band-pass filtering circuit and a second gain control circuit which are electrically connected in sequence.
As one of the improvements of the above technical solutions, the signal processing unit includes: the full-wave acquisition circuit, the arrival time extraction circuit and the peak value detection circuit;
the full-wave acquisition circuit is used for completely acquiring the signals output by the gain filtering unit;
the time-arrival extraction circuit is used for processing the signals output by the gain filtering unit to obtain echo time-arrival time;
and the peak detection circuit is used for carrying out peak detection on the signal output by the gain filtering unit to obtain the echo amplitude.
As one of the improvement of the technical scheme, the time-out extraction circuit comprises the following components in sequence: the device comprises an amplifying and filtering sub-circuit, a precision rectifier sub-circuit, a detector sub-circuit, a differential comparison sub-circuit and an arrival time acquisition sub-circuit; wherein,,
the amplifying and filtering sub-circuit, the precise rectifying sub-circuit and the wave detecting sub-circuit are used for sequentially filtering, rectifying and detecting echo signals to obtain echo envelope; in the processing process, the echo signal is processed as an amplitude modulation signal of a probe working frequency carrier wave;
the differential comparison sub-circuit is used for processing the echo envelope to obtain the time of the signal zero crossing point, namely the time of the echo signal peak value;
and the arrival time acquisition sub-circuit is used for extracting and obtaining echo arrival time.
As an improvement of the above technical solution, the time-out acquisition sub-circuit includes a timer for testing the zero position time, i.e. the echo time-out time.
As one of the improvements of the above technical solutions, the peak detection circuit includes: the device comprises a program controlled amplifier, a precision rectifier sub-circuit, a charge discharge control sub-circuit, a radial buffer sub-circuit and an A/D acquisition sub-circuit; wherein,,
the program-controlled amplifier is used for carrying out automatic gain processing on the echo signals, so that the peak value of the amplified echo signals is always within the required range of the AD acquisition sub-circuit;
the precise rectifier sub-circuit comprises a peak detector and a peak holding capacitor; the peak detector is used for detecting the peak value of the amplified signal; the peak holding capacitor is used for storing the charge of the detected signal peak value;
the charge discharging control sub-circuit is used for discharging the charge on the peak holding capacitor so as to carry out the next peak detection;
the A/D acquisition sub-circuit is used for carrying out analog-to-digital conversion on the peak value of the signal and acquiring the peak value.
As one of the improvements of the above technical scheme, the signal acquisition processing module further comprises an FPGA unit, which is used for processing the echo amplitude and the echo time obtained by the signal processing unit to obtain a crack ultrasonic image, and storing the crack ultrasonic image; and also for controlling the charge bleed control subcircuit.
Compared with the prior art, the invention has the advantages that:
(1) No cable transmission exists, the battery is used for supplying power, a downhole storage mode is adopted, and data are read when the system reaches the ground;
(2) The pressure triggering imaging scanning working mechanism is adopted, and the acquisition circuit recognizes that the pressure signal starts or ends the scanning work, so that the scanning can be started when the crack is pressed and opened and the crack width is maximum, the crack scanning effect is optimal, and the electric energy and the storage space of the imaging device can be saved;
(3) The traditional ultrasonic imaging directly uploads the full wave train data, the design stores the full wave train data for signal processing of an upper computer in the later stage, and the echo amplitude and the arrival time are extracted through the circuit design. The data volume is small, and the storage space is saved.
Drawings
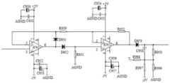
FIG. 1 illustrates a signal conditioning and acquisition module of a fracture dynamic evolution synchronous detection device;
FIG. 2 is a block diagram of an arrival time extraction circuit;
FIG. 3 is an echo time acquisition illustration;
FIG. 4 is a diagram of a rectifying and detecting circuit;
FIG. 5 is a differential circuit;
FIG. 6 is a graph comparing an echo envelope with a differentiated waveform;
FIG. 7 is a block diagram of an amplitude preserving hardware circuit implementation;
FIG. 8 is a circuit diagram of a peak hold circuit;
fig. 9 is a peak hold state diagram of the peak hold capacitance;
FIG. 10 is a graph showing a discharge state of the peak hold capacitor;
fig. 11 is a block diagram of an amplitude holding circuit.
Detailed Description
The technical scheme provided by the invention is further described below by combining with the embodiment.
The acquisition control circuit is the core of the whole circuit system. After the instrument reaches a certain depth, the acquisition control circuit starts the motor to rotate by processing the signals of the pressure sensor, then angle detection is carried out on tooth signals generated by the rotation of the motor, then the emission control module is started to excite the transducer, and meanwhile, the well wall reflected wave signals are acquired after being amplified, filtered and gained in a matching way.
Examples
As shown in fig. 1, the signal conditioning and collecting module structure diagram of the fracture dynamic evolution synchronous detection device is shown. In order to adapt to different measurement conditions, the gain amplification control adopts a program-controlled self-adaptive gain mode.
The echo amplitude and echo time can be realized in hardware circuits by a peak detection circuit and a head wave detection circuit.
(1) Echo arrival time extraction design circuit
Fig. 2 is a block diagram of an implementation of an in-time extraction hardware circuit, an echo signal can be regarded as an amplitude modulation signal of a probe working frequency carrier wave to be processed, an echo envelope is obtained after detection, the time of a signal zero crossing point after passing through a differential circuit is the arrival time of an echo signal peak value, and the arrival time of the echo signal can be extracted by testing the zero position by using a high-precision timer.
The echo signal can be treated as an amplitude modulated signal of a carrier wave of a certain frequency, the echo envelope is obtained after detection, and the time of arrival of the peak can be obtained after passing through a differentiating circuit.
In most cases the echo signal is as shown in fig. 3, although there is sometimes some variation in both envelope amplitude and frequency, this will not affect the processing of it by subsequent circuits.
As shown in fig. 4, a rectification and detection circuit diagram is shown; as shown in fig. 5, a differential circuit diagram is shown.
As shown in fig. 6, a comparison of the echo envelope and the differentiated waveform is shown. In the contrast plot after echo detection and differentiation, it can be seen that the echo peak arrives at the same time as the signal zero crossing after differentiation.
(2) Echo amplitude extraction design circuit
Fig. 7 is a block diagram of an amplitude holding hardware circuit, in which an amplified signal is fed to a precision rectifying circuit, and a peak value of the signal is detected and stored in a peak holding capacitor. The program-controlled amplifier controls the program-controlled gain chip to realize automatic gain through the main control chip, so that the echo signal amplification is always in the AD acquisition range. The acquired peak value is not influenced by the sampling rate of the AD chip after the transmission and the A/D acquisition. The hardware circuit is used for obtaining the amplitude sum time, and the method has the characteristics of high speed and high precision. And the full-wave data is stored and then uploaded to an upper computer for processing by an algorithm. As shown in fig. 8, the signal passing through the analog switch is routed to a peak hold function module formed by an integrating circuit, where IC941 is used to implement the integral compensation.
If the threshold comparator results in a signal that meets the current threshold voltage requirement, the charge begins when the input signal is greater than zero capacitor C941, and the voltage level of C941 will remain when the signal is less than zero due to the action of diodes D941, D942. The voltage of the peak hold capacitor can be collected at this time as shown in fig. 9.
After the signal acquisition is finished, the holding capacitor is cleared, the analog switch is closed under the control of the FPGA, and the voltage of the holding capacitor is cleared, as shown in fig. 10.
The magnitude of the echo amplitude is influenced by the well wall structure, and the echo time reflects the distance from the probe to the well wall. The color depth of the echo amplitude imaging image can reflect the high-low reflection characteristic of the well wall, the crack belongs to a low reflection area, and the echo amplitude imaging image can identify the orientations of the rock stratum and the crack.
In order to ensure the effective working time of the instrument, the acquisition control circuit system adopts a low-power-consumption design, ensures that ultrasonic imaging starts to work when fracturing starts by pressure triggering, reduces invalid working time, and adjusts the number of battery packs according to the average power consumption of normal operation of the instrument and the time required by the design fracturing so as to ensure that the instrument has stable power supply in the required working period. The system can acquire the dynamic images of the crack space orientation and the evolution process in the ground stress measurement process, and can greatly improve the detection efficiency.
As shown in fig. 11, according to the practical requirement of the fracturing environment, the present embodiment develops a storage type ultrasonic real-time detection device for the hydraulic fracturing induced fracture based on the ultrasonic imaging test principle. The fracturing section is of an ultrasonic scanning acoustic structure, the acquisition control circuit framework is placed inside a lower packer without water, data of the whole testing process are acquired and stored, and real-time imaging of a fracturing crack in the fracturing process is achieved.
From the above detailed description of the present invention, it can be seen that when the system of the present application obtains the echo amplitude and the echo time, the system is realized by the peak detection circuit and the head wave detection circuit in the hardware circuit, which consumes a short time and has higher precision.
Finally, it should be noted that the above embodiments are only for illustrating the technical solution of the present invention and are not limiting. Although the present invention has been described in detail with reference to the embodiments, it should be understood by those skilled in the art that modifications and equivalents may be made thereto without departing from the spirit and scope of the present invention, which is intended to be covered by the appended claims.

Claims (8)

Translated fromChinese
1.一种压力致裂诱发裂缝的超声实时成像采集控制系统,所述系统包括:信号发射模块、信号接收模块和信号采集处理模块;所述信号发射模块,用于向压裂段发射超声波信号;所述信号接收模块,用于接收裂缝反射的超声波回波信号;所述信号采集处理模块,用于对裂缝反射的超声波信号进行处理;其特征在于,1. An ultrasonic real-time imaging acquisition control system of pressure fracturing induced cracks, said system comprising: a signal transmitting module, a signal receiving module and a signal acquisition and processing module; said signal transmitting module is used to transmit ultrasonic signals to the fracturing section The signal receiving module is used to receive the ultrasonic echo signal reflected by the crack; the signal acquisition and processing module is used to process the ultrasonic signal reflected by the crack; it is characterized in that,所述信号采集处理模块,包括:增益滤波单元和信号处理单元;其中,The signal acquisition and processing module includes: a gain filter unit and a signal processing unit; wherein,所述增益滤波单元,用于对裂缝反射的超声波信号进行放大、滤波处理,并将处理后的超声波信号传输到信号处理单元;The gain filter unit is used to amplify and filter the ultrasonic signal reflected by the crack, and transmit the processed ultrasonic signal to the signal processing unit;所述信号处理单元,用于通过硬件电路获得裂缝反射的超声波的回波幅度和回波到时时间,并传输到后续处理单元进行裂缝超声成像;The signal processing unit is used to obtain the echo amplitude and echo arrival time of the ultrasonic wave reflected by the crack through the hardware circuit, and transmit it to the subsequent processing unit for ultrasonic imaging of the crack;所述信号接收模块包括:至少两个超声换能器探头、模拟开关和压力传感器;The signal receiving module includes: at least two ultrasonic transducer probes, an analog switch and a pressure sensor;所述至少两个超声换能器探头的固有频率不同,用于适配不同井径需求;The natural frequencies of the at least two ultrasonic transducer probes are different for adapting to different borehole diameter requirements;所述模拟开关,与超声换能器探头一一对应,用于根据井径来选择适配的探头;The analog switch is in one-to-one correspondence with the ultrasonic transducer probes, and is used to select a suitable probe according to the borehole diameter;所述压力传感器,用于对压力进行检测,并当压力达到设定阈值时启动或停止信号接收模块接收裂缝反射的超声波回波信号。The pressure sensor is used to detect the pressure, and start or stop the signal receiving module to receive the ultrasonic echo signal reflected by the crack when the pressure reaches a set threshold.2.根据权利要求1所述的压力致裂诱发裂缝的超声实时成像采集控制系统,其特征在于,所述信号接收模块还包括至少两个预放匹配单元;每个预放匹配单元分别与一个超声换能器探头电联,用于对相应电联超声换能器探头接收的回波信号进行放大匹配。2. The ultrasonic real-time imaging acquisition control system of pressure fracturing induced cracks according to claim 1, characterized in that, the signal receiving module also includes at least two pre-release matching units; each pre-release matching unit is respectively connected to a The electrical connection of the ultrasonic transducer probe is used to amplify and match the echo signal received by the corresponding electrical-connected ultrasonic transducer probe.3.根据权利要求1所述的压力致裂诱发裂缝的超声实时成像采集控制系统,其特征在于,所述增益滤波单元,包括依次电联的第一增益控制电路、带通滤波电路和第二增益控制电路。3. The ultrasonic real-time imaging acquisition control system for pressure fracturing induced cracks according to claim 1, wherein the gain filter unit includes a first gain control circuit, a band-pass filter circuit and a second gain control circuit that are electrically connected in sequence. gain control circuit.4.根据权利要求1所述的压力致裂诱发裂缝的超声实时成像采集控制系统,其特征在于,所述信号处理单元,包括:全波采集电路、到时提取电路和峰值检测电路;4. The ultrasonic real-time imaging acquisition control system for pressure fracturing-induced cracks according to claim 1, wherein the signal processing unit includes: a full-wave acquisition circuit, an on-time extraction circuit and a peak detection circuit;所述全波采集电路,用于对增益滤波单元输出的信号进行完整采集;The full-wave acquisition circuit is used for complete acquisition of the signal output by the gain filter unit;所述到时提取电路,用于对增益滤波单元输出的信号进行处理获得回波到时时间;The time-to-time extraction circuit is used to process the signal output by the gain filter unit to obtain the time-to-time of the echo;所述峰值检测电路,用于对增益滤波单元输出的信号进行峰值检测,获得回波幅度。The peak detection circuit is used to perform peak detection on the signal output by the gain filter unit to obtain the echo amplitude.5.根据权利要求4所述的压力致裂诱发裂缝的超声实时成像采集控制系统,其特征在于,所述到时提取电路,包括依次电联的:放大滤波子电路、精密整流子电路、检波子电路、微分比较子电路和到时采集子电路;其中,5. The ultrasonic real-time imaging acquisition control system for pressure fracturing-induced cracks according to claim 4, characterized in that, the timed extraction circuit includes sequentially electrically connected: amplification and filtering sub-circuits, precision commutator circuits, wave detection Sub-circuit, differential comparison sub-circuit and time acquisition sub-circuit; wherein,所述放大滤波子电路、精密整流子电路和检波子电路,用于对回波信号依次进行滤波、整流和检波处理,得到回波包络;处理过程中,将回波信号作为探头工作频率载波的调幅信号来处理;The amplification and filtering sub-circuit, the precision rectifier sub-circuit and the detection sub-circuit are used to sequentially filter, rectify and detect the echo signal to obtain the echo envelope; during the processing, the echo signal is used as the probe operating frequency carrier AM signal to process;所述微分比较子电路,用于对回波包络进行处理获得信号过零点的时间即为回波信号峰值到时时间;The differential comparison sub-circuit is used to process the echo envelope to obtain the time when the signal crosses the zero point, which is the peak arrival time of the echo signal;所述到时采集子电路,用于提取得到回波到时时间。The arrival time acquisition sub-circuit is used to extract and obtain the arrival time of the echo.6.根据权利要求5所述的压力致裂诱发裂缝的超声实时成像采集控制系统,其特征在于,所述到时采集子电路包括计时器,用于测试零点位置时间即回波到时时间。6 . The ultrasonic real-time imaging acquisition control system for pressure fracturing-induced cracks according to claim 5 , wherein the time-arrival acquisition sub-circuit includes a timer for testing the time at the zero position, that is, the time when the echo arrives.7.根据权利要求4所述的压力致裂诱发裂缝的超声实时成像采集控制系统,其特征在于,所述峰值检测电路,包括依次电联的:程控放大器、精密整流子电路、电荷泄放控制子电路、射随缓冲子电路和A/D采集子电路;其中,7. The ultrasonic real-time imaging acquisition control system for pressure fracturing induced cracks according to claim 4, characterized in that the peak detection circuit includes sequentially electrically connected: a program-controlled amplifier, a precision commutator circuit, and a charge discharge control Subcircuit, shoot-and-follow buffer subcircuit and A/D acquisition subcircuit; Wherein,所述程控放大器,用于对回波信号进行自动增益处理,使放大的回波信号峰值一直在AD采集子电路的要求范围内;The program-controlled amplifier is used to perform automatic gain processing on the echo signal, so that the peak value of the amplified echo signal is always within the required range of the AD acquisition sub-circuit;所述精密整流子电路,包括峰值检测器和峰值保持电容;其中,所述峰值检测器,用于对放大后的信号的峰值进行检测;所述峰值保持电容,用于储存检测的信号峰值的电荷;The precision commutator circuit includes a peak detector and a peak hold capacitor; wherein the peak detector is used to detect the peak value of the amplified signal; the peak hold capacitor is used to store the peak value of the detected signal charge;所述电荷泄放控制子电路,用于泄放峰值保持电容上的电荷,以进行下一次峰值检测;The charge discharge control subcircuit is used to discharge the charge on the peak holding capacitor for the next peak detection;所述A/D采集子电路,用于对信号的峰值进模数转换并采集。The A/D acquisition sub-circuit is used for performing analog-to-digital conversion and acquisition of the peak value of the signal.8.根据权利要求7所述的压力致裂诱发裂缝的超声实时成像采集控制系统,其特征在于,所述信号采集处理模块还包括FPGA单元,用于对信号处理单元获得的回波幅度和回波时间进行处理获得裂缝超声成像,并存储;还用于控制电荷泄放控制子电路。8. The ultrasonic real-time imaging acquisition and control system of pressure fracturing induced cracks according to claim 7, wherein the signal acquisition and processing module also includes an FPGA unit, which is used to obtain the echo amplitude and echo frequency obtained by the signal processing unit. Ultrasonic imaging of cracks is obtained by processing the wave time and stored; it is also used to control the charge discharge control sub-circuit.
CN202211425928.5A2022-11-152022-11-15Ultrasonic real-time imaging acquisition control system for pressure-induced crackingActiveCN115773103B (en)

Priority Applications (1)

Application NumberPriority DateFiling DateTitle
CN202211425928.5ACN115773103B (en)2022-11-152022-11-15Ultrasonic real-time imaging acquisition control system for pressure-induced cracking

Applications Claiming Priority (1)

Application NumberPriority DateFiling DateTitle
CN202211425928.5ACN115773103B (en)2022-11-152022-11-15Ultrasonic real-time imaging acquisition control system for pressure-induced cracking

Publications (2)

Publication NumberPublication Date
CN115773103A CN115773103A (en)2023-03-10
CN115773103Btrue CN115773103B (en)2023-06-27

Family

ID=85389085

Family Applications (1)

Application NumberTitlePriority DateFiling Date
CN202211425928.5AActiveCN115773103B (en)2022-11-152022-11-15Ultrasonic real-time imaging acquisition control system for pressure-induced cracking

Country Status (1)

CountryLink
CN (1)CN115773103B (en)

Families Citing this family (2)

* Cited by examiner, † Cited by third party
Publication numberPriority datePublication dateAssigneeTitle
CN116906028B (en)*2023-07-262024-01-30中国科学院声学研究所Real-time imaging acquisition control system of wall of a well supersound
CN117489290B (en)*2023-12-142024-03-01江苏宏泰石化机械有限公司Remote-adjustment opening and closing degree adjustable fracturing wellhead and adjusting and controlling method thereof

Family Cites Families (21)

* Cited by examiner, † Cited by third party
Publication numberPriority datePublication dateAssigneeTitle
US8126689B2 (en)*2003-12-042012-02-28Halliburton Energy Services, Inc.Methods for geomechanical fracture modeling
CA2544818A1 (en)*2006-04-252007-10-25Precision Energy Services, Inc.Method and apparatus for perforating a casing and producing hydrocarbons
US9970278B2 (en)*2012-11-162018-05-15U.S. Well Services, LLCSystem for centralized monitoring and control of electric powered hydraulic fracturing fleet
GB201312549D0 (en)*2013-07-122013-08-28Fotech Solutions LtdMonitoring of hydraulic fracturing operations
CN103498648B (en)*2013-10-172016-02-24中国科学院广州能源研究所The method and apparatus of a kind of associating step-down and hydraulic fracturing technology production of water compound
MX367617B (en)*2016-10-142019-08-26Andres Pech PerezMethod and system for the detection and characterisation of waves induced by the flow of fluids, atomic particle flows, fracture propagation and geological fault activation.
MX2019004687A (en)*2016-10-312019-08-21Halliburton Energy Services IncWireless activation of wellbore completion assemblies.
CN109281650A (en)*2017-07-192019-01-29中国科学院声学研究所 A real-time imaging method of borehole wall based on cylindrical ultrasonic phased array
CN109281652A (en)*2017-07-192019-01-29中国科学院声学研究所 A borehole imaging system based on cylindrical ultrasonic phased array
CN107642355B (en)*2017-08-242020-11-06中国石油天然气集团公司Hydraulic fracturing fracture monitoring system and method based on ultrasonic emission method
CN109826605A (en)*2017-11-212019-05-31中国石油化工股份有限公司Exempt from operation pressure break Testing Evaluation method
CN108279416A (en)*2018-01-182018-07-13安徽英凯环境技术有限公司A kind of ultrasonic ranging system and its accurate method for measuring echo arrival time
CN108952663B (en)*2018-08-152019-10-18中国石油大学(北京) On-site fracturing method using intermittent fracturing to generate complex fracture network
US11163083B2 (en)*2018-10-172021-11-02Halliburton Energy Services, Inc.Echo detection and measurement in noisy environment for downhole logging
WO2020154399A1 (en)*2019-01-232020-07-30Schlumberger Technology CorporationUltrasonic pulse-echo and caliper formation characterization
US11306572B2 (en)*2019-07-122022-04-19Halliburton Energy Services, Inc.Hydraulic fracturing modelling and control
CA3148496A1 (en)*2019-07-262021-02-04Typhon Technology Solutions, LlcArtificial intelligence based hydraulic fracturing system monitoring and control
WO2021020986A1 (en)*2019-07-312021-02-04Schlumberger Canada LimitedA method of determining depths of wellbore reflectors
US11346216B2 (en)*2020-03-312022-05-31Halliburton Energy Services, Inc.Estimation of fracture complexity
CN112627809A (en)*2020-12-182021-04-09中国矿业大学(北京)Ultrasonic imaging logging device and coal seam crack prediction method
CN114151059A (en)*2021-12-072022-03-08西南石油大学Method for modifying shale reservoir by ultrasonic cavitation effect and acidizing fracturing retention fluid

Non-Patent Citations (1)

* Cited by examiner, † Cited by third party
Title
单孔预置缝槽控制压裂裂缝扩展规律模拟研究;薛伟超;李艳增;;煤矿安全(第12期);164-168+175页*

Also Published As

Publication numberPublication date
CN115773103A (en)2023-03-10

Similar Documents

PublicationPublication DateTitle
CN115773103B (en)Ultrasonic real-time imaging acquisition control system for pressure-induced cracking
CN110006997B (en)Ultrasonic thickness meter for metal composite material
CN102621529B (en)Method for echo processing in a pulse-echo ranging system
CN107710225A (en)Fingerprint acquisition apparatus and method therein for noise measuring
CN208872879U (en) A Microseismic Data Acquisition System
CN105863621B (en)A kind of acoustic wave transducer detection device and its working method
CN105588881A (en)Portable ultrasonic detector for railway power supply net touching pin
US20190226323A1 (en)Ultrasonic Cutting Detection
CN109142520A (en)A kind of ultrasonic detection device
CN104391045A (en)Sound-wave-based square wood hole-defect recognition system and method
CN110824007B (en)Tubular pile crack detection method and system
CN115219601A (en) A system and method for detecting voids in secondary lining of tunnels
CN111812727B (en) A non-invasive nuclear magnetic resonance grain storage volume detection device and detection method
CN110726888B (en)Ultrasonic anomaly detection method and device of ultrasonic lead bonding equipment
CN204758542U (en)Detection apparatus for metallic structure's crackle
CN109946378A (en) Fatigue crack detection device for gantry crane boom structure
CN101982750B (en) Method and device for controlling vibration frequency of coil spring sampler
CN111366826A (en)Ultrasonic automatic detection system and method for self-healing discharge of self-healing parallel capacitor
CN105785458B (en)Anti-saturation device and anti-saturation method of ground magnetic resonance signal amplification circuit
CN208537478U (en)A kind of ultrasonic detection device
CN217845392U (en)Shock wave acoustic field measurement system
CN117073803A (en)Pipeline absolute liquid level measuring device
CN214893147U (en)Electromagnetic ultrasonic based gas pipeline wall thickness detection system
CN208635712U (en)A kind of coating thickness detector
CN112630755A (en)Transducer vertical directivity rapid measurement system and measurement method thereof

Legal Events

DateCodeTitleDescription
PB01Publication
PB01Publication
SE01Entry into force of request for substantive examination
SE01Entry into force of request for substantive examination
GR01Patent grant
GR01Patent grant

[8]ページ先頭

©2009-2025 Movatter.jp