

技术领域technical field
本发明涉及资源与环境技术领域,尤其涉及一种从盐湖提锂排放液中生产硼砂的蒸发结晶工艺及装置。The invention relates to the technical field of resources and environment, in particular to an evaporation and crystallization process and a device for producing borax from a lithium extraction liquid from a salt lake.
背景技术Background technique
硼砂的化学成分是四硼酸钠,主要存在于矿床中。硼砂常用于玻璃生产,可以增强玻璃对紫外线的透射率,提高玻璃的透明度及耐热性。在搪瓷制品中,硼砂可使瓷釉不易脱落而使其具有光泽。硼砂具有防腐作用,可应用于医药领域的消炎、消毒。硼砂也广泛用于化工、冶金、军工、机械等领域。由此可见,含硼产品在各领域都占据很重要的地位。在盐湖提锂生产中排放的含硼废水如果能够处理得到高纯度硼砂,对其回收利用,将会大大提高企业的经济效益和盐湖资源的利用率。The chemical composition of borax is sodium tetraborate, which is mainly found in deposits. Borax is often used in glass production, which can enhance the transmittance of glass to ultraviolet rays, improve the transparency and heat resistance of glass. In enamel products, borax can make the enamel not easy to fall off and make it shiny. Borax has antiseptic effect and can be used for anti-inflammatory and disinfection in the field of medicine. Borax is also widely used in chemical, metallurgy, military, machinery and other fields. It can be seen that boron-containing products occupy a very important position in various fields. If the boron-containing wastewater discharged from the production of lithium extraction in the salt lake can be treated to obtain high-purity borax and its recycling, it will greatly improve the economic benefits of the enterprise and the utilization rate of salt lake resources.
发明内容SUMMARY OF THE INVENTION
为解决上述现有技术中提到的问题,本发明提供了一种从盐湖提锂排放液中生产硼砂的蒸发结晶工艺及装置,利用MVR蒸汽再压缩技术使得其中的硼产品能够得到回收利用,减少能耗及运行成本,提高工艺技术的先进性。In order to solve the problems mentioned in the above-mentioned prior art, the present invention provides a kind of evaporative crystallization process and device for producing borax from the lithium extraction liquid from the salt lake, utilizing the MVR vapor recompression technology to make the boron product in it can be recycled, Reduce energy consumption and operating costs, and improve the advanced nature of process technology.
本发明采用的技术方案为:The technical scheme adopted in the present invention is:
一种从盐湖提锂排放液中生产硼砂的蒸发结晶工艺及装置,包括:浓缩段采用两级MVR组合式蒸发器对含硼废水进行蒸发浓缩;结晶段采用降温结晶的方式生产硼砂晶体;其中:An evaporative crystallization process and device for producing borax from a lithium extraction liquid from a salt lake, comprising: the concentration section adopts a two-stage MVR combined evaporator to evaporate and concentrate boron-containing wastewater; the crystallization section adopts the method of cooling and crystallization to produce borax crystals; wherein :
浓缩段两级MVR组合式蒸发器采用一级降膜蒸发器和二级强制循环蒸发器组合;一级降膜蒸发器至少包括一台单效降膜蒸发器;或者,一级降膜蒸发器采用两效降膜蒸发器串联的方式;The two-stage MVR combined evaporator in the concentration section adopts a combination of a first-stage falling film evaporator and a second-stage forced circulation evaporator; the first-stage falling-film evaporator includes at least one single-effect falling-film evaporator; or, the first-stage falling-film evaporator Two-effect falling film evaporators are connected in series;
两级MVR组合式蒸发器采用一级单效降膜蒸发器和二级强制循环蒸发器组合时,浓缩的方式包括:When the two-stage MVR combined evaporator adopts the combination of a first-stage single-effect falling film evaporator and a two-stage forced circulation evaporator, the concentration methods include:
预热后的含硼废水进入一级单效降膜蒸发器加热蒸发,蒸发器产生的二次蒸汽,进入MVR蒸汽压缩机;The preheated boron-containing wastewater enters the first-stage single-effect falling film evaporator for heating and evaporation, and the secondary steam generated by the evaporator enters the MVR steam compressor;
一级单效降膜蒸发器浓缩后的料液进入二级强制循环蒸发器蒸发浓缩,蒸发器产生二次蒸汽进入所述MVR蒸汽压缩机;The concentrated feed liquid of the first-stage single-effect falling film evaporator enters the second-stage forced circulation evaporator for evaporation and concentration, and the evaporator generates secondary steam and enters the MVR steam compressor;
所述MVR蒸汽压缩机压缩后的二次蒸汽进入所述一级单效降膜蒸发器和所述二级强制循环蒸发器作为加热蒸汽;The secondary steam compressed by the MVR steam compressor enters the first-stage single-effect falling film evaporator and the second-stage forced circulation evaporator as heating steam;
所述二级强制循环蒸发器的出料进入结晶器进行降温结晶;The discharge of the secondary forced circulation evaporator enters the crystallizer for cooling and crystallization;
所述结晶器产生的晶浆进入离心机进行固液分离,分离出硼砂产品;The crystal slurry produced by the crystallizer enters the centrifuge for solid-liquid separation, and the borax product is separated;
两级MVR组合式蒸发器为一级双效降膜蒸发器和二级强制循环蒸发器组合时,浓缩的方式包括:When the two-stage MVR combined evaporator is a combination of a one-stage double-effect falling film evaporator and a two-stage forced circulation evaporator, the concentration methods include:
预热后的含硼废水进入一级一效降膜蒸发器加热蒸发,产生的二次蒸汽进入一级二效降膜蒸发器的蒸汽入口作为热源,以及所述一级一效降膜蒸发器浓缩后的料液进入一级二效降膜蒸发器加热蒸发;The preheated boron-containing wastewater enters the first-stage one-effect falling film evaporator for heating and evaporation, and the generated secondary steam enters the steam inlet of the first-stage two-effect falling-film evaporator as a heat source, and the first-stage one-effect falling film evaporator The concentrated feed liquid enters the first-stage two-effect falling film evaporator for heating and evaporation;
一级二效降膜蒸发器产生的二次蒸汽进入MVR蒸汽压缩机;The secondary steam generated by the first-stage two-effect falling film evaporator enters the MVR steam compressor;
一级二效降膜蒸发器浓缩后的料液进入二级强制循环蒸发器蒸发浓缩,蒸发器产生的二次蒸汽进入所述MVR蒸汽压缩机;The concentrated feed liquid of the first-stage two-effect falling film evaporator enters the second-stage forced circulation evaporator for evaporation and concentration, and the secondary steam generated by the evaporator enters the MVR steam compressor;
所述MVR蒸汽压缩机压缩后的二次蒸汽进入所述一级一效降膜蒸发器和所述二级强制循环蒸发器作为加热蒸汽;The secondary steam compressed by the MVR steam compressor enters the first-stage first-effect falling film evaporator and the second-stage forced circulation evaporator as heating steam;
所述二级强制循环蒸发器的出料进入结晶器进行降温结晶;The discharge of the secondary forced circulation evaporator enters the crystallizer for cooling and crystallization;
所述结晶器结晶产生的晶浆进入离心机进行固液分离,分离出硼砂产品。The crystal slurry produced by the crystallizer enters the centrifuge for solid-liquid separation, and the borax product is separated.
较佳地,采用依次连接的一级预热器和二级预热器对含硼废水进行预热,二次预热器预热后的料液进入所述一级降膜蒸发器。Preferably, the boron-containing wastewater is preheated by using a primary preheater and a secondary preheater connected in sequence, and the feed liquid preheated by the secondary preheater enters the primary falling film evaporator.
较佳地,所述一级降膜蒸发器、二级强制循环蒸发器产生的不凝气回收进入所述二级预热器预热。Preferably, the non-condensable gas generated by the primary falling film evaporator and the secondary forced circulation evaporator is recycled into the secondary preheater for preheating.
较佳地,所述一级降膜蒸发器、二级强制循环蒸发器、所述二级预热器产生的冷凝水回收进入冷凝水罐,再进入一级预热器预热。Preferably, the condensed water produced by the primary falling film evaporator, the secondary forced circulation evaporator and the secondary preheater is recycled into the condensed water tank, and then enters the primary preheater for preheating.
较佳地,所述二级预热器产生的不凝气进入冷凝器,冷凝后的冷凝水进入一级预热器预热。Preferably, the non-condensable gas generated by the secondary preheater enters the condenser, and the condensed water enters the primary preheater for preheating.
较佳地,所述结晶器采用夹套晶浆罐,晶浆罐通循环冷却水冷却降温,析出晶体,达到稠厚、养晶体目的,再进入离心机进行固液分离。Preferably, the crystallizer adopts a jacketed magma tank, and the magma tank is cooled and cooled by circulating cooling water to precipitate crystals to achieve the purpose of thickening and cultivating crystals, and then enter the centrifuge for solid-liquid separation.
较佳地,所述离心机分离出的母液部分返回所述二级强制循环蒸发器,部分外排。Preferably, part of the mother liquor separated by the centrifuge is returned to the secondary forced circulation evaporator, and part of it is discharged.
一种从盐湖提锂排放液中生产硼砂的MVR系统,其包括一级单效降膜蒸发器或一级双效降膜和二级强制循环蒸发器组成的MVR蒸发浓缩系统,其中:An MVR system for producing borax from a lithium extraction liquid from a salt lake, comprising an MVR evaporation and concentration system composed of a first-stage single-effect falling film evaporator or a first-stage double-effect falling film and a second-stage forced circulation evaporator, wherein:
一级单效降膜蒸发器和二级强制循环蒸发器组成的MVR浓缩系统包括:The MVR concentration system composed of one-stage single-effect falling film evaporator and two-stage forced circulation evaporator includes:
一级单效降膜蒸发器;One-stage single-effect falling film evaporator;
二级强制循环蒸发器,所述一级单效降膜蒸发器的出料口与所述二级强制循环蒸发器的入料口相连接;A secondary forced circulation evaporator, the outlet of the primary single-effect falling film evaporator is connected with the feed inlet of the secondary forced circulation evaporator;
MVR蒸汽压缩机,所述MVR蒸汽压缩机的蒸汽入口与所述一级单效降膜蒸发器、所述二级强制循环蒸发器的蒸汽出口相连接;所述MVR蒸汽压缩机的蒸汽出口与所述一级单效降膜蒸发器、所述二级强制循环蒸发器的蒸汽入口相连接;MVR steam compressor, the steam inlet of the MVR steam compressor is connected to the steam outlet of the first-stage single-effect falling film evaporator and the second-stage forced circulation evaporator; the steam outlet of the MVR steam compressor is connected to The steam inlets of the first-stage single-effect falling film evaporator and the second-stage forced circulation evaporator are connected;
结晶器,所述结晶器的入料口与所述二级强制循环蒸发器的出料口相连接;a crystallizer, the inlet of the crystallizer is connected with the outlet of the secondary forced circulation evaporator;
离心机,所述离心机的入料口与所述结晶器的出料口相连接,所述离心机的固体出料口排出硼砂,所述离心机的液体出料口与母液罐相连接;Centrifuge, the feeding port of the centrifuge is connected with the discharging port of the crystallizer, the solid discharging port of the centrifuge discharges borax, and the liquid discharging port of the centrifuge is connected to the mother liquor tank;
一级双效降膜蒸发器和二级强制循环蒸发器组成的MVR蒸发浓缩系统包括:The MVR evaporation and concentration system composed of one-stage double-effect falling film evaporator and two-stage forced circulation evaporator includes:
一级双效降膜蒸发器;所述一级双效降膜蒸发器包括一级一效降膜蒸发器和一级二效降膜蒸发器,所述一级一效降膜蒸发器的蒸汽出口与所述一级二效降膜蒸发器的蒸汽入口连接,所述一级一效降膜蒸发器的出料口与所述一级二效蒸发器的入料口连接;A first-stage double-effect falling-film evaporator; the first-stage double-effect falling-film evaporator includes a first-stage one-effect falling-film evaporator and a first-stage two-effect falling-film evaporator, and the steam of the first-stage one-effect falling-film evaporator The outlet is connected with the steam inlet of the first-stage second-effect falling film evaporator, and the material outlet of the first-stage first-effect falling-film evaporator is connected with the feed port of the first-stage second-effect falling film evaporator;
二级强制循环蒸发器,所述一级二效降膜蒸发器的出料口与所述二级强制循环蒸发器的入料口相连接;A secondary forced circulation evaporator, the discharge port of the primary two-effect falling film evaporator is connected with the feed port of the secondary forced circulation evaporator;
MVR蒸汽压缩机,所述MVR蒸汽压缩机的蒸汽入口与所述一级二效降膜蒸发器的蒸汽出口、所述二级强制循环蒸发器的蒸汽出口相连接,所述MVR蒸汽压缩机的蒸汽出口与所述一级一效降膜蒸发器、所述二级强制循环蒸发器的蒸汽入口相连接;MVR steam compressor, the steam inlet of the MVR steam compressor is connected with the steam outlet of the first-stage two-effect falling film evaporator and the steam outlet of the second-stage forced circulation evaporator, and the steam outlet of the MVR steam compressor The steam outlet is connected with the steam inlet of the first-stage first-effect falling film evaporator and the second-stage forced circulation evaporator;
结晶器,所述二级强制循环蒸发器的出料口与结晶器入料口相连接;Crystallizer, the outlet of the secondary forced circulation evaporator is connected with the inlet of the crystallizer;
离心机,所述离心机的入料口与所述结晶器的出料口相连接,所述离心机的固体出料口排出,所述离心机的液体出料口与母液罐相连接。Centrifuge, the inlet of the centrifuge is connected with the outlet of the crystallizer, the solid outlet of the centrifuge is discharged, and the liquid outlet of the centrifuge is connected with the mother liquor tank.
较佳地,所述母液罐的出口分别与所述二级强制循环蒸发器和外排设备相连接。较佳地,系统还包括相连接的一级预热器和二级预热器,所述二级预热器与所述一级降膜蒸发器的入料口相连接。Preferably, the outlet of the mother liquor tank is respectively connected with the secondary forced circulation evaporator and the external discharge device. Preferably, the system further comprises a connected primary preheater and a secondary preheater, and the secondary preheater is connected to the feed inlet of the primary falling film evaporator.
较佳地,所述一级降膜蒸发器、二级强制循环蒸发器的不凝气出口与所述二级预热器的入口相连接。Preferably, the non-condensable gas outlet of the primary falling film evaporator and the secondary forced circulation evaporator is connected to the inlet of the secondary preheater.
较佳地,所述二级预热器的不凝气出口与冷凝器的入口相连接,所述冷凝器的出口与所述一级预热器的入口相连接。Preferably, the non-condensable gas outlet of the secondary preheater is connected to the inlet of the condenser, and the outlet of the condenser is connected to the inlet of the primary preheater.
较佳地,所述一级降膜蒸发器、二级强制循环蒸发器的冷凝水出口与冷凝水罐的入口相连接,所述冷凝水罐的出口与所述一级预热器的入口相连接。Preferably, the condensed water outlet of the primary falling film evaporator and the secondary forced circulation evaporator is connected to the inlet of the condensed water tank, and the outlet of the condensed water tank is connected to the inlet of the primary preheater. connect.
本发明工艺提出了两级MVR组合式蒸发器,包括一级降膜蒸发器和二级强制循环蒸发器组成的MVR蒸发浓缩系统和降温结晶系统,从盐湖提锂排放液中生产硼砂,提高了企业经济效益和环境效益,具体来说,本发明针对目前盐湖提锂生产过程中含硼废水处理的高能耗,高运行成本等问题,提出了利用MVR蒸汽再压缩技术使得其中的硼产品能够得到回收利用,减少能耗及运行成本,提高工艺技术的先进性。The process of the invention proposes a two-stage MVR combined evaporator, including an MVR evaporation and concentration system and a cooling crystallization system composed of a first-stage falling film evaporator and a second-stage forced circulation evaporator. Enterprise economic benefits and environmental benefits, specifically, the present invention proposes to use MVR vapor recompression technology to make boron products in the current salt lake lithium extraction process high energy consumption, high operating costs and other problems in the treatment of boron-containing wastewater. Recycling, reducing energy consumption and operating costs, and improving the advanced nature of process technology.
附图说明Description of drawings
为了更清楚地说明本发明实施例中的技术方案,下面将对实施例描述中所需要使用的附图作简单地介绍,显而易见地,下面描述中的附图仅仅是本发明的一些实施例,对于本领域普通技术人员来讲,在不付出创造性劳动的前提下,还可以根据这些附图获得其他的附图。In order to illustrate the technical solutions in the embodiments of the present invention more clearly, the following briefly introduces the accompanying drawings used in the description of the embodiments. Obviously, the accompanying drawings in the following description are only some embodiments of the present invention. For those of ordinary skill in the art, other drawings can also be obtained from these drawings without creative effort.
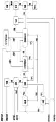
图1为本发明一实施例提供的从盐湖提锂排放液中生产硼砂的蒸发结晶工艺及装置的工作原理图(一级单效降膜蒸发器和二级强制循环蒸发器组合的MVR系统)。Fig. 1 is the working principle diagram of the evaporative crystallization process and device for producing borax from a lithium extraction liquid from a salt lake provided by an embodiment of the present invention (MVR system combined with a first-level single-effect falling film evaporator and a second-level forced circulation evaporator) .
图2为本发明另一实施例提供的从盐湖提锂排放液中生产硼砂的蒸发结晶工艺及装置的工作原理图(一级双效降膜蒸发器和二级强制循环蒸发器组合的MVR系统)。Fig. 2 is the working principle diagram of the evaporation and crystallization process and device for producing borax from the lithium extraction liquid from the salt lake provided by another embodiment of the present invention (the MVR system of the combination of a first-level double-effect falling film evaporator and a second-level forced circulation evaporator ).
具体实施方式Detailed ways
下面结合附图对本发明的具体实施方式作进一步说明。在此需要说明的是,对于这些实施方式的说明用于帮助理解本发明,但并不构成对本发明的限定。此外,下面所描述的本发明各个实施方式中所涉及的技术特征只要彼此之间未构成冲突就可以相互组合。The specific embodiments of the present invention will be further described below with reference to the accompanying drawings. It should be noted here that the descriptions of these embodiments are used to help the understanding of the present invention, but do not constitute a limitation of the present invention. In addition, the technical features involved in the various embodiments of the present invention described below can be combined with each other as long as they do not conflict with each other.
实施例1Example 1
参阅图1所示,本发明实施例提供了一种从盐湖提锂排放液中生产硼砂的蒸发结晶工艺及装置,本工艺主要是提出了采用两级MVR组合式蒸发器的蒸发浓缩的方式对盐湖提锂生产中排放的含硼废水进行蒸发浓缩,采用降温结晶的方式生产硼砂产品,提高了企业经济效益和环境效益。Referring to Fig. 1, the embodiment of the present invention provides a kind of evaporation and crystallization process and device for producing borax from the lithium discharge liquid from the salt lake. The boron-containing wastewater discharged from the production of lithium extraction from the salt lake is evaporated and concentrated, and the borax product is produced by cooling and crystallization, which improves the economic and environmental benefits of the enterprise.
具体来说,如图1所示,本工艺配合一种从盐湖提锂排放液中生产硼砂的蒸发结晶装置实现其功能。该从盐湖提锂排放液中生产硼砂的蒸发结晶工艺及装置包括一级单效降膜蒸发器、二级强制循环蒸发器和MVR蒸汽压缩机,该一级单效降膜蒸发器的出料口与该二级强制循环蒸发器的入料口相连通。该MVR蒸汽压缩机的蒸汽入口分别与一级单效降膜蒸发器、二级强制循环蒸发器的蒸汽出口相连接,该MVR蒸汽压缩机的蒸汽出口分别与该一级单效降膜蒸发器、该二级强制循环蒸发器的蒸汽入口相连接。具体地,一级单效降膜蒸发器和二级强制循环蒸发器内蒸发产生的二次蒸汽通过气液分离器分离后进入MVR蒸汽压缩机,在MVR蒸汽压缩机中对低压的二次蒸汽进行升压升温,压缩后的二次蒸汽再通过MVR蒸汽压缩机的蒸汽出口输送至一级单效降膜蒸发器和二级强制循环蒸发器内,作为两级蒸发器的加热蒸汽,参与一级单效降膜蒸发器和二级强制循环蒸发器的蒸发浓缩。因此,本工艺可采用MVR技术将全部二次蒸汽压缩回用,极大的节省了蒸汽能量,系统蒸发量大;并且设备投资成本低、占地少、维修和操作人员少。Specifically, as shown in Figure 1, this process realizes its function with an evaporation and crystallization device for producing borax from a lithium extraction liquid from a salt lake. The evaporation and crystallization process and device for producing borax from the discharge liquid of lithium extraction from salt lake include a first-stage single-effect falling film evaporator, a second-stage forced circulation evaporator and an MVR steam compressor. The output of the first-stage single-effect falling film evaporator The port communicates with the feed port of the secondary forced circulation evaporator. The steam inlet of the MVR steam compressor is respectively connected with the steam outlet of the first-stage single-effect falling film evaporator and the second-stage forced circulation evaporator, and the steam outlet of the MVR steam compressor is respectively connected with the first-stage single-effect falling film evaporator , The steam inlet of the secondary forced circulation evaporator is connected. Specifically, the secondary steam generated by the evaporation in the first-stage single-effect falling film evaporator and the second-stage forced circulation evaporator is separated by the gas-liquid separator and then enters the MVR steam compressor. In the MVR steam compressor, the low-pressure secondary steam The pressure rises and the temperature rises, and the compressed secondary steam is then transported to the first-stage single-effect falling film evaporator and the second-stage forced circulation evaporator through the steam outlet of the MVR steam compressor. Evaporative concentration of one-stage single-effect falling film evaporator and two-stage forced circulation evaporator. Therefore, MVR technology can be used in this process to compress and reuse all the secondary steam, which greatly saves steam energy, and the evaporation of the system is large; and the equipment investment cost is low, the land occupation is small, and the maintenance and operation personnel are few.
进一步地,一级单效降膜蒸发器的进料口与二级预热器的出料口相连通,二级预热器的进料口与一级预热器的出料口相连通,该一级预热器的进料口与供料罐的出料口相连通。该供料罐送来的物料(含硼废水),由进料泵经电磁流量计、自动调节阀进入一级预热器预热到一定温度后进入一级单效降膜蒸发器的下料仓。Further, the feed port of the primary single-effect falling film evaporator is communicated with the feed outlet of the secondary preheater, and the feed port of the secondary preheater is communicated with the feed outlet of the primary preheater, The feed port of the first-stage preheater is communicated with the discharge port of the feed tank. The material (boron-containing wastewater) sent from the feed tank is preheated to a certain temperature by the feed pump through the electromagnetic flowmeter and automatic regulating valve into the primary preheater, and then enters the primary single-effect falling film evaporator for unloading. warehouse.
进一步地,一级单效降膜蒸发器的出料口与二级强制循环蒸发器的入料口相连通,二级强制循环蒸发器的出料口与结晶器相连通,结晶器的出料口与离心机的进料口相连通。物料通过一级单效降膜蒸发器蒸发浓缩后,达到设计浓度再由过料泵将物料输送至二级强制循环蒸发器。过料调节阀与强制循环蒸发器液位传感器连锁自动控制。经两级蒸发器浓缩,达到设计浓度后,由出料泵输送到结晶器,结晶器采用夹套晶浆罐,晶浆罐夹套通入循环冷却水冷却降温,析出晶体,达到稠厚、养晶体目的,再进入离心机进行固液分离。离心机的固体出料口排出硼砂;离心机的液体出料口与母液罐的入口相连通,母液罐的出口分别与二级强制循环蒸发器的进料口、外排设备相连通。离心机分离出的母液大部分回蒸发器系统内,进一步蒸发浓缩,小部分通过外排设备外排出系统处理,外排设备可以是输送管路或储存罐。其中,当结晶器温度控制在60℃以上时,可结晶出五水硼砂;当结晶器温度控制在60℃以下时,可结晶出十水硼砂。Further, the discharge port of the primary single-effect falling film evaporator is communicated with the feed port of the secondary forced circulation evaporator, the discharge port of the secondary forced circulation evaporator is communicated with the crystallizer, and the discharge port of the crystallizer is connected. The port is communicated with the feed port of the centrifuge. After the material is evaporated and concentrated by the first-stage single-effect falling film evaporator, it reaches the design concentration and then the material is transported to the second-stage forced circulation evaporator by the feed pump. The over-material regulating valve is automatically controlled by interlocking with the liquid level sensor of the forced circulation evaporator. After being concentrated by the two-stage evaporator to reach the designed concentration, it is transported to the crystallizer by the discharge pump. The crystallizer adopts a jacketed crystal slurry tank. For the purpose of raising crystals, it enters the centrifuge for solid-liquid separation. The solid discharge port of the centrifuge discharges borax; the liquid discharge port of the centrifuge is communicated with the inlet of the mother liquor tank, and the outlet of the mother liquor tank is communicated with the feed port of the secondary forced circulation evaporator and the discharge equipment respectively. Most of the mother liquor separated by the centrifuge is returned to the evaporator system for further evaporation and concentration, and a small part is processed by the external discharge system of the external discharge equipment. The external discharge equipment can be a conveying pipeline or a storage tank. Among them, when the crystallizer temperature is controlled above 60°C, borax pentahydrate can be crystallized; when the crystallizer temperature is controlled below 60°C, borax decahydrate can be crystallized.
进一步地,一级单效降膜蒸发器和二级强制循环蒸发器的冷凝水出口与冷凝水罐的入口相连通,冷凝水罐的出口与一级预热器的热源入口相连通,两级蒸发器产生的冷凝水在冷凝水储罐混合后可用作一级预热器的热源,更佳地,一级单效降膜蒸发器和二级强制循环蒸发器的不凝气出口与二级预热器的入口相连通,作为二级预热的热源,该二级预热器的不凝气出口与冷凝器的入口相连通,冷凝器的出口与一级预热器的入口相连通,作为一级预热的热源。工艺运行费用低,冷凝水耗量少,能量利用率高,经济效益高。Further, the condensed water outlet of the first-stage single-effect falling film evaporator and the second-stage forced circulation evaporator is communicated with the inlet of the condensed water tank, and the outlet of the condensed water tank is communicated with the heat source inlet of the first-stage preheater. The condensed water produced by the evaporator can be used as the heat source of the primary preheater after mixing in the condensed water storage tank. The inlet of the first stage preheater is communicated with, as the heat source of the second stage preheating, the non-condensable gas outlet of the second stage preheater is communicated with the inlet of the condenser, and the outlet of the condenser is communicated with the inlet of the first stage preheater , as a heat source for primary preheating. The process operation cost is low, the condensate water consumption is low, the energy utilization rate is high, and the economic benefit is high.
结合上述实施例1中提供的一种从盐湖提锂排放液中生产硼砂的蒸发结晶工艺及装置,对本发明实施例提供的一种从盐湖提锂排放液中生产硼砂的蒸发结晶工艺及装置的具体步骤说明如下:In conjunction with a kind of evaporative crystallization process and device for producing borax from a lithium discharge liquid from a salt lake provided in the above embodiment 1, a kind of evaporative crystallization process and device for producing borax from a lithium discharge liquid from a salt lake provided in the embodiment of the present invention is provided. The specific steps are described as follows:
第一步:预热后的含硼废水进入一级单效降膜蒸发器,利用生蒸汽(或机械压缩后的二次蒸汽)作为热源,维持在特定压力下,被加热溶液达到一定温度,水分蒸发,产生二次蒸汽,进行物料的一级蒸发浓缩,达到设计浓度;The first step: the preheated boron-containing wastewater enters the first-stage single-effect falling film evaporator, and the raw steam (or the secondary steam after mechanical compression) is used as a heat source to maintain a specific pressure, and the heated solution reaches a certain temperature. The water evaporates to generate secondary steam, and the primary evaporation and concentration of the material is carried out to reach the design concentration;
第二步:一级单效降膜蒸发器蒸发浓缩后的物料由过料泵输送至二级强制循环蒸发器,二级强制循环蒸发器产生的二次蒸汽与一级单效降膜蒸发器产生的二次蒸汽一起进入MVR蒸汽压缩机压缩升温后返回一级单效降膜蒸发器和二级强制循环蒸发器再次作为热源;一级单效降膜蒸发器出料过料泵后设置有过料调节阀,过料调节阀与二级强制循环蒸发器液位传感器连锁自动控制,当二级强制循环蒸发器的液位达到设定液位时,过料调节阀打开,过料泵开始输送物料进入二级强制循环蒸发器;The second step: the material after the evaporation and concentration of the first-stage single-effect falling film evaporator is transported by the feed pump to the second-stage forced circulation evaporator, and the secondary steam generated by the second-stage forced circulation evaporator and the first-stage single-effect falling film evaporator The generated secondary steam enters the MVR steam compressor for compression and heating, and then returns to the first-stage single-effect falling film evaporator and the second-stage forced circulation evaporator as heat sources again; The over-feed control valve, the over-feed control valve and the liquid level sensor of the secondary forced circulation evaporator are interlocked and automatically controlled. When the liquid level of the secondary forced circulation evaporator reaches the set level, the feed-through control valve opens and the feed pump starts. The conveyed material enters the secondary forced circulation evaporator;
第三步:二级强制循环蒸发器蒸发浓缩达到设计浓度后的物料进入结晶器,结晶器采用夹套晶浆罐,晶浆罐夹套通循环冷却水冷却降温,析出晶体,达到稠厚、养晶体目的。The third step: the material after the secondary forced circulation evaporator evaporates and concentrates to the design concentration enters the crystallizer. The crystallizer adopts a jacketed magma tank. The purpose of raising crystals.
第四步:结晶器出来的晶浆输送至离心机进行固液分离,分离出的固体为硼砂;分离出液体进入母液罐,母液大部分回二级强制循环蒸发器内继续蒸发浓缩,小部分外排处理。The fourth step: the crystal slurry from the crystallizer is transported to the centrifuge for solid-liquid separation, and the separated solid is borax; the separated liquid enters the mother liquor tank, and most of the mother liquor is returned to the secondary forced circulation evaporator to continue to evaporate and concentrate, and a small part Evacuation processing.
进一步地,第一步对含硼废水的预热,采用依次连接的一级预热器和二级预热器进行两级预热,预热温度逐渐升高但不析晶。预热到一定温度后进入一级单效降膜蒸发器的下料仓,一级单效降膜蒸发器以及二级强制循环蒸发器产生的冷凝水在冷凝水储罐混合后进入一级预热器,作为一级预热器的热源回收利用余热后送出系统。一级单效降膜蒸发器以及二级强制循环蒸发器产生的不凝气进入二级预热器,作为二级预热器的热源回收利用余热,该二级预热器出来的冷凝水进入冷凝水罐,与一级单效降膜蒸发器、二级强制循环蒸发器出来的冷凝水在冷凝水罐中混合后,再进入一级预热器,充分回收利用系统内产生的冷凝水和不凝气的余热。Further, in the first step of preheating the boron-containing wastewater, two-stage preheating is performed by using a first-stage preheater and a second-stage preheater connected in sequence, and the preheating temperature is gradually increased without crystallization. After preheating to a certain temperature, it enters the lower silo of the first-stage single-effect falling-film evaporator. The condensed water produced by the first-stage single-effect falling-film evaporator and the second-stage forced circulation evaporator is mixed in the condensed water storage tank and then enters the first-stage preheater. As the heat source of the first-stage preheater, the waste heat is recycled and sent to the system. The non-condensable gas generated by the first-stage single-effect falling film evaporator and the second-stage forced circulation evaporator enters the second-stage preheater, which is used as the heat source of the second-stage preheater to recover and utilize the waste heat, and the condensed water from the second-stage preheater enters the second stage. The condensed water tank is mixed with the condensed water from the first-stage single-effect falling film evaporator and the second-stage forced circulation evaporator, and then enters the first-stage preheater to fully recycle the condensed water and Non-condensable residual heat.
实施例2:Example 2:
当需要蒸发大量水分时,为了极大降低能耗,提高硼砂的生产效率,也可以采用一级双效降膜蒸发器和二级强制循环蒸发器组合的MVR蒸发浓缩方式。参阅图2所示,本实施例一种从盐湖提锂排放液中生产硼砂的蒸发结晶工艺及装置,包括一级一效降膜蒸发器、一级二效降膜蒸发器、二级强制循环蒸发器和MVR蒸汽压缩机。When a large amount of water needs to be evaporated, in order to greatly reduce energy consumption and improve the production efficiency of borax, the MVR evaporation and concentration method combined with a first-stage double-effect falling film evaporator and a second-stage forced circulation evaporator can also be used. Referring to Fig. 2, the present embodiment is an evaporation and crystallization process and device for producing borax from a lithium discharge liquid from a salt lake, including a first-level one-effect falling-film evaporator, a first-level two-effect falling-film evaporator, and a second-level forced circulation. Evaporator and MVR Vapor Compressor.
该一级一效降膜蒸发器的蒸汽出口与一级二效降膜蒸发器的蒸汽入口相连接,一级一效降膜蒸发器的出料口与一级二效降膜蒸发器的入料口相连接,该一级二效降膜蒸发器的蒸汽出口与MVR蒸汽压缩机的蒸汽入口相连接,该MVR蒸汽压缩机的蒸汽出口分别与一级一效降膜蒸发器的蒸汽入口以及二级强制循环蒸发器的蒸汽入口相连接,二级强制循环蒸发器的蒸汽出口也与该MVR蒸汽压缩机蒸汽入口相连接。The steam outlet of the first-stage first-effect falling film evaporator is connected with the steam inlet of the first-stage second-effect falling-film evaporator, and the outlet of the first-stage first-effect falling-film evaporator is connected with the inlet of the first-stage second-effect falling-film evaporator. The material port is connected, the steam outlet of the first-stage two-effect falling film evaporator is connected with the steam inlet of the MVR steam compressor, and the steam outlet of the MVR steam compressor is respectively connected with the steam inlet of the first-stage first-effect falling film evaporator and the steam inlet of the MVR steam compressor. The steam inlet of the secondary forced circulation evaporator is connected, and the steam outlet of the secondary forced circulation evaporator is also connected with the steam inlet of the MVR steam compressor.
具体地,一级一效降膜蒸发器内蒸发产生的二次蒸汽作为热源供给一级二效降膜蒸发器对料液继续进行蒸发浓缩,一级二效降膜蒸发器产生的二次蒸汽进入MVR蒸汽压缩机,在MVR蒸汽压缩机中对低压的二次蒸汽进行升压升温,压缩后的二次蒸汽再通过MVR蒸汽压缩机的蒸汽出口输送至一级一效降膜蒸发器和二级强制循环蒸发器,作为两级蒸发的加热蒸汽,参与一级降膜蒸发器和二级强制循环蒸发器的蒸发浓缩。同时,二级强制循环蒸发器产生的二次蒸汽也进入MVR蒸汽压缩机,压缩后返回一级一效降膜蒸发器和二级强制循环蒸发器。因此,本工艺可采用MVR技术将全部二次蒸汽压缩回用,极大的节省了蒸汽能量,系统蒸发量大;一级降膜蒸发器采用两效串联的降膜蒸发器,减少了进入压缩机的二次蒸汽量,能够减少压缩机的投资成本,大幅降低运行能耗并且设备占地少、维修和操作人员少。Specifically, the secondary steam generated by evaporation in the first-stage one-effect falling-film evaporator is used as a heat source to supply the first-stage two-effect falling-film evaporator to continue to evaporate and concentrate the feed liquid, and the secondary steam generated by the first-stage two-effect falling-film evaporator Entering the MVR steam compressor, the low-pressure secondary steam is boosted and heated in the MVR steam compressor, and the compressed secondary steam is then transported to the first-stage first-effect falling film evaporator and the second-stage falling-film evaporator through the steam outlet of the MVR steam compressor. The first-stage forced circulation evaporator, as the heating steam of the two-stage evaporation, participates in the evaporation and concentration of the first-stage falling film evaporator and the second-stage forced-circulation evaporator. At the same time, the secondary steam generated by the secondary forced circulation evaporator also enters the MVR steam compressor, and returns to the primary first-effect falling film evaporator and the secondary forced circulation evaporator after being compressed. Therefore, MVR technology can be used in this process to compress and reuse all the secondary steam, which greatly saves steam energy and has a large amount of evaporation in the system. The secondary steam volume of the compressor can reduce the investment cost of the compressor, greatly reduce the operating energy consumption, and the equipment occupies less land and less maintenance and operation personnel.
进一步地,二级强制循环蒸发器出料口与结晶器连接,结晶器的出料口与离心机入料口连接,该离心机的固体出料口排出硼砂,该离心机的液体出料口与母液罐相连通。该母液罐的出料口分别与二级强制循环蒸发器的母液入口以及外排设备相连接。其中,当结晶器温度控制在60℃以上时,可结晶出五水硼砂;当结晶器温度控制在60℃以下时,可结晶出十水硼砂。Further, the discharge port of the secondary forced circulation evaporator is connected with the crystallizer, the discharge port of the crystallizer is connected with the feed port of the centrifuge, the solid discharge port of the centrifuge discharges borax, and the liquid discharge port of the centrifuge is Connected to the mother liquor tank. The outlet of the mother liquor tank is respectively connected with the mother liquor inlet of the secondary forced circulation evaporator and the external discharge equipment. Among them, when the crystallizer temperature is controlled above 60°C, borax pentahydrate can be crystallized; when the crystallizer temperature is controlled below 60°C, borax decahydrate can be crystallized.
进一步地,一级一效降膜蒸发器的进料口与二级预热器的出料口相连通,二级预热器的进料口与一级预热器的出料口相连通,该一级预热器的进料口与供料罐的出料口相连通。该供料罐送来的物料(含硼砂废水),由进料泵经电磁流量计、自动调节阀进入一级预热器预热到一定温度后进入一级一效降膜蒸发器的下料仓。Further, the feeding port of the first-stage one-effect falling film evaporator is communicated with the feeding port of the secondary preheater, and the feeding port of the secondary preheater is communicated with the feeding port of the primary preheater, The feed port of the first-stage preheater is communicated with the discharge port of the feed tank. The material (borax-containing wastewater) sent from the feeding tank is preheated to a certain temperature by the feed pump through the electromagnetic flowmeter and automatic regulating valve into the primary preheater, and then enters the first-stage first-effect falling film evaporator for unloading. warehouse.
进一步地,一级一效降膜蒸发器的出料口与一级二效降膜蒸发器的入料口相连通,一级二效降膜蒸发器的出料口与二级强制循环蒸发器的入料口相连通,二级强制循环蒸发器的出料口与结晶器相连通,结晶器的出料口与离心机的进料口相连通。物料通过一级一效降膜蒸发器蒸发浓缩后,达到设计浓度后将物料输通过过料调节阀调节后送至一级二效降膜蒸发器,过料调节阀由一级二效降膜蒸发器液位传感器连锁自动控制;在一级二效降膜蒸发器内达到设计浓度的物料通过过料泵经过料调节阀调节后送入二级强制循环蒸发器,过料调节阀由二级强制循环蒸发器液位传感器连锁自动控制。经两级蒸发器浓缩,达到设计浓度后,由出料泵输送到结晶器,结晶器采用夹套晶浆罐,晶浆罐通过循环冷却水冷却降温,析出晶体,达到稠厚、养晶体目的,再进入离心机进行固液分离。离心机的固体出料口排出硼砂;离心机的液体出料口与母液罐的入口相连通,母液罐的出口分别与二级强制循环蒸发器的进料口、外排设备相连通。离心机分离出的母液大部分回蒸发器系统内,进一步蒸发浓缩,小部分通过外排设备外排出系统处理,外排设备可以是输送管路或储存罐。其中,当结晶器温度控制在60℃以上时,可结晶出五水硼砂;当结晶器温度控制在60℃以下时,可结晶出十水硼砂。Further, the discharge port of the first-stage one-effect falling film evaporator is communicated with the feed port of the first-stage two-effect falling-film evaporator, and the discharge port of the first-stage two-effect falling film evaporator is connected with the two-stage forced circulation evaporator. The feed port of the secondary forced circulation evaporator is communicated with the crystallizer, and the discharge port of the crystallizer is communicated with the feed port of the centrifuge. After the material is evaporated and concentrated by the first-stage first-effect falling film evaporator, the material is transported to the first-stage second-effect falling-film evaporator after reaching the design concentration, and then sent to the first-stage second-effect falling-film evaporator. The evaporator liquid level sensor is automatically controlled by interlocking; the material reaching the design concentration in the first-stage two-effect falling film evaporator is regulated by the feed pump and then sent to the secondary forced circulation evaporator. Forced circulation evaporator liquid level sensor chain automatic control. After being concentrated by the two-stage evaporator to reach the designed concentration, it is transported to the crystallizer by the discharge pump. The crystallizer adopts a jacketed crystal slurry tank. , and then enter the centrifuge for solid-liquid separation. The solid discharge port of the centrifuge discharges borax; the liquid discharge port of the centrifuge is communicated with the inlet of the mother liquor tank, and the outlet of the mother liquor tank is communicated with the feed port of the secondary forced circulation evaporator and the discharge equipment respectively. Most of the mother liquor separated by the centrifuge is returned to the evaporator system for further evaporation and concentration, and a small part is processed by the external discharge system of the external discharge equipment. The external discharge equipment can be a conveying pipeline or a storage tank. Among them, when the crystallizer temperature is controlled above 60°C, borax pentahydrate can be crystallized; when the crystallizer temperature is controlled below 60°C, borax decahydrate can be crystallized.
更进一步地,该一级一效降膜蒸发器、一级二效降膜蒸发器和二级强制循环蒸发器的冷凝水出口与冷凝水罐的入口相连通,冷凝水罐的出口与一级预热器的热源入口相连通,作为一级预热器的热源。更佳地,一级一效降膜蒸发器、一级二效降膜蒸发器和二级强制循环蒸发器的不凝气出口与二级预热器的入口相连通,作为二级预热的热源;该二级预热器的不凝气出口与冷凝器的入口相连通,冷凝器的出口与一级预热器的入口相连通,作为一级预热的热源。充分利用系统内产生的冷凝水和二次蒸汽,工艺运行费用低,冷凝水耗量少,能量利用率高,经济效益高。Further, the condensed water outlet of the first-stage first-effect falling film evaporator, the first-stage second-effect falling-film evaporator and the second-stage forced circulation evaporator is communicated with the inlet of the condensed water tank, and the outlet of the condensed water tank is connected to the first-stage forced circulation evaporator. The heat source inlet of the preheater is communicated and used as the heat source of the first-stage preheater. More preferably, the non-condensable gas outlet of the first-stage first-effect falling film evaporator, the first-stage second-effect falling-film evaporator and the second-stage forced circulation evaporator is communicated with the inlet of the second-stage preheater, which is used as the second-stage preheater. Heat source; the non-condensable gas outlet of the secondary preheater is communicated with the inlet of the condenser, and the outlet of the condenser is communicated with the inlet of the primary preheater as a heat source for primary preheating. Make full use of the condensed water and secondary steam generated in the system, the process operation cost is low, the consumption of condensed water is low, the energy utilization rate is high, and the economic benefit is high.
结合上述实施例2中提供的一种从盐湖提锂排放液中生产硼砂的蒸发结晶工艺及装置,对本发明实施例提供的一种从盐湖提锂排放液中生产硼砂的蒸发结晶工艺及装置的具体步骤说明如下:In conjunction with a kind of evaporative crystallization process and device for producing borax from a salt lake extracting lithium discharge liquid provided in the above-mentioned embodiment 2, a kind of evaporation and crystallization process and device for producing borax from a salt lake extracting lithium discharge liquid provided in the embodiment of the present invention are described. The specific steps are described as follows:
第一步:预热后的含硼废水进入一级一效降膜蒸发器,利用生蒸汽(或机械压缩后的二次蒸汽)作为热源,维持在特定压力下,被加热溶液达到一定温度,水分蒸发,产生二次蒸汽,进行物料的一级一效蒸发浓缩,达到设计浓度;The first step: the preheated boron-containing wastewater enters the first-stage one-effect falling film evaporator, and the raw steam (or the secondary steam after mechanical compression) is used as a heat source to maintain a specific pressure, and the heated solution reaches a certain temperature. The water evaporates to generate secondary steam, and the first-level one-effect evaporation and concentration of the material is carried out to reach the design concentration;
第二步:一级一效蒸发浓缩后的物料由过料泵输送至一级二效降膜蒸发器,一级一效降膜蒸发器蒸发产生的二次蒸汽作为一级二效降膜蒸发器的加热热源,进入一级二效降膜蒸发器,维持在特定压力下,被加热溶液达到一定温度,水分蒸发,产生二次蒸汽,进行物料的一级二效蒸发浓缩,达到设计浓度;同时,一级二效降膜蒸发器产生的二次蒸汽进入MVR蒸汽压缩机进行压缩,压缩升温后的二次蒸汽作为热源进入一级一效降膜蒸发器和二级强制循环蒸发器作为热源;The second step: the materials after the first-stage and one-effect evaporation and concentration are transported by the feed pump to the first-stage two-effect falling-film evaporator, and the secondary steam generated by the evaporation of the first-stage one-effect falling-film evaporator is used as the first-stage two-effect falling-film evaporation. The heating heat source of the evaporator enters the first-stage two-effect falling film evaporator, maintained at a specific pressure, the heated solution reaches a certain temperature, the water evaporates, and secondary steam is generated, and the first-stage two-effect evaporation and concentration of the material is carried out to reach the design concentration; At the same time, the secondary steam generated by the first-stage second-effect falling film evaporator enters the MVR steam compressor for compression, and the compressed and heated secondary steam is used as a heat source to enter the first-stage first-effect falling-film evaporator and the second-stage forced circulation evaporator as a heat source ;
第三步:一级二效蒸发浓缩后的物料由过料泵输送至二级强制循环蒸发器,利用生蒸汽(或机械压缩后的二次蒸汽)作为热源,循环加热进行蒸发浓缩;过料泵后设置有过料调节阀,二级强制循环蒸发器设置有液位传感器,过料调节阀与液位传感器连锁自动控制,当二级强制循环蒸发器达到设定液位时,过料调节阀打开,过料泵开始输送物料;The third step: the material after the first-stage second-effect evaporation and concentration is transported to the second-stage forced circulation evaporator by the feed pump, and the raw steam (or the secondary steam after mechanical compression) is used as the heat source to circulate and heat for evaporation and concentration; After the pump, there is an over-feed regulating valve, and the secondary forced circulation evaporator is provided with a liquid level sensor. The over-feed control valve and the liquid level sensor are interlocked for automatic control. When the secondary forced circulation evaporator reaches the set liquid level, the over-feed adjustment is performed. The valve is opened, and the feed pump starts to convey the material;
第四步:二级强制循环蒸发器浓缩达到设计浓度后的物料进入结晶器,结晶器采用夹套晶浆罐,晶浆罐夹套通循环冷却水冷却降温,析出晶体,达到稠厚、养晶体目的;Step 4: After the secondary forced circulation evaporator concentrates the material to the designed concentration, it enters the crystallizer. The crystallizer adopts a jacketed magma tank. crystal purpose;
第五步:结晶器出来的晶浆输送至离心机进行固液分离,分离出硼砂固体;分离出液体进入母液罐,母液大部分返回二级强制循环蒸发器内继续蒸发,小部分外排处理。Step 5: The crystal slurry from the crystallizer is transported to the centrifuge for solid-liquid separation, and the borax solid is separated; the separated liquid enters the mother liquor tank, and most of the mother liquor is returned to the secondary forced circulation evaporator to continue to evaporate, and a small part is discharged for treatment .
进一步地,在第一步中,含硼废水在进入一级一效降膜蒸发器之前,先后进入一级预热器、二级预热器预热进行预热,一级一效降膜蒸发器、一级二效降膜蒸发器以及二级强制循环蒸发器蒸发浓缩产生的冷凝水和二级预热器的冷凝水回收进入冷凝水罐,再进入一级预热器,作为一级预热的热源。一级一效降膜蒸发器、一级二效降膜蒸发器以及二级强制循环蒸发器蒸发浓缩产生的不凝气回收进入二级预热器,作为二级预热器的热源。二级预热器出来的不凝汽进入冷凝器,产生的冷凝水进入一级预热器,作为一级预热的热源。Further, in the first step, before entering the first-stage one-effect falling film evaporator, the boron-containing wastewater enters the first-stage preheater and the second-stage preheater successively for preheating, and the first-stage one-effect falling film evaporation is carried out. The condensed water produced by the evaporation and concentration of the first-stage two-effect falling film evaporator and the second-stage forced circulation evaporator and the condensed water of the second-stage preheater are recycled into the condensed water tank, and then enter the first-stage preheater as the first-stage preheater. hot heat source. The non-condensable gas generated by the evaporation and concentration of the first-stage first-effect falling film evaporator, the first-stage second-effect falling-film evaporator and the second-stage forced circulation evaporator is recycled into the second-stage preheater as the heat source of the second-stage preheater. The non-condensable steam from the secondary preheater enters the condenser, and the condensed water produced enters the primary preheater as a heat source for the primary preheating.
在本发明的描述中,需要说明的是,除非另有明确的规定和限定,术语“安装”、“相连”、“连接”应做广义理解,例如,可以是固定连接,也可以是可拆卸连接,或一体地连接;可以是直接相连,也可以通过中间媒介间接相连,可以是两个元件内部的连通。对于本领域的普通技术人员而言,可以具体情况理解上述术语在本发明中的具体含义。In the description of the present invention, it should be noted that the terms "installed", "connected" and "connected" should be understood in a broad sense, unless otherwise expressly specified and limited, for example, it may be a fixed connection or a detachable connection Connection, or integral connection; it can be directly connected, or indirectly connected through an intermediate medium, and it can be the internal communication of two elements. For those of ordinary skill in the art, the specific meanings of the above terms in the present invention can be understood in specific situations.
在本发明的描述中,需要理解的是,术语“上”、“下”、“竖直”、“内”、“外”等指示的方位或位置关系为基于附图所示的方位或位置关系,仅是为了便于描述本发明和简化描述,而不是指示或暗示所指的装置或元件必须具有特定的方位、以特定的方位构造和操作,因此不能理解为对本发明的限制。In the description of the present invention, it should be understood that the orientation or positional relationship indicated by the terms "upper", "lower", "vertical", "inner", "outer", etc. is based on the orientation or position shown in the accompanying drawings The relationship is only for the convenience of describing the present invention and simplifying the description, rather than indicating or implying that the referred device or element must have a specific orientation, be constructed and operated in a specific orientation, and therefore should not be construed as a limitation of the present invention.
术语“第一”、“第二”仅用于描述目的,而不能理解为指示或暗示相对重要性或者隐含指明所指示的技术特征的数量。由此,限定有“第一”、“第二”的特征可以明示或者隐含地包括一个或者更多个该特征。The terms "first" and "second" are only used for descriptive purposes, and should not be construed as indicating or implying relative importance or implicitly indicating the number of technical features indicated. Thus, a feature defined as "first" or "second" may expressly or implicitly include one or more of that feature.
以上结合附图对本发明的实施方式作了详细说明,但本发明不限于所描述的实施方式。对于本领域的技术人员而言,在不脱离本发明原理和精神的情况下,对这些实施方式进行多种变化、修改、替换和变型,仍落入本发明的保护范围内。The embodiments of the present invention have been described in detail above with reference to the accompanying drawings, but the present invention is not limited to the described embodiments. For those skilled in the art, without departing from the principle and spirit of the present invention, various changes, modifications, substitutions and alterations to these embodiments still fall within the protection scope of the present invention.
| Application Number | Priority Date | Filing Date | Title |
|---|---|---|---|
| CN202210620993.7ACN114917600A (en) | 2022-06-01 | 2022-06-01 | Evaporative crystallization process and device for producing borax from lithium extraction liquid from salt lake |
| Application Number | Priority Date | Filing Date | Title |
|---|---|---|---|
| CN202210620993.7ACN114917600A (en) | 2022-06-01 | 2022-06-01 | Evaporative crystallization process and device for producing borax from lithium extraction liquid from salt lake |
| Publication Number | Publication Date |
|---|---|
| CN114917600Atrue CN114917600A (en) | 2022-08-19 |
| Application Number | Title | Priority Date | Filing Date |
|---|---|---|---|
| CN202210620993.7APendingCN114917600A (en) | 2022-06-01 | 2022-06-01 | Evaporative crystallization process and device for producing borax from lithium extraction liquid from salt lake |
| Country | Link |
|---|---|
| CN (1) | CN114917600A (en) |
| Publication number | Priority date | Publication date | Assignee | Title |
|---|---|---|---|---|
| AR195032A1 (en)* | 1972-07-07 | 1973-08-30 | Snam Progetti | SEA WATER DESALINATION APPARATUS |
| US20040007531A1 (en)* | 2002-07-15 | 2004-01-15 | Bortun Anatoly I. | Hydrous zirconium oxide, hydrous hafnium oxide and method of making same |
| JP2008073639A (en)* | 2006-09-22 | 2008-04-03 | Kurita Water Ind Ltd | Boron recovery equipment |
| WO2010018249A1 (en)* | 2008-07-30 | 2010-02-18 | Desalacion Integral Systems, S.L. | Improved plant for the desalination/purification of industrial waste and brackish water with zero liquid discharge |
| CN202199130U (en)* | 2011-08-12 | 2012-04-25 | 启东神农机械有限公司 | Mechanical recompression evaporator |
| CN202207471U (en)* | 2011-08-12 | 2012-05-02 | 启东神农机械有限公司 | Evaporator heating system with steam heat pump |
| CN105289022A (en)* | 2015-10-27 | 2016-02-03 | 天津盛丰源机械设备有限公司 | Double-effect Roots-type MVR falling-film evaporation system |
| CN106319575A (en)* | 2016-11-02 | 2017-01-11 | 江西理工大学 | Method for electrolytically preparing neodymium iron boron alloy through neodymium iron boron oil sludge waste |
| CN107308662A (en)* | 2017-04-13 | 2017-11-03 | 北京浦仁美华环保科技股份有限公司 | The MVR evaporating, concentrating and crystallizing techniques of lithium are extracted from salt lake bittern |
| CN109678167A (en)* | 2019-03-05 | 2019-04-26 | 李洪岭 | A method of boric acid is produced from lithium borate waste solution is mentioned |
| CN109850969A (en)* | 2019-03-08 | 2019-06-07 | 江苏瑞升华能源科技有限公司 | The system for concentrating and recycling of calcium chloride solution |
| US20190240592A1 (en)* | 2018-02-05 | 2019-08-08 | King Fahd University Of Petroleum And Minerals | Mechanical vapor compression desalination system |
| CN210795831U (en)* | 2019-09-06 | 2020-06-19 | 江苏源拓环境科技有限公司 | Double-effect falling film and single-effect forced circulation double-row double-steam-inlet MVR evaporation crystallization system |
| CN111362492A (en)* | 2018-12-26 | 2020-07-03 | 广州市迈源科技有限公司 | Double-effect MVR evaporation treatment method |
| US20200263277A1 (en)* | 2017-11-09 | 2020-08-20 | US Borax, Inc. | Mineral Recovery Process |
| CN112897544A (en)* | 2021-01-29 | 2021-06-04 | 格尔木藏格锂业有限公司 | Method for producing high-purity borax from boron-containing wastewater discharged in production of lithium carbonate in salt lake |
| CN113149043A (en)* | 2021-03-23 | 2021-07-23 | 格尔木藏格锂业有限公司 | Crystallization prevention device for salt lake old brine conveying system |
| CN113546441A (en)* | 2021-08-10 | 2021-10-26 | 西安科技大学 | MVR salt separation crystallization system and method combining pre-evaporation and condensed water reuse |
| CN113735362A (en)* | 2021-10-08 | 2021-12-03 | 江苏瑞升华能源科技有限公司 | Ternary or quaternary precursor deamination wastewater MVR treatment system and process |
| US20220136081A1 (en)* | 2020-05-12 | 2022-05-05 | Energy Exploration Technologies, Inc. | Systems and Methods for Recovering Lithium from Brines Field |
| KR102396069B1 (en)* | 2021-06-22 | 2022-05-10 | 주식회사 천보 | Crystallization of Lithium bis(oxalate)borate and Manufacturing method of the same with high-purity |
| CN114751476A (en)* | 2022-04-21 | 2022-07-15 | 启东神农机械有限公司 | Concentration process of wheat starch slurry and evaporation concentration system thereof |
| CN114949893A (en)* | 2022-06-01 | 2022-08-30 | 启东神农机械有限公司 | Evaporative crystallization process and device for producing lithium chloride from salt lake brine |
| CN218130003U (en)* | 2022-06-01 | 2022-12-27 | 启东神农机械有限公司 | Evaporation crystallization device for producing borax from salt lake lithium extraction discharge liquid |
| CN116173521A (en)* | 2023-01-09 | 2023-05-30 | 启东神农机械有限公司 | Calcium lactate forced circulation evaporation concentration method and its forced circulation evaporator |
| CN117163968A (en)* | 2023-09-12 | 2023-12-05 | 青海中信国安锂业发展有限公司 | Method for preparing boric acid and borax from MVR boron concentrate in lithium extraction process of salt lake |
| Publication number | Priority date | Publication date | Assignee | Title |
|---|---|---|---|---|
| AR195032A1 (en)* | 1972-07-07 | 1973-08-30 | Snam Progetti | SEA WATER DESALINATION APPARATUS |
| US20040007531A1 (en)* | 2002-07-15 | 2004-01-15 | Bortun Anatoly I. | Hydrous zirconium oxide, hydrous hafnium oxide and method of making same |
| JP2008073639A (en)* | 2006-09-22 | 2008-04-03 | Kurita Water Ind Ltd | Boron recovery equipment |
| WO2010018249A1 (en)* | 2008-07-30 | 2010-02-18 | Desalacion Integral Systems, S.L. | Improved plant for the desalination/purification of industrial waste and brackish water with zero liquid discharge |
| CN202199130U (en)* | 2011-08-12 | 2012-04-25 | 启东神农机械有限公司 | Mechanical recompression evaporator |
| CN202207471U (en)* | 2011-08-12 | 2012-05-02 | 启东神农机械有限公司 | Evaporator heating system with steam heat pump |
| CN105289022A (en)* | 2015-10-27 | 2016-02-03 | 天津盛丰源机械设备有限公司 | Double-effect Roots-type MVR falling-film evaporation system |
| CN106319575A (en)* | 2016-11-02 | 2017-01-11 | 江西理工大学 | Method for electrolytically preparing neodymium iron boron alloy through neodymium iron boron oil sludge waste |
| CN107308662A (en)* | 2017-04-13 | 2017-11-03 | 北京浦仁美华环保科技股份有限公司 | The MVR evaporating, concentrating and crystallizing techniques of lithium are extracted from salt lake bittern |
| US20200263277A1 (en)* | 2017-11-09 | 2020-08-20 | US Borax, Inc. | Mineral Recovery Process |
| US20190240592A1 (en)* | 2018-02-05 | 2019-08-08 | King Fahd University Of Petroleum And Minerals | Mechanical vapor compression desalination system |
| CN111362492A (en)* | 2018-12-26 | 2020-07-03 | 广州市迈源科技有限公司 | Double-effect MVR evaporation treatment method |
| CN109678167A (en)* | 2019-03-05 | 2019-04-26 | 李洪岭 | A method of boric acid is produced from lithium borate waste solution is mentioned |
| CN109850969A (en)* | 2019-03-08 | 2019-06-07 | 江苏瑞升华能源科技有限公司 | The system for concentrating and recycling of calcium chloride solution |
| CN210795831U (en)* | 2019-09-06 | 2020-06-19 | 江苏源拓环境科技有限公司 | Double-effect falling film and single-effect forced circulation double-row double-steam-inlet MVR evaporation crystallization system |
| US20220136081A1 (en)* | 2020-05-12 | 2022-05-05 | Energy Exploration Technologies, Inc. | Systems and Methods for Recovering Lithium from Brines Field |
| CN112897544A (en)* | 2021-01-29 | 2021-06-04 | 格尔木藏格锂业有限公司 | Method for producing high-purity borax from boron-containing wastewater discharged in production of lithium carbonate in salt lake |
| CN113149043A (en)* | 2021-03-23 | 2021-07-23 | 格尔木藏格锂业有限公司 | Crystallization prevention device for salt lake old brine conveying system |
| KR102396069B1 (en)* | 2021-06-22 | 2022-05-10 | 주식회사 천보 | Crystallization of Lithium bis(oxalate)borate and Manufacturing method of the same with high-purity |
| CN113546441A (en)* | 2021-08-10 | 2021-10-26 | 西安科技大学 | MVR salt separation crystallization system and method combining pre-evaporation and condensed water reuse |
| CN113735362A (en)* | 2021-10-08 | 2021-12-03 | 江苏瑞升华能源科技有限公司 | Ternary or quaternary precursor deamination wastewater MVR treatment system and process |
| CN114751476A (en)* | 2022-04-21 | 2022-07-15 | 启东神农机械有限公司 | Concentration process of wheat starch slurry and evaporation concentration system thereof |
| CN114949893A (en)* | 2022-06-01 | 2022-08-30 | 启东神农机械有限公司 | Evaporative crystallization process and device for producing lithium chloride from salt lake brine |
| CN218130003U (en)* | 2022-06-01 | 2022-12-27 | 启东神农机械有限公司 | Evaporation crystallization device for producing borax from salt lake lithium extraction discharge liquid |
| CN116173521A (en)* | 2023-01-09 | 2023-05-30 | 启东神农机械有限公司 | Calcium lactate forced circulation evaporation concentration method and its forced circulation evaporator |
| CN117163968A (en)* | 2023-09-12 | 2023-12-05 | 青海中信国安锂业发展有限公司 | Method for preparing boric acid and borax from MVR boron concentrate in lithium extraction process of salt lake |
| Publication | Publication Date | Title |
|---|---|---|
| CN102616973B (en) | Method and device for processing high-saline organic wastewater | |
| CN203428934U (en) | Concentrating and crystallizing system of copper sulfate solution | |
| CN108715456B (en) | Method for recycling electrode foil corrosion waste nitric acid | |
| CN109607923B (en) | A wastewater treatment device with heat pump low-temperature salt separation | |
| CN103739025B (en) | A kind of energy-efficient Multi-effect evaporator system | |
| CN203959864U (en) | A kind of brine waste triple effect evaporation recovery system | |
| CN113880115A (en) | Production method for separating and refining waste miscellaneous salt containing sodium chloride and sodium sulfate | |
| CN104117219A (en) | Concentrating method of titaniferous solution for sulfate process titanium dioxide and special device | |
| CN110613951A (en) | Evaporation concentration flash evaporation cooling crystallization equipment and process thereof | |
| CN113307433A (en) | Four-effect cross-flow pharmaceutical wastewater evaporative crystallization system with external heat exchanger | |
| CN108862325A (en) | The recovery and treatment method and equipment of sodium chloride-containing and potassium chloride high-salt wastewater | |
| CN219409330U (en) | System for separating and recycling mixed salt wastewater | |
| CN113493213A (en) | Process and equipment for recycling and zero discharge of wastewater containing sodium chloride and sodium sulfate | |
| CN105174334A (en) | Evaporation and concentration system for medical wastewater | |
| CN114394706B (en) | Evaporation-freezing coupling high-concentration salt wastewater treatment method and system based on heat pump | |
| CN218130003U (en) | Evaporation crystallization device for producing borax from salt lake lithium extraction discharge liquid | |
| CN104014143A (en) | Multiple-effect evaporation system steam condensation water heat energy reutilizationoun device | |
| CN207845406U (en) | Heavy metal salt-containing waste water treating device for lead accumulator | |
| CN114917600A (en) | Evaporative crystallization process and device for producing borax from lithium extraction liquid from salt lake | |
| CN114949893B (en) | Evaporation crystallization process and device for producing lithium chloride from salt lake brine | |
| CN106277115B (en) | A kind of saline sewage crystallizing evaporator, purification system and purification process | |
| CN110228888B (en) | System and method for quality-separating purification of potassium sodium salt of fly ash water washing liquid | |
| CN118576991A (en) | MVR evaporation crystallization system | |
| CN210117305U (en) | Heat pump low temperature divides effluent treatment plant of salt | |
| CN111003867A (en) | Salt-containing low-viscosity wastewater evaporation pretreatment process |
| Date | Code | Title | Description |
|---|---|---|---|
| PB01 | Publication | ||
| PB01 | Publication | ||
| SE01 | Entry into force of request for substantive examination | ||
| SE01 | Entry into force of request for substantive examination | ||
| WD01 | Invention patent application deemed withdrawn after publication | ||
| WD01 | Invention patent application deemed withdrawn after publication | Application publication date:20220819 |