

技术领域technical field
本发明属于电机驱动控制技术领域,具体是一种适用于深空采样大功率直流电机极限工况自适应保护设计方法。The invention belongs to the technical field of motor drive control, in particular to an adaptive protection design method suitable for deep-space sampling high-power direct current motor extreme working conditions.
背景技术Background technique
月壤钻取采样装置是月球探测的重要工具之一,对实现月壤采样起着关键作用,月壤钻取属于极端条件下的钻探问题,是钻探领域技术难度最高的问题之一。采样装置采用大功率三相永磁无刷直流电机驱动钻杆钻进实现月壤的采集,由于月球低重力、无水无空气等极端环境以及月壤高内摩擦角低内聚力的特殊力学属性,在钻进过程中直流电机启动和换相时的相电流峰值可达几十安培,对电机驱动控制设计提出极大挑战。在月壤钻取采样过程中,一方面为了最大限度保证月壤采样过程的连续性,另一方面还要确保极限工况下大功率直流电机驱动线路及直流电机工作时的可靠性和安全性,加之空间任务要求驱动控制器必须重量轻、体积小,因此对钻进过程中电机过流及堵转时的保护功能提出了很高要求。The lunar soil drilling and sampling device is one of the important tools for lunar exploration and plays a key role in the realization of lunar soil sampling. Lunar soil drilling is a drilling problem under extreme conditions, and it is one of the most technically difficult problems in the field of drilling. The sampling device uses a high-power three-phase permanent magnet brushless DC motor to drive the drill pipe to realize the collection of lunar soil. Due to the extreme environment of the moon, such as low gravity, no water and no air, and the special mechanical properties of the lunar soil with high internal friction angle and low cohesion, During the drilling process, the peak value of the phase current when the DC motor starts and commutates can reach several tens of amperes, which poses a great challenge to the motor drive control design. In the lunar soil drilling and sampling process, on the one hand, in order to ensure the continuity of the lunar soil sampling process to the greatest extent, on the other hand, it is necessary to ensure the reliability and safety of the high-power DC motor drive circuit and the DC motor under extreme working conditions. In addition, the space task requires that the drive controller must be light in weight and small in size, so it puts forward high requirements for the protection function of the motor overcurrent and locked rotor during the drilling process.
堵转是当电机转速为0时,电机控制器控制电机输出一个较大力矩的过程。一般电机无法长时间维持堵转力矩,因为当驱动电机处于堵转状态时,由于转速为0,电机的反电动势几乎为0,施加于电机的电压全部作用于电机本身,电机堵转时产生的三相电流非常大,瞬间产生的热量也非常大,转子磁场甚至有可能发生去磁。堵转的检测方法通常是判断在预计周期内转速是否持续小于堵转保护转速阈值且电流是否持续大于堵转保护电流阈值。Stalling is a process in which the motor controller controls the motor to output a larger torque when the motor speed is 0. Generally, the motor cannot maintain the locked-rotor torque for a long time, because when the driving motor is in the locked-rotor state, since the rotation speed is 0, the back EMF of the motor is almost 0, and the voltage applied to the motor all acts on the motor itself. The three-phase current is very large, the heat generated instantaneously is also very large, and the rotor magnetic field may even be demagnetized. The detection method of the locked rotor is usually to judge whether the rotational speed is continuously lower than the rotational speed threshold value of the locked rotor protection and whether the current is continuously greater than the current threshold value of the locked rotor protection during the expected period.
实用的故障保护电路通常需要具备:能够方便快捷地检测出系统的工作状态正常与否,一旦检测到非正常工作状态,能强制自动进入自保护状态;保护电路的反应速度应该足够快,以保证异常工作状态对系统器件和芯片自身造成实质性损害之前实施保护;进入保护状态后,要求驱动芯片的功耗愈小愈好,一种理想状态是整个系统进入关断状态。所谓关断状态为强制逆变电路中功率管截至以及驱动电路关断,从而保证即便芯片长期处于保护状态期间也不损伤直流无刷电机;要求保护电路具有自解除功能,即异常状态信号解除后,能够从关断状态被自动唤醒进入正常工作状态;要求保护电路的构成愈简单愈好。保护电路本身的功耗愈小愈好,从而保证整体效率的提高。常用的保护电路主要包含欠压保护、过流保护以及过热保护等故障保护电路,每一种保护电路至少包含三部分:其一是检测电路,其二是比较电路,其三是基准电压源。检测电路将驱动芯片内部的电压、电流、热等状态转化为电压信号传递给比较电路和内部基准相比,然后将比较后的结果传递给控制电路,经过逻辑转换后直接控制逆变器中功率管的开关。A practical fault protection circuit usually needs to have: it can easily and quickly detect whether the working state of the system is normal or not, and once an abnormal working state is detected, it can be forced to automatically enter the self-protection state; the response speed of the protection circuit should be fast enough to ensure Implement protection before the abnormal working state causes substantial damage to the system devices and the chip itself; after entering the protection state, the power consumption of the driver chip is required to be as small as possible. An ideal state is that the entire system enters a shutdown state. The so-called off state is to force the power tube in the inverter circuit to turn off and the drive circuit to turn off, so as to ensure that the brushless DC motor will not be damaged even if the chip is in the protection state for a long time; the protection circuit is required to have a self-release function, that is, after the abnormal state signal is released , can be automatically woken up from the off state and enter the normal working state; the structure of the protection circuit is required to be as simple as possible. The smaller the power consumption of the protection circuit itself, the better, so as to ensure the improvement of the overall efficiency. Commonly used protection circuits mainly include fault protection circuits such as undervoltage protection, overcurrent protection and overheating protection. Each protection circuit contains at least three parts: one is a detection circuit, the other is a comparison circuit, and the third is a reference voltage source. The detection circuit converts the internal voltage, current, heat and other states of the driver chip into voltage signals and transmits them to the comparison circuit for comparison with the internal reference, and then transmits the compared results to the control circuit, and directly controls the power in the inverter after logic conversion. Tube switch.
现有技术无法直接应用于深空采样任务中,主要原因是地外天体采样极端环境及深空探测对体积、重量、功耗等多约束条件,对宇航级功率元器件的驱动能力、过流保护、集成度、降额等技术指标提出极高要求,受限于国外禁运、高成本等因素,满足使用要求的元器件非常少,降级使用存在对逆变电路中功率器件的电压和电流冲击等风险,且成本高昂。因此利用现有功率元器件选型,设计简单可靠、成本低廉的驱动线路过流保护方法是非常有必要的。The existing technology cannot be directly applied to deep space sampling tasks, mainly due to the extreme environment of extraterrestrial celestial object sampling and the multiple constraints on volume, weight, power consumption, etc. Technical indicators such as protection, integration, derating and other technical indicators put forward extremely high requirements. Due to factors such as foreign embargoes and high costs, there are very few components that meet the requirements for use. Degraded use will affect the voltage and current of power devices in the inverter circuit. Shock and other risks, and the cost is high. Therefore, it is very necessary to design a simple, reliable, and low-cost drive line overcurrent protection method by using the existing power components.
发明内容SUMMARY OF THE INVENTION
本发明解决的技术问题是:克服现有技术的不足,提供了一种适用于深空采样大功率直流电机极限工况自适应保护设计方法,采用硬件优先、软件协同的保护方法,以减少对逆变电路中功率器件的电压和电流冲击,从而方便功率元器件的选型,降低保护电路的成本。The technical problem solved by the present invention is: to overcome the deficiencies of the prior art, to provide a self-adaptive protection design method for deep space sampling high-power DC motor extreme working conditions, and to adopt the protection method of hardware priority and software coordination, so as to reduce the need for The voltage and current impact of the power devices in the inverter circuit are convenient for the selection of power components and reduce the cost of the protection circuit.
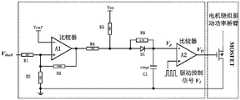
本发明的技术方案是:一种硬件过流保护线路,包括比较器A1、A2,电阻R1~R6,电容C1和二极管D1;电流采样输入信号Vihall经电阻R1、R2组成的分压电路接比较器A1的同相输入端,比较器A1的反向输入端接参考电压Vref,用作同相输入信号的比较电平,比较器A1的输出端通过反馈电阻R3接同相输入端;比较器A1的输出端串联保护电阻R4后,通过电阻R5上拉至电源Vcc输出;输出电压经过二极管D1和电阻R6组成的并联电路后接比较器A2反向输入端Vp,Vp经滤波电容C1接地,用于滤除反相输入端的高频干扰信号;比较器A2同相输入端接电机驱动控制信号VI,比较器A2输出VO接电机绕组驱动功率桥臂电路的控制端。The technical scheme of the present invention is: a hardware overcurrent protection circuit, comprising comparators A1, A2, resistors R1-R6, capacitor C1 and diode D1; the current sampling input signal Vihall is connected and compared by a voltage divider circuit composed of resistors R1 and R2 The non-inverting input terminal of the comparator A1, the inverting input terminal of the comparator A1 is connected to the reference voltage Vref, which is used as the comparison level of the non-inverting input signal, the output terminal of the comparator A1 is connected to the non-inverting input terminal through the feedback resistor R3; the output terminal of the comparator A1 is connected to the non-inverting input terminal. After the protection resistor R4 is connected in series with the terminal, it is pulled up to the power supply Vcc output through the resistor R5; the output voltage is connected to the inverse input terminal Vp of the comparator A2 through the parallel circuit composed of the diode D1 and the resistor R6, and the Vp is grounded through the filter capacitor C1 for filtering. In addition to the high-frequency interference signal at the inverting input terminal; the non-inverting input terminal of the comparator A2 is connected to the motor drive control signal VI , and the output VO of the comparator A2 is connected to the control terminal of the motor winding drive power bridge arm circuit.
硬件过流保护线路工作过程为:通过调整参考电压Vref确定硬件过流保护线路保护限流阈值,电流采样输入信号Vihall经电阻分压后与参考电压Vref比较,当硬件过流保护线路采集到的母线电流大于保护阈值Vref时,即过流状态,根据比较器工作原理,当V+>V-时,比较器A1输出经电阻R5上拉后输出高电平,比较器A2反向输入端VP为高电平,硬件将VP与驱动控制信号VI进行比较,VP>VI,比较器A2输出电平VO=0,电机停止工作;此时母线电流将迅速降低为0,比较器A1输出为0,电容C1通过电阻R6放电,电压信号VP逐渐降低为0,当满足VP<VI条件,电机重新启动工作;反之,正常工作时,比较器A2反向输入端Vp为低电平,VP<VI,比较器A2输出电平VO=VI,满足电机绕组驱动功率桥臂MOSFET驱动电平要求,电机正常工作。The working process of the hardware overcurrent protection circuit is as follows: by adjusting the reference voltage Vref to determine the current limiting threshold of the hardware overcurrent protection circuit, the current sampling input signal Vihall is divided by the resistor and compared with the reference voltage Vref. When the bus current is greater than the protection threshold Vref, that is, the overcurrent state. According to the working principle of the comparator, when V+>V-, the output of the comparator A1 is pulled up by the resistor R5 and then outputs a high level, and the reverse input terminal of the comparator A2 is VP If it is a high level, the hardware compares VP with the drive control signal VI , VP > VI , the comparator A2 outputs a level VO =0, the motor stops working; at this time, the bus current will quickly decrease to 0, and the comparison The output of the comparator A1 is 0, the capacitor C1 is discharged through theresistor R6, and the voltage signalVP gradually decreases to 0. When the condition ofVP <VI is satisfied, the motor restarts; on the contrary, when it is working normally, the inverting input terminal Vp of the comparator A2 It is a low level, VP < VI , the output level of the comparator A2 is VO =VI , which satisfies the drive level requirement of the motor winding to drive the power bridge arm MOSFET, and the motor works normally.
一种适用于深空采样大功率直流电机极限工况自适应保护设计方法,步骤如下:An adaptive protection design method suitable for deep space sampling high-power DC motor extreme conditions, the steps are as follows:
(1)通过硬件过流保护线路采集直流电机母线电流;(1) Collect DC motor bus current through hardware overcurrent protection circuit;
(2)确定硬件过流保护线路保护限流阈值Vref;(2) Determine the current limiting thresholdVref of hardware overcurrent protection circuit protection;
(3)根据过流保护状态时驱动线路可靠工作设计约束,确定软件驱动线路可靠工作最长时间及电机堵转转速阈值参数。(3) According to the design constraints of the reliable operation of the drive circuit in the overcurrent protection state, determine the maximum reliable operation time of the software drive circuit and the threshold parameters of the motor stall speed.
所述步骤(1)中,采用测量采样电阻压降的方法实现对电机母线电流的检测,采样电阻置于母线负端,与电机负载串联;采样电压经信号调理后分别输出至硬件过流保护线路Vihall和模拟量采集电路进行A/D采集得到Vsample。In the step (1), the method of measuring the voltage drop of the sampling resistor is used to detect the current of the motor bus. The sampling resistor is placed at the negative end of the bus and is connected in series with the motor load; the sampling voltage is respectively output to the hardware overcurrent protection after signal conditioning. The circuit Vihall and the analog quantity acquisition circuit perform A/D acquisition to obtain Vsample .
所述步骤(2)中,设Ioverload为过流保护阈值,则Rs为电机母线电流采样电阻。In the described step (2), let Ioverload be the overcurrent protection threshold value, then Rs is the motor bus current sampling resistance.
所述步骤(3)的具体过程为:软件实时采集直流电机母线电流信号Vsample,与硬件过流保护线路保护限流阈值Vref进行比较,正常工作时Vsample<Vref,驱动线路输出电平VO=VI,电机正常工作;当软件采集到的电压信号Vsample>Vref时,软件设置过流保护标志为True并启动计时,如果连续t时间内电机转速值小于ωd,软件停止发送驱动信号VI,彻底关闭电机驱动,确保驱动线路和电机工作的可靠性和安全性;否则,软件正常发送驱动信号VI,清除过流保护标志,使得驱动线路和电机能够正常连续工作,确保月壤采样功能可以正常进行。The specific process of the step (3) is as follows: the software collects the DC motor bus current signal Vsample in real time, and compares it with the currentlimiting threshold Vref of the hardware over-current protection circuit protection. Flat VO = VI , the motor works normally; when the voltage signal collected by the software Vsample > Vref , the software sets the overcurrent protection flag to True and starts the timing, if the motor speed value is less than ωd within the continuous t time, the software Stop sending the drive signal VI , completely shut down the motor drive to ensure the reliability and safety of the drive circuit and motor; otherwise, the software will normally send the drive signalVI to clear the overcurrent protection flag, so that the drive circuit and motor can work normally and continuously , to ensure that the lunar soil sampling function can be carried out normally.
所述t为过流保护状态时驱动线路可靠工作的最长时间,该时间的确定原则为:驱动线路在最高工作温度工况下,且处于过流保护状态时,线路元器件以及直流电机本体中最短的可靠工作时间;可靠工作含义为元器件或直流电机的实际工作温度不超过手册允许的最大范围。The t is the maximum time that the drive circuit can work reliably in the overcurrent protection state. The principle for determining this time is: when the drive circuit is in the highest working temperature condition and in the overcurrent protection state, the circuit components and the DC motor body The shortest reliable working time in the manual; reliable working means that the actual working temperature of the components or the DC motor does not exceed the maximum range allowed by the manual.
所述ωd为电机堵转时转速值,该参数的确定原则为:其中,ωmax为直流电机最大转速,tc为机械时间常数,Ioverload为电机保护电流阈值,Lphase为电机单相电感,Vdrive为电机绕组驱动电压。The ωd is the rotational speed value when the motor is locked, and the principle for determining this parameter is: Among them, ωmax is the maximum speed of the DC motor, tc is the mechanical time constant, Ioverload is the motor protection current threshold, Lphase is the motor single-phase inductance, and Vdrive is the motor winding drive voltage.
所述硬件过流保护线路包括比较器A1、A2,电阻R1~R6,电容C1和二极管D1;电流采样输入信号Vihall经电阻R1、R2组成的分压电路接比较器A1的同相输入端,比较器A1的反向输入端接参考电压Vref,用作同相输入信号的比较电平,比较器A1的输出端通过反馈电阻R3接同相输入端;比较器A1的输出端串联保护电阻R4后,通过电阻R5上拉至电源Vcc输出;输出电压经过二极管D1和电阻R6组成的并联电路后接比较器A2反向输入端Vp,Vp经滤波电容C1接地,用于滤除反相输入端的高频干扰信号;比较器A2同相输入端接电机驱动控制信号VI,比较器A2输出VO接电机绕组驱动功率桥臂电路的控制端。The hardware overcurrent protection circuit includes comparators A1, A2, resistors R1 to R6, capacitor C1 and diode D1; the current sampling input signal Vihall is connected to the non-inverting input end of the comparator A1 through a voltage divider circuit composed of resistors R1 and R2 to compare The inverting input terminal of the comparator A1 is connected to the reference voltage Vref, which is used as the comparison level of the non-inverting input signal. The output terminal of the comparator A1 is connected to the non-inverting input terminal through the feedback resistor R3; after the output terminal of the comparator A1 is connected in series with the protection resistor R4, the The resistor R5 is pulled up to the output of the power supply Vcc; the output voltage is connected to the inverting input terminal Vp of the comparator A2 through the parallel circuit composed of the diode D1 and the resistor R6, and the Vp is grounded through the filter capacitor C1, which is used to filter out the high-frequency interference of the inverting input terminal. The non-inverting input terminal of the comparator A2 is connected to the motor drive control signal VI , and the output VO of the comparator A2 is connected to the control terminal of the motor winding drive power bridge arm circuit.
本发明与现有技术相比的优点在于:The advantages of the present invention compared with the prior art are:
受限于宇航产品元器件选型等约束条件,保护电路的构成简单可靠,以满足深空型号对器上产品轻小型化的设计要求。硬件过流保护线路由比较器,电阻,电容和二极管组成,均为宇航成熟应用元器件,通过调节电阻、电容参数即可实现过流保护阈值及电机恢复重启时间,方便灵活,可推广至在其他型号应用。Limited by constraints such as the selection of components for aerospace products, the structure of the protection circuit is simple and reliable, so as to meet the design requirements of light and miniaturized products on the deep space model. The hardware overcurrent protection circuit is composed of comparators, resistors, capacitors and diodes, all of which are mature application components in aerospace. By adjusting the parameters of the resistors and capacitors, the overcurrent protection threshold and the motor recovery and restart time can be realized, which is convenient and flexible, and can be extended to Other models apply.
采用软硬件协同保护方法,通过软件限定过流保护状态时驱动线路可靠工作的最长时间和电机堵转时转速,可以兼顾月壤采样过程的连续性和极限工况下电机及驱动线路的可靠性和安全性。The software and hardware cooperative protection method is adopted, and the maximum time of reliable operation of the driving circuit in the overcurrent protection state and the rotational speed of the motor when the motor is locked are limited by software, which can take into account the continuity of the lunar soil sampling process and the reliability of the motor and the driving circuit under extreme conditions. sex and safety.
附图说明Description of drawings
图1为本发明应用于软硬件协同硬件过流保护线路的拓扑电路结构示意图;1 is a schematic diagram of the topology circuit structure of the present invention applied to a software and hardware cooperative hardware overcurrent protection circuit;
图2为本发明应用于软硬件协同保护软件保护流程图。FIG. 2 is a flowchart of the present invention applied to software and hardware cooperative protection software protection.
具体实施方式Detailed ways
本发明提供大功率直流电机极限工况软硬件协同保护方法。The invention provides a software-hardware cooperative protection method for a high-power DC motor in extreme conditions.
软硬件协同保护的拓扑电路如图1所示。The topology circuit of software and hardware cooperative protection is shown in Figure 1.
软硬件协同保护控制过程具体控制方法如下:The specific control method of the software and hardware cooperative protection control process is as follows:
步骤1:采集直流电机母线电流。通常采用测量采样电阻压降的方法测量实现对电机母线电流的检测,采样电阻一般情况下都置于母线负端,与电机负载串联。Step 1: Collect the DC motor bus current. Usually, the method of measuring the voltage drop of the sampling resistor is used to measure the current of the motor bus. The sampling resistor is generally placed at the negative end of the bus and is connected in series with the motor load.
步骤2:硬件保护电路的拓扑如图1所示,采样电压经信号调理后一路输出至图1中Vihall,另一路输出至控制板进行A/D采集。Vihall信号经电阻分压后与参考电压Vref比较,根据比较器工作原理,当V+>V-时,比较器A1输出经电阻R5上拉后输出高电平,Vp为高电平,比较器A2输出Vo=0;当V+<V-时,比较器A1输出低电平,Vp为低电平,则Vo=Vi,此时比较器输出控制驱动信号正常控制MOSFET开关。电路中的D1、C1对输入比较器A2的Vp进行低通滤波,确保正向导通时保护电平信号快速建立并防止受小干扰的影响。电阻R6在比较器A1输出为低电平时为C1提供泄放通路。Step 2: The topology of the hardware protection circuit is shown in Figure 1. After signal conditioning, the sampling voltage is output to Vihall in Figure 1, and the other is output to the control board for A/D acquisition. The Vihall signal is divided by the resistor and compared with the reference voltage Vref. According to the working principle of the comparator, when V+>V-, the output of the comparator A1 is pulled up by the resistor R5 and then outputs a high level, Vp is a high level, and the comparator A2 Output Vo=0; when V+<V-, the comparator A1 outputs a low level, and Vp is a low level, then Vo=Vi, at this time, the comparator outputs the control drive signal to control the MOSFET switch normally. D1 and C1 in the circuit perform low-pass filtering on the Vp input to the comparator A2, to ensure that the protection level signal is quickly established during forward conduction and to prevent the influence of small interference. Resistor R6 provides a bleed path for C1 when the output of comparator A1 is low.
步骤3:控制板每个固定控制周期(tick)采集一次Vihall信号,如图2所示,当采集到信号电压Vsample<Vref时,则软件正常输出电机控制输出,否则当采集到信号电压Vsample>Vref时,则软件将本周期控制输出清零,并将过流保护标志置为True。电机控制软件每个固定控制周期(tick)同时还对电机转速信号进行测量,当软件判断过流保护标志为True且电机测量转速低于设定转速ωd时,则启动计数器Timer+1。当连续累计t时间内,电机测量转速低于设定转速ωd,则电机停止控制输出,并退出自主控制模式。否则,当软件判断过流保护标志为True时,电机在t时间内测量电机转速高于设定转速ωd时,则计数器Timer清零,清除过流保护标志。Step 3: The control board collects the Vihall signal once every fixed control period (tick), as shown in Figure 2, when the signal voltage Vsample<Vref is collected, the software outputs the motor control output normally, otherwise, when the signal voltage Vsample> When Vref, the software clears the control output of this cycle and sets the overcurrent protection flag to True. The motor control software also measures the motor speed signal in each fixed control cycle (tick), when the software judges that the overcurrent protection flag is True and the motor measured speed is lower than the set speed ωd , it starts the counter Timer+1. When the measured speed of the motor is lower than the set speed ωd during the continuous accumulation of t, the motor stops controlling the output and exits the autonomous control mode. Otherwise, when the software judges that the overcurrent protection flag is True, and the motor measures that the motor speed is higher than the set speed ωd within the timet , the counter Timer is cleared and the overcurrent protection flag is cleared.
根据系统使用环境及元器件参数确定t,t为过流保护状态时驱动线路可靠工作的最长时间,该时间的确定原则为:驱动线路在最高工作温度工况下,且处于过流保护状态时,线路元器件以及直流电机本体中最短的可靠工作时间;可靠工作含义为元器件或直流电机的实际工作温度不超过手册允许的最大范围。According to the system operating environment and component parameters, t is determined, and t is the maximum time for the drive line to work reliably in the overcurrent protection state. The principle for determining this time is: the drive line is under the highest working temperature condition and is in the overcurrent protection state. , the shortest reliable working time of the circuit components and the DC motor body; the reliable working means that the actual working temperature of the components or the DC motor does not exceed the maximum range allowed by the manual.
根据系统使用环境及元器件参数确定ωd。ωd为电机堵转时转速值,该参数的确定原则为:其中,ωmax为直流电机最大转速,tc为机械时间常数,Ioverload为电机保护电流阈值,Lphase为电机单相电感,Vdrive为电机绕组驱动电压。Determine ωd according to the system operating environment and component parameters. ωd is the rotational speed value when the motor is locked. The principle for determining this parameter is: Among them, ωmax is the maximum speed of the DC motor, tc is the mechanical time constant, Ioverload is the motor protection current threshold, Lphase is the motor single-phase inductance, and Vdrive is the motor winding drive voltage.
本发明说明书中未作详细描述的内容属本领域技术人员的公知技术。The content not described in detail in the specification of the present invention belongs to the well-known technology of those skilled in the art.
| Application Number | Priority Date | Filing Date | Title |
|---|---|---|---|
| CN202210162420.4ACN114512961B (en) | 2022-02-22 | 2022-02-22 | An adaptive protection design method for extreme working conditions of high-power DC motors suitable for deep space sampling |
| Application Number | Priority Date | Filing Date | Title |
|---|---|---|---|
| CN202210162420.4ACN114512961B (en) | 2022-02-22 | 2022-02-22 | An adaptive protection design method for extreme working conditions of high-power DC motors suitable for deep space sampling |
| Publication Number | Publication Date |
|---|---|
| CN114512961Atrue CN114512961A (en) | 2022-05-17 |
| CN114512961B CN114512961B (en) | 2023-11-10 |
| Application Number | Title | Priority Date | Filing Date |
|---|---|---|---|
| CN202210162420.4AActiveCN114512961B (en) | 2022-02-22 | 2022-02-22 | An adaptive protection design method for extreme working conditions of high-power DC motors suitable for deep space sampling |
| Country | Link |
|---|---|
| CN (1) | CN114512961B (en) |
| Publication number | Priority date | Publication date | Assignee | Title |
|---|---|---|---|---|
| CN116191383A (en)* | 2023-03-06 | 2023-05-30 | 江苏吉泰科电气有限责任公司 | Overcurrent protection method and circuit |
| CN118590038A (en)* | 2024-08-06 | 2024-09-03 | 瓴芯电子科技(无锡)有限公司 | An adaptive current limiting circuit for power transistor |
| Publication number | Priority date | Publication date | Assignee | Title |
|---|---|---|---|---|
| JP2008072857A (en)* | 2006-09-15 | 2008-03-27 | Mitsubishi Electric Corp | Motor drive device |
| US20090174977A1 (en)* | 2006-04-13 | 2009-07-09 | Emerson Network Power Energy Systems, North America, Inc. | Hardware overvoltage disconnecting circuit |
| JP2011078228A (en)* | 2009-09-30 | 2011-04-14 | Minebea Co Ltd | Overcurrent protection circuit |
| US20110148332A1 (en)* | 2009-01-19 | 2011-06-23 | Hitachi Koki Co., Ltd. | Power tool |
| CN103812312A (en)* | 2012-11-08 | 2014-05-21 | 中国北车集团大同电力机车有限责任公司 | Auxiliary converter buck chopping power module drive device |
| CN105186455A (en)* | 2015-08-04 | 2015-12-23 | 西北工业大学 | Over-current protective device of high-power double-rotor brushless direct current motor |
| CN108711831A (en)* | 2018-06-06 | 2018-10-26 | 深圳市道通智能航空技术有限公司 | Motor overcurrent stall protection method, device, electronic governor and unmanned aerial vehicle |
| CN108832600A (en)* | 2018-06-11 | 2018-11-16 | 贵州航天林泉电机有限公司 | A kind of anti-stall and protective current are with the linear increased motor overcurrent protection circuit of output power |
| CN109921386A (en)* | 2019-04-24 | 2019-06-21 | 浙江鲲悟科技有限公司 | Overcurrent protection circuit and method of PFC converter |
| CN110034669A (en)* | 2019-04-23 | 2019-07-19 | 北京控制工程研究所 | A kind of low-voltage direct bus bridge arm short-circuit fault protection circuit |
| Publication number | Priority date | Publication date | Assignee | Title |
|---|---|---|---|---|
| US20090174977A1 (en)* | 2006-04-13 | 2009-07-09 | Emerson Network Power Energy Systems, North America, Inc. | Hardware overvoltage disconnecting circuit |
| JP2008072857A (en)* | 2006-09-15 | 2008-03-27 | Mitsubishi Electric Corp | Motor drive device |
| US20110148332A1 (en)* | 2009-01-19 | 2011-06-23 | Hitachi Koki Co., Ltd. | Power tool |
| JP2011078228A (en)* | 2009-09-30 | 2011-04-14 | Minebea Co Ltd | Overcurrent protection circuit |
| CN103812312A (en)* | 2012-11-08 | 2014-05-21 | 中国北车集团大同电力机车有限责任公司 | Auxiliary converter buck chopping power module drive device |
| CN105186455A (en)* | 2015-08-04 | 2015-12-23 | 西北工业大学 | Over-current protective device of high-power double-rotor brushless direct current motor |
| CN108711831A (en)* | 2018-06-06 | 2018-10-26 | 深圳市道通智能航空技术有限公司 | Motor overcurrent stall protection method, device, electronic governor and unmanned aerial vehicle |
| CN110829378A (en)* | 2018-06-06 | 2020-02-21 | 深圳市道通智能航空技术有限公司 | Motor overcurrent locked-rotor protection method and device, electronic speed regulator and unmanned aerial vehicle |
| CN108832600A (en)* | 2018-06-11 | 2018-11-16 | 贵州航天林泉电机有限公司 | A kind of anti-stall and protective current are with the linear increased motor overcurrent protection circuit of output power |
| CN110034669A (en)* | 2019-04-23 | 2019-07-19 | 北京控制工程研究所 | A kind of low-voltage direct bus bridge arm short-circuit fault protection circuit |
| CN109921386A (en)* | 2019-04-24 | 2019-06-21 | 浙江鲲悟科技有限公司 | Overcurrent protection circuit and method of PFC converter |
| Publication number | Priority date | Publication date | Assignee | Title |
|---|---|---|---|---|
| CN116191383A (en)* | 2023-03-06 | 2023-05-30 | 江苏吉泰科电气有限责任公司 | Overcurrent protection method and circuit |
| CN116191383B (en)* | 2023-03-06 | 2023-09-29 | 江苏吉泰科电气有限责任公司 | An overcurrent protection method and circuit |
| CN118590038A (en)* | 2024-08-06 | 2024-09-03 | 瓴芯电子科技(无锡)有限公司 | An adaptive current limiting circuit for power transistor |
| Publication number | Publication date |
|---|---|
| CN114512961B (en) | 2023-11-10 |
| Publication | Publication Date | Title |
|---|---|---|
| CN114512961B (en) | An adaptive protection design method for extreme working conditions of high-power DC motors suitable for deep space sampling | |
| CN110350486B (en) | Fault protection device, frequency converter and motor driving system | |
| CN107086827A (en) | A permanent magnet brushless DC motor controller and control method for an electric vehicle | |
| CN101841292B (en) | Direct-current motor driver of wind generating variable-propeller control system | |
| CN205304653U (en) | Two plane type leads to fan control system based on brushless DC motor | |
| CN102931894B (en) | Method and device for dynamically adjusting dead time of brushless DC motor during phase change | |
| WO2007118400A1 (en) | A hardware overvoltage breakaway circuit | |
| CN103795033B (en) | A kind of detection protective circuit of switched reluctance machines phase fault and method thereof | |
| CN101860310A (en) | Drive control circuit and method of series DC machine for pitch control system | |
| CN110086380A (en) | A kind of the control system for non-brush direct currunt electromotors and method | |
| CN111313801A (en) | System for feedback and discharge of motor counter-electromotive energy | |
| CN201708754U (en) | DC motor driver of wind power generation active pitch control system | |
| CN109660158B (en) | Motor constant speed control circuit and method | |
| CN101860311B (en) | Drive device of series DC machine for pitch control system | |
| CN206922675U (en) | The control system and new energy car of new energy car mesohigh brushless electronic fan | |
| CN101227078B (en) | Overcurrent protection circuit of frequency control motor | |
| CN117410937A (en) | A high-power short-circuit protection and recovery system and its working method | |
| CN105515493B (en) | Switched reluctance speed-regulating motor controller for electric pick | |
| CN218526251U (en) | Hedge trimmer control system and hedge trimmer | |
| CN102355184B (en) | Back-EMF (back electromotive force) zero-crossing detection circuit and method for three-phase DC (direct current) brushless motors | |
| CN201708755U (en) | Drive control circuit of series direct-current motor of variable propeller control system | |
| CN2758125Y (en) | Controller of intelligent electric power car | |
| CN212034013U (en) | High-rotating-speed brushless motor control circuit based on MP6532 chip | |
| CN205245462U (en) | Variable frequency air conditioner compressor controlling means | |
| CN203423642U (en) | Control circuit of brushless direct-current motor, brushless direct-current motor and air conditioner |
| Date | Code | Title | Description |
|---|---|---|---|
| PB01 | Publication | ||
| PB01 | Publication | ||
| SE01 | Entry into force of request for substantive examination | ||
| SE01 | Entry into force of request for substantive examination | ||
| GR01 | Patent grant | ||
| GR01 | Patent grant |