










技术领域technical field
本申请实施例涉及汽车电子技术领域,尤其涉及一种车载智能感知灯控方法及系统。The embodiments of the present application relate to the technical field of automotive electronics, and in particular, to a method and system for vehicle intelligent sensing light control.
背景技术Background technique
随着汽车行业的不断发展,消费者对车载娱乐体验要求越来越高,氛围灯已经成为汽车中不可或缺的一部分,而氛围灯作为一种运用广泛的装饰照明灯,越来越多的预装于各种车型中。传统的车载传感系统感知的都是车身的信息,而缺少对于车内外环境的感知,而且也比较机械与不智能。同时,车内的灯都是通过车主手动开闭,不够智能化。With the continuous development of the automotive industry, consumers have higher and higher requirements for in-vehicle entertainment experience, and ambient lighting has become an indispensable part of the car. As a widely used decorative lighting, more and more Pre-installed in various models. The traditional in-vehicle sensing system perceives the information of the car body, but lacks the perception of the environment inside and outside the car, and is also relatively mechanical and unintelligent. At the same time, the lights in the car are turned on and off manually by the owner, which is not intelligent enough.
发明内容SUMMARY OF THE INVENTION
本申请实施例提供一种车载智能感知灯控方法及系统,实现智能感知,根据环境来智能化控制车载氛围灯,提高用户在车内的娱乐体验。Embodiments of the present application provide a vehicle intelligent perception light control method and system, which realizes intelligent perception, intelligently controls vehicle ambient lights according to the environment, and improves the entertainment experience of users in the vehicle.
在第一方面,本申请实施例提供了一种车载智能感知灯控方法,所述方法包括以下步骤:In a first aspect, an embodiment of the present application provides a vehicle-mounted intelligent perception light control method, the method includes the following steps:
获取灯控相关的感知信息,其中,所述感知信息包括人体感应参数和环境感应参数;acquiring sensing information related to light control, wherein the sensing information includes human body sensing parameters and environment sensing parameters;
根据所述人体感应参数,基于第一灯控规则控制第一灯体点亮;controlling the first lamp body to light up based on the first lamp control rule according to the human body sensing parameter;
根据所述环境感应参数,基于第二灯控规则控制第二灯体点亮;controlling the second lamp body to light up based on the second lamp control rule according to the environmental sensing parameter;
检测到控制指令,则点亮第三灯体并调节该第三灯体的颜色和亮度。When the control command is detected, the third lamp body is turned on and the color and brightness of the third lamp body are adjusted.
进一步的,所述获取灯控相关的感知信息,其中,所述感知信息包括人体感应参数和环境感应参数,包括:Further, the acquisition of sensing information related to light control, wherein the sensing information includes human body sensing parameters and environment sensing parameters, including:
通过人体传感器检测是否有用户存在,若是检测到有用户存在,则通过体温传感器进行体温检测,获得人体感应参数;The human body sensor is used to detect whether there is a user. If it is detected that the user exists, the body temperature is detected by the body temperature sensor to obtain the human body sensing parameters;
通过温湿度传感器检测环境的温湿度参数,通过控制传感器检测空气质量参数,获得环境感应参数。The temperature and humidity parameters of the environment are detected by the temperature and humidity sensor, and the air quality parameters are detected by the control sensor to obtain the environmental sensing parameters.
进一步的,所述根据所述人体感应参数,基于第一灯控规则控制第一灯体点亮,包括:Further, the controlling the lighting of the first lamp body based on the first lamp control rule according to the human body sensing parameters includes:
当检测到用户进入车内,控制第一颜色氛围灯点亮;When it is detected that the user enters the car, the first color atmosphere light is controlled to light up;
当检测到用户的体温在第一体温范围内时,控制第二颜色氛围灯点亮;When it is detected that the user's body temperature is within the first body temperature range, the second color atmosphere light is controlled to light up;
当检测到用户的体温在第二体温范围内时,控制第三颜色氛围灯点亮。When it is detected that the user's body temperature is within the second body temperature range, the third color atmosphere light is controlled to light up.
进一步的,还包括:Further, it also includes:
若获取到用户的手机蓝牙信息,则控制第四颜色氛围灯点亮。If the user's mobile phone Bluetooth information is obtained, the fourth color atmosphere light is controlled to light up.
进一步的,所述根据所述环境感应参数,基于第二灯控规则控制第二灯体点亮,包括:Further, according to the environmental sensing parameters, controlling the lighting of the second lamp body based on the second lamp control rule includes:
通过温湿度传感器检测环境温湿度参数后,控制第五颜色氛围灯点亮,并显示温湿度参数在车内显示屏上;After the ambient temperature and humidity parameters are detected by the temperature and humidity sensor, the fifth color atmosphere light is controlled to light up, and the temperature and humidity parameters are displayed on the interior display screen;
通过空气传感器检测空气质量参数后,控制第六颜色氛围灯点亮,并显示空气质量参数在车内显示屏上。After the air quality parameters are detected by the air sensor, the sixth color atmosphere lamp is controlled to light up, and the air quality parameters are displayed on the in-vehicle display.
进一步的,所述检测到控制指令包括:语音控制指令和手势控制指令。Further, the detected control instructions include: voice control instructions and gesture control instructions.
在第二方面,本申请实施例还提供一种车载智能感知灯控系统,包括:控制模块和传感模块;In a second aspect, an embodiment of the present application further provides a vehicle-mounted intelligent sensing light control system, including: a control module and a sensing module;
所述传感模块用于获取灯控相关的感知信息,其中,所述感知信息包括人体感应参数和环境感应参数;The sensing module is used to obtain sensing information related to light control, wherein the sensing information includes human body sensing parameters and environment sensing parameters;
所述控制模块用于根据所述人体感应参数,基于第一灯控规则控制第一灯体点亮;根据所述环境感应参数,基于第二灯控规则控制第二灯体点亮;检测到控制指令,则点亮第三灯体并调节该第三灯体的颜色和亮度。The control module is configured to control the lighting of the first lamp body based on the first lamp control rule according to the human body sensing parameter; control the lighting of the second lamp body based on the second lamp control rule according to the environmental sensing parameter; If the control command is given, the third lamp body is turned on and the color and brightness of the third lamp body are adjusted.
进一步的,所述传感模块包括温湿度传感器、酒精传感器、空气质量检测传感器、手势识别传感器和语音识别传感器。Further, the sensing module includes a temperature and humidity sensor, an alcohol sensor, an air quality detection sensor, a gesture recognition sensor and a voice recognition sensor.
在第三方面,本申请实施例还提供一种计算机设备,包括:存储器以及一个或多个处理器;In a third aspect, an embodiment of the present application further provides a computer device, including: a memory and one or more processors;
所述存储器,用于存储一个或多个程序;the memory for storing one or more programs;
当所述一个或多个程序被所述一个或多个处理器执行,使得所述一个或多个处理器实现如上述的一种车载智能感知灯控方法。When the one or more programs are executed by the one or more processors, the one or more processors implement the above-mentioned method for controlling an in-vehicle intelligent perception light.
在第四方面,本申请实施例还提供一种包含计算机可执行指令的存储介质,所述计算机可执行指令在由计算机处理器执行时用于执行如上述的一种车载智能感知灯控方法。In a fourth aspect, the embodiments of the present application further provide a storage medium containing computer-executable instructions, where the computer-executable instructions, when executed by a computer processor, are used to execute the above-mentioned method for controlling a vehicle-mounted intelligent perception light.
本申请实施例通过获取灯控相关的感知信息,其中,所述感知信息包括人体感应参数和环境感应参数;根据所述人体感应参数,基于第一灯控规则控制第一灯体点亮;根据所述环境感应参数,基于第二灯控规则控制第二灯体点亮;检测到控制指令,则点亮第三灯体并调节该第三灯体的颜色和亮度;实现智能感知,根据环境来智能化控制车载氛围灯,提高用户在车内的娱乐体验。In this embodiment of the present application, sensing information related to light control is acquired, wherein the sensing information includes human body sensing parameters and environment sensing parameters; according to the human body sensing parameters, the first lamp body is controlled to light up based on the first light control rule; The environmental sensing parameter controls the lighting of the second lamp body based on the second lamp control rule; when a control instruction is detected, the third lamp body is lit and the color and brightness of the third lamp body are adjusted; intelligent perception is realized, according to the environment To intelligently control the car ambient light, improve the user's entertainment experience in the car.
附图说明Description of drawings
图1是本申请实施例提供的一种车载智能感知灯控方法的流程图;1 is a flowchart of a vehicle-mounted intelligent perception light control method provided by an embodiment of the present application;
图2是本申请实施例提供的一种车载智能感知灯控方法的软件架构图;2 is a software architecture diagram of a vehicle-mounted intelligent perception light control method provided by an embodiment of the present application;
图3是本申请实施例提供的一种车载智能感知灯控方法的主程序流程图;3 is a flow chart of a main program of a vehicle-mounted intelligent perception light control method provided by an embodiment of the present application;
图4是本申请实施例提供的一种车载智能感知灯控系统的DCDC模块电路图;4 is a circuit diagram of a DCDC module of a vehicle-mounted intelligent perception light control system provided by an embodiment of the present application;
图5是本申请实施例提供的一种车载智能感知灯控系统的LDO模块电路图;5 is a circuit diagram of an LDO module of a vehicle-mounted intelligent sensing light control system provided by an embodiment of the present application;
图6是本申请实施例提供的一种车载智能感知灯控系统的MCU控制器电路图;6 is a circuit diagram of an MCU controller of a vehicle-mounted intelligent perception light control system provided by an embodiment of the present application;
图7是本申请实施例提供的一种车载智能感知灯控系统的USB转串口模块电路图;7 is a circuit diagram of a USB to serial port module of a vehicle-mounted intelligent perception light control system provided by an embodiment of the present application;
图8是本申请实施例提供的一种车载智能感知灯控系统的第一RGB灯驱动电路图;8 is a first RGB lamp driving circuit diagram of an in-vehicle intelligent perception lamp control system provided by an embodiment of the present application;
图9是本申请实施例提供的一种车载智能感知灯控系统的第二RGB灯驱动电路图;9 is a second RGB lamp driving circuit diagram of a vehicle-mounted intelligent perception lamp control system provided by an embodiment of the present application;
图10是本申请实施例提供的一种车载智能感知灯控系统的RGB灯电路图;10 is a circuit diagram of an RGB lamp of a vehicle-mounted intelligent perception lamp control system provided by an embodiment of the present application;
图11是本申请实施例提供的一种计算机设备的结构示意图。FIG. 11 is a schematic structural diagram of a computer device provided by an embodiment of the present application.
具体实施方式Detailed ways
为了使本申请的目的、技术方案和优点更加清楚,下面结合附图对本申请具体实施例作进一步的详细描述。可以理解的是,此处所描述的具体实施例仅仅用于解释本申请,而非对本申请的限定。另外还需要说明的是,为了便于描述,附图中仅示出了与本申请相关的部分而非全部内容。在更加详细地讨论示例性实施例之前应当提到的是,一些示例性实施例被描述成作为流程图描绘的处理或方法。虽然流程图将各项操作(或步骤)描述成顺序的处理,但是其中的许多操作可以被并行地、并发地或者同时实施。此外,各项操作的顺序可以被重新安排。当其操作完成时所述处理可以被终止,但是还可以具有未包括在附图中的附加步骤。所述处理可以对应于方法、函数、规程、子例程、子程序等等。In order to make the objectives, technical solutions and advantages of the present application clearer, the specific embodiments of the present application will be further described in detail below with reference to the accompanying drawings. It should be understood that the specific embodiments described herein are only used to explain the present application, but not to limit the present application. In addition, it should be noted that, for the convenience of description, the drawings only show some but not all of the contents related to the present application. Before discussing the exemplary embodiments in greater detail, it should be mentioned that some exemplary embodiments are described as processes or methods depicted as flowcharts. Although a flowchart depicts various operations (or steps) as a sequential process, many of the operations may be performed in parallel, concurrently, or concurrently. Additionally, the order of operations can be rearranged. The process may be terminated when its operation is complete, but may also have additional steps not included in the figures. The processes may correspond to methods, functions, procedures, subroutines, subroutines, and the like.
随着汽车行业的不断发展,消费者对车载娱乐体验要求越来越高,氛围灯已经成为汽车中不可或缺的一部分,而氛围灯作为一种运用广泛的装饰照明灯,越来越多的预装于各种车型中。因此将氛围灯应用在感知汽车内外信息和与车内人员的互动上,可以大大增强车载信息的获取和车内人员包括乘客的娱乐体验。传统的车载传感系统感知的都是车身的信息,而缺少对于车内外环境的感知,而且也比较机械与不智能。本申请实施例车主对车内的温湿度、空气等的信息拥有准确的掌握,以及能够通过语音手势等交互方式控制氛围灯,能够显著提升在车内的娱乐体验。With the continuous development of the automotive industry, consumers have higher and higher requirements for in-vehicle entertainment experience, and ambient lighting has become an indispensable part of the car. As a widely used decorative lighting, more and more Pre-installed in various models. Therefore, the application of ambient light in the perception of information inside and outside the car and the interaction with the people in the car can greatly enhance the acquisition of in-vehicle information and the entertainment experience of the people in the car, including passengers. The traditional in-vehicle sensing system perceives the information of the car body, but lacks the perception of the environment inside and outside the car, and is also relatively mechanical and unintelligent. In the embodiment of the present application, the car owner has accurate grasp of the temperature, humidity, air and other information in the car, and can control the ambient light through interactive methods such as voice gestures, which can significantly improve the entertainment experience in the car.
实施例中提供的车载智能感知灯控方法可以由车载智能感知灯控系统执行,该车载智能感知灯控系统可以通过软件和/或硬件的方式实现,并集成在车载智能感知灯控设备中。其中,车载智能感知灯控设备可以是计算机等设备。The vehicle-mounted intelligent perception light control method provided in the embodiment may be executed by a vehicle-mounted intelligent perception light control system, and the vehicle-mounted intelligent perception light control system may be implemented by means of software and/or hardware, and integrated into the vehicle-mounted intelligent perception light control device. The in-vehicle intelligent perception light control device may be a computer or other device.
图1为本申请实施例提供的一种车载智能感知灯控方法的流程图。参考图1,所述方法包括以下步骤:FIG. 1 is a flowchart of a vehicle-mounted intelligent sensing light control method provided by an embodiment of the present application. Referring to Figure 1, the method includes the following steps:
步骤110、获取灯控相关的感知信息,其中,所述感知信息包括人体感应参数和环境感应参数;Step 110: Acquire sensing information related to light control, wherein the sensing information includes human body sensing parameters and environment sensing parameters;
具体的,通过人体传感器检测是否有用户存在,若是检测到有用户存在,则通过体温传感器进行体温检测,获得人体感应参数;通过温湿度传感器检测环境的温湿度参数,通过控制传感器检测空气质量参数,获得环境感应参数。Specifically, whether there is a user is detected by a human body sensor, and if a user is detected, the body temperature is detected by the body temperature sensor to obtain human body sensing parameters; the temperature and humidity parameters of the environment are detected by the temperature and humidity sensor, and the air quality parameters are detected by the control sensor. , to obtain environmental sensing parameters.
步骤120、根据所述人体感应参数,基于第一灯控规则控制第一灯体点亮;
具体的,当检测到用户进入车内,控制第一颜色氛围灯点亮;当检测到用户的体温在第一体温范围内时,控制第二颜色氛围灯点亮;当检测到用户的体温在第二体温范围内时,控制第三颜色氛围灯点亮。可选的,若获取到用户的手机蓝牙信息,则控制第四颜色氛围灯点亮。Specifically, when it is detected that the user enters the car, the ambient light of the first color is controlled to light up; when it is detected that the user's body temperature is within the first body temperature range, the ambient light of the second color is controlled to be illuminated; when it is detected that the user's body temperature is within When the second body temperature is within the range, the third color ambient light is controlled to light up. Optionally, if the user's mobile phone Bluetooth information is obtained, the fourth color atmosphere light is controlled to light up.
示例性的,设置氛围灯颜色为1-20颜色编号,不同编号对应不同的颜色预设。Exemplarily, the color of the ambient light is set to 1-20 color numbers, and different numbers correspond to different color presets.
示例性的,驾驶员或者乘客进入车内的时候,座位上的人体传感器就会感知到有人坐在座位上,点亮颜色为1的氛围灯。检测到人的存在后,启动每个座位体温传感器,对车内人员进行体温监测,体温在37.3℃以下就点颜色为2的氛围灯,表示体温正常。体温超过37.3℃就点亮颜色为3的氛围灯。可选的,当车主进入车内的时候,车主手机蓝牙会自动连接,并且点亮颜色为4的氛围灯。Exemplarily, when the driver or passenger enters the car, the human sensor on the seat will sense that someone is sitting on the seat, and the ambient light with a color of 1 will be lit. After detecting the presence of people, activate the body temperature sensor of each seat to monitor the body temperature of the people in the car. When the body temperature is below 37.3 ℃, the ambient light with
步骤130、根据所述环境感应参数,基于第二灯控规则控制第二灯体点亮;
具体的,通过温湿度传感器检测环境温湿度参数后,控制第五颜色氛围灯点亮,并显示温湿度参数在车内显示屏上;通过空气传感器检测空气质量参数后,控制第六颜色氛围灯点亮,并显示空气质量参数在车内显示屏上。Specifically, after the ambient temperature and humidity parameters are detected by the temperature and humidity sensor, the fifth color atmosphere lamp is controlled to light up, and the temperature and humidity parameters are displayed on the interior display screen; after the air quality parameters are detected by the air sensor, the sixth color atmosphere lamp is controlled Lights up and shows air quality parameters on the interior display.
示例性的,温湿度传感器检测车内与车外环境的温湿度,检测完成之后点亮颜色为5的氛围灯,并在显示屏上显示相关温湿度信息。空气传感器包括粉尘传感器、酒精传感器和可燃气体传感器,检测空气质量、酒精和有毒有害气体,检测完成后点亮颜色为6的氛围灯,并在显示屏上显示相关空气质量信息。Exemplarily, the temperature and humidity sensor detects the temperature and humidity of the environment inside the vehicle and the outside of the vehicle, and after the detection is completed, an ambient light with a color of 5 is turned on, and relevant temperature and humidity information is displayed on the display screen. The air sensor includes dust sensor, alcohol sensor and combustible gas sensor to detect air quality, alcohol and toxic and harmful gases. After the detection is completed, the atmosphere light with
步骤140、检测到控制指令,则点亮第三灯体并调节该第三灯体的颜色和亮度。Step 140: When the control instruction is detected, turn on the third lamp body and adjust the color and brightness of the third lamp body.
具体的,所述检测到控制指令包括:语音控制指令和手势控制指令;通过手势识别模块和语音识别模块来对语音和手势进行识别,实现控制。Specifically, the detected control instructions include: voice control instructions and gesture control instructions; the voice and gesture are recognized by the gesture recognition module and the voice recognition module to realize control.
示例性的,车主可以通过语音控制颜色为7-20的氛围灯,氛围灯亮度0%-100%;车主可以通过手势操作控制颜色为7-20的氛围灯,氛围灯亮度0%-100%。Exemplarily, the car owner can control the ambient light with a color of 7-20 through a voice, and the brightness of the ambient light is 0%-100%; the car owner can control the ambient light with a color of 7-20 through a gesture operation, and the brightness of the ambient light is 0%-100% .
其中,设置氛围灯颜色为1-20颜色编号,不同编号对应不同的颜色预设,其中,20种颜色编号的信息如下表,默认亮度为50%。Among them, set the color of the ambient light as 1-20 color numbers, and different numbers correspond to different color presets. The information of the 20 color numbers is as follows, and the default brightness is 50%.
示例性的,软件架构图如图2所示,软件整体运行在FreeRTOS实时操作系统上,共分为5个任务(task),其中PAJ_task为手势识别扫描任务,BME_task为温湿度检测任务,LD3_task为语音识别检测任务,ADC_task为空气质量检测与有害气体检测任务,RGB_task为RGB氛围灯控制任务。Exemplarily, the software architecture diagram is shown in Figure 2. The software runs on the FreeRTOS real-time operating system as a whole, and is divided into 5 tasks (tasks), of which PAJ_task is the gesture recognition scanning task, BME_task is the temperature and humidity detection task, and LD3_task is the task. Speech recognition detection task, ADC_task is air quality detection and harmful gas detection task, RGB_task is RGB ambient light control task.
示例性的,如图3所示为主程序流程图,MCU上电后进行硬件初始化,硬件配置成功开始创建起始任务,在起始任务中成功创建五个主要任务后结束,同时五个主要任务开始循环执行:手势识别扫描与解析,温湿度检测与显示,语音识别检测与解析,空气质量检测与有害气体检测并显示,RGB-LED混色控制。Exemplarily, as shown in the main program flow chart in Figure 3, after the MCU is powered on, the hardware is initialized, the hardware configuration is successful, and the initial task is created, and the five main tasks are successfully created in the initial task. The tasks begin to be executed cyclically: gesture recognition scanning and analysis, temperature and humidity detection and display, speech recognition detection and analysis, air quality detection and harmful gas detection and display, RGB-LED color mixing control.
在RGB-LED混色控制任务中,主要循环判断当前的酒精传感器与PM2.5传感器检测值是否超出阈值,这个阈值是可以自己提前设定的,默认的阈值为35。如果超出则执行红灯闪烁报警;否则继续判断当前模式并执行颜色模式或者温度模式。In the RGB-LED color mixing control task, the main loop judges whether the current detection value of the alcohol sensor and the PM2.5 sensor exceeds the threshold. This threshold can be set in advance by yourself, and the default threshold is 35. If it exceeds, the red light flashes to alarm; otherwise, it continues to judge the current mode and executes the color mode or temperature mode.
通过手势操作可以直接进入颜色模式。在手势控制颜色模式下,手势识别模块可以识别上滑、下滑、左滑、右滑四种手势,其中上滑手势对应氛围灯亮度调高指令,下滑手势对应氛围灯亮度调低指令,设计为1%至100%切换。左滑和右滑手势对应颜色切换,设计为20种颜色切换。You can directly enter the color mode by gesture operation. In the gesture control color mode, the gesture recognition module can recognize four gestures: slide up, slide down, slide left, and slide right. The slide up gesture corresponds to the command to increase the brightness of the ambient light, and the slide gesture corresponds to the command to decrease the brightness of the ambient light. 1% to 100% toggle. The left swipe and right swipe gestures correspond to color switching, which is designed to be 20 color switching.
通过语音唤醒词“氛围灯同学”可以直接进入语音控制颜色模式,本语音系统可识别“亮度调高”、“亮度调低”、“上一个颜色”、“下一个颜色”、“开灯”、“关灯”六种命令,并执行。Through the voice wake-up word "Ambient Light Classmate", you can directly enter the voice control color mode. The voice system can recognize "brightness up", "brightness down", "previous color", "next color", "turn on the light" , "Turn off the lights" six commands and execute them.
在温度模式下,判断从温度模块读取到的当前温度值,并通过换算得到对应的颜色值点亮。25℃时为白色,温度越高颜色越红,温度越低颜色越蓝,温度测量范围为0℃-40℃,其中0℃对应的RGB颜色为(255,1,1),25℃对应的RGB颜色为(255,255,255),40℃对应的颜色RGB信息为(1,1,255)。其余的呈线性分布。In the temperature mode, the current temperature value read from the temperature module is judged, and the corresponding color value is obtained by conversion to light up. It is white at 25°C. The higher the temperature, the redder the color. The lower the temperature, the bluer the color. The temperature measurement range is 0°C-40°C. The RGB color corresponding to 0°C is (255, 1, 1), and the corresponding The RGB color is (255, 255, 255), and the color RGB information corresponding to 40°C is (1, 1, 255). The rest are distributed linearly.
上述,通过获取灯控相关的感知信息,其中,所述感知信息包括人体感应参数和环境感应参数;根据所述人体感应参数,基于第一灯控规则控制第一灯体点亮;根据所述环境感应参数,基于第二灯控规则控制第二灯体点亮;检测到控制指令,则点亮第三灯体并调节该第三灯体的颜色和亮度;实现智能感知,根据环境来智能化控制车载氛围灯,提高用户在车内的娱乐体验。In the above, the sensing information related to the lamp control is obtained, wherein the sensing information includes human body sensing parameters and environment sensing parameters; according to the human body sensing parameters, the first lamp body is controlled to light up based on the first lamp control rule; according to the The environmental sensing parameters control the lighting of the second lamp body based on the second lamp control rules; when a control command is detected, the third lamp body is lit and the color and brightness of the third lamp body are adjusted; intelligent perception is realized, and intelligence is based on the environment It can control the car ambient light and improve the user's entertainment experience in the car.
在上述实施例的基础上,本申请实施例提供的一种车载智能感知灯控系统,所述车载智能感知灯控系统具体包括:控制模块和传感模块。On the basis of the above embodiments, the embodiments of the present application provide a vehicle-mounted intelligent perception light control system, the vehicle-mounted intelligent perception light control system specifically includes: a control module and a sensing module.
所述传感模块用于获取灯控相关的感知信息,其中,所述感知信息包括人体感应参数和环境感应参数;所述控制模块用于根据所述人体感应参数,基于第一灯控规则控制第一灯体点亮;根据所述环境感应参数,基于第二灯控规则控制第二灯体点亮;检测到控制指令,则点亮第三灯体并调节该第三灯体的颜色和亮度。The sensing module is used to obtain sensing information related to light control, wherein the sensing information includes human body sensing parameters and environmental sensing parameters; the control module is used to control the first light control rule according to the human body sensing parameters The first lamp body is lit; according to the environmental sensing parameters, the second lamp body is controlled to be lit based on the second lamp control rule; the control instruction is detected, the third lamp body is lit and the color and color of the third lamp body are adjusted. brightness.
可选的,所述传感模块包括温湿度传感器、酒精传感器、空气质量检测传感器、手势识别传感器和语音识别传感器。Optionally, the sensing module includes a temperature and humidity sensor, an alcohol sensor, an air quality detection sensor, a gesture recognition sensor and a voice recognition sensor.
可选的,控制模块采用MCU控制器,传感器模块采集温湿度、空气质量、语音手势信息等通过数据接口把信息发送到MCU上,MCU进行解析和计算后,通过PWM输出控制相应的氛围灯颜色。Optionally, the control module adopts an MCU controller, and the sensor module collects temperature and humidity, air quality, voice gesture information, etc. and sends the information to the MCU through the data interface. After the MCU analyzes and calculates, the corresponding ambient light color is controlled through the PWM output. .
本申请实施例系统采用带IIC、SPI、ADC、PWM接口的MCU控制器进行开发,基于温湿度传感器、粉尘传感器、可燃气体传感器等实现环境感知功能,基于手势识别模块、语音识别模块实现智能人机交互,使用MCU控制器输出三路PWM信号直接控制RGB-LED氛围灯。The system of the embodiment of the present application is developed by using an MCU controller with IIC, SPI, ADC, and PWM interfaces, and realizes environmental perception functions based on temperature and humidity sensors, dust sensors, and combustible gas sensors, etc., and realizes intelligent people based on gesture recognition modules and voice recognition modules. Computer interaction, use the MCU controller to output three PWM signals to directly control the RGB-LED ambient light.
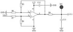
请参照图4,通过电源模块为传感器模块和MCU控制器供电,该模块含有一个DCDC模块,采用的是MT2492电源芯片,该芯片是同步降压芯片,可以把汽车12V电源转换为5V,给LDO模块电路还有系统里的部分传感器模块供电。其中,请参照图5,为LDO模块电路,采用的是AMS1117-3.3电源芯片,将5V电源转换为3.3V电源负责给MCU控制器和部分传感器模块供电。Please refer to Figure 4, the sensor module and the MCU controller are powered by the power module. The module contains a DCDC module, which uses the MT2492 power chip, which is a synchronous step-down chip, which can convert the car's 12V power supply to 5V and supply it to the LDO. The module circuit also supplies power to some sensor modules in the system. Among them, please refer to Figure 5, which is the LDO module circuit, using the AMS1117-3.3 power supply chip, which converts the 5V power supply into a 3.3V power supply and is responsible for supplying power to the MCU controller and some sensor modules.
请参照图6,MCU控制器采用STM32的最小系统,为STM32030F4P6芯片,包括8M晶振电路、复位电路以及JTAG下载电路等外围电路;请参照图7,该模块还含有USB转串口模块,采用的是CH340C芯片,来完成MCU控制器与上位机的通讯功能;MCU控制器还设有一个LCD接口,用来连接LCD显示器,实现更好的人机交互体验。Please refer to Figure 6, the MCU controller adopts the minimum system of STM32, which is STM32030F4P6 chip, including 8M crystal oscillator circuit, reset circuit and JTAG download circuit and other peripheral circuits; please refer to Figure 7, this module also contains USB to serial port module, using The CH340C chip is used to complete the communication function between the MCU controller and the host computer; the MCU controller also has an LCD interface to connect the LCD display to achieve a better human-computer interaction experience.
其中,传感器模块包含温湿度传感器、酒精传感器、空气质量检测传感器、手势识别传感器和语音识别传感器。Among them, the sensor module includes a temperature and humidity sensor, an alcohol sensor, an air quality detection sensor, a gesture recognition sensor and a voice recognition sensor.
请参照图8和图9,为RGB灯的驱动电路,图10为一个RGB灯电路。Please refer to FIG. 8 and FIG. 9 , which are driving circuits of RGB lamps, and FIG. 10 is an RGB lamp circuit.
在一些实施例中,所述电源电路包括DCDC电路和LDO电路,所述DCDC电路连接所述LDO电路,所述LDO电路连接所述控制电路、所述传感器模块、所述RGB灯驱动电路和RGB灯电路。In some embodiments, the power supply circuit includes a DCDC circuit and an LDO circuit, the DCDC circuit is connected to the LDO circuit, and the LDO circuit is connected to the control circuit, the sensor module, the RGB lamp driving circuit and the RGB light circuit.
在一些实施例中,请参照图4,所述DCDC电路包括第一电源芯片U1、第一电阻R1、第二电阻R2、第三电阻R3、第四电阻R4、第一电容C1、第二电容C2、第三电容C3和第一电感L1;所述第一电源芯片的第一引脚连接所述第一电容的第一端,第二引脚连接所述第一电阻的第一端和接地端,第三引脚连接所述第一电阻的第二端和所述第二电阻的第一端,第四引脚连接所述第三电阻的第一端和第四电阻的第一端,第五引脚连接所述第四电阻的第二端和电源输入端,第六引脚连接所述第一电容的第二端和所述第一电感的第一端,所述第二电阻的第二端连接所述第一电感的第一端、所述第二电容的第一端、所述第三电容的第一端和电源输出端,所述第三电阻的第二端、所述第二电容的第二端和所述第三电容的第二端连接接地端。In some embodiments, please refer to FIG. 4 , the DCDC circuit includes a first power chip U1 , a first resistor R1 , a second resistor R2 , a third resistor R3 , a fourth resistor R4 , a first capacitor C1 , and a second capacitor C2, the third capacitor C3 and the first inductor L1; the first pin of the first power chip is connected to the first end of the first capacitor, and the second pin is connected to the first end of the first resistor and ground The third pin is connected to the second end of the first resistor and the first end of the second resistor, and the fourth pin is connected to the first end of the third resistor and the first end of the fourth resistor, The fifth pin is connected to the second end of the fourth resistor and the power input end, the sixth pin is connected to the second end of the first capacitor and the first end of the first inductor, and the second end of the second resistor The second end is connected to the first end of the first inductor, the first end of the second capacitor, the first end of the third capacitor and the power output end, the second end of the third resistor, the The second terminal of the second capacitor and the second terminal of the third capacitor are connected to the ground terminal.
在一些实施例中,请参照图5,所述LDO电路包括第二电源芯片VR1、第二电感FB1、第四电容C4、第五电容C5、第六电容C6和第七电容C7;所述第二电源芯片的第一引脚连接所述第四电容的第一端、所述第五电容的第一端和所述第二电感的第一端,第二引脚连接所述第四电容的第二端、所述第五电容的第二端、所述第六电容的第一端、所述第七电容的第一端和接地端,第三引脚连接所述第六电容的第二端、所述第七电容的第二端和电源输出端,所述第二电感的第二端连接电源输入端。In some embodiments, please refer to FIG. 5 , the LDO circuit includes a second power chip VR1, a second inductor FB1, a fourth capacitor C4, a fifth capacitor C5, a sixth capacitor C6 and a seventh capacitor C7; The first pin of the two power chips is connected to the first end of the fourth capacitor, the first end of the fifth capacitor and the first end of the second inductor, and the second pin is connected to the fourth capacitor The second terminal, the second terminal of the fifth capacitor, the first terminal of the sixth capacitor, the first terminal of the seventh capacitor and the ground terminal, and the third pin is connected to the second terminal of the sixth capacitor terminal, the second terminal of the seventh capacitor and the power output terminal, and the second terminal of the second inductor is connected to the power input terminal.
在一些实施例中,请参照图6,所述控制电路包括MCU芯片U2、第一晶振X1、第八电容C8和第九电容C9,所述MCU芯片的第二十三引脚连接所述第一晶振的第一端和所述第八电容的第一端,第二十四引脚连接所述第一晶振的第二端和所述第九电容的第一端,所述第八电容的第一端和所述第九电容的第一端连接接地端。In some embodiments, please refer to FIG. 6 , the control circuit includes an MCU chip U2, a first crystal oscillator X1, an eighth capacitor C8 and a ninth capacitor C9, and the twenty-third pin of the MCU chip is connected to the first The first end of a crystal oscillator and the first end of the eighth capacitor, the twenty-fourth pin is connected to the second end of the first crystal oscillator and the first end of the ninth capacitor, and the eighth capacitor The first terminal and the first terminal of the ninth capacitor are connected to the ground terminal.
在一些实施例中,请参照图7,还含有USB转串口模块,采用的是CH340C芯片,来完成MCU控制器与上位机的通讯功能;所述USB转串口模块包括串口芯片U3、第十电容C10、第十一电容C11和第十二电容C12;串口芯片的第一引脚连接接地端,第四引脚连接第十二电容的第一端,第十六引脚连接第十电容的第一端、第十一电容的第一端和电源端;第十二电容的第二端连接接地端。In some embodiments, please refer to FIG. 7 , a USB-to-serial port module is also included, and a CH340C chip is used to complete the communication function between the MCU controller and the host computer; the USB-to-serial port module includes a serial port chip U3, a tenth capacitor C10, the eleventh capacitor C11 and the twelfth capacitor C12; the first pin of the serial port chip is connected to the ground terminal, the fourth pin is connected to the first end of the twelfth capacitor, and the sixteenth pin is connected to the first end of the tenth capacitor One end, the first end of the eleventh capacitor and the power supply end; the second end of the twelfth capacitor is connected to the ground end.
在一些实施例中,请参照图8,所述RGB灯驱动电路包括第一RGB灯驱动电路和第二RGB灯驱动电路,所述第一RGB灯驱动电路包括第一放大器、第五电阻R5、第六电阻R6、第七电阻R7、第八电阻R8、第九电阻R9、第十二电容C12和第十三电容C13;第一放大器的正输入端连接第五电阻的第一端和第六电阻的第一端,负输入端连接第七电阻的第一端和第八电阻的第一端,电源端连接第十二电阻的第一端电源输入端,接地端连接第八电阻的第二端接地端,输出端连接第九电阻的第一端和第五电阻的第二端;第六电阻的第二端连接接地端,第七电阻的第二端连接电压输出端;第十二电阻的第二端连接接地端;第九电阻的第二端连接第十三电容的第一端和MCU芯片。In some embodiments, please refer to FIG. 8 , the RGB lamp driver circuit includes a first RGB lamp driver circuit and a second RGB lamp driver circuit, the first RGB lamp driver circuit includes a first amplifier, a fifth resistor R5, The sixth resistor R6, the seventh resistor R7, the eighth resistor R8, the ninth resistor R9, the twelfth capacitor C12 and the thirteenth capacitor C13; the positive input end of the first amplifier is connected to the first end of the fifth resistor and the sixth The first end of the resistor, the negative input end is connected to the first end of the seventh resistor and the first end of the eighth resistor, the power end is connected to the power input end of the first end of the twelfth resistor, and the ground end is connected to the second end of the eighth resistor. The terminal is grounded, the output terminal is connected to the first terminal of the ninth resistor and the second terminal of the fifth resistor; the second terminal of the sixth resistor is connected to the ground terminal, and the second terminal of the seventh resistor is connected to the voltage output terminal; the twelfth resistor The second end of the ninth resistor is connected to the ground end; the second end of the ninth resistor is connected to the first end of the thirteenth capacitor and the MCU chip.
其中,请参照图9,第二RGB灯驱动电路包括第一三极管Q1、第十电阻R10、第十一电阻R11和第十二电阻R12;第一三极管的集电极连接第十电阻的第一端,基极连接第十一电阻的第一端和第十二电阻的第一端,发射极连接第十二电阻的第二端和接地端;第十一电阻的第二端连接MCU芯片,第十电阻的第二端连接RGB灯电路;可以理解的是,第二驱动电路包括三种电路,一种为输出R控制信号到RGB灯电路,一种为输出G控制信号到RGB灯电路,一种为输出B控制信号到RGB灯电路。9, the second RGB lamp driving circuit includes a first transistor Q1, a tenth resistor R10, an eleventh resistor R11 and a twelfth resistor R12; the collector of the first transistor is connected to the tenth resistor , the base is connected to the first end of the eleventh resistor and the first end of the twelfth resistor, the emitter is connected to the second end of the twelfth resistor and the ground terminal; the second end of the eleventh resistor is connected On the MCU chip, the second end of the tenth resistor is connected to the RGB lamp circuit; it can be understood that the second drive circuit includes three circuits, one for outputting the R control signal to the RGB lamp circuit, and one for outputting the G control signal to the RGB The lamp circuit, one is to output the B control signal to the RGB lamp circuit.
在一些实施例中,请参照图10,所述RGB灯电路包括灯芯片LED1、第十四电容C14、第十五电容C15、第十六电容C16、第十七电容C17和第三电感FB2;灯芯片连接第二驱动电路并接收第二驱动电路的R、G、B控制信号;第十四电容、第十五电容、第十六电容和第十七电容并联后第一端接入到灯芯片的引脚,另一端连接第三电感的第一端,第三电感的第二端连接电源端。In some embodiments, please refer to FIG. 10 , the RGB lamp circuit includes a lamp chip LED1, a fourteenth capacitor C14, a fifteenth capacitor C15, a sixteenth capacitor C16, a seventeenth capacitor C17 and a third inductor FB2; The lamp chip is connected to the second drive circuit and receives the R, G, B control signals of the second drive circuit; the fourteenth capacitor, the fifteenth capacitor, the sixteenth capacitor and the seventeenth capacitor are connected in parallel and the first end is connected to the lamp The other end of the pin of the chip is connected to the first end of the third inductor, and the second end of the third inductor is connected to the power supply end.
可选的,温湿度传感器模块采用的是GY-39型号的模块,包括BME280型号的环境传感器,该模块可将BME280内部的温湿度数据读取并输出到到MCU控制器的UART接口或者IIC接口上。Optionally, the temperature and humidity sensor module adopts the GY-39 model module, including the BME280 model environmental sensor. This module can read and output the temperature and humidity data inside the BME280 to the UART interface or IIC interface of the MCU controller. superior.
可选的,空气质量传感器模块采用的是GP2Y1010AU0F型号,通过检测空气质量输出电压值,给到MCU控制器的ADC接口采集处理。Optionally, the air quality sensor module adopts the GP2Y1010AU0F model, and the output voltage value of the air quality is detected and sent to the ADC interface of the MCU controller for acquisition and processing.
可选的,语音识别传感器模块采用的是LD3320型号,将识别的语音信息通过SPI接口输送到MCU控制器上。Optionally, the speech recognition sensor module adopts the LD3320 model, and transmits the recognized speech information to the MCU controller through the SPI interface.
可选的,手势识别传感器模块采用的是PAJ7620型号,将识别的手势信息通过IIC总线发送到MCU控制器上。Optionally, the gesture recognition sensor module adopts the PAJ7620 model, and sends the recognized gesture information to the MCU controller through the IIC bus.
其中,传感器采集信号后,通过ADC模块转化为数字信号,输入MCU控制器进行数据处理,通过MCU控制器发送三路PWM信号驱动RGB氛围灯。其中,该氛围灯可以安装于车内多个位置。Among them, after the sensor collects the signal, it is converted into a digital signal through the ADC module, input to the MCU controller for data processing, and sends three PWM signals through the MCU controller to drive the RGB ambient light. Wherein, the ambient light can be installed in multiple positions in the car.
本申请实施例提供的车载智能感知灯控系统可以用于执行上述实施例提供的车载智能感知灯控方法,具备相应的功能和有益效果。The vehicle-mounted intelligent perception light control system provided in the embodiments of the present application can be used to execute the vehicle-mounted intelligent perception light control method provided by the above embodiments, and has corresponding functions and beneficial effects.
本申请实施例还提供了一种计算机设备,该计算机设备可集成本申请实施例提供的车载智能感知灯控系统。图11是本申请实施例提供的一种计算机设备的结构示意图。参考图11,该计算机设备包括:输入装置43、输出装置44、存储器42以及一个或多个处理器41;所述存储器42,用于存储一个或多个程序;当所述一个或多个程序被所述一个或多个处理器41执行,使得所述一个或多个处理器41实现如上述实施例提供的车载智能感知灯控方法。其中输入装置43、输出装置44、存储器42和处理器41可以通过总线或者其他方式连接,图11中以通过总线连接为例。The embodiments of the present application also provide a computer device, which can integrate the vehicle-mounted intelligent perception light control system provided by the embodiments of the present application. FIG. 11 is a schematic structural diagram of a computer device provided by an embodiment of the present application. 11, the computer device includes: an
处理器41通过运行存储在存储器41中的软件程序、指令以及模块,从而执行设备的各种功能应用以及数据处理,即实现上述的车载智能感知灯控方法。The
上述提供的计算机设备可用于执行上述实施例提供的车载智能感知灯控方法,具备相应的功能和有益效果。The computer equipment provided above can be used to execute the vehicle intelligent sensing light control method provided by the above embodiments, and has corresponding functions and beneficial effects.
本申请实施例还提供一种包含计算机可执行指令的存储介质,所述计算机可执行指令在由计算机处理器执行时用于执行一种车载智能感知灯控方法,该车载智能感知灯控方法包括:通过获取灯控相关的感知信息,其中,所述感知信息包括人体感应参数和环境感应参数;根据所述人体感应参数,基于第一灯控规则控制第一灯体点亮;根据所述环境感应参数,基于第二灯控规则控制第二灯体点亮;检测到控制指令,则点亮第三灯体并调节该第三灯体的颜色和亮度。Embodiments of the present application further provide a storage medium containing computer-executable instructions, where the computer-executable instructions are used to execute a vehicle-mounted intelligent sensing light control method when executed by a computer processor, and the vehicle-mounted intelligent sensing light control method includes: : by acquiring the sensing information related to the light control, wherein the sensing information includes human body sensing parameters and environment sensing parameters; according to the human body sensing parameters, control the lighting of the first lamp body based on the first light control rule; according to the environment The sensing parameter controls the lighting of the second lamp body based on the second lamp control rule; when the control instruction is detected, the third lamp body is turned on and the color and brightness of the third lamp body are adjusted.
存储介质——任何的各种类型的存储器设备或存储设备。术语“存储介质”旨在包括:安装介质,例如CD-ROM、软盘或磁带装置;计算机装置存储器或随机存取存储器,诸如DRAM、DDR RAM、SRAM、EDO RAM,兰巴斯(Rambus)RAM等;非易失性存储器,诸如闪存、磁介质(例如硬盘或光存储);寄存器或其它相似类型的存储器元件等。存储介质可以还包括其它类型的存储器或其组合。另外,存储介质可以位于程序在其中被执行的第一计算机装置中,或者可以位于不同的第二计算机装置中,第二计算机装置通过网络(诸如因特网)连接到第一计算机装置。第二计算机装置可以提供程序指令给第一计算机用于执行。术语“存储介质”可以包括可以驻留在不同位置中(例如在通过网络连接的不同计算机装置中)的两个或更多存储介质。存储介质可以存储可由一个或多个处理器执行的程序指令(例如具体实现为计算机程序)。storage medium - any of various types of memory devices or storage devices. The term "storage medium" is intended to include: installation media such as CD-ROM, floppy disk or tape devices; computer device memory or random access memory such as DRAM, DDR RAM, SRAM, EDO RAM, Rambus RAM, etc. ; non-volatile memory, such as flash memory, magnetic media (eg hard disk or optical storage); registers or other similar types of memory elements, etc. The storage medium may also include other types of memory or combinations thereof. In addition, the storage medium may be located in the first computer device in which the program is executed, or may be located in a different second computer device connected to the first computer device through a network such as the Internet. The second computer device may provide program instructions to the first computer for execution. The term "storage medium" may include two or more storage media that may reside in different locations (eg, in different computer devices connected through a network). The storage medium may store program instructions (eg, embodied as a computer program) executable by one or more processors.
当然,本申请实施例所提供的一种包含计算机可执行指令的存储介质,其计算机可执行指令不限于如上所述的车载智能感知灯控方法,还可以执行本申请任意实施例所提供的车载智能感知灯控方法中的相关操作。Of course, a storage medium containing computer-executable instructions provided by the embodiments of the present application, the computer-executable instructions of which are not limited to the above-mentioned vehicle-mounted intelligent perception light control method, and can also execute the vehicle-mounted intelligent sensing light control method provided by any embodiment of the present application. Relevant operations in the intelligent sensing light control method.
上述实施例中提供的车载智能感知灯控装置、存储介质及计算机设备可执行本申请任意实施例所提供的车载智能感知灯控方法,未在上述实施例中详尽描述的技术细节,可参见本申请任意实施例所提供的车载智能感知灯控方法。The vehicle-mounted intelligent perception light control device, storage medium, and computer equipment provided in the above embodiments can execute the vehicle-mounted intelligent perception light control method provided by any embodiment of the present application. The vehicle intelligent sensing light control method provided by any embodiment of the application is applied.
上述仅为本申请的较佳实施例及所运用的技术原理。本申请不限于这里所述的特定实施例,对本领域技术人员来说能够进行的各种明显变化、重新调整及替代均不会脱离本申请的保护范围。因此,虽然通过以上实施例对本申请进行了较为详细的说明,但是本申请不仅仅限于以上实施例,在不脱离本申请构思的情况下,还可以包括更多其他等效实施例,而本申请的范围由权利要求的范围决定。The above are only the preferred embodiments of the present application and the applied technical principles. The present application is not limited to the specific embodiments described herein, and various obvious changes, readjustments and substitutions that can be made by those skilled in the art will not depart from the protection scope of the present application. Therefore, although the present application has been described in detail through the above embodiments, the present application is not limited to the above embodiments, and can also include more other equivalent embodiments without departing from the concept of the present application. The scope is determined by the scope of the claims.
| Application Number | Priority Date | Filing Date | Title |
|---|---|---|---|
| CN202111592322.6ACN114423121A (en) | 2021-12-23 | 2021-12-23 | Vehicle intelligent perception light control method and system |
| Application Number | Priority Date | Filing Date | Title |
|---|---|---|---|
| CN202111592322.6ACN114423121A (en) | 2021-12-23 | 2021-12-23 | Vehicle intelligent perception light control method and system |
| Publication Number | Publication Date |
|---|---|
| CN114423121Atrue CN114423121A (en) | 2022-04-29 |
| Application Number | Title | Priority Date | Filing Date |
|---|---|---|---|
| CN202111592322.6APendingCN114423121A (en) | 2021-12-23 | 2021-12-23 | Vehicle intelligent perception light control method and system |
| Country | Link |
|---|---|
| CN (1) | CN114423121A (en) |
| Publication number | Priority date | Publication date | Assignee | Title |
|---|---|---|---|---|
| CN116321624A (en)* | 2023-03-23 | 2023-06-23 | 兰普电器股份有限公司 | A decorative lamp control system, method, device, storage medium and electronic equipment |
| Publication number | Priority date | Publication date | Assignee | Title |
|---|---|---|---|---|
| CN203571583U (en)* | 2013-10-30 | 2014-04-30 | 东风汽车公司 | Atmosphere lamp in vehicle |
| CN104656717A (en)* | 2014-12-26 | 2015-05-27 | 芜湖市汽车产业技术研究院有限公司 | System and method for adjusting in-car light environment |
| CN106163020A (en)* | 2016-09-29 | 2016-11-23 | 中山市德马汽车零部件有限公司 | Intelligent control method and control system for automobile ambient light |
| CN108924988A (en)* | 2018-05-23 | 2018-11-30 | 威马智慧出行科技(上海)有限公司 | atmosphere lamp control method and intelligent automobile |
| CN110559536A (en)* | 2019-09-10 | 2019-12-13 | 广东工业大学 | intelligent atmosphere lamp, atmosphere lamp mode adjusting method and related assembly |
| CN112954870A (en)* | 2021-03-31 | 2021-06-11 | 成都航天模塑股份有限公司 | Intelligent cabin integrated control system and control method |
| US20210362664A1 (en)* | 2018-09-04 | 2021-11-25 | Byd Company Limited | Vehicle |
| Publication number | Priority date | Publication date | Assignee | Title |
|---|---|---|---|---|
| CN203571583U (en)* | 2013-10-30 | 2014-04-30 | 东风汽车公司 | Atmosphere lamp in vehicle |
| CN104656717A (en)* | 2014-12-26 | 2015-05-27 | 芜湖市汽车产业技术研究院有限公司 | System and method for adjusting in-car light environment |
| CN106163020A (en)* | 2016-09-29 | 2016-11-23 | 中山市德马汽车零部件有限公司 | Intelligent control method and control system for automobile ambient light |
| CN108924988A (en)* | 2018-05-23 | 2018-11-30 | 威马智慧出行科技(上海)有限公司 | atmosphere lamp control method and intelligent automobile |
| US20210362664A1 (en)* | 2018-09-04 | 2021-11-25 | Byd Company Limited | Vehicle |
| CN110559536A (en)* | 2019-09-10 | 2019-12-13 | 广东工业大学 | intelligent atmosphere lamp, atmosphere lamp mode adjusting method and related assembly |
| CN112954870A (en)* | 2021-03-31 | 2021-06-11 | 成都航天模塑股份有限公司 | Intelligent cabin integrated control system and control method |
| Publication number | Priority date | Publication date | Assignee | Title |
|---|---|---|---|---|
| CN116321624A (en)* | 2023-03-23 | 2023-06-23 | 兰普电器股份有限公司 | A decorative lamp control system, method, device, storage medium and electronic equipment |
| Publication | Publication Date | Title |
|---|---|---|
| US10199837B2 (en) | Method for charging battery and electronic device | |
| CN112954870A (en) | Intelligent cabin integrated control system and control method | |
| US10170056B2 (en) | Method of controlling mirror display and electronic device for the same | |
| CN113709954B (en) | Control method and device of atmosphere lamp, electronic equipment and storage medium | |
| KR20170011407A (en) | A eletronic device and an operation method of the electronic device | |
| CN109067971B (en) | Method for automatically turning on flashlight by shaking mobile phone in dark environment | |
| CN106774868A (en) | A kind of wireless demo device | |
| CN112644375A (en) | Mood perception-based in-vehicle atmosphere lamp adjusting method, system, medium and terminal | |
| US20250036274A1 (en) | Scenario setting method and electronic device | |
| CN114423121A (en) | Vehicle intelligent perception light control method and system | |
| CN111986627A (en) | Backlight brightness adjusting method, device and equipment of vehicle-mounted double-linked screen and storage medium | |
| CN213108907U (en) | Air conditioner control switch control system with atmosphere lamp follow-up function and automobile | |
| CN210000225U (en) | automobile intelligent atmosphere lamp | |
| CN216775072U (en) | Vehicle intelligent perception ambient light control system | |
| CN113496704B (en) | Far-field voice control method, terminal and computer readable storage medium | |
| CN218825201U (en) | Intelligent processing system based on cloud control | |
| CN110929051A (en) | Integrated system and method for controlling music, vision and light through image recognition | |
| CN211720664U (en) | Projection apparatus and projection system | |
| CN115158201A (en) | Method, system and readable storage medium for controlling operation of vehicle-mounted peripheral unit | |
| CN114650642A (en) | Ambient light control method, device, system and vehicle | |
| WO2011123417A2 (en) | Video whiteboard apparatus and method | |
| CN221660720U (en) | A vehicle-mounted interactive robot | |
| CN105059225A (en) | Automobile back-row headrest device and achieving method | |
| CN204915562U (en) | Car back row headrest device | |
| CN223084810U (en) | On-board robots and vehicles |
| Date | Code | Title | Description |
|---|---|---|---|
| PB01 | Publication | ||
| PB01 | Publication | ||
| SE01 | Entry into force of request for substantive examination | ||
| SE01 | Entry into force of request for substantive examination | ||
| RJ01 | Rejection of invention patent application after publication | Application publication date:20220429 |