








技术领域technical field
本申请实施例涉及计算机通用串行总线接口领域,尤其涉及一种Type-C接口电路及电子设备。The embodiments of the present application relate to the field of computer universal serial bus interfaces, and in particular, to a Type-C interface circuit and electronic equipment.
背景技术Background technique
由于通用串行总线(universal serial bus,USB)可以连接键盘、鼠标、大容量存储设备等多种外部设备,具有传输速度快、使用方便、支持热插拔、连接灵活、独立供电等优点,因此USB接口被广泛应用于触控一体机、平板电脑、智慧黑板、计算机或终端等电子设备。Since the universal serial bus (USB) can be connected to various external devices such as keyboards, mice, and mass storage devices, it has the advantages of fast transmission speed, convenient use, support for hot swapping, flexible connection, and independent power supply. USB interfaces are widely used in electronic devices such as touch all-in-one computers, tablet computers, smart blackboards, computers or terminals.
目前,电子设备常用的接口类型包括USB接口和Type-C接口,并且电子设备可以同时包括USB接口和Type-C接口。例如,触控一体机可以包括3个USB接口和1个Type-C接口。其中,电子设备的Type-C接口可以作为下行端口连接从设备(例如:鼠标、键盘等外部设备),也可以作为上行端口连接主设备(例如:支持DP(Displayport)替代模式的计算机)。当电子设备的Type-C接口作为上行端口连接主设备时,主设备可以与电子设备中USB接口连接的外部设备通信。但是,当Type-C接口作为下行端口连接从设备时,电子设备无法同时与Type-C和USB接口连接的外部设备通信。Currently, commonly used interface types for electronic devices include a USB interface and a Type-C interface, and the electronic device may include both a USB interface and a Type-C interface. For example, the touch all-in-one computer may include 3 USB ports and 1 Type-C port. Among them, the Type-C interface of the electronic device can be used as a downlink port to connect to a slave device (for example, external devices such as a mouse, keyboard, etc.), or it can be used as an uplink port to connect to a master device (for example, a computer that supports the DP (Displayport) alternative mode). When the Type-C interface of the electronic device is connected to the host device as an uplink port, the host device can communicate with the external device connected to the USB interface in the electronic device. However, when the Type-C interface is connected to the slave device as a downstream port, the electronic device cannot communicate with the external device connected with the Type-C and USB interfaces at the same time.
发明内容SUMMARY OF THE INVENTION
本申请实施例提供一种Type-C接口电路及电子设备,解决了电子设备在Type-C接口连接从设备时,无法同时与Type-C和USB接口连接的外部设备通信的问题。Embodiments of the present application provide a Type-C interface circuit and an electronic device, which solve the problem that the electronic device cannot communicate with an external device connected to a Type-C interface and a USB interface at the same time when the Type-C interface is connected to a slave device.
为达到上述目的,本申请实施例采用如下技术方案:In order to achieve the above purpose, the embodiment of the present application adopts the following technical solutions:
本申请实施例的第一方面,提供一种通用串行总线Type-C接口电路,该Type-C接口电路包括:Type-C接口、第一切换开关、第二切换开关和第一通用串行总线USB集线模块,Type-C接口中的第一USB链路与第一切换开关的固定端耦合,第一切换开关的第一选择端与第二切换开关的第一选择端耦合,第一切换开关的第二选择端与第一USB集线模块的第一下行端口耦合,第一USB集线模块的第二下行端口用于连接外接设备。第二切换开关的固定端与第一USB集线模块的第一上行端口耦合,第二切换开关的第二选择端用于与操作系统主板中的第一USB链路耦合。A first aspect of the embodiments of the present application provides a universal serial bus Type-C interface circuit, where the Type-C interface circuit includes: a Type-C interface, a first switch, a second switch, and a first universal serial The bus USB hub module, the first USB link in the Type-C interface is coupled with the fixed end of the first switch, the first selection end of the first switch is coupled with the first selection end of the second switch, the first The second selection end of the switch is coupled to the first downstream port of the first USB hub module, and the second downstream port of the first USB hub module is used for connecting an external device. The fixed end of the second switch is coupled with the first uplink port of the first USB hub module, and the second selection end of the second switch is used for coupling with the first USB link in the operating system motherboard.
第一切换开关,用于接收第一切换控制信号,在第一切换控制信号的控制下,将第一切换开关的第一选择端与Type-C接口中的第一USB链路连通。第二切换开关,用于接收第二切换控制信号,在第二切换控制信号的控制下,将第一USB集线模块的第一上行端口与第二切换开关的第一选择端连通。The first switch is used for receiving the first switch control signal, and under the control of the first switch control signal, connects the first selection end of the first switch with the first USB link in the Type-C interface. The second switch is used for receiving the second switch control signal, and under the control of the second switch control signal, connects the first upstream port of the first USB hub module with the first selection end of the second switch.
或者,第一切换开关,用于接收第三切换控制信号,在第三切换控制信号的控制下,将第一切换开关的第二选择端与Type-C接口中的第一USB链路连通。第二切换开关,用于接收第四切换控制信号,在第四切换控制信号的控制下,将第一USB集线模块的第一上行端口与第二切换开关的第二选择端连通。Or, the first switch is configured to receive the third switch control signal, and under the control of the third switch control signal, connect the second selection end of the first switch with the first USB link in the Type-C interface. The second switch is used for receiving a fourth switch control signal, and under the control of the fourth switch control signal, connects the first upstream port of the first USB hub module with the second selection end of the second switch.
可选的,第一切换开关和第二切换开关为同类型的切换开关,第一切换开关和第二切换开关可以均为支持USB2.0的切换开关,也可以均为支持USB3.0的切换开关。本申请实施例对于第一切换开关和第二切换开关支持的USB协议版本并不限定,下述实施例以第一切换开关和第二切换开关为USB3.0切换开关为例进行示例性说明。Optionally, the first toggle switch and the second toggle switch are toggle switches of the same type, and the first toggle switch and the second toggle switch can both be toggle switches that support USB 2.0, or both can be toggle switches that support USB 3.0. switch. The embodiments of the present application do not limit the USB protocol versions supported by the first switch and the second switch. The following embodiments illustrate that the first switch and the second switch are USB 3.0 switches as an example.
可选的,第一USB链路可以为USB2.0链路,也可以为USB3.0链路。本申请实施例对于第一USB链路支持的USB协议版本并不限定,下述实施例以第一USB链路为USB3.0链路为例进行示例性说明。Optionally, the first USB link may be a USB2.0 link or a USB3.0 link. The embodiment of the present application does not limit the USB protocol version supported by the first USB link, and the following embodiments take that the first USB link is a USB 3.0 link as an example for illustrative description.
可选的,第一USB集线模块支持的USB协议版本与第一USB链路支持的USB协议版本有关,例如,当第一USB链路为USB2.0链路时,第一USB集线模块为USB2.0集线模块。当第一USB链路为USB3.0链路时,第一USB集线模块为USB3.0集线模块。本申请实施例对于第一USB集线模块的具体类型并不限定,下述实施例以第一USB集线模块为USB3.0集线模块为例进行示例性说明。Optionally, the USB protocol version supported by the first USB hub module is related to the USB protocol version supported by the first USB link. For example, when the first USB link is a USB2.0 link, the first USB hub module It is a USB2.0 hub module. When the first USB link is a USB3.0 link, the first USB hub module is a USB3.0 hub module. The embodiment of the present application does not limit the specific type of the first USB hub module, and the following embodiments take that the first USB hub module is a USB 3.0 hub module as an example for illustrative description.
可选的,第一USB集线模块可以包括一个上行端口,也可以包括多个上行端口,第一USB集线模块的第二下行端口可以为一个,也可以为多个。本申请实施例对于第一USB集线模块包括上行端口和第二下行端口的具体数量并不限定。示例性的,第一USB集线模块包括两个上行端口和三个第二下行端口。Optionally, the first USB hub module may include one upstream port or multiple upstream ports, and the second downstream port of the first USB hub module may be one or multiple. This embodiment of the present application does not limit the specific numbers of the uplink ports and the second downlink ports that the first USB hub module includes. Exemplarily, the first USB hub module includes two upstream ports and three second downstream ports.
可选的,第一切换控制信号、第二切换控制信号、第三切换控制信号和第四切换控制信号可以由电子设备中系统芯片产生。第一切换控制信号和第二切换控制信号可以是同一个切换信号,也可以是不同的切换控制信号。第三切换控制信号和第四切换控制信号可以是同一个切换控制信号,也可以是不同的切换控制信号。本申请实施例对于第一切换控制信号和第二切换是否为同一个切换控制信号并不限定,对于第三切换控制信号和第四切换是否为同一个切换控制信号并不限定。Optionally, the first switching control signal, the second switching control signal, the third switching control signal and the fourth switching control signal may be generated by a system chip in the electronic device. The first switching control signal and the second switching control signal may be the same switching signal, or may be different switching control signals. The third switching control signal and the fourth switching control signal may be the same switching control signal, or may be different switching control signals. This embodiment of the present application does not limit whether the first switching control signal and the second switching are the same switching control signal, and does not limit whether the third switching control signal and the fourth switching are the same switching control signal.
基于本方案,通过第一切换控制信号、第二切换控制信号、第三切换控制信号和第四切换控制信号触发第一切换开关和第二切换开关连通不同的链路。当电子设备的Type-C接口作为上行端口连接主设备时,主设备可以与电子设备中USB接口连接的外部设备通信,当Type-C接口作为下行端口连接从设备时,电子设备可以同时与USB接口和Type-C接口连接的外部设备通信。而且,当第一USB链路为USB3.0时,数据传输效率更高。Based on this solution, the first switch and the second switch are triggered to communicate with different links through the first switch control signal, the second switch control signal, the third switch control signal and the fourth switch control signal. When the Type-C interface of the electronic device is used as the upstream port to connect to the master device, the master device can communicate with the external device connected to the USB interface in the electronic device. When the Type-C interface is used as the downstream port to connect to the slave device, the electronic device can simultaneously communicate with the USB The interface communicates with external devices connected to the Type-C interface. Moreover, when the first USB link is USB3.0, the data transmission efficiency is higher.
结合第一方面,在一种实施方式中,该Type-C接口电路还包括:第三切换开关、第四切换开关和第二USB集线模块,Type-C接口中的第二USB链路与第三切换开关的固定端耦合,第三切换开关的第一选择端与第二USB集线模块的上行端口耦合,第二USB集线模块的第一下行端口用于与触控设备耦合,第三切换开关的第二选择端与第一USB集线模块的第三下行端口耦合,第一USB集线模块的第二上行端口与第四切换开关的固定端耦合,第四切换开关的第一选择端与第二USB集线模块的第二下行端口耦合,第四切换开关的第二选择端用于与操作系统主板中的第二USB链路耦合。With reference to the first aspect, in an embodiment, the Type-C interface circuit further includes: a third switch, a fourth switch, and a second USB hub module, and the second USB link in the Type-C interface is connected to The fixed end of the third switch is coupled, the first selection end of the third switch is coupled to the upstream port of the second USB hub module, and the first downstream port of the second USB hub module is used for coupling with the touch device, The second selection terminal of the third switch is coupled to the third downlink port of the first USB hub module, the second uplink port of the first USB hub module is coupled to the fixed terminal of the fourth switch, and the third switch of the fourth switch A selection end is coupled with the second downstream port of the second USB hub module, and the second selection end of the fourth switch is used for coupling with the second USB link in the operating system motherboard.
第三切换开关,用于接收第五切换控制信号,在第五切换控制信号的控制下,将Type-C接口中的第二USB链路与第三切换开关的第一选择端连通。第四切换开关,用于接收第六切换控制信号,在第六切换控制信号的控制下,将第一USB集线模块的第二上行端口与第四切换开关的第一选择端连通。The third switch is used for receiving the fifth switch control signal, and under the control of the fifth switch control signal, connects the second USB link in the Type-C interface with the first selection end of the third switch. The fourth switch is used for receiving the sixth switch control signal, and under the control of the sixth switch control signal, connects the second upstream port of the first USB hub module with the first selection end of the fourth switch.
或者,第三切换开关,用于接收第七切换控制信号,在第七切换控制信号的控制下,将Type-C接口中的第二USB链路与第三切换开关的第二选择端连通。第四切换开关,用于接收第八切换控制信号,在第八切换控制信号的控制下,将第一USB集线模块的第二上行端口与第四切换开关的第二选择端连通。Alternatively, the third switch is configured to receive the seventh switch control signal, and under the control of the seventh switch control signal, connect the second USB link in the Type-C interface with the second selection terminal of the third switch. The fourth switch is used for receiving the eighth switch control signal, and under the control of the eighth switch control signal, connects the second upstream port of the first USB hub module with the second selection end of the fourth switch.
可选的,第三切换开关和第四切换开关为同类型的切换开关,第三切换开关和第四切换开关支持的USB版本协议与第二USB链路支持的USB协议版本相同。本申请实施例对于第三切换开关和第四切换开关支持的USB版本协议并不限定。Optionally, the third switch and the fourth switch are switches of the same type, and the USB version protocol supported by the third switch and the fourth switch is the same as the USB protocol version supported by the second USB link. This embodiment of the present application does not limit the USB version protocols supported by the third switch and the fourth switch.
可选的,第二USB链路支持的USB协议版本低于第一USB链路支持的USB协议版本。本申请实施例对于第二USB链路支持的USB协议具体版本并不限定。Optionally, the USB protocol version supported by the second USB link is lower than the USB protocol version supported by the first USB link. This embodiment of the present application does not limit the specific version of the USB protocol supported by the second USB link.
可选的,第二USB集线模块支持的USB协议版本与第二USB链路支持的USB协议版本有关。本申请实施例对于第二USB集线模块的具体类型并不限定,示例性的,第二USB集线模块可以为USB2.0集线模块。Optionally, the USB protocol version supported by the second USB hub module is related to the USB protocol version supported by the second USB link. The embodiment of the present application does not limit the specific type of the second USB hub module. Exemplarily, the second USB hub module may be a USB 2.0 hub module.
可选的,第二USB集线模块的第二下行端口可以为一个,也可以为多个。本申请实施例对于第二下行端口的具体数量并不限定。示例性的,第二USB集线模块第二下行端口的数量可以为两个。Optionally, the second downstream port of the second USB hub module may be one or multiple. This embodiment of the present application does not limit the specific number of the second downlink ports. Exemplarily, the number of the second downstream ports of the second USB hub module may be two.
可选的,第五切换控制信号、第六切换控制信号、第七切换控制信号和第八切换控制信号可以由电子设备中系统芯片产生。第五切换控制信号和第六切换控制信号可以是同一个切换控制信号,也可以是不同的切换控制信号。第七切换控制信号和第八切换控制信号可以是同一个切换控制信号,也可以是不同的切换控制信号。本申请实施例对于第五切换控制信号和第六切换控制信号是否为同一个切换控制信号并不限定,对于第七切换控制信号和第八切换控制信号是否为同一个切换控制信号并不限定。Optionally, the fifth switching control signal, the sixth switching control signal, the seventh switching control signal and the eighth switching control signal may be generated by a system chip in the electronic device. The fifth switching control signal and the sixth switching control signal may be the same switching control signal, or may be different switching control signals. The seventh switching control signal and the eighth switching control signal may be the same switching control signal, or may be different switching control signals. The embodiment of the present application does not limit whether the fifth switching control signal and the sixth switching control signal are the same switching control signal, and does not limit whether the seventh switching control signal and the eighth switching control signal are the same switching control signal.
基于本方案,通过第五切换控制信号、第六切换控制信号、第七切换控制信号和第八切换控制信号,触发第一切换开关、第二切换开关、第三切换开关和第四切换开关连通不同的链路,将Type-C和USB接口的兼容性提高。当电子设备的Type-C接口作为上行端口连接主设备时,主设备可以通过第一USB链路与电子设备中USB接口连接的外部设备通信,还可以通过第二USB链路与电子设备中USB接口连接的外部设备通信。当Type-C接口作为下行端口连接外部设备时,电子设备可以通过第一USB链路同时与USB接口和Type-C接口连接的外部设备通信,电子设备还可以通过第二USB链路同时与USB接口和Type-C接口连接的外部设备通信。当外部设备或主设备支持的USB协议版本与第一USB链路支持的USB协议版本相同时,通过第一USB链路(例如:USB3.0链路)进行数据传输可以提高传输效率。Based on this solution, the first switch, the second switch, the third switch and the fourth switch are triggered to communicate with the fifth switch control signal, the sixth switch control signal, the seventh switch control signal and the eighth switch control signal Different links improve the compatibility of Type-C and USB interfaces. When the Type-C interface of the electronic device is connected to the master device as an uplink port, the master device can communicate with the external device connected to the USB interface in the electronic device through the first USB link, and can also communicate with the USB interface in the electronic device through the second USB link. Communication with external devices connected to the interface. When the Type-C interface is used as a downlink port to connect an external device, the electronic device can communicate with the external device connected to the USB interface and the Type-C interface through the first USB link at the same time, and the electronic device can also communicate with the USB interface through the second USB link at the same time. The interface communicates with external devices connected to the Type-C interface. When the USB protocol version supported by the external device or the host device is the same as the USB protocol version supported by the first USB link, data transmission through the first USB link (eg, a USB3.0 link) can improve transmission efficiency.
结合第一方面,在一种实施方式中,该Type-C接口电路还包括:信号控制器,信号控制器与Type-C接口耦合。信号控制器,用于在确定Type-C接口连接的设备为主设备时,产生第一切换控制信号、第二切换控制信号、第五切换控制信号、第六切换控制信号。在确定Type-C接口连接的设备为从设备时,产生第三切换控制信号、第四切换控制信号、第七切换控制信号、第八切换控制信号。With reference to the first aspect, in an embodiment, the Type-C interface circuit further includes: a signal controller, where the signal controller is coupled to the Type-C interface. The signal controller is used for generating a first switching control signal, a second switching control signal, a fifth switching control signal and a sixth switching control signal when it is determined that the device connected by the Type-C interface is the master device. When it is determined that the device connected to the Type-C interface is a slave device, a third switching control signal, a fourth switching control signal, a seventh switching control signal, and an eighth switching control signal are generated.
可选的,第一切换控制信号、第二切换控制信号、第五切换控制信号和第六切换控制信号可以为同一个切换控制信号,第三切换控制信号、第四切换控制信号、第七切换控制信号和第八切换控制信号可以为同一个切换控制信号。Optionally, the first switching control signal, the second switching control signal, the fifth switching control signal, and the sixth switching control signal may be the same switching control signal, the third switching control signal, the fourth switching control signal, and the seventh switching control signal. The control signal and the eighth switching control signal may be the same switching control signal.
基于本方案,通过检测Type-C接口连接设备的类型,产生不同的切换控制信号,以使切换开关连通不同的链路。Based on this solution, different switching control signals are generated by detecting the type of the device connected to the Type-C interface, so that the switching switch is connected to different links.
结合第一方面,在一种实施方式中,第一USB链路为USB3.0链路,第二USB链路为USB2.0链路。With reference to the first aspect, in an implementation manner, the first USB link is a USB3.0 link, and the second USB link is a USB2.0 link.
基于本方案,第一USB链路为USB3.0链路,可以提高数据传输的效率。Based on this solution, the first USB link is a USB3.0 link, which can improve the efficiency of data transmission.
结合第一方面,在一种实施方式中,第一USB集线模块为USB3.0集线模块,第二USB集线模块为USB2.0集线模块。With reference to the first aspect, in an implementation manner, the first USB hub module is a USB 3.0 hub module, and the second USB hub module is a USB 2.0 hub module.
基于本方案,第一USB集线模块为USB3.0集线模块,可以提高数据传输的效率。Based on this solution, the first USB hub module is a USB3.0 hub module, which can improve the efficiency of data transmission.
本申请实施例的第二方面,提供一种电子设备,该电子设备包括上述第一方面以及第一方面的各种实现方式所述的Type-C接口电路。In a second aspect of the embodiments of the present application, an electronic device is provided, and the electronic device includes the Type-C interface circuit described in the first aspect and various implementation manners of the first aspect.
结合第二方面,在一种实施方式中,上述电子设备包括触控一体机、平板电脑、智慧黑板、计算机或终端。With reference to the second aspect, in an implementation manner, the above electronic device includes a touch-controlled all-in-one computer, a tablet computer, a smart blackboard, a computer, or a terminal.
本申请实施例的第三方面,提供一种通用串行总线Type-C接口电路的控制方法,该Type-C接口电路包括Type-C接口、第一切换开关、第二切换开关和第一通用串行总线USB集线模块。Type-C接口中的第一USB链路与第一切换开关的固定端耦合,第一切换开关的第一选择端与第二切换开关的第一选择端耦合,第一切换开关的第二选择端与第一USB集线模块的第一下行端口耦合,第一USB集线模块的第二下行端口用于连接外接设备。第二切换开关的固定端与第一USB集线模块的第一上行端口耦合,第二切换开关的第二选择端用于与操作系统主板耦合。所述方法包括:In a third aspect of the embodiments of the present application, a method for controlling a USB Type-C interface circuit is provided, where the Type-C interface circuit includes a Type-C interface, a first switch, a second switch, and a first universal Serial bus USB hub module. The first USB link in the Type-C interface is coupled to the fixed terminal of the first switch, the first selection terminal of the first switch is coupled to the first selection terminal of the second switch, and the second selection terminal of the first switch The end is coupled to the first downlink port of the first USB hub module, and the second downlink port of the first USB hub module is used for connecting an external device. The fixed end of the second switch is coupled with the first upstream port of the first USB hub module, and the second selection end of the second switch is used for coupling with the operating system motherboard. The method includes:
接收第一切换控制信号,在第一切换控制信号的控制下,将第一切换开关的第一选择端与Type-C接口中的第一USB链路连通。接收第二切换控制信号,在第二切换控制信号的控制下,将第一USB集线模块的第一上行端口与第二切换开关的第一选择端连通,以使第一USB集线模块的第一上行端口与Type-C接口通过第一USB链路连通。The first switching control signal is received, and under the control of the first switching control signal, the first selection end of the first switching switch is connected to the first USB link in the Type-C interface. Receive the second switch control signal, and under the control of the second switch control signal, connect the first uplink port of the first USB hub module with the first selection end of the second switch switch, so that the first USB hub module The first uplink port is communicated with the Type-C interface through the first USB link.
或者,接收第三切换控制信号,在第三切换控制信号的控制下,将第一切换开关的第二选择端与Type-C接口中的第一USB链路连通。接收第四切换控制信号,在第四切换控制信号的控制下,将第一USB集线模块的上行端口与第二切换开关的第二选择端连通,以使第一USB集线模块的第一上行端口和Type-C接口与操作系统主板中的第一USB链路连通。Alternatively, the third switching control signal is received, and under the control of the third switching control signal, the second selection terminal of the first switching switch is connected to the first USB link in the Type-C interface. Receive the fourth switching control signal, and under the control of the fourth switching control signal, connect the upstream port of the first USB hub module with the second selection end of the second switch, so that the first USB hub module The uplink port and the Type-C interface are in communication with the first USB link in the operating system motherboard.
结合第三方面,在一种实施方式中该Type-C接口电路还包括第三切换开关、第四切换开关和第二USB集线模块。Type-C接口中的第二USB链路与第三切换开关的固定端耦合,第三切换开关的第一选择端与第二USB集线模块的上行端口耦合,第二USB集线模块的第一下行端口用于与触控设备耦合,第三切换开关的第二选择端与第一USB集线模块的第三下行端口耦合,第一USB集线模块的第二上行端口与第四切换开关的固定端耦合,第四切换开关的第一选择端与第二USB集线模块的第二下行端口耦合,第四切换开关的第二选择端用于与操作系统主板中的第二USB链路耦合。所述方法还包括:With reference to the third aspect, in an embodiment, the Type-C interface circuit further includes a third switch, a fourth switch, and a second USB hub module. The second USB link in the Type-C interface is coupled to the fixed end of the third switch, the first selection end of the third switch is coupled to the uplink port of the second USB hub module, and the third switch of the second USB hub module The downlink port is used for coupling with the touch device, the second selection end of the third switch is coupled with the third downlink port of the first USB hub module, and the second uplink port of the first USB hub module is connected to the fourth switch The fixed end of the switch is coupled, the first selection end of the fourth switch is coupled with the second downstream port of the second USB hub module, and the second selection end of the fourth switch is used for connecting with the second USB link in the operating system motherboard road coupling. The method also includes:
接收第五切换控制信号,在第五切换控制信号的控制下,将Type-C接口中的第二USB链路与第三切换开关的第一选择端连通。接收第六切换控制信号,在第六切换控制信号的控制下,将第一USB集线模块的第二上行端口与第四切换开关的第一选择端连通,以使第一USB集线模块的第二上行端口与Type-C接口通过第二USB链路连通。The fifth switching control signal is received, and under the control of the fifth switching control signal, the second USB link in the Type-C interface is connected to the first selection end of the third switching switch. Receive the sixth switching control signal, and under the control of the sixth switching control signal, connect the second upstream port of the first USB hub module with the first selection end of the fourth switch, so that the first USB hub module The second uplink port is communicated with the Type-C interface through a second USB link.
或者,接收第七切换控制信号,在第七切换控制信号的控制下,将Type-C接口中的第二USB链路与第三切换开关的第二选择端连通。接收第八切换控制信号,在第八切换控制信号的控制下,将第一USB集线模块的第二上行端口与所述第四切换开关的第二选择端连通,以使第一USB集线模块的第二上行端口和Type-C接口与操作系统主板中的第二USB链路连通。Alternatively, the seventh switching control signal is received, and under the control of the seventh switching control signal, the second USB link in the Type-C interface is connected to the second selection terminal of the third switching switch. Receive the eighth switch control signal, and under the control of the eighth switch control signal, connect the second upstream port of the first USB hub module with the second selection end of the fourth switch, so as to make the first USB hub The second uplink port and the Type-C interface of the module communicate with the second USB link in the operating system motherboard.
本申请中第二方面和第三方面的描述,可以参考第一方面的详细描述;并且,第二方面和第三方面的有益效果,可以参考第一方面的有益效果分析,此处不再赘述。For the description of the second aspect and the third aspect in this application, reference may be made to the detailed description of the first aspect; and, for the beneficial effects of the second aspect and the third aspect, reference may be made to the analysis of the beneficial effects of the first aspect, which will not be repeated here. .
附图说明Description of drawings
图1为本申请实施例提供的一种Type-C接口电路的结构示意图;1 is a schematic structural diagram of a Type-C interface circuit provided by an embodiment of the present application;
图2为本申请实施例提供的一种切换开关的结构示意图;FIG. 2 is a schematic structural diagram of a switch according to an embodiment of the present application;
图3为本申请实施例提供的一种USB集线模块的结构示意图;3 is a schematic structural diagram of a USB hub module according to an embodiment of the present application;
图4为本申请实施例提供的另一种Type-C接口电路的结构示意图;4 is a schematic structural diagram of another Type-C interface circuit provided by an embodiment of the present application;
图5为本申请实施例提供的又一种Type-C接口电路的结构示意图;5 is a schematic structural diagram of another Type-C interface circuit provided by an embodiment of the present application;
图6为本申请实施例提供的再一种Type-C接口电路的结构示意图;6 is a schematic structural diagram of still another Type-C interface circuit provided by an embodiment of the present application;
图7为本申请实施例提供的再一种Type-C接口电路的结构示意图;7 is a schematic structural diagram of still another Type-C interface circuit provided by an embodiment of the present application;
图8为本申请实施例提供的再一种Type-C接口电路的结构示意图;FIG. 8 is a schematic structural diagram of still another Type-C interface circuit provided by an embodiment of the present application;
图9为本申请实施例提供的再一种Type-C接口电路的结构示意图。FIG. 9 is a schematic structural diagram of still another Type-C interface circuit provided by an embodiment of the present application.
具体实施方式Detailed ways
下面将结合本申请实施例中的附图,对本申请实施例中的技术方案进行描述。在本申请中,“至少一个”是指一个或者多个,“多个”是指两个或两个以上。“和/或”,描述关联对象的关联关系,表示可以存在三种关系,例如,A和/或B,可以表示:单独存在A,同时存在A和B,单独存在B的情况,其中A,B可以是单数或者复数。字符“/”一般表示前后关联对象是一种“或”的关系。“以下至少一项(个)”或其类似表达,是指的这些项中的任意组合,包括单项(个)或复数项(个)的任意组合。例如,a,b或c中的至少一项(个),可以表示:a,b,c,a和b,a和c,b和c,或,a和b和c,其中a、b和c可以是单个,也可以是多个。另外,为了便于清楚描述本申请实施例的技术方案,在本申请的实施例中,采用了“第一”、“第二”等字样对功能和作用基本相同的相同项或相似项进行区分,本领域技术人员可以理解“第一”、“第二”等字样并不对数量和执行次序进行限定。比如,本申请实施例中的第一切换开关的“第一”和第二切换开关中的“第二”仅用于区分不同的切换开关。本申请实施例中出现的第一、第二等描述,仅作示意与区分描述对象之用,没有次序之分,也不表示本申请实施例中对设备个数的特别限定,不能构成对本申请实施例的任何限制。The technical solutions in the embodiments of the present application will be described below with reference to the accompanying drawings in the embodiments of the present application. In this application, "at least one" means one or more, and "plurality" means two or more. "And/or", which describes the association relationship of the associated objects, indicates that there can be three kinds of relationships, for example, A and/or B, which can indicate: the existence of A alone, the existence of A and B at the same time, and the existence of B alone, where A, B can be singular or plural. The character "/" generally indicates that the associated objects are an "or" relationship. "At least one item(s) below" or similar expressions thereof refer to any combination of these items, including any combination of single item(s) or plural items(s). For example, at least one (a) of a, b or c may represent: a, b, c, a and b, a and c, b and c, or a and b and c, where a, b and c can be single or multiple. In addition, in order to facilitate the clear description of the technical solutions of the embodiments of the present application, in the embodiments of the present application, words such as "first" and "second" are used to distinguish the same or similar items that have basically the same function and effect, Those skilled in the art can understand that words such as "first" and "second" do not limit the quantity and execution order. For example, the "first" of the first switch in the embodiment of the present application and the "second" of the second switch are only used to distinguish different switches. The descriptions of the first, second, etc. appearing in the embodiments of the present application are only used for illustration and distinguishing the description objects, and have no order. any limitations of the examples.
需要说明的是,本申请中,“示例性的”或者“例如”等词用于表示作例子、例证或说明。本申请中被描述为“示例性的”或者“例如”的任何实施例或设计方案不应被解释为比其他实施例或设计方案更优选或更具优势。确切而言,使用“示例性的”或者“例如”等词旨在以具体方式呈现相关概念。It should be noted that, in this application, words such as "exemplary" or "for example" are used to represent examples, illustrations or illustrations. Any embodiment or design described in this application as "exemplary" or "such as" should not be construed as preferred or advantageous over other embodiments or designs. Rather, the use of words such as "exemplary" or "such as" is intended to present the related concepts in a specific manner.
首先,对本申请实施例中的名词进行介绍。First, the terms in the embodiments of the present application are introduced.
Type-C一般指USB Type-C,USB Type-C是一种USB接口外形标准,拥有比Type-A和Type-B均小的体积,可以作为上行端口连接主设备(例如:笔记本电脑),也可以作为下行端口连接从设备(例如:硬盘,鼠标)。Type-C generally refers to USB Type-C. USB Type-C is a USB interface shape standard. It has a smaller volume than both Type-A and Type-B. It can be used as an uplink port to connect to a host device (such as a laptop), It can also be used as a downstream port to connect slave devices (eg: hard disk, mouse).
触控一体机是将触摸屏、液晶屏、工业pc单元(俗称的主机)以及一体机外壳进行组合,通过电源线实现触控操作的设备。触控一体机具有触控功能、显示功能、音响功能、网络功能等多种功能,在不同场合配合不同的应用软件资源,可以应用于教育领域、会议系统、监控指挥中心、广告发布等不同场景。The touch all-in-one machine is a device that combines a touch screen, a liquid crystal screen, an industrial PC unit (commonly known as a host) and an all-in-one machine shell to achieve touch operation through a power cord. The touch all-in-one machine has various functions such as touch function, display function, audio function, network function, etc. It can be used in different scenarios such as education field, conference system, monitoring command center, advertisement release, etc. with different application software resources in different occasions. .
为了解决电子设备在Type-C接口连接从设备时,无法同时与USB接口连接的外部设备通信的问题,本申请实施例提供一种通用串行总线Type-C接口电路,在Type-C接口连接从设备时,电子设备可以同时与Type-C和USB接口连接的外部设备通信。In order to solve the problem that the electronic device cannot communicate with the external device connected to the USB interface at the same time when the Type-C interface is connected to the slave device, the embodiment of the present application provides a universal serial bus Type-C interface circuit, which is connected to the Type-C interface. When a slave device, the electronic device can communicate with external devices connected by Type-C and USB interfaces at the same time.
下面将结合附图对本申请实施例的实施方式进行详细描述。The implementation of the embodiments of the present application will be described in detail below with reference to the accompanying drawings.
本申请实施例提供一种Type-C接口电路,该Type-C接口电路可以应用于触控一体机、平板电脑、计算机或终端等电子设备。本申请实施例对于Type-C接口电路应用的具体设备并不限定,下述实施例以Type-C接口电路应用于触控一体机为例对本申请实施例提供的Type-C接口电路进行介绍。An embodiment of the present application provides a Type-C interface circuit, and the Type-C interface circuit can be applied to electronic devices such as a touch-controlled all-in-one computer, a tablet computer, a computer, or a terminal. The embodiments of the present application do not limit the specific devices to which the Type-C interface circuit is applied. The following embodiments take the application of the Type-C interface circuit to a touch all-in-one machine as an example to introduce the Type-C interface circuit provided by the embodiments of the present application.
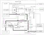
如图1所示,该Type-C接口电路包括Type-C接口、第一切换开关、第二切换开关和第一通用串行总线USB集线模块。Type-C接口中的第一USB链路与第一切换开关的固定端耦合,第一切换开关的第一选择端与第二切换开关的第一选择端耦合,第一切换开关的第二选择端与第一USB集线模块的第一下行端口耦合,第一USB集线模块的第二下行端口用于连接外接设备。第二切换开关的固定端与第一USB集线模块的第一上行端口耦合,第二切换开关的第二选择端用于与操作系统主板中的第一USB链路耦合。As shown in FIG. 1 , the Type-C interface circuit includes a Type-C interface, a first switch, a second switch and a first universal serial bus (USB) hub module. The first USB link in the Type-C interface is coupled to the fixed terminal of the first switch, the first selection terminal of the first switch is coupled to the first selection terminal of the second switch, and the second selection terminal of the first switch The end is coupled to the first downlink port of the first USB hub module, and the second downlink port of the first USB hub module is used for connecting an external device. The fixed end of the second switch is coupled with the first uplink port of the first USB hub module, and the second selection end of the second switch is used for coupling with the first USB link in the operating system motherboard.
第一切换开关,用于接收第一切换控制信号,在第一切换控制信号的控制下,将第一切换开关的第一选择端与Type-C接口中的第一USB链路连通。第二切换开关,用于接收第二切换控制信号,在第二切换控制信号的控制下,将第一USB集线模块的第一上行端口与第二切换开关的第一选择端连通。The first switch is used for receiving the first switch control signal, and under the control of the first switch control signal, connects the first selection end of the first switch with the first USB link in the Type-C interface. The second switch is used for receiving the second switch control signal, and under the control of the second switch control signal, connects the first upstream port of the first USB hub module with the first selection end of the second switch.
或者,第一切换开关,用于接收第三切换控制信号,在第三切换控制信号的控制下,将第一切换开关的第二选择端与Type-C接口中的第一USB链路连通。Or, the first switch is configured to receive the third switch control signal, and under the control of the third switch control signal, connect the second selection end of the first switch with the first USB link in the Type-C interface.
第二切换开关,用于接收第四切换控制信号,在第四切换控制信号的控制下,将第一USB集线模块的第一上行端口与第二切换开关的第二选择端连通。The second switch is used for receiving a fourth switch control signal, and under the control of the fourth switch control signal, connects the first upstream port of the first USB hub module with the second selection end of the second switch.
可选的,第一切换开关和第二切换开关为同类型的切换开关,第一切换开关和第二切换开关均为支持USB2.0的切换开关,也可以均为支持USB3.0的切换开关。本申请实施例对于第一切换开关和第二切换开关支持的USB协议版本并不限定,下述实施例以第一切换开关和第二切换开关为USB3.0切换开关为例进行示例性说明。Optionally, the first toggle switch and the second toggle switch are toggle switches of the same type, and both the first toggle switch and the second toggle switch are toggle switches that support USB 2.0, and may also be toggle switches that support USB 3.0 . The embodiments of the present application do not limit the USB protocol versions supported by the first switch and the second switch. The following embodiments illustrate that the first switch and the second switch are USB 3.0 switches as an example.
可选的,第一切换开关和第二切换开关可以为如图2所示的切换开关,该切换开关包括第一选择端和第二选择端。其中,A0_P、A0_N、A1_P和A1_N端口为USB差分信号端,B0_P、B0_N、B1_P、B1_N和C0_P、C0_N、C1_P、C1_N端口分别为第一选择端和第二选择端。SEL端用于接收第一切换控制信号和第三切换控制信号。本申请实施例对于第一切换开关的具体类型,第一切换开关包括的选择端的具体数量并不限定,例如,第一开关也可以为三选一开关,或者其他数量的多选一开关。Optionally, the first switch and the second switch may be switches as shown in FIG. 2 , and the switch includes a first selection terminal and a second selection terminal. Among them, A0_P, A0_N, A1_P and A1_N ports are USB differential signal terminals, B0_P, B0_N, B1_P, B1_N and C0_P, C0_N, C1_P, C1_N ports are the first selection terminal and the second selection terminal respectively. The SEL terminal is used for receiving the first switching control signal and the third switching control signal. Regarding the specific type of the first switch in this embodiment of the present application, the specific number of selection terminals included in the first switch is not limited.
可选的,第一USB链路可以为USB2.0链路,也可以为USB3.0链路。本申请实施例对于第一USB链路支持的USB协议版本并不限定,下述实施例以第一USB链路为USB3.0链路为例进行示例性说明。Optionally, the first USB link may be a USB2.0 link or a USB3.0 link. The embodiment of the present application does not limit the USB protocol version supported by the first USB link, and the following embodiments take that the first USB link is a USB 3.0 link as an example for illustrative description.
可选的,第一USB集线模块支持的USB协议版本与第一USB链路支持的USB协议版本有关,例如,当第一USB链路为USB2.0链路时,第一USB集线模块为USB2.0集线模块。当第一USB链路为USB3.0链路时,第一USB集线模块为USB3.0集线模块。本申请实施例对于第一USB集线模块的具体类型并不限定,下述实施例以第一USB集线模块为USB3.0集线模块为例进行示例性说明。Optionally, the USB protocol version supported by the first USB hub module is related to the USB protocol version supported by the first USB link. For example, when the first USB link is a USB2.0 link, the first USB hub module It is a USB2.0 hub module. When the first USB link is a USB3.0 link, the first USB hub module is a USB3.0 hub module. The embodiment of the present application does not limit the specific type of the first USB hub module, and the following embodiments take that the first USB hub module is a USB 3.0 hub module as an example for illustrative description.
可选的,第一USB集线模块可以包括一个上行端口,也可以包括多个上行端口,第一USB集线模块的第二下行端口可以为一个,也可以为多个。本申请实施例对于第一USB集线模块包括上行端口和第二下行端口的具体数量并不限定。示例性的,第一USB集线模块包括两个上行端口和三个第二下行端口。Optionally, the first USB hub module may include one upstream port or multiple upstream ports, and the second downstream port of the first USB hub module may be one or multiple. This embodiment of the present application does not limit the specific numbers of the uplink ports and the second downlink ports that the first USB hub module includes. Exemplarily, the first USB hub module includes two upstream ports and three second downstream ports.
示例性的,第一USB集线模块可以为如图3所示的USB集线模块,如图3所示,第一USB集线模块中的第一上行端口与第二切换开关耦合,第一USB集线模块中的第一下行端口与第一切换开关的第二选择端耦合,第一USB集线模块还包括两个第二下行端口,该两个第二下行端口可以连接外部设备。Exemplarily, the first USB hub module may be the USB hub module shown in FIG. 3 . As shown in FIG. 3 , the first upstream port in the first USB hub module is coupled to the second switch, and the first The first downstream port in the USB hub module is coupled to the second selection end of the first switch, and the first USB hub module further includes two second downstream ports, which can be connected to external devices.
可选的,第一切换控制信号、第二切换控制信号、第三切换控制信号和第四切换控制信号可以由触控一体机中系统芯片产生。第一切换控制信号和第二切换控制信号可以是同一个切换信号,也可以是不同的切换控制信号。第三切换控制信号和第四切换控制信号可以是同一个切换控制信号,也可以是不同的切换控制信号。本申请实施例对于第一切换控制信号和第二切换是否为同一个切换控制信号并不限定,对于第三切换控制信号和第四切换是否为同一个切换控制信号并不限定。Optionally, the first switching control signal, the second switching control signal, the third switching control signal and the fourth switching control signal may be generated by a system chip in the touch integrated machine. The first switching control signal and the second switching control signal may be the same switching signal, or may be different switching control signals. The third switching control signal and the fourth switching control signal may be the same switching control signal, or may be different switching control signals. This embodiment of the present application does not limit whether the first switching control signal and the second switching are the same switching control signal, and does not limit whether the third switching control signal and the fourth switching are the same switching control signal.
Type-C接口可以作为下行端口连接从设备(外部设备),也可以作为上行端口连接主设备。当Type-C接口连接的设备不同时,第一切换开关和第二切换开关接收不同的切换控制信号。本申请实施例对于Type-C接口连接设备的具体类型并不限定。The Type-C interface can be used as a downstream port to connect slave devices (external devices), and it can also be used as an upstream port to connect to a master device. When the devices connected to the Type-C interface are different, the first switch and the second switch receive different switch control signals. This embodiment of the present application does not limit the specific type of the device connected to the Type-C interface.
示例性的,当Type-C接口连接的设备为主设备(例如:支持DP替代模式的计算机)时,第一切换开关接收第一切换控制信号,第二切换开关接收第二切换控制信号。当Type-C接口连接的设备为外部设备(例如:U(universal serial bus,USB)盘)时,第一切换开关接收第三切换控制信号,第二切换开关接收第四切换控制信号。Exemplarily, when the device connected to the Type-C interface is the master device (eg, a computer supporting the DP alternative mode), the first switch receives the first switch control signal, and the second switch receives the second switch control signal. When the device connected to the Type-C interface is an external device (for example, a U (universal serial bus, USB) disk), the first switch receives the third switch control signal, and the second switch receives the fourth switch control signal.
例如,如图4所示,以实线表示USB链路连通可以进行数据交互,虚线表示USB链路未连通不可以进行数据交互为例。当Type-C接口作为上行接口接入主设备时,第一切换开关接收第一切换控制信号,在第一切换控制信号的控制下,将第一切换开关的第一选择端与Type-C接口中的第一USB链路连通。第二切换开关接收第二切换控制信号,在第二切换控制信号的控制下,将第一USB集线模块的上行端口与第二切换开关的第一选择端连通。以使第一USB集线模块第二下行端口连接的外部设备,与Type-C接口连接的主设备通过第一USB链路通信。For example, as shown in FIG. 4 , the solid line indicates that the USB link is connected and data interaction is possible, and the dotted line indicates that the USB link is not connected and cannot perform data exchange as an example. When the Type-C interface is connected to the master device as an uplink interface, the first switch receives the first switch control signal, and under the control of the first switch control signal, connects the first selection end of the first switch to the Type-C interface The first USB link in is connected. The second switch receives the second switch control signal, and under the control of the second switch control signal, connects the upstream port of the first USB hub module with the first selection end of the second switch. So that the external device connected to the second downlink port of the first USB hub module communicates with the host device connected to the Type-C interface through the first USB link.
再例如,如图5所示,实线表示USB链路连通,虚线表示USB链路未连通。当Type-C接口作为下行接口连接外部设备时,第一切换开关接收第三切换控制信号,在第三切换控制信号的控制下,将第一切换开关的第二选择端与Type-C接口中的第一USB链路连通。第二切换开关接收第四切换控制信号,在第四切换控制信号的控制下,将第一USB集线模块的上行端口与第二切换开关的第二选择端连通。以使第一USB集线模块第二下行端口连接的外部设备和Type-C接口连接的外部设备与操作系统主板通过第一USB链路通信。For another example, as shown in FIG. 5 , the solid line indicates that the USB link is connected, and the dotted line indicates that the USB link is not connected. When the Type-C interface is used as a downlink interface to connect an external device, the first switch receives the third switch control signal, and under the control of the third switch control signal, connects the second selection end of the first switch with the Type-C interface. The first USB link is connected. The second switch receives the fourth switch control signal, and under the control of the fourth switch control signal, connects the upstream port of the first USB hub module with the second selection terminal of the second switch. The external device connected to the second downlink port of the first USB hub module and the external device connected to the Type-C interface communicate with the operating system motherboard through the first USB link.
本申请实施例提供的Type-C接口电路,通过第一切换控制信号、第二切换控制信号、第三切换控制信号和第四切换控制信号触发第一切换开关和第二切换开关连通不同的链路。当触控一体机的Type-C接口作为上行端口连接主设备时,主设备可以与触控一体机中USB接口连接的外部设备通信,当Type-C接口作为下行端口连接从设备时,触控一体机可以同时与USB接口和Type-C接口连接的外部设备通信。当第一USB链路为USB3.0时,数据传输效率更高。The Type-C interface circuit provided by the embodiment of the present application triggers the first switch and the second switch to connect to different chains through the first switch control signal, the second switch control signal, the third switch control signal and the fourth switch control signal road. When the Type-C interface of the touch all-in-one is connected to the master device as the uplink port, the master device can communicate with the external device connected to the USB interface in the touch all-in-one. When the Type-C interface is used as the downlink port to connect the slave device, the touch The all-in-one can communicate with external devices connected to the USB interface and the Type-C interface at the same time. When the first USB link is USB3.0, the data transmission efficiency is higher.
如图6所示,本申请实施例还提供一种Type-C接口电路,该Type-C接口电路还包括第三切换开关、第四切换开关和第二USB集线模块。Type-C接口中的第二USB链路与第三切换开关的固定端耦合,第三切换开关的第一选择端与第二USB集线模块的上行端口耦合,第二USB集线模块的第一下行端口用于与触控设备耦合,第三切换开关的第二选择端与第一USB集线模块的第三下行端口耦合,第一USB集线模块的第二上行端口与第四切换开关的固定端耦合,第四切换开关的第一选择端与第二USB集线模块的第二下行端口耦合,第四切换开关的第二选择端用于与操作系统主板中的第二USB链路耦合。As shown in FIG. 6 , an embodiment of the present application further provides a Type-C interface circuit, where the Type-C interface circuit further includes a third switch, a fourth switch, and a second USB hub module. The second USB link in the Type-C interface is coupled to the fixed end of the third switch, the first selection end of the third switch is coupled to the uplink port of the second USB hub module, and the third switch of the second USB hub module The downlink port is used for coupling with the touch device, the second selection end of the third switch is coupled with the third downlink port of the first USB hub module, and the second uplink port of the first USB hub module is connected to the fourth switch The fixed end of the switch is coupled, the first selection end of the fourth switch is coupled with the second downstream port of the second USB hub module, and the second selection end of the fourth switch is used for connecting with the second USB link in the operating system motherboard road coupling.
第三切换开关,用于接收第五切换控制信号,在第五切换控制信号的控制下,将Type-C接口中的第二USB链路与第三切换开关的第一选择端连通。第四切换开关,用于接收第六切换控制信号,在第六切换控制信号的控制下,将第一USB集线模块的上行端口与第四切换开关的第一选择端连通。The third switch is used for receiving the fifth switch control signal, and under the control of the fifth switch control signal, connects the second USB link in the Type-C interface with the first selection end of the third switch. The fourth switch is used for receiving the sixth switch control signal, and under the control of the sixth switch control signal, connects the upstream port of the first USB hub module with the first selection end of the fourth switch.
或者,第三切换开关,用于接收第七切换控制信号,在第七切换控制信号的控制下,将Type-C接口中的第二USB链路与第三切换开关的第二选择端连通。第四切换开关,用于接收第八切换控制信号,在第八切换控制信号的控制下,将第一USB集线模块的上行端口与第四切换开关的第二选择端连通。Alternatively, the third switch is configured to receive the seventh switch control signal, and under the control of the seventh switch control signal, connect the second USB link in the Type-C interface with the second selection terminal of the third switch. The fourth switch is used for receiving the eighth switch control signal, and under the control of the eighth switch control signal, connects the upstream port of the first USB hub module with the second selection end of the fourth switch.
可选的,第三切换开关和第四切换开关为同类型的切换开关,第三切换开关和第四切换开关支持的USB版本协议与第二USB链路支持的USB协议版本相同。本申请实施例对于第三切换开关和第四切换开关支持的USB版本协议并不限定。Optionally, the third switch and the fourth switch are switches of the same type, and the USB version protocol supported by the third switch and the fourth switch is the same as the USB protocol version supported by the second USB link. This embodiment of the present application does not limit the USB version protocols supported by the third switch and the fourth switch.
可选的,第二USB链路支持的USB协议版本低于第一USB链路支持的USB协议版本。本申请实施例对于第二USB链路支持的USB协议具体版本并不限定。Optionally, the USB protocol version supported by the second USB link is lower than the USB protocol version supported by the first USB link. This embodiment of the present application does not limit the specific version of the USB protocol supported by the second USB link.
示例性的,当第一USB链路为USB3.0链路时,第二USB链路可以为USB2.0链路,第三切换开关和第四切换开关均为USB2.0切换开关。Exemplarily, when the first USB link is a USB 3.0 link, the second USB link may be a USB 2.0 link, and the third switch and the fourth switch are both USB 2.0 switches.
可选的,第二USB集线模块支持的USB协议版本与第二USB链路支持的USB协议版本有关。本申请实施例对于第二USB集线模块的具体类型并不限定,示例性的,第二USB集线模块可以为USB2.0集线模块。Optionally, the USB protocol version supported by the second USB hub module is related to the USB protocol version supported by the second USB link. The embodiment of the present application does not limit the specific type of the second USB hub module. Exemplarily, the second USB hub module may be a USB 2.0 hub module.
可选的,第二USB集线模块的第二下行端口可以为一个,也可以为多个。本申请实施例对于第二下行端口的具体数量并不限定。示例性的,第二USB集线模块第二下行端口的数量可以为两个。Optionally, the second downstream port of the second USB hub module may be one or multiple. This embodiment of the present application does not limit the specific number of the second downlink ports. Exemplarily, the number of the second downstream ports of the second USB hub module may be two.
可选的,第五切换控制信号、第六切换控制信号、第七切换控制信号和第八切换控制信号可以由触控一体机中系统芯片产生。第五切换控制信号和第六切换控制信号可以是同一个切换控制信号,也可以是不同的切换控制信号。第七切换控制信号和第八切换控制信号可以是同一个切换控制信号,也可以是不同的切换控制信号。本申请实施例对于第五切换控制信号和第六切换控制信号是否为同一个切换控制信号并不限定,对于第七切换控制信号和第八切换控制信号是否为同一个切换控制信号并不限定。Optionally, the fifth switching control signal, the sixth switching control signal, the seventh switching control signal and the eighth switching control signal may be generated by a system chip in the touch all-in-one computer. The fifth switching control signal and the sixth switching control signal may be the same switching control signal, or may be different switching control signals. The seventh switching control signal and the eighth switching control signal may be the same switching control signal, or may be different switching control signals. The embodiment of the present application does not limit whether the fifth switching control signal and the sixth switching control signal are the same switching control signal, and does not limit whether the seventh switching control signal and the eighth switching control signal are the same switching control signal.
Type-C接口可以作为下行端口连接外部设备,也可以作为上行端口连接主设备。当Type-C接口连接的设备不同时,第三切换开关和第四切换开关接收不同的切换控制信号。本申请实施例对于Type-C接口连接设备的具体类型并不限定。The Type-C interface can be used as a downstream port to connect to external devices, and it can also be used as an upstream port to connect to the main device. When the devices connected to the Type-C interface are different, the third switch and the fourth switch receive different switch control signals. This embodiment of the present application does not limit the specific type of the device connected to the Type-C interface.
例如,如图7所示,以实线表示USB链路连通可以进行数据交互,虚线表示USB链路未连通不可以进行数据交互为例。当Type-C接口接入主设备时,第三切换开关接收第五切换控制信号,在第五切换控制信号的控制下,将Type-C接口中的第二USB链路与第三切换开关的第一选择端连通。第四切换开关接收第六切换控制信号,在第六切换控制信号的控制下,将第一USB集线模块的上行端口与第四切换开关的第一选择端连通。以使第一USB集线模块第二下行端口连接的外部设备,与Type-C接口连接的主设备通过第二USB链路通信。For example, as shown in FIG. 7 , the solid line indicates that the USB link is connected and data interaction is possible, and the dotted line indicates that the USB link is not connected and cannot perform data exchange as an example. When the Type-C interface is connected to the master device, the third switch receives the fifth switch control signal, and under the control of the fifth switch control signal, the second USB link in the Type-C interface is connected to the third switch. The first selection end is connected. The fourth switch receives the sixth switch control signal, and under the control of the sixth switch control signal, connects the upstream port of the first USB hub module with the first selection end of the fourth switch. So that the external device connected to the second downlink port of the first USB hub module communicates with the host device connected to the Type-C interface through the second USB link.
再例如,如图8所示,以实线表示USB链路连通可以进行数据交互,虚线表示USB链路未连通不可以进行数据交互为例。当Type-C接口接入外部设备时,第三切换开关接收第七切换控制信号,在第七切换控制信号的控制下,将Type-C接口中的第二USB链路与第三切换开关的第二选择端连通。第四切换开关接收第八切换控制信号,在第八切换控制信号的控制下,将第一USB集线模块的上行端口与第四切换开关的第二选择端连通。For another example, as shown in FIG. 8 , a solid line indicates that the USB link is connected and data interaction can be performed, and the dotted line indicates that the USB link is not connected and cannot perform data exchange as an example. When the Type-C interface is connected to an external device, the third switch receives the seventh switch control signal, and under the control of the seventh switch control signal, the second USB link in the Type-C interface is connected to the third switch. The second selection terminal is connected. The fourth switch receives the eighth switch control signal, and under the control of the eighth switch control signal, connects the upstream port of the first USB hub module with the second selection end of the fourth switch.
本申请实施例提供的Type-C接口电路,通过第五切换控制信号、第六切换控制信号、第七切换控制信号和第八切换控制信号,触发第一切换开关、第二切换开关、第三切换开关和第四切换开关连通不同的链路,将Type-C和USB接口的兼容性提高。当触控一体机的Type-C接口作为上行端口连接主设备时,主设备可以通过第一USB链路与触控一体机中USB接口连接的外部设备通信,数据传输速率更高,同时,主设备可以通过第二USB链路与触控一体机中USB接口连接的外部设备通信。当触控一体机的Type-C接口作为下行端口连接外部设备时,触控一体机可以通过第一USB链路同时与USB接口和Type-C接口连接的外部设备通信,数据传输速率更高,同时,触控一体机可以通过第二USB链路同时与USB接口和Type-C接口连接的外部设备通信。当外部设备或主设备支持的USB协议版本与第一USB链路支持的USB协议版本相同时,通过第一USB链路(USB3.0链路)进行数据传输可以提高传输效率。The Type-C interface circuit provided by the embodiment of the present application triggers the first switch, the second switch, the third switch and the third switch through the fifth switch control signal, the sixth switch control signal, the seventh switch control signal and the eighth switch control signal. The switch and the fourth switch are connected to different links, improving the compatibility of Type-C and USB interfaces. When the Type-C interface of the touch all-in-one is used as the uplink port to connect to the main device, the main device can communicate with the external device connected to the USB interface in the touch all-in-one through the first USB link, and the data transmission rate is higher. The device can communicate with the external device connected to the USB interface in the touch all-in-one computer through the second USB link. When the Type-C interface of the touch all-in-one is used as a downlink port to connect external devices, the touch all-in-one can communicate with the external devices connected to the USB interface and the Type-C interface through the first USB link at the same time, and the data transmission rate is higher. At the same time, the touch all-in-one can communicate with external devices connected to the USB interface and the Type-C interface at the same time through the second USB link. When the USB protocol version supported by the external device or the host device is the same as the USB protocol version supported by the first USB link, data transmission through the first USB link (USB3.0 link) can improve transmission efficiency.
如图9所示,本申请实施例还提供一种Type-C接口电路,该Type-C接口电路还包括信号控制器,信号控制器与Type-C接口耦合。信号控制器,用于在确定Type-C接口连接的设备为主设备时,产生第一切换控制信号、第二切换控制信号、第五切换控制信号和第六切换控制信号。在确定Type-C接口连接的设备为从设备时,产生第三切换控制信号、第四切换控制信号、第七切换控制信号和第八切换控制信号。As shown in FIG. 9 , an embodiment of the present application further provides a Type-C interface circuit, where the Type-C interface circuit further includes a signal controller, and the signal controller is coupled to the Type-C interface. The signal controller is configured to generate a first switching control signal, a second switching control signal, a fifth switching control signal and a sixth switching control signal when it is determined that the device connected by the Type-C interface is the master device. When it is determined that the device connected to the Type-C interface is a slave device, a third switching control signal, a fourth switching control signal, a seventh switching control signal and an eighth switching control signal are generated.
信号控制器用于对接入Type-C接口的设备进行检测,根据接入Type-C接口设备的类型,产生不同的切换控制信号。The signal controller is used to detect the device connected to the Type-C interface, and generate different switching control signals according to the type of the device connected to the Type-C interface.
可选的,第一切换控制信号、第二切换控制信号、第五切换控制信号和第六切换控制信号可以为同一个切换控制信号,第三切换控制信号、第四切换控制信号、第七切换控制信号和第八切换控制信号可以为同一个切换控制信号。Optionally, the first switching control signal, the second switching control signal, the fifth switching control signal, and the sixth switching control signal may be the same switching control signal, the third switching control signal, the fourth switching control signal, and the seventh switching control signal. The control signal and the eighth switching control signal may be the same switching control signal.
如图9所示,该Type-C接口电路还可以包括升压/降压(Buck/Boost)电路和信号转换器。升压/降压电路的第一端与Type-C接口连接,升压/降压电路的第二端与信号控制器连接,升压/降压电路的第三端与供电电源连接。信号控制器的一端与信号控制器连接,另一端与操作系统主板连接。信号控制器可以包括功率输出(power delivery,PD)控制器和Buck/Boost控制器。As shown in FIG. 9 , the Type-C interface circuit may further include a boost/buck (Buck/Boost) circuit and a signal converter. The first end of the boost/buck circuit is connected to the Type-C interface, the second end of the boost/buck circuit is connected to the signal controller, and the third end of the boost/buck circuit is connected to the power supply. One end of the signal controller is connected with the signal controller, and the other end is connected with the operating system motherboard. The signal controller may include a power delivery (PD) controller and a Buck/Boost controller.
可选的,BUCK/BOOST控制器接收PD控制器发送的控制信号,将BUCK/BOOST电路中的电压调节为适合Type-C接口接入设备的充电电压。Optionally, the BUCK/BOOST controller receives the control signal sent by the PD controller, and adjusts the voltage in the BUCK/BOOST circuit to a charging voltage suitable for the device connected to the Type-C interface.
当接入Type-C接口的设备为主设备时,PD控制器还用于配置信号控制器的显示模式以及相关参数,并通过Type-C接口的辅助通道进行辅助通信。通信完成后,Type-C接口连接的主设备将DP数据信号传输至信号转换器,信号转换器根据触控一体机的影音信号格式进行数据转换,然后传送至触控一体机的操作系统主板中,用于在触控设备进行投屏显示。When the device connected to the Type-C interface is the master device, the PD controller is also used to configure the display mode and related parameters of the signal controller, and perform auxiliary communication through the auxiliary channel of the Type-C interface. After the communication is completed, the main device connected to the Type-C interface transmits the DP data signal to the signal converter, and the signal converter converts the data according to the audio and video signal format of the touch all-in-one, and then transmits it to the operating system motherboard of the touch all-in-one. , which is used for screen projection on touch devices.
本申请实施例提供的Type-C接口电路通过信号控制器产生切换控制信号触发切换开关连通不同的链路。通过第一USB链路传输数据,数据传输速率更高,用户体验更好,同时提供第二USB链路,能够提高Type-C接口电路的兼容性。通过PD控制器和Buck/Boost控制器将BUCK/BOOST电路中的电压调节为适合Type-C接口接入设备的充电电压,Type-C接口电路可以为更多类型的设备提供充电电压。当Type-C接口作为上行端口连接主设备时,主设备可以通过信号转换器在触控设备进行投屏显示,在触控设备上可以直接触控Type-C接口连接的主设备实现反向触控功能,而且通过Type-C接口可以与第一集线模块的第二下行端口连接,能够为主设备提供USB扩展接口。The Type-C interface circuit provided by the embodiment of the present application generates a switching control signal by a signal controller to trigger the switching switch to connect different links. Data is transmitted through the first USB link, the data transmission rate is higher, the user experience is better, and the second USB link is provided at the same time, which can improve the compatibility of the Type-C interface circuit. Through the PD controller and the Buck/Boost controller, the voltage in the BUCK/BOOST circuit is adjusted to the charging voltage suitable for the Type-C interface access device, and the Type-C interface circuit can provide charging voltage for more types of devices. When the Type-C interface is used as the uplink port to connect to the main device, the main device can display the screen on the touch device through the signal converter, and the touch device can directly touch the main device connected to the Type-C interface to realize reverse touch. Control function, and can be connected to the second downstream port of the first hub module through the Type-C interface, which can provide a USB expansion interface for the main device.
本申请实施例还提供一种电子设备,该电子设备包括如图1、图4、图5、图6、图7、图8和图9中任一附图所示的Type-C接口电路。An embodiment of the present application further provides an electronic device, the electronic device includes a Type-C interface circuit as shown in any one of FIG. 1 , FIG. 4 , FIG. 5 , FIG. 6 , FIG. 7 , FIG. 8 , and FIG. 9 .
可选的,该电子设备包括触控一体机、平板电脑、智慧黑板、计算机或终端。本申请实施例对于电子设备的具体类型并不限定。Optionally, the electronic device includes a touch all-in-one computer, a tablet computer, a smart blackboard, a computer or a terminal. The embodiments of the present application do not limit the specific type of the electronic device.
本申请实施例还提供一种通用串行总线Type-C接口电路的控制方法,该Type-C接口电路包括Type-C接口、第一切换开关、第二切换开关和第一通用串行总线USB集线模块,Type-C接口中的第一USB链路与第一切换开关的固定端耦合,第一切换开关的第一选择端与第二切换开关的第一选择端耦合,第一切换开关的第二选择端与第一USB集线模块的第一下行端口耦合,第一USB集线模块的第二下行端口用于连接外接设备。第二切换开关的固定端与第一USB集线模块的第一上行端口耦合,第二切换开关的第二选择端用于与操作系统主板耦合。该方法包括:Embodiments of the present application also provide a method for controlling a USB Type-C interface circuit, where the Type-C interface circuit includes a Type-C interface, a first switch, a second switch, and a first universal serial bus (USB) The hub module, the first USB link in the Type-C interface is coupled with the fixed end of the first switch, the first selection end of the first switch is coupled with the first selection end of the second switch, the first switch The second selection end of the first USB hub is coupled to the first downstream port of the first USB hub module, and the second downstream port of the first USB hub module is used to connect external devices. The fixed end of the second switch is coupled with the first upstream port of the first USB hub module, and the second selection end of the second switch is used for coupling with the operating system motherboard. The method includes:
接收第一切换控制信号,在第一切换控制信号的控制下,将第一切换开关的第一选择端与Type-C接口中的第一USB链路连通。接收第二切换控制信号,在第二切换控制信号的控制下,将第一USB集线模块的上行端口与第二切换开关的第一选择端连通。以使第一USB集线模块的第一上行端口与Type-C接口通过第一USB链路连通。The first switching control signal is received, and under the control of the first switching control signal, the first selection end of the first switching switch is connected to the first USB link in the Type-C interface. The second switching control signal is received, and under the control of the second switching control signal, the upstream port of the first USB hub module is connected to the first selection end of the second switching switch. So that the first uplink port of the first USB hub module is connected with the Type-C interface through the first USB link.
或者,接收第三切换控制信号,在第三切换控制信号的控制下,将第一切换开关的第二选择端与Type-C接口中的第一USB链路连通。接收第四切换控制信号,在第四切换控制信号的控制下,将第一USB集线模块的上行端口与第二切换开关的第二选择端连通。以使第一USB集线模块的第一上行端口和Type-C接口与操作系统主板中的第一USB链路连通。Alternatively, the third switching control signal is received, and under the control of the third switching control signal, the second selection terminal of the first switching switch is connected to the first USB link in the Type-C interface. The fourth switching control signal is received, and under the control of the fourth switching control signal, the upstream port of the first USB hub module is connected with the second selection end of the second switching switch. So that the first uplink port and the Type-C interface of the first USB hub module are communicated with the first USB link in the operating system motherboard.
可选的,上述USB接口电路还包括第三切换开关、第四切换开关和第二USB集线模块。Type-C接口中的第二USB链路与第三切换开关的固定端耦合,第三切换开关的第一选择端与第二USB集线模块的上行端口耦合,第二USB集线模块的第一下行端口用于与触控设备耦合,第三切换开关的第二选择端与第一USB集线模块的第三下行端口耦合,第一USB集线模块的第二上行端口与第四切换开关的固定端耦合,第四切换开关的第一选择端与第二USB集线模块的第二下行端口耦合,第四切换开关的第二选择端用于与操作系统主板中的第二USB链路耦合。该方法还包括:Optionally, the above-mentioned USB interface circuit further includes a third switch, a fourth switch, and a second USB hub module. The second USB link in the Type-C interface is coupled to the fixed end of the third switch, the first selection end of the third switch is coupled to the uplink port of the second USB hub module, and the third switch of the second USB hub module The downlink port is used for coupling with the touch device, the second selection end of the third switch is coupled with the third downlink port of the first USB hub module, and the second uplink port of the first USB hub module is connected to the fourth switch The fixed end of the switch is coupled, the first selection end of the fourth switch is coupled with the second downstream port of the second USB hub module, and the second selection end of the fourth switch is used for connecting with the second USB link in the operating system motherboard road coupling. The method also includes:
接收第五切换控制信号,在第五切换控制信号的控制下,将Type-C接口中的第二USB链路与第三切换开关的第一选择端连通。接收第六切换控制信号,在第六切换控制信号的控制下,将第一USB集线模块的第二上行端口与第四切换开关的第一选择端连通。以使第一USB集线模块的第二上行端口与Type-C接口通过第二USB链路连通。The fifth switching control signal is received, and under the control of the fifth switching control signal, the second USB link in the Type-C interface is connected to the first selection end of the third switching switch. The sixth switching control signal is received, and under the control of the sixth switching control signal, the second upstream port of the first USB hub module is connected with the first selection end of the fourth switching switch. So that the second uplink port of the first USB hub module is connected with the Type-C interface through the second USB link.
或者,接收第七切换控制信号,在第七切换控制信号的控制下,将Type-C接口中的第二USB链路与第三切换开关的第二选择端连通。接收第八切换控制信号,在第八切换控制信号的控制下,将第一USB集线模块的第二上行端口与第四切换开关的第二选择端连通。以使第一USB集线模块的第二上行端口和Type-C接口与操作系统主板中的第二USB链路连通。Alternatively, the seventh switching control signal is received, and under the control of the seventh switching control signal, the second USB link in the Type-C interface is connected to the second selection terminal of the third switching switch. The eighth switching control signal is received, and under the control of the eighth switching control signal, the second upstream port of the first USB hub module is connected with the second selection end of the fourth switching switch. So that the second uplink port and the Type-C interface of the first USB hub module are communicated with the second USB link in the operating system motherboard.
可选的,上述USB接口电路还包括信号控制器,信号控制器与Type-C接口耦合。该方法还包括:在Type-C接口连接的设备为主设备时,产生第一切换控制信号。在Type-C接口连接的设备为从设备时,产生第二切换控制信号。Optionally, the above-mentioned USB interface circuit further includes a signal controller, and the signal controller is coupled to the Type-C interface. The method further includes: when the device connected with the Type-C interface is the master device, generating a first switching control signal. When the device connected to the Type-C interface is a slave device, the second switching control signal is generated.
可选的,上述第一USB链路为USB3.0链路,第二USB链路为USB2.0链路。Optionally, the first USB link is a USB3.0 link, and the second USB link is a USB2.0 link.
可选的,上述第一USB集线模块为USB3.0集线模块,第二USB集线模块为USB2.0集线模块。Optionally, the first USB hub module is a USB 3.0 hub module, and the second USB hub module is a USB 2.0 hub module.
以上所述,仅为本申请的具体实施方式,但本申请的保护范围并不局限于此,任何在本申请揭露的技术范围内的变化或替换,都应涵盖在本申请的保护范围之内。因此,本申请的保护范围应以所述权利要求的保护范围为准。The above are only specific embodiments of the present application, but the protection scope of the present application is not limited to this, and any changes or substitutions within the technical scope disclosed in the present application should be covered within the protection scope of the present application. . Therefore, the protection scope of the present application should be subject to the protection scope of the claims.
| Application Number | Priority Date | Filing Date | Title |
|---|---|---|---|
| CN202111620807.1ACN114297123B (en) | 2021-12-27 | 2021-12-27 | A Type-C interface circuit and electronic equipment |
| Application Number | Priority Date | Filing Date | Title |
|---|---|---|---|
| CN202111620807.1ACN114297123B (en) | 2021-12-27 | 2021-12-27 | A Type-C interface circuit and electronic equipment |
| Publication Number | Publication Date |
|---|---|
| CN114297123Atrue CN114297123A (en) | 2022-04-08 |
| CN114297123B CN114297123B (en) | 2023-07-14 |
| Application Number | Title | Priority Date | Filing Date |
|---|---|---|---|
| CN202111620807.1AActiveCN114297123B (en) | 2021-12-27 | 2021-12-27 | A Type-C interface circuit and electronic equipment |
| Country | Link |
|---|---|
| CN (1) | CN114297123B (en) |
| Publication number | Priority date | Publication date | Assignee | Title |
|---|---|---|---|---|
| CN205540713U (en)* | 2015-12-31 | 2016-08-31 | 北京小鸟看看科技有限公司 | Portable device |
| CN106445863A (en)* | 2016-09-28 | 2017-02-22 | 广州视睿电子科技有限公司 | Interface circuit |
| CN110032533A (en)* | 2018-01-11 | 2019-07-19 | 新唐科技股份有限公司 | C-type universal serial bus interface circuit and its pin by-pass method |
| US20200151129A1 (en)* | 2018-11-09 | 2020-05-14 | Cypress Semiconductor Corporation | Usb signal switch circuitry using standard usb hub and method of operation the same |
| CN111309658A (en)* | 2019-12-02 | 2020-06-19 | 深圳市康佳壹视界商业显示有限公司 | Equipment that contains multi-functional USBType-C interface |
| EP3706007A1 (en)* | 2017-10-31 | 2020-09-09 | Huawei Technologies Co., Ltd. | Electronic device having usb type-c interface, control method, and readable storage medium |
| US20200379934A1 (en)* | 2019-05-31 | 2020-12-03 | Qisda Corporation | Mode switching system and mode switching method using the same |
| Publication number | Priority date | Publication date | Assignee | Title |
|---|---|---|---|---|
| CN205540713U (en)* | 2015-12-31 | 2016-08-31 | 北京小鸟看看科技有限公司 | Portable device |
| CN106445863A (en)* | 2016-09-28 | 2017-02-22 | 广州视睿电子科技有限公司 | Interface circuit |
| EP3706007A1 (en)* | 2017-10-31 | 2020-09-09 | Huawei Technologies Co., Ltd. | Electronic device having usb type-c interface, control method, and readable storage medium |
| CN110032533A (en)* | 2018-01-11 | 2019-07-19 | 新唐科技股份有限公司 | C-type universal serial bus interface circuit and its pin by-pass method |
| US20200151129A1 (en)* | 2018-11-09 | 2020-05-14 | Cypress Semiconductor Corporation | Usb signal switch circuitry using standard usb hub and method of operation the same |
| US20200379934A1 (en)* | 2019-05-31 | 2020-12-03 | Qisda Corporation | Mode switching system and mode switching method using the same |
| CN111309658A (en)* | 2019-12-02 | 2020-06-19 | 深圳市康佳壹视界商业显示有限公司 | Equipment that contains multi-functional USBType-C interface |
| Title |
|---|
| 楼智翔;张吉;: "双机冷备计算机信号切换的设计与实现", 电子技术, no. 02, pages 26 - 27* |
| Publication number | Publication date |
|---|---|
| CN114297123B (en) | 2023-07-14 |
| Publication | Publication Date | Title |
|---|---|---|
| CN101981553B (en) | Asymmetric Universal Serial Bus Communications | |
| CN107111588B (en) | Data transfer using PCIe protocol via USB port | |
| CN107301148B (en) | USB Type-C interface conversion module, system and connection method | |
| JP5889904B2 (en) | Device, system, method and computer readable storage medium for utilization of USB resources | |
| JP2011166720A (en) | Motherboard compatible with multiple versions of usb, and related method | |
| CN101470589A (en) | Multicomputer switching system | |
| CN105786752B (en) | Usb communication method and communication system between a kind of computing device and FPGA | |
| CN105868140A (en) | A mobile apparatus | |
| CN110879792A (en) | Electronic device and interface control method thereof | |
| JP4444101B2 (en) | Bus system, station for use in the bus system, and bus interface | |
| CN217932698U (en) | Computer system | |
| CN1316388C (en) | USB control circuit suitable for computer-to-computer transmission and its working method | |
| CN212809197U (en) | Multifunctional docking station supporting multi-USB-C switching | |
| CN114297123B (en) | A Type-C interface circuit and electronic equipment | |
| CN212749821U (en) | Data conversion device and terminal equipment | |
| CN205724288U (en) | Multifunctional USB Type-C Adapter | |
| CN102081455B (en) | Adapter and computer management system | |
| Stan et al. | Role of usb communication in modem engineering education | |
| CN114281745B (en) | A docking station capable of switching to connect to multiple upstream hosts | |
| TW201407361A (en) | Expansion module | |
| CN103902494B (en) | Interface expansion device | |
| TWM577134U (en) | Kvm switch device and system | |
| CN211878495U (en) | a docking station | |
| CN103489431A (en) | Display terminal | |
| CN209297282U (en) | A kind of device for supporting mobile phone and PC to switch |
| Date | Code | Title | Description |
|---|---|---|---|
| PB01 | Publication | ||
| PB01 | Publication | ||
| SE01 | Entry into force of request for substantive examination | ||
| SE01 | Entry into force of request for substantive examination | ||
| GR01 | Patent grant | ||
| GR01 | Patent grant | ||
| TR01 | Transfer of patent right | Effective date of registration:20250804 Address after:Rooms 602 and 605, No. 85 Xiangxue Avenue Middle, Huangpu District, Guangzhou City, Guangdong Province 510000 Patentee after:Guangzhou Gaohang Technology Transfer Co.,Ltd. Country or region after:China Address before:Hangzhou City, Zhejiang province 310051 Binjiang District Qianmo Road No. 555 Patentee before:Hangzhou Hikvision Digital Technology Co.,Ltd. Country or region before:China | |
| TR01 | Transfer of patent right |