Movatterモバイル変換


[0]ホーム

URL:


CN114189022A - Battery monomer capacitance balance control circuit of parallel battery module - Google Patents

Battery monomer capacitance balance control circuit of parallel battery module
Download PDF

Info

Publication number
CN114189022A
CN114189022ACN202111539209.1ACN202111539209ACN114189022ACN 114189022 ACN114189022 ACN 114189022ACN 202111539209 ACN202111539209 ACN 202111539209ACN 114189022 ACN114189022 ACN 114189022A
Authority
CN
China
Prior art keywords
battery
parallel
battery module
mos tube
control circuit
Prior art date
Legal status (The legal status is an assumption and is not a legal conclusion. Google has not performed a legal analysis and makes no representation as to the accuracy of the status listed.)
Pending
Application number
CN202111539209.1A
Other languages
Chinese (zh)
Inventor
尚德华
张伟
Current Assignee (The listed assignees may be inaccurate. Google has not performed a legal analysis and makes no representation or warranty as to the accuracy of the list.)
Aopu Shanghai New Energy Co Ltd
Original Assignee
Aopu Shanghai New Energy Co Ltd
Priority date (The priority date is an assumption and is not a legal conclusion. Google has not performed a legal analysis and makes no representation as to the accuracy of the date listed.)
Filing date
Publication date
Application filed by Aopu Shanghai New Energy Co LtdfiledCriticalAopu Shanghai New Energy Co Ltd
Priority to CN202111539209.1ApriorityCriticalpatent/CN114189022A/en
Publication of CN114189022ApublicationCriticalpatent/CN114189022A/en
Pendinglegal-statusCriticalCurrent

Links

Images

Classifications

Landscapes

Abstract

The invention discloses a battery monomer capacitance balance control circuit of a parallel battery module, which comprises a battery module, a battery monomer and a transformer balance unit. The invention has the beneficial effects that: the form of series connection and parallel connection is better than the form of series connection and parallel connection in safety, and the short circuit failure influence of single or multiple single batteries can be resisted; the series of safety problems caused by the increase of the number of the battery single bodies can be solved essentially and perfectly; the electric energy balance can be carried out on each single battery in the parallel connection of the battery module, so that the influence of the inconsistency of the single batteries on the available capacity of the whole battery module is greatly reduced, and the requirement on the consistency of the single batteries is greatly reduced; the electric energy balance among all the battery monomers and between the battery monomers and the whole parallel battery module is realized in an energy transfer mode, almost no energy loss exists in the whole balancing process, the battery balancing efficiency and the energy utilization rate are improved, and the battery capacity maximization is realized.

Description

Battery monomer capacitance balance control circuit of parallel battery module
Technical Field
The invention relates to a battery monomer capacitance balance control circuit, in particular to a battery monomer capacitance balance control circuit of a parallel battery module, and belongs to the technical field of new energy batteries.
Background
At present, the capacity and the voltage of each battery cell are very limited, so in order to improve the available electric quantity, a plurality of battery cells need to be connected in parallel; in order to obtain higher operating voltage, a plurality of battery cells need to be connected in series.
In order to ensure the consistent performance of each battery monomer when the battery monomers are connected in series and parallel, a battery monomer manufacturing enterprise needs to ensure the consistency of the battery monomers during production as much as possible. In fact, however, it is inevitable that there will be more or less random inconsistencies in the mass production. The available capacity of battery module can produce the great influence to battery module's available capacity by the inconsistency of battery monomer in the battery module to along with the accumulation of battery module live time, the influence of inconsistency to battery module is bigger and bigger. At this time, a battery equalization circuit is needed to equalize the single batteries, and the equalization circuit is used for reducing the influence of the inconsistency of the single batteries on the available capacity and the service life of the whole battery module.
The current technical scheme is that a battery module is formed by a parallel-series mode, when balancing battery monomers, all the battery monomers of the same group with the same potential in parallel connection are used as one battery monomer for balancing, and each battery monomer cannot be balanced substantially.
However, in the prior art, the following objective disadvantages exist:
at present, a common battery energy storage system is formed by combining a large number of battery monomers in series and parallel, and in order to strengthen the structure and facilitate assembly, the battery monomers are generally grouped to form a battery module, and the battery module is further combined to form the battery energy storage system. With the current battery cell technology and manufacturing level, the adoption of a battery cell parallel structure is an effective method for increasing the available capacity of the battery pack under the same total voltage.
In the topological composition mode of the battery energy storage system, the serial connection can be carried out first, then the parallel connection can be carried out, the parallel connection can be carried out first, then the serial connection can be carried out second, the two topological forms are completely equivalent in performance, but the safety performance is different, the serial connection and then the parallel connection form is better in safety than the parallel connection and then the serial connection form, and the influence of short circuit failure of single or multiple single batteries can be resisted better. Meanwhile, when the same safety requirements are provided for the battery module level, the more the number of the battery monomer in the battery module is, the greater the difficulty of implementation is. Therefore, the technical requirements of the battery energy storage system by the serial-to-parallel topology structure can be reduced.
Compared with the parallel connection and the series connection of the battery monomers, in the battery monomer parallel circuit, the influence of high-impedance or open-circuit batteries is small, but the parallel battery pack can reduce the load capacity and shorten the running time; meanwhile, the damage caused by the short circuit of the parallel battery cell circuit is larger because the battery cell which has a fault in the short circuit can quickly exhaust the electric quantity of other battery cells to cause a fire.
For the topology structure of the parallel connection and the serial connection, the biggest problem is that after the battery monomers are repeatedly charged and discharged, the voltage difference occurs due to the fact that the battery monomers in the same group of parallel connection at the same potential have no voltage equalization mechanism, and the trend is gradually amplified, so that the available capacity and the service life of the whole battery module are finally influenced.
Although the battery management unit BMU can perform cell balancing on the battery modules connected in parallel and then connected in series, the battery management unit BMU can perform balancing by regarding all the parallel battery cells in the same group at the same potential as a whole regardless of passive balancing or active balancing, and cannot perform balancing on each battery cell, that is, the battery cell with the smallest internal resistance in the parallel battery cells in the same group at the same potential always bears the highest branch current and the current greatly exceeding the design state, which is definitely dangerous.
Disclosure of Invention
The present invention is directed to a cell capacitor balancing control circuit for parallel battery modules.
The invention realizes the purpose through the following technical scheme: a battery monomer capacitance balance control circuit of parallel battery module comprises
The battery module is provided with a plurality of battery energy storage systems which are connected in parallel to form the control circuit;
the battery unit is provided with a plurality of battery units which are connected in series to form a battery module;
transformer equalizing unit for the control circuitThe battery energy storage system performs buck-boost regulation and consists of a primary winding connected in parallel to the control circuit and a secondary winding N connected in parallel to a connecting circuit of the battery module2And a magnetic core disposed between the primary winding and the secondary winding.
As a still further scheme of the invention: each battery monomer of the battery module is connected with an energy storage capacitor in series, and the battery monomers at the same potential between two adjacent battery modules share one energy storage capacitor.
As a still further scheme of the invention: every it has one-way MOS pipe switch one and one-way MOS pipe switch two all to establish ties on the battery monomer and the connecting line of energy storage capacitor, just one-way MOS pipe switch one is parallelly connected the setting with one-way MOS pipe switch two, through the switching of control one-way MOS pipe switch one and one-way MOS pipe switch two.
As a still further scheme of the invention: the secondary winding is characterized in that a third unidirectional MOS tube switch and a fourth unidirectional MOS tube switch are connected in series on a connecting line of the secondary winding, the third unidirectional MOS tube switch and the fourth unidirectional MOS tube switch are arranged in parallel, a fifth unidirectional MOS tube switch and a sixth unidirectional MOS tube switch are connected in series on a connecting line of the primary winding, and the fifth unidirectional MOS tube switch and the sixth unidirectional MOS tube switch are arranged in parallel.
As a still further scheme of the invention: the winding coil turn ratio of the primary winding to the secondary winding is m:1, and the transformer is a voltage-variable transformer capable of being lifted.
A battery monomer capacitance balance control circuit of a parallel battery module comprises the following steps
Firstly, energy transfer balance among battery monomers with the same potential among parallel battery modules is completed by using energy storage capacitors connected in series with the battery monomers;
secondly, energy transfer balance between the battery monomer and the battery module is completed by utilizing the parallel battery module transformer balance unit.
The invention has the beneficial effects that:
1. the form of series connection and parallel connection is better than the form of series connection and parallel connection in safety, and the short circuit failure influence of single or multiple single batteries can be resisted;
2. when the same safety requirements are provided for the module level, the realization difficulty is higher as the number of the parallel battery monomers in the battery module is larger, and the scheme of the invention adopts a mode of connecting the batteries in series and then connecting the batteries in parallel, so that the series safety problem caused by the increase of the number of the parallel battery monomers can be solved essentially perfectly;
3. by adopting a mode of first serial connection and then parallel connection, the electric energy balance can be carried out on each single battery in the parallel connection of the battery modules, so that the influence of the inconsistency of the single batteries on the available capacity of the whole battery module is greatly reduced, and the requirement on the consistency of the single batteries is greatly reduced;
4. the electric energy balance among all the battery monomers and between the battery monomers and the whole parallel battery module is realized in an energy transfer mode, and almost no energy loss exists in the whole balancing process, so that the battery balancing efficiency and the energy utilization rate are greatly improved, the battery capacity maximization is realized, and the cycle service life of a battery energy storage system is prolonged.
Drawings
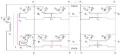
FIG. 1 is a circuit diagram of a battery cell capacitance balance control circuit scheme of a parallel battery module according to the present invention;
FIG. 2 shows a battery module P according to the present invention1Battery cell B1Part of the electric energy is transferred and stored to an energy storage capacitor C1Current patterns of (1);
FIG. 3 shows an energy storage capacitor C according to the present invention1The electric energy is transferred and stored to the battery module P2In (B)1The current pattern of (a);
FIG. 4 shows a battery module P according to the present invention1Battery cell B1Is stored in the secondary winding N2Current patterns of (1);
FIG. 5 shows a secondary winding N according to the present invention2The electric energy is transferred and stored to a current directional diagram in the whole parallel battery module;
FIG. 6 shows that part of the electric energy of the parallel battery module of the present invention is transferred and stored to the primary winding N of the equalizing unit of the transformer1Current patterns of (1);
FIG. 7 shows a primary winding N according to the present invention1The electric energy is transferred and stored to the battery module P1Battery cell B1Current patterns of.
In the figure: p, a battery module, B, a battery monomer, C, an energy storage capacitor, Q, a one-way MOS tube switch I, S, a one-way MOS tube switch II, U, a one-way MOS tube switch III, V, a one-way MOS tube switch IV, E, a one-way MOS tube switch V, F, a one-way MOS tube switch VI, N1Primary winding, N2Secondary winding, T, magnetic core.
Detailed Description
The technical solutions in the embodiments of the present invention will be clearly and completely described below with reference to the drawings in the embodiments of the present invention, and it is obvious that the described embodiments are only a part of the embodiments of the present invention, and not all of the embodiments. All other embodiments, which can be derived by a person skilled in the art from the embodiments given herein without making any creative effort, shall fall within the protection scope of the present invention.
Example one
Referring to fig. 1, a battery cell capacitance balance control circuit for parallel battery modules includes
The battery modules P are provided with a plurality of battery energy storage systems which are connected in parallel to form the control circuit;
a plurality of battery monomers B which are connected in series to form a battery module P;
the transformer equalizing unit is used for performing buck-boost regulation on a battery energy storage system of the control circuit and consists of a primary winding N connected in parallel on the control circuit1A secondary winding N connected in parallel with the connection line of the battery module P2And arranged in the primary winding N1And a secondary winding N2The core T in between.
In the embodiment of the invention, each battery cell B of the battery modules P is connected in series with an energy storage capacitor C, and the battery cells B with the same potential between two adjacent battery modules P share one energy storage capacitor C, so that part of electric quantity of the battery cells B can be transferred and stored in the energy storage capacitor C.
In the embodiment of the invention, a one-way MOS tube switch I Q and a one-way MOS tube switch II S are connected in series on a connecting line of each battery monomer B and the energy storage capacitor C, the one-way MOS tube switch I Q and the one-way MOS tube switch II S are arranged in parallel, and the on-off of different lines is realized by controlling the on-off of the one-way MOS tube switch I Q and the one-way MOS tube switch II S, so that the transfer of electric energy is realized, and the stored electric energy of the adjacent battery monomers B with the same potential is consistent and the voltage is basically equal.
In the embodiment of the invention, the secondary winding N2The connecting circuit is connected with a three U unidirectional MOS tube switch and a four V unidirectional MOS tube switch in series, the three U unidirectional MOS tube switch and the four V unidirectional MOS tube switch are arranged in parallel, and the primary winding N is connected with the primary winding N in series1The connecting circuit is connected with a five unidirectional MOS tube switch E and a six unidirectional MOS tube switch F in series, and the five unidirectional MOS tube switch E and the six unidirectional MOS tube switch F are arranged in parallel.
In the embodiment of the invention, the primary winding N1And a secondary winding N2The turn ratio of the winding coil is m:1, and the transformer is a voltage-variable transformer capable of rising and falling.
A battery monomer capacitance balance control circuit of a parallel battery module comprises the following steps
Firstly, energy transfer balance among battery monomers B at the same potential among parallel battery modules P is completed by using energy storage capacitors C connected with the battery monomers B in series;
secondly, energy transfer balance between the battery monomer B and the battery module P is completed by utilizing a parallel battery module transformer balance unit.
Example two
Referring to fig. 2 to 3, a battery cell capacitance balance control circuit for parallel battery modules, wherein when energy transfer between battery cells is balanced, it is assumed that a battery module P in all battery cells at the same potential in all parallel battery modules1In (B)1Is lower than that of B in other battery modules1Is high, that is, the battery module P1Middle battery sheetBody B1The electric energy of the battery is higher, and the electric energy which is redundant than that of other battery cells needs to be transferred and distributed to other battery cells.
Suppose that the battery module P1In (B)1To the adjacent battery module P2In (B)1In (1). The electric energy transfer steps are as follows:
step 1, battery module P1In (B)1Unidirectional MOS tube switch Q1Conducting and connecting the battery cell B1And an energy storage capacitor C of a capacitance equalizing unit connected in series with the capacitor C1Cell B1Energy storage capacitor C of capacitor equalization unit1A current path is formed such that the battery cell B1Part of the electric quantity is transferred and stored to the energy storage capacitor C1Middle and standby energy storage capacitor C1Battery cell B1After the transferred electric quantity is full, the one-way MOS tube switch Q is closed1
Battery module P1Battery cell B1Part of the electric energy is transferred and stored to an energy storage capacitor C of the capacitance equalizing unit1The direction of the current in (2) is shown in figure.
Step 2, after the electric energy in thestep 1 is transferred, the energy storage capacitor C is used1Voltage value at two ends and battery module P1Battery cell B1Has a voltage value equivalent to that of the adjacent battery module P2Battery cell B1Has a capacitor C for storing energy1The internally stored electric energy is transferred to the battery module P2Battery cell B1The conditions of (1).
Make one-way MOS tube switch S by control circuit1Conducting, the battery module P2In (B)1And an energy storage capacitor C of a capacitance equalizing unit connected in series with the capacitor C1Forming a current path such that the energy storage capacitor C1Part of the electric quantity stored after thestep 1 is transferred and stored to the battery module P2Battery cell B1In the capacitor C to be stored with the capacitor discharge1And a battery module P2Battery cell B1When the voltages of the capacitors are equal, the energy storage capacitorC1It is impossible to supply the battery module P2Battery cell B1The discharge energy is transferred, at the moment, the discharge is stopped, and the one-way MOS tube switch S is closed1
Energy storage capacitor C1Is transferred and stored to the adjacent battery module P2In (B)1The current direction of (2) is as shown in fig. 3.
Step 3, the battery module P can be transferred by the electric energy transfer of thesteps 1 and 21In (B)1Specific battery module P2In (B)1Transfer half of the much electric energy to the battery module P2In (B)1So that the stored electric energy of the two battery cells is consistent and the voltage is basically equal.
The electric energy transfer of the battery monomers among the battery modules can be completed through the steps similar to the steps 1-3; in a similar manner, all the series-connected battery modules P in the parallel-connected battery modules1~PiAll the single batteries with the same potential can firstly carry out direct electric energy transfer between the single batteries of the adjacent battery modules through the capacitance balancing unit and then carry out indirect electric energy transfer between the single batteries of the non-adjacent battery modules to finally achieve all the battery modules P in the parallel battery modules1~PiThe electric energy of all the single batteries with the same potential is consistent.
EXAMPLE III
Referring to fig. 4 to 7, a cell capacitance balancing control circuit for parallel battery modules is used for energy transfer between the cells and the parallel battery modules.
1) Suppose that the battery module P1In (B)1Is lower than the voltage value of the battery module P1The voltage values of other battery monomers in the battery module are all higher than that of the adjacent battery module P2Middle battery monomer B1The voltage value of (2) is also higher, and the redundant electric energy can be directly transferred to the whole parallel battery module at the moment.
The electric energy transfer steps are as follows:
step 1, battery module P1In (B)1One-way MOS tube switch U1Conducting and connecting the battery cell B1And a secondary winding N of a parallel battery module transformer equalizing unit connected in series with the secondary winding2Cell B1Secondary winding N of transformer equalizing unit of parallel battery module2Forming a current path, a secondary winding N of a transformer equalizing unit2Begin in the operational mode. Along with the battery cell B1For secondary winding N2Charging is carried out, the secondary winding N2The current of the MOS tube gradually increases to the peak current, and the one-way MOS tube switch U is closed at the moment1. Thus, the battery cell B1Part of the electric energy is transferred and stored to the secondary winding N of the transformer equalizing unit2In (1).
Battery module P1Battery cell B1Is stored in the secondary winding N2The direction of the current in (a) is shown in fig. 4.
Step 2, after the electric energy is transferred in thestep 1, the secondary winding N of the transformer equalizing unit is processed2Voltage value at two ends and battery module P1In (B)1And (4) the equivalent.
The unidirectional MOS tube switch F is conducted through the control circuit, and the whole parallel battery module and the primary winding N of the parallel battery module transformer balancing unit1Forming a current path such that the secondary winding N of the transformer equalizing unit2The stored electric energy is coupled to the primary winding N of the transformer equalizing unit afterstep 11Primary winding N of equalizing unit of transformer1Begin in the operational mode. Primary winding N of equalizing unit along with transformer1Charging the entire parallel battery module, primary winding N1The electric energy is gradually released, the current is gradually reduced to zero from the peak current, and the relay unidirectional MOS tube switch F is closed at the moment. Thus, the secondary winding N of the transformer equalizing unit2The electric energy is transferred to be stored in all the battery modules among the entire parallel battery modules.
Secondary winding N of transformer equalizing unit2The electric energy is transferred and stored to the whole parallel battery moduleThe direction of the current in the stack is shown in figure 5.
Step 3, the battery module P can be transferred by the electric energy transfer of thesteps 1 and 21In (B)1The surplus electric energy is transferred and distributed to the parallel battery modules, thereby finally making the battery modules P1In (B)1The stored electric energy reaches a target value.
2) Suppose that the battery module P1In (B)1Is lower than the voltage value of the battery module P1The voltage values of other battery cells are all lower than that of the adjacent battery module P2Middle battery monomer B1The voltage value of (2) is also low, and the electric energy of the whole parallel battery module can be directly transferred to the battery module P1In (B)1
The electric energy transfer steps are as follows:
step 1, a unidirectional MOS tube switch E is conducted through a control circuit, and the whole parallel battery module and a primary winding N of a transformer balancing unit of the parallel battery module are connected1Forming a current path, primary winding N of a transformer equalizing unit1Begin in the operational mode. With the whole parallel battery PACK to the primary winding N of the transformer equalizing unit1Charging is carried out, primary winding N1Gradually increases to the peak current, and then the unidirectional MOS tube switch E is closed. Thus, part of the electric energy of the whole parallel battery module is transferred and stored to the primary winding N of the transformer equalizing unit1In (1).
Partial electric energy of the parallel battery module is transferred and stored to a primary winding N of the transformer equalizing unit1The direction of the current in (a) is shown in fig. 6.
Step 2, after the electric energy is transferred in thestep 1, the primary winding N of the transformer equalizing unit is processed1The voltage values of the two ends are equivalent to the voltage value of the whole parallel battery module.
Make one-way MOS tube switch V by control circuit1Conducting and connecting the battery cell B1And a secondary winding N of a transformer equalizing unit connected in series therewith2Cell B1Secondary winding N of equalizing unit with transformer2Forming a current path such that the primary winding N of the transformer equalizing unit1The stored electric energy is coupled to the secondary winding N of the transformer equalizing unit afterstep 12Secondary winding N of equalizing unit of transformer2Begin in the operational mode. Secondary winding N of equalizing unit with transformer2To battery module P1In (B)1Is charged, the secondary winding N2The electric energy is gradually released, the current is gradually reduced to zero from the peak current, and then the relay one-way MOS tube switch V is closed1. Thus, the primary winding N of the transformer equalizing unit1The electric energy is transferred and stored to the battery module P1Battery cell B1In (1).
Primary winding N of transformer equalizing unit1The electric energy is transferred and stored to the battery module P1Battery cell B1The direction of the current in (1) is shown in fig. 7.
Step 3, after the electric energy transfer of thesteps 1 and 2, the electric energy transfer of the whole parallel battery module can be distributed to the battery module P1Battery cell B1Thereby finally making the battery module P1In (B)1The stored electric energy reaches a target value.
3. Energy balance general strategy
All the series battery modules P in the parallel battery modules can be made by utilizing the capacitance equalizing unit of the battery monomer1~PiThe electric energy transfer among all the single batteries with the same potential finally reaches all the series-connected battery modules P in the parallel-connected battery modules1~PiThe electric energy of all the single batteries with the same potential is consistent; the equalizing unit of the transformer of the parallel battery module can be used as the serial battery module P1The electric energy of all the battery monomers and the whole parallel battery module is transferred to finally achieve the series battery module P1The electric energy between all the single batteries is consistent; through the matching balance of the capacitor balance unit of the single battery and the balance unit of the parallel battery module transformer, the balance of the battery can be realizedSo that each single battery in the parallel battery module can obtain balanced electric energy transfer.
All electric energy in the control circuit scheme realizes energy balance in an energy transfer mode, and almost no energy loss exists in the balancing process, so that the battery balancing efficiency and the energy utilization rate are greatly improved, the capacity maximization of a battery module can be realized, and the cycle service life of a battery energy storage system is prolonged.
The working principle is as follows: the control circuit can control the combination and the on-off of the unidirectional MOS tube switches Q1-Qm, S1-Sm, U1-Um, V1-Vm, E and F, and the working logic among the switches, can receive and monitor the working state information of the whole battery energy storage system, processes and judges the received information, finally makes an action decision, and executes a decision instruction through the on-off of the unidirectional MOS tube switches.
It will be evident to those skilled in the art that the invention is not limited to the details of the foregoing illustrative embodiments, and that the present invention may be embodied in other specific forms without departing from the spirit or essential attributes thereof. The present embodiments are therefore to be considered in all respects as illustrative and not restrictive, the scope of the invention being indicated by the appended claims rather than by the foregoing description, and all changes which come within the meaning and range of equivalency of the claims are therefore intended to be embraced therein. Any reference sign in a claim should not be construed as limiting the claim concerned.
Furthermore, it should be understood that although the present description refers to embodiments, not every embodiment may contain only a single embodiment, and such description is for clarity only, and those skilled in the art should integrate the description, and the embodiments may be combined as appropriate to form other embodiments understood by those skilled in the art.

Claims (6)

CN202111539209.1A2021-12-152021-12-15Battery monomer capacitance balance control circuit of parallel battery modulePendingCN114189022A (en)

Priority Applications (1)

Application NumberPriority DateFiling DateTitle
CN202111539209.1ACN114189022A (en)2021-12-152021-12-15Battery monomer capacitance balance control circuit of parallel battery module

Applications Claiming Priority (1)

Application NumberPriority DateFiling DateTitle
CN202111539209.1ACN114189022A (en)2021-12-152021-12-15Battery monomer capacitance balance control circuit of parallel battery module

Publications (1)

Publication NumberPublication Date
CN114189022Atrue CN114189022A (en)2022-03-15

Family

ID=80605224

Family Applications (1)

Application NumberTitlePriority DateFiling Date
CN202111539209.1APendingCN114189022A (en)2021-12-152021-12-15Battery monomer capacitance balance control circuit of parallel battery module

Country Status (1)

CountryLink
CN (1)CN114189022A (en)

Citations (7)

* Cited by examiner, † Cited by third party
Publication numberPriority datePublication dateAssigneeTitle
CN102064568A (en)*2010-10-112011-05-18中国科学院青岛生物能源与过程研究所Active equalizing and protecting system of stackable series-connected lithium battery
CN102593916A (en)*2012-03-072012-07-18德龙伟创科技(深圳)有限公司Active charge equalizing system and method of lithium battery pack
CN202918198U (en)*2012-11-262013-05-01宁德时代新能源科技有限公司Bidirectional DC/DC converting device
CN104377778A (en)*2014-11-262015-02-25山东大学Adjacent-Cell-to-Cell equalization circuit based on LCL resonant transformation and implementation method
CN106740241A (en)*2017-03-102017-05-31吉林大学A kind of lithium battery active equalization system
CN108667058A (en)*2018-07-242018-10-16合肥工业大学 A chain energy storage system structure that can eliminate secondary pulsation
CN113629807A (en)*2021-08-062021-11-09傲普(上海)新能源有限公司Transformer inductance resistance battery equalization circuit

Patent Citations (7)

* Cited by examiner, † Cited by third party
Publication numberPriority datePublication dateAssigneeTitle
CN102064568A (en)*2010-10-112011-05-18中国科学院青岛生物能源与过程研究所Active equalizing and protecting system of stackable series-connected lithium battery
CN102593916A (en)*2012-03-072012-07-18德龙伟创科技(深圳)有限公司Active charge equalizing system and method of lithium battery pack
CN202918198U (en)*2012-11-262013-05-01宁德时代新能源科技有限公司Bidirectional DC/DC converting device
CN104377778A (en)*2014-11-262015-02-25山东大学Adjacent-Cell-to-Cell equalization circuit based on LCL resonant transformation and implementation method
CN106740241A (en)*2017-03-102017-05-31吉林大学A kind of lithium battery active equalization system
CN108667058A (en)*2018-07-242018-10-16合肥工业大学 A chain energy storage system structure that can eliminate secondary pulsation
CN113629807A (en)*2021-08-062021-11-09傲普(上海)新能源有限公司Transformer inductance resistance battery equalization circuit

Similar Documents

PublicationPublication DateTitle
CN104993602A (en)Modular energy storage system
CN108039759B (en)Multi-mode high-efficiency energy equalizer of lithium ion battery system and control method thereof
CN107134599B (en) A voltage equalization circuit of a series battery pack and its working method
Zhu et al.A novel design of reconfigurable multicell for large-scale battery packs
CN114977381A (en)Energy storage system control circuit with multiple parallel battery clusters and control method thereof
CN110034611A (en)A kind of peak load shifting mixed energy storage system
CN115416545B (en) Active balancing control circuit and method for power battery pack
CN112436565A (en)Active equalization control system of lithium battery system
CN116885810A (en) Reconfigurable battery topology, hierarchical balancing control method and device
CN110729781B (en)Lithium battery pack equalization control method taking charge quantity difference value as equalization criterion
CN114156981B (en)Battery module balance control circuit and method based on transformer
CN114189022A (en)Battery monomer capacitance balance control circuit of parallel battery module
CN102332619B (en)Controllable battery module
CN107086624B (en)Active equalization circuit of lithium ion battery
CN216162445U (en)Battery submodule and battery string
CN114465314A (en)Battery module short-plate battery monomer optimization circuit
CN114567037A (en)Anti-circulation circuit and method for parallel battery clusters
CN113904410A (en)Low-cost storage battery pack equalization circuit and method
CN113708456A (en)Active equalization implementation method of lithium ion battery
CN114336863B (en)Capacitive inductance solving circuit of battery module short-plate battery monomer
CN114597996A (en) Inductance equalization control circuit of parallel battery modules
Yu et al.A Novel Inductor-Based Active Battery Equalization Circuit and Group Balancing Strategy for Battery Storage Systems
CN113922455B (en)Energy transfer type battery cell voltage management circuit
CN217427712U (en)Active equalization assembly between battery cluster boxes
Chen et al.Double-Layer Lithium-Ion Battery Equalization Control Strategy Based on Fuzzy Logic Control

Legal Events

DateCodeTitleDescription
PB01Publication
PB01Publication
SE01Entry into force of request for substantive examination
SE01Entry into force of request for substantive examination
RJ01Rejection of invention patent application after publication
RJ01Rejection of invention patent application after publication

Application publication date:20220315


[8]ページ先頭

©2009-2025 Movatter.jp