Movatterモバイル変換


[0]ホーム

URL:


CN114079384A - Variable-structure LLC converter with wide output voltage range and method - Google Patents

Variable-structure LLC converter with wide output voltage range and method
Download PDF

Info

Publication number
CN114079384A
CN114079384ACN202111290876.0ACN202111290876ACN114079384ACN 114079384 ACN114079384 ACN 114079384ACN 202111290876 ACN202111290876 ACN 202111290876ACN 114079384 ACN114079384 ACN 114079384A
Authority
CN
China
Prior art keywords
output
series
output voltage
capacitor
voltage
Prior art date
Legal status (The legal status is an assumption and is not a legal conclusion. Google has not performed a legal analysis and makes no representation as to the accuracy of the status listed.)
Granted
Application number
CN202111290876.0A
Other languages
Chinese (zh)
Other versions
CN114079384B (en
Inventor
杜思行
党恒凯
张岩
刘进军
Current Assignee (The listed assignees may be inaccurate. Google has not performed a legal analysis and makes no representation or warranty as to the accuracy of the list.)
Xian Jiaotong University
Original Assignee
Xian Jiaotong University
Priority date (The priority date is an assumption and is not a legal conclusion. Google has not performed a legal analysis and makes no representation as to the accuracy of the date listed.)
Filing date
Publication date
Application filed by Xian Jiaotong UniversityfiledCriticalXian Jiaotong University
Priority to CN202111290876.0ApriorityCriticalpatent/CN114079384B/en
Publication of CN114079384ApublicationCriticalpatent/CN114079384A/en
Application grantedgrantedCritical
Publication of CN114079384BpublicationCriticalpatent/CN114079384B/en
Activelegal-statusCriticalCurrent
Anticipated expirationlegal-statusCritical

Links

Images

Classifications

Landscapes

Abstract

Translated fromChinese

本发明公开一种宽输出电压范围的变结构LLC变换器及方法,包括一次侧的逆变电路、二次侧的整流电路、连接逆变电路与整流电路的变压器和LC串联谐振腔;一次侧的逆变电路为全桥逆变电路,全桥逆变电路与LC串联谐振腔及变压器的原边绕组相连接;二次侧的两个变压器绕组分别与二极管d1、二极管d2以及电容C1、电容C2组成两个半波整流电路,电容C1与二极管d3串联,电容C2与二极管d4串联,两个串联中点通过开关管S5连接;二次侧的整流电路输出端接输出电感及负载。本发明能够实现输出电压两倍的变化范围。本发明在保留传统LLC隔离、高功率密度特性的前提下,还保证了高电能转换效率。

Figure 202111290876

The invention discloses a variable structure LLC converter and method with a wide output voltage range, comprising an inverter circuit on the primary side, a rectifier circuit on the secondary side, a transformer connecting the inverter circuit and the rectifier circuit, and an LC series resonant cavity; The inverter circuit is a full-bridge inverter circuit, and the full-bridge inverter circuit is connected with the LC series resonant cavity and the primary winding of the transformer; the two transformer windings on the secondary side are respectively connected with the diode d1 , the diode d2 and the capacitor C1. Capacitor C2 formstwo half-wave rectifier circuits, capacitorC1 is connected in series with dioded3 , capacitor C2 is connected in series with dioded4 , and the midpoints of thetwo series are connected through switch tube S5; the output of the rectifier circuit on the secondary side is Terminate the output inductor and load. The present invention can realize twice the variation range of the output voltage. On the premise of retaining the characteristics of traditional LLC isolation and high power density, the present invention also ensures high power conversion efficiency.

Figure 202111290876

Description

Variable-structure LLC converter with wide output voltage range and method
Technical Field
The invention belongs to the field of converter technology, and relates to a variable structure LLC converter with a wide output voltage range and a method thereof.
Background
The traditional thermal power generation has more emission and serious pollution, so that the development of distributed power generation systems such as photovoltaic power generation or offshore wind power generation is rapid. Meanwhile, the emission of automobile exhaust is a main source of carbon oxides in cities, and new energy automobiles are gradually popularized. The direct current converter is used as key equipment for distributed power generation and new energy automobiles, and has new requirements: the distributed power generation system is influenced by uncontrollable factors such as illumination intensity, wind power and the like, and the voltage floating is large; in the charging of the new energy automobile, due to the characteristics of the storage battery, the charging voltage of the storage battery can change in a wide range along with the electric quantity of the storage battery. Therefore, a dc converter with high efficiency and wide voltage range is the current research focus.
The direct current converter is divided into an isolated type and a non-isolated type according to the existence of an isolation transformer, and the isolated type direct current converter can easily realize high gain characteristic by using the transformer in a distributed power generation system; in a new energy charging system, an isolated direct current converter is generally selected because a transformer can provide electrical isolation and the safety is higher. The traditional isolated dc-dc converter is mainly a dual active bridge converter (DAB), a Series Resonant Converter (SRC) and an LLC resonant converter. Compared with an early isolation type converter, the DAB topology has the characteristic of soft switching, ZVS can be realized by four switching devices on the primary side, and ZCS can be realized by 4 switching devices on the secondary side. However, the switching tube is turned off at the current peak, so that the turn-off loss is large, and the further improvement of the converter efficiency is influenced. When the gain of DAB is far away from 1, larger backflow power is generated, so that the efficiency is obviously reduced; because the series resonant converter is added with the LC series resonant cavity, the turn-off loss of the switching device is reduced, but the series resonant converter can only work in a voltage reduction mode, and the voltage regulation capability of the converter is poor under light load; LLC resonant converters, which are the most commonly used resonant dc converters, have significant advantages such as high efficiency and high power density, and regulate output voltage by frequency conversion, but their high efficiency characteristics are only near the resonant frequency. When the converter works in a wide voltage range application place, the excitation inductance of the converter needs to be designed to be smaller, so that the turn-off loss and the turn-on loss of a switching device are increased, and difficulty is brought to the design of a magnetic element. Therefore, the traditional LLC converter using variable frequency voltage regulation cannot satisfy the characteristic of high efficiency in a wide voltage regulation range.
Disclosure of Invention
The invention aims to overcome the technical defect that the existing LLC converter is low in efficiency under the working condition of a wide voltage range, provides a variable structure LLC converter with a wide output voltage range and a method thereof, and can realize the change range of twice the output voltage. On the premise of keeping the isolation and high power density characteristics of the traditional LLC, the high electric energy conversion efficiency is also ensured.
The technical scheme adopted by the invention is as follows:
a variable structure LLC converter with a wide output voltage range comprises an inverter circuit on the primary side, a rectifier circuit on the secondary side, a three-winding transformer for connecting the inverter circuit and the rectifier circuit, and an LC series resonant cavity; the inverter circuit on the primary side is a full-bridge inverter circuit, and the full-bridge inverter circuit is connected with the LC series resonant cavity and the primary winding of the transformer; the secondary side is a rectification circuit, wherein, two transformer windings are respectively connected with a diode d1Diode d2And a capacitor C1And a capacitor C2Form two half-wave rectification circuits, a capacitor C1And diode d3Series connection, capacitor C2And diode d4In series, two series midpoints pass through a switching tube S5Connecting; the output end of the rectification circuit on the secondary side is connected with the output inductor and the load.
A variable structure LLC converter with a wide output voltage range comprises an inverter circuit on the primary side, a rectifier circuit on the secondary side, a transformer for connecting the inverter circuit and the rectifier circuit, and an LC series resonant cavity; the inverter circuit on the primary side is a full-bridge inverter circuit, and the full-bridge inverter circuit is connected with the LC series resonant cavity and the primary winding of the transformer; the secondary side is a rectification circuit, wherein, a capacitor C1And diode d3An output capacitor bridge arm is formed by connecting capacitors C in series2And dioded4Forming another output capacitor bridge arm, wherein the capacitors and the diodes of the two output capacitor bridge arms are opposite in position, and the two output capacitor bridge arms are connected in parallel and then connected with an output inductor and a load; diode d1Diode d2And a switching tube S5Switch tube S6Form a bridge rectifier circuit with a variable structure, wherein the switch tube S5Switch tube S6Connected in series and connected with the middle points of the two output capacitor bridge arms.
As a further improvement of the invention, the input of a plurality of variable structure LLC converters are connected in parallel, and the output of the variable structure LLC converters are connected in series to form a medium-voltage high-power direct-current converter topology.
As a further development of the invention, the output voltage V isoThe expression of (a) is:
Vo=(1+d)V2 (1)
wherein, V2D is the voltage across the secondary side winding of the transformer, d is the switching tube S5The duty cycle of (c).
As a further development of the invention, the output voltage V isoThe expression of (a) is:
Vo=2DV2 (2)
wherein, V2Voltage across secondary side winding of transformer, D is switch tube S5And a switching tube S6The duty cycle of (c).
As a further improvement of the invention, the excitation inductance L of the transformermSatisfies the following conditions:
Figure BDA0003334718000000031
wherein t isdeadRepresenting the dead time, C, of the switching devices of the same bridge armsRepresenting the junction capacitance of the switching device, frRepresenting the resonant frequency of the LC series resonator.
As a further improvement of the present invention, the resonant capacitor satisfies the following requirements with the leakage inductance of the transformer through the resonant frequency:
Figure BDA0003334718000000032
wherein f isrRepresenting the resonant frequency, L, of the LC series resonatorrAnd the leakage inductance value of the transformer is represented.
A control method of a variable structure LLC converter with a wide output voltage range comprises the following steps:
switch tube S5When the power is turned off, the output capacitors are connected in parallel, the output voltage is equal to the voltage at the two ends of the capacitor, S5When the voltage-regulating circuit is switched on, the two output capacitors are connected in series, the output voltage is equal to the sum of the voltages of the two capacitors, the output voltage is regulated by regulating the duty ratio of the switching device, and the voltage regulating range is 1 to 2 times.
A control method of a variable structure LLC converter with a wide output voltage range comprises the following steps:
switch tube S5,S6When the two capacitors are simultaneously conducted, the two output capacitors are connected in series, the output voltage is equal to the sum of the voltages of the two capacitors, otherwise, the output capacitors are connected in parallel, and the output voltage is equal to the voltages at the two ends of the capacitors; the output voltage is regulated by regulating the duty ratio of the switching device, and the voltage regulation range is 1 to 2 times; by appropriate control, let S5On and off time and Q1,Q4Synchronous, and S6On and off time and Q2,Q3Is synchronized so that S5,S6Has the function of synchronous rectification.
A method of controlling a variable structure LLC converter to achieve a wider output voltage range, comprising the steps of:
when the primary side switching tube Q1,Q4And Q2,Q3When the current is complementarily conducted at a 50% duty ratio, the primary side works in a full-bridge inversion mode; as primary side switching tube Q3Remains off, Q4When the inverter is kept on, the primary side full-bridge inverter can work in a half-bridge mode; the two modes of the half-bridge and the full-bridge enable the voltage regulation range of the converter to be widened to 1 to 4 times.
Compared with the prior art, the invention has the following advantages:
the topology provided by the invention can be applied to a distributed power generation system and a battery or super capacitor charging system in a medium-high power place, and has the following remarkable advantages: according to the isolated DC converter, the secondary side of the isolated DC converter adopts a novel structure, the output voltage can be changed within the range of 1-2 times by changing the series-parallel connection relation of the output capacitor, the isolated DC converter is suitable for renewable energy power generation and battery charging, the defect that the traditional LLC converter is low in efficiency under the working condition of a wide voltage range is overcome, and the requirements of wide-range regulation of the output voltage and high transformation ratio of the renewable energy power generation during the charging of a battery/super capacitor are met. And the converter realizes voltage regulation through the conduction duty ratio of the secondary side switching device instead of utilizing the resonant cavity to carry out frequency conversion and voltage regulation, so that the converter can work under fixed switching frequency, the size of passive devices such as a transformer and an inductor is reduced, the power density is improved, and the cost is reduced.
Drawings
The variable structure LLC converter topology with the wide output voltage range provided by the figure 1;
FIG. 2 is another wide output voltage range variable structure LLC converter topology;
FIG. 3 is a graph of inverter drive signals;
FIG. 4 shows a topology of a DC converter with parallel input and series output according to the invention 1;
FIG. 5 is a topology of a 2-input parallel and output series DC converter;
FIG. 6 is a waveform diagram illustrating steady state simulation of the converter 1 of the present invention;
FIG. 7 is a waveform diagram showing one to two times voltage regulation dynamic simulation of the converter 1 of the present invention;
FIG. 8 is a graph of efficiency curves for different output voltages of the converter of FIG. 1;
FIG. 9 is a waveform diagram illustrating steady state simulation of the 2-converter of the present invention;
FIG. 10 is a waveform diagram showing one to two times voltage regulation dynamic simulation of the 2-converter of the present invention;
FIG. 11 is a graph of efficiency curves for different output voltages of the inventive 2 converter;
note: in the figure, the symbols of the switch parallel diodes refer to all types of switching tubes, and in practical application, the switching tubes can be one of silicon-based MOSFETs, silicon-based IGBTs, silicon carbide-based MOSFETs, silicon carbide-based IGBTs, gallium nitride-based FETs, and the like.
Detailed Description
In order to make the objects, technical solutions and advantages of the present invention more apparent, the present invention is described in further detail below with reference to the accompanying drawings and embodiments. It should be understood that the specific embodiments described herein are merely illustrative of the invention and are not intended to limit the invention, as silicon-based MOSFETs are used for the switching devices in this example.
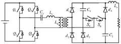
The invention provides a variable structure LLC converter with a wide output voltage range, wherein a primary side of the converter is a traditional full-bridge inverter circuit, a secondary side of the converter is a novel rectifying circuit consisting of four diodes, two capacitors and a fully-controlled switching device, and the primary side and the secondary side are connected through a three-winding high-frequency transformer and an LC series resonant cavity. The structure is shown in figure 1.
Primary side switch tube Q of converter1,Q2,Q3,Q4Form a full-bridge inverter circuit, a resonant cavity Lr,CrIs connected in series with the primary winding of the transformer. On the secondary side, two windings of the transformer and a diode d1,d2Two half-wave rectifiers are formed respectively, and the capacitors C can be respectively coupled in positive and negative half-waves1,C2Charging; capacitor C1And diode d3Connected in series to form an arm, a capacitor C2And diode d4An arm is also formed, the positions of the capacitors and the diodes of the two arms are opposite, and the two arms are connected in parallel to serve as output capacitors to be connected with an output load; the middle points of two output capacitor bridge arms pass through a switch tube S5Connected, the purpose of the design is when S is5When the power supply is turned off, the two output capacitors are in parallel connection, and the output voltage of the converter is equal to the voltage at the two ends of the capacitors; s5When the capacitor is conducted, the two output capacitors are in series connection, the output voltage is equal to the sum of the two capacitor voltages, and S is adjusted5The duty cycle can regulate the output voltage, and the voltage regulation range is 1 to 2 times. Let V2Voltage across secondary side winding of transformer, d secondary side switch tube S5On duty cycle of (3), then the output voltage VoThe expression of (a) is:
Vo=(1+d)V2 (1)
because PWM voltage regulation is adopted to replace variable frequency voltage regulation, the converter can work near a resonance point at a fixed frequency, and the switching frequency is slightly lower than the resonance frequency, so that ZVS can be realized for all switching tubes on the primary side, and secondary diodes d1,d2ZCS may be implemented. Different from the traditional LLC parameter design, in order to reduce the turn-off loss and the turn-on loss of the primary side switching device, the excitation inductance of the converter can be designed to be large enough. However, in order to ensure that ZVS of the switching tube on the primary side of the converter can be realized, that is, charging and discharging of the junction capacitors of the four switching devices on the primary side can be completed within the dead time, the excitation inductor L of the transformermMust satisfy:
Figure BDA0003334718000000061
wherein t isdeadRepresenting the dead time, C, of the switching devices of the same bridge armsRepresenting the junction capacitance of the switching device, frRepresenting the resonant frequency of the LC series resonator. For the design of the series resonant cavity, the resonant inductor has no great influence on the operation characteristic of the converter because the converter only works near a resonant point. Therefore, in order to reduce the volume and reduce the cost, the leakage inductance of the transformer is used as the resonant inductance, and meanwhile, the resonant capacitance can be calculated by the resonant frequency and the leakage inductance value of the transformer:
Figure BDA0003334718000000071
wherein f isrRepresenting the resonant frequency, L, of the LC series resonatorrRepresenting the transformer leakage inductance value.
The present invention also proposes another variable structure LLC converter with wide output voltage range, and the structure, primary side and series resonant cavity are completely in accordance with invention 1, as shown in fig. 2.
At the secondary side, electricityContainer C1And diode d3Connected in series to form an arm, a capacitor C2And diode d4An arm is also formed, the positions of the capacitors and the diodes of the two arms are opposite, and the two arms are connected in parallel to serve as output capacitors to be connected with an output load; diode d1,d2And a switching tube S5,S6The body diode of (1) constitutes a bridge rectifier with a variable structure, and the bridge arm of the diode of the traditional bridge rectifier is connected on a direct current bus, as shown by d in the figure1,d2In the present invention, S5Anode of body diode and S6The cathode of the body diode is respectively connected with the middle points of two output capacitor bridge arms, and the design aims at that when the alternating current measuring direction is positive, the circuit gives a capacitor C1Charging, conversely, when the current is negative, the circuit gives the capacitor C2Charging, namely charging two capacitors in one switching period; in addition to the role of rectification, S5,S6Also as a switching device connecting the midpoints of two output capacitor bridge arms, the design is aimed at when S is5,S6When the two output capacitors are connected in series, and when at least one of the two output capacitors is disconnected, the two output capacitors are connected in parallel, so that the switching device S is adjusted5,S6The ratio of simultaneous conduction can realize the change of the gain of the output voltage from 1 to 2.
The driving signals of the switching tubes of the converter are shown in figure 3, and the primary side switching tube Q1,Q4And Q2,Q3The switching frequency is slightly lower than the resonance frequency by alternately conducting at 50 percent duty ratio (ignoring dead time), so that ZVS can be realized on all switching tubes on the primary side, and a diode d on the secondary side1,d2ZCS can be realized; secondary side switch tube S5,S6The duty ratio of (D) is more than or equal to 0.5 and less than or equal to 1, and S is controlled5On and off time and Q1,Q4Synchronization, S6On and off time and Q2,Q3Is synchronized so that S5,S6The synchronous rectification function is provided, and the loss of the converter can be reduced. Let V2The voltage at two ends of a secondary side winding of the transformer outputs a voltage V by neglecting the influence of dead time on a circuitoExpression ofThe formula is as follows:
Vo=2DV2 (4)
the design of the excitation inductance and the series resonant cavity parameters in the converter is consistent with that in the invention 1.
The invention can work the primary side of the two proposed variable structure LLC converters in a half-bridge mode, namely to keep Q, aiming at the places with wider voltage range3Off, Q4And conducting. By changing the half-bridge mode and the full-bridge mode, the voltage regulating range of the converter can be expanded to four times.
The invention also provides a new topology which is constructed by taking the whole variable structure LLC converter shown in fig. 1 and fig. 2 as a sub-module in a mode of input parallel connection and output serial connection aiming at partial medium-voltage high-power places, and is applied to places with hundreds of kilowatts and megawatts, and the structure of the new topology is shown in fig. 4-fig. 5.
In the scheme of the first mode, the secondary side structure can realize the aim of aligning two output capacitors C in one switching period1,C2Charging of (1); and diode and capacitor series circuit and switch tube S5The structure of the switch tube can lead the output capacitors to form a series or parallel connection relation by changing the state of the switch tube, and the switch tube S5When the power is turned off, the output capacitors are connected in parallel, the output voltage is equal to the voltage at the two ends of the capacitor, S5When the voltage-regulating circuit is switched on, the two output capacitors are connected in series, the output voltage is equal to the sum of the voltages of the two capacitors, the output voltage is regulated by regulating the duty ratio of the switching device, and the voltage regulating range is 1 to 2 times.
In the second embodiment, the switch tube S5,S6When the two capacitors are simultaneously conducted, the two output capacitors are connected in series, the output voltage is equal to the sum of the voltages of the two capacitors, otherwise, the output capacitors are connected in parallel, and the output voltage is equal to the voltages at the two ends of the capacitors. The output voltage is regulated by adjusting the duty cycle of the switching device, and the voltage regulation range is 1 to 2 times. By appropriate control, let S5On and off time and Q1,Q4Synchronous, and S6On and off time and Q2,Q3Is synchronized so that S5,S6The synchronous rectification function is provided, and the loss of the converter can be reduced.
As a further improvement of the invention, the switching tube Q on the primary side3Remains off, Q4The inverter keeps on, the full-bridge inversion of the primary side can work in a half-bridge mode, and the whole voltage regulating range of the inverter can be expanded to 1 to 4 times.
As a further improvement of the invention, when the converter is used in a medium-voltage high-power place, a plurality of LLC converters with variable structures are adopted; and the inputs of the isolated high-frequency resonant DC-DC converters with the wide output voltage range are connected in parallel and the outputs of the isolated high-frequency resonant DC-DC converters are connected in series.
The present invention will be described in detail below with reference to specific embodiments and the accompanying drawings.
Example 1
The variable structure LLC converter topology of the invention is as shown in figure 1.
Wherein the primary side forms a full-bridge inverter circuit and a switching device Q1,Q2Connected in series across the input voltage, i.e. Q1Is connected to the positive pole of a direct voltage, Q2Is connected to the negative pole of the direct voltage, and Q1Source and Q of2Is connected to the drain electrode of Q3,Q4And Q1,Q2The connection modes are consistent. The middle points of the two bridge arms are connected with a transformer through series resonant cavities, i.e. Q1Is connected with a resonant capacitor, the other end of the capacitor is connected with an inductor, the other end of the inductor is connected with a primary side winding of a transformer, and the other end of the winding is connected with a Q3Are connected; the number of primary windings of the transformer is 1, but there are two secondary windings, which are connected to the diode d1,d2Capacitor C1,C2Two half-wave rectifiers are formed, and the specific connection mode is as follows: dotted terminal and d of winding 11Anode connection of, capacitor C1Are respectively connected with d1The cathode of the transformer is connected with the other end of the transformer winding 1; similarly, the end of winding 2 of the same name and d2Is connected to the cathode, a capacitor C2Are respectively connected with d2The anode of the transformer is connected with the other end of the transformer winding 2; diode d3,d4Respectively connected with a capacitor C1,C2In series, i.e. d3And C1Connecting, simultaneously anode and d2Are connected to the anode of d4With C and an anode of2Connecting, simultaneously cathode and d1The cathodes of the two electrodes are connected; finally, the switch tube S5Drain electrode of and diode d4Is connected with the anode of the diode d, and the source electrode is connected with the diode d3Are connected to each other.
In the present embodiment, specific parameters of the converter are shown in table 1:
TABLE 1 converter specific parameters
Figure BDA0003334718000000101
And (3) simulating the converter through MATLAB/Simulink, and verifying that the output voltage of the converter has 2 times of voltage regulation capability.
When the secondary side switching tube S5With a duty cycle of 0.3, the converter steady state waveform is as shown in fig. 6. Wherein v isABRepresents the primary side bridge-junction voltage irRepresenting the resonant current, id1,id2Respectively, represent the current flowing through the diode d1,d2Current of vc1,vc2Respectively represent capacitances C1,C2Voltage across, vsRepresenting the output voltage before the output inductor, ioRepresenting output current, vinRepresenting the input voltage, voRepresenting the output voltage. Regulating S5The on duty ratio of the converter is changed from 0 to 1 within 2ms, the dynamic waveform of the converter is as shown in fig. 7, the output voltage is also changed from 100V to 200V, and the converter has the function of double voltage regulation.
The efficiency curves of the converter under different voltage gains are calculated by simulation as shown in fig. 8, the efficiency of the converter is more than 97.5%, and only the loss of the switching device is considered.
Example 2
Another variable structure LLC converter topology of the invention is shown in fig. 2.
The primary side structure is completely the same as that of invention 1. The secondary side is a variable-structure diode uncontrolled rectification, diode d1,d2Connected in series on the output DC bus, i.e.d1Is connected to a positive direct current bus bar, d2Is connected to a negative DC bus-bar, d1And d is an anode2Is connected with the secondary winding of the transformer; switch tube S5And S6The source electrode of the secondary winding is connected with the other end of the secondary winding; diode d3Cathode and output capacitor C1Connected to the output DC bus, and d3Is connected with the negative pole of the direct current bus, C1Connected to the positive DC bus, in contrast to which the diode d4Anode and output capacitor C2Connected in parallel to the output DC bus, and d4Is connected to a positive DC bus bar, C2Is connected with a negative direct current bus; finally, a switching tube S5Source and d3Cathode is connected to S6And d is a drain electrode4The anodes are connected.
In this embodiment, the specific parameters of the converter are also as in table 1:
simulating the converter through MATLAB/Simulink when a secondary side switching tube S of the converter5,S6With a duty cycle of 0.75, the steady state simulation waveform is shown in fig. 9. When S is5,S6The duty ratio of the converter is linearly increased to 1 from 0.5 within 2ms, the dynamic waveform is as shown in fig. 10, the output voltage is also increased from 100V, and finally the output voltage of the converter is 200V in a steady state, which proves that the converter can realize double voltage regulation. And the efficiency curves of the converter at different voltage gains are calculated by simulation as shown in fig. 11, wherein only the losses of the switching devices are considered.
The above description is only for the purpose of illustrating the preferred embodiments of the present invention and is not to be construed as limiting the invention, and any modifications, equivalents and improvements made within the spirit and principle of the present invention are intended to be included within the scope of the present invention.

Claims (10)

1. A variable structure LLC converter with a wide output voltage range is characterized by comprising an inverter circuit on the primary side, a rectifier circuit on the secondary side, a three-winding transformer for connecting the inverter circuit and the rectifier circuit, and an LC series resonant cavity; inversion at the primary sideThe circuit is a full-bridge inverter circuit, and the full-bridge inverter circuit is connected with the LC series resonant cavity and the primary winding of the transformer; the secondary side is a rectification circuit, wherein, two transformer windings are respectively connected with a diode d1Diode d2And a capacitor C1And a capacitor C2Form two half-wave rectification circuits, a capacitor C1And diode d3Series connection, capacitor C2And diode d4In series, two series midpoints pass through a switching tube S5Connecting; the output end of the rectification circuit on the secondary side is connected with the output inductor and the load.
2. A variable structure LLC converter with a wide output voltage range is characterized by comprising an inverter circuit on the primary side, a rectifier circuit on the secondary side, a transformer for connecting the inverter circuit and the rectifier circuit, and an LC series resonant cavity; the inverter circuit on the primary side is a full-bridge inverter circuit, and the full-bridge inverter circuit is connected with the LC series resonant cavity and the primary winding of the transformer; the secondary side is a rectification circuit, wherein, a capacitor C1And diode d3An output capacitor bridge arm is formed by connecting capacitors C in series2And diode d4Forming another output capacitor bridge arm, wherein the capacitors and the diodes of the two output capacitor bridge arms are opposite in position, and the two output capacitor bridge arms are connected in parallel and then connected with an output inductor and a load; diode d1Diode d2And a switching tube S5Switch tube S6Form a bridge rectifier circuit with a variable structure, wherein the switch tube S5Switch tube S6Connected in series and connected with the middle points of the two output capacitor bridge arms.
3. The wide-output-voltage-range variable-structure LLC converter according to claim 1 or 2, wherein a plurality of variable-structure LLC converters are connected in parallel at their inputs and in series at their outputs to form a medium-voltage high-power DC converter topology.
4. A wide output voltage range variable structure LLC converter as claimed in claim 1, wherein said output voltage VoThe expression of (a) is:
Vo=(1+d)V2 (1)
wherein, V2D is the voltage across the secondary side winding of the transformer, d is the switching tube S5The duty cycle of (c).
5. A wide output voltage range variable structure LLC converter as claimed in claim 2, wherein said output voltage VoThe expression of (a) is:
Vo=2DV2 (2)
wherein, V2Voltage across secondary side winding of transformer, D is switch tube S5And a switching tube S6The duty cycle of (c).
6. A wide output voltage range variable structure LLC converter according to claim 1 or 2, wherein said transformer has an excitation inductance LmSatisfies the following conditions:
Figure FDA0003334717990000021
wherein t isdeadRepresenting the dead time, C, of the switching devices of the same bridge armsRepresenting the junction capacitance of the switching device, frRepresenting the resonant frequency of the LC series resonator.
7. The wide-output-voltage-range variable-structure LLC converter according to claim 1 or 2, wherein the resonant capacitor is satisfied by the resonant frequency and the transformer leakage inductance:
Figure FDA0003334717990000022
wherein f isrRepresenting the resonant frequency, L, of the LC series resonatorrAnd the leakage inductance value of the transformer is represented.
8. A method of controlling a wide output voltage range variable architecture LLC converter as claimed in claim 1, characterized in that it comprises the steps of:
switch tube S5When the power is turned off, the output capacitors are connected in parallel, the output voltage is equal to the voltage at the two ends of the capacitor, S5When the voltage-regulating circuit is switched on, the two output capacitors are connected in series, the output voltage is equal to the sum of the voltages of the two capacitors, the output voltage is regulated by regulating the duty ratio of the switching device, and the voltage regulating range is 1 to 2 times.
9. A method of controlling a wide output voltage range variable architecture LLC converter as claimed in claim 2, characterized in that it comprises the steps of:
switch tube S5,S6When the two capacitors are simultaneously conducted, the two output capacitors are connected in series, the output voltage is equal to the sum of the voltages of the two capacitors, otherwise, the output capacitors are connected in parallel, and the output voltage is equal to the voltages at the two ends of the capacitors; the output voltage is regulated by regulating the duty ratio of the switching device, and the voltage regulation range is 1 to 2 times; by appropriate control, let S5On and off time and Q1,Q4Synchronous, and S6On and off time and Q2,Q3Is synchronized so that S5,S6Has the function of synchronous rectification.
10. A method of controlling a variable structure LLC converter for achieving a wider output voltage range according to claim 1, 2 or 3, characterized by the steps of:
when the primary side switching tube Q1,Q4And Q2,Q3When the current is complementarily conducted at a 50% duty ratio, the primary side works in a full-bridge inversion mode; as primary side switching tube Q3Remains off, Q4When the inverter is kept on, the primary side full-bridge inverter can work in a half-bridge mode; the two modes of the half-bridge and the full-bridge enable the voltage regulation range of the converter to be widened to 1 to 4 times.
CN202111290876.0A2021-11-022021-11-02Variable structure LLC converter with wide output voltage range and methodActiveCN114079384B (en)

Priority Applications (1)

Application NumberPriority DateFiling DateTitle
CN202111290876.0ACN114079384B (en)2021-11-022021-11-02Variable structure LLC converter with wide output voltage range and method

Applications Claiming Priority (1)

Application NumberPriority DateFiling DateTitle
CN202111290876.0ACN114079384B (en)2021-11-022021-11-02Variable structure LLC converter with wide output voltage range and method

Publications (2)

Publication NumberPublication Date
CN114079384Atrue CN114079384A (en)2022-02-22
CN114079384B CN114079384B (en)2024-05-07

Family

ID=80283819

Family Applications (1)

Application NumberTitlePriority DateFiling Date
CN202111290876.0AActiveCN114079384B (en)2021-11-022021-11-02Variable structure LLC converter with wide output voltage range and method

Country Status (1)

CountryLink
CN (1)CN114079384B (en)

Cited By (3)

* Cited by examiner, † Cited by third party
Publication numberPriority datePublication dateAssigneeTitle
CN115189575A (en)*2022-04-122022-10-14湖南大学 High voltage direct current converter and its voltage regulation method
CN116054588A (en)*2023-02-072023-05-02上海交通大学Dual active bridge converter for bi-directional differential power transfer and control method
WO2025003069A1 (en)*2023-06-282025-01-02Signify Holding B.V.Extending the output voltage range of a converter

Citations (12)

* Cited by examiner, † Cited by third party
Publication numberPriority datePublication dateAssigneeTitle
JPH07322613A (en)*1994-05-261995-12-08Murata Mfg Co LtdVoltage resonance converter
CN1368787A (en)*2001-02-092002-09-11台达电子工业股份有限公司 LLC series resonant DC/DC converter
CN203457053U (en)*2011-02-212014-02-26Sma太阳能技术股份公司Direct-current voltage converter, inverter and energy generation device
US20140112026A1 (en)*2012-10-242014-04-24National Tsing Hua UniversityResonant dc converter
CN103944397A (en)*2014-04-112014-07-23燕山大学 Boost type isolated DC/DC converter and its control method
CN204696926U (en)*2015-06-192015-10-07正德职业技术学院A kind of adjustable compression set LLC resonant converter frequently
CN106602880A (en)*2016-10-282017-04-26深圳朗兴智能云充有限公司Large power high efficiency thermal equilibrium LLC resonant converter and control method thereof
CN110139775A (en)*2016-12-142019-08-16雷诺股份公司Method for controlling charging equipment vehicle-mounted on electronic or hybrid vehicle
CN110829855A (en)*2019-12-252020-02-21国网江苏省电力有限公司宿迁供电分公司LLC converter switching over wide voltage range based on alternating current switch
CN112039355A (en)*2020-11-052020-12-04深圳英飞源技术有限公司Series-parallel switching circuit and switching method for transformer winding
CN112928919A (en)*2021-01-152021-06-08西安交通大学Isolated high-frequency resonant DC-DC converter with wide output voltage range and method
CN113114041A (en)*2021-04-062021-07-13上海科技大学LLC resonant converter with improved light-load performance

Patent Citations (12)

* Cited by examiner, † Cited by third party
Publication numberPriority datePublication dateAssigneeTitle
JPH07322613A (en)*1994-05-261995-12-08Murata Mfg Co LtdVoltage resonance converter
CN1368787A (en)*2001-02-092002-09-11台达电子工业股份有限公司 LLC series resonant DC/DC converter
CN203457053U (en)*2011-02-212014-02-26Sma太阳能技术股份公司Direct-current voltage converter, inverter and energy generation device
US20140112026A1 (en)*2012-10-242014-04-24National Tsing Hua UniversityResonant dc converter
CN103944397A (en)*2014-04-112014-07-23燕山大学 Boost type isolated DC/DC converter and its control method
CN204696926U (en)*2015-06-192015-10-07正德职业技术学院A kind of adjustable compression set LLC resonant converter frequently
CN106602880A (en)*2016-10-282017-04-26深圳朗兴智能云充有限公司Large power high efficiency thermal equilibrium LLC resonant converter and control method thereof
CN110139775A (en)*2016-12-142019-08-16雷诺股份公司Method for controlling charging equipment vehicle-mounted on electronic or hybrid vehicle
CN110829855A (en)*2019-12-252020-02-21国网江苏省电力有限公司宿迁供电分公司LLC converter switching over wide voltage range based on alternating current switch
CN112039355A (en)*2020-11-052020-12-04深圳英飞源技术有限公司Series-parallel switching circuit and switching method for transformer winding
CN112928919A (en)*2021-01-152021-06-08西安交通大学Isolated high-frequency resonant DC-DC converter with wide output voltage range and method
CN113114041A (en)*2021-04-062021-07-13上海科技大学LLC resonant converter with improved light-load performance

Non-Patent Citations (2)

* Cited by examiner, † Cited by third party
Title
M. SHANG AND H. WANG: "A Voltage Quadrupler Rectifier Based Pulsewidth Modulated LLC Converter With Wide Output Range", 《TRANSACTIONS ON INDUSTRY APPLICATIONS》, vol. 54, no. 6, pages 6159 - 6168, XP011691312, DOI: 10.1109/TIA.2018.2850033*
刘云: "基于LLC谐振的双向全桥DC/DC变换器的研究", 《中国优秀硕士学位论文全文数据库工程科技Ⅱ辑》, pages 042 - 758*

Cited By (4)

* Cited by examiner, † Cited by third party
Publication numberPriority datePublication dateAssigneeTitle
CN115189575A (en)*2022-04-122022-10-14湖南大学 High voltage direct current converter and its voltage regulation method
CN115189575B (en)*2022-04-122023-03-14湖南大学High-voltage direct-current converter and voltage regulating method thereof
CN116054588A (en)*2023-02-072023-05-02上海交通大学Dual active bridge converter for bi-directional differential power transfer and control method
WO2025003069A1 (en)*2023-06-282025-01-02Signify Holding B.V.Extending the output voltage range of a converter

Also Published As

Publication numberPublication date
CN114079384B (en)2024-05-07

Similar Documents

PublicationPublication DateTitle
Jin et al.Hybrid full-bridge three-level LLC resonant converter—A novel DC–DC converter suitable for fuel-cell power system
CN112928919B (en) Isolated high-frequency resonant DC-DC converter with wide output voltage range and method
CN103944397B (en)Boost type isolation DC/DC converter and control method thereof
CN108696140A (en)Full-bridge resonance DC-DC converter with wide output voltage range and modulator approach
CN114079384B (en)Variable structure LLC converter with wide output voltage range and method
CN107968471B (en)LCLC resonance circuit, wide-range constant-power output direct-current charger and control method
CN111431415B (en)High-boost isolated DC converter with parallel input and series output
CN104980037A (en)Secondary side adjustment type fixed frequency resonant converter and control method thereof
CN108880268A (en)The multi-mode control method of the semi-active bridge DC-DC converter of voltage-source type
CN107482922A (en) A Bidirectional LLC Resonant Converter Based on Toggle Switch
CN106787757A (en)A kind of CLTCL resonance DCs converter
CN111884521B (en) Single-stage Boost full-bridge boost zero-current switching DC converter and its control method
CN118316313A (en) An ultra-wide range zero switching loss isolated DC-DC converter and control method
CN210724563U (en) A Novel Boost DC-DC Converter Topology with TΓ
Ali et al.Optimized control for modified push-pull dual active bridge converter to achieve wide ZVS range and low current stress
CN114759802A (en)ZVZCS full-bridge three-level DCDC converter
CN116418238B (en)Three-switch half-bridge wide-range LLC resonant converter and use method thereof
CN201018423Y (en) A Full-Bridge Converter Realizing Zero-Voltage and Zero-Current Switching with Lag Bridge Arm
Tseng et al.Interleaved coupled-inductor boost converter with boost type snubber for PV system
Zhan et al.A high step-up bidirectional isolated dual-active-bridge converter with three-level voltage-doubler rectifier for energy storage applications
CN107769390B (en)Independent current control battery energy storage system easy to expand and control method thereof
CN116683741A (en)Dual-switch-tube high-gain converter with coupling inductor and control method
CN117013831A (en)Hybrid ISOP-based wide input voltage range DC-DC converter and voltage regulating method
CN116865567A (en) A three-level hybrid isolated DC-DC converter
Kim et al.Triple-Mode Wide-Input Range Resonant DC–DC Converter With Extended Asymmetric Modulation

Legal Events

DateCodeTitleDescription
PB01Publication
PB01Publication
SE01Entry into force of request for substantive examination
SE01Entry into force of request for substantive examination
GR01Patent grant
GR01Patent grant

[8]ページ先頭

©2009-2025 Movatter.jp