Movatterモバイル変換


[0]ホーム

URL:


CN113696767A - Method for charging vehicle, in-vehicle electronic apparatus, vehicle, and medium - Google Patents

Method for charging vehicle, in-vehicle electronic apparatus, vehicle, and medium
Download PDF

Info

Publication number
CN113696767A
CN113696767ACN202111032593.6ACN202111032593ACN113696767ACN 113696767 ACN113696767 ACN 113696767ACN 202111032593 ACN202111032593 ACN 202111032593ACN 113696767 ACN113696767 ACN 113696767A
Authority
CN
China
Prior art keywords
charging
vehicle
charging port
charge
charged
Prior art date
Legal status (The legal status is an assumption and is not a legal conclusion. Google has not performed a legal analysis and makes no representation as to the accuracy of the status listed.)
Pending
Application number
CN202111032593.6A
Other languages
Chinese (zh)
Inventor
梁晨
Current Assignee (The listed assignees may be inaccurate. Google has not performed a legal analysis and makes no representation or warranty as to the accuracy of the list.)
Shanghai Pateo Electronic Equipment Manufacturing Co Ltd
Original Assignee
Shanghai Pateo Electronic Equipment Manufacturing Co Ltd
Priority date (The priority date is an assumption and is not a legal conclusion. Google has not performed a legal analysis and makes no representation as to the accuracy of the date listed.)
Filing date
Publication date
Application filed by Shanghai Pateo Electronic Equipment Manufacturing Co LtdfiledCriticalShanghai Pateo Electronic Equipment Manufacturing Co Ltd
Priority to CN202111032593.6ApriorityCriticalpatent/CN113696767A/en
Priority to PCT/CN2021/121367prioritypatent/WO2023029139A1/en
Publication of CN113696767ApublicationCriticalpatent/CN113696767A/en
Pendinglegal-statusCriticalCurrent

Links

Images

Classifications

Landscapes

Abstract

Embodiments of the present disclosure relate to a method for vehicle charging, an in-vehicle electronic device, a vehicle, and a medium. According to the method, if it is determined that the distance between the currently-charging vehicle and the preceding vehicle to be charged is less than or equal to a first predetermined distance: two charging poles extend out of the front part; and acquiring at least one image via at least one image acquisition device, each image comprising at least one of two charging ports of a tail of the vehicle to be charged; determining a size and a position of the at least one charging port based on the at least one image; controlling the current charging vehicle to move based on the size and the position of the at least one charging port and the calibrated size and the calibrated position of the at least one charging port; and charging the vehicle to be charged through the battery and the two charging poles via the charge management unit in response to receiving a message regarding the charging connection confirmation from the vehicle to be charged through the wireless channel. From this, can realize that the vehicle that charges is connected in order to charge with waiting to charge vehicle through two charge poles.

Description

Method for charging vehicle, in-vehicle electronic apparatus, vehicle, and medium
Technical Field
Embodiments of the present disclosure generally relate to the field of charging, and more particularly, to a method for charging a vehicle, an in-vehicle electronic device, a vehicle, and a computer storage medium.
Background
The development of new energy automobiles, especially electric automobiles, is not geared at all in the world. The healthy development of the electric automobile industry is supported by the great force of charging infrastructure. The current mainstream charging mode is charging for charging pile, but seems the charging network of rapid development, still can not satisfy the reality demand. This is because the pain points therein are these irreconcilable contradictions: 1) the proportion of the charging pile and the vehicle is imbalanced, and is particularly obvious in certain areas; 2) the damage proportion of the public charging pile is serious; 3) the parking use occupancy ratio of the charging station is high; 4) fill electric pile, the fortune of charging station maintains with high costs.
Disclosure of Invention
A method for charging a vehicle, an in-vehicle electronic device, a vehicle, and a computer storage medium are provided, which enable a charging vehicle to be connected to a vehicle to be charged through two charging poles for charging.
According to a first aspect of the present disclosure, a method for charging a vehicle is provided. The method comprises the following steps: if it is determined that the distance between the currently-charged vehicle and the preceding vehicle to be charged is less than or equal to a first predetermined distance: controlling a charging pole telescopic device to extend out of two charging poles from the front part of the current charging vehicle; and acquiring at least one image via at least one image acquisition device, each of the at least one image comprising at least one of two charging ports of a tail of the vehicle to be charged; determining a size and a position of the at least one charging port based on the at least one image; controlling the current charging vehicle to move based on the size and the position of the at least one charging port and the calibrated size and the calibrated position of the at least one charging port, so that the two charging poles are connected and matched with the two charging ports; and in response to receiving a message regarding a charging connection confirmation from the vehicle to be charged through the wireless communication channel, charging the vehicle to be charged through the battery and the two charging poles in the vehicle to be charged via the charging management unit in the vehicle to be charged.
According to a second aspect of the present disclosure, an in-vehicle electronic apparatus is provided. The in-vehicle electronic device includes: at least one processor, and a memory communicatively connected to the at least one processor, wherein the memory stores instructions executable by the at least one processor, the instructions being executable by the at least one processor to enable the at least one processor to perform the method according to the first aspect.
According to a third aspect of the present disclosure, a vehicle for charging is provided. The vehicle includes: the charging management unit is electrically connected with the battery; the charging pole telescoping device is used for controlling the two charging poles to extend out of and retract back from the front part of the vehicle; the charging pole lifting device is used for controlling the lifting of the two charging poles; and the vehicle-mounted electronic equipment according to the second aspect, electrically connected with the charging management unit, the charging pole retracting device and the charging pole lifting device.
In a fourth aspect of the present disclosure, a computer-readable storage medium is provided, on which a computer program is stored which, when executed by a processor, implements a method according to the first aspect of the present disclosure.
It should be understood that the statements in this section do not necessarily identify key or critical features of the embodiments of the present disclosure, nor do they limit the scope of the present disclosure. Other features of the present disclosure will become apparent from the following description.
Drawings
The above and other features, advantages and aspects of various embodiments of the present disclosure will become more apparent by referring to the following detailed description when taken in conjunction with the accompanying drawings. In the drawings, like or similar reference characters designate like or similar elements.
FIG. 1 is a schematic diagram of aninformation handling environment 100 according to an embodiment of the present disclosure.
Fig. 2 is a top view of astate 200 where a charging pole is proximate to a charging port according to an embodiment of the present disclosure.
Fig. 3 is a side view of astate 300 in which a chucking rod is inserted into a hole of an end of a charging rod according to an embodiment of the present disclosure.
Fig. 4 is a front view of afront portion 400 of a charging vehicle according to an embodiment of the present disclosure.
Fig. 5 is a schematic diagram of amethod 500 for vehicle charging, according to an embodiment of the disclosure.
Fig. 6 is a schematic diagram of amethod 600 for controlling movement of a currently charging vehicle, in accordance with an embodiment of the present disclosure.
Fig. 7 is a schematic diagram of amethod 700 for adjusting the height of two charge poles via a charge pole lifting device, according to an embodiment of the present disclosure.
Fig. 8 is a schematic diagram of amethod 800 for charging a vehicle to be charged by a battery and two charge bars via a charge management unit, according to an embodiment of the disclosure.
Fig. 9 is a schematic diagram of aprocess 900 for vehicle charging, according to an embodiment of the disclosure.
Fig. 10 is a block diagram of anelectronic device 1000 for implementing a method for vehicle charging of an embodiment of the present disclosure.
Detailed Description
Exemplary embodiments of the present disclosure are described below with reference to the accompanying drawings, in which various details of the embodiments of the disclosure are included to assist understanding, and which are to be considered as merely exemplary. Accordingly, those of ordinary skill in the art will recognize that various changes and modifications of the embodiments described herein can be made without departing from the scope and spirit of the present disclosure. Also, descriptions of well-known functions and constructions are omitted in the following description for clarity and conciseness.
The term "include" and variations thereof as used herein is meant to be inclusive in an open-ended manner, i.e., "including but not limited to". Unless specifically stated otherwise, the term "or" means "and/or". The term "based on" means "based at least in part on". The terms "one example embodiment" and "one embodiment" mean "at least one example embodiment". The term "another embodiment" means "at least one additional embodiment". The terms "first," "second," and the like may refer to different or the same object. Other explicit and implicit definitions are also possible below.
As mentioned above, the charging scheme of the traditional charging pile has the problems of insufficient charging pile, serious damage to the charging pile, occupied parking space of the charging pile, high operating cost of the charging pile and the like.
To address, at least in part, one or more of the above issues and other potential issues, an example embodiment of the present disclosure proposes a scheme for vehicle charging. In this scheme, if it is determined that the distance between the current charging vehicle and the preceding vehicle to be charged is less than or equal to a first predetermined distance, the in-vehicle electronic device of the charging vehicle: controlling a charging pole telescopic device to extend out of two charging poles from the front part of the current charging vehicle; and acquiring at least one image via at least one image acquisition device, each of the at least one image comprising at least one of the two charging ports of the tail of the vehicle to be charged. Determining, by an on-board electronic device of the charging vehicle, a size and a position of the at least one charging port based on the at least one image; based on the size and the position of at least one charging port and the calibrated size and the calibrated position of at least one charging port, the current charging vehicle is controlled to move, so that the two charging poles are connected and matched with the two charging ports. The on-board electronic device of the charging vehicle charges the vehicle to be charged through the battery and the two charging poles in the current charging vehicle via the charge management unit in the current charging vehicle in response to receiving a message regarding the charging connection confirmation from the vehicle to be charged through the wireless communication channel. In this way, it is possible to realize that the charging vehicle is connected to the vehicle to be charged through the two charging poles to perform charging.
Hereinafter, specific examples of the present scheme will be described in more detail with reference to the accompanying drawings.
FIG. 1 shows a schematic diagram of an example of aninformation processing environment 100, according to an embodiment of the present disclosure.Information handling environment 100 may include a chargingvehicle 110 and a vehicle to be charged 120.
As for the chargingvehicle 110, it may include an in-vehicleelectronic device 111, abattery 112, acharging management unit 113, two charging poles 114-1 and 114-2 (hereinafter collectively referred to as 114), a chargingpole retracting device 115, a chargingpole elevating device 116, awireless communication unit 117, and at least oneimage pickup device 118.
The in-vehicleelectronic device 111 may be electrically connected with the chargepole retraction device 115 to control the chargepole retraction device 115 to extend and retract the two charge poles 114 from the front of the chargingvehicle 110. The in-vehicleelectronic device 111 may also be electrically connected to the chargepole elevating device 116 to control the chargepole elevating device 116 to raise and lower the two charge poles 114. The in-vehicleelectronic device 111 may also be electrically connected with thecharge management unit 113 to control thecharge management unit 113 to charge thevehicle 120 to be charged through thebattery 112 and the charge lever 114.
Thecharge management unit 113 is used to manage a process (may also be referred to as discharging) of externally charging thebattery 112.
The charge pole 114 may be located at the front of the chargingvehicle 110. The two charge poles 114 may be left-right symmetric with respect to a central axis of the chargingvehicle 110. The charge pole 114 may extend and retract through an opening at the front of the chargingvehicle 110. For example, the opening may be located at a front heat sink of chargingvehicle 110. In some embodiments, the opening of the front of the chargingvehicle 110 may have a cover and a cover control unit for controlling opening and closing of the cover. The cover control unit is electrically connected to the in-vehicleelectronic apparatus 111 so as to open the cover upon receiving an instruction to extend the charge pole 114 from the in-vehicleelectronic apparatus 111, and close the cover upon receiving an instruction to retract the charge pole 114 from the in-vehicleelectronic apparatus 111.
The chargepole extension device 115 is used to control the extension and retraction of the charge pole 114 from the front of thecharging vehicle 110. The chargepole elevating device 116 is used to control the charge pole 114 to be raised and lowered. It should be understood that although a separatecharge pole retractor 115 andcharge pole elevator 116 are shown in fig. 1, this is by way of example only, and that thecharge pole retractor 115 and thecharge pole elevator 116 may also be implemented as one device, and the scope of the present disclosure is not limited thereto. It should also be understood that although thecharging pole retractor 115 is shown in fig. 1 as controlling the retraction of two charging poles 114-1 and 114-2, this is by way of example only, and thecharging pole retractor 115 may be implemented as two separate charging pole retractors, one for each charging pole. Similarly, thecharging pole elevator 116 may also be implemented as two separate charging pole elevators, one for each charging pole.
Thewireless communication unit 117 is electrically connected to the in-vehicleelectronic device 111 and thecharging management unit 113, and it can communicate with thewireless communication unit 124 by a short-range wireless communication technique, for example, by bluetooth, UWB (ultra wide band), and/or can communicate with thewireless communication unit 124 by a cellular wireless communication technique, for example, by 4G, 5G, or the like.
Image capture device 118 may be located at the front of chargingvehicle 110. Although 1image capture device 118 is shown in fig. 1, this is by way of example only, and the number ofimage capture devices 118 may be greater, such as 2. In some embodiments, oneimage capture device 118 may be located on an upper side of, e.g., directly above, the charge pole 114-1 and anotherimage capture device 118 may be located on an upper side of, e.g., directly above, the charge pole 114-2.
As for the vehicle to be charged 120, it may be in a running state. The vehicle to be charged 120 may include two charging ports 121-1 and 121-2 (hereinafter, collectively referred to as 121), abattery 122, acharging management unit 123, and awireless communication unit 124.
The charging port 121 is electrically connected to abattery 122 for charging thebattery 122. The charging port 121 may be located at the rear of thevehicle 120 to be charged. The two charging ports 121 may be bilaterally symmetrical with respect to a central axis of thevehicle 120 to be charged. The shape of the charging port 121 may be rectangular, circular, elliptical, or other suitable shapes.
Thecharge management unit 123 is used to manage the charging process of thebattery 122.
Thewireless communication unit 124 is electrically connected to thecharging management unit 123, and may communicate with thewireless communication unit 117 by a short-range wireless communication technique, for example, by bluetooth, UWB (ultra wide band), and/or may communicate with thewireless communication unit 117 by a cellular wireless communication technique, for example, by 4G, 5G, and the like.
The in-vehicleelectronic device 111 is configured to, if it is determined that the distance between thecurrent charging vehicle 110 and the preceding vehicle to be charged 120 is less than or equal to a first predetermined distance: control the chargepole extension device 115 to extend two charge poles 114 from the front of thepresent charging vehicle 110; and acquiring at least one image via the at least oneimage acquisition device 118, each of the at least one image comprising at least one of the two charging ports 121 of the tail of thevehicle 120 to be charged; determining a size and a position of the at least one charging port 121 based on the at least one image; controlling the current movement of the chargingvehicle 110 based on the size and position of the at least one charging port 121 and the calibrated size and calibrated position of the at least one charging port so that the two charging poles 114 are connected and matched with the two charging ports 121; and in response to receiving a message on the charging connection confirmation from the vehicle to be charged 120 through the wireless communication channel, charging the vehicle to be charged 120 through thebattery 112 and the two charge poles 114 in thecurrent charging vehicle 110 via thecharging management unit 113 in thecurrent charging vehicle 110.
From this, can realize that the vehicle that charges is connected in order to charge with waiting to charge vehicle through two charge poles.
In some embodiments, two charge poles 114-1 and 114-2 may also be combined into one charge pole, including a positive pole and a negative pole. Accordingly, the two charging ports 121-1 and 121-2 may be combined into one charging port, which includes a positive interface and a negative interface. The technical solution herein may be applicable to adaptation in case of one charging pole and one charging port.
Fig. 2 illustrates a top view of astate 200 of a charging pole approaching a charging port, according to an embodiment of the present disclosure. It should be understood that fig. 2 only shows the case of one of the charging poles and one of the charging ports, and the case of the other charging pole and the other charging port is similar, and the description thereof is omitted.
As shown in fig. 2, the end of the chargingrod 210 has ahole 220. It should be understood that while FIG. 2 shows a circular annular ring, this is by way of example only and that theaperture 220 may take other shapes.
Acontact sensing device 240 may be installed at the chargingport 230. The width between the guide walls of the chargingport 230 may be slightly larger than the diameter of thecharging pole 210. Thecontact sensing device 240 may be electrically connected with thecharge management unit 122 in the vehicle to be charged 120.
As shown in fig. 2, the distance between the guide walls of the chargingport 230 may be gradually decreased from the outside to the inside to guide thecharge pole 210 to thecontact sensing device 240.
A chucking rod (not shown) may be further installed at the chargingport 230. The chucking rod may be inserted into thehole 220 to fix thecharge rod 210 such that thecharge rod 210 is coupled to be matched with the chargingport 230.
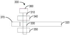
Fig. 3 shows a side view of astate 300 in which a chucking rod is inserted into a hole of an end of a charging rod according to an embodiment of the present disclosure. It should be understood that fig. 3 only shows the case of one of the charging poles and one of the charging ports, and the case of the other charging pole and the other charging port is similar, and the description thereof is omitted.
As shown in fig. 3, the chuckinglever 310 is inserted into ahole 330 in the charginglever 320 through a hole in a fixingbracket 340 on the upper side of the charging port and finally into a hole in a fixingbracket 350 on the lower side of the charging port, so that the chuckinglever 310 is fixedly coupled with the charginglever 320.
The lower end of thelatch lever 310 may be slightly smaller relative to the rest of the latch lever to facilitate timely latching. Thelatch 310 may initially be in a raised state.
Thecontact sensing device 370 and the chuckinglever elevating device 360 may be electrically connected with thecharge management unit 122 in thevehicle 120 to be charged.
Thecharge management unit 122 may be configured to control the chuckinglever elevating device 360 to lower the chuckinglever 310 to insert thehole 330 in response to sensing the entrance of thecharge lever 320 into the charge port via thecontact sensing device 370.
Thecharge management unit 122 may also be configured to control the chuckinglever elevating device 360 to elevate the chuckinglever 310 in response to sensing, via the chuckinglever elevating device 360, that the chuckinglever 310 is not inserted into thehole 330.
Thecharging management unit 122 may also be configured to send a message to the chargingvehicle 110 over the wireless communication channel regarding a charging connection confirmation in response to sensing, via the twolever lifters 360, that bothlevers 310 are inserted into the correspondingapertures 330.
The method for charging the vehicle on the vehicle side to be charged is described in detail below with reference to fig. 9.
Fig. 4 shows a front view of afront portion 400 of a charging vehicle according to an embodiment of the disclosure.
As shown in fig. 4, the front of the charging vehicle has two image capturing devices 410-1 and 410-2 and two openings 420-1 and 420-2. Image capture device 410-1 is positioned over opening 420-1 and image capture device 410-2 is positioned over opening 420-2. Charge pole 430-1 may extend from the front of the charging vehicle through opening 420-1, and charge pole 430-2 may extend from the front of the charging vehicle through opening 420-2.
The initial position of charge pole 430-1 may be located in the middle of opening 420-1. After extension, charge pole 430-1 may be raised up or lowered down from the middle of opening 420-1. The charge pole 430-2 is similar and will not be described in detail. From this, the height of pole of charging can be adjusted to in the high phase-match of the mouth that charges with the afterbody of the vehicle of waiting to charge.
Fig. 5 shows a flow diagram of amethod 500 for vehicle charging according to an embodiment of the present disclosure. For example,method 500 may be performed by in-vehicleelectronic device 111 as shown in FIG. 1. It should be understood thatmethod 500 may also include additional blocks not shown and/or may omit blocks shown, as the scope of the disclosure is not limited in this respect.
Atblock 502, the in-vehicleelectronic device 111 determines whether the distance between thecurrent charging vehicle 110 and the preceding vehicle to be charged 120 is less than or equal to a first predetermined distance.
For example, the in-vehicleelectronic device 111 may acquire a first current location of thecurrent charging vehicle 110 and a second current location of the vehicle to be charged 120. The in-vehicleelectronic device 111 may receive the second current position of the vehicle to be charged 120 directly from the vehicle to be charged 120 via thewireless communication unit 117, for example, by bluetooth, UWB, or the like. The in-vehicleelectronic device 111 may also receive the second current location of the vehicle to be charged 120 from the remote server via thewireless communication unit 117, for example, by 4G, 5G, or the like. In this case, the vehicle to be charged 120 may transmit its current location to the remote server in real time or periodically.
Subsequently, the in-vehicleelectronic device 111 may determine the distance between thecurrent charging vehicle 110 and the vehicle to be charged 120 based on the first current position and the second current position.
Next, it is determined whether the distance is less than or equal to a first predetermined distance. The first predetermined distance includes, for example, but is not limited to, 5 meters, 3 meters, 2 meters, and the like.
In some embodiments, beforeblock 502, the in-vehicleelectronic device 111 may receive a charging instruction from the charging scheduling server, where the charging instruction may include information such as a current location, a driving route, a vehicle speed, and a license plate identifier of thevehicle 120 to be charged. The charging instruction may be triggered by a charging request sent from the vehicle to be charged 120 to the charging scheduling server. The charging request may include information such as a current location, a driving route, a vehicle speed, and a license plate identifier of thevehicle 120 to be charged.
The in-vehicleelectronic device 111 may determine a navigation route based on the current position of the vehicle to be charged 120, the travel route, and the vehicle speed and control thecurrent charging vehicle 110 to travel to approach the vehicle to be charged 120 continuously based on the navigation route. The in-vehicleelectronic device 111 may establish a V2V or Sparklink (star flash short-range communication technology) connection with thevehicle 120 to be charged, receive vehicle speed, braking, steering information of thevehicle 120 to be charged, and video information including the front environment from thevehicle 120 to be charged with its low latency characteristic, and control the traveling of thecurrent charging vehicle 110 based on these information.
If the in-vehicleelectronic device 111 determines atblock 502 that the distance between thecurrent charging vehicle 110 and the preceding vehicle to be charged 120 is less than or equal to the first predetermined distance, the chargepole telescoping device 115 is controlled to extend two charge poles 114 from the front of thecurrent charging vehicle 110 atblock 504.
Atblock 506, at least one image is acquired via the at least oneimage capture device 118, each of the at least one image including at least one of the two charging ports 121 of the tail of thevehicle 120 to be charged.
In some embodiments, the in-vehicleelectronic device 111 may acquire a first image via the first image capture device 410-1, the first image including a first charging port of the two charging ports, and acquire a second image via the second image capture device 410-2, the second image including a second charging port of the two charging ports.
The first image capturing device 410-1 may be located at a first side of a front portion of thecurrent charging vehicle 110, and the first charging port may be located at a first side of a rear portion of the vehicle to be charged 120. The second image capturing device 410-2 may be located at a second side of the front of thecurrent charging vehicle 110, and the second charging port is located at a second side of the rear of the vehicle to be charged 120. The first side is for example the right side and the second side is for example the left side, or vice versa.
In other embodiments, the in-vehicleelectronic device 111 may acquire an image including one or two charging ports 121 via oneimage capture device 118.
It should be understood that althoughblock 504 is shown as being performed first and then block 506, this is by way of example only, and thatblock 506 may be performed first and then block 504, or thatblock 504 and block 506 may be performed in parallel, as the scope of the present disclosure is not limited in this respect.
Returning to FIG. 5, atblock 508, the in-vehicleelectronic device 111 determines a size and a location of the at least one charging port based on the at least one image.
For example, for the case of two images, the in-vehicleelectronic device 111 may identify the charging port in each image and determine the size and location of the charging port in the image, such as the length and width of the charging port and 4 angular coordinates.
In the case of one image, the in-vehicleelectronic device 111 may identify one or two charging ports in the image and determine the size and location of one or two charging ports in the image, such as the length and width of one or two charging ports and 4 angular coordinates.
At block 510, the in-vehicleelectronic device 111 controls the current movement of the chargingvehicle 110 based on the size and position of the at least one charging port and the calibrated size and position of the at least one charging port such that the two charging poles 114 are coupled to match the two charging ports 121.
The calibrated size and the calibrated position of the charging port are such that the image acquisition device acquires the size and the position of the charging port in the image including the charging port when the charging rod extending from thecurrent charging vehicle 110 is connected and matched with the charging port. The size and the position of the charging port are consistent with the calibrated size and the calibrated position, which indicates that the charging pole is connected and matched with the charging port. The calibration size and the calibration position of the charging port may be stored in the in-vehicleelectronic device 111 in advance.
For example, if the determined size of the charging port is less than the calibrated size of the charging port, it indicates that the distance between thecurrent charging vehicle 110 and thevehicle 120 to be charged is too far to match the protruding charging pole to the charging port connection. In this case, the in-vehicleelectronic device 111 may control the longitudinal movement of thecurrent charging vehicle 110 to shorten the distance to the vehicle to be charged 120.
For example, if the determined size of the charging port is greater than the calibrated size of the charging port, it indicates that the distance between thecurrent charging vehicle 110 and thevehicle 120 to be charged is too close, such that the protruding charging pole cannot be mated with the charging port connection. In this case, the in-vehicleelectronic device 111 may control the longitudinal movement of thepresent charging vehicle 110 to elongate the distance to the vehicle to be charged 120.
For example, if the determined position of the charging port is off to the left relative to the nominal position of the charging port, it indicates that thecurrent charging vehicle 110 is off to the right relative to thevehicle 120 to be charged. In this case, the in-vehicleelectronic device 111 may control thepresent charging vehicle 110 to move laterally to the left side.
For example, if the determined position of the charging port is off to the right relative to the nominal position of the charging port, it indicates that thecurrent charging vehicle 110 is off to the left relative to thevehicle 120 to be charged. In this case, the in-vehicleelectronic device 111 may control thepresent charging vehicle 110 to move laterally to the right.
A method for controlling the movement of thecurrent charging vehicle 110 according to an embodiment of the present disclosure is described in detail below in conjunction with fig. 6.
At block 512, the in-vehicleelectronic device 111 receives a message regarding a charging connection confirmation from the vehicle to be charged 120 over the wireless communication channel.
In response to the in-vehicleelectronic device 111 receiving the message regarding the charging connection confirmation from the vehicle to be charged 120 through the wireless communication channel at block 512, the vehicle to be charged 120 is charged through thebattery 112 and the two charge bars 114 in thecurrent charging vehicle 110 via thecharging management unit 113 in thecurrent charging vehicle 110 atblock 514.
From this, can realize that the vehicle that charges is connected in order to charge with waiting to charge vehicle through two charge poles. In addition, the scheme that the charging vehicle can charge the vehicle to be charged in driving is provided, the parking space does not need to be occupied, and the charging device is efficient and convenient.
Fig. 6 shows a flowchart of amethod 600 for controlling the movement of thecurrent charging vehicle 110 according to an embodiment of the present disclosure. For example,method 600 may be performed by in-vehicleelectronic device 111 as shown in FIG. 1. It should be understood thatmethod 600 may also include additional blocks not shown and/or may omit blocks shown, as the scope of the disclosure is not limited in this respect.
Atblock 602, the in-vehicleelectronic device 111 determines whether the position of the at least one charging port matches the nominal position of the at least one charging port in the horizontal direction.
If the in-vehicleelectronic device 111 determines atblock 602 that the position of the at least one charging port does not match the calibrated position of the at least one charging port in the horizontal direction, then lateral movement of the current charging vehicle is controlled atblock 604 based on the position of the at least one charging port and the calibrated position.
Specifically, the in-vehicleelectronic device 111 controls thepresent charging vehicle 110 to move laterally to the left if it is determined that the position of the at least one charging port is to the left of the nominal position of the at least one charging port.
In the case where the position of a charging port is determined, it may be determined whether the position of the charging port is on the left side of the nominal position of the charging port.
In the case where the positions of two charging ports are determined, it may be determined whether the positions of both charging ports are located on the left side of the nominal positions of the two charging ports, or whether the position of any one of the charging ports is located on the left side of the nominal position of the charging port.
The in-vehicleelectronic device 111 controls thepresent charging vehicle 110 to move laterally to the right if it is determined that the position of the at least one charging port is on the right side of the nominal position of the at least one charging port.
In the case where the position of a charging port is determined, it may be determined whether the position of the charging port is on the right side of the nominal position of the charging port.
In the case where the positions of the two charging ports are determined, it may be determined whether the positions of both of the two charging ports are located on the right side of the nominal positions of the two charging ports, or whether the position of either one of the charging ports is located on the right side of the nominal position of the charging port.
If atblock 602 the in-vehicle electronics 111 determines that the position of the at least one charging port matches the nominal position of the at least one charging port in the horizontal direction, then atblock 606 it is determined whether the size of the at least one charging port matches the nominal size of the at least one charging port.
If atblock 606 the in-vehicle electronics 111 determines that the size of the at least one charging port does not match the calibrated size of the at least one charging port, then longitudinal movement of the present charging vehicle is controlled based on the size of the at least one charging port and the calibrated size of the at least one charging port.
Specifically, the in-vehicleelectronic device 111 controls the longitudinal movement of thecurrent charging vehicle 110 to shorten the distance between thecurrent charging vehicle 110 and the vehicle to be charged 120, if it is determined that the size of the at least one charging port is smaller than the nominal size of the at least one charging port. For example, the in-vehicleelectronic device 111 may control the currently chargingvehicle 110 to accelerate to shorten the distance to the vehicle to be charged 120.
In the case where the size of a charging port is determined, it may be determined whether the size of the charging port is smaller than a nominal size of the charging port.
In the case where the sizes of the two charging ports are determined, it may be determined whether the sizes of the two charging ports are both smaller than the nominal sizes of the two charging ports, or whether the size of any one of the charging ports is located at the nominal size of the charging port.
The in-vehicleelectronic device 111 controls the longitudinal movement of thepresent charging vehicle 110 to increase the distance between thepresent charging vehicle 110 and the vehicle to be charged 120, if it is determined that the size of the at least one charging port is larger than the calibrated size of the at least one charging port. For example, the in-vehicleelectronic device 111 may control the currently chargingvehicle 110 to decelerate to increase the distance to the vehicle to be charged 120.
From this, can carry out horizontal alignment earlier, vertically aim at again for charge pole can insert the mouth that charges more smoothly, realizes connecting the matching.
In some embodiments, if it is determined atblock 602 that the position of the at least one charging port matches the nominal position of the at least one charging port in the horizontal direction, the in-vehicleelectronic device 111 determines whether the distance between thecurrent charging vehicle 110 and the vehicle to be charged 120 is less than a second predetermined distance.
The in-vehicleelectronic apparatus 111 controls the chargepole stretching device 115 to stretch two charge poles 114 from the front of thecurrent charging vehicle 110 if it is determined that the distance between thecurrent charging vehicle 110 and the vehicle to be charged 120 is less than the second predetermined distance.
From this, can charge the pole and just stretch out the pole under the condition that the distance is closer with after the mouth aligns and in the horizontal direction, avoid too early stretching out the pole and cause the potential safety hazard.
The charge pole and the charge port may need to be aligned in the vertical direction in addition to the horizontal direction.
In some embodiments, the in-vehicleelectronic device 111 may control the chargepole lifting device 116 to adjust the height of the two charge poles 114 based on the position of the at least one charging port and the calibrated position of the at least one charging port.
Fig. 7 shows a flow diagram of amethod 700 for adjusting the height of two charge poles 114 via a chargepole lifting device 116, according to an embodiment of the present disclosure. For example,method 700 may be performed by in-vehicleelectronic device 111 as shown in FIG. 1. It should be understood thatmethod 700 may also include additional blocks not shown and/or may omit blocks shown, as the scope of the present disclosure is not limited in this respect.
Atblock 702, the in-vehicleelectronic device 111 determines whether the position of the at least one charging port is above a nominal position of the at least one charging port.
In the case where the position of a charging port is determined, it is determined atblock 702 whether the position of the charging port is on the upper side of the nominal position of the charging port.
Where the position of two charging ports is determined, it is determined atblock 702 whether the position of both charging ports is above the nominal position of the charging ports or whether the position of either of the charging ports is above the nominal position of the charging port.
If the in-vehicleelectronic device 111 determines atblock 702 that the position of the at least one charging port is above the nominal position of the at least one charging port, then atblock 704 the chargingpole lifting device 116 is controlled to lift the two charging poles 114.
If atblock 702 the in-vehicle electronics 111 determines that the position of the at least one charging port is not above the nominal position of the at least one charging port, then atblock 706 it is determined whether the position of the at least one charging port is below the nominal position of the at least one charging port.
In the case where the position of a charging port is determined, it is determined atblock 706 whether the position of the charging port is below the nominal position of the charging port.
Where the position of two charging ports is determined, it is determined atblock 706 whether the position of both charging ports is below the nominal position of the two charging ports, or whether the position of either of the charging ports is below the nominal position of the charging port.
If atblock 706 the in-vehicle electronics 111 determines that the position of the at least one charging port is below the nominal position of the at least one charging port, then atblock 708 the chargepole lifting mechanism 116 is controlled to lower both charge poles 114.
Atblock 710, the in-vehicleelectronic device 111 updates a calibration position of at least one charging port based on changes in the heights of the two charging poles.
For example, for the case of lifting the charge pole, the in-vehicleelectronic device 111 may increase the height of the nominal position by the height at which the charge pole is lifted. For the case of lowering the charge pole, the in-vehicleelectronic device 111 may reduce the height of the calibration position by the height at which the charge pole is lowered.
In the event that the position of a charging port is determined, the nominal position of the charging port is updated atblock 710.
Where the position of two charging ports is determined, nominal positions of the two charging ports are determined atblock 710.
It should be understood that although fig. 7 shows an order of determining whether to be on the upper side of the nominal position and then determining whether to be on the lower side of the nominal position, this is merely illustrative and it is also possible to determine whether to be on the lower side of the nominal position and then determining whether to be on the upper side of the nominal position.
From this, can realize the altitude mixture control of pole of charging to the pole of charging aligns more accurately and charges mouthful and connect the matching. In addition, according to the upper and lower relation of the position of the mouth that charges and calibration position, adjust the height of two charge poles simultaneously, efficiency is higher.
Alternatively, in some embodiments, for the case where the positions of two charging ports are determined, for each charging port, the in-vehicleelectronic device 111 may determine whether the position of the charging port is on the upper side of the nominal position of the charging port.
If the in-vehicleelectronic device 111 determines that the position of the charging port is on the upper side of the calibration position of the charging port, the chargingpole lifting device 116 is controlled to lift the height of the charging pole corresponding to the charging port in the two charging poles. For example, if the position of the charging port 121-1 is at the upper side of the nominal position, the chargepole elevating device 116 is controlled to elevate the height of the corresponding charge pole 114-1.
If the in-vehicleelectronic device 111 determines that the position of the charging port is below the nominal position of the charging port, the chargingpole elevating device 116 is controlled to lower the height of the charging pole corresponding to the charging port of the two charging poles. For example, if the position of the charging port 121-1 is at the lower side of the nominal position, the chargepole elevating device 116 is controlled to lower the height of the corresponding charge pole 114-1.
Subsequently, the in-vehicleelectronic device 111 updates the calibration position of the charging port based on the change in height of the charging pole.
For example, for the case of lifting the charge pole 114-1, the in-vehicle electronics 111 may increase the height of the nominal position of the charge pole 114-1 by the height the charge pole 114-1 is lifted. For the case of lowering charge pole 114-1, in-vehicle electronics 111 may decrease the height of the nominal position of charge pole 114-1 by the height at which charge pole 114-1 was lowered.
Therefore, the height of each charging rod can be adjusted, and the adjustment is more fine.
Fig. 8 shows a flow diagram of amethod 800 for charging a vehicle to be charged by a battery and two charge bars via a charge management unit according to an embodiment of the disclosure. For example, themethod 800 may be performed by the in-vehicleelectronic device 111 or thecharge management unit 113 as shown in fig. 1. It should be understood thatmethod 800 may also include additional blocks not shown and/or may omit blocks shown, as the scope of the present disclosure is not limited in this respect.
Atblock 802, thevehicle 120 to be charged is authenticated with the wireless communication channel via thecharging management unit 113.
Atblock 804, in response to the identity authentication being complete, charging parameter information is interacted with the vehicle to be charged 120 over the wireless communication channel via thecharging management unit 113.
Atblock 806, in response to the charging parameter information interaction being completed, thevehicle 120 to be charged is charged through thebattery 112 and the two charge poles 114 via thecharge management unit 113.
The two charge poles 114 may serve as positive and negative poles to charge thevehicle 120 to be charged.
Therefore, charging connection confirmation is achieved through the contact sensing device at the charging port, data interaction in the charging process of the wired cable is achieved through the wireless communication channel, charging of the charging vehicle to the charging vehicle can be achieved only through the two charging poles serving as the positive pole and the negative pole, and the charging connection determining interface, the low-voltage auxiliary power supply interface and the charging communication interface in the existing wired cable are not needed.
In some embodiments, in-vehicleelectronic device 111 may enter the trailer mode in response to receiving a message regarding a charging connection confirmation fromvehicle 120 to be charged over the wireless communication channel.
In this mode, thecurrent charging vehicle 110 can receive information of steering, braking, speed, etc. from thevehicle 120 to be charged through the V2V mode or Sparklink (short-range communication technology) low-delay mode, and provide corresponding power, braking, ESP, etc. support to ensure the trailer of the vehicle to run. From this, through getting into the trailer mode, the driving between the vehicle that charges and the vehicle that waits to charge can remain stable, improves the security.
In some embodiments, the in-vehicleelectronic device 111 may control to stop charging, control the chargingpole retraction device 115 to retract the two charging poles 114, and enter the autonomous driving mode via thecharging management unit 113 in response to receiving a message about the charging pole detachment or a message about the completion of charging from the vehicle to be charged 120 through the wireless communication channel.
In some embodiments, before two charge poles 114 are retracted, the charge pole hoist 116 may be controlled to return the two charge poles 114 to a default height, and then thecharge pole rope 115 may be controlled to retract the two charge poles 114.
Thus, when the charging pole is disengaged or the charging is completed, the charging vehicle can automatically drive away or return after stopping the charging and retracting the charging pole.
In some embodiments, the in-vehicleelectronic device 111 may control stopping charging via thecharging management unit 113 in response to sensing a predetermined event affecting the charging process. For example, the in-vehicleelectronic device 111 determines that an event affecting the charging process is sensed, when sensing that the amount of rain is greater than a predetermined amount of rain via the rain sensing means.
The following describes a method for vehicle charging at a vehicle to be charged.
Fig. 9 shows a flowchart of amethod 900 for vehicle charging according to an embodiment of the present disclosure. For example, themethod 900 may be performed by thecharge management unit 122 as shown in fig. 1. It should be understood thatmethod 900 may also include additional blocks not shown and/or may omit blocks shown, as the scope of the disclosure is not limited in this respect.
For each of the twocontact sensing devices 370, at block 902, thecharge management unit 122 controls thecorresponding lever lifter 360 to lower thecorresponding lever 310 to be inserted into thehole 330 at the end of thecharge lever 320 in response to sensing the entrance of thecharge lever 320 into the charge port via thecontact sensing device 370.
For each of the two jammingbar lifting devices 360, atblock 904, thecharge management unit 122 determines whether insertion of the corresponding jammingbar 310 into the correspondingaperture 330 is sensed via the jammingbar lifting device 360.
If thecharge management unit 122 determines atblock 904 that it senses via thebayonet lifting device 360 that thecorresponding bayonet 310 is not inserted into thecorresponding hole 330, thebayonet lifting device 360 is controlled atblock 906 to lift thecorresponding bayonet 310, and then returns to block 902.
If thecharge management unit 122 determines atblock 904 that insertion of thecorresponding chucking rods 310 into the correspondingholes 330 is sensed via the chucking rod lifts 360, thecharge management unit 122 determines atblock 908 whether insertion of both chuckingrods 310 into the corresponding holes is sensed via both chucking rod lifts 360.
If thecharging management unit 122 determines atblock 908 that both of the jamming bars 310 are sensed to be inserted into the corresponding apertures via both of the jammingbar lifting devices 360, a message is sent to the chargingvehicle 110 over the wireless communication channel atblock 910 regarding the charging connection confirmation.
From this, can control the card pole when the sensing charge pole gets into the mouth that charges and insert in the hole of the pole tip that charges with fixed charge pole to send the connection of charging to the vehicle that charges after two equal fixed connection of charge pole and confirm, so that charge. In addition, the charging connection confirmation is realized through the contact sensing device, and a charging connection confirmation interface in the existing wired charging cable can be avoided.
In some embodiments, thecharging management unit 122 may also perform identity authentication with the chargingvehicle 110 through a wireless communication channel. In response to the identity authentication being completed, thecharging management unit 122 may also interact charging parameter information with the chargingvehicle 110 through the wireless communication channel. In response to the completion of the charging parameter information interaction, thecharging management unit 122 enters a charging mode.
Therefore, data interaction in the charging process of the wired cable is achieved through the wireless communication channel, so that the charging of the charging vehicle to the vehicle to be charged can be achieved only by taking the two charging poles as the positive pole and the negative pole, and a charging connection determining interface, a low-voltage auxiliary power supply interface and a charging communication interface in the existing wired cable are not needed.
In some embodiments, thecharging management unit 122 controls the chuckinglever elevating device 360 to elevate the chuckinglever 310 for each of the two chuckinglever elevating devices 360 in response to completion of the charging so as to disengage the charginglever 320.
Subsequently, thecharging management unit 122 may send a message to the chargingvehicle 110 over the wireless communication channel that the charging pole is disengaged.
Therefore, the clamping rod can be lifted after charging is completed, so that the charging rod is separated, and the charging vehicle is informed, so that the charging vehicle can finish charging and leave.
In some embodiments, thecharging management unit 122 may control each of the chucking lever lifts 360 to lift thecorresponding chucking lever 360 in response to sensing a predetermined event affecting the charging process, so as to disengage the charginglever 320. For example, thecharging management unit 122 determines that an event affecting the charging process is sensed, when sensing that the rainfall is greater than a predetermined rainfall via the rainfall sensing device. Subsequently, thecharging management unit 122 may send a message to the chargingvehicle 110 over the wireless communication channel that the charging pole is disengaged.
Therefore, when an event influencing the charging process is sensed, the charging rod can be timely separated, and the charging process is finished.
Fig. 10 illustrates a schematic block diagram of anexample device 1000 that can be used to implement embodiments of the present disclosure. For example, the in-vehicleelectronic device 111, thecharge management units 122 and 113 shown in fig. 1 may be implemented by thedevice 1000. As shown,device 1000 includes a Central Processing Unit (CPU)1001 that can perform various appropriate actions and processes according to computer program instructions stored in a Read Only Memory (ROM)1002 or computer program instructions loaded from astorage unit 1008 into a Random Access Memory (RAM) 1003. In therandom access memory 1003, various programs and data necessary for the operation of thedevice 1000 can also be stored. Thecentral processing unit 1001, the read onlymemory 1002, and therandom access memory 1003 are connected to each other by abus 1004. An input/output (I/O)interface 1005 is also connected tobus 1004.
A number of components in thedevice 1000 are connected to an input/output interface 1005, including: aninput unit 1006 such as a keyboard, a mouse, a microphone, and the like; anoutput unit 1007 such as various types of displays, speakers, and the like; astorage unit 1008 such as a magnetic disk, an optical disk, or the like; and acommunication unit 1009 such as a network card, a modem, a wireless communication transceiver, or the like. Thecommunication unit 1009 allows thedevice 1000 to exchange information/data with other devices through a computer network such as the internet and/or various telecommunication networks.
The various processes and processes described above, such as method 500-900, may be performed by thecentral processing unit 1001. For example, in some embodiments, the method 500-900 may be implemented as a computer software program tangibly embodied in a machine-readable medium, such as thestorage unit 1008. In some embodiments, some or all of the computer program may be loaded and/or installed ontodevice 1000 via read onlymemory 1002 and/orcommunications unit 1009. When the computer program is loaded into therandom access memory 1003 and executed by thecentral processing unit 1001, one or more of the actions of the method 500-900 described above may be performed.
The present disclosure relates to methods, apparatuses, systems, computing devices, computer-readable storage media, and/or computer program products. The computer program product may include computer-readable program instructions for performing various aspects of the present disclosure.
The computer readable storage medium may be a tangible device that can hold and store the instructions for use by the instruction execution device. The computer readable storage medium may be, for example, but not limited to, an electronic memory device, a magnetic memory device, an optical memory device, an electromagnetic memory device, a semiconductor memory device, or any suitable combination of the foregoing. More specific examples (a non-exhaustive list) of the computer readable storage medium would include the following: a portable computer diskette, a hard disk, a Random Access Memory (RAM), a read-only memory (ROM), an erasable programmable read-only memory (EPROM or flash memory), a Static Random Access Memory (SRAM), a portable compact disc read-only memory (CD-ROM), a Digital Versatile Disc (DVD), a memory stick, a floppy disk, a mechanical coding device, such as punch cards or in-groove projection structures having instructions stored thereon, and any suitable combination of the foregoing. Computer-readable storage media as used herein is not to be construed as transitory signals per se, such as radio waves or other freely propagating electromagnetic waves, electromagnetic waves propagating through a waveguide or other transmission medium (e.g., optical pulses through a fiber optic cable), or electrical signals transmitted through electrical wires.
The computer-readable program instructions described herein may be downloaded from a computer-readable storage medium to a respective computing/processing device, or to an external computer or external storage device via a network, such as the internet, a local area network, a wide area network, and/or a wireless network. The network may include copper transmission cables, fiber optic transmission, wireless transmission, routers, firewalls, switches, gateway computers and/or edge servers. The network adapter card or network interface in each computing/processing device receives computer-readable program instructions from the network and forwards the computer-readable program instructions for storage in a computer-readable storage medium in the respective computing/processing device.
The computer program instructions for carrying out operations of the present disclosure may be assembler instructions, Instruction Set Architecture (ISA) instructions, machine-related instructions, microcode, firmware instructions, state setting data, or source or object code written in any combination of one or more programming languages, including an object oriented programming language such as Smalltalk, C + + or the like and conventional procedural programming languages, such as the "C" programming language or similar programming languages. The computer-readable program instructions may execute entirely on the user's computer, partly on the user's computer, as a stand-alone software package, partly on the user's computer and partly on a remote computer or entirely on the remote computer or server. In the case of a remote computer, the remote computer may be connected to the user's computer through any type of network, including a Local Area Network (LAN) or a Wide Area Network (WAN), or the connection may be made to an external computer (for example, through the Internet using an Internet service provider). In some embodiments, the electronic circuitry that can execute the computer-readable program instructions implements aspects of the present disclosure by utilizing the state information of the computer-readable program instructions to personalize the electronic circuitry, such as a programmable logic circuit, a Field Programmable Gate Array (FPGA), or a Programmable Logic Array (PLA).
Various aspects of the present disclosure are described herein with reference to flowchart illustrations and/or block diagrams of methods, apparatus (systems) and computer program products according to embodiments of the disclosure. It will be understood that each block of the flowchart illustrations and/or block diagrams, and combinations of blocks in the flowchart illustrations and/or block diagrams, can be implemented by computer-readable program instructions.
These computer-readable program instructions may be provided to a processing unit of a general purpose computer, special purpose computer, or other programmable data processing apparatus to produce a machine, such that the instructions, which execute via the processing unit of the computer or other programmable data processing apparatus, create means for implementing the functions/acts specified in the flowchart and/or block diagram block or blocks. These computer-readable program instructions may also be stored in a computer-readable storage medium that can direct a computer, programmable data processing apparatus, and/or other devices to function in a particular manner, such that the computer-readable medium storing the instructions comprises an article of manufacture including instructions which implement the function/act specified in the flowchart and/or block diagram block or blocks.
The computer readable program instructions may also be loaded onto a computer, other programmable data processing apparatus, or other devices to cause a series of operational steps to be performed on the computer, other programmable apparatus or other devices to produce a computer implemented process such that the instructions which execute on the computer, other programmable apparatus or other devices implement the functions/acts specified in the flowchart and/or block diagram block or blocks.
The flowchart and block diagrams in the figures illustrate the architecture, functionality, and operation of possible implementations of systems, methods and computer program products according to various embodiments of the present disclosure. In this regard, each block in the flowchart or block diagrams may represent a module, segment, or portion of instructions, which comprises one or more executable instructions for implementing the specified logical function(s). In some alternative implementations, the functions noted in the block may occur out of the order noted in the figures. For example, two blocks shown in succession may, in fact, be executed substantially concurrently, or the blocks may sometimes be executed in the reverse order, depending upon the functionality involved. It will also be noted that each block of the block diagrams and/or flowchart illustration, and combinations of blocks in the block diagrams and/or flowchart illustration, can be implemented by special purpose hardware-based systems which perform the specified functions or acts, or combinations of special purpose hardware and computer instructions.
Having described embodiments of the present disclosure, the foregoing description is intended to be exemplary, not exhaustive, and not limited to the disclosed embodiments. Many modifications and variations will be apparent to those of ordinary skill in the art without departing from the scope and spirit of the described embodiments. The terms used herein were chosen in order to best explain the principles of the embodiments, the practical application, or technical improvements to the techniques in the marketplace, or to enable others of ordinary skill in the art to understand the embodiments disclosed herein.

Claims (19)

CN202111032593.6A2021-09-032021-09-03Method for charging vehicle, in-vehicle electronic apparatus, vehicle, and mediumPendingCN113696767A (en)

Priority Applications (2)

Application NumberPriority DateFiling DateTitle
CN202111032593.6ACN113696767A (en)2021-09-032021-09-03Method for charging vehicle, in-vehicle electronic apparatus, vehicle, and medium
PCT/CN2021/121367WO2023029139A1 (en)2021-09-032021-09-28Vehicle charging method, vehicle-mounted electronic device, vehicle, and medium

Applications Claiming Priority (1)

Application NumberPriority DateFiling DateTitle
CN202111032593.6ACN113696767A (en)2021-09-032021-09-03Method for charging vehicle, in-vehicle electronic apparatus, vehicle, and medium

Publications (1)

Publication NumberPublication Date
CN113696767Atrue CN113696767A (en)2021-11-26

Family

ID=78659422

Family Applications (1)

Application NumberTitlePriority DateFiling Date
CN202111032593.6APendingCN113696767A (en)2021-09-032021-09-03Method for charging vehicle, in-vehicle electronic apparatus, vehicle, and medium

Country Status (2)

CountryLink
CN (1)CN113696767A (en)
WO (1)WO2023029139A1 (en)

Cited By (4)

* Cited by examiner, † Cited by third party
Publication numberPriority datePublication dateAssigneeTitle
CN114449602A (en)*2022-01-272022-05-06深圳Tcl新技术有限公司Handover method, storage medium, and wireless communication device
CN115871492A (en)*2022-06-062023-03-31武汉路特斯科技有限公司Charging equipment control method, device, equipment and storage medium
CN116176314A (en)*2021-11-292023-05-30丰田自动车株式会社 Charging system, computer-readable storage medium, and vehicle location management method
CN117944493A (en)*2024-03-202024-04-30瑞浦兰钧能源股份有限公司Offset distance determining method, storage medium and electronic device

Families Citing this family (1)

* Cited by examiner, † Cited by third party
Publication numberPriority datePublication dateAssigneeTitle
CN119160021B (en)*2024-11-222025-03-11国网天津市电力公司滨海供电分公司Vehicle charging method and mobile shared umbrella-shaped charging pile

Citations (7)

* Cited by examiner, † Cited by third party
Publication numberPriority datePublication dateAssigneeTitle
US20170136881A1 (en)*2015-11-132017-05-18NextEv USA, Inc.Vehicle to vehicle charging system and method of use
DE102017206530A1 (en)*2017-04-182018-10-18Bayerische Motoren Werke Aktiengesellschaft Vehicle positioning for inductive energy transmission
CN109195830A (en)*2016-05-312019-01-11福特全球技术公司 Mobile charging for electric vehicles
CN109552092A (en)*2019-01-022019-04-02上海循道新能源科技有限公司A kind of control method of split type alternating-current charging pile
CN111660859A (en)*2020-05-292020-09-15江苏理工学院Electric vehicle charging system of indoor parking lot and control method thereof
CN213383940U (en)*2020-08-172021-06-08国创移动能源创新中心(江苏)有限公司Binocular positioning charging device
CN113022358A (en)*2021-04-132021-06-25北京理工大学Automatic charging control method and system and charging device

Family Cites Families (5)

* Cited by examiner, † Cited by third party
Publication numberPriority datePublication dateAssigneeTitle
DE4344563C1 (en)*1993-12-241994-12-08Daimler Benz AgBattery charging device for an electric vehicle
DE102012014936A1 (en)*2012-07-272014-01-30Kuka Roboter Gmbh Charging system and method for electrically charging a motor vehicle
US20190001833A1 (en)*2016-08-312019-01-03Faraday&Future Inc.Method and system for vehicle-to-vehicle charging
JP2019140879A (en)*2018-02-152019-08-22三菱自動車工業株式会社External charger and vehicle management system
DE102018104759A1 (en)*2018-03-022019-09-05Forward Ttc Gmbh Method and device for automatically connecting a charging connection with a charging connection receptacle of a vehicle, in particular a land vehicle

Patent Citations (8)

* Cited by examiner, † Cited by third party
Publication numberPriority datePublication dateAssigneeTitle
US20170136881A1 (en)*2015-11-132017-05-18NextEv USA, Inc.Vehicle to vehicle charging system and method of use
CN109195830A (en)*2016-05-312019-01-11福特全球技术公司 Mobile charging for electric vehicles
DE102017206530A1 (en)*2017-04-182018-10-18Bayerische Motoren Werke Aktiengesellschaft Vehicle positioning for inductive energy transmission
CN110461642A (en)*2017-04-182019-11-15宝马股份公司Vehicle location for inductive energy transmission
CN109552092A (en)*2019-01-022019-04-02上海循道新能源科技有限公司A kind of control method of split type alternating-current charging pile
CN111660859A (en)*2020-05-292020-09-15江苏理工学院Electric vehicle charging system of indoor parking lot and control method thereof
CN213383940U (en)*2020-08-172021-06-08国创移动能源创新中心(江苏)有限公司Binocular positioning charging device
CN113022358A (en)*2021-04-132021-06-25北京理工大学Automatic charging control method and system and charging device

Cited By (8)

* Cited by examiner, † Cited by third party
Publication numberPriority datePublication dateAssigneeTitle
CN116176314A (en)*2021-11-292023-05-30丰田自动车株式会社 Charging system, computer-readable storage medium, and vehicle location management method
CN114449602A (en)*2022-01-272022-05-06深圳Tcl新技术有限公司Handover method, storage medium, and wireless communication device
CN114449602B (en)*2022-01-272024-02-06深圳Tcl新技术有限公司Switching method, storage medium and wireless communication device
CN115871492A (en)*2022-06-062023-03-31武汉路特斯科技有限公司Charging equipment control method, device, equipment and storage medium
CN115871492B (en)*2022-06-062023-10-31武汉路特斯科技有限公司 Charging equipment control method, device, equipment and storage medium
CN117944493A (en)*2024-03-202024-04-30瑞浦兰钧能源股份有限公司Offset distance determining method, storage medium and electronic device
CN117944493B (en)*2024-03-202024-06-14瑞浦兰钧能源股份有限公司Offset distance determining method, storage medium and electronic device
WO2025195145A1 (en)*2024-03-202025-09-25瑞浦兰钧能源股份有限公司Offset distance determination method, storage medium, and electronic device

Also Published As

Publication numberPublication date
WO2023029139A1 (en)2023-03-09

Similar Documents

PublicationPublication DateTitle
CN113696767A (en)Method for charging vehicle, in-vehicle electronic apparatus, vehicle, and medium
CN107250937B (en) Method and apparatus for operating a parking lot
CN113787923B (en)Method for charging a vehicle, electronic device, mobile charging device and medium
KR102804279B1 (en)Electric vehicle charging system and operation method thereof
US20190294135A1 (en)Content delivery to vehicle via charging station
CN110139776B (en) Charging Systems and Procedures
JP6589678B2 (en) Remote control system
CN108656995A (en)Method, system, equipment and the storage medium of mobile charging device charge and discharge
DE102016110031A1 (en) Method and device for charging station monitoring
CN109937424B (en)Management system and management method
CN109624734B (en) Wireless charging for mobile electric vehicles
KR102042788B1 (en)Pole-type Recharging Station For Drone
KR20210097440A (en)Method and apparatus for performing vehicle platooning
CN105822120A (en)Ground lock device supporting wireless charging and using method thereof
CN218085118U (en)Heavy-duty card battery replacement station
CN108116242B (en) Ferry car, electric vehicle and electric vehicle charging method
CN204809939U (en) A car charging pile based on a light pole
CN206833046U (en)The inspection of ADSS optical cables and actinobacillus device
EP4056412A1 (en)Method and apparatus for controlling charging of vehicle
KR102421278B1 (en)Charging Surveillance Apparatus for Battery Driven Transit
CN210011608U (en)Wireless charging device and system
CN107167891B (en) Optical cable operation and maintenance device
WO2023028852A1 (en)Vehicle control method, module and system, and device and medium
CN203562098U (en)Vehicle-mounted information processor based on zigbee technology
CN110691321A (en)Terminal control method, device and equipment

Legal Events

DateCodeTitleDescription
PB01Publication
PB01Publication
SE01Entry into force of request for substantive examination
SE01Entry into force of request for substantive examination
CB02Change of applicant information

Address after:201821 room 208, building 4, No. 1411, Yecheng Road, Jiading Industrial Zone, Jiading District, Shanghai

Applicant after:Botai vehicle networking technology (Shanghai) Co.,Ltd.

Address before:Room 208, building 4, No. 1411, Yecheng Road, Jiading Industrial Zone, Jiading District, Shanghai 201821

Applicant before:SHANGHAI PATEO ELECTRONIC EQUIPMENT MANUFACTURING Co.,Ltd.

CB02Change of applicant information
RJ01Rejection of invention patent application after publication

Application publication date:20211126

RJ01Rejection of invention patent application after publication

[8]ページ先頭

©2009-2025 Movatter.jp