



















技术领域technical field
本申请涉及天线技术领域,特别是涉及一种发射模组、射频系统及通信设备。The present application relates to the technical field of antennas, in particular to a transmitting module, a radio frequency system and communication equipment.
背景技术Background technique
目前常用的发射模组包括低频放大电路、高频放大电路和选择开关,其中,低频放大电路用于全球移动通信系统(Global System for Mobile Communications,GSM)低频信号的功率放大,高频放大电路用于GSM高频信号的功率放大,前端的选择开关用于除GSM网络之外的第三代移动通信技术(3rd-generation,3G)、第四代移动通信技术(4rd-generation,4G)、第五代移动通信技术(5rd-generation,5G)信号的接入。当前的发射模组仅支持GSM信号功率放大和3G/4G/5G信号的连接合路,功能比较单一。Currently commonly used transmitter modules include low-frequency amplifier circuits, high-frequency amplifier circuits and selector switches. Among them, the low-frequency amplifier circuits are used for power amplification of low-frequency signals of Global System for Mobile Communications (GSM), and the high-frequency amplifier circuits are used for For the power amplification of GSM high-frequency signals, the front-end selection switch is used for the third-generation mobile communication technology (3rd-generation, 3G), the fourth-generation mobile communication technology (4rd-generation, 4G), and the third-generation mobile communication technology (4G) Access to the fifth-generation mobile communication technology (5rd-generation, 5G) signal. The current transmitter module only supports GSM signal power amplification and 3G/4G/5G signal connection combination, and the function is relatively simple.
发明内容Contents of the invention
本申请实施例提供一种发射模组、射频系统及通信设备,可以提高器件集成度,降低成本。Embodiments of the present application provide a transmitting module, a radio frequency system, and communication equipment, which can improve device integration and reduce costs.
第一方面,本申请提供一种发射模组,包括:In a first aspect, the present application provides a launch module, including:
中高频放大电路,被配置为经第一选择开关接收射频收发器的全球移动通信系统GSM高频发射信号,并对所述GSM高频发射信号进行放大、滤波和降噪处理,经第二选择开关,第三选择开关和第一耦合器输出至中高频天线端口;或者,被配置为经所述第一选择开关接收所述射频收发器的目标中频发射信号,并对所述目标中频发射信号进行放大、滤波和降噪处理,经所述第二选择开关输出至目标中频发送端口,所述目标中频发射信号为目标中频信号,所述目标中频信号包括第三代3G网络、第四代4G网络、第五代5G网络中任一网络的中频信号;The middle and high frequency amplifying circuit is configured to receive the GSM high-frequency transmission signal of the radio frequency transceiver through the first selection switch, and perform amplification, filtering and noise reduction processing on the GSM high-frequency transmission signal. switch, the third selection switch and the first coupler are output to the medium-high frequency antenna port; or, configured to receive the target intermediate frequency transmission signal of the radio frequency transceiver through the first selection switch, and transmit the target intermediate frequency signal Perform amplification, filtering and noise reduction processing, output to the target intermediate frequency transmission port through the second selection switch, the target intermediate frequency transmission signal is the target intermediate frequency signal, and the target intermediate frequency signal includes the
GSM低频放大电路,被配置为接收所述射频收发器的GSM低频发射信号,并对所述GSM低频发射信号进行放大、滤波处理,经第四选择开关和第二耦合器输出至低频天线端口。The GSM low-frequency amplifying circuit is configured to receive the GSM low-frequency transmission signal of the radio frequency transceiver, amplify and filter the GSM low-frequency transmission signal, and output the GSM low-frequency transmission signal to the low-frequency antenna port through the fourth selection switch and the second coupler.
可以看出,本申请实施例中,发射模组支持GSM低频信号和GSM高频信号、目标中频信号的处理,且能同时支持两路信号的发送,如GSM低频信号和GSM高频信号/目标中频信号的同时发送,或者,目标低频信号和目标中高频信号的同时发送,或者,GSM低频信号和目标中高频信号的同时发送,或者,目标低频信号和GSM高频信号/目标中频信号的同时发送。不仅可以扩展发射模组的发射能力,而且可以提高器件集成度,降低成本。It can be seen that in the embodiment of the present application, the transmitting module supports the processing of GSM low-frequency signals, GSM high-frequency signals, and target intermediate-frequency signals, and can simultaneously support the transmission of two-way signals, such as GSM low-frequency signals and GSM high-frequency signals/targets Simultaneous transmission of intermediate frequency signals, or simultaneous transmission of target low frequency signals and target medium and high frequency signals, or simultaneous transmission of GSM low frequency signals and target medium and high frequency signals, or simultaneous transmission of target low frequency signals and GSM high frequency signals/target medium frequency signals send. Not only can the transmitting capability of the transmitting module be expanded, but also the device integration level can be improved and the cost can be reduced.
第二方面,本申请提供一种发射模组包括:In a second aspect, the present application provides a launch module including:
选择性放大子模组,用于选择接收来自射频收发器的GSM高频发射信号,并对所述GSM高频发射信号进行放大处理,以及输出至中高频天线端口;或者,用于选择接收来自所述射频收发器的目标中频发射信号,并对所述目标中频发射信号进行放大处理,以及输出至目标中频发送端口,所述目标中频发射信号为目标中频信号,所述目标中频信号包括3G网络、4G网络、5G网络中任一网络的中频信号;The selective amplification sub-module is used to selectively receive the GSM high-frequency transmission signal from the radio frequency transceiver, amplify the GSM high-frequency transmission signal, and output it to the medium-high frequency antenna port; The target intermediate frequency transmission signal of the radio frequency transceiver, and the target intermediate frequency transmission signal is amplified, and output to the target intermediate frequency transmission port, the target intermediate frequency transmission signal is a target intermediate frequency signal, and the target intermediate frequency signal includes a 3G network , the intermediate frequency signal of any network in the 4G network and the 5G network;
GSM低频放大单元,用于接收来自所述射频收发器的GSM低频发射信号,并对所述GSM低频发射信号进行放大处理,已经输出至低频天线端口。The GSM low-frequency amplifying unit is used for receiving the GSM low-frequency transmission signal from the radio frequency transceiver, amplifying the GSM low-frequency transmission signal, and outputting it to the low-frequency antenna port.
第三方面,本申请提供一种发射模组,被配置有用于接收射频收发器的GSM高频发射信号的GSM高频接收端口、用于接收所述射频收发器的目标中频发射信号的目标中频接收端口、用于接收所述射频收发器的GSM低频发射信号的GSM低频接收端口、用于发送中高频发射信号的中高频天线端口、用于发送GSM低频发射信号的低频天线端口以及用于发送所述目标中频发射信号的目标中频发送端口、用于接收或者发送目标中高频信号的中高频收发端口、用于接收或者发送目标低频信号的目标低频收发端口,所述目标中频信号包括3G网络、4G网络、5G网络中任一网络的中频信号,所述目标低频信号包括所述3G网络、所述4G网络、所述5G网络中任一网络的低频信号,所述目标中高频信号包括所述目标中频信号或者目标高频信号,所述目标高频信号包括所述3G网络、所述4G网络、所述5G网络中任一网络的高频信号;所述发射模组包括:In a third aspect, the present application provides a transmitting module, which is configured with a GSM high-frequency receiving port for receiving a GSM high-frequency transmission signal of a radio frequency transceiver, and a target intermediate frequency for receiving a target intermediate frequency transmission signal of the radio frequency transceiver. A receiving port, a GSM low-frequency receiving port for receiving GSM low-frequency transmission signals of the radio frequency transceiver, a medium-high frequency antenna port for sending medium-high frequency transmission signals, a low-frequency antenna port for sending GSM low-frequency transmission signals, and a port for sending The target intermediate frequency transmission port of the target intermediate frequency transmission signal, the medium and high frequency transceiver port for receiving or sending the target medium and high frequency signal, and the target low frequency transceiver port for receiving or sending the target low frequency signal, the target intermediate frequency signal includes 3G network, The intermediate frequency signal of any network in the 4G network and the 5G network, the target low frequency signal includes the low frequency signal of any network in the 3G network, the 4G network, and the 5G network, and the target medium and high frequency signal includes the A target intermediate frequency signal or a target high frequency signal, the target high frequency signal includes a high frequency signal of any network in the 3G network, the 4G network, or the 5G network; the transmitting module includes:
第一选择开关,为SPDT开关,所述SPDT开关的一个T端口连接所述GSM高频接收端口,另一个T端口连接所述目标中频接收端口,用于选择接收所述GSM高频发射信号或者所述目标中频发射信号;The first selection switch is an SPDT switch, one T port of the SPDT switch is connected to the GSM high-frequency receiving port, and the other T port is connected to the target intermediate frequency receiving port for selecting to receive the GSM high-frequency transmission signal or The target intermediate frequency transmits a signal;
中高频放大电路,连接所述第一选择开关的P端口,用于对接收的所述GSM高频发射信号或者所述目标中频发射信号进行放大、滤波和降噪处理;A medium-high frequency amplifier circuit, connected to the P port of the first selection switch, for amplifying, filtering and noise reduction processing the received GSM high-frequency transmission signal or the target medium-frequency transmission signal;
第二选择开关,为SPXT开关,X为大于1的整数,所述SPXT开关的P端口连接所述中高频放大电路的输出端,第一个T端口依次连接第三选择开关、第一耦合器和所述中高频天线端口,用于将所述GSM高频发射信号输出至所述中高频天线端口,第二个至第X个T端口一一对应连接所述目标中频发送端口830,用于将所述目标中频发射信号输出至任一目标中频发送端口;The second selection switch is an SPXT switch, X is an integer greater than 1, the P port of the SPXT switch is connected to the output end of the mid-high frequency amplifier circuit, and the first T port is connected to the third selection switch and the first coupler in turn. and the medium-high frequency antenna port, for outputting the GSM high-frequency transmission signal to the medium-high frequency antenna port, and the second to Xth T ports are connected to the target medium-
所述第三选择开关,为SPYT开关,Y为大于1的整数,所述SPYT开关的P端口连接所述第一耦合器的第一端,第一个T端口与所述第二选择开关的第一个T端口连接,第二个至第Y个T端口一一对应连接所述发射模组的所述中高频收发端口;The third selection switch is a SPYT switch, Y is an integer greater than 1, the P port of the SPYT switch is connected to the first end of the first coupler, and the first T port is connected to the second selection switch. The first T port is connected, and the second to Yth T ports are connected to the medium and high frequency transceiver ports of the transmitting module in one-to-one correspondence;
所述第一耦合器,所述第一耦合器的第二端连接所述中高频天线端口,第三端连接所述发射模组的第一耦合端口,用于检测所述GSM高频发射信号、所述目标中高频信号中至少一种信号的功率信息,并将所述功率信息通过所述第一耦合端口输出;The first coupler, the second end of the first coupler is connected to the medium-high frequency antenna port, and the third end is connected to the first coupling port of the transmitting module for detecting the GSM high-frequency transmitting signal . Power information of at least one signal in the target medium and high frequency signals, and outputting the power information through the first coupling port;
GSM低频放大电路,连接所述GSM低频接收端口,用于对接收的所述GSM低频发射信号进行放大、滤波处理;GSM low-frequency amplifying circuit, connected to the GSM low-frequency receiving port, for amplifying and filtering the received GSM low-frequency transmission signal;
第四选择开关,为SPZT开关,Z为大于1的整数,所述SPZT开关第一个T端口连接所述GSM低频放大电路的输出端,第二个至第Z个T端口一一对应连接所述目标低频收发端口,P端口连接第二耦合器的第一端;The fourth selection switch is an SPZT switch, Z is an integer greater than 1, the first T port of the SPZT switch is connected to the output end of the GSM low-frequency amplifying circuit, and the second to the Zth T ports are connected to the corresponding one-to-one The target low-frequency transceiver port, the P port is connected to the first end of the second coupler;
所述第二耦合器,所述第二耦合器的第二端连接所述目标低频天线端口,第三端连接所述发射模组的第二耦合端口,用于检测所述GSM低频发射信号、所述目标低频信号中至少一种信号的功率信息,并将所述功率信息通过所述第二耦合端口输出。The second coupler, the second end of the second coupler is connected to the target low-frequency antenna port, and the third end is connected to the second coupling port of the transmitting module for detecting the GSM low-frequency transmission signal, Power information of at least one signal among the target low-frequency signals, and outputting the power information through the second coupled port.
第四方面,本申请提供一种射频系统包括:In a fourth aspect, the present application provides a radio frequency system including:
如第一至第三方面任一方面所述的发射模组;The emission module as described in any one of the first to third aspects;
天线模组,至少包括:Antenna module, including at least:
第一天线单元,连接所述发射模组的中高频天线端口;The first antenna unit is connected to the medium and high frequency antenna port of the transmitting module;
第二天线单元,连接所述发射模组的低频天线端口;The second antenna unit is connected to the low-frequency antenna port of the transmitting module;
第三天线单元,连接所述发射模组的目标中频发射端口。The third antenna unit is connected to the target intermediate frequency transmitting port of the transmitting module.
第五方面,本申请提供一种射频系统,包括:如第一至第三方面任一方面所述的发射模组和多模式多频段功率放大器MMPA模组;In the fifth aspect, the present application provides a radio frequency system, including: the transmitting module and the multi-mode multi-band power amplifier MMPA module as described in any one of the first to third aspects;
所述MMPA支持目标信号,所述目标信号包括以下任意一种:目标低频信号、目标中频信号、目标高频信号以及目标超高频信号,所述目标低频信号为3G网络、4G网络、5G网络中任一网络的低频信号,所述目标中频信号为所述3G网络、所述4G网络、所述5G网络中任一网络的中频信号,所述目标高频信号为所述3G网络、所述4G网络、所述5G网络中任一网络的高频信号,所述目标超高频信号为所述5G网络的超高频信号;The MMPA supports target signals, and the target signals include any of the following: target low-frequency signals, target intermediate-frequency signals, target high-frequency signals, and target ultra-high-frequency signals, and the target low-frequency signals are 3G networks, 4G networks, and 5G networks A low-frequency signal of any of the networks, the target intermediate-frequency signal is an intermediate-frequency signal of any of the 3G network, the 4G network, and the 5G network, and the target high-frequency signal is the 3G network, the A high-frequency signal of any network in the 4G network and the 5G network, the target UHF signal is the UHF signal of the 5G network;
所述发射模组与所述MMPA模组被配置为支持第一频段与第二频段之间的4G网络与5G网络的双连接ENDC,所述第一频段为所述发射模组所支持的目标中频信号所属的频段,所述第二频段为所述MMPA模组所支持的所述目标信号所属的频段。The transmitting module and the MMPA module are configured to support dual connection ENDC between the 4G network and the 5G network between the first frequency band and the second frequency band, and the first frequency band is the target supported by the transmitting module The frequency band to which the intermediate frequency signal belongs, the second frequency band is the frequency band to which the target signal supported by the MMPA module belongs.
第六方面,本申请提供一种通信设备,包括:In a sixth aspect, the present application provides a communication device, including:
如第四方面或第五方面所述的射频系统。The radio frequency system as described in the fourth aspect or the fifth aspect.
附图说明Description of drawings
为了更清楚地说明本申请实施例或现有技术中的技术方案,下面将对实施例或现有技术描述中所需要使用的附图作简单地介绍,显而易见地,下面描述中的附图仅仅是本申请的一些实施例,对于本领域普通技术人员来讲,在不付出创造性劳动的前提下,还可以根据这些附图获得其他的附图。In order to more clearly illustrate the technical solutions in the embodiments of the present application or the prior art, the following will briefly introduce the drawings that need to be used in the description of the embodiments or the prior art. Obviously, the accompanying drawings in the following description are only These are some embodiments of the present application. Those skilled in the art can also obtain other drawings based on these drawings without creative work.
图1A为本申请实施例提供的一种射频系统1的架构示意图;FIG. 1A is a schematic structural diagram of a
图1B为本申请实施例提供的一种现有发射模组的框架示意图;FIG. 1B is a schematic diagram of the frame of an existing transmitting module provided by the embodiment of the present application;
图2为本申请实施例提供的一种发射模组10的框架示意图;FIG. 2 is a schematic frame diagram of a
图3为本申请实施例提供的另一种发射模组10的框架示意图;FIG. 3 is a schematic frame diagram of another transmitting
图4为本申请实施例提供的另一种发射模组10的框架示意图;FIG. 4 is a schematic frame diagram of another transmitting
图5为本申请实施例提供的另一种发射模组10的框架示意图;FIG. 5 is a schematic framework diagram of another transmitting
图6为本申请实施例提供的另一种发射模组10的框架示意图;FIG. 6 is a schematic frame diagram of another transmitting
图7为本申请实施例提供的另一种发射模组10的框架示意图;FIG. 7 is a schematic frame diagram of another transmitting
图8为本申请实施例提供的另一种发射模组10的框架示意图;FIG. 8 is a schematic frame diagram of another transmitting
图9为本申请实施例提供的另一种发射模组10的框架示意图;FIG. 9 is a schematic frame diagram of another transmitting
图10为本申请实施例提供的另一种发射模组10的框架示意图;FIG. 10 is a schematic frame diagram of another transmitting
图11为本申请实施例提供的另一种发射模组10的框架示意图;FIG. 11 is a schematic frame diagram of another transmitting
图12为本申请实施例提供的另一种发射模组10的框架示意图;Fig. 12 is a schematic frame diagram of another transmitting
图13为本申请实施例提供的另一种发射模组10的框架示意图;FIG. 13 is a schematic frame diagram of another transmitting
图14为本申请实施例提供的一种射频系统1的框架示意图;FIG. 14 is a schematic framework diagram of a
图15为本申请实施例提供的另一种射频系统1的框架示意图;FIG. 15 is a schematic framework diagram of another
图16为本申请实施例提供的另一种射频系统1的框架示意图;FIG. 16 is a schematic framework diagram of another
图17为本申请实施例提高的一种MMPA模组的框架示意图;Fig. 17 is a schematic diagram of the frame of an MMPA module improved by the embodiment of the present application;
图18为本申请实施例提供的一种通信设备A的框架示意图;FIG. 18 is a schematic framework diagram of a communication device A provided in an embodiment of the present application;
图19为本申请实施例提供的一种手机的框架示意图。FIG. 19 is a schematic frame diagram of a mobile phone provided by an embodiment of the present application.
具体实施方式Detailed ways
为了便于理解本申请,为使本申请的上述目的、特征和优点能够更加明显易懂,下面结合附图对本申请的具体实施方式做详细的说明。在下面的描述中阐述了很多具体细节以便于充分理解本申请,附图中给出了本申请的较佳实施方式。但是,本申请可以以许多不同的形式来实现,并不限于本文所描述的实施方式。相反地,提供这些实施方式的目的是使对本申请的公开内容理解的更加透彻全面。本申请能够以很多不同于在此描述的其它方式来实施,本领域技术人员可以在不违背本申请内涵的情况下做类似改进,因此本申请不受下面公开的具体实施例的限制。In order to facilitate the understanding of the present application, and to make the above-mentioned purpose, features and advantages of the present application more obvious and understandable, the specific implementation manners of the present application will be described in detail below in conjunction with the accompanying drawings. In the following description, numerous specific details are set forth to facilitate a full understanding of the application, and preferred embodiments of the application are shown in the accompanying drawings. However, the present application can be embodied in many different forms and is not limited to the embodiments described herein. On the contrary, the purpose of providing these embodiments is to make the disclosure of the application more thorough and comprehensive. The present application can be implemented in many other ways that are different from those described here, and those skilled in the art can make similar improvements without departing from the connotation of the present application. Therefore, the present application is not limited by the specific embodiments disclosed below.
此外,术语“第一”、“第二”仅用于描述目的,而不能理解为指示或暗示相对重要性或者隐含指明所指示的技术特征的数量。由此,限定有“第一”、“第二”的特征可以明示或者隐含地包括至少一个该特征。在本申请的描述中,“多个”的含义是至少两个,例如两个,三个等,除非另有明确具体的限定。在本申请的描述中,“若干”的含义是至少一个,例如一个,两个等,除非另有明确具体的限定。In addition, the terms "first" and "second" are used for descriptive purposes only, and cannot be interpreted as indicating or implying relative importance or implicitly specifying the quantity of indicated technical features. Thus, the features defined as "first" and "second" may explicitly or implicitly include at least one of these features. In the description of the present application, "plurality" means at least two, such as two, three, etc., unless otherwise specifically defined. In the description of the present application, "several" means at least one, such as one, two, etc., unless otherwise specifically defined.
本申请实施例涉及的射频系统可以应用到具有无线通信功能的通信设备,其通信设备可以为手持设备、车载设备、可穿戴设备、计算设备或连接到无线调制解调器的其他处理设备,以及各种形式的用户设备(User Equipment,UE)(例如,手机),移动台(MobileStation,MS)等等。为方便描述,上面提到的设备统称为通信设备。网络设备可以包括基站、接入点等。The radio frequency system involved in the embodiments of the present application can be applied to communication devices with wireless communication functions, and the communication devices can be handheld devices, vehicle-mounted devices, wearable devices, computing devices or other processing devices connected to wireless modems, and various forms of A user equipment (User Equipment, UE) (for example, a mobile phone), a mobile station (MobileStation, MS) and so on. For convenience of description, the devices mentioned above are collectively referred to as communication devices. Network devices may include base stations, access points, and the like.
如图1A所示,目前的手机等电子设备常用的射频系统1的架构包括发射模组10(发射模组又称为TXM模组)、多模式多频段功率放大器MMPA模组40和射频收发器30和天线模组20,其中,所述射频收发器30连接所述MMPA模组40和所述发射模组10,所述MMPA模组40和所述发射模组10连接所述天线模组20。所述射频收发器30用于通过所述MMPA模组40、所述天线模组20的信号通路发送或者接收射频信号,或者用于通过所述发射模组10、所述天线模组20发送或者接收射频信号,此外,MMPA模组40也可能和发射模组10连接,形成信号处理通路以实现通过对应的天线发送或者接收射频信号。As shown in Figure 1A, the architecture of the
所述发射模组10包括低频放大电路11、高频放大电路12和选择开关13,其中,低频放大电路11用于GSM低频信号的功率放大,高频放大电路12用于GSM高频信号的功率放大,前端的选择开关13用于除GSM网络之外的3G/4G/5G信号的接入。当前的发射模组10仅支持GSM信号功率放大,以及GSM信号或3G/4G/5G信号单一信号的发射,功能比较单一。若要实现例如ENDC等复杂的功能,则需要与多个MMPA模组进行组合,系统成本较高。Described
如图1B所示,目前常用的发射模组(TXM)架构是低频功率放大电路和高频功率放大电路共同通过连接一个开关,并通过该开关的选择将高频信号或低频信号通过耦合器输出至天线端口。其内部低频功率放大器用于GSM850/900信号功率放大,高频功率放大器用于GSM 1800/1900信号功率放大,前端的开关还用于其他3G/4G/5G信号的接入。该发射模组包括一个高频输入端口(图示为HB IN)、低频输入端口(图示为LB IN)、以及7个高频收发端口(图示为TRX1-TRX7)、7个低频收发端口(图示为TRX8-14)和一个天线端口(图示为ANT)。可以看出,当前的器件功能比较单一,仅支持GSM信号功率放大和3G/4G/5G信号的连接合路,且不支持LB和MHB频段之间的CA。As shown in Figure 1B, the currently commonly used transmitter module (TXM) architecture is that the low-frequency power amplifier circuit and the high-frequency power amplifier circuit are connected through a switch, and the high-frequency signal or low-frequency signal is output through the coupler through the selection of the switch. to the antenna port. Its internal low-frequency power amplifier is used for GSM850/900 signal power amplification, high-frequency power amplifier is used for GSM 1800/1900 signal power amplification, and the front-end switch is also used for other 3G/4G/5G signal access. The transmitter module includes a high-frequency input port (shown as HB IN), low-frequency input port (shown as LB IN), and 7 high-frequency transceiver ports (shown as TRX1-TRX7), 7 low-frequency transceiver ports (TRX8-14 shown) and one antenna port (ANT shown). It can be seen that the current device function is relatively single, only supports GSM signal power amplification and 3G/4G/5G signal connection combination, and does not support CA between LB and MHB frequency bands.
如图2所示,本申请实施例提供一种发射模组10,包括:As shown in Figure 2, the embodiment of the present application provides a
中高频放大电路200,被配置为经第一选择开关110接收射频收发器30的全球移动通信系统GSM高频发射信号,并对所述GSM高频发射信号进行放大、滤波和降噪处理,经第二选择开关120,第三选择开关130和第一耦合器410输出至中高频天线端口810;或者,被配置为经所述第一选择开关110接收所述射频收发器30的目标中频发射信号,并对所述目标中频发射信号进行放大、滤波和降噪处理,经所述第二选择开关120输出至目标中频发送端口830,所述目标中频发射信号为目标中频信号,所述目标中频信号包括第三代3G网络、第四代4G网络、第五代5G网络中任一网络的中频信号;The mid-high
GSM低频放大电路300,被配置为接收所述射频收发器30的GSM低频发射信号,并对所述GSM低频发射信号进行放大、滤波处理,经第四选择开关140和第二耦合器420输出至低频天线端口820。The GSM low-
示例的,所述符号“/”表示或者。GSM低频发射信号可以是GSM850、GSM900等频段信号,GSM高频发射信号可以是GSM1800、GSM1900等频段信号。For example, the symbol "/" means or. The GSM low-frequency transmission signal can be GSM850, GSM900 and other frequency band signals, and the GSM high-frequency transmission signal can be GSM1800, GSM1900 and other frequency band signals.
可以看出,本申请实施例中,发射模组支持GSM低频信号和GSM高频信号、目标中频信号的处理,且能同时支持两路信号的发送,如GSM低频信号和GSM高频信号/目标中频信号的同时发送,或者,目标低频信号和目标中高频信号的同时发送,或者,GSM低频信号和目标中高频信号的同时发送,或者,目标低频信号和GSM高频信号/目标中频信号的同时发送。不仅可以扩展发射模组的发射能力,而且可以提高器件集成度,降低成本。It can be seen that in the embodiment of the present application, the transmitting module supports the processing of GSM low-frequency signals, GSM high-frequency signals, and target intermediate-frequency signals, and can simultaneously support the transmission of two-way signals, such as GSM low-frequency signals and GSM high-frequency signals/targets Simultaneous transmission of intermediate frequency signals, or simultaneous transmission of target low frequency signals and target medium and high frequency signals, or simultaneous transmission of GSM low frequency signals and target medium and high frequency signals, or simultaneous transmission of target low frequency signals and GSM high frequency signals/target medium frequency signals send. Not only can the transmitting capability of the transmitting module be expanded, but also the device integration level can be improved and the cost can be reduced.
在一些实施例中,如图3所示,所述第一选择开关110为SPDT开关,所述SPDT开关的P端口连接所述中高频放大电路200的输入端,两个T端口分别连接用于接收所述GSM高频发射信号和所述目标中频发射信号的两个端口;In some embodiments, as shown in FIG. 3 , the
所述第二选择开关120为SPXT开关,X为大于1的整数,所述SPXT开关的P端口连接所述中高频放大电路200的输出端,第一个T端口与所述第三选择开关130连接,第二个至第X个T端口连接所述目标中频发送端口830;The
所述第三选择开关130为SPYT开关,Y为大于1的整数,所述SPYT开关的P端口连接所述第一耦合器410,第一个T端口连接所述第二选择开关120的第一个T端口,第二个至第Y个T端口一一对应连接所述发射模组的中高频收发端口840;The
所述第四选择开关140为SPZT开关,Z为大于1的整数,所述SPZT开关的P端口连接所述第二耦合器420,第一个T端口连接所述GSM低频放大电路300的输出。The
其中,本申请中的P端口英文全称是Port(极化)端口,本申请中用于多路选择开关中连接天线的端口的称谓,T端口英文全称是Throw(投、掷),本申请中用于多路选择开关中连接射频模块的端口的称谓,如4P4T开关。Wherein, the full English name of the P port in the present application is Port (polarization) port, the appellation used for the port connecting the antenna in the multiplex switch in the present application, and the full English name of the T port is Throw (throwing, throwing), in the present application The name used for the port connected to the radio frequency module in the multiplex switch, such as 4P4T switch.
具体实现中,第二选择开关120为SPXT开关,其共有X个T端口,其中第一个T端口连接第三选择开关130,其他T端口连接目标中频发送端口830,第三选择开关130为SPYT开关,其共有Y个T端口,其中第一个T端口连接第二选择开关120,其他T端口连接中高频收发端口840,第四选择开关140为SPYZ开关,其共有Z个T端口,其中第一个T端口连接低频放大电路300,其他T端口连接目标低频收发端口850。In specific implementation, the
如图4所示,第二选择开关为SP3T开关,所述SP3T开关的第一个T端口与第三选择开关连接,SP3T开关的另外两个T端口分别与目标中频发送端口1和目标中频发送端口2连接。第三选择开关为SP8T开关,所述SP8T开关的第一个T端口与第二选择开关连接,所述SP8T开关的另外7个T端口分别连接中高频收发端口1、中高频收发端口2、中高频收发端口3、中高频收发端口4、中高频收发端口5、中高频收发端口6、中高频收发端口7。第三选择开关为SP7T开关,所述SP7T开关的一个T端口与GSM低频放大电路连接,所述SP7T开关的另外6个T端口分别连接目标低频收发端口1、目标低频收发端口2、目标低频收发端口3、目标低频收发端口4、目标低频收发端口5、目标低频收发端口6。As shown in Figure 4, the second selection switch is an SP3T switch, the first T port of the SP3T switch is connected to the third selection switch, and the other two T ports of the SP3T switch are respectively connected to the target intermediate
可以看出,本申请实施例中,发射模组支持GSM低频信号和GSM高频信号、目标中频信号的处理,且能同时支持两路信号的发送,如GSM低频信号和GSM高频信号/目标中频信号的同时发送,或者,目标低频信号和目标中高频信号的同时发送,或者,GSM低频信号和目标中高频信号的同时发送,或者,目标低频信号和GSM高频信号/目标中频信号的同时发送。不仅可以扩展发射模组的发射能力,而且可以提高器件集成度,降低成本。且中高频放大电路和低频放大电路分别采用独立的耦合器,还可以满足某些情况下对ENDC组合中LTE和NR频段分开采样的要求。It can be seen that in the embodiment of the present application, the transmitting module supports the processing of GSM low-frequency signals, GSM high-frequency signals, and target intermediate-frequency signals, and can simultaneously support the transmission of two-way signals, such as GSM low-frequency signals and GSM high-frequency signals/targets Simultaneous transmission of intermediate frequency signals, or simultaneous transmission of target low frequency signals and target medium and high frequency signals, or simultaneous transmission of GSM low frequency signals and target medium and high frequency signals, or simultaneous transmission of target low frequency signals and GSM high frequency signals/target medium frequency signals send. Not only can the transmitting capability of the transmitting module be expanded, but also the device integration level can be improved and the cost can be reduced. In addition, the mid-high frequency amplifier circuit and the low frequency amplifier circuit use independent couplers, which can also meet the requirement of separate sampling of the LTE and NR frequency bands in the ENDC combination in some cases.
在一些可能的示例中,所述中高频收发端口840用于接收或者发送目标中高频信号,所述目标中高频信号包括所述目标中频信号或者目标高频信号,所述目标高频信号包括所述3G网络、所述4G网络、所述5G网络中任一网络的高频信号,目标低频收发端口850用于接收或者发送目标低频信号,所述目标低频信号包括所述3G网络、所述4G网络、所述5G网络中任一网络的低频信号。In some possible examples, the mid-high
第三选择开关用于选择传输所述目标中高频信号、且所述第四选择开关用于选择传输所述目标低频信号,以实现所述发射模组的载波聚合CA功能。将前端低频信号和中高频信号开关分开满足低频和中高频CA和ENDC的应用需求。The third selection switch is used to select and transmit the target mid-high frequency signal, and the fourth selection switch is used to select and transmit the target low frequency signal, so as to realize the carrier aggregation CA function of the transmitting module. Separate the front-end low frequency signal and medium and high frequency signal switch to meet the application requirements of low frequency and medium and high frequency CA and ENDC.
具体的,2G网络、3G网络、4G网络、5G网络的信号的频段划分如表1所示。Specifically, frequency band divisions of signals of the 2G network, the 3G network, the 4G network, and the 5G network are shown in Table 1.
GSM低频发射信号:GSM850、GSM900等频段信号。GSM low-frequency transmission signal: GSM850, GSM900 and other frequency band signals.
GSM高频发射信号:GSM1800、GSM1900等频段信号。GSM high-frequency transmission signals: GSM1800, GSM1900 and other frequency band signals.
目标高频信号:包括3G网络、4G网络、5G网络中任一网络的高频信号;Target high-frequency signals: including high-frequency signals of any network in 3G network, 4G network, and 5G network;
目标中频信号:包括3G网络、4G网络、5G网络中任一网络的中频信号;Target IF signal: including the IF signal of any network in 3G network, 4G network and 5G network;
目标低频信号:包括3G网络、4G网络、5G网络中任一网络的低频信号;Target low-frequency signals: including low-frequency signals of any network in 3G network, 4G network, and 5G network;
目标中高频信号:包括目标中频信号或者目标高频信号。Target medium-high frequency signal: including target medium-frequency signal or target high-frequency signal.
需要说明的是,5G网络中沿用4G所使用的频段,仅更改序号之前的标识。此外,5G网络还新增了一些4G网络中没有的超高频段,例如,N77、N78和N79等。It should be noted that the 5G network will continue to use the frequency band used by 4G, and only the identification before the serial number will be changed. In addition, the 5G network has added some ultra-high frequency bands that are not available in the 4G network, such as N77, N78, and N79.
示例的,低频信号可包括低频的4G LTE信号和低频的5G NR信号。中频信号可包括中频的4G LTE信号和中频的5G NR信号。高频信号可包括高频的4G LTE信号和高频的5G NR信号。超高频信号可包括超高频的5G NR信号。Exemplarily, the low-frequency signal may include a low-
可见,本示例中发射模组支持GSM低频信号、GSM高频信号、目标中频信号,中高频信号和目标低频信号的发射的多路灵活处理。It can be seen that the transmitting module in this example supports multi-channel flexible processing of the transmission of GSM low-frequency signals, GSM high-frequency signals, target medium-frequency signals, medium-high frequency signals and target low-frequency signals.
在一些可能的示例中,如图5所示,所述中高频放大电路200,包括第一中高频功率放大器210、第一中高频匹配电路220、第二中高频功率放大器230、第二中高频匹配电路240、第三中高频功率放大器250、第一滤波器260和降噪单元270,所述第一中高频功率放大器210的输入端连接所述第一选择开关110的P端口,所述第一中高频功率放大器210的输出端连接所述第一中高频匹配电路220的输入端,所述第一中高频匹配电路220的输出端连接所述第二中高频功率放大器230的输入端,所述第二中高频功率放大器230的输出端连接所述第二中高频匹配电路240的输入端,所述第二中高频匹配电路240的输出端连接所述第三中高频功率放大器250的输入端,所述第三中高频功率放大器250的输出端连接所述第一滤波器260的输入端,所述第一滤波器260的输出端连接所述降噪单元270的输入端,所述降噪单元20的输出端连接所述第二选择开关120的P端口。In some possible examples, as shown in FIG. 5, the mid-high frequency amplifying circuit 200 includes a first mid-high frequency power amplifier 210, a first mid-high frequency matching circuit 220, a second mid-high frequency power amplifier 230, a second mid-high frequency Matching circuit 240, third mid-high frequency power amplifier 250, first filter 260 and noise reduction unit 270, the input terminal of the first mid-high frequency power amplifier 210 is connected to the P port of the first selection switch 110, the first The output terminal of a medium-high frequency power amplifier 210 is connected to the input terminal of the first medium-high frequency matching circuit 220, and the output terminal of the first medium-high frequency matching circuit 220 is connected to the input terminal of the second medium-high frequency power amplifier 230, so The output end of the second mid-high frequency power amplifier 230 is connected to the input end of the second mid-high frequency matching circuit 240, and the output end of the second mid-high frequency matching circuit 240 is connected to the input end of the third mid-high frequency power amplifier 250 , the output end of the third mid-high frequency power amplifier 250 is connected to the input end of the first filter 260, the output end of the first filter 260 is connected to the input end of the noise reduction unit 270, and the noise reduction The output end of the unit 20 is connected to the P port of the second selection switch 120 .
具体实现中,发射模组中GSM HB三级PA同时被用于3G/4G/5G MB信号的放大,GSM和3G/4G/5G MB使用相同的负载loadline,有利于减少整个器件的尺寸,同时将用于解决与ISM频段共存的ISM notch filter设计在SP3T和PA之间,这样的好处是有利于ISM notchfilter通过在PA die上使用IPD(集成无源器件)技术实现,相比于SMD(Surface MountDevices表面贴装器件)技术成本低且不易受到上游阻容感商家的供货影响。In the specific implementation, the GSM HB three-level PA in the transmitter module is also used to amplify the 3G/4G/5G MB signal. GSM and 3G/4G/5G MB use the same load loadline, which is beneficial to reduce the size of the entire device, and at the same time The ISM notch filter used to solve the coexistence with the ISM frequency band is designed between SP3T and PA. The advantage of this is that the ISM notch filter is realized by using IPD (Integrated Passive Device) technology on the PA die, compared to SMD (Surface MountDevices (Surface Mount Devices) technology is low in cost and not easily affected by the supply of upstream resistance-capacitance merchants.
可见,本示例中,中高频放大电路对GSM高频信号或目标中频信号进行放大、滤波和降噪,不仅可以扩展发射模组的发射能力,而且可以提高器件集成度,降低成本。It can be seen that in this example, the medium and high frequency amplifier circuit amplifies, filters and reduces noise on the GSM high frequency signal or the target intermediate frequency signal, which can not only expand the transmission capability of the transmission module, but also improve the integration of the device and reduce the cost.
在一些可能的示例中,如图6所示,所述GSM低频放大电路300包括第一GSM低频功率放大器310、第一GSM低频匹配电路320、第二GSM低频功率放大器330、第二GSM低频匹配电路340、第三GSM低频匹配电路350、第二滤波器360,所述第一GSM低频功率放大器310的输入端连接所述发射模组的GSM低频接收端口,所述第一GSM低频功率放大器310的输出端连接所述第一GSM低频匹配电路320的输入端,所述第一GSM低频匹配电路320的输出端连接所述第二GSM低频功率放大器330的输入端,所述第二GSM低频功率放大器330的输出端连接所述第二GSM低频匹配电路340的输入端,所述第二GSM低频匹配电路340的输出端连接所述第三GSM低频功率放大器的350输入端,所述第三GSM低频功率放大器350的输出端连接所述第二滤波器360的输入端,所述第二滤波器360的输出端连接所述第四选择开关140的第一个T端口。In some possible examples, as shown in FIG. 6, the GSM low
可见,本示例中,发射模组还可以对GSM低频发射信号进行放大、滤波处理,不仅可以扩展发射模组的发射能力,而且可以提高器件集成度,降低成本。It can be seen that in this example, the transmitting module can also amplify and filter GSM low-frequency transmitting signals, which can not only expand the transmitting capability of the transmitting module, but also improve device integration and reduce costs.
在一些可能的示例中,如图7所示,所述发射模组还被配置有VCC供电端口860;所述VCC供电端口860连接合路端口870,所述合路端口870为所述中高频放大电路200的所述第一中高频功率放大器210、所述第二中高频功率放大器230、所述第三中高频功率放大器250、所述GSM低频放大电路300中的所述第一GSM低频功率放大器310、所述第二GSM低频功率放大器330、所述第三GSM低频功率放大器350的电源端口合路后的内部端口。In some possible examples, as shown in FIG. 7 , the transmitting module is also configured with a VCC
示例的,所述VCC供电端口的供电电压可以小于或等于3.6V。For example, the power supply voltage of the VCC power supply port may be less than or equal to 3.6V.
可见,本示例中,中高频放大电路和GSM低频放大电路通过合路端口共用一个VCC供电端口,可以提高器件集成度,降低成本。It can be seen that in this example, the mid-high frequency amplifier circuit and the GSM low frequency amplifier circuit share a VCC power supply port through the combined port, which can improve device integration and reduce costs.
在一些可能的示例中,如图8所示,所述发射模组还被配置有SDATA端口881、SCLK端口882、VIO端口883、VBAT端口884、Vramp端口885;所述发射模组还包括:控制器500,连接所述SDATA端口881、SCLK端口882、所述VIO端口883、所述VBAT端口884、所述Vramp端口885,用于接收所述SDATA端口881、所述SCLK端口882的移动处理器工业接口总线MIPI BUS控制信号,接收所述VIO端口883的MIPI供电信号,接收所述VBAT端口884的偏置电压信号,接收所述Vramp端口885的Vramp信号。In some possible examples, as shown in Figure 8, the launch module is also configured with
可见,本示例中,通过控制器对多种信号进行处理,可以扩展发射模组的信号处理能力,而且可以提高器件集成度,降低成本。It can be seen that in this example, the controller can process multiple signals, which can expand the signal processing capability of the transmitter module, and can improve device integration and reduce costs.
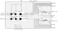
示例的,如图9所示本申请实施例提供的一种发射模组10的结构示意图,该发射模组10包括被配置为用于接收射频收发器的中频信号的目标中频接收端口(图示为MB_IN)、用于接收射频收发器的GSM高频信号的GSM高频接收端口(图示为GSM HB_IN)、用于接收射频收发器的GSM低频信号的GSM低频接收端口(图示为GSM LB_IN)、用于发送中频信号的第一中频发送端口(图示为MB TX1)、和第二中频发送端口(图示为MB TX2)、用于接收和发送中高频信号的7个中高频收发端口(图中仅显示了MHB TRX1和MHB TRX7)、中高频天线端口(图示为MHB Ant Port)、中高频耦合端口(CPL_MH)、低频耦合端口(CPL_L)、用于接收和发送GSM低频信号的6个GSM低频收发端口(图中仅显示了LB TRX1和LB TRX6)、供电端口VCC、控制器(图示为MIPI Controller),以及SDATA端口、SCLK端口、VIO端口、VBAT端口、Vramp端口。As an example, as shown in FIG. 9, a schematic structural diagram of a transmitting module 10 provided by an embodiment of the present application, the transmitting module 10 includes a target intermediate frequency receiving port configured to receive an intermediate frequency signal of a radio frequency transceiver (illustrated MB_IN), the GSM high-frequency receiving port for receiving the GSM high-frequency signal of the RF transceiver (shown as GSM HB_IN), the GSM low-frequency receiving port for receiving the GSM low-frequency signal of the RF transceiver (shown as GSM LB_IN ), the first IF transmit port (MB TX1 in the figure) for sending IF signals, and the second IF transmit port (MB TX2 in the figure), 7 medium and high frequency transceiver ports for receiving and transmitting medium and high frequency signals (Only MHB TRX1 and MHB TRX7 are shown in the figure), mid-high frequency antenna port (shown as MHB Ant Port), mid-high frequency coupling port (CPL_MH), low-frequency coupling port (CPL_L), for receiving and sending GSM low-frequency signals 6 GSM low-frequency transceiver ports (only LB TRX1 and LB TRX6 are shown in the figure), power supply port VCC, controller (MIPI Controller in the figure), and SDATA port, SCLK port, VIO port, VBAT port, Vramp port.
中高频放大电路(图示为2G MB&4G MB PA),用于通过SP3T开关获取射频收发器的中频信号或GSM高频信号,改中高配放大电路包括三个功率放大器、三个中高频匹配电路(图示为Matching Network),滤波单元(图示为Match Filter)、降噪单元(图示为ISMnorch),中高频放大电路将中频信号放大、滤波、降噪后通过SP4T开关输出至中频发送端口,或者将GSM高频信号放大、滤波、降噪后通过SP4T开关输出至SP8T开关的T端口,SP8T开关的另外7个T端口与中高频收发端口连接,SP8T开关的P端口与第一耦合器连接,将GSM高频信号输出至中高频天线端口。Medium and high frequency amplifying circuit (2G MB&4G MB PA shown in the figure) is used to obtain the medium frequency signal or GSM high frequency signal of the RF transceiver through the SP3T switch. The modified medium and high frequency amplifier circuit includes three power amplifiers and three medium and high frequency matching circuits ( The picture shows Matching Network), the filtering unit (the picture shows Match Filter), the noise reduction unit (the picture shows ISMnorch), the medium and high frequency amplifier circuit amplifies, filters and reduces the noise of the intermediate frequency signal, and then outputs it to the intermediate frequency sending port through the SP4T switch. Or the GSM high-frequency signal is amplified, filtered, and noise-reduced, and output to the T port of the SP8T switch through the SP4T switch. The other 7 T ports of the SP8T switch are connected to the medium and high frequency transceiver ports, and the P port of the SP8T switch is connected to the first coupler. , output the GSM high frequency signal to the medium and high frequency antenna port.
低频放大电路(图示为2G LB PA),用于获取来自射频收发器的GSM低频信号,包括三个功率放大器、三个低频匹配电路(图示为Matching Network),滤波单元(图示为MatchFilter),将GSM低频信号放大、滤波后输出至SP7T开关的T端口,该SP7T开关的另外6个T端口与低频信号收发端口连接,P端口与第二耦合器连接,用于将GSM低频信号输出至低频天线端口。The low-frequency amplifier circuit (2G LB PA in the figure) is used to obtain the GSM low-frequency signal from the radio frequency transceiver, including three power amplifiers, three low-frequency matching circuits (Matching Network in the figure), and the filter unit (MatchFilter in the figure) ), the GSM low-frequency signal is amplified and filtered and output to the T port of the SP7T switch. The other 6 T ports of the SP7T switch are connected to the low-frequency signal transceiver port, and the P port is connected to the second coupler for outputting the GSM low-frequency signal to the LF antenna port.
如图10所示,本申请实施例提供另一种发射模组10,包括:As shown in Figure 10, the embodiment of the present application provides another
选择性放大子模组80,用于选择接收来自射频收发器30的GSM高频发射信号,并对所述GSM高频发射信号进行放大、滤波和降噪处理,以及输出至中高频天线端口810;或者,用于选择接收来自所述射频收发器30的目标中频发射信号,并对所述目标中频发射信号进行放大、滤波和降噪处理,以及输出至目标中频发送端口830,所述目标中频发射信号为目标中频信号,所述目标中频信号包括3G网络、4G网络、5G网络中任一网络的中频信号;The
GSM低频放大单元301,用于接收来自所述射频收发器30的GSM低频发射信号,并对所述GSM低频发射信号进行放大、滤波处理,已经输出至低频天线端口820。The GSM low-
可见,本申请实施例中,发射模组支持GSM低频信号和GSM高频信号、目标中频信号的处理,且能同时支持两路信号的发送,如GSM低频信号和GSM高频信号/目标中频信号的同时发送,或者,目标低频信号和目标中高频信号的同时发送,或者,GSM低频信号和目标中高频信号的同时发送,或者,目标低频信号和GSM高频信号/目标中频信号的同时发送。不仅可以扩展发射模组的发射能力,而且可以提高器件集成度,降低成本。It can be seen that in the embodiment of the present application, the transmitting module supports the processing of GSM low-frequency signals, GSM high-frequency signals, and target intermediate-frequency signals, and can simultaneously support the transmission of two-way signals, such as GSM low-frequency signals and GSM high-frequency signals/target intermediate-frequency signals or, the simultaneous transmission of the target low-frequency signal and the target medium-high frequency signal, or the simultaneous transmission of the GSM low-frequency signal and the target medium-high frequency signal, or the simultaneous transmission of the target low-frequency signal and the GSM high-frequency signal/target medium-frequency signal. Not only can the transmitting capability of the transmitting module be expanded, but also the device integration level can be improved and the cost can be reduced.
在一些实施例中,如图11所示,所述选择性放大子模组80包括第一选择开关110,用于选择接收来自所述射频收发器30的GSM高频发射信号或者所述目标中频发射信号;In some embodiments, as shown in FIG. 11 , the
中高频放大单元801,连接所述第一选择开关110,用于对所述目标中频发射信号进行放大、滤波和降噪处理,并经第二选择开关120输出至所述目标中频发送端口830;或者,用于对所述GSM高频发射信号进行放大、滤波和降噪处理,并依次经所述第二选择开关120、第三选择开关130和第一耦合器410输出至中高频天线端口810。The medium and high
可见,本实例中,发射模组支持GSM高频信号和目标中频信号的处理,不仅可以扩展发射模组的发射能力,而且可以提高器件集成度,降低成本。It can be seen that in this example, the transmitting module supports the processing of GSM high frequency signals and target intermediate frequency signals, which can not only expand the transmitting capability of the transmitting module, but also improve device integration and reduce costs.
在一些实施例中,如图12所示,所述GSM低频放大单元300,用于将放大、滤波处理后的所述GSM低频发射信号经过所述第四选择开关140、第二耦合器420输出至低频天线端口820。In some embodiments, as shown in FIG. 12 , the GSM low-
示例的,中高频放大单元和GSM低频放大单元还分别可以包括多个功率放大器以及功率合成单元,以功率合成等方式来实现对射频信号的功率放大处理。Exemplarily, the medium-high frequency amplifying unit and the GSM low-frequency amplifying unit may respectively include a plurality of power amplifiers and a power combining unit, and realize power amplification processing of radio frequency signals by means of power combining and the like.
示例的,中高频放大单元中可包括第一中高频功率放大器、第一中高频匹配电路、第二中高频功率放大器、第二中高频匹配电路和第三中高频功率放大器,以对GSM高频发射信号进行放大处理,还可以包括一个滤波器,以对信号进行滤波,以及降噪单元,以对信号进行降噪处理。As an example, the mid-high frequency amplifying unit may include a first mid-high frequency power amplifier, a first mid-high frequency matching circuit, a second mid-high frequency power amplifier, a second mid-high frequency matching circuit and a third mid-high frequency power amplifier, so as to support GSM high frequency The transmitting signal is amplified, and may also include a filter for filtering the signal, and a noise reduction unit for noise reduction processing on the signal.
GSM低频放大单元中可以包括第一GSM低频功率放大器、第一GSM低频匹配电路、第二GSM低频功率放大器、第二GSM低频匹配电路、第三GSM低频匹配电路,已对GSM低频发射信号进行放大处理,还可以包括第二滤波器,以对信号进行滤波处理。The GSM low-frequency amplifying unit may include a first GSM low-frequency power amplifier, a first GSM low-frequency matching circuit, a second GSM low-frequency power amplifier, a second GSM low-frequency matching circuit, and a third GSM low-frequency matching circuit, and the GSM low-frequency transmission signal has been amplified The processing may further include a second filter to filter the signal.
可以看出,本申请实施例中,发射模组支持GSM低频信号和GSM高频信号、目标中频信号的处理,且能同时支持两路信号的发送,如GSM低频信号和GSM高频信号/目标中频信号的同时发送,或者,目标低频信号和目标中高频信号的同时发送,或者,GSM低频信号和目标中高频信号的同时发送,或者,目标低频信号和GSM高频信号/目标中频信号的同时发送。不仅可以扩展发射模组的发射能力,而且可以提高器件集成度,降低成本。It can be seen that in the embodiment of the present application, the transmitting module supports the processing of GSM low-frequency signals, GSM high-frequency signals, and target intermediate-frequency signals, and can simultaneously support the transmission of two-way signals, such as GSM low-frequency signals and GSM high-frequency signals/targets Simultaneous transmission of intermediate frequency signals, or simultaneous transmission of target low frequency signals and target medium and high frequency signals, or simultaneous transmission of GSM low frequency signals and target medium and high frequency signals, or simultaneous transmission of target low frequency signals and GSM high frequency signals/target medium frequency signals send. Not only can the transmitting capability of the transmitting module be expanded, but also the device integration level can be improved and the cost can be reduced.
如图13所示,本申请实施例提供另一种发射模组10,包括:As shown in Figure 13, the embodiment of the present application provides another
被配置有用于接收射频收发器30的GSM高频发射信号的GSM高频接收端口902、用于接收所述射频收发器30的目标中频发射信号的目标中频接收端口903、用于接收所述射频收发器30的GSM低频发射信号的GSM低频接收端口901、用于发送中高频发射信号的中高频天线端口810、用于发送GSM低频发射信号的低频天线端口820以及用于发送所述目标中频发射信号的目标中频发送端口830、用于接收或者发送目标中高频信号的中高频收发端口840、用于接收或者发送目标低频信号的目标低频收发端口850,所述目标中频信号包括3G网络、4G网络、5G网络中任一网络的中频信号,所述目标低频信号包括所述3G网络、所述4G网络、所述5G网络中任一网络的低频信号,所述目标中高频信号包括所述目标中频信号或者目标高频信号,所述目标高频信号包括所述3G网络、所述4G网络、所述5G网络中任一网络的高频信号;所述发射模组10包括:Configured with a GSM high-
第一选择开关110,为SPDT开关,所述SPDT开关的一个T端口连接所述GSM高频接收端口902,另一个T端口连接所述目标中频接收端口903,用于选择接收所述GSM高频发射信号或者所述目标中频发射信号;The
中高频放大电路200,连接所述第一选择开关110的P端口,用于对接收的所述GSM高频发射信号或者所述目标中频发射信号进行放大、滤波和降噪处理;The medium and high
第二选择开关120,为SPXT开关,X为大于1的整数,所述SPXT开关的P端口连接所述中高频放大电路200的输出端,第一个T端口依次连接第三选择开关130、第一耦合器410和所述中高频天线端口810,用于将所述GSM高频发射信号输出至所述中高频天线端口810,第二个至第X个T端口一一对应连接所述目标中频发送端口830,用于将所述目标中频发射信号输出至任一目标中频发送端口830;The
所述第三选择开关130,为SPYT开关,Y为大于1的整数,所述SPYT开关的P端口连接所述第一耦合器410的第一端,第一个T端口与所述第二选择开关120的第一个T端口连接,第二个至第Y个T端口一一对应连接所述发射模组的所述中高频收发端口840;The
所述第一耦合器410,所述第一耦合器410的第二端连接所述中高频天线端口810,第三端连接所述发射模组10的第一耦合端口891,用于检测所述GSM高频发射信号、所述目标中高频信号中至少一种信号的功率信息,并将所述功率信息通过所述第一耦合端口输出891;The
GSM低频放大电路300,连接所述GSM低频接收端口901,用于对接收的所述GSM低频发射信号进行放大、滤波处理;GSM low-
第四选择开关140,为SPZT开关,Z为大于1的整数,所述SPZT开关第一个T端口连接所述GSM低频放大电路300的输出端,第二个至第Z个T端口一一对应连接所述目标低频收发端口850,P端口连接第二耦合器420的第一端;The
所述第二耦合器420,所述第二耦合器420的第二端连接所述目标低频天线端口820,第三端连接所述发射模组10的第二耦合端口892,用于检测所述GSM低频发射信号、所述目标低频信号中至少一种信号的功率信息,并将所述功率信息通过所述第二耦合端口892输出。The
示例的,中高频放大电路中可包括第一中高频功率放大器、第一中高频匹配电路、第二中高频功率放大器、第二中高频匹配电路和第三中高频功率放大器,以对GSM高频发射信号进行放大处理,还可以包括一个滤波器,以对信号进行滤波,以及降噪单元,以对信号进行降噪处理。As an example, the mid-to-high frequency amplifier circuit may include a first mid-to-high frequency power amplifier, a first mid-to-high frequency matching circuit, a second mid-to-high frequency power amplifier, a second mid-to-high frequency matching circuit and a third mid-to-high frequency power amplifier, for GSM high-frequency The transmitting signal is amplified, and may also include a filter for filtering the signal, and a noise reduction unit for noise reduction processing on the signal.
GSM低频放大电路中可以包括第一GSM低频功率放大器、第一GSM低频匹配电路、第二GSM低频功率放大器、第二GSM低频匹配电路、第三GSM低频匹配电路,已对GSM低频发射信号进行放大处理,还可以包括第二滤波器,以对信号进行滤波处理。The GSM low-frequency amplifying circuit may include a first GSM low-frequency power amplifier, a first GSM low-frequency matching circuit, a second GSM low-frequency power amplifier, a second GSM low-frequency matching circuit, and a third GSM low-frequency matching circuit, and the GSM low-frequency transmission signal has been amplified The processing may further include a second filter to filter the signal.
可以看出,本申请实施例中,发射模组支持GSM低频信号和GSM高频信号、目标中频信号的处理,且能同时支持两路信号的发送,如GSM低频信号和GSM高频信号/目标中频信号的同时发送,或者,目标低频信号和目标中高频信号的同时发送,或者,GSM低频信号和目标中高频信号的同时发送,或者,目标低频信号和GSM高频信号/目标中频信号的同时发送。不仅可以扩展发射模组的发射能力,而且可以提高器件集成度,降低成本。It can be seen that in the embodiment of the present application, the transmitting module supports the processing of GSM low-frequency signals, GSM high-frequency signals, and target intermediate-frequency signals, and can simultaneously support the transmission of two-way signals, such as GSM low-frequency signals and GSM high-frequency signals/targets Simultaneous transmission of intermediate frequency signals, or simultaneous transmission of target low frequency signals and target medium and high frequency signals, or simultaneous transmission of GSM low frequency signals and target medium and high frequency signals, or simultaneous transmission of target low frequency signals and GSM high frequency signals/target medium frequency signals send. Not only can the transmitting capability of the transmitting module be expanded, but also the device integration level can be improved and the cost can be reduced.
如图14所示,本申请实施例提供一种射频系统1,包括:As shown in Figure 14, the embodiment of the present application provides a
如图1至图13任一实施例所述的发射模组10;The
天线模组20,至少包括:The
第一天线单元610,连接所述发射模组10的中高频天线端口810;The
第二天线单元620,连接所述发射模组10的低频天线端口820;The
第三天线单元630,连接所述发射模组10的目标中频发射端口830。The
可以看出,本申请实施例中,发射模组支持GSM低频信号和GSM高频信号、目标中频信号的处理,且能同时支持两路信号的发送,如GSM低频信号和GSM高频信号/目标中频信号的同时发送,或者,目标低频信号和目标中高频信号的同时发送,或者,GSM低频信号和目标中高频信号的同时发送,或者,目标低频信号和GSM高频信号/目标中频信号的同时发送。不仅可以扩展发射模组的发射能力,而且可以提高器件集成度,降低成本。It can be seen that in the embodiment of the present application, the transmitting module supports the processing of GSM low-frequency signals, GSM high-frequency signals, and target intermediate-frequency signals, and can simultaneously support the transmission of two-way signals, such as GSM low-frequency signals and GSM high-frequency signals/targets Simultaneous transmission of intermediate frequency signals, or simultaneous transmission of target low frequency signals and target medium and high frequency signals, or simultaneous transmission of GSM low frequency signals and target medium and high frequency signals, or simultaneous transmission of target low frequency signals and GSM high frequency signals/target medium frequency signals send. Not only can the transmitting capability of the transmitting module be expanded, but also the device integration level can be improved and the cost can be reduced.
在一些实施例中,如图15所示,所述发射模组10还包括:In some embodiments, as shown in Figure 15, the
中高频滤波与隔离单元701,连接所述中高频收发端口840,用于对目标中高频信号进行滤波和隔离;The medium and high frequency filtering and
目标中高频放大电路801,连接所述中高频滤波与隔离单元701,用于对所述目标中高频信号进行放大处理;Target mid-high
目标低频滤波与隔离单元702,连接所述目标低频收发端口850,用于对目标低频信号进行滤波和隔离;Target low-frequency filtering and
目标低频放大电路802,连接所述目标低频滤波与隔离单元702,用于对所述目标低频信号进行放大处理。The target low-
示例的,所述中高频滤波与隔离单元、所述目标低频滤波与隔离单元具体可以包括滤波器和双工器,滤波器用于对信号进行滤波,双工器用于对发射信号和接收信号进行隔离。As an example, the medium-high frequency filtering and isolation unit and the target low-frequency filtering and isolation unit may specifically include a filter and a duplexer, the filter is used to filter the signal, and the duplexer is used to isolate the transmitted signal and the received signal .
示例的,所述中高频放大电路例如可以包括目标中频放大电路和目标高频放大电路,所述目标中频放大电路例如包括目标中频发送电路和目标中频接收电路,所述目标高频放大电路例如包括目标高频发送电路和目标高频接收电路,目标中频发送电路和目标高频发送电路例如包括功率放大器,目标中频接收电路和目标高频接收电路例如包括低噪声滤波器。Exemplarily, the mid-to-high frequency amplifying circuit may include, for example, a target intermediate frequency amplifying circuit and a target high frequency amplifying circuit, the target intermediate frequency amplifying circuit includes, for example, a target intermediate frequency transmitting circuit and a target intermediate frequency receiving circuit, and the target high frequency amplifying circuit includes, for example The target high-frequency transmission circuit and the target high-frequency reception circuit, the target intermediate frequency transmission circuit and the target high-frequency transmission circuit include, for example, power amplifiers, and the target intermediate-frequency receiving circuit and target high-frequency receiving circuit include, for example, low-noise filters.
示例的,所述中高频收发端口可以包括多个,该中高频滤波与隔离单元可以与多个中高频收发端口中的任何一个连接,图15中示出的中高频滤波与隔离单元与一个中高频收发端口连接,仅为其中一种连接方式。其中,中高频滤波与隔离单元还可以通过第五选择开关与多个中高频收发端口的其中一个连接。As an example, the medium and high frequency transceiving ports may include multiple, and the medium and high frequency filtering and isolation unit may be connected to any one of the multiple medium and high frequency transmitting and receiving ports. The medium and high frequency filtering and isolating unit shown in FIG. 15 is connected to a medium and high frequency It is only one of the connection methods. Wherein, the mid-high frequency filter and isolation unit can also be connected to one of the multiple mid-high frequency transceiving ports through the fifth selection switch.
所述低频收发端口可以包括多个,该低频滤波与隔离单元可以与多个低频收发端口中的任何一个连接,图15中示出的低频滤波与各类单元与一个低频收发端口连接,仅为其中一种连接方式。其中,低频滤波与隔离单元还可以通过第六选择开关与多个中高频收发端口的其中一个连接。The low-frequency transceiver port can include multiple, and the low-frequency filter and isolation unit can be connected to any one of the multiple low-frequency transceiver ports. The low-frequency filter shown in FIG. One of the connection methods. Wherein, the low frequency filter and isolation unit can also be connected to one of the multiple medium and high frequency transceiver ports through the sixth selection switch.
可见,本示例中,发射模组、中高频滤波与隔离单元和中高频放大电路能够实现目标中频发射信号和中高频信号的双发,发射模组、目标低频滤波与隔离单元和目标低频放大电路能够实现目标中频发射信号和目标低频信号的双发,目标中频发射信号和中高频信号、目标中频发射信号和目标低频信号通过配置可以实现4G信号+5G信号的双发,即实现ENDC。It can be seen that in this example, the transmitting module, the medium and high frequency filtering and isolation unit and the medium and high frequency amplifying circuit can realize the dual transmission of the target medium frequency transmitting signal and the medium and high frequency signal, and the transmitting module, the target low frequency filtering and isolating unit and the target low frequency amplifying circuit It can realize the dual transmission of the target intermediate frequency transmission signal and the target low frequency signal, the target intermediate frequency transmission signal and the medium high frequency signal, the target intermediate frequency transmission signal and the target low frequency signal can realize the dual transmission of 4G signal + 5G signal through configuration, that is, realize ENDC.
在一些实施例中,所述第三选择开关用于选择传输所述目标中高频信号、且所述第四选择开关用于选择传输所述目标低频信号,以实现所述发射模组的载波聚合CA功能。In some embodiments, the third selection switch is used to select and transmit the target medium-high frequency signal, and the fourth selection switch is used to select and transmit the target low-frequency signal to realize carrier aggregation of the transmitting module CA function.
可见,本实例中,将前端低频信号和中高频信号开关分开满足低频和中高频CA和ENDC的应用需求。It can be seen that in this example, the front-end low-frequency signal and medium-high frequency signal switches are separated to meet the application requirements of low-frequency and medium-high frequency CA and ENDC.
如图16所示,本申请实施例提供一种射频系统1,包括:As shown in Figure 16, the embodiment of the present application provides a
如上述图1-图13任一实施例所述的发射模组10,和多模式多频段功率放大器MMPA模组40;The transmitting
所述MMPA支持目标信号,所述目标信号包括以下任意一种:目标低频信号、目标中频信号、目标高频信号以及目标超高频信号,所述目标低频信号为3G网络、4G网络、5G网络中任一网络的低频信号,所述目标中频信号为所述3G网络、所述4G网络、所述5G网络中任一网络的中频信号,所述目标高频信号为所述3G网络、所述4G网络、所述5G网络中任一网络的高频信号,所述目标超高频信号为所述5G网络的超高频信号;The MMPA supports target signals, and the target signals include any of the following: target low-frequency signals, target intermediate-frequency signals, target high-frequency signals, and target ultra-high-frequency signals, and the target low-frequency signals are 3G networks, 4G networks, and 5G networks A low-frequency signal of any of the networks, the target intermediate-frequency signal is an intermediate-frequency signal of any of the 3G network, the 4G network, and the 5G network, and the target high-frequency signal is the 3G network, the A high-frequency signal of any network in the 4G network and the 5G network, the target UHF signal is the UHF signal of the 5G network;
所述发射模组10与所述MMPA模组40被配置为支持第一频段与第二频段之间的4G网络与5G网络的双连接ENDC,所述第一频段为所述发射模组所支持的目标中频信号所属的频段,所述第二频段为所述MMPA模组所支持的所述目标信号所属的频段。The transmitting
可见,本实例中,射频系统包括发射模组和MMPA模组,使得射频系统支持GSM低频信号和GSM高频信号、目标中频信号中任一信号的处理,该发射模组由于支持了4G/5G中频信号可通过与另外一颗支持低频/中频/高频/超高频的MMPA搭配使用,实现中频信号跟其他频段之间的ENDC组合,减少了一颗用于实现ENDC的MMPA。将前端低频信号和中高频信号开关分开满足低频和中高频CA和ENDC的应用需求。It can be seen that in this example, the radio frequency system includes a transmission module and an MMPA module, so that the radio frequency system supports the processing of any signal in GSM low-frequency signals, GSM high-frequency signals, and target intermediate frequency signals. Since the transmission module supports 4G/5G The IF signal can be used in conjunction with another MMPA that supports low frequency/IF/HF/UHF to realize the ENDC combination between the IF signal and other frequency bands, reducing one MMPA for ENDC. Separate the front-end low frequency signal and medium and high frequency signal switch to meet the application requirements of low frequency and medium and high frequency CA and ENDC.
在一些实施例中,如图17所示,所述MMPA模组40包括:In some embodiments, as shown in Figure 17, the
目标低频发射电路401,用于在第一供电电压作用下,接收来自射频收发器30的所述第三频段的信号,并对所述第三频段的信号进行放大处理,经本端的目标低频输出端口405输出,所述第三频段为所述MMPA模组所支持的所述目标低频信号所属的频段;The target low-
目标中频发射电路402,用于在第二供电电压作用下,接收来自所述射频收发器30的所述目标中频信号,并对所述目标中频信号进行放大处理,经本端的目标中频输出端口406输出;The target intermediate
目标高频发射电路403,用于在所述第二供电电压作用下,接收来自所述射频收发器的所述目标高频信号,并对所述目标高频信号进行放大处理,经本端的目标高频输出端口407输出;The target high-
目标超高频发射电路404,用于在所述第二供电电压作用下,接收来自所述射频收发器的所述目标超高频信号,并对所述目标超高频信号进行放大处理,经本端的目标超高频输出端口408输出;The target
其中,所述第一供电电压和所述第二供电电压的供电电路相互独立。Wherein, the power supply circuits of the first power supply voltage and the second power supply voltage are independent of each other.
可见,本实例中,射频系统包括发射模组和MMPA模组,使得射频系统支持GSM低频信号和GSM高频信号、目标中频信号中任一信号的处理,该发射模组由于支持了4G/5G中频信号可通过与另外一颗支持低频/中频/高频/超高频的MMPA搭配使用,实现中频信号跟其他频段之间的ENDC组合,减少了一颗用于实现ENDC的MMPA。It can be seen that in this example, the radio frequency system includes a transmission module and an MMPA module, so that the radio frequency system supports the processing of any signal in GSM low-frequency signals, GSM high-frequency signals, and target intermediate frequency signals. Since the transmission module supports 4G/5G The IF signal can be used in conjunction with another MMPA that supports low frequency/IF/HF/UHF to realize the ENDC combination between the IF signal and other frequency bands, reducing one MMPA for ENDC.
在一些实施例中,所述MMPA模组被配置为支持所述第三频段和所述第四频段之间的ENDC,所述第四频段为所述MMPA模组所支持的所述目标中频信号、所述目标高频信号以及所述目标超高频信号中任一信号所属的频段。In some embodiments, the MMPA module is configured to support ENDC between the third frequency band and the fourth frequency band, and the fourth frequency band is the target intermediate frequency signal supported by the MMPA module , the frequency band to which any one of the target high-frequency signal and the target ultra-high frequency signal belongs.
如图18所示,本申请实施例提供一种通信设备A,包括:As shown in Figure 18, this embodiment of the present application provides a communication device A, including:
如图14至图17任一实施例所述的射频系统1。The
示例的,射频收发器30上的各个频段的信号发送端口、信号接收端口分别与对应的频段的放大电路连接,具体来说,射频收发器30的GSM低频信号发送端口和GSM低频信号接收端口可以连接GSM低频放大电路,射频收发器30的中高频信号发送端口和中高频信号接收端口可以连接中高频放大电路,射频收发器30的目标中频信号发送端口和目标中频信号接收端口可以连接中高频放大电路等,此外,还可以连接信号接收模组等以实现各频段信号的接收。此处不做唯一限定。Exemplary, the signal sending port and the signal receiving port of each frequency band on the
可以看出,本申请实施例中,发射模组支持GSM低频信号和GSM高频信号、目标中频信号的处理,且能同时支持两路信号的发送,如GSM低频信号和GSM高频信号/目标中频信号的同时发送,或者,目标低频信号和目标中高频信号的同时发送,或者,GSM低频信号和目标中高频信号的同时发送,或者,目标低频信号和GSM高频信号/目标中频信号的同时发送。不仅可以扩展发射模组的发射能力,而且可以提高器件集成度,降低成本。It can be seen that in the embodiment of the present application, the transmitting module supports the processing of GSM low-frequency signals, GSM high-frequency signals, and target intermediate-frequency signals, and can simultaneously support the transmission of two-way signals, such as GSM low-frequency signals and GSM high-frequency signals/targets Simultaneous transmission of intermediate frequency signals, or simultaneous transmission of target low frequency signals and target medium and high frequency signals, or simultaneous transmission of GSM low frequency signals and target medium and high frequency signals, or simultaneous transmission of target low frequency signals and GSM high frequency signals/target medium frequency signals send. Not only can the transmitting capability of the transmitting module be expanded, but also the device integration level can be improved and the cost can be reduced.
如图19所示,以通信设备为手机1900为例进行说明,具体的,如图19所示,该手机1900包括处理器1910、存储器1920、通信接口1930、射频系统1940以及一个或多个程序1921,其中,所述一个或多个程序1921被存储在上述存储器1920中,且被配置由上述处理器1910执行,所述一个或多个程序1921包括用于执行下述方法实施例中任一步骤的指令。As shown in FIG. 19, the communication device is a
通信接口1930包括内部接口和外部接口,所述内部接口包括射频接口、摄像头接口、显示屏接口和麦克风接口等,所述外部接口可以包括CAN接口、RS232接口、RS485接口和I2C接口等。所述处理器1910通过所述内部接口与所述射频系统1940连接,所述手机用于通过外部接口与其他电子设备通信。The
其中,处理器1910可以是应用处理器或控制器,例如可以是中央处理器(CentralProcessing Unit,CPU),通用处理器,数字信号处理器(Digital Signal Processor,DSP),专用集成电路(Application-Specific Integrated Circuit,ASIC),现场可编程门阵列(Field Programmable Gate Array,FPGA)或者其他可编程逻辑器件、晶体管逻辑器件、硬件部件或者其任意组合。其可以实现或执行结合本申请公开内容所描述的各种示例性的逻辑方框,单元和电路。所述处理器1910也可以是实现计算功能的组合,例如包含一个或多个微处理器组合,DSP和微处理器的组合等等。Wherein, the
存储器1920用于存储手机的程序代码和数据。所述存储器1920可以是易失性存储器或非易失性存储器,或可包括易失性和非易失性存储器两者。其中,非易失性存储器可以是只读存储器(read-only memory,ROM)、可编程只读存储器(programmable ROM,PROM)、可擦除可编程只读存储器(erasable PROM,EPROM)、电可擦除可编程只读存储器(electrically EPROM,EEPROM)或闪存。易失性存储器可以是随机存取存储器(randomaccess memory,RAM),其用作外部高速缓存。通过示例性但不是限制性说明,许多形式的随机存取存储器(random access memory,RAM)可用,例如静态随机存取存储器(static RAM,SRAM)、动态随机存取存储器(DRAM)、同步动态随机存取存储器(synchronous DRAM,SDRAM)、双倍数据速率同步动态随机存取存储器(double data rate SDRAM,DDR SDRAM)、增强型同步动态随机存取存储器(enhanced SDRAM,ESDRAM)、同步连接动态随机存取存储器(synchlink DRAM,SLDRAM)和直接内存总线随机存取存储器(direct rambus RAM,DRRAM)。The memory 1920 is used to store program codes and data of the mobile phone. The memory 1920 can be volatile memory or nonvolatile memory, or can include both volatile and nonvolatile memory. Among them, the non-volatile memory can be read-only memory (read-only memory, ROM), programmable read-only memory (programmable ROM, PROM), erasable programmable read-only memory (erasable PROM, EPROM), electrically programmable Erases programmable read-only memory (electrically EPROM, EEPROM) or flash memory. Volatile memory can be random access memory (RAM), which acts as external cache memory. By way of illustration and not limitation, many forms of random access memory (RAM) are available, such as static random access memory (static RAM, SRAM), dynamic random access memory (DRAM), synchronous dynamic random access memory Access memory (synchronous DRAM, SDRAM), double data rate synchronous dynamic random access memory (double data rate SDRAM, DDR SDRAM), enhanced synchronous dynamic random access memory (enhanced SDRAM, ESDRAM), synchronous connection dynamic random access memory Access memory (synchlink DRAM, SLDRAM) and direct memory bus random access memory (direct rambus RAM, DRRAM).
射频系统1940可以为前述任一实施例中的射频系统,其中,射频系统1940还可用于处理多个不同频段的射频信号。例如用于接收1575MHz的卫星定位信号的卫星定位射频电路、用于处理IEEE802.11通信的2.4GHz和5GHz频段的WiFi和蓝牙收发射频电路、用于处理蜂窝电话频段(诸如850MHz、900MHz、1800MHz、1900MHz、2100MHz的频段、和Sub-6G频段)的无线通信的蜂窝电话收发射频电路。其中,Sub-6G频段可具体包括2.496GHz-6GHz频段,3.3GHz-6GHz频段。The
以上实施例仅表达了本申请的几种实施方式,其描述较为具体和详细,但并不能因此而理解为对本申请专利范围的限制。应当指出的是,对于本领域的普通技术人员来说,在不脱离本申请构思的前提下,还可以做出若干变形和改进,这些都属于本申请的保护范围。因此,本申请专利的保护范围应以所附权利要求为准。The above examples only express several implementation modes of the present application, and the description thereof is relatively specific and detailed, but should not be construed as limiting the patent scope of the present application. It should be noted that those skilled in the art can make several modifications and improvements without departing from the concept of the present application, and these all belong to the protection scope of the present application. Therefore, the scope of protection of the patent application should be based on the appended claims.
| Application Number | Priority Date | Filing Date | Title |
|---|---|---|---|
| CN202110927510.3ACN113676193B (en) | 2021-08-12 | 2021-08-12 | Transmitting modules, radio frequency systems and communication equipment |
| PCT/CN2022/105226WO2023016171A1 (en) | 2021-08-12 | 2022-07-12 | Transmit module, radio frequency system and communication device |
| Application Number | Priority Date | Filing Date | Title |
|---|---|---|---|
| CN202110927510.3ACN113676193B (en) | 2021-08-12 | 2021-08-12 | Transmitting modules, radio frequency systems and communication equipment |
| Publication Number | Publication Date |
|---|---|
| CN113676193A CN113676193A (en) | 2021-11-19 |
| CN113676193Btrue CN113676193B (en) | 2022-11-11 |
| Application Number | Title | Priority Date | Filing Date |
|---|---|---|---|
| CN202110927510.3AActiveCN113676193B (en) | 2021-08-12 | 2021-08-12 | Transmitting modules, radio frequency systems and communication equipment |
| Country | Link |
|---|---|
| CN (1) | CN113676193B (en) |
| WO (1) | WO2023016171A1 (en) |
| Publication number | Priority date | Publication date | Assignee | Title |
|---|---|---|---|---|
| CN113676192B (en)* | 2021-08-12 | 2023-01-06 | Oppo广东移动通信有限公司 | Transmitting module, radio frequency system and communication equipment |
| CN113676193B (en)* | 2021-08-12 | 2022-11-11 | Oppo广东移动通信有限公司 | Transmitting modules, radio frequency systems and communication equipment |
| CN113676207B (en)* | 2021-08-12 | 2022-12-27 | Oppo广东移动通信有限公司 | Transmitting module, radio frequency system and communication equipment |
| CN119148065B (en)* | 2024-11-19 | 2025-01-28 | 天津云遥宇航科技有限公司 | Full polarization SAR radio frequency network |
| Publication number | Priority date | Publication date | Assignee | Title |
|---|---|---|---|---|
| CN112187297A (en)* | 2020-09-27 | 2021-01-05 | Oppo广东移动通信有限公司 | Radio frequency L-PA Mid device, radio frequency transceiving system and communication equipment |
| CN112436845A (en)* | 2020-12-02 | 2021-03-02 | Oppo广东移动通信有限公司 | Radio frequency L-PA Mid device, radio frequency transceiving system and communication equipment |
| CN112436846A (en)* | 2020-12-02 | 2021-03-02 | Oppo广东移动通信有限公司 | Radio frequency L-PA Mid device, radio frequency transceiving system and communication equipment |
| Publication number | Priority date | Publication date | Assignee | Title |
|---|---|---|---|---|
| US20090180403A1 (en)* | 2008-01-11 | 2009-07-16 | Bogdan Tudosoiu | Multi-band and multi-mode radio frequency front-end module architecture |
| US9838069B2 (en)* | 2013-10-30 | 2017-12-05 | Netgear, Inc. | Radio frequency front end module with high band selectivity |
| WO2017092705A1 (en)* | 2015-12-01 | 2017-06-08 | 唯捷创芯(天津)电子技术股份有限公司 | Multimode power amplifier module, chip and communication terminal |
| CN108964677B (en)* | 2018-07-23 | 2020-12-08 | Oppo广东移动通信有限公司 | Radio frequency system, antenna switching control method and related products |
| CN112910492B (en)* | 2021-01-29 | 2022-09-09 | Oppo广东移动通信有限公司 | RF PA Mid Devices, RF Systems and Communication Equipment |
| CN113225092B (en)* | 2021-04-14 | 2022-11-08 | 荣耀终端有限公司 | Radio frequency amplifying circuit and method |
| CN113676193B (en)* | 2021-08-12 | 2022-11-11 | Oppo广东移动通信有限公司 | Transmitting modules, radio frequency systems and communication equipment |
| Publication number | Priority date | Publication date | Assignee | Title |
|---|---|---|---|---|
| CN112187297A (en)* | 2020-09-27 | 2021-01-05 | Oppo广东移动通信有限公司 | Radio frequency L-PA Mid device, radio frequency transceiving system and communication equipment |
| CN112436845A (en)* | 2020-12-02 | 2021-03-02 | Oppo广东移动通信有限公司 | Radio frequency L-PA Mid device, radio frequency transceiving system and communication equipment |
| CN112436846A (en)* | 2020-12-02 | 2021-03-02 | Oppo广东移动通信有限公司 | Radio frequency L-PA Mid device, radio frequency transceiving system and communication equipment |
| Publication number | Publication date |
|---|---|
| CN113676193A (en) | 2021-11-19 |
| WO2023016171A1 (en) | 2023-02-16 |
| Publication | Publication Date | Title |
|---|---|---|
| CN113676193B (en) | Transmitting modules, radio frequency systems and communication equipment | |
| CN113676208B (en) | Amplifier module, radio frequency system and communication equipment | |
| CN113659995B (en) | Radio frequency system and communication device | |
| WO2022116728A1 (en) | Radio frequency l-pa mid device, radio frequency transceiving system and communication device | |
| CN113676192B (en) | Transmitting module, radio frequency system and communication equipment | |
| CN113676207B (en) | Transmitting module, radio frequency system and communication equipment | |
| CN113676211B (en) | Amplifier module, radio frequency system and communication equipment | |
| EP2523355A1 (en) | Device and equipment for receiving and transmitting signals with four-frequency in global system for mobile communication | |
| CN113676209B (en) | Amplifier modules, RF systems and communication equipment | |
| CN114553250B (en) | RF systems and communications equipment | |
| CN113676191B (en) | Transmitting module, radio frequency system and communication equipment | |
| CN102412858A (en) | Radio frequency transceiver, terminal and method for receiving signal for terminal | |
| WO2023016197A1 (en) | Amplifier module, radio frequency system, and communication device | |
| CN216721327U (en) | RF Front End Modules and RF Systems | |
| CN113676212B (en) | Amplifier module, radio frequency system and communication equipment | |
| CN201976093U (en) | Four-frequency range GSM (Global System for Mobile Communications) receiving and transmitting device and wireless terminal | |
| CN215871405U (en) | Radio frequency system and communication device | |
| CN113676214B (en) | Amplifier modules, RF systems and communication equipment | |
| CN216721326U (en) | RF Front End Modules and RF Systems | |
| CN113676210B (en) | Amplifier module, radio frequency system and communication equipment | |
| WO2023098244A1 (en) | Radio frequency front-end device and radio frequency system | |
| CN115242263B (en) | RF front-end devices, RF systems and communication equipment | |
| CN218217356U (en) | RF systems and communication equipment | |
| CN216959863U (en) | RF Systems and Communication Equipment | |
| CN119602813A (en) | RF PA Mid devices, RF systems and electronic equipment |
| Date | Code | Title | Description |
|---|---|---|---|
| PB01 | Publication | ||
| PB01 | Publication | ||
| SE01 | Entry into force of request for substantive examination | ||
| SE01 | Entry into force of request for substantive examination | ||
| GR01 | Patent grant | ||
| GR01 | Patent grant |