Movatterモバイル変換


[0]ホーム

URL:


CN113593302A - Car road is anticollision system service platform in coordination based on car networking - Google Patents

Car road is anticollision system service platform in coordination based on car networking
Download PDF

Info

Publication number
CN113593302A
CN113593302ACN202110837796.6ACN202110837796ACN113593302ACN 113593302 ACN113593302 ACN 113593302ACN 202110837796 ACN202110837796 ACN 202110837796ACN 113593302 ACN113593302 ACN 113593302A
Authority
CN
China
Prior art keywords
vehicle
management
center
track
data
Prior art date
Legal status (The legal status is an assumption and is not a legal conclusion. Google has not performed a legal analysis and makes no representation as to the accuracy of the status listed.)
Pending
Application number
CN202110837796.6A
Other languages
Chinese (zh)
Inventor
兰洋
陈晓生
Current Assignee (The listed assignees may be inaccurate. Google has not performed a legal analysis and makes no representation or warranty as to the accuracy of the list.)
Chongqing Zhihe Huichuang Technology Co ltd
Original Assignee
Chongqing Zhihe Huichuang Technology Co ltd
Priority date (The priority date is an assumption and is not a legal conclusion. Google has not performed a legal analysis and makes no representation as to the accuracy of the date listed.)
Filing date
Publication date
Application filed by Chongqing Zhihe Huichuang Technology Co ltdfiledCriticalChongqing Zhihe Huichuang Technology Co ltd
Priority to CN202110837796.6ApriorityCriticalpatent/CN113593302A/en
Publication of CN113593302ApublicationCriticalpatent/CN113593302A/en
Pendinglegal-statusCriticalCurrent

Links

Images

Classifications

Landscapes

Abstract

The invention provides a vehicle-road cooperative anti-collision system service platform based on Internet of vehicles, which comprises a controller, a service cloud platform and a device management cloud, wherein the device management cloud and the service cloud platform are respectively in communication connection with a signal output end of the controller; the signal input end of the controller is respectively connected with a built-in antenna, a 4G/5G communication module and a parameter acquisition system; and finally, outputting early warning information after compensating the time deviation. Remind the navigating mate to pay attention to when judging the barrier and being close to the vehicle, under the not good condition of climatic condition, like big fog weather, need combine the millimeter wave radar to detect to reach accurate errorless early warning effect, when great rainwater weather, the radar has the condition production of some false positives, improves the precision that detects through the mode that combines the video, revises the processing according to data information when data acquisition and prediction simultaneously, thereby exports accurate early warning.

Description

Car road is anticollision system service platform in coordination based on car networking
Technical Field
The invention relates to the technical field of automobile safety, in particular to a vehicle-road cooperative anti-collision system service platform based on the Internet of vehicles.
Background
With the development of artificial intelligence technology, people have higher and higher requirements on vehicle driving safety, and intelligent safe driving is realized through technical means, so that the method becomes an effective means. In certain specific places such as a park or a flight area, a plurality of blind areas in the field of vision often exist in the driving of special vehicles, so that the driving safety accidents are frequent, and the prevention of the driving safety accidents through technical means is urgent.
A plurality of assistant driving system products have the defects that the precision of some products is obviously insufficient, the detection error rate is high, the expected effect cannot be achieved, the precision of some products can be achieved, but accidents and positioning cannot be restored, and the data transmission delay of some products is long, so that the good early warning effect cannot be achieved.
Many driving assistance system products focus on automatic driving, but there are many defects in terms of collision avoidance, and some products have some technical extensions in terms of collision avoidance, but in some specific scenarios, there are still many problems.
Numerous anticollision products, some products only have the function of video detection, under the condition in rain and fog weather, lead to detecting the function inefficacy, some products only have the function that the radar detected, the accident misstatement rate is higher, lead to detecting inaccurate, can not play the early warning effect, some products, there is the video to have the function that the radar detected, but the point location and the great scheduling problem of time delay error of unable location incident, can't provide effective evidence after the incident takes place and come the true looks of reduction incident.
Aiming at the problems, the special vehicle anti-collision system is designed and developed, has the functions of video identification, video analysis and processing, radar real-time accurate detection, real-time global positioning tracking and special scene positioning tracking, has the functions of video playback and radar historical data query, can realize anti-collision detection products without being influenced by weather and time, and can position and restore the event after the event occurs.
Disclosure of Invention
The invention provides a vehicle-road cooperative anti-collision system service platform based on the internet of vehicles, aiming at the technical problems in the prior art, the service platform can remind a driver to pay attention when judging that an obstacle approaches a vehicle, and can detect the obstacle in combination with a millimeter wave radar under the condition of poor weather conditions, such as heavy fog weather, so as to achieve an accurate early warning effect.
The technical scheme for solving the technical problems is as follows: a vehicle road cooperative anti-collision system service platform based on Internet of vehicles comprises a controller, a service cloud platform and a device management cloud, wherein the device management cloud and the service cloud platform are respectively in communication connection with a signal output end of the controller; the signal input end of the controller is respectively connected with a built-in antenna, a 4G/5G communication module and a parameter acquisition system; the controller analyzes a target object through a parameter acquisition system, performs data pre-analysis processing, then performs out-of-sequence judgment, and judges the deviation between an internal predicted track and a measurement prediction, then performs measurement data and track data updating, judges the current attribute of the track through internal measurement quality management, then performs correction, judges whether the track is lost through track management, then outputs the estimation condition of a target state, and finally outputs early warning information after compensating time deviation; the service cloud platform comprises a security center, a monitoring center, an operation center, a data analysis center, an alarm center and a user center; the safety center comprises a safety billboard, safety monitoring and an alarm query function, and the monitoring center carries out real-time monitoring, real-time tracking and track and video playback on a GIS track and sets an electronic fence; the operation center is used for monitoring records, equipment abnormity records and flow statistics; the data analysis center is used for generating a company report, a vehicle report, a driver report and an operation and maintenance report; the alarm center manages the alarm equipment and the platform; the user center is used for managing enterprises and users.
Preferably, the parameter acquisition system acquires data by setting parameter acquisition equipment or based on a vehicle-mounted system; the parameter acquisition system at least comprises a vehicle-mounted DVR, a vehicle-mounted face thermometer, an intelligent navigation screen, a DMS fatigue detection system, a GPS positioning system, an active safety system and a blind area detection system.
Preferably, the active safety system has video detection and radar detection capabilities.
Preferably, the service cloud platform has the functions of statistical form icons, vehicle management, data management, GIS management, visual management and configuration management.
Preferably, the built-in antenna supports CAN bus data transmission and USB, RJ45, RS485 and RS232 interface data transmission.
Preferably, the device management cloud is responsible for device registration access, device online and offline and device parameter setting management of the whole ADAS device.
The invention has the beneficial effects that: the invention provides a vehicle-road cooperative anti-collision system service platform based on an internet of vehicles, which reminds drivers of attention when judging that an obstacle approaches a vehicle, needs to be detected by combining a millimeter wave radar under the condition of poor weather conditions, such as heavy fog weather, so as to achieve an accurate early warning effect, generates some false alarm conditions by the radar in the case of heavy rain weather, improves the detection accuracy by combining a video mode, and corrects according to data information during data acquisition and estimation, so as to output accurate early warning.
Drawings
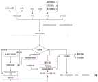
Fig. 1 is a schematic block diagram of the present invention.
FIG. 2 is a logic flow diagram of the present invention.
Detailed Description
Reference will now be made in detail to embodiments of the present invention, examples of which are illustrated in the accompanying drawings, wherein like or similar reference numerals refer to the same or similar elements or elements having the same or similar function throughout. The embodiments described below with reference to the accompanying drawings are illustrative only for the purpose of explaining the present invention, and are not to be construed as limiting the present invention.
In the description of the present invention, unless otherwise specified and limited, it is to be noted that the terms "mounted," "connected," and "connected" are to be interpreted broadly, and may be, for example, a mechanical connection or an electrical connection, a communication between two elements, a direct connection, or an indirect connection via an intermediate medium, and specific meanings of the terms may be understood by those skilled in the art according to specific situations.
As shown in fig. 1 and fig. 2, the embodiment discloses a vehicle-road cooperative anti-collision system service platform based on internet of vehicles, where the service platform includes a controller, a service cloud platform, and a device management cloud, and the device management cloud and the service cloud platform are respectively in communication connection with a signal output end of the controller; the signal input end of the controller is respectively connected with a built-in antenna, a 4G/5G communication module and a parameter acquisition system; the controller analyzes a target object through a parameter acquisition system, performs data pre-analysis processing, then performs out-of-sequence judgment, and judges the deviation between an internal predicted track and a measurement prediction, then performs measurement data and track data updating, judges the current attribute of the track through internal measurement quality management, then performs correction, judges whether the track is lost through track management, then outputs the estimation condition of a target state, and finally outputs early warning information after compensating time deviation; the service cloud platform comprises a security center, a monitoring center, an operation center, a data analysis center, an alarm center and a user center; the safety center comprises a safety billboard, safety monitoring and an alarm query function, and the monitoring center carries out real-time monitoring, real-time tracking and track and video playback on a GIS track and sets an electronic fence; the operation center is used for monitoring records, equipment abnormity records and flow statistics; the data analysis center is used for generating a company report, a vehicle report, a driver report and an operation and maintenance report; the alarm center manages the alarm equipment and the platform; the user center is used for managing enterprises and users.
Preferably, the parameter acquisition system acquires data by setting parameter acquisition equipment or based on a vehicle-mounted system; the parameter acquisition system at least comprises a vehicle-mounted DVR, a vehicle-mounted face thermometer, an intelligent navigation screen, a DMS fatigue detection system, a GPS positioning system, an active safety system and a blind area detection system.
Preferably, the active safety system has video detection and radar detection capabilities.
Preferably, the service cloud platform has the functions of statistical form icons, vehicle management, data management, GIS management, visual management and configuration management.
Preferably, the built-in antenna supports CAN bus data transmission and USB, RJ45, RS485 and RS232 interface data transmission.
Preferably, the device management cloud is responsible for device registration access, device online and offline and device parameter setting management of the whole ADAS device.
In this embodiment, the controller is the core of the entire system platform, is the most core processing module of the entire system, and has a 4G/5G communication module, an active safety system, a DMS fatigue detection module, and a data acquisition module, where the active safety system includes a video detection module and a radar detection module, and the video detection module includes lane departure detection, front vehicle collision warning, reverse collision avoidance detection, and the like. The radar detection comprises vehicle speed detection, obstacle detection, blind area detection, anti-collision early warning and the like. The controller supports CAN bus transmission and supports interfaces such as USB, RJ45, RS485, RS232 and the like. The service cloud platform is an external window of the whole system and comprises vehicle management, data management, visual management, configuration management, GIS management, statistical report charts and other contents.
In the embodiment, analysis operation processing is carried out on video analysis, radar data analysis, positioning data analysis, millimeter wave detection vehicle information and video detection information, and continuous deviation correction is calculated through measurement and predicted track deviation, so that the accuracy of detected data reaches a high level.
The method comprises the steps of performing preanalysis processing by collecting video, radar and positioning data, performing out-of-sequence judgment, predicting the deviation of the track and measurement through internal prediction, measuring data, updating the track data, managing the quality of the internal measurement, judging the current attribute of the track, correcting, judging whether the track is lost through track management, outputting the estimation condition of a target state, and outputting early warning information after compensating the time deviation.
Wherein, the data information of the data pre-analysis processing is from the equipment such as a gyroscope sensor, an accelerometer and the like in the inertial measurement operation, the video information is from DMS and ADAS, the radar information source is from an ultrasonic radar, a laser radar and a millimeter wave radar, the positioning information is from a global positioning system, when the order is not out of order, if the measurement is not out of order, the running state of the vehicle is stored, the track is predicted, and performs measurement and predicted trajectory deviation budgeting, updates measurement and trajectory data through measurement control output, then, the track generation and the attribute calculation are controlled through the internal measurement quality management, and then the out-of-sequence judgment is returned, and the updated data information is processed with Kalman filtering, and then the target state estimation and data storage are output through the track management, and compensating the time difference, and if the measurement is out of sequence, measuring and predicting the internal track before the control track prediction.
In the description herein, references to the description of the term "one embodiment," "some embodiments," "an example," "a specific example," or "some examples," etc., mean that a particular feature, structure, material, or characteristic described in connection with the embodiment or example is included in at least one embodiment or example of the invention. In this specification, the schematic representations of the terms used above do not necessarily refer to the same embodiment or example. Furthermore, the particular features, structures, materials, or characteristics described may be combined in any suitable manner in any one or more embodiments or examples.
While embodiments of the invention have been shown and described, it will be understood by those of ordinary skill in the art that: various changes, modifications, substitutions and alterations can be made to these embodiments without departing from the principles and spirit of the invention, the scope of which is defined by the claims and their equivalents.

Claims (6)

1. A vehicle-road cooperative anti-collision system service platform based on Internet of vehicles is characterized in that the service platform comprises a controller, a service cloud platform and a device management cloud, wherein the device management cloud and the service cloud platform are respectively in communication connection with a signal output end of the controller; the signal input end of the controller is respectively connected with a built-in antenna, a 4G/5G communication module and a parameter acquisition system; the controller analyzes a target object through a parameter acquisition system, performs data pre-analysis processing, then performs out-of-sequence judgment, and judges the deviation between an internal predicted track and a measurement prediction, then performs measurement data and track data updating, judges the current attribute of the track through internal measurement quality management, then performs correction, judges whether the track is lost through track management, then outputs the estimation condition of a target state, and finally outputs early warning information after compensating time deviation;
CN202110837796.6A2021-07-232021-07-23Car road is anticollision system service platform in coordination based on car networkingPendingCN113593302A (en)

Priority Applications (1)

Application NumberPriority DateFiling DateTitle
CN202110837796.6ACN113593302A (en)2021-07-232021-07-23Car road is anticollision system service platform in coordination based on car networking

Applications Claiming Priority (1)

Application NumberPriority DateFiling DateTitle
CN202110837796.6ACN113593302A (en)2021-07-232021-07-23Car road is anticollision system service platform in coordination based on car networking

Publications (1)

Publication NumberPublication Date
CN113593302Atrue CN113593302A (en)2021-11-02

Family

ID=78249294

Family Applications (1)

Application NumberTitlePriority DateFiling Date
CN202110837796.6APendingCN113593302A (en)2021-07-232021-07-23Car road is anticollision system service platform in coordination based on car networking

Country Status (1)

CountryLink
CN (1)CN113593302A (en)

Cited By (1)

* Cited by examiner, † Cited by third party
Publication numberPriority datePublication dateAssigneeTitle
CN114265392A (en)*2021-12-292022-04-01上海易咖智车科技有限公司 Test methods, devices, unmanned vehicles and media for unmanned vehicles

Citations (8)

* Cited by examiner, † Cited by third party
Publication numberPriority datePublication dateAssigneeTitle
CN106651602A (en)*2016-12-282017-05-10清华大学苏州汽车研究院(吴江)ADAS intelligent vehicle-mounted terminal-based vehicle insurance management service system
CN109120890A (en)*2018-07-202019-01-01南京图泰信息产业有限公司A kind of vehicle monitoring and early warning system
CN110361727A (en)*2019-07-222019-10-22浙江大学A kind of millimetre-wave radar multi-object tracking method
CN110379163A (en)*2019-07-262019-10-25银江股份有限公司A kind of vehicle abnormality decelerating area detection method and system based on track data
CN111324848A (en)*2020-02-172020-06-23北京建筑大学 Optimization method of vehicle trajectory data for mobile lidar measurement system
CN112428952A (en)*2020-11-042021-03-02守门狗(杭州)科技服务有限公司Vehicle safety early warning system based on Internet of things
CN112908034A (en)*2021-01-152021-06-04中山大学南方学院Intelligent bus safe driving behavior auxiliary supervision system and control method
CN112927512A (en)*2021-02-242021-06-08山东科技大学Expressway ramp confluence control system and method

Patent Citations (8)

* Cited by examiner, † Cited by third party
Publication numberPriority datePublication dateAssigneeTitle
CN106651602A (en)*2016-12-282017-05-10清华大学苏州汽车研究院(吴江)ADAS intelligent vehicle-mounted terminal-based vehicle insurance management service system
CN109120890A (en)*2018-07-202019-01-01南京图泰信息产业有限公司A kind of vehicle monitoring and early warning system
CN110361727A (en)*2019-07-222019-10-22浙江大学A kind of millimetre-wave radar multi-object tracking method
CN110379163A (en)*2019-07-262019-10-25银江股份有限公司A kind of vehicle abnormality decelerating area detection method and system based on track data
CN111324848A (en)*2020-02-172020-06-23北京建筑大学 Optimization method of vehicle trajectory data for mobile lidar measurement system
CN112428952A (en)*2020-11-042021-03-02守门狗(杭州)科技服务有限公司Vehicle safety early warning system based on Internet of things
CN112908034A (en)*2021-01-152021-06-04中山大学南方学院Intelligent bus safe driving behavior auxiliary supervision system and control method
CN112927512A (en)*2021-02-242021-06-08山东科技大学Expressway ramp confluence control system and method

Cited By (1)

* Cited by examiner, † Cited by third party
Publication numberPriority datePublication dateAssigneeTitle
CN114265392A (en)*2021-12-292022-04-01上海易咖智车科技有限公司 Test methods, devices, unmanned vehicles and media for unmanned vehicles

Similar Documents

PublicationPublication DateTitle
CN113581211B (en)Vehicle driving control method, system and device and readable storage medium
US11353553B2 (en)Multisensor data fusion method and apparatus to obtain static and dynamic environment features
CN112700470B (en)Target detection and track extraction method based on traffic video stream
CN109080626B (en)Vehicle fault processing method
US10369995B2 (en)Information processing device, information processing method, control device for vehicle, and control method for vehicle
CN113362606A (en)Car road is anticollision integrated control system in coordination based on car networking
US9260059B2 (en)False warning reduction using location data
CN104217590A (en)On-board traffic density estimator
JP2022079777A (en)Information processing device
CN114274972A (en)Scene recognition in an autonomous driving environment
CN119479362A (en) Vehicle collision risk warning method, system, device and medium
CN116486374B (en) Risk obstacle determination method, autonomous driving vehicle, electronic device and medium
WO2023136886A1 (en)Data consumable for intelligent transport system
CN113593302A (en)Car road is anticollision system service platform in coordination based on car networking
US12073714B2 (en)Traffic jam information providing device, traffic jam information processing method, and recording medium
US20240233390A9 (en)Identification of unknown traffic objects
CN113572842A (en) A vehicle-road collaborative anti-collision system based on the Internet of Vehicles
CN115424474A (en)V2X and RSU-based left turn auxiliary early warning method
ZhouResearch on Automatic Driving Vehicle Auxiliary System Based on Computer intelligent Network
CN114655122A (en)Intelligent vehicle obstacle avoidance and emergency braking system based on laser radar
CN120126343B (en)Dynamic path prediction and control method in intelligent vehicle anti-collision device
CN117494029B (en)Road casting event identification method and device
US20240338979A1 (en)Driving diagnosis device
CN117250595B (en)False alarm suppression method for vehicle-mounted millimeter wave radar metal well lid target
Tucker et al.Real time embedded sensor fusion for driver assistance

Legal Events

DateCodeTitleDescription
PB01Publication
PB01Publication
SE01Entry into force of request for substantive examination
SE01Entry into force of request for substantive examination
RJ01Rejection of invention patent application after publication
RJ01Rejection of invention patent application after publication

Application publication date:20211102


[8]ページ先頭

©2009-2025 Movatter.jp