Movatterモバイル変換


[0]ホーム

URL:


CN113352629A - Medical catheter assembling device - Google Patents

Medical catheter assembling device
Download PDF

Info

Publication number
CN113352629A
CN113352629ACN202110762516.XACN202110762516ACN113352629ACN 113352629 ACN113352629 ACN 113352629ACN 202110762516 ACN202110762516 ACN 202110762516ACN 113352629 ACN113352629 ACN 113352629A
Authority
CN
China
Prior art keywords
catheter
curing
fixing
main body
fixing structure
Prior art date
Legal status (The legal status is an assumption and is not a legal conclusion. Google has not performed a legal analysis and makes no representation as to the accuracy of the status listed.)
Granted
Application number
CN202110762516.XA
Other languages
Chinese (zh)
Other versions
CN113352629B (en
Inventor
张超
王磊
吕纬岩
澹台楚娟
吕康哲
黄春磊
孙剑
李彬彬
张鹏
Current Assignee (The listed assignees may be inaccurate. Google has not performed a legal analysis and makes no representation or warranty as to the accuracy of the list.)
Beijing Jiushi Shenkang Medical Technology Co ltd
Original Assignee
Beijing Jiushi Shenkang Medical Technology Co ltd
Priority date (The priority date is an assumption and is not a legal conclusion. Google has not performed a legal analysis and makes no representation as to the accuracy of the date listed.)
Filing date
Publication date
Application filed by Beijing Jiushi Shenkang Medical Technology Co ltdfiledCriticalBeijing Jiushi Shenkang Medical Technology Co ltd
Priority to CN202110762516.XApriorityCriticalpatent/CN113352629B/en
Publication of CN113352629ApublicationCriticalpatent/CN113352629A/en
Application grantedgrantedCritical
Publication of CN113352629BpublicationCriticalpatent/CN113352629B/en
Activelegal-statusCriticalCurrent
Anticipated expirationlegal-statusCritical

Links

Images

Classifications

Landscapes

Abstract

Translated fromChinese

本发明涉及一种医用导管装配装置,包括:导管单元、固化单元和点胶单元,所述导管单元包括第一固定结构及设在第一固定结构上的导管主体;所述固化单元包括固化灯头、固化主机和第二固定结构,所述固化灯头和固化主机相连,所述固化灯头设在第二固定结构上;所述点胶单元包括胶筒和点胶主机,所述胶筒和点胶主机相连;其中,所述导管主体的一端靠近固化灯头设置,所述导管主体和鲁尔接头通过衬轴对接相连。由于衬轴的作用,导管主体和鲁尔接头处的装配效果良好,无多余气泡生成。本装置成本低廉、移动方便、安装操作简单、生产效率较高。点胶成本低,无多余风险。本发明应用于医疗器械技术领域。

Figure 202110762516

The invention relates to a medical catheter assembly device, comprising: a catheter unit, a curing unit and a glue dispensing unit, the catheter unit includes a first fixing structure and a catheter main body arranged on the first fixing structure; the curing unit includes a curing lamp head , a curing host and a second fixing structure, the curing lamp head is connected to the curing host, and the curing lamp head is arranged on the second fixing structure; the glue dispensing unit includes a glue barrel and a glue dispensing host, the glue barrel and the glue dispensing The main body is connected; wherein, one end of the main body of the conduit is arranged close to the curing lamp head, and the main body of the conduit and the luer joint are connected by butt joint through a bushing shaft. Due to the action of the bushing, the assembly of the catheter body and the luer connector works well, and no excess air bubbles are generated. The device has the advantages of low cost, convenient movement, simple installation and operation, and high production efficiency. The dispensing cost is low and there is no unnecessary risk. The invention is applied to the technical field of medical devices.

Figure 202110762516

Description

Medical catheter assembling device
Technical Field
The invention relates to the technical field of medical instruments, in particular to a medical catheter assembling device.
Background
Minimally invasive interventional therapy is a very rapidly developed technology in recent years, and with the increasing maturity of peripheral interventional techniques, nerve interventions are pursued at a rapid speed. The interventional therapy has the advantages of small opening, less bleeding, small wound, less complication and quick postoperative recovery, greatly relieves the pain of patients and improves the success rate of the operation.
Medical catheters are important instruments for interventional therapy, and have different functional classifications according to different uses, such as: contrast catheters, guide catheters, aspiration catheters, microcatheters, and the like.
During the processing of the catheter, due to the use requirements, the body of the catheter needs to be assembled with the luer fitting. The assembly method generally comprises the following steps: after the glue is applied to the near end of the catheter, the catheter is arranged in a luer connector for photocuring; the proximal end of the catheter is placed in a luer connector injection mold for one-step molding. The first glue-applying type assembly is easy to make the adhesive enter the inside of the tube body in the process of installing the tube body into the luer connector, so that when the catheter is used, glue inside the tube cavity enters the blood vessel to cause complications; when the second injection molding method is used practically, the mold is expensive, the design of the mold is relatively complex, and a conduit production enterprise generally has no injection molding equipment and needs to entrust a third party to process, so that the time cost and the processing cost are correspondingly improved.
Disclosure of Invention
(1) Technical problem to be solved
The embodiment of the invention provides a medical catheter assembling device, which solves the technical problems of high processing cost and redundant risks of a catheter main body and a luer connector.
(2) Technical scheme
In a first aspect, embodiments of the present invention provide a medical catheter assembly device, comprising:
the catheter unit comprises a first fixing structure and a catheter main body arranged on the first fixing structure;
the curing unit comprises a curing lamp cap, a curing host and a second fixing structure, the curing lamp cap is connected with the curing host, and the curing lamp cap is arranged on the second fixing structure;
the glue dispensing unit comprises a glue barrel and a glue dispensing host, and the glue barrel is connected with the glue dispensing host;
one end of the catheter main body is arranged close to the curing lamp cap, and the catheter main body is in butt joint with the Ruhr joint through a lining shaft.
In a further improvement, the medical catheter assembly device further comprises a bottom plate, and the first fixing structure and the second fixing structure are respectively arranged on the bottom plate.
In a further improvement, the first fixing structure is a conduit fixing frame arranged on the bottom plate, and the second fixing structure is a lamp holder fixing frame arranged on the bottom plate.
In a further improvement, the catheter fixing frame is provided with a fixing groove for accommodating and fixing the catheter.
In a further improvement, the bottom plate is further provided with at least two support columns, and the guide tube fixing frame and the lamp holder fixing frame are respectively arranged on the support columns.
Further improved, still be equipped with two at least fixed blocks on the bottom plate, the middle part of fixed block is equipped with the mounting hole, and each support column is established on the bottom plate along vertical through the mounting hole respectively.
In a further improvement, an open slot is arranged at the mounting hole, and a locking piece is arranged at the open slot.
In a further improvement, the bottom plate is also provided with a luer fixing seat, the catheter main body is vertically arranged above the bottom plate, and the luer fixing seat is positioned at the bottom end of the catheter main body;
the number of the curing lamp heads is at least two, and each curing lamp head is distributed by taking the guide pipe main body as the center.
In a further improvement, the luer fixing seat is provided with a containing hole, the containing hole is in butt joint with the catheter main body, and a bushing is connected between the containing hole and the catheter main body.
In a further improvement, the dispensing host is connected with any one of a pneumatic power source, a hydraulic power source or a mechanical power source.
(3) Advantageous effects
In conclusion, when the medical catheter assembling device is used, the catheter main body and the luer connector are in butt joint connection through the bushing, after the catheter main body is installed into the luer connector, the glue dispensing main machine is started, glue is dispensed to a gap between the catheter main body and the luer connector through the glue cylinder, and finally the glue dispensing part is cured through the curing lamp. Due to the function of the bushing shaft, the assembly effect of the catheter main body and the luer joint is good, and no redundant air bubbles are generated. The device has the advantages of low cost, convenient movement, simple installation and operation and higher production efficiency. The adhesive dispensing cost is low, no redundant risk exists, the structure is simple, the operation is convenient, and the yield is high.
Drawings
In order to more clearly illustrate the technical solutions of the embodiments of the present invention, the drawings needed to be used in the embodiments of the present invention will be briefly described below, and it is obvious that the drawings described below are only some embodiments of the present invention, and it is obvious for those skilled in the art to obtain other drawings based on these drawings without creative efforts.
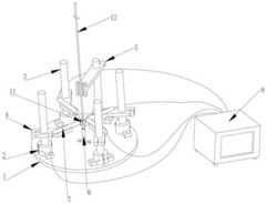
FIG. 1 is a top view of a medical catheter assembly device in accordance with an embodiment of the present invention.
FIG. 2 is a side view of a medical catheter assembly device in accordance with an embodiment of the present invention.
FIG. 3 is a perspective view of a medical catheter assembly device in accordance with an embodiment of the present invention.
Fig. 4 is a diagram illustrating a connection relationship between the dispensing host and the dispensing cartridge according to an embodiment of the present invention.
In the figure: 1-a bottom plate; 2, fixing a groove; 3-a support column; 4-lamp holder fixing frame; 5-catheter fixing frame; 6-luer fixing seat; 7-curing the lamp cap; 8-curing the host machine; 9-dispensing the host; 10-a rubber cylinder; 11-luer fitting; 12-catheter tube.
Detailed Description
The embodiments of the present invention will be described in further detail with reference to the drawings and examples. The following detailed description of the embodiments and the accompanying drawings are provided to illustrate the principles of the invention and are not intended to limit the scope of the invention, i.e., the invention is not limited to the embodiments described, but covers any modifications, alterations, and improvements in the parts, components, and connections without departing from the spirit of the invention.
It should be noted that the embodiments and features of the embodiments in the present application may be combined with each other without conflict. The present application will be described in detail below with reference to the embodiments with reference to the attached drawings.
Referring to fig. 1 to 4, a medical catheter assembly apparatus includes:
a catheter unit including a first fixed structure and a cathetermain body 12 provided on the first fixed structure;
the curing unit comprises acuring lamp cap 7, a curing host 8 and a second fixing structure, thecuring lamp cap 7 is connected with the curing host 8, and thecuring lamp cap 7 is arranged on the second fixing structure;
the glue dispensing unit comprises aglue cylinder 10 and a glue dispensinghost machine 9, and theglue cylinder 10 is connected with the glue dispensinghost machine 9;
wherein, one end of the cathetermain body 12 is arranged near thecuring lamp head 7, and the cathetermain body 12 and theluer 11 are in butt joint through a bushing.
When the medical catheter assembling device of the embodiment is used, the cathetermain body 12 and theluer 11 are connected in a butt joint mode through the bushing, after the cathetermain body 12 is installed in theluer 11, the glue dispensingmain machine 9 is started, glue is dispensed to gaps between the cathetermain body 12 and theluer 11 through theglue cylinder 10, and finally the glue dispensing position is cured through thecuring lamp cap 7. Due to the function of the bushing, the assembly effect of the cathetermain body 12 and theluer 11 is good, and no redundant air bubbles are generated. The device has the advantages of low cost, convenient movement, simple installation and operation and higher production efficiency. The dispensing cost is low, and no redundant risk exists.
Further, in an embodiment, the medical catheter assembly device further comprises a base plate 1, and the first fixing structure and the second fixing structure are respectively arranged on the base plate 1. The height of thecuring lamp holder 7 can be adjusted through the second fixing structure, and thecuring lamp holder 7 can be adjusted in position according to the size of the Ruhrconnector 11, so that the lamp holder is suitable for different product assembling processes.
Further, in an embodiment, the first fixing structure is aconduit fixing frame 5 provided on the base plate 1, and the second fixing structure is a lamp holder fixing frame 4 provided on the base plate 1.
Further, in an embodiment, thecatheter fixing frame 5 is provided with afixing groove 2 for accommodating and fixing the cathetermain body 12, thefixing groove 2 is semicircular, and the correspondingcatheter fixing frame 5 is selected according to different outer diameter sizes of the cathetermain body 12.
Further, in an embodiment, the bottom plate 1 is further provided with at least two supportingcolumns 3, and theconduit fixing frame 5 and the lamp holder fixing frame 4 are respectively arranged on the supportingcolumns 3.
Further, in an embodiment, the bottom plate 1 is further provided with at least two fixing blocks, the middle parts of the fixing blocks are provided with mounting holes, and thesupport columns 3 are vertically arranged on the bottom plate 1 through the mounting holes respectively.
Further, in an embodiment, an opening groove is formed in the mounting hole, a locking piece is arranged at the opening groove, the locking piece is a bolt, the bolt can adjust the aperture of the mounting hole through an adjusting bolt, and thesupport column 3 with different diameters can be adapted to the bolt.
Further, in an embodiment, aluer fixing seat 6 is further disposed on the bottom plate 1, the cathetermain body 12 is vertically disposed above the bottom plate 1, and theluer fixing seat 6 is located at the bottom end of the cathetermain body 12;
the number of thecuring lamp heads 7 is at least two, and eachcuring lamp head 7 is distributed by taking the guide pipemain body 12 as the center. The number of the curinglight heads 7 is such that the irradiation range of thecuring light heads 7 completely covers the area to be cured.
Further, in an embodiment, theluer fixing seat 6 is provided with a receiving hole, the receiving hole is abutted to the cathetermain body 12, and a bushing is connected between the receiving hole and the cathetermain body 12. The diameter of the bushing is 0.03mm less than the inner diameter of thecatheter body 12, which achieves the coaxiality requirement of thecatheter tube 12 and theluer 11 during assembly.
Further, in an embodiment, the dispensinghost 9 is connected to any one of a pneumatic power source, a hydraulic power source, or a mechanical power source. The adhesive is injected into the gap between the cathetermain body 12 and theluer connector 11 by using a power source, and the adhesive is irradiated by the curinglamp cap 7 to realize rapid curing.
Based on the combination of the above embodiments, the present embodiment also proposes embodiment 1 andembodiment 2 as follows:
example 1
Referring to the structure of fig. 3, a cathetermain body 12 with an outer diameter of 1.10mm and aluer 11 are selected to be assembled, a stress release tube for preventing the proximal end of the cathetermain body 12 from being bent due to stress is inserted into the cathetermain body 12, then the proximal end of the cathetermain body 12 is flared and inserted into theluer 11, theluer 11 is mounted on aluer fixing seat 6, the catheter is fixed on acatheter fixing frame 5, and a lining shaft with a length of 30cm and an outer diameter of 0.66mm is inserted from one end of theluer 11 to ensure the coaxiality of the assembled cathetermain body 12 and theluer 11. And (4) locking the lamp holder fixing frame 4 after adjusting the distance and the height from the curinglamp holder 7 to theluer 11 according to the size of theluer 11. In the embodiment, the dispensinghost machine 9 adopts pneumatic power as a power source, an adhesive is dispensed between a gap between theluer connector 11 and the cathetermain body 12, the adhesive is ultraviolet curing adhesive, the model is DYMAX 1-CN011, the dispensing amount is 3 drops, the used fixing device is an H-CM-DGY-04LED ultraviolet curing lamp, the irradiation time is 6s, and after the adhesive of theluer connector 11 and the proximal cathetermain body 12 is cured, the stress release tube is pushed into theluer connector 11 to complete the assembly of the cathetermain body 12. The assembled cathetermain body 12 is connected with a liquid pressure tester, the testing pressure is 25atm, and the pressure is maintained for 30 s; and then placing the pipe in a universal tensile testing machine for assembly peak tensile testing, wherein the result shows that the assembled pipe is not leaked and the peak tensile force meets the industrial standard.
Example 2
Referring to the structure of fig. 3, a cathetermain body 12 with an outer diameter of 2.3mm and aluer 11 are selected to be assembled, a stress release tube for preventing the proximal end of the cathetermain body 12 from being bent due to stress is inserted into the cathetermain body 12, then the proximal end of the cathetermain body 12 is flared and inserted into theluer 11, theluer 11 is mounted on aluer fixing seat 6, the catheter is fixed on acatheter fixing frame 5, and a lining shaft with a length of 30cm and an outer diameter of 1.90mm is inserted from one end of theluer 11 to ensure the coaxiality of the assembled cathetermain body 12 and theluer 11. And (4) locking the lamp holder fixing frame 4 after adjusting the distance and the height from the curinglamp holder 7 to theluer 11 according to the size of theluer 11. In the embodiment, the dispensinghost machine 9 adopts pneumatic power as a power source, an adhesive is dispensed between a gap between theluer connector 11 and the cathetermain body 12, the adhesive is ultraviolet curing adhesive, the model is DYMAX 1-CN011, the dispensing amount is 5 drops, the used fixing device is an H-CM-DGY-04LED ultraviolet curing lamp, the irradiation time is 6s, and after the adhesive of theluer connector 11 and the proximal cathetermain body 12 is cured, the stress release tube is pushed into theluer connector 11 to complete the assembly of the catheter. The assembled cathetermain body 12 is connected with a liquid pressure tester, the testing pressure is 25atm, and the pressure is maintained for 30 s; and then placing the catheter body in a universal tensile testing machine for assembly peak tensile testing, wherein the result shows that the assembledcatheter body 12 is not leaked and the peak tensile force meets the industrial standard.
The above description is only an example of the present application and is not limited to the present application. Various modifications and alterations to this application will become apparent to those skilled in the art without departing from the scope of this invention. Any modification, equivalent replacement, improvement, etc. made within the spirit and principle of the present application should be included in the scope of the claims of the present application.

Claims (10)

Translated fromChinese
1.一种医用导管装配装置,其特征在于,包括:1. A medical catheter assembly device, characterized in that, comprising:导管单元,所述导管单元包括第一固定结构及设在第一固定结构上的导管主体;a catheter unit, the catheter unit includes a first fixing structure and a catheter body disposed on the first fixing structure;固化单元,所述固化单元包括固化灯头、固化主机和第二固定结构,所述固化灯头和固化主机相连,所述固化灯头设在第二固定结构上;a curing unit, the curing unit includes a curing lamp head, a curing host and a second fixing structure, the curing lamp head is connected to the curing host, and the curing lamp head is arranged on the second fixing structure;点胶单元,所述点胶单元包括胶筒和点胶主机,所述胶筒和点胶主机相连;a glue dispensing unit, the glue dispensing unit includes a glue barrel and a glue dispensing host, and the glue barrel is connected with the glue dispensing host;其中,所述导管主体的一端靠近固化灯头设置,所述导管主体和鲁尔接头通过衬轴对接相连。Wherein, one end of the main body of the conduit is disposed close to the curing lamp head, and the main body of the conduit and the Luer connector are connected by butt joints through a bushing shaft.2.根据权利要求1所述的医用导管装配装置,其特征在于,还包括底板,所述第一固定结构和第二固定结构分别设在底板上。2 . The medical catheter assembly device according to claim 1 , further comprising a base plate, and the first fixing structure and the second fixing structure are respectively arranged on the base plate. 3 .3.根据权利要求2所述的医用导管装配装置,其特征在于,所述第一固定结构为设在底板上的导管固定架,所述第二固定结构为设在底板上的灯头固定架。3 . The medical catheter assembling device according to claim 2 , wherein the first fixing structure is a catheter fixing frame provided on the base plate, and the second fixing structure is a lamp holder fixing frame set on the base plate. 4 .4.根据权利要求3所述的医用导管装配装置,其特征在于,所述导管固定架上设有用于容纳固定导管的固定槽。4 . The medical catheter assembly device according to claim 3 , wherein the catheter fixing frame is provided with a fixing groove for accommodating and fixing the catheter. 5 .5.根据权利要求3所述的医用导管装配装置,其特征在于,所述底板上还设有至少两根支撑柱,所述导管固定架和灯头固定架分别设在支撑柱上。5 . The medical catheter assembly device according to claim 3 , wherein at least two supporting columns are further provided on the bottom plate, and the catheter fixing frame and the lamp holder fixing frame are respectively arranged on the supporting columns. 6 .6.根据权利要求5所述的医用导管装配装置,其特征在于,所述底板上还设有至少两个固定块,所述固定块的中部设有安装孔,各支撑柱分别通过安装孔沿竖向设在底板上。6 . The medical catheter assembly device according to claim 5 , wherein at least two fixing blocks are further provided on the bottom plate, and mounting holes are provided in the middle of the fixing blocks, and each support column passes through the mounting holes along the edges of the mounting holes respectively. 7 . Vertically arranged on the bottom plate.7.根据权利要求6所述的医用导管装配装置,其特征在于,所述安装孔处设有开口槽,所述开口槽处设有锁紧件。7 . The medical catheter assembly device according to claim 6 , wherein an opening groove is provided at the mounting hole, and a locking member is provided at the opening groove. 8 .8.根据权利要求2所述的医用导管装配装置,其特征在于,所述底板上还设有鲁尔固定座,所述导管主体竖向设在底板上方,所述鲁尔固定座位于导管主体底端;8 . The medical catheter assembly device according to claim 2 , wherein a Luer fixing seat is further provided on the bottom plate, the catheter body is vertically arranged above the bottom plate, and the Luer fixing seat is located on the catheter body. 9 . bottom;所述固化灯头的数量至少为两个,各固化灯头以导管主体为中心分布。The number of the curing lamp heads is at least two, and each curing lamp head is distributed around the main body of the conduit.9.根据权利要求8所述的医用导管装配装置,其特征在于,所述鲁尔固定座上设有容纳孔,所述容纳孔和导管主体对接,所述容纳孔和导管主体之间连接有衬轴。9 . The medical catheter assembly device according to claim 8 , wherein an accommodation hole is provided on the luer fixing seat, the accommodation hole is butted with the catheter body, and the accommodation hole and the catheter body are connected with the accommodating hole. 10 . Bushing.10.根据权利要求1至9任一项所述的医用导管装配装置,其特征在于,所述点胶主机与气动动力源、液压动力源或机械动力源中的任意一种相连。10 . The medical catheter assembly device according to claim 1 , wherein the glue dispensing host is connected to any one of a pneumatic power source, a hydraulic power source or a mechanical power source. 11 .
CN202110762516.XA2021-07-062021-07-06 Medical catheter assembly deviceActiveCN113352629B (en)

Priority Applications (1)

Application NumberPriority DateFiling DateTitle
CN202110762516.XACN113352629B (en)2021-07-062021-07-06 Medical catheter assembly device

Applications Claiming Priority (1)

Application NumberPriority DateFiling DateTitle
CN202110762516.XACN113352629B (en)2021-07-062021-07-06 Medical catheter assembly device

Publications (2)

Publication NumberPublication Date
CN113352629Atrue CN113352629A (en)2021-09-07
CN113352629B CN113352629B (en)2024-11-12

Family

ID=77538473

Family Applications (1)

Application NumberTitlePriority DateFiling Date
CN202110762516.XAActiveCN113352629B (en)2021-07-062021-07-06 Medical catheter assembly device

Country Status (1)

CountryLink
CN (1)CN113352629B (en)

Cited By (1)

* Cited by examiner, † Cited by third party
Publication numberPriority datePublication dateAssigneeTitle
CN116475007A (en)*2022-01-172023-07-25上海加奇生物科技苏州有限公司Dispensing curing device and dispensing curing method with same

Citations (8)

* Cited by examiner, † Cited by third party
Publication numberPriority datePublication dateAssigneeTitle
US20120179097A1 (en)*2011-01-062012-07-12Cully Edward HMethods and apparatus for an adjustable stiffness catheter
CN202909290U (en)*2012-07-202013-05-01易生科技(北京)有限公司Ruhr connector of balloon dilatation catheter
CN110560334A (en)*2019-10-142019-12-13南京沃福曼医疗科技有限公司OCT catheter dispensing positioning and UV glue curing tool
CN210935710U (en)*2019-10-142020-07-07南京沃福曼医疗科技有限公司OCT catheter dispensing positioning and UV glue curing tool
CN212368956U (en)*2020-08-252021-01-19南京沃福曼医疗科技有限公司Fixing device for optical fiber and hollow tube used during assembly of imaging catheter
CN112495704A (en)*2020-12-052021-03-16北京先瑞达医疗科技有限公司Rotary automatic dispensing system for micro-catheter and use method
CN212759510U (en)*2020-07-242021-03-23苏州诺蒂斯微电子有限公司Luer adapter all-dimensional curing device
CN216968707U (en)*2021-07-062022-07-15北京久事神康医疗科技有限公司Medical catheter assembling device

Patent Citations (8)

* Cited by examiner, † Cited by third party
Publication numberPriority datePublication dateAssigneeTitle
US20120179097A1 (en)*2011-01-062012-07-12Cully Edward HMethods and apparatus for an adjustable stiffness catheter
CN202909290U (en)*2012-07-202013-05-01易生科技(北京)有限公司Ruhr connector of balloon dilatation catheter
CN110560334A (en)*2019-10-142019-12-13南京沃福曼医疗科技有限公司OCT catheter dispensing positioning and UV glue curing tool
CN210935710U (en)*2019-10-142020-07-07南京沃福曼医疗科技有限公司OCT catheter dispensing positioning and UV glue curing tool
CN212759510U (en)*2020-07-242021-03-23苏州诺蒂斯微电子有限公司Luer adapter all-dimensional curing device
CN212368956U (en)*2020-08-252021-01-19南京沃福曼医疗科技有限公司Fixing device for optical fiber and hollow tube used during assembly of imaging catheter
CN112495704A (en)*2020-12-052021-03-16北京先瑞达医疗科技有限公司Rotary automatic dispensing system for micro-catheter and use method
CN216968707U (en)*2021-07-062022-07-15北京久事神康医疗科技有限公司Medical catheter assembling device

Cited By (1)

* Cited by examiner, † Cited by third party
Publication numberPriority datePublication dateAssigneeTitle
CN116475007A (en)*2022-01-172023-07-25上海加奇生物科技苏州有限公司Dispensing curing device and dispensing curing method with same

Also Published As

Publication numberPublication date
CN113352629B (en)2024-11-12

Similar Documents

PublicationPublication DateTitle
EP3393571B1 (en)Intrabody surgical fluid transfer assemblies with adjustable exposed cannula to needle tip length, related systems and methods
JP5414806B2 (en) Endoscope with camera housing and method of making camera housing
CN216968707U (en)Medical catheter assembling device
CN113352629A (en)Medical catheter assembling device
EP2059377A1 (en)Nerve cuff injection mold and method of making a nerve cuff
JP7101660B2 (en) Needle cannula-catheter joining method and equipment
WO2000029889A1 (en)System for terminating optical cables
CN109331282B (en)Intelligent infusion bottle, infusion bag replacement device that commonality is strong
US8617128B2 (en)Labeling of medical devices
EP3993864A1 (en)Extension tube assembly and related medical fluid transfer systems and methods
CN111467611A (en) Split type multi-needle injection device
CN110478009B (en) A cardiovascular intervention device
CN109646762B (en)Grooved needle tube and intravenous infusion remaining needle
CN217911272U (en)Sea wave tube needle seat and glue dispensing curing machine
CN110152108B (en)Automatic connecting device for radiation-enhanced infusion interface
CN115779192B (en) Retinal blood vessel drug injection device with adsorption function
CN223352041U (en) Dispensing device
CN222889280U (en)Guide wire conveying device for patent foramen ovale interventional therapy
CN221697623U (en) A hollow microneedle fixture
JP2001029461A (en)Apparatus for continually injecting medicinal solution
CN221332352U (en) Anesthesia catheters that regulate the flow of anesthetic drugs
CN222399852U (en)Tracheotomy protective cover
CN110974443B (en) A 3D printed breast magnetic resonance biopsy guiding device and its working method
CN219230247U (en)Novel injection device for veterinarian
CN219021446U (en)Mixing arrangement and embolic agent injection subassembly

Legal Events

DateCodeTitleDescription
PB01Publication
PB01Publication
SE01Entry into force of request for substantive examination
SE01Entry into force of request for substantive examination
GR01Patent grant
GR01Patent grant

[8]ページ先頭

©2009-2025 Movatter.jp