Movatterモバイル変換


[0]ホーム

URL:


CN113316047B - Pickup equipment - Google Patents

Pickup equipment
Download PDF

Info

Publication number
CN113316047B
CN113316047BCN202110413817.1ACN202110413817ACN113316047BCN 113316047 BCN113316047 BCN 113316047BCN 202110413817 ACN202110413817 ACN 202110413817ACN 113316047 BCN113316047 BCN 113316047B
Authority
CN
China
Prior art keywords
signal
pickup
input channel
channel
circuits
Prior art date
Legal status (The legal status is an assumption and is not a legal conclusion. Google has not performed a legal analysis and makes no representation as to the accuracy of the status listed.)
Active
Application number
CN202110413817.1A
Other languages
Chinese (zh)
Other versions
CN113316047A (en
Inventor
朱永光
Current Assignee (The listed assignees may be inaccurate. Google has not performed a legal analysis and makes no representation or warranty as to the accuracy of the list.)
Hangzhou Tuya Information Technology Co Ltd
Original Assignee
Hangzhou Tuya Information Technology Co Ltd
Priority date (The priority date is an assumption and is not a legal conclusion. Google has not performed a legal analysis and makes no representation as to the accuracy of the date listed.)
Filing date
Publication date
Application filed by Hangzhou Tuya Information Technology Co LtdfiledCriticalHangzhou Tuya Information Technology Co Ltd
Priority to CN202110413817.1ApriorityCriticalpatent/CN113316047B/en
Publication of CN113316047ApublicationCriticalpatent/CN113316047A/en
Application grantedgrantedCritical
Publication of CN113316047BpublicationCriticalpatent/CN113316047B/en
Activelegal-statusCriticalCurrent
Anticipated expirationlegal-statusCritical

Links

Images

Classifications

Landscapes

Abstract

The application discloses pickup equipment, including the binary channels switch, have first input channel, second input channel and output channel, output channel can communicate with first input channel or second input channel, and first input channel passes through the input of back production circuit connection speaker, and one of them pickup circuit is connected to the second input channel, and all the other pickup circuits then connect the controller, and the output channel of binary channels switch is still connected to the controller simultaneously. When the loudspeaker is opened, the controller can control the output channel to be communicated with the first input channel, and when the loudspeaker is closed, the controller can control the output channel to be communicated with the second input channel. That is to say, when the speaker was opened, the controller can acquire the input signal of speaker and the acquisition signal of all the other pickup circuits simultaneously, realized the echo cancellation function, and when the speaker was closed and does not need the echo cancellation function promptly, the steerable all pickup circuits of controller all were used for gathering the signal and acquire the signal of gathering, improved pickup equipment's pickup effect.

Description

Pickup equipment
Technical Field
The application relates to the technical field of intelligent hardware, in particular to pickup equipment.
Background
With the development of the intelligent hardware technology, the intelligent hardware with the sound pickup function also has an echo cancellation function, namely, an echo cancellation circuit is added in the intelligent hardware, and the echo cancellation is carried out on the voice signal collected by a microphone of the sound pickup circuit so as to obtain the sound pickup signal to be collected, and echo of the sound pickup signal is removed. For intelligent hardware with high integration level or simple chip design, the amount of voice data which can be processed is limited, and only one of the sound pickup circuits can be selected as an echo cancellation circuit, but the sound pickup circuit serving as the echo cancellation circuit is idle when the echo cancellation function is not needed, so that the sound pickup effect of the intelligent hardware is reduced.
Disclosure of Invention
The technical problem that this application mainly solved provides a pickup apparatus, can improve the pickup effect of pickup apparatus.
In order to solve the technical problem, the application adopts a technical scheme that:
there is provided a sound pickup apparatus including:
a dual channel switch comprising a first input channel, a second input channel, and an output channel, wherein the output channel is communicable with either the first input channel or the second input channel;
a speaker;
the extraction circuit is respectively connected with the input end of the loudspeaker and the first input channel;
a plurality of pickup circuits, wherein one pickup circuit is connected with the second input channel;
and the controller is connected with the output channel and other pickup circuits, and is used for controlling the output channel to be communicated with the first input channel when the loudspeaker is opened and controlling the output channel to be communicated with the second input channel when the loudspeaker is closed.
Wherein the controller comprises a first control circuit coupled to the speaker for controlling the speaker to be turned on or off; when the first control circuit outputs a first signal to the speaker, the speaker is turned on; when the first control circuit outputs a second signal to the loudspeaker, the loudspeaker is closed; wherein the first signal and the second signal are different.
Wherein the controller further comprises a second control circuit coupled to the output channel and the first control circuit for outputting a third signal to control the output channel to communicate with the first input channel when the first control circuit outputs the first signal and for outputting a fourth signal to control the output channel to communicate with the second input channel when the first control circuit outputs the second signal; wherein the third signal and the fourth signal are different.
The controller further comprises an audio processing circuit, connected with the second control circuit and the rest of pickup circuits, and used for acquiring pickup signals by using the extraction circuit and the rest of pickup circuits when the second control circuit outputs the third signal and acquiring pickup signals by using all of the pickup circuits when the second control circuit outputs the fourth signal.
All the other pickup circuits comprise a microphone, the audio processing circuit is specifically used for acquiring the audio signal input to the loudspeaker from the pickup circuit when the output channel is communicated with the first input channel, acquiring a first acquisition signal of the microphone from all the other pickup circuits, and acquiring the pickup signal by using the audio signal and the first acquisition signal.
The audio processing circuit is specifically configured to cancel the audio signal from the first captured signal to obtain the pickup signal.
The controller further comprises a preprocessing circuit which is connected with the second control circuit, the other pickup circuits and the audio processing circuit and used for converting the first acquisition signal and the audio signal into a format compatible with the audio processing circuit.
Wherein, many pickup circuits all include a microphone, audio frequency processing circuit specifically is used for when output channel with second input channel communicates, follow many pickup circuits acquire the second of microphone is gathered the signal, and utilize the second is gathered the signal and is acquireed pickup signal.
The controller further comprises a preprocessing circuit, which is connected to the second control circuit, the rest of pickup circuits and the audio processing circuit, and is configured to convert the second collected signal into a format compatible with the audio processing circuit and transmit the converted second collected signal to the audio processing circuit, so that the audio processing circuit uses the converted second collected signal as the pickup signal.
The preprocessing circuit is further used for integrating initial signals collected by the microphones corresponding to the multiple pickup circuits into the second collected signals.
The beneficial effect of this application is: be different from prior art's condition, the pickup equipment that this application provided includes the binary channels switch, and it has first input channel, second input channel and output channel, and wherein output channel can communicate with first input channel or second input channel, and first input channel passes through the input of back production circuit connection speaker, and one of them pickup circuit is connected to the second input channel, and other pickup circuits then connect the controller, and the output channel of binary channels switch is still connected to the controller simultaneously. When the loudspeaker is opened, the controller can control the output channel to be communicated with the first input channel, and when the loudspeaker is closed, the controller can control the output channel to be communicated with the second input channel. That is to say, when the speaker was opened, the controller can acquire the input signal of speaker and the acquisition signal of all the other pickup circuits simultaneously, realized the echo cancellation function, and when the speaker was closed and does not need the echo cancellation function promptly, the steerable all pickup circuits of controller all were used for gathering the signal and acquire the signal of gathering, improved pickup equipment's pickup effect.
Drawings
In order to more clearly illustrate the technical solutions in the embodiments of the present application, the drawings needed to be used in the description of the embodiments will be briefly introduced below, and it is obvious that the drawings in the following description are only some embodiments of the present application, and it is obvious for those skilled in the art to obtain other drawings without creative efforts. Wherein:
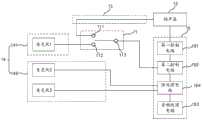
fig. 1 is a schematic structural diagram of an embodiment of a sound pickup apparatus according to the present application.
Detailed Description
The technical solutions in the embodiments of the present application will be clearly and completely described below with reference to the drawings in the embodiments of the present application, and it is apparent that the described embodiments are only a part of the embodiments of the present application, and not all of the embodiments. All other embodiments that can be obtained by a person skilled in the art without making any inventive step based on the embodiments in the present application belong to the protection scope of the present application.
Referring to fig. 1, fig. 1 is a schematic structural diagram of an embodiment of a sound pickup apparatus according to the present application, where the sound pickup apparatus includes a dual-channel switch 11, aspeaker 12, a mining circuit 13, multiplesound pickup circuits 14, and acontroller 15.
The dual-channel switch 11 includes a first input channel 111, asecond input channel 112, and anoutput channel 113, where theoutput channel 113 may communicate with the first input channel 111 or thesecond input channel 112. That is, the dual-channel switch 11 is a Single Pole Double Throw (SPDT) switch, and theoutput channel 113 can selectively obtain the input signal from the first input channel 111 or thesecond input channel 112.
The extraction circuit 13 is connected to the input terminal of thespeaker 12 and the first input channel 111, respectively. That is, when thespeaker 12 has an input signal, the extraction circuit 13 can extract the audio signal played by thespeaker 12 and input the audio signal into the first input channel 111, so that thecontroller 15 can obtain the extracted audio signal when theoutput channel 113 is communicated with the first input channel 111. Wherein, after the audio signal is played by thespeaker 12, it may need to be subjected to signal scaling processing, and the extraction circuit 13 preferably performs inverse scaling processing on the extracted audio signal to obtain a signal as close to or the same as the acquired signal at the microphone where the playing signal of thespeaker 12 is transmitted to the sound pickup circuit as possible. The specific stoping process is the same as that in the prior art, and is not described herein again, and a functional module specifically used for stoping in the stoping circuit 13 is not additionally shown in fig. 1.
Wherein, onesound pickup circuit 141 of the multiplesound pickup circuits 14 is connected with thesecond input channel 112, so that when theoutput channel 113 is communicated with thesecond input channel 112, thecontroller 15 can obtain the signals collected by thesound pickup circuit 141. Fig. 1 schematically shows the case of three pickup circuits, one of which is designated 141 and the remaining two of which are designated 142, connected to thesecond input channel 112. In other embodiments, the number of the sound pickup circuits may be other, but at least two sound pickup circuits are provided, wherein one sound pickup circuit is connected to the second input channel, and the other sound pickup circuit is connected to the controller, that is, the number of the remaining sound pickup circuits is at least one.
Thecontroller 15 is connected to theoutput channel 113 and the remaining sound pickup circuit 142, and is configured to control theoutput channel 113 to communicate with the first input channel 111 when thespeaker 12 is open, and to control theoutput channel 113 to communicate with thesecond input channel 112 when thespeaker 12 is closed.
It can be seen that, when thespeaker 12 of the sound pickup apparatus in this embodiment is opened, theoutput channel 113 is communicated with the first input channel 111, and thecontroller 15 can acquire the audio signal output by thespeaker 12 through the back-pickup circuit 13, and simultaneously acquire the first collected signal collected by the microphone through the remaining sound pickup circuits 142, so as to perform echo cancellation by using the audio signal and the first collected signal subsequently. When thespeaker 12 of the sound pickup apparatus is turned off, theoutput channel 113 is communicated with thesecond input channel 112, and thecontroller 15 can acquire a second acquired signal acquired by a microphone in one of thesound pickup circuits 141 and the remaining sound pickup circuits 142.
That is, the extraction circuit 13 and one of thesound pickup circuits 141 transmit signals to thecontroller 15 through theoutput channel 113 in a time-sharing manner, and the amount of data to be processed by thecontroller 15 is always the same as the number of thesound pickup circuits 14. When thespeaker 12 is turned on, thecontroller 15 implements an echo cancellation function; when theloudspeaker 12 is closed, thecontroller 15 can obtain a signal collected by one more microphone than when theloudspeaker 12 is opened, and when the echo cancellation function is not needed, the data processing capability of thecontroller 15 is fully utilized to obtain a better sound pickup effect.
In some embodiments, with continued reference to fig. 1, thecontroller 15 includes afirst control circuit 151 coupled to thespeaker 12 for controlling thespeaker 12 to be turned on or off. When thefirst control circuit 151 outputs the first signal to thespeaker 12, thespeaker 12 is turned on; when thefirst control circuit 152 outputs the second signal to thespeaker 12, thespeaker 12 is turned off; wherein the first signal and the second signal are different. That is, when it is necessary to play an audio signal using thespeaker 12, thefirst control circuit 151 outputs a first signal to thespeaker 12, and when it is not necessary to play an audio signal using thespeaker 12, thefirst control circuit 151 outputs a second signal to thespeaker 12.
Further, thecontroller 15 further includes asecond control circuit 152 coupled to theoutput channel 113 of the dual-channel switch 11 and thefirst control circuit 151, for outputting a third signal to control theoutput channel 113 to communicate with the first input channel 111 when thefirst control circuit 151 outputs the first signal, and for outputting a fourth signal to control theoutput channel 113 to communicate with thesecond input channel 112 when thefirst control circuit 151 outputs the second signal. Wherein the third signal and the fourth signal are different. That is, when thesecond control circuit 152 outputs the third signal, theoutput channel 113 communicates with the first input channel 111, and when thesecond control circuit 152 outputs the fourth signal, theoutput channel 113 communicates with thesecond input channel 112.
Further, thecontroller 15 further includes anaudio processing circuit 153 connected to thesecond control circuit 152 and the remaining sound pickup circuits 142, for acquiring sound pickup signals by using the pickup circuit 13 and the remaining sound pickup circuits 142 when thesecond control circuit 152 outputs a third signal, and for acquiring sound pickup signals by using all thesound pickup circuits 14 when thesecond control circuit 152 outputs a fourth signal.
As can be seen from the above, when thefirst control circuit 151 outputs the first signal, thespeaker 12 is turned on, and at this time, thesecond control circuit 152 outputs the third signal, theoutput channel 113 is controlled to communicate with the first input channel 111, and the audio signal output by thespeaker 12 is obtained through the extraction circuit 13, so that the audio signal can also be obtained by theaudio processing circuit 153 connected to thesecond control circuit 152. Meanwhile, theaudio processing circuit 153 acquires the first collected signal collected by the microphone among the other collected signals through the remaining sound pickup circuits 142, and acquires a sound pickup signal using the audio signal and the first collected signal. Specifically, theaudio processing circuit 153 eliminates the audio signal from the first captured signal to obtain the sound pickup signal.
For example, in a specific application scenario, thefirst control circuit 151 sends a first signal to control thespeaker 12 to be turned on and output an audio signal, thesecond control circuit 152 sends a third signal to control theoutput channel 113 to communicate with the first input channel 111, so that theaudio processing circuit 153 acquires the audio signal and also acquires a first collected signal obtained by mixing the audio signal collected by the microphones in the remaining sound collecting circuits 142 and a voice signal sent by a user, at this time, theaudio processing circuit 153 eliminates the audio signal from the first collected signal to obtain a sound collected signal only including the voice signal sent by the user, and the sound collected effect is improved.
Thecontroller 15 further includes apre-processing circuit 154 connected to thesecond control circuit 152, the remaining sound pickup circuit 142, and theaudio processing circuit 153, for converting the first collected signal and the audio signal into a format compatible with theaudio processing circuit 153, so that theaudio processing circuit 153 can eliminate the audio signal from the first collected signal. That is, theaudio processing circuit 153 acquires the first collected signal and the audio signal after the preprocessing by the preprocessingcircuit 154. For example, the audio signal and the first collected signal are both analog signals, and the preprocessingcircuit 154 is configured to perform analog-to-digital conversion on the audio signal and the first collected signal to obtain a digital signal that can be processed by theaudio processing circuit 153, and then perform cancellation of the audio signal to implement an echo cancellation function.
Preferably, thepreprocessing circuit 154 is further configured to filter, reduce noise, and scale the audio signal and the first captured signal, so as to further enhance the sound pickup effect.
In another application scenario, thefirst control circuit 151 sends a second signal to control thespeaker 12 to be turned off, and no audio signal is output, thesecond control circuit 152 sends a fourth signal to control theoutput channel 113 to be communicated with thesecond input channel 112, wherein one of thesound pickup circuits 141 and the remaining sound pickup circuits 142 operate normally, so that theaudio processing circuit 153 acquires second acquired signals acquired by the microphones of all thesound pickup circuits 14.
Similarly, thepreprocessing circuit 154 performs analog-to-digital conversion on the second collected signal to obtain a digital signal compatible with theaudio processing circuit 153, and then theaudio processing circuit 153 obtains the preprocessed second collected signal through thepreprocessing circuit 154, because the speaker is turned off at this time, the second collected signal is a voice signal sent by the user, and an echo cancellation function is not needed, theaudio processing circuit 153 can directly use the converted second collected signal as a pickup signal.
Preferably, thepreprocessing circuit 154 is further configured to integrate the initial signals collected by the microphones corresponding to the multiplesound pickup circuits 14 into a second collected signal, which includes filtering, noise reduction, scaling, and the like, so as to further improve the sound pickup effect.
When the speaker is turned on, thecontroller 15 needs to process three data (one audio data from thespeaker 12 and the voice signals collected by the remaining two sound pickup circuits 142), and when the speaker is turned off, thecontroller 15 still needs to process three data (the voice signals collected by the three sound pickup circuits 14), and thus, the back pickup circuit 13 and one of thesound pickup circuits 141 transmit signals to thecontroller 15 through theoutput channel 113 in a time-sharing manner, and the amount of data that thecontroller 15 needs to process is always the same as the number of thesound pickup circuits 14. When thespeaker 12 is turned on, thecontroller 15 implements an echo cancellation function; when theloudspeaker 12 is closed, thecontroller 15 can obtain more signals collected by one microphone than when theloudspeaker 12 is opened, and when the echo cancellation function is not needed, the data processing capability of thecontroller 15 is fully utilized to obtain a better sound pickup effect.
The above description is only for the purpose of illustrating embodiments of the present application and is not intended to limit the scope of the present application, and all modifications of equivalent structures and equivalent processes, which are made by the contents of the specification and the drawings of the present application or are directly or indirectly applied to other related technical fields, are also included in the scope of the present application.

Claims (8)

CN202110413817.1A2021-04-162021-04-16Pickup equipmentActiveCN113316047B (en)

Priority Applications (1)

Application NumberPriority DateFiling DateTitle
CN202110413817.1ACN113316047B (en)2021-04-162021-04-16Pickup equipment

Applications Claiming Priority (1)

Application NumberPriority DateFiling DateTitle
CN202110413817.1ACN113316047B (en)2021-04-162021-04-16Pickup equipment

Publications (2)

Publication NumberPublication Date
CN113316047A CN113316047A (en)2021-08-27
CN113316047Btrue CN113316047B (en)2023-04-14

Family

ID=77372453

Family Applications (1)

Application NumberTitlePriority DateFiling Date
CN202110413817.1AActiveCN113316047B (en)2021-04-162021-04-16Pickup equipment

Country Status (1)

CountryLink
CN (1)CN113316047B (en)

Citations (3)

* Cited by examiner, † Cited by third party
Publication numberPriority datePublication dateAssigneeTitle
JP2008147823A (en)*2006-12-072008-06-26Yamaha CorpVoice conference device, voice conference system, and sound radiation/pickup unit
CN106507242A (en)*2016-12-122017-03-15捷开通讯(深圳)有限公司A kind of audio devices and terminal
CN109473097A (en)*2017-09-082019-03-15北京君林科技股份有限公司A kind of intelligent sound equipment and its control method

Family Cites Families (8)

* Cited by examiner, † Cited by third party
Publication numberPriority datePublication dateAssigneeTitle
US5848146A (en)*1996-05-101998-12-08Rane CorporationAudio system for conferencing/presentation room
CN202587132U (en)*2012-02-232012-12-05青岛海信移动通信技术股份有限公司Voice call circuit with echo suppression function and flat panel computer
CN105357612B (en)*2015-11-302019-09-06青岛海信移动通信技术股份有限公司 A sound pickup device, method and terminal equipment
CN106782584B (en)*2016-12-282023-11-07北京地平线信息技术有限公司Audio signal processing device, method and electronic device
CN107105366B (en)*2017-06-152022-09-23歌尔股份有限公司Multi-channel echo cancellation circuit and method and intelligent device
CN208079335U (en)*2018-02-092018-11-09万魔声学科技有限公司Active noise reducing device and noise cancelling headphone
CN110349582B (en)*2019-07-102021-11-19海信视像科技股份有限公司Display device and far-field voice processing circuit
CN112243182B (en)*2019-07-172022-03-04北京声智科技有限公司Pickup circuit, method and device

Patent Citations (3)

* Cited by examiner, † Cited by third party
Publication numberPriority datePublication dateAssigneeTitle
JP2008147823A (en)*2006-12-072008-06-26Yamaha CorpVoice conference device, voice conference system, and sound radiation/pickup unit
CN106507242A (en)*2016-12-122017-03-15捷开通讯(深圳)有限公司A kind of audio devices and terminal
CN109473097A (en)*2017-09-082019-03-15北京君林科技股份有限公司A kind of intelligent sound equipment and its control method

Also Published As

Publication numberPublication date
CN113316047A (en)2021-08-27

Similar Documents

PublicationPublication DateTitle
US10966019B2 (en)Audio signal processing device and sound box
EP3247130A1 (en)Multi-channel digital microphone
CN113316047B (en)Pickup equipment
CN115348241B (en)Microphone cascading method
DE102010050472A1 (en) microphone array
CN203057371U (en)Camera device having echo elimination function and television set
CN103152686A (en)Digital hearing-aid with customizable functioning mode and implementation method thereof
CN106161780A (en)There is communicator and the noise-reduction method thereof of speaker decrease of noise functions
CN208707932U (en)A kind of audio interface conversion circuit, audio collecting system and electronic equipment
CN102118482A (en)Wireless terminal hearing aid device
CN216565265U (en)Distributed extensible teleconference system
CN211089900U (en)K sings earphone
CN204244283U (en)There is intercom system and the elevator Internet of things system of echo cancellation function
CN106507242A (en)A kind of audio devices and terminal
CN213547829U (en)Circuit structure and terminal of microphone
WO2002003749A3 (en)Adaptive microphone array system with preserving binaural cues
CN214045912U (en) Conference speakers and conference systems
CN109102820A (en)The processing method of voice signal, the processing system of voice signal and electric appliance
CN103501478B (en)Communication audio switching device and method in a kind of car
US6009165A (en)Full duplex speakerphone system
CN103152671B (en)Audio input/output circuit
CN217135683U (en)Multi-channel far-field voice circuit
CN201928428U (en)Novel microphone
US20200184988A1 (en)Sound signal processing device
AU2017101065A4 (en)Multi-Channel Digital Microphone

Legal Events

DateCodeTitleDescription
PB01Publication
PB01Publication
SE01Entry into force of request for substantive examination
SE01Entry into force of request for substantive examination
GR01Patent grant
GR01Patent grant

[8]ページ先頭

©2009-2025 Movatter.jp