Movatterモバイル変換


[0]ホーム

URL:


CN113271001A - Power management chip, switching power management system and method - Google Patents

Power management chip, switching power management system and method
Download PDF

Info

Publication number
CN113271001A
CN113271001ACN202110500572.6ACN202110500572ACN113271001ACN 113271001 ACN113271001 ACN 113271001ACN 202110500572 ACN202110500572 ACN 202110500572ACN 113271001 ACN113271001 ACN 113271001A
Authority
CN
China
Prior art keywords
power
management chip
voltage
power supply
power management
Prior art date
Legal status (The legal status is an assumption and is not a legal conclusion. Google has not performed a legal analysis and makes no representation as to the accuracy of the status listed.)
Granted
Application number
CN202110500572.6A
Other languages
Chinese (zh)
Other versions
CN113271001B (en
Inventor
李科举
张敏
Current Assignee (The listed assignees may be inaccurate. Google has not performed a legal analysis and makes no representation or warranty as to the accuracy of the list.)
Fuman Microelectronics Group Co ltd
Original Assignee
Fuman Microelectronics Group Co ltd
Priority date (The priority date is an assumption and is not a legal conclusion. Google has not performed a legal analysis and makes no representation as to the accuracy of the date listed.)
Filing date
Publication date
Application filed by Fuman Microelectronics Group Co ltdfiledCriticalFuman Microelectronics Group Co ltd
Priority to CN202110500572.6ApriorityCriticalpatent/CN113271001B/en
Publication of CN113271001ApublicationCriticalpatent/CN113271001A/en
Application grantedgrantedCritical
Publication of CN113271001BpublicationCriticalpatent/CN113271001B/en
Activelegal-statusCriticalCurrent
Anticipated expirationlegal-statusCritical

Links

Images

Classifications

Landscapes

Abstract

The invention provides a power supply management chip, a switching power supply management system and a switching power supply management method, wherein the power supply management chip comprises a VCC charging circuit, an under-voltage protection detection module and a function control logic module; the high-voltage end is connected to a power supply end through a VCC charging circuit, and the VCC charging circuit is used for charging a capacitor Cvcc externally connected with the power supply management chip when the power supply management chip is powered on; the power supply end is connected to the resistance voltage division circuit; the sampling end of the resistance bleeder circuit is respectively connected to the input ends of the undervoltage protection detection module and the alternating current power-off detection module, the output ends of the undervoltage protection detection module and the alternating current power-off detection module are respectively connected to the function control logic module, the pulse output end of the function control logic module is connected to the VCC charging circuit, and the output end of the function control logic module is connected to the driving end. The power management chip reduces the loss of the switching power supply and improves the efficiency of the switching power supply.

Description

Power management chip, switching power management system and method
Technical Field
The invention belongs to the technical field of switching power supplies, and particularly relates to a power supply management chip, a switching power supply management system and a switching power supply management method.
Background
In the conventional switching power supply system, the power management chip is started by connecting a resistor to charge a capacitor connected with a power pin in the power management chip after AC rectification. Under-voltage protection Brownout detection of input alternating current in a switching power supply system is also realized by resistance voltage division directly. An Xcap capacitor with a filtering function exists at an alternating current end of the switching power supply system, a large amount of charges exist when alternating current is disconnected, and the charges need to be discharged in time, but the discharging of the Xcap capacitor is realized by connecting a resistor in parallel on the Xcap capacitor at present. Therefore, when the switching power supply system normally works, the chip starting resistor, the brown out detection of the undervoltage protection of the input alternating voltage and the resistor connected in parallel with xcap generate large loss, and the market requirement of pursuing low standby power consumption at present cannot be met.
Disclosure of Invention
Aiming at the defects in the prior art, the invention provides a power supply management chip, a switching power supply management system and a method, which can reduce the loss of a switching power supply and improve the efficiency of the switching power supply.
In a first aspect, a power management chip includes pins including a power terminal, a driving terminal, and a high voltage terminal; the power management chip comprises an under-voltage protection detection module and a function control logic module; the power management chip also comprises a VCC charging circuit, a resistance voltage division circuit and an alternating current power-off detection module;
the high-voltage end is connected to a power supply end through a VCC charging circuit, and the VCC charging circuit is used for charging a capacitor Cvcc externally connected with the power supply management chip when the power supply management chip is powered on;
the power supply end is connected to the resistance voltage division circuit; the sampling end of the resistance bleeder circuit is respectively connected to the input ends of the undervoltage protection detection module and the alternating current power-off detection module, the output ends of the undervoltage protection detection module and the alternating current power-off detection module are respectively connected to the function control logic module, the pulse output end of the function control logic module is connected to the VCC charging circuit, and the output end of the function control logic module is connected to the driving end.
Preferably, the VCC charging circuit comprises a power tube M1 and a power tube NJFET;
the drain electrode of the power tube M1 is connected to the high-voltage end and the drain electrode of the power tube NJFET respectively, the grid electrode of the power tube NJFET is grounded, the grid electrode of the power tube M1 is connected to the pulse output end of the function control logic module, and the source electrode of the power tube NJFET is connected to the pulse output end of the function control logic module through a resistor R3; the source of the power tube M1 is connected to the power supply end through a resistor R1 and a positive first diode in sequence.
Preferably, the resistance voltage-dividing circuit comprises a power tube M2; the source electrode of the power tube M2 is grounded through a resistor R2, and the drain electrode of the power tube M2 is connected to the anode of the first diode; the drain of the power tube M2 is used as the sampling terminal, and the gate of the power tube M2 is connected to the function control logic module.
Preferably, the undervoltage protection detection module is configured to detect whether a sampling voltage output by a sampling end in the resistance voltage divider circuit is greater than a preset undervoltage detection voltage threshold after being started; if so, judging that the power management chip works normally; if not, judging that the power management chip does not work;
the function control logic module is used for generating a driving signal and transmitting the driving signal to the driving end when the power management chip works normally;
the alternating current power-off detection module is used for detecting whether the sampling voltage is cut off within a preset time after being started; if yes, an XCAP capacitor externally connected with the power management chip is triggered to discharge.
Preferably, the power management chip further comprises a counter connected to the function control logic module;
the undervoltage protection detection module is specifically configured to start a counter to start timing when the sampling voltage is detected to be smaller than the undervoltage detection voltage threshold; whether the sampling voltage is detected to be larger than the undervoltage detection voltage threshold value or not within a preset timing period, and if so, resetting the counter; if not, the power management chip is judged not to work.
Preferably, the power management chip further comprises a chip initialization module;
the input end of the chip initialization module is connected with a power supply end, and the output end of the chip initialization module is connected with the function control logic module.
In a second aspect, a switch management system includes a power module, an output module, and the power management chip of the first aspect;
the power supply module comprises an AC power supply and the XCAP capacitor, and is connected to a high-voltage end and a power supply end of the power management chip; and the driving end of the power management chip is connected to the output module.
Preferably, the power supply module further includes a rectifier bridge, a main coil Lp and an auxiliary coil Laux;
wherein the auxiliary coil Laux is coupled with the main coil Lp; the AC power supply is connected to the input end of a rectifier bridge through the XCAP capacitor, the output end of the rectifier bridge is grounded through a capacitor C1, the output end of the rectifier bridge is also connected to a main coil Lp, and the high-voltage end of the power supply management chip is connected to the input end of the rectifier bridge through a resistor RHV and two second diodes which are reversely connected;
the power end of the power management chip is grounded through a reverse connection third diode and an auxiliary coil Laux in sequence, and the power end of the power management chip is grounded through a capacitor Cvcc.
Preferably, the output module comprises a secondary coil Ls and a power tube M0;
wherein, the secondary coil Ls is coupled with the primary coil Lp, and the output of the secondary coil Ls is used as the output of the switch management system; the driving end of the power management chip is connected with the grid electrode of the power tube M0, the drain electrode of the power tube M0 is connected to the primary coil Lp, and the source electrode of the power tube M0 is grounded through a resistor RCS.
In a third aspect, a switching power supply management method is applied to the switching management system of the first aspect, and the method includes:
when the power management chip is powered on, charging a capacitor Cvcc in the switch management system;
when the power management chip is started, the power management chip generates a periodic pulse signal to control an internal VCC charging circuit to conduct periodically, so that an internal under-voltage protection detection module and an internal AC power-off detection module are started periodically;
after the undervoltage protection detection module is started, detecting whether the sampling voltage output by the resistance voltage division circuit is greater than a preset undervoltage detection voltage threshold value; if so, judging that the power management chip works normally; if not, judging that the power management chip does not work;
after the alternating current power-off detection module is started, whether the sampling voltage is cut off within a preset time is detected; if yes, an XCAP capacitor externally connected with the power management chip is triggered to discharge.
Preferably, after the under-voltage protection detection module determines that the power management chip is working normally, the method further includes:
when the undervoltage protection detection module detects that the sampling voltage is smaller than the undervoltage detection voltage threshold value, starting a counter inside a power management chip to start timing;
the undervoltage protection detection module detects whether the sampling voltage is larger than the undervoltage detection voltage threshold value within a preset timing period, and if so, the counter is cleared; if not, judging that the power management chip does not work;
after the alternating current power-off detection module is started, detecting whether the sampling voltage changes along with the AC power supply within a preset time;
if not, the sampling voltage is judged to be cut off, and the XCAP capacitor is triggered to discharge until the voltage on the XCAP capacitor is lower than a preset cut-off protection threshold value.
According to the technical scheme, the power supply management chip, the switching power supply management system and the switching power supply management method provided by the invention have the advantages that three functions of starting of the switching power supply, input alternating voltage under-voltage detection and XCAP capacitor discharge are integrated into one pin to be realized, the loss of the switching power supply is reduced, and the efficiency of the switching power supply is improved.
Drawings
In order to more clearly illustrate the detailed description of the invention or the technical solutions in the prior art, the drawings that are needed in the detailed description of the invention or the prior art will be briefly described below. Throughout the drawings, like elements or portions are generally identified by like reference numerals. In the drawings, elements or portions are not necessarily drawn to scale.
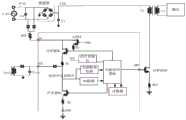
Fig. 1 is a circuit diagram of a power management chip according to an embodiment of the invention.
Fig. 2 is a circuit diagram of a switch sample-and-hold circuit according to a first embodiment of the present invention.
Fig. 3 is a circuit diagram of a pulse generating circuit according to an embodiment of the invention.
Fig. 4 is a flowchart of a switching power supply management method according to a third embodiment of the present invention.
Detailed Description
Embodiments of the present invention will be described in detail below with reference to the accompanying drawings. The following examples are only for illustrating the technical solutions of the present invention more clearly, and therefore are only examples, and the protection scope of the present invention is not limited thereby. It is to be noted that, unless otherwise specified, technical or scientific terms used herein shall have the ordinary meaning as understood by those skilled in the art to which the invention pertains.
It will be understood that the terms "comprises" and/or "comprising," when used in this specification and the appended claims, specify the presence of stated features, integers, steps, operations, elements, and/or components, but do not preclude the presence or addition of one or more other features, integers, steps, operations, elements, components, and/or groups thereof.
It is also to be understood that the terminology used in the description of the invention herein is for the purpose of describing particular embodiments only and is not intended to be limiting of the invention. As used in the specification of the present invention and the appended claims, the singular forms "a," "an," and "the" are intended to include the plural forms as well, unless the context clearly indicates otherwise.
As used in this specification and the appended claims, the term "if" may be interpreted contextually as "when", "upon" or "in response to a determination" or "in response to a detection". Similarly, the phrase "if it is determined" or "if a [ described condition or event ] is detected" may be interpreted contextually to mean "upon determining" or "in response to determining" or "upon detecting [ described condition or event ]" or "in response to detecting [ described condition or event ]".
The first embodiment is as follows:
a power management chip, see FIG. 1, the pins of which include a power terminal, a driving terminal and a high voltage terminal; the power management chip comprises an undervoltage protection detection module, a function control logic module, a VCC charging circuit, a resistance voltage division circuit and an alternating current power-off detection module;
the high-voltage end is connected to a power supply end through a VCC charging circuit, and the VCC charging circuit is used for charging a capacitor Cvcc externally connected with the power supply management chip when the power supply management chip is powered on;
the power supply end is connected to the resistance voltage division circuit; the sampling end of the resistance bleeder circuit is respectively connected to the input ends of the undervoltage protection detection module and the alternating current power-off detection module, the output ends of the undervoltage protection detection module and the alternating current power-off detection module are respectively connected to the function control logic module, the pulse output end of the function control logic module is connected to the VCC charging circuit, and the output end of the function control logic module is connected to the driving end.
Preferably, the power management chip further comprises a chip initialization module;
the input end of the chip initialization module is connected with a power supply end, and the output end of the chip initialization module is connected with the function control logic module.
Specifically, the power management chip transmits the sampling voltage output by the sampling end of the resistance voltage division circuit to the alternating current power-off detection module and the under-voltage protection detection module, the 2 modules generate a detection judgment signal and transmit the detection judgment signal to the function control logic module, the function control logic module generates a periodic pulse signal to periodically start the alternating current power-off detection module and the under-voltage protection detection module, and therefore the power consumption of the circuit is almost zero when the 2 modules are not started and not detected. The power management chip reduces the loss of the switching power supply and improves the efficiency of the switching power supply.
Preferably, the VCC charging circuit comprises a power tube M1 and a power tube NJFET;
the drain electrode of the power tube M1 is connected to the high-voltage end and the drain electrode of the power tube NJFET respectively, the grid electrode of the power tube NJFET is grounded, the grid electrode of the power tube M1 is connected to the pulse output end of the function control logic module, and the source electrode of the power tube NJFET is connected to the pulse output end of the function control logic module through a resistor R3; the source of the power tube M1 is connected to the power supply end through a resistor R1 and a positive first diode in sequence.
Preferably, the resistance voltage-dividing circuit comprises a power tube M2; the source electrode of the power tube M2 is grounded through a resistor R2, and the drain electrode of the power tube M2 is connected to the anode of the first diode; the drain of the power tube M2 is used as the sampling terminal, and the gate of the power tube M2 is connected to the function control logic module.
Specifically, the inside of the power management chip is connected through an extra-high voltage power tube M1, a resistor R1, a resistor R2 and a power tube M2 to form a BO detection (i.e., under-voltage protection detection) resistor string, and the power tubes M1 and M2 are turned on to form an alternating current power supply-to-ground electrical string. The high-voltage terminal HV is further connected to a power transistor NJFET, and when the power supply terminal VCC is charged, an S-gate bias voltage of the power transistor M1 is provided, and the resistor R3 is a current-limiting resistor.
After the power management chip is powered ON, the power tube M1 is turned ON to charge the power supply terminal VCC, and when the voltage of the power supply terminal rises to exceed the starting threshold voltage VCC _ ON, the power management chip is started. Most of the modules of the power management chip are not operated before, and the power tube M2 is also closed. After the power management chip is started, the chip initialization module initializes, and the function control logic module outputs a signal to close the power tube M1, so that the power end VCC is closed for charging, the power consumption of the power management chip after starting is saved, and the power management chip is powered by the capacitor Cvcc at the moment. Then the function control logic module outputs a periodic narrow pulse signal to the resistance voltage division circuit, the power tube M1 and the power tube M2 are conducted periodically, and the conduction resistances of the power tubes M1 and M2 are much smaller than those of the resistances RHV, R1 and R2 and can be ignored.
The embodiment adopts a mode of combining the power tube NJFET and the ultrahigh voltage switch tube, can realize VCC charging starting, and closes VCC charging after starting, and almost no power consumption is generated.
Preferably, the undervoltage protection detection module is configured to detect whether a sampling voltage output by a sampling end in the resistance voltage divider circuit is greater than a preset undervoltage detection voltage threshold after being started; if so, judging that the power management chip works normally; if not, judging that the power management chip does not work;
the function control logic module is used for generating a driving signal and transmitting the driving signal to the driving end when the power management chip works normally;
the alternating current power-off detection module is used for detecting whether the sampling voltage is cut off within a preset time after being started; if yes, an XCAP capacitor externally connected with the power management chip is triggered to discharge.
Specifically, when the undervoltage protection detection module detects that the sampling voltage is greater than the undervoltage detection voltage threshold, the power management chip is judged to normally work, and the function control logic module outputs a normal driving signal to the driving end DRV to control the power tube. The energy of the primary coil Lp can be transmitted to the secondary coil Ls and the auxiliary coil Laux to respectively supply power to the direct current output and the power supply terminal VCC, otherwise, the drive terminal DRV always outputs a low level to close the power tube.
The alternating current power-off detection module detects whether the sampling voltage is cut off, if the cut-off triggers the discharge of the capacitor XCAP, the function control logic module can always conduct the power tube M1 and the power tube M2 to form a path of the capacitor XCAP to the ground, and because the resistor RHV is far greater than the resistors R1 and R2, the sampling voltage is much lower than VCC and the VCC can not be charged. Meanwhile, because the power management chip is in normal operation, the charge on the capacitor Cvcc is consumed, the VCC drops until VCC < the cutoff protection threshold VCC _ OFF, at this time, the power management chip resets, the power tube M2 is turned OFF, the VCC starts to be charged again, and the above processes are repeated.
Preferably, the power management chip further comprises a counter connected to the function control logic module;
the undervoltage protection detection module is specifically configured to start a counter to start timing when the sampling voltage is detected to be smaller than the undervoltage detection voltage threshold; whether the sampling voltage is detected to be larger than the undervoltage detection voltage threshold value or not within a preset timing period, and if so, resetting the counter; if not, the power management chip is judged not to work.
Specifically, after the power management chip works normally, if the sampling voltage is smaller than the undervoltage detection voltage threshold, the counter starts timing, and during the timing end period, once the sampling voltage is larger than the undervoltage detection voltage threshold, the counter is cleared, otherwise, the time that the sampling voltage is smaller than the BO threshold voltage exceeds the preset timing period, and the power management chip does not work.
When the sampling voltage keeps unchanged and the state exceeds the timing time, the multiplexing resistance voltage division circuit or the VCC charging circuit discharges the capacitor XCAP, and the 2 conditions that the capacitor XCAP stops discharging are as follows: 1. when the chip works normally, the voltage on the capacitor XCAP is lowered to a lower threshold voltage by multiplexing the resistor divider circuit, and the discharging is stopped. 2. Sampling voltage < undervoltage detection voltage threshold, namely the power management chip can start VCC to charge after undervoltage protection to carry out capacitor XCAP discharge, and the capacitor XCAP can be ensured to discharge to very low voltage under the 2 conditions.
To sum up, this power management chip is integrated to a pin with switching power supply start, input alternating voltage undervoltage detection and XCAP electric capacity discharge three function and is realized, reduces switching power supply's loss, improves switching power supply's efficiency.
In addition, the embodiment also provides a circuit diagram of the alternating current power-off detection module and the undervoltage protection detection module.
Fig. 2 shows a switch sample-and-hold circuit in the ac power-off detection module and the under-voltage protection detection module. The switch sampling hold circuit comprises a switch tube, a sampling capacitor and a comparator, wherein the sampling end of the resistance voltage division circuit is connected with the source electrode of the switch tube, the grid electrode of the switch tube is connected with the function control logic module, the drain electrode of the switch tube is grounded through the sampling capacitor, the drain electrode of the switch tube is also connected with the positive input end of the comparator, the reverse input end of the comparator is connected with reference voltage, and the output end of the comparator outputs a judgment result.
The circuit of fig. 2 is used for controlling the switch to be periodically switched on, transmitting the sampling voltage to the sampling capacitor and keeping the sampling voltage, comparing the sampling voltage with a preset reference voltage through the comparator, realizing a corresponding detection function, for example, setting the reference voltage as an under-voltage detection voltage threshold, comparing the under-voltage detection voltage threshold with the sampling voltage, outputting an under-voltage protection judgment signal, timing through the counter, and outputting an under-voltage protection trigger signal.
Fig. 3 shows a pulse generating circuit in the ac power-off detection module and the under-voltage protection detection module. The pulse generating circuit comprises an AND gate, a NOT gate and a delay capacitor. The output end of the comparator in the switch sample hold circuit is connected with the input end of the NOT gate and one input end of the AND gate, the output end of the NOT gate is connected with the other input end of the AND gate, the output end of the NOT gate is grounded through the delay capacitor, and the output end of the AND gate is used as the output of the pulse generation circuit.
The pulse generating circuit can detect AC power failure, for example, resetting a reference voltage for the comparator of FIG. 2, and the output of the comparator is connected with the pulse generating circuit, so that the output periodic pulse signal resets the counter because the sampling voltage changes along with the AC power supply, and thus the AC power failure event is not triggered. If the current is interrupted, no periodic pulse signal is generated until the counter times out, and the current interruption event is triggered, so that the XCAP capacitor is discharged.
Example two:
a switch management system comprises a power supply module, an output module and the power supply management chip;
the power supply module comprises an AC power supply and an XCAP capacitor, and is connected to a high-voltage end and a power supply end of the power management chip; and the driving end of the power management chip is connected to the output module.
Preferably, the power supply module further includes a rectifier bridge, a main coil Lp and an auxiliary coil Laux;
wherein the auxiliary coil Laux is coupled with the main coil Lp; the AC power supply is connected to the input end of a rectifier bridge through the XCAP capacitor, the output end of the rectifier bridge is grounded through a capacitor C1, the output end of the rectifier bridge is also connected to a main coil Lp, and the high-voltage end of the power supply management chip is connected to the input end of the rectifier bridge through a resistor RHV and two second diodes which are reversely connected;
the power end of the power management chip is grounded through a reverse connection third diode and an auxiliary coil Laux in sequence, and the power end of the power management chip is grounded through a capacitor Cvcc.
Specifically, the AC power source passes through a rectifying bridge filter capacitor C1 and one end of the primary coil Lp. The AC power source is connected in parallel with the XCAP capacitor and a large amount of charge is present after the switch is opened. And a high-voltage end HV of the power management chip is connected with an AC power supply through a resistor RHV and two second diodes. The power end of the power management chip is also connected with a large capacitor Cvcc and is connected with the auxiliary coil Laux through a third diode.
Preferably, the output module comprises a secondary coil Ls and a power tube M0;
wherein, the secondary coil Ls is coupled with the primary coil Lp, and the output of the secondary coil Ls is used as the output of the switch management system; the driving end of the power management chip is connected with the grid electrode of the power tube M0, the drain electrode of the power tube M0 is connected to the primary coil Lp, and the source electrode of the power tube M0 is grounded through a resistor RCS.
Specifically, the driving terminal DRV of the power management chip is connected to the gate of the power transistor M0, the source of the power transistor M0 is connected to the current-limiting resistor RCS and ground, and the drain of the power transistor M0 is connected to one end of the primary winding Lp. The secondary coil Ls is coupled to the primary coil Lp to form the output of the switch management system.
For the sake of brief description, the system provided by the embodiment of the present invention may refer to the corresponding content in the foregoing embodiments.
Example three:
a switching power management method, referring to fig. 4, applied to a switching management system including the above switching power management system, includes:
when the power management chip is powered on, charging a capacitor Cvcc in the switch management system;
when the power management chip is started, the power management chip generates a periodic pulse signal to control an internal VCC charging circuit to conduct periodically, so that an internal under-voltage protection detection module and an internal AC power-off detection module are started periodically;
after the undervoltage protection detection module is started, detecting whether the sampling voltage output by the resistance voltage division circuit is greater than a preset undervoltage detection voltage threshold value; if so, judging that the power management chip works normally; if not, judging that the power management chip does not work;
after the alternating current power-off detection module is started, whether the sampling voltage is cut off within a preset time is detected; if yes, an XCAP capacitor externally connected with the power management chip is triggered to discharge.
Preferably, after the under-voltage protection detection module determines that the power management chip is working normally, the method further includes:
when the undervoltage protection detection module detects that the sampling voltage is smaller than the undervoltage detection voltage threshold value, starting a counter inside a power management chip to start timing;
the undervoltage protection detection module detects whether the sampling voltage is larger than the undervoltage detection voltage threshold value within a preset timing period, and if so, the counter is cleared; if not, judging that the power management chip does not work;
after the alternating current power-off detection module is started, detecting whether the sampling voltage changes along with the AC power supply within a preset time;
if not, the sampling voltage is judged to be cut off, and the XCAP capacitor is triggered to discharge until the voltage on the XCAP capacitor is lower than a preset cut-off protection threshold value.
Preferably, before the power management chip is started, the method further includes:
charging a power supply end of a power supply management chip by adopting the AC power supply;
when the voltage of the power end in the power management chip is detected to exceed a preset starting threshold, the power management chip is started, and the power end is stopped being charged by the AC power supply.
For the sake of brief description, the method provided by the embodiment of the present invention may refer to the corresponding contents in the foregoing embodiments.
Finally, it should be noted that: the above embodiments are only used to illustrate the technical solution of the present invention, and not to limit the same; while the invention has been described in detail and with reference to the foregoing embodiments, it will be understood by those skilled in the art that: the technical solutions described in the foregoing embodiments may still be modified, or some or all of the technical features may be equivalently replaced; such modifications and substitutions do not depart from the spirit and scope of the present invention, and they should be construed as being included in the following claims and description.

Claims (10)

CN202110500572.6A2021-05-082021-05-08Power management chip, switch power management system and methodActiveCN113271001B (en)

Priority Applications (1)

Application NumberPriority DateFiling DateTitle
CN202110500572.6ACN113271001B (en)2021-05-082021-05-08Power management chip, switch power management system and method

Applications Claiming Priority (1)

Application NumberPriority DateFiling DateTitle
CN202110500572.6ACN113271001B (en)2021-05-082021-05-08Power management chip, switch power management system and method

Publications (2)

Publication NumberPublication Date
CN113271001Atrue CN113271001A (en)2021-08-17
CN113271001B CN113271001B (en)2024-07-05

Family

ID=77230117

Family Applications (1)

Application NumberTitlePriority DateFiling Date
CN202110500572.6AActiveCN113271001B (en)2021-05-082021-05-08Power management chip, switch power management system and method

Country Status (1)

CountryLink
CN (1)CN113271001B (en)

Cited By (5)

* Cited by examiner, † Cited by third party
Publication numberPriority datePublication dateAssigneeTitle
CN114050710A (en)*2021-10-082022-02-15广州市慧芯电子科技有限公司Switching power supply circuit
CN114301034A (en)*2021-12-282022-04-08苏州锴威特半导体股份有限公司Gallium nitride power tube driving circuit with overcurrent protection function
CN115085520A (en)*2022-05-172022-09-20上海南芯半导体科技股份有限公司Capacitor discharge circuit for power supply system
CN115940615A (en)*2023-03-102023-04-07钰泰半导体股份有限公司Control chip of switching power supply
CN120582470A (en)*2025-08-052025-09-02成都麦蒂威科技有限公司Intelligent self-bias power supply switching power supply system

Citations (4)

* Cited by examiner, † Cited by third party
Publication numberPriority datePublication dateAssigneeTitle
US20160164428A1 (en)*2014-12-032016-06-09Alpha And Omega Semiconductor (Cayman) Ltd.Methods and devices for detecting the input voltage and discharging the residuevoltage
CN111277130A (en)*2020-03-202020-06-12苏州力生美半导体有限公司High-voltage starting circuit and method integrating zero-crossing detection and X capacitor discharge
CN112290800A (en)*2020-10-202021-01-29华源智信半导体(深圳)有限公司X capacitor discharge control circuit and method and switching power supply
CN214900648U (en)*2021-05-082021-11-26富满微电子集团股份有限公司Power management chip and switching power supply management system

Patent Citations (4)

* Cited by examiner, † Cited by third party
Publication numberPriority datePublication dateAssigneeTitle
US20160164428A1 (en)*2014-12-032016-06-09Alpha And Omega Semiconductor (Cayman) Ltd.Methods and devices for detecting the input voltage and discharging the residuevoltage
CN111277130A (en)*2020-03-202020-06-12苏州力生美半导体有限公司High-voltage starting circuit and method integrating zero-crossing detection and X capacitor discharge
CN112290800A (en)*2020-10-202021-01-29华源智信半导体(深圳)有限公司X capacitor discharge control circuit and method and switching power supply
CN214900648U (en)*2021-05-082021-11-26富满微电子集团股份有限公司Power management chip and switching power supply management system

Cited By (7)

* Cited by examiner, † Cited by third party
Publication numberPriority datePublication dateAssigneeTitle
CN114050710A (en)*2021-10-082022-02-15广州市慧芯电子科技有限公司Switching power supply circuit
CN114050710B (en)*2021-10-082023-08-04广州市慧芯电子科技有限公司Switching power supply circuit
CN114301034A (en)*2021-12-282022-04-08苏州锴威特半导体股份有限公司Gallium nitride power tube driving circuit with overcurrent protection function
CN114301034B (en)*2021-12-282024-06-04苏州锴威特半导体股份有限公司Gallium nitride power tube driving circuit with overcurrent protection function
CN115085520A (en)*2022-05-172022-09-20上海南芯半导体科技股份有限公司Capacitor discharge circuit for power supply system
CN115940615A (en)*2023-03-102023-04-07钰泰半导体股份有限公司Control chip of switching power supply
CN120582470A (en)*2025-08-052025-09-02成都麦蒂威科技有限公司Intelligent self-bias power supply switching power supply system

Also Published As

Publication numberPublication date
CN113271001B (en)2024-07-05

Similar Documents

PublicationPublication DateTitle
CN214900648U (en)Power management chip and switching power supply management system
CN113271001A (en)Power management chip, switching power management system and method
US10411584B2 (en)Start-up circuit to discharge EMI filter for power saving of power supplies
US8035940B2 (en)Over-voltage protection circuit structure and method thereof
US8472216B2 (en)Circuit arrangement and control circuit for a power-supply unit, computer power-supply unit and method for switching a power-supply unit
US20230148678A1 (en)Electrical System for an Aerosol Generating Device
US20140036561A1 (en)Converter and semiconductor device
EP3836345A1 (en)High-voltage driver switch system and switching method
EP3264549A1 (en)Load drive circuit and load short-circuit detection circuit
CN110228395B (en)Dual power supply circuit system
EP3168961B1 (en)Uninterruptible power source device
CN113541454B (en)Switching power supply control circuit, and control method and device of switching power supply
US8625317B2 (en)Isolated switch-mode power supply device
JP6168342B2 (en) Circuit breaker overvoltage / undervoltage trip device
JP2009011081A (en) Power system
JP2001157452A (en) Worldwide power supply
JP6566261B2 (en) Earth leakage breaker
CN109428386A (en)Standby power system
CN112003363A (en)Embedded power system management circuit
CN112103922A (en)Power supply protection device, method and driver
CN113206536B (en)Charging circuit capable of realizing short-circuit protection and automatic restart
CN114039399B (en)Battery management system of low-power consumption
CN212695763U (en)Dual-power-supply rapid switching time-delay turn-off circuit
CN109217655B (en)Power supply capable of prolonging maintenance time after power failure
CN117410933B (en)Overvoltage protection circuit and energy storage power supply

Legal Events

DateCodeTitleDescription
PB01Publication
PB01Publication
SE01Entry into force of request for substantive examination
SE01Entry into force of request for substantive examination
GR01Patent grant
GR01Patent grant

[8]ページ先頭

©2009-2025 Movatter.jp