Movatterモバイル変換


[0]ホーム

URL:


CN113131752B - High-efficient emergency power source power conversion unit - Google Patents

High-efficient emergency power source power conversion unit
Download PDF

Info

Publication number
CN113131752B
CN113131752BCN202110413172.1ACN202110413172ACN113131752BCN 113131752 BCN113131752 BCN 113131752BCN 202110413172 ACN202110413172 ACN 202110413172ACN 113131752 BCN113131752 BCN 113131752B
Authority
CN
China
Prior art keywords
resistor
triode
unit
transformer
capacitor
Prior art date
Legal status (The legal status is an assumption and is not a legal conclusion. Google has not performed a legal analysis and makes no representation as to the accuracy of the status listed.)
Active
Application number
CN202110413172.1A
Other languages
Chinese (zh)
Other versions
CN113131752A (en
Inventor
卢晓伟
袁彦涛
Current Assignee (The listed assignees may be inaccurate. Google has not performed a legal analysis and makes no representation or warranty as to the accuracy of the list.)
Shenzhen Yinglang Photoelectric Co ltd
Original Assignee
Shenzhen Yinglang Photoelectric Co ltd
Priority date (The priority date is an assumption and is not a legal conclusion. Google has not performed a legal analysis and makes no representation as to the accuracy of the date listed.)
Filing date
Publication date
Application filed by Shenzhen Yinglang Photoelectric Co ltdfiledCriticalShenzhen Yinglang Photoelectric Co ltd
Priority to CN202110413172.1ApriorityCriticalpatent/CN113131752B/en
Publication of CN113131752ApublicationCriticalpatent/CN113131752A/en
Application grantedgrantedCritical
Publication of CN113131752BpublicationCriticalpatent/CN113131752B/en
Activelegal-statusCriticalCurrent
Anticipated expirationlegal-statusCritical

Links

Images

Classifications

Landscapes

Abstract

The invention discloses a high-efficiency emergency power supply power conversion unit which comprises an electric storage battery unit, a power conversion unit, a voltage-multiplying resonant network unit, a transformer self-driven synchronous rectification filter unit, a commercial power and emergency switching output unit, a load lamp and a system signal detection control and pulse width frequency driving unit, wherein the output end of the electric storage battery unit is connected with the input end of the power conversion unit, and the output end of the power conversion unit is connected with the input end of the voltage-multiplying resonant network unit. The high-efficiency emergency power supply power conversion unit has the advantages of high integration level, good performance and high conversion efficiency; in addition, synchronous rectification is realized by utilizing the voltage-multiplying resonant network and a high-frequency voltage transformation self-driving signal, so that the system efficiency is greatly improved, the product is safer and more reliable, and the device is widely applied to occasions such as markets, hotels, hospitals, entertainment places, industrial and mining, petrochemical industry, commercial office and civil buildings and emergency lamps with higher requirements or more special requirements, and the application range is widened.

Description

High-efficient emergency power source power conversion unit
Technical Field
The invention relates to the field of power supply conversion, in particular to a high-efficiency emergency power supply power conversion unit.
Background
The emergency power supply power conversion device is widely applied to the places such as buildings of industrial and mining, petrifaction, machine rooms, storehouses, malls and the like, and is used for emergency lighting after the mains supply is powered off. The existing emergency power supply power conversion unit generally converts a storage battery power supply by a power conversion unit, then carries out rectification and filtering, outputs the filtered voltage to a load lamp for use by an output conversion unit, and controls the output switching and driving control of commercial power illumination and emergency illumination by a signal detection control unit for detecting the voltage; the power conversion generally comprises two triodes and a transformer to form a high-frequency conversion circuit; the rectification filter part is generally rectified into direct current output by a bridge rectification capacitor, and the conventional emergency power supply power conversion unit often has the following problems in the use process: 1. the conventional emergency power supply power conversion unit has low integration level, low performance and low conversion efficiency, and does not meet the use requirement; 2. the existing emergency power supply power conversion unit is generally rectified into direct current output by a bridge rectifier and a capacitor. The common rectifier bridge has larger voltage drop, so that the problems of large heat productivity and heat dissipation exist during low-voltage large-current output, the product volume is enlarged, the reliability is reduced, and safety accidents and irreparable loss are easily caused; 3. the power conversion unit of the existing emergency power supply has a narrow application range and is not suitable for emergency lamps with higher requirements or special requirements.
Disclosure of Invention
The invention mainly aims to provide a high-efficiency emergency power supply power conversion unit which can effectively solve the problems in the background technology.
In order to realize the purpose, the invention adopts the technical scheme that:
the utility model provides a high-efficient emergency power supply power conversion unit, includes electric power storage battery cell, power conversion unit, voltage-multiplying resonance network unit, transformer self-driven synchronous rectification filter unit, commercial power and emergent switching output unit, load lamps and lanterns and system signal detection control and pulse width frequency drive unit, electric power storage battery cell output is connected with the power conversion unit input, power conversion unit output and voltage-multiplying resonance network unit input are connected, voltage-multiplying resonance network unit output and transformer self-driven synchronous rectification filter unit input are connected, transformer self-driven synchronous rectification filter unit output corresponds with commercial power and emergent switching output unit input and system signal detection control and pulse width frequency drive unit input respectively and is connected, commercial power and emergent switching output unit output are connected with load lamps and lanterns input, system signal detection control and pulse width frequency drive unit output correspond with power conversion unit input and commercial power and emergent switching output unit input respectively and are connected.
Preferably, the power conversion unit includes a conversion unit body and a high-frequency power conversion transformer, the conversion unit body includes a resistor R3, a resistor R5, a resistor R8, a resistor R10, a transistor Q2 and a transistor Q4, the resistor R3 is connected with the resistor R5 in series, and the resistor R8 is connected with the resistor R10 in series, the gate of the transistor Q2 is connected with the connection point of the resistor R3 and the resistor R5, and the gate of the transistor Q4 is connected with the connection point of the resistor R8 and the resistor R10, the drain of the transistor Q2 is connected with the PC1 end, and the drain of the transistor Q4 is connected with the PC2 end, the source of the transistor Q2 is grounded, and the source of the transistor Q4 is grounded, a resistor R4 and a capacitor C4 are connected between the drain of the transistor Q2 and the source of the transistor Q2 in parallel, and a resistor R9 and a capacitor C6 are connected between the drain of the transistor Q4 and the source of the transistor Q6 in series, and a resistor R6 and a resistor Q4 are connected between the drain of the transistor Q4 and the drain of the transistor Q4 in series, and a resistor Q4 are connected between the drain of the transistor Q4 in series.
Preferably, the high-frequency power conversion transformer includes a transformer T1A, a transformer T1B and a transformer T1C, one end of the transformer T1A is connected to the PC2 terminal, and the other end of the transformer T1A is connected to the PC1 terminal, a capacitor C5 is connected in series to the transformer T1A, a cathode of the capacitor C5 is grounded, one end of the transformer T1B is a PO1 terminal, the other end of the transformer T1B is a VS2 terminal, one end of the transformer T1C is a VS3 terminal, and the other end of the transformer T1B is a GD2 terminal.
Preferably, the voltage-multiplying resonant network unit includes a coil L1, one end of the coil L1 is respectively connected in series with a capacitor C1 and a capacitor C3, and the capacitor C1 and the capacitor C3 are connected in series.
Preferably, the other end of the coil L1 is connected to the PO1 terminal, one terminal of the capacitor C1 is an OUT + terminal, and one terminal of the capacitor C3 is an OC-terminal.
Preferably, the transformer self-driven synchronous rectification filter unit includes triode Q1 and triode Q3, triode Q1 grid is connected with resistance R1 and resistance R2 respectively, and triode Q3 grid is connected with resistance R7 and resistance R6 respectively, establish ties between resistance R2 and the resistance R6, and establish ties between resistance R1 and the resistance R7, triode Q1 drain electrode is connected with OUT + end, triode Q1 source electrode and triode Q3 source electrode are connected, and it has electric capacity C2 to connect between triode Q3 drain electrode and the OUT + end.
Preferably, the resistor R7 is connected to the GD2 end, a connection point of the resistor R2 and the resistor R6 is connected to the VS2 end and the VS3 end, respectively, and a source of the transistor Q1 and a source of the transistor Q3 are connected to the VS2 end and the VS3 end, respectively.
Preferably, the system signal detection control and pulse width frequency driving unit includes a resistor R12, a resistor R14, a resistor R13, a resistor R11, and a capacitor C7, the resistor R12 and the resistor R14 are connected in series, the resistor R13, the resistor R11, and the capacitor C7 are connected in series, and the resistor R14 and the capacitor C7 are all grounded.
Compared with the prior art, the invention has the following beneficial effects:
1. in the invention, the emergency power supply power conversion unit is composed of the storage battery unit, the power conversion unit, the voltage-multiplying resonant network unit, the transformer self-driven synchronous rectification filtering unit, the commercial power and emergency switching unit and the system signal detection control and pulse width frequency driving unit, and has high integration level, good performance and high conversion efficiency.
2. According to the invention, synchronous rectification is realized by utilizing the voltage-multiplying resonant network and the high-frequency voltage transformation self-driving signal, so that the system efficiency is greatly improved, the product is safer and more reliable, the problems of large heat productivity and heat dissipation in low-voltage large-current output are avoided, the product volume is reduced, and safety accidents and irreparable loss are avoided.
3. According to the high-efficiency emergency power supply power conversion device, all indexes meet the use requirements, and the high-efficiency emergency power supply power conversion device is widely applied to occasions such as markets, hotels, hospitals, entertainment places, industrial and mining, petrifaction, commercial offices, civil buildings and the like and emergency lamps with higher requirements or special requirements, so that the application range is widened.
Drawings
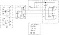
FIG. 1 is a schematic diagram of a power conversion unit of an efficient emergency power supply according to the present invention;
fig. 2 is a circuit diagram of a power conversion unit of an efficient emergency power supply according to the present invention;
fig. 3 is a schematic structural diagram of a conversion unit body of the high-efficiency emergency power conversion unit according to the present invention;
fig. 4 is a schematic structural diagram of a high-frequency power conversion transformer of a power conversion unit of an efficient emergency power supply according to the present invention;
fig. 5 is a schematic structural diagram of a voltage-multiplying resonant network unit of a power conversion unit of an efficient emergency power supply according to the present invention;
fig. 6 is a schematic structural diagram of a transformer self-driven synchronous rectification filtering unit of the power conversion unit of the high-efficiency emergency power supply of the invention;
fig. 7 is a schematic structural diagram of a system signal detection control and pulse width frequency driving unit of a power conversion unit of an efficient emergency power supply according to the present invention.
Detailed Description
In order to make the technical means, the creation characteristics, the achievement purposes and the effects of the invention easy to understand, the invention is further described with the specific embodiments.
In the description of the present invention, it should be noted that the terms "upper", "lower", "inner", "outer", "front", "rear", "both ends", "one end", "the other end", and the like indicate orientations or positional relationships based on those shown in the drawings, and are only for convenience of description and simplicity of description, but do not indicate or imply that the referred device or element must have a specific orientation, be constructed in a specific orientation, and be operated, and thus, should not be construed as limiting the present invention. Furthermore, the terms "first" and "second" are used for descriptive purposes only and are not to be construed as indicating or implying relative importance.
In the description of the present invention, it should be noted that, unless explicitly stated or limited otherwise, the terms "mounted," "disposed," "connected," and the like are to be construed broadly, such as "connected," which may be fixedly connected, detachably connected, or integrally connected; can be mechanically or electrically connected; they may be connected directly or indirectly through intervening media, or they may be interconnected between two elements. The specific meanings of the above terms in the present invention can be understood in specific cases to those skilled in the art.
As shown in fig. 1-7, a high-efficiency emergency power supply power conversion unit includes an electric storage battery unit, a power conversion unit, a voltage-doubling resonant network unit, a transformer self-driven synchronous rectification filter unit, a commercial power and emergency switching output unit, a load lamp, and a system signal detection control and pulse width frequency driving unit, wherein an output end of the electric storage battery unit is connected with an input end of the power conversion unit, an output end of the power conversion unit is connected with an input end of the voltage-doubling resonant network unit, an output end of the voltage-doubling resonant network unit is connected with an input end of the transformer self-driven synchronous rectification filter unit, an output end of the transformer self-driven synchronous rectification filter unit is respectively connected with an input end of the commercial power and emergency switching output unit and an input end of the system signal detection control and pulse width frequency driving unit, the commercial power and emergency switching output unit is connected with an input end of the load lamp, and an output end of the system signal detection control and pulse width frequency driving unit is respectively connected with an input end of the power conversion unit and an input end of the commercial power and emergency switching output unit.
The power conversion unit comprises a conversion unit body and a high-frequency power conversion transformer, the conversion unit body comprises a resistor R3, a resistor R5, a resistor R8, a resistor R10, a triode Q2 and a triode Q4, the resistor R3 is connected with the resistor R5 in series, the resistor R8 is connected with the resistor R10 in series, the grid electrode of the triode Q2 is connected with the connection point of the resistor R3 and the resistor R5, the grid electrode of the triode Q4 is connected with the connection point of the resistor R8 and the resistor R10, the drain electrode of the triode Q2 is connected with the PC1 end, the drain electrode of the triode Q4 is connected with the PC2 end, the source electrode of the triode Q2 is grounded, the source electrode of the triode Q4 is grounded, a resistor R4 and a capacitor C4 are connected between the drain electrode of the triode Q2 in parallel, the resistor R4 is connected with the capacitor C4 in series, the resistor R5 is connected between the grid electrode of the triode Q2 and the source electrode of the triode Q2 in parallel, a resistor R9 and a capacitor C6 are connected between the drain electrode of the triode Q4 in series, the resistor R10 is connected with the source electrode of the battery Q4 in parallel, and the power storage unit for power conversion unit, and the battery Q4 is used for converting the power storage of the battery; the high-frequency power conversion transformer comprises a transformer T1A, a transformer T1B and a transformer T1C, one end of the transformer T1A is connected with a PC2 end, the other end of the transformer T1A is connected with a PC1 end, a capacitor C5 is connected to the transformer T1A in series, the negative electrode of the capacitor C5 is grounded, one end of the transformer T1B is a PO1 end, the other end of the transformer T1B is a VS2 end, one end of the transformer T1C is a VS3 end, and the other end of the transformer T1B is a GD2 end; the voltage-multiplying resonant network unit comprises a coil L1, one end of the coil L1 is respectively connected with a capacitor C1 and a capacitor C3 in series, the capacitor C1 and the capacitor C3 are connected in series, and the voltage-multiplying resonant network unit can realize rectification operation; in order to install and connect the voltage-multiplying resonant network unit, the other end of the coil L1 is connected with a PO1 end, one end of the capacitor C1 is an OUT + end, and one end of the capacitor C3 is an OC-end; the transformer self-driven synchronous rectification filter unit comprises a triode Q1 and a triode Q3, the grid of the triode Q1 is connected with a resistor R1 and a resistor R2 respectively, the grid of the triode Q3 is connected with a resistor R7 and a resistor R6 respectively, the resistor R2 and the resistor R6 are connected in series, the resistor R1 and the resistor R7 are connected in series, the drain electrode of the triode Q1 is connected with an OUT + end, the source electrode of the triode Q1 is connected with the source electrode of the triode Q3, a capacitor C2 is connected between the drain electrode of the triode Q3 and the OUT + end in parallel, and the voltage-multiplying resonance network unit and the transformer self-driven synchronous rectification filter unit can realize synchronous rectification, so that the system efficiency is greatly improved, and the product is safer and more reliable; in order to install and connect the transformer self-driven synchronous rectification filter unit, the resistor R7 is connected with the GD2 end, the connection point of the resistor R2 and the resistor R6 is respectively connected with the VS2 end and the VS3 end, and the source electrode of the triode Q1 and the source electrode of the triode Q3 are respectively connected with the VS2 end and the VS3 end; the system signal detection control and pulse width frequency driving unit comprises a resistor R12, a resistor R14, a resistor R13, a resistor R11 and a capacitor C7, the resistor R12 and the resistor R14 are connected in series, the resistor R13, the resistor R11 and the capacitor C7 are connected in series, the resistor R14 and the capacitor C7 are both grounded, and the signal detection control unit is used for detecting the voltage to control output switching and driving control of commercial power illumination and emergency illumination.
The emergency power conversion unit mainly comprises a storage battery unit, a power conversion unit, a voltage-multiplying resonant network unit, a transformer self-driven synchronous rectification filter unit, a commercial power and emergency switching unit, a system signal detection control and pulse width frequency driving unit. The integration level is high, the performance is good, and the conversion efficiency is high. The conversion efficiency of the existing emergency lighting power supply is greatly improved, the problems of high energy consumption and large heat productivity are solved, and the reliability of the product is improved. The lamp is widely applied to occasions such as markets, hotels, hospitals, entertainment places, industrial and mining, petrochemical industry, commercial office, civil buildings and the like and emergency lamps with higher or more special requirements; synchronous rectification is realized by utilizing the voltage-multiplying resonant network and the high-frequency voltage transformation self-driving signal, so that the system efficiency is greatly improved, and the product is safer and more reliable. For example, an explosion-proof emergency lighting system of a certain chemical plant room can only adopt a high-efficiency conversion device with low heating value due to illumination, volume and safety consideration. The common conversion device causes the temperature of the product to rise, has short service life and is easy to damage. The product needs to be replaced frequently due to safety considerations, resulting in a waste of energy and resources. The high-efficiency emergency power supply power conversion device provided by the invention has the advantages that various indexes meet the use requirements, the occurrence of faults is reduced in the use process, and the waste of energy is reduced.
The foregoing shows and describes the general principles and features of the present invention, together with the advantages thereof. It will be understood by those skilled in the art that the present invention is not limited to the embodiments described above, which are described in the specification and illustrated only to illustrate the principle of the present invention, but that various changes and modifications may be made therein without departing from the spirit and scope of the present invention, which fall within the scope of the invention as claimed. The scope of the invention is defined by the appended claims and equivalents thereof.

Claims (1)

1. The utility model provides a high-efficient emergency power supply power conversion unit, includes electric power storage battery cell, power conversion unit, voltage-multiplying resonance network unit, transformer self-driven synchronous rectification filter unit, commercial power and emergent switching output unit, load lamps and lanterns and system signal detection control and pulse width frequency drive unit, its characterized in that: the output end of the power storage battery unit is connected with the input end of the power conversion unit, the output end of the power conversion unit is connected with the input end of the voltage-multiplying resonant network unit, the output end of the voltage-multiplying resonant network unit is connected with the input end of the transformer self-driven synchronous rectification filter unit, the output end of the transformer self-driven synchronous rectification filter unit is correspondingly connected with the input end of the commercial power and emergency switching output unit and the input end of the system signal detection control and pulse width frequency drive unit respectively, the output end of the commercial power and emergency switching output unit is connected with the input end of the load lamp, and the output end of the system signal detection control and pulse width frequency drive unit is correspondingly connected with the input end of the power conversion unit and the input end of the commercial power and emergency switching output unit respectively;
the power conversion unit comprises a conversion unit body and a high-frequency power conversion transformer, the conversion unit body comprises a resistor R3, a resistor R5, a resistor R8, a resistor R10, a triode Q2 and a triode Q4, the resistor R3 is connected with the resistor R5 in series, the resistor R8 is connected with the resistor R10 in series, the grid electrode of the triode Q2 is connected with the connection point of the resistor R3 and the resistor R5, the grid electrode of the triode Q4 is connected with the connection point of the resistor R8 and the resistor R10, the drain electrode of the triode Q2 is connected with the PC1 end, the drain electrode of the triode Q4 is connected with the PC2 end, the source electrode of the triode Q2 is grounded, the source electrode of the triode Q4 is grounded, the resistor R4 and the capacitor C4 are connected between the drain electrode of the triode Q2 in parallel, the resistor R5 is connected between the grid electrode of the triode Q2 in parallel, the resistor R9 and the capacitor C6 are connected between the drain electrode of the triode Q4 in parallel, and the resistor R6 and the resistor Q4 are connected between the source electrode of the triode Q4 in series;
CN202110413172.1A2021-04-162021-04-16High-efficient emergency power source power conversion unitActiveCN113131752B (en)

Priority Applications (1)

Application NumberPriority DateFiling DateTitle
CN202110413172.1ACN113131752B (en)2021-04-162021-04-16High-efficient emergency power source power conversion unit

Applications Claiming Priority (1)

Application NumberPriority DateFiling DateTitle
CN202110413172.1ACN113131752B (en)2021-04-162021-04-16High-efficient emergency power source power conversion unit

Publications (2)

Publication NumberPublication Date
CN113131752A CN113131752A (en)2021-07-16
CN113131752Btrue CN113131752B (en)2022-10-25

Family

ID=76776959

Family Applications (1)

Application NumberTitlePriority DateFiling Date
CN202110413172.1AActiveCN113131752B (en)2021-04-162021-04-16High-efficient emergency power source power conversion unit

Country Status (1)

CountryLink
CN (1)CN113131752B (en)

Citations (1)

* Cited by examiner, † Cited by third party
Publication numberPriority datePublication dateAssigneeTitle
CN209767210U (en)*2019-06-122019-12-10淄博矽微电子科技有限公司Vehicle-mounted charger of high-power pure electric refrigerator car

Family Cites Families (6)

* Cited by examiner, † Cited by third party
Publication numberPriority datePublication dateAssigneeTitle
JP2005151796A (en)*2003-09-302005-06-09Sony CorpSwitching power supply circuit
CN101488718B (en)*2009-03-052011-11-23英飞特电子(杭州)有限公司Voltage multiplying synchronous rectifying multi-resonance soft switching converter
CN101924483B (en)*2010-07-272013-06-05浙江大学Voltage-multiplied synchronizing rectifier circuit with energy recovery
CN102158096B (en)*2011-05-112013-11-20南京博兰得电子科技有限公司Non-isolated resonant converter
CN105141138B (en)*2015-10-212018-05-08南京航空航天大学A kind of voltage-multiplying type Sofe Switch type recommends DC converter
CN106253645B (en)*2016-08-312019-02-05深圳市英朗光电有限公司Emergency Lighting Supply power inverter

Patent Citations (1)

* Cited by examiner, † Cited by third party
Publication numberPriority datePublication dateAssigneeTitle
CN209767210U (en)*2019-06-122019-12-10淄博矽微电子科技有限公司Vehicle-mounted charger of high-power pure electric refrigerator car

Also Published As

Publication numberPublication date
CN113131752A (en)2021-07-16

Similar Documents

PublicationPublication DateTitle
CN202712965U (en)Intelligentization energy-saving system capable of automatic switches between AC (alternating current) power supply and battery
CN103000964A (en)Controller of battery management system
CN101562929A (en)Isolated driving power for high-power light emitting diode
CN106787781B (en)A kind of microwave applications system of long-range monitoring LCC resonant cavity enhanced photodetector
CN201830521U (en)Offline type high-power LED (light-emitting diode) constant-current drive power supply
CN201639481U (en) A multi-output isolated power supply
CN102404904A (en)Control device of solar street lamp
CN207218539U (en) A double-transistor forward constant current power supply
CN210609810U (en)LED emergency power supply circuit
CN103237395B (en)High-frequency electronic direct-current ballast circuit and fluorescent lamp
CN205791736U (en)A kind of novel electric vehicle DC charging power supply
CN104935056A (en)Sine-wave inverted portable mobile power supply
CN113131752B (en)High-efficient emergency power source power conversion unit
CN205017081U (en)Soft switch charging device of LCC with power factor calibration function
CN103259412A (en)Direct current boost power source for direct current boost inverter compressor
CN206099744U (en)Emergency lighting is power inverter for power
CN103220837B (en)A kind of LED continuous illumination device
CN216489809U (en)Outdoor energy storage power charger
CN200987076Y (en)Charging emergent sun lamp circuit
CN201830512U (en)Control device of solar street lamp
CN108347175A (en)A kind of constant voltage outputting circuit of inverter
CN202153656U (en)Switch power supply charger
CN101640966A (en)Power supply circuit of fluorescent lamp
CN205566713U (en)LED driving circuit
CN101478233B (en)High energy auto-excitation dual driver semi-bridge switch power supply

Legal Events

DateCodeTitleDescription
PB01Publication
PB01Publication
SE01Entry into force of request for substantive examination
SE01Entry into force of request for substantive examination
GR01Patent grant
GR01Patent grant

[8]ページ先頭

©2009-2025 Movatter.jp