Movatterモバイル変換


[0]ホーム

URL:


CN112863429B - Light emitting diode driving circuit and display panel - Google Patents

Light emitting diode driving circuit and display panel
Download PDF

Info

Publication number
CN112863429B
CN112863429BCN202110115043.4ACN202110115043ACN112863429BCN 112863429 BCN112863429 BCN 112863429BCN 202110115043 ACN202110115043 ACN 202110115043ACN 112863429 BCN112863429 BCN 112863429B
Authority
CN
China
Prior art keywords
transistor
light
data signal
signal
potential
Prior art date
Legal status (The legal status is an assumption and is not a legal conclusion. Google has not performed a legal analysis and makes no representation as to the accuracy of the status listed.)
Active
Application number
CN202110115043.4A
Other languages
Chinese (zh)
Other versions
CN112863429A (en
Inventor
付建国
王振岭
Current Assignee (The listed assignees may be inaccurate. Google has not performed a legal analysis and makes no representation or warranty as to the accuracy of the list.)
Shenzhen China Star Optoelectronics Semiconductor Display Technology Co Ltd
Original Assignee
Shenzhen China Star Optoelectronics Semiconductor Display Technology Co Ltd
Priority date (The priority date is an assumption and is not a legal conclusion. Google has not performed a legal analysis and makes no representation as to the accuracy of the date listed.)
Filing date
Publication date
Application filed by Shenzhen China Star Optoelectronics Semiconductor Display Technology Co LtdfiledCriticalShenzhen China Star Optoelectronics Semiconductor Display Technology Co Ltd
Priority to CN202110115043.4ApriorityCriticalpatent/CN112863429B/en
Publication of CN112863429ApublicationCriticalpatent/CN112863429A/en
Application grantedgrantedCritical
Publication of CN112863429BpublicationCriticalpatent/CN112863429B/en
Activelegal-statusCriticalCurrent
Anticipated expirationlegal-statusCritical

Links

Images

Classifications

Landscapes

Abstract

The light emitting diode driving circuit comprises a light emitting diode, a driving transistor, a double-gate transistor, a first data signal writing module and a second data signal writing module. In the light emitting diode driving circuit, the threshold voltage of the double-gate transistor is regulated and controlled through a regulating and controlling signal and is compared with the potential of a second data signal, so that the light emitting time of the light emitting diode is controlled; compared with the conventional pulse width modulation driving technology, the color cast is solved, and meanwhile, the circuit has longer charging time and flexible data bandwidth; compared with a driving circuit which adopts a voltage comparator as a switch to control the LED light-emitting time, the double-grid transistor can also reduce the number of transistors, thereby simplifying the circuit structure.

Description

Light emitting diode driving circuit and display panel
Technical Field
The application relates to the field of display, in particular to a light emitting diode driving circuit and a display panel.
Background
Light Emitting Diode (LED) displays have been rapidly applied to the field of new displays due to their advantages of high brightness and low power consumption. The low power consumption of the LED is characterized by high luminous efficiency and dimmability. Under different currents, the light emission spectrum of the LED shifts, thereby causing the color shift problem. Although the conventional pulse width modulation driving technology can solve the problem of color cast, the conventional pulse width modulation driving technology adopts the concept of a sub-field, so that the charging time is short, the requirement on data transmission bandwidth is high, the high resolution cannot be supported, and the applicable range of the pulse width modulation driving technology is limited.
Disclosure of Invention
The application provides a light emitting diode drive circuit and display panel, can also make light emitting diode drive circuit have longer charge time and nimble data bandwidth when solving colour cast.
In a first aspect, the present application provides a light emitting diode driving circuit, including:
the light emitting diode is connected in series with a light emitting loop formed by the first power supply signal and the second power supply signal;
a source and a drain of the driving transistor are connected in series to the light emitting loop, a gate of the driving transistor is electrically connected to a first node, and the driving transistor is used for controlling current flowing through the light emitting loop;
a source of the double-gate transistor is electrically connected to the first node, a drain of the double-gate transistor is connected to the second power signal, a first gate of the double-gate transistor is electrically connected to the second node, a second gate of the double-gate transistor is connected to a regulation signal, and the double-gate transistor is used for adjusting a threshold voltage of the double-gate transistor based on the regulation signal, so as to control a light emitting time of the light emitting diode;
the first data signal writing module is accessed to a first data signal and a first scanning signal and is electrically connected with the first node, and the first data signal writing module is used for outputting the first data signal to the first node under the control of the first scanning signal;
and the second data signal writing module is accessed to a second data signal and a second scanning signal and is electrically connected with the second node, and the second data signal writing module is used for outputting the second data signal to the second node under the control of the second scanning signal.
In the light emitting diode driving circuit provided by the present application, the first data signal writing module includes a first data signal writing transistor and a first capacitor;
the source electrode of the first data signal writing transistor is connected with the first data signal, the drain electrode of the first data signal writing transistor is electrically connected with the first node, and the grid electrode of the first data signal writing transistor is connected with the first scanning signal;
the first end of the first capacitor is electrically connected to the first node, and the second end of the first capacitor is connected to the potential of the second power signal.
In the light emitting diode driving circuit provided by the present application, the second data signal writing module includes a second data signal writing transistor and a second capacitor;
the source of the second data signal writing transistor is connected to the second data signal, the drain of the second data signal writing transistor is electrically connected to the second node, and the gate of the second data signal writing transistor is connected to the second scanning signal;
the first end of the second capacitor is electrically connected to the second node, and the second end of the second capacitor is connected to the second power signal.
In the light emitting diode driving circuit provided by the application, the light emitting diode driving circuit further comprises a light emitting control module, the light emitting control module is connected to a light emitting control signal and connected in series to the light emitting loop, and the light emitting control module is used for controlling the light emitting loop to be switched on or switched off based on the light emitting control signal.
In the light emitting diode driving circuit provided by the present application, the light emitting control module includes a light emitting control transistor;
the source electrode of the light-emitting control transistor is connected to the first power supply signal, the drain electrode of the light-emitting control transistor is electrically connected with the anode of the light-emitting diode, and the grid electrode of the light-emitting control transistor is connected to the light-emitting control signal.
In the led driving circuit provided by the present application, the driving control period of the led includes a first stage, a second stage, a third stage and a fourth stage;
in the first stage, the driving transistor and the double-gate transistor are both turned off;
in the second stage, the light-emitting control module controls the light-emitting loop to be cut off, and the light-emitting diode is turned off; the first data signal writing module outputs the first data signal to the first node, so that the driving transistor is conducted; the second data writing module outputs a second data signal to the second node; the potential of the regulating signal is a first preset potential so as to cut off the double-grid transistor;
in the third stage, the light-emitting control module controls the light-emitting loop to be conducted, and the light-emitting diode emits light; the potential of the regulation signal is gradually raised from the first preset potential to a second preset potential, so that the threshold voltage of the double-gate transistor is gradually reduced; and in the third phase, the potential of the second node is kept smaller than the threshold voltage, so that the double-grid transistor is kept turned off, and the light-emitting diode keeps emitting light;
in the fourth stage, the potential of the regulation signal is continuously raised from the second preset potential, so that the threshold voltage of the double-gate transistor is continuously reduced; and in the fourth stage, the potential of the second node is greater than the threshold voltage, so that the double-gate transistor is conducted, the potential of the first node is further pulled down, the driving transistor is cut off, and the light emitting diode is turned off.
In the light emitting diode driving circuit provided by the application, the first preset potential is a negative potential corresponding to the negative voltage.
In the led driving circuit provided by the present application, the potential of the first power signal is greater than the potential of the second power signal.
In the led driving circuit provided by the present application, the potential of the second power signal is the potential of a ground terminal.
In a second aspect, the present application further provides a display panel, which includes any of the light emitting diode driving circuits described above.
The application provides a light-emitting diode driving circuit and a display panel, wherein in the light-emitting diode driving circuit, the threshold voltage of a double-gate transistor is regulated and controlled through a regulating and controlling signal and is compared with the potential of a second data signal, so that the light-emitting time of a light-emitting diode is controlled; compared with the conventional pulse width modulation driving technology, the method solves the problem of color cast, and simultaneously enables the circuit to have longer charging time and flexible data bandwidth; compared with a driving circuit which adopts a voltage comparator as a switch to control the LED light-emitting time, the double-grid transistor can also reduce the number of transistors, thereby simplifying the circuit structure.
Drawings
In order to more clearly illustrate the technical solutions in the embodiments of the present application, the drawings needed to be used in the description of the embodiments are briefly introduced below, and it is obvious that the drawings in the following description are only some embodiments of the present application, and it is obvious for those skilled in the art to obtain other drawings based on these drawings without creative efforts.
Fig. 1 is a schematic structural diagram of a light emitting diode driving circuit according to an embodiment of the present disclosure;
fig. 2 is a circuit schematic diagram of a light emitting diode driving circuit according to an embodiment of the present disclosure;
fig. 3 is a timing diagram of an led driving circuit according to an embodiment of the present disclosure;
fig. 4 is a schematic path diagram of a first stage of the led driving circuit according to the embodiment of the present disclosure under the driving timing sequence shown in fig. 3;
fig. 5 is a schematic path diagram of a second stage of the led driving circuit according to the embodiment of the present application under the driving timing sequence shown in fig. 3;
fig. 6 is a schematic path diagram of a third stage of the led driving circuit according to the driving sequence shown in fig. 3;
fig. 7 is a schematic path diagram of a fourth stage of the led driving circuit according to the embodiment of the present disclosure under the driving timing sequence shown in fig. 3;
fig. 8 is a schematic structural diagram of a display panel according to an embodiment of the present application.
Detailed Description
The technical solutions in the embodiments of the present application will be clearly and completely described below with reference to the drawings in the embodiments of the present application. It is to be understood that the described embodiments are merely a few embodiments of the present application and not all embodiments. All other embodiments, which can be derived by a person skilled in the art from the embodiments given herein without making any creative effort, shall fall within the protection scope of the present application.
In the transistor of the present invention, the source and the drain are symmetric, and therefore the source and the drain are interchangeable. In the embodiment of the present application, to distinguish two poles of a transistor except for a gate, one of the two poles is referred to as a source, and the other pole is referred to as a drain. The form of the figure provides that the middle end of the transistor is a grid, the signal input end is a source, and the output end is a drain.
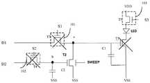
Referring to fig. 1, fig. 1 is a schematic structural diagram of a light emitting diode driving circuit according to an embodiment of the present disclosure. As shown in fig. 1, an embodiment of the present application provides a light emitting diode driving circuit, which includes a light emitting diode LED, a driving transistor T1, a dual-gate transistor T2, a first datasignal writing module 101, a second datasignal writing module 102, and a lightemission control module 103.
The light emitting diode LED is connected in series with a light emitting loop formed by a first power supply signal VDD and a second power supply signal VSS. The source and the drain of the driving transistor T1 are connected in series to the light emitting circuit, and the gate of the driving transistor T1 is electrically connected to the first node a. The source of the dual-gate transistor T2 is electrically connected to the first node a, the drain of the dual-gate transistor T2 is connected to the second power signal VSS, the first gate of the dual-gate transistor T2 is electrically connected to the second node b, and the second gate of the dual-gate transistor T2 is connected to the control signal sweet. The first datasignal writing module 101 receives the first data signal D1 and the first scan signal S1, and is electrically connected to the first node a. The second datasignal writing module 102 receives the second data signal D2 and the second scan signal S2 and is electrically connected to the second node b. The lightemission control module 103 receives the light emission control signal S3 and is connected in series to the light emission circuit.
It should be noted that, in the embodiment of the present application, it is only required to ensure that the lightemission control module 103 and the light emitting diode LED are connected in series to the light emitting loop, and the light emitting diode driving circuit shown in fig. 1 only illustrates a specific position of the lightemission control module 102 and the light emitting diode LED. That is, the lightemitting control module 103 and the light emitting diode LED may be connected in series at any position on the light emitting loop.
Specifically, the driving transistor T1 is used to control the current flowing through the light emitting loop. The dual-gate transistor T2 is used for adjusting the threshold voltage of the dual-gate transistor T2 based on the control signal sweet, thereby controlling the light emitting time of the light emitting diode LED. The first datasignal writing module 101 is configured to output a first data signal D1 to the first node a under the control of the first scan signal S1. The second datasignal writing module 102 is used for outputting the second data signal D2 to the second node b under the control of the second scan signal S2. The light emittingcontrol module 103 is used for controlling the light emitting loop to be turned on or off based on the light emitting control signal S3.
In the embodiment of the application, the voltage of the second gate of the dual-gate transistor T2 is adjusted by the control signal sweet, so that the adjustment and control of the threshold voltage of the dual-gate transistor T2 are realized, the on-time of the dual-gate transistor T2 can be controlled, the on-time of the driving transistor T1 is further controlled, and the control of the light emitting time of the light emitting diode LED is finally realized. Compared with the conventional pulse width modulation driving technology, the pulse width modulation driving circuit has the advantages that the problem of color cast is solved, and meanwhile, the circuit has longer charging time and flexible data bandwidth.
In some embodiments, please refer to fig. 2, and fig. 2 is a circuit diagram of a light emitting diode driving circuit according to an embodiment of the present disclosure. Referring to fig. 1 and 2, the first datasignal writing module 101 includes a first data signal writing transistor T3 and a first capacitor C1; the source of the first data signal writing transistor T3 is connected to the first data signal D1, the drain of the first data signal writing transistor T3 is electrically connected to the first node a, and the gate of the first data signal writing transistor T3 is connected to the first scanning signal S1; the first end of the first capacitor C1 is electrically connected to the first node a, and the second end of the first capacitor C1 is connected to the second power signal VSS. Of course, it is understood that the first datasignal writing module 101 may also be formed by connecting a plurality of transistors in series.
In some embodiments, referring to fig. 1 and 2, in combination with fig. 1 and 2, the second datasignal writing module 102 includes a second data signal writing transistor T4 and a second capacitor C2; the source of the second data signal writing transistor T4 is connected to the second data signal D2, the drain of the second data signal writing transistor T4 is electrically connected to the second node b, and the gate of the second data signal writing transistor T4 is connected to the second scan signal S2; the first end of the second capacitor C2 is electrically connected to the second node b, and the second end of the second capacitor C2 is connected to the second power signal VSS. Of course, it is understood that the second datasignal writing module 102 may also be formed by connecting a plurality of transistors in series.
In some embodiments, with continuing reference to fig. 1 and fig. 2, and with reference to fig. 1 and fig. 2, the light-emittingcontrol module 103 includes a light-emitting control transistor T5; the source of the light emitting control transistor T5 is connected to the first power signal VDD, the drain of the light emitting control transistor T5 is electrically connected to the anode of the light emitting diode LED, and the gate of the light emitting control transistor T5 is connected to the light emitting control signal S3. Of course, it is understood that the lightemission control module 103 may also be formed by connecting a plurality of transistors in series.
The embodiment of the application adopts the light emitting diode drive circuit with the 5T2C (5 transistors and 2 capacitors) structure to control the light emitting time of the light emitting diode LED, uses fewer components, has simple and stable structure and saves the cost. Compared with a driving circuit which adopts a voltage comparator as a switch to control the light emitting time of the light emitting diode, the double-gate transistor T2 can reduce the number of transistors, optimize the circuit design and simplify the circuit structure.
In some embodiments, the first power signal VDD and the second power signal VSS are both used for outputting a predetermined voltage value. In addition, in the embodiment of the present application, the potential of the first power signal VDD is greater than the potential of the second power signal VSS. Specifically, the potential of the second power signal VSS may be the potential of the ground terminal. Of course, it is understood that the potential of the second power signal may be other.
In some embodiments, the driving transistor T1, the double gate transistor T2, the first data signal writing transistor T3, the second data signal writing transistor T4, and the light emission controlling transistor T5 are low temperature polysilicon thin film transistors, oxide semiconductor thin film transistors, or amorphous silicon thin film transistors. The transistors in the light emitting diode driving circuit provided by the embodiment of the application are the same type of transistors, so that the influence of difference among different types of transistors on the light emitting diode driving circuit is avoided.
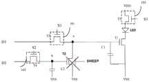
Referring to fig. 3, fig. 3 is a timing diagram of a light emitting diode driving circuit according to an embodiment of the present disclosure. As shown in fig. 1 and 3, the combination of the first scan signal S1, the second scan signal S2, the adjustment signal sweet, and the light emission control signal S3 sequentially corresponds to a first stage t1, a second stage t2, a third stage t3, and a fourth stage t 4. That is, the driving control period of the light emitting diode LED in the light emitting diode driving circuit provided by the embodiment of the present application includes a first stage t1, a second stage t2, a third stage t3 and a fourth stage t 4.
The first scan signal S1 and the second scan signal S2 each correspond to a plurality of timings. Wherein, each time sequence corresponds to a row of light emitting diodes.
In some embodiments, in the first phase t1, the first scan signal S1 is at a low level, the second scan signal S2 is at a low level, the control signal sweet is at a first preset level, and the emission control signal S3 is at a low level. The driving transistor T1 and the double gate transistor T2 are both turned off. The first preset potential is a negative potential corresponding to the negative voltage.
In some embodiments, during the second period t2, the first scan signal S1 is at a high level, the second scan signal S2 is at a high level, the control signal sweet is at a first preset level, and the emission control signal S3 is at a low level. That is, in the first half of the second stage t2, the first scan signal is at a high level; in the second half of the second period t2, the second scan signal is high. The light emittingcontrol module 103 controls the light emitting loop to be cut off, and the light emitting diode LED is turned off; the first data signalwrite module 101 outputs the first data signal D1 to the first node a, such that the driving transistor T1 is turned on; the seconddata writing module 101 outputs a second data signal D2 to the second node b; the voltage level of the control signal sweet is a first predetermined voltage level, so that the dual-gate transistor T2 is turned off.
In some embodiments, in the third stage t3, the first scan signal S1 is at a low potential, the second scan signal S2 is at a low potential, the adjustment signal sweet is gradually raised from the first preset potential to the second preset potential, and the emission control signal S3 is at a high potential. The light emittingcontrol module 103 controls the conduction of the light emitting loop, and the light emitting diode LED emits light; the potential of the regulating signal sweet is gradually raised from the first preset potential to a second preset potential, so that the threshold voltage Vth of the dual-gate transistor T2 is gradually lowered; and in the third stage T3, the potential of the second node b is kept less than the threshold voltage Vth, so that the dual-gate transistor T2 is kept turned off and the light emitting diode LED maintains emitting light.
In some embodiments, during the fourth period t4, the first scan signal S1 is at a low voltage level, the second scan signal S2 is at a low voltage level, the control signal sweet is continuously raised from the second preset voltage level, and the light-emitting control signal S3 is at a high voltage level. The potential of the regulating signal sweet is continuously raised from the second preset potential, so that the threshold voltage Vth of the double-gate transistor T2 is continuously reduced; in the fourth phase T4, the potential of the second node b is greater than the threshold voltage Vth, so that the dual-gate transistor T2 is turned on, the potential of the first node a is pulled low, the driving transistor T1 is turned off, and the light emitting diode LED is turned off. In the fourth stage t4, the second predetermined potential is raised continuously, and the potential is raised to 0 at most.
In addition, in the embodiment of the present application, the current can be made insensitive to the threshold voltage of the transistor by setting the potential of the second data signal D2 in the third stage t3 and the fourth stage t4, and the problem of drift and compensation of the threshold voltage of the transistor does not need to be considered. Specifically, the potential of the second data signal D2 may depend on the characteristics of the transistors specifically employed.
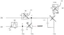
Specifically, referring to fig. 4, fig. 4 is a schematic path diagram of a first stage of the light emitting diode driving circuit provided in the embodiment of the present application under the driving timing shown in fig. 3. As shown in fig. 3 and 4, in the first phase T1, the first scan signal S1 is at a low potential, and the first data signal writing transistor T3 is turned off under the control of the low potential of the first scan signal S1. The second scan signal S2 is at a low level, and the second data signal writing transistor T4 is turned off under the control of the low level of the second scan signal S2. The control signal sweet is a first preset potential, the potential of the second gate of the dual-gate transistor T2 is the first preset potential of the control signal, so that the threshold voltage Vth of the dual-gate transistor T2 is a first preset threshold potential; at this time, since the potential of the first gate of the dual-gate transistor T2 is less than the first preset threshold potential, the dual-gate transistor T2 is turned off. The light emission control signal S3 is at a low potential, and the light emission control transistor T5 is turned off by the low potential control of the light emission control signal S3.
Referring to fig. 5, fig. 5 is a schematic path diagram of a second stage of the led driving circuit according to the embodiment of the present disclosure under the driving timing shown in fig. 3. Referring to fig. 3 and 5, in the second phase T2, the first scan signal S1 is at a high level, the first data signal writing transistor T3 is turned on under the control of the high level of the first scan signal S1, the first data signal D1 is output to the first node a, and the first capacitor C1 is charged, so that the driving transistor T1 is turned on. The second scan signal S2 is at a high level, the second data signal writing transistor T4 is turned on under the control of the high level of the second scan signal S2, the second data signal D2 is outputted to the second node b, and the second capacitor C2 is charged, so that the potential of the second node b is the potential of the second data signal D2 at this time. That is, the potential of the first gate of the dual-gate transistor T2 is the potential of the second data signal D2. The control signal sweet is a first preset potential, the potential of the second gate of the dual-gate transistor T2 is the first preset potential of the control signal sweet, so that the threshold voltage Vth of the dual-gate transistor T2 is a first preset threshold potential; at this time, since the potential of the first gate of the dual-gate transistor T2 is still less than the first preset threshold potential, the dual-gate transistor T2 is still turned off. The emission control signal S3 is at a low potential, and the emission control transistor T5 is turned off under the low potential control of the emission control signal S3, so that the light emitting diode LED is turned off.
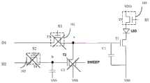
Referring to fig. 6, fig. 6 is a schematic path diagram of a third stage of the led driving circuit according to the embodiment of the present disclosure under the driving timing sequence shown in fig. 3. As shown in fig. 3 and 6, in the third stage T3, the first scan signal S1 is at a low potential, and the first data signal writing transistor T3 is turned off under the control of the low potential of the first scan signal S1. The second scan signal S2 is low, and the second data signal writing transistor T4 is turned off under the control of the low level of the second scan signal S2. The potential of the control signal sweet is gradually raised from the first preset potential to a second preset potential, so that the threshold voltage Vth of the dual-gate transistor T2 is gradually lowered from the first preset threshold potential at the second stage T2; at this time, since the potential of the first gate of the dual-gate transistor T2 is still smaller than the potential corresponding to the threshold voltage Vth of the dual-gate transistor T2 at this time, the dual-gate transistor T2 remains turned off. The light emission control signal S3 is at a high potential, the light emission control transistor T5 is turned on under the high potential control of the light emission control signal S3, and the light emitting diode LED emits light.
Referring to fig. 7, fig. 7 is a schematic path diagram of a fourth stage of the light emitting diode driving circuit according to the embodiment of the present application under the driving timing shown in fig. 3. Referring to fig. 3 and 7, in the fourth phase T4, the first scan signal S1 is at a low voltage level, and the first data signal writing transistor T3 is turned off under the control of the low voltage level of the first scan signal S1. The second scan signal S2 is low, and the second data signal writing transistor T4 is turned off under the control of the low level of the second scan signal S2. The potential of the control signal sweet is continuously raised from the second preset potential, so that the threshold voltage Vth of the dual-gate transistor T2 is continuously lowered from the potential at the third stage T3; at this time, since the potential of the first gate of the dual-gate transistor T2 is greater than the potential corresponding to the threshold voltage Vth of the dual-gate transistor T2 at this time, the dual-gate transistor T2 is turned on, and the potential of the first node a is pulled low, the driving transistor T1 is turned off, and the light emitting diode LED is turned off. The light emission control signal S3 is at a high potential, and the light emission control transistor T5 is turned on under the high potential control of the light emission control signal S3.
In the embodiment of the application, the threshold voltage Vth of the double-gate transistor T2 is regulated and controlled by the regulating signal sweet, and is compared with the potential of the second data signal D2, so that the light emitting time of the light emitting diode LED is controlled; compared with the conventional pulse width modulation driving technology, the color cast is solved, and meanwhile, the circuit has longer charging time and flexible data bandwidth; compared with a driving circuit which adopts a voltage comparator as a switch to control the light emitting time of the light emitting diode, the double-grid transistor can also reduce the number of transistors, thereby simplifying the circuit structure.
Referring to fig. 8, fig. 8 is a schematic structural diagram of a display panel according to an embodiment of the present disclosure. The embodiment of the present application further provides adisplay panel 10, which includes the above-mentioned led drivingcircuit 20, and specific reference may be made to the above description of the led drivingcircuit 20, which is not described herein again.
The above embodiments are merely examples, and not intended to limit the scope of the present application, and all modifications, equivalents, and flow charts using the contents of the specification and drawings of the present application, or those directly or indirectly applied to other related arts, are included in the scope of the present application.

Claims (9)

CN202110115043.4A2021-01-282021-01-28Light emitting diode driving circuit and display panelActiveCN112863429B (en)

Priority Applications (1)

Application NumberPriority DateFiling DateTitle
CN202110115043.4ACN112863429B (en)2021-01-282021-01-28Light emitting diode driving circuit and display panel

Applications Claiming Priority (1)

Application NumberPriority DateFiling DateTitle
CN202110115043.4ACN112863429B (en)2021-01-282021-01-28Light emitting diode driving circuit and display panel

Publications (2)

Publication NumberPublication Date
CN112863429A CN112863429A (en)2021-05-28
CN112863429Btrue CN112863429B (en)2022-01-25

Family

ID=75986265

Family Applications (1)

Application NumberTitlePriority DateFiling Date
CN202110115043.4AActiveCN112863429B (en)2021-01-282021-01-28Light emitting diode driving circuit and display panel

Country Status (1)

CountryLink
CN (1)CN112863429B (en)

Families Citing this family (3)

* Cited by examiner, † Cited by third party
Publication numberPriority datePublication dateAssigneeTitle
TW202329259A (en)*2021-12-162023-07-16日商半導體能源研究所股份有限公司 Display device and electronic device
WO2025001206A1 (en)*2023-06-292025-01-02合肥维信诺科技有限公司Pixel drive circuit, display panel, and display device
CN119600937A (en)*2025-01-152025-03-11福州大学 A dual-gate controlled brightness compensation driving method for a light-emitting device

Citations (7)

* Cited by examiner, † Cited by third party
Publication numberPriority datePublication dateAssigneeTitle
CN102915703A (en)*2012-10-302013-02-06北京大学Pixel driving circuit and driving method thereof
CN103117042A (en)*2013-02-222013-05-22合肥京东方光电科技有限公司Pixel unit drive circuit, pixel unit drive method, pixel unit and display device
KR20140080729A (en)*2012-12-142014-07-01엘지디스플레이 주식회사Organic light emitting diode display device and driving method the same
CN106504699A (en)*2016-10-142017-03-15深圳市华星光电技术有限公司AMOLED pixel-driving circuits and driving method
CN210378423U (en)*2019-11-292020-04-21京东方科技集团股份有限公司 Pixel drive circuit and display device
CN111261110A (en)*2020-03-092020-06-09深圳市华星光电半导体显示技术有限公司AMOLED pixel driving circuit, pixel driving method and display panel
CN112119448A (en)*2018-05-182020-12-22株式会社半导体能源研究所Display device and method for driving display device

Family Cites Families (2)

* Cited by examiner, † Cited by third party
Publication numberPriority datePublication dateAssigneeTitle
KR101152575B1 (en)*2010-05-102012-06-01삼성모바일디스플레이주식회사Pixel circuit of a flat panel display device and method of driving the same
KR102343894B1 (en)*2015-04-072021-12-27삼성디스플레이 주식회사Display device

Patent Citations (7)

* Cited by examiner, † Cited by third party
Publication numberPriority datePublication dateAssigneeTitle
CN102915703A (en)*2012-10-302013-02-06北京大学Pixel driving circuit and driving method thereof
KR20140080729A (en)*2012-12-142014-07-01엘지디스플레이 주식회사Organic light emitting diode display device and driving method the same
CN103117042A (en)*2013-02-222013-05-22合肥京东方光电科技有限公司Pixel unit drive circuit, pixel unit drive method, pixel unit and display device
CN106504699A (en)*2016-10-142017-03-15深圳市华星光电技术有限公司AMOLED pixel-driving circuits and driving method
CN112119448A (en)*2018-05-182020-12-22株式会社半导体能源研究所Display device and method for driving display device
CN210378423U (en)*2019-11-292020-04-21京东方科技集团股份有限公司 Pixel drive circuit and display device
CN111261110A (en)*2020-03-092020-06-09深圳市华星光电半导体显示技术有限公司AMOLED pixel driving circuit, pixel driving method and display panel

Also Published As

Publication numberPublication date
CN112863429A (en)2021-05-28

Similar Documents

PublicationPublication DateTitle
US11908391B2 (en)Display panel and display device
CN110473494B (en) A pixel circuit, a display panel and a driving method for the pixel circuit
US10930203B2 (en)Grayscale adjustment circuit, method for driving the same and display device
US10490136B2 (en)Pixel circuit and display device
CN111489687B (en)Pixel driving circuit, display panel, display device and driving method
US11605344B2 (en)Pixel circuit, display panel and driving method thereof, and display device
CN113487994B (en)Pixel circuit, display device and pixel compensation method
CN112863429B (en)Light emitting diode driving circuit and display panel
CN114446251B (en)Driving circuit, backlight module and display panel
CN109979384B (en) Pixel driving circuit, pixel circuit, display device, and pixel driving method
CN111145686B (en)Pixel driving circuit, display panel and driving method
US11348519B2 (en)Display device displaying frames at different driving frequencies utilizing first and second gamma voltage generators and a gap controller
CN114005400A (en)Pixel circuit and display panel
CN218631338U (en)Pixel circuit and display panel
US11817044B1 (en)Pixel driving circuit and display panel
CN216793268U (en)Display panel and display device
US20240363057A1 (en)Pixel circuit, display panel, and display apparatus
CN113487997A (en)Pixel circuit, driving method thereof and display device
US20230154414A1 (en)Source driving circuit, display device, and pixel driving method
CN113689821A (en)Light emitting device driving circuit, backlight module and display panel
CN115731842B (en) Pixel circuit and driving method thereof, and display panel
CN117423315B (en) Pixel circuit and display panel
US20240194135A1 (en)Pixel circuit and display panel
CN114446245B (en)Pixel driving circuit and driving method thereof, display panel and display device
CN110111741B (en)Pixel driving circuit and display panel

Legal Events

DateCodeTitleDescription
PB01Publication
PB01Publication
SE01Entry into force of request for substantive examination
SE01Entry into force of request for substantive examination
GR01Patent grant
GR01Patent grant

[8]ページ先頭

©2009-2025 Movatter.jp